Проектирование винтового съемника
Министерство образования и науки
Республики Казахстан
Актюбинский региональный
государственный университет им. К. Жубанова
Кафедра: АТ и ОДД
Факультет: технический
КУРСОВОЙ ПРОЕКТ
по дисциплине:
Основы проектирования и эксплуатация
технического оборудования
На тему:
Проектирование винтового съемника
Разработал: Өстенов Д.К.
студент группы ТТТ К-3
Проверил: Куанышев М.К.
к.т.н., ст. преподаватель
Актобе-2015 год
Содержание
Введение
Задание
1. Расчёт и
проектирование винта
2. Расчёт
и проектирование гайки
. Расчёт
пяты скольжения
. Детали
вращения винтов, расчёт и проектирование
. Расчёт
коэффициента полезного действия винтового механизма
. Проектирование
корпуса винтового механизма
Заключение
Список
используемой литературы
Введение
Курсовой проект по дисциплине «Основы проектирования и эксплуатация
технологического оборудования» соответствует закреплению, углублению и
обобщению теоретических знаний, развитию творческих и инженерных навыков
самостоятельного решения инженерно-технических задач, подготовке к выполнению
дипломных проектов, включающих разработку гидропривода машин.
Цель этой работы состоит в том, чтобы спроектировать винтовой механизм
(съёмник). Назначение передач винт-гайка - преобразование вращательного
движения в поступательное. Передачи обеспечивают большой выигрыш в силе,
возможность получения медленного движения, большую несущую способность при
малых габаритах, возможность достижения высокой точности перемещений, простоту
конструкции и изготовления, поэтому винтовые механизмы получили широкое
распространение в общем машиностроении, авиационной технике и робототехнике.
винтовой механизм самолётный съёмник
Винтовые съемники предназначены для разбора узлов с деталями, собранные с
натягом. Разнообразие таких деталей велико: подшипники качения, различные
втулки, диски, колеса и другие детали, посаженные с натягом на вал или в
отверстие корпуса.
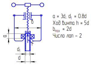
Рис. 1. Винтовой съемник
Винтовой съемник состоит из траверсы (корпуса) 2, винта 5, захватов (лап,
упоров) 4, гайки 3 и рукоятки 1. Количество захватов - два или три.
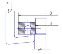
Для предотвращения разрушения демонтируемых подшипников качения следует
захватывать внутреннее кольцо подшипника, посаженного на вал, а при запрессовке
подшипника в корпус наружное.
Рис. 2 Схема захвата подшипника
Задание 05.02 «Съемник самолётного ремкомплекта»
Дано:
резьба: упорная ГОСТ 9484;
подшипник: 7516;
осевая сила: F = 8000Н;
ход
винта: h =
;
внутренний
диаметр подшипника:
= 80мм;
1. Расчёт и проектирование винта
Для винта выбираем материал Сталь 40Х, имеющий следующие характеристики:
где
временное
сопротивление разрыву;
предел
текучести;
S - коэффициент
запаса.
Определяем
допускаемые напряжения для материала винта:
Строим
эпюры распределения нагрузок вдоль оси винта и устанавливаем опасное сечение:
Найдём
диаметр винта по критериям, определяющим работоспособность винтового механизма
из следующих условий:
а)
прочности на сжатие с учётом продольной устойчивости:
, где
F - заданная
внешняя нагрузка;
= 0.54 -
коэффициент уменьшения основного допускаемого напряжения;
к
= 1.3 - коэффициент, который учитывает скручивание тела винта моментов в
опасном сечении;
= 0-
отношение внутреннего диаметра к внешнему;
-
допускаемое напряжение; отсюда
мм
б)
допускаемой гибкости для сжатых винтов:
где
-
коэффициент приведённой длины винта;
= 0.25 -
коэффициент полноты сечения;
мм -
свободная длина винта;
= 90 -
допускаемая гибкость; отсюда
мм
где
= 1.3 -
коэффициент высоты гайки;
= 0.5-
коэффициент высоты резьбы;
= 0,5P -
высота профиля резьбы;
P - шаг резьбы;
( сталь
по безоловянистой бронзе) - допускаемое удельное давление, отсюда:
мм
По
рассчитанным значениям выбираем стандартные значения винта и гайки:
Винт:
мм;
отсюда
наружный диаметр резьбы d = 32мм, внутренний диаметр
мм, средний диаметр
мм; Шаг
резьбы P=3 мм;
Гайка:
наружный
диаметр
= 32.5мм, внутренний диаметр
мм;
Выполним
проверочные расчёты:
а) Расчёт на условие самоторможения.
Угол подъёма средней винтовой линии резьбы:
,
где:
z - кол-во
заходов резьбы (i=1);
P - шаг резьбы;
d2 - средний диаметр резьбы.
Приведенный
угол трения:
,
где:
f - Коэффициент трения материалов винта и гайки (f =
0,13);
α - угол, образуемый рабочей поверхностью витка резьбы
с плоскостью, нормальной к оси винта (α = 30°).
-условие
самоторможения выполняется.
б)
Проверка винта на прочность в опасном сечении:
;
,
где:
А
- площадь сечения винта диаметром d1:
, где:
-
полярный момент сопротивления сечения винта:
-момент
винтовой пары
-
напряжение кручения;
;
,45
(МПа ) < 243 (МПа)
Условие прочности выполняется.
в) Определяем КПД винтовой пары:
,
2. Расчёт и проектирование гайки
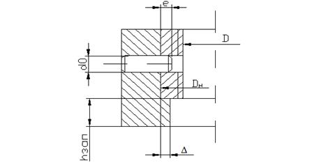
Конструкция гайки
Для расчёта гайки выберем материал БрАЖН 10-4-4, который имеет
характеристики:
;
Определим число витков:
;
Определим
высоту гайки:
;
;
Определю
наружный диаметр гайки:
, где
к=1.3 - коэффициент, учитывающий действия касательных напряжений
кручения,
-
допускаемое напряжение сжатия или растяжения
;
, где
;
;
;
так
как толщина стенки гайки по расчёту оказывается малой, то наружный диаметр
гайки назначаем конструктивно, но не менее
.
Определим
ширину заплечика из условия смятия материала гайки под действием силы F:
, где
-
допускаемое напряжение смятия материала гайки;
, из
конструкторских соображений примем
.
Определим
высоту заплечика из условия изгиба:
.
Соединение гайки с корпусом имеет следующий вид
Гайку и корпус ставят по посадке с гарантированным натягом. Для
уменьшения натяга гайку в корпусе фиксируют штифтом или установочным винтом,
которые должны удерживать гайку от проворачивания и выпадения при работе
механизма. Рассчитаем сопротивление вращению винтовой пары при подъёме груза:
, где
-
полезное сопротивление;
-
сопротивление трения в резьбе;
.
Рассмотрим
работу штифта на:
срез:
;
;
;
- на смятие:
;
;
.
3. Расчёт пяты скольжения
По госту 333-71 мы имеем роликовые конические однорядные подшипники -
упорный однорядный с лёгкой широкой серией, его характеристики:
-
внутренний диаметр кольца подшипника,
-
наружный диаметр кольца подшипника,
Основной
критерий работоспособности плоской сплошной и кольцевой пят это
износостойкость, из него можно определить наружный диаметр пяты:
, где
-
отношение внутреннего диаметра пяты к внешнему;
-
допускаемое удельное давление;
;
определим
момент трения:
4. Расчет рукоятки
В качестве материала для рукоятки выбираем сталь 40Х улучшенную со
следующими параметрами:
,
.
Определим
длину рукоятки:
,
где
Q - усилие рабочего, примем Q=100..200H,
тогда:
.
Определим
диаметр рукоятки из условия прочности:
;
;
Проверяем прочность материала рукоятки на смятие в опасном сечении:
5. Определение КПД механизма
КПД механизма определяем по формуле:
%
При
прямом ходе
.
Таким образом, h =
0.44 = 44%.
7. Расчёт корпуса
Расчет элементов корпуса съемника проводим в следующей
последовательности:
1.Из
условия прочности на изгиб определяют высоту сечений
и



.
Приняв размер b=1.1h2
,поверяют захват в сечении
на
прочность по напряжениям изгиба и растяжения. Для двутаврового сечения
На
внутренних волокнах сечения напряжения суммируется , на наружных вычитается.
При перегрузке размер в сечениях увеличивают и расчет повторяют.
.
Рассчитываются прямоугольные сечения
и
, ширина которых равна В. Из условия прочности на
смятие определяется размер H5 :
из
конструктивных соображений
и
из условия прочности на изгиб высоту
:
из
конструктивных соображений
Приняв
размер сечения
, поверяем сечение
по
условию прочности на изгиб и растяжение:

В данной расчетно-графической работе представлен расчет винтового
механизма самолётного съёмника. В ходе расчетов были определены параметры
винтовой передачи, корпуса. Определен КПД механизма, который равен 30%.
Список
использованной литературы
1. Муравьева
В.А., Яковлев Ю.В. Методические указания к выполнению домашнего задания по
винтовым устройствам. - Х.: ХАИ,1981. -48 с.
. Яковлев
Ю.В. Расчет и проектирование устройств с винтовой передачей. Учебное пособие по
курсовому и дипломному проектированию. - Х.: ХАИ,1978. - 86 с.
. Бейзельман
Р.Д., Цыпкин Б.В. Подшипники качения. Справочник. Изд. 6-е, перераб. и доп. -
М.: Машиностроение,1975.- 572 с.
. Анурьев
В.И. “Справочник конструктора-машиностроителя”, т.1. перераб. и доп. - М.:
Машиностроение,1981.- 560 с.