Конструирование винтового механизма
Омский
государственный технический университет
Кафедра «Детали
машин»
Пояснительная
записка.
Разработка
винтового механизма
Студент Группа
Руководитель проекта
2005 г.
1. Расчет винтовой пары
1.1 Выбор расчетной нагрузки
На резьбовую пару винтовых механизмов нагрузка
прикладывается центрально, следовательно расчетная нагрузка FВ равна полезной
нагрузке F:
FВ = 12 кН.
1.2 Материалы и допускаемые напряжения винта и гайки
Для изготовления деталей резьбовой пары применяют
антифрикционные материалы с целью снижения потерь на трение. При этом винт
выполняют всегда из сталей 35, 45, 40Х или Ст. 4, Ст. 5, Ст. б в улучшенном
(закалка с высоким отпуском) или нормализованном состояниях.
Для изготовления гаек в виде вкладышей используют бронзы
оловянистые и безоловянистые марок Бр. А9-Ж4; Бр. 010-Ф1; Бр. Об-Ц6-С3 и др., а
также серые чугуны марок СЧ15; СЧ20 и др. В зажимных механизмах гайки выполняют
из мягких сталей Ст. 2, Ст. 3, сталей 15, 20, 25.
Допускаемые напряжения [s] для винтов, стальных и чугунных гаек выбирают
дифференциальным способом.
где sпр
- предельное напряжение материала, n - допускаемое значение коэффициента запаса
прочности. Рекомендуют следующие допускаемые напряжения для бронзовых гаек: [tср] = 30 МПа; [sр] = 40 – 45 МПа; [sиз] = 45 – 50 МПа; [sсм] = 60 МПа.
Выполним расчет для винта, изготовленного из стали 45, и
гайки, выполненной из бронзы марки Бр. 010-Ф1.
Допускаемые напряжения винта:
объемная закалка, HB 335 - 490, [sВ] = 1000 МПа; [sТ] = 750 МПа; [s-1] = 430 МПа.
Допускаемые напряжения гайки:
[tср]
= 30 МПа; [sр] = 42,5
МПа; [sиз] = 47,5 МПа;
[sсм] = 60 МПа.
1.3 Выбор типа резьбы
Свойства резьбы определяются относительной толщиной витка
у основания ya= a / p,
относительной высотой витка yh=
h / p и рабочим углом g.
Для каждого типа резьбы эти параметры постоянны. Параметр ya, определяет прочность
витков резьбы на изгиб и срез; yh
- характеризует стойкость витков резьбы на износ, а параметр у обусловливает
КПД винтовой пары.
Применение каждого типа резьбы определяется соответствием
ее параметров ya, yh, g предъявляемым к механизму требованиям.
Трапецеидальная резьба (см. рис. ниже) – основной тип
резьбы для винтовых механизмов, широко применяется благодаря универсальности
свойств. Прочность (ya
= 0,67), стойкость на износ (yh
= 0,5) и КПД (g = 15°) удовлетворительные.
Технологичность трапецеидальной резьбы хорошая, так как ее можно нарезать
инструментом любого типа. Резьба стандартизирована, ее параметры определены
ГОСТ 9484-81.
Упорная резьба наиболее приспособлена к работе в условиях
большого трения и износа. Превосходит трапецеидальную резьбу по стойкости на
износ (yh = 0,75) и
КПД (g = 3°). Прочность витков (ya = 0,7), а технологичность
упорной и трапецеидальной резьб примерно одинаковы. Упорная резьба
стандартизована, ее размеры даются в ГОСТ 10177-82. Из-за несимметричности
профиля упорная резьба может применяться только в нереверсивных механизмах, т.
е. в таких, где рабочая нагрузка имеет одно направление.
Ленточная (прямоугольная) резьба по свойствам близка к
трапецеидальной резьбе. Размеры резьбы не стандартизованы. Резьбу делают
квадратной ya = yh = 0,5. Шаг и диаметры
резьбы удобно назначать по стандарту на трапецеидальную резьбу. Уступая по
прочности трапецеидальной резьбе, ленточная резьба превосходит ее по КПД (g = 0°).
Технологичность ленточной резьбы невысока, т.к. ее можно
нарезать только резцом. Однако винтовые механизмы с ленточной резьбой
обеспечивают наибольшую точность перемещений. Поэтому ее применяют для ходовых
винтов особо точных механизмов подач.
Метрическая резьба - основной тип резьбы для болтовых
соединений, обладает высокой прочностью (ya = 0,875), удовлетворительной стойкостью на износ (yh = 0,54) и низким КПД (g = 0°), технологичность ее - отличная.
В винтовых механизмах применение метрической резьбы
ограничивается зажимными приспособлениями, где по условиям самоторможения
выгодно иметь большое трение. Для уменьшения износа применяется резьба только с
крупным шагом. Резьба стандартизована, ее размеры даются в ГОСТ 24705-81.
Сопоставив параметры и технологичность тех или иных
резьб, остановим выбор на трапецеидальной резьбе: ya = 0,67, yh = 0,5, g = 15°.
1.4 Расчёт резьбовой пары на износ
Износостойкость резьбы является основным критерием,
определяющим работоспособность винтовой пары. Поэтому размеры резьбы находят из
ее расчета на износ по удельной нагрузке, которую принимают равномерно
распределенной по виткам гайки. Таким образом, удельная нагрузка (см. рис.):
где FВ – нагрузка на винт, Н; z – число витков гайки; АУСЛ
– условная площадь витка, мм, q – допустимая из условия износа удельная
нагрузка на виток, МПа.
Выразив z и АУСЛ через шаг резьбы р, относительную высоту
гайки как yH = H / d2 и
относительную высоту витка yh
= h / p (h - расчетная высота витка), получим
Откуда средний диаметр резьбы
а высота гайки
Рекомендуется принимать yH = 1,2 – 2,5.
Значения, близкие к верхнему пределу, следует применять
когда винт работает только на растяжение.
Относительную высоту гайки yH примем равной 1,3, т.к. винт работает на
растяжение и на сжатие.
Рекомендуемая удельная нагрузка [q], МПа и коэффициенты
трения f в винтовой паре даны в таблице.
|
Материалы винтовой пары
|
Условия смазки
|
|
Отличные
|
Средние
|
Плохие
|
|
[q]
|
f
|
[q]
|
f
|
[q]
|
f
|
|
Бронза-сталь
|
12
|
0,07
|
8
|
0,09
|
–
|
–
|
|
Чугун-сталь
|
–
|
–
|
6
|
0,11
|
4
|
0,13
|
|
Сталь-сталь
|
–
|
–
|
–
|
–
|
15
|
0,15
|
Условия смазки примем средними, т.е [q] = 8 МПа, f =
0,09.
Вычислим средний диаметр резьбы:

и высоту гайки:

1.5 Выбор шага резьбы
По d2 из ГОСТ 9484-81 выбираем основные размеры
стандартной резьбы: d – наружный диаметр; d2 - средний диаметр; d1 – внутренний
диаметр; p - шаг резьбы.
Для каждого диаметра имеются крупный, нормальный и мелкий
шаги.
Крупный шаг позволяет получить высокий КПД винтовой пары.
Мелкий шаг выгоднее с точки зрения выигрыша в силе.
Выбор шага резьбы:
1. В ручных механизмах выигрыш в силе важнее КПД, поэтому
в них предпочитают мелкий и нормальный шаги; мы примем нормальный шаг, т.к. он
является предпочтительным.
2. Условия работы механизма требуют, чтобы винтовая пара
была самотормозящаяся, то шаг резьбы подсчитывается из условия самоторможения:
или
или
отсюда
где a
– угол подъема винтовой линии; jE
– приведенный угол трения.
Вычислим:

3. Выбирают тот шаг, для которого число витков z = Н / р
невелико, так как число витков в гайке не должно быть более 15. Вычислим:

На основании расчетных данных выбираем из ГОСТ 9484-81
конкретную резьбу с параметрами: d = 32 мм, p = 6 мм, d1 = 25 мм, d2 = 29 мм,
D4 = 33 мм, D1 = 26 мм, aC = 0,5 мм. Уточним значения H и z:

примем H = 38 мм;

примем z = 6,3.
1.6 Проверка витков резьбы на прочность
В винтовой паре наиболее слабым являются витки гайки, так
как они делаются из менее прочного материала, чем витки винта.
При составлении расчетной схемы (см. рис.) виток
развёртывают и рассматривают как консольную балку, нагруженную посередине
консоли силой FВ / z, условно считая нагрузку равномерно распределенной между
витками.
Проверочный расчёт витка на прочность состоит в
определении действующих в опасном сечении напряжения среза tСР и напряжения изгиба sИЗ.
где a = 0,67p;
где h = 0,5p;

Условия прочности выполняются.
Расчетные значения толщины витка у основания a и высоты
витка h приведены на рис. п.1.1.3.
1.7 Конструирование и проверочный расчет элементов гаек
Главные размеры детали (для гаек - высота и диаметр
резьбы) берут из расчета. Форму детали и основные ее размеры определяют путем
прочерчивания по конструктивным, технологическим и эстетическим соображениям.
Широко используют также аналогии с существующими конструкциями. Затем, как
заключительный этап проектирования, проводят проверочный расчет на прочность
опасных сечений детали. Такая последовательность проектирования деталей
является обычной для конструкторской практики.
Конструктивные соображения принимаемые во внимание при
выборе формы и размеров детали, учитывают уменьшение изгибающих моментов,
возможность общей компоновки узла, возможность присоединения деталей друг к
другу и т.п.
Технологические соображения учитывают возможность
наиболее простого изготовления детали.
По эстетическим соображениям деталь должна иметь красивую
форму и гармоничные соотношения размеров не в ущерб технологичности
изготовления.
Основные размеры деталей, найденные путём прочерчивания
или из каких-либо других соображений, должны быть округлены по ГОСТ 6636-69 на
линейные размеры. Округление размеров деталей делают для облегчения их
изготовления и контроля, так как оно сокращает номенклатуру режущих,
деформирующих и мерительных инструментов.
Чтобы получить удачную, совершенную конструкцию, в нее
надо вводить все то положительное, что есть в ранее созданных образцах. Образцы
существующих конструкций можно найти в атласах конструкций [2].
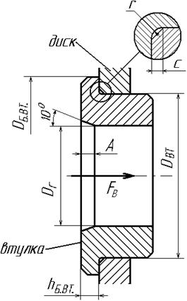
Наибольшее распространение в винтовых механизмах имеют
круглые гайки-вкладыши с буртиком (см. рис.) и без буртика. В качестве
расчетной остановимся на гайке с буртиком.
Гайку проверяют на растяжение:
где kКР = 1,25 – коэффициент кручения.

DГ ³
D4 +16 мм, DГ ³
49 мм.
Примем: DГ = 50 мм.
По диаметру DГ гайка шлифуется, поэтому необходимо учесть
канавку (параметры определены по ГОСТ 8820-69: см. в табл.) для выхода
инструмента. Т.к. гайка и втулка образуют соединение посадкой с натягом, то
необходимо учесть входные фаски a ´ 10°
и A ´ 10°, где a = 0,5 мм, A = 1 мм.
|
Размеры в мм
|
|
b
|
d1
|
R
|
R1
|
|
3
|
49,5
|
1,0
|
0,5
|
Буртик гайки проверяют на срез и изгиб, так как он
работает подобно витку резьбы. В качестве нагрузки на буртик берется расчетная
нагрузка на винтовую пару. Торцовые поверхности этих гаек (на рис. не показано)
имеют форму кольца и проверяются на смятие.
На смятие:

Примем: Dб = 55 мм.
На изгиб:

а срез:

Из расчета на изгиб и срез принимаем: hб = 3,4 мм.
По ГОСТ 10549-63 размер фаски для внутренней
трапецеидальной однозаходной резьбы составляет 3,5´45°.
1.8 Расчет винта на прочность и устойчивость
Размеры резьбы известны из расчета, а длину винта
определяют прочерчиванием с учетом хода и высоты гайки.
Проверочные расчеты винта необходимы для проверки
пригодности его размеров с точки зрения прочности и продольной устойчивости.
Расчет винта на прочность начинают с составления
расчетной схемы (см. рис. ниже), первая часть которой - условное изображение
узла (см. рис. а).
Вторая часть - схема нагружения винта вращающими моментами
(см. рис. б). Момент торцового трения ТТ и момент на рукоятке ТРУК считают
сосредоточенными, а момент в резьбе ТРЕЗ - равномерно распределённым по высоте
гайки. Величина ТТ подсчитывается по формулам из п.1.2.1. Момент в резьбовой
паре подсчитывается по известному из теории винтовой пары соотношению
где
Рис: а – пресс; б – схема нагружения винта; в, г – эпюры
ВСФ.

Третья часть - эпюры внутренних силовых факторов (ВСФ),
действующих в сечениях рассчитываемой детали. В рассматриваемых случаях винт
испытывает действие сжимающих сил (рис. в) и крутящих моментов (рис. г). Третья
часть расчетной схемы дает представление о видах деформаций детали.
Согласно расчетной схеме (см. рис.) винт работает на
сжатие с кручением.
Расчетная схема дает представление о положении опасного
сечения в котором нужно рассчитывать деталь. Опасное сечение соответствует
максимуму внутренних силовых факторов. На расчетной схеме (рис.) опасное
сечение находится на участке винта между рукояткой и гайкой. В этом сечении
действуют сжимающая сила FВ и крутящий момент ТРЕЗ.
Проверка прочности винта в опасном сечении производится
по III гипотезе прочности, она в большей степени учитывает кручение и является
наиболее подходящей для стали:
где А и WР1 - площадь и полярный момент сопротивления
сечения винта по внутреннему диаметру резьбы; [sР] - допускаемое напряжение для стали на
растяжение-сжатие выбирается дифференциальным способом, но не более, чем sТ / 3.
Определим допускаемое напряжение:
где sт
– предельное напряжение текучести; ks - коэффициент концентрации напряжений; e - масштабный коэффициент; S – коэффициент
запаса прочности:
S = S1 · S2 · S3,
где S1 – коэффициент, характеризующий соответствие
расчетной нагрузки фактическому напряжению; S2 – коэффициент, характеризующий
неоднородность материала; S3 – коэффициент, характеризующий ответственность
узла.
Примем:
S1 =1,35;
S2 =1,1 (прокат);
S3 =2,5 (поломка может вызвать травму рабочего или порчу
дорогостоящего агрегата, детали или узла).
Вычислим: S = 1,35 · 1,1 · 2,5 = 3, 7125;
Допускаемое напряжение:
Проверка прочности винта:
условие
прочности выполняется.
Винты, подверженные сжимающей нагрузке, проверяют также
на продольный изгиб. За расчетное принимают крайнее положение гайки, при
котором винт подвергается сжатию на максимальной рабочей длине его по условию
где j
- коэффициент уменьшения допускаемого напряжения при продольном изгибе (см.
таблицу) в зависимости от гибкости винта l = ml
/ i; l - свободная длина винта - расстояние между опорой винта и серединой
гайки (ml -
приведенная длина винта); m
- коэффициент приведения длины зависит от способа закрепления концов винта (см.
рис.); i - осевой радиус инерции сечения винта:
где J - осевой момент инерции сечения винта; A - площадь
сечения.
В обычных домкратах концы винта можно считать
шарнирно-закрепленными из-за зазоров в узлах и принимать m = 1.
|
l
|
0
|
10
|
20
|
30
|
40
|
50
|
60
|
80
|
100
|
120
|
140
|
160
|
180
|
|
j
|
1,00
|
0,98
|
0,96
|
0,93
|
0,89
|
0,85
|
0,80
|
0,7
|
0,5
|
0,37
|
0,28
|
0,23
|
0,19
|
Осевой момент инерции сечения винта определяют по формуле
где d и d3 - наружный и внутренний диаметры резьбы винта.
Произведем вычисления:
1) m
= 1,
2) из прорисовки определяем l = 240,75 мм,
3)
4)
(см. п.1.1.8),
5)
6)
винт в проверке устойчивости не нуждается.
2. Расчёт прочих деталей винтового механизма
2.1 Разработка опорных узлов винтового механизма
В качестве опорного узла домкрата используется кольцевая
пята (см. рис.).
пределим основные размеры опорного узла:
BП = (1,5..2,0)·d, BП = 1,75·d = 1,75·32 = = 56 мм » 60мм;
dВ = (1/3..1/2)·d, dВ = (5/12)·d = (5/12)·32 = = 13,(3)
мм » 14 мм;
dН = 1,8·d = 1,8·32 = 57,6 мм » 60 мм;
DН = (2,4..2,5)·d, DН = 2,45·d = 2,45·32 = = 78,4 мм » 80 мм;
BГ = 1,5·d = 1,5·32 = 48 мм;
dР = (1/3..1/2)· BГ, dР = (1/3)·BГ = (1/3)·48 = = 16 мм;
Выбранные размеры округлены до стандартных согласно ГОСТ
6636-69.
Материал пяты: чугун (СЧ15).
Подсчитаем момент торцевого трения:
Пята изготовляется путем отливки.
где L, B, H – габаритные размеры отливки (соответственно
длина, ширина, высота), мм;
d
примем равным 5 мм.
r примем равным 3 мм.
2.2 Разработка узла рукоятки
Расчет узла рукоятки (см. рис.) сводится к определению ее
длины (LРУК) и диаметра (dР). Сначала подсчитывают момент на рукоятке
TРУК = TРЕЗ + TТ / U,
где U - передаточное число зубчатой передачи, если она
предусмотрена между рукояткой и винтом для выигрыша в усилии на рукоятке. Но в
нашем случае она не предусмотрена и U = 1.
TРУК = TРЕЗ + TТ = 137,6968 Н·м + 41,348 Н·м = 179,04
Н·м.
Зная TРУК, можно определить расчетную длину рукоятки как
100
см,
где QРАБ – усилие рабочего на рукоятке, принимаемое по
таблице.
|
Рекомендуемые усилия рабочего на
рукоятке винтовых механизмов
|
|
Режим работы
|
QРАБ(Н)
|
|
Непрерывная работа
|
До 120
|
|
Периодическая работа
|
До 160
|
|
Кратковременная работа
|
До 240
|
|
То же в исключительных случаях
|
До 300 – 400
|
=
240 Н.
Для уменьшения LРУК предусматривают работу одновременно
двух рабочих.
Чтобы учесть неравномерность их работы, усилие 2
умножают на коэффициент
неравномерности работы 0,8:
QРАБ = 2
·0,8 = 2·240 Н·0,8 = 384 Н.
Примем LРУК равной 480 мм. В натуре длина рукоятки
большее и составляет 500 мм.
Короткие рукоятки делают сплошными.
Рукоятки проверим на прочность (на изгиб по схеме
консольной балки (см. рис.)) по формуле
Материал рукоятки: сталь 40Х (термическая обработка -
улучшение).
Определим допускаемое напряжение:
где sт
=650 МПа.
увеличим диаметр рукоятки dР до 20 мм:
условие
выполняется.
На конце рукоятки устанавливается пластмассовая ручка
(см. рис. ниже), которая выбирается по нормали машиностроения МН 6 – 64.
Исполнение I, размеры в мм приведены в таблице.
|
Общие размеры
|
Пластмассовая ручка
|
|
D
|
50
|
D2
|
52
|
|
D1±0,5
|
20
|
d
|
12
|
|
d1
|
М12
|
l
|
24
|
|
|
r
|
1,0
|
|
|
b
|
2,0
|
|
|
c
|
1,8
|
2.3 Конструирование и проверочный расчет элементов втулки
Конструкция втулки изображена на рисунке. Фаска A ´ 10° входная (см. п.1.1.7).
Размеры на рисунке:
c = 2,5 мм,
r = 2 мм,
A = 1 мм.
Расчет втулки аналогичен расчету гайки в силу схожести
конструкций.
Материал втулки – сталь 20:
[sР]
= 95 МПа; [sСМ] = 175
МПа; [sИЗ] = 95 МПа; [tСР] = 45 МПа.
При выборе допускаемых напряжений учитывался
знакопеременный характер нагрузки. Термообработка – нормализация.
Проверим втулку на растяжение:
где kКР = 1,25 – коэффициент кручения.
Т.к. втулка изготавливается путем отливки, необходимо
выполнение условие
DВТ ³
DГ +18 мм,
DВТ ³
68 мм. Но, учитывая применение сварки, примем DВТ = 90 мм.
По диаметру DГ втулка растачивается (чистовое растачивание).
Буртик втулка проверим на срез и изгиб. В качестве
нагрузки на буртик берется расчетная нагрузка на винтовую пару. Торцовая
поверхность втулки имеет форму кольца и проверяются на смятие.
На смятие:

Примем:
= 100 мм.
На изгиб:

На срез:

Из расчета на изгиб и срез принимаем: hб = 2 мм.
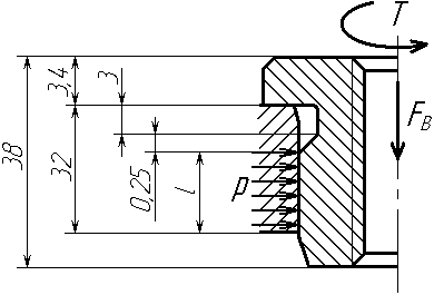
2.4 Расчет на неподвижность гайки относительно втулки
Неподвижность гайки-вкладыша относительно корпуса (см.
рис. ниже) обеспечивают выбором посадки с натягом или посадки переходной и
применением одновременно стопорного устройства в виде винта или штифта с
последующей их проверкой на прочность от момента
Т = TРЕЗ – TБ
где TБ - момент трения бурта гайки или её торца о корпус
механизма, определяемый по формуле
,
A = 1 мм (см. п.1.1.7);
Т.к. TРЕЗ = 137,6968 Н·м > > TБ = 28,464 Н·м, т.е.
трение бурта гайки о втулку не обеспечивает неподвижность гайки относительно
втулки, то необходимо рассчитать посадку с натягом или переходную посадку с
применением одновременно стопорного устройства в виде винта или штифта.
Произведем выбор посадки с натягом.
Посадочный диаметр d = DГ = 50 мм, посадочная длина l =
32 – 3 – 0,25 = = 28,75 мм.
На соединение действует момент Т = TРЕЗ – TБ = 137,6968
Н·м – 28,464 Н·м = 109,2328 Н·м.
Определим давление на посадочной поверхности p. Давление
p должно быть таким, чтобы силы трения оказались больше внешних сдвигающих сил.
При одновременном нагружении вращающим моментом Т и
сдвигающей силой FВ, (см. рис.) расчет ведут по равнодействующей окружной Ft и
осевой силе FX:
откуда
Номинальный натяг NР связан с посадочным давлением р
зависимостью Ляме, выводимой в курсе «Сопротивление материалов» (см. рис.).
где d – посадочный диаметр; d1 – диаметр отверстия
охватываемой детали (для сплошного вала d1 = 0); d2 – наружный диаметр
охватывающей детали (ступицы); Е1 и Е2 – модули упругости материала
соответственно охватываемой и охватывающей деталей; m1 и m2 – коэффициенты Пуассона материалов соответственно
охватываемой и охватывающей деталей; для стали принимают m = 0,3, для чугуна m = 0,25, для бронзы m = 0,32 – 0,35.
Натяг посадки, измеряемый по вершинам микронеровностей, должен
быть больше номинального натяга на величину обмятия микронеровностей (см. рис.)
U = 1,2 (Rz1 + Rz2) »
5,5 (Ra1 + Ra2):
N = NР + U,
где Ra1, Ra2 – средние арифметические отклонения
профилей; Rz1, Rz2 – высота микронеровностей (мкм).
Произведем вычисления:
|
Данные для расчета
|
|
d
|
d1
|
d2
|
E1
|
E2
|
m1
|
m2
|
|
DГ
|
D4
|
DВТ
|
|
мм
|
МПа
|
|
50
|
33
|
90
|
2·105
|
1·105
|
0,3
|
0,34
|
Для наружного диаметра гайки назначается шлифование
круглое чистовое (шероховатость Ra1 = 0,32 мкм). Для внутреннего диаметра
втулки назначается растачивание чистовое (шероховатость Ra2 = 1,25 мкм).
U = 5,5 (0,32 мкм + 1,25 мкм) = 8,635 мкм » 9 мкм;
N = NР + U = 79 мкм + 9 мкм = 88 мкм.
Выбор посадки. Рекомендуемые посадки
|
Номинальный размер, мм
|
мкм
|
|
|
H7
|
p6
|
r6
|
s6
|
u7
|
|
|
50
|
+25
|
+42
|
+50
|
+59
|
+95
|
ES(es)
|
|
0
|
+26
|
+34
|
+43
|
+70
|
EJ(ei)
|
|
Натяг
|
Nmax = es - EJ
|
-
|
42
|
50
|
59
|
95
|
|
|
Nmin = ei - ES
|
-
|
1
|
9
|
18
|
45
|
|
Выберем посадку с натягом
по 7-му квалитету, т.к. она соответствует
расчетной.
2.5 Расчет сварных швов соединения втулки и верхнего
диска
Основными напряжениями являются касательные напряжения
Т.к. Wr1
< Wr2, шов 2
определяющий для расчета на срез.
Упрощенно можно считать, что
d = DВТ = 90 мм (см. п.1.2.3).
T = 109,2328 Н·м (см. п.1.2.4).
Материал втулки диска сталь 20 ([sР] = = 140 МПа), т.к. она хорошо сваривается.
Тип технологического процесса сварки: ручная дуговая
электродами Э42 и Э50;
Определим катет:
Проверим шов 1:
где
D = DБ.ВТ = 100 мм,
Условие tСР1
£ [t’СР] выполняется.
Определим необходимость прерывистого шва. Длина
окружности радиуса D / 2:
Т.к. разность 
невелика (59,68 мм), то шов 1 нет смысла
делать прерывистым, он выполняется сплошным, т.е. принимаем 
.
2.6 Конструирование и расчет ограничительного устройства
Болт проверяется на растяжение
где FР – расчетная нагрузка на болт, kКР – коэффициент
кручения, [sР] –
допускаемое напряжение материала болта.
Расчетная нагрузка на болт FР определяется по формуле
FР = FЗАТ + c·F,
где FЗАТ – усилие затяжки, c – коэффициент внешней нагрузки, F – внешняя
нагрузка.
Усилие затяжки FЗАТ определяется как
FЗАТ = kЗАТ·F,
здесь kЗАТ – коэффициент затяжки; по условию нераскрытия
стыка при постоянной нагрузке kЗАТ = 1,25..2. Примем kЗАТ = 1,25.
Расчеты и испытания конструкций показывают, что
коэффициент внешней нагрузки c
невелик и не превышает обычно 0,2..0,3. Примем c = 0,2.
Максимальную нагрузку болтовое соединение испытывает,
когда винт находится в крайнем верхнем положении и к рукоятке приложено
расчетное усилие. Внешняя нагрузка F равна заданной FВ.
Коэффициент кручения kКР учитывает кручение в соединение,
для метрической резьбы kКР = 1,3.
Допускаемое напряжение материала болта [sР] определим по формуле
где S - запас прочности; затяжка не контролируется –
запас прочности S = 3..5. Примем S = 3.
Предел текучести определяем табличным методом: sТ = 360 МПа.
Произведем вычисления: kЗАТ = 1,25; F = FВ = 12 кН;
FЗАТ = kЗАТ·F = 1,25·12 кН = 15 кН;
c
= 0,2
FР = FЗАТ + c·F = 15 кН + 0,2·12 кН = 17,4 кН;
По ГОСТ 24705-81 подбираем резьбу, пользуясь следующими
соотношениями:
Крупный шаг предпочтителен, т.к. обеспечивает более
эффективное самоторможение.
Выбранная резьба: М20.
Размеры на рисунке:
D1 = DГ – 2·0,5·tg 10° = 50 – 0,176 = 49,824 мм;
D2 = D4 + 2·3,5 = 33 + 7 = 40 мм;
Шайбу выбираем по ГОСТ 6958-68 (увеличенные шайбы). При
выборе руководствуемся условием DШ > D2.
Диаметру стержня крепежной детали (болта) 20 мм
соответствует DШ = 60 мм > 40 мм.
В технически обоснованных случаях допускается применение
шайб с наружными диаметрами по ГОСТ – 6958-68 14, 22, 28, 34, 38, 45, 50 и 52
мм вместо 16, 24, 30, 36, 42, 48, 55 и 60 мм.
Применим шайбу (исполнение 2) с наружным диаметром 52 мм
вместо 60 мм. В данном случае техническим обоснованием является снижение массы
всего механизма.
Параметры шайбы:
DШ = 55 мм,
hШ = 5 мм,
с = 1,2 мм
Масса 0,0974 кг.
Параметры отверстия:
глубина завинчивания H = 20 мм;
глубина полной резьбы H1 = 25 мм;
глубина сверления H2 = 36 мм.
2.7 Расчет ножен на прочность и устойчивость
Каждая ножна нагружена изгибающим M и крутящим T
моментами, сжимающей F и срезающей F’ силами (см. рис.).
Продольная сила F является результатом распределения
усилия FВ по ножнам:
F = FВ / 3.
Поперечная сила F’ – результатом распределения крутящего
момента T по ножнам
,
T = 109,2328 Н·м (см. п.1.2.4).
Изгибающий момент M возникает в результате действия
поперечной силы F’:
M = F’·hНОЖ.
Обозначим dНОЖ1 = dНОЖ2 = dНОЖ1,2.
Напряжения в опасных сечениях:
Расчетные формулы:
Допускаемые напряжения определяем табличным методом,
принимая во внимание знакопеременность нагрузки при изгибе, кручении и срезе, и
при сжатии нагрузка пульсирующая.
Материал ножен сталь 20.
Допускаемые напряжения:
[sИЗ]
= 95 МПа, [sСЖ] = 115
МПа, [tКР] = 55 МПа, [tСР] = 45 МПа.
Зададимся значениями: hНОЖ = 240,6 мм (определяется
прорисовкой), D = 140 мм (конструкторское решение). Произведем вычисления:
– изгиб
– сжатие
– кручение
– срез
В результате принимаем dНОЖ1,2 = 24 мм.
Примем dНОЖ = 30 мм.
Рассчитаем теперь сварные швы (см. рис.). Сварные швы 1 и
2 нагружены изгибающим крутящим моментами, сжимающей силой (см. рис).
Напряжения см. в таблице.
|
|
Напряжение в шве от
|
|
|
крутящего момента
|
изгибающего момента
|
|
Шов
|
1
|
|
|
M = 0
|
|
2
|
|
T = 0
|
|
|
|
|
|
|
|
Суммарное напряжение для каждого шва:
,
,
где [t’]
– допускаемое напряжение материала шва.
Материал ножен и дисков (верхнего и нижнего) сталь 20 ([sР] = 140 МПа), т.к. она
хорошо сваривается. Тип технологического процесса сварки: ручная дуговая
электродами Э42 и Э50;
[t’]
= 0,6·[sР] = 0,6·140
МПа = 84 МПа.
Из расчета на прочность сварного шва найдем катет k шва:
– шов 1 (верхний)
– шов 2 (нижний)
Итак, катеты швов k1 » 2,053 мм, k2 » 4,705 мм.
Произведем расчет ножен на устойчивость.
Ножны подвергаются сжимающей нагрузке, проверим их на
продольный изгиб:
где F – сжимающая сила:
;
A1 – площадь сечения dНОЖ:
;
j
- коэффициент уменьшения допускаемого напряжения при продольном изгибе (см.
таблицу) в зависимости от гибкости винта
;
l - свободная длина винта - расстояние между опорой винта
и серединой гайки: l = hНОЖ (ml
- приведенная длина винта); m
- коэффициент приведения длины зависит от способа закрепления концов винта (см.
рис.); i - осевой радиус инерции сечения винта:
.
|
l
|
0
|
10
|
20
|
30
|
40
|
50
|
60
|
80
|
100
|
120
|
140
|
160
|
180
|
|
j
|
1,00
|
0,98
|
0,96
|
0,93
|
0,89
|
0,85
|
0,80
|
0,7
|
0,5
|
0,37
|
0,28
|
0,23
|
0,19
|
Исходные данные для расчета:
hНОЖ = 240,6 мм,
dНОЖ = 30 мм,
[sСЖ]
= 115 МПа
Произведем вычисления:
1) в данном случае можно считать, что m = 2 (см. рис.);
2)
,
l = hНОЖ,
ножна в проверке на устойчивость нуждается;
3) по таблице определяем j = 0,78;
4)
,
;
5) [sСЖ]j = 115 МПа·0,78 = 89,7 МПа;
6) sСЖ
< [sСЖ]j
ножна устойчива.
2.8 Определение КПД винтового механизма
Разработка винтового механизма завершена. Определим его коэффициент
полезного действия
где a – число заходов резьбы. В большинстве случаев КПД
винтовых механизмов ниже 0,5.
Список использованной литературы
1.
В.Н. Бельков. Конструирование винтовых механизмов. Учебное пособие. Омск
2001.
2.
Анурьев В.И. Справочник конструктора-машиностроителя. В 3-х т. Т.1. –
5-е изд., перераб. И доп. – М.: Машиностроение, 1978. – 559 с., ил.
3.
Анурьев В.И. Справочник конструктора-машиностроителя. В 3-х т. Т.2. –
5-е изд., перераб. И доп. – М.: Машиностроение, 1978. – 727 с., ил.
4.
Иванов М.Н. Детали машин: Учеб. для студентов высш. техн. учеб.
заведений. – 5-е изд., перераб.. – М.: Высш. шк., 1991. – 383 с.: ил.
5.
Решетов Д.Н. Детали машин: Учебник для студентов машиностроительных и
механических специальностей вузов. – 4-е изд., перераб. и доп. – М.:
Машиностроение, 1989. – 496 с.: ил.
6.
Детали машин: Атлас конструкций. Уч. пособие для машиностроительных
вузов/ В. Н. Беляев, И. С. Богатырев, А. В. Буланже и др.; Под ред. д-ра техн.
наук проф. Д. Н. Решетова. – 4-е изд., перераб. и доп. – М.: Машиностроение,
1979. – 367 с., ил.
7.
Курмаз Л. В. Детали машин. Проектирование: Учеб. пособие / Л. В. Курмаз,
А. Т. Скойбеда. – Мн.: УП «Технопринт», 2001. – 290с.