Расчет холодоснабжения
Новокузнецкий
тогово-экономический техникум
Контрольная
работа №
Вариант
79
По
Холодильному оборудованию
Расчет
холодоснабжения.
Учащегося
курса,
специальности
техническая
эксплуатация оборудования
Кузьмин Павел
Витальевич
Шифр КМСС-79
Группа МСз-10-1
Исходные
данные
Из таблицы №2 методических указаний (МУ)
выбираю:
температуру в камере = +3°С, согласно
первой цифре номера варианта (7);
№ камеры =
3 и
индекс города = 10, согласно второй цифре номера
варианта (9).
Из таблицы 13 МУ, согласно ранее полученному
индексу выбираю:
город = Новосибирск;
Географическая широта = 56°;
Летняя температура = 30°С;
Среднегодовая температура = -0.1°С;
Относительная влажность = 56%;
Продукт = Молочно жировые продукты,
срок хранения = 1-3 дня,
влажность воздуха в камере = 85% - по таблице 23
МУ, согласно температуры камеры.
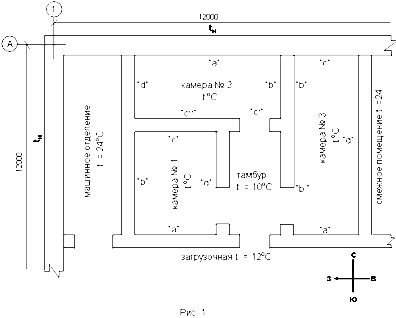
План холодильных камер
По рисунку 1 размер камеры №3 составляет 3х5,7
метров. Высоту этажа принимаю 3,3 метра.
Состав строительно-изоляционных конструкций
будет следующим:
|
Стена «с»
|
Наименование
|
δ, м
|
λ, Вт/(м.к)
|
|
Рис.
2Кафель0,0061,05
|
|
|
|
|
Цементная
затирка
|
0,02
|
0,21
|
|
Теплоизоляция
|
-
|
0,047
|
|
Пароизоляция
|
0,003
|
0,47
|
|
Цементная
затирка
|
0,02
|
0,21
|
|
Железобетон
|
0,4
|
1,7
|
|
Цементная
затирка
|
0,02
|
0,21
|
|
Стены «a» и «d»
|
Наименование
|
δ, м
|
λ, Вт/(м.к)
|
|
Рис.
3Кафель0,0061,05
|
|
|
|
|
Цементная
затирка
|
0,02
|
0,21
|
|
Теплоизоляция
|
-
|
0,047
|
|
Пароизоляция
|
0,003
|
0,47
|
|
Цементная
затирка
|
0,02
|
0,21
|
|
Железобетон
|
0,1
|
1,7
|
|
Цементная
затирка
|
0,02
|
0,21
|
|
Перегородки «b» и «b’»
|
Наименование
|
δ, м
|
λ, Вт/(м.к)
|
|
Рис.
4Кафель0,0061,05
|
|
|
|
|
Цементная
затирка
|
0,02
|
0,21
|
|
Теплоизоляция
|
-
|
0,047
|
|
Пароизоляция
|
0,003
|
0,47
|
|
Цементная
затирка
|
0,02
|
0,21
|
|
Железобетон
|
0,1
|
1,7
|
|
Цементная
затирка
|
0,02
|
0,21
|
|
Кафель
|
0,006
|
1,05
|
|
Перекрытие
|
Наименование
|
δ, м
|
λ, Вт/(м.к)
|
|
Рис.
5Цементная затирка0,020,21
|
|
|
|
|
Теплоизоляция
|
-
|
0,047
|
|
Пароизоляция
|
0,003
|
0,47
|
|
Железобетонная
плита
|
0,22
|
1,5
|
|
Керамзитовый
гравий
|
0,25
|
0,93
|
|
Бетонная
стяжка
|
0,02
|
1,0
|
|
Гидроизол
|
0,005
|
0,35
|
Толщину слоя (δ)
и коэффициент теплопроводности (λ)
выбиарю из таблицы 14 МУ.
Толщина теплоизоляционного слоя не указана, т.к.
будет в дальнейшем рассчитана.
Расчет
толщины слоя теплоизоляции
Определяем толщину слоя теплоизоляции стен,
перегородок, покрытия по формуле :
, (1)
Где dиз - расчетная
толщина слоя теплоизоляции, м
lиз - коэффициент
теплопроводности изоляционного слоя, Вт/( м . К);
kо - требуемый коэффициент
теплопередачи ограждения, Вт/( м2 . К);
aн - коэффициент
теплоотдачи с наружной стороны ограждения, Вт/( м2. К);
di - толщина
отдельного слоя конструкции ограждения, м;
li - коэффициент
теплопроводности отдельного слоя конструкции ограждения, Вт/( м . К);
aв - коэффициент
теплоотдачи с внутренней стороны ограждения, Вт/( м2. К).
В камере планируется установить
воздухоохладители, поэтому aв принимается
22,7 Вт/м2К.
Для перегородки «b’»
(смежная с тамбуром) aн =9,4
Вт/м2К.
Для наружной стены «c»
и перекрытия aн =34,1 Вт/м2К.
Для остальных aн =22,7 Вт/м2К.
aн и aв
находятся по таблице 15 МУ. о выбираю для наружных стен и покрытий
по таблице 16 МУ, для перегородок и внутренних стен по таблице 18 МУ. Если
точное совпадение отсутствует, то произвожу интерполяцию по двум ближайшим:
Расчет kо для стены «с». 0,52 соответствует 0°С; 0,58 - +4°С; т. о.
для +3°С:
о
=0,58-(0,58-0,52)/(4-0)=0,58-0,06/4=0,58-0,015=0,565 Вт/( м2К).
Для остальных стен нахожу по аналогии,
полученные результаты свожу в таблицу.
Рассчитываю требуемую толщину изоляции для стены
«с» по формуле 1:
dиз=0,047[1/0,565-(1/34,1+(0,006/1,05+0,02/0,21+0,003/0,47+0,02/0,21+0,4/1,7+0,02/0,21)+1/22,7)]=0,047(1,77-(0,029+0,533+0,044)=0,047(1,77-0,606)=0,047*1,164=0,0547
м.
Для остальных ограждений толщину изоляции
рассчитываю аналогично, результаты заношу в таблицу.
Исходя из того, что фактическая изоляция должна
быть не менее расчетной, принимаю ближайшее большее значение из толщин
выпускаемых плит: 100мм = 0.1 м.
Фактический коэффициент теплопередачи ограждений
считаю по формуле:
, (2)
где dиз. д. - принятая
толщина изоляционного слоя, м.
Приводится расчет для стены «c»:
Кд=1/(1/34,1+(0,006/1,05+0,02/0,21+0,003/0,47+0,02/0,21+0,4/1,7+0,02/0,21)+1/22,7+0,1/0,047)=1/(0,029+0,533+0,044+2,128)=1/2,734=0,366
Вт/( м2. К)
Для остальных ограждений считаю по
аналогии, результаты свожу в таблицу.
Сводная таблица к расчету
теплоизоляционных слоев
|
Наименование
ограждения
|
Коэффициент
теплоотдачи с наружной стороны ограждения, aн, Вт/( м2.
К)
|
Коэффициент
теплоотдачи с внутренней стороны ограждения, aв, Вт/( м2.
К)
|
Расчетная
толщина Изоляционного слоя, d
из, м
|
Принятая
толщина Изоляционного слоя, d
из. д., м
|
Требуемый
коэффициент теплопередачи k o , Вт/( м2. К)
|
Действительный
коэффициент теплопередачи k д , Вт/( м2. К)
|
|
1
|
2
|
3
|
4
|
5
|
6
|
7
|
|
стена
«a»
|
22,7
|
22,7
|
0,0623
|
0,1
|
0,49875
|
0,389
|
|
перегородка
«b»
|
22,7
|
22,7
|
0,0924
|
0,1
|
0,49875
|
0,388
|
|
перегородка
«b’»
|
9,4
|
22,7
|
0,0895
|
0,1
|
0,49875
|
0,379
|
|
стена
«c»
|
34,1
|
22,7
|
0,0547
|
0,1
|
0,56500
|
0,366
|
|
стена
«d»
|
22,7
|
22,7
|
0,0623
|
0,1
|
0,49875
|
0,389
|
|
перекрытие
|
34,1
|
22,7
|
0,0723
|
0,1
|
0,46250
|
0,363
|
Калорический
расчет
Q1=Q1`+Q1``
- суммарные теплопритоки через ограждения складываются из теплопритоков за счет
разности температур (Q1`)
и теплопритоков от солнечной радиации (Q1``).
Теплопритоки разности температур рассчитываются
по формуле:
, (3)
где Q1` -
теплопритоки через ограждения, обусловленные разностью температур, Вт;
Кд - действительный коэффициент
теплопередачи ограждения, Вт/( м2. К);- площадь соответствующего
ограждения, м2;н - температура снаружи ограждения, °С;в
- температура внутри охлаждаемого помещения, °С;
Для определении площадей
поверхностей ограждений используются размеры с учетом возникающих тепловых
мостов. То есть высота определяется как полная высота этажа = 3,3 м; Длины
стен: «a»=3,1; «b»=2,15; «b`»=3,6; «c»=3,1; «d»=5,75м.
Площадь перекрытия 3,1*5,75м.
Теплоприток через пол не
учитывается.
Для стены «c» Q1` =
0,366*10,23*(30-3)=0,366*10,23*27=101,1 Вт.
Для остальных ограждений рассчитываю
по аналогии, результаты свожу в таблицу.
Теплопритоки от солнечной радиации
определяю по формуле:
, (4)
где Q1`` -
теплопритоки от солнечной радиации, Вт;
Кд - действительный коэффициент
теплопередачи ограждения, Вт/( м2. К);- площадь соответствующего
ограждения, облучаемая солнцем, м2;
Dtс
- избыточная разность температур в летнее время, °С;
Dtс
определяю по таблице 5 интерполяцией из 2-х ближайших значений.
Стена «с» имеет северную ориентацию,
Dt по широте
50° =2,5; 60° = 2,6.
Для широты 56° Dtс =(2,6-2,5)/(60-50)*6+2,5=2,56
°С
Dtс
крыши по широте 50° = 9,9; 60° = 9,3.
Для широты 56° Dtс крыши =
(9,9-9,3)/(60-50)*4+9,3=9,54 °С
Для стены «с» Q1`` =
0,366*10,230*2,56 = 9,6т Вт.
Для перекрытия считаю аналогично,
полученные данные свожу в таблицу.
Сводная таблица расчетов
теплопритоков через ограждения.
|
Наименование
ограждения
|
Площадь
ограждения F, м2.
|
Действительный
коэффициент теплопередачи Kд, Вт/(м2 . К).
|
Температура
наружнего воздуха tн, °С.
|
Температура
внутреннего воздуха tв, °С.
|
Теплопритоки
через ограждения Q` , Вт.
|
Избыточная
разность температур Dtс,
°С.
|
Теплопритоки
от солнечной радиации Q``, Вт.
|
Суммарные
теплопритоки Q1, Вт.
|
|
1
|
2
|
3
|
4
|
5
|
6
|
7
|
8
|
9
|
|
Стена
«a»
|
10,230
|
0,389
|
12
|
3
|
35,8
|
-
|
-
|
35,8
|
|
Стена
«b»
|
7,0950
|
0,388
|
5
|
3
|
5,5
|
-
|
-
|
5,5
|
|
Стена
«b`»
|
11,880
|
0,379
|
10
|
3
|
31,5
|
-
|
-
|
31,5
|
|
Стена
«c»
|
10,230
|
0,366
|
30
|
3
|
101,1
|
2,56
|
9,6
|
110,7
|
|
Стена
«d»
|
18,975
|
0,389
|
24
|
3
|
155,0
|
-
|
-
|
155
|
|
Перекрытие
|
17,825
|
0,363
|
30
|
3
|
174,7
|
9,54
|
61,7
|
236,4
|
|
Итого
|
|
|
|
|
|
|
|
574,9
|
Принимаю Q1=575
Вт.
Тепловая нагрузка от обменной вентиляции не
рассчитывается в виду отсутствия таковой. холодильная машина воздухоохладитель теплоприток
Тепловая
нагрузка при термообработке продуктов
Теплоприток от продуктов определяется по
формуле:
, (5)
где Q2- теплопритоки от
продуктов и тары, Вт;
Мсут- суточный
грузооборот товара, тонн/сутки;,cт- удельная теплоемкость продуктов
и тары, кДж/(кг*К);
Мт - поступление тары, т
в сутки;
tн, tк-
температура до и после холодильной обработки, °С;
*1000 - переводной коэффициент (из т
в кг и кДж в Дж);
*3600 - переводной коэффициент (из
суток в часы и секунды);
Мсут - для молочной
продукции при сроках хранения 1-3 суток берется 100% ёмкость камеры.
Ёмкость камеры считается:
E=F*qFстр,
где F - площадь
камеры с учетом потерь на теплоизоляцию, то есть 2,8*5,5м=15,4м2;
qFстр - норма
нагрузки на 1м2 площади камеры (выбираю по таблице 22).
Мсут =E=15,4*170=2618кг=2,618т;
Мт принимаю для картонной
тары = 10% Мсут =0,2618т;
c подбираю по
таблице 19 = 3,94 кДж\(кг*К);
ст для картона составляет
1,46 кДж\(кг*К);
tн с учетом
самых неблагоприятных условий беру 10°С;
tк = 3°С.
Q2
= (2,618*3,94+0,2618*1,46)*(10-3)*106/(24*3600)=(10,31492+0,38228)*7*104/864=74,8804/864*104=866,67
Вт.
Принимаю Q2=867 Вт.
Расчет
эксплуатационных теплопритоков
Эксплуатационные теплопритоки (Q4)
складываются из теплопритоков в связи с открыванием дверей для загрузки и
выгрузки камеры (Qинф),
нагревом от ламп освещения (Qосв),
теплом присутствующего в камере персонала (Qперс)
и теплом, выделяемым вентиляторами и тэнами оттайки воздухоохладителей (Qвозд):
Q4=Qинф+Qосв+Qперс+Qвозд
( 6 )
Где Qинф - тепловая
нагрузка вследствие открывания дверей, кВт;
А - площадь дверного проема =
1,2*2,2=2,04м2;
Н - высота дверного проема = 2,2м;
Qs/А - удельный теплоприток на
единицу площади дверного проема, подбираю значение по рисунку 10. =1,4кВт/м2;
- параметр характеризующий отношение теплопритока за счет более высокого
теплосодержания свежего воздуха к
полному теплопритоку с учетом влажности окружающей среды и влажности в камере
(определяется из таблиц 9 и 10) = 0,77;
Dt - коэффициент,
учитывающий время, когда в течение суток дверь остается открытой;f -
коэффициент, учитывающий характер воздушного потока в дверном проеме. По
разности температур камеры и тамбура (10-3=7°С) подбираю значение = 1,1;
Е - степень эффективности защитного
устройства (завесы) дверного проема=0, т.к. в текущем случае защита на дверь не
используется.
Коэффициент Dt
определяется по формуле:


(7)
Где n - ежесуточное число проходов
через дверной проем. Рассчитывается как n=Мсут/50кг*2*20%=2618/50*2*0,2=20,944
- принимаю ближайшее большее чётное: 22;откр - время открывания
/закрывания двери, с, при каждом проходе;откр - время, минуты, в
течение суток, когда дверь остается открытой.
Значение t1откр для обычных дверей,
открываемых и закрываемых с помощью шнурка равно приблизительно 25 секундам, а
для высокоскоростных дверей находится в пределах от 10 до 15 секунд, принимаю
значение 25сек.
Время t2откр определяется по формуле
откр =VоткрМсут,
где
откр = 0,8*2,618=2,0944 мин.
Dt=(22*25+60*2,0944)/86400=675,664/86400=0,00782
Qинф=0,577*2,04*2,21/2*1,4*(1/0,77)*0,00782*1,1=0,577*2,04*1,48*1,4*1,2987*0,00782*1,1=0,027246кВт=27,246
Вт.
В общем случае тепловая нагрузка от
освещения Qосв рассчитывается по формуле:
(8)
где
осв - тепловая
нагрузка от освещения, Вт;- число светильников принимаю = 2 шт.;- мощность
каждого светильника, Вт, включая мощность стартера для люминесцентных ламп с
горячим катодом = 40 Вт;- ежедневное время работы светильников, час/сутки 2-3
часа, принимаю=3ч;
- число часов в сутках.
осв =2*40*3/24=10
Вт.
Тепловая нагрузка, обусловленная присутствием
персонала Qперс , рассчитывается по формуле:
(9)
Где Qперс - тепловая
нагрузка, обусловленная присутствием персонала, Вт;- число сотрудников,
работающих в холодильной камере=1;перс - количество тепла,
выделяемое в единицу времени одним человеком при средней активности. По таблице
11 МУ нахожу ближайшие значения и интерполирую: 270-(270-240)/(5-0)*3= 252Вт;-
длительность ежедневного пребывания одного сотрудника в холодильной камере,
час/сутки. Принимаю максимальное из расчета 2-3 часа = 3 часа в сутки;
- число часов в сутках.
перс
=1*252*3/24=31,5 Вт.
В современных холодильных камерах с
целью обеспечения эффективного перемешивания и хорошей циркуляции воздуха
внутри камер все испарители оборудуются вентиляторами. Каждый вентилятор имеет
электродвигатель, который выделяет тепло, добавляющееся к теплу, выделяемому
другими источниками. Системы оттаивания могут быть различной конструкции, но
как правило речь идет об оттаивании с помощью электронагревателей, тогда
нагрузка определяется:
, (10)
Где n1 - число
электродвигателей вентиляторов;1 - мощность вентилятора, Вт;
τвен- ежедневная
продолжительность работы вентиляторов , час/сутки (τвен = τр);
,3- коэффициент, учитывающий долю
тепла электронагревателей оттайки, идущую на увеличение нагрузки на камеру.
Этот коэффициент следует учитывать в случае работы вентиляторов в процессе
оттайки, в противном случае он равен 0;2 - число
электронагревательных элементов;2 - тепловая мощность каждого ТЭНа,
Вт;
τ отт- ежедневная
продолжительность оттаивания , час/сутки ;
τ р -
ежедневная продолжительность работы холодильной установки , час/сутки;
К расчету принимаем: n1,
P1, n2, P2 - по техническим характеристикам, τвен, τотт, τ р -
по таблице 12.
τвен = τр =21ч;
τотт = 1 ч;
Пока на выбрана холодильная система,
считаю значение Qвоздух с 2
вентиляторами по 80 Вт, нагрев от тэнов оттайки не учитываю.
Qвоздух=2*80*21/21=2*80=160
Вт.
Эксплуатационные теплопритоки
составят:
4=
Qинф+Qосв+Qперс+Qвозд
=27,3+10+31,5+160=229 Вт.
Получаю суммарные теплопритоки:
Q=Q1+Q2+Q4=575+867+229=1671
Вт.
Таблица расхода холода
|
Наименование
камеры
|
Теплопритоки
через ограждения Q1 , Вт.
|
Теплопритоки
от продуктов Q2 , Вт
|
Теплопритоки
от вентиляции Q3 , Вт
|
Эксплуатационные
теплопритоки Q4 , Вт
|
Суммарные
теплопритоки SQ, Вт
|
|
Камерное
оборудование
|
Компрессор
|
|
|
|
Камерное
оборудование
|
Компрессор
|
|
1
|
2
|
3
|
4
|
5
|
6
|
7
|
8
|
|
Камера
№3
|
575
|
575
|
867
|
0
|
160
|
1671
|
1671
|
Выбор
холодильной машины и испарителей
Холодопроизводительность машины при рабочих
условиях определяем по формуле:
, (11)где
0 раб -
холодопроизводительность машины при рабочих условиях, Вт;
g
- коэффициент, учитывающий теплопритоки в трубопроводах;
SQ
- суммарные теплопритоки на компрессор, Вт;- коэффициент рабочего времени.
К расчету принимаем: g = 1,07; SQ = 1671 Вт; b = 0,7.
0 раб =1,07*1671/0,7=2554
Вт.
Выбор
расчетного режима
Температура кипения (T0)
как правило, на 6-10° ниже температуры в камере:
T0=+3-10=-7°C.
Температура конденсации (Тк) на 5-10°
выше выходящего из конденсатора воздуха, который в свою очередь, проходя через
конденсатор нагревается на 5-10°С. Так как планируется использование
сплит-системы (моноблоки на такой объём камеры=2,68*2,8*5,5=41,3 м3 подобрать
сложно), то для расчета Тк принимаю температуру машинного отделения:
Тк=24+10+10=44°С.
Температура всасывания (Твс)
рассчитывается для агрегата без теплообменника и будет на 5-8°С выше
температуры кипения:
Твс=-7+8=+1°С
Переохлаждение для агрегата без теплообменника
принимаю =7°.
Строю цикл для хладагента R404:
Рис. 6 Цикл холодильной машины.
Данные построения заполняю в таблицу.
Сводная таблица параметров холодильного агента.
|
Обозначение
точки
|
Давление
Р, МПа
|
Температура
Т, °С
|
Энтальпия
h, кДж/кг
|
Удельный
объем V, м3/кг
|
Энтропия
S, кДж/(кг К)
|
|
1
|
2
|
3
|
4
|
5
|
6
|
|
1
|
0,48
|
3
|
372
|
0,044
|
1,65
|
|
1`
|
0,48
|
-7
|
364
|
0,042
|
1,62
|
|
2
|
2,1
|
60
|
403
|
0,001
|
1,65
|
|
2`
|
2,1
|
44
|
384
|
0,0087
|
1,59
|
|
3
|
2,1
|
37
|
273
|
----
|
----
|
|
3`
|
2,1
|
44
|
262
|
----
|
----
|
|
4
|
0,48
|
-7
|
262
|
----
|
1,23
|
Выбор
холодильной машины
Считаю рабочую производительность машины при
стандартных условиях по формуле:
,
(12)
Где Qост - стандартная
холодопроизводительность машины, Вт;о раб - действительная
холодопроизводительность, Вт;
lст , lраб
-
коэффициенты подачи для стандартных и рабочих условий;vст , qvраб
- объемная холодопроизводительность для стандартных и рабочих условий,
кДж/ м3.
lст = 0,76
lраб определяется по
графику подачи
Отношение давлений =2,1/0,48=4,37
lраб = 0,8vст
= 2000
Рис. 7 График подачи для R404A
vраб
определяю по формуле:
, (13)
где qv раб - объемная
холодопроизводительность для рабочих условий, кДж/м3 ;1`,
- энтальпия в точке 1`, кДж/кг;4 - энтальпия в точке 4, кДж/кг;1
- удельный объем в точке 1, м3/кг;
1` =
364; h4 = 262; V1 = 0,044;v раб =
(364-262)/0,044 = 102/0,044 = 2318 кДж/м3
Qост =
2554*(0,76*2000)/(0,8*2318)=2554*1520/1854,4=2093 Вт.
По каталогу выбираю сплит-систему Polair
SM337
SF
Подбор
и распределение воздухоохладителей
Потребную площадь теплопередающей поверхности
испарителей в камере определяем по формуле:
,
(14)
Где Fи - потребная площадь
испарителей (воздухоохладителей) в камере, м2 ;обор -
нагрузка на камерное оборудование, равная теплопритоку в данную камеру, Вт;и
- расчетный коэффициент теплопередачи испарителя (воздухоохладителей), Вт/( м2
К);
q - расчетная разность температур между воздухом
и агентом, °С.
обор =
1671 Вт; Kи = 13; q = 8°С;и =
1671/(13*8)=16 м2
У воздухоохладителя, поставляемого в комплекте с
сплит-системой Polair
SM337
SF
площадь
испарителя составляет 17,8 м2, что сопоставимо с расчетными данными.
В испарителе используется 1 вентилятор мощностью
102 Вт и тэн оттайки мощностью 300 Вт
Пересчитываю Qвозд=
(1*102*21+0,3*1*300*1)/21=(2142+90)/24=93 Вт.
Пересчитываю Q4=27,3+10+31,5+93=162
Вт.
Пересчитываю суммарный теплоприток Q=575+867+162=1604
Вт.
Пересчитываю холодопроизводительность в рабочих
условиях Q0 раб =1,07*1604/0,7= 2452 Вт.
Пересчитываю рабочую производительность машины Qост=2452*1520/1854,4=2009
Вт.
Итоговое число не критично отличается от ранее
рассчитанного.
Холодильная установка Polair
SM337
SF.
Список
литературы
1. О.А.Цуранов; А.Г.Крысин
«Холодильная техника и технология»- М.: 2004г.
2. Зеликовский И.Х. Каплан Л.Г.
Справочник «Малые холодильные машины и установки». - М.: Пищевая
промышленность, 1980.
. Канторович В.И., Свищев
В.В., Ямпольский Е.Г. «Лабораторные работы по холодильным установкам». - М.:
Легкая и пищевая промышленность, 1984.
. Курылев Е.С., Герасимов Н.А.
«Холодильные установки». - М.: Машиностроение, 1980.
. Мальгина Е.В., Мальгин
Ю.В., Суедов В.П. «Холодильные машины и установки». - М.: Пищевая
промышленность, 1980.
. Улейский Н.Т.; Улейская
Р.И. «Холодильное оборудование».- Ростов-на-Дону: «Феникс», 2000.
. Ужанский В.С.; Каплан Л.Г.
«Холодильная автоматика».- М: Пищевая промышленность, 1971
. Методические указания к
дипломному проектированию для учащихся техникумов по специальности 150413.
Раздел 7. Расчет холодоснабжения. Утвержден на заседании ЦМК протокол № 7 от 4
марта 2002 г.
. Каталог оборудования ОАО
«ПОЛАИР», 2011г.