Аварийные и особые режимы работы электрооборудования
Содержание
Задание
по расчету курсового проекта
Справочные
данные
Введение
Расчет
начальных значений токов трехфазного К.З.
Расчет
ударного тока трехфазного К.З.
Схема
замещения обратной последовательности
Схема
замещения нулевой последовательности
Расчет
периодической составляющей токов двухфазного К.З.
Расчет
периодической составляющей токов однофазного К.З.
Заключение
Список
используемой литературы
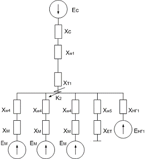
Задание по расчету курсового проекта
система:
=2000МВА;
W1 - АС - 70, 30 км, тросы не
заземлены;
Т1 - ТМН - 6300/35, Д/Д;2
-ААБ2Л, 35 мм2, 60 м;3 -ААБ2Л, 50 мм2, 170 м;4
-ААБ2Л, 35 мм2, 90 м;5 -ААШВ, 70 мм2, 240 м;6
-ААШВ, 35 мм2, 210 м;7 -ВВГ, 35 мм2, 120 м;
Т2 - ТМ - 25/10, У/У;
М1 - СТД - 630 - 23УХЛ4, 1 шт.;
Преобразовательная установка - S=1800 кВА;
Сторонняя нагрузка - S =1870 кВА;
Отрасль - машиностроение;1 = 0,1018 +
j0,248;2 = 0,1018 + j0,248;
ЕНГ = 0,869;
Рабочий ток нагрузки по W7 =15 А;
Шинопровод на ТП и СП - отсутствует.
Рассчитать во всех точках ток трехфазного,
двухфазного и однофазного (если необходимо) короткого замыкания и ударный ток
трехфазного короткого замыкания.
Справочные данные
W1:
AC -70, r0=0,428
Ом/км, х0=0,432 Ом/км;
Т1: ТМ - 6300/35, UВН=35
кВ, UНН=11
кВ, UК%=7,5,
D
РК=46,5 кВт, SН=6300
кВА;
W2:
ААБ2Л, r0=0,89
Ом/км, х0=0,087 Ом/км;
W3:
ААБ2Л, r0=0,62
Ом/км, х0=0,083 Ом/км;
W4:
ААБ2Л, r0=0,89
Ом/км, х0=0,087 Ом/км;
W5:
ААШВ, r0=0,443
Ом/км, х0=0,08 Ом/км;
W6:
ААШВ, r0=0,89
Ом/км, х0=0,087 Ом/км;
W7:
ВВГ, r0=0,53
мОм/км, х0=0,088 мОм/км;
Т2: ТМ - 25/10, UВН=10
кВ, UК%=4,5,
UНН=0,4
кВ, r1т=154
Ом/км, х1т=244 Ом/км;
M1:
СТД -630-23УХЛ4, РН=630 кВт, UН=10
кВ, cosj
Н=0,9,
h=0,956,
nН=3000
об/мин, kп=5,66.
Введение
Для электроустановок характерны четыре режима:
нормальный, аварийный, послеаварийный и ремонтный, причем аварийный режим
является кратковременным режимом, а остальные продолжительными режимами.
Электрооборудование выбирается по параметрам
продолжительных режимов, а проверяется по параметрам кратковременных режимов,
определяющим из которых является режим короткого замыкания.
По режиму короткого замыкания
электрооборудования проверяется на электродинамическую и термическую стойкость,
а коммутационные аппараты - также на коммутационную способность.
Учитывая дискретный характер изменения
параметров электрооборудования, расчет токов КЗ для его проверки допускается
производить приближенно, с принятием ряда допущений, при этом погрешность
расчета КЗ не должна превышать 5-10%.
Руководящие указания, согласно действующим
государственным стандартам в области коротких замыканий, а также с правилами
устройства электроустановок:
ГОСТ Р 50254-92. Короткие замыкания в
электроустановках. Методы расчета электродинамического и термического действия
токов короткого замыкания. - М.: Изд-во стандартов, 1993. - 57 с.
Короткое замыкание - замыкание, при котором токи
в ветвях электроустановки, примыкающих к месту его возникновения, резко
возрастают, превышая наибольший допустимый ток продолжительного режима.
Короткое замыкание на землю - это короткое
замыкание в электроустановке, обусловленное соединением с землей какого-либо ее
элемента.
Режим короткого замыкания - режим работы
электроустановки при наличии в ней короткого замыкания.
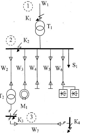
Определение параметров схемы замещения прямой
последовательности
На электрической схеме показаны точки короткого
замыкания, в которых рассчитываются токи.
Составляем схему замещения, для каждого элемента
определяем активное и индуктивное сопротивление, для уровней 1 и 2 определяем
сопротивление в относительных единицах, для уровня 3 - в миллиомах.
Используем приближенное приведение.
Определяем базисные условия:
базисная мощность -
=1000 MBA;
базисное напряжение уровня 1 -
= 37 кВ
базисное напряжение уровня 2 -
= 10,5 кВ
базисное напряжение уровня 3 -
= 0,4 кВ
Система:
=
.
В соответствии с [2] активное
сопротивление системы можно определить так: 
.
ЭДС системы принимаем равным
среднему номинальному напряжению [1], т.е.
37 кВ, в относительных единицах
.
Воздушная линия:

; 
.
Трансформатор Т1:

; 
.
Кабельные линии:

; 
;

; 
;

; 
;

; 
;
0,088*100 =8,8 мОм;
0,53*100=53
мОм.
Преобразовательная установка:
В соответствии с [1] сопротивление
установки
. При
пересчете на номинальную мощность
получаем:
;
.
Синхронный двигатель:
;
;
;
sin
= 0,44;
=
.
Нагрузка:
Эквивалентные параметры нагрузки:
;
;
Пересчет на базисные условия:

;

;
.
Для оценки сопротивления ТТ на ТП
(для точки К3) предварительно определяем номинальный ток:

;
Сопротивление ТТ на СП (для точки
К4) определяем по току КЛ
:
RТА4 = 3 Ом, XТА4 = 4,8 Ом.
Активное и индуктивное сопротивление
прямой последовательности токовых катушек и переходных сопротивлений подвижных
контактов автоматических выключателей.
Для ТП по номинальному току
1,1 мОм;
0,5 мОм.
Для СП по номинальному току
=7 мОм;
=4 мОм.
Суммарное активное сопротивление
различных контактов и контактных соединений
мОм;
мОм.
Расчет начальных значений токов
трехфазного КЗ
В случае коротких замыканий в точках
K1, K2 при расчете периодической составляющей допускается не учитывать активные
сопротивления элементов [1].
Точка К1
9,55 +0,833=10,033;
;
;

;

;
.
Эквивалентное сопротивление прямой
последовательности:

;
Эквивалентная ЭДС прямой
последовательности:

;
Периодическая составляющая тока
трехфазного К.З. в точке К1:
от системы 
;
от нагрузки
;
суммарный ток
0,106.


Точка К2
10,033+26=36,033;
ток замещение короткое
замыкание
Периодическая составляющая тока
трехфазного К.З. в точке К2:
от системы 
;
от нагрузки 
;
суммарный ток
0,049.
Эквивалентное сопротивление прямой
последовательности:

;
Эквивалентная ЭДС прямой
последовательности:

.
Точка КЗ
Сопротивления для металлического КЗ
;
;
;
= 85,56 мОм;
Ток металлического К.З.: 
.
Среднестатистическое значение
активного сопротивления дуги в начальный момент времени:

;
=
;
Ток К.З. в точке КЗ -
.
Точка К4
78,35+4,8+4+8,8=95,95 мОм;
98,57 мОм;
137,5 мОм;
Ток металлического к.з.: 
.
Среднестатистическое значение
активного сопротивления дуги в начальный момент времени:

;
=
;
Ток к.з. в точке К4 -
.
Расчет ударного тока трехфазного КЗ
Точка К1
Для расчета постоянных времени
определим эквивалентное активное сопротивление при условии отсутствия
индуктивных.
По аналогии с расчетом индуктивных
сопротивлений:
R10= RW1+ RC = 6,78;
;
;

;
R14= RТ1+ R13 = 42,75;
,
;
Время до появления ударного тока -
;
Время до появления ударного тока -
;
Ударные коэффициенты
1,17 ;
1,374 ;
Ударный ток в точке K1:
.
Точка К2
R15= R10+ RТ1= 13,34 ;
,
;
Время до появления ударного тока -
;
Время до появления ударного тока -
;
Ударные коэффициенты
1,35651 ;
1,35;
Ударный ток в точке К2:
.
Точка КЗ
;
;
Время до появления ударного тока -
;
Ударный ток в точке КЗ -
.
Точка К4
;
;
Время до появления ударного тока -
;
Ударный ток в точке К4 -
.
Сведем токи трехфазного К.З. в
таблицу
|
точка
к.з.
|
, o.e. , o.e. , кА , кА ,кА
|
|
|
|
|
|
К1
|
0,106
|
0,182
|
|
|
|
|
К2
|
0,049
|
0,0937
|
|
|
|
|
КЗ
|
-
|
-
|
-
|
2,3
|
3,7
|
|
К4
|
-
|
-
|
-
|
1,5
|
2,25
|
Схема замещения обратной последовательности
Электротермическая установка
В соответствии с [1] сопротивление
преобразовательной установки: ZП2=1,66+0,81.
При пересчете на номинальную мощность
получаем:
.
Параметры нагрузки считаем
аналогично прямой последовательности:
.
Пересчет на базисные условия:

.
Для сетей ниже 1000В сопротивления
прямой и обратной последовательности считают равными.
Точка К1
;
;

;
131.
Эквивалентное сопротивление обратной
последовательности

;
Точка К2


=
.
Схема замещения нулевой
последовательности
Точки КЗ и К4
Активное и индуктивное
сопротивление нулевой последовательности, понижающего трансформатора
254
Ом,
582
мОм.
Кабельная линия:
;
.
Расчет периодической составляющей
токов двухфазного КЗ
Точка К1

.
Точка К2

.
Точка КЗ
Сопротивления для металлического
к.з.

.
Ток металлического к.з.: 
.
Среднестатистическое значение
активного сопротивления дуги в начальный момент времени:

;
.
Ток К.З. в точке КЗ -

.
Точка К4
Сопротивления для металлического К.З.

.
Ток металлического К.З.: 
.
Среднестатистическое значение
активного сопротивления дуги в начальный момент времени:

;
.
Ток к.з. в точке К4 -

.
Расчет периодической составляющей токов
однофазного КЗ
Точка КЗ
;
;
.
Среднестатистическое значение
активного сопротивления дуги в начальный момент времени:

;
.
Точка К4
Сопротивления для металлического
К.З.
;
1669,02 + 42 + 14 +159 = 1884,02мОм;
мОм.
Ток металлического к.з.:
.
Среднестатистическое значение
активного сопротивления дуги в начальный момент времени:
;
.
Заключение
В результате проведенных расчетов
были приобретены навыки преобразования исходной схемы к схеме для расчетов
токов К.З. прямой, обратной и нулевой последовательности, а также произведено
ознакомление с особенностями расчетов токов К.З. указанных выше
последовательностей.
Используя литературу и методические
указания были рассчитаны К.З. для точек К1, К2, К3 и К4.
Список используемой литературы
1. Руководящие
указания по расчету токов короткого замыкания и выбору электрооборудования./
Под ред. Б.Н. Неклепаева.-М.:
Изд-во НЦ ЭНАС. - 152с.
2. Справочник
по проектированию электроснабжения./ Под ред. Ю.Г. Барыбина и др.-М.:
Энергоатомиздат, 1990.-576 с.
3.