Разработка стального сварного аппарата
Оглавление
Введение
1. Подбор и расчёт корпусных элементов аппарата и рубашки
1.1 Определение основных размеров корпуса аппарата
1.2 Проектирование эллиптической крышки
.3 Проектирование конического днища
.4 Расчёт высоты жидкости в аппарате
.5 Подбор рубашки
.6 Определение толщин стенок корпусных элементов
1.6.1 Расчётные параметры
1.6.2 Расчёт корпуса аппарата
.6.3 Расчёт эллиптического днища
.6.4 Расчёт конического днища
.6.5 Расчёт переходной зоны
.6.6 Расчёт рубашки
2. Расчёт и подбор штуцеров и люка
3. Конструирование и расчёт укрепления отверстий
. Выбор, проверка прочности и жесткости фланцевых
соединений
4.1 Выбор фланцевых соединений для трубной арматуры
4.2 Конструирование и расчёт фланцевого соединения
эллиптического днища с корпусом аппарата
.3 Расчёт фланцевого соединения, работающего под
внутренним давлением
.4 Расчёт фланца, приваренного встык
5. Выбор привода и уплотнение вала мешалки
5.1 Выбор схемы и определение режима работы
перемешивающего устройства
5.2 Определение мощности, затрачиваемой на перемешивание и
глубины воронки
.3 Выбор мотор - редуктора
.4 Выбор уплотнения мешалки
6. Расчёт вала и элементов мешалки
7. Подбор опор и проверка прочности стенки аппарата под
опорой
7.1 Подбор опор
7.2 Проверка прочности стенки аппарата под опорой-лапой
8. Построение эпюр напряжений и деформаций для корпусных
элементов аппарата
8.1 Цилиндрическая часть аппарата
8.2 Эллиптическое днище
.3 Коническая часть аппарата
.4 Торовая часть аппарата
Заключение
Список использованной литературы
Введение
Аппарат химического и нефтехимического производства предназначен для
проведения в нем технологических процессов, а также для хранения и
перемешивания различных химических веществ. Перемешивание в жидких средах
широко применяется в химической промышленности для приготовления эмульсий,
суспензий, и получения гомогенных систем (растворов). Одним из основных
способов перемешивания является механический способ, т.е. с помощью мешалок
различной конструкции. Мешалки приводятся в движение при помощи механической
энергии из внешнего источника. Мешалке сообщается вращательное движение либо
непосредственно от электродвигателя, либо через редуктор.
Перемешивающее устройство характеризуется интенсивностью и эффективностью
действия. Первая определяется временем, требуемым для достижения заданного
технологического результата, вторая - затратами энергии для этого. Чем меньше
время и расход энергии, тем выше интенсивность и эффективность перемешивающего
устройства.
Проектируемый аппарат состоит из цилиндрической обечайки, эллиптического
днища, конического днища, выполненных в соответствии с ГОСТами. Для поддержания
температурного режима используется рубашка, которая приваривается к корпусу
аппарата. Для интенсификации технологического процесса используется
перемешивающее устройство - турбинная мешалка, приводимая в действие от мотор
редуктора, установленного на стойке. Для обеспечения герметичности в месте вала
перемешивающего устройства используется торцовое уплотнение. Аппарат крепится к
фундаменту в вертикальном положении при помощи опорных лап.
1.
Подбор и расчёт корпусных элементов аппарата и рубашки
Крышки и днища относятся к корпусным элементам, ограничивающим с торцов
основную часть аппарата (как правило, цилиндрический корпус). В этих элементах
обычно располагаются все технологические отверстия, необходимые для обеспечения
непрерывной работы и технического обслуживания аппаратов (подвод и вывод
перерабатываемой среды, люки-лазы, контрольно-измерительные приборы и пр.) В
аппаратах с мешалкой на верхнем днище монтируется привод перемешивающего
устройства и уплотнение. Днища соединяются с цилиндрической обечайкой сваркой,
а крышки - при помощи фланцевого соединения.
1.1 Определение основных размеров корпуса аппарата
Рисунок 1 Схема аппарата
, где
-
производительность аппарата;
-
продолжительность перемешивания;
;
Выбираем аппарат ВКЭ - вертикальный с коническим отбортованным днищем
(угол при вершине 60º) и эллиптической крышкой с параметрами
ГОСТ 9931-85:
Ø Номинальный
объем аппарата
;
Ø Длина
цилиндрической части
;
Ø Площадь
аппарата
;
Ø Диаметр
аппарата внутренний
.
Уточняем значение коэффициента заполнения аппарата:
.
1.2 Проектирование эллиптической крышки
Рисунок 2- Эллиптическое днище
Выбираем эллиптическое отбортованное днище с внутренним базовым диаметром
(Рисунок 1.2) ГОСТ 6533-78:
Ø D = 2200мм;
Ø Н = 550мм;
Ø h = 60мм;
Ø F = 5,66м2;
Ø V = 1,6219м3.
Днище 2200-18 ГОСТ 6533-78.
1.3
Проектирование конического днища
Рисунок 3- Коническое днище
Выбираем коническое днище с внутренним базовым диаметром и отбортованной
вставкой и тороидальным переходом (Рисунок 1.3) ГОСТ 12619-78:
Ø D = 2200мм;
Ø h = 100мм;
Ø hн = 1958мм;
Ø F = 8,65м2;
Ø V = 2,876м3;
Ø
.
Днище 60-2200-20 ГОСТ 12619-78.
1.4 Расчёт высоты жидкости в аппарате
Высота жидкости в аппарате:
,
где
- высота жидкости в цилиндрической обечайке;
hн = 1,958м -
высота конуса;
h = 0,1м -
высота отбортовки.
1.5 Подбор рубашки
Выбираем
неразъёмную рубашку по ОСТ 26-01-985-85: тип - 2 с коническим днищем и углом
при вершине 2a = 60° при
и
;
;
;
; Принимаем стандартную длину рубашки:
Ø
;
Ø
;
Ø
;
Ø
.
Рисунок 4 - Неразъемная рубашка
Рубашка 2400-3117-10-О ОСТ 26-01-985-85
1.6
Определение толщин стенок корпусных элементов
1.6.1 Расчётные параметры
Ø Расчетное давление
в корпусе аппарата:
;
;
.
в
рубашке:
;
;
.
Ø Расчетная температура
в
корпусе аппарата:
;
в
рубашке:
.
Ø Допускаемое напряжение при температуре 150°C для стали марки
09Г2С [4, c.20]
корпус аппарата:
;
;
рубашка:
;
.
Ø Коэффициент запаса устойчивости
- для
рабочих условий [4, c.19];
- в
условиях гидравлических испытаний [4, c.19].
Ø Расчетное значение модуля продольной упругости для стали
марки стали 09Г2С [4, c.24]
при
;
при
.
Ø Для стыкового
или таврового шва с двусторонним сплошным проваром, выполняемым автоматической
или полуавтоматической сваркой с отношением длиной контролируемых швов к общей
длине, равной 100 %, выбираем коэффициент прочности сварных швов
[4, с.19]
Ø Прибавка
к расчетным толщинам конструктивных элементов корпуса определяется по формуле
,
где
- прибавка для компенсации коррозии,
где
- скорость коррозии,
- срок
службы;
-
прибавка для компенсации минусового допуска;
-
прибавка утонения листа при изготовлении.
Выбираю
прибавки для корпуса
.
Ø Прибавка к расчетным толщинам конструктивных элементов
рубашки определяется по формуле
,
где
- прибавка для компенсации коррозии,
где
- скорость коррозии,
- срок
службы;
-
прибавка для компенсации минусового допуска;
-
прибавка утонения листа при изготовлении.
Выбираю
прибавки для корпуса
.
Ø Максимальное давление, действующее на корпус или днище в
условиях испытаний, определяется как
,
где
- плотность воды;
-
ускорение свободного падения на широте
;
-
наибольшее значение высоты столба жидкости над проверяемым элементом;
Пробное давление при испытании стальных сварных аппаратов рассчитывается
по формуле:
;
Второе слагаемое в формуле не учитывается, т.к. выполняется неравенство:
;
;
.
Ø Расчет на прочность в режиме испытаний проводить не
требуется, т.к. выполняется следующее соотношение
;
.
1.6.2 Расчёт корпуса аппарата
Цилиндрическая обечайка нагружена внутренним давлением. Расчетную толщину
стенки определяем по формуле:
.
Цилиндрическая
обечайка нагружена наружным давлением. Расчетную толщину стенки приближенно
определяем по формулам:
где
;
Коэффициент
К2 = 0,7 определяется по номограмме [2, c.102];
;
;
;
Где
l - расчетная длина обечайки;
lц - длина
цилиндрической обечайки, нагруженная наружным давлением;
hц - длина
отбортованной части конического днища (принимается по
ГОСТ 12619-78);
r - радиус
тороидального перехода равен 200мм для данного диаметра.
Рисунок 5 - Расчётная схема рубашки
Исполнительная толщина стенки цилиндрической обечайки корпуса:
;
;
.
Принимаем
ближайшее стандартное значение S = 20мм.
Допускаемое
наружное давление определяем по формуле:
,
где
допускаемое давление из условия прочности определяем по формуле:
,
а
допускаемое давление из условия устойчивости в пределах упругости определяем по
формуле:
где
.

Условие
выполняется.
1.6.3 Расчёт эллиптического днища
Эллиптическое
днище, нагруженное внутренним давлением. Условие применения расчетных формул:
;
;
;
;
;
.
Расчетную
толщину стенки определяем по формуле:
;
.
Принимаем
ближайшее стандартное значение Sд = 18мм.
Допускаемое
внутреннее избыточное давление рассчитываем по формуле:
.
Радиус
кривизны в вершине днища:
;

Условие
выполняется.
1.6.4 Расчёт конического днища
Коническое днище, нагруженное внутренним давлением
Расчетную толщину стенки определяем по формуле:
,
где
a1 = 30° - половина угла при вершине
конуса;
a2 = 0°.
-
расчетный диаметр гладкой конической обечайки,
гдеr =
200мм - радиус закругления тороидального перехода;
-
расчетная длина переходной части конической обечайки.
Коническое днище, нагруженное наружным давлением
Расчетную толщину стенки приближенно определяем по формулам:
где
;
Коэффициент
К2 = 0,75 определяется по номограмме [2, с.102].
;
;
.
Исполнительная
толщина стенки конической обечайки корпуса:
;
;
.
Принимаем
ближайшее стандартное значение S = 20мм. Допускаемое наружное давление рассчитываем по
формуле:
,
где
допускаемое давление из условия прочности определяем по формуле:
,
а
допускаемое давление из условия устойчивости в пределах упругости определяем по
формуле:
Эффективные
размеры конической обечайки определяем по формулам:
,
гдеD1 =
100мм - диаметр срезанной части конического днища.
Значение
коэффициента В1 определяем по формуле:
.

Условие выполняется.
1.6.5 Расчёт переходной зоны
Условия применения расчетных формул:
;
;
;
;
- половина угла при вершине конуса.
Расчет переходной зоны проводим методом последовательных приближений.
Исполнительную толщину стенки конического элемента в месте соединения двух
обечаек всегда принимают не менее толщины Sк.
Расчетную толщину стенки переходной зоны определяем по формуле:
,
коэффициент:
;
Где
r = 200мм - радиус закругления тороидального перехода;
где
.
.
Так
как толщина переходной зоны получилась меньше исполнительной толщины конической
обечайки, принимаем исполнительную толщину переходной зоны ST =
20мм.
Допускаемое
внутреннее избыточное давление рассчитываем по формуле:
.

Условие
выполняется.
1.6.6 Расчёт рубашки
Рубашка предназначена для нагрева или охлаждения обрабатываемых или
хранящихся в аппарате продуктов. По конструкции рубашки бывают неразъёмными
(приварными к корпусу аппарата) и отъёмными. Более просты и надёжны в работе
неразъёмные рубашки, которые стандартизированы.
Цилиндрическая обечайка, нагруженная внутренним давлением
Допускаемое внутреннее избыточное давление рассчитываем по формуле:
.

Условие выполняется.
Коническое днище, нагруженное внутренним давлением
Определяем необходимые для расчёта величины:
-
расчётный диаметр гладкой конической обечайки;
Где
r = 200мм - радиус закругления тороидального перехода;
-
половина угла при вершине конуса;
.
-
расчетная длина переходной части конической обечайки.
Допускаемое
внутреннее избыточное давление рассчитываем по формуле
.

Условие
выполняется.
Расчёт
переходной зоны
Условия
применения расчетных формул и зависимости аналогичны п. 1.6.5.
Определяем необходимые для расчёта величины:
коэффициент:
;
Где
r = 200мм - радиус закругления тороидального перехода;
где
.
Допускаемое
внутреннее избыточное давление рассчитываем по формуле:
.

Условие
выполняется.
2.
Расчёт и подбор штуцеров и люка
Присоединение к аппарату арматуры, технологических трубопроводов для
подвода и отвода различных жидких или газообразных продуктов, а также
предохранительных и контрольно-измерительных устройств, производится с помощью
штуцеров.
Рисунок 6 - Конструкции фланцевых штуцеров:
а - с плоским приварным фланцем и тонкостенным патрубком;
б - с приварным встык фланцем и тонкостенным патрубком;
в - с приварным встык фланцем и толстостенным патрубком
Внутренний диаметр фланцевого штуцера d определяется исходя из объемного расхода Q и рекомендуемой скорости движения
среды W:
.
Принимаем
d = 80мм.
Ø Штуцер для входа и выхода теплоносителя:
. Принимаем
d = 125мм.
Ø Штуцера для КИП и предохранительного клапана:
Предохранительный клапан d =
80мм;
Ø Штуцера для контрольно-измерительных приборов (манометр;
термометр):
d =
50мм.
По рассчитанному диаметру подбираем размеры стандартных штуцеров
(ОСТ 26-02-2065-83 и ОСТ 26-02-2069-83).
Таблица 1 - Размеры штуцеров
|
dу, мм
|
dт, мм
|
Sт, мм
|
Hт, мм
|
pу, МПа
|
|
50
|
57
|
3
|
165
|
2,5
|
|
80
|
89
|
4
|
225
|
2,5
|
|
125
|
133
|
6
|
215
|
1,0
|
Штуцер 50-25-165-09Г2С ОСТ 26-02-2065-83 [4, c.28]
Конструкция и параметры люка-лаза
Выбираем по ОСТ 26-2005-83 люк с плоской крышкой и фланцем приварным
встык с уплотнением выступ - впадина, тип 3, исполнение 1.
Люк 4-1-450-10-25-3-1 ОСТ 26-2005-83.
Таблица 2 - Размеры люка-лаза
|
D
|
D1
|
s
|
h
|
H
|
H1
|
|
450
|
590
|
10
|
45
|
220
|
305
|
3.
Конструирование и расчёт укрепления отверстий
Укрепление отверстий производится за счёт усиления зоны в
непосредственной близости от отверстия (в области концентрации напряжений).
Размеры этой зоны определяются в осевом сечении аппарата, проходящем через
центр укрепляемого отверстия. Укрепление может осуществляться патрубком
штуцера, утолщением укрепляемой стенки и накладным кольцом или бобышкой.
Основной принцип укрепления состоит в том, чтобы в указанном сечении площадь,
занимаемая удалённым за счёт отверстия металлом, была меньше избыточной площади
сечения укрепляющих элементов, расположенных в зоне укрепления. При определении
площади удалённого металла необходимо учесть площадь сечения отверстия, не
требующего укрепления.
Рисунок 7 - Схема расположения штуцеров
Рисунок 8 - Основные размеры зоны укрепления отверстий
Цилиндрическая оболочка
Выход теплоносителя d = 125мм.
Расчетный диаметр:
.
Расчетный
диаметр отверстия:
.
.
Диаметр
отверстия, не требующего укрепления:
.
Условие
выполняется, следовательно, укреплять отверстие не
требуется.
Эллиптическое
днище
Отверстия под термометр и манометр d = 50мм.
Расчетный диаметр оболочки:
,
Где
Х - расстояние между осью вращения оболочки и параллельной ей линией,
проходящей через центр отверстия.
Расчетный
диаметр отверстия:
.
Расчетная
толщина стенки:
.
Диаметр
отверстия, не требующего укрепления:
.
Условие
выполняется, следовательно, укреплять отверстие не
требуется.
Отверстия под вход продукта, выход продукта,
предохранительный клапан и резервный штуцер d = 80мм.
Расчетный диаметр оболочки:
.
Расчетный
диаметр отверстия:
.
Расчетная
толщина стенки:
.
Диаметр
отверстия, не требующего укрепления:
.
Условие
выполняется, следовательно, укреплять отверстие не
требуется.
Отверстие
под люк d = 450мм.
Расчетный
диаметр оболочки:
.
Расчетный
диаметр отверстия:
.
Расчетная
толщина стенки:
.
Диаметр
отверстия, не требующего укрепления:
.
Условие
не выполняется, следовательно, требуется укреплять
отверстие.
Расчет
укрепления отверстия люка
,
где
FR - площадь сечения, которую нужно компенсировать:
;
F0 - площадь
сечения «лишнего» металла в стенке аппарата:
F1 - площадь
сечения «лишнего» металла во внешней части штуцера:
F2 - площадь
сечения металла во внутренней части штуцера, выступающая внутрь аппарата часть l2=0:
;
FK - площадь
сечения накладного кольца, если отверстие укрепляется накладным кольцом:
;
;
.
Примем
Sк = 10мм.
,
.
Примем
bк = 120мм.
£ 562 + 150,7 +
0 + 1200;
< 1912,7 (условие
выполняется).
Коническое
днище
Вход
охлаждающей жидкости d = 125мм.
Расчетный
диаметр:
.
Расчетный
диаметр отверстия:
.
Расчетная
толщина стенки:
.
Диаметр
отверстия, не требующего укрепления:
Условие
выполняется, следовательно, укреплять отверстие не
требуется.
4.
Выбор, проверка прочности и жесткости
фланцевых соединений
В аппаратах и трубопроводах для разъёмного соединения их составных
частей, а также для присоединения к аппаратам запорной арматуры,
предохранительных, регулирующих и контролирующих устройств широко используются
фланцевые соединения. Фланцевые соединения должно быть прочным, жёстким,
герметичным и доступным для сборки, разборки и осмотра.
Подбор фланцев и других комплектующих деталей фланцевого соединения
(прокладок, болтов или шпилек и гаек) осуществляется по стандартам.
4.1 Выбор фланцевых соединений для трубной арматуры
Для труб и трубной арматуры выбираем фланцы стальные приварные встык с
соединением шип-паз.
Рисунок 9 - Стальные приварные встык фланцы с соединением типа шип-паз
Таблица 3 - Основные размеры фланцевых соединений по ГОСТ 12821-80
|
Py, МПа
|
2,5
|
2,5
|
1
|
|
dy, мм
|
50
|
80
|
125
|
|
Dф, мм
|
160
|
195
|
245
|
|
DБ, мм
|
125
|
160
|
210
|
|
D1, мм
|
102
|
138
|
188
|
|
D2, мм
|
88
|
121
|
176
|
|
D4, мм
|
58
|
90
|
135
|
|
D5, мм
|
49
|
78
|
121
|
|
D6, мм
|
76
|
110
|
156
|
|
H, мм
|
48
|
55
|
60
|
|
h, мм
|
17
|
19
|
19
|
|
d, мм
|
18
|
18
|
18
|
|
z
|
4
|
8
|
8
|
Фланец (I)-50-25 ГОСТ 12821-80;
Фланец (II)-50-25 ГОСТ 12821-80;
Фланец (I)-80-25 ГОСТ 12821-80;
Фланец (II)-80-25 ГОСТ 12821-80;
Фланец (I)-125-10 ГОСТ 12821-80;
Фланец (II)-125-10 ГОСТ 12821-80.
Рекомендованные материалы для деталей стальных стандартных фланцевых
соединений труб и трубной арматуры [2, с.220]:
Фланец плоский приварной: Сталь 09Г2С;
Болты: Сталь 35 ГОСТ 1759-70;
Гайки: Сталь 25 ГОСТ 1759-70.
Выбор фланцевых соединений для люка
Для люка выбираем фланцы плоские приварные встык с соединением шип-паз.
Основные размеры фланцевого соединения представлены в таблице 2.
Таблица 4 - Основные размеры фланцевого соединения для люк-лаза по ГОСТ
28759.3-90
|
py, МПа
|
2,5
|
|
Dу, мм
|
450
|
|
Dф, мм
|
590
|
|
DБ, мм
|
550
|
|
D1, мм
|
514
|
|
D2, мм
|
522
|
|
D3, мм
|
513
|
|
D4, мм
|
472
|
|
D5, мм
|
490
|
|
h, мм
|
45
|
|
Н, мм
|
75
|
|
а, мм
|
13,5
|
|
d
|
23
|
|
z
|
24
|
Фланец 3-450-2,5-09Г2С ГОСТ 28759.3-90.
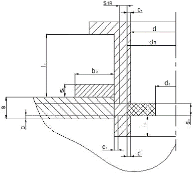
4.2 Конструирование и расчёт фланцевого соединения
эллиптического днища с корпусом аппарата
Выбираем фланцы плоские приварные встык с соединением шип - паз:
Рисунок 10 - Стальные приварные встык фланцы с соединением типа шип-паз
Основные размеры фланцевого соединения представлены в таблице 5.
Таблица 5 - Основные размеры фланцевого соединения эллиптического днища с
корпусом аппарата
|
Py, МПа
|
2,5
|
|
D, мм
|
2200
|
|
Dф, мм
|
2462
|
|
DБ, мм
|
2404
|
|
D1, мм
|
2363
|
|
D2, мм
|
2369
|
|
D3, мм
|
2360
|
|
D4, мм
|
2260
|
|
D5, мм
|
2332
|
|
h, мм
|
113
|
|
Н, мм
|
220
|
|
а, мм
|
21,5
|
|
а1, мм
|
18
|
|
d
|
33
|
|
dБ
|
М30
|
|
z
|
108
|
Рисунок 11 - Фланцевое соединение
Вследствие отсутствия стандартных фланцев типа шип - паз для данного
условного давления необходимо сконструировать их самостоятельно.
Конструирование фланцевого соединения.
Расчетные
параметры
Расчетная температура:
фланцы
;
болты
.
Расчётное
давление Ру = 2,5 МПа.
Внутренний
диаметр фланцевого соединения D = 2200мм.
Толщина
стенки аппарата S = 20мм.
Допускаемое
напряжение для болтов: материал Сталь 40Х:
- при 20ºС,
- при 150ºС по ОСТ 26-373-78;
- при 20ºС,
- при
150ºС таблица 3.12 [4, с.24];
Прокладка
из паронита, шириной b = 25мм (ОСТ 26-373-78), модуль упругости 2000 МПа.
Материал
фланцев такой же, как у аппарата…
Расчётные
величины:
1) Меньшая толщина конической втулки фланца:
, но
;
Окончательно
принимаем S0 = 30мм.
2) Отношение большей толщины втулки к меньшей выбираем для плоских
приварных в стык фланцев b =
2,2 [2, с.258].
3) Большая толщина втулки фланца:
;
4) Длина втулки приварного встык фланца:
;
Так как в таблице 13.26 [2, с.258] нет значений резьбы на давлении 2,5МПа
при диаметре 2200мм, то выбираю средний диаметр резьбы по другим близким
условным диаметрам. Выбираем стандартные болты с резьбой М30.
5) Диаметр болтовой окружности:
;
6) Наружный диаметр фланца:
,
Где
а = 58мм [2, с.259].
Окончательно
принимаем Dф = 2465мм;
7) Наружный диаметр прокладки:
,
гдеe -
стандартный параметр [2, с.260];
8) Средний диаметр прокладки:
;
9) Эффективная ширина прокладки:
;
В
зависимости от конструкции и материала прокладки выбираем расчетные параметры m =
2,5, q = 20 МПа табл. 13.28 [2, с.260].
10) Ориентировочное число болтов:
,
Где tб = 2,7dб = 2,7·30 = 81мм - шаг болтов;
Определяем
вспомогательные величины, используя которые в дальнейшем будем производить
расчёт фланцевого соединения:
a) Коэффициент χ:
,
где
.
b) Эквивалентная толщина втулки фланца:
;
c) Ориентировочная толщина фланца:
,
где
λ
= 0,37 - безразмерный коэффициент,
определяемый по диаграмме и зависящий от условного давления и типа фланцев [2,
с.262].
d) Безразмерный параметр:
,
Где
;
и
- безразмерные коэффициенты, зависящие от типа
фланцев;
e) Угловая податливость фланца:
,
Где
ЕФ = 1,86 ·105 МПа (Сталь 09Г2С при 150ºС) - модуль продольной упругости материала фланца,
-
безразмерный параметр, зависящий от К и определяемый по диаграмме [2, с.263].
f) Линейная податливость прокладки:
,
Где
Еп = 2000 МПа - модуль продольной упругости материала прокладки.
g) Расчетная длина болта:
,
где
- длина болта между опорными поверхностями головки
болта и гайки.
h) Линейная податливость болтов:
аппарат мешалка фланцевый корпусный
,
Где
fБ = 5,4×10-4м2 -
расчетная площадь поперечного сечения по внутреннем диаметру резьбы [2, с.259];
ЕБ
= 2,15×105 МПа - модуль продольной упругости материала болта.
i) Коэффициент жесткости фланцевого соединения:
4.3 Расчёт фланцевого соединения, работающего под
внутренним давлением
Нагрузка, действующая на фланцевое соединение от внутреннего избыточного
давления:
;
Реакция
прокладки в рабочих условиях:
;
Усилие,
возникающее от температурных деформаций:
Где
aФ = 14×10-6 - коэффициент
температурного расширения фланцев;
aБ = 12,6×10-6 - коэффициент температурного расширения болтов.
Болтовая
нагрузка в условиях монтажа:
;
Болтовая
нагрузка в рабочих условиях:
;
Условия
прочности болтов
в
условиях монтажа:
;
;
,
условие
выполняется;
в
рабочих условиях:
;
;
,
условие
выполняется.
Приведенные
изгибающие моменты в диаметральном сечении фланца:
;
4.4 Расчёт фланца, приваренного встык
Максимальное напряжение в сечения S1 фланца наблюдается в месте соединения втулки с плоскостью
фланца:
,
Где
М0 - расчетное значение приведенного изгибающего момента соответствующее
большему из приведённых изгибающих моментов;
Т
- безразмерный параметр, определяемый по диаграмме и зависящий от К [2, с.263].
Максимальное
напряжение в сечения S0 фланца наблюдается в месте соединения втулки с
обечайкой или днищем:
,
Где
y3 = 1,85 рис. 13.18 [2, с.264].
Напряжение
в кольце фланца от действия М0:
;
Напряжения
во втулке фланца от внутреннего давления:
;
.
Условия прочности фланца:
в сечении S1:
;
;
,
условие
выполняется;
в
сечении S0:
,
где
;
;
,
условие
выполняется.
Угол
поворота фланца
;
,
где
;
,
условие
выполняется.
5.
Выбор привода и уплотнение вала мешалки
5.1 Выбор схемы и определение режима работы
перемешивающего устройства
Перемешивание позволяет интенсифицировать различные процессы,
происходящие в аппарате (гомогенизация, теплообмен, химическая реакция). Общие
технические условия, типы и основные параметры вертикальных аппаратов с
механическими перемешивающими устройствами даны в ГОСТ 25167-82, ГОСТ
20680-86Е.
Рисунок 12 - Схема привода
1 - мешалка, 3 - мотор-редуктор, 7 - стойка, 8 - продольно-разъёмная
муфта, 11 - торцовое уплотнение, 14 - корпус аппарата.
Определяем значение критерия Рейнольдса:
.
Коэффициент
сопротивления x = 0,88.
Расстояние
от мешалки до дна аппарата:
;
;
.
Геометрический
параметр:
.
5.2 Определение мощности, затрачиваемой на перемешивание и
глубины воронки
Коэффициент гидравлического сопротивления:
,
где
zм = 1 - количество мешалок;
,
Где В = 3,5 - коэффициент [4, c.72].
Так как глубина воронки такова, что "обнажение" мешалки не
происходит.
Мощность, затрачиваемая на перемешивание:
,
где
- критерий мощности;
Коэффициент
К1 = 0,14 значение которого находится по графику в зависимости от параметра Е.
5.3 Выбор мотор - редуктора
При определении мощности привода необходимо учитывать перегрузки,
возникающие при пуске перемешивающего устройства в аппарате, заполненном
жидкостью, потери мощности в уплотнении Nу и потери на трение в подшипниках и передачах. Необходимая
мощность электродвигателя может определяться по следующему соотношению и в
первом приближении (при Nт =
0) составит:
,
Где
ηмех = 0,9 - коэффициент полезного действия привода в
первом приближении [4, с.75].
По
полученному значению мощности и частоте вращения вала выбираем тип мотор -
редуктора, его основные размеры и характеристики [4, с.77 - 79]:
Мотор-редуктор МПО (ТУ2-056-223-84):
Число ступеней 2;
Габарит 10;
Частота вращения выходного вала 64 мин-1;
Мощность электродвигателя 3 кВт;
Исполнение выходного вала Ф1В.
МПО1-10-64/3-Ф1В-ТУ2-056-223-84.
Потери мощности (кВт) в торцевом уплотнении определяются по эмпирической
формуле:
,
гдеd -
диаметр вала, м; К - коэффициент, К = 7,2.
5.4 Выбор уплотнения мешалки
Диаметр вала мешалки d = 40мм.
Необходимая мощность электродвигателя с учётом потерь мощности в торцевом
уплотнении:
,
Где
ηмех = 0,95 - коэффициент полезного действия выбранного
привода исходя из табличных данных [4, с.79].
Исходя,
из принятой ранее схемы привода и полученной мощности выбираем уплотнение
торцовое двойное ТДП - 25.
Рисунок 13 - Двойное торцовое уплотнение ТДП-25
Двойное торцевое уплотнение ТДП-25 (ТДП-32) состоит из корпуса 1;
основания 9; втулки 5, вращение которой передается от вала через водило 6,
корпуса 7; встроенного подшипника 4 и пружин 8, обеспечивающих контакт
неподвижных 4 и подвижных 2 уплотнительных колец, Уплотнение неподвижных колец
в корпусе к подвижных на втулке осуществляется всеми круглыми резиновыми
кольцами 8.
6.
Расчёт вала и элементов мешалки
Валы перемешивающих устройств рассчитываются на виброустойчивость,
прочность и жёсткость. Основными нагрузками, действующими на валы при их
эксплуатации, являются крутящие моменты, которые передаются от привода к
мешалке, и изгибающие моменты. Изгибающие моменты определяются центробежными
силами, действующими на вращающиеся вместе с валом массы. Осевыми нагрузками,
обусловленными осевым напором мешалок и собственным весом вращающихся деталей,
как правило, пренебрегают.
Важной характеристикой вала является его критическая скорость, при
приближении к которой рабочей скорости сильно возрастают вибрации, прогибы а,
следовательно, и напряжения изгиба. Задачей расчёта вала на виброустойчивость
является определение критической скорости и диаметра вала, обеспечивающего его
надёжную эксплуатацию в режиме жёсткого или гибкого валов.
Расчёт на прочность и жёсткость являются проверочными. Изменения
конструкции привода, связанные с результатами этих расчётов, не должны
приводить к изменению режимов работы валов.
Рисунок 14 - Расчётная схема
Расчёт на виброустойчивость
|
Исходные данные:
|
|
Длина вала, м: L +
l = 3,34 + 0,316 = 3,656м;
|
|
Длина консоли: L =
3,34м;
|
|
Длина пролета: l =
0,316м;
|
|
Диаметр вала: d =
0,05м;
|
|
Расстояние от опоры А до
муфты, м: Lп= 0,145м; Расстояние от опоры Б до мешалки, м: L1=
3,340м;
|
|
Частота вращения вала: n =
64мин-1;
|
|
Число мешалок: nм
= 1;
|
|
Масса муфты: m1
= 5,5кг; Масса мешалки: m2 = 39кг;
|
|
Плотность материала вала: r = 7850кг/м3;
|
|
Модуль упругости материала
вала: E = 2,15×1011Па;
|
|
Предел текучести материала
вала: sТ = 234×106Па;
|
|
Мощность перемешивания: N =
956Вт;
|
|
Относительная длина
консоли: = 3,34/(3,34+0,316) = 0,914;
|
|
Относительная координата
центра масс детали: ; ;
|
|
Угловая скорость вала: ;
|
Безразмерный динамический прогиб вала в центре масс
детали: На консоли:
в пролёте:
Приведенная масса детали: на консоли:
;
в пролёте:
|
;
|
|
Суммарная приведенная масса
деталей: ;
|
|
Безразмерный коэффициент: ;
|
|
Приведенная безразмерная
масса вала:
|
Комплексы:
;
|
;
|
|
Расчетный диаметр вала: ;
|
|
Жесткий вал d > dр 0,05 > 0,0333;
|
|
Масса единицы длины вала: ;
|
|
Относительная суммарная
масса деталей: ;
|
|
Безразмерная критическая
угловая скорость вала: ;
|
|
Первая критическая угловая
скорость вала: ;
|
|
Условие виброустойчивости:
жесткий вал w £ 0,7w1; 6,7 < 16,39, Условие выполняется.
|
|
Расчет на жесткость
|
|
Дополнительные исходные
данные:
|
|
Радиальные зазоры в
подшипниках: DА= 13 ×10-6м; DБ= 25×10-6м;
|
|
Начальная изогнутость вала:
eв = 0,06×10-3м;
|
|
Координата опасного
сечения: zj = 0,17м;
|
|
Допускаемые динамические
перемещения вала в сечении с координатой zj, [А]j =
0,25мм;
|
|
Тип мешалки:
|
Лопастная;
|
|
Диаметр мешалки:
|
dм = 1,25м;
|
|
Плотность среды:
|
rс = 1060кг/м3.
|
|
Координата ограничителя
колебаний: Lо = 3,5м.
|
|
Коэффициент сопротивления
мешалки: x= 0,88;
|
|
Параметр распределения
скорости: Y1 = 1;
|
|
Эксцентриситет массы
детали: ;
|
|
Относительная координата
опасного сечения: ;
|
|
Безразмерный динамический
прогиб вала в опасном сечении:
|
Приведенный эксцентриситет детали: на консоли:
;
в пролёте:
|
;
|
|
Приведенная масса вала: ;
|
|
Смещение оси вала в опасных
сечениях из-за зазоров DА и DБ в опорах:
|
|
Смещение оси вала в опасном
сечении за счет начальной изогнутости eв: ;
|
|
Смещение оси вала от оси
вращения в точке приведения В за счет зазоров в опорах: ;
|
Комплексы:
;
|
;
|
Приведенный эксцентриситет массы вала с деталями:
;
Динамический прогиб оси вала в точке приведения В в
установившемся режиме:
;
Смещение оси вала за счёт динамического прогиба в
опасном сечении:
|
;
|
|
Динамическое смещение вала
в опасном сечении: ;
|
Расчет на прочность
|
Дополнительные исходные
данные:
|
|
Предел прочности для
материала вала: sВ= 500МПа;
|
|
Предел выносливости для
материала вала при симметричном цикле: s-1 = 0,5·500 =
250МПа;
|
|
Эффективный коэффициент
концентрации напряжений: Кs = 1,38м;
|
|
Коэффициент влияния
абсолютных размеров сечения вала: Кd = 0,68мм;
|
|
Коэффициент режима работы: b = 1 - спокойный;
|
|
Координата опасного по
прочности сечения: zj = 0,17м;
|
|
Диаметр вала в опасном
сечении: d = 0,05м;
|
Смещение оси вала за счёт зазора в опорах в месте
установки детали: на консоли:
в пролёте:
Смещение оси вала от оси вращения за счёт начальной
изогнутости: на консоли:
;
в пролёте:
|
;
|
Смещение оси вала от оси за счёт динамического
прогиба: на консоли:
;
в пролете:
|
;
|
Динамическое смещение центра массы детали: на консоли:
в пролете:
|
|
|
Динамическое смещение вала
в точке В: ;
|
Центробежная сила, действующая на деталь: на консоли:
;
в пролёте:
|
;
|
|
Приведенная центробежная
сила, действующая на вал в точке приведения В: ;
|
Комплексы:
;
|
;
|
|
Реакция опоры А: ;
|
Комплексы:
;
|
;
|
|
Реакция опоры Б:
|
|
Изгибающий момент в опасном
по прочности сечении: ;
|
|
Крутящий момент в опасном
сечении: ;
|
|
Момент сопротивления в
опасном сечении: ;
|
|
Эквивалентное напряжение в
опасном по прочности сечении: ;
|
|
Запас прочности в опасном
сечении: ;
|
Условие прочности:
, 10,35
> 1,8,
7.
Подбор опор и проверка прочности стенки аппарата
под опорой
7.1 Подбор опор
Вес корпуса аппарата:
Вес
привода Gп

;
Mмот-ред = 70 +
73 = 143кг - масса мотор - редуктора,
гдеmмот
- масса мотор - редуктора,
mстойки = 70кг -
масса стойки;
mмешалки = 39кг
- масса мешалки;
mмуфты1 = 5,5кг
- масса продольно-разъемной муфты;
mупл = 90кг -
масса уплотнения;
Вес
рабочей среды в аппарате:
;
Вес
рубашки:
;
Вес
фланцев:
;
Вес
люк-лаза:
;
Вес
аппарата:
Нагрузка
на одну опору:
,
Где
к = 1 - коэффициент неравномерности нагрузки,
n = 3 - число
опор [4, с.106].
Выбираем
стандартную опору для стальных сварных цилиндрических аппаратов - исполнение
1[2, с.270].
Опора
2-10000 ОСТ 26-655-79.
Рисунок 15 - Опора
а2 = 200мм;а = 250мм; с1 = 160мм;
b =
520мм;d = 42мм;b1 = 230мм;
а1 = 310мм;dб = М36;b2 = 220мм;
h1 =
30мм;fmax= 280мм;с = 65мм;
h =
620мм; S1 = 16мм;
К = 40мм;К1 = 130мм.
7.2 Проверка прочности стенки аппарата под опорой-лапой
Осевое напряжение от внутреннего давления:
;
,
Где
s0 - толщина стенки рубашки в конце срока службы;
s -
исполнительная толщина стенки рубашки;
с
- прибавка для компенсации коррозии;
с1
- дополнительная прибавка.
Окружное
напряжение от внутреннего давления:
;
Максимальное
мембранное напряжение от основных нагрузок:
;
;
Где
К1 = f(γ) - коэффициент, определяемый по рис. 14.6 [2, с.287],
γ - безразмерный параметр,
е
- расстояние от наружной поверхности аппарата до оси элемента крепления опоры.

К1 =
0,55
;
Максимальное
напряжение изгиба от реакции опоры:
К2
= 0,5 - коэффициент, определяемый по рис. 14.7 [2, с.287]
Условие
прочности имеет вид:
;
условие
выполняется.
гдеsт = 252МПа [4, с.25],
А
= 1 - для эксплуатационных условий [2, с.287].
8.
Построение эпюр напряжений и деформаций для корпусных элементов аппарата
8.1 Цилиндрическая часть аппарата
Анализ геометрии:
Первый и второй главные радиусы кривизны соответственно равны:
R1 = ¥;
R2 = D/2 = 1,1м;
j = p/2 = сonst,
φ - является постоянной величиной,
следовательно, не может служить текущей координатой. Принимаем новую текущую
координату dx = R1×dj.
Компоненты внешней поверхностной нагрузки: Х = 0; Z = - P = сonst.
Нагрузка
свободного края:
;
Внутренние
силы
Меридиональная
сила:
;
Кольцевая
сила:
.
Напряжения
Меридиональное
напряжение:
;
Кольцевое
напряжение:
;
Эквивалентное
напряжение:
;
Первое
главное напряжение:
;
Третье
главное напряжение:
;
Радиальная деформация
.
8.2 Эллиптическое днище
Рисунок 16- Эллиптическое днище
Анализ геометрии: j
[0;p/2].
А = f(φ),
В = f(φ),
;
;
при
j = p/2:
;
;
при
j = 0:
;
Проекции
внешних сил
Х
= 0; Z = - PR; Q = 0.
Внутренние
силы
при
j = p/2, т.е. в точках экватора:
;
.
при
j = 0, т.е. в точках полюса:
;
.
Напряжения:
при
j = p/2:
при
j = 0:
Радиальные
деформации
при
j = p/2:
.
при j = 0
.
Найдем
координату φ,
где напряжения от кольцевых сил равно
нулю:
при Т =
0;
;
;
;
sin2φ + cos2φ = 2;
sin2φ + 1 = 2;
sin2φ = 1;
sin2φ = 1/3;
.
8.3 Коническая часть аппарата
Рисунок 17 - Расчётная схема конического днища
Анализ геометрии: R1 = ¥; R2 = x×tga; j = p/2 - a = сonst; R2 = D/2; φ - является постоянной величиной,
следовательно, не может служить текущей координатой. Принимаем новую текущую
координату dx = R1×dj.
Проекции
внешних сил
Х
= 0;Z = - PR;Q = 0.
Внутренние
силы
при
x = xmax:
при
x = 0:
Напряжения
при
x = xmax:
при
x = 0:
Деформации
при x = xmax:
.
при x = 0:
.
8.4 Торовая часть аппарата
Анализ геометрии: j = p/4; j1 = p/2;
R1 = Rб = 0,2м = const; j [(p/2)-a; p/2].
при ji = j:
;
при
ji = j1:
;
Проекции
внешних сил
Х
= 0; Z = - PR; Q = 0.
Внутренние
силы
при
ji = j:
при
ji = j1:
Напряжения
при
ji = j:
при
ji = j1:
Деформации
при ji = j:
.
при
ji = j1:
.
Рисунок 18 - Эпюра меридиональных напряжений, МПа
Рисунок 19 - Эпюра кольцевых напряжений, МПа
Рисунок 20 - Эпюра радиальных деформаций, мм
Рисунок 21 - Эпюра эквивалентных напряжений, МПа
Заключение
В результате проделанной работы рассчитан и спроектирован стальной
сварной аппарат с перемешивающим устройством объемом Vн = 10м3.
Поддержание оптимальной температуры проведения процесса в аппарате
осуществляется с помощью теплоносителя циркулирующего внутри рубашки. Рубашка
крепится к корпусу с помощью сварки. Аппарат устанавливается и крепится с
помощью трех сварных опорных лап. Перемешивающее устройство (мешалка лопастная)
приводится в действие от мотор-редуктора типа МПО1-10-64/3-Ф1В-ТУ2-056-223-84.
В процессе выполнения курсового проекта был:
1. произведен подбор основных элементов аппарата (обечайка
цилиндрическая, днище эллиптическое, днище коническое) и рубашки;
2. рассчитаны толщины стенок основных элементов аппарата и рубашки;
. подобраны и рассчитаны штуцера для всех технологических
отверстий, предусмотренных в аппарате;
. сконструированы и подобраны фланцевые соединения;
. проверено на прочность и жесткость фланцевое соединение между
эллиптическим днищем и цилиндрической обечайкой;
. произведено конструирование и расчет укрепления отверстий
аппарата;
. подобраны опоры и проведена проверка прочности стенки аппарата
под опорой;
. выбран привод и уплотнение вала мешалки;
. произведен расчет вала на виброустойчивость, жесткость и
прочность;
. построены эпюры напряжений для корпусных элементов аппарата.
Список
использованной литературы
1.
ГОСТ 14249-89.
Сосуды и аппараты. Нормы и методы расчета на прочность.
2.
Лащинский А.А.
Конструирование сварных химических аппаратов: Справочник. - Л.: Машиностроение,
1981. - 382с.
3.
Лащинский А.А.,
Толчинский А.Р. Основы конструирования и расчета химической аппаратуры:
Справочник. 2-е изд., перераб. и доп. - Л.: Машиностроение, 1970. - 752с.
4.
Оборин В.Н.,
Родный М.В., Веткин Ю.А. Конструирование и расчет технологического
оборудования: Учеб. пособие / ЯГТУ - Ярославль, 2003.