Создание схемотехнической модели радиоприемной системы
СОДЕРЖАНИЕ
Реферат
Введение
1.
Анализ технического задания
2.
Выбор структурной схемы радиоприемника и предъявление требований к ее элементам
2.1
Обоснование выбора структурной схемы приёмника
2.2 Разбивка общего диапазона
рабочих частот на поддиапазоны
.3 Предварительный расчет
полосы пропускания приемника
.4 Оценка целесообразности
применения АПЧ
.5 Обеспечение заданной
чувствительности приёмника
2.6 Выбор средств обеспечения
избирательности приёмника
2.6.1 Выбор средств
обеспечения избирательности по зеркальному каналу и каналу прямого прохождения
.6.2 Определение
избирательности по соседниму каналу
.7 Выбор детектора
.8 Расчёт требуемого усиления
линейного тракта
.9 Выбор низкочастотного
тракта приемника и его параметров
.10 Проверка осуществимости
АРУ
2.11 Выбор
характеристик узлов приёмника
2.12 Результаты расчета и
формулировка требований к отдельным узлам приемника
3.
Составление полной принципиальной схемы приемника и расчет отдельных ее узлов
3.1 Расчет входной цепи
.2 Расчет усилителя
радиочастоты
.3 Расчет частотного
детектора
4. Результаты
моделирования отдельных узлов приёмника
.1 Результаты
моделирования входной цепи
.2 Результаты
моделирования усилителя радиочастоты
.3 Результаты
моделирования преселектора
. Выбор и
обоснование устройства защиты информации
.1 Основные
методы и типы систем закрытия речевых сообщений
5.2 Аналоговое скремблирование в
радиосвязи
5.3
Классификация аналоговых скремблеров
.4 Основные
характеристики аналоговых скремблеров
.5 Аналоговые
скремблеры с частотным преобразованием сигнала
.6 Аналоговые
скремблеры с временным преобразованием сигнала
.7
Роллинговые скремблеры
.8 Сравнение
различных типов скремблеров
.9
Практические вопросы применения скремблеров
.10 Выбор
скремблера
.
Конструкторская разработка узлов приёмника
7.
Безопасность и экологичность проекта
.1
Системный анализ надежности и работоспособности радиоприемного устройства
профессиональной связи УКВ диапазона
7.2
Меры по повышению надежности и работоспособности радиоприемного устройства
7.3 Пожарная безопасность при
разработке и эксплуатации радиоприемного устройства
.4 Защита окружающей природной среды
при изготовлении и утилизации проекта
8.
Технико-экономическое обоснование проекта
8.1
Обоснование экономической целесообразности разработки
.2 Выбор
аналога
.3 Расчет
затрат на техническую подготовку производства
.4 Расчет
себестоимости и цены изделия
.4.1
Себестоимость
.4.2 Цена
изделия
.5 Расчет
экономического эффекта
.6 Расчет
точки безубыточности
Заключение
Список
используемых источников
Приложение
А
Приложение
Б
Приложение
В
Приложение
Г
Приложение
Д
Приложение
Е
РЕФЕРАТ
Системы связи, радиоприемное устройство, приемник УКВ диапазона, линия
связи.
Объектом проектирования является радиоприемное устройство
профессиональной связи УКВ диапазона.
Предмет проектирования - разработка радиоприемного устройства
профессиональной связи УКВ диапазона.
Целью данного проектирования является создание схемотехнической модели
радиоприемной системы, сочетающей в себе все аспекты направлений развития
современной бытовой радиоэлектронной аппаратуры.
В ходе проектирования получены следующие результаты. Рассмотрены
последние тенденции в развитии современной радиоэлектронной аппаратуры.
Проведен анализ возможности применения интегральных микросхем для упрощения
схемы устройства. На основе этого выбрана структурная схема устройства,
отвечающая данным параметрам, а так же выбраны наиболее подходящие компоненты,
при использовании которых схема устройства будет отвечать предъявленным
требованиям, а количество компонентов - минимальным. Выполнен эскизный расчет
некоторых узлов приёмника, проведено схемотехническое моделирование
рассчитанных узлов. Разработана схемотехническая модель радиоприемного
устройства, отвечающая требованиям предъявленным в техническом задании. В
работе произведен выбор существующего устройства для сравнения по экономическим
параметрам, а также предъявлены требования к технике безопасности и
экологичности проекта.
ВВЕДЕНИЕ
Приемники профессиональной связи нашли свое применение среди многообразия
современной техники. В течение многих лет существенно изменяются и продолжают
изменяться устройства связи. Уменьшаются габариты, повышается надёжность,
улучшаются технические характеристики, вводятся электронные системы управления.
Конечно же, во многом этот процесс связан и с переходом от дискретных элементов
к интегральным схемам, и с внедрением достижений микроэлектроники.
Объектом дипломного проектирования является приёмник профессиональной
связи УКВ диапазона.
Целью данного проектирования является создание схемотехнической модели
радиоприемной системы, сочетающей в себе все аспекты направлений развития
современной радиоэлектронной аппаратуры.
В задачи проектирования радиоприёмника входит: выбор и обоснование
структурной схемы; составление полной принципиальной схемы; расчет отдельных
узлов; моделирование этих узлов на ЭВМ, с последующим сравнением полученных
характеристик с расчётными; выбор и обоснование устройства защиты информации.
На защите будет представлен проект радиоприемного устройства, работающего
в УКВ диапазоне, с закрытым каналом связи. В качестве результатов
проектирования, на защиту будет вынесено моделирование на ЭВМ узлов приёмника.
В результате чего мы сможем оценить степень соответствия полученных результатов
проектирования требованиям ТЗ и степень совпадения теоретических (расчетных)
результатов с результатами экспериментальных исследований.
1. АНАЛИЗ
ТЕХНИЧЕСКОГО ЗАДАНИЯ
В соответствии с требованиями технического задания необходимо разработать
переносной приемник профессиональной связи, осуществляющий прием сигналов,
модулированных по частоте, в УКВ диапазоне 56.5-58 МГц. Подобное проектируемое
устройство строится, как правило, по супергетеродинной схеме.
В соответствии с техническим заданием чувствительность приемника равна 10
мкВ, избирательность по зеркальному каналу - 50 дБ, каналу прямого прохождения
промежуточной частоты - 50 дБ и по соседнему каналу - 50 дБ. Так как приемник
по техническому заданию переносной, то повышаются требования к качеству работы
и наиболее рационально использовать интегральные микросхемы и малогабаритные
пьезокерамические или электромеханические фильтры.
В то же время разрабатываемый приемник должен быть достаточно дешевым,
конструктивно иметь небольшой вес, габариты, высокую надежность, учитывать
особенности питающего напряжения (от сети переменного тока или от батареи
питания), устойчиво работать в заданном диапазоне температур.
Каскады супергетеродинного приемника, настроенные на промежуточную
частоту, называют трактом промежуточной частоты. В супергетеродинном приемнике
ВЦ и УРЧ должны обеспечивать меньше усиление и избирательность, чем в приемники
прямого усиления, что значительно упрощает их конструкцию. Уже в диапазонах
гектометровых волн транзисторные и ламповые супергетеродинные приемники требуют
меньше электронных приборов, чем приемники прямого усиления. Поэтому более 90 -
95 % современных приемников строят по супергетеродинной схеме.
В более совершенной схеме супергетеродинного приемника с помощью
дополнительного местного гетеродина в преобразователе происходит смещение
спектра сигнала в диапазон новых, промежуточных частот. Это преобразование
должно быть линейным. При этом условии результат детектирования усиленного в
УПЧ сигнала будет таким же, как и результат детектирования напряжения с выхода
усилителя высокой частоты в приемнике прямого усиления. Супергетеродин обладает
высокой чувствительностью и селективностью, поскольку усиление осуществляется
еще и на промежуточной частоте. В соответствии с вышесказанным, оправдано
проектирование приемника по супергетеродинной схеме, как наиболее оптимальное.
2. ВЫБОР
СТРУКТУРНОЙ СХЕМЫ РАДИОПРИЕМНИКА И ПРЕДЪЯВЛЕНИЕ ТРЕБОВАНИЙ К ЕЕ ЭЛЕМЕНТАМ
.1 Обоснование выбора структурной схемы приёмника
Из анализа технического задания следует, что приёмник рациональнее всего будет
построить по супергетеродинной схеме. Все супергетеродинные приёмники состоят
из трёх основных частей: линейного тракта, демодулятора и устройства
регулировок (управления). Линейный тракт одинаков для типовых приёмников. Он
состоит из входной цепи (ВЦ), усилителя радиочастоты (УРЧ), смесителя (См) и
гетеродина (Г) преобразователя частоты, а также усилителя промежуточной частоты
(УПЧ).
В супергетеродинном приемнике несущая частота принимаемого сигнала с
помощью преобразователя частоты (ПЧ) преобразуется (обычно понижается) без
изменения закона модуляции. Полученный таким образом сигнал усиливается
усилителем промежуточной частоты (УПЧ) и подводится к детектору (Д).
Сравнительно простыми техническими средствами промежуточную частоту
супергетеродинного приемника можно сделать одинаковой (постоянной) для
принимаемых сигналов в достаточно широком диапазоне рабочих частот. Благодаря
этому в каскаде УПЧ оказывается возможным применять сложные избирательные
системы, обеспечивающие гораздо лучшую избирательность, чем одиночные контура.
Кроме того, подбирая (снижая) промежуточную частоту, можно достаточно хорошо
согласовать полосу пропускания тракта УПЧ с шириной спектра принимаемого
сигнала.
Определимся с количеством преобразований частоты. Два преобразования улучшит
избирательность по зеркальному каналу приема, но нельзя забывать, что это
неизбежно приведёт к усложнению схемы приёмника. Более того, появятся
дополнительные каналы приёма на второй промежуточной частоте, поэтому
целесообразно применить одно преобразование частоты. Структурная схема
супергетеродинного приемника с одинарным преобразованием частоты приведена на
рисунке 2.1.
Рисунок 2.1 - Структурная схема супергетеродинного приёмника с одинарным
преобразованием частоты
Исходя из режима работы приёмника: F3Е - телефония при частотной
модуляции с приёмом на слух, делаем вывод, что после усилителя промежуточной
частоты необходим частотный детектор с усилителем звуковой частоты. Основываясь
на всём выше изложенном, составим примерную функциональную схему
разрабатываемого приёмника рисунок 2.2.
Рисунок 2.2 - Функциональная схема приёмника
Исходя из функциональной схемы, приемник работает следующим образом:
принятый антенной сигнал селектируется входной цепью (ВЦ) усиливается в
усилителе радиочастоты (УРЧ), помимо этого во ВЦ и УРЧ обеспечивается
избирательность по зеркальному каналу, комбинационным каналам и каналу прямого
прохождения. Далее в смесителе (См) происходит перенос сигнала на промежуточную
частоту (выделяется промежуточная частота). Сигнал на промежуточной частоте
фильтруется селективной системой усилителя промежуточной частоты (УПЧ) (эта
цепь отвечает за избирательность по соседнему каналу). После сигнал поступает
на детектор, где происходит его детектирование, усиливается в усилителе
звуковой частоты и передаётся в нагрузку (громкоговоритель).
Согласно требованиям изложенным в Государственных стандартах (ГОСТ
5651-82 Устройства радиоприёмные бытовые и ГОСТ 176 92-80 Приёмники
радиовещательные автомобильные, общие технические условия), стационарные и
переносные приёмники подразделяются на четыре группы сложности (0 - высшая,
1,2,3), автомобильные приёмники - на три группы (1,2,3). Рассмотрение
требований ТЗ к основным параметрам приёмника (нестабильности частоты,
чувствительности, избирательности и динамическому диапазону) показывает, что
проектируемый приёмник можно отнести к приёмникам 2-го класса.
2.2 Разбивка общего диапазона рабочих частот на поддиапазоны
Разбивка на поддиапазоны должна обеспечить допустимую погрешность
установки частоты и возможность реализации коэффициентов перекрытия
поддиапазонов Кпд с помощью реальных средств перестройки приемника
(варикапов, конденсаторов переменной емкости и т.д.).
Выбор допустимых значений коэффициентов перекрытия осуществляется в
соответствии с данными таблицы 2.1 [1].
Порядок разбивки следующий:
из таблицы 1 согласно диапазону рабочих частот приемника и классу его
сложности выбираем ориентировочный коэффициент перекрытия первого поддиапазона
Кпд.0=1,4 (он будет максимальным по сравнению с коэффициентами
перекрытия других поддиапазонов) и рассчитываем диапазон его частот fпд.0:
Таблица 2.1
Допустимые значения коэффициента перекрытия
|
Участок спектра радиочастот
|
Значения Кпд в приемниках
|
|
класса 1
|
класса 2
|
класса 3
|
|
100 кГц и менее
|
2,5…3,00
|
2,50…3,20
|
2,50…3,50
|
|
100…1500 кГц
|
2,00…3,00
|
2,50…3,00
|
2,50…3,00
|
|
1,5…6 МГц
|
1,50…2,50
|
1,70…2,50
|
1,80…2,80
|
|
6…30 МГц
|
1,10…1,70
|
1,40…2,00
|
1,50…2,50
|
|
30…300 МГц
|
1,05…1,20
|
1,05…1,40
|
1,10…1,50
|
fпд.0 = (Кпд.0 - 1)fc.min (2.1)
рассчитываем необходимое число поддиапазонов nпд и округляем его до ближайшего большего целого:
nпд ³ (fc.max - fc.min) / fпд.0 (2.2)
Следовательно,
разбивку на поддиапазоны делать не надо.
Значение
коэффициента перекрытия поддиапазона позволяет выбрать способ перестройки
преселектора (таблица 2.2).
Для
перестройки контуров преселектора выбираем варикапы, поскольку они обеспечивают
коэффициент перекрытия 1,3…1,5. Применение варикапов позволяет легко
осуществить дистанционное управление перестройкой приёмника, снизить его вес,
габариты и стоимость в целом.
Таблица 2.2
Выбор способа перестройки преселектора
|
Элемент перестройки
|
Максимальный коэффициент перекрытия элемента перестройки
Кпд.max
|
|
Конденсатор переменной емкости
|
2,5…3,0
|
|
Катушка переменной индуктивности
|
1,4…1,5
|
|
Варикап
|
1,3…1,5
|
|
Реактивная лампа
|
1,1…1,2
|
|
Реактивный транзистор
|
1,1…1,15
|
2.3 Предварительный
расчет полосы пропускания приемника
Ширина полосы пропускания линейного тракта П определяется реальной
шириной спектра радиочастот принимаемого сигнала ПС, доплеровским
смещением частоты сигнала fД и запасом полосы ПНС,
зависящим от нестабильности частот принимаемого сигнала и гетеродина приемника,
погрешностей в настройке отдельных контуров и всего приемника по формуле:
. (2.3)
Величина
ПНС определяется из выражения:
, (2.4)
где dСfС и dГfГ - нестабильности частот сигнала fС и гетеродина fГ соответственно;
dНfН - относительная погрешность настройки приёмника;
dПРfПР - относительная погрешность и
нестабильность частоты настройки контуров тракта ПЧ fпр.
По таблице 1.1 из [3] определяем абсолютную нестабильность частоты
сигнала dСfС. Для этого полагаем, что передатчик имеет кварцевую
стабилизацию частоты и относительную нестабильность по частоте 10-6,
тогда абсолютная нестабильность будет равна
.
Полагаем, что гетеродин приёмника будет строится на основе цифрового
частотного синтезатора с ФАПЧ. Выберем значение относительной нестабильности гетеродина
равное 10-5. Частота гетеродина при fпр = 10,7 МГц равна:
fГ= fcmax + fпр , (2.5)
Тогда подставляя (2.5) в выражение определяющее нестабильность частоты
гетеродина получим:
.
Выбираем
максимальную частоту fcmax, намеренно завышая погрешность настройки. Погрешность
настройки тракта промежуточной частоты полагаем равной нулю. Так как у нас в
качестве гетеродина используется синтезатор частоты, то настройка на частоту
осуществляется дискретно с заданным шагом. Примем шаг настройки частоты
синтезатора равным 1кГц. Учтём этот шаг в погрешности настройки, то есть
добавим 1кГц. к результирующей полосе пропускания приёмника.
Тогда из формулы (2.4) получим:
.
Определим индекс модуляции:
, (2.6)
где
fm max - максимальная девиация частоты.
Тогда
из (2.6) получаем:
.
При
М<4 ширина спектра радиочастот принимаемого сигнала
определяется по формуле:
, (2.7)
.
Определим результирующую ширину полосы пропускания ЛТП по формуле (2.3).
Примем, что fд=0:
.
2.4 Оценка целесообразности применения АПЧ
Системы АПЧ гетеродина приемника применяют чаще всего для уменьшения
отклонений промежуточной частоты от номинального значения, обусловленных
нестабильностью частот передатчика и (или) гетеродина, когда полоса пропускания
приемника, выбранная с учетом этих нестабильностей, значительно шире
оптимальной (выбранной исходя из требуемой чувствительности приемника и
допустимого уровня искажений принимаемого сигнала). У нас в качестве гетеродина
будет использоваться синтезатор частоты с ФАПЧ, реализованный на микросхеме
КФ1015ПЛ2 и работающий в диапазонах KB, УКВ и СВЧ [см. приложение А].
.5 Обеспечение заданной чувствительности приемника
Выбор типа и схемы преселектора определяется в первую очередь допустимым
коэффициентом шума приёмника NД
.
В диапазоне УКВ реальная чувствительность практически не зависит от
внешних помех и обусловлена внутренними шумами. В диапазонах метровых и более
коротких волн для достижения требуемой чувствительности с входа внешней антенны
ЕАО, коэффициент шума приёмника не должен превышать значения NД.
Т. к. коэффициент шума приёмника растёт с увеличением частоты, вычислять его
следует на максимальной частоте сигнала, если реальная чувствительность задана
в виде величины ЭДС ЕА сигнала в антенне:
, (2.8)
где ПШ - шумовая полоса тракта (ПШ≈1,1П);
-
постоянная Больцмана (
Дж/град);
-
стандартная температура приемника (
);
-
минимально допустимое отношение эффективных напряжений сигнал/помеха на входе
приемника;
hД - действующая высота приёмной
антенны;
RА - внутреннее сопротивление приёмной
антенны;
ЕП - напряжённость поля внешних помех.
Параметры антенны hД и RА выбираются из таблицы 2.3[4].
Таблица 2.3
Типовые характеристики антенн в зависимости от их вида
|
Тип антенны
|
Диапазон
|
hД, м
|
RА, Ом
|
|
Внешняя
|
ДВ, СВ, КВ
|
3-6
|
150-400
|
|
Штыревая длиной l
|
КВ
|
~0,5
|
60-120
|
|
Автомобильная
|
ДВ, СВ, КВ
|
~0,5
|
60-120
|
|
Магнитная
|
ДВ, СВ
|
(1,5-8)10-3
|
10-20
|
|
Штыревая
|
УКВ
|
0,5
|
20-30
|
* Примечание: l - длина антенны.
Так как наш приёмник работает в диапазоне УКВ, то выберем hД=0,5м. и RА=30 Ом.
Напряженность поля внешних помех ЕП определяется из графика на
рисунке 2.2[4].
Исходя из данного графика имеем ЕП = 8 мкВ/м.
Рисунок 2.3 - Зависимость напряженности поля от частоты
Отношение сигнал/помеха
вычислим по следующей формуле [4]:
, (2.9)
где
= 26 дБ (20 раз) - минимально допустимое отношение
сигнал/помеха на выходе приёмника при ЧМ;п =
- пик-фактор модулирующего
сообщения;
Пвых = 1,1 Fв = 1,1∙3,4 = 3,74 кГц - полоса
пропускания УНЧ.
Формула (2.9) справедлива для gвх ³ 10 дБ (3,16 раза). Если получаем gвх < 3,16 раза, то принимаем gвх = 3,16.
Тогда:
(раз),
Следовательно из (2.8) допустимый коэффициент шума приёмника равен:
Так как чувствительность меньше нуля, то это означает, что она ограничена
только внешними помехами.
Для большей точности вычислим NД без учёта внешних помех,
тогда в формуле (2.8) исключим из числителя второе слагаемое. Тогда получим,
что NД:
Рассчитаем
коэффициент шума приемника без учета внешних помех. Для этого ограничимся
учетом шумов входной цепи, усилителя радиочастоты и смесителя, так как именно
они определяют в основном коэффициент шума в приемнике.
Коэффициент
шума
определяется следующим соотношением [4]:
, (2.10)
где
- коэффициент шума входной цепи;
-
коэффициент шума УРЧ;
-
коэффициент шума смесителя;
-
коэффициент передачи входной цепи;
-
коэффициент передачи УРЧ.
Зададимся
предварительными шумовыми параметрами каскадов приемника.
Пусть
коэффициент передачи входной цепи
равен
0,5. Тогда
(2.11)
Коэффициент
шума УРЧ и смесителя определяется коэффициентом шума используемого элемента.
Усилитель радиочастоты и смеситель реализованы на ИМС К174ПС1. Её коэффициент
шума при нормальных условиях эксплуатации не превышает 8дБ, а коэффициент
передачи по мощности не менее 20дБ. [см. приложение Б].
Таким образом, подставляя полученные значения в (2.10), получим:
Посчитанный
нами коэффициент шума приёмника не превышает допустимого коэффициента шума,
следовательно, требуемая чувствительность со входа внешней антенны реализуется.
Зная коэффициент шума Ш0 определим чувствительность приёмника
по формуле Найквиста:
, (2.12)
где q - отношение сигнал/шум для ЧМ приемника;
П - полоса пропускания;
-
постоянная Больцмана;
-
температура.
Отношение
сигнал/шум примем равным 26дБ (398 раз по мощности). Подставляя в (2.12)
полученные значения, получим:
Для
того чтобы максимальная мощность отдавалась в нагрузку, должно выполняться
условие равенства внутреннего сопротивления антенны и сопротивления нагрузки
.
Таким образом, формула для минимальной мощности принимаемого сигнала:
(2.13)
где
- входное сопротивление [3];
-
чувствительность приёмника.
Из
(2.13) чувствительность равна:
что удовлетворяет требованиям, предъявленным в техническом задании.
.6 Выбор
средств обеспечения избирательности приёмника
.6.1 Выбор
средств обеспечения избирательности по зеркальному каналу и каналу прямого
прохождения
В супергетеродинных приёмниках частотная избирательность определяется в
основном ослаблением зеркального и соседнего каналов. В приёмнике с одинарным
преобразованием частоты ослабление зеркального канала обеспечивает преселектор,
ослабление соседнего канала - в основном УПЧ и частично преселектор.
Резонансные характеристики преселектора и УПЧ должны быть такими, чтобы
линейный тракт (преселектор и УПЧ с преобразователем частоты) обладал полосой
пропускания не меньше заданной П.
Промежуточная частота должна лежать вне диапазона принимаемых частот. Из
этих соображений выбираем стандартную промежуточную частоту для УКВ равную
10,7МГц.
В профессиональных приемниках применяется как суммарное (fпр= fг+fс), так и разностное (fпр= fс-fг) или (fпр= fг-fс) преобразование сигнала, в том числе многократное.
Остановимся на разностном преобразовании сигнала (fпр= fг-fс) с верхней настройкой гетеродина для повышения стабильности
его частоты.
Для выбора средств обеспечения избирательности по зеркальному каналу и
каналу прямого прохождения воспользуемся методикой из [3, с. 18].
Выберем простейшую структуру преселектора и определим ее избирательность
по зеркальному каналу. Избирательность необходимо определять на максимальной
частоте диапазона, т.е. в худших условиях.
Вначале находим обобщенную расстройку зеркального канала:
, (2.15)
где
- промежуточная частота;
-
частота сигнала (
);
-
эквивалентное затухание.
Эквивалентное
затухание выберем из таблицы 2.4[3].
Таблица 2.4
Эквивалентное затухание контура
|
Диапазон волн
|
ДВ
|
СВ
|
КВ
|
МВ
|
|
d
|
0,02 - 0,0125
|
0,0125- 0,008
|
0,006 - 0,005
|
0,01 - 0,005
|
Возьмем
, тогда обобщенная расстройка по зеркальному каналу из
(2.15) будет равна:
(раз),
.
Затем
восстанавливаем перпендикуляры к оси абсцисс рисунок 2.4[3,с.21, рис.1.7] в
точках с подсчитанными значениями
и при
пересечении с графиком 3 находим значение
.
Рисунок 2.4 - Нормированные частотные характеристики преселекторов
схем 1-6 для больших обобщенных расстроек
У
нас получилось
=65 дБ, что соответствует требованиям ТЗ, значит, мы
можем реализовать преселектор по простейшей схеме. Возьмем преселектор который
содержит два одиночных колебательных контура (К), настроенных на одну частоту
(один контур в ВЦ и один в УРЧ).
Рисунок 2.5 - Типовая структурная схема преселектора приёмника
умеренно высоких частот
Для выбранной схемы преселектора рассчитаем избирательность по каналу
прямого прохождения, найдем обобщенную расстройку:
. (2.16)
Тогда из (2.16) получим:
(раз),
.
Избирательность
по промежуточному каналу удовлетворяет условиям, поставленным в техническом
задании.
2.6.2
Определение избирательности по соседнему каналу
Имеется два способа обеспечения избирательности по соседнему каналу:
применение УПЧ с распределенной избирательностью и с сосредоточенной
избирательностью. При втором способе избирательность обеспечивается фильтром
сосредоточенной избирательности (ФСИ), а усиление - стоящими за ним слабо
избирательными или апериодическими каскадами УПЧ. Использование ФСИ
предпочтительнее, так как[3]:
- упрощается производство функциональных узлов приемника;
- становится возможным применение в качестве УПЧ микросхем;
- уменьшается влияние разброса параметров транзисторов и их
нестабильности на амплитудно-частотную характеристику приемника;
- при том же количестве избирательных систем, возможно,
реализовать приемник с большей избирательностью;
- повышается реальная избирательность приемника, так как
снижаются нелинейные помехи перекрестной модуляции и взаимной модуляции.
Применение УПЧ с распределенной избирательностью может быть целесообразно
в широкополосных приемниках, когда отсутствуют необходимые ФСИ или трудно
получить необходимое усиление, используя апериодические каскады.
Для выбора средств обеспечения избирательности по соседнему каналу
воспользуемся методикой из [3].
Опыт показывает, что построение качественных ФСИ возможно, если:
, (2.17)
где
- затухание резонаторов, составляющих фильтр. Смысл
этого неравенства заключается в том, что для реализации фильтра с достаточной
прямоугольностью и крутизной скатов характеристики необходимо реализовать
полосу большую, чем полоса отдельного резонатора.
Выбираем
=0,01 и проверяем выполнение неравенства (2.17):
П<
Неравенство не выполняется, поэтому фильтр на LC-элементах нецелесообразно применять.
Зная
МГц; П=27,419 кГц, расстройку соседнего канала
fЧМ=50 кГц и требуемую избирательность,
выберем готовый пьезокерамический фильтр. Анализируя основные параметры
пьезокерамических фильтров, находим, что нам подходит фильтр ФП2П4-627, который
обеспечивает полосу пропускания 28 кГц и избирательность по соседнему каналу не
менее 70 дБ. [см. приложение В].
.7 Выбор детектора
Детектор построен на базе микросхемы К174УР3[см. приложение Г], в состав
которой входят рисунок (2.6): ограничитель амплитуды, частотный детектор и
предварительный усилитель звуковой частоты. Сигнал с выхода фильтра
промежуточной частоты поступает на вход частотного детектора на микросхеме
К174УР3.
Рисунок 2.6 - Структурная схема ИМС К174УР3
Назначение выводов ИМС К174УР3 представлено на рисунке 2.7:
Рисунок 2.7 - Назначение выводов ИМС К174УР3
ИМС К174УР3 содержит усилитель-ограничитель промежуточной частоты А1,
частотный детектор U1,
предварительный усилитель звуковой частоты A2. Последний имеет электронный аттенюатор, позволяющий
дистанционно регулировать уровень выходного сигнала.
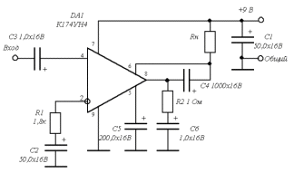
Типовая схема включения детектора приведена на рисунке 2.8.
Работа
ЧД основана на преобразовании частотно-модулированного колебания (ЧМК) в
колебание с частотно-фазовой модуляцией (ЧФМК) и последующего фазового
детектирования путем перемножения принятого и преобразованного колебаний. Роль
преобразователя ЧМК в ЧФМК выполняет параллельный фазосдвигающий контур L2,C6 и
два конденсатора малой емкости C5 и С7, обеспечивающие начальный фазовый сдвиг
между
и
, равный
. Контур
настроен на промежуточную частоту fПЧ. Его ФЧХ вблизи резонансной
частоты практически линейна.
Рисунок 2.8 - Типовая схема включения детектора ИМС К174УР3
2.8 Расчёт
требуемого усиления линейного тракта
Необходимое усиление сигналов в линейном тракте следует обеспечить при
достаточной устойчивости каскадов (возможно меньшем их числе). При выборе
средств обеспечения чувствительности и избирательности приемника были
определены: схема входной цепи; число каскадов преселектора; схема и число
каскадов УПЧ, необходимых для обеспечения избирательности.
Найдем коэффициент усиления линейного тракта приемника КЛТ по
формуле:
,(2.18)
где
- амплитуда сигнала на входе линейного тракта
приемника;
-
амплитуда сигнала на выходе линейного тракта приемника;
Формулу
(2.18) можно преобразовать к выражению:
(2.19)
где
ЕА - чувствительность приемника.
Для
обеспечения линейного детектирования напряжение на входе диодного детектора
должно составлять 0,5 В. В нашем случае, усилитель-ограничитель, синхронный
демодулятор и предварительный усилитель НЧ присутствуют в одном корпусе
микросхемы К174УР3. На входе микросхемы напряжение должно составлять
=100 мкВ [см. приложение Г]
Из
формулы (2.19) получим:
(раз),
Коэффициент
передачи одноконтурной ВЦ:
, (2.20)
где kПД - коэффициент перекрытия
поддиапазона.
KПД=1,4. Таким образом, из формулы
(2.20), коэффициент передачи одноконтурной входной цепи равен:
Распределим
усиления линейного тракта приемника по каскадам:
Коэффициент
передачи КВЦ = -2,5 дБ.
Минимальное
значение входного напряжения ВЦ:
UВХ.МИН
=
=5мкВ; UВЫХ.ВЦ=3,75 мкВ;
КУРЧ
= 20 дБ; UВЫХ.УРЧ=37,5 мкВ;
Ксм
= 10 дБ ; UВЫХ.СМ=118,5 мкВ;
КФПЧ
= -10 дБ; UВЫХ.ФПЧ=37,4 мкВ;
КУПЧ
= 20 дБ; UВЫХ.УПЧ=374,5 мкВ.
Так
как ИМС К174УР3 (на которой строится детектор) работает при входном напряжении
от 100 мкВ, достаточно одного каскада УПЧ. При этом напряжение на входе ЧД
составляет 374,5 мкВ.
2.9 Выбор
низкочастотного тракта приемника и его параметров
Продетектированный сигнал звуковой частоты поступает на усилитель
звуковой частоты, собранный на микросхеме К174УН4 [см. приложение Д], где
сигнал усиливается до уровня Pвых=100мВт. Уровень усиления регулируется
резистором, стоящим на входе УЗЧ. Усиленный сигнал поступает в
громкоговоритель. Возьмем типовое значение сопротивления нагрузки для
громкоговорителя равное 8Ом. Из характеристик ИМС К174УН4 номинальная выходная
мощность равна 1Вт[1]. Тогда:
(2.21)

2.11 Выбор
характеристик узлов приемника
Для выбранной схемы преселектора рассчитаем добротность и полосу
пропускания для ВЦ и УРЧ. Из таблицы 2.5 выбираем значение добротностей
контуров ВЦ и УРЧ QВЦ = QУРЧ = 100.
Таблица 2.5
Примерные значения добротностей контуров
Рассчитаем полосу пропускания для ВЦ и УРЧ, исходя из того, что
центральную частоту примем:
. (2.22)
Тогда
полоса пропускания соответственно будет вычисляться по формуле:
. (2.23)
Подставляя
в формулы (2.22) и (2.23) значения вычисляем:
Поскольку
коэффициент перекрытия по диапазону КПД = 1,03 и диапазон сигнала
отличается от полосы пропускания
и
, сделаем
вывод, что перестройку будем делать в контуре входной цепи и усилителя
сигнальной частоты.
Охарактеризуем
также усилители промежуточных частот.
Для
усилителя центральной частотой является
.
Добротность для этого контура выбираем из таблицы 2.5, учитывая необходимый
диапазон частот: QУРЧ = 90.
Тогда соответственно получаем полосу пропускания УПЧ:
.
2.12 Результаты
расчета и формулировка требований к отдельным узлам приемника
В результате расчета структурной схемы проектируемого приёмника к
отдельным узлам выдвинуты следующие требования:
Входная цепь
Однодиапазонная, перестраиваемая, работает в диапазоне частот 56,5-58
МГц.
Вид связи с антенной - трансформаторная
Эквивалентная добротность контура - 100
УРЧ
Перестраиваемый
Выполнен на микросхеме К174ПС1
Коэффициент шума - не более 8 дБ
Коэффициент передачи - не менее 20 дБ
Эквивалентная добротность контура - 100
Питание +9 В
Смеситель
Выполнен на ИМС К174ПС1.
Коэффициент передачи - не менее 10 дБ
Коэффициент шума - не более 8,5 дБ
Питание +9 В
Гетеродин
Для
обеспечения заданной нестабильности частот гетеродина (
) целесообразно выполнить его на ИМС КФ1015ПЛ2 [5].
Микросхемы КФ1015ПЛ2 предназначены для построения современных цифровых
синтезаторов частоты с системой ФАПЧ, работающих в диапазонах KB,
УКВ и СВЧ. Так как приемник является перестраиваемым, и используется верхняя
настройка частоты, то следует настроить гетеродин на частоту 68,7 МГц.
ФСС
Промежуточная
частота fПР = 10,7 МГц
Полоса
пропускания по уровню -3дБ - менее 28 кГц
Затухание
в полосе пропускания - более 3 дБ
Избирательность
при отстройке 50 кГц - не менее 50 дБ
УПЧ
Выполнен
на К174ПС1
Коэффициент
шума - не более 8 дБ
Коэффициент
передачи - не менее 20 дБ
Эквивалентная
добротность контура - 90
Питание
+9 В
Детектор
ЧМ сигнала
Выполнен
на ИМС К174УР3
Коэффициент
подавления паразитной амплитудной модуляции не хуже 40 дБвх.max = 300 мВвх.min
=100 мкВвых.нч. =80 мВ
Питание
+6 В
Усилитель
звуковой частоты
Выполнен
на ИМС К174УН4А
Рном=1Вт
RВХ=10кОм не менее
RВЫХ=8Ом
Питание
+9 В
схемотехнический модель
радиоприемный устройство
3.
СОСТАВЛЕНИЕ ПОЛНОЙ ПРИНЦИПИАЛЬНОЙ СХЕМЫ ПРИЕМНИКА И РАСЧЕТ ОТДЕЛЬНЫХ ЕЕ УЗЛОВ
3.1 Расчет
входной цепи
Преселектор - часть РПрУ, связывающая антенно-фидерную систему со входом
первого каскада усилителя радиочастоты. Предназначен для выделения принимаемого
сигнала из всей совокупности сигналов, поступающих в антенну и передачи энергии
полезного сигнала ко входу первого каскада с наименьшими потерями и
искажениями.
Расчет принципиальной схемы начнем с расчета преселектора. Приведем
основные требования к входной цепи:
- обеспечение работы в диапазоне 56,5 - 58 МГц
- обеспечение заданной избирательности по зеркальному (σзк = 50 дБ) и прямому (σпр =50 дБ) каналам прохождения помехи.
- конструктивная добротность контура Qк=180
- эквивалентная добротность контура Qэкв=100
- активное сопротивление антенны Rант = 30 Ом
- входное сопротивление нагрузки входной цепи (УРЧ) Rвх.УРЧ = 1,5 кОм.
- входная ёмкость нагрузки Свх.УРЧ = 10 пФ.
На рисунке 3.1 изображена принципиальная схема входной цепи.
Проведенный анализ функциональной схемы показывает, что входную цепь
необходимо взять одноконтурной, перестраиваемой.
В проектируемом приёмнике используется настроенная антенна. В этом случае
для стабилизации значения резонансного коэффициента передачи входной цепи в рабочем
диапазоне частот целесообразно использовать трансформаторную связь входной цепи
с антенной в режиме удлинения антенной цепи и автотрансформаторную связь с
последующим каскадом (УРЧ). Перестройка входной цепи осуществляется с помощью
двух варикапов в встречно-последовательном включении (для исключения
возможности влияния мощных сигналов на параметры входной цепи).
Рисунок 3.1 - Принципиальная схема входной цепи
Общая ёмкость контура входной цепи Ск определяется ёмкостью
последовательно включенных варикапов Cвар,
ёмкостью подстроечного конденсатора C1 и паразитной вносимой ёмкостью Свнос:
Ск = Свар + С1 + Свнос. (3.1)
Вносимая в контур ёмкость Свнос может быть определена по
формуле:
Свнос = m2Cант + СL + Cм + n2Cвх.УРЧ, (3.2)
где m - коэффициент связи входной цепи с
антенной;
n -
коэффициент связи входной цепи с УРЧ;
СL - ёмкость контурной катушки
индуктивности;
См - ёмкость монтажа.
При конструктивной добротности контура Qк=180 для получения эквивалентной добротности Qэкв=100 необходимо применить малые
значения коэффициентов связи входной цепи с антенной и нагрузкой. При ориентировочных
значениях m=n=0,1 и типовых значениях CL=2 пФ, См=3 пФ общая
вносимая в контур ёмкость из формулы (3.2) составит:
Cвнос = 2 + 3 + 0,1´10 =6 пФ.
Для
точной подстройки контура на рабочий диапазон частот предназначен подстроечный
конденсатор С1, ёмкость которого составляет 5…25 пФ (среднее значение ёмкости
С1ср=
»11 пФ).
Для
рабочего диапазона частот типовое значение общей ёмкости контура составляет
50…70 пФ. Пусть на нижней рабочей частоте общая ёмкость контура будет равна Cк.макс=60 пФ. При этом максимальная ёмкость используемых
варикапов должна составлять
Свар.макс = Ск.макс - Свнос - С1ср
, (3.3)
Свар.макс= 60 - 6 - 11=43 пФ.
Так как в контуре используется встречно-последовательное включение
варикапов, то ёмкость каждого из них должна быть в два раза больше
рассчитанной: Свар.1.макс = 2Свар.макс = 86 пФ.
Требуемый коэффициент перекрытия рабочего диапазона частот, который
должен быть обеспечен используемыми варикапам, равен
, (3.4)
.
А
минимальная ёмкость контура на верхней рабочей частоте:
Ск.мин
= Ск.макс/
, (3.5)
При этом минимальная общая ёмкость последовательно включенных варикапов
должна быть равна
Свар.мин = Ск.мин - Свнос - С1ср
, (3.6)
Свар.мин= 56,5 - 6 - 11 = 39,5 пФ.
Ёмкость каждого из варикапов в отдельности
Свар.1.мин = 2Свар.мин = 79 пФ.
Таким образом, во входной цепи необходимо использовать варикапы, которые
обеспечат коэффициент перекрытия по ёмкости
Кс.вар= Свар.1.макс/Свар.1.мин = 86/79 » 1,1.
В проектируемом приёмнике для перестройки входной цепи будут использованы
варикапы КВ142А со следующими параметрами:
номинальная ёмкость (при Uобр.ном=1 В) Свар.ном=230 пФ;
добротность Qвар³300;
коэффициент перекрытия по ёмкости Кс.вар= 23;
максимальное обратное напряжение Uобр.макс= 30 В.
Использование варикапов КВ142А, которые имеют значительный запас по
коэффициенту перекрытия по ёмкости, позволит использовать напряжение настройки
до +12В (напряжение питания приёмника) и отказаться от необходимости применения
дополнительного стабилизированного источника более высокого постоянного
напряжения.
Типовая зависимость ёмкости варикапа Свар от обратного
напряжения Uобр определяется формулой
,(3.7)
Где n=
,
С0=Свар.ном´(+Uобр.ном)n,
= 0,8 В
для кремниевых варикапов.
Зависимость ёмкость варикапа КВ142А от обратного напряжения,
рассчитанная по формуле (3.7), показана на рисунке 3.2.
Рисунок 3.2 - Зависимость ёмкости варикапа КВ142А от значеня обратного
напряжения
Из рисунка 3.2 графическим методом можно определить, что требуемое
значение ёмкости каждого варикапа Свар.1.макс=86 пФ будет обеспечено
при обратном напряжении Uобр.мин»3,7В, а Свар.1.мин=79 пФ -
при Uобр.макс»4,2В. Таким образом, диапазон
изменения напряжения настройки составит 3,7…4,2В. и не превысит напряжения
источника питания +12В.
Индуктивность катушки L2
может быть найдена из формулы Томпсона:
, (3.8)
Для
обеспечения режима удлинения антенны резонансная частота антенной цепи fант должна быть меньше нижней частоты рабочего диапазона:
fант
< (0,5…0.7)fмин , (3.9)
fант» 28,25…39,55 МГц.
Пусть fант=33,9 МГц, тогда индуктивность
катушки связи должна быть равна
, (3.10)
Коэффициент
связи m между катушками L1 и L2
выбирается исходя из следующих четырех условий.
Во-первых,
коэффициент связи должен обеспечивать расстройку контура антенной не более
допустимой:
m £ mf »
, (3.11)
m £ mf »
.
Во-вторых,
коэффициент связи не должен превышать половины своего значения при
согласовании:
mcогл =
, (3.12)
где Qант- эквивалентная добротность антенной
цепи с учетом удлиняющей катушки L1.
Qант»
, (3.13)
Qант»
.
Подставляя
эквивалентную добротность антенной цепи в формулу (3.12), рассчитаем
коэффициент связи при согласовании mcогл:
mcогл =
»0,075,
В-третьих,
коэффициент связи должен обеспечивать уменьшение добротности контура до уровня
не ниже (1,1…1,3)Qэкв:
m£
, (3.14)
где Gант=1/Rант=1/30 » 33
мСм - активная проводимость антенны;
- характеристическое сопротивление контура.
Ввиду небольшого коэффициента перекрытия диапазона Кf»1,03 дальнейшие расчеты проводятся на
средней частоте настройки контура. При этом общая емкость контура равна:
Cк=
, (3.15)
Cк=
пФ.
Характеристическое сопротивление контура составит:
, (3.16)
Ом.
Таким
образом, коэффициент связи не должен превышать по формуле (3.14):
m£
В-четвертых, коэффициент связи не должен превышать максимального
конструктивного значения: 0,25…0,3 для однослойных катушек на цилиндрическом
каркасе, 0,35…0,5 для многослойных катушек, 0,8…0,9 при намотке витков катушки
связи между витками контурной катушки.
Таким образом, для соблюдения всех вышеперечисленных требований
коэффициент связи входной цепи с антенной в проектируемом приёмнике можно
принять равным m=0,03.
Коэффициент связи входной цепи с нагрузкой (УРЧ) рассчитаем исходя из
требуемого значения эквивалентной добротности контура и условия согласования
контура с нагрузкой.
Проводимость ненагруженного контура
, (3.17)
Требуемая проводимость нагруженного контура (при которой будет обеспечена
эквивалентная добротность Qэкв=100) составляет:
, (3.18)
Проводимость
нагруженного контура определяется следующим выражением:
Gк.экв
= Gк + m2Gант+ n2Gвх.УРЧ, (3.19)
Где
Gвх.УРЧ=1/Rвх.УРЧ=1/1500 » 0,667 мСм
входная проводимость следующего каскада (УРЧ).
Определим коэффициент связи с нагрузкой n, при котором будет получена требуемая эквивалентная
добротность контура:
, (3.20)
Определим
коэффициент связи с нагрузкой nсогл, при
котором обеспечивается согласование со следующим каскадом по входу (равенство
вносимой входной проводимости следующего каскада n2Gвх.УРЧ и проводимости контура, нагруженного только выходной
проводимостью УРЧ Gк + m2Gант):
, (3.21)
.
Так
как nсогл>nQ, то при выполнении условия согласования входной цепи с нагрузкой
эквивалентная добротность контура будет ниже требуемой.
Коэффициент
связи входной цепи с нагрузкой выбираем равным n=0,3 исходя из
обеспечения требуемой эквивалентной добротности.
Таким
образом, рассчитанная входная цепь обеспечивает перестройку в диапазоне 56,5…58
МГц с использованием варикапов КВ142А (напряжение настройки варикапов
изменяется в пределах 3,7…4,2 В). При коэффициенте связи с антенной m=0,03
и коэффициенте связи с УРЧ n=0,3 эквивалентная добротность контура входной цепи
составит 100.
3.2 Расчет
усилителя радиочастоты
В проектируемом приемнике целесообразно построить УРЧ на базе ИМС
К174ПС1. Схема УРЧ представлена на рисунке 3.3.
Проведем расчет элементов схемы и характеристик УРЧ.
Исходными данными являются:
рабочий диапазон fc.min…fc.max=56,5..58 МГц;
требуемая эквивалентная добротность контура Qэкв=100;
собственная конструктивная добротность контура Qк=180.
Рисунок 3.3 - Усилитель радиочастоты на базе ИМС К174ПС1
Определим по справочным данным К174ПС1 [см. приложение Б] ее основные
характеристики в данном диапазоне частот (»50 МГц) при Uи.пит=+9В:
- крутизна передаточной характеристики Y21=30 мСм;
выходное сопротивление rвых=140 кОм;
выходная емкость Свых=3 пФ;
проходная емкость Спрох=0,02 пФ;
входное сопротивление rвх=0,5 кОм.
При использовании в качестве преобразователя частоты (который является
нагрузкой рассчитываемого УРЧ) также ИМС К174ПС1 входные характеристики
следующего каскада в этом же частотной диапазоне будут равны:
входное сопротивление rвх=0,5 кОм;
входная емкость Cвх не более 20 пФ.
В данной схеме используется симметричное включение нагрузки DA1 (напряжение питания +12В подается в
среднюю точку катушки связи L1),
что позволит получить больший коэффициент усиления по сравнению с типовой
схемой включения. В схеме используется трансформаторная связь колебательного
контура с выходом ИМС и автотрансформаторная связь с нагрузкой
(преобразователем частоты). Контур состоит из катушки индуктивности L2,
подстроечного конденсатора C3
двух варикапов VD1, VD2 (КВ142А) в
встречно-последовательном включении. Напряжение настройки подается на варикапы
через токоограничивающий резистор R2. Подстроечный резистор R1
служит для коррекции режима работы DA1 и для повышения крутизны передаточной характеристики. Конденсаторы С1,
С2 - разделительные. В УРЧ отсутствует АРУ, поэтому вывод 13 DA1 необходимо подключить к общему
проводу, а вывод 11 - оставить неподключенным, что обеспечит максимальный
коэффициент передачи).
Выбранное схемное решение позволит использовать в УРЧ избирательную
систему, аналогичную колебательному контуру ВЦ. Возможное незначительное
различие частоты настройки контура из разного значение вносимых в контур
паразитных ёмкостей может быть скомпенсировано за счет изменения ёмкости
подстроечного конденсатора С3.
Резонансная система УРЧ аналогична колебательному контуру ВЦ:
индуктивность катушки L2 cоставляет 0,133 мкГн, ёмкость подстроечного
конденсатора С3 составляет 5…25 пФ (среднее значение 11 пФ), волновое
сопротивление контура ρ=47,8 Ом, собственная добротность Q=180, проводимость потерь
ненагруженного контура Gк»0,116 мСм, требуемая эквивалентная
проводимость потерь Gк.экв»0,209 мСм. Изменение напряжения
настройки варикапов в пределах 3,7…4,2 В обеспечивает перестройку в требуемом
диапазоне частот 56,5…58 МГц.
Так как выходное сопротивление DA1 велико (270 кОм), то возможно использовать максимально достижимый
коэффициент связи между L1 и L2. При использовании однослойной
намотки коэффициент связи можно принять равным m=0,3.
Определим коэффициент связи с нагрузкой n, при котором будет получена требуемая эквивалентная
добротность контура Qэкв=100:
, (3.22)
»0,37.
где gвых=1/rвых »
0,0071 мСм - выходная проводимость ИМС К174ПС1;
gвх.ПЧ=1/rвх.ПЧ »
0,667 мСм - входная проводимость нагрузки УРЧ (преобразователя частоты).
Определим коэффициент усиления УРЧ:
(или 24
дБ). (3.23)
Для ИМС К174ПС1 проходная емкость очень мала (Спрох=С12»0,02 пФ), поэтому достижимый
коэффициент усиления в рабочем диапазоне частот К174ПС1 (до 200 МГц) всегда
превышает устойчивый.
Емкости разделительных конденсаторов С1, С2, С4 составляют 0,1 мкФ,
сопротивление подстроченного резистора R1 - 1 кОм, R2 -
300 кОм.
Таким образом, рассчитанный УРЧ обеспечивает усиление сигнала в 16 раз
(на 24 дБ), перестройку в диапазоне 56,5…58 МГц с использованием варикапов
КВ142А (напряжение настройки варикапов изменяется в пределах 3,7…4,2 В) и
заданную эквивалентную добротность контура Qэкв=100.
3.3 Расчет
частотного детектора
Исходными данными для расчета всех детекторов являются:
значение промежуточной частоты fПЧ=10,7МГц;
значения нижней (FН) и верхней (FВ) частот
модуляции: FB=3400Гц, FH=100Гц;
допустимые амплитудные искажения на нижних и верхних частотах модуляции MН
= MВ = 1,15;
входное сопротивление (RВХ УЗЧ=10кОм) и емкость (CВХ УЗЧ=25пФ)
выбранной ИМС К174УР3[см. приложение Г].
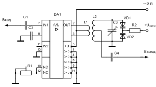
Типовая структура ИМС, выполняющих функции ЧД, (К174УР1, К174УР3, К174ХА6
и др.) включает в себя несколько каскадов усилителя-ограничителя, аналоговый
перемножитель и каскад УЗЧ. На рис.3.4 приведена принципиальная схема
частотного детектора на ИМС К174УР3.
Рисунок 3.4 - Принципиальная схема частотного детектора на ИМС
К174УР3
Работа ЧД основана на преобразовании частотно-модулированного колебания
(ЧМК) в колебание с частотно-фазовой модуляцией (ЧФМК) и последующего фазового
детектирования путем перемножения принятого и преобразованного колебаний. Роль
преобразователя ЧМК в ЧФМК выполняет параллельный фазосдвигающий контур LКC1
и два конденсатора малой емкости C, обеспечивающие начальный фазовый сдвиг
между напряжением между выводами 5 и 3 и напряжением между 2 и 6, равный 2.
Контур настроен на промежуточную частоту fПЧ. Его ФЧХ вблизи
резонансной частоты практически линейна. Для получения требуемой полосы
пропускания контур зашунтирован резистором RШ.
Следует заметить, что функции фазосдвигающей цепи может выполнять и
последовательный колебательный контур, образованный LК и 2C, с
частотой настройки:
(3.24)
В этом случае емкость C1 составляет несколько пикофарад и
включается только для стабилизации собственной емкости катушки LК.
Основной задачей расчета ЧД является определение параметров элементов
фазосдвигающей цепи. Ниже приведен расчет для параллельного колебательного
контура.
Задаемся требуемым значением полосы пропускания эквивалентного контура
FКЭ = (2...3)∙FС, (3.25)
где FС ширина полосы пропускания линейного тракта,
рассчитанная в пункте 2.3.
FКЭ = 3∙27,419∙103=82,257∙103
Гц.
Учитывая, что при увеличении значения FКЭ снижаются
нелинейные искажения сигнала, но одновременно происходит уменьшение крутизны
детекторной характеристики. Определяем требуемое значение добротности
эквивалентного контура:
, (3.26)
Выбираем
емкость конденсатора C1. При fПЧ=10,7 МГц емкость
конденсатора должна составлять 300...470 пФ. Возьмем С1=350пФ. С
учетом влияния емкости монтажа и входной емкости ИМС принимаем значение емкости
контура CК приблизительно на 10...15 пФ больше емкости конденсатора
C1. То есть
Выразим
индуктивность контура LК (3.28) из формулы расчета резонансной
частоты (3.27):
(3.27)

(3.28)
Подставляя значения в формулу (3.28) получим:
Задавшись
конструктивной добротностью контура QК =200, рассчитываем
проводимости:
(3.39)

(3.30)
Определяем
сопротивление шунтирующего резистора
,(3.31)
где
gВХ - проводимость ИМС со входов, к которым подключен фазосдвигающий
контур. Ее значение приблизительно 3
10-5
См.
Подставляя
в формулу (3.31) получим:
Выбираем
значение емкостей последовательных конденсаторов
.(3.32)
Далее рассчитываем параметры цепи коррекции предыскажений (RКЦ,
CКЦ). Принимая сопротивление [1]:
,(3.33)
определяем
(3.34)
где КЦ = 50 мкс - значение постоянной времени
корректирующей цепи в системах радиовещания.
На выходе ИМС помимо низкочастотного сигнала присутствует постоянное
напряжение приблизительно равное половине напряжения питания, поэтому
потенциометр регулятора громкости R2 подключают через разделительный
конденсатор CР1.
Между потенциометром и входом ИМС УЗЧ необходим еще один разделительный
конденсатор CР2.
Задаемся сопротивлением
. (3.35)
Рассчитываем:
(3.36)
(3.37)
Входная
проводимость детектора (
) равна входной проводимости ИМС.
Определяем
из справочных данных на ИМС К174УР3 значение напряжения звуковой частоты на
выходе ЧД (UВЫХ ЧД=100мВ).
Это
напряжение поступает на вход УЗЧ, поэтому UВХ УЗЧ = UВЫХ ЧД.
рассчитываем требуемый коэффициент усиления УЗЧ (KУЗЧ) по формуле
(3.39) (см. формулу (2.21)).
(3.38)
4. РЕЗУЛЬТАТЫ МОДЕЛИРОВАНИЯ ОТДЕЛЬНЫХ УЗЛОВ ПРИЁМНИКА
.1 Результаты моделирования входной цепи
Моделирование осуществляется в программе схемотехнического анализа Micro-Cap 9. Принципиальная схема модели спроектированной
входной цепи представлена на рисунке 3.5.
Рисунок 3.5 - Принципиальная схема модели входной цепи
Принимаемый сигнал от источника ЭДС антенны Ea через активное сопротивление Ra и удлиняющую катушку связи L1 подаётся в колебательный контур входной цепи. Трансформаторная
связь антенной цепи с колебательным контуром выполнена с использованием модели
взаимной индуктивности с коэффициентом связи m=0,03.
Колебательный контур образован катушкой индуктивности L2 (которая разбита на две составные
части L2.1 и L2.2 с целью моделирования автотрансформаторной связи с
нагрузкой), емкостью подстроечного конденсатора C1 и общей ёмкостью двух варикапов VD1 и VD2 во
встречно-последовательном включении).
Напряжение настройки на варикапы подаётся от источника Vn через токоограничивающий резистор R1 и изменяется в пределах 3,7…4,2В.
Сигнал с выхода входной цепи через разделительный конденсатор С2 подаётся
на вход следующего каскада. В качестве нагрузки входной цепи выступают
эквиваленты входного сопротивления и входной ёмкости УРЧ Rn и Сn.
Вносимые в колебательный контур ёмкости монтажа и катушки индуктивности
учтены с помощью дополнительного конденсатора Cvn=5пФ. Отличие значения вносимой ёмкости в модели
входной цепи от расчетного значения вносимой в контур ёмкости (6пФ) объясняется
следующим. При расчете в данном параметре также учитывались ёмкости антенной
цепи и нагрузки, которые в модели входной цепи выполнены в виде отдельных
элементов.
Собственные потери контура учтены с помощью параллельно включенного
резистора Rk с сопротивлением Q = 47,8Ом´180 » 8,6 кОм.
Амплитудно-частотная
характеристика модели входной цепи, полученная с помощью малосигнального
анализа по переменному току (AC Analysis) при напряжении
настройки Uнастр=
» 4В представлена на рисунке 3.5. Анализ полученной АЧХ показал, что
составленная модель имеет следующие характеристики:
- резонансная частота контура57.251 МГц;
резонансный коэффициент передачи 0,847;
полоса пропускания по уровню -3дБ 699,07 кГц;
эквивалентная добротность82.
На рисунке 3.6 показано семейство АЧХ входной цепи, полученное при
изменении напряжения настройки варикапов в пределах Uнастр=3,7…4,2 В с шагом 0,1 В.
На рисунках 3.7 и 3.8 показана избирательность входной цепи по
зеркальному каналу и каналу прямого прохожнения частоты. Из рисунков видно, что
необходимую избирательность, заданную в техническом задании данная входная цепь
обеспечивает.
Рисунок 3.5 - АЧХ модели входной цепи при Uнастр=4В
Рисунок 3.6 - Семейство АЧХ входной цепи при Uнастр=3,7…4,2 В
Рисунок 3.7 - Избирательность по зеркальному каналу

Рисунок 3.8 -
Избирательность по каналу прямого прохождения частоты
.2 Результаты моделирования усилителя радиочастоты
Моделирование осуществляется в программе схемотехнического анализа Micro-Cap 9. Принципиальная схема модели спроектированного
усилителя радиочастоты представлена на рисунке 3.9.
Рисунок 3.9 - Принципиальная схема модели УРЧ
Принятый сигнал из входной цепи (источник напряжения Vin) через разделительный конденсатор С2
подаётся на вход ИМС К174ПС1, нагрузкой которой является катушка связи Lsv2 (которая разбита на две составные
части Lsv2/2 с целью моделирования подключения
источника питания к средней точке катушки связи). Контурная катушка
индуктивности Lk2 (которая разбита на две составные
части Lk21 и Lk22 с целью моделирования автотрансформаторной связи с
нагрузкой), подстроечный конденсатор Ср2 варикапы VD5 и VD6 во
встречно-последовательном включении образуют резонансную систему УРЧ.
Напряжение настройки на варикапы подаётся от источника Vn через
токоограничивающий резистор R5 и изменяется в пределах 3,7…4В.
Сигнал с выхода УРЧ через разделительный конденсатор С1 подаётся на вход
следующего каскада. В качестве нагрузки входной цепи выступают эквиваленты
входного сопротивления и входной ёмкости преобразователя частоты Rn и Сn.
Вносимые в колебательный контур ёмкости монтажа и катушки индуктивности
учтены с помощью дополнительного конденсатора C6=5пФ. Отличие значения вносимой
ёмкости в модели входной цепи от расчетного значения вносимой в контур ёмкости
(6пФ) объясняется следующим. При расчете в данном параметре также учитывались
выходная ёмкость К174ПС1 и нагрузки, которые в модели УРЧ выполнены в виде
отдельных элементов.
Коэффициенты связи колебательного контура с DA1 и с нагрузкой уставлены равными расчётным значениям - m=0,03 и n=0,3 соответственно. Сопротивление подстроечного резистора R1 установлено равным 1000 Ом.
На рисунке 3.10 показано семейство АЧХ входной цепи, полученное при
изменении напряжения настройки варикапов в пределах Uнастр=3,7…4,2В.
с шагом 0,1 В.
Из рисунка 3.10 видно, что при изменении напряжения настройки варикапов в
заданных пределах происходит перестройка УРЧ в диапазоне от 56,625 МГц до
57,928 МГц, что практически соответствует требуемому частотному диапазону.
Коэффициент передачи УРЧ изменяется в пределах от 16,619 до 18,915 (от 24,4 дБ
до 25,5) при расчетном среднем значении 16 (24 дБ).
Рисунок 3.10 - Семейство АЧХ УРЧ при Uнастр=3,7…4,2 В
Амплитудно-частотная характеристика модели входной цепи, полученная с
помощью малосигнального анализа по переменному току (AC Analysis) при среднем
значении напряжения настройки (Uнастр=4 В), представлена на рисунке
3.11.
Рисунок 3.11 - АЧХ модели УРЧ при Uнастр=4В
Анализ полученной АЧХ показал, что модель УРЧ при среднем значении
напряжения настройки (Uнастр=4 В) имеет резонансную частоту 57,255
МГц и полосу пропускания по уровню -3дБ, равную 426,426кГц, что соответствует
эквивалентной добротности 134 (при требуемом значении 100).
Полученные отличия результатов моделирования от результатов расчета УРЧ
можно объяснить различием параметров применённых моделей варикапов и ИМС
К174ПС1 от справочных параметров, используемых в расчетах.
Некоторое отличие частоты настройки входной цепи (57,251 МГц) от частоты
настройки УРЧ (57,255 МГц) при среднем значении напряжения настройки (Uнастр=4
В) может быть скомпенсировано изменением ёмкости подстроечного конденсатора.
На рисунках 3.12 и 3.13 показана избирательность входной цепи по
зеркальному каналу и каналу прямого прохождения частоты. Из рисунков видно, что
необходимую избирательность, заданную в техническом задании данный УРЧ
обеспечивает.
Рисунок 3.12 - Избирательность по зеркальному каналу
.3 Результаты моделирования преселектора
Часть супергетеродинного приёмника, содержащая ВЦ и УРЧ радиосигналов до
преобразователя частоты, называется преселектором. Проведём моделирование этой
части приёмника. Моделирование осуществляется в программе схемотехнического
анализа Micro-Cap 9. Принципиальная схема модели преселектора
представлена на рисунке 3.14.
Рисунок 3.13 - Избирательность по каналу прямого прохождения
Рисунок 3.14 - Принципиальная схема преселектора
На рисунке 3.15 показано семейство АЧХ входной цепи, полученное при
изменении напряжения настройки варикапов в пределах Uнастр=3,7…4,2В.
с шагом 0,1 В.
Из рисунка 3.15 видно, что при изменении напряжения настройки варикапов в
заданных пределах происходит перестройка преселектора в диапазоне от 56,737 МГц
до 57,948 МГц, что практически соответствует требуемому частотному диапазону.
Коэффициент передачи преселектора изменяется в пределах от 15,923 до 18,768 (от
24 до 25,5 дБ) при расчетном среднем значении 16 (24 дБ).
Рисунок 3.15 - Семейство АЧХ преселектора
Амплитудно-частотная характеристика модели преселектора, полученная с
помощью малосигнального анализа по переменному току (AC Analysis) при среднем
значении напряжения настройки (Uнастр=4 В), представлена на рисунке
3.16.
Рисунок 3.16 - АЧХ преселектора
Анализ полученной АЧХ показал, что составленная модель имеет следующие
характеристики:
- резонансная частота контура57.187 МГц;
резонансный коэффициент передачи 18,825;
полоса пропускания по уровню -3дБ 300,03 кГц;
эквивалентная добротность190.
В преселекторе должна обеспечиваться избирательность по зеркальному
каналу и каналу прямого прохождения частоты. Они представляют наибольшую
опасность. Зеркальным называется побочный канал приёма радиосигналов,
отличающийся по частоте от частоты настройки радиоприёмника на удвоенное
значение промежуточной частоты.
Пусть при верхней настройке частоты гетеродина fГ одна из вещательных станций (зеркальный канал) имеет несущую
частоту fзк= fс + 2fпр, отличающуюся от частоты полезного
радиосигнала fс на удвоенную промежуточную частоту.
Попадая на вход смесителя, колебания с частотой fзк преобразуются в колебания с промежуточной частотой fпр= fзк - fГ, также как и полезный радиосигнал.
Приёмник в этом случае будет одновременно принимать колебания двух станций с
частотами fс и fзк , расположенными симметрично (зеркально) относительно частоты
гетеродина. Но при этом колебания с частотой fс соответствуют полезному сигналу, а колебания с частотой fзк - помехе. Подавить зеркальный канал
можно только в преселекторе. Отметим два очевидных способа повышения
избирательности по зеркальному каналу. Повышение избирательных свойств
преселектора возможно, во-первых, путём увеличения числа контуров и их
добротности и, во-вторых, увеличением значения промежуточной частоты, что
позволяет увеличить (отодвинуть) частоту зеркального канала. Избирательность
преселектора по зеркальному каналу показана на рисунке 3.17. Как можно видеть,
преселектор подавляет зеркальный канал достаточно.
Источником помех в радиоприёмнике является также канал прямого
прохождения частоты - побочный канал приёма, включающий в себя промежуточную
частоту
Рисунок 3.17 - Избирательность по зеркальному каналу
Помеха на частоте, равной промежуточной fпр , может проходить через смеситель как через обычный
усилитель. УПЧ усиливает помеху канала прямого прохождения так же, как и
сигнал. Мешающие действие помехи канала прямого прохождения, как и зеркального
канала, может быть ослаблено только в преселекторе. Избирательность по каналу
прямого прохождения частоты представлена на рисунке 3.18.
Рисунок 3.18 - Избирательность по каналу прямого прохождения частоты
5. ВЫБОР И
ОБОСНОВАНИЕ УСТРОЙСТВА ЗАЩИТЫ ИНФОРМАЦИИ
5.1 Основные методы и типы систем закрытия речевых сообщений
В речевых системах связи известны два основных метода закрытия речевых
сигналов, разделяющихся по способу передачи по каналам связи: аналоговое
скремблирование и дискретизация речи с последующим шифрованием (цифровое
скремблирование). Под скремблированием понимают изменение характеристик
речевого сигнала таким образом, чтобы полученный сигнал, становился
неразборчивым и неузнаваемым, занимая ту же полосу спектра, что и исходный.
Каждый из этих двух методов имеет свои достоинства и недостатки. Так,
например, в первых двух системах, представленных на рисунке 5.1 (А и В), в
канале связи при передаче присутствуют кусочки исходного, открытого речевого
сообщения, преобразованные в частотной и (или) временной областях. Это
означает, что эти системы, могут быть атакованы криптоаналитиком противника на
уровне анализа звуковых сигналов. Поэтому ранее считалось, что наряду с высоким
качеством и разборчивостью восстановленной речи аналоговые скремблеры могут
обеспечить лишь низкую или среднюю, по сравнению с системами цифрового
кодирования и шифрования, степень закрытия (секретности). Однако новейшие
(разработанные в последние годы) алгоритмы способны обеспечить не только
средний, но иногда и очень высокий уровень секретности в системах типа В
(смотрите рисунок 5.1).
(А)
(В)
(С)
(D)
Рисунок 5.1 - Виды систем закрытия речи
Аналоговые скремблеры: речевые скремблеры простейших типов на базе
временных и (или) частотных перестановок отрезков речи (А); комбинированные
речевые скремблеры на основе частотно-временных перестановок отрезков речи,
представленные конкретнымн отсчетами, с применением цифровой обработки сигналов
(В).
Цифровые системы закрытия речи: широкополосные (С) и узкополосные (D). Системы типа С и D (смотрите рисунок 5.1) не передают
какой-либо части исходного речевого сигнала. Речевые компоненты кодируются в
цифровой поток данных, который смешивается с псевдослучайной
последовательностью, вырабатываемой ключевым генератором по одному из
криптографических алгоритмов, и полученное таким образом закрытое речевое
сообщение передается при помощи модема в канал связи, на приемном конце
которого производятся обратные преобразования с целью получения открытого
речевого сигнала.
Технология изготовления широкополосных систем закрытия речи типа С хорошо
известна, не представляет особых трудностей техническая реализация используемых
для этих целей способов кодирования речи типа АДИКМ (адаптивной дифференциальной
импульсно-кодовой модуляции), ДМ (дельта-модуляции) и т.п. Но представленная
такими способами дискретизированная речь может передаваться лишь по специально
выделенным широкополосным каналам связи с полосой пропускания, обычно лежащей в
диапазоне 4.8-19.2 кГц, и не пригодна для передачи по линиям телефонной сети
общего пользования, где требуемая скорость передачи данных должна составлять
2400 бит/с. В таких случаях используются узкополосные системы закрытия типа D (смотрите рисунок 5.1), главной трудностью
при реализации которых является высокая сложность алгоритмов сжатия речевых
сигналов, осуществляемых в вокодерных устройствах.
Посредством дискретного кодирования речи с последующим шифрованием всегда
достигалась высокая степень закрытия, но в прошлом этот метод не находил
широкого распространения в повсеместно имеющихся узкополосных каналах связи
из-за низкого качества восстановления передаваемой речи.
Последние достижения в развитии низкоскоростных дискретных кодеров
позволили значительно улучшить качество речи без снижения надежности закрытия.
5.2
Аналоговое скремблирование в радиосвязи
Каждый, кто пользуется какими-либо средствами связи, хочет ограничить
возможности доступа посторонних людей к передаваемой информации. Надежная
защита информации может быть обеспечена в системах цифровой радиосвязи, где
применимы методы криптографии. Криптографические алгоритмы используются в ряде
получивших широкое распространение цифровых стандартов сотовой связи,
обеспечивая достаточно высокую степень защиты информации от
несанкционированного доступа.
В отечественных системах конвенциональной и транкинговой радиосвязи
цифровые технологии пока еще не нашли столь широкого применения. По сравнению с
аналоговыми радиостанциями стоимость цифровых радиосредств заметно выше.
Подавляющее большинство российских пользователей используют парк аналоговых
станций.
Тем не менее, желание ограничить доступ к своей информации от этого не
становится меньше. Как правило, большинству пользователей не требуется
гарантированная защита информации, достаточно обеспечить неразборчивость
передаваемой информации при прослушивании ее посторонними с помощью обычных
аналоговых радиостанций или сканирующих приемников. Оптимальным решением этой
задачи является использование аналоговых скремблеров.
.3 Классификация аналоговых скремблеров
Под аналоговым скремблированием подразумевается преобразование исходного
речевого сигнала с целью минимизации признаков речевого сообщения, в результате
которого этот сигнал становится неразборчивым и неузнаваемым. При этом он
занимает такую же полосу частот спектра, как и исходный сигнал. Необходимым
свойством такого преобразования является возможность обратного преобразования
для восстановления речевого сигнала на приемной стороне.
Технические средства, обеспечивающие защиту информации аналоговыми
методами, называются скремблерами. Иногда их называют также маскираторами речи.
Как правило, в сигнале, закрытом с помощью аналогового скремблера, все-таки
сохраняются отдельные признаки открытого речевого сообщения.
В целом, аналоговые методы защиты информации обеспечивают меньшую степень
закрытия речевых сигналов по сравнению с цифровыми, однако при практической
реализации они, как правило, более просты, дешевы, а также характеризуются
достаточно высоким качеством восстановленного речевого сигнала.
При скремблировании возможно преобразование речевого сигнала по трем
параметрам: амплитуде, частоте и времени. Однако в системах подвижной
радиосвязи практическое применение нашли в основном частотные и временные
преобразования сигнала, а также их комбинации. Возможные помехи в радиоканале
существенно затрудняют точное восстановление амплитуды речевого сигнала, в
связи с чем амплитудные преобразования при скремблировании практически не
применяются.
- частотная инверсия сигнала (преобразование спектра сигнала с помощью
гетеродина и фильтра);
- разбиение полосы частот речевого сигнала на несколько поддиапазонов
и частотная инверсия спектра в каждом относительно средней частоты
поддиапазона;
- разбиение полосы частоты речевого сигнала на несколько
поддиапазонов и их частотные перестановки.
При временных преобразованиях производится разбиение сигнала на речевые
сегменты и их перестановки во времени. При этом в основном, используются два
способа закрытия:
- инверсия по времени сегментов речи;
- временные перестановки сегментов речевого сигнала.
Комбинированные методы преобразования сигнала предполагают использование
одновременно нескольких различных способов скремблирования (как частотных, так
и временных), число которых ограничивается, как правило, возможностями
технической реализации аналоговых скремблеров.
.4 Основные характеристики аналоговых скремблеров
Основными техническими характеристиками аналоговых скремблеров являются
уровень закрытия информации, остаточная разборчивость и качество восстановления
сигнала.
Наиболее важной характеристикой скремблера для пользователя, желающего
обеспечить защиту информации в своих каналах связи, является уровень закрытия
информации. Следует отметить, что, если для сложных цифровых систем передачи
речи и данных понятие уровня закрытия строго регламентируется и определяется
криптографической стойкостью информации, то для аналоговых скремблеров
(особенно в системах подвижной радиосвязи) данное понятие носит условный
характер, так как к настоящему времени на этот счет не выработано четких
стандартов или правил.
В ряде случаев в качестве критериев уровня закрытия информации при
сравнении различных средств подвижной радиосвязи с аналоговым скремблированием
можно использовать количество ключевых параметров и количество возможных ключей
скремблера.
Под ключевым параметром аналогового скремблера обычно понимают какой-либо
параметр преобразования речевого сигнала, значение которого необходимо знать
для осуществления обратного преобразования сигнала на приемной стороне.
Ключом аналогового скремблера (по аналогии с цифровыми системами
шифрования), как правило, называют конкретное секретное состояние некоторых
параметров преобразования речевого сигнала. Количество ключей скремблера
определяется множеством всевозможных значений ключа. Для скремблеров с одним
ключевым параметром оно определяется числом возможных состояний этого параметра,
для скремблеров с несколькими ключевыми параметрами - количеством возможных
комбинаций значений этих параметров (как правило, произведением чисел состояний
всех ключевых параметров).
Качество восстановления сигнала определяется искажениями сигнала при его
частотных или временных преобразованиях. Фактически, эта характеристика
отражает разборчивость и узнаваемость восстановленной речи. Приемлемым или
коммерческим качеством восстановленной на приемном конце речи считается такое,
когда слушатель без усилий может определить голос говорящего и смысл
произносимого сообщения.
Наилучшим качеством восстановления сигнала обладают частотные инверторы,
которые практически не ухудшают разборчивость и узнаваемость речи при
правильной реализации. Более сложные методы частотных преобразований могут
вносить некоторые искажения в речевой сигнал. Реализация высокого качества
восстановления речи при временных преобразованиях требует достаточно сложной
обработки.
Под остаточной разборчивостью понимают процент восстановленных фрагментов
скремблированного речевого сигнала при прослушивании переговоров с помощью
обычных УКВ-приемников или радиостанций, не оснащенных аналогичным скремблером.
Следует отметить, что подавляющее большинство известных аналоговых
речевых скремблеров в той или иной мере сохраняют остаточную разборчивость. В
прослушиваемом речевом сигнале, защищенном скремблером, сохраняется информация
о темпе речи, улавливаются паузы. При несложных способах защиты опытный
оператор может разобрать (в зависимости от наличия сведений о тематике
ведущихся переговоров) от 10 до 50 % передаваемой информации.
5.5 Аналоговые скремблеры с частотным преобразованием сигнала
При частотной инверсии преобразование спектра речевого сигнала
эквивалентно повороту частотной полосы сигнала вокруг некоторой средней частоты
(Fи). Принцип данного преобразования сигнала показан на рисунке 5.2: а) -
исходный спектр сигнала, б) - спектр сигнала после инверсии.
а) б)
Рисунок 5.2 - Принцип работы частотного инвертора речевого сигнала
Несколько более сложный по сравнению с частотной инверсией способ
преобразования сигнала обеспечивает скремблер с разбиением полосы речевого
сигнала на поддиапазоны с частотной инверсией сигнала в каждом поддиапазоне
(полосно-сдвиговый инвертор). Обычно используется разбиение полосы на 2
поддиапазона. Принцип такого частотного преобразования для 2-х поддиапазонов
показан на рисунке 5.3, где а) - исходный спектр сигнала; б) - спектр сигнала
после преобразования, Fр - частота разбиения спектра сигнала; Fи1, Fи2 -
частоты инверсии 1-го и 2-го поддиапазонов.
а) б)
Рисунок 5.3 - Принцип работы полосно-сдвигового инвертора речевого
сигнала при разбиении спектра сигнала на 2 поддиапазона
Полосовые скремблеры используют способ разбиения полосы речевого сигнала
на несколько поддиапазонов с частотными перестановками этих поддиапазонов.
Принцип работы полосового скремблера с разбиением спектра сигнала на 4 полосы
показан на рисунке 5.4.
а) б)
Рисунок 5.4 - Принцип работы 4-х полосового скремблера
Полосовой скремблер может быть реализован на основе быстрого
преобразования Фурье (БПФ). В таком скремблере на передающей стороне
производится прямое БПФ, частотная перестановка полос, а затем - обратное БПФ.
На приемной стороне осуществляются аналогичные преобразования с обратной
частотной перестановкой полос. В скремблерах с БПФ возможно достичь высокой
степени защиты информации за счет увеличения количества перемешиваемых полос,
однако на практике этот метод скремблирования в подвижной радиосвязи
применяется редко в связи со сложностями технической реализации. Кроме этого,
скремблеры с БПФ вносят в канал связи временную задержку.
.6 Аналоговые скремблеры с временным преобразованием сигнала
Простейшим видом временного преобразования является временная инверсия,
при которой исходный сигнал делится на последовательность временных сегментов и
каждый из них передается инверсно во времени - с конца к началу. Принцип работы
временного инвертора показан на рисунке 5.5.
Рисунок 5.5 - Принцип работы временного инвертора
В скремблере с временными перестановками речевой сигнал делится на
временные кадры, каждый из которых в свою очередь подразделяется на сегменты, а
затем сегменты речевого сигнала подвергаются перестановке. Принцип работы
такого скремблера с фиксированным окном и числом временных сегментов в кадре,
равном 6, показан на рисунке 5.6.
Рисунок 5.6 - Принцип работы скремблера с временными перестановками.
.7 Роллинговые скремблеры
Все рассмотренные выше скремблеры предполагают фиксированные параметры
преобразования сигнала (фиксированные ключи) в течение передачи речевого
сообщения и поэтому называются статическими.
Дополнительное повышение уровня закрытия информации может быть обеспечено
изменением параметров преобразования сигнала во времени. Такие скремблеры
называются динамическими, а в современной практике их принято обозначать
термином роллинговые скремблеры (от англ. rolling).
Динамические скремблеры, как правило, существенно дороже скремблеров с
фиксированными параметрами преобразования сигнала, сильнее влияют на
характеристики радиосредств и требуют начальной синхронизации. Однако их
применение действительно затрудняет возможности перехвата переговоров, в
особенности в реальном масштабе времени.
Это объясняется тем, что изменение ключевых параметров во времени
теоретически делает возможным резкое увеличение количества ключей, под которыми
для роллинговых скремблеров обычно понимают некоторое значение, определяющее
порядок изменения параметров преобразования сигнала. Например, ключом может
быть начальное значение генератора псевдослучайной последовательности, в
соответствии с которой меняется определенный ключевой параметр.
Временные преобразования сигнала в сочетании с изменением ключевых
параметров во времени достаточно сложны для реализации и требуют относительно
длительной синхронизации, поэтому они пока не нашли свое применение в
роллинговых скремблерах. Для способов частотного преобразования сигнала
изменяемыми ключевыми параметрами могут быть частота инверсии (для частотного
инвертора), частота разбиения полосы сигнала (для полосно-сдвигового
инвертора), комбинация частотной перестановки поддиапазонов сигнала (для
полосового скремблера). Большинство известных моделей роллинговых скремблеров
используют наиболее простой принцип спектрального преобразования - частотный
инвертор с изменением частоты инверсии сигнала во времени.
Различие скремблеров состоит в числе частот инверсии, скорости их
изменения и количестве ключей, определяющих длительность перебора возможных
комбинаций изменяемых параметров без их повторения.
.8 Сравнение различных типов скремблеров
Обычно пользователя больше всего интересует вопрос, какой скремблер
обеспечит наибольшую защиту информации. Следует сказать, что представленные
аналоговые скремблеры не могут обеспечить гарантированную стойкость информации,
поэтому их нельзя рассматривать как средства криптографической защиты
информации (СКЗИ). Речь может идти только о затруднении прослушивания
конкурентом или злоумышленником переговоров, ведущихся с помощью радиосредств,
оснащенных скремблерами, в реальном масштабе времени. Как уже было сказано,
некоторое представление о степени закрытия информации может дать количество
ключевых параметров и количество ключей. Причем следует рассматривать эти
параметры в совокупности, при равном количестве ключей преимущество имеют
скремблеры с бульшим количеством ключевых параметров. Рассмотрим с этой точки
зрения представленные виды скремблеров.
Для частотного инвертора единственным ключевым параметром является
значение частоты инверсии сигнала. Размерность этого параметра, т. е. число
возможных значений частот инверсии (число ключей) с ощутимыми искажениями,
возникающими при прослушивании на соседней частоте, не превышает 20-30. Для
перехвата переговоров, ведущихся с помощью радиосредств, оснащенных частотным
инвертором, достаточно иметь аналогичную радиостанцию или сканирующий приемник
с возможностью подбора частоты инверсии.
В полосно-сдвиговых инверторах в качестве основного ключевого параметра
выступает частота разбиения полосы речевого сигнала Fр, размерность которой
сопоставима с размерностью ключевого параметра частотного инвертора. Если
частота разбиения является единственным ключевым параметром, то данный способ
аналогового скремблирования обеспечивает закрытие речевой информации, сравнимое
с частотной инверсией. В случае когда могут изменяться и частоты инверсии в
каждой из полос, число ключей, соответственно и уровень закрытия информации,
увеличиваются.
В полосовых скремблерах ключевыми параметрами системы является число
частотных полос и кодовая комбинация их перестановки. Реально число полос не
превышает 4-х, поэтому число возможных комбинаций - 24 (одна из них не является
перестановкой).
Скремблеры с временными перестановками имеют несколько ключевых
параметров: длительность сегмента речи, длительность временного отрезка и
правило перестановки временных отрезков в сегменте. Различные сочетания
значений этих параметров могут дать возможность реализации нескольких сотен
ключей.
Роллинговые скремблеры предоставляют возможность использования в сети
радиосвязи такого количества ключевых комбинаций, которое может измеряться
миллионами или даже миллиардами. При этом уровень защиты определяется
количеством градаций параметра сигнала, длиной ключа, т. е. числом возможных
комбинаций параметра, скоростью изменения параметра.
Однако повышение степени закрытия информации в гораздо большей степени
зависит от количества градаций ключевого параметра (например, количества частот
инверсии сигнала), чем от длины последовательности их перебора.
Следует отметить, что при низкой скорости изменения частоты инверсии
(например, 1 раз в секунду) еще сохраняется возможность понимания какой-то
части передаваемой информации при ее прослушивании с помощью радиостанции,
оснащенной скремблером с фиксированной частотой инверсии. Однако при увеличении
скорости до 5-10 раз в секунду возможность такого понимания резко снижается.
Необходимость дальнейшего увеличения скорости смены параметра преобразования
вызывает некоторые сомнения.
Перехват сообщений в реальном масштабе времени в каналах связи,
защищенных с помощью скремблеров с параметрами преобразования, изменяемыми во
времени, возможен при применении специальных технических средств, позволяющих
сначала определить ключевую последовательность (т. е. правила изменения
параметров преобразования сигнала), а затем подстроиться под найденную ключевую
последовательность. Вместе с тем, это оборудование должно быть значительно
сложнее по сравнению со средствами перехвата переговоров абонентов,
радиостанции которых оснащены скремблерами с фиксированными параметрами.
.9 Практические вопросы применения скремблеров
Как правило, разработчики и поставщики скремблеров не предоставляют
подробной информации по принципу скремблирования и, в особенности, по значениям
ключевых параметров. Такое поведение разумно и представляет, по сути дела,
организационную меру для повышения степени конфиденциальности переговоров
клиентов. Однако для пользователей это создает некоторые сложности при выборе
конкретного технического решения по защите информации в сетях радиосвязи. В
связи с этим хотелось бы остановиться на нескольких вопросах, на которые
следует обратить внимание при приобретении средств аналогового скремблирования.
Прежде всего, целесообразно провести минимальные испытания радиосредств с
установленными скремблерами для оценки остаточной разборчивости сигнала при
прослушивании переговоров с помощью таких же радиостанций, но не оснащенных
этими скремблерами. Вполне возможно, что для некоторых ключевых комбинаций
будет сохраняться высокая остаточная разборчивость, поэтому необходимо
исключить эти комбинации при практическом использовании.
Необходимо также оценить качество восстановления речевого сигнала при
работе с радиостанциями, оснащенными скремблерами, путем сравнения открытого и
закрытого каналов. Дело в том, что, желая увеличить степень защиты информации,
разработчики идут на различные ухищрения, приводящие к дополнительным искажениям
спектра или других параметров сигнала.
Влияние скремблеров на параметры радиостанций проявляется также в
ухудшении их чувствительности за счет уменьшения соотношения сигнал/шум на
входе приемника. Для некоторых скремблеров возможно снижение дальности связи по
сравнению с линией радиосвязи, организованной на открытом канале. Поэтому
целесообразно провести сравнительные испытания на дальность и оценить возможные
потери при использовании радиостанций со скремблерами.
При преобразованиях сигнала, связанных с изменением любых параметров
преобразования во времени (используется в скремблерах с временными
перестановками и в роллинговых скремблерах), требуется некоторый временной
интервал для синхронизации таймерных устройств передающей и приемной стороны.
Это заставляет оператора выдерживать паузу между нажатием тангенты «передача»
на радиостанции и началом речи, что требует определенной дисциплины при
проведении сеансов связи. Желательно оценить, приемлема ли подобная задержка
для условий использования радиосредств.
Для пользователей средств УКВ-радиосвязи крайне важен уровень
технического исполнения скремблеров. Так как конструктивно чаще всего
скремблеры представляют собой малогабаритные микроэлектронные узлы, которые
устанавливаются внутрь корпуса радиостанции, предпочтителен выбор
скремблирующих устройств с минимальными габаритами. Естественно, что
минимизация габаритов позволяет расширить применимость скремблеров, так как
обеспечивается возможность их установки в большее количество радиосредств. Для
пользователей, желающих обеспечить защиту информации для уже имеющихся
радиостанций, вполне может подойти вариант с внешним подключением скремблера.
Следует понимать, что установка скремблеров в радиостанции может привести
к определенным ограничениям на использование других модулей или встроенных
функций радиостанций, таких как тональная (DTMF) или подтональная (CTCSS)
сигнализация. Часто это происходит из-за невозможности одновременного
конструктивного размещения внутри станции, однако иногда такие ограничения могут
объясняться несовместимыми с DTMF или CTCSS спектральными или временными
преобразованиями сигнала.
При установке скремблеров желательно обращать внимание на дополнительный
ток потребления, который вносят эти модули. Значительный ток потребления может
оказывать влияние на длительность работы станций без замены аккумулятора.
Удобство использования скремблеров, во многом, зависит от тех средств,
которые предусмотрены для установки ключа. В данном случае, выбор целесообразно
осуществлять, исходя из условий эксплуатации радиосредств. Для одних
пользователей необходима оперативная замена ключа с клавиатуры непосредственно
в процессе работы, для других - более важным является требование по
неизменности ключа и невозможности переустановить его без использования специальных
программаторов.
В заключение следует сказать о необходимости использования только тех
средств защиты информации, которые разрешены к применению ФАПСИ, также оценить
целесообразность применения скремблеров вообще, так как существенного эффекта по
защите информации возможно добиться организационными методами.
.10 Выбор скремблера
Для пользователей средств УКВ радиосвязи крайне важен уровень
технического исполнения скремблеров. Т.к. конструктивно скремблеры представляют
собой малогабаритные микроэлектронные узлы, которые устанавливаются внутрь
корпуса радиостанции, предпочтителен выбор аналоговых устройств защиты
информации с минимальными габаритами и энергопотреблением. Естественно, что
минимизация габаритов позволяет расширить применимость скремблеров, т.к.
обеспечивается возможность их установки в большее количество радиосредств.
Большинство структур безопасности оснащено профессиональными средствами
УКВ радиосвязи зарубежных фирм таких, как Motorola, Kenwood, Yaesu, Standard,
Alinco, Icom и др., использующими аналоговые виды модуляции сигнала (частотный
или фазовый). Для подобного рода радиосредств в подавляющем большинстве в
качестве устройств защиты информации применяются аналоговые речевые скремблеры.
Устройства защиты информации выпускаются как производителями средств УКВ
радиосвязи для радиостанций собственного изготовления (Kenwood, Standard и
др.), так и фирмами, специализирующиеся на производстве скремблеров для средств
ближней УКВ радиосвязи. На отечественном рынке они представлены такими фирмами,
как Transcrypt, Selectone, Midian и др. Кроме этого, известны и отечественные
средства защиты информации, предназначенные для совместной работы с импортными
радиостанциями.
Наибольшее количество известных моделей скремблеров реализуют частотную инверсию
сигнала. Все они имеют близкие параметры. Одними из первых на отечественном
рынке появились модели скремблеров фирмы Selectone, такие как SТ-20 и более
поздняя модель ST-022. ST-20 работает в диапазоне частот 300-2400 Гц и
обеспечивает инверсию сигнала относительно 8 возможных номиналов частот в
диапазоне от 2,6 до 3,7 КГц (частота инверсии устанавливается программно).
Диапазон напряжения питания - от 5,2 до 18В, ток потребления - менее 4 мА.
Диапазон рабочих температур - от минус 30 до +70 С. Габаритные размеры -
20.96х38.20х3. 81 мм. Модель ST-022 отличается от ST-20 расширенным диапазоном
частот (до 3000 Гц) и напряжения питания (до 24 В), а также несколько
уменьшенными размерами (20х25х4 мм).
Простейшие модели скремблеров фирмы Transcrypt SC20-400 и SC20-401
обладают характеристиками, аналогичными ST-20 и ST-022: речевой диапазон
частот, 4 варианта частоты инверсии, напряжение питания - от 5 до 12В, ток
потребления - 3 мА, диапазон рабочих температур - от минус 20 до +60 С,
габаритные размеры - 39х21х4 мм.
Семейство частотных инверторов фирмы Midian предоставляет пользователю
выбор конкретной модели для использования в составе своих радиосредств. VPU-1 и
VPU-8 - отличающиеся друг от друга габаритами скремблеры для использования в
дуплексных радиостанциях (в зависимости от модификации имеют различные частоты
инверсии); VPU-2 (15 программируемых частот инверсии) и VPU-7 (одна
фиксированная частота инверсии) - миниатюрные скремблеры, обеспечивающие только
симплексный режим работы. Их параметры представлены в таблице 5.1.
Фирма Kenwood выпускает скремблер KVS-1 для использования совместно со
своими радиостанциями. Его параметры также приведены в таблице 5.1. Аналогичный
скремблер марки РСК-32 выпускается российским НТЦ “ИНТЕР-ВОК”.
Таблица 5.1
Параметры скремблеров
Более сложное преобразование сигнала предлагают полосно-сдвиговые
инверторы, разработанные НТЦ “ИНТЕР-ВОК” Принцип работы микросборок 04ХК011
(“Сонет”), 04ХК012, 04ХК014А, 04ХК015А, 04ХК017А состоит в разделении речевого
спектра на две части, низкочастотную и высокочастотную, каждая из которых
разворачивается вокруг своих средних частот. Все они работают в диапазоне
речевых частот - 300-3400 Гц, имеют малые габариты и малый ток потребления (в
пределах единиц мА) Имеется возможность изменения частоты разбиения полосы
речевого сигнала 04ХК014 -1 градация, 04ХК015 - 2, 04ХК016А - 3, 04ХК017 и
04ХК018А - 4, 04ХК011 и 04ХК012 - 32 градации. Все микросборки работают от
напряжения питания +5 В, кроме 04ХК011, которая обеспечивает работоспособность
в диапазоне от 6 до 13В
Указанные скремблеры обладают повышенной по сравнению с частотными
инверторами степенью закрытия информации. В технических данных указывается, что
скремблеры обеспечивают остаточную разборчивость речи (т е разборчивость при
прослушивании посторонними лицами) не более 10 % В то же время гарантируется
сохранение высокого качества речи при прослушивании с помощью радиостанции,
оснащенной аналогичным скремблером (сохранение 1 класса разборчивости при измерении
по методике ГОСТ 16600-72)
Скремблеры имеют очень малые размеры (минимальные габаритные размеры -
15х15х6,5 мм - имеет микросборка 04ХК018А) и устанавливаются внутрь корпуса
практически любых радиостанций
Наиболее известным в России представителем класса полосовых скремблеров
является скремблер типа CVS-240 марки Standard (торговая марка концерна
Marantz), который устанавливается в радиосредства, выпускаемые данным
производителем. Принцип его работы состоит в разделении полосы речевого сигнала
на 4 поддиапазона и перестановке этих поддиапазонов. Код перестановки
устанавливается с помощью перемычек. По субъективным оценкам (точные испытания
не проводились) данный скремблер обеспечивает степень закрытия информации,
сравнимую с полосно-сдвиговыми инверторами. Вместе с тем, при установке
скремблера в радиостанции типа НХ240 марки Standard было получено резкое
снижение разборчивости и узнаваемости речи
Большая номенклатура динамических скремблеров выпускается фирмой
Tramscrypt. Принцип их работы аналогичен частотным инверторам с изменением
частоты инверсии сигнала во времени Число возможных частот инверсии - 16.
Различные модели скремблеров этой фирмы отличаются скоростью изменения
переменного параметра: от 1 раза в секунду для SC20-406J и SC20-410 до 1000 раз
в секунду для SC20-460 и SC20-500 Параметры скремблеров представлены в таблице
5.2.
Кроме собственно функции преобразования сигнала, модули фирмы Transcrypt
обеспечивают реализацию дополнительных функций таких, как избирательный и
аварийный вызов, селективный доступ, возможность дистанционного управления
радиостанцией по радиоканалу Данные модули устанавливаются в радиостанции
различных фирм, в частности Motorola, Standard, Johnson. Гарантируется
работоспособность скремблеров в диапазоне рабочих температур -30...+60 С
Таблица 5.2
Параметры скремблеров фирмы Tramscrypt
Остановимся на русском скремблере 04ХК100-01, выпускаемом российским НТЦ
“ИНТЕР-ВОК”. Устройства преобразования речи серии 04ХК100-01 предназначены для
технической защиты информации от прослушивания в канале связи, а также защиты
не категорированной служебной формации ограниченного распространения, не
относящейся к категориям конфиденциальной и не составляющей государственную
тайну. Внешний вид скремблера показан на рисунке 5.7.
Рисунок 5.7 - Внешний вид скремблера 04ХК100-01
Варианты исполнения устройств преобразования речи (04ХК100-01А,
04ХК100-А7, 04ХК100-01Б, 04ХК100-01В, 04ХК100-01М1, КК100-01И1, 04ХК100-01И2) по
алгоритмам функционирования в радиоканале полностью совместимы.
Дополнительные основные сервисные возможности:
- автоматическая идентификация системой мониторинга и управления
радиосетью;
- дистанционное включение радиосети на передачу
(прослушивание);
- отключение (блокировка) или включение (разблокировка)
приемопередающих трактов;
- запрос статуса.
Основные характеристики:
- количество независимых ключей - 232
- количество оперативно изменяемых ключей - не более 8
- полоса частот речевого сигнала, кГц - от 0,3 до 3,4
- задержка речевой информации, мс - не более 250
- разборчивость восстанавливаемой речи - 1 класс
- прослушивание канала, % - не менее 99,9
6.
КОНСТРУКТОРСКАЯ РАЗРАБОТКА УЗЛОВ ПРИЁМНИКА
Разработка конструкции радиоэлектронной аппаратуры (РЭА) является одним
из основных факторов, влияющих на эффективность работы системы в целом. При
этом конструкцию следует рассматривать в виде определенным образом
упорядоченной статической структуры исходных свойств и их взаимосвязей,
обеспечивающих заданное динамическое преобразование физической природы
сигналов. Особенности конструкции РЭА определяются областью её использования
(объектом-носителем), схемотехническим назначением, используемыми элементной и
конструктивными базами.
Область использования определяет параметры конкретного микроклимата в
месте расположения РЭА. Поэтому при разработке конструкции необходимо знать
особенности климатических условий, которые оказывают существенное влияние на
конструктивно-компоновочные параметры, а также на выбор материалов
конструктивной и элементной базы. Рассмотрение характерных областей применения
радиоэлектроники показывает, что она, в основном, предназначена для решения
разнообразных информационных задач. Этим и определяются используемые физические
модели. Разработка конструкции при учете схемотехнического назначения
характеризуется степенью интеграции схемных элементов. При выборе
конструктивной базы необходимо учитывать возможность обеспечения механической
прочности и защиты от дестабилизирующих воздействий, а также механическое
управление устройства.
Исходя из выше сказанного, предъявим следующие требования к конструкции
приёмника:
а) эксплуатация проводится в отапливаемых помещениях;
б) размеры и масса конструкции должны быть по возможности минимизированы;
в) при разработке конструкции необходимо соблюдать гибкость структуры и
применять не дорогостоящие материалы;
г) простота и удобство выполнения сборочных работ является немаловажным
фактором при изготовлении приёмника;
Приёмник выполнен в виде законченного конструктивного блока. Корпус
состоит из двух частей: днища и крышки со стенками.
Днище и крышка выполнены из пластмассы К-214-2 ГОСТ 5689-66 светло-серого
цвета, обладающей высокими электроизоляционными свойствами и повышенной
прочностью, применение которой позволяет выполнять ранее предъявленные
требования. Это простота и достаточная прочность конструкции. Днище и крышка
выполняются путем прессовки.
Чертеж общего вида электронного устройства должен содержать:
а) изображения (вида, разрезы) и надписи, позволяющие получить
представление о его конструкции
б) наименования, а также обозначения его основных составных частей
в) размеры и другие наносимые на изображение данные (при необходимости).
Виды разрабатываемого устройства следует изображать в ортогональных проекциях.
Главным должен быть вид на лицевую панель.
Количество видов, разрезов устанавливает разработчик. При объемной
компоновке изделия оно обычно должно быть не меньше трех.
Изображать общий вид в перспективе или аксонометрии не рекомендуется, так
как одна проекция не дает ясного представления о конструкции и компоновке и
требует много места.
Как правило, на чертеже общего вида показывают только габаритные и
присоединительные разъемы.
Изображения на чертеже общего вида выполняют с максимальными упрощениями,
предусмотренными стандартами ЕСКД для рабочих чертежей. Внешние очертания
изделия, как правило, следует упрощать, не изображая мелких выступов, впадин и
т.д. Составные части изделия, в том числе и заимствованные (ранее
разработанные), и покупные, необходимо изображать с упрощениями (иногда в виде
контурных очертаний), если при этом обеспечено понимание конструктивного
устройства разрабатываемого изделия.
Не следует показывать ЭРЭ, установленные на печатной плате, если на пату
есть отдельный чертеж. Достаточно объем, занимаемый навесными элементами ПП,
выделить на видах штрихпунктирным линиями и пояснить их надписями «границы
монтажа» или «элементы условно не показаны».
Допускается не показывать:
а) провода, соединяющие ЭРЭ
б) фаски, соединения, проточки, углубления, выступы, накатки, насечки и
другие мелкие элементы на составных частях изделия
в) мелкие винты, гайки шайбы, заклепки, сварные и другие неразъемные
соединения
г) шкалы стрелочных приборов
Перечисленные упрощения существенно упрощают объем работ, позволяют
основное внимание уделить конструкторской проработке изделия в целом,
компоновке его составных частей с учетом его многочисленных и разнообразных
требований, предъявляемых к электронной аппаратуре.
Наименования и обозначения составных частей изделия на чертежах общего
вида указывают одним из следующих способов
а) на полках линий - выносок, проводимых от изображения составных частей
б) в таблице, размещаемой на листе чертежа общего вида.
в) в таблице, выполненной на отдельных листах формата А4 в качестве
последующих листов чертежа общего вида.
Выбор способа определяется сложностью изделия. При небольшом количестве
составных частей (примерно до десяти) приемлем первый способ. В курсовом
проекте он рационален для чертежа общего вида, например, несложного блока.
Второй способ удобен, если число составных частей не превышает 25 - 30.
Габариты изделия при таком количестве составных частей обычно невелики и
на чертеже есть место для таблицы. При наличии таблицы на полке линий выноски
пишут только номер позиции составной части, под которым она внесена в таблицу.
Номер указывают на том изображении, на котором проекция составной части дает о
ней наилучшее представление. Номера позиций располагают вне контура изображения
и группируют в колонку и / или строчку по возможности в одну линию.
Размер шрифта номеров позиций должен быть на один - два номера больше,
чем размер шрифта, принятого на чертеже для размерных чисел.
Таблицу на чертеже общего вида (таблица 6.1) располагают как правило над
основной надписью. Между основной надписью и таблицей должен быть промежуток 12
мм. Вне чертежа таблицу изготавливают на листах писчей бумаге или кальке,
имеющих рамку, основную надпись, брошюруют вместе с другими листами
пояснительной записки.
В графах таблицы производят следующие записи: В графе «Позиция» составным
частям приписывают порядковый номер позиций. В графе «Обозначения» указывают
позиционные обозначения и ЭРЭ на ЭЗ, идентифицируя тем самым объекты ЭЗ и ВО.
В графе «Наименования» указывают полное наименование составных частей,
перечисляемых только в данной таблице, и сокращенное - ЭРЭ, полное наименование
которых приведено РЭЗ. В графе «Примечание» дают всем дополнительные сведения.
Запись составных частей в таблицу рекомендуется производить следующем
порядке:
заимствованные изделия;
покупные изделия
вновь разрабатываемые изделия
В таблицу не записывают составные части, которые не показаны на данном
чертеже. На общих видах электронного устройства обычно не показывают
миниатюрные элементы печатных узлов (ячеек). Ячейку вносят в таблицу, как
единую составную часть и разрабатывают на нее свой сборочный чертеж.
Таблица 6.1
Пример таблицы составных частей изделия
|
Позиция
|
Обозначения
|
Наименование
|
Кол.
|
Примечание
|
|
20
|
20
|
70
|
10
|
|
|
|
|
18 5
|
|
|
Заголовок таблицы составных частей изделия
|
|
1 2 3 4 5 6 7
|
R2 C6 V1
|
Покупные изделия Резистор Конденсатор Транзистор Фонарь
сигнальной лампы Вновь разрабатываемые изделия Лицевая панель Ручка
Направляющая
|
1 1 1 1 1 2 4
|
Дюраль. толщ. 4,0 Сталь 6,0 Дюрал. толщ. 1,0
|
Общий вид конструкции приёмника представлен на рисунке 6.1.
Рисунок 6.1 - Общий вид конструкции приёмника
На передней панели предусмотрены:
- тумблер сеть
- индикаторы нажатия кнопки (четыре светодиода которые
находятся под тонированным оргстеклом)
- регулятор громкости
- четыре кнопки
- два жидкокристаллических индикатора
Надписи на передней панели выполняются методом окраски эмалью ЭМ ПФ -
115, белого цвета.
Внутри корпуса все платы крепятся к базовой несущей конструкции.
Компоновка должна быть выполнена с учётом размеров всех радиоэлементов. Крепеж
осуществляется с использованием стоек, к которым крепятся печатные платы при
помощи винтов. Печатные платы должны соответствовать нормам НТО. 010.021. При
разработке плат удобно применять программное обеспечение P-CAD. Применение такого подхода позволяет сократить время
на компоновку элементов и разработку рисунка проводников (трассировку).
Применение печатных плат создает предпосылки для механизации и
автоматизации процессов сборки радиоэлектронной аппаратуры, повышает ее
надежность, обеспечивает повторяемость параметров монтажа (емкость,
индуктивность) от образца к образцу.
Простейшим элементом любой печатной платы является печатный проводник -
участок токопроводящего покрытия, нанесенный на изоляционном основании.
Характерной особенностью печатного проводника является то, что его ширина
значительно больше толщины.
Система печатных проводников, обеспечивающая возможность электрического
соединения элементов схемы, которые впоследствии будут установлены на печатную
плату, а также экранирование отдельных проводников, образует печатный монтаж.
Изоляционное основание с нанесенным на него печатным монтажом образует печатную
плату.
По конструкции печатные платы делятся на однослойные и многослойные.
Однослойные печатные платы всегда имеют один изоляционный слой, на
котором находятся печатные проводники. Если они расположены на одной стороне
изоляционного основания, то такую плату называют односторонней, если на двух
сторонах - то двухсторонней.
Многослойная печатная плата состоит из нескольких печатных слоев,
изолированных склеивающими прокладками.
Процесс изготовления изоляционной платы с печатным монтажом состоит из
двух основных операций:
создание изображения печатных проводников путем копирования изображения с
негатива на светочувствительный слой, печатание изображения защитной краской
через сетчатый трафарет или с помощью офсетной формы;
создание токопроводящего слоя на изоляционном основании.
Широкое распространение получили три способа создания токопроводящего
слоя:
химический, при котором производится вытравливание незащищенных участков
фольги, предварительно наклеенной на диэлектрик;
электрохимический, при котором методом химического осаждения создается
слой металла толщиной от 1 до 2 мкм, наращиваемый затем гальваническим способом
до нужной толщины;
комбинированный метод, сущность которого состоит в сочетании химического
и электрохимического методов.
Для того чтобы к печатному проводнику можно было припаять объемный
проводник или вывод навесного радиоэлемента, на проводнике делают контактную
площадку в виде участка с увеличенной шириной. В зоне контактной площадки может
находиться монтажное отверстие, в которое будет вставляться объемный проводник
или вывод радиоэлемента. При наличии отверстия контактная площадка окружает его
со всех сторон. Монтажное отверстие может иметь металлизированные стенки. При
установке объемных проводников или выводов элементов в металлизированное
монтажное отверстие обеспечивается наиболее надежный паянный электрический
контакт. Использование неметаллизированных отверстий приводит к меньшей
надежности пайки.
Для изготовления печатной платы наиболее широко используют
комбинированный и химический методы. Химический метод обеспечивает большую
производительность, но позволяет получить фольгу, расположенную только на одной
стороне печатной платы. При этом не может быть получена высокая плотность
монтажа. Кроме того он не может обеспечить такую же высокую надежность пайки,
какую дают платы с металлизированными отверстиями, изготовленные
комбинированным методом. Поэтому химический метод используется для получения
односторонних печатных плат бытовой радиоэлектронной аппаратуры.
Комбинированный метод используется для получения одно- и двухсторонних печатных
плат в аппаратуре, к которой предъявляют более жесткие требования по
надежности.
Процесс разработки чертежа печатной платы складывается из следующих
операций:
компоновка печатной платы, в процессе которой находят оптимальное
размещение навесных элементов на печатной плате. Компоновку обычно выполняют
помощью шаблонов, устанавливаемых на плате элементов, изготовленных из бумаги
или другого материала. Шаблоны выполняют в том же масштабе, в котором
оформляется чертеж печатной платы. Эти шаблоны размещают на листе бумаги или
другого материала с нанесенной координатной сеткой и ищут такое расположение
деталей, при котором длина соединяющих их проводников минимальна;
разводка печатных проводников (трассировка). Цель этой операции -
провести проводники, соединяющие контактные площадки так, чтобы они имели
минимальное число переходов на другие слои с целью устранения пересечений;
оформление чертежа с соблюдением требований стандарта.
В настоящее время принципиальные схемы проектируемой радиоэлектронной
аппаратуры оказываются довольно сложными, поэтому разработку конструкции
печатной платы целесообразно производить с помощью современных ЭВМ и
программного обеспечения.
7. Безопасность и экологичность проекта
7.1 Системный
анализ надежности и работоспособности радиоприемного устройства
профессиональной связи УКВ диапазона
Человеческая жизнь постоянно сопровождается процессом получения и
передачи какой-либо информации (процессом обмена информации), иногда, имеющей
решающее в жизни любого человека значение. Без возможности быстрого и
качественного обмена информацией у человека могут возникать довольно серьезные
проблемы, поэтому очень важно в любых системах связи добиться максимальной
надежности связного устройства (или устройств) при эксплуатации.
Поскольку разрабатываемый объект представляет сложную систему, в качестве
основного метода исследований безопасности выбираем системный анализ.
Системный анализ - совокупность методологических средств, используемых
для подготовки и обоснования решений по сложным проблемам, в частности,
безопасности.
Цель системного анализа безопасности состоит в том, чтобы выявить
причины, влияющие на появление нежелательных событий и разработать мероприятия,
уменьшающие вероятность их появления.
Системный анализ может осуществляться следующими путями:
- априорный анализ осуществляется в случае, когда исследователь
выбирает событие, являющееся потенциально возможным и пытается создать набор
различных ситуаций, которые могут привести к его появлению;
- апостериорный анализ - выполняется после того, когда
нежелательное событие уже произошло.
Цель такого анализа - разработка рекомендаций на будущее для
предотвращения появления нежелательного события.
Для того чтобы осуществить анализ апостериорный или априорный необходимо
иметь модель системы. Наибольшее распространение получили формализованные
модели в виде графов и «деревьев» причин (отказов).
Такие диаграммы включают одно нежелательное (головное) событие, которое
размещается вверху и соединяется с другими событиями (причинами) логическими
знаками.
Построение модели возникновения происшествия в форме дерева осуществляется
чаще всего дедуктивно, от головного события к вызывающим его причинам,
используя булевы условия их формирования из отказов техники, ошибок работающих
и нерасчётных воздействий на них окружающей среды.
Построение «деревьев» является эффективной процедурой выявления причин
различных нежелательных событий. Многоэтапный процесс ветвления «дерева»
требует введения ограничений с целью определения его пределов. Границы
ветвления определяются логической целесообразностью.
Построение дерева отказов начинается с процессов синтеза и анализа.
Каждый из этих процессов разбивается на ряд соответствующих этапов.
Синтез производится в следующей последовательности:
. Определяем наиболее общий уровень, на котором должны быть рассмотрены
все события, являющиеся нежелательными для нормальной работы рассматриваемой
системы.
. Разделяем событие на несовместные группы, причем группы формируются по
некоторым признакам, например, по одинаковым причинам возникновения.
. Используя общие признаки, выделяем одно событие, к которому приводят
все события каждой группы. Это событие является головным и будет
рассматриваться с помощью отдельного «дерева причин».
В соответствии с этапом номер 1 синтеза, для нормальной работы
рассматриваемой системы (приёмника) нежелательными событиями могут являться
следующие:
а) полное отсутствие сигнала на входе приемника;
б) слабый сигнал на входе приёмника;
в) отсутствие сигнала на выходе приемного устройства.
Второй этап синтеза состоит в разделении перечисленных событий на
несовместные группы. Первые два события довольно тесно связаны между собой и
должны рассматриваться совместно. Последнее же событие является отличным от
ранее рассмотренных и требует отдельного анализа.
Анализ производится в следующей последовательности:
. Выбираем головное событие, которое должно быть предотвращено.
. Определяем все первичные и вторичные события, которые могут вызвать
головное событие.
. Определяем отношения между вызывающими и головными событиями в терминах
логических операций «И» и «ИЛИ».
. Определяем величины, необходимые для дальнейшего анализа каждого из
событий, выделенных на этапе два или три. Для каждого вызывающего события,
которое уточняется далее, повторяем этапы два и три, причем термин «головное
событие» теперь будет относиться к данному событию, которое продолжаем
анализировать.
. Продолжаем этапы два, три и четыре пока либо все события не выразятся
через основные события, либо перестаем дробить анализ дальше в силу
незначительности событий, отсутствия данных и т.п.
. Представляем события в виде диаграммы, используя соответствующую
символику.
В качестве головного события выбираем отсутствие сигнала на выходе
приёмного устройства.
К этому могут привести следующие события:
- отсутствие сигнала на входе приёмника;
- отказ в электрической схеме приёмника;
- отсутствие питания;
Причиной отсутствия сигнала на входе приёмника может послужить:
- отсутствие излучения передатчика
- уменьшение чувствительности приёмника за счёт помехи
- нарушение соединения с антенной
- нарушение контакта во входной части устройства
Помехи могут быть двух видов:
- внешние помехи
- собственные шумы приёмника
Внешняя помеха на входе приемника может возникать при:
- постановке помехи злоумышленником на частоте приема;
- плохих погодных условиях;
- воздействие помех от различных источников радиоизлучения
(промышленных помех).
Причиной отсутствия сигнала на выходе приемника может послужить также
отказ электрической схемы приемника;
К отказу электрической схемы приемника могут привести:
- нарушение правил эксплуатации;
- выход из строя отдельных элементов приёмника;
- дефект сборки.
К нарушению правил эксплуатации можно отнести:
- несоблюдение температурного режима;
- повышенная влажность и другие причины.
Причины, которые могут послужить выходу из строя элементов приёмника:
- использование некачественных комплектующих;
- отсутствие контроля и другие.
К дефекту сборки можно отнести:
- некачественную пайку схемы;
- повреждение печатной платы при сборке;
- перегрев элементов и другие случаи.
К отсутствию питания в приемнике могут привести:
- разряжен аккумулятор;
- выход из строя клеммы питания;
- неверная полярность подключения аккумуляторов.
Причиной неисправности клемм питания приемника может послужить:
- воздействие механических нагрузок (сильные вибрации, удары)
- нарушение полярности подключения оператором аккумулятора;
Результаты анализа возможных источников отказа приемника представлены на
рисунке 7.1 в виде "дерева отказов".
Рисунок 7.1 - Дерево отказов.
7.2 Меры по
повышению надежности и работоспособности радиоприемного устройства
В данном подразделе рассмотрим вопросы повышения надежности на этапе
эксплуатации.
Проанализировав дерево возможных отказов приемника,
можно провести анализ методов повышения надежности и обеспечения безопасности
работы устройства.
- для предотвращения отказов, вызванных использованием некачественных
комплектующих, рекомендуется непосредственно перед установкой (пайкой)
осуществлять входной контроль элементов
- для предотвращения отказов, вызванных повреждением печатной платы
при сборке, необходимо контролировать технологию изготовления
- для предотвращения отказов, вызванных перегревом элементов
при пайке, необходимо обеспечить правильный температурный режим паяльника
- для предотвращения отказов, вызванных некачественной пайкой,
необходимо использовать паяльники с низким напряжением питания (36В, 24В, 12В),
заземлять инструмент
- для снижения влияния опасных факторов, связанных с
неправильными действиями персонала (нарушение полярности подключения оператором
аккумулятора, аккумулятор разряжен, отсутствие контроля за устройством), на
работоспособность устройства необходимо правильно составить руководство по
эксплуатации, с указанием назначения устройства и правилами пользования
последнего
- для снижения влияния опасных факторов, связанных с окружающей
средой (повышение влажности, несоблюдение температурного режима, плохие
погодные условия), необходимо указать в инструкции по эксплуатации допустимые
параметры окружающей среды (давление, температура, влажность)
- для предотвращения отказов, связанных с воздействием
механических нагрузок на приёмник, необходимо печатную плату внутри корпуса
закреплять с помощью резиновых амортизационных прокладок
- для предотвращения отказов, связанных непосредственно с
работой самого приёмника и с его рабочими характеристиками (отсутствие
излучения передатчика, нарушения соединения с антенной, нарушение контакта во
входной части устройства, собственные шумы приёмника), необходимо на стадии
разработки устройства использовать отработанные схемотехнические решения,
задавать реально осуществимые значения параметров приёмника
- для предотвращения отказов, связанных с ЭМС (электромагнитная
совместимость) приборов (воздействие помех от различных источников излучения),
необходимо разнести источники электромагнитных излучений в пространстве и по
частотам
- для предотвращения отказов, связанных с постановкой помехи
злоумышленником на частоте приёма, необходимо использовать в приёмнике
устройство защиты речевой информации
7.3 Пожарная
безопасность при разработке и эксплуатации радиоприемного устройства
Наиболее вероятной чрезвычайной ситуацией при разработке приемника
является пожар. Пожар - неконтролируемое горение вне специального очага,
наносящее материальный ущерб. Опасными факторами являются: открытый огонь и
искры; повышенная температура воздуха и предметов; токсичные продукты горения;
дым; пониженная концентрация кислорода; обрушение и повреждение зданий,
сооружений, установок; взрывы. Возможными причинами воспламенения в
рассматриваемом помещении могут являться причины неэлектрического и
электрического характеров. К причинам неэлектрического характера относятся:
неправильное устройство и эксплуатация отопительных систем; неисправность
оборудования и нарушение технологических процессов; неосторожное обращение с
огнем; неправильное устройство и неисправность вентиляционных систем;
самовозгорание веществ. К причинам электрического характера относятся: короткие
замыкания, перегрузки, большие переходные сопротивления, искрения и
электрические дуги, статическое электричество, разряды атмосферного
электричества. Источниками высоких температур и пламени могут служить
электропаяльники, измерительные приборы и другое электрооборудование. Для
предупреждения пожара проводятся мероприятия: организационные, эксплуатационные,
технические и режимные. К организационным мероприятиям относятся: обучение
работающих пожарной безопасности; проведение инструктажа, бесед, лекций и др.
Эксплуатационные мероприятия предусматривают правильную эксплуатацию
оборудования и правильное содержание помещения.
К техническим мероприятиям относится соблюдение противопожарных правил и
норм при устройстве отопления, вентиляции, оборудования. К мероприятиям
режимного характера относится запрещение курения в не установленных местах,
производства сварочных работ в пожароопасных зонах.
На основании вышеизложенного, профилактика возникновения пожарной
ситуации в лаборатории, где происходит изготовление устройства, заключается в
проведении следующих мероприятий:
- организация централизованного отключения питающего напряжения;
- установка огнетушителей в легкодоступном месте;
снабжение электроизмерительного оборудования плавкими
предохранителями;
наличие плана эвакуации персонала из лаборатории;
проведение инструктажа с работающим персоналом в лаборатории о
правилах безопасности и действиях в случае возникновения пожара.
Для быстрого вызова городской пожарной части, в случае возникновения
пожара, в лаборатории должны быть средства извещения. Распространенным
средством извещения является телефонная сеть, к которой подключается приемная
станция, принимающая сигналы от извещателей и передающая их в помещение
пожарной команды. Извещатели могут быть ручными и автоматическими (дымовые,
тепловые, световые). Чаще всего применяются комбинированные, автоматические
извещатели, реагирующие на тепло и дым. Примем в качестве извещателя тип
СПДУ-1, предназначенный для подачи световой и звуковой сигнализации открытого
огня и дыма в помещении.
В качестве первичных средств пожаротушения используются углекислотные
огнетушители ОУ-3, пожарные краны, находящиеся в коридоре. Углекислотные
огнетушители предназначены для тушения электрооборудования и радиоэлектронной
аппаратуры, находящейся под напряжением, а также других горючих веществ.
В случае возникновения пожара в помещении необходимо обеспечить эвакуацию
людей, материальных ценностей и служебной документации.
7.4 Защита
окружающей природной среды при изготовлении и утилизации проекта
Конкретно можно подчеркнуть следующее. В устройстве не используются
мощные радиоэлементы, которые бы сильно нагревались при эксплуатации. Прибор не
создает шума при работе. При излучении полезного сигнала создаются
электромагнитные поля, воздействие которых не сказывается на здоровье людей,
так как радиосигнал излучается с разрешенной ГОСТом мощностью.
Труд и безопасность - два тесно и неразрывно связанных понятия,
отражающие особенности экономического и социального развития. На производстве
всех отраслей от различного рода травм страдает огромное количество людей. В
результате этого некоторые из них временно теряют трудоспособность, однако есть
и смертельные случаи.
Неудовлетворительная информированность работающего населения о возможных
последствиях вредного и опасного воздействия производственных факторов не
только снижает чувство опасности и необходимости соблюдения элементарных
требований охраны труда, но и является причиной травматизма и
профзаболеваемости. А производственный травматизм и профзаболевания увеличивают
количество нетрудоспособного населения. Для
снижения производственного травматизма необходимо применять соответствующие
меры безопасности. К основным мерам безопасности относится правильное
устройство рабочих мест, необходимая вентиляция и кондиционирование воздуха в
производственном помещении, его отопление и производственное освещение.
Условия труда на рабочих местах производственных помещений складываются
под воздействием большого числа факторов, различных по своей природе, формам
проявления, характеру действия на человека. Условия труда также сильно зависят
от состояния окружающей среды. Рассмотрим процесс изготовления устройства.
При изготовлении прибора могут использоваться технологические процессы и
материалы, которые могли бы пагубно повлиять на окружающую среду. Процесс
изготовления печатной платы также может сопровождаться вредными выделениями в
атмосферу. Следовательно необходимо принять соответствующие меры по защите
атмосферы.
Загрязнение воздуха производственных помещений может происходить за счет
выбросов из технологического оборудования или при проведении технологических
процессов без локализации выбросов. В этом случае возможно повышенное
загрязнение воздуха рабочей зоны, а удаляемый из помещения вентиляционный
воздух может стать причиной загрязнения атмосферного воздуха промышленных
площадок и населенных мест.
На практике реализуются следующие варианты использования средств защиты
атмосферы:
локализация токсичных веществ в зоне их образования, очистка
загрязненного воздуха в специальных аппаратах и его возврат в производственное
или бытовое помещение, если после аппарата воздух соответствует нормативным
требованиям к приточному воздуху;
локализация токсичных веществ в зоне их образования, очистка
загрязненного воздуха в специальных аппаратах, выброс и рассеивание в
атмосфере;
очистка технологических газовых выбросов в специальных аппаратах, выброс
и рассеивание в атмосфере (в ряде случаев перед выбросом отходящие газы
разбавляют атмосферным воздухом);
очистка отработавших газов энергоустановок, например двигатели
внутреннего сгорания, в специальных агрегатах и выброс в атмосферу или
производственную зону (рудники, карьеры и т.п.).
Также на этапе изготовления существует опасность загрязнения гидросферы
отходами производства. При травлении печатных плат в производстве используют
различные химические составы (хлорное железо и т.д.), часть которых попадает в
сточные воды, следовательно, необходимо разработать очистные мероприятия. В
соответствии с видами процессов, происходящих при очистке, все существующие
методы принято делить на механические, физико-химические и биологические. При
механической очистке сточных вод от взвешенных веществ используют процеживание,
отстаивание, фильтрование и т.п. В нашем случае можно применить
электрохимическую очистку и сорбцию для защиты водных ресурсов от загрязнения
отходами производства. На всех этапах изготовления изделия
существует опасность загрязнения литосферы, т.к. данное производство не
безотходное. При нарезке, пайке, травлении печатных плат, изготовлении и
покраске корпуса остаются отходы, содержащие свинец, олово и их соединения,
органические горючие (обтирочные материалы, ветошь, обрезки пластмасс,
оргстекла, остатки лакокрасочных материалов), которые необходимо складировать в
определенном месте и в дальнейшем отправлять на переработку на полигон.
Переработку промышленных отходов производят на специальных полигонах,
создаваемых в соответствии с требованиями СНиП 2.01.28-85 и предназначенных для
централизованного сбора, обезвреживания и захоронения токсичных отходов. Наиболее эффективным методом решения проблемы защиты
литосферы от промышленных отходов, является применение безотходных и
малоотходных технологий и производств.
8. ТЕХНИКО-ЭКОНОМИЧЕСКОЕ ОБОСНОВАНИЕ ПРОЕКТА
8.1 Обоснование экономической целесообразности разработки
В практике служб охраны и безопасности широко используются
профессиональные средства УКВ радиосвязи. При этом достаточно часто требуется
организовать их использование незаметно для окружающих, т.е. обеспечить
визуальную и акустическую скрытность радиосвязи. Наряду с использованием
специальных аксессуаров скрытной радиосвязи (миниатюрных выносных пультов
управления радиостанциями, беспроводных приемников-телефонов, малогабаритных
микрофонов и т.п.), важную роль играют размеры самих радиостанций.
Т.к. на отечественном рынке не представлены радиосредства, о которых бы
сообщалось, что они специально предназначены для скрытого ношения, службам
безопасности приходится выбирать из числа миниатюрных и сверхминиатюрных
радиостанций зарубежного производства. В каталогах различных зарубежных фирм,
занимающихся поставкой специальных технических средств, в качестве средств
радиосвязи скрытого ношения представлены стандартные профессиональные
радиостанции таких производителей, как Motorola, Icom, Standard и др.
Естественно, что при сравнении радиостанций только по габаритным размерам
преимуществом будут обладать самые миниатюрные изделия. Однако, т.к. сравнение
следует проводить и по другим техническим параметрам, а также по стоимости,
целесообразно выделить критерии, по которым можно классифицировать УКВ
радиостанцию, как средство для скрытого ношения. С достаточной долей условности
радиостанцию можно считать удовлетворяющей требованиям скрытого ношения, если
ее габаритные размеры не превышают:
- высота - 120 мм;
- ширина - 60 мм;
- толщина - 30 мм,
- вес - в пределах 350 г.
Для более четкой классификации будем считать радиостанцию допускающей
возможность скрытого ношения, если ее параметры удовлетворяют хотя бы трем
показателям, причем в обязательном порядке требованию по толщине, т.к. этот
параметр является наиболее критичным для данного класса радиосредств.
Анализируя рыночную ситуацию можно отметить, что представленные на рынке
модели, как правило, являются зарубежными разработками. Они имеют достаточно
неплохие характеристики, но обладают и серьезными недостатками:
зарубежная элементная база, что усложняет эксплуатацию и ремонт;
высокая цена.
Отечественные, как правило, радиолюбительские конструкции при
сравнительно невысокой цене, имеют недостаточно высокие технические
характеристики. Поэтому целесообразно представить на рынке новое устройство,
сконструированное на современной отечественной элементной базе. При этом
необходимо улучшить технические характеристики, такие как чувствительность,
потребляемая мощность, надежность, а также уменьшить цену, по сравнению с устройствами,
представленными в настоящее время на отечественном рынке.
Разрабатываемый профессиональный приемник может использоваться для нужд
гражданской и военной связи, может также устанавливаться на судах и объектах
магистральной связи. Приемник использует методы синтеза частот, обладает
местным кнопочным управлением, следовательно, он может использоваться в составе
комплексов, входящих в полностью автоматизированные системы связи. В
перспективе, серия будет включать в себя шесть приемников, среди которых будут
радиоприёмные устройства для направленной связи, стационарные, передвижные и
корабельные, а также приемники, которые могут эксплуатироваться в сложных
полевых условиях.
.2 Выбор аналога
Итак, как мы уже выяснили ранее, прототипом (аналогом) разрабатываемого
портативного приёмника, можно считать радиостанции УКВ-диапазона. Примем для
определенности в качестве аналога радиостанцию фирмы Standard. Наиболее популярными моделями
являются C108 (144-174 МГц) и C408 (420-474 МГц). Станции имеют
разнообразные режимы сканирования, 20 каналов памяти. Питание изделий
осуществляется от двух батареек типа АА. Стандартная выходная мощность - 230
мВт. Ток потребления во всех режимах (по сравнению с другими радиостанциями
данного класса) невелик. Это позволяет эксплуатировать радиостанцию без смены
элементов достаточно длительное время (для никель-кадмиевого аккумулятора типа CNB401 емкостью 500 мА/ч при соотношении
времени функционирования станции в режимах “передача: прием: дежурный прием”
как 1:1:8 время работы - в пределах 13 часов). Радиостанции имеют наименьшую
стоимость среди подобных изделий.
Определим для разрабатываемого нами устройства выигрыш по показателям
возможности/цена, при сравнении с аналогом. Для определения этого выигрыша
используют понятие интегрального коэффициента качества, который вычисляется на
основании сравнения аналога и нашего устройства. Данное сравнение для наиболее
значимых параметров представлено в таблице 8.1.
Таблица 8.1
Сравнение прототипа и нашего устройства
|
Показатель
|
Единицы измерения
|
Аналог
|
Проектируемое устройство
|
Коэффициент улучшения
|
|
1. Выходная мощность
|
мВт
|
230
|
1000
|
4,35
|
|
2.Чувствительность
|
мкВ
|
5
|
10
|
2
|
|
3.Избирательность по зеркальному каналу
|
дБ
|
80
|
50
|
0,625
|
|
4.Избирательность по соседнему каналу
|
дБ
|
70
|
50
|
0,714
|
В таблице 8.1 приведены коэффициенты улучшения, по которым и рассчитаем
интегральный коэффициент качества по формуле:
, (8.1)
где
- количество сравниваемых показателей;
-
коэффициент улучшения по i-му показателю.
При вычислении получим, что искомый интегральный коэффициент качества
равен
.
Видно, что вычисленный интегральный коэффициент качества оказался меньше
чем 1,5. С первого взгляда это говорит о том, что нет необходимости выпускать
подобные средства связи, однако у такого приемного устройства есть ряд
достоинств (компактность, наличие устройства закрытия речевых сообщений) по
сравнению с аналогом, что также в настоящее время является немаловажным
фактором. Такой приёмник обладает рядом преимуществ, для которых нельзя
вычислить интегральный коэффициент качества.
Прежде чем мы определим затраты на техническую подготовку производства,
рассчитаем сначала заработную плату разработчика, которая включается в искомые
затраты.
Заработная плата разработчика состоит из трех составляющих: основная
зарплата, дополнительная и отчисления на социальные нужды. Расчет основной
заработной платы разработчика можно представить в виде таблицы 8.2.
Из таблицы видно, что основная заработная плата оценивается величиной в
36000 руб. Исходя из того, что дополнительная заработная плата разработчика
определяется как 8…20% от основной (для определенности примем 15%), а
отчисления на социальные нужды составляют 26% от суммы основной и
дополнительной, то получим, что дополнительная заработная плата равна 5400
руб., а отчисления на социальные нужды составят 9360 руб.
Таблица 8.2
Расчет основной заработной платы разработчика
|
Этапы разработки
|
Исполнитель
|
Трудоемкость, час
|
Часовая ставка исполнителя, руб/час
|
Заработная плата, руб.
|
|
1. Составление ТЗ
|
Руководитель
|
8
|
150
|
1200
|
|
2. Анализ ТЗ
|
Студент
|
10
|
85
|
850
|
|
3. Выбор структурной схемы радиоприёмника и предъявление
требований к её элементам
|
Студент
|
100
|
85
|
8500
|
|
4. Составление полной принципиальной схемы приёмника и
расчёт отдельных её узлов
|
Студент
|
120
|
85
|
10200
|
|
5.Моделирование отдельных узлов приёмника
|
Студент
|
80
|
85
|
6800
|
|
6. Выбор устройства защиты информации
|
Студент
|
50
|
85
|
4250
|
|
7. Конструкторская разработка узлов приёмника
|
Студент
|
40
|
85
|
3400
|
|
8. Технико-экономическое обоснование проекта
|
Студент
|
10
|
85
|
850
|
|
9. Безопасность и экологичность проекта
|
Студент
|
10
|
85
|
850
|
|
Итого
|
-
|
422
|
-
|
36000
|
В затраты на техническую подготовку производства приемника входят также
материальные затраты, которые приведены в таблице 8.3.
Таблица 8.3
Расчет материальных затрат
|
Материал
|
Расход на изделие
|
Цена, Руб.
|
Затраты, Руб
|
|
Стеклотекстолит
|
1 лист
|
200
|
200
|
|
Резисторы постоянные
|
13 шт.
|
5
|
65
|
|
Конденсаторы подстроечные
|
3 шт.
|
4
|
12
|
|
Конденсаторы
|
22 шт.
|
4
|
88
|
|
Конденсаторы электролитические
|
6 шт.
|
5
|
30
|
|
Микросхема К174 ПС1
|
3 шт.
|
100
|
300
|
|
Микросхема К174УН4А
|
1 шт.
|
120
|
120
|
|
Микросхема К174УР3
|
1 шт.
|
180
|
180
|
|
Кварцевый фильтр
|
1 шт.
|
150
|
150
|
|
Варикапы
|
4 шт.
|
20
|
80
|
|
Итого
|
-
|
-
|
1345
|
Из этой таблицы видно, что материальные затраты на изготовление макета
приемника составляют 1345 руб. Известно, что транспортно-заготовительные
расходы определяются как 3…5 % от суммарных материальных затрат, а эта сумма в
нашем случае при 5 % составляет 67 руб. 25 коп.
Окончательным этапом при расчете затрат на техническую подготовку
является подсчет накладных расходов, которые определяются как 200…250 % от
основной заработной платы. В нашем случае это составляет (при 250 %) 90000 руб.
Тогда суммируя результаты этих расчетов получим, что искомая затрата на
техническую подготовку составляет 91412 руб. 25 коп.
8.4 Расчет себестоимости и цены изделия
.4.1 Себестоимость
При расчете себестоимости и цены изделия пользуются следующими статьями
калькуляции:
а) Сырье, основные и вспомогательные материалы;
б) Покупные полуфабрикаты и комплектующие изделия;
в) Основная заработная плата рабочих;
г) Дополнительная заработная плата рабочих;
д) Отчисления на социальные нужды рабочих;
е) Расходы на содержание и эксплуатацию оборудования;
ж) Цеховые расходы;
з) Общезаводские расходы;
и) Внепроизводственные расходы.
Производственная себестоимость изделия получается при суммировании первых
восьми составляющих. При суммировании всех перечисленных составляющих мы
получим полную себестоимость изделия.
Произведем соответствующие вычисления для определения себестоимости и
цены спроектированного устройства.
Первые две статьи уже были рассчитаны в пункте 8.2 и они составляют 1345
руб.
Для расчета третьей статьи необходимо определить основные операции при
изготовлении устройства на предприятии, соответствующую трудоемкость каждой
операции, а также часовую ставку исполнителя, после чего, произведя
суммирование, мы сможем определить основную заработную плату рабочих. Расчет
этой статьи представлен таблицей 8.4.
Из таблицы 8.4 видно, что получаемая основная заработная плата рабочих
составляет 2125 руб. Тогда можно рассчитать все остальные статьи.
Дополнительная заработная плата рабочих определяется как 8…20 % от
основной заработной платы и при 15 % она составляет 318 руб. 75 коп.
Отчисления на социальные нужды рабочих находятся как 26 % от суммы по
третьей и четвертой статьям (статьи «в» и «г»). При вычислении получим, что эта
величина составляет 940 руб. 85 коп.
Таблица 8.4
Расчет основной заработной платы рабочих
|
Наименование основных операций
|
Трудоемкость, час
|
Часовая ставка, руб/час
|
Зарплата, руб
|
|
1.Изготовление печатной платы
|
5
|
85
|
8,25
|
|
2. Лужение платы
|
2
|
85
|
3,3
|
|
3. Подготовка катушек индуктивностей
|
3
|
85
|
4,95
|
|
4. Сборка устройства
|
5
|
85
|
4,95
|
|
5. Настройка устройства
|
10
|
85
|
16,5
|
|
Итого
|
25
|
-
|
2125
|
Расходы на содержание и эксплуатацию оборудования определяются на основе
статьи «в» (160…180 % от статьи «в») и составляют в нашем случае (при 180 %)
3825 руб. Цеховые расходы составляют 140…160 % от той же статьи «в» и равны
3187 руб.
При расчете общезаводских расходов пользуются тем фактом, что они
составляют порядка 100…140 % от статьи «в». Для нашего устройства эти расходы
оцениваются величиной в 2550 руб.
Тогда производственная себестоимость устройства равна 14291 руб. 60 коп.
Внепроизводственные расходы - это 1,5…2 % от производственной
себестоимости. В нашем случае эта величина составляет 285 руб. 80 коп.
С учетом всех вычислений можно получить полную себестоимость приемника.
Она равна 14577 руб. 40 коп.
.4.2 Цена изделия
Различают оптовую и розничную цену изделия. Оптовая цена вычисляется как
сумма полной себестоимости, прибыли и НДС (18 % от полной себестоимости и
прибыли). Полная себестоимость изделия уже была рассчитана. Прибыль составляет
примерно 30 % от полной себестоимости и исчисляется суммой в 4373 руб. 22 коп.
Тогда НДС равен 3790 руб. 12 коп., следовательно оптовая цена составит 22740
руб. 75 коп.
Розничная цена изделия - это сумма трех составляющих: оптовой цены, 25 %
от оптовой и 5 % налога с продаж. Тогда это составит примерно 28625 руб.
Конечно же, для точной оценки цены приёмной части необходимо было бы
вновь произвести все расчеты, но целью данного раздела проекта является
доказательство того, что такие устройства целесообразно выпускать и
реализовывать на рынке сбыта. Более того, предполагаемый экономический эффект
нашего устройства перед аналогом будет заметен и без точных расчетов.
.5 Расчет экономического эффекта
Рассчитаем годовой экономический эффект от внедрения проектируемой
системы (приёмное устройство). Для сравнения возьмем радиоприёмное устройство
фирмы Standard C108 (144-174 МГц). Годовой экономический эффект определим по
формуле:
, (8.2)
где
З1,
З2 - приведенные затраты соответственно базовой и проектируемой
системы, руб;
В1,
В2 - годовые объемы продукции (работы), производимые при
использовании единицы базовой и проектируемой системы, в натуральных единицах;
(Р1+Ен)/(Р2+Ен)
- коэффициент "долговечности", учитывающий изменение срока службы
проектируемой системы по сравнению с базовой;
Р1
и Р2 - доли отчислений на восстановление базовой и разрабатываемой
системы;
К'1,
К'2 - сопутствующие капиталовложения потребителя при
использовании
базовой
и проектируемой системы, руб;
И'1,
И'2 - годовые эксплуатационные издержки потребителя при
использовании им базовой и проектируемой системы, руб;
А2
- годовой объем производства проектируемой системы в расчетном году в
натуральных единицах.
Рассчитаем
приведенные затраты соответственно базовой и проектируемой системы по формуле:
З
= С + Ен * К,
где
С - себестоимость системы;
Ен
- нормативный коэффициент экономической эффективности капитальных вложений,
зависит от ставки рефинансирования Центробанка (начиная с 24 января 2000 года
13 %, Eн = 0,16);
К
- капиталовложения.
Вследствие отсутствия информации о себестоимости приёмника C108 являющегося базой для сравнения,
предположим одинаковую рентабельность производства обеих систем. А именно:
Ц1 = С1 + П1
Ц2 = С2 + П2
где
Ц1, Ц2 - цена соответственно системы являющейся
базой для сравнения и
проектируемой системы;
Цены промышленной и проектируемой системы известны, и составляют:
Ц1 = 30000 руб,
Ц2 = 28625 рублей.
Рассчитаем приведенные затраты для промышленной приемной системы
Ц1 = С1 + П1 + НДС
П1 = 0,15*С1
НДС = 0,2 * ( С1 + П1 )
Итак,
Ц1 = С1 + 0,15*С1 + 0,2 * ( С1
+ 0,15*С1 )
Следовательно приведенные затраты для промышленной системы:
З1 = Ц1 - П1 - НДС = Ц1/1,38
= 30000/1,38 = 21739,13 руб.
Рассчитаем приведенные затраты для проектируемой системы.
З2 = С2 + Ен * К2
где
С2 = 14291 руб;
Ен = 0,16;
К2 = 5000 руб;
З2 = 14291+ 1,45 * 5000 = 15091 руб.
Годовые объемы продукции (работы) В1 и В2,
производимые при использовании единицы базового и нового средства труда, в
натуральных единицах определены в таблице 8.5.
Таблица 8.5
Годовые объемы продукции (работы) В1 и В2
|
Параметры системы
|
Значение параметра
|
Вес показателя по 10 бальной шкале
|
Предварительная оценка промышленной системы
|
Предварительная оценка проектируемой системы
|
В1
|
В2
|
SВ1
|
S В2
|
|
Промышленная система
|
Проектируемая система
|
|
|
|
|
|
|
|
|
1. Количество каналов
|
4480
|
4480
|
10
|
1
|
1
|
10
|
10
|
31,3
|
38,2
|
|
2.Канал передачи цифровой информации
|
Есть
|
Есть
|
5
|
0,5
|
0,5
|
2,5
|
2,5
|
|
|
|
3. Вероятность ошибки
|
3*10-5
|
1*10-5
|
33
|
11
|
00,33
|
33
|
0,99
|
|
|
|
4. Возможность использования различных ОК
|
Нет
|
Есть
|
7
|
0
|
1
|
0
|
7
|
|
|
|
5. Скорость передачи цифрового потока
|
34,368
|
334,368
|
7
|
1
|
1
|
7
|
7
|
|
|
|
6. Дальность действия
|
100 км
|
8800 км
|
6
|
0,15
|
1
|
0,8
|
6
|
|
|
|
7. Энергетический потенциал системы
|
50 дБ
|
38 дБ
|
8
|
1
|
0,6
|
8
|
4,8
|
|
|
Доли отчислений Р1 и Р2 рассчитываются как величины
обратно пропорциональные срокам службы промышленной системы и проектируемой
системы.
Так как предполагается, что сроки службы систем такого типа одинаковы и
составляют в среднем 5 лет (с учетом морального старения), то:
Р1 = Р2 = 0,2
Сопутствующие капиталовложения потребителя равны нулю.
К'1 = К'2 = 0
Рассчитаем годовые эксплуатационные издержки потребителя при
использовании промышленной системы и проектируемой системы.
Годовые эксплуатационные издержки потребителя при использовании
промышленной системы сводятся к техническому обслуживанию данной системы
специалистами. Вследствие того, что данный тип системы связи пользуется
бесплатным гарантийным обслуживанием фирмы в течение 5 лет с момента установки,
имеем:
И'1 = 1844,6;
Годовые издержки потребителя при эксплуатации проектируемой системы
включают в себя два основных пункта.
1. Зарплата обслуживающего персонала
макета (лаборант).
Заработная плата лаборанта определяется по таблице тарифных ставок
(окладов). Для 5 - го разряда - 200 рублей. Часовая тарифная ставка лаборанта
будет равна:
/169,2 = 1.18 руб/час.
Тогда за год, при среднем времени эксплуатации 6 часов в день и 252
рабочих днях:
252 * 6 * 1,18 = 1784,16 рублей.
2. Расходы на электроэнергию.
Потребляемая мощность проектируемой системы с блоком питания 0,1 кВт/ч.
Тогда за год при среднем времени эксплуатации 6 часов в день, 252 рабочих днях
и тарифе за электроэнергию 2,45 руб/кВт*ч
0,1 * 6 * 252 * 2,45 = 370 руб. 44 коп.
Следовательно, годовые издержки потребителя при эксплуатации
проектируемой системы
И'2 = 1784,16 + 378 = 2162,16 руб.
Так как разрабатываемая система выпускается единичном экземпляре, то А2
= 1
Подставляя рассчитанные значения в формулу годового экономического
эффекта (8.2), получим.
;
Эг
= 12385 руб.
Таким
образом, предприятие-изготовитель, от производства и реализации устройства,
получит годовой экономический эффект в размере 12385 руб. от единицы изделия.
.6
Расчет точки безубыточности
Эффективному
управлению экономическими и финансовыми результатами
производственно-хозяйственной деятельности организации способствует
использование методологии анализа точки безубыточности производства, в основе
которой лежит идея разделения издержек на постоянные и переменные.
Точка
безубыточности (порог рентабельности) - это такая выручка (либо количество
продукции), которая обеспечивает полное покрытие всех переменных и
условно-постоянных затрат при нулевой прибыли. Любое изменение выручки в этой
точке приводит к возникновению прибыли или убытка. Для ее вычисления можно
использовать три метода: уравнения, маржинальной прибыли и графического
изображения.
Метод
уравнения
В
качестве исходного уравнения для анализа принимают следующее соотношение
выручки, издержек и прибыли: выручка минус переменные затраты минус постоянные
затраты равно прибыль.
Если
выручку представить как произведение цены продажи единицы изделия и количества
проданных единиц, а затраты пересчитать на единицу изделия, то в точке
критического объема производства будем иметь:
кр•P
- Qкр•VC - FC=Q. (8.2)
Исходя
из этого определяем количество единиц продукции, которое необходимо продать,
чтобы достигнуть критической точки:
, (8.3)
Гдекр
- объем производства продукции в критической точке (количество единиц);
Р
- цена единицы продукции;- удельные переменные затраты на единицу продукции;-
постоянные расходы.
Рассмотрим
этот метод. Предприятие планирует продать свою продукцию по цене 22740 руб.,
постоянные расходы составляют 91412 руб., удельные переменные расходы на
единицу продукции - 22000 руб.
В
точке безубыточности прибыль равна 0, тогда из формулы 8.2 составим уравнение:
2740•Х
- 22000•Х - 91412= 0
•
X = 91412
Х=123
Таким
образом, при продаже 123 ед. изделий предприятие достигнет точки, в которой
прибыль и убытки равны.
Критическую
точку можно рассчитать и в стоимостном выражении, если умножить полученный
объем на цену единицы продукции:
•
22740 = 2797020 руб.
Порог
рентабельности можно определить как графическим (рисунок 8.1), способом. При
графическом методе точку безубыточности (порог рентабельности) находят
следующим образом:
.
Находим на оси Y значение постоянных затрат и наносим на график линию
постоянных затрат, для чего проводим прямую, параллельную оси Х;
.
Выбираем какую-либо точку на оси Х, т.е. какую-либо величину объема продаж,
рассчитываем для данного объёма величину совокупных затрат (постоянных и
переменных). Строим прямую на графике, отвечающую этому значению;
.
Выбираем снова любую величину объема продаж на оси Х и для нее находим сумму
выручки от реализации. Строим прямую, отвечающую этому значению.
Точка
безубыточности на графике - это точка пересечения прямых, построенных по
значению совокупных затрат и валовой выручки (рисунок 8.1).
В точке безубыточности получаемая предприятием выручка равна его совокупным
затратам, при этом прибыль равна нулю. Размер прибыли или убытков заштрихован.
Если предприятие продает продукции меньше порогового объема продаж, то оно
терпит убытки, если больше - получает прибыль.
Рисунок 8.1 - Графическое определение точки безубыточности
ЗАКЛЮЧЕНИЕ
В процессе выполнения курсового проекта найдено оптимальное
схемотехническое решение для приёмника профессиональной связи УКВ диапазона,
удовлетворяющее предъявленным техническим требованиям. Изучены и
проанализированы принципы построения и особенности аналогичных промышленных
радиоприёмных устройств, выбрана и обоснована структурная, функциональная и
принципиальная схемы приёмника, а также выполнен эскизный расчет некоторых
узлов приёмника, проведено схемотехническое моделирование рассчитанных узлов и
подготовлены необходимые чертежи в соответствии с требованиями ЕСКД.
Разработанный приемник полностью соответствует требованиям технического
задания и имеет следующие характеристики:
Диапазон рабочих частот - 56,5 - 58 МГц.
Вид модуляции сигнала - частотная.
Диапазон частот модуляции - 100 Гц - 3400 Гц.
Чувствительность - 5,135 мкВ.
Избирательность по зеркальному каналу - 65 дБ.
Избирательность по соседнему каналу - 70 дБ.
Избирательность по каналу прямого прохождения - 54 дБ.
Выходная мощность - 1 Вт.
Разрабатываемый профессиональный приемник может использоваться для нужд
гражданской и военной связи. Приемник использует метод синтеза частот, обладает
местным кнопочным управлением, следовательно, он может использоваться в составе
комплексов, входящих в полностью автоматизированные системы связи. В
перспективе, серия будет включать в себя шесть приемников, среди которых будут
радиоприёмные устройства для направленной связи, стационарные, передвижные и
корабельные, а также приемники, которые могут эксплуатироваться в сложных
полевых условиях.
СПИСОК
ИСПОЛЬЗУЕМЫХ ИСТОЧНИКОВ
1. Атаев
Д.И., Болотников В.А. Аналоговые интегральные микросхемы для бытовой
радиоаппаратуры: Справочник. - М.: Изд-во МЭИ, 1991 - 240с
2. Горшелев
В.Д. и др. Основы проектирования радиоприемников. Л. «Энергия», 1977 - 384с.
. Клич
С.М., Кривенко А.С., Носикова Г.Н и др. Проектирование радиоприемных устройств.
Под ред. Сиверса А.П. Учебное пособие для вузов. М., «Сов. радио», 1976 - 488
с.
. Помазанов
А.В., Румянцев К.Е. Гетеродин. Учебное пособие. Таганрог: Изд-во ТРТУ, 1995 -
37с.
. Румянцев
К.Е. Методика проектирования усилителей радиочастот. Учебно-методическое
пособие. Таганрог: Изд-во ТРТУ, 1999. 49с.
. Румянцев
К.Е. Приём и обработка сигналов Учебное пособие для студ. высш. проф.
образования. М.: Издательский центр "Академия", 2004 - 528с.
. Румянцев
К.Е. Радиоприёмные устройства: Методическое руководство по курсовому
проектированию. Таганрог: ТРТИ, 1991.
. Румянцев
К.Е. Усилители радиочастот приёмников. Учебно-методическое пособие. Таганрог:
Изд-во ТРТУ, 1997 - 49с.
. Румянцев
К.Е., Зибров В.А., Помазанов А.В., Сучков П.В. Бытовая приемно-усилительная
аппаратура под редакцией К.Е.Румянцева Учебник для студ. сред. проф.
образования. Под редакцией К.Е. Румянцева. М.: Издательский центр
"Академия", 2003 - 304 с
. Румянцев
К.Е., Клюй А.А. Детекторы амплитудно-модулированных сигналов: Учебное пособие.
Таганрог: Изд-во ТРТУ, 2000 - 45с.
. Румянцев
К.Е., Тимонов В.В. Приемники профессионвльной связи. Методическое руководство
по курсовому проектированию. Таганрог: Изд-во ТРТУ, 2000 - 41с.
13.М.К.
Белкин, В.Т. Белинский, Ю.Л. Мазор, Р.М. Терещук. Справочник по учебному
проектированию приемно-усилительных устройств. Под ред. М.К. Белкина. 2-е изд.
перераб. и доп. - К.: Выща шк. Головное изд-во, 1988. - 472 с.
. Антонов-Антипов
Ю.Н., Васильев В.П., Комаров И.В., Разевит В.Д. Сборник задач и упражнений по
курсу "Радиоприемные устройства": Учеб. пособие для вузов. Под ред.
В.И. Сифорова.. - М.: Радио и связь, 1984. - 224 с.
. Ю.А.
Судаков. Методические указания к выполнению проекта по курсу радиоприемные
устройства. Ч.2. Таганрог: ТРТИ, 1982. - 48 с.
. В.Д.
Екимов. Расчет и конструирование транзисторных радиоприемников. М.: Связь,
1972. - 215 c.
. Бессарабов
Б.Ф., Федюк В.Д., Федюк Д.В. Диоды, тиристоры, транзисторы и микросхемы
широкого применения. Справочник - Воронеж: ИПФ «Воронеж»,1994г
. К.Е.
Румянцев, А.А. Клюй. Входные устройства радиоприемников: Учебно-методическое
пособие/Таганрог. гос. радиотехн. ун-т; Таганрог, 1994. 61 с.
19. Верхопятницкий П.Д., Латинский B.C. Справочник по
модульному конструированию аппаратуры. - Л.: Судостроение, 1983. - 232 с.
20. Парфенов Б.М. и др. Проектирование конструкций
радиоэлектроннойаппаратуры: Учеб. пособие. - М.: Радио и связь, 1989. - 272 с.
21. Кузьмин А.Я. Конструирование и микроминиатюризация электронной
вычислительной аппаратуры. Учеб. пособие. - М.: Радио и связь, 1985. - 280 с.
. Краткий справочник конструктора РЭА. Под ред. Р.Г.Варламова.
-М.: Сов. радио, 1973. - 856 с.
. Справочник конструктора РЭА: Общие принципы конструирования./Л.Б.Андреева,
Н.А.Барканов, А.С.Бегинин и др. Под ред. Р.Г.Варламова. - М.: Радио и связь,
1980. - 478 с.
. Аксенова И.К., Мельников А.А. Основы конструирования
радиоэлектронных приборов: Учебник. - М.: Высш. шк., 1986. - 176 с.
. Кузьмин А.Я. Конструирование и микроминиатюризация электронной
вычислительной аппаратуры. Учеб. пособие. - М.: Радио и связь, 1985. - 280 с.
. Майоров С.А. ЭВМ: Справочник по конструированию. - М.:
Сов.радио, 1975. - 504 с.
. Романычева Э.Т. и др. Разработка и оформление конструкторскойдокументации
радиоэлектронной аппаратуры: Справочник. Под ред. Э.Т.Романычевой. - М.: Радио
и связь, 1989. - 448 с.
. Усатенко С.Т., Каченюк Т.К. Терехова М.Е. Выполнение
электрических схем по ЕСКД: Справочник. - М.: Издательство стандартов, 1989.
-352 с.
. ГОСТ 2.105-95. ЕСКД. Общие требования к текстовым документам.
Минск: ИПК. Изд-во стандартов, 1996. - 37 с.
ПРИЛОЖЕНИЕ А (справочное)
Характеристики микросхемы КФ1015ПЛ2
Микросхемы КФ1015ПЛ2 предназначены для построения
современных цифровых синтезаторов частоты с системой ФАПЧ, работающих в
диапазонах KB, УКВ и СВЧ. Приборы изготовлены по
технологии КМОП на быстродействующих транзисторах с поликремневым затвором.
В состав микросхемы входят генератор образцовой
частоты foбp, делитель образцовой частоты, усилитель-формирователь
входных импульсов ВЧ, делитель частоты с программируемым коэффициентом деления
(состоящий из двумодульного предделителя частоты на 31 и 32, пятиразрядного
счетчика управления предделителем и двенадцати старших разрядов делителя),
двадцатиразрядные приемный и буферный регистры.
Включенная по типовой схеме с необходимыми навесными
компонентами микросхема способна работать с уменьшенным энергопотреблением в
цифровых синтезаторах частоты метрового и дециметрового диапазонов.
Микросхемы КФ1015ПЛ2 выпускают в миниатюрном
пластмассовом корпусе 4308.16-1 с пластинчатыми выводами. Масса прибора не
более 0,3г.
Структурная схема прибора показана на рисунке В.1.
Цоколевка микросхемы:
Вывод 1 - общий вывод приемного и буферного регистров,
программируемого делителя частоты и частотно-фазового детектора;
Вывод 2 и 3 - выходы частотно-фазового детектора
(сигналы управления ГУНом);
Вывод 4 - контрольный выход индикации фазовой
синхронизации в петле ФАПЧ;
Вывод 5 - вход ВЧ сигнала усилителя-формирователя
тракта программируемого делителя частоты;
Вывод 6 - выход программируемого делителя частоты;
Вывод 7 - вход сигнала разрешения перезаписи
информации из приемного регистра в буферный (вход Т);
Вывод 8 - вход сигнала тактирования приемного регистра
(вход С);
Вывод 9 - плюсовой вывод питания;
Вывод 10 - вход сигнала управления коэффициентом
деления (вход D);
Вывод 11 и 12 - выводы подключения кварцевого
резонатора к генератору образцовой частоты;
Вывод 13 - вход сигнала отключения выхода делителя
образцовой частоты (при высоком уровне на вывод 13);
Вывод 14 - выход делителя образцовой частоты (при
низком уровне на вывод 13) или вход частотно-фазового детектора (при высоком
уровне на вывод 13);
Вывод 15 - общий вывод генератора образцовой частоты и
делителя этой частоты;
Вывод 16 - контрольный выход приемного регистра
Рисунок А.1 - Структурная схема микросхемы КФ1015ПЛ2А
Рисунок А.2 - Формат информационного слова
Вывод 12 служит также входом сигнала внешнего
генератора образцовой частоты. При внешнем образцовом генераторе кварцевый
резонатор к Вывод. 11, 12 не подключают, а элементы внутреннего генератора
служат усилителем-формирователем внешнего сигнала.
Основные технические характеристики
Номинальное напряжение питания, В..4,5...5,5
Пределы коэффициента деления тракта программируемого
делителя частоты………………………………………………………………..992-131071
Шаг изменения коэффициента деления………………………………....1
Коэффициенты деления делителя образцовой
частоты……………10; 20; 40; 100; 200; 400; 800; 1000
Пределы входной частоты тракта программируемого
делителя частоты,
МГц, для КФ1015ПЛ2А………………………………………….20-1000
Пределы входной частоты делителя образцовой частоты,
МГц…...1-60
Чувствительность усилителя-формирователя тракта
программируемого делителя, Вэфф =0,3...0,9
Чувствительность входа внешнего образцового генератора
(вывод 12), мВэфф80...100
Потребляемый ток, мА…………………………………………не более 14
Выходное сопротивление выходов частотно-фазового
детектора, Ом, не
более, для вывод 2…………………………………………………….....300
вывод 3……………………………………………………….……….…..200
Выходное сопротивление, Ом, не более, выходов делителя
образцовой частоты (вывод 14)……………………………………………………………..200
индикации фазовой синхронизации (вывод
4)………………………..200
генератора образцовой частоты (вывод 11)……………………………200
Входной ток, мкА, не более, входов буферного регистра
(вывод 7) и приемного регистра (вывод 8,10)±1
Входной ток, мкА, входа усилителя-формирователя (вывод
5) и входа
сигнала внешнего генератора образцовой частоты (вывод
12) при логическом уровне низком………………………………………………..…-35
высоком………………………………………………………………...+35
Рабочий температурный интервал, °С………………………….-45...+70
Предельно допустимые значения
Напряжение питания, В2,7...6
Напряжение электростатического пробоя по выводам, В,
не менее 150
Наибольшая допустимая температура, °С…………………………...+85
Наименьшая допустимая температура, °С…………………………..- 60
Коэффициентом деления программируемого делителя
частоты управляют подачей на входы регистров буферного и приемного сигналов в
двоичном коде в виде информационного слова, задаваемого микропроцессором или
контроллером. Формат информационного слова представлен на рисунке А.2.
Вид управляющих сигналов представлен на рисунке А.3.
Первыми в приемный регистр вводят биты 1 - 3 слова, определяющие выбор
коэффициента деления N0 делителя образцовой частоты согласно
таблице. Биты 4 - 20 задают коэффициент деления N программируемого делителя
(четвертый бит - старший). Скорость введения слова - не более 5 Мбит/с.
Логические уровни управляющих сигналов на выводах 7,8,10,13: низкий - менее 0,3
Uпит, высокий - более 0,7Uпит
Таблица А.1
Зависимость коэффициента деления от сетки частот ГУНа
Для показанного на рисунках 10 и 11 примера N= 71428, No = 40. Фиксация информации в каждом разряде приемного
регистра происходит по отрицательному перепаду тактовых импульсов. Длительность
импульса перезаписи информации из приемного регистра в буферный - не менее 0,1
мкс. Длительность фронта и спада управляющих сигналов на входах приемного и
буферного регистров - не более 0,02 мкс.
Структурная схема цифрового частотного синтезатора с
ФАПЧ представлена на рисунке А.4. Рассмотрим работу микросхемы в кольце ФАПЧ
при переходе с частоты fГУНl на ГУН2 для случая, когда fГУН2 > fГУНl. Для того, чтобы на входах частотно-фазового
детектора были сигналы одной частоты сравнения F0, выходная частота генератора, управляемого напряжением,
должна удовлетворять условию: fo/No=fg /N; F0 - минимальный шаг частотной сетки
ГУНа. Изменение на единицу коэффициента N приводит к соответствующего знака
изменению fg на F0.
В первый момент после изменения N частота сигнала на
выходе программируемого делителя станет меньше и частотно-фазовый детектор
начинает вырабатывать корректирующие импульсы, которые фильтр нижних частот
преобразует в повышенное напряжение Uynp на выходе ФНЧ.
Это напряжение поступает на варикапы ГУНа и повышает
его выходную частоту до тех пор, пока значения частоты сигналов на обоих входах
частотно-фазового детектора не сравняются, фазовая разность после этого будет
поддерживаться постоянной.
Зона нечувствительности частотно-фазового детектора,
обусловленная этим процессом, не превышает 1...2 нс. Схемотехника прибора
КФ1015ПЛ2 выполнена с акцентом на получение минимально возможной (для
используемого типа дискриминатора) зоны нечувствительности. Длительность
переходного процесса при установке новой частоты обратно пропорциональна частоте
F0, а также зависит от постоянной времени ФНЧ. Типовые
значения длительности переходного процесса находятся в пределах 10...100 мс. В
течение переходного процесса на контрольном выходе (вывод 4) частотно-фазовый
детектор формирует широтноимпульсный сигнал, а в режиме фазового синхронизма -
высокий уровень. Это удобно использовать для бесшумной перестройки радиотракта.
Рисунок А.3 - Вид управляющих сигналов
Типовая схема включения прибора КФ1015ПЛ2 показана на
рисунке А.5. Здесь на операционном усилителе DA1 собран активный ФНЧ. Такая схема обеспечивает широкий
частотный интервал и малое время перестройки. Разновидность типовой схемы
включения с пассивным ФНЧ представлена на рисунок А.6.
Если в синтезаторе частоты использован встроенный
образцовый кварцованный генератор, нужно учитывать, что кварцевый резонатор
должен работать на параллельном резонансе.
Рисунок А.4 - Структурная схема цифрового частотного синтезатора с ФАПЧ
При внешнем образцовом генераторе его выходное
напряжение подают на вывод 12 микросхемы через разделительный конденсатор
емкостью 1000...10 000 пФ. При включении синтезатора следует первым подавать
напряжение питания, а затем - все остальные внешние сигналы (допускается
одновременная подача питания и внешних сигналов). Выключают синтезатор в
обратной последовательности. Существенной экономии энергопотребления микросхемы
(при работе в частотном интервале до 600 МГц) можно достигнуть понижением
напряжения питания до 3,3...4 В - потребляемый ток при этом уменьшается до
4...5 мА, а чувствительность по ВЧ входу (вывод 5) улучшается. В случае
внешнего использования выходного сигнала программируемого делителя частоты
вывод 6 микросхемы следует соединить с плюсовым проводом питания через резистор
сопротивлением 1 кОм. На выходе будут импульсы низкого уровня длительностью
32Тгун, где Tгун период входного сигнала на ВЧ входе
(вывод 5).
Действие мощных импульсных помех по входам или цепям
питания, приводящее к возникновению "тиристорного" эффекта, можно
ослабить включением в разрыв провода от вывод 9 ограничительного резистора
сопротивлением 50...1000М. В перечне технических характеристик микросхемы
указан нижний предел коэффициента деления программируемого делителя частоты, равный
992. Реально это значение значительно меньше, минимально возможное - 62, но шаг
изменения коэффициента деления на этом участке может отличаться от 1.
Рисунок А.5 - Типовая схема включения прибора
КФ1015ПЛ2
Рисунок А.6 - Разновидность типовой схемы включения с пассивным ФНЧ
Функциональный состав:
I - приемный регистр емкостью 20 бит;
II - буферный регистр емкостью 20 бит;
III, IV -
буферные усилители;
V - поглощающий семиразрядный счетчик;
VI - делитель с переменным коэффициентом деления (12 разрядов);
VII - логический блок управления;
VIII - делитель опорной частоты;
IX - ключ;
X - частотно-фазовый дискриминатор;
XI - дополнительный транзистор для построения активного
интегрирующего фильтра.
Назначение выводов : (в корпусе 238.16-2):
1- выход индикации захвата (01);
2- общий;
3- сток транзистора VT1
(выход интегрирующего фильтра OIF);
4- затвор транзистора VT1
(вход интегрирующего фильтра IIF);
5- информационный вход (D);
6- вход синхросигнала (SYN);
7- вход тактового импульса перезаписи (Т);
8 - вход поглощающего счетчика делителя с переменным
коэффициентом деления (ID);
9 - напряжение питания (+1Л);
10- выход на переключение внешнего делителя типа Р/Р+1;
11- выход усилителя сигнала кварцевого резонатора (OOSC);
12- вход усилителя сигнала кварцевого резонатора (IOSC);
13- отключение ЧФД;
14- выход опорного делителя (ORP);
15- выход делителя с переменным коэффициентом деления (OFF);
16- выход частотно-фазового дискриминатора (OF).
При налаживании изготовленного синтезатора частоты
рекомендуем придерживаться определенной последовательности операций. После
включения питания следует убедиться в наличии стабильного по частоте и уровню
образцового напряжения на вывод 14. В противном случае проверяют осциллографом
с высокоомным входом наличие сигнала, близкого по форме к синусоидальному, на
вывод 11. Программируют коэффициент деления программируемого делителя в
соответствии с выражением
.
Если
сигнал контроля захвата системы ФАПЧ показывает отсутствие синхронизма (светит
светодиод HL1), то необходимо перестраивать ГУН (подстроечными элементами)
до тех пор, пока светодиод не погаснет и напряжение на выходе ФНЧ не
установится на уровне 0,5 от максимального.
Правильно
настроенное кольцо ФАПЧ обеспечивает полную перестройку ГУНа при изменении
управляющего напряжения от 0,1 до 0,9 максимального значения. Необходимо иметь
в виду, что крутизну характеристики ГУНа не следует устанавливать большей
1,5...2 МГц/В из-за ухудшения спектра синтезируемого сигнала (увеличения уровня
шумов).
Указанные
на типовых схемах номиналы резисторов и конденсаторов - усредненные. В
конкретных случаях потребуется подборка некоторых элементов. Так, например,
выбор постоянной времени ФНЧ зависит от необходимости установки двух
противоречивых параметров скорости перестройки частоты и уровня подавления
сигналов с частотой сравнения по отношению к сигналу синтезируемой частоты
(увеличение постоянной времени приводит к снижению скорости перестройки).
Понятно, что большие значения (0,5...1 МГц) позволяют достичь высокой скорости
перестройки (до 150 мкс) при весьма глубоком подавлении (60...65 дБ) частоты
сравнения F0.
ПРИЛОЖЕНИЕ Б
(справочное)
Технические характеристики ИМС К174ПС1
ИМС К174ПС1, КФ174ПС1 представляют собой двойной балансный смеситель для
частот до 200 МГц и предназначена для преобразования частот УКВ-диапазона в
радиоприемной и связной аппаратуре.
Основным узлом ИМС (рисунок Б.1) является счетверенный дифференциальный
усилитель с перекрестными связями на транзисторах VT1, VT3, VT4, VT6. Подавая
разное напряжение на базы транзисторов VT2, VT5 регулируются токи эмиттеров.
Внутренний стабилизатор (резистор R1 и диоды VD1...VD4) обеспечивает стабильную
работу ИМС по постоянному току, задавая смещение на транзисторы
Рисунок Б.1 - Принципиальная схема ИМС К174ПС1 (КФ174ПС1)
Рисунок Б.2 - Назначение выводов ИМС К174ПС1 (КФ174ПС1)
Элементы L1, C4 (рисунок Б.2) выбирают в зависимости от используемой
промежуточной частоты. Резисторы R1, R2 в схеме необязательны, их
устанавливают, чтобы увеличить крутизну преобразования. Типовая зависимость
крутизны преобразования от амплитуды опорного напряжения приведена на рисунке
Б.3.
Микросхема может быть использована в различных радиотехнических
устройствах. Рассмотрим некоторые из возможных вариантов ее применения.
Рисунок Б.3 - Типовая зависимость крутизны преобразования от амплитуды
опорного напряжения для ИМС К174ПС1
Схема усилительного устройства, которое может выполнять функции усилителя
звуковой частоты, с высокой скоростью нарастания выходного напряжения,
усилителя радиочастоты и АРУ радиоприемников. Оно представляет собой
дифференциальный усилитель с регулируемой полосой пропускания и коэффициентом
усиления. При подаче максимального (около 10 В) управляющего напряжения через
делитель R1R2 на базу транзистора VT1, протекающий через него коллекторный ток
полностью закрывает транзистор VT2 ИМС DA1 и исключает из ее усилительного
тракта дифференциальный каскад на VT1, VT3. В таком режиме ИМС DA1 имеет
максимальный (не менее 20 дБ) коэффициент передачи. По мере снижения
регулирующего напряжения коллекторный ток VT1 будет уменьшаться, транзистор VT5
микросхемы начнет открываться и включает дифференциальный каскад на
транзисторах VT1, VT3. Работая в противофазе с каскадом на транзисторах VT4,
VT6, он будет снижать коэффициент передачи микросхемы DA1. При управляющем
напряжении менее 0,6 В транзистор VT1 закроется, коллекторные токи VT2, VT5
микросхемы DA1 уравняются и коэффициент ее передачи станет равным нулю. Глубина
регулировки коэффициента усиления не менее 40 дБ. Полосу пропускания можно
изменять резистором R5, причем наиболее широкой (200 МГц) полосе соответствуют
верхнее по схеме положение движка этого резистора.
Таблица Б.1
Электрические параметры ИМС К174ПС1 (КФ174ПС1) при 25±10°С и Uип.ном =9 В
|
Ток потребления Iпот, мА, не более
|
25
|
|
Крутизна преобразования Sпрб, мА/В, не менее
|
45
|
|
Коэффициент шума Кш. дБ, не более
|
8
|
|
Верхняя граничная частота входного и опорного напряжения
fгр, МГц, не менее
|
200
|
Предельные эксплуатационные параметры ИМС К174ПС1 (КФ174ПС1)
|
Ток потребления Iпот, мА, не более
|
4,5
|
|
Напряжение питания Uип, В: минимальное максимальное
|
415
|
|
Входное Uвх и опорное Uоп напряжения, не более
|
1
|
ПРИЛОЖЕНИЕ В
(справочное)
ПАРАМЕТРЫ
ФИЛЬТРА ФП2П4-627
Основные технические и эксплуатационные характеристики фильтра:
- Неравномерность затухания в полосе пропускания: 3 дБ
- Вносимое затухание в полосе пропускания:
- на основной частоте среза: 0,5...4 дБ,
- на третьей гармонике:2...8 дБ (зависит от порядка фильтра).
- Коэффициент прямоугольности - согласовывается с потребителем.
- Относительное затухание в полосе задерживания - по
согласованию с потребителем (типовое значение от 30 дБ до 80 дБ).
- Максимальное затухание в полосе задерживания ( от 40 дБ до
110 дБ по согласованию с потребителем).
- Затухание в побочных полосах пропускания ( от 15 дБ до
86-90дБ - по согласованию с потребителем)
- Диапазон рабочих температур: - 60°С ... + 70°С.
Характеристики фильтра ФП2П4-627 приведены в таблице В.1
Таблица В.1
Характеристики фильтра ФП2П4-627
|
Тип фильтра
|
диапазон частот (номинальная частота), кГц
|
Вносимое затухание в полосе пропускания, дБ
|
Ширина полосы пропускания по уровню
|
Гарантированное затухание), дБ
|
Порядок фильтра
|
|
|
|
дБ
|
кГц
|
|
|
|
ФП2П4-627
|
10,7
|
6
|
6
|
28
|
70
|
8
|
ПРИЛОЖЕНИЕ Г (справочное)
Технические характеристики ИМС К174УР3
На рисунке показана типовая схема включения ИМС К174УР3
Рисунок Г.1 - Типовая схема включения ИМС К174УР3
Предельные эксплуатационные параметры ИМС К174УР3 указаны в таблице Г.1
Таблица Г.1
Предельные эксплуатационные параметры ИМС К174УР3
|
Параметр
|
Значение
|
|
Напряжение питания Uп, В минимальное
|
5
|
|
Напряжение питания Uп, В максимальное
|
9
|
|
Ток потребления, Iпот, мА при Uвх=0 не более
|
13
|
|
Входное напряжение Uвх, мВ, не более
|
300
|
|
Выходное напряжение низкой частоты Uвых, мВ, при t=55°С, не
менее
|
80
|
ПРИЛОЖЕНИЕ Д (Справочное)
Технические характеристики ИМС К174УН4
Микросхемы служат в качестве усилителя мощности низкой частоты с выходной
мощность до 1 Вт на нагрузку 4 Ом. Предназначена для применения в переносных
телевизорах и радиоприемниках. Аналог микросхемы TAA300 (функциональный
аналог). Содержат 32 интегральных элемента. Конструктивно оформлены в корпусе
типа 201.9-1. Масса не более 1,5 гр. Типовая схема включения микросхемы
показана на рисунке Д.1.
Рисунок Д.1 - Типовая схема включения ИМС К174УН4
Предельные эксплуатационные параметры ИМС К174УР3 указаны в таблице Д.1
Таблица Д.1
Предельные эксплуатационные параметры ИМС К174УН4
|
1
|
Напряжение питания: в предельном режиме:
|
8,1...9,9 В 5,4...10 В
|
|
2
|
Выходное напряжение: К174УН4А в предельном режиме К174УН4Б
в предельном режиме
|
2,0 В 2,25 В 1,7 В 1,87 В
|
|
3
|
Амплитуда тока в нагрузке: К174УН4А в предельном режиме
К174УН4Б в предельном режиме
|
840 мА 900 мА 710 мА 750 мА
|
|
4
|
Тепловое сопротивление: кристалл-корпус кристалл-среда
|
60°С/Вт 135°С/Вт
|
|
5
|
Температура кристалла
|
+125 °С
|
|
6
|
Температура окружающей среды
|
-25...+55°С
|
ПРИЛОЖЕНИЕ Е
Перечень графического материала
Анализ технического задания и постановка задачи проектирования, УДК
621.396.43.8, плакат, формат А1, 1 лист;
Результаты моделирования, УДК 621.396.43.8, плакат, формат А1, 1 лист;
Технико-экономическое обоснование проекта, УДК 621.396.43.8, плакат,
формат А1, 1 лист;
Безопасность и экологичность проекта, УДК 621.396.43.8, плакат, формат
А1, 1 лист;
Приёмник профессиональной связи УКВ-диапазона, ЦТРК.464344.001 Э1, схема
структурная, плакат, формат А1, 1 лист;
Приёмник профессиональной связи УКВ-диапазона, ЦТРК.464344.001 Э2, схема
электрическая функциональная, плакат, формат А1, 1 лист;
Приёмник профессиональной связи УКВ-диапазона, ЦТРК.464344.001 Э3, схема
электрическая принципиальная, плакат, формат А1, 1 лист;
Приёмник профессиональной связи УКВ-диапазона, ЦТРК.464344.001 ВО, чертёж
общего вида , плакат, формат А1, 1 лист.