Проект лабораторного стенда по исследованию приемника АМ сигнала
Дипломная работа
Проект лабораторного стенда по
исследованию приемника АМ сигнала
Содержание
Техническое задание
Аннотация
Реферат
Содержание
Введение
. Анализ технического задания и
разработка структурной схемы устройства
.1 Анализ технического задания
.1.1 Выбор способа построения тракта
приемника АМ сигналов
.1.2 Выбор средств компьютерного
моделирования
.1.3 Обзор существующих лабораторных
стендов и анализ их возможностей
.2 Разработка структурной схемы
лабораторного стенда
. Расчет схемы электрической
принципиальной устройства
.1 Расчет входной цепи
.2 Расчет усилителя радио сигналов
.3 Выбор схемы электрической
принципиальной
.3.1 Обзор усилителей преселекторов
.3.2 Входная цепь с электронной
перестройкой
.3.3 Разработанная схема
. Экспериментальное исследование
характеристик устройства
.1 Экспериментальное моделирование
.1.1 Краткие сведение о программе «
Microcap VI»
.1.2 Экспериментальное моделирование
.2 Натурное снятие характеристик со
стенда
.3 Сравнительный анализ моделирования
и эксперимента
. Технико-экономические показатели
.1 Технико-экономическое обоснование
проекта
.2 Расчет затрат на техническую
подготовку
.2.1 Расчет заработной платы
разработчиков
.2.2 Расчет материальных затрат на
создание макета
.2.3 Расчет затрат на техническую
подготовку
.3 Расчет себестоимости изделия
.4 Расчет цены изделия
.5 Расчет прибыли, ожидаемой у
предприятия изготовителя
.6 Расчет интегрального коэффициента
качества
. Безопасность и экологичность
проекта
.1 Анализ условий труда при работе со
стендом
.2 Меры защиты от вредного
воздействия производственных факторов
.3 Пожарная безопасность при
макетировании
.4 Охрана окружающей среды
Заключение
Список использованных источников
Аннотация
Дипломный проект содержит 94 страницы машинописного
текста, 63 рисунков, 12 таблиц.
В данном дипломном проекте рассматриваются вопросы
проектирования лабораторного стенда по исследованию приемника АМ сигнала.
Разработана конструкция преселектора на варикапе, приведены схемы входных
цепей, преселекторов, а также их семейства частотных характеристик, произведен
сравнительный анализ полученных данных с данными, полученными на уже
существующих стендах. В дипломном проекте также рассмотрены
технико-экономические показатели разработанного устройства, затронуты вопросы безопасности
и экологичности проекта.
Реферат
В введении рассмотрены общие вопросы развития
аналоговой техники. Рассмотрены вопросы внедрения компьютерного моделирования в
исследования.
Анализ технического задания включает выбор способа
построения тракта АМ сигналов, выбор средств компьютерного моделирования, обзор
существующих лабораторных стендов и анализ их возможностей. А также произведена
разработка структурной схемы приемника АМ сигналов.
Во 2 разделе производится расчет схемы электрической
принципиальной, расчет входной цепи, расчет усилителя радиосигналов, выбор
схемы электрической принципиальной, производится обзор усилителей
преселекторов, рассматривается входная цепь с электронной перестройкой.
В разделе технико-экономические показатели проекта
рассмотрены общие вопросы размещения изделия на рынке, произведен выбор базы
для сравнения, произведен расчет себестоимости, оценен годовой экономический
эффект производителя.
В разделе 8 произведен анализ экологичности и
безопасности для человека и окружающей среды при эксплуатации лабораторного
стенда. Выявлен класс условий труда. Рассмотрены меры защиты от вредного
воздействия производственных факторов. Рассмотрена пожаробезопасность при
макетировании. Выявлены способы охраны окружающей среды.
Введение
Целью данной работы является моделирование на ЭВМ
части радиоприемника и создание пакета лабораторных работ по исследованию
отдельных его узлов, а также создание макета лабораторного стенда. Для оценки
достоверности данных, полученных при моделировании, производится выбор
структурной и принципиальной схем приемника, номиналов элементов, а так же
качественных показателей, характеризующих качество приема.
На сегодняшний день расширение технических
возможностей радиоэлектронной аппаратуры привело к пересмотру и повышению
требований к звуковоспроизводящим и радиоприёмным устройствам. В настоящее
время специалистов, как правило, не удовлетворяет один только факт приема
радиовещательной передачи. Требуется еще и высокое качество приема, позволяющее
полностью использовать возможности современной радиовещательной аппаратуры.
Радиовещательный приемник с диапазонами длинных,
средних и коротких волн уже не может служить источником высококачественных
программ. Действительно, частотный интервал между несущими различных
радиостанций в диапазонах ДВ и СВ составляет 9 кГц, а на КВ - 10 кГц. Полоса
воспроизводимых приемником звуковых частот не превосходит в этих условиях 3-4
кГц. Далее, прием в диапазонах с АМ в сильной степени подвержен влиянию помех
естественного и искусственного происхождения.
При АМ амплитуда несущей частоты в спектре
модулированного колебания всегда больше амплитуд боковых частот и при изменении
глубины модуляции остается постоянной. Это не позволяет полностью использовать
выходную мощность усилительных приборов и реализовать оптимальные режимы
работы.
Основным направлением развития современной приемной
аппаратуры является ее миниатюризация. Уровень развития элементной базы
позволяет реализовать нарастающую сложность приемных устройств. При этом улучшаются
качественные показатели приемных устройств, повышается надежность, снижается
потребление энергии. Применение специализированных микросхем, выполняющих
функции как отдельных узлов и блоков, так и всего приемника в целом, позволило
резко сократить массу и габариты радиовещательных приемников, а использование
микропроцессорной элементной базы расширило сервисные возможности данной
аппаратуры.
Использование при разработке и исследовании приемников
систем автоматизированного проектирования (САПР), в частности различных систем
схемотехнического моделирования, позволяет производить расчет, анализ,
оптимизацию, параметрический и структурный синтез проектируемых устройств, что
дает как временной, так и экономический выигрыш. По сравнению с макетированием
моделирование на ЭВМ имеет следующие преимущества.
В задачах расчета с помощью модели можно найти
выходные параметры схем или их характеристики, которые нельзя непосредственно
измерить на макете из-за недоступности точек измерения, что особенно характерно
для интегральных схем.
В задачах анализа моделирование позволяет
проанализировать выходные параметры и характеристики схемы в предельных и
запредельных режимах, физическая реализация которых опасна для макета. Кроме
того, моделирование позволяет выполнить, например, расчет серийнопригодности и
анализ различных статистических характеристик схемы без ее запуска в серию,
анализ воздействия на схему внешних условий без реальных климатических и других
испытаний, анализ нереализуемых на макете зависимостей выходных параметров
схемы от внутренних, например зависимостей выходных параметров схемы от
внутренних параметров транзистора. В задачах оптимизации возможности макета
ограничены небольшим числом регулировочных элементов, тогда как в модели можно
варьировать любые управляемые параметры, добиваясь максимального улучшения
выходных параметров.
Роль моделирования в задачах синтеза состоит в
проверке правильности функционирования синтезированных схем путем расчета их
математических моделей. Очевидно, это можно сделать гораздо быстрее, чем
выполнить макетирование каждой синтезированной схемы.
В связи с изменением технического уровня аппаратуры
возникает и задача изменения учебного процесса для подготовки специалистов,
обладающих современными знаниями и практическими навыками.
Одним из направлений совершенствования и развития
учебного процесса является изменение проведения лабораторных работ по курсу
"Устройства приема и обработки сигналов". С помощью компьютерного
моделирования на электронно-вычислительной машине (ЭВМ) различных узлов
приемного тракта появляется возможность сделать лабораторные работы более
наглядными и эффективными. Основной целью настоящей работы является разработка
и компьютерное моделирование отдельных узлов приемного тракта приемника АМ
сигналов для последующего использования результатов в подготовке лабораторных
работ.
проект стенд исследование приемник ам-сигнал
1. Анализ
технического задания и разработка структурной схемы устройства
1.1
Анализ технического задания
1.1.1
Выбор способа построения тракта приемника АМ сигналов
Радиоприемные устройства классифицируют по их
назначению, диапазону принимаемых частот, виду модуляции, способу построения
тракта, способу питания, месту установки и так далее.
На сегодняшний день основными рассматриваемыми структурами
РПрУ являются:
1) Приемник прямого преобразования. Основное усиление
и избирательность в таком приемнике осуществляются в усилителе радиочастоты
(УРЧ), а затем сигнал сразу детектируется обычным частотным детектором.
) Супергетеродинный приемник (с преобразованием по
частоте вниз). Входные цепи приемника совместно с УВЧ обеспечивают ослабление
посторонних сигналов, достаточное для того, чтобы они не нарушали нормальной
работы смесителя, т. е. не создавали побочных каналов приема и перекрестной
модуляции. Усилитель промежуточной частоты (УПЧ) содержит избирательные цепи,
обеспечивающие защиту от помех соседних радиостанций. Приемники, построенные по
супергетеродинной схеме, обладают высокой чувствительностью и избирательностью,
поскольку усиление осуществляется еще и на промежуточной частоте, а также имеют
хорошую форму резонансной кривой, позволяют более эффективно осуществить
автоматическую регулировку усиления и автоматическую подстройку частоты (АПЧ)
гетеродина.
Основными недостатками супергетеродинных приемников
являются наличие побочных каналов приема, основные из которых зеркальный и
прямой.
) Инфрадинный приемник (с преобразованием частоты
вверх). При инфрадинном приеме
и для зеркального канала приема получаем
, т. е. зеркальный канал
располагается существенно выше принимаемой полосы частот и может быть легко
подавлен фильтром нижних частот, установленным на вход приемника.
Значительно выше принимаемого диапазона лежат и
частоты побочных каналов приема, образующихся за счет преобразования
принимаемой частоты в гармоники частоты гетеродина, т.е. частоты типа
где
т. д. При инфрадинном приеме
облегчается защита от излучения приемника на частоте гетеродина и его гармоник,
так как эти частоты лежат существенно выше необходимой полосы прозрачности
преселектора.
Наконец, при высокой промежуточной частоте снижается
коэффициент перекрытия частоты гетеродина, что позволяет осуществлять
перестройку по диапазону, без коммутации элементов контура гетеродина.
) Приемник с синхронным детектором. Применение
синхронных детекторов является одним из наилучших способов борьбы с помехами. В
самом простейшем случае синхронный детектор представляет собой гетеродин,
частота которого совпадает с частотой сигнала. При смешивании принимаемого
сигнала с сигналом гетеродина спектр первого переносится в 0. При этом
происходит фильтрация компоненты помехи, которая ортогональна сигналу
гетеродина. Наряду с этим существуют более сложные схемы фазокомпенсационного
типа, с помощью которых можно осуществить фильтрацию как амплитудных, так и
частотных помех.
Достоинством применения синхронных детекторов является
также отсутствие побочных каналов приема (зеркальный, прямой, комбинационные).
Основным же недостатком является наличие двух боковых
полос приема и более сложная схема детектора по сравнению с обычным частотным
детектором.
Наибольшее распространение получили супергетеродинные
приемники, которые, как уже отмечалось раннее, обладают рядом достоинств.
Поэтому данная структура приемника будет использоваться при изготовлении лабораторного
макета.
По назначению моделируемый приемник относится к
звуковым радиовещательным радиоприемным устройствам. Он относится к диапазонным
приемникам. Применяемая амплитудная модуляция используется в диапазонах от ДВ
до КВ. По способу построения тракта приемник относится к супергетеродинным.
Данный способ построения приемника характеризуется высокими показателями
качества, но имеет более сложную схему, чем приемники прямого усиления и
прямого преобразования. Входная цепь и УРЧ осуществляют усиление и
предварительную селекцию сигналов, что способствует уменьшению искажений в
смесителе преобразователя частоты. В смесителе происходит преобразование
модулированного колебания с частотой принимаемого сигнала в модулированное
колебание с промежуточной частотой, без изменения формы огибающей. Усилитель ПЧ
выполняет основную селекцию принимаемого сигнала и усиливает его до уровня,
достаточного для работы детектора. Постоянство настройки фильтра ПЧ позволяет
увеличить число резонансных контуров или использовать пьезокерамические,
электромеханические фильтры сосредоточенной селекции. Таким образом достигается
высокая селективность по соседнему каналу приема. Чувствительность
супергетеродинных приемников почти не зависит от частоты настройки, поскольку
усиление сигнала осуществляется, в основном, в УПЧ. Применение АРУ позволяет
расширить динамический диапазон приемника. Недостаток супергетеродинных
приемников - наличие побочных каналов приема, из которых основными являются
зеркальный и прямой каналы. Ослабление приема по побочным каналам
осуществляется повышением селективности преселектора и линейности УРЧ, а так же
правильным выбором значения промежуточной частоты /7/.
1.1.2
Выбор средств компьютерного моделирования
Одной из целей данной работы является компьютерное
моделирование отдельных узлов радиоприемного устройства и создание лабораторных
работ по курсу "Устройства приема и обработки сигналов".
При выборе программы подходящей для проведения
лабораторных экспериментов необходимо учитывать два основных требования:
. функциональные возможности программы должны
обеспечивать возможность моделирования характеристик схем различного назначения
(как аналоговых, так и цифровых) с достаточной точностью;
. программа должна быть легкой в освоении и удобной в
обращении.
В процессе подготовки к компьютерному моделированию
было проанализировано ряд пакетов программ по схемотехническому моделированию.
К сожалению современных отечественных программных
продуктов по схемотехнике обнаружить не удалось, поэтому ограничимся известными
зарубежными САПР.
Приведем краткую сравнительную характеристику
существующих программ.
Electronics Workbench 5.0 - программа схемотехнического
моделирования под управлением операционной системы Windows 95 и выше. В отличие
от других программ на экране изображаются измерительные приборы с органами
управления, максимально приближенными к реальности. Пользователь освобождается
от составления заданий на моделирование. Достаточно на схему поместить нужный
прибор, и программа автоматически проводит все необходимые расчеты для данного
вида анализа. Отмечено также удобство при рисовании и составлении схем.
Несмотря на удобный интерфейс, программа имеет
небольшую библиотеку элементов, без возможности создания новых элементов, и
ограниченные возможности в составлении и анализе схем, и предназначена скорее
для первого знакомства с электронным моделированием.
CircutMAKER 5.0 - аналогична предыдущей программе с
несколько расширенной библиотекой.
HyperSignal Block Diagram 4.0 - программа моделирования аналоговых
и цифровых устройств, заданных функциональными схемами. Невозможность анализа
принципа работы схемы ограничивает область ее применения.
System View 1.9 - программа SystemView представляет
собой великолепный конструктор, с помощью которого из стандартных «кубиков»
строится функциональная схема. После соединения всех функциональных модулей и
подключения измерительных устройств задаются системные параметры (длительность
интервала наблюдения, частота дискретизации, параметры быстрого преобразования
Фурье) и выполняется моделирование. В отдельном окне просматриваются и
обрабатываются результаты анализа. Рассчитываются преобразования Фурье
графиков, корреляционные и взаимно-корреляционные функции, выполняются
арифметические и тригонометрические операции, статистическая обработка данных и
многое другое.7.0 - предназначена для проектирования и моделирования
электрических схем и систем во временной и частотной областях. В их состав
могут входить как цифровые, так и аналоговые компоненты, в том числе устройства
диапазона СВЧ. Выполняются следующие виды расчетов: режим по постоянному току,
частотные характеристики, спектральная плотность и коэффициент шума,
чувствительность и параметрическая оптимизация, переходные процессы, спектры
сигналов, анализ периодических режимов, статистический анализ по методу
Монте-Карло. Т.е. данная программа обладает стандартным набором процедур. APLAC
обладает большим набором библиотек элементов принципиальных схем и отдельных
блоков, применяемых в аналоговых и цифровых системах связи. Кроме того, в
состав APLAC входит подпрограмма расчета трехмерных электромагнитных полей
микрополосковых конструкций и других устройств диапазона СВЧ. По своему
функциональному составу эти библиотеки превосходят библиотеки других систем.
DesignLab 8.0 - интегрированный программный
комплекс корпорации MicroSim для сквозного проектирования аналоговых, цифровых
и смешанных аналого-цифровых устройств, синтеза устройств программируемой
логики и аналоговых фильтров. Проектирование начинается с ввода принципиальной
схемы, ее моделирования и оптимизации и заканчивается созданием управляющих
файлов в формате JEDEC для программаторов, разработкой печатной платы и выводом
управляющих файлов для фотоплоттеров и сверлильных станков.
Micro-Cap
VΙ - очень
удобна для первоначального освоения схемотехнического моделирования электронных
схем и рекомендуется для выполнения исследовательских работ, не предполагающих
немедленной конструкторской реализации. Данная программа имеет удобный
интерфейс, в текстовых надписях на схемах и графиках. Она позволяет
моделировать не только аналоговые, но и цифровые и аналого-цифровые электронные
устройства, для которых используются математические модели, принятые в
известной программе PSpice.
По своим функциональным возможностям Micro-Cap VΙ
находится между
профессиональной программой моделирования аналогово-цифровых устройств PSpice
A/D, входящей в состав пакета DesignLab 8.0, и более дешевым базовым вариантом
с ограниченными возможностями PSpice A/D Basics+. Основное ее отличие от
DesignLab - работа под управлением одной управляющей оболочки, в которой при
смене режима лишь частично изменяется состав меню команд. В системе же
DesignLab при смене режима один экран полностью заменяется другим, выполненным
в ином стиле, что затрудняет ее освоение начинающими пользователями.
Приведем перечень основных характеристик Micro-Cap VΙ
/13,15/:
- многостраничный графический редактор принципиальных
схем, поддерживающий иерархические структуры;
поведенческое моделирование аналоговых и цифровых
компонентов, возможность описания цифровых компонентов с помощью логических
выражений. В сочетании с библиотекой графических символов типовых операций
(суммирование, вычитание, умножение, интегрирование, применение преобразования
Лапласа и т. п.) это позволяет моделировать динамические системы, заданные не
только принципиальными, но и функциональными схемами; большая библиотека
компонентов, включающая в себя наиболее популярные цифровые интегральные схемы
и аналоговые компоненты различных типов;
макромодели компонентов могут быть представлены в виде
принципиальных электрических схем или в текстовом виде;
графики результатов выводятся в процессе моделирования
или после его окончания по выбору пользователя, имеются сервисные возможности
обработки графиков; многовариантный анализ при вариации параметров и
статистический анализ по методу Монте-Карло;
имеется специальная программа MODEL для расчета
параметров математических моделей аналоговых компонентов по справочным или
экспериментальным данным; при наличии ошибок информация о них мгновенно
появляется на экране; имеются встроенные средства помощи.
Кроме того, программа Micro-Cap VΙ
не предъявляет высоких
требований к ресурсам оборудования и является достаточно распространенной.
Исходя из этого, можно сделать вывод, что Micro-Cap VΙ
вполне отвечает
предъявляемым требованиям и может быть использован для проведения лабораторных
исследований.
1.1.3
Обзор существующих лабораторных стендов и анализ их возможностей
На кафедре РПрУ и ТВ для проведения лабораторных работ
по курсу "Устройства приема и обработки сигналов" имеются стенды для
проведения следующих лабораторных исследований:
Исследование преселекторов (входных цепей и УРЧ);
Исследование преобразователей частоты;
Исследование частотных детекторов;
Исследование амплитудных детекторов и ограничителей;
Исследование автоматической регулировки усиления
(АРУ);
Исследование системы автоподстройки частоты
гетеродина.
Однако эффективность и информативность лабораторных
работ существенно снижается за счет износа приборов и используемого оборудования
и, как следствие, технических отказов, своевременное обнаружение которых
затруднено в связи с тем, что лица, выполняющие работы, не всегда имеют
достаточно опыта, чтобы верно интерпретировать результаты измерений.
Существенно повысить эффективность лабораторных работ может внедрение в учебный
процесс компьютерного моделирования приемников. В этом случае значительно
ускоряется и упрощается процесс снятия характеристик и разного рода графических
зависимостей исследуемой модели, а так же изменения номиналов элементов и
способов их включения.
Целью данной работы является создание лабораторного
макета, позволяющего исследовать интегральные характеристики приемника АМ
сигналов в целом и его блоков в отдельности, для последующего их использования
при проведении лабораторных работ по данной теме.
1.2
Разработка структурной схемы лабораторного стенда
Известно, что преселектор, состоящий из входной цепи и
УРЧ, определяет избирательность приемника по зеркальному каналу и по каналу
прямого прохождения. В преселекторах имеют место искажения сообщения на низких
частотах. В соответствии с /2, с.19/ различают пять основных структур
построения преселектора радиовещательных приемников, которые представлены на
рис.1,
где К - одиночный резонансный контур;
Э - электронный прибор (усилительный элемент).
Все варианты схем преселекторов содержат одно и
двухконтурные избирательные системы в ВЦ и УРЧ.
Проектирование проводилось на основе уже существующих
лабораторных стендов.
Рассматриваются отдельно ВЦ и УРЧ, причем они одноконтурные.
На основе этого выбираем первый вариант вида преселектора (рис.2).
В макете и модели антенна представляет собой контур LC.
Использовались ненастроенные антенны (укороченная и
удлиненная).
ВЦ - входная цепь - линейный четырехполюсник,
состоящий из одного или нескольких селективных элементов, выделяющих
принимаемый сигнал. В проектировании использовалась ВЦ с электронной
перестройкой на варикапе. УРЧ - усилитель радиосигналов. В проектировании
использовался обычный однокаскадный усилитель, но с электронной перестройкой,
как и в ВЦ на варикапе КВ119В.
На рисунке 1.1 у всех схем слева выход на антенну, а
справа на ПЧ.
Рисунок 1.1 - Примеры структур построения
преселекторов радиовещательных приемников
Рисунок 1.2 - Структурная схема лабораторного стенда
2. Расчет
схемы электрической принципиальной устройства
2.1 Расчет
входной цепи
Рассчитаем параметры входной цепи с трансформаторной
связью сначала для 11 поддиапазона /1-6/. Первым каскадом приемника является
резонансный усилитель радиосигнала на транзисторе ГТ308В (g11=2.5мСм
и C11=39пФ). Используется штыревая антенна. Минимальная емкость
конденсатора для перестройки контура 10пФ, максимальная - 365пФ. Собственное
затухание контура равно 0.01, максимально допустимое эквивалентное затухание
контура 0.03, затухание катушки связи 0.03. Крайние частоты 25.1 и 26.6МГц. Так
как kД=1.06<1.3, то для подгонки граничных частот контура
применяем последовательный конденсатор. Из справочных данных /1/ выберем
суммарную начальную емкость контура СΣ =30пФ. Вычисляем коэффициенты:
Находим
. Эта емкость должна подбираться при
налаживании приемника достаточно точно, поэтому выберем конденсатор КПК-1 с
изменением емкости от 2 до 15 пФ. Максимальная эквивалентная емкость контура:
.
Индуктивность контурной катушки
Антенна для приемника постоянна, поэтому можно считать
fAmin=fAmax=fA. Принимаем fА=0.7∙25.1=17.6
МГц. Выходная емкость антенны равна 6.3 пФ. Положим емкость катушки связи
равной 1пФ и емкость монтажа - 1.7пФ. Тогда емкость антенного контура:
, а индуктивность катушки связи:
.
Применяем компенсацию расстройки контура антенной на
средней частоте диапазона. Вычисляем коэффициенты:
и
.
Коэффициент связи при допустимой расстройке:
.
Коэффициент связи в режиме согласования:
Поскольку
, то можно выбирать коэффициенты из
условия получения максимального коэффициента передачи при заданном
эквивалентном затухании контура. При заданном затухании минимальная полоса
пропускания входной цепи:
,
что гораздо шире требуемой. Поэтому для повышения
селективности входной цепи можно уменьшить эквивалентное затухание контура до
0.02.
Необходимый коэффициент связи:
.
Компенсация расстройки контура вводится увеличением
индуктивности:
Рассчитанная входная цепь для 11 поддиапазона
представлена на рисунке 2.1.
Рисунок 2.1 - Входная цепь
Рассчитаем входную цепь для 2 (СВ) поддиапазона при
трансформаторной связи с первым каскадом. Эквивалентное затухание контура δЭ=0.039, а собственное 0.01. Так как kД=3.18
достаточно большой, то подгонку коэффициента диапазона контура выполняем с
помощью подстроечного конденсатора. Чтобы получить требуемый коэффициент диапазона
следует иметь:
Эквивалентная емкость контура:
.
Индуктивность контурной катушки:
.
Выбираем сердечник длиной 20 см, диаметром 8 мм при
магнитной проницаемости 1500. число витков получаем равным 42.
Высота антенны:
,
,
.
Индуктивность катушки связи:
.
Средняя емкость подстроечного конденсатора:
. Выбираем конденсатор типа КПК-1
емкостью 6-25пФ.
Эквивалентное затухание контура для середины и конца
поддиапазона:
.
Коэффициент передачи:
,
,
Полоса пропускания:
,
,
.
2.2 Расчет
усилителя радиосигналов
Рассчитаем параметры каскада усилителя радиосигнала
для поддиапазона 2 (СВ) радиовещательного приемника с транзистором ГТ308В при Iк0=2.5мА,
IБ0=7мкА, UЭК0=-5В, EК0=12В /1,2,3,4,5,6/.
Минимальная полоса пропускания радиотракта 13кГц; собственное затухание
контуров 0.015. Следующим каскадом является преобразователь частоты на том же
транзисторе при Iк0=1мА.
Так как параметры Y21, g11, g22
прямо пропорциональны коллекторному току транзистора, то найдем их значения для
заданного режима и запишем в таблицу 5. В эту же таблицу запишем результаты
расчетов усилителя.
Таблица 2.1 - Результаты расчетов для 3 частот радиотракта
|
f, кГц
|
Y21, мСм
|
g11, мкСм
|
g22, мкСм
|
С12, пФ
|
С22, пФ
|
С11, пФ
|
gвх2, мкСм
|
Свх2, пФ
|
К0
|
δЭ
|
П, кГц
|
|
515
|
87
|
1000
|
25
|
1
|
4
|
40
|
300
|
32
|
41.9
|
0.0394
|
13
|
|
920
|
87
|
1200
|
30
|
1
|
4
|
40
|
360
|
32
|
44
|
0.067
|
39
|
|
1640
|
87
|
1330
|
42
|
1
|
4
|
40
|
460
|
32
|
39.4
|
0.134
|
140
|
Рисунок 2.2 - Усилитель радиосигналов
2.3 Выбор
схемы электрической принципиальной
2.3.1
Обзор усилителей преселекторов
Усиление модулированных несущих колебаний в приемнике
осуществляется усилителями преселекторов (УП), т.е. на частоте принимаемого
сигнала. В состав усилительного каскада входят: усилительный прибор,
избирательная цепь (не обязательно), цепи связи. В качестве усилительного
прибора могут использоваться биполярные и полевые транзисторы, электронные лампы,
туннельные диоды. Интегральные схемы, параметрические и квантовомеханические
приборы и т.д.
Для получения большого коэффициента усиления
используются многокаскадные усилители. Усилители могут быть резонансные и
апериодические. Однако следует иметь в виду, что апериодические усилители имеют
относительно малый коэффициент усиления по сравнению с резонансными.
Резонансные усилители делятся на две группы: усилители с постоянной настройкой
и усилители с переменной настройкой.
В зависимости от числа контуров в составе
избирательной цепи усилителя различают одноконтурные, двухконтурные и
многоконтурные усилители. Реализуемая добротность контура ограниченна, поэтому
получить полосы меньше, чем определяемые конструктивной добротностью,
невозможно. Для построения широкополосных (не перестраиваемых) усилителей могут
использоваться многокаскадные усилители с расстроенными контурами. В усилителях
преселекторов применяют в основном два варианта включения биполярного
транзистора: с общим эмиттером (ОЭ) и с общей базой (ОБ); для полевых
транзисторов - с общим истоком (ОИ) и с общим затвором (ОЗ). Усилители с общим
эмиттером (истоком) в диапазонах метровых и более длинных волн позволяют
получить наибольшее усиление мощности. Усилители с общей базой (затвором)
отличаются большей устойчивостью, поэтому используются в более высокочастотном
диапазоне. Принципы построения и анализ резонансных усилителей идентичны для
различных типов усилительных приборов и вариантов их включения. Рассмотрим
некоторые схемы.
Рисунок 2.3 - Схема апериодического резонансного
усилителя преселекторов на биполярном транзисторе по схеме с ОЭ
На рисунке 2.3 представлена схема апериодического
резистивного усилителя преселекторов на биполярном транзисторе по схеме с ОЭ, который
может использоваться в диапазонах ДВ и СВ. С повышением частоты увеличивается
влияние проводимостей транзистора. Для уменьшения их влияния значение Rк выбирают по возможности
минимальным, вплоть до Rк=100…300
Ом. Возможно, включение последовательно с Rк корректирующего дросселя Lдр. Рабочая точка транзистора определяется резисторами
базового делителя Rб1, Rб2 и Rэ. Сопротивление Rэ также осуществляет термостабилизацию УП (ООС по постоянному току).
Емкость Cэ устраняет отрицательную обратную
связь по переменной составляющей. Цепочка RфCф образует фильтр
по цепи питания. Емкости Ср являются разделительными.
Рисунок 2.4 - Схема резонансного усилителя на
биполярном транзисторе с ОЭ
Селективным элементом усилителя является одиночный
контур, состоящий из катушки индуктивности Lк и емкости Cк.
Особенностью резонансных усилителей на биполярных транзисторах является
частичное включение контура как ко входу, так и к выходу активного элемента,
что обусловлено большими значениями входных и выходных проводимостей
транзисторов. Выбор коэффициентов включения m и n
производится из соображений получения заданного коэффициента усиления,
устойчивости, селективности, неравномерности зависимости коэффициента усиления
в заданной полосе и в общем случае является компромиссным.
Рисунок 2.5 - Схема резонансного усилителя по схеме с
ОЭ и трансформаторным включением контура в коллекторную цепь транзистора
В этой схеме напряжение питания не приложено к контуру,
что повышает надежность его работы.
Резисторы Rэ1 и Rэ2 осуществляют термостабилизацию.
При этом на Rэ1 реализуется ООС по току. Cэ устраняет ООС по току на Rэ2.
В данной схеме достаточно просто повысить
равномерность Ко в поддиапазоне, если применить трансформаторно-емкостную связь
контура с коллектором транзистора (введя емкость Cсв).
Структура преселектора современного приемника
определяется его назначением и предъявляемыми к нему техническими требованиями.
Известно, что преселектор реализует реальную чувствительность приемника и
избирательность по комбинационным каналам. На практике к преселектору
предъявляется также требование обеспечения необходимого динамического диапазона
сигнала, подаваемого на вход преобразователя частоты, то есть преселектор
совместно с другими цепями и устройствами приемника должен реализовать
автоматическую регулировку усиления.
Реализация необходимой чувствительности определяется
внутренними шумами приемника. Реализация необходимой избирательности, в первую
очередь по зеркальному и прямому каналам, обеспечивается селективными
элементами преселектора, включая фильтры-пробки.
Основной проблемой при приеме АМ-сигналов является
получение высокой избирательности и помехоустойчивости при значительной
загрузке эфира. При этом преселектор (ВЦ и УП) обеспечивает ослабление
посторонних сигналов, достаточное для того. Чтобы они не нарушали нормальной
работы смесителя, то есть не создавали побочных каналов приема и перекрестной
модуляции /7,8/.
2.3.2
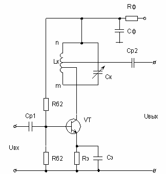
Входная цепь с электронной перестройкой
Настройка контура входной цепи может осуществляться
электронным способом с помощью варикапа.
Достоинством электронного способа перестройки
является:
1. высокая скорость перестройки,
. высокая устойчивость по отношению к климатическим
и механическим воздействиям,
. возможность реализации дистанционного управления,
4. простота реализации необходимого закона
изменения частоты.
Связь контура LкСк с антенной - емкостная через Ср, с нагрузкой -
трансформаторная. Емкость варикапа зависит от постоянного напряжения Uу. Варикап позволяет реализовать
изменение емкости контура примерно в 2
3 раз. Так как зависимость
- нелинейная, то прием сигнала или
помехи вызовет нелинейные процессы.
Рисунок 2.6 - Принципиальная схема одноконтурной
входной цепи с электронной перестройкой с помощью варикапа
При появлении сигнала среднее значение емкости
варикапа будет несколько больше значения емкости при отсутствии сигнала. Это
приводит к частотной расстройке контура. Эта частота расстройки зависит не
только от уровня сигнала. Но и от уровня помехи. Неустойчивость характеристик
входной цепи обусловлена регенерацией сигнала. Из теории нелинейных
электрических цепей известно, что при параметрическом изменении емкости контура
с частотой в 2 раза выше частоты сигнала происходит компенсация потерь в
контуре. Такое параметрическое изменение может происходить как под действием
сигнала, так и под действием помехи. Допустимое напряжение помехи на варикапе,
при котором Qк изменится не более чем на 16%,
равно
В диапазонах ДВ, СВ, КВ уровень помех может быть
достаточно большим, поэтому при электронной перестройке в антенной цепи
необходимо предусмотреть возможность подавления помехи.
В диапазоне уровни внешних помех достаточно малы и
специальных мер по подавлению не требуется. Допустимое напряжение на зажимах
контура можно увеличить путем встречно-последовательного включения. Встречное
включение варикапов уменьшает также нелинейные явления в контуре, так как при
полной симметрии характеристик варикапов четные гармоники напряжений будут
взаимно компенсироваться /7/.
2.3.3
Разработанная схема
Основываясь на вышеизложенной информации и множества
исследований, была разработана, а затем собрана схема лабораторного стенда по
исследованию приемника АМ сигналов. Схема включает в себя входную цепь с
электронной перестройкой на варикапе КВ119В и усилитель на транзисторе КТ315А с
контуром на трансформаторе ТОТ25. Схема работает в диапазоне средних волн.
3. Экспериментальное исследование характеристик устройства
3.1
Экспериментальное моделирование работы устройства
3.1.1
Краткие сведения о программе «Microcap VI»
Используется многооконный интерфейс с ниспадающими и
разворачивающимися меню /15/. После вызова программы MC6 на экране выводится окно редактора схем. Схемы создаются и
редактируются с помощью набора команд (рис.3.1). доступные команды и
соответствующие им пиктограммы ярко высвечиваются, недоступные затемнены.
Рисунок 3.1 - Панель инструментов в режиме ввода и
редактирования схемы
Таблица 3.1 - Элементы панели
управления в режиме редактирования схемы
|
Выполняемые действия
|
Команда меню
|
|
1
|
Выделение объекта или
группы объектов
|
Otions|Mode|Select
|
|
2
|
Ввод компонентов в схему
|
Component
|
|
3
|
Ввод текста на поле схемы
|
Otions|Mode|Text
|
|
4
|
Ввод ортогональных
соединительных проводников
|
Otions|Mode|WireD
|
|
5
|
Ввод прямых соединительных
проводников
|
Otions|Mode|Wire
|
|
6
|
Ввод геометрических фигур
(прямая, ромб, эллипс и т.д.)
|
Otions|Mode|Line и т.д.
|
|
7
|
Ввод флага
|
Otions|Mode|Flag
|
|
8
|
Оперативная информация о
параметрах компонентов
|
Otions|Mode|Info
|
|
9
|
Оперативная справка о
правилах применения компонентов
|
Otions|Mode|Help
|
|
10
|
Путь цифрового сигнала от
заданной точки к выходу
|
Otions|Mode|Point to End
|
|
11
|
Путь цифрового сигнала
между двумя точками
|
Otions|Mode|Point to Point
|
|
12
|
Все возможные пути
цифрового сигнала в схеме
|
Options|Show All Digit.
Paths
|
|
13
|
Выбор цвета изображения
текста
|
Edit|Color
|
|
14
|
Выбор шрифта текста
|
Edit|Font
|
|
15
|
Выбор набора изображаемых
на схеме атрибутов компонентов
|
Edit|Change Attr. Display
|
|
16
|
Переместить узел вперед
|
Edit|Bring to Front
|
|
17
|
Переместить узел назад
|
Edit|Send to Back
|
|
18
|
Отменить последнюю операцию
|
Edit|Undo
|
|
Выполняемые действия
|
Команда меню
|
|
19
|
Вырезать (и поместить на
Clipboard)
|
Edit|Cut
|
|
20
|
Копировать (на Clipboard)
|
Edit|Copy
|
|
21
|
Вставить (вклеить)
содержимое Clipboard на место курсора
|
Edit|Paste
|
|
22
|
Удалить (выделенную область
или объекты)
|
Edit|Clear
|
|
23
|
Расположить открытые окна
горизонтально
|
Windows|Tile Horiz
|
|
24
|
Расположить открытые окна
вертикально
|
Windows|Tile Vertical
|
|
25
|
Расположить открытые окна
каскадом
|
Windows|Cascade
|
|
26
|
Сделать активное окно
максимальным
|
Windows|Maximize
|
|
27
|
Многократно копировать
выделенную часть схемы в направлении оси X или Y
|
Edit|Box|Step Box…
|
|
28
|
Добавить к схеме зеркальную
копию ее выделенной части
|
Edit|Box|Mirror Box…
|
Вращение выделенного
объекта против часовой стрелки
|
Edit|Box|Rotate
|
|
30
|
Вращение выделенного объекта
вокруг верт. оси
|
Edit|Box|Flip y
|
|
31
|
Вращение выделенного
объекта вокруг гор. оси
|
Edit|Box|Flip x
|
|
32
|
Найти заданный компонент в
схеме
|
Edit|Find
|
|
33
|
Доступ к калькулятору
|
Windows|Calculator
|
|
34
|
Открыть существующий файл
|
Windows|Open…
|
|
35
|
Сохранить активный файл
|
Windows|Save
|
|
36
|
Вернуться к дисковой версии
файла
|
Windows|Revert
|
|
37
|
Копировать операторы модели
из библиотеки
|
Edit|Add Model Statements
|
|
38
|
Создать файл в формате
PSpice
|
File|Create SPICE file…
|
|
39
|
Настройка пользовательского
интерфейса
|
Options|Preferences
|
|
40
|
Установка параметров MC6,
используемых “по умолчанию”
|
Options|Global Settings
|
|
41
|
Увеличить изображение
|
Windows|Zoom In
|
|
42
|
Уменьшить изображение
|
Windows|Zoom Out
|
|
43
|
Показать текст комментариев
к схеме
|
Options|View|Grid Text
|
|
44
|
Показать текст атрибутов
компонентов
|
Otions|View|Attrib.Text
|
|
45
|
Показать номера узлов схемы
|
Options|View|Node Numb.
|
|
46
|
Показать напряжения в узлах
(лог. сост. для цифр. схем)
|
Options|View|Node Volt/St
|
|
47
|
Показать точки подключения
компонентов к схеме
|
Options|View|Pin Connect.
|
|
48
|
Показать текст моделей и
команд
|
Otions|View|Comm. Text
|
|
49
|
Показать курсор как
перекрестие ортогональных линий
|
Options|View|Cross hair C.
|
|
50
|
Показать сетку на схеме
|
Options|View|Grid
|
|
51
|
Чертить на листе рамку
|
Otions|View|Border
|
|
52
|
Чертить на листе рамку с
титульной надписью
|
Options|View|Title
|
Чтобы открыть существующий файл необходимо в основном
меню выбрать File/Open.
Расширение *.CIR - имеют схемы в формате MC6;
*.LIB - текстовое описание библиотек; *.LBR - сокращенные библиотеки
математических моделей в формате MK6;
*.MDL - полные библиотеки математических
моделей компонентов в формате MK6.
Для создания нового файла в меню File необходимо выбрать команду New. Здесь рис. 3.2 предлагается выбор
сделать выбор:
Schematic - создание новой схемы;
SPICI/Text -
создание нового текстового файла с описанием схемы или библиотеки
математических моделей компонентов в формате Spice;
Library - создание нового бинарного файла библиотек.
Рисунок 3.2 - Создание нового вида файла
Выбор вида анализа характеристик схемы указывается в
меню Analysis:
Transient Analysis - анализ переходных процессов;
AC Analysis - анализ частотных характеристик;
DC Analysis - анализ передаточной функции по
постоянному току.
Рисунок 3.3 - Меню задания параметров моделирования
при AC Analysis
В строке Frequency Range
указываются границы диапазона частот, на строке Frequency Step - тип шага по частоте. Рекомендуется при первых
расчетах отметить строку Auto Scale Ranges и предоставить определение пределов
ЭВМ. В дальнейшем, сняв отметку, можно вносить изменения по собственному
усмотрению. В графе Y expression указываются имена переменных для
построения графиков частотных характеристик. Переменные при расчете частотных
характеристик являются комплексными. Примеры их записи:
V(9) - модуль напряжения в узле 9;
Db(V(9)) - модуль
напряжения в узле 9 в децибелах;
Re(V(9)), im(V(9)), ph(V(9)) - действительная, мнимая части
напряжения и фаза напряжения в градусах соответственно.
Для начала анализа необходимо нажать Run.
Рисунок 3.4 - Многовариантный анализ
Проведение многовариантного анализа при вариации
любого параметра компонента схемы или его модели возможно при нажатии опции Stepping (рис.3.4).
В графе Parameter Type выбирают тип
варьируемого параметра. Затем в строке Step What указывают имя варьируемого параметра, From - с какого To - по какой предел изменять Step Value - и с каким шагом. В графе Step it включают кнопку Yes. В графе Method выбирают Linear - линейный или
Log - логарифмический методы. Возможна вариация сразу 10
параметров.
Рисунок 3.5 - Панель инструментов в режиме анализа
Каждая из кнопок приведена в таблице 3.2
Таблица 3.2 - Элементы панели управления в режиме
анализа
|
Выполняемые действия
|
Команда меню
|
|
1
|
Выделение объекта или
группы объектов
|
Options|Mode|Select
|
|
2
|
Ввод геометрических фигур
(прямая, ромб, эллипс и т.д.)
|
Options|Mode|Line и т.д.
|
|
3
|
Переключение мыши в режим
Scale (шкала)
|
Options|Mode|Scale.
|
|
4
|
Переключение мыши в режим
Cursor (Курсор)
|
Options|Mode|Cursor
|
|
5
|
Измерение расстояния по
горизонтали и нанесение на график
|
Options|Mode|Horiz.Tag
|
|
6
|
Измерение расстояния по
вертикали и нанесение на график
|
Options|Mode|Vert. Tag
|
|
7
|
Измерение координат точки и
нанесение их на график
|
Options|Mode|Point Tag
|
|
8
|
Ввод текста в режиме
Absolute (абсолютные координаты)
|
Options|Mode|Text Abs
|
|
9
|
Ввод текста в режиме
Relative (относительные координаты)
|
Options|Mode|Text Rel
|
|
10
|
Оперативная справка о
правилах применения компонентов
|
Options|Mode|Help
|
|
11
|
Выбор цвета изображения
текста
|
Edit|Color
|
|
12
|
Выбор шрифта текста
|
Edit|Font
|
|
13
|
Отменить последнюю операцию
|
Edit|Undo
|
|
14
|
Вырезать (и поместить на
Clipboard)
|
Edit|Cut
|
|
15
|
Копировать (на Clipboard)
|
Edit|Copy
|
|
16
|
Вставить (вклеить)
содержимое Clipboard на место курсора
|
Edit|Paste
|
|
17
|
Удалить (выделенную область
или объекты)
|
Edit|Clear
|
|
18
|
Расположить открытые окна
горизонтально
|
Windows|Tile Horizontal
|
|
№ кн
|
Выполняемые действия
|
Команда меню
|
|
19
|
Расположить открытые окна
вертикально
|
Windows|Tile Vertical
|
|
20
|
Расположить открытые окна
каскадом
|
Windows|Cascade
|
|
21
|
Сделать активное окно
максимальным
|
Windows|Maximize
|
|
22
|
Доступ к калькулятору
|
Windows|Calculator
|
|
23
|
Настройка пользовательского
интерфейса
|
Options|Preferences
|
|
24
|
Увеличить изображение
|
Windows|Zoom In
|
|
25
|
Уменьшить изображение
|
Windows|Zoom Out
|
|
26
|
Доступ к окну выбора
параметров анализа
|
Transient|Limits…
|
|
27
|
Доступ к окну вариации
параметров компонентов схемы
|
Transient|Stepping
|
|
28
|
Вывод результатов анализа в
виде графиков
|
Transient|Analyses Plot
|
|
29
|
Вывод результатов анализа в
числовом виде
|
Transient|Numeric Output
|
|
30
|
Установка начальных условий
для цикла анализа
|
Transient|State Var. Editor
|
|
31
|
Установка условий анализа
схемы методом Монте-Карло
|
Monte Carlo|Options
|
|
32
|
Показать текст комментариев
к схеме
|
Options|View|Grid Text
|
|
33
|
Показать текст атрибутов
компонентов
|
Options|View|Attrib.Text
|
|
34
|
Показать номера узлов схемы
|
Options|View|Node Numb.
|
|
35
|
Показать напряжения в узлах
(лог. сост. для цифр. схем)
|
Options|View|Node Volt/St
|
|
36
|
Показать точки подключения
компонентов к схеме
|
Options|View|Pin Connect.
|
|
37
|
Показать текст моделей и
команд
|
Options|View|Comm. Text
|
|
38
|
Показать курсор как
перекрестие ортогональных линий
|
Options|View|Cross hair C.
|
|
39
|
Показать сетку на схеме
|
Options|View|Grid
|
|
40
|
Чертить на листе рамку
|
Options|View|Border
|
|
41
|
Чертить на листе рамку с
титульной надписью
|
Options|View|Title
|
|
42
|
Показать на графике маркеры
числовых данных анализа
|
Отсутствует
|
|
43
|
Нанести маркеры на оси
координат графиков
|
Отсутствует
|
|
44
|
Пометить маркерами разные
кривые на графике
|
Отсутствует
|
|
№ кн
|
Выполняемые действия
|
Команда меню
|
|
45
|
Нанести на график
вертикальную сетку
|
Отсутствует
|
|
46
|
Нанести на график
горизонтальную сетку
|
Отсутствует
|
|
47
|
Добавить логарифмическую
сетку более мелкого масштаба
|
Отсутствует
|
|
48
|
Переместить курсор к
следующей точке числовых данных
|
Отсутствует
|
|
49
|
Переместить курсор к точке
локального максимума
|
Отсутствует
|
|
50
|
Переместить курсор к точке локального
минимума
|
Отсутствует
|
|
51
|
Переместить курсор к точке
глобального максимума
|
Отсутствует
|
|
52
|
Переместить курсор к точке
глобального минимума
|
Отсутствует
|
|
53
|
Переместить курсор к точке
перегиба
|
Отсутствует
|
|
54
|
Переместить курсор к точке
локального минимума
|
Отсутствует
|
|
55
|
Поместить курсор в точку с
заданной абсциссой
|
Отсутствует
|
|
55
|
Поместить курсор в точку с
заданной ординатой
|
Отсутствует
|
|
56
|
Выполнить цикл анализа
|
Отсутствует
|
|
57
|
Прерывание цикла анализа
(без возможности продолжения)
|
Отсутствует
|
|
58
|
Пауза в цикле анализа (с
возможностью его продолжения)
|
Отсутствует
|
|
59
|
Режим анализа с
возможностью единичной за цикл визуальной фиксации напряжений во всех узлах
схемы
|
Отсутствует
|
3.1.2
Экспериментальное моделирование
Для исследования приемника на компьютере необходимо
провести моделирование отдельных блоков приемника. В результате данной работы
были смоделированы различные виды входных цепей на СВ диапазон.
Входная цепь связывает антенно-фидерную систему со
входом первого активного каскада. Ее назначение - передача полезного сигнала от
антенны ко входу первого активного элемента РпрУ и предварительная фильтрация
помех от побочных каналов. Основные характеристики ВЦ: коэффициент передачи по
напряжению, полоса пропускания, селективность, перекрытие заданного диапазона
частот, постоянство параметров ВЦ при перестройке по диапазону (изменении
параметров антенны и активного элемента).
При моделировании ВЦ были рассмотрены все возможные
схемы подключения к антенне и нагрузки. Как известно, подключение к ВЦ нагрузки,
как и антенны, приводит к ухудшению селективности ВЦ, уменьшению коэффициента
передачи, некоторой расстройке. Для уменьшения влияния нагрузки и антенны на
характеристики ВЦ следует выбрать связь слабой, мало зависящей от частоты, либо
с противоположным характером зависимости по отношению к антенне. Процесс
моделирования и предназначен для решения данной задачи. Наиболее распространена
трансформаторная связь, которая может работать в режиме удлинения и укорочения.
Автотрансформаторную связь обычно применяют при работе от штыревых антенн.
Внешнеемкостная связь может иметь достаточно высокий коэффициент передачи, но
обладает значительной неравномерностью К по диапазону, поэтому предпочтительна
для растянутых диапазонов, а так же для ВЦ с индуктивной настройкой.
Внутриемкостная связь применяется при антеннах с малой емкостью и позволяет
реализовать достаточно постоянный коэффициент передачи ВЦ по диапазону.
Комбинированная связь обеспечивает высокое значение К, малую неравномерность К
по диапазону, однако хуже ослабляются высокочастотные побочные каналы.
Было проведено исследование входных цепей и усилителей
радиочастот приемных устройств для средневолнового диапазона (СВ). Были
смоделированы на компьютере в среде программы MK6 входные цепи с различными видами связей с антенной и УРЧ.
Рисунок 3.6 - Эквивалент удлиненной антенны диапазона
СВ
Рисунок 3.7 - Частотная характеристика эквивалента
удлиненной антенны
Рисунок 3.8 - Эквивалент укороченной антенны диапазона
СВ
Рисунок 3.9 - Частотная характеристика эквивалента
укороченной антенны
Рисунок 3.10 - Входная цепь диапазона СВ, удлиненная
антенна. Трансформаторная связь с антенной и емкостная с нагрузкой (3кОм)
Рисунок 3.11 - Семейство выходных частотных
характеристик входной цепи диапазона СВ (удлиненная антенна). Трансформаторная
связь с антенной и емкостная с нагрузкой (3кОм)
Рисунок 3.12 - Частотная характеристика на выходе
антенны ВЦ СВ, удлиненная антенна, трансформаторная связь с антенной и
емкостная с нагрузкой (3кОм)
Рисунок 3.13 - Входная цепь диапазона СВ, удлиненная
антенна. Трансформаторная связь с антенной и емкостная с нагрузкой (1МОм)
Рисунок 3.14 - Семейство выходных частотных
характеристик входной цепи диапазона СВ (удлиненная антенна). Трансформаторная
связь с антенной и емкостная с нагрузкой (1МОм)
Рисунок 3.15 - Входная цепь диапазона СВ, укороченная
антенна. Трансформаторная связь с антенной и емкостная с нагрузкой (3кОм)
Рисунок 3.16 - Семейство выходных частотных
характеристик входной цепи диапазона СВ (укороченная антенна). Трансформаторная
связь с антенной и емкостная с нагрузкой (3кОм)
Рисунок 3.17 - Входная цепь диапазона СВ, удлиненная
антенна. Емкостная связь с антенной и емкостная с нагрузкой (3кОм)
Рисунок 3.18 - Семейство выходных частотных
характеристик входной цепи диапазона СВ (удлиненная антенна). Емкостная связь с
антенной и емкостная с нагрузкой (3кОм)
Рисунок 3.19 - Семейство выходных частотных
характеристик входной цепи диапазона СВ (удлиненная антенна). Емкостная связь с
антенной и емкостная с нагрузкой (1МОм)
Рисунок 3.20 - Входная цепь диапазона СВ, укороченная
антенна. Емкостная связь с антенной и емкостная с нагрузкой (3кОм)
Рисунок 3.30 - Семейство выходных частотных
характеристик входной цепи диапазона СВ (укороченная антенна). Емкостная связь
с антенной и емкостная с нагрузкой (3кОм)
Рисунок 3.31 - Семейство выходных частотных
характеристик входной цепи диапазона СВ (укороченная антенна). Емкостная связь
с антенной и емкостная с нагрузкой (1МОм)
Рисунок 3.32 - Входная цепь диапазона СВ, удлиненная
антенна. Трансформаторная связь с антенной и автотрансформаторная с нагрузкой
(1кОм)
Рисунок 3.33 - Семейство выходных частотных
характеристик входной цепи диапазона СВ (удлиненная антенна). Трансформаторная
связь с антенной и автотрансформаторная с нагрузкой (1кОм)
Рисунок 3.34 - Входная цепь диапазона СВ, укороченная
антенна. Трансформаторная связь с антенной и автотрансформаторная с нагрузкой
(1кОм)
Рисунок 3.35 - Семейство выходных частотных
характеристик входной цепи диапазона СВ (укороченная антенна). Трансформаторная
связь с антенной и автотрансформаторная с нагрузкой (1кОм)
В процессе моделирования были также рассмотрены другие
эквиваленты антенн.
Рисунок 3.36 - Входная цепь диапазона СВ, удлиненная
антенна. Трансформаторная связь с антенной и непосредственное включение
нагрузки
Рисунок 3.37 - Семейство выходных частотных
характеристик входной цепи диапазона СВ (удлиненная антенна). Трансформаторная
связь с антенной и непосредственное включение нагрузки
Рисунок 3.38 - Входная цепь диапазона СВ, укороченная
антенна. Трансформаторная связь с антенной и непосредственное включение
нагрузки
Рисунок 3.39 - Семейство выходных частотных
характеристик входной цепи диапазона СВ (укороченная антенна). Трансформаторная
связь с антенной и непосредственное включение нагрузки
Рассматривались также различные преселекторы
Рисунок 3.40 - Преселектор, состоящий из входной цепи
(укороченная антенна) и одного каскада усилителя диапазона СВ. Трансформаторная
связь с антенной и непосредственное включение нагрузки
Рисунок 3.41 - Семейства выходных частотных
характеристик на выходе ВЦ и преселектора диапазона СВ. Трансформаторная связь
с антенной и непосредственное включение нагрузки
Рисунок 3.42 - Преселектор, состоящий из входной цепи
(укороченная антенна) и двух каскадного усилителя диапазона СВ.
Трансформаторная связь с антенной и непосредственное включение нагрузки
Рисунок 3.43 - Семейства выходных частотных
характеристик на выходе ВЦ и преселектора диапазона СВ. Трансформаторная связь
с антенной и непосредственное включение нагрузки
Рассматривались и другие эквиваленты антенн.
Для обеспечения идентичности измерений ГОСТ
рекомендует единый эквивалент, соответствующий наружной антенне высотой 5м,
пригодной для диапазона 0,15
30МГц. Электрическая схема этого эквивалента показана на
рис.3.44.
Рисунок 3.44 - Электрическая схема эквивалента антенны
по ГОСТ
Применяя этот эквивалент, рассматривались те же схемы.
Рисунок 3.45 - Частотная характеристика антенны по
ГОСТ
Рисунок 3.46 - Входная цепь, трансформаторная связь с
антенной и непосредственная с нагрузкой (укороченная антенна), СВ диапазон
Рисунок 3.47 - Семейство выходных частотных характеристик
входной цепи диапазона СВ (укороченная антенна). Трансформаторная связь с
антенной и непосредственная с нагрузкой (1кОм)
Рисунок 3.48 - Входная цепь, трансформаторная связь с
антенной и емкостная с нагрузкой (укороченная антенна), СВ диапазон
Рисунок 3.49 - Семейство выходных частотных
характеристик входной цепи диапазона СВ (укороченная антенна). Трансформаторная
связь с антенной и емкостная с нагрузкой (1кОм)
Рисунок 3.50 - Входная цепь, емкостная связь с
антенной и емкостная с нагрузкой (укороченная антенна), СВ диапазон
Рисунок 3.51 - Семейство выходных частотных
характеристик входной цепи диапазона СВ (укороченная антенна). Емкостная связь
с антенной и емкостная с нагрузкой (1кОм)
Рисунок 3.52 - Входная цепь, автотрансформаторная
связь с антенной и непосредственная с нагрузкой (удлиненная антенна), СВ
диапазон
Рисунок 3.53 - Семейство выходных частотных характеристик
входной цепи диапазона СВ (удлиненная антенна). Автотрансформаторная связь с
антенной и непосредственная с нагрузкой (7кОм)
Проанализировав полученные данные,
получили для представленных схем ВЦ СВ диапазона следующие результаты:
ВЦ с трансформаторной связью с антенной и емкостной с
нагрузкой (удлиненная антенна), нагрузка 3кОм:
Неравномерность коэффициент передачи по диапазону
К=262,9/33,15=7,9;
Избирательность по зеркальному каналу σзк=32дБ;
Избирательность по прямому каналу σпр=17дБ;
Полоса пропускания по уровню 0,707 П=13кГц.
ВЦ с трансформаторной связью с антенной и емкостной с
нагрузкой (укороченная антенна), нагрузка 3кОм:
Неравномерность коэффициент передачи по диапазону
К=35,5/11,5=3,1;
Избирательность по зеркальному каналу σзк=29дБ;
Избирательность по прямому каналу σпр=40дБ;
Полоса пропускания по уровню 0,707 П=23кГц.
ВЦ с автотрансформаторной связью с антенной и
непосредственным включением нагрузки (удлиненная антенна), нагрузка 1МОм:
Неравномерность коэффициент передачи по диапазону К=339/206=1,6;
Избирательность по зеркальному каналу σзк=18дБ;
Избирательность по прямому каналу σпр=8,1дБ;
Полоса пропускания по уровню 0,707 П=220кГц.
ВЦ с автотрансформаторной связью с антенной и
непосредственным включением нагрузки (укороченная антенна), нагрузка 1МОм:
Неравномерность коэффициент передачи по диапазону
К=860/358=2,4;
Избирательность по зеркальному каналу σзк=10дБ;
Избирательность по прямому каналу σпр=30дБ;
Полоса пропускания по уровню 0,707 П=310кГц.
ВЦ с емкостной связью с антенной и емкостной с
нагрузкой (удлиненная антенна), нагрузка 3кОм:
Неравномерность коэффициент передачи по диапазону
К=66,05/11,5=5,7;
Избирательность по зеркальному каналу σзк=35дБ;
Избирательность по прямому каналу σпр=19дБ;
Полоса пропускания по уровню 0,707 П=16кГц.
ВЦ с емкостной связью с антенной и емкостной с
нагрузкой (укороченная антенна), нагрузка 3кОм:
Неравномерность коэффициент передачи по диапазону
К=723/77=9,39;
Избирательность по зеркальному каналу σзк=26дБ;
Избирательность по прямому каналу σпр=29дБ;
Полоса пропускания по уровню 0,707 П=141кГц.
ВЦ с трансформаторной связью с антенной и
автотрансформаторной с нагрузкой (удлиненная антенна), нагрузка 1кОм:
Неравномерность коэффициент передачи по диапазону
К=1,17/0,555=2,1;
Избирательность по зеркальному каналу σзк=39дБ;
Избирательность по прямому каналу σпр=16дБ;
Полоса пропускания по уровню 0,707 П=20кГц.
ВЦ с трансформаторной связью с антенной и
автотрансформаторной с нагрузкой (укороченная антенна), нагрузка 1кОм:
Неравномерность коэффициент передачи по диапазону
К=715/233,25=3,06;
Избирательность по зеркальному каналу σзк=37дБ;
Избирательность по прямому каналу σпр=34дБ;
Полоса пропускания по уровню 0,707 П=51кГц.
Для ВЦ с антенной (диапазон СВ),
построенной по ГОСТ, получены были следующие данные:
ВЦ с емкостной связью с антенной и емкостной с
нагрузкой (укороченная антенна), нагрузка 1МОм:
Неравномерность коэффициент передачи по диапазону
К=540/185=2,9;
Избирательность по зеркальному каналу σзк=36,5дБ;
Избирательность по прямому каналу σпр=56дБ;
Полоса пропускания по уровню 0,707 П=25кГц.
ВЦ с трансформаторной связью с антенной и емкостной с
нагрузкой (укороченная антенна), нагрузка 1кОм:
Неравномерность коэффициент передачи по диапазону
К=20,2/4,32=4,7;
Избирательность по зеркальному каналу σзк=30,3дБ;
Избирательность по прямому каналу σпр=44дБ;
Полоса пропускания по уровню 0,707 П=41кГц.
ВЦ с трансформаторной связью с антенной и
непосредственным включением нагрузки (укороченная антенна), нагрузка 20кОм:
Неравномерность коэффициент передачи по диапазону К=257,6/69,5=3,7;
Избирательность по зеркальному каналу σзк=12дБ;
Избирательность по прямому каналу σпр=37дБ;
Полоса пропускания по уровню 0,707 П=353кГц.
Для преселектора с однокаскадным УРЧ,
трансформаторной связью с антенной и непосредственным включением нагрузки,
диапазон СВ (укороченная антенна), были получены следующие данные:
Неравномерность коэффициент передачи по диапазону
К=1,637/0,5133=3,2;
Избирательность по зеркальному каналу σзк=36дБ;
Избирательность по прямому каналу σпр=30дБ;
Полоса пропускания по уровню 0,707 П=14кГц.
Для преселектора с двухкаскадным УРЧ,
трансформаторной связью с антенной и непосредственным включением нагрузки,
диапазон СВ (укороченная антенна), были получены следующие данные:
Неравномерность коэффициент передачи по диапазону
К=5,349/0,919=5,8;
Избирательность по зеркальному каналу σзк=33дБ;
Избирательность по прямому каналу σпр=54дБ;
Полоса пропускания по уровню 0,707 П=13кГц.
Макет лабораторного стенда для
исследования приемника АМ сигналов разрабатывался в MC5.
Рисунок 3.54 - Схема электрическая лабораторного
стенда
По первому максимуму были получены следующие
экспериментальные данные для разработанного в МС5 схемы лабораторного стенда:
Неравномерность коэффициент передачи по диапазону
К=2,392/1,25=1,914;
Избирательность по зеркальному каналу σзк=33дБ;
Избирательность по прямому каналу σпр=9дБ;
Полоса пропускания по уровню 0,707 П=73кГц.
Рисунок 3.55 - Семейство выходных частотных характеристик,
снятых с разработанного лабораторного стенда
Получение данных производилось следующим образом для
разработанного лабораторного стенда.
В первую очередь рассматривался самый большой максимум
из всего рассматриваемого семейства частотных характеристик. Определялась
частота настройки и значение максимума кривой характеристики преселектора
(верхняя стрелка). Затем определялось значение вершины самой низкой из
частотных характеристик. Делением максимального значения на минимальное
определялась неравномерность коэффициента передачи по диапазону. По уровню
0,707 у самой высокой характеристики определялась полоса пропускания приемника,
настроенного на частоту при высокой вершине. При этом использовались
специальные возможности самой программы МС5 в виде двух точек, перемещающихся
по клику правой или левой клика мыши, причем при этом они показывают и уровень
сигнала, и частоту, на которой находится в данный момент точка.
Избирательность по зеркальному каналу определялась
следующим образом. Рассматривалась характеристика с максимальной вершиной. От
частоты настройки этой характеристики откладывалась 2fпр=465*2=930кГц в сторону возрастания частоты.
Правым кликом устанавливали одну из вспомогательных
точек на полученной частоте (точка «привязана» к рассматриваемому графику) и
определяли значение напряжения в этой точке. Затем брали двадцать десятичных
логарифмов от отношения значения максимума и полученного значения на частоте
зеркального канала.
Избирательность по прямому каналу определялась
следующим образом. Левым кликом мыши устанавливали точку на частоту 465кГц.
Записывали значение напряжения. Затем брали двадцать логарифмов от отношения
значения максимума и полученного значения на частоте прямого канала.
3.2
Натурное снятие характеристик со стенда
Работа проводилась в лаборатории кафедры РПрУиТВ на
втором этаже корпуса Г в к.212.
Съем частотных характеристик проводился при помощи
генераторов, осциллографов и вольтметров, расположенных в лаборатории.
Снимались данные, как с разработанного лабораторного стенда, так и со стендов
по лабораторной работе «Входные устройства».
Полученные результаты представлены ниже.
Рисунок 3.56 - Схема лабораторного стенда «Входные
устройства»
Проанализировав полученные данные, получили для схем
ВЦ СВ диапазона следующие результаты:
ВЦ с трансформаторной связью с антенной и емкостной с
нагрузкой (удлиненная антенна), нагрузка 1кОм:
Неравномерность коэффициент передачи по диапазону
К=54/26,15=1,9;
Избирательность по зеркальному каналу σзк=24дБ;
Избирательность по прямому каналу σпр=17дБ;
Полоса пропускания по уровню 0,707 П=130кГц.
ВЦ с трансформаторной связью с антенной и емкостной с
нагрузкой (укороченная антенна), нагрузка 1кОм:
Неравномерность коэффициент передачи по диапазону
К=35,5/11,5=3,1;
Избирательность по зеркальному каналу σзк=22дБ;
Избирательность по прямому каналу σпр=10дБ;
Полоса пропускания по уровню 0,707 П=230кГц.
ВЦ с автотрансформаторной связью с антенной и
непосредственным включением нагрузки, нагрузка 1МОм:
Неравномерность коэффициент передачи по диапазону
К=339/250=1,4;
Избирательность по зеркальному каналу σзк=21дБ;
Избирательность по прямому каналу σпр=5дБ;
Полоса пропускания по уровню 0,707 П=230кГц.
ВЦ с емкостной связью с антенной и емкостной с
нагрузкой (удлиненная антенна), нагрузка 1кОм:
Неравномерность коэффициент передачи по диапазону
К=38,05/11,5=3,7;
Избирательность по зеркальному каналу σзк=20дБ;
Избирательность по прямому каналу σпр=15дБ;
Полоса пропускания по уровню 0,707 П=160кГц.
ВЦ с емкостной связью с антенной и емкостной с
нагрузкой (укороченная антенна), нагрузка 1кОм:
Неравномерность коэффициент передачи по диапазону
К=161/77=2,26;
Избирательность по зеркальному каналу σзк=23дБ;
Избирательность по прямому каналу σпр=15дБ;
Полоса пропускания по уровню 0,707 П=193кГц.
Для разработанного лабораторного стенда были получены
следующие данные: Неравномерность коэффициент передачи по диапазону
К=2,8/1,25=2,5; Избирательность по зеркальному каналу σзк=29дБ;
Избирательность по прямому каналу σпр=12дБ;
Полоса пропускания по уровню 0,707 П=110кГц.
3.3
Сравнительный анализ моделирования и эксперимента
Проводя сравнительный анализ полученных результатов
компьютерного моделирования и натурного снятия характеристик входных цепей и
преселекторов, можно сделать вывод, что полученные данные с макетов и моделей
отличаются друг от друга на 15-20%. Это связано с тем, что на модели не
оказывалось внешнего воздействия (идеальный случай работы устройства).
Для снятия характеристик со стендов требовалось
правильное соблюдение правил эксплуатации вспомогательного оборудования
(генераторы, осциллографы, вольтметры). Кроме того, номиналы элементов не
идеальны. Расходимость значения номинала у резистора достигает 5%,
индуктивности 30%, конденсатора 20%. Но при изготовлении стенда номиналы были
близки к идеальным.
Компьютерное моделирование показало, что варьируя
номиналами элементов, самими элементами можно добиться лучших результатов по
сравнению со стендами. При этом уменьшается время анализа и снятия
характеристик (они нагляднее). Увеличивается качество понимания. И вследствие
чего и знания.
4.
Технико-экономические показатели
4.1
Технико-экономическое обоснование проекта
Разрабатываемый лабораторный стенд по
исследованию приемника АМ сигналов предназначен для изучения и освоения
студентами различных видов входных устройств (цепей с различными видами
включения с антеннами и с нагрузкой), а также изучения преселекторов с
электронной перестройкой по частоте, работе как с макетом и задающими и
снимающими устройствами (генераторы, осциллограф, вольтметр), так и освоение и
работой на ПЭВМ с теми же схемами и сигналами. Аналогом лабораторного стенда
является стенд для изучения входных устройств, находящийся в лаборатории
кафедры РПрУиТВ.
4.2
Расчет затрат на техническую подготовку производства
Процесс технической подготовки производства включает в
себя следующие этапы: научно-исследовательская работа; проектирование и
разработка устройства; технологическая подготовка и освоение производства;
выпуск изделия; эксплуатация.
4.2.1
Расчет заработной платы разработчиков
Заработная плата разработчиков включает в себя
основную, дополнительную заработные платы и отчисления на социальные нужды
(таблица 6.1). Основная заработная плата рассчитывается по часовой тарифной
ставке. Часовая ставка рассчитывается по формуле
где Тст - тарифная ставка (часовая)
Ткоэф - тарифный коэффициент
Использовались следующие данные:
Разряд профессора 16, инженера 13.
Таблица 4.1 - Заработная плата разработчиков
|
Этапы разработки
|
Исполнитель
|
Трудоемкость работы, н/ч
|
Часовая ставка, руб.
|
Заработная плата, руб.
|
|
Составление Т.З.
|
Профессор Инженер
|
5 5
|
13,87 11,11
|
69,25 55,55
|
|
Обзор литературы
|
Инженер
|
70
|
11,11
|
777,7
|
|
Анализ Т.З.
|
Инженер
|
40
|
11,11
|
444,4
|
|
Разработка структурной
схемы
|
Инженер
|
30
|
11,11
|
333,3
|
|
Расчет функциональной схемы
|
Инженер
|
60
|
11,11
|
666,6
|
|
Расчет принципиальной схемы
|
Инженер
|
60
|
11,11
|
666,6
|
|
Эксперимент
|
Профессор Инженер
|
20 100
|
13,87 11,11
|
277,4 1111
|
|
Разработка конструкции
печатной платы
|
Инженер
|
15
|
11,11
|
166,65
|
|
Оформление ПЗ
|
Инженер
|
50
|
11,11
|
555,5
|
|
Изготовление чертежей
|
Инженер
|
55
|
11,11
|
611,05
|
|
Итого:
|
5735
|
Итого: Заработная плата разработчиков - 5735 руб.(Зпр)
4.2.2
Расчет материальных затрат на создание макета
Материальные затраты на создание модели включают в
себя затраты на основные материалы, на комплектующие изделия, с учетом
транспортных расходов, которые составляют 3-5% от общей суммы материальных
затрат.
Таблица 4.2 - Основные материальные затраты
|
Наименование материала
|
Единицы измерения
|
Расход на изделие
|
Цена, руб.
|
Затраты, руб.
|
|
Материалы
|
|
Стеклотекстолит
|
см2
|
10
|
2,5
|
25
|
|
Припой
|
кг
|
0,1
|
250
|
25
|
|
Флюс
|
кг
|
0,05
|
400
|
20
|
|
Провод монтажный
|
кг
|
0,05
|
200
|
10
|
|
Итого
|
80
|
|
2. Покупные и комплектующие
изделия
|
|
Транзистор КТ315В
|
шт.
|
2
|
20
|
40
|
|
Катушка индуктивности
|
шт.
|
6
|
15
|
90
|
|
Резисторы МЛТ-0.125
|
шт.
|
10
|
5
|
50
|
|
Конденсатор К10-17
|
шт.
|
20
|
2
|
40
|
|
Разъем СР50-73Ф
|
шт.
|
10
|
5
|
50
|
|
Трансформатор ТОТ25
|
шт.
|
2
|
30
|
60
|
|
Диод КВ119В
|
шт.
|
4
|
10
|
40
|
|
Итого
|
370
|
Итого стоимость сырья, основных и вспомогательных
материалов 80 руб. (Совм).
Итого стоимость покупных полуфабрикатов и комплектующих
изделий 370 руб. (Ппки).
Транспортно-заготовительные расходы 22,5 руб.
(Тзр=0,05*(Совм+Ппки)).
Материальные затраты 400,5 руб. (Мз=Совм+Ппки+Тзр).
4.2.3
Расчет затрат на техническую подготовку
Дополнительная заработная плата составляет 20% от
основной заработной платы, составляет 1147 руб. (Дзп = Зпр*0,2).
Единый социальный налог - 35,6% от заработной платы
(основной плюс дополнительной). (Есн=(Зпр+Дзп)*0,356).
Накладные расходы на управление и содержание
организации - это общехозяйственные расходы производства. Они составляют 250%
от основной заработной платы разработчиков. (Нр=Зпр*2,5).
Затраты на техническую подготовку производства
включают в себя заработную плату разработчиков (основную, дополнительную и
отчисления на социальные нужды), материальные затраты и накладные расходы.
Знтп=Мз+Зпр+Дзп+Есн+Нр.
Таблица 4.3 - Затраты на техническую подготовку
|
Наименование статьи
|
Формула, значение
|
Сумма,
|
|
1
|
Сырье, основные и
вспомогательные материалы
|
Таблица
|
80
|
|
2
|
Покупные полуфабрикаты и
комплектующие изделия
|
Таблица
|
370
|
|
3
|
Транспортно-заготовительные
расходы
|
5% от (ст.1+ст.2)
|
22,5
|
|
4
|
Материальные затраты
|
Ст.1+ст.2+ст.3
|
400,5
|
|
5
|
Основная зарплата
разработчиков
|
Таблица
|
5735
|
|
6
|
Дополнительная зарплата
разработчиков
|
20% от ст.5
|
1147
|
|
7
|
Единый социальный налог
|
35,6% от (ст.5+ст.6)
|
2450
|
|
8
|
Накладные расходы на
управление и содержание организации
|
250% от ст.5
|
14337,5
|
|
Затраты на техническую
подготовку
|
Ст.4+ст.5+ст.6+ст.7+ст.8
|
24070
|
Итого, затраты на техническую подготовку производства
составят 24070 руб.
4.3 Расчет
себестоимости изделия
Себестоимость - это затраты на производство и
реализацию продукции. Расчет себестоимости ведется по следующим статьям
калькуляции:
1. Основные и вспомогательные материалы
(Совм). Расчет затрат на основные и вспомогательные материалы представлен в
таблице 4.2, они составляют 80 руб.
2. Покупные полуфабрикаты и
комплектующие изделия (Ппки) (таблица 4.2). Затраты по этой статье калькуляции
составляют 370 руб.
3. Основная зарплата производственных
рабочих (Озпр) (Таблица 4.4) составляет 432,2 руб.
Таблица 4.4 - Заработная плата производственных
рабочих
|
Операции
|
Разряд
|
Трудоемкость
|
Часовая ставка исполнителя
|
Заработная плата, руб.
|
|
формирование выводов
|
4
|
10
|
4,85
|
48,5
|
|
пайка элементов
|
4
|
20
|
4,85
|
|
сборка
|
5
|
20
|
5,38
|
107,6
|
|
настройка
|
6
|
30
|
5,97
|
179,1
|
|
Итого
|
432,2
|
1. Дополнительная зарплата
производственных рабочих составляет 20% от Озпр и составляет 86,44 руб.
(Дзпр=Озпр*0,2).
2. Единый социальный налог на
производственных рабочих составляет 184,63 руб. (Еснпр=(Озпр+Дзпр)*0,356).
3. Расходы на содержание и эксплуатацию
оборудования составляют 180% от основной заработной платы производственных
рабочих. (Рсэо=Озпр*1,8) и равна 777,96 руб.
4. Цеховые расходы составляют 160% от
основной заработной платы производственных рабочих. (Цр=Озпр*1,6) и равна
691,52 руб.
5. Общезаводские расходы составляют 140%
от основной заработной платы производственных рабочих. (Озр=Озпр*1,4) и равна
605,08 руб.
6. Итого производственная себестоимость
изделия составит 3227,87 руб.
Пс=Совм+Ппки+Озпр+Дзпр+Еснпр+Рсэо+Цр+Озр.
Внепроизводственные
расходы (расходы, связанные с реализацией) составляют 2% от производственной
себестоимости и равны 64,56 руб.(Вс=Пс*0,02).
7. Полная себестоимость равна 3292,43
руб.
ПС=Пс+Вр.
Таблица 4.5 - Расчет себестоимости изделия
|
Наименование статьи
|
Формула
|
Сумма, руб.
|
|
1.
|
Сырье, основные и
вспомогательные материалы
|
Таблица
|
80
|
|
2.
|
Покупные полуфабрикаты и
комплектующие изделия
|
Таблица
|
370
|
|
3.
|
Основная зарплата
производственных рабочих
|
Таблица
|
432,2
|
|
4.
|
Дополнительная зарплата
производственных рабочих
|
20% от ст.3
|
86,44
|
|
5.
|
Единый социальный налог на
производственных рабочих
|
35,6% от (ст.3+ст.4)
|
184,63
|
|
6.
|
Расходы на содержание и
эксплуатацию оборудования
|
180% от ст.3
|
777,96
|
|
7.
|
Цеховые расходы
|
160% от ст.3
|
691,52
|
|
8.
|
Общезаводские расходы
|
140% от ст.3
|
605,08
|
|
9.
|
Производственная
себестоимость
|
ст.ст.1+2+3+4+5+6+7+8
|
3227,87
|
|
10.
|
Внепроизводственные расходы
(расходы, связанные с реализацией)
|
2% от ст.9
|
64,56
|
|
11.
|
Полная себестоимость (ПС)
|
ст.9+ст.10
|
3292,43
|
4.4
Расчет цены изделия
Расчет цены изделия ведется по следующим статьям
калькуляции:
1. Планируемая прибыль составляет 50% от полной
себестоимости и равна 1646,21 руб. (Пп=ПС*0,5).
2. НДС составляет 18% от суммы Пс и ПС и равна
888,95 руб. (Ндс=(Пп+ПС)*0,18).
3. Оптовая цена изделия равна 5877,58 руб.
(Оци=Пп+Ндс+ПС).
. Торговая наценка составляет 25% от оптовой цены
изделия и равна 1456,9 руб. (Тн=Оци*0,25).
. Розничная цена изделия равна 7284,46 руб.
Таблица 4.6 - Расчет цены изделия
|
Наименование статьи
|
Формула
|
Сумма, руб.
|
|
1.
|
Планируемая прибыль
|
50% от ПС
|
1646,21
|
|
2.
|
НДС
|
18% от (ст.1 + ПС)
|
888,95
|
|
3.
|
Оптовая цена изделия
|
ст.1 + ст.2 + ПС
|
5827,58
|
|
4.
|
Торговая наценка
|
25% от ст.3
|
1456,9
|
|
5.
|
Розничная цена изделия
|
ст.3 + ст.4
|
7284,46
|
4.5
Расчет прибыли, ожидаемой у предприятия изготовителя
Рассчитаем прибыль от реализации изделия по формуле
Пр.реал.=( Ц -
Сп )×N,
где Ц - цена изделия без учета НДС равна 6395,53 руб.;
Ц=Рци-Ндс.
Сп - полная себестоимость 3292,43 руб.;-
количество изделий.
Определим количество выпускаемых изделий исходя из
того, что предполагается мелкосерийное производство N=30.
Пр.реал=3103,1×30=93093 руб.
Рассчитаем годовой эффект у производителя по формуле
Э =Пр.реал - Еп×К,
где Ен - нормативный коэффициент
эффективности, 0,5.
К = 2×Зтр + DК, Зтр - затраты на техническую разработку, DК - стоимость дополнительного
оборудования,
Э = 93093 - 0,5×(2×24070+24070) = 56988руб.
4.6
Расчет интегрального коэффициента качества
Таблица 4.7 - Интегральный коэффициент качества
|
Технические показатели
|
Единица Измерения
|
Аналог(а)
|
Новая Разработка(б)
|
Приоритет аналога (а1)
|
Приоритет разработки(б1)
|
Коэффициент улучшения(к)
|
|
Уровень входных сигналов
|
мВ
|
200
|
200
|
10
|
5
|
0,5
|
|
Диапазон частот
|
кГц
|
500-1000
|
525-1607
|
40
|
100
|
4
|
|
Масса
|
г
|
800
|
400
|
30
|
50
|
1,2
|
|
Потребляемая мощность
|
мВт
|
180
|
200
|
10
|
10
|
1,11
|
|
Интегральный коэффициент
качества
|
1,27
|
Интегральный коэффициент качества в данном случае
является оптимальным показателем(
), хотя он и не учитывает в полном
объеме все параметры сравниваемых устройств. Важным достоинством разработанного
лабораторного стенда по исследованию приемника АМ сигналов является то, что он
обеспечивает выполнение требований, установленных Т.З.
В результате проведенного экономического анализа были
рассчитаны следующие экономические показатели проекта:
·
затраты на
техническую подготовку производства 24070 руб.
·
себестоимость
изделия 3292,43 руб.
·
цена изделия
7284,46 руб.
·
прибыль от
реализации 93093 руб.
·
годовой эффект у
производителя 56988 руб.
Полученные результаты свидетельствуют о том, что
данный проект является экономически выгодным. Разработанный лабораторный стенд
обеспечивает заданные Т.З. характеристики и при этом его стоимость не высока.
5.
Безопасность и экологичность проекта
5.1
Анализ условий труда при работе со стендом
Рассмотрим условия труда при работе со стендом. Работа
заключается в проведении лабораторной работы по исследованию входных устройств
и усилителей радиочастот. Проводятся исследования на стенде и на компьютере. А
затем анализируются полученные результаты.
Каждое рабочее место оснащено персональным
компьютером.
Проанализируем показатели факторов опасности и вредности
производственной среды.
Содержание вредных веществ в воздухе рабочей зоны -
отсутствует. Нет источников образования.
Наличие биологических факторов - отсутствует. Нет
источников образования.
Уровень шума. В помещениях лаборатории для
проведения экспериментальных работ, помещениях для размещения шумных агрегатов
ЭВМ уровнь звукового давления 75дБА на частоте 1кГц - допускается 80дБ.
Вибрации отсутствуют. Нет источников образования.
Электромагнитные излучения. Для значений теплового порога
радиоволн на частоте 1000кГц тепловой порог 400В/м, 100А/м (допуск
800В/м,160А/м), для напряженности поля электрического 20В/м, магнитного
2А/м(допуск 50В/м, 5В/м). В лаборатории много различных поглощателей. Измерения
электромагнитных полей, проводимые санитарным надзором в рабочей зоне
компьютера, показали, что их уровень перед экраном ниже установленных
допустимых норм. Однако сбоку от экрана напряженность электромагнитного поля
может превышать норму. Но так как это превышение весьма незначительно защита
осуществляется расстоянием. Тоже самое относится и к работе с макетом. Лазерное
излучение отсутствует. Нет источников образования.
Показатели микроклимата. Параметры климатических условий в
лаборатории сведены в таблицу 7.1 (по ГОСТ 12.1.005-88).
Таблица 5.1 - Климатические условия в лаборатории
|
Время года
|
Оптимальные нормы
температур, оС
|
Оптимальная влажность, %
|
Скорость движения воздуха,
м/с
|
|
Теплое
|
от +22 до +25
|
от 40 до 60
|
0,1
|
|
Холодное
|
от +21 до +24
|
от 40 до 60
|
0,1
|
Обеспечение микроклимата в лаборатории в зимнее время
осуществляется батареями центрального отопления. Поддержание требуемой
температуры и влажности в течение всего года осуществляет местная система
кондиционирования с рециркуляцией воздуха.
Световая среда производственных
помещений. Очень
высокие требования к освещению рабочих мест, оснащенных ПЭВМ и лабораторными
макетами.
Физиологи и врачи отмечают снижение функций
зрительного анализатора - остроты зрения и развитие близорукости при
недостаточной освещенности такого рода лабораторий. Основным нормативным
документом, регламентирующим требования, предъявляемые к производственному
освещению в помещениях с дисплеями является СНиП 23-05-95 “Естественное и
искусственное освещение”, который гласит, что освещенность на поверхности стола
в зоне размещения рабочего документа должна быть от 300 до 500 лк. В дневное
время используется естественное освещение, которое осуществляется тремя
оконными проемами общей площадью 9 м2. В вечернее время используется
искусственное освещение, которое обеспечивается светильниками серии ЛП036 с
зеркализованными решетками, укомплектованными высокочастотными
пускорегулирующими аппаратами. При недостаточности освещения можно использовать
и источники местного освещения (настольные лампы). Освещение 10% - общее, 90% -
местное. Освещенность рабочей поверхности примерно 0,6 лк, допуск не менее 0,2
лк.
Проанализируем факторы тяжести трудового процесса.
При проведении лабораторной работы перемещается
аппаратура и сам человек, переносятся провода и аппаратура. В итоге выявлены
следующие факторы:
Физическая динамическая нагрузка за смену - 3кгм.
Масса перемещаемого груза - 50кг.
Величину статической нагрузки выражают в килограммах в
секунду (кгс). Если в течении смены величина статических усилий меняется, то
для каждого периода работы отдельно определяют произведение усилия на время его
удержания, а затем эти произведения суммируют.
Статическая работа в зависимости от характера
деятельности мускулатуры может быть разделена на два вида: 1 - статическая
работа по удержанию орудий и предметов труда в процессе выполнения человеком
производственных операций; 2 - статическая работа, направленная на поддержание
позы. Она отличается малыми затратами энергии и может продолжаться более
длительное время.
Статическая работа более утомительна, чем динамическая.
Это объясняется тем, что напряжение мышц длится непрерывно, в то время как при
динамической работе благодаря чередованию процессов сокращения и расслабления
мышц имеются паузы, во время которых нервные центры не посылают импульсов к
мышцам, то есть "отдыхают". Имеет значение и то, что при статическом
напряжении мышц сосуды в них сдавлены и нормальное кровообращение затруднено,
что приводит к застою крови и накоплению недоокисленных продуктов в них и в
организме в целом.
Наклон рабочей позы 45%.
По электробезопасности помещение относится к 3
категории - помещения без повышенной опасности поражения людей электрическим
током. Питающее напряжение представляет собой однофазную сеть общим напряжением
220В, частота 50Гц с заземленной нейтралью. От поражения электрическим током
защищают электроизоляционный пол и защитное заземление.
Давая характеристику условиям работы операторов с ПЭВМ
и макетами, следует отметить специфичность этой работы. Напряженный
нервно-эмоциональный характер труда, вынужденная поза, недостаток подвижности и
физической активности, специфические условия зрительной работы - показатели
того, что работа с дисплеями и макетами вредна для здоровья. Исследования,
проведенные учеными Швеции, выявили связь между использованием компьютера (лаб.
стенда) и множеством заболеваний. К наиболее распространенным симптомам
относятся: боли в спине и области шеи, ухудшение зрения, боли в кистевых и
плечевых суставах, нарушение сна, вызванное перенапряжением, хронические
головные боли, тошнота слабость. Уже через два часа после начала работы перед
экраном и обучающим макетом у оператора появляются и быстро усиливаются
болезненные ощущения: головная боль, боль в позвоночнике и глазах. С ростом
времени работы эти ощущения усиливаются. Необходимость постоянно следить за
информацией на дисплее и за уровнями сигналов на аппаратуре при снятии данных
на макете требует от оператора напряжения воли для обеспечения необходимого
уровня внимания. По данным психологических наблюдений человек способен
поддерживать активно внимание на протяжении 15-25 минут, затем наступает фаза
пассивности, и возобновление нового периода активного внимания, к концу
рабочего дня период активного внимания может быть обеспечено волевым усилием,
что вызывает сильное психическое напряжение. Для работников, чья деятельность
связана с работой на компьютерах и макетах, необходимо создание нормальных
условий труда. Рекомендации по необходимым мероприятиям, поддерживающим уровень
работоспособности операторов и сохраняющим их здоровье даны в СНиП 2.2.2.542-96
и будут рассмотрены в п.5.2.
В итоге получаем таблицу.
Таблица 5.2 - Анализ и оценка условий труда
|
Фактор
|
Фактическое значение
|
Нормативное значение
|
Класс условий труда
|
|
Уровень звукового давления
(дБА)
|
75
|
80
|
2
|
|
Тепловой порог (В/м, А/м)
|
400,100
|
800,160
|
1
|
|
Напряженность
электрического поля (В/м)
|
20
|
50
|
1
|
|
Напряженность магнитного
поля (А/м)
|
2
|
5
|
1
|
|
Скорость движения воздуха
|
0,1
|
0,5
|
1
|
|
Температура, С0 (теплое
время года)
|
22
|
25
|
2
|
|
Температура, С0 (холодное
время года)
|
21
|
24
|
2
|
|
Влажность
|
40
|
60
|
1
|
|
Естественное освещение, %
|
2
|
3
|
3,1
|
|
Совмещенное освещение, %
|
1
|
1,8
|
3,2
|
|
Освещенность рабочей
поверхности, лк
|
20
|
50
|
3,2
|
|
Физическая динамическая
нагрузка за смену, кгм
|
10
|
20
|
1
|
|
Масса перемещаемого груза,
кг
|
50
|
1750
|
1
|
|
Рабочая поза,(градус)
|
30
|
45
|
3,2
|
|
Длительность
сосредоточенного наблюдения, %
|
40
|
20
|
3,2
|
|
Монотонность работы, %
|
45
|
30
|
3,1
|
|
Общая оценка условий труда
|
3,3
|
|
|
|
|
|
3 степень 3-го класса (3.3) - условия труда,
характеризующиеся такими уровнями вредных факторов, которые приводят к
развитию, как правило, профессиональной патологии в легких формах в период
трудовой деятельности, росту хронической общесоматической патологии, включая
повышенные уровни заболеваемости с временной утратой трудоспособности.
5.2 Меры
защиты от вредного воздействия производственных факторов
В первой части раздела при анализе соответствия
рассматриваемой лаборатории требованиям санитарных норм и правил, а так же
системе стандартов эргономических требований и эргономического обеспечения было
указано превышение напряженности электростатического поля в рабочей зоне
норматива. Определим влияние выявленного вредного фактора на человека, а так же
рассмотрим меры защиты, в общем, и применительно к рассматриваемой лаборатории.
При возникновении разряда статического электричества
через тело человека могут возникнуть болевые и нервные ощущения. Медицинские
исследования показали, что наиболее чувствительными к электростатическим полям
являются нервная, сердечно-сосудистая и нейрогуморальная системы организма
человека. Люди жалуются на раздражительность, головную боль, нарушение сна,
снижение аппетита и так далее.
Защита от статического электричества ведется по двум
основным направлениям: уменьшение интенсивности генерации электрических зарядов
и устранение уже образовавшихся зарядов. Уменьшение интенсивности генерации
электростатических зарядов достигается за счет: использование слабо
электризующих или не электризующих материалов; смешивание материалов, которые
при взаимодействие с элементами технологического оборудования заряжаются
разнопольно. В рассматриваемой лаборатории этот метод защиты не используется.
Устранение уже образовавшихся уже образовавшихся
зарядов осуществляется следующими методами:
·
заземление
электропроводных частей технического оборудования, независимо от других средств
защиты. Если заземление предназначено для защиты от статического электричества,
то его сопротивление допускается до 100 Ом;
·
уменьшение
удельного поверхностного и объемного электрического сопротивления. С этой целью
применяется общее или местное увлажнение воздуха в помещении, что снижает
удельное поверхностное сопротивление;
·
применение
нейтрализаторов статического электричества, создающих вблизи наэлектризованного
диэлектрического объекта положительные и отрицательные ионы.
В рассматриваемой лаборатории применяется метод общего
и местного увлажнения, то есть регулярно проводится влажная уборка и
проветривание помещения.
Рассмотрим мероприятия, поддерживающие уровень
работоспособности операторов и сохраняющие их здоровье.
Организация рабочих мест операторов осуществляется на
основе современных эргономических требований. Конструкция рабочей мебели должна
обеспечивать возможность индивидуальной регулировки соответственно росту
работающего и создавать удобную позу. Немаловажное значение имеет рациональное
устройство рабочего места. Режим труда и отдыха при работе со стендом должны
организовываться в зависимости от вида и категории трудовой деятельности. Виды
трудовой деятельности разделяются на три группы: группа А - работа по
считыванию информации; группа Б - работа по вводу информации; группа В -
творческая работа в режиме диалога со стендом. Для видов трудовой деятельности
устанавливаются три категории тяжести и напряженности. Группа А - по суммарному
числу считываемых знаков за рабочую смену (не более 60000 знаков за смену); Б -
по суммарному числу считываемых или вводимых знаков (не более 40000 знаков за
смену); В - по суммарному времени непосредственно работы со стендом (не более 6
часов за смену).
Для обеспечения оптимальной работоспособности и
сохранения здоровья на протяжении рабочего времени устанавливаются
регламентированные перерывы длительностью 15-25 минут после каждого
академического часа. Во время регламентированных перерывов с целью снижения
нервно-эмоционального напряжения, утомления зрительного анализатора, устранения
влияния гиподинамии и гипокинезии целесообразно выполнять комплексы специальных
физических упражнений, а так же гимнастику для глаз через каждые 20-25 минут.
5.3
Пожарная безопасность при макетировании
Причины возникновения пожара бывают электрического и
неэлектрического характера. К причинам электрического характера относятся:
короткое замыкание; перегрузки; большие переходные сопротивления; искрение;
статическое электричество. К причинам неэлектрического характера относятся:
неправильное устройство и эксплуатация отопительных систем; неисправность
оборудования и нарушения технологических процессов; неосторожное обращение с
огнем; самовозгорание веществ.
Рассмотрим проект с точки зрения пожарной опасности.
Моделирование лабораторного стенда по исследованию АМ сигналов осуществляется в
лаборатории, оборудованной ПЭВМ. Данное помещение относится к помещениям
категории В - наименее опасным (СНиП 2.09.02-85), поскольку в нем не
используются горючие газы, легко воспламеняющиеся жидкости, а также вещества и
материалы способные взрываться. Системы центрального отопления и
кондиционирования при правильном использовании и в исправном состоянии не
представляют опасности возникновения пожаров. Вероятность воспламенения при
эксплуатации ПЭВМ и макета очень мала. В ПЭВМ и макете пожарную опасность
создают элементы электронной схемы и соединительные провода. Действующие
радиотехнические детали разогреваются электрическим током, нагреваются
окружающие их воздух и соседние детали. Пожароопасны изоляционные материалы:
лаки, краски, эмали. При нарушении температурных режимов возможно разложение
этих материалов и выделение горючих различных веществ, так как изоляционные
материалы не теплостойки. Из выше изложенного следует вывод, что в ПЭВМ и
макете необходимо предотвращать нагрев и излучение тепла деталями из легко
воспламеняющихся материалов. При изготовлении данной аппаратуры ее оснащают
системой принудительного охлаждения, поэтому для предотвращения пожарной
опасности достаточно использовать исправное оборудование и не нарушать
технологические процессы.
Для успешного тушения пожаров решающее значение имеет
быстрое обнаружение очага возгорания и своевременное оповещение с вызовом
пожарной команды к месту пожара. Распространенным средством извещения является
телефонная связь. Наиболее надежной системой извещения о пожаре является
электрическая пожарная сигнализация, которая включает в себя: извещатели, линии
связи, звуковые и световые средства сигнализации. Наиболее широко используемыми
является извещатель КИ-1, который выполняет функции теплового и дымового
извещателей (реагирует на повышение температуры в помещении выше установленного
значения и обнаруживает дым над очагом пожара). Звуковые и световые средства
сигнализации устанавливаются в помещении, где находится персонал, ведущий
круглосуточное дежурство.
Тушение пожаров в начальной стадии можно производить
первичными средствами пожаротушения - огнетушителями. Для тушения пожара
оборудования, находящегося под напряжением применяются углекислотные огнетушители.
В данном случае применяются ручные огнетушители типа ОУ-5.
Для предупреждения пожара проводятся мероприятия:
организационные, эксплуатационные, технические, режимные. Эксплуатационные
мероприятия предусматривают правильную эксплуатацию оборудования.
К техническим мероприятиям относится соблюдение
противопожарных правил и норм.
К организационным мероприятиям относятся: обучение
работающих пожарной безопасности; проведение инструктажа.
К мероприятиям режимного характера относятся
запрещение курения в неустановленных местах.
Для проведения вышеизложенных мероприятий на каждом
предприятии создаются пожаронадзор, назначаются ответственные за пожарную
безопасность на отдельных участках, пожарно-технические комиссии. В их
обязанности входит контроль за выполнением правил и требований противопожарного
режима, установленных на предприятии, проверка исправности приборов отопления,
обеспечение исправности и постоянной готовности к действию имеющихся средств
пожаротушения, сигнализации.
На предприятии соответствующим приказом
устанавливается порядок проведения противопожарного инструктажа и занятий по
пожарно-техническому минимуму с работающими на предприятии. Проводит инструктаж
пожаронадзор.
Задачи пожарно-технической комиссии: выявление
нарушений технологических режимов, которые могут привести к возникновению
пожара; разработка мероприятий по их устранению.
5.4
Охрана окружающей среды
Внедрение в промышленность новых, более эффективных
технологий расширение масштабов производства требуют увеличение затрат материальных
и энергетических ресурсов, что привело к отрицательному воздействию на
окружающую среду. Проблема экологии в настоящее время стала одной из важнейших.
Защита окружающей среды - это комплексная проблема:
наряду с природоохранными задачами она решает также и социально-экономическую
задачу - улучшение условий жизни человека, сохранение его здоровья.
Основными направлениями по решению проблем экологии
являются: совершенствование технологических процессов и разработка нового
оборудования с меньшим уровнем выбросов примесей и отходов в окружающую среду;
замена токсичных отходов на нетоксичных, ограничение выбросов промышленного
производства с последующей утилизацией.
Важную роль в защите окружающей среды принадлежит
мероприятиям по рациональному размещению источников загрязнения: устройство
санитарно-защитных зон; вынесение промышленных предприятий за черту города;
проведение контроля качества окружающей среды.
Общее направление повышения безопасности и
экологичности технических средств и технологических процессов установлены СН
1042-73. Они предусматривают: замену вредных веществ безвредными, или мене
вредными; полное улавливание и очистку технологических выбросов, а также
удаляемого вентиляцией загрязненного воздуха от химически вредных веществ;
очистку промышленных стоков от загрязнений; тепловую изоляцию нагретых
поверхностей оборудования и ряда других защитных мер.
Последние годы основным направлением по защите
окружающей среды стала разработка малоотходных технологий и технологий по
переработки и утилизации отходов.
Для повышения экологичности и безопасности технических
систем и технологий используют конструктивные меры по снижению выбросов и
стоков, защиту от энергетических воздействий экранированием и так далее. Все
защитные мероприятия и конструктивные решения разделяются на две группы: с
изменением конструкции или схемного решения; с применением дополнительных
устройств и систем (экозащитная техника).
Проектируемое устройство «Лабораторный стенд по
исследованию АМ сигналов» на стадии разработки, моделирования, эксплуатации не
представляет угрозы для окружающей среды. В то время как в процессе
изготовления и утилизации (возможно) возникают такие вредные факторы, как
выброс в атмосферу вредных токсичных веществ. Вызвано это самой технологией
изготовления устройства (изготовление печатной платы, пайка микросхемы и
радиоэлементов), при которой применяются различные химические вещества - лаки,
канифоль, припой, свинец, олово. В результате проведения технологического
процесса происходит загрязнение атмосферы за счет выбросов, удаляемых из
помещений, где эти процессы проводятся.
На практике реализуются следующие варианты
использования средств защиты атмосферы: локализация токсичных веществ в зоне их
образование, очистка загрязненного воздуха в специальных аппаратах, выброс и
рассеивание в атмосфере; проветривание помещений.
В заключении сделаем вывод устройство «Лабораторный
стенд по исследованию АМ сигналов» на стадиях разработки, моделирования и
эксплуатации является безопасным и экологичным.
Заключение
В процессе дипломного проектирования был произведен
выбор и разработка структурной схемы лабораторного стенда по исследованию
приемника АМ сигналов. Рассчитана принципиальная электрическая схема
преселектора. Разработана принципиальная схема стенда. Также было проведено
компьютерное моделирование различных видов ненастроенных антенн, входных цепей
и преселекторов. Было также проведено натурное снятие данных с уже существующих
макетов и разработанного (собранного). Проведен сравнительный анализ полученных
результатов. Кроме того, были проведены экономические расчеты, а именно
рассчитана цена устройства, затраты на техническую подготовку и проведено
обоснование целесообразности разработки системы. Также были затронуты вопросы
экологичности и безопасности проекта.
Список
использованных источников
1. Н. В. Бобров. Расчет
радиоприемников. М: «Радио и связь», 1981г. - 240с.
. Н. Н. Буга, А. И. Фалько, Н. И.
Чистяков. Радиоприемные устройства Учебник для высших учебных заведений.
Москва: «Радио и связь», 1986г. - 320с.
. В. Д. Екимов. Расчет и
конструирование транзисторных радиоприемников. М: «Связь», 1972. - 216с.
. И. А. Мишустин. Как сконструировать
и наладить радиоприемник. М: «Радио и связь», 1983г. 128с.
. Ю. П. Соколовский. Технологические
характеристики бытовой радиовещательной аппаратуры. М: «Московский
технологический институт», 1982г. - 96с.
. «Справочная книга
радиолюбителя-конструктора» /под редакцией Н. И. Чистякова. М: «Радио и связь»,
1990г. - 624с.
. В. С. Плаксиенко. Устройства приема
и обработки сигналов. Учебное пособие. Часть 1. Таганрог: «ТРТУ», 1999г. -
108с.
. В. С. Плаксиенко. Устройства приема
и обработки сигналов. Учебное пособие. Часть 2. Таганрог: «ТРТУ», 2000г. -
112с.
. К. Е. Румянцев, А. А. Клюй. Входные
устройства радиоприемников. Учебно-методическое пособие. Таганрог «ТРТУ»,
1994г. - 61с.
. Моделирование и испытание
радиооборудования. /под редакцией В. И. Винокурова. Л: «Судостроение», 1981г. -
304с.
. Л.М. Кононович Современный
радиовещательный приемник. М: «Радио и связь», 1986г. - 144 с.
. «Радиоприемные устройства». /Под.
ред. А.Г. Зюко. М: «Связь», 1975г.
. В.Д. Разевиг Система
схемотехнического моделирования MICRO-CAP-V. Руководство по применению. М:
«Солон», 1997г. -273 с.
. «Радиоприемные устройства». /Под.
ред. Жуковского В.Г. М: Радио и связь, 1979u. - 254 с.
. В.В.Шеболков. Современные средства
моделирования электронных схем: Учебное пособие. Таганрог: Изд-во ТРТУ, 2002г.
- 127с.
. Брусницын Ю.В. Методические
указания по выполнению курсовых и дипломных проектов на тему "Экономическое
обоснование инженерных разработок" №2055. - Таганрог, Изд-во ТРТИ, 1993г.
- 43с.
. Бакаева Т.Н., Непомнящий А.В.,
Ткачев И.И. В помощь дипломнику: Методическая разработка к разделу
«Безопасность и экологичность» в дипломном проекте (работе) для студентов всех
специальностей. Таганрог: Изд-во ТРТУ, 2001г. - 51с.
. Бакаева Т.Н. Безопасность
жизнедеятельности. Ч. II. Безопасность в условиях производства: Учеб. пособие.
Таганрог: ТРТУ, 1997г. - 318с.