|
Число отсчетов N
|
Угол прихода, a, град
|
|
40
|
60
|
80
|
100
|
120
|
140
|
|
s =0,1°
|
|
5 15 30
|
22,98 14,99 13,58
|
20,88 15,95 12,65
|
16,83 13,06 11,28
|
14,49 10,78 9,99
|
16,26 8,48 7,04
|
7,84 4,55 3,62
|
|
|
|
s =0,5°
|
|
|
|
|
5 15 30
|
70,91 68,93 66,18
|
64,82 62,11 58,38
|
52,29 50,93 49,79
|
46,73 48,00 46,25
|
37,42 35,49 35,33
|
24,73 23,45 22,27
|
Из
таблицы следует, что ошибка измерения уменьшается с увеличением числа отсчетов
и может быть минимальной при a =100°. Поэтому необходимо
поддерживать пеленг в данном секторе. Наличие неизвестной систематической
ошибки пеленга даже в пределах
20°
приведет к незначительному ухудшению точности. При сравнении данных табл. 1.2 и
табл. 1.1 видно, что спиральный метод превосходит и триангуляционный и круговой
с точки зрения точности измерений. Спиральный метод по сравнению с круговым
позволяет улучшить точность определения местоположения более чем на порядок для
всех ошибок смещения.
Существует
второй вариант спирального метода, при котором радиусы кривизны R и
пройденный путь s не измеряются, а для расчетов пользуются информацией
о координатах ЛА в двух точках и его курсовыми углами b1 и b2, отсчитанными от направления на север. Из
геометрических соотношений, представленных на рис.1.6, б, получены следующие
уравнения:
q1=p /2-(a -b1); q2=p /2-(a -b2);=(y2 - y1) - (x2 tg q2 - x1 tg q1)
/ (tg q1 - tg q2);
решение
которых позволяет определить a. В табл.1.3 представлены
результаты расчетов по приведенным формулам по исходным данным, аналогичным табл.1.1.
При
повторном сравнении данных табл.1.3 с данными табл.1.1 для кругового метода
можно сделать вывод, что второй спиральный метод существенно менее точен, чем
первый, и при выборе соответствующего а может дать результаты, близкие к
результатам, полученным круговым методом (при всех ошибках смещения) при малом
числе наблюдений, и лучшие для триангуляционного (при ошибках смещения более
2°).
Основным достоинством второго спирального метода является полное
отсутствие систематических ошибок пеленга, которые обычно являются функцией
истинного значения пеленга и трудно исключаются обычными способами. Главный
недостаток спирального метода - довольно сложная траектория движения ЛА. Однако
подключением системы автоматического управления полетом ЛА к выходу пеленгатора
этот недостаток можно устранить.
Определение
местоположения источника методом трех пеленгов
Рис 1.7
Геометрия движения ЛА по методу трех пеленгов приведена на рис.1.7.
Метод состоит из следующих операций:
. Фиксируется первоначальное значение пеленга a;
. ЛА поворачивается на угол b1. Если a положительно, то и b положительно, и наоборот. Далее ЛА летит до тех пор, пока
наблюдаемое значение пеленга не станет равным a. Записывается пройденный путь s ;
. ЛА поворачивается во второй раз на угол b1 и летит до тех пор, пока пеленг
опять станет равным a.
Записывается пройденный путь s.
Углы поворота b1 и b
произвольно выбираются оператором. Большой угол поворота приводит к большому
времени полета до равенства пеленгов, и поэтому соответствуетует большая
точность измерения. Помещаем ЛА в момент третьего отсчета в начале
прямоугольных координат с осью у, совпадающей с курсом ЛА. В этой системе x0, y0, R, q - координаты источника в
прямоугольной и полярной системах:
a=q;=y0tgq ;=(y0+s2)tg(q -b2) ;- s1 sinb2=(y0+ s2+ s1 cos2) * tg(q -b1 -b2).
После преобразований получаем:
x0 {-s2 tg ( b1 - b2 ) + [s2+s1 cos b2 +s1 sin2 tg ( b1 + b2 )] tg b2} =
= y+{-s2 tg b2 tg ( b1 +b2 ) - [s1 sin b2 - (s2 +s1 cos b2) * tg ( b1 + b2 )] tg b2};q=ctg b1- s1/s2 cosec b2.
Таблица
1.4
|
Координаты излучателя, км
|
|
|
|
|
|
|
|
Ошибка, %
|
|
a, град
|
b1-b2, град
|
S1, KM
|
S2, KM
|
R, км
|
qрасч, град
|
Rqист, град
|
ТМ
|
ПМ
|
|
-100, 100
|
-35
|
-15
|
51,66
|
36,7
|
71,4
|
134,3
|
670.7,135
|
46,7
|
0,9
|
|
100, 100
|
55
|
15
|
51,66
|
36,7
|
71,4
|
45,3
|
70.7,41
|
46,6
|
0,9
|
|
100, 200
|
37
|
15
|
128
|
59,4
|
48,7
|
27
|
44.5,26
|
44,4
|
9,4
|
|
200, 100
|
73
|
15
|
65
|
24
|
153
|
62
|
156.63
|
12,2
|
2,5
|
|
-100, 100
|
235
|
-15
|
52
|
63
|
211
|
225
|
212.225
|
7,5
|
0,4
|
Таким образом, наличие измеренных на борту значений s1, s2, b1 и b2 позволяет рассчитать x0, y0 или
R, q источника излучения. В табл.1.4
представлены результаты моделирования метода трех пеленгов при систематической
ошибке измерения пеленга 10° и случайной составляющей s=0,5° для триангуляционного (ТМ) и
пеленгационного (ПН) методов.
В табл.1.4 для сравнения представлены погрешности изменения величины Р
триангуляционным методом, выполненные после второго отсчета пеленга.
Экспериментальная проверка метода трех пеленгов проводилась в 1980 г.
тактической эскадрильей ВВС США. Погрешность определения дальности до источника
излучения была менее 10 % .
Среди других пеленгационных методов достаточно широкое применение получил
азимутально-угломестный метод, при котором бортовой пеленгатор обеспечивает
одновременное измерение азимута и угла места источника излучения,
расположенного на земле. Наклонная дальность до источника определяется как
H/sina , где Н - высота полета ЛА, a- угол места источника относительно
горизонтальной плоскости полета ЛА. Этот метод обеспечивает приемлемые точности
измерения только при больших высотах полета.
Существует также ряд косвенных методов местоопределения таких источников
излучения, как РЛС с круговым сканированием. Есть описание пассивного метода
определения местоположения РЛС, основанного на сопоставлении принимаемых
сигналов неизвестной РЛС с известной картой местности. Аппаратура, реализующая
этот метод, состоит из приемной антенны, которая может быть даже
всенаправленной, но для уменьшения влияния помех обычно выполняется с
определенной направленностью, и радиолокационного приемника с индикатором
кругового обзора (ИКО). Приемник принимает сигналы удаленной РЛС, по
зондирующему сигналу производит синхронизацию собственной развертки по азимуту
и дальности. Сигналы, отраженные целями и «местниками», также принимаются этим
приемником и воспроизводятся на экране ИКО. Для большей достоверности
воспроизводимой информации в приемнике вводится коррекция дальномерной
развертки на коэффициент 1/(1-cos b),
где b - текущее значение азимута.
Коррекция выравнивает задержки распространения сигналов, отраженных от целей и
«местников», с задержкой распространения зондирующего сигнала и приближает
изображение разведывательной станции на ИКО к изображению неизвестной РЛС,
получаемому на ИКО. По известной радиолокационной карте местности того района,
в котором расположена неизвестная РЛС, можно таким образом не только определить
ее местоположение, но и следить за неизвестными целями пассивным методом.
Перспективность методов определения местоположения излучаемого источника
на основе совместного анализа зондирующего основного сигнала и сигналов,
переотраженных от других фиксированных объектов, рассмотрена в зарубежной
литературе. В ней развита теория нового метода определения местоположения
подводного источника. По временным задержкам и амплитудам сигналов, отраженных
от дна и водной поверхности, оцениваются местоположение источника сигнала, его
глубина и дальность до приемника.
Как следует из таблиц, к пеленгационной аппаратуре ESM (электронной
разведки) предъявляются весьма жесткие требования. Существуют три основных типа
пеленгаторов, способных обеспечить функции ESM .
Это системы с фазированными антенными решетками (ФАР), работающими либо в
режиме сканирования острого луча с одноканальным приемником, либо
обеспечивающими одновременно большое число лучей с многоканальным приемником.
Недостатком первого варианта является большое время обзора пространства, а
второго - большая стоимость и сложность аппаратуры. Достоинством использования
ФАР в пеленгаторах является высокое угловое разрешение некоррелированных
источников излучения.
Амплитудные пеленгаторы используются во всех современных РЛС раннего
обнаружения. Типовая антенная система состоит из четырех широкополосных
ортогональных антенн, перекрывающих сектор 360° и обеспечивающих грубое определение
пеленга. Сравнение амплитуд, принимаемых соседними антеннами, обеспечивает
погрешность пеленга 3-10°.
Значительно более высокую точность обеспечивают фазовые интерферометры.
Так, фирмой Westinghouse (США) разработан бортовой
интерферометр, работающий в диапазоне 2-18 ГГц. В секторе ±45° погрешность
измерения менее 0,05° на центральной частоте и менее 0,2° во всем частотном
диапазоне. Максимальный резис антенных элементов не более 75 см. Эта аппаратура
в настоящее время используется для сбора данных по многолучевому
распространению сигналов бортовыми излучениями и демонстрации возможностей
перспективных РЛС, разрабатываемых этой фирмой.
Одна из главных проблем, возникающая при проектировании высокоточных
фазовых пеленгаторов, состоит в исключении неоднозначности фазовых измерений.
Показано, что измерения, выполненные для разрешения неоднозначности, можно
использовать также для повышения точности измерений. Сформулированы условия
устранения неоднозначности в зависимости от параметров интерферометра и его
ошибок. Обычно для решения этой задачи используется многоканальная обработка
сигналов, поступающих от антенн с разными базами. В системах наземного
базирования ESM используется механическое круговое
сканирование разнесенных узконаправленных антенн фазового интерферометра.
Примером такой системы является мобильная лаборатория Miranda фирмы Philips Research Lab. (Великобритания). Антенная система этой лаборатории
состоит из двух касающихся друг друга параболоидов диаметром 60 см, укрепленных
на мачте и вращающихся вокруг своей оси со скоростью 60 об./мин. Приемное
устройство станции состоит из двойных усилителей высокой частоты 2-18 ГГц с
идентичными АЧХ и ФЧХ, понижающих преобразователей 24-42 ГГц, двойных
усилителей промежуточной частоты 2-4 ГГц и фазового компаратора, работающего в
этом же диапазоне. Ширина луча разбита на 16 дискретов, кроме того, выходной
сигнал компараторов также имеет 4 разряда. Комплексная обработка каждого
импульса, принятого антеннами, позволяет получить разрешение 0,25° во всем круговом
секторе. При экспериментальной оценке положения излучателя, установленного на
ЛА, за счет усреднения импульсных последовательностей была получена погрешности
s=0,0460.
Фирмой Plessey Comp (Великобритания) налажено серийное производство
мобильного пеленгатора Vampire,
предназначенного для решения задач ESM. Сейчас он находится на эксплуатации в
британской армии. Пеленгатор размещается на автомобиле с прицепом и состоит из
двух подсистем, работающих совместно, Первая имеет антенную решетку с малой
апертурой, смонтированную на мачте высотой 21 м. Вторая подсистема состоит из
антенной решетки с большой апертурой, содержащей три антенны формирующим два
ортогональных канала, и четвертой антенны, предназначенной для самокалибровки
системы. Эта решетка монтируется на телескопической треноге. Каждая из решеток
работает в секторе 360°, и их ориентация обеспечивается встроенной
навигационной системой, измеряющей ее положение относительно направления на
север. Пеленгатор обеспечивает высокую точность измерения при различных типах
сигналов СВЧ диапазона. Приемная система имеет чувствительность порядка 1 мкВ/м
и обеспечивает определение координат излучателей, находящихся на земле при
дальностях 50 км. Оператор вмешивается в процесс измерения только при малых
уровнях сигнала.
В бортовых пеленгаторах ESM широко используются 90-градусные гибридные
мосты, которые в сочетании с несколькими разнесенными антеннами позволяют
получить высокую крутизну пеленгационной характеристики. Есть описание
широкополосного пеленгатора, обеспечивающего при широком секторе обзора высокую
точность измерения. Антенная система пеленгатора состоит из двух пар антенных
элементов, расположенных симметрично друг другу на противоположных сторонах
опорной плоскости. Причем оба элемента одной пары имеют угол сходимости осей
направленности, меньший такого же угла сходимости другой пары, и
предполагается, что элементы каждой пары симметричны относительно линия
визирования. Антенные элементы выполнены в виде удлиненных логопериодических
или конических спиральных излучателей. За счет сходимости осей направленности
антенн каждой пары обеспечивается частотная независимость расстояния между
фазовыми центрами, антенн. Каждая из пар антенн формирует характеристику
направленности однозначную в секторе, определяемом базой. Кроме того,
формируется третий разностный канал, имеющий высокую крутизну характеристики в
узком однозначном, секторе и позволяющий улучшить точность пеленгации и снизить
уровень боковых лепестков бeз
непосредственного сужения диаграммы направленной антенны.
1.5 Сравнительный анализ методов
Системы определения местоположения по числу пунктов могут быть
многопозиционными и однопозиционными, а по виду линий положения - угломерные,
дальномерные, гиперболические и комбинированные.
Опишем достоинства и недостатки многопозиционных и однопозиционных
систем.
Многопозиционные:
достоинства
высокое быстродействие;
относительно высокая точность.
недостатки
сложность построения системы;
необходимость линий связи между пунктами (позициями);
необходимость идентификации сигналов, принимаемых разными пунктами
системы.
Однопозиционные:
достоинства
относительно простое построение системы
недостатки
низкое быстродействие
Из рассмотренных методов лучшую точность местоопределения источников
излучения обеспечивает гиперболический метод, реализуемый сложной системой,
состоящей из трех ЛА, координаты которых определяются наземными системами или
спутниковой системой Navstar.
Системы такого типа удобны в эксплуатации, так как находятся на большом
удалении от обнаруживаемого объекта и имеют высокое быстродействие.
В тех случаях, когда не требуется высокая точность определения и
допустимы потери времени, могут использоваться дифференциально-доплеровские и
пеленгационные методы, реализуемые более простой системой с одним ЛА.
2. ВЫБОР И ОБОСНОВАНИЕ ИСПОЛЬЗУЕМОГО МЕТОДА ОПРЕДЕЛЕНИЯ МЕСТОПОЛОЖЕНИЯ
ИЗЛУЧАЮЩЕГО ОБЪЕКТА
2.1 Выбор и обоснование метода определения
местоположения излучающего объекта
Методы определения местоположения излучающих объектов (ИО) пассивными
средствами имеют специфические особенности. Из-за отсутствия информации о
времени излучения дальность до ИО не может быть определена по данным приема
только в одном пункте. Поэтому для определения всех координат объекта требуется
комплекс двух или нескольких разнесенных пунктов приема, соединенными каналами
связи. Вследствие невозможности прямого измерения дальности дальномерный и
угломерно-дальномерный методы определения местоположения объектов здесь
неприменимы.
Поэтому на основании проведенного обзора литературы был выбран
интегрально-доплеровский метод, так как он обладает такими преимуществами как:
·
высокая
помехоустойчивость;
·
использование
одного ЛА;
·
простота в
реализации.
Однако, наряду с приведенными выше преимуществами, система обладает таким
недостатком как низкое быстродействие и невысокая точность определения
местоположения ИО при малом времени измерения.
2.2 Аналитическое решение задачи определения
местоположения излучающего объекта
Рассмотрим решение задачи определения местоположения излучающего объекта
при следующих условиях :
- вектор скорости ЛА совпадает с направлением оси Х;
начало прямоугольной системы координат совпадает с точкой расположения ЛА
в момент начала работы системы определения местоположения;
- излучающий объект расположен в первой четверти системы координат;
скорость излучаемого объекта (ИО) намного меньше скорости летательного
аппарата (Vио << Vла), поэтому можно принять, что ИО неподвижен.
В этом случае относительное расположение излучающего объекта (ИО) и
летательного аппарата (ЛА) может быть представленно следующим образом
(рис.2.1).
На рис.2.1 приняты следующие обозначения:- скорость ЛА;
Vр - радиальная скорость ЛА;- расстояние от начала координат до ИО;-
расстояние от ЛА до ИО в момент времени t1;
R -
минимальное расстояние от ИО до оси Х;
d -
расстояние от начала координат до точки проекции точки ИО на ось Х;
Рис.2.1
q(t) - угол между направлением движения
ЛА и направлением от начала координат до ИО;
t0 -
момент времени , соответствующий началу отсчета;
t1 -
момент времени , соответствующий окончанию формирования базы;
Радиальная
составляющая скорости ЛА
Vр =V cos
(t).
(2.1)
Доплеровская
частота будет равна
Fд(t) =
cos
(t).
(2.2)
Из
рис.2.1 найдем
tg
(t) =
,
тогда
угол
(t) будет равен
(t) = arctg
,
Отсюда
cos
(t)
= cos [arctg
] = cos
=
.
Так
как Х - это расстояние, которое пролетел ЛА, то Х = Vt,
Тогда
получим
(t) =
. (2.3)
Проинтегрируем
выражение (2.2) с учетом формулы (3.2)
. (2.4)
Значение
этого интеграла будет равно количеству периодов сигнала с частотой
Fд(t) за
время
t = t1-t0 .
Произведем
замену переменных :
d-Vt = X ; -Vdt =
dx ; dt = -
.
Заменим
пределы интегрирования :
t
t0; x
d -Vt0 ; t
t1 ; x
d -Vt1 ;
C учетом этого
выражение (2.4) примет вид

. (2.5)
Рассмотрим
разность расстояний
r = r0 - r1. (2.6)
Из
рис.2.1 найдем
,
Откуда
(2.7)
(2.8)
Подставляя
выражения (7) и (8) в (6) получим :

(2.9)
Сравнивая выражения (2.5) и (2.9) , видим , что интегрируя доплеровскую
частоту принимаемого сигнала ( с условием , что несущая частота ИО известна ),
можно определить разность расстояний
(2.10)
По
разности расстояний можно определить гиперболу , построенную на базе
Dб1 = V ( t1 - t0 ).
Произведя
одно измерение на интервале времени [ t1 ... t2 ] , определим
еще одну гиперболу , построенную на базе
Dб2 = V ( t2 - t1 ).
Точки
пересечения гипербол позволяют найти местоположение ИО .
Рис.2.2
На
рис.2.2 изображена гипербола, для которой приняты следующие обозначения:
а
- действительная ось ;
а
=
в
= 2
- мнимая ось ;
с
- расстояние между фокусами ( база ) .
Уравнение
гиперболы имеет вид
Заменяя
значения действительной и мнимой осей значениями разности расстояний и базы ,
получим уравнение гиперболы в следующем виде

В
нашем случае 2с = V
t = V( t1 - t0 )
, а ось Y смещена вдоль оси Х на величину
.
Следовательно
, уравнение гиперболы можно записать в виде

или
если выразить y
(2.11)
где
интеграл
от доплеровской частоты .
Уравнение (2.11) - формула для гиперболы рассчитанной в момент времени
Уравнение
для расчета второй гиперболы можно написать относительно другого промежутка
времени
. Для нее ось Y будет смещена
вдоль оси Х на величину 2с1+с2/2 , что равно
. Исходя
из этого уравнение второй гиперболы можно записать, как
. (2.12)
Примем
во внимание то , что в нашем случае промежутки времени V( t1 - t0 )
и V( t2 - t1 ) равны , а значит и базы 2C1 и 2C2
равны .
Исходя
из того , что
t = 2c ;
r = 2
;
b = 2c2 -
2
2 ,
Уравнение
(2.11) и (2.12) можно записать в виде:
для
первой гиперболы
=
; (2.13)
для
второй гиперболы
=
. (2.14)
Чтобы
найти местоположение ИО нужно найти точку пересечения этих двух гипербол . Для
этого их нужно приравнять .
Приравняем
оба уравнения:
=
;
Так
как
, то
=
;



(2.15)
Получилось
квадратное уравнение вида
, (2.16)
Где
(2.17)
(2.18)
(2.19)
Корни
уравнения (2.16) находятся по формуле
2.3 Решение задачи определение местоположения
излучающего объекта с заданными параметрами
Теперь рассмотрим приведенную выше задачу не в общем виде , а с
произвольно заданными для примера параметрами :
Рис. 2.3
Найдем
Рассчитаем
теперь
и
:
отсюда
отсюда
Найдем
и
:
Строим первую гиперболу
Выразим
Y
. (2.20)
Уравнение
(2.20) для 1-ой гиперболы относительно
(рис
2.4), или же можно применить формулу со смещением
Рис.2.4
Здесь
отсчет будет происходить относительно Y.
Для
упрощения расчетов порядок полученных значений уменьшим на два :
Построим
таблицу значений Х и Y для 1-ой гиперболы относительно
.
|
X
|
4.196
|
5
|
6
|
7
|
8
|
9
|
10
|
11
|
12
|
13
|
|
Y
|
0
|
1.76
|
2.777
|
3.629
|
4.411
|
5.517
|
5.879
|
6.586
|
7.28
|
7.969
|
|
X
|
14
|
15
|
16
|
|
|
Y
|
8.65
|
9.33
|
10
|
|
Строим
2-ую гиперболу относительно
(2.21)
|
X
|
2.408
|
3
|
4
|
5
|
6
|
|
Y
|
0
|
3.256
|
5.812
|
7.974
|
10
|
Рис.2.5
Графически обе гиперболы изображены на рис.2.5.
Из рисунка 2.5 видно , что у нас получилось две гиперболы , и с учетом
рисунка 2.4 , а также направления движения ЛА можно сделать вывод , что наш ИО
будет находится в точке пересечения гипербол , проекция которой на ось Х даст
значение 21.
Удостоверится в этом можно найдя корни уравнения (2.20).
Для этого сначала найдем g,k,h по формулам (2.17),(2.18),(2.19)
;
;
.
Подставим
полученные значения в уравнение (2.20) и найдем его корни:
,
Из
нашего рисунка 2.4 видно , что проекция точки ИО на ось Х будет в точке х=21 ,
поэтому значение этого корня верное (для нашего случая ) , а х =11.9 -неверное
.
Вычислим доплеровскую частоту :
И
для второго случая :
Найдем
интеграл от доплеровской частоты
На
промежутке
найдем
.
полностью
совпадает с рассчитанной величиной
с
помощью геометрических построений (рис.2.3).
На
промежутке времени
3. ВЫБОР И
ОБОСНОВАНИЕ СТРУКТУРНОЙ СХЕМЫ СИСТЕМЫ
3.1 Алгоритм работы системы
В соответствии с техническим заданием необходимо разработать систему
определения местоположения излучающего объекта, которая должна удовлетворять
следующим условиям:
1) определение местоположения
излучающего объекта с помощью навигационной системы установленной на подвижном
носителе,
2) работа на несущей частоте равной
156,8 мГц,
3) устойчивый прием сигнала и работа по
нему на расстоянии 20…100 км,
точность
определения местоположения излучающего объекта
1 км.
Для определения местоположения излучающего объекта интегрально -
доплеровским методом необходимо точно знать траекторию и скорость полета ЛА, а
также местоположение ЛА относительно глобальной навигационной системы в любой
момент времени.
В связи с вышеизложенным можно предложить следующий алгоритм работы
системы.
1. Система на известной частоте
принимает сигнал от ИО.
2. Выделяется доплеровская частота Fд.
3. С некоторого момента времени, принятого за начало отсчета,
интегрируется доплеровская частота в течении интервала Dt1.
. Через интервал времени Dt1 от
начала отсчета, в течении которого формируется первая база 2d1 , производится второй отсчет за
интервал времени Dt2 .
В
общем случае Dt1 иDt2 могут быть не
равны, вследствие чего 2d1
2d2. В данном дипломном проекте принято, что формируются
равные базы 2d1=2d2 и производим интегральные отсчеты через равные
промежутки.
3.2 Выбор и обоснование структурной схемы
системы
На основе приведенного в предыдущем пункте алгоритма работы системы можно
предложить следующую структурную схему системы (рис. 3.1), где приняты
следующие сокращения:
Структурная схема системы определения местоположения излучающего объекта
Рис. 3.1
АНТ - антенна;
РПрУ - радиоприемное устройство;
ВУ - вычислительное устройство;
Уст-во привязки к С Е В - уст-во привязки к системе единого времени;
ДИСС - доплеровский измеритель скорости и угла сноса;
Объясним работу схемы. Излучаемый объектом сигнал принимается на приемную
антенну и после поступает в радиоприемное устройство, где происходит его
усиление и в конечном итоге выделение доплеровской частоты. В блоке выделения
знака происходит определение знака доплеровской частоты.
Бортовая система также включает в себя устройство привязки к системе
единого времени, а также системы для точного определения своих координат (ДИСС
и высотомер). Далее вся эта информация поступает в вычислительное устройство.
Вычислительное устройство представляет собой бортовой компьютер. В бортовом
компьютере происходит обработка данных и конечном итоге выдается информация о
местоположении ИО.
В качестве бортового компьютера можно выбрать один из разработанных в
последние годы.
На сегодняшний день существует несколько типов бортовых компьютеров /24/,
такие как :
·
семейство БК типа
Ц-101 и А-50;
·
базовые
одноплатные миниатюрные СБ-3580 и СБ-5580;
·
семейство серий
ЕА-2164, ЕА-2165, ЕА-21666;
·
устройства связи
для космических аппаратов и станций;
- бортовые
вычислительные машины ряда "Гелий".
Авиационные БК Ц-101, Ц101 М1, Ц102 М1 решают широкий круг задач
обработки информации на борту МИГ-29, СУ-27, в том числе управления системой
вооружения и бортовых РЛС. Базовые БК А-50 и А-50.00 с архитектурой ЕСЭВМ - для
обработки информации в системе дальнего радиолокационного обнаружения на борту
самолета - носителя.
Сверхминиатюрный одноплатный БК СБ-3580 - для применения в качестве
встраиваемого в аппаратуру и создания многомашинных комплексов.
СБ-5580 аналогичен СБ-3580, но отличается магистрально-модульной
программируемой аппаратурой и проблемно-ориентированной системой команд.
ЕА-2164, ЕА-2165, ЕА-2166 - для организации рабочих мест оператора
стационарных и подвижных автоматизированных систем управления.
ЕА-2164 имеет блочную структуру, которую удобно размещать в кабине
оператора.
ЕА-2165 и ЕА-2166 выполнены в переносном варианте в виде кейса.
Все БК этой серии построены на базе процессора Intel 486.
табл. 3.1 приведен вес моделей серии ЕА.
Таблица 3.1
|
ЕА-2164
|
До 12 кг
|
|
ЕА-2165
|
До 8 кг
|
|
ЕА-2166
|
5 кг
|
Бортовые
вычислительные машины ряда "Гелий"
В конце 60-х годов на предприятии (по месту работы авторов) было принято
решение приступить к разработке БЦВМ для оснащения ими вновь разрабатываемых
специальных систем управления. Подобное решение было вынужденным, так как
существовавшие на тот период времени отечественные БЦВМ типа "Аргон"
и другие не удовлетворяли требованиям, предъявляемым со стороны этих систем.
Первым шагом на пути создания "собственной" БЦВМ явилась
разработка вычислительной машины под шифром "Фим", которая была
изготовлена и настроена в 1970 г. в трех экземплярах. Ее элементной базой были
интегральные схемы (ИС), выпускавшиеся по новой (по тем временам)
ТТЛ-технологии. При вполне приемлемом быстродействии (порядка 500 тыс. коротких
оп/с) эта БЦВМ имела массу около 16 кг, потребляемую мощность до 400 Вт и
нетехнологичную конструкцию. Работы по "Фим" были прекращены.
В 1974 г было принято решение перейти на более экономичную элементную
базу, основанную на КМОП-технологии, пусть даже и с некоторым снижением
быстродействия БЦВМ. Намечалось также использовать многослойные печатные платы,
допускающие более плотную упаковку ИС.
По техническому заданию двух предприятий (ОАО ЦКБ "Алмаз" и
НИИАП) Минэлектронпром в 1974-1976 гг. разработал и освоил выпуск ИС серии 564.
Это были схемы, в основном, средней степени интеграции, обладающие такими
достоинствами как низкая потребляемая мощность (порядка 1 мВт на корпус),
широкий диапазон питающих напряжений (3...15 В), широкий температурный диапазон
(-60...+125°С) и высокая помехоустойчивость (не менее 30 % от напряжения
источника питания).
На основе серии 564 на предприятии был разработан ряд БЦВМ с
наименованиями: "Гелий-1", "Гелий-2", "Гелий-3".
Эти модификации использовались в процессе проектирования систем управления.
Наиболее широко применявшаяся БЦВМ "Гелий-3" имела следующие
характеристики:
быстродействие, тыс. оп/с-330;
разрядность чисел -16;
объем запоминающего устройства, Кбайт- 52;
обмен с внешними абонентами - с помощью двух каналов;
мощность, потребляемая от источников питания, Вт- 2;
диапазон рабочих температур, °С - -60... +70;
масса, кг-5;
объем, дм3 - 5,5.
Особенностью БЦВМ "Гелий" всех модификаций является возможность
быстрой электрической смены программ, а также возможность хранения этих
программ более одного года без смены малогабаритной батареи, питающей
оперативное запоминающее устройство (ОЗУ). Универсальная организация обмена с
внешними абонентами позволила применять данную БЦВМ в системах управления
разных типов.
Немаловажным фактором, способствовавшим повышению
"конкурентоспособности" БЦВМ "Гелий", явилась разработка на
предприятии нового типа многослойной печатной платы (до 18 слоев) с высокой
плотностью размещения печатных проводников, с отдельными слоями питания, с
малыми значениями монтажных емкостей. Для межъячеечных соединений использовался
специальный ленточный провод, разработанный в одной из сторонних организаций по
техническому заданию предприятия. В итоге существенно снизились объем и масса
БЦВМ, а также трудоемкость изготовления.
Разработка контрольных и рабочих программ осуществлялась с помощью
специального математического обеспечения, состоявшего из языка высокого уровня
"Фрак-Гелий", транслятора и интерпретатора на ЭВМ БЭСМ-6.
В ходе разработки БЦВМ проявились и серьезные осложнения. В частности,
первые же испытания в камере влажности показали несоответствие БЦВМ требованиям
по влагоустойчивости - она выдерживала лишь половину требуемого срока
пребывания в камере влажности, после чего происходили отказы ИС и наблюдалась
соответствующая потеря работоспособности БЦВМ. После тщательного изучения
причин этого явления было обнаружено, что под воздействием влаги происходит
замыкание соседних контактов ИС вследствие процессов электролиза, возникающих в
зоне самих контактов ИС. Началась длительная (порядка 1,5... 2 лет) работа по
преодолению указанной трудности. Было испытано несколько способов борьбы с
процессами электролиза. В результате был найден (совместно с одним из серийных
заводов) состав лака, использование которого для покрытия печатных плат с
монтажом предотвращает отказы ИС в камере влажности. Таким образом БЦВМ стала
влагоустойчивой.
Техническая документация на БЦВМ "Гелий-3" в свое время была
передана серийному заводу, который изготовил их сотни штук.
С середины 80-х годов начата разработка второго поколения БЦВМ этого
класса под шифрами "Гелий-4" и "Гелий-5".
В БЦВМ "Гелий-4" использовался микропроцессор 1806ВМ2 из серии
БИС 1806, выпускаемой по КМОП-технологии. БЦВМ имела следующие характеристики:
быстродействие, тыс. коротких оп/с - 500;
объем ЗУ, Кбайт - 64;
параллельный магистральный интерфейс по ГОСТ 26777551-86;
два последовательных мультиплексных канала по ГОСТ В243 94-80;
потребляемая мощность, Вт- 15;
диапазон рабочих температур, °С - -60... +70;
масса, кг-до 0,75;
объем, дм3- 1.
Система команд БЦВМ "Гелий-4" совместима с системой команд
универсальных ЭВМ "Электроника-60". Для отладки программ данной БЦВМ
был разработан аппаратно-программный комплекс, позволяющий:
производить загрузку в БЦВМ отлаживаемых программ;
запускать отлаживаемые программы и прерывать работу в заданных точках;
осуществлять трассировку работы программы;
обеспечивать динамическую индикацию по заданным адресам и т.д.
При проектировании БЦВМ "Гелий-5" было решено использовать
процессоры 1801ВМЗ и 1801ВМ4, благодаря чему быстродействие БЦВМ возросло вдвое
и составило 1 млн. коротких оп/с. Более чем вдвое возрос объем ЗУ (до 140
Кбайт). Число последовательных мультиплексных каналов стало равно шести вместе
двух у предыдущей модификации. Однако при этом диапазон рабочих температур
сузился до пороговых значений: -10...+60° С.
На последующем этапе началась модернизация БЦВМ "Гелий-5".
Основная направленность модернизации-замена процессоров 1801ВМЗ и 1801ВМ4 на
более современные 1836ВМЗ и 1836ВМ4. В результате повышается помехоустойчивость
функционирования БЦВМ. расширяется рабочий температурный диапазон до-60...+70°
С.
За годы проектирования указанных БЦВМ предприятие накопило богатый опыт
ведения подобных разработок, что привело к существенному сокращению цикла
изготовления. В результате стала высказываться точка зрения, согласно которой
можно в короткие сроки и при сравнительно небольших затратах проектировать и
изготавливать БЦВМ со "стыковочными" характеристиками,
ориентированными только на какой-то один тип системы управления. Что же
касается основных технических характеристик БЦВМ, то лучшим ориентиром для них
оказался все же общемировой, достигнутый к рассматриваемому моменту времени,
технический уровень БЦВМ этого класса.
На основе изложенных выше сведений для работы в системе определения
местоположения излучающего объекта выберем БК серии А-50.
3.3 Энергетический расчет системы
Рассчитаем
мощность передатчика и чувствительность приемника.
Мощность на
входе приемного устройства находится по формуле
,
где РП - мощность передатчика;
D -
расстояние до цели;
Gцп -
коэффициент усиления передающей антенны, примем его равным1.
SАПР -
площадь приемной антенны,она находится по формуле
,
где
G - коэффициент усиления приемной антенны возьмем ее
равной 5.
Так как передающая аппаратура должна быть портативной, то для увеличения
ресурса автономного источника питания необходимо на сколько возможно снизить ее
потребляемую мощность, в первую очередь - мощность передатчика. Исходя из этого
мощность передатчика может быть выбрана в пределах 0.1…0.5 Вт. Возьмем ее
равной 0.3 Вт.
Рассчитаем длину волны l
,
где
С - скорость света.
Так
как система работает в диапазоне дальностей 20…100 км, то D=100
км.
Рассчитаем
SАПР
Зная SАПР найдем мощность на входе
приемника
Найдем
мощность шумов, приведенную ко входу приемного устройства
,
где
КТ - постоянная Больцмана;
КШ
- коэффициент шума;
Df - полоса пропускания приемника.
Зная
Рш можно найти отношение сигнал/шум
.
Рассчитаем
чувствительность приемника по напряжению
где
W - волновое сопротивление, равное в нашем случае 50 Ом.
3.4 Разработка
функциональной схемы приемного устройства
На антенну приемника поступает сигнал на несущей частоте f0 вместе с доплеровской
составляющей Fд. Принимаемый сигнал находится на частоте равной f0=156.8 мГц.
Это стандартная частота и называется она аварийной частотой или частотой
бедствия. Принимаемый сигнал усиливается в УВЧ и попадается в смеситель 1
(СМ1). В СМ1 сигнал переносится на промежуточную частоту fПЧ1. Для этого используется
синтезатор частот с кварцевым генератором. Используя умножители и делители
частоты мы получаем разные частоты гетеродинов fГ, которые подаются на смесители. Эти частоты связаны с
кварцевым генератором и кратны друг другу.
Функциональная схема приемного устройства изображена на рис.3.2.
Так как делители и умножители частоты - это нелинейные элементы с
множеством побочных гармоник, то после них нужно ставить полосовые фильтры
чтобы выделить полезную частоту (т.е. частоту fГ). Смесители частоты тоже создают множество гармоник и чтобы
от них избавится УПЧ должны содержать фильтры настроенные на частоту fПЧ.
Произведя операции переноса сигнала с частоты f0 на частоту fПЧ1 и
далее мы добиваемся того, что сигнал переносится с частоты f0=156.8 мГц на частоту fПЧ4=1225 Гц. Вместе с сигналом
переносится и доплеровская составляющая и на выходе УПЧ4 имеем fПЧ4+FД. Для выделения доплеровской составляющей в СМ5 происходит
компенсация опорной частоты и на его выходе остается только доплеровская
частота FД.
Так как в преобразователе частот используется только низкая настройка
гетеродина, то знак доплеровской частоты при преобразовании не изменяется.
Определение знака доплеровской частоты происходит в блоке выделения знака,
содержащий в себе частотный дискриминатор.
3.5 Расчет синтезатора частот
Примем
ПЧ1 = fC - fГ1,
тогда
ПЧ2 = fПЧ1 - fГ2 = fC - fГ1 - fГ2 ,
исходя из этого fПЧ3
будет равно
ПЧ3 = fПЧ2 - fГ3 = fC - fГ1 - fГ2 - fГ3 ,
а fПЧ4
fПЧ4= fПЧ3 - fГ4 = fC - fГ1 - fГ2 - fГ3 - fГ4 .
Так как частоты гетеродинов должны быть кратными друг другу, то их нужно
умножать на коэффициенты
тогда
.
Исходя
из этого
Возьмем
fПЧ4 = 1225 Гц,
тогда
,
,
местоположение излучающий приемный погрешность
где
m - множитель.
Беря
в учет, приведенные выше, соотношения получим
ю
Проведя
несложные преобразования, полученное выражение запишем в виде
.
Методом
подстановки найдем что m = 31, а выражение в фигурных скобках равно 4129.
Проведем
еще одно преобразование и получим
Здесь
выражение в квадратных скобках равно129, тогда n3 = 32,
отсюда
Тогда
n2=8, а n1=15.
В
итоге получены коэффициенты на которые надо делить частоту кварцевого
генератора, чтобы получить частоты гетеродинов.
4. МОДЕЛИРОВАНИЕ РАБОЧИХ ЗОН
4.1 Расчет погрешности определения
местоположения ИО
Среднеквадратическая ошибка определения местоположения излучающего
объекта гиперболическим методом будет определятся по формуле
(4.1)
где
- Среднеквадратическая ошибка линий положения.
,
-
количество интегральных отсчетов,

- длина
волны, рассчитывается она через частоту по формуле
где
с - скорость света, равная
тогда
=1.9 м.
В
нашем случае
, при условии, что при подсчете числа импульсов N, мы
можем ошибиться на один отсчет.
Поясним
наши дальнейшие расчеты на рис.4.1.
Рис.4.1
Из
рис. 4.1 рассчитаем углы
и
:
,
тогда
,
,
откуда
. (4.2)
,
тогда
с учетом формулы (4.2)
(4.3)
Запишем
теперь уравнение (4.1) с учетом формул (4.2) и (4.3)
(4.4)
Рассмотрим
приведенное выше соотношение (4.4) для определения ошибки местоположения ИО при
изменении различных величин (расстояния до ИО, скорости ЛА и времени
изменения).
Все расчеты производились в математическом пакете Mathcad 5 PLUS.
Определение ошибки при изменении расстояния d
Рис.4.2
При расчете ошибки приняты следующие значения:
скорость ЛА - v=250 м/с;
расстояние ИО по оси ординат от направления движения ЛА - R=17000 км;
время проведения измерения - t=4c;
расстояние d до ИО по оси
абсцисс будет изменяться (рис.4.2), т.е. ЛА будет приближаться к ИО.
d
будет меняться от 10 км до 0.
Подставим эти значения в уравнение (4.4).
Изменение ошибки от изменения расстояния d приведено на рис. 4.3.
Зависимость ошибки от расстояния
Рис. 4.3
Из рисунка видно, что с уменьшением расстояния до ИО ошибка уменьшается.
Определение ошибки при изменении расстояния R
Рис. 4.4
Рис. 4.4 поясняет расчет ошибки при изменении расстояния R.
Здесь приняты
следующие значения:
v =
250 м/с;
t=4c;
d=10
км;
R
изменяется от10 км до 17км.
Подставим эти значения в уравнение (4.4) и построим график зависимости
ошибки (рис.4.5).
Зависимость ошибки от расстояния R.
Рис.4.5
Из рисунка следует, что с увеличением углов ошибка уменьшается.
Определение ошибки при изменении базы
База определяется как произведение скорости и времени измерения. Из этого
следует, что изменение одной из этих величин приведет к изменению базы.
Рассмотрим
два случая в которых будем изменять v и
.
Поясним это на рис.4.6.
Определение
ошибки при изменении базы V
t
Рис.4.6
Определение
ошибки при изменении скорости V
Здесь приняты
следующие значения:
v
изменяется от 200 м/с до 1000 м/с;
d=17 км;
R изменяется в
пределах от 10 км до 17км.
Подставим эти значения в уравнение (4.4) и построим график зависимости
ошибки (рис. 4.7).
Зависимость ошибки от скорости V
Рис.4.7
Определение
ошибки при изменении времени
.
Пояснение
приведено на предыдущем рис.4.6.
Здесь приняты
следующие значения:
v =
250 м/с;
изменяется
от 0 с до 20 с;
d=17 км;
R =10 км.
Подставим эти значения в уравнение 4.4 и построим график зависимости
ошибки (рис.4.8).
Зависимость
ошибки от времени
Рис. 4.8
При
значениях
близких к нулю ошибка стремится к бесконечности.
Из рис. 4.7 и рис.4.8 видно, что с увеличением базы, ошибка уменьшается.
4.2 Построение рабочих зон
Для начала нужно построить графики зависимости ошибки ОМПИО при различных
расстояниях до проекции ИО на ось Х. Для этого будем использовать уравнение
(4.4).
Расстояние d будем изменять
от 10 км до 17 км через 1 км.
Графически ошибки при различных расстояниях d приведены на рис. 4.9.
Зависимость ошибки от скорости при различных расстояниях d
Рис.4.9
Затем при определенных значениях ошибки и при различных значениях
расстояния d определяем скорость ЛА. Графически
это представляется на рис. 4.10.
Определение скоростей будет происходить при следующих значениях s:
s = 85, s = 100, s = 115, s = 130, s = 150, s = 300, s = 500, s = 1000. Полученные значения
скоростей заносим в табл. 4.1.
Таблица 4.1
|
d
|
10 км
|
11 км
|
12 км
|
13 км
|
14 км
|
15 км
|
16 км
|
17 км
|
|
s
= 85
|
V j1 j2
|
375 0.575 0.073
|
435 0.497 0.089
|
515 0.427 0.095
|
590 0.359 0.106
|
700 0.299 0.124
|
820 0.244 0.143
|
975 0.197 0.169
|
1180 0.16 0.207
|
|
s
=100
|
V j1 j2
|
335 0.568 0.065
|
390 0.49 0.073
|
450 0.416 0.081
|
530 0.348 0.093
|
630 0.287 0.108
|
750 0.233 0.128
|
900 0.185 0.153
|
1115 0.155 0.191
|
|
s
= 115
|
V j1 j2
|
300 0.561 0.057
|
350 0.483 0.065
|
415 0.41 0.075
|
480 0.341 0.083
|
575 0.279 0.097
|
700 0.226 0.118
|
850 0.178 0.142
|
1050 0.140 0.177
|
|
s
=130
|
V j1 j2
|
275 0.557 0.052
|
325 0.478 0.058
|
380 0.404 0.067
|
450 0.335 0.077
|
535 0.273 0.089
|
650 0.218 0.11
|
795 0.169 0.128
|
1000 0.133 0.166
|
|
s
=150
|
V j1 j2
|
245 0.551 0.046
|
285 0.471 0.053
|
330 0.395 0.057
|
410 0.33 0.07
|
490 0.267 0.082
|
600 0.21 0.097
|
740 0.161 0.119
|
945 0.125 0.154
|
|
s
=300
|
V j1 j2
|
|
|
200 0.37 0.035
|
250 0.31 0.04
|
310 0.24 0.05
|
390 0.178 0.059
|
380 0.11 0.054
|
700 0.089 0.105
|
|
s
=500
|
V j1 j2
|
|
|
|
|
210 0.22 0.035
|
285 0.163 0.041
|
250 0.093 0.343
|
560 0.08 0.071
|
|
s
=1000
|
V j1 j2
|
|
|
|
|
|
|
|
415 0.051 0.056
|
Определение скорости ЛА для разных расстояний при определенной ошибке
Рис. 4.10
Следующим действием будет построение и определение значений углов j1 и j2 при различных значениях s и уже определенных значениях
скоростей. Значения углов заносим в табл. 4.1. Графическое представление
зависимости углов от скорости при различных расстояниях дано на рис.4.11 и
рис.4.12. Значения углов приведены в радианах.
График зависимости углов j1 от скорости при различных расстояниях
Рис.4.11
График зависимости углов j2 от скорости при различных расстояниях
Рис.4.12
Полученные данные углов j1 и j2, приведенные
в табл.4.1, переводим из радианов в градусы.
Далее, зная значения углов для различных расстояний и скоростей, можно
построить рабочие зоны системы для определенных значений s.
Графически рабочие зоны изображены на рис.4.13.
Из проведенных исследований в данном разделе следует, что:
с уменьшением расстояния d до
ИО ошибка уменьшается;
с уменьшением расстояния R
ошибка уменьшается;
·
с увеличением
базы (т.е. с увеличением скорости ЛА и времени измерения), ошибка уменьшается.
В данном расчете проводились измерения ошибки при минимальных расстояниях
действия системы (около 20 км до ИО). При увеличении расстояния до ИО ошибка
определения местоположения будет увеличиваться.
Так как все эти параметры влияют на изменение углов, то можно проследить
зависимость ошибки от углов - ошибка увеличивается с уменьшением углов.
График рабочих зон системы определения местоположения излучающего объекта
Рис.4.13
5. РАСЧЕТ
ПРИНЦИПИАЛЬНЫХ ЭЛЕКТРИЧЕСКИХ СХЕМ ПРИЕМНИКА (СМЕСИТЕЛЬ, УПЧ, ФИЛЬТР)
5.1 Расчет принципиальной электрической схемы
смесителя
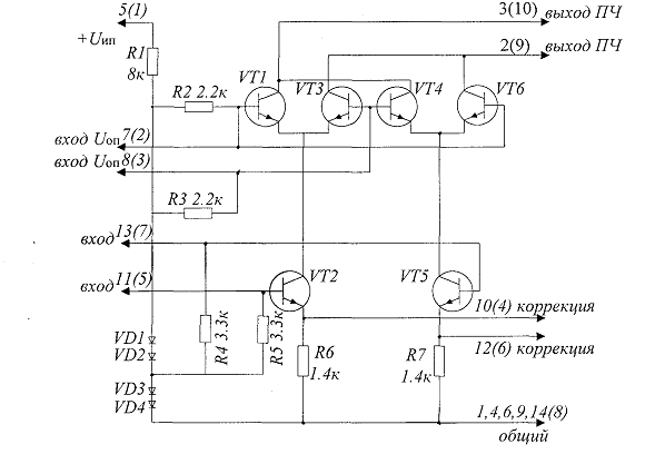
В качестве схемы смесителя 4 и 5 можно взять типовую схему включения
интегральной микросхемы К174ПС1 1251. Она представляет собой двойной балансный
смеситель для частот до 300 МГц и предназначена для преобразования частот УКВ
диапазона в радиоприёмной и связной аппаратуре.
Основным узлом ИПС является счетверённый дифференциальный усилитель с
перекрёстными связями на транзисторах VT1, VT3, VT4, VT6.
Схема представлена на рисунке 5.1.
Принципиальная схема ИМС К174ПС1 (КФ174ПС1)
Рис. 5.1
Подавая разное напряжение на базы транзисторов VT2,VT5 регулируются
токи эмиттеров. Внутренний стабилизатор (резистор R1 и диоды VD1...VD4) обеспечивает стабильную работу ИМС
по постоянному току, задавая смещение на транзисторы.
Типовая схема показана на рисунке 5.2.
Типовая схема включения ИМС К174ПС1 (КФ174ПС1). Выводы, указанные в
скобках, - для корпуса МО4.10-1
Рис. 5.2
Элементы LI, C2 выбираются в зависимости от
используемой промежуточной частоты. Третья промежуточная частота равна 3920 Гц.
Таким образом, если зададимся С4 равным 0,1 мкФ, то

Резисторы
R1 и R2 устанавливают для того, чтобы увеличить крутизну
преобразования.
5.2 Расчет принципиальной схемы УПЧ
Схему УПЧ4 тоже можно построить на микросхеме. Для заданных параметров
подходит типовая схема включения интегральной микросхемы К157Х1. Она
представляет собой усилитель промежуточной частоты с амплитудным детектором и
системой АРУ на базе дифференциального усилителя .
Усилитель ПЧ состоит из регулируемого каскада на транзисторах VT1, VT2, управляемого по выводу 13 напряжения, и основного
усилителя на транзисторах VT4
... VT11.
Основной усилитель построен по дифференциальной схеме на транзисторах VT6, VT9 с динамической нагрузкой в цепи коллектора транзистора VT6 . Второй каскад основного усилителя
выполнен на транзисторе VT11
по схеме с общим эмиттером. Усилитель имеет обратную связь по постоянному току,
глубина которого определяется делителем, образованным резистором R13 и цепочкой, подключаемой к выводу
4. Отличительной особенностью амплитудного детектора на транзисторе VT13 является его способность работать
в широком диапазоне уровней входного сигнала. Усилитель напряжения системы АРУ
- двухкаскадный усилитель постоянного тока. Транзистор VT14 в нем включен по
схеме с общим эмиттером, транзистор VT3 - по схеме с общим коллектором.
Относительное изменение напряжения АРУ определяется по формуле
где
,
-
наибольшее и наименьшее значения выходного напряжения, которым соответствуют
два крайних значения входного напряжения. Типовая схема включения показана на
рисунке 5.4.
Типовая
схема включения ИМС К157ХА1
Рис.
5.4
В
качестве нелинейного элемента можно взять диод Шоттки, так как он имеет
квадратичную зависимость тока от напряжения в широком диапазоне входных
сигналов. Схема включения показана на рисунке 5.5.
Принципиальная
схема нелинейного элемента
Рис.
5.5
Выберем
схему полосового фильтра, например, на основе операционного усилителя. Схема
показана на рисунке 5.6 1261.
Принципиальная
схема полосового фильтра
Рис.
5.6
R2 рассчитаем по
формуле
где C=C1=C2=2,2 мкФ, Q -
добротность, которую примем равной 10,
f0 =
1,225 кГц.
.
R1 можно
рассчитать по формуле
где К - коэффициент усиления, который равен 10.
R1
=1181.112 / 20 = 59,055 Ом.
Далее
рассчитаем
Таким
образом,
В качестве операционного усилителя можно взять микросхему К140УД5.
5.3 Делитель частоты
Четвертый делитель частоты предназначен для преобразования частоты
37.975кГц в частоту 1,225кГц (рис 5.7).
Делитель частоты
Рис. 5.7
Счетчик построен на счетных триггерах, выполненных на микросхемах К555ТМ2
с обратными связями. Обратные связи выбраны таким образом, чтобы сбросить
счетчик на 31 - ом импульсе, чем обеспечивается деление на 31.
6. РАЗРАБОТКА КОНСТРУКЦИИ ПРИЕМНОГО УСТРОЙСТВА
Высокая сложность современной радиоэлектронной аппаратуры, построенной с
применением микросхем различного типа, микросборок и других современных
электрорадиоэлементов, вызвала необходимость поиска таких конструктивных и
компоновочных решений, которые позволили бы удовлетворять следующим требованиям
/13/:
1. Высокая степень микроминитюризации
аппаратуры в целом.
2. Широкая унификация элементов
конструкций.
3. Возможность параллельной сборки и
регулировки составных частей радиоэлектронной аппаратуры.
4. Обеспечение высокой эксплуатационной
надежности аппаратуры многоразового действия за счет быстрой замены вышедшей из
строя составных частей.
5. Возможность проведения модернизации
отдельных составных частей и сохранения неизменными других составных частей.
Указанные требования в значительной степени удается выполнить, применяя
функционально-модульный метод компоновки приемного устройства. Разрабатываемое
радиоприемное устройство делится на отдельные конструктивно-законченые
сборочные единицы (рис.6.1). Модули имеют одинаковые размеры. Каждый модуль
представляет устройство, выполняющее определенную законченную функцию. Весь
приемник разделен на шесть модулей:
·
модуль усилителя
высокой частоты и гетеродина;
·
модуль первого
преобразования частоты;
·
модуль усиления
первой промежуточной частоты и второго преобразования частоты;
·
модуль усиления
второй промежуточной частоты и третьего преобразования частоты;
Конструкция бортового приемника
Рис. 6.1
·
модуль усиления
третьей промежуточной частоты и четвертого преобразования частоты;
·
модуль усиления
четвертой промежуточной частоты и пятого преобразования частоты;
В состав конструкции входит также модуль питания, преобразующий бортовое
напряжение (27В) в напряжение питания узлов приемника.
Модули вставляются в корпус по направляющим и соединяются электрически с
помощью разъемов, расположенных на внутренней стороне задней панели корпуса.
Антенна соединяется с первым модулем с помощью кабеля РК-50-17-10 через
антенный вход СО-50-57 ЛМ.
При конструировании радиоэлектронных устройств, предназначенных для
установки на самолетах, необходимо учитывать следующие условия: Во-первых, на
современном самолете приходится устанавливать большое количество аппаратуры,
предназначенной для связи, определения местоположения самолета, выполнения
посадки в условиях плохой видимости и решения ряда задач, без которых полет
невозможен. Во-вторых, управление этой аппаратурой часто осуществляет летчик
или штурман, реже - специальный оператор; В-третьих, площадь панелей,
расположенных перед рабочим местом оператора, крайне ограничена.
В силу перечисленных причин должен существовать отдельный малогабаритный
пульт, на котором сосредоточены все органы управления, контроля и отображения
информации. Все остальные приборы размещаются в фюзеляже самолета на
значительном расстоянии от оператора и соединяются друг с другом кабелями и соединителями.
Для снижения транспортных расходов авиационных радиосистем необходимо
минимизировать массу бортовой аппаратуры. Для этого при изготовлении несущих
конструкций используется материал с малой плотностью - силумин. На бортовую РЭА
могут воздействовать различные климатические и механические факторы: изменение
в широких пределах влажности, температуры, атмосферного давления, механического
и динамического воздействия. Для снижения влияния этих факторов в конструкции
РПрУ используется герметизация и амортизирующие прокладки.
7. БЕЗОПАСНОСТЬ И ЭКОЛОГИЧНОСТЬ ПРОЕКТА
7.1 Анализ возможных аварийных ситуаций при
эксплуатации системы определения местоположения излучающего объекта
Разрабатываемое устройство предназначено для работы на летательных
аппаратах, где предъявляются особые требования к надёжности аппаратуры. Для
повышения безопасности и надёжности (безотказности) работы системы необходимо
эффективным образом проанализировать возможные аварийные ситуации и причины их
вызывающие. И, как следствие, принять меры по предотвращению таковых.
Проведем анализ функционирования устройства блочно описанного в разделе 3
пояснительной записки в соответствии со структурной и функциональной схемами,
приведёнными на рис. 3.1 и рис. 3.2. Для анализа необходимо определить функции
выполняемые подсистемами. Далее необходимо определить возможные причины
невыполнения той или иной функции. Во избежание громоздкости получаемой модели
необходимо проранжировать вышеупомянутые причины в порядке их важности и
подвергать дальнейшей проработке лишь наиболее весомые и вероятные причины
дисфункции. Каждая причина может быть вызвана комбинацией причин и т.д. Таким
образом, будет определена древовидная структура опасностей.
В качестве общего уровня, на котором должны быть рассмотрены все события,
являющиеся нежелательными для нормальной работы системы, определим уровень
функционального взаимодействия блоков этой системы. Этот уровень оправдан с
одной стороны - полным описанием возможных причин дисфункции тех или иных узлов
системы, и компактностью описания - с другой.
Основным событием, которое должно быть предотвращено, определим отказ
системы. Это событие будет определено при осуществлении одного из следующих
событий:
) вышло из строя вычислительное устройство;
) вышел из строя индикатор;
) вышел из строя ДИСС;
1) вышел из строя высотомер;
2) вышло из строя РПрУ;
7) отсутствие принимаемого сигнала;
) отсутствие питающего напряжения.
Рассмотрим более подробно выход из строя РПрУ. Это событие может
произойти по следующим причинам:
- отсутствие питающего напряжения;
- отсутствие опорных колебаний;
отсутствие входного сигнала;
не выделяется Fd.
Отсутствие входного сигнала может быть вызвано двумя причинами. Это
поломка антенны и обрыв связи.
Не выделяется Fd. Это может быть
вызвано отсутствием несущего колебания (из-за поломки УПЧ и УВЧ) либо выходом
из строя смесителя, что в свою очередь, может бить вызвано неисправностью КГ
или делителя частоты.
Отсутствие опорных колебаний может произойти из-за поломки кварцевого
генератора.
Выход из строя ВУ, индикатора, ДИССа - будем считать событием
недостаточно детально проработанным, так как здесь может существовать большое
множество причин, вызывающих его.
В соответствии с проведенным анализом можно построить "дерево
отказов" (рис. 7.1).
«Дерево отказов» системы определения местоположения излучающих объектов
Рис.7.1
7.2 Мероприятия по повышению надёжности системы
Предлагаю мероприятия по повышению надежности работы системы.
1. На этапе проектирования необходимо добиваться большей надёжности
функционирования блоков и узлов системы. Это - оптимальное упрощение
схемотехнических решений отдельных блоков, применение по возможности
интегральных узлов для построения принципиальных схем устройств в силу её
большей надёжности по сравнению с дискретной, применение соединительных
разъёмов с фиксирующими элементами, применение электронных коммутационных
устройств.
2. На этапе расчета принципиальных схем необходимо осуществить их
подробный анализ и проводить корректный расчёт.
. На этапе конструкторской разработки необходимо предусмотреть меры
защиты элементов от внешних воздействий (покрытие элементов лаком, применение
амортизаторов для несущих конструкций). Рекомендуется применять блочное
конструирование в соответствии с функциональными узлами, что значительно облегчает
отыскание и устранение неисправностей. Для этапа эксплуатации необходимо
разрабатывать устройства диагностики и автоматизированного отыскания
неисправностей.
3. Этап настройки и проверки устройства должен включать в себя
комплексную проверку характеристик наиболее значимых блоков с точки зрения
температурной стабильности, вибростойкости. Необходимо проведение тщательного
испытания системы перед запуском её в эксплуатацию.
На этапе конструкторской разработки можно предложить следующие меры по
понижению риска при производстве блоков системы.
Во-первых, руководители предприятий (цехов) обязаны обеспечить
своевременное и качественное проведение инструктажа по технике безопасности и
производственной санитарии для вновь поступающих и всех работающих, независимо
от стажа, опыта их работы и квалификации на основе правил и инструкций по
охране труда с учетом конкретных условий производства.
Во-вторых, при производстве самих блоков, необходимо иметь спецодежду,
защищающую от воздействия электричества и тепловых ожогов, например, резиновый
коврик под ногами, защитные очки. Так же для повышения надежности системы в
целом, необходимо, чтобы процесс производства блоков перешел на программное
обеспечение. Это облегчит работу с системой в дальнейшем, например, при эксплуатации
системы выгодно иметь программу, которая сканирует и указывает на неисправность
в системе.
7.3 Наиболее вероятная чрезвычайная ситуация при
моделировании системы
Наиболее вероятной чрезвычайной ситуацией (ЧС) в лаборатории является
пожар. Согласно СНиП 2.09.02-85 лабораторное помещение по взрывной,
взрывопожарной и пожарной опасности относится к категории В (производства,
связанные с обработкой сгораемых веществ и материалов в холодном состоянии, а
так же вспомогательные помещения) /22/. По огнестойкости здание относится ко
второй степени (СНиП 2.01.02-85).
Причинами возникновения пожара неэлектрического характера могут быть
неосторожное обращение с огнем, нагревающимися предметами, самовозгорание
веществ электрического характера - короткое замыкание, перегрузки, большие
переходные сопротивления.
Для предупреждения пожара проводятся организационные, эксплуатационные,
технические и режимные мероприятия.
К организационным мероприятиям относятся: обучение работающих технике
пожарной безопасности, проведение инструктажа, бесед, лекций.
Эксплуатационные мероприятия предусматривают правильную эксплуатацию
машин, оборудования, правильного содержания помещения.
Технические мероприятия включают в себя соблюдение противопожарных правил
и норм при устройстве вентиляции, отопительного оборудования.
К мероприятиям режимного характера относят запрещение курения в
неустановленных местах, и т.п.
С учетом коэффициента безопасности СНиП 2.01.02 -85 время эвакуации людей
из помещения не ограничивается. В случае возникновения пожара из помещения
выносится, в первую очередь, дорогостоящее оборудование. Для тушения пожара
необходимо применять имеющиеся в лаборатории углекислотные огнетушители ОУ-2,
применяющиеся для тушения пожаров в электроустановках, находящихся под напряжением
до 1000 В.
7.4 Воздействие системы на окружающую среду при
ее эксплуатации
Экологичность проекта оценивается с использованием понятия экологическая
совместимость проекта. Под этим термином понимается возможность создания,
функционирования и утилизации системы без нанесения недопустимого ущерба среде
обитания людей и непосредственно, самим людям.
При производстве системы важное место занимает механическая обработка
металлов на металлорежущих станках. При обработке металлов, пластмасс и других
материалов резанием возникает ряд опасных и вредных производственных факторов,
которые могут тем или иным образом влиять на окружающую среду: высокая
температура обрабатываемой поверхности, стружка, пыль и вредные аэрозоли
обрабатываемых материалов. Также важен этап термической, электрохимической и
электрофизической обработки. Основными опасными и вредными производственными
факторами, которые могут возникать при указанных способах обработки могут быть
следующие: повышенная запылённость и загазованность воздуха рабочей зоны;
повышенный уровень инфракрасного излучения, повышенный уровень
электромагнитного излучения. Особую опасность при рассматриваемых методах
обработки представляют различные токсичные газы и химические вещества,
применяемые в качестве электролитов и очищающих растворов.
Электролиты, применяемые при электрохимической обработке, представляют
собой растворы сильных кислот (серной, фосфорной, соляной, плавиковой, азотной
и д.р.), их смеси в различных пропорциях, а также расплавы и растворы едких
щелочей. Некоторые применяемые соли (цианистое серебро, цианистый калий)
являются сильными ядами. В присутствии влаги, кислот, а также углекислоты,
содержащейся в воздухе, цианистые соли выделяют цианистый водород, вызывающий
сильное удушье вследствие паралича тканей дыхательных органов.
При производстве печатных плат большинство материалов являются опасными
для окружающей среды. Вдыхание химических веществ в любом агрегатном состоянии
(газ, пары, пыль) приводит к поражению верхних дыхательных путей. Многие вредные
вещества попадают в организм через кожу, особенно опасны хромовые композиции,
концентрированные щелочи, кислоты и растворители.
Для придания поверхностному слою детали некоторых специальных свойств,
отличных от свойств основного материала, например электропроводности,
электроизоляционных свойств, твёрдости, износоустойчивости, применяют защитные
гальванические, химические, и лакокрасочные покрытия (ЛКП). Процессы нанесения
гальванических и химических покрытий характеризуются многообразием применяемых
химических веществ. Всё это в большей или меньшей степени влияет на состояние
окружающей среды.
Для нейтрализации вредных факторов, возникающих при производстве
компонентов проектируемой системы необходим ряд перечисленных ниже мер /20/.
Для исключения попадания механической пыли в атмосферу необходимо применять в
вытяжной вентиляции пылеулавливатели с грубой (когда задерживается пыль с
размером частиц более 50 мкм), средней (от 10 до 50 мкм) и тонкой (до 10 мкм)
сеткой. Рекомендуется применять сухие пылеулавливатели так как они более
совершенны, и, кроме того, позволяют возвратить уловленную пыль в производство.
Участки и отделения кислотного и щелочного травления, обезжиривания в
органических растворителях необходимо устраивать в отдельных помещениях с местной
вытяжной вентиляцией, на выходе которой необходимо устанавливать фильтры
туманоулавливатели.
Для исключения попадания вредных веществ в почву необходимо полы
выполнять из материалов, которые должны быть влагонепроницаемыми, стойкими к
кислотам и щелочам, растворителям и другим агрессивным средам.
Помещения оборудуются общеобменной вентиляцией, а также применяется
система местной вытяжной вентиляции на выходе которой обязательно необходимо
ставить фильтры или химические нейтрализаторы.
Для исключения попадания испарений вредных веществ в атмосферу необходимо
применять туманоулавливатели, которые осаждают пары. Для нейтрализации и
поглощения ядовитых газов необходимо применять жидкие абсорбенты и хемосорберы.
Для защиты грунтовых вод от попадания в них ядовитых веществ необходимо
применять очистные сооружения с механической очисткой для поглощения взвешенных
веществ, физико-химическими и электрохимическими средствами очистки для
поглощения растворенных веществ.
Хранить растворители в рабочих помещениях необходимо в количестве не
более суточной нормы и в герметически закрытой таре.
Вывоз отходов механической обработки материалов необходимо производить в
закрытых контейнерах, вывоз отходов химической обработки, а также ввоз
составляющих химической обработки материалов необходимо производить в
герметичной, нейтральной к агрессивным средам, противоударной таре. Вывоз
отходов также должен производиться на специальные перерабатывающие предприятия,
или, если таковых не имеется, в специально отведенные для этого места
захоронения. Отходы химической обработки необходимо перед вывозом
нейтрализовать.
По возможности необходимо применять способы обработки с минимальным
выделением ядовитых веществ, либо вовсе без выделения таковых.
Эффективной мерой по предотвращению экологических катастроф является,
также, автоматизация производства. Поэтому, при производстве узлов составляющих
рассматриваемую систему автоматизации необходимо уделить особое внимание.
8.ЭКОНОМИЧЕСКОЕ ОБОСНОВАНИЕ ПРОЕКТА
8.1 Обоснование целесообразности разработки
системы
Одной из
наиболее актуальных задач радионавигации является определение местоположения
объекта. Вследствие того, что пассивный метод определения местоположения
излучающего объекта предполагает высокую скрытность радионавигационной аппаратуры,
он является перспективным.
Методы определения местоположения излучающего объекта пассивными
средствами имеют специфические особенности. Однопозиционные радиосистемы,
обрабатывающие сигналы и поля только в одной точке приема, требуют громоздкой и
зачастую сложной аппаратуры, к тому же это является причиной более низкой
скрытности. Вследствие невозможности прямого измерения дальности дальномерный и
угломерно-дальномерный методы определения местоположения объектов здесь не
применимы. Однопозиционные радионавигационные системы имеют также существенный
недостаток - у них низкая точность пеленгования. Это происходит из-за низкой
точности определения координат цели в поперечном направлении. Одним из наиболее
эффективных способов избежания этого недостатка является использование
многопозиционной системы с большой базой разнесения точек пеленгования.
Основная идея многопозиционной радиолокации состоит в том, чтобы наиболее
эффективно использовать информацию, заключенную в пространственных
характеристиках электромагнитного поля. Однако и здесь есть свои особенности.
Для обработки полученных из двух точек приема сигналов необходимо иметь опорный
приемный пункт, который может находиться в одной из этих точек. Пересылка
сигналов в этот пункт способствует частичному разрушению когерентных связей, а
также демаскирует систему. Поэтому дальнейшее решение этой проблемы привело к
использованию одного подвижного приемного пункта, создающего большую базу
разнесения точек приема и целью данного дипломного проекта является разработка
системы, предназначенной для определения местоположения излучающего объекта
пассивным методом. Далее в экономической части приведен расчет приемного
устройства системы.
Для сравнения с разрабатываемой системой возьмем навигационную систему
Коспас - Сарсат, также использующую пассивный метод определения местоположения
излучающего объекта, хотя и действующей в глобальных масштабах. Разрабатываемая
система уступает ей в технических параметрах, но должна иметь явное
преимущество в цене. Поэтому, далее, мы проведем ряд экономических расчетов,
подтверждающих ценовое преимущество разрабатываемой системы, возможность ее
создания.
8.2 Расчет себестоимости проектируемого
приемного устройства
Себестоимость проектируемой системы рассчитывается с учетом
стоимости покупных изделий, сырья и материалов, а также заработной платы. Так
как рассчитать полную себестоимость всей системы не представляется возможным из
за отсутствия данных на затраты по каждому блоку, то произведем расчет только
низкочастотного тракта приемного устройства. Сведем эти данные в таблицы.
Стоимость покупных изделий приведена в табл.1.
Таблица 1
Стоимость
покупных изделий
|
Наименование
|
Количество, шт
|
Цена, руб/шт
|
Сумма, руб
|
|
Конденсатор КМ
|
18
|
2
|
36
|
|
Конденсатор К50-16
|
6
|
3
|
18
|
|
Резистор МЛТ-0.125
|
12
|
0,5
|
6
|
|
Резистор СП3-38а
|
4
|
2
|
8
|
|
Микросхема К555ЛА2
|
1
|
6
|
6
|
|
Микросхема К555ТМ2
|
3
|
9
|
|
Микросхема К140УД5
|
1
|
5
|
5
|
|
Микросхема К174ПС1
|
1
|
4
|
4
|
|
Микросхема К157ХА1
|
1
|
4
|
4
|
|
Транспортно-заготовительные расходы 3%
|
-----
|
-----
|
2,88
|
|
Итого
|
-----
|
-----
|
98,88
|
Стоимость сырья и материалов приведена в табл. 2.
Таблица
2
Стоимость
сырья и материалов
|
Наименование материала
|
Единица измерения
|
Цена, руб
|
Норма расхода (в ед. изм.)
|
Стоимость, руб
|
|
Стеклотекстолит СТЭФ
|
м2
|
300
|
0,05
|
15
|
|
Хлорное железо
|
кг
|
100
|
0,1
|
10
|
|
Припой ПОС-61
|
кг
|
120
|
0,04
|
4,8
|
|
Флюс
|
л
|
100
|
0,02
|
2
|
|
Провод МГТФ
|
м
|
3
|
10
|
30
|
|
Провод МГШВ
|
м
|
5
|
2
|
10
|
|
Растворитель 646
|
л
|
30
|
0,05
|
1,5
|
|
Краска
|
кг
|
200
|
0,2
|
40
|
|
Алюминий листовой
|
кг
|
20
|
0,6
|
12
|
|
Транспортно-заготовительные расходы 3%
|
-------
|
------
|
------
|
3,46
|
|
Итого
|
-------
|
------
|
------
|
128,76
|
Заработная плата сотрудников занятых при проектировании и изготовлении НЧ
тракта рассчитывается исходя из разряда и определяется по таблице тарифных
ставок (окладов). Учитывая, что среднемесячный часовой рабочий фонд 169,2 часа.
Часовая тарифная ставка технического руководителя - 16 разряда:
/169,2 = 5,35 руб/час.
Часовая тарифная ставка инженера - 11 разряда:
/169,2 = 2,39 руб/час.
Часовая тарифная ставка электромонтажника - 6 разряда:
/169,2 = 1,3 руб/час.
Таблица
3
Заработная плата
|
Этап работы
|
Квалификация исполнителя
|
Разряд
|
Трудоемкость, час.
|
Ставка, руб/час.
|
Сумма, руб.
|
|
Подготовка материала для разработки проекта.
|
Технический руководитель
|
18
|
15
|
5,35
|
80,25
|
|
Изучение литературы.
|
Инженер
|
11
|
20
|
2,39
|
47,8
|
|
Разработка структурной, функциональной и принципиальной
схем системы.
|
Инженер
|
11
|
30
|
2,39
|
71,7
|
|
Разработка конструкции системы.
|
Инженер
|
11
|
15
|
2,39
|
35,85
|
|
Изготовление комплекта технической документации для
системы.
|
Инженер
|
11
|
18
|
2,39
|
43,02
|
|
Изготовление макета и проведение экспериментальных
исследований.
|
Электромонтажник
|
6
|
8
|
1,3
|
10,4
|
|
ИТОГО
|
--------
|
-----
|
106------289,02
|
|
|
Таблица 4
Калькуляционные статьи
|
№ п/п
|
Наименование калькуляционной статьи
|
Формула
|
Сумма, Руб.
|
|
1
|
Покупные изделия
|
Табл.1
|
98,36
|
|
2
|
Сырье и материалы
|
Табл.2
|
128,76
|
|
3
|
Основная зарплата
|
Табл.3
|
10,4
|
|
4
|
Дополнительная зарплата
|
20% от п.3
|
2,08
|
|
5
|
Отчисления на социальные нужды
|
38,5% от (п.3 + п.4)
|
4,81
|
|
6
|
Цеховые расходы
|
100% от п.3
|
10,4
|
|
7
|
Общезаводские расходы
|
80% от п.3
|
8,32
|
|
8
|
Производственная себестоимость
|
п.1 + п.2 + п.3 + п.4 + п.5 +п.6 + п.7
|
263,13
|
|
9
|
Внепроизводственные расходы
|
5% от п.8
|
13,15
|
|
10
|
Полная себестоимость
|
п.8+п.9
|
276,28
|
|
11
|
Прибыль на уровне рентабельности
|
15% от п.10
|
41,44
|
|
12
|
НДС
|
20% от (п.10 + п.11 )
|
63,54
|
|
13
|
Отпускная цена предприятия
|
п.10 + п.11 + п.12
|
381,27
|
Таблица 5
План-график
выполнения работ
|
Этапы разработки
|
Трудоем-кость, час
|
Январь
|
Февраль
|
Март
|
|
|
I
|
II
|
III
|
IV
|
I
|
II
|
III
|
IV
|
I
|
II
|
III
|
IV
|
|
Подготовка материала для разработки проекта
|
15
|
|
|
|
|
|
|
|
|
|
|
|
|
|
|
Изучение литературы
|
20
|
|
|
|
|
|
|
|
|
|
|
|
|
|
Разработка структурной, функциональной и принципиальной
схем системы
|
30
|
|
|
|
|
|
|
|
|
|
|
|
Разработка конструкции системы
|
15
|
|
|
|
|
|
|
|
|
|
|
|
|
|
Изготовление комплекта технической документации для системы
|
18
|
|
|
|
|
|
|
|
|
|
|
|
|
|
Изготовление макета и проведение экспериментальных исследований
|
8
|
|
|
|
|
|
|
|
|
|
|
|
|
|
|
|
|
|
|
|
|
|
|
|
|
|
|
|
|
|
8.3 Расчет экономического эффекта и окупаемости
Рассчитаем годовой экономический эффект от внедрения проектируемой
системы (НЧ тракт приемного устройства). Для сравнения возьмем радиоприемное
устройство используемое навигационной системой Коспас-Сарсат. Годовой
экономический эффект определим по формуле
(1)
где
З1,
З2 - приведенные затраты соответственно базовой и проектируемой
системы,
руб;
В1,
В2 - годовые объемы продукции (работы), производимые при использовании
единицы
базовой и проектируемой системы, в натуральных единицах;
(Р1+Ен)/(Р2+Ен)
- коэффициент "долговечности", учитывающий изменение срока службы
проектируемой системы по сравнению с базовой;
Р1
и Р2 - доли отчислений на восстановление базовой и разрабатываемой системы;
К'1,
К'2 - сопутствующие капиталовложения потребителя при использовании
базовой
и проектируемой системы, руб;
И'1,
И'2 - годовые эксплуатационные издержки потребителя при использовании
им
базовой и проектируемой системы, руб;
А2
- годовой объем производства проектируемой системы в расчетном году в
натуральных единицах.
Рассчитаем
приведенные затраты соответственно базовой и проектируемой системы по формуле
З
= С + Ен * К,
Где
С - себестоимость системы;
Ен
- нормативный коэффициент экономической эффективности капитальных вложений,
зависит от ставки рефинансирования Центробанка (начиная с 24 января 2000 года
45 %, Eн = 1,45);
К
- капиталовложения;
Вследствие
отсутствия информации о себестоимости приемной системы Коспас-Сарсат являющейся
базой для сравнения, предположим одинаковую рентабельность производства обеих
систем. А именно:
Ц1
= С1 + П1
Ц2
= С2 + П2
где
Ц1,
Ц2 - цена соответственно системы являющейся базой для сравнения и проектируемой
системы;
Цены
промышленной и проектируемой системы известны, и составляют:
Ц1
= 3000 руб,
Ц2
= 381,27 рублей.
Рассчитаем
приведенные затраты для промышленной приемной системы
Ц1
= С1 + П1 + НДС
П1
= 0,15*С1
НДС
= 0,2 * ( С1 + П1 )
Итак,
Ц1
= С1 + 0,15*С1 + 0,2 * ( С1 + 0,15*С1 )
Следовательно
приведенные затраты для промышленной приемной системы
З1
= Ц1 - П1 - НДС = Ц1/1,38 = 3000/1,38 = 2173,91 руб.
Рассчитаем
приведенные затраты для проектируемой системы.
З2
= С2 + Ен * К2
где
С2
= 281,89 руб;
Ен
= 1,45;
К2
= 276,28 руб;
З2
= 281,89 + 1,45 * 276,28 = 682,496.
Годовые
объемы продукции (работы) В1 и В2, производимые при использовании единицы
базового и нового средства труда, в натуральных единицах определены в табл. 5.
Таблица
5
|
Параметры Системы
|
Значение параметра
|
Вес показателя по 10 бальной шкале
|
Предварительная оценка Промышленной системы
|
Предварительная оценка Проектируемой системы
|
В1
|
В2
|
S В1
|
S В2
|
|
Промышленная система
|
Проектируемая система
|
|
|
|
|
|
|
|
|
1. Выделение FД
|
Есть
|
Есть
|
10
|
1
|
1
|
10
|
10
|
47,6
|
49
|
|
2. Количество каналов
|
1
|
1
|
3
|
0,5
|
0,5
|
1,5
|
1,5
|
|
|
|
3. Определение знака FД
|
Нет
|
Есть
|
7
|
0
|
1
|
0
|
7
|
|
|
|
4. Работа на неизвестной частоте
|
Нет
|
Нет
|
7
|
0
|
0
|
0
|
0
|
|
|
|
5. Чувствительность приемника
|
1*10-17
|
1*10-15
|
5
|
1
|
0,7
|
3,5
|
0,7
|
|
|
|
7. Определение пеленга на источник
|
Есть
|
Есть
|
8
|
1
|
1
|
8
|
8
|
|
|
|
8. Наличие линий связи между пунктами
|
Есть
|
Нет
|
8
|
0
|
1
|
0
|
8
|
|
|
|
9. Быстродействие
|
Высокое
|
Низкое
|
6
|
1
|
0
|
6
|
0
|
|
|
|
10. Количество лета - тельных аппаратов
|
1
|
1
|
8
|
1
|
1
|
8
|
|
|
|
11. Дальность действия
|
1000
КМ
|
100 км
|
7
|
0,8
|
0,4
|
5,6
|
2,8
|
|
|
|
12. Точность системы
|
30 м
|
0,2…1 км
|
5
|
1
|
0,6
|
5
|
3
|
|
|
Доли отчислений Р1 и Р2 рассчитываются как величины обратно
пропорциональные срокам службы промышленной системы и проектируемой системы.
Так как предполагается, что сроки службы систем такого типа одинаковы и
составляют в среднем 5 лет (с учетом морального старения), то
Р1 = Р2 = 0,1638
Сопутствующие капиталовложения потребителя равны нулю.
К'1 = К'2 = 0
Рассчитаем годовые эксплуатационные издержки потребителя при
использовании промышленной системы и проектируемой системы.
Годовые эксплуатационные издержки потребителя при использовании
промышленной системы сводятся к техническому обслуживанию данной системы
специалистами. Вследствие того, что данный тип сигнализации пользуется
бесплатным гарантийным обслуживанием фирмы в течение 5 лет с момента установки,
имеем
И'1 = 0.
Годовые издержки потребителя при эксплуатации проектируемой системы
включают в себя два основных пункта.
1. Зарплата обслуживающего персонала
макета (лаборант).
Заработная плата лаборанта определяется по таблице тарифных ставок
(окладов). Для 5 - го разряда - 200 рублей. Часовая тарифная ставка лаборанта
будет равна
/169,2 = 1.18 руб/час.
Тогда за год, при среднем времени эксплуатации 6 часов в день и 252
рабочих дней:
* 6 * 1,18 = 1784,16 рублей.
2. Расходы на электроэнергию.
Потребляемая мощность проектируемой системы с блоком питания 0,06 кВт/ч.
Тогда за год при среднем времени эксплуатации 6 часов в день, 252 рабочих днях
и тарифе за электроэнергию 0,4 руб/кВт*ч
,06 * 6 * 252 * 0,4 = 36,23 руб.
Следовательно, годовые издержки потребителя при эксплуатации
проектируемой системы
И'2 = 1784,16 + 36,23 = 1820,39 руб.
Так как разрабатываемая система выпускается единичном экземпляре, то
А2 = 1
Подставляя рассчитанные значения в формулу годового
экономического эффекта (1), получим.
,
Эг
= 423,05 руб.
Таким
образом, предприятие-изготовитель, от производства и реализации низкочастотного
тракта приемного устройства, получит годовой экономический эффект в размере
423,05 рубля от единицы изделия.
ЗАКЛЮЧЕНИЕ
Одной из
наиболее актуальных задач радионавигации является определение местоположения
объекта. Вследствие того, что пассивный метод определения местоположения
излучающего объекта предполагает высокую скрытность радионавигационной
аппаратуры, он является перспективным.
Методы определения местоположения излучающего объекта пассивными
средствами имеют специфические особенности. Однопозиционные радиосистемы,
обрабатывающие сигналы и поля только в одной точке приема, требуют громоздкой и
зачастую сложной аппаратуры, к тому же это является причиной более низкой
скрытности.
В процессе развития науки и техники число всевозможных радиоэлектронных
средств непрерывно растет, увеличивается и число носителей (летательных
аппаратов, судов, наземного транспорта), использующих эти средства. И поэтому
задачей РНС становится не только определение своего собственного
местоположения, но и представление картины окружающей радиообстановки с целью
обеспечения электромагнитной совместимости и безопасности движения. Решение
этих задач возможно на основе дальнейшего развития методов определения МП
объектов и улучшения их точности. К числу насущных вопросов, которые
способствовали бы решению указанных задач, можно отнести следующие:
·
поиск новых
методов определения МП и тщательный анализ предложенных в последнее время
(например, разностно-доплеровских);
·
разработка
методов селекции излучающих объектов по направлению, скорости, местоположению;
·
анализ и
сравнение точностных характеристик различных методов определения МП;
·
анализ
помехоустойчивости методов и аппаратуры, их реализующей.
Применение разработанной системы возможно при построении карт
радиообстановки местности, определении загруженности радиодиапазона,
электромагнитной совместимости различных источников радиоизлучений, а также при
поиске источников сигналов (радиомаяков) в горной, лесистой ненаселенной
местности (утерянные экспедиции, транспорт и т.п.). Возможно использование
системы в целях радиоразведки.
В данной работе дан обзор существующих методов определения местоположения
электромагнитных излучений, а также освещены возможные способы их реализации.
Приведен сравнительный анализ этих методов, в результате чего сделан вывод, что
из рассмотренных методов лучшую точность местоопределения источников излучения
обеспечивает гиперболический метод реализуемый сложной системой, состоящей из
трех ЛА, координаты которых определяются наземными системами или спутниковой
системой Navstar. Системы такого типа удобны в
эксплуатации, так как находятся на большом удалении от обнаруживаемого объекта
и имеют высокое быстродействие. В тех случаях, когда не требуется высокая
точность определения и допустимы потери времени, могут использоваться
дифференциально-доплеровские и пеленгационные методы, реализуемые более простой
системой с одним ЛА.
В результате проведенного анализа был выбран интегрально - доплеровский
метод определения местоположения излучающего объекта. Было произведено
аналитическое решение задачи определения местоположения излучающего объекта, а
так же произведено решение этой задачи с заданными параметрами и известной
несущей.
Далее в ходе работы осуществлена разработка функциональной схемы
приемного устройства, а так же расчет синтезатора частот, и кроме того, были
рассчитаны энергетические параметры передающего и приемного устройств. Была
посчитана погрешность определения местоположения, а также построены рабочие
зоны системы. Разработаны вопросы безопасности и экологичности проекта, а также
проведен экономический расчет.
СПИСОК ИСПОЛЬЗОВАННЫХ ИСТОЧНИКОВ
1. Южаков В.
В. Современные методы определения местоположения источников электромагнитного
излучения/Зарубежная радиоэлектроника,1987.N8.
. Василевич
Л. Ф. и др. Определение дальности до объекта излучения по разности разностей
фаз двух разнесённых фазовых пеленгаторов / Радиоэлектроника, 1995, N5.
. Мартынов В.
А., Селихов Ю. Н. Панорамные приёмники и анализаторы спектра / Под ред.
Заварина Г. Д. - М.: Сов. радио, 1980. - 352с.
. Манассевич
В. Синтезаторы частот. Пер. с англ./ Под ред. Галина А. С.-М.: Связь,
1979-384с.
. Зажигаев Л.
С. и др. Методы планирования и обработки результатов физического эксперимента.
- М.: Атомиздат, 1978. - 232с.
. Шапиро Д.
Н., Паин А. А. Основы теории синтеза частот. - М.: Радио и связь, 1981.-264с.
.Сазонов Д.Н.
Антенны и устройства СВЧ.- М.: Высшая школа,1988.-432с.
. Бунин С.
Г., Яйленко Л. П. Справочник радиолюбителя-коротковолновика. - К.: Техника,
1984. - 264с.
.Клич С. М. и
др. Проектирование радиоприёмных устройств/ Под ред. Сиверса А. П. - М.: Сов.
радио, 1976. - 480с.
. Екимов В.
Д., Павлов К. М. Проектирование радиоприёмных устройств. - М.: Связь, 1970 -
504с.
. Гоноровский
И. С. Радиотехнические цепи и сигналы. - М.: Радио и связь,
. Ненашев А.
П. Конструирование радиоэлектронных средств. - М.: Высш.шк., 1990.-432с.
. Гуткин Л.
С. Проектирование радиосистем и радиоустройств. -
М.:Радио и
связь, 1986. - 288с.
. Бакулев П.
А., Сосновский А. А. Радиолокационные и радионавигационные системы: Учеб.
пособие для вузов. - М.: Радио и связь, 1994.-296с.: ил.
. Джонсон Д.
и др. Справочник по активным фильтрам. - М.: Энерго-издат, 198 - 128с. ил.
. Г. П.
Астафьев, B.C. Шебшаевич. Радиотехнические средства навигации летательных
аппаратов. М.: Сов.: радио 1962 - 962 с.: ил.
. Петухов
В.М. Маломощные транзисторы и их зарубежные аналоги. Справочник. - М.: КУБКа,
1996. - 672 с.: ил.
. Хоровиц П.,
Хилл У. Искусство схемотехники в 3-х томах: Т.1. Пер. с англ. - 4-е изд.
переработанное и дополненное - М.: Мир, 1993 - 413 с.,ил.
. Т.Н.
Бакаева. Системный анализ безопасности: Метод, разработка к самостоятельной
работе по курсу " Безопасность жизнедеятельности". Таганрог: ТРТУ,
1995.- 18с.
. Охрана
труда и окружающей среды в радиоэлектронной промышленности/ К. Н. Ткачук, Р. В.
Сабарно, и др.: Учеб. пособие. - К.: Высшая школа Головное издательство, 1988.
- 240с., 40 ил.
. Павлов
С.П., Губонина 3. Н. Охрана труда в приборостроении / Под ред. Алексаняна А.Г.
- М.: Высшая школа, 1986. - 215с.
. Бакаева
Т.Н. и др. Руководство к лабораторным работам N 1-3 по курсу Охрана труда. -
Таганрог: ТРТИ, 1983. - 62с.
. А. М.
Заездный. Основы расчётов по статистической радиотехнике. - М: Связь, 1969. -
269с.
. Разработки
последних лет./НИИ «Аргон». Журнал «Военный парад» №4 (июль-август) 1997г.
. Д.И.Атаев,
В.А.Болотников. Аналоговые интегральные микросхемы для бытовой
радиоаппаратуры./ М: МЭИ, 1991г.
.
Б.И.Горошков. Элементы радиоэлектронных устройств: Справочник - М.: Радио
исвязь,1989. - 176 с.
. Ф.В.Кушнир
и др. Электрорадиоизмерения./Учебное пособие. - М.: Энергоатомиздат,1983,320с.