Проектирование силового электромеханического привода

  • Вид работы:
    Курсовая работа (т)
  • Предмет:
    Другое
  • Язык:
    Русский
    ,
    Формат файла:
    MS Word
    280,33 Кб
  • Опубликовано:
    2013-04-08
Вы можете узнать стоимость помощи в написании студенческой работы.
Помощь в написании работы, которую точно примут!

Проектирование силового электромеханического привода

Оглавление

Введение

1.    Энергокинематический расчет

1.1 Определение общего передаточного отношения и разбивка его по ступеням

1.2 Определение общего КПД привода

1.3 Определение угловых скоростей валов. Расчет мощностей и крутящих моментов на валах I, II и III

2.    Расчет цилиндрической косозубой передачи

2.1 Проектировочный расчет передачи по контактной выносливости

2.2 Проверочный расчет зубьев на контактную выносливость

2.3 Проверочный расчет зубьев на изгибную выносливость

3.    Расчет цилиндрической прямозубой передачи

4.    Расчёт и проектирование промежуточного вала на опорах качения

4.1 Проектировочный расчёт вала

4.2 Определение наиболее опасного сечения вала

4.3 Выбор и проверочный расчет подшипников качения

4.4 Уточнённый проверочный расчет промежуточного вала

4.5 Проверка на прочность шпоночных соединений

Список литературы

 


Введение


Целью курсового проекта является разработка конструкторской документации и проектирование силового электромеханического привода в соответствии с требованиями технического задания.

Конструкция привода включает электродвигатель мощностью 25кВт, вертикальный цилиндрический двухступенчатый редуктор (состоит из открытой прямозубой передачи и закрытой косозубой передачи) и литую плиту. Вал электродвигателя соединяется с входным валом редуктора упругой муфтой. Редуктор имеет литой разъемный корпус, верхняя и нижняя части которого соединяются посредством болтов. Для фиксации крышки и картера при их совместной обработке применены конические штифты. С целью облегчения разборки корпуса на стыковочных фланцах предусмотрены отжимные болты. Рым-болты и стропозакладные крючья предназначены транспортировки редуктора и его корпусных деталей

В ходе данной работы необходимо провести энергетический и кинематический расчёты привода. Далее требуется спроектировать промежуточный вал редуктора. Диаметры этого вала определяются по результатам проектного расчета на "чистое" кручение. Затем необходимо спроектировать прямозубую и косозубую передачи, после чего провести проверочный расчет второго вала и подшипников качения, которые выбираются в соответствие с посадочными диаметрами валов в зависимости от типа и "быстроходности" передач. Устранение осевых люфтов в подшипниках осуществляется при помощи комплекта регулировочных прокладок. Для соединения валов с колесами и полумуфтами используются стандартные призматические шпонки, для которых также нужно выполнить проверочный расчёт.

Смазывание подшипников происходит разбрызгиванием. Для смазки зубчатых передач используется масло и применяется картерный способ - окунанием колес в масляную ванну.

В процессе выполнения курсовой работы была разработана пояснительная записка, выполнен чертёж общего вида со спецификацией.

1.      Энергокинематический расчет

 

.1 Определение общего передаточного отношения и разбивка его по ступеням


Общее передаточное число uобщ определяется по формуле:

,

где  - частота вращения вала  (=14000 об/мин),- частота вращения вала  (=82 об/мин). Тогда:

.

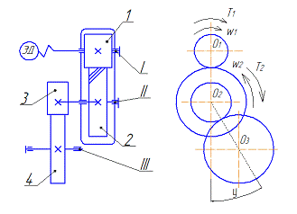
С другой стороны, согласно схеме нереверсивного привода (рис. 1.1.):

.

Рисунок 1.1. Схема нереверсивного привода

и 2 - шестерня и колесо закрытой косозубой передачи;

и 4 - шестерня и колесо открытой прямозубой передачи;

I - быстроходный вал;

II-промежуточный вал (тихоходный вал для закрытой передачи и быстроходный вал для открытой передачи);

III - тихоходный вал.

Согласно условию , или . Подставляя полученное соотношение в выражение для , получаем: , откуда .

Таким образом, с учетом , имеем:

;

.

1.2 Определение общего КПД привода


КПД привода определяется по формуле [1, с.4]:

 ,

где ηМ - КПД муфты, принимаем ηМ=0.98; ηЗП - КПД закрытой передачи, принимаем ηЗП=0,98; ηОП - КПД открытой передачи, принимаем ηОП=0.96; ηП - КПД, учитывающий потери на трение в подшипниках, ηП=0.99 [1,табл.1.1,с.5]. Тогда:



1.3 Определение угловых скоростей валов. Расчет мощностей и крутящих моментов на валах I, II и III.

Определим угловые скорости w1, w2 и w3:

;

;


Найдем значения мощностей на валах. Мощность на валу III:

,

где TIII - крутящий момент на валу III. TIII=1650 Нм (по условию).

.

Мощность на валу II:

.

Мощность на валу I:

.

Определим требуемую мощность электродвигателя:


Далее вычислим моменты на валах привода:

;

;

 (по условию).

Результаты энергокинематического расчета сведем в таблицу 1.1.

Таблица 1.1.Результаты энергокинематического расчета

№ вала

u

n, об/мин.

w, с-1

Р, Вт

1

4.37

1400

165.5

165.53

15687.7

2


320

33.5

449.6

15065


3.9





3


82

8.58

1650.8

14268.6



2.      Расчет цилиндрической косозубой передачи

 

2.1 Проектировочный расчет передачи по контактной выносливости


По условию твердость шестерен НВ1=260. Выберем сталь 40ХН, термическая обработка - улучшение [1,стр. 34,табл.3.3].

Так как в задании нет особых требований к твердости зубчатых колес, выберем материал со средним механическими характеристиками - сталь 40Х; термическая обработка - улучшение, твердость HB=220 МПа.

Допускаемые контактные напряжения:

, [1, с. 33]

где  - предел контактной выносливости при базовом числе циклов.

 [1,табл. 3.2, с.34].

КHL - коэффициент долговечности. При числе циклов нагружения больше базового, принимаем КHL = 1 для шестерни и колеса [с. 33].

[SH] - коэффициент безопасности, [SH] = 1.2 [1, с. 33].

Для косозубых колес расчетное допускаемое напряжение равно:

 [1, с. 35]

Для шестерни:


Для колеса:


Тогда расчетное допускаемое контактное напряжение

.

Требуемое условие контактной выносливости [sн]£1,23[sн2] - выполняется. Коэффициент КНβ для симметричного расположения колес относительно опор принимаем равным: КНβ=1 [1, табл. 3.5,с. 39,]

Принимаем для косозубых колес коэффициент ширины венца по межосевому расстоянию ψbа = b/aw = 0.3 [1, с. 33].

Межосевое расстояние из условия контактной выносливости активных поверхностей зубьев:

, [1, с.32]

где для косозубых колес Ка = 43 [1, с.32]

ТII - вращающий момент на валу колеса 2.


Ближайшее значение межосевого расстояния по ГОСТ 2185-66

aw = 200 мм [1, с.36].

Нормальный модуль зацепления принимаем по следующей рекомендации:

mn = (0.01¸0.02)*aw

mn = (0.01¸0.02)*10 = 2¸4 мм.

Принимаем по ГОСТ 9563-60: mn = 3 мм [1, с.36]

Примем предварительно угол наклона зубьев b = 15о и определим числа зубьев шестерни и колеса [1, с.36]:


Принимаем z1 = 24, тогда z2 = z1∙u12 = 24∙4.373 = 104.95

Принимаем z2 = 105

Уточним

Уточним угол b:


Найдем основные размеры шестерни и колеса.

Делительные диаметры:

 - делительный диаметр шестерни;

 - делительный диаметр колеса.

Проверка:

Диаметры вершин зубьев:


Диаметры впадин зубьев:


Определим ширину шестерни и колеса:


Результаты всех вычислений сведены в таблицу 2.1.


aw,мм

mn, мм

Z

d, мм

dа, мм

df,мм

b, мм

Шестерня

200

3

24

74.4

80.4

66.9

65

Колесо



105

325.6

331.6

318.1

60


2.2 Проверочный расчет зубьев на контактную выносливость


Задачей данного пункта является проверка условия контактной выносливости зубьев. Основным видом разрушения зубьев является усталостное выкрашивание. Определяем коэффициент ширины шестерни по диаметру:


Окружная скорость колес:


При такой скорости для косозубых колёс следует принять 8-ю степень точности по ГОСТ 1643-81.

 [1, с.32].

Для симметричного расположения колес, твердости НВ<350 и при ybd=0.874 коэффициент, учитывающий неравномерность распределения нагрузки по ширине венца KHb=1 [1,табл. 3.5, с.39].

При V=5.45 м/с и 8-ой степени точности коэффициент, учитывающий неравномерность распределения нагрузки между зубьями KHa=1,13 [1,табл. 3.4, с.39].

Для косозубых колес при V ≥ 5 м/с динамический коэффициент KHV=1,01[1, табл.3.6,с.40].

Таким образом,


Проверка контактных напряжений:

; [1, с.31]


Условие контактной выносливости зубьев выполнено.

2.3 Проверочный расчет зубьев на изгибную выносливость


Задачей этого пункта является проверка зубьев шестерни и колеса на изгибную выносливость. Основной вид разрушения - усталостная поломка зуба.

Условие изгибной выносливости зубьев:

,

где sF и [sF] - расчетное и допустимое напряжение на изгиб.

Определим значения сил, действующих в зацеплении.

Окружная:


Радиальная:


Осевая:


Проверяем зубья на выносливость по напряжениям изгиба:

, [1, с.46]

где KF - коэффициент нагрузки, KF= KFb*KFV;

KFb - коэффициент, учитывающий неравномерность распределения нагрузки по длине зуба (коэффициент концентрации нагрузки), KF =1.08 [1, табл.3.7, с.43];

KFV - коэффициент динамичности, KFV =1.3 [1, табл. 3.8, с.43].

Тогда .

YF - коэффициент, учитывающий форму зуба и зависящий от эквивалентного числа зубьев Zv1.

а) для шестерни ;

б) для колеса .

Тогда YF1=3.875; YF2=3.6 [1, с.42].

Определяем коэффициент компенсации погрешности Yb и коэффициент, учитывающий неравномерность распределения нагрузки между зубьями KFa.

, [1, с.46]

, [1, с.47]

где n - степень точности;

ea - коэффициент торцевого перекрытия, ea=1,65 [1, с.39]

Допускаемое напряжение:

, [1, с.44],

где - предел выносливости при отнулевом цикле изгиба. Для стали 40Х улучшенной при твердости НВ<350 =1,8НВ;

 - коэффициент безопасности, .

Здесь  - коэффициент, учитывающий нестабильность свойств материала зубчатых колес, =1.75 [1, табл. 3.9, с.44-45];  - коэффициент, учитывающий способ получения заготовки зубчатого колеса, =1 для поковок и штамповок [1, с.44].

а) для шестерни .

б) для колеса .

.

а) для шестерни


б) для колеса


Проверку на изгиб следует проводить для того зубчатого колеса, для которого отношение  меньше.

а) для шестерни


б) для колеса

.

Дальнейший расчет следует вести для зубьев колеса, для которого найденное отношение меньше. Тогда:


Условие прочности зубьев на изгибную выносливость выполнено.

3.      Расчет цилиндрической прямозубой передачи


По условию . Принимаем для прямозубых передач коэффициент ширины венца по межосевому расстоянию ψba = 0.25. Коэффициент ширины шестерни по диаметру:

привод вал подшипник шпоночный

[1, с. 33].

Ширина шестерни будет равна:

.

Примем  согласно ряду нормальных линейных размеров. Коэффициент ширины венца шестерни по модулю примем . Тогда модуль будет равен:

.

Выберем модуль из ряда рекомендованных значений. Окончательно примем . Определим число зубьев шестерни:

.

Принимаем . Найдем диаметры вершин и впадин зубьев шестерни:

.

4.      Расчёт и проектирование промежуточного вала на опорах качения

 

.1 Проектировочный расчёт вала


Задача: предварительное определение минимального диаметра вала.

Допущения: считаем, что вал гладкий, круглый стержень, испытывающий только статическое кручение.

Определим диаметр вала [1,с.161]:

,

где  - допускаемое напряжение на кручение,  [1,с.161].

Тогда получим

.

Значение dB округлим в большую сторону до значения из стандартного ряда .

Т.о. принимаем окончательно диаметр вала .

Исходя из значения , принимаем диаметр вала под подшипник . Принимаем диаметр бурта для упора подшипника и ступицы зубчатого колеса . Принимаем диаметр под ступицей зубчатого колеса , а диаметр под уплотнением .

Изобразим конструкцию промежуточного вала:

Рисунок 3. Конструкция промежуточного вала

4.2 Определение наиболее опасного сечения вала


Изобразим пространственную схему закрытой и открытой передачи (рис.3).

Рисунок 3. Пространственная схема

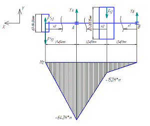
В вертикальной и горизонтальной плоскостях изобразим силы, действующие в зацеплении и подшипниках второго вала, а также построим эпюры изгибающих моментов. Предварительно найдем окружную и радиальную силы, действующие зацеплении прямозубой передачи:


Вертикальная плоскость:

Рисунок 4. Вертикальная плоскость

Здесь:

,  по заданию.

Сумма моментов относительно точки B:


Здесь  - расстояние от центра шестерни до точки давления левого подшипника на вал, ;

 - расстояние от точки давления левого подшипника на вал до центра колеса, ;

 - расстояние от центра колеса до точки давления на вал правого подшипника, .

Найдем реакцию :


Сумма моментов относительно точки А:


Реакция в подшипнике  будет равна:


Проверка:


Построим эпюры.

I участок

II участок:

III участок:


Горизонтальная плоскость:

Рисунок 5. Горизонтальная плоскость

Здесь:


Сумма моментов относительно точки B:

.

Тогда реакция  будет равна:


Сумма моментов относительно точки A:



Найдем реакцию :


Проверка:

.

Построим эпюры.

I участок

II участок:

III участок:


Полные реакции в подшипниках будут равны:


Из эпюр видим, что наиболее опасным является сечение A под подшипником. Суммарный изгибающий момент, действующий в этом сечении, равен:

 


4.3 Выбор и проверочный расчет подшипников качения


Задача: выбор стандартного подшипника качения и проверка его долговечности.

Выберем радиально-упорный однорядный шарикоподшипник по диаметру вала: подшипник 46314 ГОСТ 831-75 [1,c.400]. Параметры:

Таблица 4.1. Параметры подшипника

α,°

d,мм

D,мм

B,мм

r,мм

r1,мм

C, kH

C0, kH

26

55

120

29

3

2

67.6

56.3


Определим расчетный ресурс подшипника качения.

Найдем ресурс (номинальную долговечность) подшипника, выраженный в часах [1,c.211]:

,

где =320 об/мин - частота вращения вала, (см.п.1);

m - показатель кривой усталости, m=3 для шарикоподшипников [1,c.211].

С - динамическая грузоподъемность, С=67600Н, (см. табл. 4).

эквивалентная нагрузка на подшипник качения, Н.

Найдем эквивалентную нагрузку на подшипник качения:

 [1, с. 212],

где  - температурный коэффициент,  [1,табл. 9.20, c.214];

 - коэффициент безопасности,  [1,kтабл. 9.19, c.9];

 - коэффициент вращения, , при вращении внутреннего кольца [1,c.212];

 , - осевая и радиальная нагрузки подшипника, Н;

Х и У - коэффициенты радиальной и осевой нагрузки.

Найдем коэффициенты радиальной и осевой нагрузки, для этого найдем осевые нагрузки на подшипники. Изобразим схему для определения осевых сил в подшипниках второго вала.

Рисунок 6. Силы, действующие на подшипник

На рисунке индексом 1 обозначены силы, относящиеся к левому подшипнику, индексом 2 - силы, относящиеся к правому подшипнику.


В радиально-упорных подшипниках при действии на них радиальных нагрузок возникают осевые составляющие S, которые равны  для шарикоподшипников, где e=0.68. Тогда:


Условие равновесия системы сил, изображенных на рис.6 имеет вид:


Пусть , тогда .

, тогда окончательно примем:


Найдем отношение. Тогда коэффициенты радиальной X и осевой Y нагрузки будут равны 1 и 0 соответственно [1, табл. 9.18, с.213].

Рассчитаем эквивалентную нагрузку для левого подшипника, так как он является наиболее нагруженным:

.

Найдем ресурс подшипника, выраженный в часах.


Т.о. замену подшипников качения на втором валу следует производить через 3291 час работы.

4.4 Уточнённый проверочный расчет промежуточного вала


Задача: определить фактический коэффициент запаса прочности.

Критерий: усталостная прочность.

Условие прочности [1,c.162]:

,

где - допускаемый коэффициент запаса прочности,  [1,c.162].

Проверку выполнения данного условия будем проводить в опасном сечении вала А.

Найдем коэффициент запаса прочности в опасном сечении [1,c.162]:

 

Где Sσ - коэффициент запаса прочности по нормальным напряжениям;  - коэффициент запаса прочности по касательным напряжениям.

Найдем коэффициент запаса прочности по нормальным напряжениям [1,c.162]:

,

где  - амплитуда цикла нормальных напряжений,

.

- среднее напряжение цикла нормальных напряжений, .

- предел выносливости стали при симметричном цикле изгиба.

Материал вала сталь 45, для нее  [1,табл. 3.3,c.34].

 [1,c.162].

- эффективный коэффициент концентрации нормальных напряжений [1,табл. 8.3, с.164].

- масштабный фактор для нормальных напряжений[1,табл. 8.8, с.166].

 - коэффициент, учитывающий влияние шероховатости поверхности [1, с. 162].

Рассчитаем коэффициент запаса прочности по нормальным напряжениям:

.

Найдем коэффициент запаса прочности по касательным напряжениям [1, с.164]:

,

Здесь  - предел выносливости стали при симметричном цикле кручения; для конструкционных сталей принимают  [1, с.164]. Остальные обозначения в формуле имеют тот же смысл, что и в формуле для определения коэффициента запаса прочности по касательным напряжениям. Тогда:


Рассчитаем коэффициент запаса прочности по касательным напряжениям:

.

Коэффициент запаса прочности в опасном сечении равен:


Условие выполняется.

 

.5 Проверка на прочность шпоночных соединений


Шпоночные соединения необходимо проверить на смятие. Напряжение смятия узких граней шпонки не должно превышать допускаемого, то есть удовлетворять условию:

[1, с.170]

Выпишем размеры шпонок.

Таблица 4.2. размеры шпонок


h,мм

b,мм

l,мм

lp=l-b,мм

t1,мм

t2,мм

Шпонка под колесом

11

18

70

50

7.0

4.4

Шпонка под шестерней

10

16

70

50

6.0

4.3


Длину шпонки l1 (l2) назначают из стандартного ряда так, чтобы она была несколько меньше длины ступицы колеса (шестерни) (примерно на 3…10 мм).

Рассчитаем напряжения смятия для шпонки под колесом


и напряжения смятия для шпонки шестерней


Видим, что условие прочности на смятие для шпонки под шестерней выполняется.

Список литературы


1.     С. А. Чернавский. Курсовое проектирование деталей машин. Учебное пособие. Москва, 2005. - 416с.

.       М. Н. Иванов, В. А. Финогенов. Детали машин. "Высшая школа", 2005.

Похожие работы на - Проектирование силового электромеханического привода

 

Не нашли материал для своей работы?
Поможем написать уникальную работу
Без плагиата!
Без нейросетей!