Передачи зубчатые цилиндрические. Допуски и посадки
Введение
Целью данной работы является обеспечение
стандартизации и взаимозаменяемости по геометрическим размерам типовых деталей,
сопряжений, входящих в данный по заданию цилиндрический одноступенчатый
редуктор.
Так же необходимо выполнить расчёты и спроектировать
калибры для контроля деталей сопряжения при крупносерийном производстве. В
случае выпуска изделий мелкими партиями необходимо выбрать универсальное
средство измерения и оценить результаты.
В завершении работы необходимо выполнить
обработку результатов наблюдений и оценку погрешностей различных видов и
методов измерений.
1. Выбор и анализ переходной посадки для
гладкого цилиндрического соединения
Переходные посадки, предназначенные для
неподвижных разъёмных соединений, широко применяются для центрирования
сопрягаемых деталей. Они характеризуются возможностью получения как натяга, так
и зазора. В связи с малой величиной натяга, детали в переходной посадке
крепятся шпонками, штифтами, винтами и др. Зазоры в переходной посадке, также
как и натяги, относительно малы, что предотвращает значительное смещение
соединяемых деталей. Выбор переходных посадок определяется и требуемой
точностью центрирования, и лёгкостью сборки и разборки соединения.
.1 Исходные данные
· диаметр посадочной поверхности 
;
· число сопряжений в партии 
;
· величина интервала допуска 
.
.2 Выбор посадки и определение её характеристик
Изучив внимательно сборочный чертёж
и условия работы узла в целом, по табл. 4 [1] выбираем посадку 
.
По таблице предельных отклонений [2] выписываем
предельные отклонения отверстия и вала:
· Верхнее отклонение отверстия 
.
· Нижнее отклонение отверстия 
.
· Верхнее отклонение вала 
.
· Нижнее отклонение вала 
.
Определим предельные размеры для отверстия и
вала:
· Наибольший предельный диаметр отверстия

.
· Наименьший предельный диаметр отверстия

.
· Наибольший предельный диаметр вала

· Наименьший предельный диаметр вала

Определяем допуск для отверстия и вала:
· Допуск отверстия

· Допуск вала

Строим схему полей допусков (рисунок 1):
Рисунок 1 - Схема полей допусков переходной
посадки
Наибольший зазор

Наибольший натяг

Т.к 
, то это переходная посадка с
преимущественным зазором.
Средний зазор
Допуск посадки

Проверка

.
.3 Определение вероятностей распределения
зазоров и натягов в соединении
Определяем среднеквадратические отклонения,
соответственно, отверстия, вала и посадки

;

;
Построим кривую нормального
распределения (рисунок 2). Для этого по оси абсцисс в выбранном масштабе
отложим допуск посадки
.
Отложив определим положение центра
группирования зазоров относительно начала их отсчёта. По оси ординат
откладываем характерные точки кривой
и.
Для приведения кривой нормального
распределения к масштабу, соответствующему фактическим данным, умножим на
величину интервала размеров
и на величину, равную числу деталей
в партии.


Определим практические предельные
значения зазоров и натягов.
По теории вероятности они не должны
выходить за пределы диапазона 


Рисунок 2 - Кривая нормального распределения
Вычислим вероятность получения зазора в пределах
от 0 до 6 мкм, т.е. найдём площадь, ограниченную линией симметрии, кривой и
абсциссой, расположенной на расстоянии 6 мкм от линии симметрии

По таблице значений интегральной
функции Лапласа находим 
Вероятность получения зазора 
.
Вероятность получения натяга 
.
2 Выбор посадок подшипников качения
Подшипники качения являются наиболее
распространёнными в машиностроении стандартными узлами, выполняющими функции
опор вращающихся или качающихся деталей. Изготовление подшипников качения
является массовым и производится на специализированных заводах, при этом
одинаковые типоразмеры подшипников обладают полной внешней взаимозаменяемостью
по присоединительным (сопрягаемым) поверхностям. Точность подшипников качения
определяется отклонениями их геометрических и кинематических параметров.
.1 Исходные данные
Шарикоподшипник радиальный 46111
класса точности 6, установленный на вращающийся вал и в неподвижный
толстостенный корпус раздаточной коробки (внутренний диаметр 
, наружный диаметр 
, ширина подшипника 
, радиус монтажной фаски подшипника 
); нагрузка спокойная, с умеренными
толчками и вибрациями, перегрузка до 150%, расчётная радиальная нагрузка
постоянная по направлению и составляет 
; осевой нагрузки нет, т.е. 
.
.2 Определение полей допусков для
местно и циркуляционно нагруженных колец
Так как внутреннее колесо вращается
(с валом), наружное - неподвижно (в корпусе), а нагрузка постоянна по
направлению, то на основании исходных данных по табл. 2 [4] устанавливаем, что
внутреннее колесо имеет циркуляционный вид нагружения, а наружное кольцо -
местный.
Для местно нагруженного наружного
кольца по табл. 3 [4] выбираем поле допуска отверстия корпуса раздаточной
коробки
. Уточнение
квалитета по табл. 1 [4] подтверждает правильность выбора.
Для внутреннего кольца, имеющего
циркуляционный вид нагружения, интенсивность радиальной нагрузки на посадочной
поверхности 
рассчитывается по формуле (1)

(1)
где 
- радиальная нагрузка на подшипник,
Н;
Рабочая ширина посадочного места 
вычисляется по формуле (2)

(2)
Подставим известные значения в
формулу (2) и получим 
.
По табл. 5 [4] выбираем динамический
коэффициент посадки 
. По табл. 6 [4] коэффициент,
учитывающий степень ослабления посадочного натяга. По табл. 7 [4] коэффициент
неравномерности распределения радиальной нагрузки 
.
Подставляя в формулу (1) известные величины,
найдём интенсивность радиальной нагрузки на посадочной поверхности
По табл. 8 [4] найденному значению,
размерами и классу точности подшипника соответствует поле допуска вала
. Данные
табл. 1 подтверждают правильность назначения квалитета.
2.3 Определение предельных
отклонений колец подшипников качения, а также предельных отклонений посадочной
шейки вала и отверстия корпуса
По табл. III.2 [4]
определяем значения предельных отклонений колец подшипников качения, а по
таблице предельных отклонений [4] - значения предельных отклонений посадочной
шейки вала и отверстия корпуса в соответствии с назначенными полями допусков.
Результаты расчёта характеристик посадок представлены в табличной форме (табл.
1).
Из таблицы видно, что внутреннее
кольцо устанавливается на вал с натягом, а наружное кольцо в корпус - с
зазором.
.4 Определение допусков на
погрешность формы и требуемой шероховатости посадочных поверхностей вала и
отверстия корпуса
Таблица 1 - Характеристики посадки
подшипника
|
Сопряжение
внутреннее кольцо-вал Сопряжение
наружное кольцо-корпус
|
|
|
Обозначение
характеристик
|
Величина,
мм
|
Обозначение
характеристик
|
Величина,
мм
|
|
|
0,021
|
|
0
|
|
|
0,002
|
|
-0,013
|
|
|
0
|
|
0,035
|
|
|
-0,012
|
|
0
|
|
|
55,021
|
|
90
|
|
|
55,002
|
|
89,987
|
|
|
55
|
|
90,035
|
|
|
54,988
|
|
90
|
|
|
0,019
|
|
0,013
|
|
|
0,012
|
|
0,035
|
|
|
-
|
|
0,048
|
|
|
-
|
|
0
|
|
|
0,033
|
|
-
|
|
|
0,002
|
|
-
|
|
|
-
|
|
0,024
|
|
|
0,0175
|
|
-
|
|
|
0,031
|
|
0,048
|
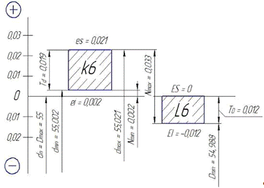
На основании таблицы 1 строим схемы полей допусков
для сопряжений внутреннее кольцо - вал (рисунок 3) и наружное кольцо - корпус
(рисунок 4).
Допуски цилиндричности посадочных мест при
подшипнике класса точности 6 принимаем предварительно
· для вала 
;
· для отверстия корпуса 
.
Округляем полученные значения до стандартных по
табл. 2.18, ч. 1 [5]. Окончательно получаем: для вала - 0,005, а для отверстия
корпуса - 0,008 мм.
По табл. 10 [4] находим допуски биения опорных
торцов заплечиков вала - 0,012 мм и отверстия корпуса - 0,022 мм.
По табл. 11 [4] определим требуемую
шероховатость посадочных поверхностей:
· для вала -
Ra 0,63;
· для отверстия корпуса - Ra
1,25;
· для торцев заплечиков - Ra
2,5.
Рисунок 3 Схема полей допусков для сопряжения
внутреннее кольцо - вал
Рисунок 4 - Схема полей допусков для сопряжения
наружное кольцо - корпус
3. Взаимозаменяемость шлицевых соединений
Шлицевые соединения служат для передачи
заданного крутящего момента, применяются для точного центрирования и точного
направления втулки на валу.
Шлицевое соединение - подвижное соединение, если
деталь, насаживаемая на вал, имеет возможность осевого перемещения;
неподвижное, - если втулка закреплена на валу.
В зависимости от вида профиля зубьев шлицевые
соединения делятся на прямобочные, эвольвентные и треугольные.
Наибольшее распространение получили шлицевые
соединения с прямобочным профилем зуба, имеющие четное число зубьев: 6, 8, 10,
16 или 20.
.1 Исходные данные
· диаметр соединения 
;
· серия соединения средняя
· твердость материала для охватываемой детали -
свыше 40 HRC
· направление крутящего момента - постоянное.
Применим центрирование по поверхности
внутреннего диаметра d,
так как твердость материала охватываемой детали не допускает использование
протяжки для чистовой обработки пазов втулки.
В этом случае вал обрабатывается на шлифовальном
станке.
Этот способ дорог, но обеспечивает хорошую
точность центровки.
.2 Определение полей допусков и предельных
отклонений на размеры деталей шлицевого соединения
Выберем поля допусков по таблице 10, тогда
условное обозначение шлицевого соединения примет вид
Предельные отклонения размера D:
Для отверстия 
· верхнее отклонение 
;
· нижнее отклонение 
.
Для вала 
· верхнее отклонение 
· нижнее отклонение 
Предельные отклонения размера b:
Для ширины впадины 9D9:
· верхнее отклонение 
· нижнее отклонение 
Для толщины зуба 9h9:
· верхнее отклонение 
· нижнее отклонение 
Предельные отклонения центрирующего размера «d»:
Для отверстия 
· верхнее отклонение 
· нижнее отклонение 
Для вала 
· верхнее отклонение 
· нижнее отклонение 
допуск калибр вал втулка
3.3 Определение характеристик посадок
Для размера «D»


Рисунок 5. Схема полей допусков шлицевого
сопряжения
Для размера «d»


Рисунок 6. Схема полей допусков
шлицевого сопряжения
Для размера «b»

Рисунок 7. Схема полей допусков шлицевого
сопряжения
4. Взаимозаменяемость резьбовых соединений
Резьбовые соединения широко используются в
конструкциях различных машин.
В современной технике более 60% всех деталей
имеют резьбу.
Резьба может быть получена как на наружных, так
и на внутренних поверхностях.
Для всех видов резьбы общими требованиями
является обеспечение свинчиваемости независимо изготовленных деталей без
пригонки и надёжная работоспособность соединений.
.1 Исходные данные
Резьба метрическая с номинальным
наружным диаметром 42 мм, мелким шагом 1,5 мм и следующими полями допусков: у
гайки - седьмая степень точности, поле допуска 
по среднему и внутреннему
диаметрам; у болта - седьмая степень точности, поле допуска
для среднего
диаметра и шестая степень точности, поле допуска
для наружного диаметра.
Условное обозначение резьбы 
.
.2 Определение основных параметров
профиля резьбы
По табл. I.1, в
зависимости от шага резьбы 
, определяем средний и внутренний
диаметры болта и гайки - 
и 
.

; 
.

;

.
Теоретическая высота профиля резьбы

.
Практическая (рабочая) высота
профиля

.
Радиус закругления во впадинах

.
Угол профиля 
.
.3 Определение предельных размеров
резьбы
В соответствии со степенью точности,
полем допуска, шагом и номинальным (наружным) диаметром по табл. I.2 и I.3 выбираем
предельные отклонения
и
для болта и
для гайки.

;

;

;

;

;

.
Рассчитаем допуски на
и
болта и на
и
гайки

;

;

;

.
Предельные размеры болта и гайки

,

,

,

.
.4 Построение схемы полей допусков
резьбы 
(рисунок 6)
Рисунок 8 - Схема полей допусков
резьбы
5. Нормирование точности зубчатых
колёс
Зубчатые передачи осуществляют
передачу вращательного движения с одного вала на другой с помощью
цилиндрических, конических, червячных колёс, имеющих специально профилированные
зубья.
Стандартом устанавливаются
двенадцать степеней точности зубчатых колес и передач, обозначаемых в порядке
убывание точности цифрами 1,2,3,4,5,6,7,8,9,10,11,12, причем 1-я и 2-я степени
являются резервными и допуски для них не установлены.
Для каждой степени точности зубчатых
колес и передач установлены нормы: кинематической точности, плавности работы,
контакта зубьев и бокового зазора. Это позволяет за счет комбинирования
различных норм предъявлять различные требования к точности зубчатых колес и
передач в зависимости от их назначения и условий работы.
.1 Исходные данные
· нормальный модуль 
;
· число зубьев 
;
· угол наклона зубьев 
;
· коэффициент смещения 
;
· межосевое расстояние 
;
· ширина зубчатого венца 
;
· частота вращения зубчатого колеса 
;
· рабочая температура стальных зубчатых колёс 
;
· рабочая температура чугунного корпуса 
.
Зубчатое колесо принадлежит раздаточной коробке.
Режим работы - нормальный. Перегрузка до 150%.
.2 Выбор степени точности зубчатого колеса и
вида сопряжений зубьев в передаче
Определяем окружную скорость зубчатого венца
табл. 1.2 [8] в зависимости от окружной скорости
и режима работы назначаем 7-ю степень точности по нормам плавности и нормам
контакта зубьев. Учитывая назначение и режим работы механизма, понижаем степень
по нормам кинематической точности до 8-й.
Необходимая величина гарантированного бокового
зазора вычисляется по формуле (3)

(3)
Подставим известные значения в
формулу (3) и получим
Значению 
и межосевому расстоянию 
в табл. 1.3 [8] соответствует вид
сопряжения зубьев в передаче В и V класс отклонения межосевого
расстояния. По табл. 1.1 [8] проверяем соответствие вида сопряжения и степени
точности по нормам плавности.
На основании вышеизложенного назначаем для
заданной передачи 8-ю степень по нормам кинематической точности, 7-ю степень
точности по нормам плавности и контакта зубьев, вид сопряжения зубьев в
передаче В и соответствие между видом сопряжения, классом отклонения межосевого
расстояния (V) и видом допуска
на боковой зазор (a).
Условное обозначение степени точности - 8-7-7 В
ГОСТ 1643-81.
.3 Определение показателей кинематической
точности, плавности работы, контакта зубьев и бокового зазора
В соответствии с выбранной степенью точности
передачи назначаем по табл. 1.4 - 1.7 [8]
комплекс контрольных параметров, стремясь обойтись минимальной номенклатурой
средств измерений:
· по нормам кинематической точности -
и
(табл.
1.4);
· по нормам плавности работы - (табл. 1.5);
· по нормам контакта зубьев - суммарное пятно
контакта (табл.1.6);
· по нормам бокового зазора -
и
(табл.
1.7).
Диаметр делительной окружности зубчатого колеса
равен
Задаваясь соответствующей степенью точности,
модулем, диаметром делительной окружности, по табл. 6 - 18 ГОСТ 1643-81 [9]
находим численные значения выбранных допусков и отклонений:
· допуск на колебание длины общей нормали (табл.6
ГОСТ 1643-81) 
· допуск на колебание измерительного межосевого
расстояния за оборот (табл. 6 ГОСТ 1643-81) 
;
· допуск на колебания измерительного межосевого
расстояния на одном зубе (табл. 8 ГОСТ 1643-81) 
;
· суммарное пятно контакта (табл. 12 ГОСТ
1643-81):
по длине зуба, не менее 60%;
по высоте зуба, не менее 45%;
· наименьшее отклонение и допуск средней длины
общей нормали (табл. 16 - 18 ГОСТ 1643-81)

;

.
Для указания на сборочном чертеже по
табл. 1.3 [8] определяем предельные отклонения межосевого расстояния 
, т.е. 
.
.4 Выполнение рабочего чертежа зубчатого колеса
Определяем диаметр вершин зубьев

.
По табл. 1.8 [8] проверяем
соответствие требований к точности и шероховатости отверстия зубчатого колеса.
Выбранное поле допуска 
и параметр шероховатости Ra 1,6
полностью соответствует 7-й степени точности по нормам контакта.
Учитывая необходимость измерения
длины общей нормали, по табл. 1.8 [8] устанавливаем требуемую шероховатость
наружного цилиндра Ra 5.0 и базового торца Ra 2.5. Так
как наружный цилиндр не будет использоваться в качестве базы для измерений, то
его предельное отклонение принимаем 
, а допуск на радиальное биение
наружного диаметра

.
По табл. 1.9 [8] определяем допуск на торцевое
биение базового торца заготовки колеса:
По табл. 1.2 [8] устанавливаем
шероховатость рабочей поверхности зубьев 
.
В качестве контрольного размера определяем
номинальную длину общей нормали по формуле (4)

(4)
где
- число зубьев, охватываемых при
измерении, равное

;
Подставим известные значения в формулу (4) и
получим

.
Таким образом, в таблице чертежа
должно быть проставлено для длины общей нормали
6 Расчёт и проектирование калибров для контроля
гладких цилиндрических деталей
Контроль цилиндрических изделий можно
производить с помощью специальных и универсальных средств измерения. К числу
специальных средств контроля относятся калибры, которые используются в массовом
и крупносерийном производстве для контроля размеров деталей с допусками от 6 до
17 квалитетов.
Калибры - бесшкальные контрольные инструменты,
предназначенные для проверки соответствия действительных размеров, формы и
расположения поверхностей деталей предписанным.
Предельные калибры контролируют соблюдение
наибольшего и наименьшего предельных размеров детали. Комплект состоит из двух
- проходного ПР и непроходного НЕ. Проходная сторона всегда должна входить на
контролируемую поверхность или вовнутрь ее под действием собственного веса или
усилия, равного ему; непроходная сторона не должна сопрягаться с деталью.
Только в этом случае изделие считается годным.
Калибры для контроля отверстий выполняются в
виде пробок, пластин или стержней. Калибры для контроля валов - в виде скоб
различных конструкций и колец.
.1 Исходные данные
· сопряжение 
.
.2 Калибр - пробка для контроля отверстия
Определим предельные отклонения, допуски и
предельные размеры контролируемого отверстия.
Для отверстия 
по таблицам ЕСДП [2] находим
· верхнее отклонение 
;
· нижнее отклонение 
.
Исходя из этого, вычисляем:
· допуск отверстия 
;
· предельные размеры:
По таблицам предельных отклонений калибров [10]
находим:

;

;

;
Чертим схему полей допусков калибра
- пробки (рисунок 9)
Рисунок 9 - Схема полей допусков калибра -
пробки
Рассчитываем предельные размеры калибров -
пробки:
По достижению размера 
проходной калибр необходимо изъять
из эксплуатации.
Для калибров-пробок за
исполнительный размер принимаем наибольший предельный размер с указанием
нижнего отклонения соответствующего значению допуска со знаком минус.
· Проходная сторона
· Непроходная сторона
.3 Калибр - скоба для контроля вала
Определяем предельные отклонения, допуск и
предельные размеры контролируемого вала.
Для вала 
по таблицам ЕСДП [2] находим:
· верхнее отклонение 
;
· нижнее отклонение 
.
Исходя из этого, вычисляем:
· допуск отверстия 
;
· предельные размеры
По таблицам предельных отклонений калибров [10]
находим:

;

;

;
Чертим схему полей допусков калибра
- скобы (рисунок 10)
Рисунок 10 - Схема полей допусков
калибра - скобы
Рассчитываем предельные размеры
калибра - скобы:
Если проходная сторона калибра скобы
имеет размер 
, то его необходимо изъять из
эксплуатации.
Для калибра - скобы в качестве
номинального размера принимаем минимальный предельный размер, а весь допуск
представляем в виде верхнего отклонения со знаком плюс.
· Непроходная сторона
· Проходная сторона
7 Выбор средств измерений и определение
параметров разбраковки деталей
Средства измерения выбирают с учётом
метрологических и экономических факторов.
При выполнении производственных измерений
учитывают следующие метрологические показатели:
· пределы измерения прибора;
· пределы измерения шкалы;
· точность инструмента;
· предельная погрешность средств и методов
измерения.
К экономическим показателям относятся:
· стоимость средств измерения;
· продолжительность их работы до
повторной установки;
· продолжительность их работы до
ремонта;
· время, затрачиваемое на установку и
сам процесс измерения;
· необходимая квалификация оператора.
На выбор средства измерения влияет также
характер производства.
При массовом и крупносерийном производстве
целесообразно применять специальные средства измерения и калибры, при малом же
количестве измеряемых изделий преимущество остаётся за универсальными
средствами измерений.
.1 Исходные данные
· сопряжение 
.
7.2 Выбор средств измерений для
отверстия 
и определение параметров его
разбраковки
Определим допуск измеряемой детали
По номинальному диаметру 
и допуску 
с помощью табл. 1.1 [11] определим
допускаемую погрешность измерения 
.
По табл. 1.3 [11] определяем индексы возможных
для измерения средств 13 и 8. Затем по табл. 1.5 [11] находим, что этим
индексам соответствуют следующие средства измерений:
13 - нутромер типа НИ (ГОСТ
9244-75), куда установлена головка типа 2 ИГ с ценой деления 0,001 или 0,002,
применяется при настройке по концевым мерам длины 1-го класса и измерении
отверстий с шероховатостью поверхности не грубее 
;
- микроскоп инструментальный типа
ММИ-2, ВМИ-1.
Для измерения валов с высокой поверхностной
твёрдостью в цеховых условиях рациональнее пользоваться нутромером. В
лабораторных условиях для измерения легко деформируемых деталей - микроскопом.
При этом необходимо, чтобы диапазон
измерения отсчётного устройства превышал допуск на изготовление детали 
, а погрешность средств измерения
должна быть меньше на 20 - 25% допустимой погрешности измерения 
.
Для проведения анализа разбраковки
определим статистические параметры
и
по табл. 2.1 [11].
Для квалитета 8 
Число бракованных деталей, принятых
как годные - 
число неправильно забракованных
годных деталей - 
(считаем, что нам известен закон
распределения погрешностей).
Из зависимости


Следовательно, среди годных деталей
могут оказаться неправильно принятые детали с размерами:
Если по условиям работы изделия
влияние погрешностей измерения признаётся допустимым, то оставляют выбранный
допуск и этим устанавливают, что приёмочными границами будут являться
предельные размеры изделия (рис. 11, а):
Рисунок 11 - Варианты назначения приёмочных
границ
Когда конструктор признаёт влияние погрешности
измерения существенным и недопустимым, то:
· либо назначают более точный квалитет точности
(7), либо другое поле допуска, при которых влияние погрешности измерения будет
признано допустимым;
· либо вводят производственный допуск, когда
приёмочные границы смещаются внутрь поля допуска (происходит уменьшение допуска
на изготовление). При введении производственного допуска могут возникнуть два
варианта в зависимости от того, известна или неизвестна точность
технологического процесса. Если точность технологического процесса неизвестна,
предельные размеры детали уменьшаются наполовину допускаемой погрешности
измерения (рис. 11, б). Вал будет иметь размеры:
На чертеже отверстия рядом с
размером 
должна быть надпись: «При измерении
размера 
вводится производственный допуск:
размер должен быть не более 
и не менее 
.»
Если точность технологического
процесса известна, то предельные отклонения уменьшаются на величину 
(рис. 11, в):
На чертеже отверстия должна быть
надпись: «При измерении размера 
вводится производственный допуск:
размер должен быть не более 
и не менее 
.»
8 Обработка результатов наблюдений и оценка
погрешностей различных видов и методов измерений
В данном разделе курсовой работы будут
рассмотрены задачи по обработке результатов прямых многократных измерений,
косвенных измерений, задачи на расчёт погрешности измерений при наличии
систематических погрешностей, а также задачи на оценку погрешности измерений,
зависящей от заданного класса точности средства измерения.
.1 Статистическая обработка результатов прямых
многократных измерений (ГОСТ 8.207-76)
Последовательность операций статистической
обработки:
) исключаем известные систематические
погрешности;
) вычисляем среднее арифметическое
исправленных результатов наблюдений по формуле (5), принимая его за оценку
истинного значения измеряемой величины:
) по формуле (6) проводим оценку
рассеивания единичных результатов измерений путём вычисления
среднеквадратического отклонения результатов измерений
4) проверяем гипотезу о
нормальности распределения результатов измерений (при 
нормальность распределения не
проверяется);
) определяем наличие грубых
погрешностей и промахов и, если они обнаруживаются, соответствующие результаты
отбраковываем и повторяем вычисление;
) по формуле (7) определяем
доверительные границы случайных погрешностей ε при
доверительной вероятности 
или при доверительной вероятности 
- если измерения повторить нельзя
8.1.1 При многократном измерении
веса конструкции 
получены следующие значения в
Ньютонах: 999; 1002; 1000; 998; 1002; 1000; 1002.
Необходимо указать доверительные
границы истинного значения силы с вероятностью 
(
).
По формуле (5) вычислим среднее арифметическое
результатов наблюдений
Далее для оценки рассеивания единичных
результатов измерений вычислим среднеквадратическое отклонение результатов
измерений по формуле (6)
По формуле (7) определим доверительные границы
случайных погрешностей
Результат данного измерения запишем в виде:
8.1.2 При многократном измерении
длины 
получены следующие значения в мм:
30,2; 30,0; 30,4; 29,7; 30,3; 29,9; 30,2.
Необходимо указать доверительные
границы истинного значения длины с вероятностью 
(
).
По формуле (5) вычислим среднее арифметическое
результатов наблюдений
Далее для оценки рассеивания единичных
результатов измерений вычислим среднеквадратическое отклонение результатов
измерений по формуле (6)

По формуле (7) определим доверительные границы
случайных погрешностей:
Результат данного измерения запишем в виде:
.2 Расчёт погрешности измерений при наличии
систематических погрешностей
Систематической называется составляющая
погрешности, которая остаётся постоянной или закономерно изменяется при
повторных измерениях одной и той же величины. При известной систематической
погрешности необходимо внести в результаты измерений поправку, равную этой
систематической погрешности, но с обратным знаком.
Если

Если 
, то случайной погрешностью
пренебрегают, а границу погрешности результата принимают.
.2.1 Амперметр с пределами измерений
I= 0÷10А показывает
8А. Погрешность от подключения амперметра в цепь 
.
Среднеквадратическое отклонение 
. Необходимо указать доверительные
границы для истинного значения измеряемого тока с вероятностью 
(
).
Исключаем систематическую погрешность:
По формуле (8.3) определим доверительные границы
случайных погрешностей
Результат измерения запишем в виде:
8.2.2 При измерении толщины стержня
получили значение b=49 мм со среднеквадратическим
отклонением 
. Неисключённая систематическая
погрешность измерения составляет
Необходимо найти доверительные
границы истинного значения толщины с вероятностью 
(
).
Исключаем систематическую
погрешность:
По формуле (8.3) определим доверительные
границы случайных погрешностей:
Результат измерения запишем в виде:
.3 Обработка результатов косвенных измерений
Косвенными измерениями называются измерения, при
которых искомое значение физической величины определяется на основании прямых
измерений других физических величин, функционально связанных с искомой
величиной.
8.3.1 Сила инерции определяется по
закону 
.Для определения силы инерции
получены следующие значения:

Необходимо указать доверительные
границы истинного значения силы инерции.
Определим значение силы инерции:
Вычислим относительные погрешности прямых
измерений напряжения и силы тока:
Найдём относительную погрешность косвенного
измерения силы инерции:
Выразим предельную погрешность измерения силы
инерции через её относительную погрешность и найдём её значение:
Результат запишем в виде
8.3.2 При испытании материала на
растяжение следующие значения силы и удлинения: 
. Среднеквадратичные отклонения
погрешностей этих параметров для силы:
для удлинения: 
. Необходимо указать доверительные
границы истинного значения напряжения.
(
).
По формуле (8.3) определим доверительные границы
случайных погрешностей

;
Вычислим относительные погрешности
прямых измерений:
Найдём относительную погрешность
косвенного измерения коэффициента трения:
Выразим предельную погрешность
измерения напряжения через её относительную погрешность и найдём её значение:
Результат запишем в виде
.4 Нахождение размерности производных величин
Вся современная физика может быть построена на
семи основных величинах, которые характеризуют фундаментальные свойства
материального мира. К ним относятся: длина, масса, время, сила электрического
тока, термодинамическая температура, количество вещества и сила света.
С помощью этих и двух дополнительных величин -
плоского и телесного углов - введенных исключительно для удобства, образуется
все многообразие производных физических величин и обеспечивается описание
свойств физических объектов и явлений.
Размерность измеряемой величины является
качественной ее характеристикой и обозначается символом dim, происходящим от
слова dimension.
Размерность основных физических величин
обозначается соответствующими заглавными буквами.
Например, для длины, массы и времени dim l = L;
dim m = М; dim t = T.
8.4.1 Определить размерность работы, которая
определяется уравнением

, где F - сила, 
- длина перемещения.
В результате получаем

.4.2 Определить размерность
давления, которое определяется уравнением


Отсюда: 
;
В результате получаем: 
Заключение
В курсовой работе для заданного редуктора
механизма передвижения мостового крана были проведены следующие операции:
· для соединения вал - зубчатое колесо была
выбрана и проанализирована переходная посадка гладкого цилиндрического
соединения;
· для подшипников качения были
определены и проанализированы посадки;
· была выбрана шпонка, а также
определены предельные размеры шпоночного соединения;
· для резьбового соединения были
определенны предельные отклонения его элементов, изображена схема расположения
полей допусков для размеров винта и гайки;
· для зубчатого колеса был выбран
комплекс контрольных параметров, определены их допускаемые значения;
· для деталей гладкого цилиндрического сопряжения
были спроектированы рабочие калибры, выбраны универсальные средства измерения,
а также был проведён анализ разбраковки деталей.
Кроме этого в курсовой работе была выполнена
обработка результатов наблюдений и оценка погрешности различных видов и методов
измерений.
Список использованных источников
1. Николаева,
Г.С. Расчёт и выбор посадок для гладких цилиндрических соединений. Методические
указания к курсовому проектированию / Г.С. Николаева, А.А. Замыцкий. -
Ростов-на-Дону: РИИЖТ, 1980. - 23 с.
2. ГОСТ
25347-82. Поля допусков и рекомендуемые посадки. - М.: Изд-во стандартов, 1982.
- 29 с.
. Ван
дер Поль, Б. Операционное исчисление на основе двухстороннего преобразования
Лапласа / Б. Ван дер Поль, Х. Бремер. - М.: Издательство иностранной
литературы, 1952. - 507 с.
. Замыцкий,
А.А. Расчёт и выбор посадок подшипников качения. Методические указания к курсовому
проектированию / А.А. Замыцкий, Г.С. Николаева, О.И. Головко. - Ростов-на-Дону:
РИИЖТ, 1986. - 24 с.
. Допуски
и посадки. Справочник. Ч. 1 и 2 / под ред. В.Д. Мягкова. - Л.: Машиностроение,
1982. - 543 с.; 1983. - 448 с.
. Буракова,
М.А. Взаимозаменяемость шлицевых соединений. Методическое указание к курсовой
работе пособие / М.А. Буракова, А.А. Замыцкий. - Ростов-на-Дону: РИИЖТ, 1979. -
15 с.
. Буракова,
М.А. Взаимозаменяемость резьбовых соединений: учебно-методическое пособие /
М.А. Буракова, Г.С. Николаева, А.А. Замыцкий - Ростов-на-Дону: РГУПС, 2008. -
28 с.
. Замыцкий,
А.А. Точность цилиндрических эвольвентных зубчатых передач: методические
указания к курсовой работе по дисциплине «Метрология, стандартизация и
управление качеством» / А.А. Замыцкий, Г.С. Николаева. - Ростов-на-Дону: РГУПС,
1996. - 24 с.
. ГОСТ
1463-81. Передачи зубчатые цилиндрические. Допуски. - М.: Издательство
стандартов, 1981. - 44 с.
. ГОСТ
24853-81. Калибры гладкие для размеров до 500 мм. Допуски. - М.: Издательство
стандартов, 1981. - 8 с.
. Николаева,
Г.С. Выбор измерительных средств. Методические указания к курсовой работе по
дисциплине «Взаимозаменяемость, стандартизация и метрология» / Г.С. Николаева,
А.А. Замыцкий, М.А. Буракова. - Ростов-на-Дону: РГУПС, 1998. - 16 с.