Расчет железнодорожного пути на прочность

  • Вид работы:
    Курсовая работа (т)
  • Предмет:
    Транспорт, грузоперевозки
  • Язык:
    Русский
    ,
    Формат файла:
    MS Word
    457,31 Кб
  • Опубликовано:
    2013-04-26
Вы можете узнать стоимость помощи в написании студенческой работы.
Помощь в написании работы, которую точно примут!

Расчет железнодорожного пути на прочность

1. Расчёт железнодорожного пути на прочность

.1 Предпосылки и допущения

.1.1 Допущения к расчётной схеме

Рельс рассматривается как балка постоянного сечения бесконечно большой длины, лежащая на сплошном упругом основании. Основание рассматривается как двухсторонняя связь, работающая и еа сжатие, и на растяжение. В соответствии с этим реакция основания зависит от осадки y

, (1.1)

где q - интенсивность реакции основания;

U - коэффициент пропроциональности.

.1.2 Статистический расчёт рельса

Приближенное дифференциальное уравнение изогнутой оси балки, лежащей на сплошном упругом основании, имеет вид

, (1.2)

где E-модуль упругости материала балки (для рельсовой стали E = 2,1∙105МПа);

Iz - момент инерции поперечного сечения балки (рельса) относительно центральной оси /1, таблица Б1/(Iz = 3208∙10-8);

U - модуль упругости подрельсового основания, МПа (для кривой в летних условияхU=126МПа);

Введением коэффициента относительной жесткости, м-1,

 (1.3)

м-1

линейное дифференциальное уравнение 4-го порядка (1.1) приводится к каноническому виду, в результате решения которого получаются следующие зависимости для прогиба y, изгибающего моментаMzи давления рельса на шпалу

Qy: ; (1.4)

 (1.5)

 (1.6)

На рисунке 1.1 приведены линии влияния прогибов и изгибающих моментов пропорциональных значениям функции η(k∙x) и μ(k∙) соответственно и построенных для случая, когда  и  равны единице.

В случае действия на рельс системы подвижных сосредоточенных сил суммарный эффект определяется как

; (1.6)

; (1.7)

, (1.8)

где  и  - суммарные или эквивалентные нагрузки для опрдения изгибающего момента, прогиба и давления на шпалу для заданной системы подвижных сосредоточенных сил.

а)

б)

Рисунок 1.1 - Линии влияния: а - изгибабщего момента; б - упругих просадок рельса

.1.3 Вероятностный характер действующих сил

Действующие на путь силы по характеру изменения их во времени подразделяются на статические и динамические.


Каждая из динамических составляющих может принимать различные значения во времени в произвольных сочетаниях, поэтому расчётная нагрузка определяется с применением основных положений теории вероятностей. Таким образом, для принятой вероятности события p = 0,994, обеспечивающей нормальную эксплуатацию пути расчётное значение колёсной нагрузки вычисляется по формуле

, (1.9)

где Pср - среднее значение колёсной нагрузки;

S - среднеквадратическое отклонение.

.2 Расчётная нагрузка колеса на рельс

Средние значения составляющих Pнп и Pнк можно принять равными нулю так как силы инерции необрессоренных масс вызывают разгрузку и догрузку колеса с одинаковой вероятностью. Среднеквадратическое отклонение статистической нагрузки колеса также принимается равным нулю. Таким образом, за среднее значение вертикальной нагрузки колеса на рельс принимается

, (1.10)

где Pст - статическая нагрузка колеса на рельс, Н /1, таблица А1/ (для ТЭП 70 Pст =112500;

 - средняя величина нагрузки, возникающая за счёт вертикальных колебаний груза на рессорах, принимаемая на основании опытных данных ЦНИИ, Н.

,(1.11)

где  - динамическая максимальная нагрузка колеса на рельс от вертикальных колебаний надрессорной части экипажа, Н, определяемая по коэффициенту динамических добавок

 (1.12)

где qк - вес необрессоренной части экипажа, приходящийся на одно колесо, Н /1, таблица А1/ (для ТЭП 70 qк =13800);

kд - коэффициент динамических добавок от вертикальных колебаний надрессорной части, определяемый по эмпирической зависимости

 (1.13)

где V- скорость движения, м/с /1, таблица А1/(для ТЭП 70V =44,44 м/с);

fст - статический прогиб рессорного подвешивания, м /1, таблица А1/(для ТЭП 70 fст = 0,187).

,

Н,

Н,

Н.

Среднеквадратическое отклонение динамической нагрузки колеса на рельс Sот нескольких факторов определяется из суммы дисперсий, Н,

, (1.14)

где Sр - среденквадратическое отклонение динамической нагрузки колеса на рельс от вертикальных колебаний надрессорной части экипажа, Н;

Sнп - среднеквадратическое отклонение динамической нагрузки колесана рельс от дейстыия сил инерции необрессоренных масс при прохождении колесом изолированной неровности пути, Н;

Sннк - среднеквадратическое отклонение динамической нагрузки колеса на рельс от действия сил инерции необрессоренных масс из-за наличия непрерывных неровностей на поверхности катания колёс, Н;

Sинк - среднеквадратическое отклонение динамической нагрузки колеса на рельс от действия сил инерции необрессоренных масс, возникающих из-за наличия изолированных неровностей на поверхности катаноия колёс, Н;

q1 - для колёс, имеющих изолированные неровности, от общего числа однотипныхколёс, остальные из которых имеют непрерывные неровности (q = 0,05);

Определим Sр:

, (1.15)

 Н,

Определим Sнп

,(1.16)

где  - максимальное значение силы инерции, Н;

, (1.17)

где  - коэффициент, учитывающий изменение колеблющеёся массы пути на железобетонных шпалах по сравнению с путём на деревянных шпалах (для железобетонных шпал =0,931);

β - коэффициент, учитывающий влияние типа рельса на возникновение динамической неровности по отношению к рельсу типа Р50 (для Р65 β = 0,87);

ε - коэффициент учитывающий влияние жесткости пути (материал и конструкция шпалы) на образование динамической неровности по сравнению с деревянными шпалами (для железобетонных шпал ε = 0,322);

γ - коэффициент, учитывающий влияние рода балласта на образование динамической неровности пути (для щебня γ = 1);

lш - расстояние между осями шпал, м (при эпюре 2000шт/км lш = 0,5м);

 Н,

 Н.

Определим Sннк:

, (1.18)

где  - максимальное значение силы инерции, Н;

, (1.19)

где k1 - коэффициент, характеризующий степень неравномерности образования проката поверхности катания колёс (для ТЭП70 k1 = 0,23);

α0 - коэффициент, учитывающий влияние колеблющейся массы пути (для пути с железобетонными шпалами α0 = 0,403);

d- диаметр колеса, м /1, таблица А1/(для ТЭП 70 d = 1,22м);

 Н,

Н.

Определим Sинк:

, (1.20)

где - максимальное значение силя инерции, Н;

, (1.21)

где ymax - наибольший дополнительный прогиб рельса при вынужденных колебаниях катящегося по ровному рельсу колеса с изолированной неровностью на поверхности катания, м;

, (1.22)

где е - расчётная глубина плавной изолированной неровности на поверхности катания колеса, м /1, таблица А4/ (для локомотива с подшипниками

м

 Н,

 Н.

Н,

Н.

1.3 Эквивалентные нагрузки

1.3.1 Общие положения

Учитывая то, что линии влияния изгибающих моментов быстро затухают, обычно бывает достаточно рассмотреть систему сил, состоящую из трёх последовательно расположенных колёс. Нагрузку, определяемую как сумму воздействий усилий от каждого из включённых в расчётную схему колёс, называют эквивалентной.

1.3.2 Эквивалентная нагрузка при определении изгибающего момента

Максимальная эквивалентная нагрузка для расчётов напряжений в рельсах от изгиба определяется по формуле

, (1.23)

где μ(kxi) - ординаты линии влияния изгибающих моментов рельса в сечениях пути

 (1.24)

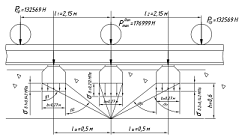
Для системы, состоящей из трёх нагрузок, наиболее опасным расположением (установкой) колёс относительно расчётного сечения является схема, показанная на рисунке 1.2

Для этой установки координаты средних нагрузок равны: x1= l1,(1.25)

Рисунок 1.2 - Схема определения эквивалентной нагрузки при расчёте изгибающего момента

x2 = l1 + l 2,(1.26)

где l1 и l2 - это расстояния соответственно между первой и второй и второй и третьей осями тележки, м /1, таблица А1/(для ТЭП70 l2 = l1 = 2,15).

x2 = 2,15 + 2,15 = 4,3 м,

;

;

 Н.

.3.3 Эквивалентная нагрузка для определения прогиба и давления рельса на шпалу

Максимальная эквивалентная нагрузкадля опрделения прогиба рельса определяется по формуле, Н,

 (1.27)

где η(kxi) - ординаты линии влияния прогибов рельса в сечениях пути, расположенных под колёсными нагрузками от осей, смежных с расчётной осью

(1.28)

При определении существуют две опасные установки колёсной нагрузки (рисунок 1.3)

а)

б)

Рисунок 1.3 - Схема определения эквивалентной нагрузки при расчёте прогиба: а) первая опасная колёсная нагрузка; б) вторая опасная нагрузка

Определим для первой опасной нагрузки:

;

;

 Н.

Определим для второй опасной нагрузки:

Н.

.4 Определение изгибающего момента, прогиба и давления рельса на шпалу

Изгибающий момент в рельсе от воздействия эквивалентной нагрузки определяется по формуле, Н∙м,

, (1.29)

 Н∙м.

Максимальный прогиб рельса определяется по формуле

, (1.30)

м.

Давление рельса на шпалу определяется по формуле

, (1.31)

 Н.

.5 Определение напряжений в элементах верхнего строения пути

.5.1 Осевые напряжения в подошве рельса

Максимальные осевые напряжения в подошве рельса от изгиба и вертикальной нагрузки определяется по формуле

, (1.32)

где W - момент сопротивления поперечного сечения рельса относительно неётральной оси для удалённого волокна подошвы, м3, /1, таблица Б1/ (для Р65(6)2000(жб) щ W = 417∙10-6м3);


.5.2 Кромочные напряжения в подошве рельса

Вертикальная нагрузка от колеса на рельс имеет смещение(эксцентриситет) относительно оси симметрии сечения рельса. Со стороны гребня колеса на головку рельса действует горизонтальная сила (рисунок 1.4). Вследствие этого в наружней кромке подошвы и внутренней кромке головки рельса сложное напряженное состояние.

Нормальные напряжения в кромке подошвы рельса определяется по формуле

, (1.32)

где f - коэффициент перехода к кромочным напряжениям, зависящий от типа экипажа, радиуса кривой, таблица А1 /1/(для ТЭП70 f = 1,24).

МПа.

Рисунок 1.4 - Схема приложения сил на рельс

.5.3 Напряжения в шпале и в балластном слое под шпалой

Напряжения смятия в деревянных шпалах под подкладками и в прокладках при железобетонных шпалах определяются по формуле

, (1.33)

гдеω - площадь подкладки или подрельсовой прокладки, м2, таблица Б1/1/ (для Р65(6)2000(жб) щ ω = 210∙10-4м2);

МПа.

Напряжения в балластном слое под шпалой в подрельсовом сечении определяются по формуле

, (1.34)

где Ωα - эффективная площадь полушпалы с учётом изгиба, м2, таблица Б1/1/ (для Р65(6)2000(жб) щ Ωα = 2975∙10-4м2);

МПа.

.6 Напряжения на основной площадке земляного полотна

Схема колесной нагрузки принимается той же, что и при определении наибольшей величины эквивалентной нагрузки (рисунок 1.5)

Рисунок 1.5 - Схема расчёта напряжений по основной площадке земляного полотна

Напряжения на основной площадке земляного полотна σh на глубине h определяются под расчетной шпалой с учетом давлений, предаваеимых двумя соседними шпалами по формуле

, (1.35)

где σh0 - напряжения от действия расчетной шпалы на глубине hот её подошвы;

σh1h2 - напряжения от действия соседних шпал.

Определим напряжение от расчетной шпалы:

, (1.36)

где r1 - параметр, учитывающий влияние материала шпал на напряжения (для железобетонных шпал r1 = 0,7);

m1 - коэффициент учитывающий неравномерность напряжений по ширине подошвы шпалы и определяемый как

, (1.37)

C1 и С2 - константы зависящие от геометрии шпального основания (ширины подошвы шпалы b, м, толщины балласта h, м, расстояния между осями шпал lш, м), определяемые по формулам

, (1.38)

, (1.39)

;

;

;

МПа

Определим напряжения от соседних шпал

Для определения напряжений под соседними шпалами найдем давление на эти шпалы с помощью линий влияния прогибов в соответствии с установкой колёсной нагрузки. Для установки, показанной на рисунке 1.5, давления на соседние шпалы определяются по формулам

,(1.40)

, (1.41)

l1-lш = l2 - lш = 2,15 - 0,5 = 1,65м;

l1+ lш = l2+lш = 2,15 + 0,5 = 2,65м;

;


Напряжения в балласте под соседними шпалами находятся по формулам

; (1.42)

МПа;

Нормальные вертикальные напряжения на глубине hот расчётных давлений под подошвами шпал определяются по формулам

; (1.43)

, (1.44)

где Ah - константа, зависящая от геометрии шпального основания определяемая по формуле

;(1.45)

где β1 и β2 - углы, характеризующие геометрию подрельсового основания

; (1.46)

рад;

; (1.47)

рад;

;

МПа.

1.7 Допускаемые напряжения

Расчёт рельсов и других элементов пути на прочность ведётся по допускаемым напряжениям, которые ограничивают максимальные расчётные напряжения от поездной нагрузки

. (1.48)

В соответствии с характером работы каждого из элементов пути регламентируются следующие виды допускаемых напряжений обеспечивающих прочность и надёжность железнодорожного пути:

к] - допускаемые напряжения растяжения в кромке подошвы рельса, обусловленные изгибом последнего и кручением вертикального и горизонтального воздействия подвижного состава ([σк] = 240 МПа);

ш] - допускаемые напряжения на смятие в деревянных шпалах под прокладками и в прокладках для железобетонных шпал ([σш] = 7,5МПа);

б] - допускаемые напряжения сжатия в балласте под шпалой в подрельсовой зоне ([σш] = 0,40МПа);

h]- допускаемые напряжения сжатия на основной площадке земляного полотна ([σh] = 0,10МПа).

.8 Расчёт пути на прочность на ПЭВМ

Ранее приведенный алгоритм расчёта пути на прочность также реализован в инструментальной среде MathCAD и позволяет выполнять многовариантные вычисления для различных конструкций пути и типов подвижного состава (в прямых и кривых участках, для зимних и летних условий).

Для удобства ввода информации в расчётный модуль необходимо заполнить таблицу исходных данных

Таблица 1.1

Исходные данные

Характеристика

Обозначение

Единицы измерения

Значение

1. Статическая нагрузка на колесо

Pср

Н

112500

2. Отнесённый к колесу вес неподрессоренной части экипажа

qк

Н

13800

3. Жесткость рессорного подвешивания

Жр

Н∙м

1,64∙106

4. Статический прогиб рессорного подвешивания

fст

м

0,187

5. Диаметр колеса

d

м

1,22

6. Расстояние между центрами осей колёсных пар экипажа

l1

м

2,15


l2


2,15

7. Скорость движения экипажа

v1

м/с

11,11


v2


22,22


v3


33,33


v4


44,44

8. Глубина изолированной неровности

l

м

0,00047

9. Коэффициент, учитывающий горизонтальные силы

fпр

-

1,06


fкр

-

1,24

10. Модуль упругости подрельсового основания

лето прямая

Uдп

МПа

115


лето кривая

Uдк


126


зима прямая

Uзп


150


зима кривая

Uзк


164

11. Расстояние между осями шпал

прямая

lш

м

0,55


кривая

lш


0,5

Продолжение таблицы 1.1

1

2

3

4

12. Момент инерции рельса

Iz

м4

3208∙10-8

13. Момент сопротивления рельса

W

м3

417∙10-6

14. Коэффициенты, учитывающие влияние

типа рельса

β

-

0,87


рода балласта

γ

-

1


жесткости пути

ε

-

0,322


изменение колеблющейся массы пути на железобетонных шпалах

α1

-

0,931


колеблющейся массы пути

α0

-

0,403

15. Площадь подрельсовой прокладки

ω

м2

210∙10-4

16. Площадь полушпалы

Ωα

м2

2975∙10

17. Толщина балластного слоя

h

м

0,6

18. Ширина нижней постели шпалы

b

м

0,27

19. Поправочный коэффициент

r1

-

0,7


Расчет пути на прочность на ПЭВМ выполнен для более широкого диапазона вариантов. Полученные результаты представим в виде таблиц.

Таблица 1.2

Результаты расчёта нагрузки

Скорость движения, v, м/с

Среднее значение вертикальной нагрузки колеса на рельс, Pср, Н

Изгибающий момент, М, Н∙м

Давление на шпалу, Q0, Н

Максимальный прогиб рельса, у, м

1

2

3

4

5

6

Тепловоз ТЭП70

Прямая, лето

11,11

135595

123069

22611

51588

0,00082

22,22

149040

126236

24925

56851

0,0009

33,33

163759

129402

27460

62617

0,00099

44,44

179437

132569

30162

68762

0,00109

Кривая, лето

11,11

135316

123069

22173

47875

0,00076

22,22

147984

126236

24305

52484

0,00083

33,33

161997

129402

26666

57588

0,00091

44,44

176998

132569

29195

63054

0,001

Продолжение таблицы1.2

1

2

3

4

5

6

Прямая, зима

11,11

137217

123069

21741

55856

0,00068

22,22

151576

126236

24063

61867

0,00075

33,33

167433

129402

26628

68510

0,00083

44,44

184376

132569

29371

75613

0,00092

Кривая, зима

11,11

136957

123069

21315

51864

0,00063

22,22

150427

126236

23446

57104

0,0007

33,33

165481

129402

25830

62966

0,00077

44,44

181659

132569

28392

69269

0,00084


Таблица 1.3

Результаты расчёта напряжений

Скорость движения v, м/с

Напряжения, МПа


в подошве рельса по оси, σпо

в кромке подошвы рельса, σпк

в подрельсовой прокладке, σш

в балластном слоя, σб

на основной площадке земляного полотна, σh

Тепловоз ТЭП70

Прямая, лето

11,11

52,2

57,5

2,46

0,173

0,0478

22,22

59,8

63,4

2,71

0,191

0,0526

33,33

65,9

69,8

2,98

0,21

0,0579

44,44

72,3

76,7

3,27

0,231

0,0635

Кривая, лето

11,11

53,2

65,9

2,28

0,161

0,0473

22,22

57,7

72,3

2,5

0,176

0,0518

33,33

63,9

79,3

2,74

0,194

0,0568

44,44

70

86,8

3

0,212

0,0622

Прямая, зима

11,11

52,1

55,3

2,66

0,188

0,0507

22,22

57,7

61,2

2,95

0,208

0,0561

33,33

63,9

67,7

3,26

0,23

0,0621

44,44

70,4

74,7

3,6

0,254

0,0685

Кривая, зима

11,11

51,1

63,4

2,47

0,174

0,0503

22,22

56,2

69,7

2,72

0,192

0,0553

33,33

61,9

76,8

3

0,212

0,061

44,44

68,1

84,4

3,3

0,233

0,067


По данным таблицы 1.3 построим графики зависимости осевых напряжений от скорости движения.

Рисунок 1.6 - Зависимость осевых напряжений в подошве рельса от скорости движения: 1 - прямая летом; 2 - кривая летом; 3 - прямая зимой; 4 - кривая зимой

Рисунок 1.7 - Зависимость напряжений в кромке подошвы рельса от скорости движения: 1 - прямая летом; 2 - кривая летом; 3 - прямая зимой; 4 - кривая зимой

Рисунок 1.8 - Зависимость напряжений в подрельсовой прокладке от скорости движения: 1 - прямая летом; 2 - кривая летом; 3 - прямая зимой; 4 - кривая зимой

Рисунок 1.9 - Зависимость напряжений в балласте от скорости движения: 1 - прямая летом; 2 - кривая летом; 3 - прямая зимой; 4 - кривая зимой

Рисунок 1.10 - Зависимость напряжений на основной площадке земляного полотна от скорости движения: 1 - прямая летом; 2 - кривая летом; 3 - прямая зимой; 4 - кривая зимой

бесстыковой железнодорожный колесо рельс

2. Расчёт условий укладки и содержания бесстыкового пути

.1 Общие требования

Бесстыковой путь является передовой конструкцией верхнего строения пути, которая даёт существенный технико-экономический эффект благодаря ряду преимуществ, среди которых:

. Повышение плавности и комфортабельности движения поездов;

. Уменьшение расхода металла для стыковых скреплений;

. Улучшение показателей динамического взаимодействия пути и подвижного состава;

. Уменьшение расходов на тягу поездов;

. Улучшение экологической ситуации за счёт снижения шума от проходящих поездов.

Основное отличие работы бесстыкового пути от звеньевого состоит в том, что в рельсовых плетях действуют значительные продольные усилия, вызываемые изменениями температуры. При повышении температуры рельсовых плетей по сравнению с температурой закрепления в них возникают продольные силы сжатия, которые могут создать опасность выброса пути. При понижении температуры - появляются растягивающие силы, которые могут вызвать излом плети и образование большого зазора или разрыв рельсового стыка из-за стыка болтов. Эти особенности бесстыкового пути требуют соблюдения установленных Техническими указаниями (ТУ-2000) /2/ норм и правил его укладки, содержания и ремонта.

ТУ-2000 распространяются на бесстыковой путь с железобетонными шпалами и другими подрельсовыми железобетонными основаниями, которые могут применяться на сети железных дорог России.

2.2 Укладка бесстыкового пути

Бесстыковой путь на щебеночном и асбестовом балласте должен укладываться в прямых участках и в кривых радиусом не менее 350 м. При наличии технико-экономического обоснования, утверждённого начальником службы пути, допускается укладка бесстыкового пути в кривых радиусами 300-350м.

Бесстыковой путь устраивают, как правило, при реконструкции или при капитальном ремонте по типовой технологии временной укладкой инвентарных рельсов длиной 25м, в последующем замещаемых рельсовыми плетями. В кривых радиусом менее 500м могут укладываться инвентарные рельсы длиной 12,5м.

Укладка бесстыкового пути производится только после стабилизации земляного полотна, поэтому заменять инвентарные рельсы на плети следует не позднее, чем после пропуска по ним 1 миллиона тонн груза брутто.

Для обеспечения минимальных климатических помех при текущем содержании и ремонтах пути, вновь укладываемые плети должны закрепляться при оптимальной температуре согласно таблице 2.1 /1/.

.3 Расчёт повышений и понижений температуры рельсовых плетей, допустимых по условиям их прочности и устойчивости

Возможность укладки бесстыкового пути в конкретных условиях устанавливается сравнением допускаемой температурной амплитуды [Т] для данных условий с фактически наблюдавшейся в данной местности амплитудой колебаний температуры Та. Если Та ≤ [Т], то бесстыковой путь можно укладывать.

Значение Та определяется по формуле

 (2.1)

гдеtmaxmaxиtminmin - соответственнонаибольшая и наименьшая температуры рельса, наблюдающиеся в данной местности, приложение Г /1/, (для станции Называевская tmaxmax = 60˚С; tminmin= -46˚С).

˚С

Амплитуда допускаемых изменений температур рельсов определяется по формуле

(2.2)

Где  - допускаемое повышение температуры рельсов по сравнению с температурой их закрепления, ˚С;

 - допускаемое понижение температуры рельсов по сравнению с температурой их закрепления, ˚С;

 - минимальный интервал температур, в котором окончательно закрепляются рельсовые плети, ˚С.

Допускаемое повышение температуры рельсовых плетей устанавливается на основании теоретических и экспериментальных исследований устойчивости пути, приложение Д /1/ (для прямого участка  = 54˚С, для кривой  = 49˚С).

Допускаемое понижение температуры рельсовых плетей определяется расчётом прочности рельсов, основанным на условии, что сумма растягивающих напряжений, возникающих от действия подвижного состава и от изменений температуры, не должна превышать допускаемое напряжение материала рельсов:

 (2.3)

где kп - коэффициент запаса прочности;

σпк - напряжения в кромках подошвы рельса от изгиба и кручения под нагрузкой колёс подвижного состава, МПа;

σt - напряжения в поперечном сечении рельса от действия растягивающих температурных сил, возникающих при понижении температуры рельса по сравнению с его температурой при закреплении, МПа;

[σ] - допускаемое напряжение, МПа.

Температурные напряжения, возникающие в рельсе в связи с несостоявшимся изменением его длины при изменении температуры определяется по формуле:

 (2.4)

где E - модуль упругости рельсовой стали (Е = 2,1∙1011 Па);

α - коэффициент линейного расширения рельсовой стали (α =0,000018);

 - разность между температурой, при которой определяется напряжение, и температурой закрепления плети на шпалах, ˚С;

Подставив формулу (2.4) в формулу (2.3), наибольшее, допускаемое по условию прочности рельсов понижение температуры рельсовой плети по сравнению с температурой при закреплении опрделяется по формуле

 (2.5)

В соответствии с указанным порядком расчёта определены и приведены в приложении Е, /1/ (в прямом участке = 109˚С; в кривой  = 104˚С).

.4 Расчёт интервалов закрепления рельсовых плетей

Расчётный температурный интервал закрепления рельсовых плетей вычисляется по формуле

(2.6)

Границы расчётног интервала закрепления, то есть наименьшую mintз и наибольшую maxtз температуры закрепления, определяются по формулам

 (2.7)

 (2.8)

для прямого участка:

˚С;

˚С;

˚С.

для кривой:

˚С;

˚С;

˚С.

Оптимальный интервал температуры закрепления находится в расчётном интервале, таким образом примем температуру закрепления 35˚С

.5 Принудительный ввод рельсовых плетей в расчётный интервал

.5.1 Технология ввода рельсовых плетей в расчётный интервал

Принудительный ввод плетей в оптимальный температурный режим применяется при:

. Необходимости укладки плетей при температуре ниже оптимальной

. При сварке эксплуатируемых плетей ранее уложенных и закреплённых при температуре ниже оптимальной

Последовательность выполнения работ

. Расчёты удлинения плети ΔL, усилия гидронатяжителя Nгну, длины анкерных участков Lа и перемещения в контрольных сечениях Δi;

. Укладка укороченных уравнительных рельсов в уравнительном пролёте в сторону которого будет удлиняться плеть;

. Закрепление анкерных участков (стыковые болты с усилием 600Н∙м, клеммные 150-200Н∙м);

. Раскрепление плети и вывешивание на каждой 15-й шпале на ролике (d = = 20-22мм) или скользящие пластины (толщина 8-10мм);

. Нанесение расчётных рисок;

. Постановка ГНУ и растяжение плети до совпадения расчётных рисок с контрольными сечениями;

. Закрепление плети от неподвижного конца к подвижному на каждой пятой шпале, снимая ролики или пластины, а на расстоянии l, определяемом по формуле 2.13 от подвижного конца к подвижному на каждой шпале.

Снятие ГНУ, сборка стыков в уравнительном пролёте и открытие движения со скоростью 25 км/ч;

Рисунок 2.1 - Интервал закрепления рельсовых плетей

. Закрепление плети на остальных шпалах и отмена предупреждения об уменьшении скорости движения.

.5.2 Расчёт необходимого усилия ГНУ, величины удлинения плети, длины анкерного участка, перемещений контрольных сечений

При работе с ГНУ применяются следующие схемы растяжения плетей:

. При L ≤650 м растягивается вся плеть;

. При 1300 ≥ L> 650 м растягивается каждая полуплеть отдельно.

Так как длина рельсовой плети равна 1100м, то примем вторую схему растяжения:

Рисунок 2.2 - Схема растяжения плетей

Удлинение плети определяется по формуле

, (2.10)

где α - коэффициент температурного расширения рельсовой стали (α = = 11,8∙10-6);

L - длина плети (L = 1100);

Δt - перепад между температурой первоначального закрепления или температурой рельсовых плетей при укладке и температурой рельсов при производстве работ по растяжению плети, определяемый по формуле

, (2.11)

Где tзакр - температура закрепления (tзакр = 35˚С);

tпр.раб - температура производства работ (tпр.раб = 12˚С).

,

м.

Необходимые усилия для создания расчётных удлиненийвплетях Nопределяются по формуле

, (2.12)

Где Е - модуль упругости рельсовой стали (Е = 2,1∙1011 Па);

F - площадь поперечного сечения рельса (F(0) = 82,56∙10-4м2).

Н.

Для обеспечения неподвижности уравнительных рельсов с обеих сторон от удлиняемой плети должны находиться анкерные участки. Длина анкерного участка определяется по формуле

, (2.13)

где Nt- усилие для создания расчётных удлинений в плетях, кН;

r - погонное сопротивление рельсов (r = 11 кН/м).

м

Для контроля равномерности удлинения плети на подошву рельса в створе с краем подкладки через каждые 50м наносят риски, расчётное перемещение которых определяется по формуле

, (2.14)

где аi - расстояние от неподвижного конца плети до i-й риски (50, 100, 150 …550м).

Расчёт перемещений рисок будем вести в виде таблицы.

Таблица 2.1

Расчёт перемещений в контрольных сечениях при принудительном вводе.

Номер сечения

Расстояние, м

Перемещение, м

1

0,014

2

100

0,027

3

150

0,041

4

200

0,054

5

250

0,068

6

300

0,081

7

350

0,095

8

400

0,109

9

450

0,122

10

500

0,136

11

550

0,149


.6 Восстановление целостности рельсовых плетей

При обнаружении в рельсовой плети опасного дефекта должны быть приняты меры по его устранению и восстановлению рельсовой плети для безопасного пропуска поездов. Восстановление плетей производится в 2 или 3 этапа.

.   Краткосрочное;

2.      Временное;

.        Дополнительное.

а)

б)

Рисунок 2.2 - Эпюра продольных сил в рельсовой плети при принудительном вводе её в расчётный интервал: а) на первом этапе; б)на втором этапе

.6.1 Краткосрочное восстановление плети

Бывает двух видов:

) С помощью шестидырных накладок, стянутых струбцинами при внутренней поперечной трещине (дефект 21.2 и дефект 69), ТУ2000 / /, если её границы выходят за середину головки рельса, если она вышла на поверхность рельса, при сквозном поперечном изломе с образованием зазоров менее 40 мм.

Поезда в течение не более 3х часов пропускаются по этому месту со скоростью до 25км/ч. При этом стык должен находиться под непрерывным наблюдением специально выделенного работника. В течение указанного времени доджно быть организовано временное или окончательное восстановление рельсовой плети

Рисунок 2.3 - Схема расположения струбцин при краткосрочном восстановлении рельсовой плети

) С помощью шестидырных накладок с четырьмя болтами

Если внутренняя поперечная трещина (дефект 21.2) не выходит за середину головки. Середина накладки при этом должна совмещаться с дефектом. Отверстия для 2-х средних болтов не сверлятся во избежание развития дефектов в их сторону. Для предотвращения растяжки зазора и среза болтов в случае сквозного излома рельсов под накладками клемные и закладные болты закрепляются на протяжении 50м в каждую сторону от дефектного рельса. После постановки накладок поезда пропускаются с установленной скоростью. Если спустя некоторое время трещина выходит на поверхность рельса или распространяется за середину головки рельса, то необходимо провести временное или окончательное восстановление.

Если трещина или излом произошли по дефектам 24, 25, 26.3, 30в.г, 30г.т, 50.2, 52.2, 55, 56.3, 60.2, или были обнаружены 2 и более дефектов 21.2 между 2-мя сварными стыками (на одном рельсе), или при сквозном изломе образовался зазор более 40мм, то должно сразу же проводиться временное или окончательное восстановление рельсовой плети.

.6.2 Временное восстановление плети

При временном восстановлении из рельсовой плети должна быть вырезана часть рельса с дефектом и вместо неё уложен рельс длиной 8-11м. Концы вставляемого рельса соединяют с образовавшимися концами рельсовой плети шестидырными накладками.

Перед вырезкой дефекта все клемные и закладные болты должны быть подтянуты на протяжении 50м в обе стороны от вырезаемого рельса

Так как температура производства работ (20˚С) ниже температуры закрепления (35˚С), то необходимо сначала определить сумму зазоров между концами плети и концами вставляемого рельса.

 (2.15)

Где lд - длина дышащих участков

 (2.16)

 (2.17)

˚С

 (2.18)


.6.3 Окончательное восстановление плети

.6.3.1 Общие положения

Окончательное восстановление рельсовых плетей заключается в вырезке части плети с дефектом, взятым в накладки или в изъятии рельса, уложенного при временном восстановлении и вваривании рельсовой вставки одинаковой по износу и качеству металла с рельсовой плетью.

При окончательном восстановлении рельсовой плети с дефектом, взятым в накладки, дефектную часть плети вырезают до «окна» также как при временном восстановлении: для пропуска поездов в местах пропилов временно берутся в накладки, стянутые струбцинами; если плеть сжата, то предварительно вырезают автогеном кусок рельса.

При окончательном восстановлении плети с рельсом, соединённым с её концами накладками, обрезку одного конца плети выполняют в период подготовительных работ до «окна» с принятием таких же мер безопасности, какие применяют и при временном восстановлении. Обрезку второго конца плети выполняют в «окно» на расстоянии от первого пропила (12,5-l), м после полного температурного перемещения концов плети, где l - запас на укладку и оплавление металла при сварке двух стыков, которые устанавливают при сварке контрольных образцов во время подготовки машины ПРСМ к работе на перегоне (l находится в пределах от 4 до 5 см).

После удаления вырезанной части плети вместе с временным рельсом, в плеть вваривается 12,5 - метровый рельс с таким же износом и такого же качества металла, как и рельсовая плеть.

Окончательное восстановление плети сваркой следует выполнять при температуре отличающейся от температуры закрепления на ˚С.

Первый стык рельса с плетью сваривают с подтягиванием рельса, второй (замыкающий) стык может выполняться как с полным раскреплением и подтягиванием привариваемой части плети (если её длина не более 120м), так и с предварительным изгибом (если длина привариваемой части плети более 120м).

.6.3.2 Сварка с подтягиванием привариваемой части плети

При сварке с подтягиванием короткую часть плети освобождают от закрепления отвёртыванием гаек клемных болтов на 9-10 оборотов и подкладывают под неё на подкладки амортизаторы через каждые 15шпал полиэтиленовые прокладки с малым коэффициентом трения и затем производят сварку.

2.6.3.3 Сварка с предварительным изгибом привариваемой плети

Рисунок 2.4 - схема изгиба плети при сварке с предварительным изгибом: А и В - места сварки; С и D - начало и конец изгиба плети

- направление движения ПРСМ;

- плеть не раскрепляется;

- вставка (12,5м);

- скрепления ослабляются;

- скрепления удаляются

При сварке с предварительным изгибом раскрепляется только часть плети. На участке длиной 5м от привариваемого конца плети гайки отвёртывают на несколько оборотов для облегчения продольного перемещения. Далее на участке длиной 40м клеммы полностью удаляют. Раскреплённую часть плети поднимают над ребордами подкладок и изгибают в горизонтальной плоскости на прямых участках в сторону оси пути, а на кривых - в наружную сторну кривой. Изгиб плети следует заканчивать, когда торец плети совпадает с торцом приваренной ранее рельсовой вставки.

В процессе сварки изогнутая часть плети выпрямляется под действием продольного усилия, создаваемого сварочной машиной. По окончании сварки плеть не должна занимать исходного положения - стрела остаточного изгиба должна оставаться в пределах 15-30см. Если остаточная стрела (наибольшее расстояние от внутреннего относительного изгиба плети края подошвы до наиболее удалённой от рельса реборды подкладки) выходит за указанные пределы, сварной стык должен быть забракован и вырезан из плети. Фактическая остаточная стрела изгиба должна быть записана сварщиком в сменный журнал.

После остывания замыкающего стыка (через 2-3 мин после окончания сварки) оставшуюся изогнутую часть рельсовой плети выпрямляют приложением поперечного усилия. Постановку клемм и закручивание гаек нужно выполнять в направлении от замыкающего сварного стыка.

Сдвиг раскреплённой части плети при её изгибе перед сваркой и при выправлении после сварки должен происходить по трём скользунам.

.6.3.4 Сварка рельсовых плетей при температуре рельсов ниже температуры их закрепления более чем на 5˚С

Если окончательное восстановление производится при температуре ниже температуры закрепления более чем на 5˚С, то плеть необходимо принудительно ввести в оптимальный режим температур с помощью ГНУ.

Рисунок 2.5 - Эпюра температурных сил в рельсовой плети в зоне производства работ без использования ГНУ (А и В - места сварки)

Величина температурной силы Ntв прилегающих учасках плети определяется по формуле

, (2.19)

где Δt - разность между температурой закрепления плети и температурой рельсов при производстве сварочных работ (окончательном восстановлении), ˚С.

Δt = tз - tок. восст.; (2.20)

Δt = 35 - 2 = 33˚С;

 Н.

Для создания продольной силы, равной Nt на участке фронта работ Lф, длина которого равна длине ввариваемой рельсовой вставки Lвст и участку плети, освобождаемому от закрепления для образования петли изгиба при сварке второго стыка Lсв, плеть необходимо растянуть на величину:

; (2.21)

0,0224м.

Для создания продольной силы равной Nt на прилегающих к фронту работ дышащих участках плети, необходимо дополнительное удлинение:

 (2.22)

где Lд - длина дышащего конца плети, определяемая по формуле

 (2.23)

м

м.

Для компенсации сжатия плети, возникающего при вправлении петли изгиба после окончания сварочных работ, потребуется ещё дополнительное удлинение:

(2.23)

где - остаточная стрела изгиба петли после окончания сварки второго стыка (=0,2 м);

а - длина хорды изогнутой части плети (а = 40 м);

 м.

Таким образом, общее необходимое для выравнивания продольных сил удлинение участка плети на месте производства работ определиться по формуле:

; (2.24)

0,04905м.

Так как участок фронта работ необходимо будет растягивать уже после сварки плети, то необходимо перед проведением сварочных работ создать на одном из прилегающих концов плети участок, растянутый с усилием большим, чем температурная сила с таким расчётом, чтобы после проведения сварочных работ использовать эту дополнительную растягивающую силу для введения участка фронта работ в расчётный температурный режим (рисунок 2.6).

Для создания такой дополнительной растягивающей продольной силы в прилегающей к первому свариваемому стыку части плети, её конец на протяжении Lр раскрепляется и ставится на ролики или скользящие пластины. Усилие Nгну с которым ГНУ должно растягивать конец плети определится по формуле

,(2.25)

где ΔN - дополнительное усилие, необходимое для создания растягивающей силы в прилегающей к первому стыку части плети, которое можно определить по формуле

; (2.26)

где Lр - длина раскрепления (Lр = 240м);

Н;

Н.

Перед натяжением раскреплённого конца плети необходимо для работы ГНУ создать анкерный участок на другом конце плети длиной не менее:

 (2.27)

м

Перед первичным раскреплением растягиваемой части плети на подошву рельса и подкладки наносятся через каждые 30м риски, определяющие смещение плети.

Рисунок 2.6 - Эпюра продольных сил в рельсовой плети при растяжении раскрепленного участка ГНУ

После того как раскрепленная часть плети будет растянута ГНУ и вновь закреплена, ГНУ снимается. При этом конец плети стремится вернуться назад, преодолевая погонное сопротивление закреплённой плети. Величина обратного смещения (отката) будет равна

; (2.28)

м.

Поэтому последнее контрольное сечение, совпадающее с концом растягиваемой плети в зоне первого свариваемого стыка, при натяжении плети ГНУ должно быть смещено на величину λк чтобы после закрепления плети, снятия ГНУ и отката конца плети оно оказалось смещёным на ΔL.

; (2.29)

м.

Для создания возможности растягивать плеть ГНУ на расчётную величину необходимо перед натяжением в первом стыке иметь достаточный зазор. Величина этого зазора перед первичным раскреплением плети должна быть не менее z:

 (2.30)

где Lа - уменьшение зазора в стыке при работе ГНУ за счёт деформации анкерного участка (Lа = Lотк = 0,0347м).

м.

При натяжении рельсовой плети ГНУ нулевой контрольное сечение (находящееся на границе зоны первичного раскрепления плети) сместится относительно его первоначального положения на величину λо, определяемую по формуле

 (2.31)

м

Промежуточные контрольные сечения соответственно сместятся на величинуλi, определяемую по формуле

 (2.32)

где аi - расстояние от нулевой контрольной точки до i -й.

Расчёт будем вести в виде таблицы

Таблица 2.2

Расчёт промежуточных перемещений

Номер сечения

Расстояние

Перемещение

1

30

0,0142

2

60

0,0224

3

90

0,0307

4

120

0,0389

5

150

0,0471


Контрольные сечения, находящиеся в зоне дышащего конца рельсовой плети, сместятся на величину

 (2.33)

Расчёт будем вести в виде таблицы

Таблица 2.3

Расчет перемещений в зоне дышащего участка

Номер сечения

Расстояние

Перемещение

6

180

0,0554

7

210

0,0667

8

240

0,0838


Когда будет сварен второй стык, эпюра продольных сил в рельсовой плети будет иметь вид, изображенный на рисунке 2.7.

Рисунок 2.7 - Эпюра продольных сил в рельсовой плети после снятия ГНУ и окончания работ по сварке плети (до раскрепления ранее растянутого участка)

После окончания сварочных работ ранее растянутый и затем закрепленный участок плети раскрепляется на длине Lр +ΔN/r и вновь ставится на ролики или скользящие пластины. При этом происходит перераспределение продольных сил с восстановлением заданного температурного режима на всём протяжении плети. Контрольное сечение в зоне первого сварного стыка должно сместиться в сторону своего первоначального положения, но не дойти до него на величину ΔL/2. Контрольные сечения, отстоящие от конца плети на расстоянии более Lд, должны вернуться на своё первоначальное положение. Это и будет контролем правильности сделанных расчётов и проведённых работ.

.7 Расчёт величины раскрытия зазора при изломе плети

Рисунок 2.8 -Эпюра температурных сил в случае излома плети

Продольная сила в плети

, (2.34)

где Δt - разность между температурой закрепления плети и температурой рельсов при изломе плети˚С

, (2.35)


Длина дышащих участков определяется по формуле

, (2.36)

где r - погонное сопротивление рельсов зимой (r = 24 кН/м).

Величина раскрытия зазора при изломе плети определяется по формуле

, (2.37)

 м.

Зазор находится в допускаемых пределах.

.8 Контроль напряженно деформированного состояния рельсовых плетей бесстыкового пути

С момента закрепления плетей при укладке должен быть организован постоянный контроль за усилием затяжки гаек клемных и закладных болтов и за продольными подвижками (угоном) плетей. На наличие угона указывают следы клемм на подошве рельсов, смещение подкладок по шпалам, взбугривание или неплотное прилегание балласта к боковым граням шпал и их перекос.

Контроль за угоном плетей осуществляется по смещениям контрольных сечений рельсовой плети относительно «маячных» шпал (рисунок 2.9). Эти сечения отмечают поперечными полосами шириной 10 мм, наносимыми светлой несмываемой краской на верх подошвы рельсов внутри колеи в створе с боковой гранью подкладки. Дополнительно точно в створе с подкладкой производится нанесение тонкой черты (риски) острым металлическим инструментом на подошве рельса.

В качестве «маячной» выбирается шпала напротив пикетного столбика. Её верх около рельса окрашивается яркой краской. Чтобы маячная шпала не смещалась, она должна быть хорошо подбита, закладные болты в ней затянуты, типовые клеммы заменены клеммами с уменьшенной высотой ножек, а резиновые прокладки - полиэтиленовыми или другими с низким коэффициентом трения.

Рисунок 2.9 - «Маячная» шпала для контроля угона пути: 1 - риска; 2 - линия совмещения риски с кромкой подкладки

Оборудование «маячных» шпал и нанесение рисок производится сразу же после закрепления плетей на постоянный режим работы.

При выполнении путевых работ должны осуществляться сохранение и контроль положения рисок относительно «маячных» шпал. Для этого необходимо до выполнения работ заменить прокладки и клеммы на типовые с сохранением положения риски относительно подкладки и обеспечить контроль за неподвижностью «маячной» шпалы относительно рельса при прохождении путевых машин. После завершения работ «маячная» шпала оборудуется вновь.

Если после обнаружения укорочения плети (смещение рисок «внутрь» контрольного 100-метрового участка) ожидается повышение температуры рельсов в прямых и кривых R ≥ 800 м более чем на 30˚С, а в кривых с меньшими радиусами более чем на 20˚С, то на период до выполнения регулировки напряжений ограничивается скорость движения до 40 км/ч.

Для регулировки напряжений плеть освобождают от закрепления, вывешивают на ролики или устанавливают на скользящие пары пластин из фторопласта, нафтлена, полиамида, нержавеющей стали и других материалов с малым коэффициентом трения или полиэтилена общей толщиной 8-10 мм, помещаемые поверх подрельсовых прокладок на каждой 15-й шпале. Освобождение участка плети начинают с растянутой зоны и последовательно продолжают в сторону сжатой.

Отклонение фактической температуры температуры закрепления на участке длинной плети от первоначальной определяется по формуле

, (2.38)

где ΔLi - измеренное фактическое удлинение или укорочение плети, мм;

L- расстояние между маячными шпалами, м.

, (2/39)

Где Δi - смещение плети в i-ом контрольном сечении.

Значение фактической температуры закрепления определяется по формуле

,(2.39)

где tз - температура предыдущего закрепления (при укладке плети или перераспределении напряжений в ней), ˚С.

Расчёт будем вести в табличной форме

Таблица 2.4

Расчёт фактической температуры закрепления участков рельсовой плети по данным наблюдений за перемещениями плети относительно маячных шпал

Номер маячной шпалы

tз, ˚С

Δi, мм

ΔLi, мм

Δti, ˚С

t0-i, ˚С

Примечания

1

2

3

4

5

6

7

1

35

+7



35


2

35

+12

5

4

39


3

35

+17

5

4

39


4

35

+4

-13

-11

24


5

35

+2

-2

-2

33


6

35

-6

-8

-7

28


7

35

-18

-12

-10

25


8

35

-25

-7

-6

29


9

35

-11

14

12

47


10

35

-1

10

9

44



Анализ полученных данных показывает, что после перемещений отдельных участков плети в результате его угона фактическая температура закрепления рельсовой плети t0не вышла за расчётные границы. Таким образом, полученные значения t0заносят в Паспорт карту и ими руководствуются при дальнейшей эксплуатации.

Рисунок 2.10 - Схема анализа результатов наблюдений за положением рельсовых плетей бесстыкового пути относительно «маячных» шпал

.9 Особенности производства работ по текущему содержанию и ремонту бесстыкового пути

Путевые ремонтные работы, связанные с временным ослаблением устойчивости рельсошпальной решётки против выброса, разрешается производить, если отклонение температуры рельсовых плетей от температуры их закрепления в течение всего периода не превышает значений, указанных в таблице 2.2 /1/.

В исключительных случаях, если необходимо производить неотложные работы, связанные с безопасностью движения поездов, при отклонениях температуры рельсовых плетей превышающих значения, приведённые в таблице 2.4 /1/, то до их начала необходимо разрядить температурные напряжения в соответствии с ТУ-2000.

Работы с применением щебнеочистительных, балластировочных, выправочных и стабилизирующих машин на участках бесстыкового пути производятся при отклонениях температуры рельсовых плетей от температуры их закрепления, не превышающих значений, указанных в таблице 2.5.

В исключительных случаях работы выполняются в утренние и вечерние часы или после снятия температурных напряжений в плетях в соответствии с ТУ-2000.

Похожие работы на - Расчет железнодорожного пути на прочность

 

Не нашли материал для своей работы?
Поможем написать уникальную работу
Без плагиата!
Без нейросетей!