Разработка международного маршрута перевозок грузов
Оглавление:
Введение
Исходные данные
1. Подвижной состав
1.1 Краткая история бренда
.2 Характеристика автомобиля-тягача с полуприцепом
.3 Технико-эксплуатационные параметры грузового
автомобиля-тягача
.4 Технико-эксплуатационные параметры грузового полуприцепа
1.5 Расчет фактической длины автопоезда
1.6. Расчет допустимой полной массы автопоезда
.7 Оснащенность автомобиля-тягача
1.7.1 Оснащенность устройствами контроля режимов труда
и отдыха
2. Перевозка грузов
2.1 Экспортное направление
2.1.1 Описание экспортного груза
.1.2 Код ТН ВЭД экспортного груза
.1.3 Упаковка экспортного груза
2.1.4 Способ укрупнения грузового
места экспортного груза
2.1.5 Расчет фактической массы груза и фактической
полной массы автопоезда в экспортном направлении
2.2 Импортное направление
2.2.1 Описание импортного груза
.2.2. Код ТН ВЭД импортного груза
.2.3 Упаковка импортного груза
.2.4 Способ укрупнения грузового места в импортном
направлении
.2.5 Расчет массы перевозимого груза и фактической
полной массы автопоезда в импортном направлении
2.3 Расчет фактических нагрузок на оси автопоезда
.4 Условия и ограничения в странах следования
2.5
Техническое устройство для погрузки-разгрузки
3. Построение маршрута
.1 Карты маршрутов
.2 Расчет транспортных эксплуатационных показателей для
автомобильного маршрута
. Разработка режимов труда и отдыха водителей
. Документация
5.1 В экспортном направлении
5.2 В импортном направлении
Заключение
Источники информации
Введение
В курсовой работе разрабатывается международный маршрут для перемещения
двух видов груза в экспортном и импортном направлении. В экспортном направлении
везется фасованное подсолнечное масло из г. Подольска в г. Шверин (Германия), в
импортном направлении из г. Вайльбург (Германия) в г. Видное перевозится
оборудование для предприятий и пищевой промышленности. Для данной перевозки
используется определенный подвижной состав, а именно грузовой авомобиль-тягач Renault-Magnum 440.19 TZ1 с
грузовым полуприцепом Renders NH4G31 (тентовый).
В курсовой работе мы будем рассматривать все этапы разработки маршрута,
основываясь на особенности подвижного состава, маршрута и груза. При этом
учитывать нормы труда и отдыха водителей и особенности перемещения по разным
странам, так как наш маршрут будет проходить по Белоруссии, Польше и Германии.
При верном анализе всех этих составляющих маршрут будет разработан
максимально оптимальным и удовлетворяющим всем потребностям клиента.
Исходные данные
Таблица 1.
Исходные данные
|
Страна
|
Груз
|
Тип маршрута
|
АТС
|
|
Германия
|
Экспорт
|
Импорт
|
Автомобильный
|
Автомобиль-тягач
|
Полуприцеп
|
|
Подсолнечное масло
(фасованное)
|
Оборудование для
предприятий и пищевой промышленности
|
|
Renault-Magnum 440.19 TZ1
|
Модель
|
Тип
|
|
|
|
|
|
Renders NH4G31
|
Тентовый
|
|
Адрес погрузки
|
Адрес разгрузки
|
Адрес погрузки
|
Адрес разгрузки
|
|
|
|
|
|
г. Подольск (склад)
|
г. Шверин (Германия)
|
г.Вайльбург (Германия)
|
г.Видное
|
|
|
|
|
1. Подвижной состав
На первом этапе мы рассмотрим подвижной состав, на котором будет
осуществляться перемещение груза. Полученные характеристики нашего автомобиля
тягача Renault-Magnum 440.19 TZ1 с
грузовым полуприцепом Renders NH4G31 помогут на втором этапе при
анализе груза понять какое оптимальное количество груза возможно перевезти по
маршруту. Так же полученные данные будут необходимы при рассмотрении
особенностей перевозок по странам маршрута.
.1 Краткая история бренда
Компания
Renault - одна из самых больших государственных компаний во
Франции, специализирующаяся на производстве грузовых и легковых машин.
Штаб-квартира этой компании расположена под Парижем, в городе Булонь-Бийанкур.
А началось всё с изготовленной в 1898 году Луи Рено авто
<#"604038.files/image001.gif">
Рисунок 1. Фото автомобиля-тягача Renault-Magnum
440.19 TZ1
Рисунок 2. Фото полуприцепа Renders NH4G31
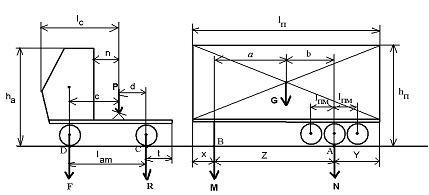
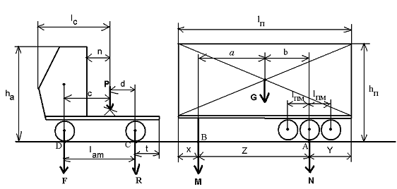
На рисунке 3 схематично представлен автопоезд с
обозначением на нем основных размеров (расшифровка и значения приведены в
таблицах 1 и 2) и нагрузок.
Рисунок 3. Схема автопоезда в составе автомобиля-тягача и полуприцепа
G -
сила тяжести полуприцепа;
P -
сила тяжести, действующая на опорно-сцепное устройство;
F -
масса, приходящаяся на переднюю ось автомобиля-тягача;
R -
масса, приходящаяся на заднюю ось автомобиля-тягача;
N -
масса, приходящаяся на тележку полуприцепа;
M -
масса, приходящаяся на седельно-сцепное устройство.
.3 Технико-эксплуатационные параметры грузового автомобиля-тягача
Таблица 2.
Сводная таблица технико-эксплуатационных параметров автомобиля-тягача
Renault-Magnum 440.19 TZ1
|
№
|
Наименование параметров
|
Условн. обознач.
|
Ед-цы измер.
|
Знач-я парам.
|
|
1
|
Колесная формула
|
-
|
-
|
4*2
|
|
2
|
Класс двигателя
|
Евро
|
-
|
3
|
|
3
|
Мощность двигателя
|
Na
|
квт(л.с)
|
324(441)*
|
|
4
|
Снаряженная масса, в том числе: · На переднюю ось · На заднюю ось
|
mac mac(1) mac(2)
|
кг кг кг
|
7518 4910 2608
|
|
5
|
Допустимая полная масса, в том числе: · На перед. ось ·
На заднюю ось
|
mап mап(1) mап(2)
|
кг кг кг
|
20100 7500 12600
|
|
6
|
Допустимая нарузка на ссу
(седельно-сцепное устройство
|
maccy
|
кг
|
11602(12582)*
|
|
7
|
Максимальная скорость
|
Vконстр
|
км/ч
|
85 с огр.
|
|
8
|
Радиус поворота
|
Ra
|
м
|
-
|
|
9
|
Объем топливных баков
|
Vбак
|
л
|
550(доп 270)
|
|
10
|
Типоразмер шин
|
-
|
-
|
315/70R22,5
|
|
11
|
Базовая норма расхода
топлива
|
Hбаз
|
л/100км
|
18,9
|
|
12
|
Год выпуска
|
-
|
-
|
2005
|
|
13
|
Стоимость на 01.03.2012 г. · Данной модели и данного года выпуска · Аналогичной
модели 2011-2012 годы выпуска
|
Ца Ца
|
руб. руб.
|
1690000 3600000
|
|
14
|
Основные размеры:
Габаритная длина Габаритная ширина Габаритная высота Межосевое расстояние От
ссу до передней точки От ссу до передней оси От ссу до задней оси От от ссу
до кабины От задней оси до задней точки
|
la ba ha lам lc с d n t
|
м м м м м м м м м
|
5,937 2,044 3,764 4,120
4,500 3,430 0,690 2,070 0,747
|
*- допускается конструкцией
1.4 Технико-эксплуатационные параметры грузового полуприцепа
Таблица 3.
Сводная таблица технико-эксплуатационных параметров полуприцепа Renders
NH4G31
|
№
|
Наименование параметров
|
Условн. обозн.
|
Ед-цы измер.
|
Знач-я парам.
|
|
1
|
Тип полуприцепа
|
-
|
-
|
Тентовый
|
|
2
|
Снаряженная масса в т.ч · На тележку полуприцепа · На ссу
|
mпс
mпс(тел) mпс(ссу)
|
Кг Кг Кг
|
6890 4800 2090
|
|
3
|
Допустимая полная масса, в
т.ч · На тележку п-п · На ссу
|
mпп mпп(тел) mпп(ссу)
|
Кг Кг Кг
|
36000 12000 24000
|
|
4
|
Грузоподъемность
|
q
|
Кг
|
29110
|
|
5
|
Габаритные размеры · Длина · Ширина · Высота
|
lп bп
hп
|
М М М
|
13,670
2,550 4,000
|
|
6
|
Внутренние размеры · Длина · Ширина · Высота
|
lвн bвн
hвн
|
М М М
|
13,070 2,040 2,620
|
|
7
|
Погрузочная высота
|
hпогр
|
М
|
1,280
|
|
8
|
Тип шин
|
|
|
385/65R22.5
|
|
9
|
Объем грузового
пространства
|
Vкуз
|
м3
|
90
|
|
10
|
Год выпуска
|
-
|
-
|
1997
|
|
11
|
Стоимость на 01.03.2012 г. · Данной модели и данного года выпуска · Аналогичной
модели 2011-2012 годы выпуска
|
Ца Ца
|
Руб руб
|
266 600 отсутствуют
|
|
12
|
Основные размеры: От
грузозахватного штифта до центра тяж. От средней оси до ц. тяж. Между осями
тележки От грузозахват.штифта до передней точки От средней оси до задней
точки Между средней осью и грузозахв.штифтом
|
la lb lпм X Y Z
|
М М М М М М
|
4,800 2,950 1,310 1,670 4,250
7,750
|
1.5 Расчет фактической длины автопоезда
Lфакт=lc + lп - х = 4500+13670-1670=16500 (м) (См. рис.4).
Вывод: по действующим в РФ габаритным ограничениям максимальная длина
автопоезда в составе тягача и прицепа (полуприцепа) не должна превышать 20 м.
Таким образом, фактическая длина данного автопоезда соответствует допустимой.
Она также соответствует международным стандартам (т.к. в странах Европы
ограничения по длине начинаются с 18 м).
.6 Расчет допустимой полной массы автопоезда
Mпавтоп=ma+mп+=7518+36000=43518 кг,
где Mпавтоп - допустимая полная масса автопоезда.
Рисунок 4. Схема автопоезда для расчета его фактической длины
Вывод: по действующим в РФ весовым ограничениям максимальная масса
автопоезда в составе тягача и прицепа (полуприцепа) не должна превышать 40 т.
Таким образом, данный автопоезд не соответствует российским нормативам и не
может использоваться в пределах РФ. Кроме того он не соответствует весовым
нормативам в большинстве европейских стран.
1.7 Оснащенность автомобиля-тягача
Внутреннее оборудование: Внутренняя высота по всей кабине 1,87 м.
Трансформируемое исполнение кабины "MULTIPASS",возможность легкой
трансформации внутреннего пространства в зависимости от желания водителя
(вождение, ожидание, отдых, прием пищи и т.д.). Охлаждаемое место для бутылок.
Поперечная полка сзади сидений водителя и пассажира. 2 светильника на гибком
основании. 2 светильника с изменяемой величиной освещения для водительского
места. Задний выдвижной столик. Места для хранения вещей. Сиденье CONFORT с
ремнем безопасности и подлокотником. Поворотное кресло пассажира с подножкой
для ног, исполнение SOLO, велюровая обивка сидений. Верхняя кушетка с
раздельными матрасами и ремнями. Шторка, отделяющая рабочую зону от зоны
отдыха. Холодильник с выдвижным ящиком. Пространство для общения рядом со
вспомогательным столиком, включая: Пепельница, прикуриватель.
Приборная панель: Электронный указатель с аналоговым табло (тахометр,
указатель оборотов с выделением зоны экономичной работы, измеритель топлива,
давления воздуха, температуры охлаждающей жидкости, давления и уровня масла),
функциональные и аварийные сигнальные лампочки, цифровое информационное табло
(вывод на экран информации о работе радио, часов, внешней температуре в
соответствии с вариантом исполнения или опциями), центральная часть,
позволяющая отображать общий и текущий пробег, потребление топлива, аварийные и
диагностические сигналы.
Электронный реостат освещения приборной панели. Противоугонная блокировка
на рулевом управлении. Розетка электрическая 12 В + 24 В для дополнительного
оборудования.
Электростеклоомыватели.
Солнцезащитные козырьки с электроуправлением на несколько положений на
лобовом стекле и боковых стеклах, образующих шторку по периметру 180°.
Программируемый воздушно-водный автономный отопитель + подогрев
двигателя. Кондиционер, управляющий системой отопления или кондиционирование
воздуха в зависимости от температуры. Термическая изоляция.
1.7.1 Оснащенность устройствами контроля режимов труда и
отдыха
Для контроля режимов труда и отдыха в автотранспортном средстве
установлен тахограф.
Тахограф - контрольное устройство для
непрерывной регистрации пройденного пути и скорости движения, времени работы и
отдыха водителя (пункт 1 Постановления Правительства Российской Федерации от
03.08.96 N 922; Собрание законодательства Российской Федерации, 12.08.96, N 33,
ст. 3996).
Согласно правилам ЕСТР на международных перевозках тахографами оснащаются
все транспортные средства, предназначенные для перевозки грузов общей массой
свыше 3,5 тонн
Рисунок 5. Тахограф
2. Перевозка грузов
2.1 Экспортное направление
2.1.1 Описание экспортного груза
Растительное масло относится к тем пищевым продуктам, которые
не создают проблем при перевозке, поэтому она и не представляет никакой сложности.
Вместе с этим, данный товар относится к категории пищевых продуктов, к которым
применяются санитарные правила, требования Положения о поставках товаров
народного потребления и некоторых других уставов и инструкций. Подсолнечное
масло можно транспортировать любым видом транспорта соответственно требованиям
законодательства и условиями, обозначенными в договоре на поставку продукции.
Согласно Техническим условиям, ГОСТ 1129-93 (01.01.1997),
Межгосударственный стандарт:
2.4.2 Подсолнечное масло фасуют:
• массой нетто 500 и 700 г в стеклянные бутылки по ГОСТ 10117, типов VII
и IX;
• массой нетто 470, 575 и 1000 г в бутылки из окрашенных (или
неокрашенных) полимерных материалов, разрешенных к применению органами
государственного санитарно-эпидемиологического надзора»*. В нашем случае это бутылки из
полимерных материалов, массой нетто 920г, размерами: высота=290мм,диаметр=70мм.
Допустимые отклонения от массы нетто в граммах:
• ± 10 при фасовании 1000 г;
• ± 5 при фасовании от 470 до 750 г включительно.
.4.3 Бутылки из полимерных материалов укупоривают колпачками из
полиэтилена высокого давления низкой плотности по нормативно-технической
документации или заваривают.
2.4.4 Бутылки с подсолнечным маслом упаковывают в деревянные
многооборотные ящики по ГОСТ 11354 и пластмассовые многооборотные ящики для
бутылок по нормативной документации»*. Мы везем бутылки из
полимерных материалов, которые упаковывают также в ящики из гофрированного
картона по ГОСТ 13516.
2.5 Маркировка
2.5.1 На каждую бутылку с подсолнечным маслом должна быть наклеена
красочно оформленная
этикетка, на которую наносят маркировку, содержащую:
• наименование предприятия-изготовителя, его товарный знак;
• вид, сорт, марку масла;
• массу нетто, г;
• дату розлива;
• содержание жира в 100 г масла;
• калорийность 100 г продукта (рафинированного - 899 ккал,
нерафинированного и гидратированного - 898 ккал);
• гарантийный срок хранения;
• обозначение настоящего стандарта.
Маркировку способом тиснения наносят непосредственно на бутылку из
полимерных материалов.
Дату розлива подсолнечного масла проставляют компостером или штампом на
этикетке, тиснением на колпачке или любым другим способом, обеспечивающим
четкое ее обозначение, в том числе лазером.
2.5.2 На каждую упаковочную единицу с маслом дополнительно наносят
маркировку, характеризующую продукцию:
• наименование предприятия-изготовителя, его местонахождение и его
товарный знак,
• вид, сорт и марку масла;
• количество бутылок в единице упаковки или массу нетто для нефасованного
масла;
• дату налива для бочек и фляг или дату розлива для бутылок;
• обозначение настоящего стандарта.
2.5.3 Маркировка транспортной тары - по ГОСТ 14192 с нанесением
манипуляционных знаков: “Беречь от нагрева” и “Беречь от влаги”»*.
Бутылки из полимерных материалов.
Размеры:
· высота=29 см=290 мм;
· диаметр=7 см=70мм;
o масса нетто=1л/ 920 г;
o масса пустой бутылки=25 г;
o масса брутто =945 г=0,945 кг
Рисунок 6. Подсолнечное масло в бутылке
2.1.2 Код ТН ВЭД экспортного груза
Товарная номенклатура
внешнеэкономической деятельности- 1512119109
2.1.3 Упаковка экспортного груза
Мы везем бутылки из полимерных
материалов, которые упаковывают в ящики из гофрированного картона (рис.7) по
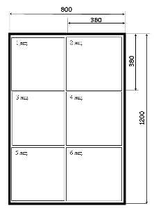
ГОСТ 13511-2006. Размер ящика из гофрированного картона (табл.4).
Таблица 4.
Размер ящика из гофрированного
картона
|
Обозначение ящика
|
Внутренние размеры ящика,
мм
|
Вместимость дм3
|
Предельная масса
упакованной продукции в ящике, кг
|
|
длина
|
ширина
|
высота
|
|
|
|
14
|
380
|
380
|
342
|
49,4
|
20
|

Рисунок 7. Ящик из гофрированного
картона
В один ящик мы укладываем 20 бутылок (5×4).
Узнаем вес одного ящика = mбут*nбут+mсобств.ящ=20×0,945+1=19,9
кг.
2.1.4 Способ укрупнения грузового
места экспортного груза
Ящики из гофрированного картона мы
укладываем на поддоны: гaбaритные размеры европоддона: 800 x 1200 x 145 мм.
Мaксимальнaя разрешенная
грузоподъемность европоддона = 1500 кг;
Собственная масса не более 40 кг
(ГОСТ 9557-87)
Рисунок 8. Схема европоддона 1200*800*145 мм
Первый ярус поддона вмещает 6 ящиков.
Вес одного яруса=nящ*mящ= 6*19,9=119,4 кг.
Если рассматривать наш автопоезд в составе автомобиля-тягача
Renault-Magnum 440.19 TZ1 и грузового полуприцепа Renders NH4G31 (тентовый), то
по высоте в кузов автомобиля влезет около 7 ярусов (= 2620/342). По нормативно-правовыми документами разрешается
укладка ящиков на поддоны, количество таких ярусов не может быть больше пяти.
поддон в 5 ярусов является одним грузовым местом, который должен быть
обернут стрейч пленкой для защиты и устойчивости.
Стрейч плёнка (от англ. stretch - растягиваться) - это современный
прозрачный растягивающийся полимер с самосклеивающимися слоями. Стрейч пленка
изготавливается из линейного полиэтилена низкой плотности и может
использоваться для паллетирования, групповой и индивидуальной упаковки товаров.
Это очень легкий и экономичный упаковочный материал.
Рисунок 9. Схема укладки груза в гофроящик 380×380×342.
Масштаб 1:20
Рисунок 10. Схема укладки единиц груза при формировании укрупненных
грузовых мест на поддонах 1200×800×145. Масштаб 1:10.
Рисунок 10.1. Схема размещения укрупненных грузовых мест в кузове АТС
.1.5 Расчет фактической массы груза и фактической полной массы автопоезда
в экспортном направлении
5 ярусов= nяр*hкор+hподдона= 5*342+ 145=1855 мм (по высоте проходит 1855<2620)
Вес одного грузового места: mбрутто подд=mяр*nяр+mпод= 119,4*5+40=637 кг
В кузов автомобиля помещается: 10(в длину)*2(в
ширину)+ 1=21 поддон
Вес всего груза, в кузове полуприцепа:
mбрутто общ. =nгруз.мест*mбрутто 1 груз.места=21*637=13377 кг
Грузоподъемность автомобиля=29110 кг.
Коэффициент использования
грузоподъемности=13377/29110=0,46 (не очень эффективный, следует использовать
подвижной состав другой марки и других размеров, для более эффективного
использования грузоподъемности).
Получившаяся масса автопоезда: Масса перевозимого груза в полуприцепе Mгр =13377 кг,
масса тягача снаряженная mтягснар=7518 кг,
масса полуприцепа снаряженная mппснар =6890 кг.
Фактическая полная масса автопоезда:
Mгр+mтягснар+mппснар=13377+7518+6890=27785 кг
Допустимая полная масса автопоезда( из пункта 2.4): m= =43518 кг
Выводы:
1)Фактическая полная масса автопоезда (27785 кг) не превышает допустимую
полную массу автопоезда (43518 кг).
Рисунок 11. Схема автопоезда с указанием допустимых значений массы и
габаритных размером автопоезда по странам ЕС и СНГ
) Фактическая полная масса автопоезда с нашим грузом будет разрешена к
перевозке во всех странах СНГ и ЕС, потому что не превышает допустимые
значения.
.2 Импортное направление
2.2.1 Описание импортного груза
Оборудование для предприятия пищевой промышленности. Машина для нанесения
желе серии SPRAY GEL VP (рис.12).
Данная машина предназначена для нанесения желеобразных масс прямо из
упаковки. Оснащена новой автоматической системой дозирования.
Электромеханическая панель управления. Регулировка температуры до 95°С.
Регулировка давления от 2,5-3,0 до 5,5 бар. Оснащена датчиком наличия продукта.
Температура сопла и продукта будут поддерживаться в заданном режиме. Сопла
взаимозаменяемые. Не требуют горячей воды или масла для разогрева продукта.
Выполнены полностью из нержавеющей стали. Модель оснащена одним пистолетом для
декорирования. Производительность 225 циклов/мин. Технико-эксплуатационные
показатели оборудования представлены в таблице 5.
Рисунок 12. Машина для нанесения желе серии SPRAY GEL VP
Таблица 5.
Технико-эксплуатационные характеристики оборудования
|
№
|
Параметр
|
Значение параметра
|
|
1
|
Длина
|
450 мм
|
|
2
|
Ширина
|
420 мм
|
|
3
|
Высота
|
1100 мм
|
|
4
|
Напряжение
|
220 В
|
|
5
|
Мощность
|
2700 Вт
|
|
6
|
Вес
|
70 кг
|
2.2.2 Код ТН ВЭД импортного груза
8438200000- оборудование для кондитерской промышленности, производства
какао-порошка или шоколада.
Рисунок 13. Фанерный ящик
Далее ящики укладываем на поддоны:
o гaбaритные размеры европоддона: 1200x 1000 x 150 мм (рис.
13);
o мaксимальнaя разрешенная грузоподъемность европоддона = 1500
кг;
o собственная масса 20 кг (ГОСТ 9557-87)
Рисунок 14. Схема европоддона 1200*1000*150 мм
Вес одного ящика с грузом: mгр брутто= m гр + mящ =70 кг+7 кг=77 кг
2.2.4 Способ укрупнения грузового места в импортном направлении
На 1 поддон укладываем транспортный пакет, состоящий из 4 ящиков,
уложенных в 1, поскольку высота транспортного пакета на европоддоне не должна
превышать 1800 мм, а высота одного нашего ящика составляет 1150 мм.
Для скрепления пакета используем стальную упаковочную ленту. Для пакета
массой свыше 0,5 применим стальную ленту шириной 0,5 мм и шириной 20 мм (по
ГОСТ 26663-85).
При формировании пакетов с использованием в качестве средств скрепления
ленты (проволоки) применяют обвязки, как указано на рис. 14 (по ГОСТ 26663-85):
вертикальные - по длинной (короткой) стороне поддона;
горизонтальные - по периметру ряда.
Рисунок 15. Крепление транспортного пакета стальной упаковочной лентой. 1
- средство пакетирования; 2 - груз; 3 - вертикальная обвязка; 4 -
горизонтальная обвязка
Рисунок 16. Схема укладки единиц груза при формировании укрупненных
грузовых мест: а) вид сверху; б), в) - вид сбоку
.2.5 Расчет массы перевозимого груза и фактической полной массы
автопоезда в импортном направлении
Рассматривая наш автопоезд в составе автомобиля-тягача Renault-Magnum
440.19 TZ1 и грузового полуприцепа Renders NH4G31 (тентовый), получаем:
Масса транспортного пакета: mтр пак = nящ на поддоне * mгр брутто = 4*77=
308 кг
Масса транспортного пакета с поддоном: mтр пак c поддоном = m тр пак +
mподдона =308+20=328 кг.
Количество ящиков по высоте, которые можно разместить в полуприцепе,
равно 2, но поскольку транспортные пакеты грузим в 1 ярус, то загружаем
полуприцеп в два уровня как показано на рис. 16.1.Б. При этом в каждом уровне
умещается по 21 поддону (см. рис.16.1.А).
Масса перевозимого груза в полуприцепе: Mгр=nподдонов *nуровней * mтр
пак c
поддоном
=21*2*328=13776 кг.
Коэффициент
использования грузоподъемности:
=13776/29110=0,47
(т.к. грузоподъемность автомобиля=29110 кг). Следовательно, данный полуприцеп
является неэффективным с точки зрения грузоподъемности. Рекомендуется применить
иной подвижной состав (например, меньшей грузоподъемности).
Тогда
получаем:
Масса перевозимого груза в полуприцепе Mгр =13776 кг,
масса тягача снаряженная mтягснар=7518 кг,
масса полуприцепа снаряженная mппснар =6890 кг.
Фактическая полная масса автопоезда Mгр+ mтягснар + mппснар =13776+7518+6890=28184 кг
Допустимая полная масса автопоезда: m=43518 кг
Выводы:
) Фактическая полная масса автопоезда
(28184 кг) не превышает допустимую полную массу автопоезда (43518 кг).
) Фактическая полная масса автопоезда с
грузом допустима к перевозке во всех странах СНГ и ЕС, поскольку не превышает
допустимые значения (рис.11
Рисунок 16.1. Схемы размещения
укрупненных грузовых мест в кузове АТС: а) вид
сверху; б) вид сбоку
2.3 Расчет
фактических нагрузок на оси автопоезда
Рисунок 17. Схема автопоезда в составе автомобиля-тягача и полуприцепа
На рисунке 17 схематично представлен автопоезд с обозначением на нем
основных размеров (расшифровка и значения приведены в таблицах 2 и 3) и
нагрузок, где:
G -
сила тяжести полуприцепа;
P -
сила тяжести, действующая на опорно-сцепное устройство;
F -
масса, приходящаяся на переднюю ось автомобиля-тягача;
R -
масса, приходящаяся на заднюю ось автомобиля-тягача;
N -
масса, приходящаяся на тележку полуприцепа;
M -
масса, приходящаяся на седельно-сцепное устройство.
Для полуприцепа в экспортном направлении:
P= mпс(ссу) +G*(b/Z)=2090+13377*(2950/7750)=7182 кг,
N =mпс(тел)+G*(a/Z)=4800+13377*(4800/7750)=13085 кг, N1=N2=N3=N/3=4362 кг (т.к. 3 оси)
Для тягача в экспортном направлении:
F= mac(1)+ P*(d/lam)=4910+7182*(690/4120)=6113
кг,= maс(2)+ P*(c/lam)=2608+7182*(3430/4120)=8587
кг.
Для полуприцепа в импортном направлении:
P= mпс(ссу) +G*(b/Z)=2090+13776*(2950/7750)=7334 кг,
N =mпс(тел)+G*(a/Z)=4800+13776*(4800/7750)=13332
кг, N1=N2=N3=N/3=4444
Для тягача в импортном направлении:
F= mac(1)+ P*(d/lam)=4910+7334*(690/4120)=6138
кг,= maс(2)+ P*(c/lam)=2608+7334*(3430/4120)=8714
кг
2.4 Условия и ограничения в странах следования
|
Россия
|
Беларусь
|
Польша
|
Германия
|
|
Ограничение скорости
движения автотранспортных средств (км/ч)
|
В городах и населенных
пунктах 60 Вне населенных пунктов: для грузовых автотранспортных средств
полной массой более 3,5 т 70 На автомагистралях: для грузовых АТС полной
массой более 3,5 т 90
|
В городах и населенных
пунктах 60 Вне населенных пунктов: для грузовых АТС полной массой более 3,5
т 70 На автомагистралях: для грузовых АТС полной массой более 3,5 т
90
|
В городах и населенных
пунктах 60 Вне населенных пунктов: грузовые автотранспортные средства более
3,5 т 70 На дорогах с четырьмя полосами движения (в двух направлениях):
грузовые автотранспортные средства более 3,5 т 80 На автомагистралях:
грузовые автотранспортные средства более 3,5 т 80
|
В городах и населенных
пунктах 50 Вне населенных пунктов для грузовых автотранспортных средств с
допустимой полной массой от 2,8 до 7,5 т 80 более 7,5 т 60 На дорогах с
четырьмя полосами движения (в двух направлениях) для грузовых
автотранспортных средств с допустимой полной массой от 2,8 до 7,5 т 80
более 7,5 т 60 На автомагистралях для грузовых автомобилей с допустимой
полной массой более 2,8 т 80
|
|
Допустимые габариты (м):
|
Ширина 2,55 для
авторефрижераторов 2,60 Высота 4,00 Длина: тягач с полуприцепом 20,00
автопоезд
|
Ширина 2,55 для
авторефрижераторов Высота 4,00 Длина: грузового автомобиля 12,00
прицепа 12,00 автопоезда 20,00 Если длина груза превышает длину
автотранспортного средства на два метра и более, то это автотранспортное
средство относится к категорий крупногабаритных.
|
Ширина: для всех АТС,
кроме рефрижераторов 2,50 для авторефрижераторов 2,60 Высота для всех
автомобилей 4,00 Длина: грузовой автомобиль, прицеп 12,0 тягач с
полуприцепом 16,50 автопоезд 18,75
|
Ширина Все АТС, кроме
рефрижераторов 2,55 Высота для всех автомобилей 4,00 Длина грузовой
автомобиль, прицеп 12,00 тягач с полуприцепом 16,50 автопоезд 18,75 Для
автопоезда обязательно дополнительное условие: максимальное расстояние между
передней внешней точкой грузового отсека за кабиной и задней внешней точкой
прицепа не должно превышать 16,40 м, и это расстояние минус расстояние между
тыловой частью тягача и передней частью не должно превышать 15,65 м.
|
|
Допустимая полная масса
(т):
|
автотранспортное средство:
с двумя осями и расстоянием между осями не менее 3,0 м 18,00 с тремя осями и
расстоянием между самыми отдаленными осями не менее 4,5 м 25,00 с четырьмя
осями и расстоянием между самыми отдаленным осями не менее 7,5 м 30,00 тягач
с полуприцепом: с тремя осями и расстоянием между самыми отдаленными осями
не менее 8,0 м 28,00 с четырьмя осями и расстоянием между самыми отдаленными
осями не менее 11,2 м 36,00 с пятью и более осями и расстоянием между самыми
отдаленными осями не менее 12,2 м 38,00 автопоезд: с тремя осями и
расстоянием между самыми отдаленными осями не менее 10,0 м 28,00 с четырьмя
осями и расстоянием между самыми отдаленными осями не менее 11,2 м 36,00 с
пятью и более осями и расстоянием между самыми отдаленными осями не менее
12,2 м 38,00
|
Грузовой автомобиль:
двухосный 18,0 трехосный 24,0 четырехосный автомобиль с двумя ведущими
осями, 32,0 Прицеп: двухосный 18,0 трехосный 24,0 Седельный
автопоезд: двухосный тягач с двухосным полуприцепом при расстоянии между
осями полуприцепа от 1,3 м до 1,8 м включительно 36,0 двухосный тягач с
двухосным полуприцепом при расстоянии между осями полуприцепа свыше 1,8 м
38,0 двухосный тягач с трехосным полуприцепом 38,0 трехосный тягач с
двухосным полуприцепом 38,0 трехосный тягач с трехосным полуприцепом 38,0
Прицепной автопоезд: двухосный грузовой автомобиль с двухосным полуприцепом
36,0 другие прицепные автопоезда 38,0
|
автотранспортное средство,
прицеп: с двумя осями 16,00 с тремя осями 24,00 с тремя и более осями
32,00 тягач с полуприцепом: с тремя осями 22,00 с четырьмя осями 32,00 с
пятью/шестью осями 42,00 автопоезд: с четырьмя осями 32,00 с пятью/ шестью
осями 42,00
|
Автотранспортное средство
с двумя осями 18,0 с тремя и более осями 25,0 с тремя и более осями с
закрепленной сдвоенной осью 26,0 с двумя закрепленными сдвоенными осями
32,0 Прицеп с двумя осями 18,0 с тремя и более осями 24,0 Тягач с
полуприцепом с тремя осями 28,0 с четырьмя (2+2) осями с расстоянием между
осями полуприцепа не менее 1,30 м 36,0 с четырьмя (2+2) осями с пневматической
или эквивалентной ей подвеской и расстояние между осями полуприцепа свыше
1,80 м 38,0 с четырьмя осями, кроме тех, что упомянуты выше 35,0 с
пятью/шестью (2+3, 3+2/3) осями 40,0 с пятью и более осями при смешанных
автоперевозках (в т.ч. транспортировка сорокафутовых контейнеров ISO) 44,0
Автопоезд с тремя осями 28,0 с четырьмя осями (2+2) 36,0 с четырьмя осями,
кроме (2+2) 35,0 с пятью/шестью (2+3, 3+2/3) осями 40,0 с пятью и более
осями при смешанных автоперевозках (в т.ч. транспортировка сорокафутовых
контейнеров ISO) 44,0
|
|
Ограничение движения
|
Отсутствуют ограничения
движения по праздничным и выходным дням.
|
Ограничений на движение
автотранспортных средств в воскресные и праздничные дни нет. Ежегодно, в
зависимости от уровня паводковых вод весной ограничивается осевая нагрузка
для грузовых АТС на ряде второстепенных автодорог.
|
На грузовые автомобили с
максимально разрешенным весом более 12 т: в предпраздничные дни - с 18.00 до
22.00. в праздничные дни - с 07.00 до 22.00; с 1 июля по 31 августа по
пятницам с 18.00 до 22.00, по субботам - с 7.00 до 14.00, по воскресеньям - с
7.00 до 22.00; с 1 по 31 июня и с 1 по 31 сентября по воскресеньям - с 7.00
до 22.00. Летом, когда высокая температура может вызвать повреждение
дорожного полотна, для грузовых автомобилей с разрешенной массой более 12 т
могут вводиться временные (с 11.00 до 23.00) ограничения на передвижение по
всей стране или в определенных местностях. Есть исключения (транспорт,
используемый при ликвидации последствий стихийных бедствий; - транспорт,
перевозящий животных или скоропортящиеся продукты и тд)
|
В воскресные и праздничные
дни с 00.00 до 22.00 запрещается движение грузовых автотранспортных средств с
общим весом более 7,5 т и грузовых автомобилей с прицепами по всей территории
Германии. Кроме того, с 1 июля по 31 августа запрещено движение грузовых
автотранспортных средств весом более 7,5 т и грузовых автомобилей с прицепами
по субботам с 7.00 до 22.00 на особо напряженных участках дорог. Есть
исключения. На некоторых дорогах ограничено движение в ночное время, что
обозначено соответствующими дорожными знаками
|
.5. Техническое устройство для погрузки-разгрузки
При перевозках на поддонах отдельные грузовые места укладываются на них
таким образом, чтобы можно было проверить количество без нарушения их положения
на поддоне и крепления (за исключением ящичных закрытых поддонов, перевозимых
за пломбами грузоотправителя).
Для погрузки и разгрузки поддонов будем использовать дизельный вилочный
погрузчик Hyndai 15D/18D/20DA-7E

Рисунок 18. Погрузчик Hyndai
15D/18D/20DA-7E
Таблица 6.
Технико-эксплуатационные характеристики погрузчика
|
№
|
Показатель
|
Значение
|
|
1
|
Наименование модели
|
15D-7E
|
|
2
|
Грузоподъемность, кг.
|
1500
|
|
3
|
Высота подъема, мм.
|
3327
|
|
4
|
Габаритная длина, мм.
|
3124
|
|
5
|
Габаритная ширина, мм
|
1067
|
|
6
|
Длина вил, мм
|
900
|
|
7
|
Ширина прохода с поддоном
1000х1200 (поперек), мм
|
3579
|
|
8
|
Ширина прохода с поддоном
800х1200 (вдоль), мм
|
3780
|
|
9
|
Радиус поворота, мм
|
1984
|
|
10
|
Двигатель
|
Kubota V2203
|
|
11
|
Мощность двигателя, кВт
|
30.8
|

Рисунок 19. Схема погрузки-разгрузки
При погрузке штучных грузов продолжительность цикла погрузки Tц складывается из времени:
) наклона грузоподъемной рамы вперед для заводки вил под груз - 10 - 15
сек;
) разворота погрузчика на 90° - 6 - 8 сек, на 180° - 10 ~ 15 сек;
) движения погрузчика с грузом;
) установки рамы грузоподъемника в вертикальное положение с грузом на
вилах - 2 - 3 сек;
) подъема груза на необходимую высоту;
) укладки груза в штабель - 5 ~ 8 сек;
) отклонения рамы грузоподъемника назад с кареткой без груза - 2 - 3сек;
) спуска порожней каретки;
) разворота без груза;
) холостого хода погрузчика;
) переключения рычагов - 6 - 8 сек
То есть время погрузки одной грузовой единицы равно
15+15+120+3+15+8+3+15+15+120+8=329 сек= 5,5 мин
Количество грузовых единиц 21, следовательно, время погрузки в полуприцеп
равно 21*5,5=115,5 мин=1,93 ч
С учетом оформления документации, медосмотра водителя, технического
осмотра автопоезда и прочих подготовительных операций время погрузки составит 1
сутки.
Операция разгрузки полностью повторяет погрузку, только в ином порядке.
Таким образом, время разгрузки одной грузовой единицы составляет так же 5,5
минут, однако количество выгружаемых грузовых единиц составляет 42,
следовательно, время разгрузки полуприцепа 42*5,5=231 мин=3,85 ч
С учетом сдачи документации и прочих заключительных операций время
разгрузки составит 1 сутки.
автопоезд груз перевозка маршрут
3. Построение маршрута
Таблица 7.
Пробеги по территории стран для автомобильного маршрута
|
Пробеги по территории
стран, км
|
Итого протяженность
маршрута, км
|
|
Россия
|
Беларусь
|
Польша
|
Германия
|
Итого
|
|
|
Экспортное направление,
всего в том числе:
|
572
|
653
|
727
|
315
|
2267
|
2267
|
|
груженый
|
517
|
653
|
727
|
315
|
2212
|
|
|
порожний
|
55
|
-
|
-
|
-
|
55
|
|
|
Импортное направление,
всего в том числе:
|
554
|
667
|
695
|
1243
|
3159
|
3159
|
|
груженый
|
505
|
667
|
695
|
643
|
2510
|
|
|
порожний
|
49
|
-
|
-
|
600
|
649
|
|
|
Итого в том числе:
|
1126
|
1320
|
1422
|
1558
|
5426
|
5426
|
|
груженый
|
1022
|
1320
|
1422
|
|
4722
|
|
|
порожний
|
104
|
-
|
-
|
600
|
704
|
|
Таблица 8.
Пункты автомобильного маршрута в экспортном направлении с указанием
действий, производимых в них
|
Пункт маршрута
|
Действия, производимые в
пункте
|
Расстояние от начала
|
Длина участка
|
Время участка
|
Страна
|
|
Москва (ул.Василия Петушкова,
д.3)
|
Выезд автомобиля со стоянки
|
0 км
|
55 км
|
01:00
|
Россия
|
|
Подольск
|
Погрузка 1 сутки (с учетом
отдыха 11 ч)
|
55 км
|
|
|
|
|
|
|
240 км
|
04:21
|
|
|
Вязьма
|
Отдых 45 мин
|
295 км
|
|
|
|
|
|
|
168 км
|
03:03
|
|
|
Смоленск
|
|
463 км
|
|
|
|
|
|
|
90 км
|
01:38
|
|
|
Красный
|
Отдых 12 ч
|
553 км
|
|
|
|
|
Погранпереход 3 ч
|
|
19 км
|
03:21
|
|
|
Ляды
|
|
572 км
|
|
|
Беларусь
|
|
|
|
51 км
|
00:56
|
|
|
Орша
|
|
623 км
|
|
|
|
|
|
|
227 км
|
04:01
|
|
|
Минск
|
Отдых 45 мин
|
850 км
|
|
|
|
|
|
|
150 км
|
02:44
|
|
|
Барановичи
|
|
1000 км
|
|
|
|
|
|
|
110 км
|
02:00
|
|
|
Береза
|
Заправка 20 мин, отдых 12 ч
|
1110 км
|
|
|
|
|
|
|
110 км
|
02:00
|
|
|
Брест
|
Погранпереход 6 ч
|
1220 км
|
|
|
|
|
|
|
5 км
|
06:05
|
|
|
Тересполь
|
|
1225 км
|
|
|
Польша
|
|
|
|
192 км
|
03:29
|
|
|
Варшава
|
|
1417 км
|
|
|
|
|
|
|
63 км
|
01:09
|
|
|
Плоньск
|
Отдых 11 ч
|
1480 км
|
|
|
|
|
|
|
255 км
|
04:38
|
|
|
Вонгровец
|
Отдых 45 мин
|
1735 км
|
|
|
|
|
|
|
214 км
|
03:53
|
|
|
Слубице
|
Погранпереход 1 ч
|
1949 км
|
|
|
|
|
|
|
3 км
|
01:03
|
|
|
Франкфурт-на-Одере
|
|
1952 км
|
|
|
Германия
|
|
|
|
100 км
|
01:49
|
|
|
Марцан-Хеллередорф
|
Отдых 11 ч
|
2052 км
|
|
|
|
|
|
|
215 км
|
03:54
|
|
|
Шверин
|
Выгрузка и сдача
документации 1 сутки (с учетом отдыха 11 ч)
|
2267 км
|
|
|
|
Таблица 9.
Пункты автомобильного маршрута в импортном направлении с указанием
действий, производимых в них
|
Пункт маршрута
|
Действия, производимые в
пункте
|
Расстояние от начала
|
Длина участка
|
Время участка
|
Страна
|
|
Шверин
|
|
0 км
|
280 км
|
05:04
|
Германия
|
|
Хильдесхайм
|
Отдых 45 мин
|
280 км
|
|
|
|
|
|
|
140 км
|
02:32
|
|
|
Кассель
|
|
420 км
|
|
|
|
|
|
|
180 км
|
03:16
|
|
|
Вайлбург
|
Отдых 12 ч, погрузка и
оформление документов 1 сутки
|
600 км
|
|
|
|
|
|
|
130 км
|
02:21
|
|
|
Бад-Херсфельд
|
|
730 км
|
|
|
|
|
|
|
149 км
|
02:43
|
|
|
Йена
|
Отдых 45 мин
|
879 км
|
|
|
|
|
|
|
141 км
|
02:34
|
|
|
Дессау-Рослау
|
Заправка 20 мин
|
1020 км
|
|
|
|
|
|
|
100 км
|
01:49
|
|
|
Потсдам
|
Отдых 11 ч
|
1120 км
|
|
|
|
|
|
|
120 км
|
02:11
|
|
|
Франкфурт-на-Одере
|
1240 км
|
|
|
|
|
|
|
3 км
|
01:03
|
|
|
Слубице
|
|
1243 км
|
|
|
Польша
|
|
|
|
137 км
|
02:29
|
|
|
Куслин
|
Отдых 45 мин
|
1380 км
|
|
|
|
|
|
|
255 км
|
04:38
|
|
|
Гловно
|
Отдых 12 ч
|
1635 км
|
|
|
|
|
|
|
106 км
|
01:56
|
|
|
Варшава
|
|
1741 км
|
|
|
|
|
|
|
155 км
|
02:49
|
|
|
Бяла-Подляска
|
Отдых 45 мин
|
1896 км
|
|
|
|
|
|
|
37 км
|
40 мин
|
|
|
Тирасполь
|
Погранпереход 6 ч
|
1933 км
|
|
|
|
|
|
|
5 км
|
06:05
|
|
|
Брест
|
|
1938 км
|
|
|
Беларусь
|
|
Отдых 12 ч
|
|
220 км
|
04:00
|
|
|
Барановичи
|
Заправка 20 мин, отдых 45
мин
|
2158 км
|
|
|
|
|
|
|
150 км
|
02:44
|
|
|
Минск
|
|
2308 км
|
|
|
|
|
|
|
124 км
|
01:40
|
|
|
Гливино
|
Отдых 11 ч
|
2432 км
|
|
|
|
|
|
|
103 км
|
01:52
|
|
|
Орша
|
|
2535 км
|
|
|
|
|
|
|
51 км
|
00:56
|
|
|
Ляды
|
Погранпереход 3 ч
|
2586 км
|
|
|
|
|
|
|
19 км
|
03:21
|
|
|
Красный
|
|
2605 км
|
|
|
Россия
|
|
|
|
90 км
|
01:38
|
|
|
Смоленск
|
Отдых 12 ч
|
2695 км
|
|
|
|
|
|
|
168 км
|
03:03
|
|
|
Вязьма
|
|
2863 км
|
|
|
|
|
|
|
105 км
|
01:45
|
|
|
Ельня
|
Отдых 45 мин
|
2968 км
|
|
|
|
|
|
|
142 км
|
02:35
|
|
|
Видное
|
Разгрузка и сдача
документов 1 сутки
|
3110 км
|
|
|
|
|
|
|
49 км
|
00:53
|
|
|
Москва (ул.Василия
Петушкова, д.3)
|
Постановка автомобиля на
место стоянки
|
3159 км
|
|
|
|
3.1 Карты маршрутов
Рисунок 20. Карта автомобильного маршрута в экспортном направлении
Рисунок 21. Карта автомобильного маршрута в импортном направлении
Таблица 10.
Пробеги по территории стран для автомобильного маршрута
|
Пробеги по территории
стран, км
|
Итого протяженность
маршрута, км
|
|
Россия
|
Беларусь
|
Польша
|
Германия
|
Итого
|
|
|
Экспортное направление,
всего в том числе:
|
572
|
653
|
727
|
315
|
2267
|
2267
|
|
груженый
|
517
|
653
|
727
|
315
|
2212
|
|
|
порожний
|
55
|
-
|
-
|
-
|
55
|
|
|
Импортное направление,
всего в том числе:
|
554
|
667
|
695
|
1243
|
3159
|
3159
|
|
груженый
|
505
|
667
|
695
|
643
|
2510
|
|
|
порожний
|
49
|
-
|
-
|
600
|
649
|
|
|
Итого в том числе:
|
1126
|
1320
|
1422
|
1558
|
5426
|
5426
|
|
груженый
|
1022
|
1320
|
1422
|
|
4722
|
|
|
порожний
|
104
|
-
|
-
|
600
|
704
|
|
.2 Расчет транспортных эксплуатационных показателей для автомобильного
маршрута
1. Время оборотного рейса
[сут],
-время
погрузки в экспортном направлении,
=9 ч (по
ЕСТР),
=55 км/ч,
-
суммарные простои в пунктах пропуска заграницу в экспортном направлении,
-время
погрузки,
-время
разгрузки.
=24/24+2267/(55*9)+(10+24+24)/24+3159/(55*9)+(10+24)/24=15,8
сут
[сут],
-откорректированное
время оборота.
.
Продолжительность доставки экспортного груза.
[ч],
-
продолжительность доставки экспортного груза,
-длина
маршрута доставки экспортного груза.
.
.
Продолжительность доставки импортного груза.
[ч],
-
продолжительность доставки экспортного груза,
-длина
маршрута доставки экспортного груза.
.
4. Нормируемый расход топлива автопоездом.
[л],
-нормируемый
расход топлива,- объем транспортной работы, т км:
W
= Gгр*Sгр (где Gгр - масса груза, т, Sгр - пробег с грузом, км)
- норма
расхода топлив на транспортную работу, л/100 т км,
-норма
расхода топлива на пробег автопоезда в снаряженном состоянии без груза,
л/100км,
-надбавка
в % к расходу топлива,
-скидки в
% к расходу топлива.
По
Распоряжение Минтранса РФ от 14 марта 2008 г. N АМ-23-р
"О
введении в действие методических рекомендаций "Нормы расхода топлив и
смазочных материалов на автомобильном транспорте". Для нашего автомобиля
расход:Magnum 18,9 л/100 км.
,
-базовая
норма расхода топлива, л/100км,
-снаряженная
масса полуприцепа, т,
-расход
топлива, приходящийся на каждую тонну массы полуприцепа.
л/100ткм,
примем его равным 1,2 л,
=18,9
л/100 км (для автомобиля-тягача Renault).
.=13,377*2212+13,776*2510=29590+34577,8=64167,7
ткм
•
Кн - надбавки (По Распоряжение Минтранса РФ от 14 марта
2008 г.)
Нормы
расхода топлив повышаются при следующих условиях:
Работа
автотранспорта в городах с населением:
от
100 до 250 тыс. человек - до 10%;
Для
автомобилей, находящихся в эксплуатации более 5 лет с общим пробегом более 100
тыс.км- до 5%;
Следовательно,
надбавки =10+5=15%
•
Ко-скидки (По Распоряжение Минтранса РФ от 14 марта 2008 г.)
В
нашем случае никакие скидки не применяются
.
Средняя норма расхода топлива за оборотный рейс автопоезда.
=Qн/Lобщ=2580,6/5426=0,48
л/км
.Статический
коэффициент использования грузоподъемности автопоезда.
-фактическая
масса перевозимого груза, кг,
-номинальная
грузоподъемность, кг.
,
.
.
Коэффициент использования пробега за оборот автопоезда.
.
Транспортная работа за оборот
автопоезда.=13,377*2212+13,776*2510=29590+34577,8=64167,7 ткм
.
Расчетное годовое количество оборотных рейсов автопоезда.
,
-количество
дней в году,
-коэффициент
выпуска автомобилей на линию.
=365 дн,
=0,8.
Таблица 11.
Технико-эксплуатационные показатели автомобильного маршрута
|
№
|
Наименование показателей
|
Условное обозначение
|
Единица измерения
|
Значения по маршруту
|
|
|
|
|
Автомобильный
|
|
1
|
Грузоподъемность автопоезда
|
q
|
т
|
29,110
|
|
2
|
Груз экспортного направления
|
|
|
Подсолнечное масло
фасованное
|
|
3
|
Масса груза экспортного
направления
|
m
|
т
|
13,377
|
|
4
|
Груз импортного направления
|
-
|
-
|
Оборудование для
предприятия пищевой промышленности. Машина для нанесения желе серии SPRAY GEL VP
|
|
5
|
Масса груза импортного
направления
|
m
|
т
|
13,776
|
|
6
|
Статический коэффициент
использования грузоподъемности АТС:
|
-
|
-
|
-
|
|
- в экспортном направлении
|
γэ сг
|
-
|
0,46
|
|
- в импортном направлении
|
γи сг
|
-
|
0,47
|
|
7
|
Коэффициент использования
пробега за оборот
|
βоб
|
-
|
0,87
|
|
8
|
Протяженность маршрутов в
экспортном направлении
|
-
|
км
|
2267
|
|
9
|
Протяженность маршрутов в
импортном направлении
|
-
|
км
|
3159
|
|
10
|
Пробег АТС с грузом в
экспортном направлении
|
-
|
Км
|
2212
|
|
11
|
Пробег АТС с грузом в
импортном направлении
|
-
|
Км
|
2510
|
|
12
|
Пробег АТС без груза в
экспортном направлении
|
-
|
Км
|
55
|
|
13
|
Пробег АТС без груза в
импортном направлении
|
-
|
Км
|
649
|
|
14
|
Суммарный пробег автопоезда
за оборот по маршруту
|
-
|
км
|
5426
|
|
15
|
Объем перевозок грузов за
оборот АТС
|
-
|
Т
|
27,153
|
|
16
|
Транспортная работа за
оборот АТС
|
-
|
ткм
|
64167,7
|
|
17
|
Продолжительность одной
погрузки/разгрузки, в том числе оформление всех провозных и таможенных
документов
|
-
|
ч
|
24
|
|
18
|
Количество погрузок в
экспортном направлении
|
-
|
-
|
1
|
|
19
|
Количество разгрузок в
экспортном направлении
|
-
|
-
|
1
|
|
20
|
Количество погрузок в
импортном направлении
|
-
|
-
|
1
|
|
21
|
Количество разгрузок в
импортном направлении
|
-
|
-
|
1
|
|
22
|
Суммарная продолжительность
погранпереходов в экспортном направлении
|
-
|
ч
|
10
|
|
23
|
Суммарная продолжительность
погранпереходов в импортном направлении
|
ч
|
10
|
|
24
|
Продолжительность
оборотного рейса автопоезда
|
-
|
сут
|
15,8
|
|
25
|
Коэффициент выпуска
подвижного состава на линию
|
-
|
-
|
0,8
|
|
26
|
Расчетное годовое
количество оборотных рейсов автопоезда
|
-
|
-
|
57
|
|
27
|
Нормируемый расход топлива
за оборотный рейс автопоезда
|
-
|
л
|
2537,8
|
|
28
|
Средняя норма расхода
топлива на км пробега за оборот
|
-
|
л/км
|
0,47
|
|
29
|
Продолжительность обработки
грузов в порту
|
-
|
сут
|
-
|
|
30
|
Количество портов обработки
грузов при перевозке в экспортном направлении
|
-
|
-
|
-
|
|
31
|
Количество портов обработки
грузов при перевозках в импортном направлении
|
-
|
-
|
-
|
|
32
|
Продолжительность доставки
грузов по иностранной территории на участках:
|
-
|
-
|
-
|
|
- порт-грузополучатель
|
-
|
ч
|
-
|
|
- грузоотправитель-порт
|
-
|
ч
|
-
|
|
33
|
Протяженность судоходной
линии в одном направлении
|
-
|
км
|
-
|
|
34
|
Продолжительность морской
доставки грузов в одном направлении
|
-
|
ч
|
-
|
|
35
|
Продолжительность доставки
грузов от грузоотправителя к грузополучателю:
|
-
|
-
|
-
|
|
- в экспортном направлении
|
-
|
сут
|
6,5
|
|
- в импортном направлении
|
-
|
сут
|
8,3
|
4. Разработка режимов труда и отдыха водителей
Анализ причин дорожно-транспортных происшествий свидетельствует о том,
что уровень безопасности дорожного движения в первую очередь зависит от
соблюдения водителями оптимальных норм времени управления автомобилем и отдыха,
а так же безопасных скоростных режимов движения. Комитетом по внутреннему
транспорту ЕЭК ООН в целях повышения безопасности дорожного движения при
выполнении международных перевозок были выработаны положения, определяющие
требования к возрасту и квалификации водительского персонала, нормы времени
труда и отдыха водителей и обеспечение эффективного контроля за их исполнением
с помощью бортовых контрольных устройств. Все эти положения были закреплены
"Европейским соглашением, касающимся работы экипажей транспортных средств,
осуществляющих международные автомобильные перевозки" (ЕСТР), к которому
Россия присоединилась в 1978 году.
Согласно Европейскому Соглашению, касающееся работы экипажей транспортных
средств, производящих международные автомобильные перевозки существует основные
требования, которые изложены ниже:
Пункт 1.3. Продолжительность управления
1.3.2. Ежедневная продолжительность управления автотранспортным средством
не должна превышать девяти часов. Она может быть увеличена дважды в течение
любой одной недели до 10 часов.
.3.3. Общая продолжительность управления автотранспортным средством в
течение любых двух недель не должна превышать 90 часов.
1.4. Перерывы
1.4.1. После непрерывного управления автотранспортным средством в течение
четырех с половиной часов водитель должен сделать перерыв не менее, чем на 45
минут, если не наступает период отдыха.
.4.2. Этот перерыв может быть заменен перерывами продолжительностью не
менее 15 минут каждый, распределяемыми в течение периода управления так, чтобы
в сумме они составляли не менее 45 минут.
.4.3. В течение этих перерывов водитель не должен выполнять никакой
другой работы.
.4.4. Перерывы не могут рассматриваться в качестве периодов ежедневного
отдыха.
1.5. Продолжительность отдыха
1.5.1. В течение каждых 24 часов водитель должен иметь непрерывный
ежедневный отдых продолжительностью не менее 11 часов. Этот отдых может быть
сокращен до 9 часов не более трех раз в течение одной недели при условии, что
до конца следующей недели ему предоставляется соответствующий отдых в качестве
компенсации. В те дни, когда продолжительность отдыха не сокращается, он может
быть разбит на два или три отдельных периода в течение 24 часов, один из
которых должен составлять не менее 8 часов подряд. В этом случае
продолжительность отдыха увеличивается не менее, чем до 12 часов.
.5.2. Если в течение каждых 30 часов автотранспортным средством управляли
по крайней мере два водителя, каждый водитель должен иметь период отдыха
продолжительностью не менее 8 часов подряд.
.5.3. Ежедневный период отдыха может использоваться на автотранспортном средстве,
если на нем имеется спальное место и это автотранспортное средство находится на
стоянке.
1.5.4. При международных перевозках грузов или пассажиров в тех случаях,
когда водитель на участке маршрута сопровождает автотранспортное средство,
перевозимое на пароме или по железной дороге, он должен располагать спальным
местом и его ежедневный отдых может прерываться не более одного раза. Этот
перерыв не должен превышать 1 часа до погрузки или после выгрузки. При этом таможенные формальности включаются в
операции по погрузке или выгрузке, а прерываемый ежедневный период отдыха
увеличивается на два часа.
1.5.5. В течение каждой рабочей недели (с 00.00 часов понедельника до
24.00 часов воскресенья) водитель должен иметь еженедельный отдых, который
должен составлять 45 последовательных часов. Этот период отдыха может быть
сокращен до 36 часов, если он используется в месте приписки транспортного
средства или в месте приписки водителя или до 24 часов, если он пользуется в
любом другом месте. Любое сокращение продолжительности отдыха должно быть
компенсировано предоставлением соответствующего времени отдыха в течение трех
недель.
.5.6. Еженедельный отдых может быть отложен до конца шестого дня после
шести ежедневных периодов управления автотранспортным средством; если общая
продолжительность управления в течение этих дней не превышает максимального
времени, соответствующего шести ежедневным периодам управления.
.5.7. При международных пассажирских перевозках, за исключением перевозок
по регулярным линиям, еженедельный отдых может быть отложен соответственно до
конца двенадцатого дня после двенадцати ежедневных периодов управления
автотранспортным средством.
.5.8. Любой отдых, используемый в качестве компенсации за сокращение
ежедневного и еженедельного отдыха должен присоединяться к другому периоду
отдыха продолжительностью не менее 8 часов и предоставляться по просьбе
водителя в месте стоянки автотранспортного средства или приписки водителя.
Учитывая данные положения составляется график труда и отдыха водителей.
Таблица 12.
График труда и отдыха водителя автомобильного маршрута
|
Дата
|
Время начала
технологической операции
|
Наименование
технологической операции
|
Продолжительность
технологической операции, час
|
Пробег в течение
технологической операции, км
|
Итого
|
|
|
|
|
|
Продолжительность, ч
|
Пробег, км
|
|
10.03.12
|
09:00
|
Подготовительно-заключительный
|
0,5
|
-
|
0,5
|
-
|
|
09:30
|
Нулевой пробег
|
1
|
55
|
1,5
|
55
|
|
10:30
|
Погрузка (отдых
водителя ежедневный )
|
22,5
|
-
|
24
|
55
|
|
11.03.12
|
09:00
|
Груженый пробег до 45 мин
отдыха
|
4,4
|
240
|
4,4
|
295
|
|
13:24
|
45 мин отдых
|
0,75
|
-
|
5,15
|
295
|
|
14:09
|
Груженый пробег до
ежедневного отдыха
|
4,7
|
258
|
9,85
|
553
|
|
18:51
|
Ежедневный отдых
|
14,15
|
-
|
24
|
553
|
|
12.03.12
|
09:00
|
Груженый пробег до пп
|
0,34
|
19
|
0,34
|
572
|
|
09:20
|
Таможенное оформление на пп
|
2,21
|
-
|
3,34
|
572
|
|
11:33
|
Груженый пробег до 45 мин
отдыха
|
5
|
278
|
8,14
|
850
|
|
16:33
|
45 мин отдых
|
0,75
|
-
|
8,89
|
850
|
|
17:18
|
Груженый пробег до
ежедневного отдыха
|
4,07
|
260
|
12,96
|
1110
|
|
22:00
|
Ежедневный отдых
|
11,04
|
-
|
24
|
1110
|
|
13.03.12
|
09:00
|
Груженый пробег до пп
|
2
|
115
|
2
|
1225
|
|
11:00
|
Таможенное оформление на пп
|
6
|
-
|
8
|
1225
|
|
17:00
|
Груженый пробег до
ежедневного отдыха
|
4,6
|
255
|
12,6
|
1480
|
|
21:36
|
Ежедневный отдых
|
11,4
|
-
|
24
|
1480
|
|
14.03.12
|
09:00
|
Груженый пробег до 45 мин
отдыха
|
4,6
|
255
|
4,6
|
1735
|
|
13:36
|
45 мин отдых
|
0,75
|
-
|
5,35
|
1735
|
|
14:21
|
Груженый пробег до пп
|
3,9
|
214
|
9,25
|
1949
|
|
18:15
|
Таможенное оформление на пп
|
1
|
-
|
10,25
|
1949
|
|
19:15
|
Груженый пробег до
еженедельного отдыха 45 ч
|
1,9
|
103
|
12,15
|
2052
|
|
14.03.12
|
21:09
|
Еженедельный отдых 45 ч
|
11,85
|
-
|
24
|
2052
|
|
15.03.12
|
09:00
|
Продолжение еженедельного
отдыха 45 ч
|
24
|
-
|
24
|
2052
|
|
16.03.12
|
09:00
|
Продолжение еженедельного
отдыха 45 ч
|
9,15
|
-
|
9,15
|
2052
|
|
18:09
|
Груженый пробег до пункта
выгрузки
|
3,85
|
215
|
13
|
2267
|
|
21:03
|
Отдых водителя ежедневный
|
11
|
-
|
24
|
2267
|
|
17.03.12
|
09:00
|
Выгрузка и сдача
документации
|
11,95
|
-
|
24
|
2267
|
|
18.03.12
|
09:00
|
Холостой пробег до 45 мин
отдых
|
5,1
|
280
|
5,1
|
2547
|
|
14:06
|
45 мин отдых
|
0,75
|
-
|
5,85
|
2547
|
|
14:51
|
Холостой пробег до пункта
погрузки
|
5,8
|
320
|
11,65
|
2867
|
|
20:39
|
Отдых водителя ежедневный
|
12,35
|
-
|
24
|
2867
|
|
19.03.12
|
09:00
|
Погрузка
|
24
|
-
|
24
|
2867
|
|
20.03.12
|
09:00
|
Груженый пробег до 45 мин
отдыха
|
5,1
|
279
|
5,1
|
3146
|
|
14:06
|
45 мин отдых
|
0,75
|
-
|
5,85
|
-
|
|
14:51
|
Груженый пробег до
ежедневного отдыха
|
4,4
|
241
|
10,25
|
3387
|
|
19:15
|
Ежедневный отдых
|
13,85
|
-
|
24
|
3387
|
|
21.03.12
|
09:00
|
Груженый пробег до пп
|
2,2
|
123
|
2,2
|
3510
|
|
11:12
|
Таможенное оформление на пп
|
1
|
3,2
|
3510
|
|
12:12
|
Груженый пробег до 45 мин
отдыха
|
2,5
|
137
|
5,7
|
3647
|
|
14:42
|
45 мин отдых
|
0,75
|
-
|
6,45
|
3647
|
|
14:57
|
Груженый пробег до
ежедневного отдыха
|
4,6
|
255
|
11,05
|
3929
|
|
19:33
|
Ежедневный отдых
|
12,55
|
-
|
24
|
3929
|
|
22.03.12
|
09:00
|
Груженый пробег до 45 мин
отдыха
|
4,7
|
261
|
4,7
|
4190
|
|
13:42
|
Груженый пробег до пп
|
0,7
|
37
|
5,4
|
4227
|
|
14:24
|
Таможенное оформление на пп
|
6
|
-
|
11,4
|
4227
|
|
20:24
|
Груженый пробег до
ежедневного отдыха
|
0,09
|
5
|
11,49
|
4232
|
|
20:29
|
Ежедневный отдых
|
12,51
|
-
|
24
|
4232
|
|
23.03.12
|
09:00
|
Груженый пробег до 45 мин
отдыха
|
4
|
220
|
4
|
4452
|
|
13:00
|
45 мин отдых
|
0,75
|
-
|
4,75
|
4452
|
|
13:45
|
Груженый пробег до
еженедельного отдыха 45 ч
|
5
|
274
|
9,75
|
4726
|
|
18:45
|
Еженедельный отдых 45 ч
|
14,25
|
-
|
24
|
4726
|
|
24.03.12
|
09:00
|
Продолжение еженедельного
отдыха
|
24
|
-
|
24
|
4726
|
|
25.03.12
|
09:00
|
Продолжение еженедельного
отдыха
|
6,75
|
-
|
6,75
|
4726
|
|
15:45
|
Груженый пробег до пп
|
2,8
|
154
|
8,55
|
4880
|
|
18:33
|
Таможенное оформление на пп
|
3
|
-
|
11,55
|
4880
|
|
21:33
|
Груженый пробег до
ежедневного отдыха
|
2
|
109
|
12,55
|
4989
|
|
23:33
|
Ежедневный отдых
|
11,05
|
-
|
24
|
4989
|
|
26.03.12
|
09:00
|
Груженый пробег до 45 мин
отдыха
|
5
|
273
|
5
|
5262
|
|
|
45 мин отдых
|
0,75
|
-
|
5,75
|
5262
|
|
|
Груженый пробег до пункта
выгрузки
|
2,6
|
142
|
8,35
|
5404
|
|
|
Отдых водителя ежедневный
|
15,65
|
-
|
24
|
5404
|
|
27.03.12
|
|
Выгрузка и сдача
документации
|
22,6
|
-
|
22,6
|
5404
|
|
|
Нулевой пробег
|
0,9
|
49
|
23,5
|
5453
|
|
|
Подготовительно-заключительный
|
0,5
|
-
|
24
|
5453
|
5. Документация
5.1 В экспортном направлении
1. Внешнеторговый документ, являющийся основанием для поставки товара -
Контракт, Соглашение или Договор (далее Соглашение) со всеми дополнениями и
изменениями - копия, заверенная печатью Покупателя на каждом листе.
. Паспорт сделки, оригинал или копия, заверенная печатью Генерального
Директора и Главного бухгалтера;
. Счет-фактура, отправляемая с грузом, данные в которой должны совпадать
с условиями Соглашения - оригинал, заверенный печатью Генерального директора и
Главного бухгалтера;
. Перевод счета-фактуры (если она составлена на иностранном языке) -
копия, заверенная печатью организации;
. Документы, подтверждающие происхождение товара (копии, заверенные
печатью организации);
. Документы, подтверждающие классификацию товара - код ТН ВЭД (копии,
заверенные печатью организации):
· указания на характеристики физического объекта - размеры,
диаметры, толщины, длины и т.д.;
· указания на область применения и функциональные назначения;
· для вещества необходимы указания на химические
характеристики;
· для приборов, станков и прочих устройств необходимы указания
на мощность, силу тока, давление, и т.д. (в паспортах, технических описаниях
или рекламных материалах на изделие);
. Документы для подтверждения таможенной стоимости, в них входит
счет-фактура и спецификация на партию товаров (копии, заверенные печатью
организации);
. Документы, предъявляемые при контроле за товарами со стороны других
государственных органов (кроме таможенных):
· лицензия Министерства торговли РФ, если товар подлежит
лицензированию;
· разрешение или отказное письмо соответствующих органов, если
товар может классифицироваться с двойным назначением;
· разрешение органов Министерства сельского хозяйства при
вывозе продукции растительного происхождения (Импортное карантинное разрешение)
или животного происхождения (Ветеринарное разрешение на вывоз сырья);
· сертификат соответствия (подтверждения безопасности).
. Документы, подтверждающие уплату таможенных платежей либо обеспечение
уплаты таможенных платежей (оригиналы с банковских документов):
· платежное поручение;
· заявление на перевод, при оплате в валюте;
· квитанция, при оплате наличными деньгами.
. Документ контроля за доставкой товара автотранспортом (ДКД, книжка
МДП);
. Товарно-транспортные документы:
· коносамент (расписка капитана), при поставке груза морским
транспортом;
· международная автомобильная накладная (CMR), при поставке
груза автомобильным транспортом;
· товарно-транспортная накладная (внутрироссийская), иногда
используется при перемещении товара в пределах стран СНГ вместо CMR.
. Упаковочный лист
. Документы на лицо, декларирующее груз в таможенных органах:
· оригинал доверенности установленной формы;
· копию приказа о приеме на работу доверенного лица;
· копию паспорта доверенного лица.
5.2 В импортном направлении
1. Контракт (оригинал + 2 ксерокопии, заверенные печатью
фирмы-получателя) оформленный в соответствии с "Требованиями к
контракту".
.Копия паспорта импортной сделки заверенная банком + копия, заверенная
покупателем.
. Товаро-сопроводительные документы на прибывший груз, а также
счет-фактура (инвойс), в котором указываются реквизиты продавца, покупателя,
номер контракта, ценовые характеристики товара, условия поставки (все данные
должны совпадать с условиями контракта).
. Перевод счета-фактуры (инвойса), прибывшего с грузом, заверенный
печатью фирмы.
. Сертификаты, лицензии, другие разрешительные документы (если
требуются).
. Оригинал платежного поручения об оплате таможенных платежей, либо
документ подтверждающий оплату таможенных платежей.
. Сведения об упаковке, весе и количестве мест на ожидаемую партию груза
по каждому наименованию товара (упаковочные листы).
. Прочие документы в соответствии с условиями контракта и поставки.
Например:
коносамент (при морских перевозках);
документ о страховке груза;
документ о предоплате;
прочее.
. Документы для подтверждения таможенной стоимости:
транспортные и страховые документы, если они имеются в зависимости от
условий поставки;
счет за транспортировку или официально заверенную калькуляцию
транспортных расходов в случаях, когда транспортные расходы не были включены в
счет-фактуру.
В качестве дополнительных сведений таможенным органом могут быть
затребованы следующие документы:
· таможенную декларацию страны отправления, заверенную
отправителем;
· контракты с третьими лицами, имеющие отношение к сделке;
· счета за платежи третьим лицам в пользу продавца;
· счета за комиссионные, брокерские услуги, имеющие отношение к
сделке с оцениваемым товаром;
· бухгалтерская документация;
· лицензионные или авторские соглашения;
· экспортные (импортные) лицензии;
· складские квитанции;
· заказы на поставку;
· каталоги, спецификации, прейскуранты цен (прайс листы)
фирм-изготовителей;
· калькуляцию фирмы-изготовителя на оцениваемый товар (если
фирма согласна ее представить российскому покупателю);
· коммерческие, таможенные и платежные документы, относящиеся к
сделкам с идентичными или однородными товарами, счета, накладные, калькуляция,
прейскурант изготовителя.
· другие документы, которые могут быть использованы для
подтверждения сведений, заявленных в декларации таможенной стоимости.
Заключение
Результатом проделанной работы является организованный международный
маршрут перевозки грузов Подольск-Шверин-Вайльбург-Видное.
Основные итоги:
o Для заданного подвижного состава автомобиль тягач
Renault-Magnum 440.19 TZ1 с грузовым полуприцепом Renders NH4G31 отражены
основные тэп параметры.
o Учтены необходимые условия и требования для перевозки
экспортного (подсолнечное масло) и импортного (оборудование для предприятий и
пищевой промышленности) груза. Описан способ укрупнения грузового места и
размещения его в кузове АТС.
o Проложен маршрут, на котором отмечены все остановки,
пограничные переходы и другие основные пункты.
o В работе были учтены все требования ЕСТР, а именно
установление тахографа и соблюдение режимов труда и отдыха водителей. А так же
требования и ограничения транзитных стран.
o Отражена необходимая документация для международной
перевозки.
Был произведен расчет транспортных эксплуатационных показателей, которые
показывают рациональность маршрута.
Основными показателями эффективности данной перевозки является
статический коэффициент использования грузоподъемности автопоезда
γ=0,47 и
коэффициент использования пробега за оборот автопоезда β=0,9.
По результатам данных показателей можно сделать вывод, что маршрут
организован верно и следовательно имеет место быть. А подвижной состав подобран
низкоэффективный, для более выгодной перевозки данного груза лучше использовать
АТС меньшей грузоподъемности.
Источники информации
1. Сайты
интернета
1.1. <http://www.investprom.com/download/norm/gost_1129-93.pdf>
.2.
<http://club.chelter.ru/i_id_365>
.3.
<http://www.tks.ru/db/tnved>
.4.
<http://www.gofrostandart.ru/>
.5.
<http://evropoddon61.ru/?tag=%D0%B5%D0%B2%D1%80%D0%BE%D0%BF%D0%BE%D0%B4%D0%B4%D0%BE%D0%BD%D1%8B-%D0%B3%D0%BE%D1%81%D1%82>
.6.
<http://vektrans.ru/razmery_konteynerov>
.7.
<http://vsegost.com/Catalog/10/1023.shtml>
.8.
<http://www.tks.ru/db/tnved/tree?mainid=16737>
.9.
<http://www.unipack.ru/static_one/136/>
.10.
<http://rustara.com/pallets/fin_standart>
.11.
<http://www.lenpoligraf.ru/index.php?p=117>
.12.
<http://maps.google.ru>
.13. http://ati.su
.14.
<http://tahoplus.narod.ru/estr>
.15.<http://mvf.klerk.ru/spr/spr87.htm>
.16.http://bibliofond.ru/view.aspx?id=39443
. Лекции по дисциплине ТЭО
.Справочник. Современные
грузовые автотранспортные средства. Справочник/ Пойченко В.В., Кондрашов П.В.,
Потемкин С.В., Пойченко О.В., Хабарова Т.С. - М.: агентство «Доринформсервис»,
2004 г., стр.244-245,249,524