Витратомір палива
ДИПЛОМНИЙ ПРОЕКТ
Витратомір палива
Вступ
В наш час цивільна авіація відіграє велику роль в
єдиній транспортній системі і народному господарстві країни.
В загальному пасажирообігу усіх видів транспорту
цивільна авіація займає третє місце. На її долю припадає третина пасажирообігу
в міжнародних сполученнях, а на дальніх магістралях - більш ніж 80%. Літаки
цивільної авіації виконують, крім того, регулярні пасажирські та вантажні рейси
в Європу, Азію, Африку, Північну Америку.
Основні задачі вітчизняного авіа транспорту -
своєчасне, якісне і повне задоволення потреб народного господарства і населення
в перевезеннях, підвищення економічної ефективності його роботи, для цього
треба вдосконалювати єдину систему управління повітряним рухом, прискорюючи
введення відповідних автоматизованих систем. Збільшити пасажирообіг, скоротити
питому витрату палива на 3-5%.
Також основними показниками ефективності роботи
авіаційної транспортної системи є безпека та регулярність польотів повітряних
суден, економічності їх експлуатації.
Кажучи про безпеку польотів, потрібно
усвідомлювати, що це, перш за все, - безумовна відповідність нових літаків
вимогам норм польотної придатності. З точки зору регулярності - це виконання
планового технічного обслуговування і ліквідація відмов техніки заданий час. І,
окремо, щодо економічності експлуатації - це виконання технічного
обслуговування і відновлення пошкоджених виробів з заданою трудомісткістю та
вартістю.
Кількість затримок рейсів зменшилось, завдяки
скороченню часу, який витрачається на пошук та ліквідацію відмов та неполадок,
а також підвищенню якості ремонту вузлів та блоків авіаційної техніки. Роль
приладів, як основного джерела об’єктивної інформації про стан режимів роботи
та справності обладнання, правильності настройки його агрегатів, підвищується.
В зв’язку зі змінами основних характеристик
сучасних літальних апаратів - швидкості і висоти польоту, дальності,
вантажопідйомність, потужність силових установок - створилась потреба для
значних змін технічних вимог до бортових вимірювальних приладів, в тому числі,
і до систем вимірювання витрати палива.
Витратоміри використовуються також для проведення
науково-дослідних робіт, управління виробничим процесом, для контролю роботи
енергетичних установок, управління літаками і космічними апаратами, контролю
роботи зрошувальних систем в сільському господарстві і в багатьох інших
випадках. Без витратомірів неможливо забезпечити нормальний режим роботи
важливих технологічних процесів в таких галузях промисловості, як енергетика,
металургія, нафтогазова, хімічна, целюлозно-паперова, харчова та інші. Без цих
приладів не можна також і автоматизувати відповідні процеси і забезпечити при
цьому максимальний ефект виробництва. Витратоміри сприяють підвищенню якості
виготовлення продукції, ліквідації браку і економії вихідних матеріалів. Річний
економічний ефект від впровадження витратомірів в масштабах всієї країни
вимірюється мільйонами грн.
В теперішній час на борту літального апарату
використовуються витратоміри палива в яких в якості первинного перетворювача
застосовується крильчатка. Таким є турбінний перетворювач витрат палива. До
його складу входить гідравлічна крильчатка, вісь обертання якої рівнобіжна
напрямку потоку.
Основним недоліком цього перетворювача являється
вплив моменту тертя в осях крильчатки на точність вимірювання витрат. Саме
тому, метою даного дипломного проекту є обґрунтування можливості використання
безконтактного методу вимірювання витрат у первинному перетворювачі.
1. Огляд методів вимірювання витрати
.1 Витратоміри обтікання
Витратомірами обтікання називаються прилади,
чутливий елемент яких сприймає динамічний тиск потоку й переміщається під його
дією, причому величина переміщення залежить від витрати. У більшості
витратомірів тіло, яке обтікається (поплавець, диск поршень) переміщається
прямолінійно, звичайно уздовж своєї вертикальної осі. Але є витратоміри, у яких
тіло яке обтікається (диск) обертається навколо осі підвісу. Витратоміри
обтікання складаються з наступних груп.
1. Витратоміри постійного перепаду тиску, у яких
тіло, яке обтікається переміщається вертикально, а протидіюча сила створюється
вагою тіла.
Витратоміри з перепадом, тиску, у яких є
протидіюча пружина.
2. Витратоміри з поворотною лопаткою. Протидіюча
сила в них створюється не тільки вагою тіла, але ще й пружиною.
У всіх перерахованих витратомірах між стінками
труби й рухливим тілом залишається невеликий прохідний перетин. У зв'язку із
цим умови його обтікання будуть істотно відмінними від умов обтікання такого ж
тіла у вільному потоці. На створення значної швидкості в прохідному перетині
затрачається певна енергія, і на тіло крім динамічного тиску діє також і
різниця статичних тисків. Якщо не враховувати цю різницю, то значення
коефіцієнта обтікання або опори тіла, що залежить від форми тіла, буде багато
більше, ніж при обтіканні тіла в необмеженому вільному потоці. Крім того, на що
обтікається діє сила в’язкого тертя. Вона залежить не тільки від в'язкості
речовини, але й від конфігурації тіла.
Переваги витратомірів обтікання: простота пристрою,
надійність у роботі, значний діапазон вимірювання (від 8 до 15 залежно від
різновиду приладу). Похибка звичайно знаходиться в межах ±(1ч2,5)%.
Витратоміри постійного перепаду тиску
Витратоміри постійного перепаду тиску
підрозділяються на ротаметри, поплавкові й поршневі (або точніше золотникові).
Ці прилади (особливо ротаметри) найбільше широко застосовуються в порівнянні з
іншими витратомірами обтікання.
Ротаметр складається з конічної (звичайно
скляної) трубки, що розходиться нагору, усередині якої переміщається поплавець.
Шкала наноситься безпосередньо на скляну трубку. Довжина труби звичайно
знаходиться в межах від 70 до 600 мм, а діаметр від 1,5 до 100 мм.
Межі вимірювання звичайних ротаметрів зі скляною
трубкою: по тиску 0, 5-0,6 МПа, при температурі 100-150˚С.
Переваги ротаметрів: простота пристрою й
експлуатації; наочність показів; надійність у роботі; зручність застосування
для вимірювання малих витрат різних рідин і газів (зокрема агресивних), значний
діапазон вимірювання, рівномірна шкала.
Недоліки: крихкість і непридатність для
вимірювання витрати речовин, що мають значні тиски; зв'язаність приладу з
місцем вимірювання; великих витрат.
Більшість із перерахованих недоліків можуть бути
усунуті у випадку виготовлення конусної трубки з металу й застосування
дистанційної передачі. Але при цьому губляться простота пристрою й наочність
показів, а також різко скорочується хід поплавця.
Рис. 1.1. Схема ротаметра
На поплавець знизу (рис. 1.1.) діють три сили: різниця
статичних тисків на носову й кормову поверхні поплавця, що виникає внаслідок
переходу частини потенційної енергії у швидкість
у вузькому перетині 2-2; ця різниця дорівнює (р 1-р2)
f де f - площа найбільшого поперечного перетину поплавця;
динамічний тиск W потоку, розраховується по формулі
де с - коефіцієнт опору поплавця;
і
щільність і характерна
швидкість потоку відповідно; сила тертя N потоку об
поверхню
поплавця.
Сума цих трьох сил урівноважується вагою G поплавця
де
й
обсяг і щільність матеріалу поплавця.
Витратоміри зі змінним перепадом тиску
Принцип дії витратомірів змінного перепаду тиску
ґрунтується на залежності перепаду тиску від витрати речовини, причому перепад
тиску створюється пристроєм, встановленим в трубопроводі, або ж конструктивним
елементом самого трубопроводу.
До складу витратоміру входять: перетворювач
витрат, який створює перепад тиску; диференціальний манометр, який вимірює цей перепад
та з’єднувальні трубки між перетворювачем і диференціальним манометром. У
випадку необхідності передавання показів витратоміру на значні відстані,
додаються: вторинний перетворювач, який трансформує переміщення рухомого
елементу дифманометра в електричний і пневматичний сигнали, які по лінії
зв’язку (дротами, трубками) передаються на вторинний вимірювальний прилад. Якщо
первинний дифманометр (або вторинний вимірювальний прилад) обладнано
інтегратором, то прилад в такому складі придатний для вимірювань не тільки
витрат в одиницю часу, але витрат речовини за певний проміжок часу.
В залежності від того, на якому принципі дії
побудовано роботу перетворювача витрат, витратоміри поділяються на шість
самостійних груп, в межах яких існує декілька конструктивних різновидів
перетворювачів.
Витратоміри зі звужуючими пристроями.
Вони застосовуються для вимірювання витрат рідин,
газів, пари. Їхня робота ґрунтується на залежності від витрати речовини
перепаду тиску, який створюється звужуючим пристроєм. В результаті появи такого
перепаду відбувається перетворення частини потенційної енергії потоку в
кінетичну. В наш час використовується значна кількість різновидів звужуючих
пристроїв. Так, на рис. 1.2. (а, б) зображено стандартні діафрагми; на рис.
1.2. в-стандартне сопло; на рис. 1.2. г, д, е - діафрагми для вимірювання
забруднених речовин (сегментна, ексцентрична, кільцева відповідно). На
наступних семи позиціях рисунку 1.2. наведені звужуючи пристрої, які
застосовуються у випадку вимірювань в речовинах зі значною в’язкістю. Так, на
рис. 1.2. ж, з, і показані діафрагми - подвійна, оснащена вхідним конусом,
оснащена подвійним конусом; на рис. 1.2. к, л, м, н - сопла-півкола, чверть
кола, комбіноване та циліндричне. На рис. 1.2. о, зозображено діафрагму зі
змінною площею перерізу отвору. Така схема автоматично компенсує вплив зміни
тиску і температури речовини.
На рис. 1.2. п, р, с, т зображені витратомірні
труби - трубка Вентури, сопло Вентурі, трубка Далла та сопло Вентурі з
подвійним звуженням. Вони характеризуються дуже незначними втратами тиску.
Відцентрові витратоміри.
Вони створені на основі врахування перепаду
тиску, який утворюється в заокруглених ділянках трубопроводів (в результаті дії
відцентрових сил в потоку), в залежності від величини витрати речовини, яка
перетікає цим трубопроводом. Для такої схеми, як перетворювачі використовуються
«коліна» (рис. 1.2 х) або кільцеві ділянки трубопроводу (рис. 1.2 ц)
Відцентрові витратоміри найчастіше застосовують для вимірювань витрат води і,
значно рідше, газів.
Рис. 1.2. Первинні перетворювачі витратомірів
змінного перепаду тиску
Витратоміри з напірним пристроєм
В них створюється перепад тиску в залежності від
витрати як наслідок місцевого перетворення кінетичної енергії струменю в
потенційну. На рис. 1.2 ч зображено перетворювач, який складається з трубки
Піто і трубки для знімання статичного тиску, а на рис. 1.2 ш - перетворювач з
диференціальною трубкою Піто, в якій виконані отвори для знімання повного і
статичного тисків. Окрім цих перетворювачів, які призначаються для вимірювання
місцевої швидкості, зустрічаються перетворювачі з інтегруючими напірними
трубками. Осереднення (інтегрування) повного тиску ведеться за діаметром (рис.
1.2 щ) або за радіусом, а за наявності сильно деформованих потоків - за двома
взаємно перпендикулярними діаметрами. Відповідні трубки містять низку отворів в
їхніх стінках, які призначені для сприймання повного тиску. Використання
інтегруючих напірних трубок є особливо доцільним для вимірювань витрат води і
газу в трубопроводах з великими діаметрами. Окрім того, знаходять використання
кільцеві вставки (рис. 1.2 э) для інтегрування по кільцевій площі, а також
напірне поворотне крило з двома отворами (рис. 1.2 ю) які по різному
орієнтовані відносно потоку.
Витратоміри з напірним підсилювачем
В цих витратомірах розміщується перетворювач
витрати, який поєднує в своєму складі напірний та звужуючий пристрої. Перепад
тисків в них створюється як внаслідок місцевого переходу кінетичної енергії в
потенціальну, так і часткового переходу потенційної енергії в кінетичну.
Відповідні перетворювачі наведені на рис. 1.2 я (поєднання діафрагми і трубки
Піто), на рис. 1.2a (комбінація трубок Піто
і Вентурі) і на рис. 1.1b (подвоєна трубка
Вентурі). Напірні підсилювачі застосовуються, в основному, у випадку вимірювань
газових потоків з незначними швидкостями рухомого середовища, коли перепад
тисків, створюваний напірними трубками є недостатнім.
Витратоміри ударно - струменеві
Принцип їх дії ґрунтується на залежності перепаду
тиску, який виникає внаслідок ударної дії струменю, від зміни витрат речовини.
Струмінь рідини, який витікає зі звуженого отвору вхідної трубки, створює тиск
р1 у внутрішній порожнині сильфона, на який ззовні діє менший тиск р2,
який дорівнює тиску рідини, що витікає з вихідної трубки. Ударно - струминні
витратоміри застосовуються тільки для вимірювань незначних витрат рідин і
газів. В авіації витратоміри зі змінним перепадом тиску використовуються для
вимірювання витрат газу.
1.2 Турбінні, кулькові і роторно-кулькові
тахометричні витратоміри
Тахометричними називаються витратоміри і
лічильники, конструкція яких містить рухомий елемент, швидкість руху якого
пропорційна об’ємній витраті. Такі витратоміри і лічильники поділяються на
турбінні, кулькові, роторно-кулькові і камерні.
Вимірюючи швидкість переміщення рухомого
елементу, вимірюється миттєва витрата, а визначаючи загальне число його обертів
(ходів) - кількість по об’єму або по масі витраченої речовини. Турбінні
лічильники води і газу давно отримали широке розповсюдження, оскільки для їх
реалізації треба тільки з’єднати вал турбінки, або іншого перетворювача
витрати, за допомогою зубчастого редуктора, з лічильним механізмом. В цих
витратомірах застосовується також тахометричний перетворювач.
Істотними перевагами тахометричних витратомірів є
- швидкодія, висока точність і значний діапазон вимірювань.
Так, якщо похибка турбінних лічильників води
(вісь яких через редуктор зв’язана з лічильним механізмом) дорівнює ±2%, то для
вимірювальних приладів обладнаних тахометричним перетворювачем, ця похибка
знижується до ±0,5%. Основна причина точності вимірювань полягає в тому, що
такий перетворювач майже не навантажує вісь турбіни (на відміну від редуктора і
лічильного механізму). Показники точності турбінного витратоміра у межах
0,5…1,5%.
Основним недоліком турбінних витратомірів є
зношування опор, на яких кріпиться крильчатка. Тому вони не застосовуються для
вимірювання витрат в рідинах, які містять механічні домішки. Ці витратоміри не
можуть застосовуватися для вимірювання дуже в’язких речовини.
Турбінні витратоміри доцільніше застосовувати для
вимірювань рідин
рідин, ніж газів.
Кулькові застосовуються для вимірювання витрат
рідин (головним чином води). Головною їх перевагою є можливість працювати у
забруднених середовищах.
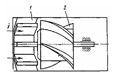
Турбінний перетворювач витрати палива
Турбінний перетворювач
витрати палива складається зі струмененапрямного апарата 1 (рис. 1.3) і
гідравлічної крильчатки 2, вісь обертання якої рівнобіжна напрямку потоку. Її
лопатки вигнуті під деяким кутом щодо осі крильчатки.
Частота n
обертання ненавантаженої крильчатки пропорційна швидкості V протікання
палива, тобто
, (1.1)
де k - коефіцієнт пропорційності, що залежить від
конструкції крильчатки.
Тому що витрата палива через поперечний розріз S
трубопроводу залежить від швидкості протікання палива, то
(1.2)
Підставивши перший вираз у другий одержимо
. (1.3)
Частота обертання
крильчатки пропорційна об'ємній витраті палива. Звичайно вимірюють масову
витрату QМ, то з урахуванням зв'язку між Q і Qм
це рівняння має вигляд:
(1.4)
де с - щільність палива.
Рис. 1.3. Турбінний перетворювач витрати
Це рівняння є статичною характеристикою ненавантаженого
турбінного перетворювача витрати палива. Реальна статична характеристика
перетворювача трохи відрізняється від описаної рівнянням через наявність
моментів тертя в підшипниках крильчатки і протидіючих моментів, що навантажують
крильчатку.
Кількість палива, спожита двигуном за час його роботи
, (1.5)
де t - час роботи
двигуна від його пуску до зупинки.
Проінтегрувавши ліву і
праву частини рівняння за інтервал часу від 0 до t, одержимо
, (1.6)
де
- кут повороту крильчатки (число
обертів).
Якщо вимірювати не частоту обертання крильчатки, а загальне
число її обертів, то така система може бути використана для побудови лічильника
кількості
1.3 Оптичні витратоміри
Оптичними називаются витратоміри, основані на залежності
від витрат речовини того чи іншого ефекту в потоці. Існує декілька
різновидностей цих приладів:
1) допплеровські
витратоміри, основані на вимірюванні різниці
частот, що виникає при
відбитті світлового променю рухомими частинками потоку;
2) витратоміри, основані
на ефекті Фізо-Френеля, у яких вимірюється який-небудь параметр, зв'язаний з
залежністю швидкості світла в рухомій прозорій речовині від швидкості
останньої;
3) витратоміри,
основані на особливих оптичних ефектах, наприклад, залежності оптичних
властивостей світловода від швидкості обтікаючого його потоку;
) витратоміри,
основані на вимірюванні часу переміщення на певній ділянці шляху оптичної мітки,
введенної в потік;
5) кореляційні оптичні
витратоміри.
Оптичні витратоміри мають багато переваг: високу
точність і швидкість дії, відсутність контакту з вимірюваною речовиною й ряд
інших.
Доплеровскі витратоміри
застосовуються для вимірювання місцевих швидкостей рідини й газу в різних
дослідних роботах по вивченню турбулентності, зняттю поля швидкостей і т. п.
Для вимірювання витрат вони застосовуються рідше. Прилади, основані на эфекті
Фізо-Френеля, призначені для вимірювання витрат. Оптичні витратоміри, як
правило застосовуються в трубах невеликого діаметру.
Доплеровські витратоміри
Принцип дії доплеровських
оптичних витратомірів
Ці прилади основані на
вимірюванні різниці частот Дf, що виникає при відбитті світлового
променю рухомими частинками потоку. Тому й для оптичних витратомірів
справедливе рівняння:
,
з врахуванням того, що швидкість світла у вимірюваній
речовині дорівнює с/п, де п - показник заломлення даної речовини,
а відношення
, де
- довжина хвилі випромінювана в пустоті.
Тоді одержимо
(1.7)
Звідки
(1.8)
де
- градуйовочний коефііцієнт.
Середня квадратична похибка, %, вимірювання швидкості
визначається рівнянням:
(1.9)
де
- максимальні похибки величин
Похибки
і
занадто малі, так як швидкість світла в
рідині чи газі, а також і показник заломлення п відрізняються високою
стабильністью, а джерела монохроматичного випромінювання - лазери - забезпечують
стабільність частоти f, а отже, і
з
відомо високим ступенем точності. Тому похибка
буде залежати лише від похибки градуйовочного коефіцієнта
, що визначається точністю вимірювання
кутів б' і б» і похибкою
вимірювання різниці частот. Похибка
рівна 0,1ч0,25%. Похибка
у випадку застосування високоточного
цифрового частотоміра буде дуже мала. Тому загальна похибка
буде дуже близька до похибки
.
Відбиття (чи розсіювання) світла відбувається від великого
числа природніх (мікробульбашки, пил і т. п.) чи штучних (наприклад,
полістирольні кульки діаметром 0, 5-1 мкм) неодноріодностей вимірюваної
речовини. Внаслідок випадкового характеру сумування амплітуд і фаз елементарних
відбиттів на приймач буде поступати сигнал, що вміщує випадкові складові
спектра. Цей сигнал має деяку когерентну з вихідним випромінюванням складову,
достатню для вимірювання доплеровського зсуву, хоч потужність сигналу й
невелика.
Побудова доплеровських оптичних витратомірів
Ряд принципових схем
доплеровских оптичних анемометрів зображений на рис. 1.4, а-г. В схемі
на рис. 1.4, а. промінь, утворений лазером і зфокусований лінзою Л1 у
точці О, відбиває частину своєї енергії, яка збирається лінзою ЛЗ і направляється
дзеркалом З1 через діафрагму D на фотокатод фотоелектронного
умножувача ФЭУ, куди також поступає промінь від лінзи Л2 через
напівпрозоре дзеркало П3. З2 - друге дзеркало.
Недолік схеми - труднощі
регулювання положення робочої точки О. Інші схеми, зображені на мал.
1.4., позбавлені цього недоліку. У них розділення променю відбувається до входу
в потік, що дозволяє легко міняти положення робочої точки. На рис. 1.4., б
промінь після виходу із ОКГ падає на напівпрозоре дзеркало ПЗ і
частково відбивається останнім, утворюючи опорний промінь, що проходить через
лінзу Л1, потім через рідину перпендикулярно рухові останній без
доплеровського зсуву, і через діафрагму D поступає на фотокатод ФЭУ. Друга
частина променя, що йде із ОКГ, проходить через дзеркало ПЗ, фокусується
лінзою Л2 у рабочій точці, де частково розсіюється, утворюючи робочий
промінь, що проходити через діафрагму D і поступає на фотокатод ФЭУ. Переміщенням
дзеркала 3 можна регулювати положення робочої точки О.
Рис. 1.4. Схеми
доплеровських оптичних витратомірів
На рис. 1.4., г показана
схема, в якій промінь із ОКГ розділяється напівпрозорим дзеркалом ПЗ на
дві частини, що проходять через діафрагму D1 і велику лінзу Л1, яка
фокусує їх в одній робочій точці О. Потім обидва
промені збираються лінзою
Л2 і через діафрагму D2 поступають до ФЭУ.
У цій схемі кожен із
поступаючих до ФЭУ променів включає і опорний i робочий сигнали. Промінь
1 як продовження променю 1 буде опорним, але разом з ним на ФЭУ
приходить розсіяна частина променя 2 з доплеровським зсувом. Це
також відноситься і до променю 2'.
Як видно із наведених
схем, оптичні витратоміри складаються з джерела випромінювання, оптичного
пристрою, який утворює опорний і робочий промінь з доплеровським зсувом частот
і приймально-вимірюючого цей зсув пристрою.
У витратомірах знайшли
застосування газові лазери, переважно неоново-гелієві з довжиною хвилі
випромінювання л = 0,6328 мкм (4,74 · 1014 Гц). Термін служби
біля 500 год. Вони мають дуже високу стабільність частоти (10-7-10-8,
а у випадку, автопідстройки резонатора 10-10), але недолік більшості
із них - мала потужність випромінювання, декілька міліват. Тому при дуже
поглинаючих і розсіюючих середовищах, а також при великих діаметрах труб більше
підходять аргонові, що мають потужність до 1000 мВт, і лазери на вуглекислому
газі. Довжини хвиль випромінювання в них л = 0,48 мкм и л = 0,51 мкм, що
поглинаються в воді значно слабіше, чим хвилі з л = 0,6328 мкм (у
неоново-гелієвих ОКГ). Стабільність частоти і когерентність випромінювання
аргонових лазерів гірше, чим у неоново-гелієвих, атермін службы дуже обмежений
(30 год).
Схеми оптичних пристроїв
в анемометрах і витратомірах Допплера, як це про видно йз мал. 1.4., можуть
бути різними.
Вимірювання
доплеровського зсуву частоти при звичайних швидкостях основане на вимірюванні
частоти биття двох когерентних оптичних сигналів, з яких один опорний, а другий
розсіюваний неоднорідностями речовин, що рухаються.
Обидва ці випромінювання
треба подати на фотоприймальний пристрій строго паралельно, для чого служать
спеціальні регулювальні пристрої. Як правило першим ступенем схеми вимірювання
зсуву f1 - f2 частот служать фотоелектронні
помножувачі ФЭУ, що виконують функції прийому, отоелектронні умножувачі ФЭУ, що
виконують функції прийому, змішування і перетворення поступаючих сигналів.
Особливості вимірювання
витрат оптичними методами.
Вимірювання витрат
оптичними методами з допомогою эфекту Доплера. можна здійснити двома способами.
Перший полягає у вимірюванні з допомогою лазерного доплеровського анемометра
середньої швидкості потоку й помноження результату вимірювань на площу потоку.
Другий метод полягає в застосуванні лазерного доплеровського витратоміру
особливої конструкції.
При першому методі
вимірюється місцева швидкість, співвідношення якої із середньою швидкістю
відоме. Як правило вимірюється швидкість або в центрі труби, або на відстані
0,758r (де r - внутрішній радіус труби) від осі труби. У цьому
випадку вимірюється безпосередньо середня швидкість, але в цьому випадку
потрібна більша довжина прямої дільниці труби, ніж при вимірюванні швидкості в
центрі. Крім того, великий градієнт швидкості в даній точці приводить до
небажаного расширення спектру доплеровського сигналу, що затрудняє вимірювання
його середньої частоти. Цього недоліку не має точка в в центрі труби, але
співвідношення її швидкості з середньою швидкістю залежить від коефіцієнта
гідравлічного тертя л труби, який повинний бути відомий. Установка, яка
містить трубу звужуючого пристрою типу сопла Вітошинського, в якій формується
рівномірне поле швидкостей, і вимірювання швидкості відбувається на виході із
сопла. У цьому випадку не тільки зменшиться похибка вимірювань середньої
швидкості, але й похибка вимірювання площі потоку. При цьому може бути отримана
висока точність вимірювання витрат, близька до точності зразкових витратомірних
установок.
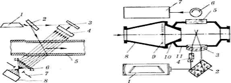
Як приклад на мал. 1.5. наведена схема
витратоміру. У трубопроводі перед соплом Вітошинского розміщені сотовий
струєвипрямляч і сітки, що турбулізують потік. За соплом розташований дифузор,
який знижує втрату тиску і запобігає можливому порушенню епюри швидкостей після
виходу із сопла. Оптична частина складається із передавального І і
приймального ІІ блоків. У передавальний блок входить лазер і формуюча
оптика, виконана по диференціальній схемі. Приймальний блок складається із
приймальної оптики й фотоприймача.
Рис. 1.5. Схема
доплеровського витратоміра
1-лазер; 2-2
- поворотні дзеркала; 3-3 - напівхвильова фазова пластинка; 4-4 -
коліматор; 5-5 - призми; 6-6 - розширювач пучки; 7-7 -
вихідний об'єктив; 8-8 - сопло Вітошинського; 9,10 - об’єктиви
прийомного блоку; 11 - фотоприймач
Доплеровський сигнал
поступає в широкополосний підсилювач, проходить через фільтри низьких і високих
частот, де звільняється від шумів і подається на двопороговий формувач
імпульсів, частота яких відповідає частоті доплеровського сигналу. Демодулятор
перетворює частоту імпульсів в аналоговий сигнал, пропорціональний витратам.
Діапазон вимірювань витрат рідини 0, 1-100 м3/год (при трьох змінних
гідроканалах), похибка ± (0,25 * 0,3)%.
В другому методі
необхідні пристрої, які дозволяють або одночасно вимірювати доплеровський зсув
частот у декількох точках, розташованих на різних відстанях від осі труби, або
ж робити цю операцію послідовно, з допомогою двигуна, який з постійною
швидкістю переміщує фокусуючу лінзу а, отже, переміщує робочу точку. На мал.
1.6. показана схема приладу, що вимірює допплеровский зсув частот у декількох
точках. У випадку вісесиметричного потоку прилад може вимірювати витрати.
Світловий промінь від
лазера 1 падає на напівпрозоре дзеркало 2. Частина променя
відбивається від дзеркала і направляється безпосередньо в потік 5, а друга
частина поступає на дзеркало 3 і потім на розщіплювач 4, із якого
виходить у вигляді ряду пучків. Останні інтерферують з прямим пучком в окремих
точках потоку, проходять через лінзу 6 і діафрагму 7 і поступають на протяжний
фотоприймач 8. Для одержання вимірюваної інформації застосовується
багатоканальний швидкодіючий аналізатор спектра.
Рис. 1.5. Схема
багатопроменевого доплеровського витратоміру вимірювача масових витрат
Якщо доплеровський
оптичний витратомір доповнити коректором, що враховує густину вимірюваної
речовини, те можна забезпечити вимірювання масових витрат. Схема такого
витратоміра показана на рис. 1.6. Вимірювана рідина проходити через дифузор 8,
турбулізуючу сітку 9 і звужуючий пристрій 10, який утворює на
виході у вимірювальну камеру 11 рівномірний профіль швидкостей. Промінь
від лазера 1 падає на розщіплювач 2, де разділяється на дві
частини. Потім обидва промені (один з них попередньо проходить через
фазозсуваючий елемент 4, компенсуючий постійну складову сигнала) через
вихідне вікно-меніск 3 входять у вимірювану речовину і фокусуються на
осі потоку. В точці перетину променів утворюється просторова інтерференційна
картина. Частинки, що рухаються, розсіюючи світло, модулюють його по
інтенсивності. Розсіяне світло проходить через вікно 5 і надходить на
фотодетектор 6 пов'язаний з вимірювальним приладом 7.
Вимірювання витрат
приладами, які засновані на ефекті Фізо-Френеля
Швидкість світла в
нерухомій прозорій речовині дорівнює с/n де с - швидкість
світла в пустоті, а n - коефіцієнт заломлення речовини. Швидкість же світла
сn в речовині, що рухається з швидкістю сn
більше с/ n, якщо вона співпадає з х і менша при
протилежному напрямі. Швидкість сn визначається рівнянням,
яке теоретично вивів Френель, а Фізо експериментально підтвердив його.
(1.10)
Для вимірювання швидкості х на певній ділянці шляху
довжиною l треба пропускати світло по потоку і проти нього і вимірювати
різницю часу проходження світлом даної ділянки шляху. Для цього створюється
замкнутий контур довжиною L, по якому світло циркулює в протилежних
напрямах. На частині цього контуру довжиною l рухається вимірювана
речовина. Обидва світлові потоки після проходу замкнутого контуру L
поступають на фотоприймальний пристрій, з допомогою якого вимірюється або зсув
інтерференційних смуг Дх, або зсув частоти Дf світлових коливань
між обома потоками, причому як Дх, так і Дf пропорціональні
швидкості х вимірюваної речовини. Залежність зсуву Дх
інтерференційних смужок від швидкості х визначається рівнянням
(1.11)
де л - довжина хвилі
світла; и - кут між світловим променем і віссю труби. Відмітимо, що вимірювання
сили фотоструму Ді прямо пропорціональне Дх при роботі на
лінійній ділянці характеристики інтерферометра.
Залежність зсуву Д f
частот від швидкості х виражається рівнянням
х (1.12)
Схема оптичного
інтерференційного витратоміру приведена на рис. 1.7. Світло від джерела 11 проходить
через світлофільтр 12 і напівпрозорим дзеркалом 10 ділиться на
два потоки, що проходять через прозорі вставки 6 і 13, установлені
в корпусі 1. Після відбиття від дзеркал 3 і 4 (укріплених у трубі
за допомогою струменевипрямлячів 2 і 5) один світловий промінь проходить
шлях L в напрямі потоку вимірюваної речовини, а інший проти нього. Потім
вони знову відбиваються від дзеркал 3 і 4 і повертаються до
дзеркала 10, де змішуються й утворять інтерференційну картину. Частина
інтерференційної смуги проходить через діафрагму 7 і надходить до фотоприймача 8.
Фотострум вимірюється приладом 9.
Рис. 1.7. Схема
інтерференційного витратоміру Фізо-Френеля
Схема оптичного
витратоміру, у якому виміряється не інтерференційний зсув Дх, а зсув
частот Дf світлових коливань, що поширюються по замкнутому контурі в
протилежних напрямках, показана на рис. 1.8.
Рис. 1.8. Схема
частотного витратоміру Фізо-Френеля
Джерело випромінювання -
гелієво-неоновий лазер 4 утворює разом із трьома дзеркалами 1, 3 і
11 замкнутий світловий контур, який завдяки чотирьом прозорим вікнам 2 двічі
перетинає трубопровід 12. При цьому один світловий промінь рухається
проти, а інший в напрямі потоку газу. Обидва світлових промені, пройшовши весь
контур у протилежних напрямках і потім дзеркало 11, направляються
дзеркалами 10 і 9 до фотоприймача 8, зв'язаному через
підсилювач 7 і електронний фільтр 6 із приладом 5, що вимірює
зсув частоти Дf.
Схема витратоміра газу, яка вимірює Дf
показана на рис. 1.9. Канал 4 квадратного перетину інвару зі стороною 50
мм поміщений у резонатор 3 із ситалу. Ці матеріали мають дуже малий
коефіцієнт температурного розширення. Канал утворений кварцевими вікнами для
вводу променів. Кут введення для зменшення втрат дорівнює куту Брюстера г.
Лазерна трубка 5 довжиною 200 мм (діаметр капіляра 2 мм) заповнена сумішшю
гелію й неону. Живлення від стабілізатора 6. Для зменшення
нестабільності характеристики кільцевого газового лазера служить система
стабілізації частоти 7. Промені, пройшовши по потоку й проти нього по
замкнутомуконтуру, надходять на фотопомножувач 8, що живиться від
джерела 10. Далі вимірюваний сигнал подається на цифровий частотомір 9,
що інтегрує частоту биття зустрічних хвиль за визначений проміжок часу. Для
зменшення нечутливості можливості вимірювання малих швидкостей у схему
вводиться невзаємний елемент Фарадея 2, який створює зсув частот
лазерних променів. Магнітне поле в элементі 2, виконаному за
диференційною схемою, створюється постійним магнітом 1, для
термостабілізації якого служить схема 11. Незважаючи на невелике
відношення 1/L = 0,17, витратомір має високу чутливість (300 Гц на 1
м/с).
Рис. 1.9. Схема
витратоміру Фізо-Френеля з Фарадеєвим чутливим елементом
1.4 Електромагнітні витратоміри
В основі електромагнітних
витратомірів лежить взаємодія електропровідної рідини, що рухається, з
магнітним полем, що підлягає закону електромагнітної індукції.
Основне застосування
одержали такі електромагнітні витратоміри, у яких вимірюється ЕРС, що індукується
в рідині, при перетинанні нею магнітного поля. Для цього рис. 1.10. на ділянці 2
трубопроводу, виготовленого з немагнітного матеріалу, покритого усередині
неелектропровідною ізоляцією й поміщеного між полюсами 1 і 4 магніту або
електромагніту, вводяться два електроди 3 і 5 у напрямку,
перпендикулярному як до напрямку руху рідини, так і до напрямку силових ліній
магнітного поля. Різниця потенціалів Е на електродах 3 і 5
визначається рівнянням
Е = BDх= 4BQ0 /рD, (1.13)
де В - магнітна
індукція; D - відстань між кінцями електродів, що дорівнює внутрішньому
діаметру трубопроводу; х і Q0 - середня швидкість і
об'ємна витрата рідини.
Рис. 1.10. Принципова
схема перетворювача витрат в електромагнітного витратоміра
При вимірюванні витрати звичайних рідин з іонною
провідністю для запобігання поляризації електродів застосовують змінне магнітне
поле, створюване електромагнітами. У випадку живлення їх струмом промислової
частоти поле має синусоїдальну форму і його індукцію
В = Втахsin2рft. У цьому
випадку ЕРС, пропорційна витраті, змінюється за рівнянням
Е = 4ВтахQ0sin2рft/рD (1.14)
Переваги електромагнітних
витратомірів: незалежність показів від в'язкості й густини вимірюваної
речовини, можливість застосування в трубах будь-якого діаметра, відсутність
втрати тиску, лінійність шкали, необхідність у менших довжинах прямих ділянок
труб, чим в інших витратомірів, висока швидкодія, можливість вимірювання
агресивних, абразивних і в'язких рідин. Але електромагнітні витратоміри не
застосовуються для вимірювання витрати газу й пари, а також рідких
діелектриків, таких, як спирти й нафтопродукти. Вони придатні для вимірювання
витрати рідини, у яких питома електрична провідність не менш 10-3
См/м.
Крім вимірювання витрати
різних рідин і пульп з іонною провідністю, а також витрати розплавлених металів
електромагнітний метод застосовується для виміру витрати крові в медичній і
фізіологічній практиці, а також для вимірів швидкості морських течій і води у
відкритих руслах.
Перетворювачі
електромагнітних витратомірів
Основні елементи
перетворювача електромагнітного витратоміра - це відрізок труби з діамагнітного
матеріалу, що має внутрішнє ізоляційне покриття; електромагнітна система,
розташована зовні, і два електроди для зняття різниці потенціалів, що
утворюється при перетинанні рідиною магнітного поля.
У більшості випадків
застосовують перетворювачі, внутрішній діаметр яких DB
дорівнює діаметру D трубопроводу. З'єднання - фланцеве, а при малих D
- різьбове. Але при малих швидкостях у трубах доцільно мати DB
< D. Це підвищує ЕРС, а значить, і точність вимірювання витрат,
знижує масу і вартість перетворювача й, крім того, завдяки збульшеній швидкості
рідини сприяє очищенню поверхні електродів. При DB < D перетворювач
з'єднується із трубопроводом за допомогою конічних переходів. Труба
перетворювача виготовляється з корозійностійкої сталі.

Рис. 1.11. Електронний вузол
, 9 - футеровка; 2-стальна труба; 3-ізоляційна
прокладка(склотекстоліт); 4-шайба; 5,6 - гайки; 6,13 - електрод; 7,12,18 -
клеми; 8-сферична головка; 10-стінки труби; 11,20 - тарільчаті пружини;
14-металева втулка; 17 - екранний ковпачок; 19-ізоляційна втулка; 21-покриття
із фторопласту 40.
На рис. 1.11, а показаний вузол електрода,
застосовуваний у багатьох вітчизняних електромагнітних витратомірах. Він
простий по конструкції й надійно працює при гумових і поліуретанових покриттях.
Щільність досягається конічною головкою при затягуванні електрода за допомогою
гайки. Залежно від розміру труби діаметр електрода 5-8 мм, а його головки
-30 мм. На рис. 1.11, б зображена трохи інша
конструкція вузла електрода. Останній має сферичну головку 8 з одним або
декількома конічними зубцями на тильній частині, що забезпечують внутрішнє
ущільнення при контакті з футеровкой 9. Тарільчасті пружини 11,
що опираються через проміжні шайби в стінку 10 труби, забезпечують при
затягуванні електрода необхідну щільність з'єднання. Клема 12 служить
для приєднання проводу. На рис. 1.11, в показаний вузол електрода при
фторопластовій ізоляції й невеликому діаметрі труби. За допомогою кільцевої
площини в електрода під впливом
Вимірювальні схеми
електромагнітних витратомірів
Електрорушійна сила,
створювана первинним nеpeтворювачем електромагнітного витратоміра, невелика.
Звичайно вона не перевершує 5-6 мВ. Це вимагає застосування підсилювачів. Для
підвищення точності вимірювань сила вимірюваного струму, що протікає через
перетворювач, повинна бути мінімальної.
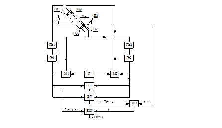
Рис. 1.12. Блок-схема витратоміру
Це досягається
застосуванням вимірювальних схем з дуже великим вхідним опором, наприклад за
допомогою катодного повторювача на вході підсилювача. У вимірювальній схемі
треба мати пристрій, що усуває вплив на результати вимірювання трансформаторної
ЕРС, зсунутої по фазі на 90° стосовно основного сигналу.
Схема витратоміра
показана на рис. 1.12. Він складається із трьох блоків: перетворювача витрати
ПР, узгоджуючого пристрою УС-1 і вимірювального приладу ИП. Електроди 1
перетворювача, включені послідовно з обмоткою компенсаційного трансформатора 3,
приєднані до первинної обмотки роздільного трансформатора 2. До
іншої обмотки компенсаційного трансформатора 3 підключений блок
фазообертачів 13, що дозволяє створювати в компенсаційному колі напругу,
зворотну по фазі, але рівну по амплітуді ЕРС на електродах перетворювача
витрати. Вторинна обмотка трансформатора 2 пов'язана із входом
попереднього підсилювача 8, послідовно з яким з'єднані вузол фазування 9,
підсилювач 10 із транзисторним ключем - подавлювачем квадратурної
перешкоди й фазочутливий підсилювач 11, Останній управляє реверсивним
двигуном 12, що переміщає плунжер диференційно-трансформаторної
котушки 6. Її первинна обмотка, шунтована конденсатором 5, з'єднана
із вторинною обмоткою трансформатора струму 4, первинна обмотка якого,
включена послідовно з обмоткою збудження перетворювача витрати, живиться від
мережі. Напруга, що знімається із вторинної обмотки
диференційно-трансформаторної котушки 6, подається до блоку
фазообертачів 13. Терморезистор 7 служить для компенсації зміни
навколишньої температури. Постійна напруга живлення на попередній підсилювач 8
подається від блоку 14 через діод і конденсатор.
1.5 Ультразвукові
(акустичні) витратоміри
Акустичними називаються
витратоміри, засновані на вимірюванні залежності від витрати того або іншого
ефекту, що виникає при проході акустичних коливань через потік рідини або газу.
Вони розділяються на
витратоміри, засновані на переміщенні акустичних коливань середовищем, що
рухається, і витратоміри, засновані на ефекті Допплера, що з'явилися пізніше.
Основне поширення одержали прилади, засновані на вимірюванні різниці часу
проходження акустичних коливань в напрямку потоку і проти нього. Значно рідше
зустрічаються прилади, у яких акустичні коливання направляються перпендикулярно
до потоку й вимірюють ступінь відхилення цих коливань від первинного напрямку.
Прилади, засновані на ефекті Допплера, призначені в основному для вимірювання
місцевої швидкості, але вони знаходять також застосування й для вимірювання
витрат. Вимірювальні схеми в них більш прості.
Ультразвукові витратоміри
служать для вимірювання об'ємних витрат, тому що ефекти, що виникають при
проходженні акустичних коливань через потік рідини або газу, зв'язані зі
швидкістю останнього. Але з додатковим перетворювачем, що реагує на густину
вимірюваної речовини, можна вимірювати масові витрати. Наведена похибка
ультразвукових витратомірів лежить у широких межах від 0,1 до 2,5%, але в
середньому складає 0,5ч1%. Частіше ці витратоміри застосовуються для
вимірювання витрат рідини, а не газу, внаслідок малого акустичного опору
газу й труднощів одержання в ньому інтенсивних звукових коливань. Ультразвукові
витратоміри застосовуються в трубах, діаметр яких від 10 мм.
Існуючі витратоміри дуже
різноманітні як по будові первинних перетворювачів, так і по вимірювальним
схемам. При вимірюванні витрат чистих рідин застосовують високі частоти (0,1-10
Мгц) акустичних коливань. При вимірюванні забруднених речовин частоти коливань
знижують аж до декількох десятків кілогерц щоб уникнути розсіювання й
поглинання акустичних коливань. Необхідною умовою є, щоб довжина хвилі була на
порядок більше діаметра твердих часток або повітряних бульбашок. Низькі частоти
застосовують також при вимірюванні витрати газів.
Для введення акустичних
коливань у потік і для прийому їх на виході з потоку необхідні випромінювачі й
приймачі коливань - головні елементи первинних перетворювачів ультразвукових
витратомірів.
При стиску й розтяганні в
певних напрямках деяких кристалів (п’єзоэлементів) на їхніх поверхнях
утворяться електричні заряди, і навпаки, якщо до цих поверхонь прикласти
різницю електричних потенціалів, то п’єззоэлемент розтягнеться або стиснеться
залежно від того, на який з поверхонь буде більше напруга - зворотний
п’єзоефект. На останньому заснована робота випромінювачів, що перетворюють
змінну електричну напругу в акустичні (механічні) коливання тієї ж частоти. На
На прямому п’єзоефекті
працюють приймачі, що перетворюють акустичні коливання в змінні електричні
напруги. Випромінювачі характеризуються п'єзоелектричним модулем d = S/E
(м/В), а приймачі - п’єзоконстантою по деформації h = E/S (В/м),
де Е - напруга на п’єзоэлементі; S - розмір пружної деформації.
Ефективність випромінювача росте з ростом d. Між h і d є
залежність h = (Ею /ее0) d, де Ею
- модуль Юнга; е - діелектрична проникність; е0 - електрична
постійна (діелектрична проникність вільного простору). Отже, з ростом
п’єззомодуля d зростає й п’єзоконстанта h.
В якості випромінювачів і
приймачів акустичних коливань у витратомірах застосовують п’єззокерамічні
матеріали, головним чином титанат барію ВаТіО3 і цирконат титанату
свинцю - твердий розчин цирконату Pb2O3 і титанату PbTi3
свинцю, що мають великий п’єзомодуль d і високу (1100-1500) діелектричну
проникність, у кілька сотень раз більшу, ніж у кварцу. Після спеціальної
обробки поверхні випромінювачів і приймачів їх покривають шаром металу (у
більшості випадків шляхом сріблення). До цього шару припаюють з’єднувальні
провідники.
Для одержання інтенсивних
акустичних коливань треба працювати на резонансній частоті fр
пьезоэлемента
р = (2у)-1
(Eю/с)0,5 = сп/2у, (1.15)
де у-товщина п’єзоелемента;
уп = (Eю/с)0,5 -
швидкість ультразвуку в п’єзоэлементі. Отже, fр зворотньо
пропорційна товщині у. З огляду на те, що сп = fл, де
л - довжина акустичної хвилі, одержимо, що при fр л/2
= у, тобто половина довжини хвилі л дорівнює товщині у п’єзоелемента.
При у = 1 мм fр
= 2,85 МГц для кварцу, 2,25 для титанату свинцю, 1,8 для цирконата титанату
свинцю й 2,0 МГц для ниобата титанату свинцю. У чистих рідинах працюють на
високих резонансних частотах fр і тому застосовують тонкі
п’єзокерамічні пластини. Для речовин, що містять механічної домішки або газові
бульбашки, коли необхідна невелика частота fр, застосовують
п’єзокераміку великої товщини або із двох сторін тонкої п’єзокерамічної
пластини наклеюють товсті металеві накладки. Випромінювачі й приймачі в
більшості випадків виготовляють у вигляді круглих дисків діаметром 10-20 мм,
іноді менш.
У більшості випадків площини випромінюючих й
приймаючих п’єзоелементів розташовані під деяким кутом и до осі труби.
Тоді акустичні коливання під кутом б = 90°- и до осі труби
проходять у вимірюваній речовині шлях довжиною L. Позначимо через хL
швидкість потоку, усереднену по довжині L. Її проекція на напрямок L
буде х·cos а. Якщо звуковий промінь спрямований в сторону руху
потоку, то час ф1 проходження їм відстані L визначиться з
рівняння L1 = L/(c + хcosб), де c - швидкість
поширення акустичних коливань у нерухомій вимірюваній речовині. При зворотному
напрямку звукового променя час ф2 проходження їм тієї ж відстані L
буде більше, як це випливає з рівняння
ф2 = L/(c -
х cosб). (1.16)
Надавши цим рівнянням вид
ф1 = (L/c) (1 + (хL cosб)/с)-1
і ф2 = (L/c)
(хL cosб)/с)-1 (1.17)
і віднімаючи одне з
іншого, одержимо
(1.18)
З огляду на те, що хL cos а/c <
10-3, знайдемо
Дф = 2L cos бхL//c2. (1.19)
Якщо акустичні коливання
спрямовані вздовж осі труби, то cos б = 1 і Дф = 2L хc
/c2, де хc - осьова швидкість потоку.
Таким чином, різниця часу
Дф прямо пропорційна швидкості хc або х.
Є кілька способів
вимірювання дуже малого значення Дф: фазовий, при якому виміряється різниця
фазових зсувів акустичних коливань, що направлені в напрямі потоку й проти
нього (фазові витратоміри); часоімпульсний метод, заснований на безпосередньому
вимірюванні різниці часу проходження коротких імпульсів по потоці й проти нього
(часоімпульсні витратоміри); частотний метод, при якому виміряється різниця
частот повторення коротких імпульсів або пакетів акустичних коливань, що
направляються в напрямі потоку й проти нього (частотні витратоміри). Найбільше
поширення одержав останній метод і його різновиди.
По числу акустичних
каналів ультразвукові витратоміри підрозділяються на однопроменеві або
одноканальні, двопроменеві або двоканальні й багатопроменеві або
багатоканальні. У перших є тільки два п’єзоелементи, кожний з яких по черзі
виконує функції випромінювання й прийому. Їхня істотна перевага - відсутність
просторової асиметрії акустичних каналів, що залежать від розходження їхніх
геометричних розмірів, а також розходження температур і концентрації потоку в
них. Другі мають два випромінювачі й два приймачі, що утворять два незалежних
акустичних канали, які розташовуються паралельно або перехрещуються один з одним.
Багатоканальні застосовуються при необхідності вимірювання витрати деформованих
потоків або ж для досягнення підвищеної точності, зокрема, у випадку
застосування ультразвукового витратоміра в якості зразкового.
Фазові ультразвукові
витратоміри
Фазовими називаються
ультразвукові витратоміри, засновані на залежності фазових зсувів
ультразвукових коливань Дц, що виникають на приймальних п’єзоелементах, від
різниці часу Дф проходження цими коливаннями однієї й тієї ж відстані L в
напрямі потоку рідини, що рухається, або газу й проти нього. Дійсно, за умови,
що початкові фази обох коливань, що мають період Т и частоту f, зовсім
однакові, одержимо
Дц = 2рДф/Т =
2рfДф. (1.20)
Підставляючи звідси
значення Дф у рівняння, одержимо залежність між Дц і середньою швидкістю потоку
хL по довжині L для кутових перетворювачів
Дц = 2Lщcos бхL/c2, (1.21)
де щ = 2рf - кругова
частота коливань.
Для перетворювачів з
осьовим напрямком випромінювання б = 0 і Дц = 2L щ хL/c2.
При відсутності кишень,
заповнених речовиною, що вимірюється L = D/sin б і хL
= хD. Тоді одержимо
Дц = 2 D щ хD/c2.·
c2 tg б (1.22)
Для осьових
перетворювачів при б = 0 ця формула не має змісту.
У витратомірі для
контролю нафти й нафтопродуктів, перемикання п’єзоелементів з випромінювання на
прийом виробляється за допомогою мультивібратора, що управляє модуляторами
задаючого генератора. Особливий генератор створює синусоїдальну напругу низької
частоти, з якого в тригерному пристрої утворюються прямокутні імпульси. Задній
фронт цих імпульсів служить для включення мультивібратора.
Є витратоміри, у яких
ультразвукові коливання частотою 2,1 МГц протягом 500 мкс поширюються назустріч
один одному зі зсувом фази на 180°, після чого мультивібратор перемикає
п’єзоелементи з режиму випромінювання на режим прийому. В інших витратомірах
перемикання виробляється особливим генератором, що створює сигнали двох форм.
Один із сигналів включає генератор, що збуджує коливання п’єзоелементів, другий
сигнал перемикає п’єзоелементи на прийом. Прийняті коливання після посилення
перетворяться в імпульси прямокутної форми. Після проходу через детектор зсуву
фаз ширина імпульсів на виході пропорційна цьому зсуву. На виході після
випрямлення маємо напругу постійного струму, пропорційну витратам. Частота
коливань 4,2 МГц, частота перемикання п’єзоелементів 4,35 кГц. Кут нахилу
п’єзоелементів 30°. Діаметр труби 100 мм.
Через складність більшості схем перемикання
пьезоэлементов з випромінювання на прийом створені фазові одноканальні
витратоміри, що не вимагають перемикання. У таких витратомірах обидва
п’єзоелементи безупинно випромінюють ультразвукові коливання двох різних, але
досить близьких частот, наприклад 6 МГц і 6,01 Мгц. Більш прості електронні
схеми мають двоканальні фазові витратоміри. На рис. 1.18. показана схема приладу,
призначеного для вимірювання витрати рідин у трубах, що мають D,
рівний 100 і 200 мм, і розрахованого на Qmах рівне 30; 50; 100; 200
і
Рис. 1.18. Схема фазового
ультразвукового витратоміра
300 м3/год. Частота 1 МГц, максимальна
різниця фаз (2-2,1) рад. Похибка витратоміра ±2,5%. Генератор Г з
допомогою узгоджуючих трансформаторів, зв'язаний з п’єзоелементами П1 і
П2. Ультразвукові коливання, випромінювані останніми, проходять через
рідинні хвилеводи 1, мембрани 3, герметично вмонтовані в стінки
трубопроводу, проходять через вимірювану рідину 2 і потім через мембрани
5 і рідинні хвилеводи 6 надходять на приймальні п’єзоелементи П1 і
П2. Останні на виході з'єднані з фазометричною схемою в складі
фазорегулятора ФВ; двох однакових підсилювачів В1 і В2, керованих
вузлами автоматичного регулювання АРУ1 і АРУ2; фазового детектора
ФД і вимірювального приладу (потенціометра) РП. Фазорегулятор ФВ
призначений для регулювання початкової точки фазового детектора й коректування
нуля. Наведена похибка витратоміра ±2,5%.
Фазові витратоміри були
раніше найпоширенішими серед ультразвукових, але в цей час переважне застосування
мають частотні витратоміри, за допомогою яких можна одержати більше високу
точність вимірювання.
Частотні ультразвукові
витратоміри
Частотними називаються
ультразвукові витратоміри, засновані на залежності різниці частот повторення
коротких імпульсів або пакетів ультразвукових коливань від різниці часу Дф
проходження цими коливаннями тієї самої відстані L в напрямі потоку
рідини, що рухається, або газу й проти нього.
Як тільки перші
електричні коливання, створювані п’єзоелементами П1 і П2, пройшовши
через підсилювачі У1 і У2 і детектори Д1 і Д2, досягнуть
модуляторів Ml і М2, останні, працюючи в триггерному режимі,
замикають прохід коливань від генератора Г до п’єзоелементів U1 і
U2. Модулятори відкриваються знову, коли останні коливання досягнуть їх.
Тому між п’єзоелементами U1 і U2 будуть проходити пакети
акустичних коливань із періодом проходження 2T1, а між
п’єзоелементами U2 і U2 - з періодом проходження 2Т2.
Частота проходження перших пакетів f1 - 1/2T1,
а других f2 = 1/2Т2. Прилад, підключений до
змішувального каскаду СМ, буде вимірювати різницю частот
1 - f 2
= l/2T1, - l/2Т2 (1.23)
Рис. 1.19.
Частотно-пакетний двоканальний витратомір
а - схема
витратоміра; б-коливання на тракті И1-П1, в-коливання на
тракті И2-П21,
г-робота
модулятора М1; д - робота модулятора М2
На рис. 1.20. наведена схема, у якій виміряється
різниця частот двох керованих генераторів, періоди яких за допомогою
автоматичного підстроювання частоти встановлюються в k раз меншими часу
поширення ультразвукових коливань у напрямку швидкості потоку й проти її.
Перетворювач витрат одноканальний має п’єзоелементи 1 і 2, до яких по
черзі надходять імпульси: до першого від генератора 4 з періодом
повторення Т1, а до другого від генератора 8 з періодом
повторення Т2. Час проходження акустичних імпульсів у
трубопроводі в напрямку потоку ф1 і проти нього ф2
в k раз більше періодів Т1 і Т2 відповідно.
Тому в потоці одночасно буде знаходитись К імпульсів. При посилці
акустичних імпульсів в напрямку потоку комутатор 5 одночасно підключає
п’єзоелемент 1 до генератора 4, а п’єзоелемент 2 до підсилювача
прийомних сигналів 6. При зворотній посилці імпульсів генератор 8 підключається
до п’єзоелементу 2, а підсилювач 6 до п’єзоелементу 1. З
виходу підсилювача 6 імпульси надходять на вхід дискримінатора часу 10,
на який одночасно через комутатор 9 надходять імпульси від
генератора 4 або 8, що створюють опорну напругу на
дискримінаторі. Напруга на виході дискримінатора дорівнює нулю, якщо імпульси
від підсилювача 6 надходять одночасно з імпульсами від генераторів, що
буде, якщо ф1 = kT1 і ф2 = kТ2.
У протилежному випадку на на виході дискримінатора виникне напруга,
полярність якої залежить від того, випереджають чи відстають від опорних
імпульси від підсилювача 6. Ця напруга через комутатор 11
подається через підсилювачі до реверсивних двигунів 3 або 7, які
змінюють частоту імпульсів генераторів 4 і 8 доти, поки напруга
на виході дискримінатора стане рівним нулю. Різниця частот імпульсів F1
- F2, що виробляється генераторами 4 і 8, виміряється
частотоміром 12. Очевидно,
1 - F2
= F1 (f1 - f2), (1.24)
де f1
= 1/ ф1; f2 = 1/ ф2; F1
= 1/T1 = k / ф1; F2 = 1/T2
= k /ф2.
Рис. 1.20. Схема
одноканального частотного витратоміру
Зі збільшенням k зростає
вимірювана частота Ft - F2, але k повинен
задовольняти нерівності k≤cmіm/2 (стах - cmіn).
Останнє вимагає, щоб значення k залишалося постійним при можливій зміні
швидкості ультразвуку від мінімального сmin до максимального сmах
його значення. При визначенні f1 і f2
необхідно, щоб f1 і f2 ураховували
також і час проходження акустичних коливань у мембрані й звукопроводі, а також
час ф3 затримки в електричній схемі. У моменти зміни витрат час ф3
зростає за рахунок часу, необхідного для включення двигунів і зміни T1
і Т2 до необхідних значень.
Інший шлях множення
різностної частоти fx - f2 складається у
вимірюванні різниці частот Ft - F2 двох
генераторів високої частоти, з яких в один період T1 коливань
пропорційний часу х1 проходу акустичних коливань в напрямку
потоку, а в іншого Т2 - пропорційний часу ф2
проходу акустичних коливань проти потоку. Після проходу через пристрій поділу
через кожні 6 мс посилають два імпульси, розділені часом ф1 або ф2.
Перший імпульс проходить по потоку (або проти нього) і після посилення
надходить на схему порівнювання, куди подається також другий імпульс, який не
проходить через акустичний тракт. Якщо ці два імпульси надходять не одночасно,
то включається пристрій, що регулює частоту одного F1 або
іншого F2 генератора, поки на схему порівняння не будуть
приходити обидва імпульси одночасно. А це буде тоді, коли період цих імпульсів
буде дорівнювати ф1 або ф2. Похибка вимірювання витрати
не перевищує ±1%.
Одноканальний частотно - імпульсний витратомір,
особливість якого складається у включенні в схему електричної затримки всіх
прийнятих, а також відбитих сигналів на час ф3. Це зсуває
моменти приходу робочих імпульсів стосовно часу приходу паразитних відбитих
імпульсів і усуває похибку від асиметрії фронтів накладення відбитих сигналів
на робочі. Для збільшення терміну служби витратоміра в ньому є другий запасний
акустичний канал.
У розглянутих
одноканальних частотно-імпульсних витратомірах є почергова комутація імпульсів,
що направляються в напрямі потоку й проти нього. Це вимагає точного вимірювання
й запам'ятовування частот автоциркуляції імпульсів в напрямі потоку f1
і проти нього f2 з наступним виміром різниці f1
- f2. Крім того, неодночасне зондування в напрямі потоку й
проти нього може дати похибку через зміну гідродинамічних властивостей потоку.
Цих недоліків позбавлений одноканальний витратомір, у якому одночасно
циркулюють імпульси в напрямі потоку й проти нього. Для виключення моменту
збігу випромінювання й прийому ультразвукових імпульсів п’єзоелементом виробляється
по черзі відносний зсув - затримка - у часі кожної послідовності імпульсів.
Частота цих затримок пропорційна швидкості потоку.
При цьому виключаються
великі похибки, властиві способам запам’ятовування частот автоциркуляцій
ультразвукових сигналів в напрямі потоку і проти нього з наступним виділенням
сигналу частоти різниці. Наведена похибка витратоміра не перевищує ±0,5%.
Висока точність виміру
досягається також в одноканальному частотно-пакетному витратомірі, де
автоматичне підстроювання частоти керованих генераторів здійснюється не в
одному, а у двох каналах елемента порівняння опорного сигналу із сигналами, що
надходять від п'єзоелектричних перетворювачів. Перший канал - часовий
дискримінатор - робить грубу, а друга - фазовий детектор - більше точне підстроювання
частоти. Наведена похибка витратоміра ±0,2%; Qmax = 40 м3/год;
ДFmax = 2875 Гц.
Є схеми одноканального частотно-імпульсного
витратоміра з одночасною циркуляцією імпульсів в обох напрямках. У приладі
вимірюється різниця частот двох генераторів ДF, що за допомогою двох
дільників частоти й системи автопідстроювання частоти стає в 100 разів більше
різниці частот Дf акустичних імпульсів, що циркулюють у потоці. Такий метод
вимірювання називається кратно-частотним.
Часоімпульсні
ультразвукові витратоміри
Часоімпульсними
називаються ультразвукові витратоміри, у яких вимірюється різниця часу Дф
переміщення коротких імпульсів по напрямку потоку й проти нього на довжині
шляху L. Ця різниця Дф зв'язана із середньою швидкістю х рівнянням
Дф = 2Lх cos б/с2. Якщо L = D/sin б, то Дф = 2Dх ctg
б/с2. Для осьових перетворювачів б = 0 і Дф = = 2Lх/c2.
Значення Дф дуже мале: 10-6
-10-7 с, а похибка виміру повинна бути не більше 10-8-10-10
с. Часоімпульсні витратоміри в більшості випадків одноканальні й працюють на дуже
коротких імпульсах тривалістю 0,1-0,2 мкс, що посилаються назустріч один одному
по черзі або одночасно із частотою, наприклад 0,5 кГц.
На рис. 1.21. наведена
спрощена схема одногоканального часоімпульсного витратоміра. Генератор Г створює
імпульси, що мають амплітуду 700 В, тривалість 0,2 мкс і частоту
проходження 800 Гц, які за допомогою вібраторів В1 і В2, що
працюють із частотою 400 Гц, подаються по черзі до п’єзоелементів П1 і П2.
Останні посилають у рідину швидко загасаючі ультразвукові імпульси (рис.
1.21),), а вібратори В1 і В2 включають зарядні пристрої ЗУ1 або
ЗУ2. Від генератора Г одночасно надходить імпульс до
п’єзоелементу П1 і імпульс до тригера ЗУ2, установлюючи його в
активний стан провідності. При цьому включається пристрій З2, що виробляє
пилкоподібну напругу протягом часу ф1 проходження ультразвуку
через вимірювану речовину. Максимальне значення U цієї напруги
пропорційну ф1. У момент приходу ультразвукового імпульсу до
п’єзоелементу П2 пристрій З2 відключається. У такий же спосіб за
час ф2 проходу ультразвукового імпульсу проти потоку від П2 до
П1 пристрій З1 виробляє напругу U2, пропорційне
ф2. Різниця напруг U2 - Ut вимірюється
пристроєм ИУ. Такий цикл повторюється 400 разів у секунду.
Рис. 1.21. Схема одно
канального часоімпульсного витратоміра:
а - схема
витратоміра; б-робота вібраторів; в, г-імпульси, що сприймаються
і випромінюються п’єзоелементами П1 і П2 відповідно; д, е -
робота пристроїв, що виробляють напругу.
В часоімпульсному
витратомірі для підвищення динамічних характеристик і усунення можливості появи
похибки від асиметрії на два п’єзоелементи одночасно подаються короткі
імпульси, що збуджують ультразвукові коливання, що рухаються назустріч один
одному. Після досягнення ними протилежних п’єзоелементів в останніх утворюються
електричні імпульси, які разом з імпульсами від генератора проходять через
підсилювачі й формувачі, після чого надходять у пристрій, що виробляє напругу,
пропорційну Дф.
Ультразвукові витратоміри
з корекцією на швидкість звуку й густина вимірюваної речовини
Розглянуті ультразвукові
витратоміри служать для вимірювання об'ємної витрати. Для вимірювання масової
витрати треба мати окремий додатковий п’єзоелемент, що збуджується на
резонансній частоті, який посилає акустичні коливання у вимірювану речовину.
Напруга, що знімається з нього, пропорційна питомому акустичному опору речовини
сс, якщо останній багато менший опору генератора. Помноживши електричний
сигнал Ар, створюваний цим п’єзоелементом, на сигнал Ао,
пропорційний об'ємній витраті, одержимо на виході сигнал, пропорційний
масовій витраті. Подібний пристрій, застосований у витратомірі з акустичними
коливаннями, перпендикулярними до руху потоку, наведено далі на рис. 1.22.
Для усунення похибки від
зміни швидкості ультразвуку с у вимірюваній речовині у фазовому і
часоімпульсному витратомірах застосовують особливі схеми корекції. Для цієї
мети встановлюється додаткова пара п’єзоелементів на протилежних кінцях
діаметра трубопроводу. Час tс проходження акустичних коливань
між ними зворотно пропорційний швидкості с. Відповідний коригувальний
вимірювальний сигнал Ас пропорційний с-1.
Він зводиться у квадрат і на нього ділиться основний сигнал А витратоміра,
пропорційний х/c2. Очевидно, що результуючий сигнал А/Aс2
буде пропорційний швидкості х і не буде залежати від швидкості
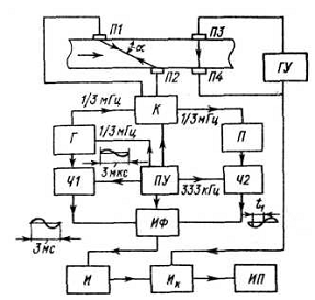
ультразвуку с. На рис. 1.22. дана схема подібного одноканального
фазового витратоміру Програмний пристрій ПУ забезпечує почергову подачу
від генератора Г електричних коливань частотою 1/3 МГц до п’єзоелементам
П1 і П2 через комутатор К. Прийняті коливання від цих
п’єзоелементів надходять через комутатор К, прийомний пристрій Л і
перетворювач частоти Ч2, що знижує частоту до 1/3 кГц, у
вимірювач ИФ зсуву фази між ними й вихідними коливаннями, що надходять
від генератора Г через перетворювач частоти Ч2. Пристрій И вимірює
різницю зсуву фаз, пропорційну різниці часу ф2 - ф1 проходження
ультразвуку в напрямі потоку ф1 і проти нього ф2, і
виробляє сигнал А, пропорційний х/с2.
Рис. 1.22. Схема фазового
одноканального витратоміра з корекцією на швидкість вуку
П’єзоелементи ПЗ і
П4 мають свій генератор-підсилювач ГУ й виробляють сигнал Ас,
пропорційний часу проходження ультразвуку між ними й, отже, пропорційний с-1.
У пристрої Ик відбувається розподіл сигналу А на
квадрат сигналу Ас, і у вимірювальний прилад ИП надходить
сигнал, пропорційний швидкості х. За даною схемою побудований прилад для
для виміру витрати нафти Qmax = 1200 м3/год при в'язкості
2•10-6 -2:10-5 м2/з і температурі 10°С. Його
відносна похибка 1%.
Є схеми з компенсацією
впливу швидкості ультразвуку для часоімпульсних витратомірів.
Висока точність вимірювання є
однією з основних вимог до витратомірів. Також важливим є забезпечення
незалежності вимірювання від густини речовини. Незалежність результатів
вимірювання від зміни густини можна зробити двома шляхами:
) застосування приладів, що вимірюють масові
витрати, покази яких не залежать від густини речовини. До таких приладів
відносяться теплові і силові витратоміри.
) впровадження об’ємних витратомірів, зокрема
змінного перепаду тиску; забезпечення пристроями для автоматичної корекції
показів на зміну густини або, хоча би на зміну тиску і температури. Особливо
необхідні такі прилади для вимірювання витрат газу.
Швидкість обробки інформації приладу визначається
його хорошими динамічними характеристиками, необхідними для можливого
вимірювання швидкозмінних витрат, а також у випадку застосування приладу в
системі автоматичного керування. Швидкість обробки інформації оцінюється значенням
постійної часу Т. Чим менше Т, тим більша швидкість
обробки інформації приладу. У витратомірів із звужуючими пристроями час Т
зменшується разом зі зменшенням довжини з’єднувальних трубок, зі
збільшенням граничних перепадів тиску Дрmax дифманометра, а
також зі зменшенням його вимірюваного об’єму Vu. Збільшення
довжини з’єднувальних трубок збільшує інерційність витратомірів. Дуже
швидкодіючими є електромагнітні, ультразвукові і турбінні витратоміри. Так у
останніх час Д Т вимірюється сотими і тисячними
долями секунди.
Великий діапазон вимірювань є одним з переваг
витратомірів. У приладів з лінійною характеристикою цей діапазон, тобто
відношення максимальних вимірюваних витрат до мінімальних дорівнює 8ч10. У
витратомірів з поворотною лопастею діапазон вимірювань досягає 15 і навіть
більш. У витратомірів із звужуючими пристроями внаслідок квадратичної
залежності між витратами і перепадом тиску діапазон вимірювань дуже малий. Він
дорівнює 3ч4. Підвищити його до 10 можна шляхом підключення до звужуючих
пристроїв двох дифманометрів, що мають різні Дрmax.
Надійність наряду з точністю є однією з основних
вимог, що висуваються перед витратомірами. Вона залежить як від будови приладу,
так і від його призначення і умов застосування Турбінний витратомір призначений
для відносно короткочасної роботи, тому діаметр осі турбінки можна вибирати
дуже малим. Внаслідок цього знижується момент тертя в підшипниках і зростає
точність вимірювань. Цього не можна робити в витратомірах, які призначені для
тривалої експлуатації. Вони повинні мати завищений діаметр осі, що забезпечує
надійну роботу приладу на протязі багатьох років, навіть якщо при цьому не буде
досягнена така висока точність вимірювання, як в першому випадку. Далі у
турбінних витратомірів треба враховувати змащувальну здатність вимірюваної
речовини. Якщо її немає, то прилад швидко виходить з ладу. На нафтопродуктах
витратоміри можуть надійно працювати тривалий час. Одним із шляхів, що
підвищують надійність цих приладів є створення безопорних конструкцій. Другий
шлях полягає в заміні турбінки кулькою. Кулькові витратоміри надійно працюють в
важких умовах експлуатації.
Суттєве значення для забезпечення надійної роботи
багатьох витратомірів, особливо камерних, має очистка від механічних домішок
або, хоча би фільтрації вимірюваної речовини.
І, звичайно, абсолютно недопустима робота
витратомірів на середовищах, по відношенню до яких, які-небудь елементи приладу
не є корозійно стійкими.
Для витратомірів характерна широка номенклатура
вимірюваних речовин одних рідин з різними властивостями, в тому
числі агресивних, абразивних, токсичних, вибухонебезпечних.
Витрати вимірюються самої різної величин від дуже
малих до надзвичайно великих. Для рідин вимірюються витрати від 10-2
кг/год. до 107-108 кг/год., а для газів - витрати від 10-4
кг/год. до 105-106 кг/год.
Найбільші труднощі виникають при вимірюванні дуже
малих і надзвичайно великих витрат. В цьому випадку застосовуються особливі
методи вимірювання. Для вимірювання незначних витрат розроблені струйні
витратоміри змінного перепаду тиску, а для дуже малих - прилади, основані на
частоті обліку капель речовини або бульбашок газу. При вимірювання дуже великих
витрат води на зрошувальних системах застосовується парціальний метод
вимірювання витрат.
Витрати вимірюються при самих різних тисках і
температурах. Діапазон тисків, при якому повинні працювати витратоміри
простягаються від достатньо глибокого вакууму до тисків, що вимірюються
тисячами атмосфер. Також широкий і діапазон температур. Дуже низькі температури
- від -200 до 250°С мають місце при вимірюванні витрат рідкого кисню і водню в
кріогенній техніці. Найбільш високі температури 600-800°С зустрічаються при
вимірюванні витрат горючих газів, а також розплавлених металів, які
застосовуються як теплоносії на атомних електростанціях.
Врахування тиску середовища вирішується шляхом
надання корпусу приладу належної товщини. При дуже низьких і дуже високих
температурах підходять далеко не всі методи із-за виникнення специфічних
труднощів.
Крім того, багато труднощів появляється при
градуюванні і повірці приладів при тисках і температурах, що не відповідають
умовам роботи.
Сучасні методи і прилади для вимірювання витрат.
На сьогодні витратоміри поділяються на нвступні
системи:
. Змінного перепаду тиску: із звужуючим
пристроєм; з гідравлічним опором; центробіжним, з попарними підсилювачами,
струйні.
. Змінного рівню: з затопленим отвором витікання;
з отвором витікання типу водозливу (щілинні).
. Обтікання: постійного перепаду тиску
(ротаметри, поплавкові, поршневі); поплавкові, пружинні, з поворотною лопастею.
. Тахометричні: турбінні (з аксіальною турбінкою,
з тангенціальною турбінкою; кулькові; камерні (поршневі, дискові, з кільцевим
поршнем, з овальними колесами, роторні, лопастні і ковшові).
. Силові з зовнішнім і внутрішнім силовим
впливом, коріолісові, гіроскопічні, турбосилові.
. Силові перепадні.
. Вихрові: з тілом, що обтікається; з лопатками,
що закручують потік.
. Теплові: калориметричні, з зовнішнім нагрівом,
термоанемометричні.
. Електромагнітні.
. Ультразвукові: із зміщенням коливань рухомого
середовища; доплеровські.
. Оптичні, основані на ефектах Фізо-Френеля і
Доплера.
. Концентраційні.
. Міточні.
. Ядерно-магнітні.
. Іонізаціонні.
. Кореляційні.
. Вібраційні.
. Парціальні.
Із перерахованих систем витратомірів силові-перепадні,
ядерно-магнітні і іонізаційні мають дуже обмежене застосування. Оптичні
витратоміри знаходять застосування майже виключно при науково-дослідних
роботах, а вібраційні і кореляційні знаходяться в стадії дослідної
експлуатації.
2. Види авіаційних витратомірів
Прилади, призначені для
виміру миттєвої або середньої витрат рідин і газів в одиницю часу, називаються витратомірами.
На літаках витратоміри застосовуються для виміру витрат палива, споживаного
авіаційними двигунами, а також для виміру витрат повітря у двигунах і
герметичних кабінах.
Для виміру сумарної
кількості палива за певний час (наприклад, за час польоту) застосовуються
підсумовуючі витратоміри. Ці прилади складаються із властиво
витратоміра, що вимірює витрати в одиницю часу, і інтегруючого пристрою, що
забезпечує підсумовування сигналів, пропорційних витратам.
Підсумовуючі витратоміри
в більшості випадків показують не витрачене, а кількість, що залишається,
палива, тому їх показання дублюють показання паливомірів. У порівнянні з топливомерами
витратоміри більше надійні і їхні показання не залежать від положення літака в
просторі.
З виразу для миттєвої
об'ємної витрати
= SV (2.1.)
і миттєвої вагової
витрати W
= гQ = ySV (2.2.)
рідин або газів ваговою
густиною г, що протікають через перетин S трубопроводу
зі швидкістю V, dвитікає, що виміри витрат можна звести до вимірів
величин г, S і V (або S і V). У багатьох
випадках одна з величин S або V залишається постійною, тоді вимір
витрати можна звести до виміру величини V при постійній S або
навпаки.
Швидкість потоку можна
виміряти й непрямими методами, наприклад, вимірюючи динамічний тиск рідини
(газу), зв'язаний зі швидкістю рівнянням Бернуллі. На цьому принципі засновані,
зокрема, дросельні витратоміри, застосовувані для виміру витрат повітря в
герметичних кабінах літаків.
У табл. 2.1а наведена
класифікація методів виміру витрати палива.
Об'ємні:
1. Поршневі. 5. Ковшеві.
. Дискові. 6. Зубчаті.
. Чашечні. 7. Гвинтові.
4. Лопастні.
Змінного перепаду:
1. З приймачем повітряного тиску.
2. З трубкою Вен тури.
. З соплом.
. З діафрагмою.
Швидкісні:
1. З крильчаткою.
2. З вертушкою.
. З поршнем.
Змінного перетину:
1. З заслінкою.
2. З диском.
. По нагріву.
Теплові: по тепловіддачі.
Витрати палива необхідно
вимірювати з великою точністю. Потужність поршневих і турбогвинтових двигунів і
тяга турбореактивних двигунів пропорційна витраті палива за одиницю часу.
Оскільки для підтримки заданої швидкості польоту відхилення тяги двигуна не
повинне перевищувати ±2%. Приблизно такі ж вимоги пред'являються до точності
вимірювання сумарної витрати.
Так як витратоміри палива
включаються в паливну магістраль, то до них пред'являються високі вимоги
відносно гідравлічного опору при нормальній роботі й при відмові приладу. У
першому випадку перепад тиску на датчику витратоміра не повинен перевищувати
0,15 кГ/см2, а в другому - 0,20 кГ/см2.
2.1 Дросельні витратоміри
Принцип дії дросельних
витратомірів заснований на вимірі швидкості в дросселированном (стислому)
перетині потоку рідини. Різниця тисків вимірюють диференціальним манометром
(рис. 2.1.).
Рис. 2.1. Схема
дросельного Рис. 2.2. Конструкція діафрагми
витратоміра
Залежність об'ємних Q і
вагових W витрат нестисненої рідини від різниці тисків р1-р2
визначається виразами:
(2.3)
(2.4)
де у - густина рідини, g - прискорення сили ваги, л
- коефіцієнт витрат, що залежить від густина рідини, типу й розмірів
дроселя, характеру витікання через дросель і т.д.
У дросельних витратомірах у якості дроселюючи пристроїв
використовуються діафрагма, сопло і трубка Вентури.
Діафрагма (рис. 2.2.) являє собою тонкий круглий диск із
отвором, концентричним трубопроводу. З боку входу рідини отвір має гостру кромку,
а далі розточений на конус із кутом 45°. Витратоміри із дросельними пристроями
у вигляді діафрагми вимагають градуювання в робочих умовах.
Сопло як дросельний
елемент (рис. 2.3.) застосовується при вимірюванні витрати повітря й газів.
Розміри сопел стандартизовані.
Рис. 2.3. Конструкція
сопла Рис. 2.4. Трубка Вентури
Трубка Вентури (рис.
2.4.) складається із двох конічних трубок, з'єднаних вузькими частинами між
собою. Діаметри широких частин дорівнюють діаметру труби, по якій тече рідина.
Як покажчики в дросельних
витратомірах застосовуються диференціальні манометри.
Витратоміри із трубкою
Вентури застосовуються для визначення вагових витрат повітря, що подається в
герметичну кабіну літака. Трубка Вентури витратоміра монтується в живильній
магістралі. Покажчиком витратоміра є прилад (рис. 2.5.), що сприймає сигнали
трубки Вентури 1.
Рис. 2.5. Кінематична
схема приладу й принципова схели його з'єднання із трубкою Вентури: 1 -
трубка Вентури; 2 - манометрична коробка; 3 - центр руомий; 4 - вісь
кривошипа; 5 - вісь; б-поводок; 7 - анероїдний блок; 8 - сектор; 9
- трубка; 10 - стрелка; 11 - волосок; 12 - корпус
приладу
Для одержання
градуйовочної формули витратоміра повітря зневажимо несуттєвою залежністю
коефіцієнта л від відношення тисків р1/р2 і
припустимо, що температура повітря постійна. Тоді для вагової витрати одержимо
(2.5)
Звідси видно, що для виміру вагових витрат повітря необхідно
виміряти абсолютний тиск р1 і перепад тисків р1
- р2, перемножити ці сигнали й витягти квадратний
корінь. Покажчик витратоміра (рис. 2.5.) містить манометричну коробку 2 для
виміру різниці р1 - р2 і анероїдний блок 7
для виміру абсолютного тиску р1. Анероїдний блок
включений у передавальний механізм, що забезпечує одержання операції множення.
Лінійність шкали виходить за рахунок вибору закону зміни передаточного числа по
куту повороту.
Шкала витратоміра проградуйована від 1 до 10 умовних
одиниць витрат. Похибка приладу при нормальній температурі не перевищує ±1,5
поділок шкали.
2.2 Швидкісні витратоміри
Принцип дії швидкісних витратомірів заснований на
залежності швидкості обертання крильчатки, поміщеної в потік рідини, від
швидкості потоку. (рис. 2.6).
Рис. 2.6. Крильчатка швидкісного
витратоміра
Якщо крильчатка не
навантажена то швидкість її обертання пропорційна швидкості потоку й об'ємним
витратам рідини. Отже, у швидкісних витратомірах вимір витрати зводиться до
виміру швидкості обертання крильчатки. Якщо замість швидкості обертання
вимірювати кут повороту вала крильчатки, то одержимо величину, пропорційну
сумарній витраті рідини за час обертання крильчатки.
Швидкість обертання
крильчатки залежить не тільки від величини витрат, але також від в'язкості
рідини, тому зі зміною в'язкості (при зміні температури або сорту палива)
показання приладу будуть мінятися.
Щоб не було спотворення
показань приладу крильчатка повинна бути ненавантажена, безпосередній вимір
швидкості обертання механічними приладами неможливий. Кутова швидкість
обертання перетворюється в електричний сигнал за допомогою індуктивного
датчика, переривника або спеціального тахогенератора. Отриманий електричний
сигнал у вигляді імпульсів напруги або струму подається на покажчик приладу.
У витратомірах миттєвих
витрат в якості покажчиків застосовуються сельсинні передачі й прилади
магнітоелектричної системи, а у витратомірах сумарних витрати - електромагнітні
лічильники імпульсів.
Швидкісні витратоміри миттєвих
витрат. Швидкість обертання ненавантаженої крильчатки пропорційна швидкості
потоку, тобто
(2.6)
де k1 - коефіцієнт, який
залежить від параметрів крильчатки
Рис. 2.7. Кінематична
схема витратоміра:
1 - крильчатка; 2 -
магніт; 3 - термомагнітний шунт; 4 - кожух;
5 - чутливий
елемент-склянка; 6 - пружини; 7 - сельсин-датчик
Для побудови приладів, що
вимірюють об'ємні або вагові витрати, необхідно виміряти швидкість обертання
крильчатки щ і передати отримане значення на покажчик, установлюваний на
приладовій дошці. Інакше кажучи, швидкісний витратомір миттєвих витрат включає
вимірник швидкості обертання, дистанційну передачу й покажчик.
Вимірювання кутової
швидкості здійснюється магнітоіндукційним тахометричним вузлом (рис. 2.7.).
Постійний магніт 2 вузли приводиться в обертання крильчаткою 1.
Для зменшення температурних похибок застосований термомагнітний шунт 3. Герметичність
датчика забезпечується застосуванням діамагнітного кожуха 4. При
обертанні магніту в чутливому елементі 5 наводяться вихрові струми, взаємодіючі
з полем магніту. Поворот чутливого елемента (склянки) обмежується протидіючою
пружиною 6. Очевидно, кут повороту склянки пропорційний миттєвій витраті
палива. На осі склянки знаходиться ротор сельсина-датчика 7 синхронної
передачі. Сельсин-приймач поміщений у покажчику приладу, причому його ротор
переміщує стрілку приладу відповідно до зміни миттєвої витрати палива.
Схема сельсинної передачі
показана на рис 2.8. Обмотки збудження 1-1ґ і обмотки синхронізації 2
і 2' розміщені на статорі сельсина-датчика (С-Д) і сельсина-приймача
(С-П). Циліндричний ротор сельсина складається із двох пакетів листової
електротехнічної сталі, впресованих у пластмасу. Індуктуєма в синхронізуючих
обмотках 2 і 2' ЕРС залежить від кутового положення роторів. При
несинхронному положенні роторів виникає синхронізуючий момент, що встановлює
ротор сельсина-приймача в положення, синхронне з ротором датчика.
Рис. 2.8. Схема
сельсинної передачі швидкісного витратоміра миттєвої витрати
Шкала миттєвої витрати
градуюється в кг/нас. Швидкісні витратоміри сумарних витрат. Вимір
сумарних витрат палива зводиться до інтегрування за часом сигналів про миттєві
витрати. Якщо крок інтегрування досить малий, то операція інтегрування може
бути дискретної. Дискретне інтегрування може бути просто реалізоване в системах
з імпульсними
перетворювачами, за
умови, що частота імпульсів пропорційна швидкості обертання. У цьому випадку
дискретне інтегрування зводиться до підрахунку числа імпульсів.
Для перетворення сигналів швидкості обертання в
електричні імпульси в підсумовуючих витратомірах використовується
індуктивно-імпульсний пристрій (рис. 2.9.), схема якого включає індуктивний міст,
утворений індуктивностями L1 L2, L3 і L4,
і тиратронний підсилювач. Котушка L2 має постійну
індуктивність, а індуктивність L1 змінюється за рахунок
обертання сердечника в зазорі магнітопроводу. Швидкість обертання сердечника
пропорційна швидкості крильчатки.
Рис. 2.9. Електрична
схема індуктивно-імпульсного пристрою
При зміні індуктивності L1
рівновага мосту порушується й на його діагоналі з'являється напруга,
частота якого дорівнює частоті живлячої напруги (400 Гц). Це напруга
через випрямлячі Д1 і Д2 і фільтр R2Сз
подається на сітку тиратронної лампи, при цьому потенціал сітки стає негативним
щодо катода.
Випрямляч зібраний по
двохнапівперіодній схемі і на його виході відбувається подвоєння напруги.
Схема тиратронного
підсилювача працює в таким чином. В анодне коло тиратрону, що живиться змінною
напругою 48В 400 Гц, включена обмотка електромагніта лічильника. Коли
міст урівноважений, та вихідна напруга на його діагоналі дорівнює нулю, тому на
сітці тиратрону потенціал теж дорівнює нулю. Анодна напруга тиратрону 48В
досить для його запалювання. Анодний струм, що протікає, викликає спрацювання
електромагніту. При розбалансування моста на його вимірювальній діагоналі
з'являється напруга, яка після випрямлення надходить на сітку тиратрону
Потенціал сітки знижується, і тиратрон стає закритим. Таким чином, тиратрон
буде запалюватися й закриватися відповідно до числа імпульсів, що надходять від
індуктивно-імпульсного мосту.
Особливості схем і будови
швидкісних витратомірів. На літаках знаходять застосування підсумовуючі
витратоміри, комбіновані витратоміри, що вимірюють сумарні і миттєві витрати, і
витратоміри об'єднані з ємностними паливо мірами.
Як приклад розглянемо
підсумовуючий витратомір, установлюваний на винищувачах і призначений для
виміру запасу палива на літаку. Із цією метою стрілка покажчика перед польотом
установлюється за допомогою кремальєри на запас палива в баках.
У комплект приладу
входять датчик 1, покажчик 2 і тиратронний переривник
(підсилювач) 3 (рис. 2.10.). Принципова електрична схема приладу
показана на рис. 2.11.
Котушки індуктивності L1
і L2, що становлять два плеча мосту, знаходяться в
датчику витратоміра. Тиратронний підсилювач включає двохнапівперіодний
випрямляч, що складається з двох германієвих діодів Д1 і Д2,
конденсаторів С1 і С2, фільтр R2C3
і тиратронну лампу. В анодне коло тиратрону включена обмотка електромагніта
ЕМ покажчика.
Будова і кінематична
схема датчика витратоміра показані на рис. 2.12. і 2.13.
Рис. 2.10. Витратомір:
/ - датчик; 2 - прилад,
що показує; 3 - тиратронний переривник
Корпус 1 датчика
має патрубки 2 і 3 для приєднання до паливної магістралі. Паливо
через напрямний апарат 4 попадає на крильчатку 5. При витраті
палива 16 000 л/год. крильчатка розвиває 2400 об/хв. Крильчатку
можна переміщати в осьовому напрямку, що при конічній формі каналу дозволяє
міняти швидкість обертання. Через черв'ячну передачу (див. рис. 2.13),
розташовану усередині напрямного апарата, крильчатка обертає із сповільненням в
30 разів втулку зі сталевим сердечником 7, розташованим усередині захисного
ковпачка 8 з діамагнітного матеріалу. Індуктивні котушки 9 і 10
зі сталевими сердечниками 18 розміщені із зовнішньої сторони корпуса
датчика й закриті захисним кожухом 14. Для початкового врівноважування
містка передбачений магнітний шунт 13.
Робота датчика полягає в
наступному.
Обертання крильчатки 5
передається сталевому сердечнику 7 індуктивного датчика 10. При
обертанні сердечника періодично змінюється повітряний зазор а, отже,
індуктивність котушки L1. Котушка L2 має
постійну індуктивність. Зміна індуктивності L1 приводить
до розбалансу мостової схеми, і на тиратронний підсилювач подаються сигнали у
вигляді імпульсів напруги.
В якості покажчика
приладу застосовується лічильник імпульсів, що складається з електромагніта 1,
який за допомогою собачки 3 повертає
Рис. 2.11. Принципова
електрична схема витратоміра РТС-16А
Рис. 2.12. Конструкція
датчика сумарної витрати:
- корпус; 1, 3 - патрубки;
4 - напрямний апарат; 5 - крильчатка; 8 - захисний ковпачок; 9
- котушки постійної індуктивності; 10 - котушки змінної
індуктивності; 11 і 12 - основа; 14 - захисний кожух; 15
- штепсельний роз’єм; 17 - з’єднувальна гайка
Рис. 2.13. Кінематична
схема датчика сумарної витрати:
- крильчатка; 6 - черв’ячна
передача; 7 - стальний сердечник; 9 - котушки постійної індуктивності; 8
- захисний ковпачок; 9 - котушки постійної індуктивності; 10
- котушки змінної індуктивності; 13-магнітний шунт; 16 -
підшипники; 18 - П - подібні стальні сердечники котушки храпове колесо 4
на один зуб при кожному замиканні кола. Стопорна собачка 5 охороняє
колесо від провертання. Зворотна пружина 6 служить для регулювання
зусилля повернення якоря. Редуктор, що складається із черв'яка 7, черв'ячного
колеса 8, шестірні 9, фіксатора 10, шестерень 11, 12
і 13, передає обертання храпового колеса 4 на стрілку 14. Стрілкая
переміщується в напрямку до нуля шкали 15 і в кожний момент часу показує
запас палива в паливній системі одного двигуна.
Перевод стрілки приладу
на поділку, що відповідає залитому запасу палива, виробляється кремальєрою 16,
на осі якої укріплена шестірня 17. При переміщенні кремальєри в
осьовому напрямку шестірня 17 приходить у зачеплення з шестірнею 11.
Підсумовуючий витратомір
палива працює в діапазоні витрат від 900 до 16 000 кг/год. Похибки
приладу при нормальних умовах не перевищують ±2,5%. Шкала підсумовуючого
витратоміра градуюється в літрах.
Рис. 2.14. Кінематична
схема показую чого приладу
Як приклад комбінованого
витратоміру, що вимірює миттєві і сумарні вагові витрати, розглянемо наступний
прилад.
Датчик витратоміра (мал.
2.15) включає крильчатку 1, що приводить в обертання тахогенератор
змінного струму й магнітний комутатор. Тахогенератор включає постійний магніт 2
і статорну обмотку 8. Рух на комутатор 5 передається через черв'ячну
передачу 3. Швидкість обертання комутатора вибирається такий, щоб
частота модуляції індуктивності 6 при найбільшій витраті була на порядок
менше частоти живлячої напруги. Індуктивність котушки 7 постійна.
Частота напруги на
затискачах тахогенератора пропорційна швидкості обертання крильчатки, тобто
миттєвій об'ємній витраті палива, а число імпульсів зміни індуктивності в
котушці 6 за певний час дорівнює сумарній об'ємній витраті палива за той
же час.
Рис. 2.15. Схема датчика
витрат і густини:
- крыльчатка; 2
- постійний магніт; 3 - черв'ячна передача; 4 -ємнісний датчик
густини; 5 - обертовий якір (переривник); 6 - котушка змінної
індуктивності; 7 - котушка постійної індуктивності; 8 - обмотка
тахогенератора
Для отримання миттєвих і
сумарних вагових витрат необхідно помножити миттєві і сумарні вагові витрати на
густину палива. Вимірювання густини здійснюється плоским конденсатором 4,
ємність якого пропорційна густині:
(2.7)
поскільки
, де
- густина,
- діелектрична постійна, S і D - площа обкладок і
відстань між ними.
Рис. 2.16. Принципова електрична схема витратоміру:
; - тахогенератор; 2-блок підсилення і формуровання
сигналів; 3-катодний повторювач, 4 - цетектор: 5 і 6-потенціометри;
7-резистори схеми для отримання опорної напруги; 8-датчик контрольних
сигналів миттєвих витрат; 9-конденсатор датчика густини; 10-постійний
конденсатор; 11 і 13-потенціометри; 12-перемикач ґатунку
палива; 14-потенціометр для регулювання схеми вимірювання густини; 15-датчик
контрольных сигналов плотности; 16-резистор; 17 и 18-потенциометры';
19-редуктор; 20-реле; 21-електромагніт лічильника
імпульсів; 22-диференціал; 23-стрілка; 24-датчик
контрольних сигналів суммарного витратоміру; 25 - микровимикач корекції;
26-крильчатка і тахогенератор; У1 У2, У3-підсилювачі;
Д1, Д2, Д3 - двигуни; М,
и М2-електромагнітні муфти; МУ-магнітний підсилювач і комутатор
Принципова схема витратоміра показана на рис 2.16. Для
виміру об'ємної витрати палива V сигнал тахогенератора 1
подається в блок підсилення й формування (БУФ), де здійснюється підсилення
сигналів, формування прямокутних імпульсів постійної амплітуди й перетворення
останніх у сигнали постійного струму, усереднене значення яких пропорційне
частоті сигналів тахогенератора. Ця напруга подається на потенціометр 5 и
порівнюється з допомогою наглядової системи У3 і Д3,
з опорною напругою на потенціометрі 6. Двигун Д3 крім
зрівноважування сигналів на потенціометрах 5 і 6, переміщає стрілку приладу й
движок потенціометра в датчику 8 сигналу контролю.
Густина палива виміряється ємнісним датчиком 9,
що поміщається в паливний трубопровід і включається в мостову схему, утворену
конденсаторами 9 і 10 і потенціометрами 11 і 13. Зрівноважування
мосту здійснюється наглядової системи, що включає підсилювач У1
і двигун відпрацьовування Д1. Перемикач 12 служить для
підгонки схеми до гатунку палива, а потенціометр 14 - для регулювання
шкали. Двигун Д1 крім зрівноважування мосту, переміщує движок
потенціометра 5 в схемі відпрацювання об'ємних витрат палива, здійснює
тим самим корекцію миттєвих витрат на зміну густини палива, а також движок
потенціометра 17 у схемі корекції сумарних витрат.
Рис. 2.17.
Диференціальний витратомір
Вимірювання сумарних об'ємних витратпалива
здійснюється схемою, що включає крильчатку й тахогенератор 26, магнітний
підсилювач і модулятор МУ й електромагніт 21 із храповиком і
диференціалом 22. Для внесення поправки на зміну густини палива служить
наглядова система, що включає потенціометри 17 і 18, підсилювач У2
і двигун відпрацювання Д2, а також пристрій вмикання,
до складу якого входять: мікровимикач 25, реле 20, електромагнітні
муфти М, і М2 і редуктор 19. Спрацьовування мікровимикача 25
здійснюється від кулачка в покажчику сумарних витрат через кожні 500 кг,
при цьому реле 20 включає електромагнітні муфти M1 або
М2. Якщо включено муфту М1, то відбувається
підключення мосту 17 і 18 до наглядової системи У2 і
Д2, завдяки чому сигнал корекції на густину через редуктор
19 надходить на диференціал, а отже, і на покажчик сумарних витрат.
Діапазон вимірювання по
шкалі миттєвих витрат - від 600 до 7000 кг/год. і шкалі сумарних витрат
- до 25 000 кг.
Похибка приладу по
миттєвих і сумарних витратах не перевищує ±2%. Вага приладу не більше 13 кг.
Диференціальний
витратомір сумарної витрати (мал. 2.17) має два датчики сумарних витрат, що
вимірюють витрати в паливних магістралях двох двигунів, дві вимірювальні схеми
і один покажчик, стрілка якого показує запас палива з урахуванням його витрати
в обидва двигуни.
Третій датчик ввімкнениий
в магістраль заправки паливом і служить для визначення кількості палива при
заправці літака. Вимірювальна схема цього витратоміра слідуюча. Електромагніт
паливоміру заправки переміщує стрілку приладу в напрямку максимального запасу
палива. Коли заправка закінчена, паливомір заправки не працює.
Похибки швидкісних
витратомірів. Швидкісні витратоміри є приладами непрямого методу вимірювання,
тому їм властиві методичні похибки. При градуюванні в об'ємних одиницях
методичні похибки відсутні, тому що площа перетину S постійна. Але при
градуюванні у вагових одиницях у миттєвих й у підсумовуючих витратомірах методична
похибка виникає внаслідок зміни вагової густини щільності в при зміні
температури або гатунку палива.
Похибки при заміні
гатунку палива можуть досягати 5-6%. Вони враховуються поправочними графіками.
На шкалах витратомірів звичайно вказується значення градуювання густини палива.
Методичні температурні
похибки в діапазоні температур палива ±60° С досягають +3-4% і 5-10%. Для
автоматичної компенсації цих похибок пропонується застосовувати чутливі
елементи, що реагують на температуру палива, і подають компенсаційні сигнали в
схему приладу. В якості таких чутливих елементів можуть застосовуватися ємнісні
датчики, у яких діелектрична постійна е є функцією температури палива, і
біметалічні компенсатори, сигнали яких можна використовувати для осьового
переміщення крильчатки.
Інструментальні похибки
швидкісних витратомірів складаються з похибок датчика, вимірювальної схеми й
покажчика.
Похибки датчика
обумовлені головним чином моментом навантаження Мн на
крильчатку, що визначається моментом тертя в опорах, моментом рідинного Мж
опору й моментом від перетворювача сигналів Мпр, тобто
Мн = Мн + Мж + Мпр. (2.8)
Якщо момент навантаження
зрівняти з моментом, що розвивається крильчаткою Мд, то порушиться
пропорційність. Для зменшення цих похибок варто вибирати параметри датчика так,
щоб
Мд ≥ Мн. (2.9)
Температурні
інструментальні похибки тахометричного вимірювача в миттєвому витратомірі
компенсуються термомагнітним шунтом.
Інструментальні похибки
схеми підсумовуючого витратоміра практично відсутні, оскільки число імпульсів
пропорційно витраті.
Розрахунок швидкісних
витратомірів.
Вихідними даними для
розрахунку швидкісних витратомірів служать діапазон вимірювання по миттєвих і
сумарних витратах, необхідна точність і припустимий перепад тисків. Розглянемо
розрахунок чутливого елемента (крильчатки) витратоміра.
Завданням розрахунку
крильчатки є визначення залежності швидкості обертання й похибок вимірювання
від миттєвої витрати палива, оцінка правильності вибору параметрів крильчатки з
погляду забезпечення необхідної точності й допустимого перепаду тисків.
Розрахунок можна робити
за наступною схемою.
. Вибір параметрів
крильчатки.
Визначаємо прохідний
перетин
(2.10)
де Q - максимальне значення миттєвих витрат в Г/сек;
г - питома вага палива в Г/см;-
швидкість протікання палива в см/сек.
Знаходимо габаритні параметри крильчатки:
см2, (2.11)
де R - зовнішній
радіус у см;
r - внутрішній радіус
(вибраний з конструктивних міркувань) у см;- довжина лопасты в см.
Вибираємо гідравлічний
крок крильчатки. В існуючих авіаційних витратомірах гідравлічний крок приймається
рівним
Кк = 5 ч 20 см
Визначаємо кут нахилу
лопастей крильчатки
. (2.12)
Знаходимо довжину крильчатки
, (2.13)
де z - число лопастей
. Розрахунок моменту навантаження.
Працездатність витратоміра визначаємо нерівністю
МД > МН (2.14)
де МД - рушійний момент; МН
- момент навантаження.
Момент тертя Мтр обчислюємо по відомих формулах,
величина його залежить від виду опори крильчатки.
Момент Мпр, так само як і момент тертя МТР,
залежить від типу перетворювача.
Для наближеного розрахунку моменту Мж можна
скористатися співвідношенням
Г·см, (2.15)
де
- напруга тертя в Г/см2.
Розрахунок навантажувального моменту закінчується
визначенням залежності сумарного моменту від витрати, тобто
n = MH(Q). (2.16)
3. Визначення похибки від навантаження ен при
вимірюванні витрат без обліку витоку:
(2.17)
де
- швидкість обертання ідеальної
крильчатки в об/хв;
- швидкість обертання крильчатки з врахуванням навантажувального
моменту;
- швидкість закручення потоку.
Швидкість обертання ідеальної крильчатки.
об/хв.
де S - прохідний переріз в см;
Q - миттєві витрати в см3/сек;
КК - гідравлічний крок в см.
Швидкість закручення потоку
об/хв..
Критерієм оцінки правильності зробленого вибору параметрів
крильчатки служить забезпечення необхідної точності у всьому діапазоні виміру
миттєвих витрат.
2.3 Електромагнітні витратоміри
Електромагнітний витратомір дозволяє вимірювати витрати
агресивних, отрутних, займистих і інших небезпечних рідин, питомий електричний
опір яких не перевищує 100 000 ом/см3.
Принцип дії електромагнітного витратоміра заснований на
прямому використанні закону електромагнітної індукції. При цьому роль
провідника, що рухається в магнітному полі, виконує сама рідина, яка повинна
бути провідної. Магнітне поле, вісь якого повинна бути перпендикулярна напрямку
руху рідини (осі трубопроводу); може бути створене за допомогою електромагніта
(рис. 2.18).
Рис. 2.18. До пояснення
принципа дії електромагнітного витратоміру
ЕРС, що наводиться в
приладі:
=10-8BlV
- магнітна індукція;
l - довжина
провідника (ljрівн.’ діаметру трубопроводу);
V - швидкість
плину рідини (швидкість провідника). Якщо магнітна індукція В постійна,
то ЕРС пропорційна швидкості потоку, а отже, об'ємним витратам рідини.
Проінтегрувавши величину Е, одержимо сумарну витрату рідини.
Електромагнітні
витратоміри мають слідуючі переваги:
1. В трубопровід не
вводятся ніякі пристрої, що визивають втрату напору.
2. Вихідні сигнали
пропорціональні швидкості потоку.
. В датчику відсутні
рухливі частини, що дозволяє вимірювати швидкозмінні витрати.
. Показання приладу не
залежать від в'язкості й густини рідин.
Рис. 2.19. Принципова
схема електромагнітного витратоміру
На рис. 2.19. показана
принципова схема приладу. Датчиком приладу є відрізок трубопроводу (патрубок) 1
з обмотками електромагніту 2 і електродами 3, вмонтованими в
корпус патрубка. Патрубок виготовляється з немагнітного неструмопровідного
матеріалу (наприклад, з немагнітної сталі з відповідною ізоляцією).
Електромагніт живиться змінним струмом, тому що постійний струм спричинює
електроліз.
Електричний сигнал, що
знімається з електродів, подається на катодний повторювач 4, що служить
для узгодження імпедансів датчика й підсилювача У. Підсилений сигнал
подається на міліамперметр А, який дає покаазання миттєвих витрат. Для
одержання сумарних витрат застосований інтегратор у вигляді лічильника
ват-годин 5. Електромагнітні витратоміри знаходять застосування на
літальних апаратах з рідинно-реактивними двигунами.
3. Розробка структурної схеми витратоміра
Вибір та розрахунок елементів структурної схеми
витратоміра
В результаті проведення аналізу методів
вимірювання втрат вибираємо частотний ультразвуковий витратомір.
Цей безконтактний метод не має похибок від дії
сил тертя крильчатки в осях опори, тому має більш високу точність.
3.1 Розробка структурної схеми витратоміра
Пропонується застосовувати двоканальний
витратомір, схема якого зображена на рис. 3.1.
Рис. 3.1. Частотно-пакетний двоканальний витратомір
а - схема витратоміра; б-коливання
на тракті П1-Пр1, в-коливання на тракті П2-Пр2,
г-робота модулятора М1; д - робота
модулятора М2
Витратомір працює наступним чином. Генератор Г
створює коливання високої частоти, які проходять модулятори М1 і М2 та
надходять на п’єзоелементи П1 і П2. П’єзоелементи випромінюють пакети
ультразвукових коливань, які направляються в потік палива під кутом б. Паливо
рухається зі швидкістю х.
П’єзоелементи П1 і П2 розташовані по різні
сторони паливо проводу на відстані L. Ультразвукові коливання від
п’єзоелемента П1 розповсюджуються в потоці палива за потоком, а ультразвукові
коливання від п’єзоелемента П2 розповсюджуються проти потоку. Тому час проходу
акустичних коливань між п’єзоелементом П1, який випромінює коливання та
п’єзоелементом Пр1, який приймає коливання дорівнює:
де с - швидкість розповсюдження ультразвуку в
паливі;
L - відстань між п’єзоелементами;
х - швидкість палива;
б - кут між напрямком розповсюдження ультразвукових
коливань та вектором швидкості потоку палива.
Час проходу акустичних коливань в напрямку проти потоку
палива між п’єзоелементами П2 та Пр2 дорівнює
Сигнал від п’єзоелементів, які приймають ультразвукові
коливання Пр1 і Пр2 поступають на підсилювачі Пс1 та Пс2 відповідно. Після
підсилення сигнали надходять на детектори Д1 та Д2 і потрапляють на другі входи
модуляторів М1 і М2. Модулятори М1 і М2 працюють в тригерному режимі, тому при
надходженні сигналів від п’єзоелементів Пр1 та Пр2 вони перекривають доступ
напруги від генератора до п’єзоелементів П1 і П2. Часові діаграми сигналів
витратоміра зображені на рис 3.1б.
Модулятори М1 і М2 відкриваються знову після того, як
останні акустичні коливання пройдуть трубопровід, перетворяться в електричні
сигнали та поступлять на входи модуляторів М1 і М2.
Таким чином між п’єзоелементами П1 і Пр1 будуть проходити
пакети акустичних коливань, які мають період проходження 2Т1 (рис.
3.1 а.), а між п’єзоелементами П2 і Пр2 будуть проходити акустичні коливання,
які мають період проходження 2Т2 (рис. 3.1 б.).
Частота перемикання модулятора М1 буде дорівнювати (рис.
3.1 г.):
Частота перемикання модулятора М2 буде дорівнювати (рис.
3.1 д.):
Вихідні сигнали модуляторів М1 і М2 поступають на прилад
вимірювання різниці частот (змішувальний пристрій).
Покази частотних витратомірів не залежать від
значення с і тому тут не потрібно корекції на швидкість ультразвуку. Але
якщо частотний витратомір вимірює масову витрату, то необхідний п’єзоелемент,
що працює на резонансній частоті. З його допомогою утворюється сигнал Ас,
пропорційний сс, з якого треба виключити множник с. Для цього
в схему вводять блок додавання частот F1 + F2 повторення
імпульсів або пакетів акустичних коливань по потоку F1 і
проти нього F2, маючи на увазі, що сума F1 +
F2 пропорційна с. Ділячи сигнал Ар на сигнал Ас
і множачи його потім на основний сигнал А різниці частот F1
- F2, пропорційний х, одержимо на виході схеми
сигнал ААс/Ас, пропорційний хс,
тобто масовим витратам. На виході цього блоку утворюється сигнал, пропорційний
щільності палива Потім цей сигнал подається в блок обробки та індикації, на
другий вхід якого подається сигнал, пропорційний швидкості потоку палива.
Таким чином в цьому блоці розраховується масова
миттєва та сумарна витрата палива. Інформація про витрату також подається в
обчислювальну систему управління тягою двигуна.
Схема такого
частотно-пакетного витратоміра показана на рис. 3.2.
Час проходження сигналу через електричну схему
також малий в порівнянні з часом проходження акустичних коливань через
трубопровід.
Тому покази витратоміра не залежать від зміни
швидкості ультразвуку в паливі с та матеріалах мембрани см і
звукопроводі сз.
Рис. 3.2. Схема
частотно-пакетного масового витратоміра
(П1 - П3, Пр1, Пр2 -
п’єезоелементи; Пс1, Пс 2 - підсилювачі; Д1, Д2 - детектори;
Ml, M2 - модулятори; Г
- генератор, В-змішуючий пристрій, БД-блок додавання частот, ПП
- перетворюючий пристрій, БОІ-блок обробки та індикації)
На рис. 3.3 представлена конструкція вузла
п’єзоелемента перетворювача. Всередині трубки 3, закріплної НП сітці 2,
проходять провідники 4, із яких один з’єднаний з центром дискового п’єзоелемента
7, а другий за допомогою контактів 6 із фольги - з його краями. Все це залите
епоксидним компаундом 5 і захищене фторопластовою оболонкою.
Рис. 3.3. Схема вузла п’єзоелемента перетворювача
1 - фторопластова оболонка, 2 - сітка, 3
- трубка, 4 - провідники, 5 - епоксидний компаунд, 6 -
контакти, 7 - дисковий п’єзоелемент
На рис. 3.4. показана схема двохканального
перетворювача ультразвукових коливань. Довжину вільних кутових кишень l,
товщину п’єзоелементів lп та товщину звукопроводів в
порівнянні з відстанню між п’єзоелементами L можна не враховувати.
Рис. 3.4. Схема перетворювача ультразвукових коливань
3.2 Розрахунок акустичного каналу
витратоміра
витратоміри акустичний обтікання
Якщо врахувати час
проходження акустичних коливань через мембрани п’єзоелементів товщиною lм
і звукопроводи товщиною l3, а також час t3 проходження
сигналу через електричну схему, то
1 = L/(c +
хcosб) + 2lм /см + 2l3 /c3
+ t3
Т2 = L/(c -
хcosб) + 2lм /см + 2l3 /c3
+ t3
де см і c3
- швидкості звуку в матеріалах мембрани й звукопроводу відповідно. Очевидно,
1 - f2
= хL cosб (L +2lм /см + 2l3 /c3
+ t3 c)-2
де L = D/sinб
+2l; l - довжина вільних кутових кишень.
Якщо l = 0; l
м = 0, l 3 = 0 і t3 = 0, то одержимо
1 - f2
= хD sinб/2D.
Вихідні дані:
щільність палива
змінюється в діапазоні від 0,7 до 0,9 г/см3;
діапазон вимірювання
миттєвої витрати палива від 600 до 7000 кг/год;
діаметр паливо проводу 8
мм;
кут утворений напрямами швидкостей ультразвукових коливань і
палива відповідно.
Виконаємо розрахунки швидкості:
;
;
;
;
.
Швидкість знаходимо з виразу:
;
.
Звідки:
;
;
3.3 Вибір та
обґрунтування схеми генератора
Для живлення
п’єзоелементів у витратомірі необхідно застосовувати генератори. Пропонується
використовувати генератор зі стабілізацією струму через резонатор. Каскад з
резонатором і датчиком струму працює в лінійному режимі. Потужність, що
розсіюється в резонаторі, регулюється.
Для зменшення
довгострокової нестабільності необхідно обмежити потужність, що розсіюється,
Pq у кварцовому резонаторі на можливо більш низькому рівні. Навпроти, Pq
необхідно істотно збільшити, якщо потрібно зменшити короткочасну нестабільність
частоти. Останнє викликано тим, що компоненти короткочасної нестабільності,
зв'язані з власними шумами елементів кварцового генератора, у тому числі і
кварцовому резонаторі, залежать від Pq:
,
де А - розмірний коефіцієнт, Qqэ -
добротність кварцового резонатора з урахуванням утрат, обумовлених іншими
елементами схеми.
Стабілізація рівня порушення кварцового резонатора
здійснюється системами автоматичного регулювання амплітуди, що є невід'ємною
частиною прецизійних кварцових генераторів.
Принцип виконання найбільш відомих систем автоматичного
регулювання амплітуди полягає в тому, що автоколивання підсилюють, детектують і
отриману постійну напругу використовують для зміни середньої крутості активного
елемента кварцового генератора. У результаті підтримується задана напруга на
ділянці ланцюга з кварцовим резонатором. Якщо за допомогою автоматичного
регулювання амплітуди стабілізують напруга на ланцюзі кварцового резонатора з
послідовно включеним коректором частоти (наприклад, варикапом), то при
підстроюванні частоти через зміну еквівалентного опору кварцового резонатора
можуть спостерігатися істотні зміни струму через резонатор Iq,
а отже, і потужності Pq. Труднощі визначення Pq
зв'язані з тим, що потужність Pqр, що розсіюється в реальному
кварцовому резонаторі, відрізняється від потужності Pq,
обумовленої втратами тільки в пластині резонатора:
,
де Rq і RqР - опору
утрат власне кристала кварцу й електродів з кварцеутримувачем. Зміна частоти в
кварцовому генераторі визначає тільки перший доданок, тобто Pq.
Тому при різній потужності Pqp, але однаковому струмі Iq
можуть спостерігатися однакові флуктуації частоти. При великих рівнях порушення
кварцового резонатора необхідність стабілізації струму Iq
зростає. Це зв'язано з нелінійними властивостями кварцового резонатора, у першу
чергу, з його так називаною токовою характеристикою, що описує залежність fq
- частоти послідовного резонансу кварцового резонатора - від струму:
,
де fq0 - частота при Iq
0;
- коефіцієнт, обумовлений типом кварцового резонатора. З ростом Iq
виправлення до fq0 збільшується і при тих же відносних
варіаціях Iq нестабільність частоти зростає. Стабілізація Iq
(чи Pq) за допомогою згаданих систем автоматичного
регулювання амплітуди скрутна через залежність опору Rq від
струму через кварцовий резонатор:
,
де Iq0 - струм Iq, при
якому Rq досягає мінімального значення Rq0,
- коефіцієнт пропорційності. Для
кварцових резонаторів зрізу з товщинозсувними коливаннями, що працюють на
першій і третьої механічних гармоніках,
,
А-2, а струм Iq
дорівнює одиницям - десяткам мікроампер.
Таким чином, струм Iq є більш об'єктивним
показником, чим потужність розсіювання в кварцовому резонаторі при оцінці його
параметрів у робочому режимі. Заданий рівень Iq однозначно
визначає потужність Pq, а стабілізація струму обумовлює
незмінність Pq навіть в умовах підстроювання частоти
коректором.
На рис. 3.6. представлена схема генератора для живлення
п’єзоелементів.
Генератор - двокаскадний. Перший каскад містить транзистори
Т1 і Т2, включені за каскадною схемою. Його
навантаженням є LC-контур, налаштований на задану механічну гармоніку
кварцового резонатора й виключаючий можливість перескоку частоти на побічний
резонанс кварцу. За допомогою ємнісного дільника контур зв'язаний із другим
каскадом, який зібраний на транзисторі Т3 за схемою з
загальним емітером. Навантаження Т3 утворене резистором R1,
паралельно якому підключений опір каналу польового транзистора Т4,
електрично кероване по затворі. Опір R3 досить малий, щоб
забезпечити резистивний характер навантаження. Виділений на ній сигнал
надходить на вхід першого каскаду (на базу Т1), замикаючи
ланцюг позитивного зворотнього зв'язку генератора.
Поряд з позитивним в схемі присутній і негативний зворотній
зв'язок, утворений резистором R1, паралельно якому
підключений ланцюг із кварцового резонатора, елементів корекції частоти і
датчика струму - резистора R2. Під час відсутності ланцюга
позитивного зворотного зв'язку негативний зворотній зв'язок переважає й
автоколивання в схемі не виникають. При її наявності на частоті, близькій до
частоти послідовного резонансу кварцового резонатору, глибина негативного
зворотного зв'язку зменшується і забезпечується виконання умови самозбудження К1К2
> 1, де К1 і К2 - коефіцієнти передачі
першого і другого каскадів генератора.
Система автоматичного регулювання амплітуди працює в такий
спосіб. Сигнал з датчика струму U = Iq2 надходить на вхід
трьокаскадного аперіодичного підсилювача Т5
Т7. Вихідний сигнал підсилювача, коефіцієнт передачі якого К
регулюється за допомогою потенціометра R4, надходить на вхід
детектора (транзистор Т8). Постійна напруга з детектора через
підсилювач постійного струму Т9 подається на затвор Т4.
З ростом Iq збільшується напруга на вході детектора. Як
тільки вона почне перевищувати напругу затримки Е3,
відбувається зменшення опору каналу Т4 і виконання умови
балансу амплітуд К1К2 = 1. Приблизно амплітуда
струму через кварцовий резонатор дорівнює Е3/КR2.
Зміною К в генераторі здійснюється плавне регулювання струму, у межах
якого перший каскад кварцового генератора, що містить кварцовий резонатор,
працює в стаціонарному режимі, близькому до лінійного (без відсічення струмів
транзисторів). У генераторі можна забезпечити мікропотужності розсіювання в
кварцовому резонаторі. Вище відзначалося, що для зменшення короткочасної
нестабільності частоти струм Iq збільшують. Однак у цьому
випадку зростає частотне виправлення, обумовлене струмовою характеристикою
кварцового резонатора. Починаючи з деякого рівня, варіації цього виправлення
через флуктуацію в системі автоматичного регулювання амплітуди істотно
збільшують нестабільність.
4. Метрологічне
забезпечення дипломного проекту
Склад і зміст робіт по
метрологічному забезпеченню визначається на основі нормативно-технічних
документів.
Основними роботами по
метрологічному забезпеченню на стадії «Завдання на проектування» є розробка
програми метрологічному забезпеченню і вимог до нього; експертиза завдання.
Програма метрологічного
забезпечення конкретизує склад і зміст робіт на всіх стадіях проектування.
Основними розділами
програми метрологічного забезпечення є наступні: формування вимог до
метрологічного забезпечення; розробка документації проекту; експертиза
документів проекту; атестація методик виконання вимірювань; повірка
вимірювальних приладів; відомчий контроль і аналіз стану метрологічного
забезпечення в умовах експлуатації.
Програма метрологічного
забезпечення розробляється проектувальником і є невід’ємною частиною завдання.
Вимоги до метрологічного
забезпечення оформляються у вигляді розділу документа «Завдання на
проектування» і містять перелік вимірювальних параметрів з зазначенням
номінальних і гранично-допустимих значень параметрів, вимог до складу,
точності, швидкодії і періодичності виконання вимірювальних функцій; вимог до
засобів вимірювань, вимог до метрологічних характеристик для нормальних і
робочих умов експлуатації витратомірів, до різного роду сумісності, до
стійкості від впливу навколишнього середовища та інше.
Метрологічну експертизу
завдання проводить головна чи базова (по спеціалізації) організація
метрологічної служби.
В склад проекту входить
розділ «Метрологічне забезпечення», що включає вимоги до надійності
вимірювальної техніки, оцінки похибок вимірювань.
4.1 Вимоги до
характеристик витратовимірювальної техніки
Потреба у високій
точності обліку витрат перед витратовимірювального технікою (ВВТ) чимало вимог,
задовольнити які одночасно досить складно і не завжди можливо.
Потреба у високій
точності обліку витрат перед витратовимірювального технікою (ВВТ) чимало вимог,
задовольнити які одночасно досить складно і не завжди можливо. Зупинемось на
основних із них, якими є:
· висока точність;
· значний (як можна
більший) діапазон вимірювань, а також вимога «достатності» нижньої межі
вимірювань;
· незалежність
результатів вимірювання від впливових факторів (мінімізація додаткових
похибок);
· збереження
роботоздатності і заданих характеристик після залишкових впливів зовнішніх
збурень (природний вплив зовнішніх факторів);
- висока надійність (в
т.ч. метрологічна) і технічний ресурс;
· мінімізація
впливів (реакція ВВТ на газовий потік);
· мінімізація
габаритно-масових характеристик, енергоспоживання;
· безпечність
експлуатації.
Однією із основних вимог
до ВВТ є висока точність вимірювання об'єму та витрати. Залежно від нормування
меж допустимих значень основної похибки ВВТ можна умовно поділити на 3 групи:
· прецизійні - з межами
похибок менше ±0,5%;
· точні - з межами похибок
від ±0,5 до ±1,0%;
· нижчої точності - з
межами похибок більше ±1,0%.
Підвищення точності
досягається як за рахунок застосування нових методів вимірювань і приладів
(ультразвукових, вихрових, термоанемометричних), так і за рахунок вдосконалення
існуючих (роторних, мембранних, турбінних).
Вимоги до діапазону
вимірювань ВВТ переважно зводяться до забезпечення відповідної кратності
діапазону вимірювань об'ємної витрати, під якою розуміють відношення
мінімальної вимірювальної витрати (нижня межа діапазону вимірювання) до
максимальної (верхня межа діапазону вимірювання).
Важливою (особливо для
побутової ВВТ) є вимог «достатності» нижньої межі вимірювання, при якій за
допомп. гою ВВТ ведеться достовірний облік газу з нормованою похиб. кою при
мінімальній витраті споживача. Як правило, це міні. мальне значення повинно в
3-5 разів перевищувати поріг чутливості ВВТ.
Важливою вимогою до ВВТ є
незалежність результатів вимірювань від впливових факторів і збереження
роботоздат-ності і заданих характеристик після дії цих факторів. Як правило, ці
характеристики (функції впливу та залишковий вплив зовнішних збурень)
відображають реакцію ВВТ на зміну умов експлуатації. Функції впливів
використовуються як інструмент введення поправок в результати вимірювань при
експлуатації ВВТ, а залишкові впливи зовнішніх збурень відображають зміну
характеристик ВВТ після дії на нього впливових величин.
Класифікація умов
використання ВВТ за впливовими факторами передбачає їх групування за такми ознаками:
· технологічними;
· механічними;
· кліматичними;
· конструктивними.
До технологічних
впливових величин належать збурення, зумовлені технологічними причинами, які
мають зв'язок з структурою і властивостями газового потоку: розподіл швидкостей
по перерізу потоку, пульсації витрати і тиску в гідравлічні удари, фізичні та
фізико-хімічні властивості газу-параметри стану потоку.
Розподіл швидкості по
перерізу потоку залежить, як правило, від конструкції трубопроводу, наявності
місцевих гідроопорів.
Пульсація витрати та
тиску, як правило, зумовлені роботою компресорів та насосів і інших
технологічних агрегатів, включених в гідравлічну схему трубопроводів.
Гідравлічні удари
виникають в момент запуску та зупинки потоку, і їх інтенсивність зумовлена
режимом роботи відсікаючи клапанів клапанів.
Фізичні і фізико-хімічні
властивості газу залежать від якості його підготовки (фільтрація, сушіння) і
змінюються від температури і меншою мірою від тиску.
Параметри стану потоку
залежать від дії технологічних агрегатів: температури нагрівання (при
стискуванні на компресорі) а тиск може змінюватись залежно від місцевих опорів,
а також віддії оточуючого середовища.
При експлуатації ВВТ
мають місце також механічні впливи.
До механічних впливів
належать механічні вібрації, акустичний шум, механічні удари і лінійні
прискорення. Як правило дія впливових величин цієї групи оцінюється як
залишкові реакції. Оцінити функції впливу цих величин, тобто провести
градуювання ВВТ при їх дії, поки що не вдавалось.
До кліматичних впливових
величин відносять температуру навколишнього середовища, атмосферний тиск,
вологість, теплові сонячні потоки, атмосферні опади. Як правило, ці фактори
впливають на блоки, що мають електронні радіоелементи, і оцінюються як
залишкові впливи.
Конструктивні впливові
величини - це орієнтація ВВТ в просторі, режим живлення, напруга джерела
живлення, опір і ємність кабельних ліній. Для цих величин оцінюються функції
впливу.
Для зменшення і обліку
додаткових похибок від функцій впливу використовують:
1)
наближення умов градуювання до умов експлуатації ВВТ;
2)
впровадження конструктивних заходів захисту ВВТ від дії впливових
факторів;
3)
введення поправок в результати вимірювання при експлуатації ВВТ,
отриманих в результаті додаткових синхронних вимірювань впливових величин.
Основним показником
надійності ВВТ є час, протягом якого вона зберігає роботоздатність і
регламентовану точність.
Вимоги до надійності ВВТ,
як правило, задаються ймовірністю безвідмовності роботи (0,9-0,99), або
інтервалом часу, впродовж якого гарантується безвідмовна робота.
Вимоги до технічного
ресурсу Т задають в одиницях часу і можуть бути в широких межах (від 2000 до
20000 год.).
Вимоги до метрологічної
надійності, як правило, характеризуються встановленням (заданням)
міжповірочного інтервалу як величини, пропорційної терміну роботи ВВТ і
інтенсивності режиму її експлуатації.
Вимоги до впливу ВВТ на
потік (реакція ВВТ на потік) формуються у вигляді допустимих максимальних втрат
тиску Рmax. Ця характеристика служить для оцінки дійсного гідравлічного
опору газопроводу і використовується для розрахунку і підбору напірних
пристроїв (насосів, компресорів, трубопроводів).
Габаритно-масові
характеристики та характеристики енергоспоживання можуть змінюватись в дуже
широкому діапазоні (з різницею на декілька порядків) і не можуть бути
узагальнені, оскільки вони є залежними від пропускної спроможності газопроводу,
параметрів потоку газу (особливо надлишкового тиску) тощо. При цьому повинна
простежуватись загальна тенденція мінімізації цих характеристик без погіршення
вимог до інших.
Безпечність експлуатації
ВВТ зумовлена необхідністю охорони життя та здоровя людей, майна, навколишнього
середовища тощо.
Таким чином, призначення
і умови використання ВВТ дають змогу встановити номенклатуру їх характеристик,
достатню для вирішення питання вимірювання. З метою уніфікації вимог до
характеристик стає очевидною доцільність проведення їх класифікації.
Вся ВВТ має сукупність
характеристик, які відображають її властивості. Експериментальна оцінка цих
характеристик проводиться під час випробувань. Отже, під сертифікаційною
моделлю ВВТ будемо розуміти сукупність характеристик, які відображають його
властивості і експериментально оцінюються під час випробувань.
Всі характеристики ВВТ
можна умовно поділити за своїм призначенням на такі групи:
· метрологічні;
· експлуатаційні;
· конструктивні;
· ресурсні (або
характеристика надійності);
· характеристика безпеки.
До метрологічних
характеристик ВВТ відносяться:
· межі основної відносної
похибки;
· варіація;
· поріг чутливості;
· ціна поділки;
· збіжність показів;
· максимальна різниця
похибок у певному діапазоні витрат (від витрати Q1, яка називається
перехідною до Qmax);
· зміни основної похибки
або додаткові похибки ВВТ, спричинені зміною температури вимірюваного середовища,
штучно створеними перешкодами, скручувальним та згинальними моментами тощо.
Велика група
характеристик ВВТ безпосередньо не впливає на її метрологічні властивості, але
суттєво відбивається на експлуатації. До неї належать конструктивні та
експлуатаційні характеристики.
До конструктивних
характеристик відносяться:
· габаритні розміри;
· номінальні діаметри;
· діаметри приєднувальних
елементів (штуцерів);
· робоче положення;
· допустимі значення
скручувальних та згинальних моментів;
· стійкість до дії різних
факторів, в тому числі і у пакуванні (механічних, кліматичних, електричних
тощо).
До експлуатаційних
характеристик відносяться:
· діапазон об'ємних витрат,
в якому нормуються відносні похибки вимірювання об'єму;
· втрати тиску на ВВТ
залежно від витрати;
· діапазон робочих
температур навколишнього та вимірюваного середовища;
· максимальний робочий тиск
тощо.
До ресурсних
характеристик відносяться:
· показники безвідмовності;
· міжповірочний інтервал;
· середній термін служби;
· гарантійний термін
експлуатації та зберігання. До характеристик безпеки відносяться:
· стійкість та міцність до
дії надлишкових тисків;
· опір і міцність ізоляції;
· допустимий рівень шуму;
· пожежостійкість;
· вибухонебезпечність.
4.2 Похибки витратомірів,
заснованих на акустичних коливаннях
Перерахуємо основні
джерела похибок: неправильне врахування впливу профілю швидкості; зміна
швидкості ультразвуку у вимірюваній речовині; паразитні акустичні сигнали;
асиметрія електронно-акустичних каналів. Крім цих джерел, є ще похибки, внесені
електронною схемою. Вони залежать від характеру схеми і повинні оцінюватися
індивідуально.
Неправильне врахування
профілю швидкостей
Ця похибка виникає від
нерівності середньої швидкості потоку вимірюваної речовини середньої швидкості
по шляху переміщення акустичних коливань. Цю нерівність враховують поправочним
коефіцієнтом k, визначити точне значення якого важко. Крім того, у межах
шкали приладу число Re змінюється, а при десятикратному його збільшенні в
турбулентній області коефіцієнт k зростає на 1,4%. У перехідній же
області від ламінарного до турбулентного режиму зміна k ще більш значно.
Тому, якщо при градуюванні приладу прийняте постійне значення k, що відповідає
середньому або іншому значенню витрат, то при інших витратах виникає додаткова
похибка виміру. При деформованих потоках реальне значення k особливо
важко визначити. У цьому випадку варто застосовувати перетворювачі витрати, у
яких акустичні коливання направляються по чотирьох хордах або ж встановлювати
сопло або конфузор, що випрямляють епюру швидкостей.
Зміна швидкості
ультразвуку.
Швидкість ультразвуку с
у рідинах і газах залежить від щільності останніх, котра змінюється зі
зміною температури, тиску й сокладу або змісту (концентрації) окремих
компонентів. Для рідин швидкість с практично залежить лише від
температури й змісту. Для води й водяних розчинів при невисоких температурах
температурний коефіцієнт b зміни c лежить у межах (l, 0 ч2,5) 10-3°C-1.
При 74° він досягає максимуму, а потім стає негативним. Для більшості органічних
рідин b= - (2ч5) 10-3°C-1. Коефіцієнт зміни з від
состава водяних розчинів звичайно позитивний і дорівнює (0, 8-М, 5) 10-3 г/л.
Зміна швидкості має
істотне значення для фазових і часоімпульсних витратомірів, у рівняння виміру
яких входить множник с2. У них похибка виміру витрат від зміни с може
легко досягти 2-4% і більше, тому що при зміні швидкості на 1% похибка зростає
на 2%. У витратомірів з випромінюванням, перпендикулярним до осі труби, похибка
у два рази менша, тому що у формулу виміру входить множник с, а не с2.
У частотних витратомірів зміна значення с дуже мало позначається на
результатах виміру.
Усунути вплив зміни
швидкості с на показах фазових і часоімпульсних витратомірів, а також
витратомірів з випромінюванням, перпендикулярним до осі труби, можна,
застосовуючи або відповідні схеми корекції або ж переходи на вимір масових
витрат.
У першому випадку
вводиться додатковий акустичний канал, перпендикулярний до осі труби. При
вимірі масових витрат вводиться додатковий п’єзоелемент, що служить для виміру
акустичного опору середовища, пропорційного сс.
У перетворювачах з
переломленням можлива часткова компенсація впливу с шляхом підбора
матеріалу звукопроводу й кута б його розташування відповідно до формули
sinб = (с3/с) (b + b 3)0,5/2
b0,5, де с3 - швидкість звуку в матеріалі
звукопроводу; b3 і b - температурні коефіцієнти
швидкостей с3 і с. Компенсація відбувається тому, що
температурний вплив зміни показника переломлення с/с3 на
різницю часу Дф у фазових й часоімпульсних витратомірах протинаправлено
безпосередньому впливу на Дф зміни швидкості с. Але при значних змінах
температури цей спосіб малоефективний через нестабільність температурних
коефіцієнтів b и b3. Трохи більші можливості даний
спосіб має при установці п’єзоелементів зовні труби й застосуванні рідинних
звукопроводів.
Паразитні акустичні
сигнали.
Паразитні акустичні
сигнали можуть мати різне походження. При розташуванні п’єзоперетворювачів
зовні труби частина акустичної енергії відбивається від поверхні розділу
труба-рідина й поширюється у вигляді акустичних коливань у стінці труби. При
цьому утворюються як поздовжні, так і поперечні хвилі. Останні можуть досягти
приймального п’єзоелементу раніше акустичних коливань, що проходять через
рідину. Для виключення цього пропонується розміщувати п’єзоелементи з різних
сторін фланцевого з'єднання, обладнаного неметалевою прокладкою. Зміна форми
стінки труби шляхом створення утовщень, виточок або відбивачів також може
перешкоджати проходженню паразитних сигналів.
Інше джерело паразитних
сигналів - виникнення ревербаційної хвилі в результаті відбиттів ультразвуку
від границь рідини зі звукопроводами або п’єзоелементами. Основне значення має
перший паразитний сигнал, що приходить на приймальний п’єзоелемент після
дворазового відбиття спершу від приймального, а потім від випромінюючого
елемента. Амплітуда Ар і фаза цр ревербераційної хвилі
відрізняються від амплітуди А и фази ц основної хвилі. Приймальний
п’єзоелемент сприймає результуючі коливання, що мають амплітуду Ап
і фазу цп. У результаті виникає зсув фази Дц цр = цп
-ц особливо неприємний для фазових витратомірів. Щоб цей зсув був незначний (не
більше 0,5% від вимірюваної різниці фаз), варто мати Ар < 0,01А.
У частотних витратомірах ревербераційний імпульс може спотворити фронт
основного імпульсу й передчасно включити частотну схему. Для виключення цього
запропоновано зсувати робочі імпульси стосовно відбитого за допомогою
електронної лінії затримки. Крім того, для боротьби з бічними відбиттями в
трубах малого діаметра допомагає футеровка внутрішньої поверхні труби
звуковбирним матеріалом (наприклад, фторопластом). Щоб уникнути сильного
зниження амплітуди прийомного сигналу й для частотних витратомірів
рекомендується мати Ар ≤ 0,01 А
Асиметрія
електронно-акустичних каналів
У двопроменевих витратомірах
неминуча деяка асиметрія акустичних каналів, що може викликати істотну похибку
виміру різниці часу переміщення в напрямку потоку й проти нього. Похибка Дф
складається з похибки Дф г, викликаної розходженням геометричних
розмірів каналів, і похибки Дфс, обумовленої розходженням у них
густини вимірюваної речовини. Похибка Дфс= ДL/c + 2Дlм
/см + 2Дlз /сз, де L, lм,
lз - довжина акустичного шляху у вимірюваній речовині,
мембранах п’єзоэлементів і звукопроводах відповідно; с, см і с3
- відповідні швидкості ультразвуку. Похибка Дфс = LДc/c2
+ 2lмДсм/см2 + 2lзДсз/сз2,
де Дс - зміна швидкості ультразвуку через різницю густин вимірюваної
речовини в акустичних каналах; Дсм і Дс3 - зміна
швидкості ультразвуку в мембранах і звукопроводах відповідно через різницю
температур мембран і звукопроводів. З урахуванням рівняння одержимо вираз для
відносних похибок дтг і дтс, в%:
бтс = 50с2
(L Дс/с2 + 2lм сД см / см2
+ 2lз сД сз / сз2)/L
Lх cos б;.
Навіть при досить малих
значеннях ДL/L і Дс/с похибки дтг і дтс
можуть бути більшими внаслідок дуже великого значення відносини c/х. Так,
при ДL/L і Дс/с, рівних усього 0,01%, похибки дтг і дтс
можуть досягти 4-5%.
Похибка дтг
від геометричної асиметрії може бути компенсована при нульовій витраті. Але при
відхиленні швидкостей с, см і с3 від тих значень, при
яких ця компенсація вироблялася, похибка дтг знову виникне, хоча й у
значно меншій мірі. Для зменшення похибки дтс обоє акустичних канали
розташовують можливо ближче один до одного. Щодо цього схеми з каналами,
розташованими паралельно, краще схем з пересічними акустичними каналами. Найбільша
похибка дтс може виникнути в схемі із трьома п’єзоелементами. При
малих діаметрах труби й низькочастотному, а отже, погано спрямованому
випромінюванні, коли важко застосувати перетворювач кутового типу, доводиться
застосовувати особливі міри для підтримки рівності температур в обох каналах.
Так, при вимірі невеликої витрати кам'яновугільної смоли, що містить тверді
частки й вологу, частота акустичних коливань дорівнювала 0,1 МГц, Для
вирівнювання температури в каналах, віддалених один від одного, вони
просвердлені в масивному металевому блоці, покритому теплоізоляцією.
Незважаючи на всі
перераховані заходи, усунути повністю похибку від асиметрії при двоканальних
витратомірах не можна. Це причина переважного застосування сьогодні
одноканальних схем, особливо при необхідності точного виміру витрат.
Усе, що було сказано про
похибки б1Г и бтс, стосується не тільки часоімпульсних,
але також і фазових і частотних витратомірів, причому в останніх внаслідок уже
згадуваних паразитних ревербераційних сигналів може виникнути похибка від
асиметрії фронтів основних імпульсів.
Сумарна похибка виміру
витрати
Для переважної більшості
ультразвукових витратомірів, у яких акустичні коливання направляються в
діаметральній площині, об'ємні витрати Qo визначаються рівнянням
o = рD2kхD
/4,
де k = хc/х
- відношення середньої швидкості хс по перетині до середньої
швидкості по діаметру хD. Підставляючи сюди значення v
з раніше отриманих рівнянь і вважаючи L = D/sin б
(перетворювачі без кишень), знайдемо:
для фазових витратомірів
o = рДk tg
бс2Дц/8щ;
для частотних
витратомірів (з обліком лише часу проходження ультразвуку у вимірюваній
речовині)
o = = рD3kДf
/2sin2б,
для часоімпульсних
витратомірів
o = nDk tg
ac2Дt/8.
Обмежуючись останнім
рівнянням, одержимо виходячи з нього, вираз для середньої квадратичної похибки
виміру витрат
уQ = (уD2
+4уб2 /sin2 б + уk2
+ 4 уc2 + уДt2 + уп2
+ уа2)0,5.
У це рівняння крім середньоквадратичних
похибок (діаметра труби уD, кута виміру уб, коефіцієнта
уk, швидкості ультразвуку уc і вимірюваний
інтервал часу уДt введені ще додатково середньоквадратичні
похибки від паразитних сигналів уп й від асиметрії каналів уа.
Якщо витратомір градуюється
за допомогою зразкової установки, то уD і уб залежать
лише від можливої зміни D і а при зміні температури t і тиску р
вимірюваної речовини. При при не дуже великих змінах t і р зазначені
значення уD ≤ 0.01% і уб ≤ 0,005%. У
випадку безрідинного градуювання приладу при ретельному вимірі D і б значення
уD = 0, 054-0,1% і уб = 0,02ч0,1%.
Якщо при градуюванні
приймається постійне значення коефіцієнта k, що відповідає
середнім витратам, то при десятикратному діапазоні зміни витрат уk
= дk = 0,7/2 = 0,35%.
Похибка від
нестабільності ультразвуку уc залежить від зміни температури,
складу й тиску вимірюваної речовини й може бути оцінена в середньому значенням
0,5-1,0%. Похибка уДt виміру інтервалу часу залежить від
вимірювальної схеми витратоміра. В середньому
уДt =
0, 14-0,15%.
Похибка уп залежить
від передачі акустичного імпульсу по стінці труби й від реверберації
ультразвуку. Перше джерело може бути усунутий шляхом конструктивних заходів, а
вплив другого може бути знижене згідно до уп = 0,01%.
Похибка уа від
асиметрії відсутня в одноканальних перетворювачах.
З наведеного аналізу
видно, що основними складовими похибки будуть уk і уc,
особливо остання. У частотних витратомірах уc практично
відсутня, що й пояснює більше високу точність цих витратомірів. Точність
фазових і часоімпульсних витратомірів можна істотно підвищити шляхом введення в
схему вузла виміру швидкості ультразвуку у вимірюваній речовині. Їхня гранична
похибка звичайно дорівнює 0,5-1%.
Висновки
Так як ПК негативно впливає на навколишнє
середовище, необхідно враховувати дані особливості при плануванні і проведення
робіт з його використанням. Обов’язковим є виконання санітарних норм щодо
розміщення ПК та користувача, розміщення сусідніх ПК та вимоги щодо перерв у
роботі з ПК. Порівнянно з використанням в процесі навчання стндів, тільки на
використанні електоенерій заощаджуємо близько 109 грн. І це не враховуючи, що
на виготовлення навчального стенду потрібно набагато більше матеріалів та
ресусів. Отже, використання ПК для навчання, завдає набагато менше шкідливого
впливу на навколишнє середовище.
Література
1. Кремлевский П.П. Расходомеры и счетчики
количества веществ СПб. Политехника, 2002.
. Расчет и конструирование расходомеров
(под редакцие П.П. Кремлевского) Л. Машиностроение, 1978.
. Бобровников Г.Н., Новожилов Б.М.,
Сарафонов В.Г. Бесконтактны расходомеры М. Машиностроение 1985.
. Корсунский Л.М. Электромагнитные
гидрометрические прибор М. Стандартгиз. 1985.
. Биргер Г.И. Ультразвуковые расходомеры
М. Металлургия 1984.
. Гуревич В.М. Труман С.Г. Современные
ультразвуковых расходомеры. М ЦНИИТЭИприбооростроения, 1984.
. Киясбелли А.Ш., Измайлов А.М., Гуревич
В.М. Частотно-временные ультразвуковые расходомеры и счетчики, М.
Машиностроение 1984.
. Филатов В.И. Ультразвуковой расходомер
(Расчет и конструирование ультразвуковых расходомеров Л. Машиностроение, 1978.
. Шафрановская З.М., Журавлев Л.И.,
Крысанова Е.С. Ультразвуковые частотно-импульсные расходомеры М. 1972.
. Боднер В.А., Фридлендер Г.О., Чистяков
Н.И. Авиационные приборы, Оборонгиз 1982
. Браславский Д.А., Логунов С.С., Пельпор
Д.С. Авиационные приборы, М. Машиностроение 1987
. Чистяков Н.И. Электрические авиационные
приборы, Оборонгиз 1968
. Охрана труда и техника безопасности в
авиации М. Транспорт,
. Правила техники безопасности при
эксплуатации авиационных приборов. М. Приборостроение 1986