Аналіз варіантів реконструкції автозаправної станції
Кабінет
міністрів України
Національний
університет біоресурсів
і природокористування України
Механіко-технологічний
факультет
Факультет
інженерії агробіосистем
Кафедра
транспортних технологій
КУРСОВИЙ ПРОЕКТ
з
дисципліни:
Введення
у дослідження операцій на транспорті
на
тему:
Аналіз
варіантів і реконструкції АЗС
Виконав:
Ходосов Е.О.
Студент
1-го
курсу,
групи ТТ-115
Перевірив:
доц.
Докуніхін В.З.
Київ-2012
Вихідні дані
. Аналіз роботи АЗС, як системи
масового обслуговування
Кількість автозаправочних колонок: n=
2
Кількість місць очікування: m=
4
Інтенсивність прибуття автомобілів
на АЗС
Amin=λ
(авт/хв.)= 1,35
Середній час заправки автомобіля:
to6c 1,5
хв
Час роботи АЗС з 800 до
2000tр
=12год
2. Сітьове планування робіт з
реконструкції АЗС
Варіант виконання комплексу робіт
|
Робота
|
Опирається на:
|
Термін виконання
|
|
(аі)
|
|
|
|
а1
|
-
|
10
|
|
а2
|
а1
|
15
|
|
а3
|
а1
|
20
|
|
а4
|
а2:а3
|
10
|
|
а5
|
а3
|
15
|
а6
Завдання Є автомобільна заправна станція (АЗС) з 1 колонкою і майданчиком для
очікування 3 машин. На проїзній частині вулиці перед в’їздом на АЗС стоянка
заборонена. Видідні дані: Середня інтенсивність прибуття автомобілів на АЗС: 
2
Середній
час обслуговування одного автомобіля: tобс.=1.4хв
Вхідний
потік обслуговування є найпростішим.
Час
роботи АЗС з 8.00 до 20.00 : t= 12год.
Прибуток
від обговування одного автомобіля: П=0.5 у.о.
Пропонується
два варіанти реконструкції АЗС:
а)
розширення майданчика для автомобілів, що очікують своєї черги до 5-ти машин,
при цьому разові витрати на реконструкцію складатимуть Ка=3500у.о.
n=1
m=5
n-
кількість клонок;
m-
кількість місць для очікування.
б)
улаштування другої заправної колонки без зміни чисельності очікуючих заправки
автомобілів. Витрати на реконструкцію АЗС складатимуть
Кб=10000 у.о.
n=2
m=3
Задача:
Порівняти
ефективність варіантів за терміном окупності витрат
tо=
*12місяців
К
- капіталовкладення;
|
П- прибуто Зба1:а25
|
|
|
|
а7
|
-
|
10
|
|
а8
|
а3:а4
|
15
|
|
а9
|
5
|
|
а10
|
а7
|
5
|
Зміст
Вступ
Завдання
.
Оцінка
варіантів реконструкції АЗС
.1
Характеристика
систем масового обслуговування (СМО) АЗС
.2
Визначення
ефективності базового варіанту
.3
Визначення
ефективності першого варіанту реконструкції АЗС
.4
Оцінка
ефективності другого варіанту реконструкції АЗС
.
Побудова
сітьового графіка виконання робіт при реконструкції АЗС
.1
Загальні
положення
.2
Розрахунки
Висновки
Література
Склад
графічної частини проекту
Лист
1. Графік станів СМО з результатами розрахунків її характеристик та
економічними показниками.
Лист
2. Сітьовий графік виконання комплексу робіт по реконструкції АЗС
Вступ
В останні десятиріччя
світова наука приділяє багато уваги питанням з організації і управління
складними організаційними процесами. Це обумовлено наступними:
1
значними збільшеннями масштабу і
вартості заходів, що здійснюються в організаційних питаннях;
2
широким застосуванням в
організаційних системах засобів автоматизації організаційної техніки та ЕОМ.
Наведені проблеми
практики обумовили розвиток спеціальних наукових методів, які об'єднані під
загальною назвою „дослідження операцій". Дисципліна „Введення в
дослідження операцій на транспорті" присвячена розробці та практичному
застосуванню найбільш ефективних методів прийняття рішень і управління в
організаційних системах на транспорті. Тобто основною метою дослідження
операцій - кількісне обґрунтування з організації управління. Наприклад,
плануються заходи щодо покращення організації роботи міського громадського
транспорту. Для цього необхідно прийняти низку заходів щодо:
1 - кількості
транспортних засобів;
2
видів транспортних засобів;
3
виборів маршрутів руху;
4
кількості транспортних засобів на
маршрутах;
5
місця розміщення зупинок
транспортних засобів;
6
пунктів переміщення пасажирів з
одного виду транспорту на інший.
Через складність
вказаних задач та взаємозалежність прийнятих рішень для успішного вирішення
цього комплексу задач необхідно:
1
провести всебічний аналіз можливих
ситуацій;
2
існуючі пасажиропотоки;
3
стан вулично-дорожньої
мережі;
4
також слід врахувати стан
екологічної ситуації в різних районах міста та умови обслуговування пасажирів.
З урахуванням цих
чинників необхідно так організувати маршрутну мережу та рух громадського
транспорту, щоб забезпечити: 1-мінімально можливі витрати часу на перевезення;
2-комфортне
переміщення в місті так званого „середнього пасажира" громадського
транспорту.
Вказану проблему можна
розв'язати методом спроб і помилок та підходити поступово до задовільного
функціонування транспортних засобів. Але цей процес удосконалення буде досить
тривалим і пов'язаним з великими витратами коштів та незручностями для
пасажирів. В той же час можна заздалегідь вивчити весь комплекс чинників шляхом
моделювання на ЕОМ різних варіантів розв'язання проблем.
Але цей процес
удосконалення буде досить тривалим, пов'язаним з великими витратами коштів і
незручностями для пасажирів. В той же час можна заздалегідь вивчити весь
комплекс чинників шляхом моделювання на ЕОМ різних варіантів розв'язання
проблем. Це дає змогу вже на першому етапі вибрати, якщо не оптимальний, то
наближений до нього варіант рішення. Чим складніші організаційні заходи, тим
більше вкладається в них коштів, тим більше неприпустимі так звані вольові
рішення, і тим більше вагомі будуть заходи, що приймаються на основі методів
дослідження операцій. Вони дозволяють ще на першому етапі проектування:
1
відкинути первісні рішення;
2
вибрати з кількох оптимальних
рішення згідно з прийнятим критерієм оптимальності.
Слід відзначити, що
при умові впливу багатьох чинників рішення в будь якому разі приймає людина,
навіть при наявності кількох варіантів на ЕОМ. Як правило, це рішення
приймається в умовах певної невизначеності та протиріччя. Вони мають місце між
різними складовими проблемами, що вирішуються при урахуванні певних поступок і
втрат.
Відомий спеціаліст
в галузі дослідження операцій Томас Сааті в своїй книзі "Математичні
методи дослідження операцій" так охарактеризував цю дисципліну:"
Дослідження операцій - мистецтво давати погані відповіді на практичні питання,
на які інші методи дають ще гірші відповіді."
До числа методів,
що формують дисципліну введення в дослідження операцій на транспорті слід
віднести:
1
методи теорії масового
обслуговування (ТМО).Цей метод є найбільш поширеним в дослідженні транспортних
задач, коли в систему або заклад обслуговування звертається деякий клієнт, або
заявка на обслуговування. В залежності від ситуації він або миттєво починає
обслуговуватися, або залишиться в черзі і чекає свого обслуговування, або при
деяких умовах залишає систему обслуговування.
2
методи сітьового планування і
управління з теорії графіків. Ці методи мають забезпечувати здійснення
організації, аналіз і оптимізацію завчасно визначених робіт з метою скорочення
строків їх виконання або в ті ж самі строки з мінімальними простоями.
3
методи теорії ймовірностей для
рішення задач, сприйняття інженерних рішень при наявності певних обмежень.
4
методи лінійного програмування. За
їх допомогою здійснюється пошук оптимального рішення в рамках лінійних систем
обмежень на компоненти цього рішення.
5
методи динамічного програмування.
Коли процес, що досліджується умовно, розкладається на низку етапів, що пов'язані
один з одним. Результати пошуку оптимального рішення на будь-якому етапі
залежать у певній мірі від результатів рішення попереднього етапу та
перспективів розвитку подій на наступних етапах.
6
методи теорії ігор, в тому числі і
ділових для прийняття рішень в умовах обмеженої інформації.
Побудова математичної моделі
W=f(xi,ai)→min
(1.1)
де хі
-змінювальний параметр
аі - варіанти
проектного рішення
W-
термін окупності
Для знаходження
рішення використовуємо
метод теорії масового обслуговування, а раціональний варіант методом ітерацій.
Завдання
. Є автомобільна
заправна станція (АЗС) з 2
колонками
і майданчиком для очікування 4
машин. На проїзній частині вулиці перед в’їздом на АЗС стоянка заборонена.
Вихідні дані:
Середня інтенсивність
прибуття автомобілів на АЗС: 
1,35 
Середній час обслуговування
одного автомобіля: tобс.=1,5хв
Вхідний потік обслуговування
є найпростішим.
Час роботи АЗС з 8.00 до
20.00 : t=
12год.
Прибуток від обслуговування
одного автомобіля: П=0.5 у.о.
Пропонується два варіанти
реконструкції АЗС:
а) збільшення кількості місць
для очікування до 6 без зміни кількості заправ очних колонок, при цьому разові
витрати на реконструкцію складатимуть Ка=3500у.о.
n=2
m=6
n-
кількість колонок;
m-
кількість місць для очікування.
n=3
m=4
Задача:
Порівняти ефективність
варіантів за терміном окупності витрат за формулою:
Tо =
*12місяців
(1)
де К
-
капіталовкладення; у.о.
П
-
прибуток; у.о..
2.
Прийняти, що кількість необхідних робіт для здійснення реконструкції - 10,
умовними роботами від а1 до а10. Кожна з яких має термін
виконання від t1
до t10.
При цьому деякі з вказаних робіт не можуть розпочатися доки не завершиться інша
робота.
1.
Для
вибраного варіанту скласти часовий графік виконання робіт.
2.
Взначити
критичний шлях і загальний час виконання комплексних
робіт.
.
Визначити
резерви часу для не критичних робіт.
.
Отримати дані пунктів 2 і 3 з використанням
табличного методу
5.
Прийняти
до уваги що одна робота виконується однією
бригадою
і роботи однотипні. Проаналізувати показники
використання
бригад.
.
Проаналізувати
варіанти поліпшення сітьового графіка, який
дозволяє
покращити використання робочої сили
1. Оцінка варіантів реконструкції
АЗС
1.1 Характеристика системи масового
обслуговування (СМО)АЗС
Маємо систему масового
обслуговування (СМО) автомобільну заправну станцію (АЗС) з однією колонкою та
трьома місцями для очікування. В систему постійно надходять автомобілі, процес
надходження вимог у СМО є ймовірнісним. Часові інтервали входження в систему
автомобілів будуть випадковими. Вхідний потік є пуассонівським або
найпростішим, тому що він має властивості стаціонарності, ординарності і
характеризується відсутністю післядії. Випадковий або пуассонівський потік
стаціонарний, коли ймовірність надходження певної кількості вимог на певному
проміжку часу залежить від величини цього проміжку і не залежить від початку
відліку на осі часу. Відсутність післядії полягає в тім, що ймовірність
надходження вимог за певний проміжок часу не залежить від того скільки вимог
вже надійшло в систему до цього часу. Для характеристики найпростішого потоку
необхідно знати його інтенсивність. За характером утворення вхідного потоку АЗС
є розімкненою моделлю тому, що кількість джерел, від яких утворюється вхідний
потік необмежений (або не визначений).
Модель системи АЗС є двоканальною,
бо АЗС має два обслуговуючі прилади (дві заправні колонки). За часом
перебування вимог у системі, АЗС є системою з обмеженням черги, а саме система
з обмеженням на довжину черги, тому що це система, в якій вимога, що поступає в
систему і застає всі канали зайнятими, стає в чергу, якщо її довжина не
перевищує наперед відоме значення.
Після реконструкції за першим
варіантом кількість місць для очікування залишиться незмінною, тобто їх буде 3,
а кількість колонок збільшиться на одну - їх стане 2. АЗС залишиться
розімкненою багатоканальною і однотипною за продуктивністю колонок. За часом
перебування вимог у системі вона залишається системою з обмеженням черги.
А після реконструкції АЗС за другим
варіантом потік залишається пуассонівським, бо кількість колонок залишається
незмінною, зміниться лише кількість місць для очікування з 3 до 5. Потік у всіх
випадках є найпростішим або пуасоннівським.
.2 Визначення
ефективності базового варіанту АЗС
Постановка задачі
Дано:
Кількість колонок на АЗС - n=2
Кількість місць для очікування
заправки - m=4
Інтенсивність потоку -
=1,35
Середній час заправки 1
автомобіля - tобс.=1.5 хв
1.2.1 Визначаємо
інтенсивність
обслуговування
за формулою:
(1.1)
1.2.2. Визначаємо параметр
потоку а за формулою:
; (1.2)
де а - середнє число заявок, що
припадає на середній час обслуговування 1-єї заявки
.2.3 Визначаємо імовірність Рвідм
того, що заявці буде відмовлено в обслуговуванні за формулою:
(1.3)
де n -
кількість колонок на АЗС
m -
кількість місць для очікування;
к - кількість зайнятих
каналів;
s - кількість
зайнятих
місць для очікування
Це означає, що із 100
автомобілів 16 покинуть АЗС не обслуговані.
.2.4 Визначаємо імовірність того, що
автомобілі будуть обслуговані Робс за формулою:
(1.4)
(1.5)
Це означає, що із 100
автомобілів 84, що приїжджають на АЗС, будуть обслуговані.
.2.5 За середньою
інтенсивністю прибуття автомобілів на АЗС
=1,15
за 1 день матимемо таку кількість
автомобілів Vд:
(1.6)
де t - тривалість робочого
дня, год.
1.2.6 Визначаємо кількість
автомобілів які надходять на АЗС за 1 рік Vр:
(1.7)
1.2.8 Визначаємо кількість
обслугованих автомобілів за рік Vобс:

(1.8)
1.2.9 Визначаємо річний
прибуток Пр за формулою:
(1.9)
ПР= 299434*0,5=149717
В базовому варіанті прибуток АЗС
складає149717у
.о.
.2.10 Висновок: при базовому
варіанті реконструкції:
. Ймовірність відмови (Рвід), тобто
ймовірність того, що заявка для АЗС буде втраченою складає 15.6%;
. Ймовірність Робс ,тобто
ймовірність того, що автомобіль буде заправлений становить 84.4%;
. Параметр потоку а=2.01;
Інтенсивність обслуговування µ=0.67
авт/хв;
. Прибуток Пр АЗС в базовому
варіанті складе 149717 у.о.
1.2.11 Розглядаємо ефективність
базового варіанту для цього будуємо граф станів і схему системи масового
обслуговування (рис 1.1 і рис1.2).
Для знаходження рішення
використовують метод теорії масового обслуговування, а раціональний варіант
методом ітерацій.
Базовий варіант (без реконструкції),
маємо модель, одно канальної СМО з обмеженням черги (n=2,
m=4)
Рис.1.1 Схема системи масового
обслуговування базового стану АЗС: 1-вхідний потік;2-місця для очікування;
3-обслуговуючі апарати; 4-заявка покидає систему; 5-вихідний потік; λ-інтенсивність
вхідного потоку; μ-інтенсивність
обслуговування
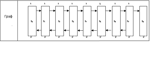
Рис.
1.2
Розмічений граф станів базового варіанту АЗС
S0-система
вільна; S1-завантажений
стан 1 колонки; S2-завантажений
стан 2 колонки ; S3-заняте
1 місце для очікування; ; S4
-заняте 2 місце для очікування;
S6
-заняте 3 місце для очікування; ; S7-заняте
4 місце для очікування автомобіль;
S8-автомобіль
покидае систему;λ-інтенсивність
вхідного потоку;
μ-інтенсивність
обслуговуванн.
.3 Визначення ефективності 1го
варіанту реконструкції АЗС
Розглядаємо 1ший варіант,
коли майданчик для очікування збільшується з 4 до 6 місць.
Дано:
n
=2
m
=6
=1,35
=0, 67
а =2,01
1.3.1 Розробляємо граф станів
і схему СМО (рис 1.3 і рис 1.4)
.3.2 Визначаємо імовірність Рвідм
того, що заявці відмовлено в обслуговуванні:
Це означає, що із 100 автомобілів 12
покинуть АЗС не обслуговані.
1.3.3 Визначаємо імовірність Робс
обслуговування за формулою:
Робс.=1- 0,12=0,88
1.3.4 За середньою інтенсивністю
прибуття автомобілів на АЗС
за 1 день матимемо таку кількість
автомобілів Vд визначаємо за формулою:
де t - тривалість робочого дня,
год.
1.3.5 Визначаємо кількість
автомобілів які надходять на АЗС за 1 рік Vр за формулою:
1.3.6 Визначаємо кількість
обслугованих автомобілів за рік Vобс за формулою:

.3.7 Визначаємо річний
прибуток Пр:
.3.8 Капітальні вкладення К,
інвестовані в цей варіант, складають 10000у.о. Визначаємо термін окупності tок:
.3.9 Висновок: при 1-му
варіанті реконструкції:
. ймовірність відмови (Рвід),
тобто ймовірність того, що заявка для АЗС буде втраченою складає 12%;
. ймовірність Робс ,тобто
ймовірність того,що автомобіль не буде заправлений становить 88%;
. параметр потоку а=2,01
Інтенсивність обслуговування
µ=0.67 авт/хв
4.Прибуток Пр
АЗС в 1-му варіанті складе 156103у.о.
. Період
окупності витрачених коштів становить 1,4 місяця
автозаправний транспортний реконструкція сітьовий
Рис.
1.3
Схема
системи масового обслуговування реконструкції АЗС (варіант 1).
1-вхідний потік; 2-місця для
очікування; 3-обслуговуючі апарати;
-заявка покидає систему; 5-вихідний
потік; λ-інтенсивність
вхідного потоку; μ-інтенсивність
обслуговування.
Рис.
1.4
Розмічений
граф станів реконструкції АЗС (варіант 1)
S0
- система вільна; S1
- завантажений стан 1 колонки; S2
- завантажений стан 2 колонки; S3
- зайняте 1 місце для очікування; S4
- зайняте 2 місця для очікування; S5
- зайняте 3 місця для очікування; S6
- зайняте 4 місце для очікування; S7
- зайняте 5 місця для очікування; S8
- зайняте 6 місця для очікування; S9
- автомобіль покидає систему; λ
- інтенсивність вхідного потоку; μ
- інтенсивність обслуговування.
1.4 Оцінка ефективності 2-го
варіанту реконструкції АЗС
Розглядаємо 1ший варіант,
коли кількість колонок збільшується з 2 до 3,а майданчик для очікування
залишається без змін.
Дано:
кількість автозаправочних колонок n=3;
кількість місць для очікування m=4;
інтенсивність прибуття
автомобілів на АЗС
=1,35
;
середній час заправки одного
автомобіля tобс=1.5 хв.
параметр потоку а =2.01
інтенсивність потоку
=0.67
.4.1 Маємо СМО, граф станів і
схема, якої наведені на (рис.1.5) і (рис.1.6).
.4.2 Визначаємо ймовірність
того, що заявці буде відмовлено в обслуговуванні Рвідм. за формулою:
;
Це означає, що із 100
автомобілів 4
покинуть АЗС не обслуговувані.
.4.3 Визначаємо імовірність
обслуговування Робс. за формулою:
;
.
.4.4 За середньою
інтенсивністю прибуття автомобілів на АЗС
за 1 день матимемо таку кількість
автомобілів Vд за формулою:
.4.5 Визначаємо кількість
автомобілів які надходять на АЗС за 1 рік Vр за формулою:
.4.6 Визначаємо кількість
обслугованих автомобілів за рік Vобс за формулою:

.4.7 Визначаємо річний
прибуток Пр за формулою:
.4.8 Капітальні вкладення К,
інвестовані в цей варіант, складають 10000у.о. Визначаємо термін окупності tок
за формулою:
.4.9 Висновок: при 2-му
варіанті реконструкції:
. ймовірність відмови (Рвід),
тобто ймовірність того, що заявка для АЗС буде втраченою складає 3,2%;
. ймовірність Робс ,тобто
ймовірність того,що автомобіль не буде заправлений становить 96,8%;
. параметр потоку а=2.01
Інтенсивність обслуговування
µ=0.67 авт/хв
. Прибуток Пр АЗС в 2-му
варіанті складе 177390
у.о. .. Період
окупності витрачених коштів становить 7,7 місяців.
Рис. 1.5
Схема масового обслуговування реконструкції АЗС (варіант 2):
- вхідний потік; 2 - місця для
очікування; 3 - обслуговуючі апарати; 4 - заявка покидає систему; 5 - вихідний
потік; λ
- інтенсивність вхідного потоку; μ
- інтенсивність обслуговування.
Рис. 1.6
Розмічений
граф станів реконструкції АЗС (варіант 2)
S0
- система вільна; S1
- завантажений стан 1 колонки; S2
- завантажений стан 2 колонки; S3
- завантажений стан 3 колонки; S4
- заняте 1 місця для очікування; S5
- заняте 2 місця для очікування; S6
- заняте 3 місце для очікування; S7
- заняте 4 місця для очікування; S8
- автомобіль покидає систему; λ
- інтенсивність вхідного потоку; μ-інтенсивність
обслуговування.
Висновок по І-му розділу:
При базовому варіанті реконструкції:
. ймовірність відмови (Рвід), тобто
ймовірність того, що заявка для АЗС буде втраченою складає 16%;
. ймовірність Робс ,тобто
ймовірність того,що автомобіль буде заправлений становить 84%;
. параметр потоку а=2.01
Інтенсивність обслуговування µ=0.67
авт/хв
.4 Прибуток Пр АЗС в базовому
варіанті складе 149717у.о..
При 1-му варіанті реконструкції:
. ймовірність відмови (Рвід), тобто
ймовірність того, що заявка для АЗС буде втраченою складає 12%;
. ймовірність Робс ,тобто
ймовірність того,що автомобіль не буде заправлений становить 88%;
. параметр потоку а=2.01
Інтенсивність обслуговування µ=0.67
авт/хв
. Прибуток Пр АЗС в 1-му варіанті
складе156103.о.
При 2-му варіанті реконструкції:
. ймовірність відмови (Рвід), тобто
ймовірність того, що заявка для АЗС буде втраченою складає 4%;
. ймовірність Робс ,тобто
ймовірність того,що автомобіль не буде заправлений становить 96%;
. параметр потоку а=2.01
Інтенсивність обслуговування µ=0.67
авт/хв
. Прибуток Пр АЗС в 2-му варіанті складе
177390у.о.
Порівнявши окупність
капіталовкладень першого і другого варіантів реконструкції АЗС, можна прийти до
висновку, що найбільш ефективним є перший варіант реконструкції АЗС , тобто
коли кількість колонок збільшується з 1до 3, а кількість місць для очікування
залишається незміною.
2. Побудова сітьового графіка
виконання робіт при реконструкції АЗС
.1 Загальні принципи
побудови графіка
У сучасних умовах виробничі процеси
і управління цими процесами значно ускладнюється. Тому необхідно мати такий
апарат прийомів і методів управління, які б дозволили забезпечити ефективний
контроль усіх стадій і операцій процесу. Таку можливість надає використання
сітьових методів планування і управління.
В основу сітьових методів планування
і управління (СПУ) закладені схеми руху виробничого або технологічного процесу
у вигляді сітьового графіка.
Основними елементами сітьового
графіка є:
1) подія
2) робота
) фіктивна робота
Термін „робота” включає наступне:
1. Дійсна робота - будь-який
трудовий процес, який вимагає витрат часу, праці і матеріальних ресурсів.
2. Очікування - пасивний
процес, який не пов’язаний з витратами праці і матеріальних ресурсів,але цей
процес вимагає затрати часу.
Фіктивна робота - чисто умовна
залежність між подіями, яка застосовується тільки для зручності зображення на
графіку. Вона не пов’язана з витратами часу, праці і ресурсів. На сітьовому
графіку дійсна робот показується суцільними ребрами, а фіктивна - штрихованими.
Події у сітьовому графіку діляться
на:
. Вихідна подія - це початок
виконання проекту. Позначається цифрою 0. Вихідна подія не має попередніх
робіт.
2. Завершальна подія - це
досягнення кінцевої мети проекту або однієї з кінцевих цілей проекту.
Завершальна подія не має наступних за нею подій.
. Проміжна подія - це підсумок
якої-небудь діяльності. Це результат виконання однієї або декількох робіт. Цей
результат дозволяє приступити до виконання наступних робіт.
Подія - не є процесом, вона не
супроводжується витратою часу, праці і ресурсів. Подія не може наступити до тих
пір, доки не закінчаться усі попередні роботи. На сітьовому графіку подія
позначається великим кругом, в якому показується номер події.
.2 Загальні положення
Основним матеріалом для сітьового
планування є список (перелік) комплексу робіт з указанням терміну кожної роботи
та їх взаємної обумовленості. Цей перелік називається структурною таблицею. В
цій таблиці для кожної роботи (аі) повинно бути вказано, виконання
яких робіт вона потребує, щоб бути початою.
Згідно із завданням, комплекс робіт
по реконструкції АЗС включає 10 видів робіт (проектування, земляні роботи,
монтажні, наладкові і т.д.). Увесь цей комплекс робіт може бути представлений у
вигляді структурної таблиці 2.1.
Таблиця
2.1
|
Робота
|
Опирається на:
|
Термін виконання
|
|
(аі)
|
|
|
|
а1
|
10
|
|
а2
|
а1
|
15
|
|
а3
|
а1
|
20
|
|
а4
|
а2: а3
|
10
|
|
а5
|
а3
|
15
|
а6
Завдання Є автомобільна заправна станція (АЗС) з 1 колонкою і майданчиком для
очікування 3 машин. На проїзній частині вулиці перед в’їздом на АЗС стоянка
заборонена. Видідні дані: Середня інтенсивність прибуття автомобілів на АЗС: 
2
Середній
час обслуговування одного автомобіля: tобс.=1.4хв
Вхідний
потік обслуговування є найпростішим.
Час
роботи АЗС з 8.00 до 20.00 : t= 12год.
Прибуток
від обговування одного автомобіля: П=0.5 у.о.
Пропонується
два варіанти реконструкції АЗС:
а)
розширення майданчика для автомобілів, що очікують своєї черги до 5-ти машин,
при цьому разові витрати на реконструкцію складатимуть Ка=3500у.о.
n=1
m=5
n-
кількість клонок;
m-
кількість місць для очікування.
б)
улаштування другої заправної колонки без зміни чисельності очікуючих заправки
автомобілів. Витрати на реконструкцію АЗС складатимуть Кб=10000у.о.
n=2
m=3
Задача:
Порівняти
ефективність варіантів за терміном окупності витрат
tо=
*12місяців
К
- капіталовкладення;
|
П- прибуто Зба1: а25
|
|
|
|
а7
|
-
|
10
|
|
а8
|
а3: а4
|
15
|
|
а9
|
а6: а8
|
5
|
|
а10
|
а7
|
5
|
У відповідності з цією таблицею,
наприклад, роботи а4 і а5 не можуть початись раніше, ніж
виконаються роботи а2 і а3 і т.д. Планування виконання
комплексу робіт починається завжди з побудови часового графіку, що дозволяє
визначити критичні роботи, тобто роботи, що визначають загальну тривалість
комплексу робіт. А також резерви часу для некритичних робіт.
Побудова математичної моделі
Втрати в наслідок простою бригади,
що виконує роботи складають СМО умовних одиниць за одиницю часу. Необхідно
визначити оптимальну послідовність виконання робіт бригади при якій втрати з
простоєм бригад і час виконання проекту будуть мінімальними.
W=f(xi,ai)→min
де хі -
змінювальний параметр
аі - варіанти
проектного рішення
W-
термін окупності
Для знаходження
рішення задачі використовують теорію графів, а раціональний варіант методом
ітерацій.
2.3 Побудова графіка
Роботи, що виконуються
Рис. 2.1 Часовий графік виконання
робіт
Побудова часового графіку
починається в початку часової вісі (рис 2.1) Спочатку відкладаються в масштабі
роботи, які не опираються ні на які роботи (а1;а7);
робота а2 і а3, що опираються на а1, почнуться
лише після виконання роботи а1 і т.д.
Як показує графік (рис. 2.1),
загальний час виконання всього комплексу робіт (Т0) визначається
лише тривалістю робіт а1,а3,а4,а8,а9,,
і рівний Т0=t1+t3+t4+t8+t9
= 60.
Ці роботи, що визначаються То, називаються критичними, а граф а1→а3→а4→а8
→а9
називається критичним шляхом.
Як витікає з рис. 2.1., є певні
резерви часу. Так, наприклад, роботи а5 і а10
можуть бути початі пізніше, із запізненням, що не перевищує величину резерву
часу R=15
без збільшення То.
Цією обставиною можна скористатися,
щоб варіювати робочою силою або іншими ресурсами, збільшуючи тривалість
некритичних робіт і скорочуючи тривалість критичних за рахунок притягнення
засобів з некритичних робіт (або ж вкладаючи в них додаткові засоби, або
людські ресурси).
Найпростіше змінити початок
виконання некритичних робіт з метою вирівнювання кількості робіт, що
виконуються одночасно.
Рис. 2.2 Сітьовий графік виконання
робіт
.4 Визначаємо ранні та пізні строки
виконання робіт
Розраховуємо ранні строки tpmax
виконання робіт за формулою [7]:
tрmax[(tp(i)+ti-x);(tp(K)+tk-x);(tp(N0+tn-x)],
(2.1)
де tp(i)-ранній
срок і-тої події
tp(K)-
критичний шлях
tp(0)=0;
tр(1)=tp(0)
+ 10=0+10=10;
tp(3)
= tp(1)
+ 20 =
30;
tр(4)
= tp(3)
+ 10 = 40;
tр(5)
= tp(3)
+ 15=45;
tр(6)
= tp(2)
+ 5 = 30;
tр(7)
= tp (0)
+ 10=10;
tр(8)
= tp(4)
+ 15 = 55;
tр(9)
= tp(8)
+ 5 = 60;
tр(10)
= tp(7)
+
5
=
15.
Розраховуємо пізні строки виконання
робіт за формулою:
tп=мін[(tпX+tK);(tпX+tZX);(tпX+tYX)].
(2.2)
tп(6)
=
tp(9)
-
t6,9 =
55;
tп(3)
= tп (4)
- t3,4 =
30;
tп(2)
= tп(4)
- t2,4
= 20.
tп(8)
= tп (9)
- t8,9 =
30;
tп(4)
= tп (8)
- t4,8 =
30;
tп(1)
= tп (3)
- t1,3 =
30;
.5 Оптимізація виконання робіт
Визначимо на основі лінійного
графіка як можна поліпшити використання робочої сили. Припустимо, що для
виконання однієї роботи потрібна одна бригада. Припустимо також, що
господарство має певні втрати при простої бригади. Припустимо, що втрати при
простої бригади за одиницю часу 100 у.о.
.5.1 Визначаємо середню зайнятість
бригад Nзайн.
за формулою [7]:
(2.3)
де ti -
тривалість періоду;
Nі -
кількість бригад, що працюють в даний час;
nі -
кількість періодів.
2.5.3 Визначаємо середню
кількість незайнятих бригад Nн.з. за
формулою:
(2.4)
де Nmax - максимальна
кількість зайнятих бригад;
Ni -
номер бригади.
.5.4 Визначаємо втрати В
внаслідок простою бригад за формулою:
Спробуємо розподілити бригади
більш рівномірно. Новий графік навантаження бригад покажемо на рис.2.1
пунктиром. Для отримання графіка розподілу робіт визначаємо середню кількість
зайнятих бригад за формулою:
.
Середня кількість незайнятих
бригад: здійснюється за формулою [7]:
В першому варіанті кількість
незайнятих бригад становить 1,67, а в другому - 0,167.
.5.5 Визначаємо втрати В
внаслідок простою бригад за формулою:
(2.5)
2.5.6 Економічний ефект Еу
від удосконалення проекту складає, визначаємо за формулою:
(2.6)
Еу=10020 - 1002 =
9018 у.о.
Висновок по ІІ-му розділу:
Отримані результати
розрахунків свідчать про набагато краще використання робочої сили після
удосконалення організації робіт. Комплекс робіт виконується двома і однією
бригадами замість трьох з більшою рівномірністю завантаження. Економічний ефект
від удосконалення проекту складає: 9018 у.о
Загальний висновок:
При базовому варіанті:
1.
дорівнює
0.639;
.
дорівнює
0.361.
. Прибуток
АЗС в
базовому варіанті складе 94871 у.о.
При І-му варіанті
реконструкції:
.
дорівнює
0.373;
.
дорівнює
0.627
. Річний прибуток
становить
164775,5 у.о. Період окупності витрачених коштів становить 2,5 місяця.
При ІІ-му варіанті
реконструкції:
.
дорівнює
0.195;
.
дорівнює
0.805
. Річний прибуток
становить211554 у.о. Період
окупності витрачених коштів становить 5,6місяців.
Отримані результати розрахунків
свідчать про набагато краще використання робочої сили після удосконалення
організації робіт. Комплекс робіт виконується двома і однією бригадами замість
трьох з більшою рівномірністю завантаження. Економічний ефект від удосконалення
проекту складає: 9018 у.о. Тому, за основу приймаємо 1 варіант реконструкції.
Список використаної
літератури:
1. Бедняк М.Н. Математические основы
управления,
К.: КАДИ, 1976. -127 с.
2. Бедняк М.Н. Организация,
планирование и управление в автотранспортных предприятиях. К.: Высшая школа,
1980. -394с.
. Бедняк М.Н. Математические
основи управления . К: КАДИ, 1991 -127 с.
4. Белов
В.В., Воробьев Е.М., Шатанов Теория графов. М.: Высшая школа. 1976.-216 с.
5. Березина
Л.Ю. Графы и их применение. М.: Просвещение. 1979.- 143 с.
. Вентцель
Е.С. Исследование операцій: М, "Сов. радио”, 1972,- 552 с.
. Докуніхін
В.З., „Методичних рекомендації до курсового проектування з дисципліни „Введення
у дослідження операцій на транспорті”, К.: НАУ 2007.- 67 с.
. Новиков
О.А., Петухов С.И. Прикладные вопросы по теории массового обслуживания. М.:
„Советское радио”, 1974, - 342 с.
. Ойстин
Орє Теория графов. Второе издание, М.: Наука. Гл. издательвоство
физико-математической литературы, 1980. - 336 с.
10. Четвертухін
Б.М. Введення в дослідження операцій на транспорті і система.К.: Укртранс,
1999.-168 с.