Синтез системы управления нестационарным динамическим объектом
Введение
синтез нестационарный динамический объект
Развитие техники автоматизированного управления
связанно с проблемой замены человека в различных звеньях управления
производственным процессом. Кибернетика - наука об общих закономерностях
процессов управления - основывается на изучении объектов управления при внешних
воздействиях, получении информации о протекании процессов в этих объектах и
выработке управляющих воздействий, обеспечивающих оптимальное в определённом
заданном смысле состояние объектов. Объектами управления могут быть: живые
организмы, коллективы людей, производственные предприятия, заводы, цехи,
отдельные станки, машины.
В зависимости от объекта и задачи управления
системы уравнений могут быть различными - от самых простых систем автоматического
регулирования, поддерживающих неизменной какую-либо величину, до сложных,
содержащих десятки вычислительных машин, решающих задачи оптимального
управления множеством объектов.
Автоматическим регулированием называется
поддержание постоянной или изменение по заданному закону некоторой величины,
характеризующей процесс, осуществляемое при помощи измерения состояния объекта
или действующих на него возмущения и воздействия на регулирующий орган объекта.
Управление охватывает большой круг задач. Под
автоматическим управлением понимается автоматическое осуществление совокупности
воздействий, выбранных из множества возможных на основании определённой
информации и направленных на поддержание или улучшение функционирования
управляемого объекта в соответствие с целью управления.
1. Синтез нескорректированной
системы динамического объекта
.1 Постановка задачи
По заданному нестацианарному дифференциальному
уравнению, которым описывается поведение объекта управления, находится
параметрическая передаточная функция. Выбирается метод решения синтеза системы
с учётом ограничений. Выбирается и обосновывается критерий качества и принцип
функционирования системы. Строится структурная схема и выбирается элементная
база информационно- управляющей системы.
Методом квазистационарности находится
передаточная функция системы, и по заданным показателям качества переходного
процесса строится желаемая ЛАЧХ скорректированной системы, а затем находится
передаточная функция, схема и параметры корректирующего устройства. Проводится
оптимизация критерия качества с целью нахождения структуры и алгоритма
функционирования информационной параметрической системы идентификации.
Получив структуру регулятора квазистационарного
объекта, структуру и алгоритм функционирования информационной параметрической
системы, сняв наложенные ограничения квазистационарности объекта управления и
регулятора, производится оптимизация критерия качества управляющей системы, в
результате которой находится структура и алгоритм функционирования управляющей
системы.
где а1 =2,4; а2=
0,16; а3=8; а4 =5; b1=1,5; b2=8; b3=16.
построить самонастраивающуюся
информационно-управляющую систему, обеспечивающую асимптотическую устойчивость
по Ляпунову в условиях нестационарности динамических параметров объекта
управления, удовлетворяющих ограничениям:
Δa1(t),
Δa2(t),
Δa3(t),
Δa4(t),
Δb1(t),
Δb2(t),
Δb3(t)
<< ΔU1(t),
Δy1(t),
Δy2(t)
(1.2)
на интервале квазистационарности:
nT ≤ t ≤ (n+1)T,
выбранному между двумя дискретными
состояниями, где Т - интервал времени наблюдения за поведением объекта. После
перестройки параметров системы он численно равен трем постоянным времени
объекта управления при t = 0
Т = 3Т0
При этом система должна
удовлетворять следующим показателям качества при единичном ступенчатом
воздействии в условиях квазистационарности объекта на интервале времени nT ≤ t ≤ (n+1)T:
· запас по амплитуде Lзап
[дБ]
≥ 10;
· запас по фазе φзап
[град] ≥ 15;
· коэффициент перерегулирования σ
[%] = 30;
· время регулирования tp
[c] = 0,8;
· система должна обладать астатизмом ν
= 2;
· коэффициент ошибки по скорости С [c]
=0,075;
· полоса пропускания ≥ 8.
Для решения поставленной задачи необходимо
следующее:
· Анализ свойств, определяющих
статические и динамические характеристики объекта управления;
· Представить нестационарный объект
управления схемой в переменных состояниях и определить:
вектор состояния;
вектор возмущений;
динамическую матрицу переменных коэффициентов.
· Исследовать поведение объекта при
фиксированных возмущающих воздействиях;
· Найти передаточную функцию
квазистационарного объекта на интервале времени nT
≤
t ≤
(n+1)T
и произвести синтез последовательного корректирующего устройства,
обеспечивающего заданные показатели качества. Определить запасы устойчивости по
амплитуде и фазе;
· Найти структуру и алгоритм
функционирования информационной параметрической системы идентификации при
выбранном критерии качества;
· Выбор элементов и технических
средств для её реализации;
· Построить
информационно-параметрическую систему идентификации;
· Снимая наложенные ограничения
квазистационарности, осуществить решение задачи оптимизации с целью нахождения
структуры и алгоритма функционирования самонастраивающейся
информационно-управляющей системы нестационарного объекта управления;
· На основании полученного алгоритма
функционирования самонастраивающейся информационно-управляющей системы
построить структурную и разработать принципиальную электрическую схему
самонастраивающейся информационно-управляющей системы нестационарного объекта;
1.2 Представление нестационарного
объекта управления в терминах пространства состояний
Пользуясь методом математического моделирования
и методом пространства состояний, представим нестационарный объект управления в
терминах пространства состояний, для чего разрешим систему дифференциальных
уравнений, описывающих поведение объекта управления, относительно старших
производных.
Тогда:
Полученная система дифференциальных
уравнений описывает структуру нестационарного объекта управления в переменных
состояниях, которая имеет вид, представленный на рисунке 1.1.
Рисунок 1.1 - Структура
нестационарного объекта управления в переменных состояниях
1.3 Представление системы переменных
состояний в форме Коши
Введем следующие обозначения:
тогда:
1.4 Представление системы переменных
состояний в векторной форме
Полученная система динамического
объекта может быть представлена в следующей форме:
, где
-производная вектора состояний;
- вектор возмущения;
А(t) -
динамическая матрица переменных параметров объекта управления. Характеризует
параметрическое пространство;
B(t) - матрица
возмущающих или управляющих воздействий, которые характеризуют степень
возмущения;
Z(t)=
- вектор фазового состояния;
1.5 Передаточные функции звеньев
системы управления квазистатическим объектом на заданном интервале времени
Представим систему в операторной
форме. Накладываем ограничения на интервале:
Учитывая это условие, динамическую
систему можно рассматривать квазистационарно.
Найдем передаточную функцию объекта
управления. Для этого представим каждое уравнение системы нестационарных
дифференциальных уравнений в операторной форме, заменив
.
Тогда:

Делая соответствующие подстановки,
получим выражения для передаточных функций:
где
=
;
=
;
=
(с);
=
(с);
=
(с);
=
(с).
Таким образом, получаем передаточную
функцию разомкнутой нескорректированной системы:
Получаем систему, состоящую из двух
динамических звеньев (рисунок 1.2).
Рисунок 1.2 - Система, состоящая из двух
динамических звеньев.
Используя заданный коэффициент ошибки по
скорости С, находим требуемый статический коэффициент передачи всей системы:
Для обеспечения требуемого усиления
вводим пропорциональное звено с коэффициентом усиления пропорционального звена:
, следовательно
где
=
;
=
;
отсюда
Зная постоянные времени Т, найдем
соответствующие им частоты:
Передаточная функция регулятора, с
учетом значений коэффициента передачи, будет иметь вид:
Wрег(р) = кх
Регулятор включается в цепь
последовательно с объектом управления как изображено на рисунке 1.3.
Рисунок 1.3 - Разомкнутая система
управления квазистационарным объектом
Передаточная функция системы с
учетом регулятора имеет вид:
2. Синтез последовательного
корректирующего устройства системы
.1 Нахождение амплитудно-частотной и
фазочастотной характеристик нескорректированной системы
Передаточная функция разомкнутой
квазистационарной системы имеет вид:
Заменим в выражении (1.34) p=jω. Получим
комплексную амплитудно-фазочастотную функцию разомкнутой системы:
где
Выражение (2.2) представляет собой
амплитудно-частотную характеристику разомкнутой квазистационарной нескорректированной
системы.
2.2 Построение логарифмической
амплитудно-частотной и фазочастотной характеристик нескорректированной системы
Фазочастотная характеристика разомкнутой
квазистационарной нескорректированной системы имеет вид:
При построении логарифмических
частотных характеристик принимаем следующие масштабы:
Находим логарифмическую
амплитудно-частотную характеристику нескорректированной системы, для чего
прологарифмируем выражение (2.2). Получим:
На частотах 0 ≤ ω ≤ 1
пренебрегаем слагаемыми, содержащими ω. А на частотах ω >> 1
пренебрегаем единицей. Тогда логарифмическая амплитудно-частотная
характеристика примет вид:
Таким образом, ЛАЧХ представляет
ломаную кривую, состоящую из 5-ти прямых, сопрягающихся на частотах перегиба:
¾ 1 декада- 9 см;
¾ 1 см- 10 дб/декаду;
¾ 1 см- 9 градусов.
На оси ординат откладываем kv
в децибелах 20lgkv=20lg13,3=22,5
(дб), на оси абцисс откладываем частоты без логарифма.
Первая прямая проходит через точку
К=22,5 дб с наклоном -20 дб/дек до первой частоты сопряжения
. На частоте
сопрягается
следующая прямая с наклоном -20 дб/дек по отношению к предыдущей прямой. Эта
прямая проводится до второй частоты сопряжения
. На частоте
сопрягается
третья прямая с наклоном +20дб/дек по отношению к предыдущей прямой. Эта прямая
проводится до следующей частоты сопряжения
, на которой сопрягается четвёртая
прямая с наклоном +20дб/дек по отношению к третей прямой. На частоте
сопрягается
пятая прямая с наклоном -20 дб/дек по отношению к предыдущей прямой с
продолжением её в область высоких частот.
Полученная таким образом ломаная
кривая представляет собой ЛАЧХ разомкнутой нескорректированной квазистационарной
системы, первая прямая проходит с наклоном -20 дб/дек, вторая- -40 дб/дек,
третья- -20 дб/дек, четвёртая- -0 дб/дек, пятая- -20 дб/дек.
Фазочастотная характеристика
нескорректированной разомкнутой системы строится в тех же координатах согласно
выражению:
Первое слагаемое -
- это
прямая, проходящая параллельно оси частот на расстоянии -
.
Второе- пятое слагаемые- тангенсоиды
с точками перегиба на частотах сопряжения -
для апериодического и
для
форсирующего звеньев. Алгебраическая сумма ординат всех характеристик даёт
фазочастотную характеристику нескорректированной разомкнутой системы.
Для определения запасов устойчивости
необходимо:
) точку пересечения суммарной ФЧХ с
линией -
спроектировать на ЛАЧХ, тогда расстояние проекции этой точки до оси частот
будет величиной запаса устойчивости по амплитуде в дб.
) проекция частоты среза на
суммарную ФЧХ относительно линии -
определяет величину запаса
устойчивости по фазе в градусах, если проекция точки находится выше линии -
.
Проведённые построения показывают,
что система неустойчива как по фазе, так и по амплитуде. С целью достижения
заданных показателей строится корректирующее звено.
2.3 Построение желаемой ЛАЧХ и ФЧХ
скорректированной квазистатической системы
При построении желаемой ЛАЧХ выделим три области
частот: область низких, средних и высоких частот.
Интервал средних частот лежит между первой и
второй сопрягающими частотами, т.е.
,
где величины
,
,
определяются
следующими выражениями:

,
где
- время регулирования
квазистационарной системы, т.е. один из заданных условий показателя качества;
β - коэффициент, зависящий от
величины перерегулирования σ %, определяется по графику
зависимости:
β=2,7.
Тогда:
,
,
При построении через точку
на оси
частот проводится ЛАЧХ средних частот, ограниченная частотой
в области
низких частот и
в области
высоких частот.
Согласно практическим рекомендациям,
наклон ЛАЧХ в области средних частот должен быть - 20 дБ/дек к оси частот.
Наклон в области высоких частот выбираем - 40 дБ/дек, т.к. характер ЛАЧХ на
этом интервале существенного влияния на переходный процесс не оказывает. В
области низких частот наклон выбираем - 40 дБ/дек.
Находим Т1к, Т2к,
Тс:
По виду ЛАЧХ построена желаемая ФЧХ
и определены законы устойчивости по амплитуде и фазе.
Произведённые построения показывают,
что запасы устойчивости удовлетворяют заданным в техническом задании на проект.
2.4 Построение корректирующего звена
Учитывая то, что передаточная функция
разомкнутой скорректированной системы определяется выражением:
Wск(р)
= Wнс(р)Wкз(р)
или
Wск(jw)
= Wнс(jw)Wкз(jw)
где Wкз(jw)
- передаточная амплитудно- фазочастотная функция корректирующего звена, имеем:
Логарифмируя, получим:
LWкз(jw) = LWск(jw) - LWнс(jw)
Из этого выражения следует, что ЛАЧХ
корректирующего устройства квазистационарной системы равна разности ЛАЧХ
скорректированной и нескорректированной ЛАЧХ соответственно.
Таким образом, вычитая ординаты ЛАЧХ
нескорректированной системы из ординат желаемой ЛАЧХ на частотах сопряжения,
получим
ординаты ЛАЧХ корректирующего
устройства, которое построено на той же схеме путём соединения частот
сопряжения прямыми с наклонами, соответствующими разностям.
Согласно выполненных построений
передаточная функция корректирующего устройства:
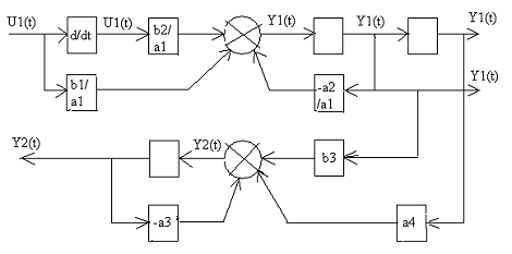
3. Построение замкнутой
скорректированной структурной схемы управления динамическим объектом
Передаточная функция замкнутой скорректированной
системы управления квазистатическим объектом имеет вид:
Wск(p)
= W1(p)W2(p)Wрп.з(з)Wкз(p),
т.е.
Таким образом, структурная схема
замкнутой скорректированной системы управления нестационарным динамическим
объектом имеет вид:
Рисунок 3.1 - Структурная схема
замкнутой скорректированной системы управления нестационарным динамическим
объектом
4. Разработка принципиальной
электрической схемы системы управления нестационарным динамическим объектом
.1 Выбор элементной базы
Анализируя структурную схему замкнутой
скорректированной системы управления нестационарным динамическим объектом,
которая была разработана на предыдущем этапе проектирования, можно выделить
следующие блоки для разработки:
- сумматор;
- пропорциональное звено;
- апериодическое звено;
- форсирующее звено.
В качестве элементной базы для реализации
структурной схемы выбираем операционный усилитель К140УД1А с параметрами:
к = 0,9 тыс
кос.сф = 60 дБ
Uсм
= 7 мВ
ΔUсм/ΔT
= 20 мкВ/с°
Iвх
= 5000 нА
ΔIвх
= 1000нА
Rвх
= 4 кОм
4.2 Расчёт элементов принципиальной
схемы и основных узлов
При анализе структурной схемы замкнутой
скорректированной системы управления нестационарным динамическим объектом
видно, что принципиальная схема устройства будет состоять из операционных
усилителей типа К140УД1А, которые будут включены в различных режимах работы. В
состав будет входить: сумматор, 5 форсирующих звеньев, 5 апериодических
звеньев, пропорциональное звено с к = 13,3.
Исходя из структурной схемы устройства можно
построить принципиальную электрическую схемы. Далее проведём расчёт элементов
полученной принципиальной схемы.
Рассчитаем сумматор, схема которого приведена
ниже.
Рисунок 4.1 - Схема сумматора
Сопротивление резисторов R1,
R2, R3,
R6 принимаем равным
51 кОм.
Uвых
= Uвх1
+ Uвх2.
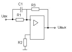
Рассчитаем форсирующие звенья:
Рисунок 4.2 - Форсирующее звено
Рассчитаем форсирующее звено T1p+1
Принимаем C1
= 20 мкФ
Найдём R1
из формулы: R1
= T1/C1.
T1
= 5,3
R1
= 5,3/(20*10-6) = 265 кОм.
Принимаем R1
= R3
= 265 кОм.
Найдем сопротивление резистора R2:
R2
= R1||R3
= R1R3/(R1+R3)
= 265*103*265*103/(265*103+265*103)
= 132,5 кОм.
Рассчитаем форсирующее звено T3p+1.
T3
= 3,2 T3
= R3C1.
Принимаем C1
= 20 мкФ. Тогда:
R3
= T3/C1
= 3,2/20*10-6 = 160 кОм.
Принимаем R1
= R3.
R2
= R1||R3
= R1R3/(R1+R3)
= 160*103*160*103/(160*103+160*103)
= 80 кОм.
R1
= R3
= 160 кОм, R2
= 80 кОм.
Рассчитаем форсирующее звено T2p+1.
T2
= 15, T2
= R3C1.
Принимаем C1
= 20 мкФ. Тогда:
R3
= T2/C1
= 15/20*10-6 = 750 кОм.
Принимаем R1
= R3.
R2
= R1||R3
= R1R3/(R1+R3)=750*103*7503/(7503+7503)=375
кОм.
R1
= R3
= 750 кОм, R2
= 375 кОм.
Рассчитаем форсирующее звено T1кp+1.
T1k
= 0,33, T1k
= R3C1.
Принимаем C1
= 20 мкФ. Тогда:
R3
= T1k/C1
= 0,33/20*10-6 = 16,5 кОм.
Принимаем R1
= R3.
R2
= R1||R3
= R1R3/(R1+R3)=16,5*103*16,5*103/(16,5*103+16,5*103)=0,525
кОм.
R1
= R3
= 16,5 кОм, R2
= 8,25 кОм.
Рассчитаем форсирующее звено T4p+1.
T4
= 0,125, T4
= R3C1.
Принимаем C1
= 20 мкФ. Тогда:
R3
= T4/C1
= 0,125/20*10-6 = 6,25 кОм.
Принимаем R1
= R3.
R2
= R1||R3
= R1R3/(R1+R3)=6,25*103*6,25*103/(6,25*103+6,25*103)=
кОм.
R1
= R3
= 6,25 кОм, R2
= 3,125 кОм.
Рассчитаем апериодические звенья:
Рисунок 4.3 - Апериодическое звено
Рассчитаем апериодическое звено 1/(T2p+1)
T2
= 15 T2
= R3C1.
Принимаем C1
= 20 мкФ. Тогда:
R3
= T2/C1
= 15/20*10-6 = 750кОм.
Принимаем R1
= R3.
R2
= R1||R3
= R1R3/(R1+R3)=750*103*7503/(7503+7503)=375
кОм.
R1
= R3
= 750 кОм, R2
= 375 кОм.
Рассчитаем апериодическое звено 1/(T4p+1).
T4
= 0,125, T4
= R3C1.
Принимаем C1
= 20 мкФ. Тогда:
R3
= T4/C1
= 0,125/20*10-6 = 6,25 кОм.
Принимаем R1
= R3.
R2
= R1||R3
= R1R3/(R1+R3)=6,25*103*6,25*103/(6,25*103+6,25*103)=
кОм.
R1
= R3
= 6,25 кОм, R2
= 3,125 кОм.
Рассчитаем апериодическое звено 1/(T1p+1).
T1
= 5,3 T1
= R3C1.
Принимаем C1
= 20 мкФ. Тогда:
R1
= 5,3/(20*10-6) = 265 кОм.
Принимаем R1
= R3
= 265 кОм.
Найдем сопротивление резистора R2:
R2
= R1||R3
= R1R3/(R1+R3)
= 265*103*265*103/(265*103+265*103)
= 132,5 кОм.
R1
= R3
= 265 кОм, R2
= 132,5 кОм.
Рассчитаем апериодическое звено 1/(T3p+1).
T3
= 3,2 T3
= R3C1.
Принимаем C1
= 20 мкФ. Тогда:
R3
= T3/C1
= 3,2/20*10-6 = 160 кОм.
Принимаем R1
= R3.
R2
= R1||R3
= R1R3/(R1+R3)
= 160*103*160*103/(160*103+160*103)
= 80 кОм.
R1
= R3
= 160 кОм, R2
= 80 кОм.
Рассчитаем апериодическое звено 1/(T2кp+1).
T2к
= 0,03, T2к
= R3C1.
Принимаем C1
= 20 мкФ. Тогда:
R3
= T2к/C1
= 0,03/20*10-6 = 1,5 кОм.
Принимаем R1
= R3.
R2
= R1||R3
= R1R3/(R1+R3)
= 1,5*103*1,5*103/(1,5*103+1,5*103)
= 0,75 кОм.
R1
= R3
= 1,5 кОм, R2
= 0,75 кОм.
Рассчитаем пропорциональное звено:
Рисунок 4.4 - Пропорциональное звено
K = R3/R1.
Принимаем R3
= 51 кОм, следовательно:
R1
= R3/k
= 51*103/13,3 = 3,8 кОм
R2=
R1||R3
= R1R3/(R1+R3)=3,8*103*51*103(3,8*103+51*103)=3,5
кОм
Заключение
В курсовой работе был произведен синтез системы
управления нестационарным динамическим объектом, получена ее структура. Данная
система обеспечивает устойчивость и заданные показатели качества на интервале
квазистационарности nT
≤
t ≤
(n+1)T
при условии постоянства параметров объекта управления на этом интервале
времени. При наличии изменений параметров объекта управления управляющее
воздействие U(p),
вырабатываемое регулятором (управляющим устройством) с жесткой отрицательной
обратной связью, не обеспечивает устойчивости и заданных показателей качества
квазистационарной системы. Для устранения этого недостатка необходимо вводить
гибкую параметрическую обратную связь, т.к. управляющему устройству в этом
случае необходима информация о параметрическом состоянии нестационарного объекта
управления.
Литература
1.Чаковский
В.В. и др. Методы систем управления. - Москва: Машиностроение, 1969.
.Воронов
А.А. и др. Теория автоматического управления. - Москва: Высшая Школа, 1977.
.Володченко
Г.С., Новгородцев А.И. Методические указания к комплексной курсовой работе
«Построение информационно-управляющей системы с элементами искусственного
интеллекта» по курсу «Элементы и системы автоматического управления и контроля».
- Сумы, СумГУ, 1999.
синтез
нестационарный
динамический
объект