Синтез параметрів двоконтурної системи підпорядкованого керування електроприводом

  • Вид работы:
    Курсовая работа (т)
  • Предмет:
    Информатика, ВТ, телекоммуникации
  • Язык:
    Украинский
    ,
    Формат файла:
    MS Word
    1,11 Мб
  • Опубликовано:
    2013-04-10
Вы можете узнать стоимость помощи в написании студенческой работы.
Помощь в написании работы, которую точно примут!

Синтез параметрів двоконтурної системи підпорядкованого керування електроприводом




 

 

 

 

 

 

 

 

 

 

 

Розрахунково-пояснювальна записка до курсової роботи

з дисципліни Системи керування електроприводів

тема : Синтез параметрів двоконтурної системи підпорядкованого

керування електроприводом

1. Вибір функціональної схеми СКЕП

.1 Обґрунтування вибору функціональної схеми СКЕП

Залежно від технологічного процесу СКЕП можуть переважно працювати або в режимі стабілізації заданої швидкості (статичний режим роботи), або в режимі регулювання швидкості відповідно до сигналу управління, який змінюється (динамічний режим роботи). Для одержання високої моторності в режимах зміни швидкості необхідно забезпечити рух з максимально припустимим рушійним або гальмівним моментом. Для забезпечення необхідної похибки стабілізації швидкості механічні характеристики СКЕП повинні мати достатню жорсткість. Отже в СКЕП має виконуватись керування як мінімум двома координатами - моментом і швидкістю виконавчого двигуна. У деяких СКЕП необхідно здійснювати керування третьою координатою, а саме положенням вала ЕД або положенням робочого органу механізму. Для цього в СКЕП застосовуються регулятори відповідних координаті. На входи цих регуляторів подаються сигнали завдання і сигнали зворотних зв'язків по регульованих координатах.

Залежно від кількості застосованих регуляторів і підведених до них сигналів СКЕП поділяють на дві основні групи: СКЕП з підсумовуючим підсилювачем і СКЕП з контурними регуляторами.

У СКЕП з підсумовуючим підсилювачем на вхід єдиного пропорційного регулятора-підсилювача подають сигнали завдання і сигнали жорстких і гнучких зворотних зв'язків по регульованих координатах. Для виключення взаємного впливу зворотних зв'язків по регульованих координатах у них вводять нелінійні елементи. Основна перевага СКЕП із підсумовуючим підсилювачем є наявність одного пропорційного регулятора-підсилювача. До недоліків можна віднести використання одного регулятора з незмінними параметрами для керування різними координатами, що потребує компромісного вибору його параметрів і обмежує статичні і динамічні характеристики СКЕП. Тому ці СКЕП можуть застосовуватися в технологічних процесах, де не потрібна висока моторність і точність регулювання координат.

Особливістю СКЕП з контурними регуляторами є застосування окремих регуляторів для керування кожною з регульованих координат. Регулятори одночасно виконують функції коригувальних ланок, оскільки їх передатна функція визначається при синтезі контуру регульованої координати за умовами забезпечення необхідних динамічних і статичних характеристик.

Для забезпечення заданої точності регулювання більш доцільно використовувати СКЕП з контурними регуляторами. Відповідно до цього я обираю електропривід ЕТ - 6, який повністю задоволняє вимогам технічного завдання.

1.2 Призначення і склад приводу ЕТ-6

ЕП постійного струму серії ЕТ6 призначений для регулювання частоти обертання валу двигуна в широкому діапазоні і застосовується в якості приводу для механічної подачі металообробних верстатів.

ЕП складається з тиристорного перетворювача (ТП), ДПС, тахогенератора, узгоджуючого силового трансформатора, струмообмежуючого дроселя і задатчика частоти обертання. В якості ДПС в складі ЕТ6 можуть застосовуватись двигуни серії 2П, ПБСТ, ПГТ, ПБВ.

Електропривід ЕТ6 забезпечує регулювання швидкості в 4-х квадрантах механічної характеристики при зміні керуючої напруги від -10 В до +10В. ЕП конструктивно уявляє собою комплектний пристрій відкритого виконання (ступінь захисту ІР - 00). ТП призначений для вбудови в шафу і має блочну конструкцію, яка забезпечує оперативну зміну блоків, а також можливість ремонту або зміни окремих елементів.

1.3 Функціональна схема ЕП ЕТ-6

Рисунок 1. Функціональна схема ЕП ЕТ-6

СОМКР - схема обмотки мінімального кута регулювання;

СС - схема струмообмеження;

СТ - силовий трансформатор;

ДЖ - джерело живлення;

ДС - датчик струму;

ДШ - датчик швидкості;

РШ - регулятор швидкості;

РС - регулятор струму;

СЗ - схема захисту;

КВ - керований випрямляч;

СІФК - система імпульсно - фазового керування;

ДПС - двигун постійного струму.

1.4 Опис роботи електроприводу

ЕП виконаний за двоконтурною структурою підпорядкованого регулювання з регуляторами струму РС і швидкості РШ, які являють собою ПІ - регулятори. Робота ЕП відбувається наступним чином. При наявності розбіжності за швидкістю ΔUш між сигналами завдання Uзш й зворотного зв’язку за швидкістю Uдш на виході РШ з’являється керуюча напруга Uрш , яка порівнюється з наругою Uос , пропорційною поточному значенню струму якоря електродвигуна. Напруга розбіжності за струмом ΔUс поступає на вхід регулятора струму РС, що викликає появу на його виході відповідної керуючої напруги Uрс , яке керує схемою імпульсно - фазового регулювання (СІФК). СІФК забезпечує формування та розподіл імпульсів керування силовими тиристорами керуємого випрямляча (КВ). СІФК і КВ входять до складу тиристорного перетворювача (ТП). В ході зменшення розбіжності (за рахунок дії від’ємного зворотнього зв’язку за швидкістю) відбувається стабілізація частоти обертання - електродвигуна n на рівні, який пропорційний значенню напруги завдання Uзш.

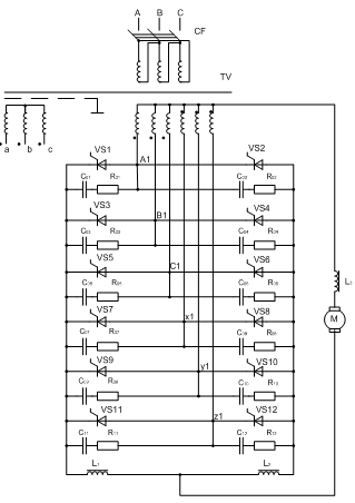
Для забезпечення надійності і безпеки роботи електродвигуна передбачена наявність: схеми обмеження струму якоря двигуна в динамічних режимах; схеми обмеження мінімального кута керування КВ; схеми захисту від неправильного чередування фаз живлячої мережі або їх обриву, зникнення напруги стабілізованого джерела живлення і т.п.. Силова частина являє собою керуємий випрямляч, виконаний по шестипульсній реверсивній зустрічно - паралельній схемі, і складається з силового узгоджувального трансформатора, власно випрямляча і струмообмежуючих дроселів. Трифазний трансформатор ТР 13 здійснює узгодження напруги електродвигуна з напругою живлячої мережі і містить первинну, дві силові вторинні обмотки і окрему обмотку для живлення ланцюгів керування. Обмотка керування відділені від силових обмоток екраном. Первинна обмотка з’єднана в трикутник, вторинні в шестифазну зірку з нульовим виводом, обмотка керування в зірку. Випрямляч виконаний на тиристорах VS1, VS2. Для захисту тиристорів від перенапруги паралельно їм ввімкнені захисні RC - кола. Керування групами тиристорів - спільно узгоджене. Для обмеження зрівнюючого струму ввімкнені дроселі L1 і L2.

Силова частина являє собою керований випрямляч виконаний за шестипульсною реверсивною нульовою зустрічно - паралельною схемою, складається з силового узгоджуючого трансформатора, власне випрямляча, та зрівнювальних реакторів L1, L2 і якірного дроселя L3. Трифазний трансформатор TV здійснює узгодження наруги ЕД з напругою живлення і має первинну, дві силові вторинні обмотки і окрему обмотку для живлення схеми керування, яку відокремлено від силових екраном.

Первинна обмотка з’єднана в трикутник, вторинні в шестифазну зірку з нульовим виводом, а обмотка керування в зірку.

Рисунок 2. Векторна діаграма напруги вторинних силових обмоток

КВ виконано на тиристорах VS1 - VS12. Для захисту тиристорів від занадто великих пульсацій напруги, паралельно їм ввімкнено захисні RC-кола. Керування групами тиристорів сумісно - узгоджене. Для обмеження зрівнювального струму ввімкнені дроселі L1, L2, а для обмеження пульсацій струму якоря L3.

Рисунок 3. Схема силової частини перетворювача

2. Вибір і визначення параметрів силового кола схеми КЕП

2.1 Вибір і визначення технічних параметрів електродвигуна

Згідно з технічними даними обираємо двигун типу 2ПБ90LУХЛ4 зі слідуючими параметрами:

Таблиця 3.1- Технічні дані двигуна тину 2ПН90МГУХЛ4

Потужність ЕД

Напруга

Частота обертання

ККД

Момент інерції

Опір обмоток при 150С, Ом

Індуктивність якоря



ном.

макс.



якоря

доб. полюсів

збудж.


Рн, кВт

Uн, В

nном ,об/хв

nмакс ,об/хв

η, %

Јдв, кг·м2

Rя, Ом

Rдп, Ом

Rв, Ом

Lя, мГн

0,37

110

1500

3000

61,5

0,004

2,52

1,47

610

48


Допустиме перенавантаження двигуна: 2Iн - 60 с; 3Iн - 10 с;

Клас ізоляції В (1300С)

2.2 Розрахунок основних параметрів електродвигуна

Номінальний струм двигуна:

 (1)

Номінальне значення кутової швидкості на валу двигуна:

    (2)


Номінальний момент:

      (3)


Повний опір двигуна на основі паспортних даних:

(4)


Повний опір двигуна з урахуванням підвищення температури:

         (5)


де:     = 0,004 1/°С - температурний коефіцієнт опору міді ;

DТ - різниця між максимальною температурою і температурою навколишнього середовища (для класу ізоляції “В” Тmax = 130°С) .

DТ = Тmax - Тнавк , 0С                               (6)

DТ = 130 - 15 = 115°С

Конструктивний коефіцієнт електродвигуна по ЕРС:

     (7)


Розрахунок потрібного поправочного коефіцієнта k для заданої індуктивності якоря, виразимо із формули Уманського-Ленвіля:

(8)


2.3 Вибір силового трансформатора

Розрахункове значення ЕРС Е вторинної обмотки трансформатора для живлення ТП, що працює в режимі безперервного струму визначається необхідним значенням випрямленої напруги Uдн з урахуванням необхідного запасу на падіння напруги в тиристорному перетворювачі.     

     (9)


де:      - коефіцієнт передачі шестипульсної нульової схеми КВ за напругою;

 - коефіцієнт, враховуючий можливе значення напруги в мережі живлення;

 - коефіцієнт, враховуючий обмеження мінімального кута керування αmin ≥0 ел.гр. при максимальному значенні сигналу керування;

 - коефіцієнт, враховуючий падіння напруги в ТП.

Значення лінійної ЕРС трансформатора:

    (10)


Розрахункове ефективне значення фазного струму вторинної обмотки трансформатора

   (11)


 - коефіцієнт передачі шестипульсної нульової схеми КВ за струмом.

Необхідне значення коефіцієнта трансформації:

     (12)

Розрахункове значення фазного струму первинної обмотки трансформатора:

      (13)


де:     - коефіцієнт шестипульсної схеми КВ за струмом.

Оскільки первинна обмотка з’єднана в трикутник то лінійний струм:

      (14)


Розрахункове значення максимальної потужності трансформатора:

        (15)

де:     - коефіцієнт шестипульсної схеми КВ за потужністю;

 - найбільше значення ЕРС на вході ТП при α = 0°;

         (16)

де:,  - коефіцієнт по напрузі;


Для трансформатора з двома силовими вторинними обмотками типова потужність збільшується на 30%:

     (17)


При виборі трансформатора необхідно виконати умови:

     (18)


Вибираємо трансформатор типу ТСП-10/0,7-УХЛ4 з наступними технічними параметрами:

Таблиця 3.2 - Параметри трансформатора ТСП - 10/0,7 - УХЛ4

Параметр

Величина

Одиниці вимірювання

Sтр.н

7,3

кВА

U2лн

205

В

I2фн

20,5

А

∆Рхх

130

Вт

∆Ркз

320

Вт

∆Uк

4,7

%

Iхх

16

%

U1лн

380

В

M

85

кг

Розраховуємо для кожної обмотки

Фазний струм вторинної обмотки трансформатора:

(19)


Повний опір однієї фази:

         (20)


Активний опір однієї фази:

  (21)


Індуктивний опір однієї фази:

  (22)

Індуктивність однієї фази:

       (23)


2.4 Визначення параметрів і вибір тиристорів

Для шестипульсної нульової схеми при роботі на обмотку збудження чи на якір двигуна струм, що протікає крізь тиристори, має форму близьку до прямокутної з кутом провідності λ = 360/m = 360/6 = 60 ел.гр. В цьому випадку струм  - це мінімальне миттєве значення струму, що протікає через тиристори, дорівнює  - це максимальне значення випрямленого струму в колі навантаження ТП, тобто в обмотці якоря:

         (24)


Середнє значення струму, що протікає через тиристори:

      (25)

де:     - кількість тиристорів, через які протікає струм.

Максимально припустиме значення струму тиристора, відповідає кваліфікаційній схемі (тобто при синусоїдальній формі струму при значенні кута провідності 180 ел.гр.).

За умовою однаковості потужності електричних втрат в тиристорі:

  (26)


За значенням  вибираємо тиристор за умовою:

    (27)

 - найбільше середнє значення струму тиристора відповідно до технічного паспорту.

При виборі тиристора за напругою треба виходити зі значення  ТП з урахуванням можливого підвищення напруги в мережі живлення до +15%. У паспортних даних тиристора вказується припустиме значення напруги, що може повторно подаватися на тиристор , але її не слід перевищувати.

Для шестипульсної схеми тиристор необхідно вибирати за умовою:

         (28)

де:     - коефіцієнт запасу за напругою, що враховує можливість виникнення імпульсів напруги більшого значення на тиристорах;

- ЕРС на вторинній обмотці силового трансформатора;

Коефіцієнт що враховує кількість послідовно зеднєних тиристорів в кожній фазі кожного комплектна тиристорів.

.

(29)


При куті керування α = 0 ел.гр.:

        (30)


Обираю тиристор типу з наступними параметрами.

Таблиця 3.3 . Параметри тиристору типу

Параметр

Величина

Одиниці вимірювання

IДОП.Т


А

UТН


В

I0


А


2.5 Визначення параметрів і вибір зрівнювальних реакторів

Зрівнювальні реактори вибирають за умовами:

     (31)

де:     - розрахункове значення сумарної індуктивності двох зрівнювальних реакторів:

       (32)

де:     - коефіцієнт, що дорівнює відношенню діючого значення зрівнювальної ЕРС до амплітудного значення ЕРС вторинної обмотки силового трансформатора;

- діюче значення статичного зрівнюючого струму;

     (33)


- амплітудне значення фазної ЕРС вторинної обмотки;

  (34)

Умови вибору зрівнювальних реакторів з великим повітряним зазором, які не насичуються, повинні мати індуктивність (кожний):

       (35)


Умови вибору зрівнювальних реакторів, які насичуються, повинні мати індуктивність (кожний):

   (36)


Отже, приймаємо реактори, які не насичуються.

2.6 Розрахунок індуктивності та активного опору ТП

Для нульової схеми значення індуктивності і опору фази трансформатора, приведені до контуру випрямленої напруги, при з’єднанні вторинної обмотки зіркою рівні:

      (37)

     (38)

Комутаційний опір ТП:

         (39)


Значення внутрішнього опору ТП:

   (40)


Значення внутрішньої індуктивності ТП:

  (41)


2.7 Визначення параметрів і вибір якірного дроселя

Сумарна індуктивність якірного кола, що необхідна для обмеження амплітуди пульсацій випрямленого струму визначається за формулою:

     (42)

де :     - відносне амплітудне значення першої гармоніки випрямленої напруги, що визначається схемою КВ. Для шестипульсної нульової схеми значення ;

- потрібне амплітудне значення першої гармоніки випрямленого струму;


Розраховується значення індуктивності, яке необхідне для одержання граничного безперервного режиму при мінімальному струмі:

      (43)

    (44)

 


Значення індуктивності силового кола, необхідне для обмеження швидкості зростання струму, щоб він не перевищив максимально допустиме для тиристорів значення, визначається за наближеною формулою:

   (45)

де :     - максимально припустиме значення струму при протіканні протягом півперіоду напруги живлення;

 - значення струму навантаження в мить КЗ;

(46)

 

Найбільша з визначених індуктивностей .

Значення індуктивності якірного дроселя:

          (47)

 

Це означає, що потреби в якірному дроселі немає.

Визначається сумарне значення індуктивності та активного опору системи ТП - Д:

         (48)

        (49)


Електромагнітна стала часу якірного кола системи ТП - Д:

  (50)


2.8 Визначення параметрів тиристорного перетворювача

ТП представимо аперіодичною ланкою з передаточною функцією:

(51)

де :    - статичний коефіцієнт підсилення ТП;

 - стала часу, яка враховує дискретні властивості ТП і визначається схемою КВ.

   (52)


Для ТП з арккосинусною СІФУ характеристика вхід-вихід описується формулою:

          (53)

де :    - амплітуда опорного двополярного сигналу.

Коефіцієнт підсилення ТП з арккосінусною СІФУ:

     (54)

2.9 Вибір інших елементів СКЕП

Вибір автоматичного вимикача (АВ).

АВ включається в первинну обмотку трансформатора до мережі живлення. Його основними параметрами є: номінальний струм (), найбільший струм відключення, власний та повний час відключення. АВ необхідно вибирати за номінальним струмом розрахунковим, так як вибраний трансформатор має занадто великий запас по струму, напругою та кількістю полюсів.

    (55)


Для трансформаторів необхідно вибирати автоматичні вимикачі з характеристикою відключення класу D (розчеплювачі КЗ від 10 до 20 Ін).

Вибираємо автоматичний вимикач фірми MOELLER PL7 - D6/3N з наступними параметрами

Таблиця 3.4 - Параметри автоматичного вимикача

ПараметрВеличинаОдиниці вимірювання



IАВН

6

А

UАВН

380

В

f

50/60

Гц

IВІДКЛ

10

кА

IКЗ

60

А

р

3

-

 I

10

А

Вибір магнітних пускачів (МП)

Магнітні пускачі підключають вторинні обмотки трансформатора до блоку перетворювача енергії. МП вибирають за номінальним робочим струмом та номінальною напругою:

      (56)


Вибираємо МП фірми MOELLER DILЕЕМ-10 (230 В, 50 Гц) з наступними параметрами

Таблиця 3.5 - Параметри магнітного пускача

ПараметрВеличинаОдиниці вимірювання



IНР

6,6

А

UНР

В

 

3. Система керування

3.1 Аналіз статичних характеристик СКЕП

Аналіз статичних характеристик потрібно проводити в такому порядку:

1.    За функціональною схемою СКЕП побудувати структурну схему.

2.      За структурною схемою скласти вирази, що визначають залежність швидкості вала двигуна від сигналу завдання й струму навантаження.

.        На підставі аналізу цих залежностей визначити можливість одержання необхідних статичних характеристик.

Розглянемо СКЕП, що має двоконтурну структуру підпорядкованого регулювання координат. Спочатку проаналізуємо статичні характеристики внутрішнього контуру струму.

Аналіз статичних характеристик контуру струму

Рисунок 0.1 - Структурна схема контуру регулювання струму

Передаточна функція (ПФ) тиристорного перетворювача напруги:


Передаточні функції механічної та електричної частини ЕД мають вигляд:

 


Розглянемо властивості контуру регулювання струму (КРС) при застосуванні пропорційно - інтегруючого регулятора струму (ПІ - РС), ПФ якого має вигляд:


Кутова швидкість відповідно до структурної схеми визначається виразом:

Н11= (kРТ . TРТ .р +1) .HТП(p). kД21 = kД [R0 . (T0 .p + 1) .TPТ . p + HТП (p) .kOТ . (k .TPТ .p + 1)];

Н31 = T0TT.p2 + TT∙р(1+HТП(p).k.k/R0)+TPТ+TНТП (p).k/R0.

Для кутової швидкості і кутового прискорення є вірним співвідношення εд(р)=р.ωд(р), із врахуванням якого для сталого режиму роботи розглянутої частини системи можна записати:


де: НТП(0) = КТП - статичний коефіцієнт підсилення ТП.

При виконанні умови


динамічний момент буде дорівнювати нулю і швидкість обертання вала двигуна буде незмінною, тобто .

Якщо навантаження на валу зменшиться, тобто буде виконуватись нерівність:


то динамічний момент буде позитивний і швидкість обертання вала ЕД збільшуватиметься доти поки не досягне максимального значення, яке обмежено максимальним значенням ЄРС на вході КВ (Етп), що може бути подана на обмотку якоря ЕД, а також значенням навантажувального моменту на валу електродвигуна.

Якщо навантаження на валу ЕД збільшиться, тобто біде виконуватись нерівність:


то динамічний момент буде негативний і при наявності на валу реактивного моменту сил опору швидкість буде зменшуватись до нуля; а при наявності активного моменту сил опору на валу двигуна в залежності від його напряму швидкість буде збільшуватись до ± ∞. Отже ПІ - РС КРС забезпечує характеристику з нульовою жорсткістю, що і зображено на рис. 4.2 (номер 1).

Рисунок 0.2 - Статичні механічні характеристики контуру регулювання струму

електропривод статичний схема керування

В постійному режимі значення струму в якорі двигуна однозначно визначається сигналом завдання струму  відповідно з виразом:


Отже значення якірного струму в сталому режимі можна обмежити за рахунок обмеження сигналу завдання струму деяким значенням  і відповідного вибору значення коефіцієнту зворотного зв’язку за струмом:

Розглянемо властивості КРС при застосуванні пропорційного регулятора струму (П - РС), ПФ якого має вигляд НРТ(р) = КРТ, тому при застосуванні П - РС необхідно прийняти що  , і відкинути усі члени, у які не входить постійна часу регулятора струму ТРТ як співмножник. Після перетворень отримаємо вираз для визначення кутової швидкості:


де: H12(p) = k .HТП(p).kД;22(p) = kД . [R0 . (T0 . p + 1) + HТП(p)∙ kOТ .kPТ];32(p) = T0.T.p2 + T.p.( 1 + HТП(р) .k.k/R0) + 1.

Для постійного режиму роботи СКЕП приймаємо р = 0 й отримуємо рівняння статичної електромеханічної характеристики:


Для побудови статичної електромеханічної характеристики визначимо:

.Швидкість ідеального холостого хода (при ІС(0) = 0):


2.Струм короткого замикання ( при wД(0)= 0):

де: kKT = k.k.kТП/R0 - контурний коефіцієнт підсилення КРС.

Якщо, то можна прийняти:


З виразу ωд(0) випливає, що при застосуванні П - РС, статичні характеристику мають негативну жорсткість, що і зображено на рис. 3.2 (номер 2).

Вирази можна записати у вигляді:


Необхідно звернути увагу на те, що застосування ПІ - РС

Аналіз статичних характеристик системи регулювання швидкості

Розглянемо статичні характеристики системи регулювання швидкості (СРШ). З урахуванням вищевказаного виразу структурна схема СРШ представлена на рис. 4.3.

Рисунок 0.3 - Структурна схема системи регулювання швидкості

При використанні ПІ - РШ з передаточною функцією:


Із структурної схеми (СРШ) одержимо для визначення кутової швидкості вала двигуна:


Похибка за швидкістю визначається виразом:


Статична похибка за швидкістю дорівнює:


Отже наявність ПІ - РШ забезпечує СРШ астатичні властивості по завданню і по збуренню, незалежно від типу використовуємого регулятора струму.

При використанні П - РШ вираз вихідної координати й похибки за швидкістю можуть бути отримані з попередніх виразів для похибки вважаючи, що  . після перетворень отримаємо:


З виразів бачимо, що незалежно від типу застосовуємого регулятора струму при використанні П - РШ зі збільшенням навантаження на валу ЕД швидкість обертання валу буде зменшуватися .

Можна визначити максимальне значення похибки, при якому відбувається розмикання контуру швидкості.


де:  - максимальне значення сигналу на виході П - РШ

При використанні П - РШ і П - РС статична похибка визначається попереднім виразом , якщо у нього підставити Н1(р)= Н11(р), Н2(р)= Н21(р), Н3(р)= Н31(р) і прийняти р=0, то отримаємо:


Складова похибки за швидкістю, що обумовлена наявністю навантаження на валу ЕД:


При застосуванні П-РШ і ПІ-РШ статична похибка визначається виразом , якщо в нього підставити Н1(р)= Н11(р), Н2(р)= Н21(р), Н3(р)= Н31(р) і прийняти р=0:


Якщо значення статичної похибки, визначеної двома останніми виразами виявляється більшим за потрібне, то необхідно збільшити значення КРШ або перейти до схеми з ПІ-РШ . Статичні характеристики СКЕП при різному з’єднанні типів регуляторів струму і швидкості приведені на рисунку 4.4.

Рисунок 0.4 - Статичні електромеханічні характеристики двоконтурної СРШ з підлеглим регулюванням координат

3.2 Синтез параметрів СКЕП

Для отримання високої швидкості під час перехідного процессу неохідно підтримувати значення моменту на валу на максимально допустимому рівні, а для забезпечення необхідної жорсткості механічних характаристик - постійність заданої швидкості при зміні навантаження. Як наслідок в таких ЕП необхідно забезпечувати регулювання як мінімум двох координат - моменту і швидкості. Виконання цих умов в ЕП з керованими перетворювачами енергії забеспечується замкнутими системами керування, які за допомогою зворотних зв’язків і регуляторів передають необхідні керуючі дії на перетворювач. В залежності від способу передачі керуючих

імпульсів та числа необхідних для цього регуляторів системи керування можна розділити на дві основні группи - системи з сумуючими підсилювачами та системи з контурними регуляторами.

Оскільки системи з сумуючими підсилювачами мають обмежені можливості регулювання за точністю і щвидкодією, їх динамічний синтез і наладка досить складні, тому в роботі будемо розглядати систему підпорядкованого регулювання з контурними регуляторами.

Рисунок 4.5 - Структурна схема СКЕП

Кожен з контурів багатоконтурної системи підпорядкованого регулювання будується за принципом регулювання за відхиленням і кожен контур має регулятор і об’єкт керування. На вході кожного контуру, являючого собою одноконтурну схему керування подається керуюча дія, яку він повинен відпрацювати відповідним чином.

3.3 Контур струму

Об’єктом керування в контурі струму (КС) є тиристорний перетворювач (ТП) і якірне коло двигуна з передаточною функцією:


Звичайно, передаточна функція об’єктів керування містить одну аперіодичну ланку з великою постійною часу і декілька ланок з малими постійними часу, тобто такими, що їх сума не перевищує по значенню велику постійну часу. В контурі струму великою постійною часу є електромагнітна постійна , а до малих відносяться постійні часу тиристорного перетворювача  і датчика струму , до того ж малі постійні часу - некомпенсуємі.

Рисунок 4.6 - Структурна схема контуру струму без урахування противоЕРС

Перетворивши й спростивши контур струму отримаємо схему зображену на рисунку 4.7

Рисунок 4.7 - Контур струму після перетворення

Таке перетворення стало можливим тому що коефіцієнт при  дорівнює добутку малих постійних часу і тому їх вплив несуттєвий, а їх сума дорівнює:


Передаточна функція розімкненої системи:


Передаточна функція замкненої системи:


Для того щоб за допомогою регулятора струму компенсувати вплив великої постійної часу  на динамічні характеристики контуру струму необхідно, щоб передаточна функція регулятора струму мала форсуючу ланку. Тому за структурою регулятор струму повинен бути пропорційно - інерційним:


Підставивши передаточну функцію регулятора у вираз для замкнутої системи отримаємо:


Щоб компенсувати велику постійну часу  повинна виконуватись рівність:


З урахуванням цього можна записати:


Запишемо вираз для похибки:

,


Для статичного режиму:

(); .

Бачимо, що система має астатизм 1-го порядку по завданню і може бути налаштована на технічний оптимум.

3.4 Синтез параметрів регулятора струму

Характеристичний поліном СРС може бути представлений у вигляді:

Для налаштування СРС на модульний оптимум необхідно вибрати параметри ПІ - РС таким чином, щоб між коефіцієнтами характеристичного полінома виконувалось співвідношення:


З виразу, визначаючого , отримаємо що:


Таким чином, передаточна функція оптимізованого контуру струму має вигляд:


Остаточно отримаємо:


Швидкодія контуру струму визначається середньогеометричним коренем характеристичного рівняння:


тобто швидкодія визначається сумою малих постійних часу .

Коефіцієнт демпфування визначається виразом:


Максимальна швидкодія контуру струму обмежена зверху умовою, що витікає з теореми Котельникова - Шенона.


де: fк.min - частота комутації дискретних підсилювачів потужності.

Звідси:


 зазвичай обирають з діапазону:

Приймаємо

Коефіцієнт зворотного зв’язку за струмом визначаємо на основі співвідношення:


Оскільки, згідно технічних даних двигуна, припустиме 3-х кратне перевантаження протягом 10 с, а згідно вихідним даним кратність припустимого моменту дорівнює трьом , то:


Коефіцієнт підсилення тиристорного перетворювача:


де  - максимальна напруга ТП, що відповідає В.


Визначаємо параметри регулятора струму:


Структурна схема електропривода з контуром регулятора струму зображена на рисунку 4.8:

Рисунок 4.8 - Структурна схема ЕП з контуром регулювання струму

Знайдемо значення коефіцієнтів, які використовуються в математичній моделі, і які не були визначені раніше.

Електромеханічна постійна часу:


де  - сумарний момент інерції ЕП.

Коефіцієнт підсилення двигуна:


3.5 Моделювання контуру струму за допомогою програми MATHLAB 6.5 SIMULINK

Рисунок 4.9 - Результати моделювання при Uзс=10 В і без врахування зворотного зв’язку по ЕДС

Рисунок 4.10 - Результати моделювання при Uзс=10 В з врахуванням зворотного зв’язку по ЕДС

Рисунок 4.11 - Результати моделювання при Uзс=0,1 В без врахування зворотного зв’язку по ЕДС

Рисунок 4.12 - Результати моделювання при Uзс=0,1 В з врахуванням зворотного зв’язку по ЕДС

Таблиця 4.1 - Результати моделювання контуру струму

Параметр Вид зв’язку

З зворотнім зв’язком по ЕДС

Без зворотного зв’язку по ЕДС

UЗС

10

0,1

10

0,1

tПП

0,088

0,026

0,1124

0,0284

tПП/TμT ,в.о.

26,66

7,87

34,06

8,606

δ ,%

7,65

4,94

7,55

3,03

tПС

0,047

0,0151

0,0454

0,015


3.6 Контур швидкості

Об’єктом керування в контурі швидкості є частина двигуна з передаточною функцією

Передаточна функція оптимізованої системи регулятора струму


Рисунок 4.13 - Структурна схема контуру швидкості

Оскільки  - мала некомпенсуюча постійна часу, то квадрат її значення значно менше інших постійних часу, і не має суттєвого впливу на час перехідного процесу, тому передаточну функцію оптимізованої системи регулювання струму можна представити у вигляді


Постійна часу датчика швидкості  приблизно відповідає величині  і тому враховуємо її в новій еквівалентній постійній часу контуру швидкості:

Проведемо синтез параметрів контуру швидкості на основі наступної структурної схеми

Рисунок 4.14 - Перетворена структурна схема контуру швидкості

Передаточна функція об’єкту керування:


3.7 Статичні характеристики СРШ з П - РШ

Передаточна функція регулятора швидкості має вигляд:


Вираз, що визначає вихідну координату як функцію зовнішніх впливів

 та :


Знайдемо вираз для похибки:


СРШ з П - РШ є астатичною за збурюючою дією  і має астатизм першого порядку за управляючою дією .

В статичному режимі швидкість визначається за виразом:


Вираз для статичної похибки:


Рисунок 4.15 - Статична електромеханічна характеристика

В режимі ХХ швидкість визначається за формулою:


При збільшені навантаження на валу ДПС збільшується струм , а швидкість зменшується. Статична похибка зростає відповідно виразу:


Збільшення похибки супроводжується збільшенням сигналу на виході регулятора швидкості


Сигнал на виході РШ () збільшуватись до нескінченності не зможе, бо обмежений зверху напругою живлення або розрядністю процесора.

Максимальному значенню сигналу  відповідає максимальне значення встановленого струму в якорі ДПС:


Оскільки подальше збільшення сигналу неможливе, то неможливе збільшення струму якоря. Має місце зменшення швидкості з постійним струмом . Отримуємо другу ділянку статичної характеристики, що відповідає жорсткості .

На першій ділянці характеристики одночасно працюють контури струму і швидкості. При цьому контур струму регулює струм якоря відповідно до сигналу . Зі збільшенням  збільшується струм , збільшується , збільшується , що супроводжується збільшенням струму  до значення . При досягненні сигналу  значення , подальше збільшення похибки  не призводить до збільшення , тобто . Це говорить про те, що сигнал на виході П - РШ не реагує на зміну сигналу на його вході. Тобто контур швидкості розмикається і далі продовжує працювати лише контур струму, який підтримує струм в якорі на постійному рівні відповідно до сигналу завдання . Якщо  буде більше , то швидкість ДПС почне зменшуватись.

3.8 Синтез параметрів СРШ при використанні П - РШ

Коефіцієнт зворотного зв’язку за швидкістю визначається на основі значення  і потребує значення ωн

 


Враховуючи, що СРШ з П - РШ є астатичною по завданню і її характеристичний поліном має другий порядок, можна налаштувати СРШ на модульний оптимум. Для цього повинна виконуватись умова:

Коефіцієнт підсилення регулятора швидкості:


Запишемо вираз, що визначає вихідну координату оптимізованого КШ:


Передаточна функція СРШ за керуванням має вигляд:


Для оптимізованої системи встановлене значення швидкості визначається виразом:


Швидкодія визначається середньо-геометричним коренем:

так як , то , тобто середньо-геометричний корінь СРШ в 2 рази менше середньо-геометричного кореня СРС, тобто швидкодія СРШ в 2 рази менше швидкодії СРС при налаштуванні на модульний оптимум. Статична похибка за швидкістю:


Підставимо замість , вираз для розрахунку , і отримаємо:


3.9 Моделювання контуру швидкості з використанням П - регулятора швидкості та моменту навантаження на валу двигуна за допомогою програми MATLAB 6.5 SIMULINK

Рисунок 4.16 - Результати моделювання контуру швидкості при Uзш=10 В без врахування фільтра та без ОС

Рисунок 4.17 - Результати моделювання контуру швидкості при Uзш=10 В без врахування фільтра та з ОС

Рисунок 4.18 - Результати моделювання контуру швидкості при Uзш=0,1 В без врахування фільтра та без ОС

Рисунок 4.17 - Результати моделювання контуру швидкості при Uзш=0,1 В без врахування фільтра та з ОС

Таблиця 4.2 -       Результати моделювання контуру швидкості з використанням П - регулятора

Параметр  Вид зв’язку

З зворотнім зв’язком по ЕДС

Без зворотногозв’язку по ЕДС

UЗС

10

0,1

10

0,1

tПП

0,2682

0,0423

0,2632

0,0438

tПП/TμT ,в.о.

81,27

12,81

79,75

13,27

δ ,%





tПС

0,2682

0,0285

0,2632

0,0282

∆ωс, після підключення навантаження, рад/c





.10 Характеристики СРШ з використанням ПІ - РШ

Передаточна функція регулятора швидкості має вигляд


В цьому випадку  визначається так:


Похибка за швидкістю:


СРШ з ПІ - РШ має астатизм другого порядку по завданню і астатизм першого порядку за збуренням.

В статичному режимі швидкість визначається за формулою


В статичному режимі швидкість не залежить від навантаження.

При збільшенні  буде збільшуватись , бо . Збільшення  здійснюється за рахунок збільшення . Як тільки  досягне максимального значення , то контур швидкості розмикається, а значення струму якоря визначається за виразом

і при  швидкість ДПС зменшується.

Тобто застосування СРШ з ПІ - РШ забезпечує статичній характеристиці ідеальний (оптимальний) вид.

Рисунок 4.18 - Статична характеристика ДПС

3.11 Синтез параметрів СРШ при застосуванні ПІ - РШ

Коефіцієнт зворотного зв’язку за швидкістю визначається на основі значення  і потребує значення:


Враховуючи те, що СРШ з ПІ - РШ має по завданню астатизм другого порядку, характеристичний поліном - третій порядок, а регулюючих параметрів тільки два, проведемо налаштування системи на симетричний оптимум:

 

Із другого рівняння:


Формула для розрахунку  співпадає з аналогічним виразом при налаштуванні СРШ з П - РШ на модульний оптимум.

З першого рівняння визначаємо :

,

.

Вираз для швидкості СРШ налаштований на симетричний оптимум

Передаточна функція по управлінню має вигляд


Для оптимізованої СРШ встановленого значення швидкості визначається виразом


Середньогеометричний корінь системи


оскільки , то , а , то із цього можна зробити висновок, що швидкодія СРШ в  раз менше швидкодії СРС.

 

Рисунок 4.19 - Структурна схема з контурами регулювання швидкості і струму

Для компенсації небажаного упередження на вході СРШ включається фільтр


При наявності фільтра на вході СРШ вихідна координата визначається виразом


Запишемо вираз для похибки за швидкістю

3.12 Моделювання контуру швидкості з використанням ПІ - регулятора швидкості та моменту навантаження на валу двигуна за допомогою програми MATLAB 6.5 SIMULINK

Рис.4.20. П-РШ при 10 с ОС без врахування фильтра

Рис.4.21.П-РШ при 10 без ОС без врахування фильтра

Рис.4.22. П-РШ при 0,1 с ОС без врахування фильтра

Рис.4.23. П-РШ при 0,1 без ОС без врахування фильтра

Рис.4.24. ПИ-РШ при 10 с ОС без врахування фильтра

Рис.4.25. ПИ-РШ при 10 с ОС, з врахування фильтра

Рис.4.26. ПИ-РШ при 0,1 с ОС без врахування фильтра

Рис.4.27. ПИ-РШ при 0,1 с ОС, з врахування фильтра

Таблиця 4.3 -       Результати моделювання контуру швидкості з використанням ПІ-регулятора

Параметр

З фільтром

Без фільтра

UЗС

10

0,1

10

0,1

tПП





tПП/TμШ ,в.о.





δ ,%






Таблиця 4.3 -       Результати моделювання контуру швидкості з використанням П-регулятора

Параметр

З ОС

Без ОС

UЗС

10

0,1

10

0,1

tПП





tПП/TμШ ,в.о.





δ ,%






3.13 Синтез контуру положення

Об’єктом управління в контурі регулювання положення є динамічна ланка, яка описує зв’язок між швидкістю обертання вала двигуна постійного струму і кутом повороту з передаточною функцією

 

До об’єкту керування також входить оптимізований замкнутий контур швидкості, який налаштований на симетричний оптимум з фільтром на вході, для якого дійсний вираз

Рис. 4.24 - Структурна схема контура положення

Згідно зі структурної схеми  знаходиться так


Запишемо вираз для знаходження вхідну координату контуру регулювання положення

,

Запишемо вираз для похибки

   

Бачимо, що якщо контур швидкості налаштован на симетричний оптимум (точніше при застосуванні ПІ - РШ) з фільтром на вході, то застосування П - РП забезпечує СРП астатизм першого порядку як по керуючої, так і по обурюючої дії, що є необхідною і достатньою властивістю для СРП, який працює в режимі позиціювання, оскільки при цьому статична похибка дорівнює нулю.

Розглянемо СРШ. Вона налаштована на модульний оптимум. Вихідна координата знаходиться за виразом


Рис. 4.25 - Статична характеристика контуру положення

У цьому випадку  знаходиться наступним чином


Вихідна координата контуру положення знаходиться так


Запишемо вираз для похибки


Рис. 4.26 - Статична характеристика контуру положення з використанням П - РП

Якщо контур швидкості налаштован на модульний оптимум (якщо використовується П - РШ), то застосовуємо П - РП, що забезпечує СРП астатизм першого порядку за керуючою дією і статизм за обурюючою дією, що недопустимо для більшості СРП.

3.14 Синтез контуру положення

При синтезі контуру положення буде розглядатися СРШ, яка налаштована на симетричний оптимум при наявності на вході фільтра першого порядку.

Запишемо вираз для оптимізованої системи регулювання швидкості

Рис. 4.27 - Структурна схема контуру положення

Передаточна функція оптимізованої системи регулювання швидкості можно представити в більш простому вигляді

   

Оскільки коефіцієнти при  і  значно менше інших постійних часу, то ними можна знехтувати.

Еквівалентна некомпенсована постійна часу контуру положення

,    

 с.

Рис. 4.28 - Спрощена структурна схема контуру положення

Передаточна функція замкнутої

,


Запишемо вираз для похибки


З останнього виразу видно, що СРП має астатизм першого порядку за керуванням і може бути налаштована на модульний оптимум. Для цього необхідно, щоб між коефіцієнтами характеристичного полінома виконувалось

,

,        

Коефіцієнт зворотнього зв’язку за положенням

,    

 В/рад.

Коефіцієнт підсилення регулятора

,


Таблиця 4.4 - Результати моделювання

Параметр Вид зв’язку

Без використання фільтру

З використанням фільтру

UЗАД, В

10

0,1

10

0,1

tПП, с





tПП/TμП, в.о.





δ, %





tПС, с





tПС/TμП, в.о.





 після підключення навантаження,рад






Таблиця 4.5 - Результати моделювання

Параметр Вид зв’язку

Без використання фільтру

З використанням  фільтру

UЗАД, В

10

0,1

10

0,1

tПП, с





tПП/TμП, в.о.





δ, %





tПС, с





tПС/TμП, в.о.






Висновки

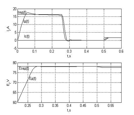
У курсовому проекті було розрахована та змодельована двохконтурна система підлеглого керування електроприводом постійного струму.

Проаналізувавши, криві перехідних процесів з урахуванням врутрішнього зворотного зв’язку по ЕРС і без нього, можна зробити висновок, що основний вплив ВЗЗ здійснює на Етп. Без ВЗЗ в установленому режимі Етп приблизно дорівнює третині від сигналу завдання,а Ед нескінченно збільшується. При цьому струм двигуна виходить на рівень сигналу завдання, що дорівнює 20,8 А і перехідний процес не закінчується.

При врахуванні ВЗЗ за ЕРС спостерігається динамічна помилка, тобто при лінійному збільшенні Етп струм Ід не дорівнює Із, а похибка становить 5% від значення сигналу завдання.

Максимальне перегулювання в контурі струму становить 15,3 %.

Під час моделювання другого контуру - контуру швидкості застосовувались по черзі два регулятора швидкості: пропорційний та пропорційно - інтегруючий. При використанні пропорційного регулятора швидкості і після подання моменту навантаження на вал двигуна, швидкість не повертається до установленого значення. Існує статична просадка швидкості, яка приблизно становить ∆ω=1,3 рад/c . При використанні пропорційно - інтегруючого регулятора швидкості і після подання моменту навантаження на валу, спочатку відбувається просадка швидкості, але завдяки ПІ регулятору, значення швидкості повертається до установленого (статична похибка відсутня).

При мінімальному сигналі завдання при дослідженні контуру швидкості з використанням ПІ-регулятора пере регулювання без використання фільтра становить 53,9%, а при включенні фільтра 5,9%, але при цьому незначно збільшується час перехідного процесу. При великих сигнал завдання швидкокості використання фільтру майже на впливає на параметри перехідного процесу.

Список використаної літератури

1.   Справочник по электрическим машинам: В 2т /под общей редакцией И.П. Копылова и Б.К. Клокова. М: Энергоатомиздат. 1988 - 456 стр.

2.      Каталоги електрообладнання фірми MOЁLLER.

Похожие работы на - Синтез параметрів двоконтурної системи підпорядкованого керування електроприводом

 

Не нашли материал для своей работы?
Поможем написать уникальную работу
Без плагиата!
Без нейросетей!