Синтез многофункционального конечного автомата
Синтез
многофункционального конечного автомата
Задание на курсовой проект
Тема: синтез многофункционального конечного автомата.
Задание: составить схему автомата, предназначенного для передачи (приёма)
информационного сообщения через канал связи.
Содержание сообщения: ЛАВРЕНКОВА АНАСТАСИЯ ВЛАДИМИРОВНА.
Способ передачи (приёма): циклический.
Система кодирования: минимальная.
Модуляция: произвольная.
Скорость передачи (приёма):
бит/с =
Параметры канала связи:
- полоса пропускания - от 300 Гц до 3400 Гц;
- входной уровень - от -2,3 Нп до 0 Нп;
- линия - двухпроводная симметричная;
- волновое сопротивление - 600 Ом.
Номер варианта 9.
Реферат
Курсовая работа содержит 34 страницы, 23 рисунка, 22 формулы, 2 таблицы,
использовано 7 источников.
Канал связи, делитель частоты, преобразователь кода, задающий генератор,
код, схема синхронизации, временная диаграмма, регистр.
В данном курсовом проекте на базе теории переключательных функций, теории
полупроводниковых приборов и микропроцессорной техники производится
проектирование цифрового устройства для передачи сообщения через канал связи. В
процессе проектирования осуществляется разработка задающего генератора,
делителя частоты, преобразователя кода, согласующего устройства с каналом
связи, схемы синхронизации и сброса, блока питания и прочих устройств с учетом
того, чтобы полученный конечный автомат содержал наименьшее число
радиокомпонентов, имел оптимальные размеры и минимальную скорость.
Содержание
Введение
. Составление структурной схемы автомата
. Выбор элементной базы
. Функциональная схема автомата
. Функциональные узлы схемы
.1 Задающий генератор и делитель частоты
.2 Преобразователь параллельного кода в последовательный
.3 Формирователь стартовых импульсов
.4 Фазовый манипулятор
5. Функции выходов преобразователя кода
.1 Кодирование и минимизация
.2 Преобразователь кода Ф.И.О
. Составление временной диаграммы функционирования автомата
. Принципиальная схема автомата
. Схема согласования с каналом связи
. Расчет блока питания
Заключение
Список использованных источников
Приложение
Введение
В системах автоматики, телемеханики и связи, а также в измерительных и
вычислительных устройствах производится обработка информации, которая
представляется как в цифровой, так и в текстовых формах. Для организации обмена
информацией, передачи её на значительные расстояния необходимо кодирование
информации и представление в требуемом формате.
В конечном итоге любой код преобразуется в двоичный, который может
обрабатываться логическими элементами и цифровыми устройствами.
Задача данного проекта состоит в том, чтобы получить конечный автомат
(модулятор модема), содержащий наименьшее число радиокомпонентов и имеющий
оптимальные размеры. Проектируемое устройство должно соответствовать условиям
эксплуатации.
Принципиальная схема автомата строится на микросхемах средней интеграции
и на отдельных радиокомпонентах. В качестве элементной базы используются
микросхемы серии К561, построенные на КМДШ логике.
В данном курсовом проекте кодируется и подвергается минимизации сигнал
ЛАВРЕНКОВА АНАСТАСИЯ ВЛАДИМИРОВНА. С помощью микросхем К561ЛА8, К561ЛА9 и
К561ЛИ1 реализовываются выходные функции.
Примерную схему реализации сигнала можно увидеть из структурной схемы. В
дальнейшем, после определения каждого блока структурной схемы, составляется
функциональная схема конечного автомата.
Для определения делителя частоты вычисляется коэффициент деления, для
чего сначала задаются рамки скорости передачи (приема). Для скорости передачи
(приема) девятого варианта, заключенной в пределах от 860 до 940 бит/с,
коэффициент деления находится в интервале от 33,3 до 36,3.
Для реализации сигнала необходимо 16 символов. Кодирование символов
посылки производится с помощью 6 входов и 4 выходов. На 40 номере такта
производится сброс и циклическое повторение кодирования.
Преобразованием сигналов из диаграммы работы автомата получается схема
управления преобразователем кода, включающая в себя схему реализации,
преобразователь параллельного кода в последовательный, схему формирования
старт-стоповых импульсов.
Для того чтобы кодовый сигнал транспортировался с наименьшими потерями
при передаче, обеспечивается согласование параметров передающей части автомата
с линией связи.
Для функционирования конечного автомата необходимо обеспечить питание.
Для питания разрабатываемой схемы выбирается блок питания с типами диодов
КС509А и КС516А, так как для микросхем серии К561 необходим очень маленький ток
и невысокая стабильность питающего напряжения.
1. Составление структурной схемы автомата
Автомат содержит:
¾ задающий генератор с кварцевой стабилизацией (ЗГ);
¾ делитель частоты для формирования необходимой
последовательности импульсов (ДЧ);
¾ преобразователь кода Ф.И.О. (ПК);
¾ преобразователь параллельного кода в последовательный (ПП);
¾ схему согласования с каналом связи (ССКС);
¾ схему синхронизации и сброса (СС);
¾ формирователь старт - стопных синхронизирующих импульсов
(СИ);
¾ сумматор старт - стопных синхронизирующих импульсов и
последовательного кода (å);
¾ блок питания (БП);
¾ фазовый модулятор (ФМ).
Структурная схема показана на рисунке 1.1.
Рисунок 1.1 - Структурная схема автомата
2. Выбор элементной базы
Логические схемы любой сложности строятся из элементарных логических
элементов, выполняющих следующие логические функции: И, ИЛИ, НЕ, И-НЕ, ИЛИ-НЕ,
И-ИЛИ-НЕ. Любое сложное логическое выражение можно заменить набором
элементарных выражений. Создан набор микросхем, решающих более сложные задачи,
чем элементарные. Если автомат получился сложным для понимания даже самого
разработчика, то следует подумать о применении микропроцессора вместо сложной
логической схемы.
Данный курсовой проект выполнен без применения микропроцессора. В данном
задании подойдут микросхемы любого функционального ряда, однако,
предпочтительнее ряд КМДШ - логики, например К561. Основанием для выбора данной
серии ИС являются следующие факторы: микросхемы данной серии не требуют большой
стабильности питающего напряжения, потребляемый ток невелик и составляет
миллиамперы, питающее напряжение имеет широкий диапазон от 5 до 14 В.
3. Функциональная схема автомата
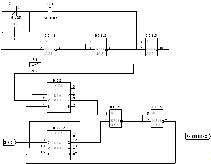
Задающий генератор (ЗГ) генерирует импульсы с частотой 500 кГц и подает
эту частоту на делитель частоты (ДЧ), который в свою очередь вырабатывает
последовательности импульсов с частотой F=1116 Гц, играющей роль несущей частоты, для преобразователя
параллельного кода в последовательный (ПП), фазового манипулятора (ФМ) и
формирователя старт - стопных синхронизирующих импульсов (СИ). ПП
преобразовывает параллельный код, сформированный преобразователем кода (ПК), в
последовательный с последующей передачей в формирователь старт - стопных (СИ)
импульсов, где к коду добавляются старт - стопные импульсы, и получившийся код
поступает в ФМ. Модулированный сигнал поступает на вход схемы согласования с
каналом связи (ССКС). Схема согласования согласует параметры сигнала с
параметрами линии связи и затем передает его в канал связи.
Рисунок 3.1 - Функциональная схема автомата
4. Функциональные узлы схемы
4.1 Задающий
генератор и делитель частоты
Накопленный к настоящему времени опыт показал, что в устройствах
железнодорожной автоматики и телемеханики применение цифровых интегральных
микросхем целесообразно не только в узлах цифровой обработки сигналов
(разнообразные логические схемы, регистры, шифраторы и т. д.), но и в таких
традиционно аналоговых узлах, как генераторы. Использование микросхем при
построении автогенераторов позволяет унифицировать технические решения,
обеспечивающие высокую стабильность генерируемых частот, создать единообразие
конструктивного оформления, снизить номенклатуру комплектующих изделий. Кроме
того, такие решения дают возможность отказаться от применения намоточных
изделий, отличающихся низкой технологичностью.
Широко используемая схема простого генератора импульсов приведена на
рисунке 5.1. Подстроечный конденсатор С1 нужен для настройки
генератора на частоту возбуждения кварца. Примем значение С1=33пФ, С2=15пФ.
Результирующее значение емкости С=С1+С2=48 пФ. Рассчитаем
величину сопротивления по формуле (4.1):
где Fкварц=500 кГц - принятое значение
частоты кварцевого резонатора.
По приведённой выше формуле рассчитаем R1 :
По номинальному ряду Е24 выбираем номинал R1=20 кОм.
Произведём расчёт делителя. Согласно заданию, максимальная скорость
передачи определяется по формуле:
.
Минимальная скорость передачи:
|
|
(4.3)
|
Оптимальная скорость 900 бит/с.
Из диаграммы работы автомата видно, что одному переданному биту
информации соответствует один период частоты С. Следует определить какой
необходимо выбрать коэффициент деления при определённой частоте кварцевого
резонатора в 500 кГц.
Произведем расчет коэффициента деления по формулам 4.4 и 4.5:
Кдmax = 500000/16*860 = 36.3;
Кдmin = 500000/16*940 = 33.3; где, Fкв -
резонансная частота.
Примем коэффициент деления, равный 36.
На основании принятого коэффициента деления произведем расчет несущей
частоты частоты по формуле 4.6:
Полученное значение действующей частоты укладывается в диапазон передачи
по каналу 300 - 3400 Гц. Построим схему на микросхемах К561ИЕ10.
Рисунок 4.1 - Схема задающего генератора и делителя частоты
4.2
Преобразователь параллельного кода в последовательный
В качестве основы схемотехнического решения преобразователя параллельного
кода в последовательный выбрано устройство, именуемое коммутатор на логических
элементах. В общем случае коммутатор это тот же мультиплексор. Отличие только в
режимах работы. Если мультиплексор обеспечивает последовательное переключение
канал за каналом, то коммутатор кроме мультиплексного режима позволяет
одновременное соединение разного количества входов и выходов (микширование).
Разрядность параллельного кода определяется количеством двоичных букв
выходного символа посылки (таблица 1). Для нашего примера код выходного слова
символа посылки равен пяти разрядам (Y1, Y2, Y3, Y4).
Принцип действия коммутатор на логических элементах заключается в том, что
десятичный счетчик К561ИЕ8 поочередно на своих выходах выдает значение
логического нуля, т. е. в одном такте у нас пять бит, которые поочередно меняют
свое значение. В результате после поочередной конъюнкции пяти разрядов
выходного параллельного кода с пятью битами, выдаваемыми счетчиком с дальнейшей
общей конъюнкцией у нас получится последовательный код за один такт. Далее
счетчик сбрасывается, последовательность параллельного кода устанавливается на
следующее значение и все повторяются снова.
.3 Формирователь стартовых импульсов
Передатчик информации может работать вообще без каких-либо
синхронизирующих импульсов, конечно, если нет цели принять, а затем
декодировать поступившую информацию. В современных модемах алгоритм
синхронизации может быть довольно сложным, но в любом случае длинную посылку
делят на части. Отдельные последовательные части могут объединяться в более
крупные, которые называют кадрами. Для упрощения декодирования размеры кадров в
одной посылке стараются сделать одинаковыми. В состав кадра обязательно должны
входить стартовые (для определения начала) и стоповые (для определения конца)
импульсы, кроме этого могут добавляться другие служебные импульсы (адрес и имя
посылки, контрольные суммы, информация для восстановления данных в случае
искажения кода из-за помех), импульсы данных. Из общего размера кадра служебные
импульсы могут занимать до 50%.
Сложное кодирование осуществляется программным способом на микроконтроллерах.
В данном курсовом проекте ограничимся только стартовыми и стоповыми импульсами.
Стартовая комбинация должна выглядеть не проще чем 0101, а стоповая - 0000 0000
0000.
Функция зависит от времени, схема должна выдать синхронизирующий код один
раз за цикл в начале посылки на месте нулевой комбинации. Формирователь удобно
построить на микросхеме десятичного счетчика с дешифратором на выходе К561ИЕ8.
.(4.7)
Преобразовав (4.7) к базису К561 серии получим функцию (4.8) для
построения принципиальной схемы.
(4.8)
Схема формирования стартовых импульсов показана на рисунке 7.1.
4.4 Фазовый
манипулятор
Фазовая модуляция - наиболее защищённая от помех, которая даёт
возможность реализации максимальной скорости передачи. Основным недостатком ФМ
является сложный алгоритм приёма, но при наличии процессора на приёмном конце
качество декодирования в основном определяется программным обеспечением, что
активно используется в современных компьютерных модемах. В условиях повышенных
помех нужно предусмотреть более гибкий алгоритм ФМ (изменение несущей частоты
(C), переменное отношение несущей к входному алфавиту (D) модулятора C/D и их
фазы). В данном курсовом проекте эти вопросы не рассматриваем. Модуляцию
заменяем манипуляцией со сдвигом фаз на 1800.
Принципиальная схема фазового манипулятора представлена на рисунке 7.1.
Схемную реализацию получаем при помощи Булевой функции 4.9:
|
|
(4.9)
|
5. Функции выходов преобразователя кода
5.1 Кодирование и минимизация
Кодирование символов посылки приведено в таблице 1.
Содержание сообщения - фамилия, имя, отчество разработчика: ЛАВРЕНКОВА
АНАСТАСИЯ ВЛАДИМИРОВНА.
Посылка содержит 14 различных букв и интервал между словами - всего 15
символов.
Число разрядов кода определяется по формуле 5.1:
|
|
(5.1)
|
где, N=15 - число различных символов, n - разрядность кода.
- количество выходов преобразователя кода.
Таблица 1 - Кодирование символов посылки
|
№ такта
|
Сим вол
|
Входное слово
преобразователя
|
№ кода буквы
|
Выходное слово
|
|
|
Х6
|
Х5
|
Х4
|
Х3
|
Х2
|
Х1
|
|
Y4
|
Y3
|
Y2
|
Y1
|
|
0
|
|
0
|
0
|
0
|
0
|
0
|
0
|
0
|
0
|
0
|
0
|
0
|
|
1
|
Л
|
0
|
0
|
0
|
0
|
0
|
1
|
1
|
0
|
0
|
0
|
1
|
|
2
|
А
|
0
|
0
|
0
|
0
|
1
|
0
|
2
|
0
|
0
|
1
|
0
|
|
3
|
В
|
0
|
0
|
0
|
0
|
1
|
1
|
3
|
0
|
0
|
1
|
1
|
|
4
|
Р
|
0
|
0
|
0
|
1
|
0
|
0
|
4
|
0
|
1
|
0
|
0
|
|
5
|
Е
|
0
|
0
|
0
|
1
|
0
|
1
|
5
|
0
|
1
|
0
|
1
|
|
6
|
Н
|
0
|
0
|
0
|
1
|
1
|
0
|
6
|
0
|
1
|
1
|
0
|
|
7
|
К
|
0
|
0
|
0
|
1
|
1
|
1
|
7
|
0
|
1
|
1
|
1
|
|
8
|
О
|
0
|
0
|
1
|
0
|
0
|
0
|
8
|
1
|
0
|
0
|
0
|
|
9
|
В
|
0
|
0
|
1
|
0
|
0
|
1
|
3
|
0
|
0
|
1
|
1
|
|
10
|
А
|
0
|
0
|
1
|
0
|
1
|
0
|
2
|
0
|
0
|
1
|
0
|
|
11
|
|
0
|
0
|
1
|
0
|
1
|
1
|
0
|
0
|
0
|
0
|
0
|
|
12
|
А
|
0
|
0
|
1
|
1
|
0
|
0
|
2
|
0
|
0
|
1
|
0
|
|
13
|
Н
|
0
|
0
|
1
|
1
|
0
|
1
|
6
|
0
|
1
|
1
|
0
|
|
14
|
А
|
0
|
0
|
1
|
1
|
1
|
0
|
2
|
0
|
0
|
1
|
0
|
|
15
|
C
|
0
|
0
|
1
|
1
|
1
|
1
|
9
|
1
|
0
|
0
|
1
|
|
16
|
Т
|
0
|
0
|
0
|
0
|
0
|
10
|
1
|
0
|
1
|
0
|
|
17
|
А
|
0
|
1
|
0
|
0
|
0
|
1
|
2
|
0
|
0
|
1
|
0
|
|
18
|
С
|
0
|
1
|
0
|
0
|
1
|
0
|
9
|
1
|
0
|
0
|
1
|
|
19
|
И
|
0
|
1
|
0
|
0
|
1
|
1
|
11
|
1
|
0
|
1
|
1
|
|
20
|
Я
|
0
|
1
|
0
|
1
|
0
|
0
|
12
|
1
|
1
|
0
|
0
|
|
21
|
|
0
|
1
|
0
|
1
|
0
|
1
|
0
|
0
|
0
|
0
|
0
|
|
22
|
В
|
0
|
1
|
0
|
1
|
1
|
0
|
3
|
0
|
0
|
1
|
1
|
|
23
|
Л
|
0
|
1
|
0
|
1
|
1
|
1
|
1
|
0
|
0
|
0
|
1
|
|
24
|
А
|
0
|
1
|
1
|
0
|
0
|
0
|
2
|
0
|
0
|
1
|
0
|
|
25
|
Д
|
0
|
1
|
1
|
0
|
0
|
1
|
13
|
1
|
1
|
0
|
1
|
|
26
|
И
|
0
|
1
|
1
|
0
|
1
|
0
|
11
|
1
|
0
|
1
|
1
|
|
27
|
М
|
0
|
1
|
1
|
0
|
1
|
1
|
14
|
1
|
1
|
1
|
0
|
|
28
|
И
|
0
|
1
|
1
|
1
|
0
|
0
|
11
|
1
|
0
|
1
|
1
|
|
29
|
Р
|
0
|
1
|
1
|
1
|
0
|
1
|
4
|
0
|
1
|
0
|
0
|
|
30
|
О
|
0
|
1
|
1
|
1
|
1
|
0
|
8
|
1
|
0
|
0
|
0
|
|
31
|
В
|
0
|
1
|
1
|
1
|
1
|
1
|
3
|
0
|
0
|
1
|
1
|
|
32
|
Н
|
1
|
0
|
0
|
0
|
0
|
0
|
6
|
0
|
1
|
1
|
0
|
|
33
|
А
|
1
|
0
|
0
|
0
|
0
|
1
|
2
|
0
|
0
|
1
|
0
|
|
34
|
|
1
|
0
|
0
|
0
|
1
|
0
|
0(~)
|
0(~)
|
0(~)
|
0(~)
|
0(~)
|
|
35
|
|
1
|
0
|
0
|
0
|
1
|
1
|
0(~)
|
0(~)
|
0(~)
|
0(~)
|
0(~)
|
|
36
|
|
1
|
0
|
0
|
1
|
0
|
0
|
0(~)
|
0(~)
|
0(~)
|
0(~)
|
0(~)
|
|
37
|
|
1
|
0
|
0
|
1
|
0
|
1
|
0(~)
|
0(~)
|
0(~)
|
0(~)
|
0(~)
|
|
38
|
|
1
|
0
|
0
|
1
|
1
|
0
|
0(~)
|
0(~)
|
0(~)
|
0(~)
|
0(~)
|
|
39
|
|
1
|
0
|
0
|
1
|
1
|
1
|
0(~)
|
0(~)
|
0(~)
|
0(~)
|
0(~)
|
|
40
|
сброс
|
1
|
0
|
1
|
0
|
0
|
0
|
0(~)
|
0(~)
|
0(~)
|
0(~)
|
0(~)
|
|
|
0
|
|
0
|
0
|
0
|
0
|
0
|
0
|
0
|
0
|
0
|
0
|
0
|
|
1
|
Л
|
0
|
0
|
0
|
0
|
0
|
1
|
1
|
0
|
0
|
0
|
1
|
|
Циклически
повторяется
|
Таблица имеет 40 комбинаций, но с такта 34 включительно и до конца
кодовая комбинация выходного слова безразлична, потому что этих комбинаций никогда
не будет за счет отключения преобразователя кода от линии связи.
Производим минимизацию, для этого строим карту Карно для входного слова.
Шаблон карты Карно для входного слова, состоящего из пяти букв, показан на
рисунке 5.1. Каждой стороне диаграммы соответствует своя переменная Хр (р=1, 2,
3, 4, 5, 6), причем одной половине стороны соответствует первичный терм Xp, а
другой - первичный терм
. Поэтому каждой клетке будет соответствовать совокупность
первичных термов (Хр)е, (
)е, а номер данной клетки
будет определяться числом i=е6,e5,e4,e3,e2,е1. Любой минтерм представляет собой
функцию, равную "1" только в одной точке, области определения,
поэтому на диаграмме он представляется единицей, стоящей только в одной клетке
с номером i.
Рисунок 5.1 - Шаблон карты Карно
Методом склеивания объединяем рядом стоящие единичные минтермы. Рядом
стоящими считаем те минтермы, у которых разные только одна буква по инверсии,
что позволяет (в алгебраическом виде) её заключить в скобки и сократить,
получив импликант. Если находим второй импликант, отличающийся также на одну
букву по инверсии то, между ними также проводим операцию склеивания и так до
тех пор, пока не получим простой импликант. Следовательно, рядом стоящих единиц
может быть ряд 2n где, n=1,2,3…. Клетки содержащие знак
"~" необходимо доопределить, т. е. поставить "1" или
"0", выбираем те значение, которые дают наименьшее количество букв в
минимизированной функции. Из всех возможных импликантов необходимо выбрать
оптимальные с учётом других функций автомата с целью использования одних и тех
промежуточных частей схемы для различных букв выходного слова преобразователя.
Не склеенные клетки дописываем в выходную функцию.
Рисунок 5.2 - Карта Карно выходной функции Y4
Рисунок 5.3 - Карта Карно выходной функции Y3
Рисунок 5.4 - Карта Карно выходной функции Y2
Рисунок 5.5 - Карта Карно выходной функции Y1
Выходные функции Y4 - Y1 преобразователя кода, полученные на
основании минимизации, представлены нижеследующими выражениями, приведенными к
базису И - НЕ на основании правил Де - Моргана:
Выходные
функции записаны в минимальной нормальной дизъюнктивной форме (МДНФ) и
приведены к базису И-НЕ интегральных микросхем.
5.2
Преобразователь кода Ф.И.О.
Преобразователь
кода реализован на инверторах и элементах И-НЕ и ИЛИ-НЕ (К561ЛА7, К561ЛА8,
К561ЛА9, К561ЛЕ5, К561ЛИ1) и выполняет функции Y1,Y2,Y3,Y4.
Схема преобразователя кода Ф.И.О. приведена на рисунке 5.6.
Рисунок 5.6, лист 1 - Схема преобразователя кода Ф.И.О.
Рисунок 5.6, лист 2 - Схема преобразователя кода Ф.И.О.
6. Составление временной диаграммы
функционирования автомата
Составление диаграммы функционирования автомата имеет цель определения и
схемного решения функций других узлов и увязки уже определённых частей
передатчика.
Временная диаграмма работы автомата строится с учётом выбранной
элементной базы. В данном примере сигналы:
- первого счётчика К561ИЕ8 (Q0, Q1, Q2, Q3,Q4 - выходные
параллельные данные, R=Q5 - сброс счетчика);
- счётчика К561ИЕ8 СИ (Q0, Q1, Q2, Q3, Q4, Q5 - десятичный
выход, С - синхронизирующий вход);
- ST- стартовый импульс;
- R- сброс всей схемы в исходное состояние (вырабатываются специальной
схемой);
- D - последовательный выходной код данных;
- ФМ - фазоманипулированный выходной сигнал.
Рисунок 6.1 - Временная диаграмма функционального автомата
7. Принципиальная схема автомата
Из диаграммы работы автомата запишем функции дополнительных схем,
необходимых для обеспечения работы, выбранных интегральных микросхем:
- сброс на 40 номере такта;
- окончание кодовой посылки (3 пробела начиная с 34 номера
такта).Выражение, представляющее сумму последовательного полезного кода со
старт - стопными импульсами, определяется функцией 7.1
В дальнейшем сумма 7.1 и ее инверсное значение подаются на вход фазового
манипулятора.
В результате проведённых операций получим схему (рисунок 7.1) управления
преобразователем кода (СС, ПП и СИ из структурной схемы). В данной схеме
несущая частота подается на входы V счетчиков К561ИЕ8. Вход R
счетчика К561ИЕ8, входящего в схему преобразователя параллельного кода в
последовательный, связан с выходом Q5 этого же счетчика и отвечает за сброс его состояния. А вход R счетчиков К561ИЕ10 отвечает за сброс
всей схемы, представленной на рисунке 7.1.
Рисунок 7.1 - Схема управления преобразователем кода
8. Схема согласования с каналом связи
Для того чтобы наш кодовый сигнал транспортировался с наименьшими
потерями при передаче, необходимо обеспечить согласование параметров передающей
части автомата с линией связи. Для этого проведем расчет схемы, которая
подготовит сигнал к передаче и согласует наше устройство с физической цепью.
Схема изображена на рисунке 8.1 и отражает все приведенные ниже расчеты.
Для начала расчета зададимся некоторыми величинами, исходя из которых
будем проводить расчет. Примем добротность полюса Qп=2. Зададимся равенством сопротивлений R6=R7=R8. А также обозначим значение С6=1000 пФ согласно
шкале номинальной емкости конденсаторов
Теперь, обладая всеми необходимыми данными, можно исходя из выражений 8.1
и 8.2 рассчитать значение емкости С5.
Так как R6=R7=R8, то
, тогда формула 8.2 запишется в следующем виде:
|
.
|
(8.3)
|
Выбираем данное значение по номиналу, таким образом, С5=36нФ.
Частота квазирезонанса может быть рассчитана по двум выражениям 8.4 и
8.5, на основании этого можно выразить значение сопротивлений R6-R8
где
- несущая частота.
Принимаем по номиналу:
Рассчитаем усиление схемы на нулевой частоте по формуле 8.6:
|
.
|
(8.6)
|
Получаем H = -1.
Проведем теперь расчет входного делителя.
На выходе в линию подводится напряжение 0.77 В. Тогда очевидно, что в
точке между сопротивлениями R9 и R10 уровень напряжения составляет 1.54 В. Тогда на выходе
первого усилителя будет потенциал в QП=2 раза
меньшее, то есть 0.77 В.
Такой же потенциал будет также и в точке между сопротивлениями R3 и R4. Зададим потенциал между резисторами
R5 и R4, примем его равным 0.077 В. Также
примем номинал сопротивления R4=5.1 кОм. Тогда можно рассчитать ток
делителя:
Зная ток делителя, легко рассчитать значение сопротивления R5:
По номиналу
.
После фазового модулятора на вход делителя поступает напряжение номиналом
9В. Так как на конденсаторе С4 осциллограмма напряжения смещается,
то напряжение на его выходе будет 4.5В минус потери (3%). То есть на выходе
конденсатора С4 напряжение составляет 4.365В. Тогда можно рассчитать
значение сопротивления
:
.
Выберем по номиналу:
.
Примем сумму сопротивлений R3, R4 и R5 за эквивалентное, то есть
Зная эквивалентное сопротивление можно составить пропорцию через потери,
заданные в процентном отношении:
|
.
|
(8.7)
|
Выразим из 8.7 характеристическое сопротивление:
.
Рассчитаем емкость конденсатора на частоте равной половине несущей, на
которой происходят самые большие потери:
Выберем емкость по номиналу:
.
Сопротивление на выходе второго усилителя выбираем равное 47 кОм. То есть
.
Рисунок 8.1 - Схема согласования с каналом связи
9. Расчет блока питания
Схема используемого блока питания представлена на рисунке 9.1. Произведем
расчет ее составляющих.
Первоначально рассчитаем сопротивления нагрузок из учета того, что
зададимся значениями токов. Пусть ток нагрузки 12 мА (с учетом токов микросхем,
операционных усилителей и усилительного каскада). Выберем стабилитрон КС509А
(Uстмакс=15.6 В, Uстмин=13.8 В, Iст мин=0.5 мА, Iст макс=42 мА) для пятнадцати
вольтовой цепи. Пусть Uст=15В, Iст=6А. Выберем стабилитрон КС516А (Uстмакс=9 В,
Uстмин=10.5 В,
,
) для девяти вольтовой цепи. Пусть Uст=9В, Iст=6мА.
Тогда общие токи на сопротивлениях R10, R11 и R12 равны по 18мА.
Сопротивления нагрузок можно рассчитать по следующим формулам:
|
;
|
(9.1)
|
|
;
|
(9.2)
|
где
- напряжение питания, равное 15В для первой и третьей
нагрузок (ОУ) и равное 9В - для второй нагрузки ( цифровой микросхемы);
- ток в нагрузке, равный 12мА.
Таким образом, получаем:
выбранный номинал RН1=1,3кОм;
При расчете необходимо учесть напряжение пульсации на конденсаторах С10
и С11, которое рассчитывается по следующей формуле:
|
,
|
(9.3)
|
где
- напряжение на вторичной обмотке трансформатора, равное
30В.
Подставим числовые значения, получим:
.
В случае короткого замыкания нагрузки необходимо избавиться от аварийного
режима, что предусматривается путем добавления сопротивлений R10, R11 и R12
. Сопротивления,
которые должны выдержать обрыв в цепи нагрузки рассчитываются по формулам
(9.4-9.5):
|
;
|
(9.4)
|
|
,
|
(9.5)
|
где
ОБЩ - суммарный ток ветви, равный 18мА.
Тогда после проставления числовых значений, получаем:
Так как эти сопротивления имеют схемную реализацию, возьмем их значения
по номиналу. Получим
По номиналу
Для расчета значений емкостей С10 и С11 подсчитаем
эквивалентные сопротивления ветвей по формулам (9.6-9.7):
|
;
|
(9.6)
|
|
.
|
(9.7)
|
.
Найдем характеристические сопротивления конденсаторов С10 и С11,
учитывая активные потери 5% (9.8-9.9):
|
;
|
(9.8)
|
|
.
|
(9.9)
|
,
Зная величину характеристического сопротивления, можно определить
непосредственно величину емкости конденсатора (9.10); при этом необходимо
учесть, что при прохождении диодного моста частота тока увеличивается в 2 раза,
таким образом
.
Примем значения емкостей по номиналу, таким образом

.
Чтобы резисторы R10, R11 и R12 выдержали приложенное к ним
напряжение в режиме короткого замыкания, необходимо выбрать их по мощности,
используя формулу 9.11:
|
,
|
(9.11)
|
где Uмакс - максимальное напряжение,
прикладываемое к нагрузке; R -
номинал сопротивления.
.
Ближайшее значение допустимой мощности смотрим по ряду мощностей:
.
.
По номинальному ряду
.
Фильтрующие конденсаторы выбираем из расчета 0,1мкФ на 9 корпусов.
Рисунок 9.1 - Блок питания
Заключение
В результате проделанной работы была построена схема для передачи
сообщения по каналу связи. Для питания данной схемы был рассчитан блок питания.
Выполнение настоящей курсовой работы способствовало закреплению теоретических
знаний по разделам курса теоретических основ железнодорожной автоматики,
телемеханики и связи, появлению практических навыков, необходимых при
эксплуатации, проектировании, разработке и усовершенствовании устройств
автоматики. В процессе работы были получены навыки проектирования цифровых
устройств на логических элементах серии К561.
Для физической реализации разработанной схемы требуется учесть разброс
параметров радиотехнических элементов.
Список использованных источников
1. С. А. Сушков, Ю. И. Слюзов. Теоретические основы
железнодорожной автоматики телемеханики и связи. Курсовое проектирование. Омск
2002. Электронное пособие.
. Вересов Г. П., Смуряков Ю. Л. Стабилизированные источники
питания радиоаппаратуры. ¾ М.: Энергия, 1978. ¾ 192 с., ¾ ил. ¾ (Массовая радиобиблиотека; Вып.
969).
. Полупроводниковые приборы: Диоды, тиристоры,
оптоэлектронные приборы. Справочник / А. В. Баюков, А. Б. Гитцевич, А. А.
Зайцев и др.; Под ред. Н. Н. Горюнова. ¾ М.: Энергоиздат, 1982. ¾ 744 с., ил.
. Атаев Д. И., Болотников В. А. Функциональные узлы
усилителей высококачественного звуковоспроизведения. ¾ М.: Радио и связь, 1989. ¾ 144 с.: ил. (Массовая
радиобиблиотека. Вып. 1140).
. Нефёдов А. В. Интегральные микросхемы и их зарубежные
аналоги: Справочник. Т. 10.¾ М.: Радиософт, 2000.¾ 544с.: ил.
. Бирюков С. А. Цифровые устройства на МОП интегральных
микросхемах. Москва.
1990.
7. Стандарт предприятия ОмГУПС-1.2-05
Приложение
Характеристика
элементной базы
Каждая серия интегральных схем (ИС) имеет определенный набор микросхем различного
функционального назначения. Совокупность этих микросхем называют функциональным
рядом. В различных сериях существуют микросхемы одинакового функционального
назначения, имеющие одинаковую структурную схему, условное обозначение и схему
подключения (цоколевку). Однако такие микросхемы имеют отличия в технологии
изготовления, различные корпуса и существенные отличия в параметрах.
Функциональный ряд ИС наиболее распространенных серий приведен в справочной
литературе.
В данном примере подойдут микросхемы любого функционального ряда, однако
предпочтительнее ряд КМДШ - логики, например К561. Эта серия выполнена по КМОП
технологии и обладает минимальным потреблением тока, следовательно, не требует
дополнительного мощного источника питания.
Микросхема
К561ЛА7
Выполняет
логическую функцию 2И-НЕ. Содержит четыре логических элемента. Цоколевка
микросхемы и её условное обозначение приведены на рисунке А.1.
Рисунок А.1- Микросхема К561ЛА7
Микросхема К561ЛА8
Выполняет
логическую операцию 4И-НЕ. Содержит два логических элемента. Цоколевка
микросхемы и ее условное обозначение приведены на рисунке А.2.
Рисунок А.2- Микросхема К561ЛА8
Микросхема
К561ЛА9
Выполняет
логическую операцию 3И-НЕ. Содержит три логических элемента. Цоколевка
микросхемы и ее условное обозначение приведены на рисунке А.3.
Рисунок А.3- Микросхема К561ЛА9
Микросхема
К561ЛЕ5
Выполняет
логическую операцию 2ИЛИ-НЕ. Содержит четыре логических элемента. Цоколевка
микросхемы и ее условное обозначение приведены на рисунке А.4.
Рисунок А.4 - Микросхема К561ЛЕ5
Микросхема К561ЛЕ10
Выполняет
логическую функцию 3ИЛИ-НЕ. Содержит три интегральных элемента. Цоколевка
микросхемы и ее условное обозначение приведены на рисунке А.5.
Рисунок А.5- Микросхема К561ЛЕ10
Микросхема
К561ИЕ8
Микросхема
представляет собой счетчик по модулю 10 с дешифратором. Она выполнена на основе
пятикаскадного высокоскоростного счетчика Джонсона и дешифратора,
преобразующего двоичный код в сигнал на одном из десяти выводов.
Если на входе разрешения счета V присутствует низкий уровень, счетчик
осуществляет счет синхронно с положительным фронтом на тактовом входе С. При
высоком уровне на входе V действие входа С запрещается и счет останавливается.
Сброс счетчика осуществляется подачей высокого уровня на вход R. Счетчик имеет
выход переноса Р. Положительный фронт выходного сигнала переноса появляется через
10 импульсов на входе С и используется как входной сигнал для счетчика
следующей декады. Структурная схема счетчика К561ИЕ8 и его условное обозначение
приведены на рисунке А.6а, а временные диаграммы работы ¾ на рисунке А.6б.

а - условное обозначение;
б - временная диаграмма.
Рисунок А.6- Микросхема К561ИЕ8
Микросхема
К561ИЕ10
Микросхема
содержит два независимых четырехразрядных двоичных счетчика с параллельным
выходом. Для повышения быстродействия в ИС применен параллельный перенос во все
разряды. Подача счетных импульсов может производиться либо в положительной
полярности (высоким уровнем) на вход С, либо в отрицательной полярности (низким
уровнем) на вход V. В первом случае разрешение счета устанавливается высоким
уровнем на входе V, а во втором случае - низким уровнем на входе С.
Структурная схема и условное обозначение счетчиков типа ИЕ10 приведены на
рисунке А.7.При построении многоразрядных счетчиков с числом разрядов более четырех
соединение между собой ИС ИЕ10 может производиться с последовательным или
параллельным формированием переноса. В первом случае на входе (вывод 1 или 9)
следующего каскада счетчика подается высокий уровень с выхода Q4 (выводы 6 или
14) предыдущего каскада.
Рисунок А.7 - Микросхема К561ИЕ10
Операционные
усилители К140УД14А, К140УД14Б, К140УД14В
Прецизионные
операционные усилители с малыми входными токами и малой потребляемой мощностью
с защитой выхода при коротком замыкании на корпус или на источник питания.
Коррекция АЧХ осуществляется внешними цепями коррекции, подключаемыми к выводам
1 и 8. Микросхемы
конструктивно оформлены в корпусе типа 301.8-2.
Рисунок А.8- Операционный усилитель типа К140УД14
Основные параметры при температуре 25±5°С операционных усилителей
приведены в таблице 2.
Таблица 2-Основные параметры операционных усилителей
|
,В
|
,В
|
,мА
|
,нА
|
|
,мВ
|
,В
|
|
|
,дБ
|
|
|
|
+15±1.5
|
-15±1.5
|
0.6
|
2
|
0.2
|
±2
|
13
|
-13
|
50000
|
85
|
302
|
0.33
|
1
Для ИМС 140УД14В
=2000.
2
Для ИМС 140УД14Б
3
Для ИМС 140УД14А и 140УД14Б
Микросхема К561ИE16
Микросхема
содержит четырнадцатиразрядный асинхронный счетчик с последовательным
переносом. Сброс счетчика в нуль осуществляется импульсом положительной
полярности длительностью не менее 550 нс по входу R. Содержимое счетчика
увеличивается по отрицательному перепаду (срезу) импульса по входу С.
Максимальная частота входных импульсов при Uн.п.=10 В достигает 4 МГц.
Устройство имеет выходы от 1,4...14 разрядов. Цоколевка микросхемы и ее
условное обозначение приведены на рисунке А.9.
Рисунок А.9 - Микросхема типа К561ИЕ16
Микросхема К561ИР9
Микросхема содержит четырехразрядные последовательно-параллельные
регистры сдвига. Условное обозначение и цоколевка - приведены на рисунке А.10.
Регистр сдвига типа ИР9 содержит два последовательных входа J и К. Если их
соединить вместе, то получим простой D-вход.Высокий уровень на входе P/S
(переключатель "параллельный режим ввода - последовательный режим
ввода") определяет режим параллельного ввода информации с входов D0...D3.
Параллельная запись осуществляется асинхронно. Если на входе P/S установлен
низкий уровень, то установлен режим последовательного ввода со входов J и К и
сдвига информации по фронту (положительному перепаду) синхроимпульсов на входе
С. Установка всех триггеров регистра в нулевое состояние осуществляется
асинхронно высоким уровнем на входе R. С помощью входа Т/С можно
устанавливать на выходах Q0...Q3 прямой код (высокий уровень на входе Т/С)
или дополнительный код (низкий уровень на входе Т/С).
Рисунок А.10 - Микросхема типа К561ИР9