Розрахунок підсилювача потужності на транзисторах різної провідності і мікросхемі операційного підсилювача

  • Вид работы:
    Курсовая работа (т)
  • Предмет:
    Информатика, ВТ, телекоммуникации
  • Язык:
    Украинский
    ,
    Формат файла:
    MS Word
    4,11 Мб
  • Опубликовано:
    2013-01-25
Вы можете узнать стоимость помощи в написании студенческой работы.
Помощь в написании работы, которую точно примут!

Розрахунок підсилювача потужності на транзисторах різної провідності і мікросхемі операційного підсилювача

ЗМІСТ

ВСТУП

. Розрахунок вихідного каскаду підсилювача

. Вихідні дані для розрахунку

. Розрахунок кінцевого підсилювача

. Розрахунок попереднього підсилювача

Висновок

Література

ВСТУП

У наш час однією із самих перспективних галузей науки та техніки є електроніка. Зараз практично неможливо знайти яку-небудь галузь промисловості у якій би не використовувалися електронні вимірювальні прилади, пристрої автоматики й обчислювальної техніки. Але всього цього не було б без винаходу напівпровідних пристроїв, у тому числі транзисторів і діодів, які є тими елементарними цеглинками, з яких і будується сучасний будинок електроніки. Спочатку, транзистор був розроблений саме як підсилювальний прилад, покликаний замінити громіздкі електронні лампи, а вже пізніше став використовуватись як основний елемент логічних схем. З тих пір практично всі електронні підсилювачі виконуються на основі транзисторів.

Пристрій, призначений для підсилення вхідного сигналу за рахунок енергії джерела живлення називається підсилювачем. Важливим типом підсилювачів є підсилювач потужності. Будучи або самостійними пристроями, або частиною більш складних апаратів, підсилювачі знайшли широке застосування в радіомовленні, техніці звукозапису, телебаченні, радіолокації й радіонавігації, медицині, системах автоматики й т.д.

У даному курсовому проекті приведена методика розрахунку підсилювача потужності на транзисторах різної провідності і мікросхемі операційного підсилювача.

1. Розрахунок вихідного каскаду підсилювача

Вихідний каскад підсилювача призначений для віддачі заданої величини потужності сигналу в заданий опір навантаження. В порівнянні з каскадами попереднього підсилювача вихідні каскади мають ряд особливостей.

Зазвичай попередні каскади підсилення виконуються на малопотужних транзисторах і вони споживають від джерела живлення незначну потужність. Амплітуда вхідного сигналу в цих підсилювачах в більшості випадків невелика і робочу ділянку характеристики транзистора можна вважати лінійними. При розрахунку каскадів попереднього підсилення його ККД не розглядають, а нелінійні спотворення сигналу вважають малими.

Оскільки вихідні каскади споживають від джерела живлення велику потужність, то їх ККД повинно бути достатньо високим. Для виділення в навантаженні заданої потужності на вхід підсилювача потужності подається велика амплітуда сигналу, яка захоплює значну область характеристики транзистора. Тому збільшення потужності, яку розвиває транзистор в навантаженні, супроводжується збільшенням нелінійних спотворень.

Величина максимальної не спотвореної потужності і ККД кінцевого каскаду залежить від типу транзистора, режиму роботи і схеми каскаду. При невеликій вихідній потужності (до 250 мВт) в каскадах потужного підсилення застосовують ті ж транзистори, що і в попередніх каскадах. Для отримання потужності в одиниці і десятки ват використовуються спеціальні потужні транзистори.

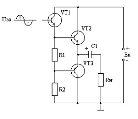
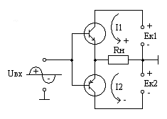
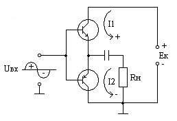
Враховуючи те, що опір навантаження підсилювачів потужності мають малу величину, то в кінцевих каскадах необхідно використовувати транзистори, включені по схемі зі спільним колектором (емітерні повторювачі). При даному включенні транзистор має мінімальний вихідний опір. На рис. 1 зображений підсилювач потужності на транзисторах з різною провідністю. Даний підсилювач це об’єднання двох емітерних повторювачів, зібраних на транзисторах з протилежною провідністю і працюючих на спільне навантаження Rн (рис. 1-а і рис. 1-б). При подачі на вхід позитивної напівхвилі сигналу виникає відкривання транзистора n-p-n і через навантаження Rн протікає струм I1. При подачі на вхід негативної напівхвилі сигналу проходить відкривання транзистора p-n-p і через навантаження Rн проходить струм I2. Однак схема на рис. 1-б має серйозний недолік - це використання двох джерел живлення EK1 і EK2.

На рис. 1-в зображена схема підсилювача в якій використовується тільки одне джерело живлення. В даній схемі навантаження Rн з’єднана з емітерами транзисторів через конденсатор. При подачі на вхід позитивної напівхвилі сигналу виникає відкривання транзистора n-p-n і через навантаження Rн протікає струм заряду конденсатора I1. При подачі на вхід негативної напівхвилі сигналу виникає відкривання транзистора p-n-p, конденсатор розряджається, і через навантаження Rн протікає струм I2.

а) емітерний повторювач на транзисторах n-p-n і p-n-p

б) об’єднання емітерних повторювачів.

в) підсилювач потужності з ємкісним зв’язком з навантаженням.

Рис. 1. Підсилювач потужності на транзисторах з різною провідністю

Для симетрії позитивної і негативної напівхвилі сигналу, транзистори n-p-n і p-n-p повинні мати однакові параметри і характеристики. Спеціально для використання в даній схемі випускаються комплементарні пари транзисторів різної провідності (КТ815 - n-p-n, КТ814 - p-n-p та ін.). Враховуючи цю особливість схеми, її розрахунок проводиться тільки для одного плеча. Для побудови прямої навантаження величина опору навантаження приймається рівною Rн, а напруга живлення приймається рівною EK1 = EK2 для схеми рис. 1-б і EK / 2 для схеми рис. 1-в.

. ВИХІДНІ ДАНІ ДЛЯ РОЗРАХУНКУ

Опір навантаження RН = 8 Ом;

Вихідна потужність, не менше Рвих. = 0,7 Вт;

Напруга живлення ЕК = 16 В;

Діапазон частот fН - fВ - 100 - 3000 Гц;

Коефіцієнт частотних спотворень МН = МВ = 4дБ;

Амплітуда вхідної напруги Uвх. = 0,1 В;

Вхідний опір, не менше 100 кОм.

(Коефіцієнт частотних спотворень показує в скільки разів або наскільки децибел зменшується підсилення на верхній і нижній частоті)

Переводимо значень частотних спотворень із децибелів у рази:

; ;

.

. РОЗРАХУНОК КІНЦЕВОГО ПІДСИЛЮВАЧА

Вказані параметри може забезпечити безтрансформаторний двохтактний комплементарний підсилювач. Його схема зображена на рис. 2.

Рис. 2. Схема безтрансформаторного двохтактного комплементарного підсилювача

Максимальне значення вихідної потужності, амплітуди вихідної напруги і струму споживання не можуть бути більшими слідуючих величин:

; ;

; ;

; .

Тип вихідних транзисторів підбираємо із умов:

- потужність розсіювання ;

- максимально допустимий струм колектора ;

максимально допустима напруга між колектором і емітером .

Вибираємо комплементарну пару транзисторів VT2 - типу КТ817Б (n-p-n), а VT3 - типу КТ816А (p-n-p) в яких:

;

;

.

На сімействі вихідних характеристик транзистора КТ817 будуємо пряму навантаження (рис. 3).

Рис. 3. Характеристика для розрахунку кінцевого підсилювача

Для цього на осі абсцис відкладаємо точку із значенням, рівним

.

На осі ординат відкладаємо значення струму

.

З’єднуємо ці точки прямою. Це і буде прямою навантаження.

Вибираємо на прямій навантаження точку 0 (точка спокою). Струм спокою в цій точці складає , а напруга .

Вибираємо на навантажувальній характеристиці точку 1 - точку максимального струму. Максимальний струм в ній буде складати  а напруга . Визначимо амплітуду напруги і струму вихідного сигналу:

;

.

Визначимо максимальну вихідну потужність каскаду:

.

Постійна складова колекторного струму при максимальній вихідній потужності сигналу:


Це значення менше максимально допустимого струму колектора транзисторів КТ817Б і КТ816Б, рівного 3 А.

Потужність розсіювання на колекторі кожного із транзисторів дорівнює:


що значно менша гранично допустимої потужності вказаних транзисторів - 20 Вт.

Ємність розділового конденсатора С1 вибираємо із умови:

,

Де С1 - ємність розділового конденсатора (мкФ);

 - нижня частота робочого діапазону (Гц);

 - опір навантаження (Ом).

;

Вибираємо електролітичний конденсатор ємністю 1000 мкФ на робочу напругу 20 В.

В зв’язку з тим, що ємнісний опір конденсатора збільшується при пониженні частоти, тоді на нижній частоті зменшується вихідна потужність на опорі навантаження. Тому необхідно розрахувати коефіцієнт частотних спотворень Мн на нижній частоті відтворюваного діапазону:

,

де

; ;

.

Коефіцієнт частотних спотворень на верхній частоті, які вносять транзистори VT2 і VT3 кінцевого підсилювача:

,

де

 − гранична частота транзисторів КТ817Б и КТ816Б.

.

Визначимо вхідний сигнал, який поступає на бази транзисторів VT2 і VT3 кінцевого підсилювача. Для цього на прямій навантаження визначимо струми бази в точці 0 () і в точці 1 (). , .

Відкладемо ці значення по осі ординат вхідної характеристики транзисторів і визначимо відповідне значення  і : , .

Так як в колі емітера транзисторів VT2 і VT3 кінцевого каскаду діє вихідний сигнал з амплітудою , який одночасно є напругою негативного зворотного зв’язку, то на вхід необхідно подати рівень, рівний:

Розрахуємо значення постійних напруг на електродах транзисторів VT2 і VT3. На емітерах постійна напруга в стані спокою повинна задовольняти такі умови:

 і .

Приймемо .

Розрахуємо постійні напруги на базах. Напруга на базі VT2 буде дорівнювати:

.

Напруга на базі VT3 буде дорівнювати:

.

Для нормальної роботи транзистора VT3 постійна напруга зміщення на базі повинно бути більшим амплітуди вхідної напруги . Вказана умова виконується ().

Вхідний струм кінцевого каскаду буде дорівнювати максимальному струму бази транзисторів VT2 і VT3, тобто . Так як в каскадах попереднього підсилення буде використовуватись операційний підсилювач у якого вихідний струм складає одиниці міліампер, то необхідно застосовувати допоміжний підсилювач - емітерний повторювач, зібраний на транзисторі VT1. підсилювач транзистор колектор повторювач

Робочий струм в робочій точці емітерного повторювача, якай працює в класі А, повинен бути не меншим величини вхідного струму кінцевого каскаду. Приймемо значення постійного струму транзистора VT1 .

Знаючи напругу на базах транзисторів VT2 і VT3, а також значення струму  розрахуємо величину резисторів R1 і R2:

;


Приймаємо в якості R2 стандартний номінал 470 Ом.

В якості транзистора VT1 вибираємо транзистор КТ312А. На вихідній характеристиці (рис. 4) будуємо пряму навантаження.

Рис. 4. Характеристики для розрахунку емітерного повторювача

Для цього на осі абсцис відкладаємо точку 1 зі значеннями ЕК = 16 В. Потім визначаємо режим транзистора в точці спокою. Напруга на транзисторі в точці спокою буде дорівнювати:


Струм в точці спокою як уже було прийнято . Відкладаємо точку 0 з вказаними вище координатами на вихідній характеристиці. Через точки 0 і 1 проводимо пряму навантаження. Відкладаємо в обидві сторони на осі абсцис від точки  значення вхідної напруги . Визначимо робочу зону характеристики (проміжок між точками 2 і 3).

В точках 0, 2, і 3 визначимо значення струму бази транзистора VT1:

;

;

.

Вказані значення відкладаємо на осі ординат вхідної характеристики транзистора КТ312А. По вхідній характеристиці визначаємо значення напруги між базою та емітером:

;

;

.

Визначимо параметри вхідного сигналу, який подається на базу емітерного повторювача VT1:

Вхідний струм дорівнює ;

Вхідна напруга сигналу буде дорівнювати сумі

і напруги входу кінцевого каскаду; .

Постійна напруга зміщення на базі VT1 дорівнює сумі


Перевіримо, що сума вхідної напруги сигналу і постійної напруги зміщення на базі VT1 не перевищує значення напруги живлення:

Вхідний опір емітерного повторювача дорівнює:

.

Напруга живлення ЕК = 16 В.

. РОЗРАХУНОК ПОПЕРЕДНЬОГО ПІДСИЛЮВАЧА

Вихідними даними для розрахунку попереднього підсилювача будуть дані, отримані по результатам розрахунку кінцевого підсилювача.

Вихідний струм дорівнює .

Амплітуда вихідної напруги сигналу буде дорівнювати напрузі вхідного сигналу кінцевого каскаду .

Постійна напруга на виході попереднього підсилювача .

Вхідний опір кінцевого каскаду .

Дані про вхід попереднього підсилювача:

Амплітуда вхідної напруги Uвх. = 0,1 В;

Вхідний опір, не менше 100 кОм.

Визначимо мінімальний коефіцієнт підсилення попереднього підсилювача:


По значенню мінімального коефіцієнта підсилення попереднього підсилювача, вихідному струму і напругою живлення вибираємо в якості активного елемента попереднього підсилювача операційний підсилювач типу 157УД2, призначений для використання в побутовій апаратурі.

Операційний підсилювач типу 157УД2 вміщує в одному корпусі два однотипних підсилювачі. В даній роботі буде використовуватися тільки один підсилювач.

Параметри підсилювача:

Напруга живлення 3 − 18 В;

Струм споживання - 7 мА;

Вхідний струм - 0,5 мкА;

Опір навантаження - 2 кОм.

Розрахуємо максимальний вихідний струм мікросхеми 157УД2 при вихідній напрузі, яка дорівнює напрузі живлення :

;

Це значення значно вище необхідного .

Вхідний опір мікросхеми при напрузі, яка дорівнює половині напруги живлення - 8 В, складає:

.

Це значення значно вище необхідного мінімального вхідного опору попереднього каскаду, тому при подальших розрахунках він не враховується.

На рис. 5 зображена принципова схема операційного підсилювача 157УД2. На рис. 6 зображена схема включення операційного підсилювача 157УД2. На схемі вказаний конденсатор С ємністю до 30 пФ. Його встановлення рекомендовано заводом виробником мікросхеми.

Рис. 5. Принципова схема операційного підсилювача 157УД2

Рис. 6. Схема включення операційного підсилювача 157УД2

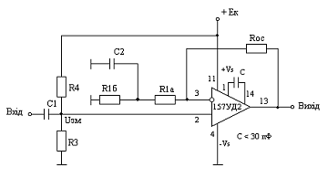
На рис. 7 зображена схема попереднього підсилювача.

Рис. 7. Схема попереднього підсилювача

Приймемо значення напруги на не інвертованому вході операційного підсилювача  і величину .

Із рівності:


Розраховуємо :


Вхідний опір попереднього каскаду представляє собою паралельне включення трьох опорів ,  і вхідного опору мікросхеми . Так як вхідний опір мікросхеми набагато більший значень  і , то він не враховується.

Тоді вхідний опір попереднього підсилювача дорівнює:

,

що більше мінімального значення вхідного опору .

Для розрахунку підсилення операційного підсилювача по постійному струму: позначимо .

Коефіцієнт підсилення по постійній напрузі повинен складати:

.

Приймемо величину опору .

Із виразу:

,

визначаємо значення :

.

Із виразу:

,

знайдемо значення :

.

Визначимо величину :

.

Приймемо стандартні значення  і .

Ємність блокуючого конденсатора С2 вибираємо із умови:

,

Де  − нижня частота робочого діапазону ();

.

Приймемо .

Аналогічно розраховуємо величину конденсатора С1:


Приймемо С1=0,022мкФ.

На основі отриманих даних об’єднуємо схеми попереднього і кінцевого підсилювачів і отримуємо підсилювач потужності (рис. 8).

Рис. 8. Схема розрахованого підсилювача

ВИСНОВОК

У даному курсовому проекті був поведений розрахунок підсилювача потужності на транзисторах і мікросхемі операційного підсилювача.

Вихідний каскад підсилювача призначений для віддачі заданої величини потужності сигналу в заданий опір навантаження.

Зазвичай попередні каскади підсилення виконуються на малопотужних транзисторах і вони споживають від джерела живлення незначну потужність. Амплітуда вхідного сигналу в цих підсилювачах в більшості випадків невелика і робочу ділянку характеристики транзистора можна вважати лінійними. При розрахунку каскадів попереднього підсилення його ККД не розглядають, а нелінійні спотворення сигналу вважають малими.

Оскільки вихідні каскади споживають від джерела живлення велику потужність, то їх ККД повинно бути достатньо високим. Для виділення в навантаженні заданої потужності на вхід підсилювача потужності подається велика амплітуда сигналу, яка захоплює значну область характеристики транзистора. Тому збільшення потужності, яку розвиває транзистор в навантаженні, супроводжується збільшенням нелінійних спотворень.

ЛІТЕРАТУРА

1. Кибакин В.М. Основы теории и разработки транзисторных низкочастотных усилителей мощности. - М.: Радио и связь, 1988. - 240 с.

. Ж. Марше. Операционные усилители и их применение. - М.: Энергия, 1985.

. В.И.Паутов, Ю.Н. Секисов, И.Е. Мясников, Расчет предварительного усилителя на транзисторе, Екатеринбург: УПИ, 1992г.

. Лавриненко В.Ю. Справочник по полупроводниковым приборам. 9-е изд., перераб. К.: Техника, 1980. - 464 с.

Похожие работы на - Розрахунок підсилювача потужності на транзисторах різної провідності і мікросхемі операційного підсилювача

 

Не нашли материал для своей работы?
Поможем написать уникальную работу
Без плагиата!
Без нейросетей!