Моделирование систем с переменной структурой
МИНИСТЕРСТВО ОБРАЗОВАНИЯ И НАУКИ
УКРАИНЫ
КРИВОРОЖСКИЙ ГОСУДАРСТВЕННЫЙ
ПЕДАГОГИЧЕСКИЙ УНИВЕРСИТЕТ
КАФЕДРА ИНФОРМАТИКИ И ПРИКЛАДНОЙ
МАТЕМАТИКИ
МОДЕЛИРОВАНИЕ СИСТЕМ С ПЕРЕМЕННОЙ
СТРУКТУРОЙ
Квалификационная работа по
информатике
студента 5-го курсу физико-математического факультета
Кириленко Алексея Николаевича
Руководитель:
к.т.н., с.н.с., доцент кафедры информатики
и прикладной математики
Полищук Александр Павлович
г. Кривой Рог
г.
Содержание
ВВЕДЕНИЕ
РАЗДЕЛ І. ОСНОВНЫЕ
ПОНЯТИЯ ТЕОРИИ СИСТЕМ АВТОМАТИЧЕСКОГО РЕГУЛИРОВАНИЯ. СИСТЕМЫ С ПЕРЕМЕННОЙ
СТРУКТУРОЙ
.1 Задачи
автоматического регулирования
.2 Понятие переменной
структуры
.3 Особенности
фазовых пространств линейных динамических систем. Принципы построения СПС
Выводы по І разделу
РАЗДЕЛ II. ПРИНЦИПЫ
ПОСТРОЕНИЯ СПС ДЛЯ УПРАВЛЕНИЯ СВОБОДНЫМ ДВИЖЕНИЕМ ЛИНЕЙНЫХ ОБЪЕКТОВ С
ПОСТОЯННЫМИ ПАРАМЕТРАМИ
.1 Простейшие примеры
систем с переменной структурой. Режимы в системах с переменной структурой
.2 Управление
линейным объектом с использованием воздействий по координате ошибки.
.3 Управление с
использованием воздействий по ошибке и её производным
.4 Управление
объектами, дифференциальные уравнения движения, которых содержат производные от
входных воздействий
.5 Анализ вынужденных
движений в СПС. Синтез закона управления в системе второго порядка
.6 Синтез закона
управления в СПС произвольного порядка
Выводы по ІІ разделу
РАЗДЕЛ III.
РАЗРАБОТКА МОДЕЛИ СИСТЕМЫ С ПЕРЕМЕННОЙ СТРУКТУРОЙ.
.1 Инструменты для
визуального объектно-ориентированного моделирования сложных динамических систем
.2 Краткое
руководство пользователя
.3 Построение модели
системы с переменной структурой в Model Vision Studium.
.4 Моделирование СПС
с помощью подсистемы Simulink пакета MathLab
Выводы по IIІ разделу
ВЫВОДЫ
СПИСОК ИСПОЛЬЗОВАННОЙ
ЛИТЕРАТУРЫ
ВВЕДЕНИЕ
Актуальность данной темы в значительной степени обусловлена
многочисленными приложениями теории дифференциальных уравнений с разрывными
правыми частями.
Ряд процессов в механике, электротехнике и в других областях
характеризуются тем, что правые части дифференциальных уравнений, которые
описывают их динамику, претерпевают разрывы в зависимости от текущего состояния
процесса. Стандартный пример такой динамической системы - механическая система
с сухим трением, когда сила сопротивления может принимать одно из двух
противоположных по знаку значений в зависимости от направления движения.
Таким образом математические модели механических систем с кулоновым
трением, полученные в рамках механики систем абсолютно твердых тел,
представляют собой дифференциальные уравнения, правые части которых являются
функциями, разрывными относительно обобщенных скоростей (сила трения изменяется
скачкообразно при изменении направления движения).
Ситуация, подобная вышеописанной, особенно часто возникает в системах
автоматического управления: стремление повысить быстродействие системы,
минимизировать энергетические затраты на управление, ограничить область
возможных изменений регулируемых параметров и т.п. приводит к управляющим
воздействиям в виде разрывных функций. В частности, такими системами
автоматического управления являются системы с переменной структурой и со
скользящими режимами.
Исследование этих систем в большинстве случаев осуществляется на основе
метода фазового пространства. Согласно этому методу, состояние динамической
системы n-го порядка в любой момент времени
полностью определяется значениями координат. Значения этих координат задают
некоторую точку в n-мерном
пространстве, по осям которого отложены координаты системы.
Это означает, что каждому новому состоянию системы соответствуют все
новые и новые точки пространства и изменению состояний системы можно
соподчинить движение некоторой точки, которая называется изображающей точкой, а
пространство - фазовым пространством. При движении системы ее координаты
изменяются. И изображающая точка описывает некоторую кривую, которая называется
фазовой траекторией. По виду этих траекторий можно судить о свойствах
рассматриваемой динамической системы, и, более того, изменять их, деформируя
фазовые траектории при соответствующем выборе управляющих воздействий.
Таким образом, задачи, которые были поставлены для выполнения
квалификационной работы были следующие:
а) рассмотрение основных положений теории систем с переменной
структурой;
б) анализ и выбор инструментальных средств для моделирования систем
с переменной структурой;
в) построение моделей систем с переменной структурой разных
порядков;
г) анализ полученных результатов.
РАЗДЕЛ І.
ОСНОВНЫЕ ПОНЯТИЯ ТЕОРИИ СИСТЕМ АВТОМАТИЧЕСКОГО РЕГУЛИРОВАНИЯ. СИСТЕМЫ С ПЕРЕМЕННОЙ
СТРУКТУРОЙ.
1.1 Задачи
автоматического регулирования
Широкое использование автоматики во всех областях практической
деятельности, наблюдаемое в настоящее время, четко выраженная тенденция к
усложнению, как самих объектов, так и задач автоматизации привели к бурному
развитию науки об управлении. Переход к более производительным технологическим
процессам, применение более совершенных машин и аппаратов, стремление довести
до максимума эффективность использования производственных агрегатов, увеличить
производительность, улучшить качество продукции, обеспечить экономию
электроэнергии и ценного сырья и т. п. заставляют искать новые принципы
управления, создавать новые типы систем.
Несмотря на большое разнообразие динамических свойств объектов, и
процессов, подлежащих автоматизации, а также требований к системам
автоматического регулирования, можно выделить две основные задачи управления:
во-первых, поддержание одной или нескольких регулируемых величин на требуемом
уровне - задача стабилизации и, во-вторых, изменение регулируемых величин в
соответствии с заданными законами - задача слежения. В дальнейшем будем
рассматривать только проблемы, связанные с построением систем стабилизации и
слежения. Задачи стабилизации и слежения повседневно встречаются в практике
автоматического управления. Так, например, в системах электроснабжения
требуется поддерживать с высокой степенью точности заданное напряжение на шинах
генератора, т. е. решать задачу стабилизации. Примером следящей системы может
служить система наведения самолета на цель, когда пространственные координаты
самолета должны непрерывно меняться в зависимости от взаимного положения
самолета и цели.
Создание высококачественных систем стабилизации и слежения значительно
затрудняется, если на объект регулирования действуют заранее непредсказуемые и
неконтролируемые возмущения. Так, в системе стабилизации напряжения таким
возмущением является изменение нагрузки генератора, а в случае системы
наведения самолета - различные ветровые возмущения. Эти возмущения вызывают
отклонение регулируемых координат от требуемых значений, и если их не учитывать
при проектировании регуляторов, то они могут стать причиной
неудовлетворительной работы системы управления. Значительные трудности
встречаются также при разработке систем стабилизации и слежения в случае, когда
характеристики объекта существенно изменяются в процессе работы и от изделия к
изделию. Действительно, пусть регулятор обеспечивает нормальное
функционирование системы при определенных характеристиках объекта. Однако при
их изменении работа системы может ухудшиться, и величина отклонения
регулируемой координаты от требуемого уровня окажется недопустимой. Такие же
последствия в ряде случаев могут иметь место, если не учитывать взаимного
влияния между отдельными контурами в сложных системах и пренебрегать наличием
элементов с запаздыванием, существенно нелинейных элементов и т. п. Этот далеко
не полный перечень проблем, возникающих при создании, системы стабилизации и
слежения, показывает, с какими сложностями приходится сталкиваться её
проектировщику.
В настоящее время хорошо разработаны теория и принципы построения
линейных систем, обеспечивающих высококачественное управление объектом в
сложных условиях работы.
Рассмотрим коротко существующие способы построения автоматических систем,
предназначенных для решения задач стабилизации и слежения, и выявим особенности
их применения. Как известно, при создании системы регулирования основным
вопросом является вопрос выбора элементов системы, связей между ними,
источников информации и т. п., т. е., другими словами, вопрос рационального
выбора структуры системы.[3] Следует сказать, что структурный подход к синтезу
систем во многих случаях оказывается весьма плодотворным, так как он позволяет
достаточно наглядно выявить вид управляющих воздействий, необходимость введения
различных обратных, опережающих или перекрестных связей, вскрыть физическую
природу явлений, лежащих в основе того или иного способа построения системы
регулирования. Что же такое структура системы автоматического регулирования?
Структурой системы автоматического регулирования будем называть
совокупность определенным образом связанных функциональных элементов системы.
Функциональные элементы осуществляют необходимые преобразования информации; под
связями будем понимать каналы передачи информации. Говоря, что система
автоматического регулирования обладает той или иной структурой, будем
предполагать, что система содержит те или иные элементы, связанные тем или иным
образом.
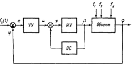
Графически
структуру системы отображает структурная схема. Структурная схема может быть
детализированной в различной степени. Наиболее обобщенная схема системы
автоматического регулирования изображена на рис. 1.1. Основными элементами
системы являются объект управления и регулятор. С точки зрения приведенной
структурной схемы, поставленные выше задачи регулирования могут быть
сформулированы следующим образом: автоматическое поддержание с заданной
точностью регулируемой (выходной) величины объекта
на заданном уровне g - const
- задача стабилизации; автоматическое поддержание с заданной точностью равенства
регулируемой (выходной) величины объекта
и
входной величины - задающего воздействия, являющегося некоторой функцией
времени g(t) - задача слежения. При этом на объект могут
действовать внешние возмущения, описываемые некоторой функцией времени f(t).
Буквой х обозначена разность между заданием g и выходной
координатой
, так называемое рассогласование или сигнал ошибки. И
в том и в другом случае целью регулирования является обеспечение с той или иной
степенью точности равенства нулю сигнала ошибки х. Эта цель достигается с
помощью воздействующего на объект регулятора, состоящего, как правило, из
исполнительного устройства (ИУ) и управляющего устройства (УУ). В управляющем
устройстве УУ на основании информации о состоянии системы, о задающем
воздействии g и о внешних воздействиях f, если они
доступны для измерения, формируется управляющее воздействие u.
Это управление поступает на ИУ, выходная координата y которого
непосредственно воздействует на объект регулирования, в результате чего
обеспечивается равенство выходной координаты
и
задающего воздействия g.
Рис. 1.1
Как правило, исполнительное устройство представляет собой мощное
механическое, электромеханическое, гидравлическое или пневматическое
устройство, динамические свойства которого обычно неизменны. В связи с этим
иногда бывает удобно объединить объект, динамические свойства которого
непосредственно изменять, тоже не удается, и исполнительное устройство и
рассматривать их как неизменяемую часть системы регулирования (рис. 1.2).
Рис. 1.2
Заметим, что в ряде случаев функции управляющего и исполнительного
устройств нельзя разделить, и тогда регулятор не может быть представлен в виде
двух блоков. Такая система регулирования имеет вид, изображенный на рис. 1.3.
Рис. 1.3
Перейдем теперь непосредственно к изложению методов построения систем
автоматического регулирования (САР). Для приведенных структурных схем, которые
являются достаточно общими, эта задача сводится к получению необходимой
информации о состоянии системы и формированию из этой информации функции
управления и. Будем считать, что движение объекта регулирования описывается
линейным дифференциальным уравнением
(1.1)
а
исполнительного устройства - линейным дифференциальным уравнением
(1.2)
В
(1.1) и (1.2) аi'(t), bi'(t) - постоянные или переменные параметры объекта,
,
- параметры исполнительного устройства, которые, как
правило, бывают постоянными,
, s,q,r,p -
целые числа, и в соответствии с условиями физической реализуемости s ≤q, r≤р.
Уравнение
сравнивающего устройства имеет вид
(1.3)
После исключения промежуточных координат у и φ
можно записать уравнение
движения неизменяемой части САР относительно сигнала ошибки х при наличии
внешнего возмущения f, задающего
воздействия g и управляющего воздействия u, приложенных к неизменяемой части
САР (рис 1.4):
Рис. 1.4
(1.4)
где
n=p+q, m=r+s, h=s+p, коэффициенты
зависят
от величины
и их производных (предполагается, что эти производные
существуют) [8].
Для
простоты дальнейшего изложения будем предполагать, что скорость изменения
коэффициентов ai(t),bi(t),ci(t) настолько мала, что во время протекания переходных
процессов их можно считать постоянными. Тогда применяя преобразования Лапласа к
(1.4), получаем при нулевых начальных условиях
(1.5)
Здесь р - оператор Лапласа, А(р),В(р),С(р) - полиномы от р с постоянными
коэффициентами:
(1.6)
Решение уравнения (1.5), вообще говоря, полностью характеризует
динамические свойства рассматриваемой системы, а следовательно, и все качественные
показатели процесса управления. Используя всю имеющуюся информацию о системе
(например, ошибку x и ее
производные, задающее воздействие g, а иногда и величину внешних возмущений f), необходимо выбрать управление и таким образом, чтобы это
обеспечивало с той или иной степенью точности равенство нулю сигнала ошибки и
максимально приближало динамические характеристики САР к желаемым. Способ
формирования управления и в виде суммы воздействий по различным переменным и
определяет структуру системы автоматического регулирования.
Рассмотрим основные способы формирования управляющего воздействия.
Обратимся
вначале к простейшему случаю построения системы стабилизации, когда внешние
воздействия на систему отсутствуют, т.е.
и
движение системы вызвано ненулевыми начальными условиями. Тогда, если свободное
движение неизменяемой части системы, определяемое корнями характеристического
уравнения А(р)=0, удовлетворяет всем требованиям, предъявляемым к динамике
системы, то величина ошибки может быть сведена к нулю и без управляющего
воздействия. Однако чаще всего свойства объекта таковы, что эти требования не
выполняются, и, по сути дела, задача состоит в выборе управления, которое
соответствующим образом изменяет характеристическое уравнение объекта. Именно в
результате этого и достигается устойчивость системы управления неустойчивым
объектом, увеличивается скорость протекания переходных процессов, удаётся
избежать колебательности и т. д. Из сказанного следует, что одним из возможных
способов реализации управления в случае f ≡0 и g≡0 является формирование
функции и в виде линейной комбинации координаты ошибки и конечного числа
производных:
(1.7)
где
- постоянные величины, l - целое число,
или в операторной форме
(1.8)
Такой принцип формирования управляющего воздействия называется принципом
управления по отклонению, так как в качестве информации о состоянии процесса
используется величина отклонения регулируемой координаты от требуемого уровня.
Сама система, построенная по этому принципу, является замкнутой системой или
системой с обратной связью. Уравнение движения замкнутой системы, согласно
(1.5) и (1.8), имеет вид
(1.9)
В (1.9)
- линейно зависящие от ai, bi, αx2 коэффициенты характеристического
полинома A(р) замкнутой системы,
(1.10)
В
результате введения обратной связи закон изменения регулируемой величины
определяется характеристическим полиномом (1.10) замкнутой системы, а не А(р),
как это было ранее. Очевидно, что изменение
влияет
на расположение корней характеристического уравнения А(р)=0 на комплексной
плоскости. Исходя из условий устойчивости, эти коэффициенты должны быть выбраны
такими, чтобы все корни находились слева от мнимой оси. Но помимо устойчивости
системы управления предъявляются определенные требования к характеру протекания
переходных процессов. Поэтому выбор коэффициентов
следует производить с учетом тех или иных критериев
качества системы.
Проведенные выше рассуждения позволяют подходить к формированию
управления и, исходя из свойств дифференциального уравнения движения объекта.
Рис. 1.5
Рассмотрим теперь специфику различных структурных реализаций выбранного
способа управления. Решение, заключается в том, чтобы измерить сигнал ошибки х,
продифференцировать его l раз,
просуммировать эти сигналы, умноженные на соответствующие коэффициенты, и
полученную сумму подать на вход исполнительного устройства. В результате будем
иметь структуру, изображенную на рис. 1.5. Особенности такой структуры поясним
на простейшем примере системы второго порядка.
(1.11)
(1.12)
В случае управления
(1.13)
уравнение замкнутой системы, согласно (1.11)-(1.13), имеет вид
(1.14)
где
Рис.
1.6
Как
уже отмечалось выше, требуемые динамические свойства системы достигаются
соответствующим выбором коэффициентов. ax1 , ax2.
Выясним, каким образом каждая из этих величин влияет на динамику процесса
управления. Непосредственно из рассмотрения корней характеристического
уравнения системы (1.14) следует, что увеличение ax1 -
коэффициента воздействия по сигналу ошибки х - приводит к колебательности и,
как следствие, к ухудшению процесса управления. Для того чтобы избежать этого,
необходимо увеличивать аx2 - коэффициент воздействии по производной. Однако
излишнее увеличение ax2 приводит к чрезмерному затягиванию переходного
процесса. Поэтому даже для этой простейшей структуры (рис. 1.6) выбор
коэффициентов аx1 и ax2 нельзя осуществлять независимо друг от друга. Для
системы более высокого порядка увеличение коэффициента воздействия по ошибке
всегда приводит к неустойчивости. И обычно в линейных структурах (рис. 1.5)
требуемое быстродействие и другие качественные показатели процесса управления
достигаются за счет одновременного увеличения уровней воздействия по сигналу
ошибки и его производным. В то же время необходимо иметь в виду, что увеличение
воздействий по производным приводит к усилению высокочастотных помех, которые
весьма часто примешиваются к основному сигналу. И если в системе существуют
какие-либо ограничения на координаты исполнительного устройства, то в
результате система автоматического регулирования может потерять устойчивость.
Следует
отметить также, что реализация структуры рис. 1.5 связана с необходимостью
иметь дифференцирующие элементы, построение которых является сложной
технической задачей. Однако в ряде случаев этого удается избежать, если в
системе имеется возможность для измерения каких-либо внутренних её координат.
Перейдем
теперь к рассмотрению особенностей построения линейных структур в случае, если
динамические свойства объекта меняются от процесса к процессу. Напомним, что
правильный выбор коэффициентов воздействия по ошибке и её производным, по сути
дела, обеспечивает желаемый вид характеристического уравнения системы. Если
поставлена задача сохранить неизменным качество процесса управления при
изменении параметров объекта, то для этого следует сохранить неизменным
характеристическое уравнение при любых значениях параметров из некоторого
диапазона. Поэтому из требования постоянства коэффициентов ai в
(1.9), согласно (1.8), (1.10), следует, что величины ax1…
являются уже не постоянными величинами, а функциями
переменных параметров объекта. Очевидно, что это обстоятельство найдет своё
отражение и в структуре системы. Структура системы должна содержать
функциональные элементы, осуществляющие измерение параметров объекта,
вычисляющие требуемые значения коэффициентов закона управления и
перестраивающие коэффициенты воздействия в управляющем устройстве. Основные
трудности при реализации построенной таким образом самонастраивающейся системы
связаны со сложностью аппаратурного решения и необходимостью в измерении
меняющихся параметров объекта.
Рис. 1.7
Остановимся еще на одном способе построения линейной структуры, в рамках
которой динамические свойства замкнутой системы меняются незначительно, даже
если параметры управляемого объекта изменяются в широких пределах. Этот способ
основан на увеличении коэффициента усиления разомкнутой системы. В
рассматриваемом случае структурная схема системы имеет вид, представленный на
рис. 1.8, а ее движение описывается уравнением -
(1.15)
где а*1 , а*2 - коэффициенты, зависящие от параметров объекта и
исполнительного устройства к - постоянный коэффициент. [9]
При неограниченном увеличении коэффициента k решение уравнения (1.15) будет приближаться к решению
уравнения
(1.16)
которое не зависит от параметров объекта. Соответствующим выбором
коэффициентов ax1, аx2 можно наделить решение этого уравнения желаемыми
свойствами. Описанный способ компенсации влияния нестационарности характеристик
применим, если коэффициенты a*1. и
a*2 меняются произвольным образом в
ограниченном диапазоне. Эффект, обусловленный введением звена с бесконечно
большим коэффициентом усиления, может быть получен в релейной системе, в
которой возникает движение с бесконечно большой частотой переключения релейного
элемента [14].
Отметим, что реализация структуры, изображенной на рис. 1.7, предполагает
наличие дифференцирующего устройства. Как известно, все реальные
дифференцирующие устройства обладают погрешностями, обусловленными собственными
инерционностями. Увеличение коэффициента k неминуемо приводит к потере устойчивости. Поэтому
коэффициент усиления разомкнутой системы можно увеличивать лишь до тех пор,
пока не начнут существенным образом сказываться неучтенные инерционности
дифференциаторов или других функциональных элементов структуры. Другим
обстоятельством, которое всегда следует учитывать при использовании этого метода,
является наличие ограничений на координаты системы. Как уже отмечалось выше, в
этом случае высокочастотные помехи, неизбежно примешивающиеся к основному
сигналу, при увеличении уровня воздействия по производным также могут привести
к потере устойчивости.
Все рассмотренные ранее способы формирования структуры, основанные на
принципе регулирования по отклонению, относились к системам, работающим в
режиме свободных движений. Другими словами, предполагалось, что отсутствуют
внешние возмущения и задающее воздействие, а функция управления составляется с
использованием информации об отклонении различных координат системы. Однако на
практике весьма редко встречаются системы, условия работы которых позволяют
пренебречь возмущающими воздействиями. Более того, для ряда производственных
процессов именно внешние возмущения, действующие заранее непредсказуемым
образом, приводят к необходимости использования средств автоматики.
Пусть
в системе регулирования по отклонению, описываемой уравнением (1.5) для случая g(t)
0 и f(t)
0, управляющее устройство представляет собой некоторую
совокупность линейных звеньев, осуществляющих дифференцирование,
интегрирование, суммирование и т. д. Предположим далее, что на вход УУ
поступает информация о величине отклонения регулируемой координаты от
требуемого значения. Тогда функция управления u в операторной
форме может быть представлена следующим образом:
(1.17)
где к - постоянный коэффициент, Р(р) и Q(p) -. некоторые
полиномы от р.
Из (1.5) и (1.17) получаем уравнение движения замкнутой системы
автоматического регулирования
(1.18)
Задача управления состоит в выборе такого оператора управляющего
устройства (или Р(р)у Q(p) и k), при котором, во-первых, обеспечивается желаемый характер
свободного движения в системе и, во-вторых, максимально уменьшается влияние
внешних воздействий на координату ошибки. Первая часть задачи уже была
рассмотрена. Остановимся теперь на методах, позволяющих уменьшить вынужденную
составляющую решения дифференциального уравнения (1.18). В основе этих методов
лежит тот факт, что вынужденную составляющую можно сделать достаточно малой или
она будет отсутствовать, если правая часть уравнения (1.18) окажется достаточно
малой или равной нулю.
Один из возможных способов использования такого подхода заключается в
увеличении коэффициента усиления разомкнутой системы. Перепишем уравнение
(1.18) в виде
(1.19)
где
Очевидно,
что с увеличением коэффициента усиления k правая часть
уравнения (1.19) стремится к нулю, а общее решение этого уравнения стремится к
решению соответствующего однородного уравнения. Следует, однако, иметь в виду,
что от значения коэффициента k зависит не только вынужденное, но и свободное
движение системы, и поэтому при увеличении коэффициента усиления k
всегда возникает вопрос об устойчивости САР. Как уже упоминалось выше,
высокочастотные помехи, неидеальности дифференцирующих устройств, ограничения
на координаты системы начинают существенным образом влиять на устойчивость
именно при больших коэффициентах усиления. Таким образом, этот принцип применим
в тех случаях, когда удается успешно разрешить противоречие между требуемой
точностью и устойчивостью системы. Задача управления в значительной степени
облегчается, если заранее известен вид внешних воздействий, приложенных к
системе [11].
Для решения задач стабилизации и слежения можно предложить совершенно
иной подход, основанный на измерении внешних воздействий, приложенных к
системе, при условии, что такие измерения физически возможны. Речь идет о так
называемом принципе компенсации, который для формирования управления
предполагает использование информации о величине внешних воздействий.
Итак, мы рассмотрели методы решения задач стабилизации и слежения,
основанные на двух важнейших принципах регулирования - по отклонению и по
возмущению, для системы с одной регулируемой величиной и скалярным управлением.
Характерные черты каждого из этих принципов были выявлены на объектах,
описываемых обыкновенными линейными дифференциальными уравнениями. Однако на
практике часто приходится иметь дело с объектами более сложной природы. Речь
идет о многомерных системах
Рис. 1.8
в которых необходимо управлять совокупностью регулируемых величин с
помощью нескольких управляющих воздействий. Специфику такой задачи можно
пояснить на частном случае взаимосвязанной системы, когда имеется несколько
контуров, а процессы управления в каждом из них влияют друг на друга. Если не
принимать во внимание наличие связей между регулируемыми величинами и
попытаться обеспечить требуемый процесс управления по каждой из них независимо
друг от друга, то неучтенное взаимное влияние между отдельными контурами
регулирования может значительно ухудшить функционирование системы и даже
привести к неустойчивости. Одни из возможных подходов к решению задачи
управления многосвязными объектами заключается в том, чтобы сделать движение в
каждом из контуров независимым от движения в других
Задача
автоматического управления значительно усложняется, если объект регулирования
содержит элемент с чистым запаздыванием, так как в этом случае наиболее ярко
проявляется противоречие между требованиями точности и устойчивости. Стремление
повысить точность приводит к необходимости увеличения коэффициента усиления
разомкнутой системы. С другой стороны, в линейной системе с запаздыванием
неограниченное увеличение коэффициента усиления приводит к неустойчивости.
Например, в линейной системе с постоянными параметрами, содержащей
запаздывание, частотная характеристика разомкнутой системы всегда пересекает
действительную ось на участке (
, 0).
Следовательно, при увеличении коэффициента усиления частотная характеристика
будет охватывать точку (-1,0), т. е. система станет неустойчивой. Это
противоречие может существенно ограничить применение линейных регуляторов для
управления объектами с запаздыванием.
Следует отметить, что существует значительное число задач, в которых
помимо требований, предъявляемых к характеру изменения регулируемой величины,
выдвигается ряд требований к поведению других координат системы. Зачастую при
выборе средств управления эти требования оказываются решающими. Так, например,
с точки зрения прочности конструкции величина перегрузки летательного аппарата
не должна превосходить некоторой фиксированной величины. Другим примером может
служить система стабилизации температуры термохимического процесса, в которой
расход воздуха влияет не только на изменение температуры, но и на качество
выпускаемой продукции. Для этого процесса перемещение регулирующего органа не
должно превосходить его установившегося значения. Для того чтобы удовлетворить
этим дополнительным требованиям при использовании линейных регуляторов,
приходится в ряде случаев идти на ухудшение динамических показателей
переходного процесса по регулируемой координате.
Рассмотренные проблемы, связанные с применением линейных регуляторов,
позволяют наметить основной круг задач, для решения которых приходится
обращаться к поискам новых методов управления в классе нелинейных систем
автоматического регулирования. Перечислим эти задачи.
Основная идея выбора управляющего воздействия для случая свободного
движения линейного объекта с постоянными параметрами заключается в том, чтобы
соответствующим образом видоизменить характеристическое уравнение неизменяемой
части системы, добиваясь требуемого расположения корней в левой части
комплексной плоскости. Это зачастую сводится к организации больших уровней
воздействий как по сигналу ошибки, так и по его производным, подаваемых на вход
исполнительного устройства. В связи с этим возникает задача построения такой
системы, в которой увеличение коэффициента воздействия только по координате
ошибки не приводит к потере устойчивости.
Высококачественное управление нестационарными объектами с помощью
линейных регуляторов в условиях непрерывно действующих возмущений оказывается
весьма затруднительным, если не предоставляется возможности для измерения
меняющихся параметров объекта и внешних возмущений. В связи с этим возникает
задача построения такой системы, в которой при конечных коэффициентах
воздействия по различным ее координатам удается обеспечить воспроизводимость
регулируемой величиной задающего воздействия без использования информации о
возмущениях и меняющихся в широком диапазоне параметрах объекта.
Обеспечение желаемого характера процесса управления и связей, в том числе
и автономности, в многомерных системах, как правило, затрудняется отсутствием
информации об операторах перекрестных связей. Одной из важнейших задач этой
области регулирования является задача построения системы, в которой при
отсутствии указанной информации с помощью конечных коэффициентов воздействия
достигается желаемая зависимость между различными регулируемыми координатами
системы.
Для систем управления объектами с чистым запаздыванием возникает задача
выбора такого управляющего устройства, которое позволит существенно повысить
коэффициент воздействия по координате ошибки по сравнению с линейной системой,
использующей ту же информацию.
При управлении нелинейными объектами наибольший интерес представляет
задача отыскания такой структуры, которая обеспечивает достаточно широкую
область устойчивости по начальным условиям вблизи точки, соответствующей
наиболее производительному режиму.
Для ряда производственных процессов особое значение приобретает задача
построения системы регулирования, в которой помимо выполнения требований к
качеству переходного процесса какая-либо координата не должна превосходить или
некоторого фиксированного значения, или своего установившегося значения. Все
перечисленные проблемы касались непосредственно задач управления. Однако при
реализации различных алгоритмов возникает самостоятельная задача получения
информации о состоянии управляемого процесса, которая в большинстве случаев
усложняется присутствием заранее неизвестных помех в различных каналах системы.
Все перечисленные задачи являются в настоящее время весьма актуальными,
так как они все чаще и чаще возникают при автоматизации различных областей
практической деятельности. Поэтому их успешное разрешение с помощью простых и
надежных технических средств, становится одной из центральных задач теории и
практики автоматического управления.
1.2 Понятие
переменной структуры
Краткий обзор основных задач, встречающихся в практике автоматического
управления, был проведен под углом зрения построения регуляторов с
фиксированной структурой. Иначе говоря, выбор структуры системы осуществлялся,
исходя из предположения, что совокупность функциональных элементов и характер
связей между ними остаются раз и навсегда неизменными. Однако такой взгляд на
проектирование систем управления, вообще говоря, не является единственно
возможным. Действительно, при синтезе управляющего устройства можно заранее
ввести в структуру системы такие функциональные элементы, которые во время
протекания процесса управления изменяют знак обратной связи, скачкообразно
изменяют коэффициенты воздействия по различным
Рис. 1.9
координатам и т. д., т. е. изменяют структуру системы. Тогда в
зависимости от выбранного алгоритма и имеющейся информации система будет
обладать той или иной структурой. Можно предположить, что в такой системе удастся
сочетать полезные свойства каждой из имеющейся совокупности структур, а быть
может, и получить какие-либо новые свойства, не присущие любой из них. Следует
ожидать, что такой подход позволит существенно повысить эффективность
управления.
Приведём простейший пример. Предположим, что имеются две линейные
структуры, представленные на рис. 1.9, а, б. Соответствующие переходные
характеристики изображены на рис. 1.10. В первом случае (рис. 1.9, а)
воздействие по производной мало и переходный процесс носит характер
незатухающих колебаний, во втором случае вводится демпфирующее воздействие
(рис. 1.9, б) и переходный процесс становится апериодическим. Пусть возникает
задача получить процесс с большим быстродействием, чем процесс б на рис. 1.10,
и без перерегулирования. Очевидно, что за счет изменения в момент времени t1 (рис. 1.11) структуры с первой на
вторую удается обеспечить желаемый характер переходного процесса. Этот эффект
объясняется тем, что на участке 0-t1 происходит быстрое увеличение регулируемой координаты (свойство первой
структуры), а затем вводится демпфирующее воздействие (рис. 1.11), которое
позволяет устранить перерегулирование (свойство второй структуры). Такое
сочетание свойств обеих структур становится возможным, если в управляющем устройство
системы регулирования предусмотреть ключевые логические элементы (КЭ) (рис.
1.12), осуществляющие скачкообразное изменение коэффициента воздействия по
производной, или, что-то же, структуры системы.
Рис. 1.10.
Рассмотренный пример является иллюстрацией системы уже не с
фиксированной, а с переменной структурой. В дальнейшем под системами с
переменной структурой (СПС) будем понимать системы, в которых связи между
функциональными элементами меняются тем или иным образом в зависимости от
состояния системы.
Рис. 1.11
На рис. 1.13 представлена схема системы с переменной структурой. В
зависимости от того, какие координаты системы и внешние воздействия доступны
для измерения, на вход управляющего устройства (УУ) может поступать информация
о величине ошибки х, выходной координате исполнительного устройства у, задающем
и возмущающем воздействиях g(t) и f(t), о регулируемой
величине φ, о промежуточных координатах объекта φ1...,φi и исполнительного устройства y1,…,yk. Управляющее устройство содержит некоторую совокупность
функциональных звеньев, причём оператор каждого из них обозначен на рис. 1.13
буквой А с соответствующими индексами. Каждая из входных величин управляющего
устройства может поступать на входы только «своих» звеньев. На рис. 1.13
верхний индекс оператора А говорит о входной величине звена, а нижний индекс
указывает на его порядковый номер. Управляющее воздействие является суммой
выходных величин всех звеньев. В управляющем устройстве имеются ключевые
элементы (КЭ). Каждый ключевой элемент замыкает один из предусмотренных каналов
передачи информации. Всевозможные сочетания положений контактов (КЭ) определяют
совокупность имеющихся в распоряжении фиксированных структур. Блок изменения
структуры БИС, на основе анализа всей поступающей на управляющее устройство
информации, даёт команду на изменение структуры системы. Задача синтеза такой
СПС состоит в выборе операторов всех звеньев и логических законов, в
соответствии с которыми изменяется структура системы.
Рис. 1.12
Рис. 1.13
1.3
Особенности фазовых пространств линейных динамических систем. Принципы
построения СПС
При исследовании различных видов нелинейных систем весьма широко и
плодотворно используется метод фазового пространства. Это объясняется тем, что
рассмотрение фазового пространства динамической системы позволяет дать
геометрическую интерпретацию происходящих в ней движений. Удобство применения и
наглядность этого метода (особенно для систем низкого порядка) послужили
причиной того, что весь материал далее изложён на языке фазовых представлений.
В связи с этим представляется целесообразным пояснить основные понятия этого
метода.
Как известно, состояние динамической системы п-го порядка в любой момент
времени полностью определяется значениями п координат. Значения этих координат
задают некоторую точку в n-мерном
пространстве, по осям которого отложены координаты системы. Точка,
характеризующая состояние системы, называется изображающей точкой, а
пространство - фазовым пространством. При движении системы её координаты
изменяются, и изображающая точка описывает некоторую кривую, которая называется
фазовой траекторией. Это движение характеризуется вектором фазовой скорости,
который направлен по касательной к траектории в сторону движения изображающей
точки. Длина вектора фазовой скорости определяется скоростью изменения каждой
из координат системы. Тогда движение изображающей точки по фазовым траекториям в
фазовом пространстве можно рассматривать как геометрическую интерпретацию
движения в динамической системе.
В качестве иллюстрации приведём фазовые портреты линейных систем,
описываемых уравнением второго порядка с постоянными параметрами, и установим
связь между коэффициентами уравнения и характером фазовых траекторий.
Предположим, что дифференциальное уравнение
(1.20)
описывает
движение некоторой динамической системы. Рассмотрим подробно случай, когда
корни соответствующего характеристического уравнения
и
являются
действительными и отрицательными, причем
. Решение
уравнения (1.20) имеет вид
(1.21)
где
А1 и А2 - постоянные интегрирования, зависящие от начальных условий. Уравнения
(1.21) в параметрической форме задают семейство фазовых траекторий на фазовой
плоскости
. Заметим, что при А2=0 величины х2 и х1 связаны
зависимостью х2=
, и поэтому движение изображающей точки будет
происходить по прямой I (рис. 1.14, а), заданной уравнением
(1.22)
Аналогично при А1=0 фазовая траектория становится прямой II, заданной уравнением
(1.23)
Так
как
, то траектории стягиваются к началу координат. В силу
того, что
при
прямая I
является касательной для любой фазовой траектории, за исключением прямой II.
Общий вид фазовой плоскости для рассматриваемого случая представлен на рис.
1.14, а. Фазовыми траекториями является семейство кривых параболического типа,
уравнения которых можно получить из (1.21), исключив параметр t.
Здесь и в дальнейшем стрелки на фазовых траекториях обозначают направление
движения изображающей точки.
В
случае, если корни характеристического уравнения отрицательны и равны, фазовый
портрет системы имеет вид, представленный на рис. 1.14, б. Среди фазовых
траекторий имеется одна прямая, угловой коэффициент которой равен корню
характеристического уравнения. Эта прямая, так же как и в предыдущем случае,
является касательной для всех фазовых траекторий.
Система,
будет также устойчива, если корни характеристического уравнения комплексны и
имеют отрицательные действительные части. Фазовыми траекториями такой
устойчивой системы будет семейство скручивающихся спиралей (рис. 1.14, в)
Рис.
1.14.
Рассматриваемая
динамическая система будет находиться на границе устойчивости, если а2=0,
а1>0 (случай чисто мнимых корней). На фазовой плоскости, соответствующей
этой системе, изображающая точка будет двигаться по замкнутым траекториям,
которые образуют семейство вложенных друг в друга эллипсов (рис. 1.14, г). Для
системы с колебательной неустойчивостью, фазовым портретом является семейство
раскручивающихся спиралей (рис. 1.14, д). На рис. 1.14, е представлены фазовые
траектории системы с апериодической неустойчивостью, если оба корня
характеристического уравнения положительны. Две прямые являющиеся фазовыми
траекториями, имеют угловые коэффициенты, равные значениям этих корней. Случай
кратных корней приведем на рис. 1.14, ж. И, наконец, на рис. 1.14, з, и, к
показаны фазовые портреты системы, когда корни характеристического уравнения
имеют разные знаки (в первом случае положительный корень больше, во втором
равен и в третьем меньше абсолютного значения отрицательного корня). На всех
трех портретах имеются фазовые траектории, являющиеся прямыми с угловыми
коэффициентами, равными корням характеристического уравнения системы. Двигаясь
по одной из этих прямых, изображающая точка асимптотически приближается к нулю,
а по второй - уходит в бесконечность.
На
рис. 1.14 представлены всевозможные виды движения, которые могут иметь место в
динамической системе, описываемой уравнением (1.20). Непосредственно из анализа
этих портретов можно сделать вывод о таких важных показателях переходного
процесса, как устойчивость или неустойчивость, аппериодичность или
колебательность, можно судить о темпах протекания переходного процесса, о
перерегулировании и т. п.
С
точки зрения фазовых представлений движения, задача управления сводится либо к
перемещению изображающей точки из некоторой допустимой области начальных
условий в заданную точку (или область) фазового пространства, либо к
обеспечению движения изображающей точки по некоторой заданной траектории. Вид
траекторий, по которым осуществляется переход системы из одного состояния в
другое, позволяет судить о динамических свойствах системы (время переходного
процесса, перерегулирования, колебательность, точность и т. п.). Синтез методом
фазового пространства предполагает выбор такого управления, Которое
обеспечивает этот переход по желаемым траекториям.
Рассмотрим
некоторые особенности фазового пространства линейных структур и наметим
основные идеи, которые могут быть положены в основу построения систем с
переменной структурой.
Пусть
линейная система описывается дифференциальным уравнением
(1.24)
где а0,a1,..an-1 - постоянные величины.
Исследуем
вопрос об устойчивости различных движений этой системы в фазовом пространстве X
координат х,
,.., хn-1. Если λ1, λ2, λn - корни характеристического уравнения, тo
(1.25)
где Aj - постоянные интегрирования,
зависящие от начальных условий
Очевидно, что линейная структура устойчива или любая траектория в фазовом
пространстве X стягивается к началу координат, если
Re
λj< 0 (j=1,...,n). В
рассмотренном примере этому случаю соответствуют фазовые портреты,
представленные на рис. 1.14, а, б, в.
Отметим существенную особенность линейной структуры, неустойчивость в
которой вызвана тем, что один из корней характеристического уравнения λk больше нуля. Если при этом Re
λj< 0 (j≠k), то
в фазовом пространстве системы существует совокупность устойчивых траекторий,
т. е. таких траектории, по которым изображающая точка асимптотически
приближается к началу координат. Действительно, если начальные условия таковы,
что Ак =0, то, согласно (1.25),
Известно,
что при Ak=0 координаты хл
,..., xn-1
линейно зависимы, т. е. найдутся такие действительные числа с0,...сn-1
что
(1.26)
Соотношение
(1.26) задает в пространстве X некоторую гиперплоскость S.
Следовательно, совокупность устойчивых траекторий линейной структуры в случае,
если характеристическое уравнение имеет один положительный корень, образует гиперплоскость
в фазовом пространстве системы. Поясним указанную особенность такой линейной
структуры на примере системы второго порядка, описываемой уравнением (1.20).
Пусть в (1.21)
λ1> 0, λ2< 0.
Соответствующие фазовые портреты показаны на рис. 1.14, з; и, к. Если А1=0, то lim x=0, lim
=0 и в
силу (1.21)
(1.27)
Прямая S, заданная уравнением (1.27) (рис.
1.14, з, и, к), и является совокупностью устойчивых траекторий для неустойчивой
системы второго порядка. Если в начальный момент времени изображающая точка
находится на прямой S, то она будет
асимптотически приближаться к началу координат. В то же время необходимо
отметить, что любые сколь угодно малые возмущения, всегда существующие в
системе, «выбивают» точку с прямой S и в системе возникает неустойчивое движение. В дальнейшем движения
изображающей точки, происходящие по траекториям, принадлежащим гиперплоскости,
будем называть вырожденными. Эта особенность фазового пространства линейных
систем позволяет заметить один из возможных принципов построения систем с
переменной структурой.
Предположим,
что в нашем распоряжении имеются две, пусть даже неустойчивые, линейные
структуры, но в фазовом пространстве одной из них существует гиперплоскость с
устойчивыми вырожденными движениями. Тогда следует выбрать такую
последовательность изменения этих структур, чтобы, во-первых, любая траектория
в пространстве X пересекала эту гиперплоскость и, во-вторых, в момент
попадания изображающей точки на эту гиперплоскость структура системы совпадала
со структурой с устойчивым вырожденным движением. Построенная таким образом
система будет устойчивой для любых начальных условий. Рассмотрим, например,
систему, которая может иметь две фиксированные неустойчивые структуры. Пусть
первой структуре соответствует фазовый портрет рис. 1.14, д, а второй - рис.
1.14, к. Возникает задача: выбрать такую последовательность изменения структур,
чтобы любое движение системы было устойчиво. Решим эту задачу методом фазовой
плоскости. Разобьём фазовую плоскость (х,
) на две
области, границами которых являются прямая S и ось
(рис. 1.15). Если состояние системы таково, что
изображающая точка находится в области I, то её
движение должно происходить по раскручивающимся спиралям (система должна иметь первую
структуру). В области II изображающая точка должна двигаться по кривым
гиперболического типа (система должна иметь вторую структуру). Из рис. 1.15
видно, что изображающая точка всегда попадает на прямую S,
которая является устойчивой траекторией для второй структуры. Поэтому для любых
начальных условий, начиная с некоторого момента времени (момента попадания на S)возникает
устойчивое движение. Очевидно, что если управляющее устройство осуществляет
изменение структуры на прямой S и оси
, то в
системе будет обеспечена апериодическая устойчивость движения. Такой подход
позволяет построить устойчивую систему и отказаться от требования устойчивости
для каждой из имеющихся структур.
Рис.
1.15.
Другой
способ, который может быть положен в основу построения систем с переменной
структурой, целесообразно использовать в случае, если фазовое пространство для
каждой из фиксированных неустойчивых структур не содержит гиперплоскостей с
устойчивыми вырожденными движениями. За счёт «сшивания» в определенной
последовательности участков неустойчивых траекторий удаётся в итоге получить
устойчивое движение для любых начальных условий. В качестве примера рассмотрим
случай, когда в нашем распоряжении имеются две линейные структуры, находящиеся
на границе устойчивости. Соответствующие им фазовые портреты представлены на
рис. 1.16, а, б. Пусть в первом и третьем квадрантах плоскости (х,
) фазовыми траекториями изображающей точки являются
траектории рис. 1.16, а, а во втором и четвертом квадрантах - фазовые
траектории рис. 1.16, б. Очевидно, что если изменение структуры происходит на
координатных осях и фазовый портрет системы имеет вид, представленный на рис.
1.17, то при любых начальных условиях движение в системе будет устойчивым.
Рис.
1.16.
Рис.
1.17.
Наиболее
плодотворной идеей синтеза СПС оказалась идея создания искусственных вырожденных
движений. Сущность этого подхода заключается в следующем: в фазовом
пространстве X задается некоторая гиперплоскость S,
движение в которой обладает желаемыми свойствами, причём траектории, лежащие в S, не
принадлежат ни одной из имеющихся структур. Последовательность изменения
структур должна быть выбрана такой, чтобы изображающая точка всегда попадала на
эту гиперплоскость, а
затем
двигалась по ней. Тогда с момента попадания в системе будет существовать
искусственное вырожденное движение, которое можно наделить рядом полезных
свойств, не присущих ни одной из фиксированных структур. Идея создания
искусственных вырожденных движений может быть проиллюстрирована на следующем
примере. Пусть по-прежнему в системе предусмотрена возможность использования двух
фиксированных линейных структур, которым соответствуют фазовые портреты рис.
1.14, г и 1.14, к.

Рис.
1.18.
Предположим
далее, что изменение структуры системы осуществляется на оси
в на прямой S*, которая не является фазовой
траекторией ни для одной из имеющихся структур (рис. 1.18). Ось х и прямая S*
разбивают фазовую плоскость на две области, причем в области I
изображающая точка движется по эллиптическим кривым, а в области II -
по гиперболическим кривым. Очевидно, что из любого начального положения
изображающая точка попадает на границу S*. Если угловой
коэффициент прямой S*, то в окрестности S* фазовые
траектории будут направлены встречно (рис. 1.18). Тогда, попав на S*,
изображающая точка в дальнейшем ее не покинет, т. е. прямая S*
является фазовой траекторией. Таким образом, удаётся обеспечить существование
искусственных вырожденных движений. [10]
Выводы по І
разделу
Таким образом, системы с переменной структурой - это системы, в которых
связи между функциональными элементами меняются различным образом в зависимости
от состояния системы. В общем случае изменение структуры может происходить как
у объекта управления, так и у регулятора. Такие системы содержат так называемые
ключевые элементы, которые разрывают или восстанавливает различные каналы
передачи информации. Использование регуляторов в переменной структуре может
обеспечить требуемое качество системы.
При исследовании различных видов нелинейных систем весьма широко и
плодотворно используется метод фазового пространства. Это объясняется тем, что
рассмотрение фазового пространства динамической системы позволяет дать
геометрическую интерпретацию происходящих в ней движений.
С точки зрения фазовых представлений движения, задача управления сводится
либо к перемещению изображающей точки из некоторой допустимой области начальных
условий в заданную точку фазового пространства, либо к обеспечению движения
изображающей точки по некоторой заданной траектории. Вид траекторий, по которым
осуществляется переход системы из одного состояния в другое, позволяет судить о
динамических свойствах системы.
РАЗДЕЛ II.
ПРИНЦИПЫ ПОСТРОЕНИЯ СПС ДЛЯ УПРАВЛЕНИЯ СВОБОДНЫМ ДВИЖЕНИЕМ ЛИНЕЙНЫХ ОБЪЕКТОВ С
ПОСТОЯННЫМИ ПАРАМЕТРАМИ
2.1
Простейшие примеры систем с переменной структурой. Режимы в системах с
переменной структурой
Прежде чем приступить к изложению основных идей и принципов построения
систем с переменной структурой приведем несколько простейших примеров таких
систем, которые позволят получить первые представления о подходе к синтезу
управляющего устройства в СПС.
Рассмотрим в качестве одного из примеров задачу об устойчивости
свободного движения в системе автоматического регулирования второго порядка.
Как известно, в линейной системе устойчивость всегда можно гарантировать, если
управление составить в виде линейной комбинации координаты ошибки и ее
производных с соответствующими коэффициентами воздействия. Однако при
реализации такого управления может оказаться затруднительным получение точных
значений производных. В ряде случаев сравнительно простыми техническими
средствами удается получить информацию о знаке производной от сигнала ошибки
или о знаке линейной комбинации ошибки и ее производной. В связи с этим представляет
интерес задача построения устойчивой системы с использованием такой неполной
информации о её состоянии.
Будем решать эту задачу для системы автоматического управления,
представленной на рис. 2.1. Объектом управления является интегрирующее звено с
постоянное интегрирования а', исполнительным устройством - интегрирующий
сервомотор с постоянной интегрирования а". Предположим, что задающее и
возмущающее воздействия g(t) и f(t) являются
постоянными. Тогда уравнение движения системы относительно координаты ошибки х
записывается в виде
(2.1)
где
.
Введем
обозначения
и в дальнейшем вместо (2.1) будем рассматривать
систему дифференциальных уравнений
(2.2)
Как уже отмечалось выше, для формирования функции управления и мы
располагаем информацией о величине ошибки х1 и
Рис. 2.1
знаке её первой производной sgn x2. Следовательно,
при построении линейной системы управляющее воздействие должно иметь вид
. (2.3)
Очевидно, что при любых значениях а система (2.2) либо находится на
границе устойчивости (α>0), либо неустойчива (α<0).
Таким образом, в рамках
фиксированной линейной структуры не удается решить поставленную задачу об
устойчивости движения.
Предположим
теперь, что в управляющем устройстве предусмотрена возможность изменения
структуры системы, причем в зависимости от ее состояния в любой момент времени
имеет место один из двух линейных структур. Тогда выходная величина
управляющего устройства равна либо
, либо
,
,
- постоянные величины. Для того чтобы определить такую
последовательность изменения структуры системы, при которой обеспечивается
устойчивость, воспользуемся методом «сшивания» фазовых траекторий. Фазовые портреты
каждой из используемых структур представлены на рис. 2.2, а, б. На анализе
фазовых портретов можно заметить, что если в первом и третьем квадрантах
фазовой плоскости (х1 х2) имеют место траектории, соответствующие первой
структуре (рис. 2.2, а), а во втором и четвертом - второй структуре, то
изображающая точка, двигаясь из любого начального положения по участкам
неустойчивых траекторий (рис. 2.3), будет асимптотически приближаться к началу
координат.
Рис. 2.2
В итоге мы получили желаемый фазовый портрет системы, обладающей двумя
различными структурами. Непосредственно из рассмотрения этого фазового портрета
следует закон изменения
Рис. 2.3
структуры
и необходимая для его реализации информация. Действительно, структура системы,
согласно рис. 2.3, должна меняться при изменении знаков координат х1 и x2 ,
причем если х1 х2> 0, то выходная величина управляющего устройства должна
быть равной αx1 ,а если x1x2<0, то
выходная величина управляющего устройства должна быть равной
. Следовательно, синтезированный методом фазовой
плоскости закон управления должен иметь вид
(2.4)
(2.5)
Очевидно, что логический закон (2.4), (2.5) может быть реализован, так
как в управляющее устройство предлагаемой системы с переменной структурой
должна поступать информация о величине ошибки х1 и о знаке ее производной x2 . Согласно сделанному выше
предположению эта информация имеется в нашем распоряжении.
Само
управляющее устройство (рис. 2.4), которое реализует закон (2.4), (2.5), должно
содержать ключевой элемент (КЭ), блок изменения структуры (БИС) и сумматор. БИС
на основе информации о величине х1 и sgn x2
дает команду на переключение ключевого элемента. Ключевой элемент в зависимости
от выходного сигнала БИС может менять свое состояние, меняя тем самым
коэффициент воздействия по сигналу ошибки. Поэтому в зависимости от состояния
системы выходная величина сумматора будет равна либо
, либо
, в
результате чего будет изменяться структура системы.
Подводя
итог сказанному, можно сделать вывод, что в рассматриваемом случае в системе с
переменной структурой удается получить свойство устойчивости движения с
использованием такой информации, которая была недостаточна для стабилизации
линейной системы. Таким образом, за счет сочетания линейных структур в системе
с переменной структурой удается получить новые свойства, не присущие каждой из
исходных структур.
Рис. 2.4
Рассмотрим теперь другую задачу, относящуюся опять-таки к вопросам
стабилизации линейного объекта с постоянными параметрами с использованием
ограниченной информации о состоянии системы.
Предположим, что источники информации позволяют получить информацию о
величине ошибки и о знаке определенной линейной комбинации ошибки и её
производной. Требуется выбрать структуру и значения параметров управляющего
устройства в случае, когда неизменяемая часть системы описывается
дифференциальным уравнением второго порядка общего вида
или
с учётом введенных обозначений,
(2.6)
где
a1,a2,b1 - постоянные величины, b>0. Для
различных управляемых процессов коэффициенты a1 и a2
могут оказаться такими, что при имеющейся информации за счёт линейного закона
управления не удается обеспечить даже устойчивости движения, не говоря уже о
качественных показателях процесса управления. Действительно, если в (2.6)
управление и пропорционально ошибке, а коэффициент
, то характеристическое уравнение для (2.6) всегда
будет иметь, по крайней мере, один корень в правой полуплоскости. Решим задачу
об устойчивости движения в этом случае, по-прежнему комбинируя линейные
структуры, т. е. считая, что управление и имеет вид (2.4). Задача синтеза
состоит в выборе каждой из структур (или значений коэффициентов
и
)
непоследовательности их изменения. Осуществим синтез закона управления методом
фазовой плоскости. С этой целью обратимся к фазовым портретам линейных систем
второго порядка. Выберем одну из структур таким образом, чтобы на её фазовой
плоскости существовала траектория, соответствующая устойчивому вырожденному
движению. Пусть эта структура имеет место при
. Из
характеристического уравнения системы
следует,
что такое
всегда найдется. Тогда фазовый портрет системы будет
иметь вид, представленный на рис. 1.20, з. Во втором и четвертом квадрантах
плоскости (х1, х2) расположена траектория с устойчивым движением, которая
является прямой с угловым коэффициентом
, равным
отрицательному корню характеристического уравнения. Воспользуемся этой
особенностью линейной структуры для построения устойчивой СПС. Выберем вторую
линейную структуру таким образом, чтобы корни характеристического уравнения
были комплексными. Очевидно, что такое
всегда найдется. Пусть вторая структура также
неустойчива и её фазовый портрет представлен на рис. 1.20, д. Из анализа
фазовых портретов обеих структур следует метод получения желаемого фазового
портрета системы с переменной структурой. Разобьем фазовую плоскость (x1,x2)
(Рис. 2.5) на две области, границами которых являются прямые x1 =0
и прямая S, заданная уравнением,
(2.7)
которая является траекторией с устойчивым движением для одной из
структур. Если состояние системы таково, что изображающая точка находится в
области x1s>0, то необходимо обеспечить её движение по
раскручивающимся спиралям, если в области x1s<0 - по кривым
гиперболического типа. Изображающая точка, двигаясь из любого начального
положения по участкам неустойчивых траекторий, всегда попадает на прямую S*) (из области x1s>0 - за один интервал, из области x1s<0 - за два
интервала) и затем, двигаясь по S,
асимптотически приближается к началу координат. В итоге, как и в первом случае,
мы получим желаемый фазовый портрет системы с переменной структурой.
Аналогичными рассуждениями мы можем определить закон изменения структуры и
необходимую для его реализации информацию. Этот закон должен иметь вид
, (2.8)
Где
(2.9)
Рис.
2.5
Напомним,
что коэффициенты
выбираются таким образом, чтобы линейная структура,
соответствующая
, была колебательной, а линейная структура,
соответствующая
, имела устойчивое вырожденное движение. Коэффициент
, характеризующий скорость затухания этого устойчивого
движения, определяет величину s в логическом законе (2.8) изменения структуры.
Как
видно из (2.8), для реализации синтезированного закона управления необходима
информация о величине ошибки и о знаке линейной комбинации ошибки и ее
производной. Логический закон (2.8) аналогичен закону (2.4), (2.5). Различие
заключается лишь в том, что в (2.8) вместо sgn x2
используется информация о величине sgn s.
Поэтому для реализации логического закона (2.8) можно воспользоваться
управляющим устройством с переменной структурой, представленным на рис. 2 4.
Таким
образом, в классе систем с переменной структурой удается обеспечить
устойчивость системы второго порядка без введения воздействий по производной на
вход неизменяемой части системы. Существенно, что для каждой из линейных
структур системы с переменной структурой удаётся отказаться от требования
устойчивости их траекторий. Заметим, что рассмотренный пример позволяет
отметить одну качественную особенность систем с переменной структурой. Выясним,
какими средствами достигается увеличение быстродействия СПС. В линейной системе
решение этой задачи может потребовать увеличения коэффициента воздействия
одновременно по ошибке и по ее производной. В системе с переменной структурой
достаточно увеличить лишь коэффициент воздействия по ошибке. Пусть при заданных
и
переходный
процесс характеризуется фазовой траекторией 1 (рис. 2.6). Выберем
. Новым значениям этих параметров соответствует
фазовая траектория 2 (рис. 2.6). Очевидно, что время протекания второго
процесса будет меньше, так как для любого х абсолютная величина скорости
изменения координаты ошибки на траектории 2 больше, чем на траектории 1.
Следует при этом иметь в виду, что увеличение
приводит
к увеличению
в (2.7). Поэтому в (2.9) нужно либо увеличить
, либо коэффициент перед х2 сделать меньше единицы.
Таким образом, вопрос о повышении быстродействия системы с переменной структурой
решается за счет увеличения коэффициента воздействия только по координате
ошибки.
Рис. 2.6
Предложенный метод синтеза СПС с использованием устойчивых вырожденных
движений пригоден для любой системы второго порядка с постоянными параметрами.
Второй пример, который будет рассмотрен, относится к задаче построения
системы регулирования при ограниченных коэффициентах передачи в каналах
управляющего устройства.
Для ряда технологических процессов, подлежащих автоматизации, в силу
каких-либо условий могут быть ограничены уровни воздействий по различным
координатам системы. Эта задача заслуживает специального рассмотрения даже в
том случае, когда имеется полная информация о состоянии системы. Очевидно, что
ограничения на коэффициенты воздействий по координатам системы накладывают
определенные ограничения и на ее качественные показатели. В дальнейшем
рассмотрим один из важнейших качественных показателей системы с ограниченными
уровнями воздействий - её быстродействие.
Пусть система второго порядка с постоянными коэффициентами описывается
системой дифференциальных уравнений
(2.10)
a1,a2,b -
постоянные величины, b>0
Предполагается,
что для формирования управления u может быть использована информация о величинах ошибки
x1 и ее производной х2, но коэффициенты воздействий по
этим координатам ограничены соответственно величинами
и
. В этих
условиях при построении линейной системы управляющее воздействие может быть
выбрано в виде
(2.11)
где k1,k2 - постоянные и ограниченные величины
. (2.12)
Будем считать, что
(2.13)
Тогда в линейной системе всегда можно обеспечить устойчивость движения. В
то же время необходимо отметить, что в линейной системе использование предельных
значений коэффициентов воздействий по ошибке и ее производной может оказаться
невозможным, так как для достижения требуемых динамических свойств системы эти
коэффициенты должны быть связаны определёнными соотношениями.
В силу ограничений (2.12) корни характеристического уравнения линейной
системы не могут быть выбраны произвольно. Именно этим и обусловлено
ограничение её быстродействия.
Предположим теперь, что имеется совокупность линейных структур, каждая из
которых определяется некоторым управлением вида (2.11), причем для любой из
структур выполняются ограничения (2.12). Пусть в управляющем устройстве системы
предусмотрен элемент логического типа, который в зависимости от состояния
управляемого процесса выбирает ту или иную линейную структуру.
Рассмотрим, какие дополнительные возможности увеличения быстродействия
имеются в такой системе с переменной структурой.
Выберем управление в виде
(2.14)
Коэффициенты
и
могут
соответственно принимать два предельных значения:
или
,
или
.
Всевозможные сочетания коэффициентов
,
,
,
определяют совокупность имеющихся фиксированных
структур. Очевидно, что в рассматриваемом случае мы располагаем четырьмя
линейными структурами. Определим последовательность их изменения. С этой целью
рассмотрим фазовые портреты каждой линейной структуры. Если
и
, и при
этом корни характеристического уравнения системы (2.10) действительны, то в
силу (2.13) фазовый портрет системы имеет вид, представленный на рис. 1.20, а.
Для линейной структуры
и
корни
характеристического уравнения системы (2.10) действительные и положительные.
Фазовый портрет системы в этом случае представлен на рис. 1.20, е. Последние
две структуры имеют аналогичные фазовые портреты. При
и
фазовый
портрет системы (2.10) изображен на рис. 1.20, к, а при
и
- на
рис. 1.20, з. Обе эти структуры являются неустойчивыми, но обладают устойчивыми
вырожденными движениями. Поэтому синтез системы с переменной структурой
проведём на основе метода, предполагающего использование устойчивых вырожденных
движений. Как видно из фазовых портретов рис. 1.20, з, к, две последние
структуры близки по своим динамическим свойствам. Поэтому одну из них можно
исключить из рассмотрения. Остановим свой выбор на структуре
и
, так как
соответствующее ей устойчивое вырожденное движение рис. 1.20, к происходит с
большими скоростями, что является существенным с точки зрения быстродействия
системы.
Итак,
для построения системы с переменной структурой будем использовать три линейные
структуры с фазовыми портретами рис. 1.20, а, е, к, причем на прямой,
соответствующей устойчивому вырожденному движению (рис. 1.20, к) будем
осуществлять изменение структуры системы. Выбранный нами метод построения СПС
предполагает попадание изображающей точки из любого начального положения на эту
прямую. Напомним, что её уравнение имеет вид.
(2.15)
где
- отрицательный действительный корень
характеристического уравнения для третьей структуры.
Совершенно очевидно, что в первом и третьем квадрантах плоскости (х1,х2)
из трёх имеющихся структур приемлема лишь правая структура (область I на рис. 2.7, а), т.е.
(2.16)
Рис. 2.7.
В секторах между прямой S(s=0) и осью х1 изображающая точка из
любого начального положения будет двигаться к прямой S, если ее движение происходит по фазовым траекториям,
соответствующим рис. 1.14, е (область II на рис. 2.7, б), т. е.
(2.17)
Наконец,
после попадания изображающей точки на прямую S её дальнейшее
движение будет происходить по S, если включится третья структура (
). Пусть в секторах между прямой S и
осью х2 движение изображающей точки происходит по фазовым траекториям этой
структуры (область III на рис. 2.7, в), т. е.
(2.18)
Условия (2.16), (2.17), (2.18) полностью определяют движение системы. Из
этих соотношений следует логический закон изменения структуры:
(2.19)
Из
(2.19) Следует, что структура, соответствующая
и
, невозможна. Действительно, для этой структуры знаки
величин х1 и х2 должны совпадать. Но при этом, согласно (2.15) и условию
, знак величины s совпадает со
знаками х1 и x2, и поэтому x1s >0 и x2s>
0, а для упомянутой структуры эти неравенства должны иметь противоположные
знаки. Если изменение структуры будет происходить в соответствии с (2.14) и
(2.19), то фазовый портрет устойчивой системы с переменной структурой будет
иметь вид, представленный на рис. 2.7, г.
Сопоставим
быстродействие синтезированной СПС с ограниченными коэффициентами воздействий и
линейной системы, работающей в тех же условиях.
Предположим,
что линейная система является апериодической и управление (2.11) обеспечивает
максимальное быстродействие системы при выполнении ограничений (2.12). На
фазовой плоскости (x1,x2) Для начальных условий
переходному процессу в линейной системе соответствует
траектория 1 (рис. 2.8). Касательной к этой траектории в начале координат
является прямая S0 заданная уравнением
(2.20)
где
- меньший по абсолютной величине отрицательный корень
характеристического уравнения линейной системы
Построим
для тех же начальных условий фазовую траекторию, характеризующую движение синтезированной
системы с переменной структурой (кривая 2 на рис. 2.8). Отметим, что,
во-первых, скорость изменения координаты х2 для системы с переменной
структурой, равная
и, больше по абсолютной величине, чем скорость изменения
х2 для линейной системы, равная
и,
во-вторых,
Из этого следует, что траектория 2 будет лежать ниже траектории 1.
Следовательно, в системе с переменной структурой переходные процессы протекают
быстрее, чем в линейной системе. Существенно, что при построении СПС на
коэффициенты воздействия по ошибке и её производной накладывались те же
ограничения и использовалась та же информация, что и в линейной системе.
Заметим, что в системе с переменной структурой удается обеспечить
апериодический характер процесса управления и при этом использовать предельные
значения коэффициентов воздействий в канале управления, в то время как в
линейной системе может возникнуть противоречие между требованиями
апериодичности процесса управления и необходимой статической точности
(последнее приводит к максимальному воздействию по ошибке).
Рис. 2.8
Таким образом, при наличии ограничений на уровни воздействий в каналах
управляющего устройства в классе систем с переменной структурой удается
увеличить быстродействие по сравнению с линейной системой.
Поэтому СПС целесообразно использовать при автоматизации таких
производственных процессов, в которых из-за каких-либо технических ограничений
с помощью линейных систем не удается обеспечить требуемого быстродействия.
Режимы в системах с переменной структурой. Выше были рассмотрены
простейшие примеры систем с переменной структурой, которые позволяют получить
первые представления об этом классе систем. На этих примерах мы убедились, что
изменение во время протекания процесса управления структуры системы в
зависимости от выбранного алгоритма и имеющейся информации значительно
расширяет возможности управления. Напомним коротко последовательность
рассуждений, которая была проведена выше. При построении систем с ограниченной
информацией о состоянии управляемого процесса, а также систем при наличии
ограничений на уровни воздействий по различным координатам системы параметры
управляющего устройства выбирались таким образом, чтобы по крайней мере одна из
линейных структур имела устойчивое вырожденное движение. В момент попадания
изображающей точки на фазовую траекторию, соответствующую устойчивому
вырожденному движению, происходило переключение управления, т. е. замена одной
линейной структуры на другую. В дальнейшем условимся называть прямую, на
которой осуществляется изменение структуры системы, прямой переключения.
Заметим, что для системы произвольного порядка вместо прямой переключения будем
иметь гиперплоскость переключения. В рассмотренных выше примерах прямая
переключения совпадала с фазовой траекторией устойчивого вырожденного движения.
После попадания изображающей точки на прямую переключения структура системы уже
не менялась. Движение такой системы при любых начальных условиях
характеризуется конечным числом переключений, а финальная стадия переходного
процесса описывается уравнением вырожденного движения одной из структур.
Однако из-за неточного знания параметров объекта, неточностей
аппаратурной реализации вызванных нестабильностью характеристик элементов
управляющего устройства и других технических причин не удается обеспечить
изменение структуры системы строго в требуемые моменты времени. Поэтому в
системах с переменной структурой могут возникать другие виды движения.
Остановимся теперь на основных режимах движения, которые могут наблюдаться в
этом классе систем.
Специфика всех видов движения может быть полностью выявлена и наглядно
проиллюстрирована на примере системы второго порядка. В связи с этим рассмотрим
систему с переменной структурой второго порядка, описываемую следующей системой
дифференциальных уравнений.
(2.21)
(2.22)
(2.23)
(2.24)
-
постоянные коэффициенты,
Согласно (2.23), (2.24) изменение структуры управляющего устройства
происходит на прямых переключениях х1=0 и S, заданной на плоскости (х1, х2) уравнением s = 0.
Не
нарушая общности рассуждений, можно для определенности считать, что при
линейная структура (2.21) является колебательно
неустойчивой (рис. 1.14, д), а при
-
апериодически неустойчивой (рис. 1.14, з). Для второй структуры существует
устойчивое вырожденное движение, определяемое отрицательным корнем
характеристического уравнения. В рассмотренных выше
примерах коэффициент с, определяющий положение прямой переключения на фазовой
плоскости (x1 ,х2), выбирался равным
. Такой режим работы, при котором изменение структуры
системы происходит па фазовой траектории, соответствующей устойчивому
вырожденному движению (рис. 2.9, а), будем называть режимом работы с движением
по вырожденным траекториям. В системе произвольного порядка такой режим
возникнет в случае, если гиперплоскость переключения является совокупностью
фазовых траекторий для одной из структур (см. (1.26)).
Предположим
теперь, что угловой коэффициент с прямой переключения больше
. Тогда устойчивая траектория линейной структуры,
определяемая
, будет целиком принадлежать, области I(x1,s>0)
в которой движение изображающей точки происходит по раскручивающимся спиралям,
соответствующим линейной структуре
(рис.
2.9, б). В этом случае после попадания на прямую переключения S
изображающая точка будет уходить от нее, двигаясь по кривым гиперболического
типа. При изменении знака х1, произойдет смена структуры системы. Затем
изображающая точка, двигаясь по раскручивающимся спиралям, вновь попадёт на
прямую переключения S и т. д. Очевидно, что в линейной системе с некоторой
конечной частотой будет изменяться и структура управляющего устройства. Такой
режим работы системы будем называть режимом переключений. Как видно фазового
портрета, при выбранном значении с система устойчива, положение равновесия
достигается в колебательном режиме.
Осталось
рассмотреть последний случай, когда угловой коэффициент с прямой переключения
меньше
. При таком соотношении параметров системы траектория,
характеризующая устойчивое вырожденное движение, принадлежит области
, рис. 2.9,в.) и фазовые траектории, а точнее говоря,
векторы фазовых скоростей обеих структур, в точках прямой переключения
оправлены к S. После попадания на S изображающая
точка не может уйти от прямой переключения ни по одной из структур и будет
двигаться вдоль S. При этом в системе с бесконечно большой частотой
возникают переключения структуры с одной на другую. Такой режим работы, при
котором на прямой переключения (а для системы произвольного порядка на
гиперплоскости переключения) изменение структуры происходит с бесконечно
большой частотой, будем называть скользящим режимом. Следует отметить, что
прямая переключения не является фазовой траекторией ни для одной из линейных
структур. Следовательно, за счёт скользящего режима удается получить
искусственное вырожденное движение. В дальнейшем идея создания искусственных
вырожденных движений за счет скользящих режимов будет широко применяться при
синтезе систем с переменной структурой. Поэтому остановимся несколько подробнее
на особенностях движения системы в скользящем режиме и условиях его
возникновения.
Рис.
2.9.
Из того факта, что изображающая точка, попав на прямую переключения, уже
не может сойти с неё и продолжает своё движение по ней, следует равенство нулю
величины s в скользящем режиме, т. е.
(2.25)
Имея в виду, что величина ошибки х равна х1 , a dx/dt=x2, получаем из (2.25)
дифференциальное уравнение движения системы в скользящем режиме относительно
координаты ошибки:
(2.26)
Согласно (2.26) движение рассматриваемой системы в скользящем режиме
описывается уже уравнением первого порядка, и, это особенно важно, это
уравнение не зависит от параметров неизменяемой части системы. Выбирая соответствующим
образом коэффициент с, мы можем наделить движение системы в скользящем режиме
желаемыми свойствами. Например, для устойчивости точно выбрать с>0, а
увеличивая с, можно повысить скорость затухания этого движения. Особенность
скользящих движений, связанная с независимостью их от характеристик
управляющего объекта и возможностью наделить их желаемыми свойствами, и
обусловливает широкое использование в СПС этого вида изменения.
Финальная стадия процесса управления всегда будет протекать в скользящем
режиме, если при выбранных линейных структурах управляющего устройства и при
выбранной последовательности их изменения в любой точке прямой переключения S существует скользящий режим, а
изображающая точка из любого начального положения попадает на S.
Условия существования скользящего режима на гиперплоскости можно
получить, исходя из того, что в точках S векторы фазовых скоростей обеих структур должны быть
направлены навстречу друг другу, либо должны принадлежать S.
Запишем условия существования скользящего режима в аналитической форме.
Рассмотрим некоторую точку гиперплоскости S, в которой имеет место скользящий режим. Очевидно,
изображающая точка не покинет гиперплоскость S в области s>0,
если для s >0 будет такая структура, при
которой величина s неположительна.
Изображающая точка не покинет S в
область s<0, если для s <0 будет такая структура, при
которой величина s неотрицательна.
Отсюда получаем условия, при выполнении которых на гиперплоскости S существует скользящий режим:
(2.27)
Заметим, что если в (2.27) пределы равны нулю для всех точек S, то в системе имеет место режим
работы с движением по вырожденным траекториям.
Если неравенства (2.27) выполняются для любой точки гиперплоскости
(прямой) переключения S, т.
е. на всей S существует скользящий режим, то
условимся называть в этом случае гиперплоскость (прямую) S гиперплоскостью (прямой) скольжения
[5].
Покажем,
как с помощью соотношений (2.27) для системы второго порядка можно выбрать две
линейные структуры таким образом, чтобы на плоскости координат этой системы
существовала прямая скольжения. Другими словами, поставим задачу отыскания
таких значений
, при которых в любой точке прямой переключения S(s =
0) выполняются неравенства (2.27).
Найдем величину
(2.28)
Согласно (2.21) и (2.22) вместо (2.28) имеем
(2.29)
Как уже отмечалось, условия существования скользящего режима должны
выполняться в точках прямой S,
т.е. для точек хг= -сх1 . Поэтому величина ds/dt определяется
выражением
(2.30)
С учетом (2.30) неравенства (2.27) могут быть представлены в виде
(2.31)
Замечание.
Неравенства (2.31) получены в предположении, что величина s=0.
Здесь и в дальнейшем при выводе условий существования скользящего режима
выражения «при s>0» и «при s<0»
означают, что коэффициенты, определяющие структуру системы (в нашем случае
) должны принять значение, соответствующие s>0
и s<0.
Предположим,
что х1>0 и, следовательно, согласно (2.23)
.
Очевидно, первое неравенство будет выполняться, если
. Если же
, то
первое неравенство (2.31) выполняется для
.
Нетрудно заметить, что при этом второе неравенство (2.31) также будет всегда
выполняться. В результате получаем условия, при которых прямая S
является прямой скольжения:
(2.32)
При выполнении (2.32) после попадания на S изображающая точка будет двигаться по прямой переключения,
так как в любой её точке существует скользящий режим. Но для того чтобы
воспользоваться полезными свойствами скользящих движений, необходимо обеспечить
попадание изображающей точки на прямую S из произвольного начального положения [2].
Итак, мы рассмотрели три основных режима работы систем с переменной
структурой: режим работы с движением по вырожденным траекториям, режим
переключений и скользящий режим. Первые два режима, как следует из приведенных
выше примеров, могут быть достаточно эффективно использованы в различных
задачах управления объектами с постоянными параметрами. При любого рода не
идеальностях режим работы с движением по вырожденным траекториям может
переходить либо в режим переключений, либо в скользящий режим. Скользящий режим
обладает интересным свойством, которое выделяет его среди остальных режимов
работы СПС. Речь идёт о свойстве независимости этого вида движения от
характеристик неизменяемой части системы.
2.2
Управление линейным объектом с использованием воздействий по координате ошибки.
Пусть движение объекта регулирования описывается линейным
дифференциальным уравнением вида
(2.33)
где
- постоянные параметры объекта, х- сигнал ошибки и -
управление.
Будем
предполагать, что на координаты системы не накладывается ограничений и что
информация о состоянии системы, поступающая в управляющее устройство,
складывается из непрерывно измеряемых точных значений величин ошибки и её
производных.
Введем
обозначения
, и в дальнейшем при изложении методов теории систем с
переменной структурой вместо (2.33) будем рассматривать систему
дифференциальных уравнений
(2.34)
Относительно управления и предполагается, что оно представляет собой
линейную комбинацию координат системы, причем коэффициенты каждого члена
являются кусочно-постоянными функциями и их изменение осуществляется в
зависимости от состояния системы. Именно в эти моменты изменения значений
коэффициентов и происходит изменение структуры рассматриваемой системы.
Первые представления о методах синтеза управляющего устройства в системах
с переменной структурой мы уже получили для случая, когда управление
формируется в виде скачкообразно меняющегося воздействия по ошибке.
Использование этого вида управления, наиболее простого в классе систем с
переменной структурой, показало нам на примере системы второго порядка дополнительные
возможности улучшения ее динамических свойств, которые появляются в СПС за счет
рационального выбора структуры управляющего устройства и его параметров. Было
бы весьма интересно рассмотреть возможности такого управления (управления без
введения воздействий по производным на вход неизменяемой части системы) для
объектов произвольного порядка.
Итак, для системы (2.34) функцию управления выберем в виде
(2.35)
(2.37)
-
постоянные коэффициенты
Введём
в рассмотрение n-мерное пространство координат x1,…,xn.
Соотношение
s=0
(2.38)
задает в этом пространстве некоторую гиперплоскость S, которая, согласно (2.35), (2.36),
является границей разрыва для управляющего воздействия u. В таких системах, как уже отмечалось выше, при выполнении
условий (2.27) возникает скользящий режим, характеризуемый тем, что траектория
изображающей точки принадлежит границе разрыва. Поскольку идея использования
скользящих режимов представляется весьма плодотворной, выясним далее, какими
дифференциальными уравнениями описывается движение системы (2.34) в скользящем
режиме. Для этой цели используем последовательность рассуждений, проведенную
ранее для системы второго порядка. Выполнение условий (2.27) для точек
(гиперплоскости S означает, что
после попадания на S изображающая
точка продолжает свое движение в скользящем режиме по траекториям, принадлежащим
этой гиперплоскости. Другими словами, из этого факта следует равенство нулю
величины s в скользящем режиме, т. е.
(2.39)
(2.40)
Из
(2.40) видно, что в скользящем режиме порядок дифференциального уравнения
движения системы понижается, и при этом характер изменения координаты ошибки
определяется только коэффициентами с, Если за счет соответствующего выбора
коэффициентов сi удается наделить это движение желаемыми с точки
зрения выбранного критерия показателями, то гиперплоскость S в
пространстве
целесообразно сделать гиперплоскостью скольжения.
Тогда, если изображающая точка из любого начального положения попадает на S,
финальная стадия процесса управления всегда будет протекать в скользящем режиме
и, что особенно важно, не будет зависеть от параметров исходной системы
уравнений. Таким образом, при синтезе функции управления в СПС следует так
выбрать линейные структуры управляющего устройства и последовательность их
изменения, чтобы, начиная с некоторого момента времени, в системе всегда
возникало, а затем не прекращалось движение в скользящем режиме. Рассмотрим
только необходимые и достаточные условия существования гиперплоскости
скольжения для системы (2.34). Для решения этой задачи нужно воспользоваться
условиями возникновения скользящего режима (2.27).
Найдем величину
на гиперплоскости S
(2.41)
Согласно (2.34) и (2.35) вместо (2.41) имеем
(2.42)
Условия
существования скользящего режима должны выполняться в точках гиперплоскости S,
т. е. для точек
Поэтому величина
определяется
выражением
(2.43)
Для
того чтобы для структуры, соответствующей s>0, величина
была неположительна, а для структуры, соответствующей
s<0, величина
была неотрицательна (см. условия (2.27)), как следует
из (2.43), достаточно потребовать выполнения следующих соотношений:
(2.44)
или, что то же,
(2.45)
(2.46)
Если условия (2.45) выполнены, то гиперплоскость S, заданная согласно
(2.37), (2.38), будет гиперплоскостью скольжения. Заметим, что при нарушении
хотя бы одного из условий (2.45) всегда найдется точка на S, в которой
скользящий режим отсутствует, поэтому условия (2.45) являются также и
необходимыми.
Для рассматриваемого закона управления (2.35) - (2.37) все сi должны удовлетворять (2.46). Эти
условия накладывают определённые ограничения на выбор коэффициентов ci , и может оказаться, что в рамках
этих ограничений движение системы в скользящем режиме, описываемое уравнениями
(2.40), будет неустойчивым. Сформулируем и докажем теорему об устойчивости
движения по гиперплоскости скольжения для системы произвольного порядка.
Будем
рассматривать по-прежнему систему (2.34), для которой управление и определяется
согласно (2.35) - (2.37), причем гиперплоскость S, задаваемая в
пространстве (x1,...,хп) уравнением (2.38), является гиперплоскостью
скольжения, т.е. коэффициенты ci, определяющие положение в этом пространстве, и
коэффициенты α
и β закона управления удовлетворяют соотношениям (2.45), (2.46). Введём в
(2.34) вместо координаты xn новую координату
, которая
равна нулю на гиперплоскости переключения. Система (2.34) запишется следующим
образом:
(2.47)
Системы (2.34) и (2.47) эквивалентны. Для системы (2.34) управление u выбрано так, что существует
гиперплоскость скольжения, т.е. выполняются условия (2.40). Это означает, что
все коэффициенты при х2,...,хn-1 в последнем уравнении системы (2.47)
обращаются в нуль. Таким образом, вместо (2.47) имеем
(2.48)
Отметим одно свойство (2.48), которое в дальнейшем используем при
формулировке и доказательстве теоремы об устойчивости движения системы (2.34) в
скользящем режиме.
Пусть
. Тогда систему (2.48) можно переписать в виде
(2.49)
Нетрудно
заметить, что в этом случае система (2.49) имеет один очевидный корень
. Следовательно, при
и при
выполнении условий существования скользящего режима характеристическое
уравнение исходной системы
(2.50)
также
имеет корень
.
Теорема.
Пусть выполнены условия (2.45), (2.46). Для того чтобы движение изображающей
точки по гиперплоскости скольжения для системы (2.34) было устойчивым,
необходимо и достаточно, чтобы все корни характеристического уравнения этой
системы при
, помимо очевидного
, лежали
в левой полуплоскости плоскости корней.
Предположим,
что характеристическое уравнение системы при
имеет
корни
, причём, согласно изложенному выше, один из корней,
например λn,
равен
по
условию теоремы остальные корни имеют отрицательные вещественные части. В этом
случае решение системы (2.34) может быть представлено в виде
(2.51)
где Аi - постоянные интегрирования, зависящие от начальных условий.
Заметим, что для рассматриваемой линейной системы, т. е. при выполнении
условии (2.46) и при Ψ=Ω в силу системы (2.49) величина S
изменяется по закону.
(2.52)
где А - постоянная интегрирования, зависящая от начальных условий.
В начале при исследовании вопроса об устойчивости различных движений в
линейной системе был отмечен тот факт, что если в системе отсутствует движение,
соответствующее одному из корней характеристического уравнения (начальные
условия таковы, Ак=0), то в её фазовом пространстве существует гиперплоскость,
которая является совокупностью траекторий.
Пусть начальные условия таковы, что движение, соответствующие) корню λn=cn-1-an,
отсутствует. Тогда величина s≡0,
и при выполнении условий теоремы в силу (2.49) движение системы описывается
уравнениями
(2.53)
Это движение устойчиво, так как по условию теоремы Re
λj<0 (j=1,…,n-1).
Замечаем, что (2.53) совпадает с уравнениями (2.40) движения системы в
скользящем режиме. Отсюда приходим к выводу, что и движение в скользящем режиме
устойчиво. Таким образом, доказана достаточность условий теоремы. Необходимость
легко доказывается от противного. Действительно, если (2.50) имеет больше
одного корня в правой полуплоскости, то, как следует из (2.49), движение в
скользящем режиме (2.53) не может быть устойчивым.
Таким образом, для системы произвольного порядка были рассмотрены условия
существования гиперплоскости скольжения и условия устойчивости движения по ней.
Но помимо устойчивости предъявляются определенные требования и к характеру
протекания процесса управления при движении системы в скользящем режиме. В
связи с этим остановимся кратко на вопросах, связанных с получением желаемых
динамических свойств скользящих движений. Напомним, что в скользящем режиме
движение системы управления описывается системой линейных дифференциальных
уравнений (2.40) с постоянными коэффициентами сi, и полностью определяется этими величинами. Поэтому для
выбора параметров ci можно
использовать все известные в теории автоматического регулирования способы
оценки процессов в линейной системе, с той лишь разницей, что в нашем случае на
ci накладываются специфические
ограничения (2.46), вытекающие из условий существования гиперплоскости
скольжения. Так, например, для суждения о быстроте затухания скользящих
движений можно использовать, как косвенную оценку, степень устойчивости и
выбрать сi так, чтобы минимизировать её.
Оптимальные значения параметров сi,
можно также выбирать исходя из интегральных оценок. Эти методы хорошо известны.
Поэтому мы на примере системы с переменной структурой третьего порядка,
описываемой уравнениями (2.54) - (2.56), проиллюстрируем применение упомянутых
критериев качества для выбора наилучшей гиперплоскости скольжения.
Пусть для системы дифференциальных уравнений (2.34) п=3, a1=а2= а3= 0, b = 1; тогда
(2.54)
(2.55)
где
(2.56)
Как уже говорилось, при выполнении условий
(2.57)
(2.58)
в рассматриваемой системе возникает устойчивое движение в скользящем
режиме, описываемое, согласно (2.40), линейным дифференциальным уравнением
x+c2x+c1x=0 (2.59)
с постоянными параметрами с1 и с2
Выберем, исходя из оценки «степень устойчивости», коэффициенты с1 и с2
так, чтобы обеспечивалась максимально возможная быстрота затухания скользящих
движений.
Характеристическое уравнение для (2.59) имеет вид
p2+c2p+c1=0 (2.60)
Имея в виду (2.57), исключим из (2.58) и (2.60) величину с1. Тогда
получим
(2.61)
(2.62)
Найдем корни характеристического уравнения (2.62)
(2.63)
Из (2.63) очевидно, что чем больше величина с2, тем быстрее затухает движение
системы в скользящем режиме. Это означает, что коэффициент с2 следует выбрать
максимально большим. Но при этом следует помнить о том, что величина с2 должна
удовлетворять (2.61) и при её увеличении может нарушиться последнее из
неравенств (2.61). Поэтому искомое значение с2 обеспечивающее максимально
возможную быстроту движения системы в скользящем режиме, получаем из (2.61)
(2.64)
Рассмотрим теперь задачу выбора коэффициентов c1 и с2 для той же системы, но уже исходя из другого критерия
- интегрального. Выберем с1 и с2 из условия минимума интеграла
(2.65)
Примем за начало отсчёта момент попадания изображающей точки на плоскость
скольжения и допустим, что при t=t0,, x0=1, x0=0.
В рассматриваемом случае интегральная оценка (2.65) имеет вид
(2.66)
Поскольку в скользящем режиме с1=с22, то
(2.67)
Очевидно,
I=Imin, если
, т.е.
(2.68)
Напомним, что величина с2 должна удовлетворять (2.61). Поэтому, если для
значений с2, доставляющих минимум выбранному интегральному критерию, (2.61)
справедливо, то это значение и следует принять за искомое; если минимум I достигается при значениях с2 таких,
что (2.61) нарушается, то в качестве искомого значения с2 следует принять одно
из граничных значений (т.е. значений, при которых начинают выполняться условия
(2.61)) [12].
В
заключение на основании изложенных выше результатов, наметим методику выбора
параметров управляющего устройства в системе с переменной структурой (2.34) -
(2.37), которые гарантируют существование гиперплоскости скольжения с
устойчивым движением. Задача состоит в выборе таких коэффициентов α, β, сi, чтобы удовлетворялись (2.45), (2.46) и решение
системы (2.53) было устойчивым. Из (2.46) следует, что один из коэффициентов ci ,
например cn-1 можно задавать произвольно, а затем найти
оставшиеся. Далее по полученным значениям с1 и cn-1 найти
согласно (2.45). Из всех возможных значений сn-1
следует выбрать такие, чтобы выполнялись условия приведенной выше теоремы. Если
не ограничены, то сn, может
принимать любое значение; если ограничены, то сn-1, можно
выбирать из некоторой ограниченной области. Заметим, что даже при
неограниченных
не всегда удается одновременно удовлетворить условиям
теоремы и условиям существования гиперплоскости скольжения.
2.3 Управление с использованием
воздействий по ошибке и её производным
Рассмотрим систему с переменной структурой, в которой управление формируется
в виде суммы воздействий по ошибке и некоторым ее производным, причем каждый из
коэффициентов воздействий принимает одно из двух возможных значений. Пусть эти
коэффициенты скачкообразно изменяются на некоторой гиперплоскости в
пространстве координат системы. Выясним, при каких условиях эта гиперплоскость
является гиперплоскостью скольжения и движение по ней устойчиво. При сделанных
выше предположениях СПС описывается уравнениями
(2.69)
(2.70)
(2.71)
(2.72)
постоянные
величины.
Гиперплоскость
S, заданная в пространстве (х1,…хп) уравнением s= 0,
будет являться гиперплоскостью скольжения, если для любой её точки выполнены
условия (2 27). Для точек на S (т.е.
)
величина ds/dt запишется в виде
(2.73)
Отсюда получаем необходимые и достаточные условия существования
скользящего режима:
(2.74)
(2.75)
Теперь выясним условия, при которых скользящие движения устойчивы. Ответ
на этот вопрос дает приводимая ниже теорема.
Теорема.
Пусть выполнены условия (2.74), (2.75). Для того чтобы движение изображающей
точки по гиперплоскости скольжения для системы (2.69) было устойчивым,
необходимо и достаточно, чтобы все корни характеристического уравнения этой
системы при
помимо
, лежали
в левой полуплоскости плоскости корней.
В
рассматриваемом случае выбор параметров управляющего устройства следует
производить следующим образом. Произвольно задаем величину сn-1 и
из (2.75) находим ск,...,сп-2 . Затем произвольным образом задаем c1,...,
ск-2 и выбираем такие
при которых выполняются неравенства (2.74).
Коэффициенты
c1,…ck-1,cn-1 подбираются таким образом, чтобы удовлетворялись
условия теоремы, причем, если на
, не
накладывается ограничений, то следует рассмотреть все k-мерное
пространство параметров c1,…ck-1,cn-1, в противном случае - лишь некоторую его часть. И,
наконец, осталось решить вопрос о требуемом числе коммутаций. Отметим, что
число коммутаций k сначала следует принять равным единице и проверить,
выполняются ли одновременно условия существования гиперплоскости скольжения и
условия устойчивости движения по ней. В случае, если эти условия выполнить не
удается, число k необходимо последовательно увеличивать. Заметим, что
вопрос о существовании гиперплоскости скольжения и о выполнении условий
устойчивости движения по ней решается в результате рассмотрения k-мерного
пространства параметров. С практической точки зрения было бы гораздо удобнее
иметь дело с одномерной задачей. Приводимая ниже теорема в случае
неограниченных
указывает процедуру отыскания числа k для
системы с переменной структурой вида (2.69) - (2.72), которое обеспечивает
выполнение указанных условий, причём на каждом шаге этой процедуры возникает
задача выбора всего лишь одного параметра.
Теорема. Для того чтобы движение изображающей точки по гиперплоскости
скольжения для системы (2.69) - (2.72) было устойчивым, достаточно, чтобы для
СПС п-k+1-го порядка с одной коммутацией
(2.76)
(2.77)
(2.78)
-
постоянные величины, cn =1, гиперплоскость Sk, заданная в
пространстве x1,..., хп уравнением sk =0, была
гиперплоскостью скольжения с устойчивым движением [12].
Это
означает, что для (2.76) - (2.78) должны выполняться соотношения
(2.79)
(2.80)
и, согласно теореме, приведенной выше, характеристическое уравнение
системы (2.76) при
имеет
все корни в левой полуплоскости, за исключением λn=cn-1-an.
2.4
Управление объектами, дифференциальные уравнения движения, которых содержат
производные от входных воздействий
Как уже было отмечено выше, что для определенного класса управляемых
объектов, описываемых уравнениями (2.34), системы с переменной структурой могут
найти плодотворное применение.
Заметим, что уравнения, характеризующие вышеупомянутый класс объектов, не
предполагали дифференцирования функции управления. Однако весьма важным для
практических приложений является случай, когда движение неизменяемой части
системы описывается уравнением, более общего по сравнению с (2.33) или (2.34)
вида
(2.81)
где
n, m - целые постоянные числа (
); ai,bi - постоянные параметра объекта; x -
сигнал ошибка, u-управление.
Очевидно,
что в линейных системах с управлением вида
(или
) необходимость дифференцирования входных управляющих
воздействий не приводит к качественно новым явлениям в поведении системы. Но в
системах с кусочно-непрерывным законом управления (2.35) - (2.37) необходимость
дифференцирования управления приводит к ряду особенностей, не наблюдаемых
ранее.
Рассмотрим структурную схему системы управления, изображенную на рис.
2.10. Пусть движение управляемого объекта О описывается уравнением второго порядка
(2.82)
где
- постоянные коэффициенты, х - ошибка
На вход объекта поступает выходная величина у исполнительного устройства
ИУ. Предположим, что движение ИУ описывается уравнением
(2.83)
Из
(2.82) и (2.83) очевидно, что движение разомкнутой системы описывается
уравнением (2.81), если положить
.
В
фазовых координатах х = х1 и х2 =dx1/dt это уравнение
переписывается
в виде следующей системы:
(2.84)
где
постоянные,
- символ
дифференцирования.
Как
и ранее, об управлении u будем предполагать, что оно является разрывной
функцией координат системы
u=Ψx1 (2.85)
(2.86)
(2.87)
постоянные
величины,
Рассмотрим движение изображающей точки на плоскости X(x1,x2),
происходящее в соответствии с уравнениями (2.84). Прямая S, заданная в Х
уравнением
(2.88)
делит
фазовую плоскость на области X1 и Х2 , в каждой из которых управление и
принимает значение
и
соответственно.
На прямой S в силу (2.86) функция управления скачком меняет свое значение с u1
на u2 (или наоборот).
Пусть
при и = и1 корни характеристического уравнения системы (2.84) комплексны.
Обозначим их через
. Для определенности рассмотрим случай
. Тогда в области X1 фазовые
траектории представляют собой дуги скручивающихся спиралей (рис. 1.14, в).
Если при и = u2 корни
характеристического уравнения системы (2.84) действительные, но разных знаков,
то в области Х2 фазовая плоскость X будет заполнена семейством кривых гиперболического типа (рис. 1.14, к).
В
момент, когда управление и скачкообразно меняет свое значение, согласно
уравнениям (2.84) координата х2 претерпевает разрыв, так как в момент разрыва
управления и импульсная функция должна быть и в левой части последнего
уравнения системы (2.84). Следовательно, в момент tk ,
соответствующий к-му разрыву функции управления, величина
. Необходимо отметить, что из-за неучтенных малых
постоянных времени различных элементов системы изменение координаты х2 от
до
будет
происходить не мгновенно, а в течение достаточно малого интервала времени. В дальнейшем
при исследовании систем подобного вида будем придерживаться следующей гипотезы:
будем предполагать, что время изменения величины х2 от x2(tk-0)
до х2(tk+0) меньше времени срабатывания переключающего
устройства, которое меняет структуру системы.
Эта
гипотеза позволяет провести анализ движения системы (2.84), если все неучтенные
постоянные времени достаточно малы. При таком предположении можно считать, что
координата х2 в момент разрыва управления скачком меняет свое значение. Тогда
для определения решения исходной системы (2.84) необходимо знать не только
начальные значения функций х1 , х2, но и величины их разрывов [1].
Из сказанного можно сделать вывод, что для систем, уравнения движения
которых содержат производные от входных воздействий, скачкообразное изменение
структуры управляющего устройства приводит к тому, что фазовые траектории в
пространстве координат системы претерпевают разрывы. Для того чтобы выяснить
особенности движения, вытекающие непосредственно из наличия скачков по
координате х2, введем некоторые новые непрерывные фазовые координаты,
однозначно характеризующие состояние системы. Другими словами, вместо фазовой
плоскости X введем новую фазовую плоскость Г:
Г=(γ1,γ2),
где
причём координата
связана с координатой x1
соотношением
(2.89)
Уравнение движения системы (2.84) - (2.87) в этих новых координатах имеют
вид
(2.90)
(2.91)
(2.92)
(2.93)
(2.94)
Из уравнений (2.91), (2.92) следует, что на фазовой плоскости Г
существуют две прямые переключения для управления и : S (заданная уравнением S=0) и Е (заданная уравнением σ = 0).
Согласно (2.90) - (2.92) координаты γ1 и γ2 являются непрерывными функциями
времени. Они связаны с исходными координатами x1 и х2 взаимно однозначной зависимостью:
(2.95)
(2.96)
Заметим, что из соотношений (2.95) и (2.96) немедленно определяется
величина скачка по координате х2 в момент tk разрыва управления. Действительно, согласно (2.95), γ1
и γ2 - непрерывные функции времени. Это
означает, что правые части уравнений (2.95) и (2.96) также должны быть
непрерывны, поэтому
(2.97)
Выражение (2.93) определяет s как линейную комбинацию γ1, γ2 скачкообразно меняющимися
коэффициентами. Обозначим функцию
(2.98)
Следовательно, на плоскости (γ1,γ2) прямая переключения S занимает одно из двух возможных
положений: S1 (определяемое уравнением s1=0) или S2 (определяемое уравнением s2=0).
Как следует из (2.92), величина Ψ однозначно определяется лишь при s1s2 > 0, так как
(2.99)
(2.100)
Если
координаты системы γ1,γ2
таковы, что s1σ>0 и
s1σ<0, то величина Ψ может быть равной как
, так и
.
Действительно,
(2.101)
В случае, если одновременно выполняются условия
s1σ< 0 и s1σ> 0 (2.102)
Действительно,
предположим, что
и s1σ <0 (рис. 2.11, точка Р). Тогда в силу (2.92) должно
произойти переключение управления, и величина Ψ принимает значение Ψ=β. Напомним, что в этот момент координата х2 за короткий
интервал времени изменит свое значение от х2(tk - 0) до x2(tk +
0), причем, согласно сделанной гипотезе в этом интервале времени, структура управляющего
устройства не может измениться. Заметим, что на плоскости (γ1,γ2)
прямая переключения S
займет положение S2, так как, согласно (2.98), при Ψ=β функция s=s2 (рис. 2.11). Это означает, что при Ψ=β произведение s2σ > 0. Из (2.98) следует, что движение в системе со
значением Ψ=β
в этом случае невозможно, т. е. структура
системы должна измениться, и величина Ψ=α. Но как только Ψ=α, функция s = s1 и s1σ <0.
Рис.
2.11.
Далее следует провести все рассуждения сначала. Аналогичными
рассуждениями можно показать, что если Ψ=β и s1σ <0 (точка М рис. 2.11), то в
области s1σ <0 и s2σ > 0 невозможна ни одна из двух
исходных линейных структур. Поэтому в системе при выполнении условий (2.102)
происходит непрерывное изменение структуры и возникает скользящий режим.
Изменение фазовых координат γ1 и γ2 для случая (2.102) описывается
уравнениями
(2.103)
δ - некоторая непрерывная функция
координат системы, равная отношению времени движения в скользящем режиме при Ψ=α ко времени движения при Ψ=β.
Система дифференциальных уравнений (2.103) совпадает с (2.90), если
принять величину Ψ соответственно равной θ. Иначе говоря, в системах,
предполагающих дифференцирование входных воздействий, движение в скользящем
режиме возможно в некоторой области фазовой плоскости Г (а следовательно, и X). Это существенное отличие
рассматриваемых в настоящем параграфе систем, обусловленное наличием скачков по
координате х2. Отметим, что в исследуемой системе, кроме скользящих движений
типа (2.103), может возникнуть движение изображающей точки в скользящем режиме
по одной из границ S1 или S2, так как на каждой из этих границ,
согласно (2.90) - (2.96), управление скачком меняет свое значение.
С геометрической точки зрения условия (2.99) - (2.102) означают, что
плоскость разбивается на несколько областей.
В области s1,s2>0 величина Ψ=α,
а характеристическое
уравнение системы (2.90) совпадает с характеристическим уравнением системы
(2.84) при и = u1 . Выше мы уже
отмечали, что при Ψ=α корни характеристического уравнения
комплексны. Поэтому в области I
(рис. 2.12), где выполняются условия (2.99), фазовые траектории представляют
собой дуги спиралей.
В силу условий (2.100) величина Ψ=β и характеристическое уравнение
системы (2.90) совпадает с характеристическим уравнением системы (2.84) при u=u2
Выше уже отмечалось, что его корни действительные, но разных знаков, т.
е. в области II (рис. 2.12) траекториями
изображающей точки будут кривые семейства гипербол.
Если параметры системы обеспечивают выполнение соотношений (2.101), то в
области III (рис. 2.12) изображающая точка будет
двигаться то по дуге спирали, то по дуге гиперболы.
Как было указано ранее, в случае одновременного выполнения условий
(2.102) имеет место движение в скользящем режиме, характеризуемое законом
(2.103). В области скользящего режима III (рис. 2.13) в зависимости от знака θ фазовыми траекториями могут быть дуги
спиралей или гипербол (рис. 2.13). В областях I и II
(рис. 2.13) выполняются условия (2.99) и (2.100) соответственно.
Рис. 2.12.
В том случае, когда в окрестности границы разрыва S1 или S2 фазовые траектории направлены навстречу друг другу,
возможно движение изображающей точки в скользящем режиме по каждой из указанных
выше границ.
Рис. 2.13 наглядно иллюстрирует этот факт. В окрестности прямой S1, например, фазовые траектории,
которые являются в области I
спиралями (Ψ=α), а в области III -
иперболами, направлены навстречу друг другу. Поэтому в системе, начиная с
некоторого момента времени, возникает движение по s1. Из уравнений (2.103) и (2.93) очевидно, что движение в
скользящем режиме, в отличие от систем типа (2.21), всегда зависит от
коэффициентов аi ,bi.
Рис. 2.13.
Таким образом, фазовая плоскость Г системы (2.127) разбивается на
несколько областей:
а) две области, в каждой из которых движение системы
характеризуется неизменной структурой;
б) область, где имеет место скользящий режим, характеризуемый
непрерывным изменением структуры системы;
в) область, в которой движение системы характеризуется любой из двух
возможных структур.
Кроме того, может существовать движение в скользящем режиме и по границам
областей s1=0 и s2=0.
Все сказанное достаточно наглядно поясняет особенности структуры фазовой плоскости
Г системы (2.90). Для перехода к исходным переменным x1 и x2 ,
очевидно, следует воспользоваться соотношением (2.89).
Даже на основе проведенного анализа системы второго порядка можно сделать
вывод о том, что методы синтеза управляющего устройства в системах
автоматического управления объектами, дифференциальные уравнения которых
содержат производные от входных воздействий заслуживают специального
рассмотрения.
В случае, когда поведение системы управления определялось непрерывными
координатами, для получения желаемой реакции системы на входную величину мы
широко использовали скользящие режимы. Напомним, что при этом исходными
предпосылками являлись непрерывность фазовых траекторий в пространстве х1,...,
хп и фиксированное положение гиперплоскости переключения. Попытаемся и в
рассматриваемом случае использовать тот же самый подход, т. е. так выбрать
функцию управления, чтобы в системе возникали скользящие движения, свойства
которых, не зависят от характеристик ее неизменяемой части.
В дальнейшем вместо уравнения (2.81) n-ro порядка будем
исходить на системы п дифференциальных уравнений первого порядка
(2.104)
- символ
дифференцирования.
Согласно
изложенному выше для возникновения скользящего режима величина
должна претерпевать разрывы первого рода.
Непосредственно из рассмотрения уравнений (2.104) следует, что это условие
выполняется, если управление и является непрерывной функцией времени и
непрерывно дифференцируемой по времени т-2 раза, a m-1-я
его производная претерпевает разрывы первого рода. Опишем один из возможных
способов реализации такого управления (рис. 2.14).
Рис. 2.14.
С выхода объекта на вход формирующего устройства (ФУ), принадлежащего
управляющему устройству, по каналу обратной связи поступает выходная величина φ=x объекта управлении. В состав
формирующего устройства включаются дифференциаторы, осуществляющие
дифференцирование сигнала хл и ключевые логические элементы, которые в
соответствии с выбранным законом меняют структуру управляющего устройства.
Пусть выходная координата υ формирующего устройства имеет вид
(2.105)
(2.106)
(2.107)
Очевидно, что формирующее устройство, которое реализует логическую
функцию (2.105)-(2.107), по структуре совпадает с управляющим устройством,
представленным на рис. 2.4. Разница заключается лишь в том, что на блок
изменения структуры (БИС) должна поступать информация не о sgnх2, а о sgns. С выхода формирующего устройства скачкообразно
меняющаяся величина υ подается на вход фильтра (Ф). Фильтр
состоит из т-1 последовательно соединенных инерционных звеньев с выходными
координатами zl,...,zm-1 Его движение описывается уравнениями
(2.108)
все Тi - постоянные величины, z0
= υ, zm-1 = u - управляющее воздействие (выходная величина УУ).
Из уравнений (2.105)-(2.108) ясно, что схема управляющего устройства,
изображенная на рис. 2.14, вырабатывает на выходе непрерывное и непрерывно
дифференцируемое по времени m-2
раза управление и, причем его (m-1)-я
производная претерпевает разрывы первого рода.
Ниже везде будем предполагать, не оговаривая этого специально, что для
объектов, уравнения движения которых, содержат операторы дифференцирования
перед управлением, всегда используется указанный класс управления.
При выбранной структуре управляющего устройства фазовое состояние системы
характеризуется переменными х1...,хn, z1,…zm-1 (предполагается, что движение неизменяемой части системы
-исполнительного устройства и управляемого объекта - описывается уравнением
(2.104)).
В силу сделанных предположений уравнения движения системы регулирования
(рис. 2.14) имеют вид
(2.109)
υ определяется согласно (2.105) -
(2.107).
После
несложных преобразований величина
(2.109)
может быть записана в форме
(2.110)
Здесь
(2.111)
Поскольку
в (2.166) величина υ
скачком меняет свое значение на
гиперплоскости S, заданной в пространстве х1...,хn, z1,…zm-1
уравнением
, а фазовые координаты системы непрерывны, то в
рассматриваемом случае возможно движение изображающей точки по S в скользящем
режиме [12].
Напомним,
что гиперплоскость S будет гиперплоскостью скольжения, если для любой её точки
выполнены условия (2.27). Для точек на S (т. е.
)
величина
, согласно (2.109), (2.110), (2.105-2.107),
определяется выражением
(2.112)
Отсюда получаем необходимые и достаточные условия существования
гиперплоскости скольжения:
(2.113)
Таким образом, для системы (2.104) параметры управляющего устройства, т.
е. величины α, β, Тi ,сi следует выбрать так, чтобы
удовлетворялись условия (2.113). Тогда после возникновения скользящего режима закон
изменения координат x1,..,xn будет определяться коэффициентами c1,..., cn уравнения гиперплоскости S. В ряде случаев соответствующим выбором этих коэффициентов
можно получить требуемые динамические показатели движения в скользящем режиме.
Такой метод синтеза имеет довольно очевидную физическую сущность.
Действительно, можно показать, что оператор связи между величинами υ
и и (рис. 2.14)
совпадает с оператором P(D) в (2.109). Поэтому, если S является гиперплоскостью скольжения,
то исходная система дифференциальных уравнений (2.109) распадается на две
независимые системы
(2.114)
(причем в силу (2.105)-(2.107) υ не зависит от zi) и систему (2.108), характеризующую
состояние фильтра Ф.
Нетрудно убедиться, что система (2.114) совпадает с (2.34), а первая
группа условий (2.113) - с (2.45), (2.46). Однако в отличие от (2.34) для
суждения о работоспособности системы (2.109) необходимо выяснить закон
изменения величин zl,…zm-1 при движении изображающей точки по
гиперплоскости S. Так как в
скользящем режиме траектории движения изображающей точки принадлежат
гиперплоскости скольжения (s≡0),
то величина
(2.115)
С учетом (2.109) и (2.107) равенство (2.115) перепишется в виде
(2.116)
Из (2.116) следует, что описанный способ управления может быть
использован, если решение (2.116) устойчиво. В противном случае, несмотря на
то, что
(2.117)
может оказаться, что
(2.118)
и физические ограничения, существующие в любой реальной системе, не
позволят использовать этот метод управления на практике. Представляет интерес
сравнение систем (2.34) и (2.114) с точки зрения информации о состоянии регулируемого
объекта, используемой в процессе управления. В случае (2.34) состояние
управляемого процесса характеризуется величинами х1...,хn . Введение фильтра Ф в контур
управления приводит к тому, что поведение системы (2.114) полностью
определяется координатами х1...,хn, zl,…zm-1, т. е. количество информации, необходимое для построения
системы регулирования, увеличилось. Однако этот факт не приводит к существенным
затруднениям, так как информация о координатах zl,…zm-1 (выходных
координатах инерционных звеньев) всегда имеется в нашем распоряжении.
2.5 Анализ
вынужденных движений в СПС. Синтез закона управления в системе второго порядка
Хорошо известно, что любая реальная система автоматического управления
функционирует в условиях воздействия на неё внешней среды. Это воздействие
может проявляться в виде задающего воздействия, которое должно быть тем или
иным образом отработано системой, а также в виде возмущающих воздействий самого
разнообразного характера, приложенных к различным точкам системы управления.
Обеспечение нормального функционирования системы управления часто осложняется
тем, что возмущающие воздействия бывает невозможно измерить. Однако при
проектировании системы управления, как правило, имеется некоторая априорная
информация о возмущающих воздействиях, которая позволяет синтезировать систему,
выполняющую поставленные перед ней задачи без непосредственного измерения
возмущающих воздействий. Системы с переменной структурой обладают рядом
дополнительных возможностей при решении задач управления вынужденным движением.
Ограничимся пока системами с постоянными параметрами. Прежде чем перейти
непосредственно к изложению методов управления вынужденным движением в системах
с переменной структурой, представляется целесообразным на простейшем примере
системы второго порядка проследить особенности, возникающие в СПС при
использовании предложенных выше алгоритмов для управления вынужденным
движением. Выявив эти особенности, мы сможем более наглядно представить себе
пути решения задач синтеза СПС более высокого порядка и предложить алгоритмы
управления вынужденным движением в таких системах без измерения внешних
возмущений. Однако в тех случаях, когда измерение последних допустимо по
условиям задачи, не следует, очевидно, пренебрегать этой возможностью. В связи
с этим мы рассмотрим методы синтеза комбинированных систем с переменной
структурой.
Рассмотрим особенности, возникающие в простейшей системе второго порядка,
изображенной на рис. 2.15, выходная координата которой должна воспроизводить
задающее воздействие g(t). Будем предполагать, что на объект,
являющийся астатическим звеном первого порядка, действует внешнее возмущающее
воздействие f(t). Управление объектом осуществляется с помощью астатического
сервомеханизма. Наша цель -
Рис. 2.15
сформировать
такой алгоритм работы управляющего устройства (УУ), который обеспечивал бы
воспроизводимость регулируемой координатой φ(t) задающего
воздействия g(t) независимо от внешних возмущений. Предполагая х =g-φ, φ =у-f и вводя обозначения
получим
уравнения движения объекта, исполнительного устройствам замкнутой системы
соответственно:
(2.118)
(2.119)
(2.120)
Ранее рассматривалась задача управления свободным движением (F≡0) системы подобного вида. Для
управления вида (2.22) - (2.24) при выполнении условий (2.32) на прямой S (2.25) всюду возникал скользящий
режим и выбором углового коэффициента с этой прямой обеспечивались требуемые
характеристики процесса регулирования.
При возмущенном движении системы (F≠ 0) и использовании законов управления (2.22) - (2.24)
в системе также может возникнуть движение в скользящем режиме, описываемое
уравнением (2.26), причем это движение не будет зависеть ни от параметров
объекта, ни от внешних возмущений. Для того чтобы использовать свойство
независимости скользящих движений, можно предложить следующий подход к решению
задачи воспроизводимости выходной координатой задающего воздействия:
обеспечить, во-первых, попадание изображающей точки на прямую S и, во-вторых, выполнение условий
существования скользящего режима в любой точке этой прямой. Тогда после
возникновения скользящего режима, согласно (2.26), при с>0 координата ошибки
будет асимптотически приближаться к нулю. Однако с помощью управления (2.22) -
(2.24) не удается реализовать описанный подход. Этот факт легко устанавливается
из рассмотрения фазовой плоскости (x1, х2) системы (2.118), представленной на рис. 2.16.
Рис. 2.16
Оговоримся,
что так как дифференциальные уравнения (2.120) являются неоднородными, то
фазовый портрет будет нестационарным. Поэтому кривые, показанные на рис. 2.16,
вообще говоря, не являются фазовыми траекториями. Каждую из них можно
рассматривать как геометрическое место точек, для которых в некоторый
фиксированный момент времени касательная к кривой совпадает с направлением
вектора фазовой скорости. Фазовая плоскость (x1, х2), делится
прямыми S и x1=0 на области, каждой из которых соответствует
семейство кривых эллиптического или гиперболического типа. Центр и седло этих
кривых находится в точках а и b,причем
(если α>0,
β<0, F(t0<0).
Непосредственно из рассмотрения рис. 2.16 следует, что на интервале тп
прямой S скользящий режим отсутствует.
Действительно, для возникновения скользящего режима векторы фазовых скоростей
должны быть направлены к S,
однако это условие нарушается на интервале пO для кривых гиперболического типа, а на интервале тпО - для
кривых эллиптического типа.
Важно
отметить, что за исключением тех моментов времени, когда
(t)=0, интервал тп всегда существует. Следовательно, в
некоторой конечной окрестности начала координат плоскости (x1,х2)
скользящий режим отсутствует и решение системы (2.118) содержит вынужденную
составляющую. Именно это обстоятельство приводит к тому, что в системе с
переменной структурой с законом управления (2.22) - (2.24) при вынужденном движении
не удаётся избавиться от динамической ошибки. Условия существования скользящего
режима в окрестности начала координат плоскости (x1, х2)
нарушаются из-за того, что величина управления становится малой по сравнению с
величиной
(t). Поэтому в основном от знака функции
(t) зависит, направлены ли векторы фазовой скорости к
прямой S или от неё. Например, в рассматриваемом случае при
(t)<0 скользящий режим на интервале тп отсутствует,
так как на этом интервале векторы фазовой скорости направлены в сторону
уменьшения величины s, т. е. при s<0 - от прямой S [13].
Из приведенных рассуждений следует, что управление необходимо
сформировать таким образом, чтобы направление векторов фазовой скорости в
окрестности начала координат существенно зависело бы не только от внешних
воздействий, но и от самого управления. Заметим, что координата у в режиме
воспроизведения при (х1=х2=0) отлична от нуля, так как выходная величина
исполнительного устройства должна воспроизводить сумму приведенных ко входу
объекта внешних воздействий. Поэтому следует ожидать, что направление векторов
фазовой скорости в окрестности начала координат будет зависеть от управления,
сформированного в виде
(2.121)
(2.122)
(2.123)
(2.124)
Логический закон изменения Ψy будет приведен ниже. Движение замкнутой
системы с управлением (2.119), согласно (2.181), (2.119), описывается
дифференциальными уравнениями
(2.125)
На
рис. 2.17, а и б представлены фазовые портреты такой системы соответственно для
случаев F>0,
<0, Ψy>0 и F>0,
<0, Ψy<0 в предположении, что |ΨyF|>|F| и
корни характеристического уравнения системы (2.125) являются комплексными при Ψx=αx и любом
фиксированном Ψy. Каждую из кривых, показанных на рисунках,
по-прежнему следует рассматривать как геометрическое место точек, для которых
касательная к кривой совпадает с направлением вектора фазовой скорости. Для αх>0, βx<0 абсциссы
фокуса и седла этих кривых находятся в точках a и b,
причем
.Пусть угловой коэффициент с прямой S,
заданной уравнением s=0 (4.6), всегда больше отрицательного корня
характеристического уравнения системы (2.125) Ψx=βx, (т.е. больше углового
коэффициента асимптоты
Рис.
2.17.
I для кривых
гиперболического типа). Тогда, как это следует из рассмотрения фазовых
портретов, в обоих случаях на прямой S существует интервал тп,
включающий начало координат, на котором не может возникнуть движение в скользящем
режиме. Следовательно, если величина коэффициента Ψy в
управлении (2.121) неизменна, то в системе (2.125), так же как и в системе
(2.120), при F≠0 динамическая ошибка не может быть сведена к
нулю. Однако существенно, что знак коэффициента Ψy определяет направление
векторов фазовой скорости вблизи прямой S на интервале
тп. Так, при Ψy>0
векторы фазовой скорости направлены в стороны увеличения s, т.
е.
>0, и поэтому при s>0
нарушаются условия возникновения скользящего режима (2.27), при Ψy<0
имеет место обратная картина. Нетрудно видеть, что на всей прямой S
будет существовать скользящий режим, если построить такую систему, фазовый
портрет которой при s<0 совпадает с фазовым портретом рис. 2.17, а, а
при s>0 - рис. 4.3, б (рис. 2.18). Это условие будет
выполнено, если в результате изменения коэффициента Ψy
окажутся справедливыми неравенства
(2.126)
Напомним, что по нашему предположению | ΨyF|> |F|. Пусть возмущающее и задающее воздействия таковы, что
выполняется следующее соотношение:
(2.127)
Тогда из (2.126) и (2.127) получаем следующий закон изменения
коэффициента Ψy,
обеспечивающий существование скользящего режима всюду на прямой S:
(2.128)
Важно отметить, что логический закон (2.128) может оказаться
неприемлемым, так как для его реализации необходимо осуществить
непосредственное измерение внешних возмущений (для формирования функции F), а это во многих случаях
невозможно. Согласно (2.118) информация о величине F может быть получена косвенно, с использованием координат x и у. В результате приходим к более
удобному с точки зрения практических приложений закону изменения коэффициента Ψy:
(2.129)
Рассматривая
различные сочетания знаков функций F и
,можно легко проверить, что при выполнении ограничения
(2.127) и изменении коэффициента воздействия по выходной координате
исполнительного устройства в соответствии с (2.128) или (2.129) встречное
направление векторов фазовой скорости в любой точке прямой S
всегда имеет место. Следовательно, в построенной таким образом системе прямая S
является прямой скольжения.
Рис
2.18.
Сам
по себе факт существования прямой скольжения ещё не гарантирует
воспроизводимости. Необходимо обеспечить возникновение скользящего режима в
системе или, другими словами, обеспечить попадание изображающей точки из любого
начального положения её на прямую S. Только в этом случае в системе
начнется независимое от внешних воздействий движение, в котором сигнал ошибки
будет асимптотически стремиться к нулю.
Было показано, что для свободного движения необходимым и достаточным
условием попадания является отсутствие положительных действительных корней
характеристического уравнения при Ψx=αx. Если условия этой теоремы
выполняются как при Ψy=A, так и при Ψy= -А, то она справедлива также и для
вынужденного движения Приведём сейчас лишь некоторые предварительные
соображения, подтверждающие это положение. Существенно, что следует рассмотреть
лишь вопрос о достаточности условий теоремы, так как необходимость следует из
того, что свободное движение является частным случаем вынужденного.
Пусть
в начальный момент времени изображающая точка находится в первом квадранте
(рис. 2.19). Так как в этот момент времени х2>0 , то величина х1 начнет
возрастать. По условию теоремы при свободном движении и фиксированном Ψy
любая траектория должна пересечь прямую S, поэтому
траектории 1 и 2, исходящие из начальной точки а0 и соответствующие Ψy =А
и Ψy = -
А для F≡0, пересекают ось х1 в точках b и
с. Следует отметить, что, согласно (2.125) - (2.128), величина
для вынужденного движения при s>0
всегда меньше, чем для свободного движения. Следовательно, траектория, соответствующая
вынужденному движению и исходящая из точки a0, не может
иметь общих точек с траекторией 2 и пересекает ось х1 в некоторой точке а1 на
отрезке dc
.
Проведем из точки а1 траектории 3 и 4, соответствующие Ψy=+А
и Ψy= -А
при F≡0, до пересечения с прямой S в
точках е и f . Заметим, что для F≠0
траектория, исходящая из точки а1, не имеет общих точек с траекторией 3. Это в
свою очередь означает, что изображающая точка из а1 всегда попадает в некоторую
точку а2 на отрезке eg
, т. е. на прямую S. Если в
начальный момент времени изображающая точка находится в области х1>0, s<0,
то при дальнейшем движении либо произойдет попадание на S,
либо сменит знак величина х1. Для х1<0, s<0 можно
повторить приведенные рассуждения и также убедиться в том, что попадание на
прямую S всегда имеет место. Существование прямой скольжения
одновременно с выполнением приведенных условий попадания на эту прямую уже
может гарантировать возникновение скользящего режима и, как следствие, сведение
к нулю координаты ошибки.
Рис.
2.19
Приведем
теперь аналитический метод синтеза управления для системы второго порядка
общего вида с постоянными параметрами (рис. 2.20). Уравнение объекта,
исполнительного устройства и замкнутой системы записываются в виде
(2.130)
(2.131)
(2.132)
где a11, а12, а21, а22 - постоянные,
а12>0, а21>0,
Покажем,
что если для функции F выполняется неравенство (2.127), то с помощью
управления вида (2.121) за счёт скользящих
Рис.
2.20.
режимов
в системе может быть достигнута полная воспроизводимость регулируемой
координатой φ
задающего воздействия g(t).
Согласно (2.121) и (2.130) вместо (2.131) можно рассматривать систему
(2.133)
Предположим,
что каждый из коэффициентов Ψx и Ψy может принимать одно из двух фиксированных значений
соответственно αх или βx и αу или βу, т. е. в нашем распоряжении имеются четыре линейные
структуры. Задача состоит в выборе такой последовательности изменения этих
структур, а также параметров каждой из них, при которых на некоторой прямой S,
заданной в плоскости (x1,x2) уравнением s=cx1+x2=0
выполнялись бы условия существования скользящего режима (2.27). Определим
величину
на прямой S.
(2.134)
Потребуем, чтобы выполнялись соотношения
(2.135)
(2.136)
Для функции F, удовлетворяющей
соотношению (2.127), неравенство (2.135) справедливо, если
(2.137)
или, согласно (2.130),
(2.138)
где
(2.139)
Запишем теперь закон изменения коэффициента Ψx, обеспечивающий выполнение
неравенства (4.19)
(2.140)
где
(2.141)
Если все коэффициенты (2.141) выразить через параметры объекта и
исполнительного устройства, то с учётом (2.139) неравенства (2.141) перепишутся
в виде
(2.142)
Если значения коммутируемых коэффициентов Ψу и Ψх выбраны в соответствии с (2.139) и
(2.142), то управление (2.121), (2.138), (2.140) обеспечит существование прямой
скольжения. Что касается условий попадания изображающей точки на прямую
скольжения, то необходимость специального рассмотрения этого вопроса -
отпадает, так как все рассуждения, касающиеся условий попадания для системы
(2.125), справедливы и для произвольной системы второго порядка. Для попадания
изображающей точки из любого начального положения на прямую S необходимо и достаточно, чтобы
характеристическое уравнение системы (2.133) для Ψх=αх как при Ψy = А, так и при Ψy = -А не имело положительных
действительных корней, т. е.
(2.143)
Очевидно,
что неравенства (2.142) и (2.143) всегда можно выполнить одновременно как при Ψy=А, так и при Ψу= -А. Тогда любое движение в системе, начиная с
некоторого момента времени, перейдет в скользящий режим, описываемый линейным
однородным дифференциальным уравнением
, не
зависящим от внешних воздействий. Это означает, что с помощью системы с
переменной структурой, в которой скачкообразно меняется не только коэффициент
воздействия по сигналу ошибки, но и по выходной координате исполнительного
устройства, удается решить задачу о полной воспроизводимости для входных
воздействий вида (2.127).
Наиболее
существенная особенность описанного закона Управления заключается в том, что
для его реализации не возникает необходимости в непосредственном измерении
приложенных к объекту внешних возмущающих сил; требуется информация о состоянии
управляемого процесса в виде координаты ошибки, её производной и выходной
величины исполнительного устройства. Уместно также пояснить эффект полной
воспроизводимости в такой системе с физической точки зрения. Присутствие в
управлении выходной координаты исполнительного устройства (ИУ) означает, что ИУ
охвачено местной обратной связью, знак которой меняется. В случае положительной
обратной связи ИУ оказывается неустойчивым звеном. При этом выходной сигнал его
быстро нарастает до тех пор, пока не сравняется по абсолютной величине с
приведенным ко входу объекта внешним возмущением. В установившемся режиме,
когда координата ошибки и её производная равны нулю, автоматически
обеспечивается такое чередование положительной и отрицательной местной обратной
связи, при котором регулируемая величина повторяет задающее воздействие.
Таким
образом, система с переменной структурой, сочетая в себе свойства нескольких
линейных структур, открывает дополнительные возможности управления вынужденным
движением. Сопоставляя описанную систему с переменной структурой с линейными
системами, заметим, что применение методов, разработанных в теории
инвариантности, повышение порядка астатизма для компенсации внешних воздействий
в линейных системах в конечном счёте сводится к выбору такой устойчивой
линейной структуры, при которой особая точка фазовой плоскости находится в
начале координат. Однако организация управления в этих случаях может
натолкнуться на трудности, связанные либо с непосредственным измерением внешних
воздействий, либо с тем, что класс допустимых внешних воздействий оказывается
слишком узким. Полная воспроизводимость в СПС обеспечивается за счет
скользящего режима, существование которого, как это следует из рассмотрения
фазовых портретов, определяется лишь тем, с какой стороны от начала координат
расположена особая точка семейства кривых, соответствующего той или иной
линейной структуре. Описанный метод позволяет свести динамическую ошибку в
системе к нулю, и при этом не возникает необходимости в выборе такого
управления, при котором правая часть дифференциального уравнения движения
обращается в нуль. Это различие является весьма существенным, так как при реализации
управления в СПС достаточно иметь информацию только о знаке функции F,
характеризующей внешние воздействия, и не возникает необходимости в повышении
порядка астатизма регулятора.
Рассмотренный пример системы второго порядка показывает эффективность алгоритмов
СПС при решении задач управления в условиях действия на систему внешних
возмущений.
2.6 Синтез
закона управления в СПС произвольного порядка
Рассмотрим систему, структурная схема которой представлена на рис. 2.21.
Будем предполагать, что действующие на объект в различных его точках
возмущающие воздействия f1(t),...,fk(t) невозможно
измерить непосредственно, но можно привести к его входу. Приведённое ко входу
объекта возмущающее воздействие обозначим F1(t), Необходимо так
построить систему, чтобы выходная координата φ объекта воспроизводила задающее
воздействие g(t) c точностью до
переходной составляющей.
Пусть движение объекта описывается дифференциальным уравнением порядка (п
- т)
(2.144)
Здесь μ - выходная координата исполнительного устройства (ИУ).
Параметры bi объекта предполагаются постоянными,
а bn-m=1. Функцию F1(t) будем предполагать непрерывно
дифференцируемой до порядка т включительно
Рис. 2.21.
Движение исполнительного устройства описывается дифференциальным
уравнением m-го порядка
(2.145)
где Θi1 -
параметры ИУ, Θт1=1
Предположим, что исполнительное устройство можно охватить местной
обратной связью (ОС) такой, что
(2.146)
где Θi2 -
коэффициенты звена ОС, которые можно изменять в зависимости от значений
координат системы. Из (2.145) и (2.146) можно получить следующее уравнение
движения исполнительного устройства с учетом местной обратной связи:
(2.147)
где Θi =Θi1+Θi2, и - управляющее воздействие, формируемое при помощи
управляющего устройства УУ.
Сформируем управление и в виде линейной комбинации координаты ошибки и
(п-2) её производных:
(2.148)
где Ψi+1 - коэффициенты УУ, которые так же, как Θi определяются координатами системы; х
- координата ошибки:
(2.149)
Уравнения (2.144) и (2.149) позволяют найти связь между регулирующим
воздействием и координатой ошибки
(2.150)
(2.151)
Из (2.147), (2.148) и (2.150) получаем дифференциальное уравнение
движения замкнутой системы
(2.152)
здесь все аi являются
коэффициентами полинома п-й степени, полученного в результате перемножения
полиномов
(2.153)
Запишем уравнение (2.152) в виде системы п дифференциальных уравнений
первой степени:
(2.154)
Сформируем в системе функцию переключения следующего вида:
(2.155)
где ci - постоянные коэффициенты, сп=1, и
зададим следующие законы изменения коэффициентов Ψi и Θi:
(2.156)
(2.157)
Нетрудно заметить, что в построенной таким образом системе может
возникнуть скользящий режим. Действительно, в фазовом пространстве системы
(2.154) уравнение
(2.158)
задает
гиперплоскость S. При пересечении изображающей точкой этой
гиперплоскости вектор
фазовой скорости меняет свое направление, так как
компонента
этого вектора зависит от величин Ψi и Θi, которые на гиперплоскости вменяют скачкообразно свое
значение. Очевидно что выбором значений этих величин можно обеспечить встречное
направление векторов фазовой скорости на гиперплоскости S, т.
е. выполнить условие возникновения скользящего режима. Точнее, как это ранее
уже отмечалось, для возникновения скользящего режима необходимо и достаточно,
чтобы скалярное произведение вектора фазовой скорости на нормаль к
гиперплоскости S меняло знак на этой гиперплоскости в соответствии с
неравенствами
(2.159)
где вектор c=(cl ..., сп).
При возникновении скользящего режима движение системы доопределим, как и
ранее, равенствами
С
помощью такого доопределения нетрудно найти, что движение системы в скользящем
режиме будет описываться системой линейных однородных уравнений
(2.160)
Существенно, что движение в скользящем режиме не зависит ни от параметров
объекта, ни от приложенных к нему возмущений и полностью определяется
параметрами ci гиперплоскости S.
Теперь становится очевидным следующий путь решения задачи о
воспроизводимости выходной координатой φ задающего воздействия. При любых
начальных условиях для системы (2.154) необходимо обеспечить возникновение
скользящего режима, с помощью которого свести к нулю координату ошибки х1.
Другими словами, изображающая точка в фазовом пространстве должна из любого
начального положения попасть на гиперплоскость S, а затем двигаясь по этой гиперплоскости, прийти в начало
координат. С этого момента выходная координата будет точно воспроизводить
задающее воздействие g(t). Совершенно очевидно, что движение
в скользящем режиме должно быть устойчивым. Если других требований к процессу
управления не предъявляется, то именно из этого условия и следует исходить,
выбирая величины ci.
Будем предполагать, что гиперплоскость S - гиперплоскость скольжения.
Покажем, что выбором значений Ψi и Θi можно выполнить неравенства (2.159)
в любой точке гиперплоскости S,
если функция F(t) удовлетворяет соотношению
(2.161)
Заметим,
что класс функций F(t), для которых выполняется соотношение (2.161) - для
удобства изложения в дальнейшем этот класс будем называть классом
- достаточно широк. Так, например, классу
принадлежат показательные функции, полиномы,
непрерывные знакопостоянные функции с ограниченной первой производной; классу
принадлежат показательные и гармонические функции и
полиномы, корни которых различны. Соотношение (2.161) не выполняется, например,
для F(t)=еxt при α>1.
Неравенства
(2.159) для системы (2.154) можно записать в виде
(2.162)
то
(2.162) примут вид
(2.163)
где
Последние
неравенства будут выполнены, если значения величин Ψi и Θi, будут выбраны следующим образом:
(2.164)
Следует отметить, что коэффициенты ai, определяемые согласно (2.153) меняются вместе со
скачкообразным изменением Θi. Чтобы учесть эти изменения при выборе значений αi и βi, во второй группе неравенств (2.164)
взяты соответственно максимальные и минимальные значения. Конечно, вначале надо
определить γi и ρi а затем - величины αi и βi.
При выполнении условий (2.164) после попадания изображающей точки на
гиперплоскость S её дальнейшее
движение не зависит от приложенных к объекту возмущений и определяется только
коэффициентами ci системы
(2.160). После попадания изображающей точки в достаточно малую окрестность
начала координат фазового пространства, определяемую требуемой точностью,
координата φ будет отслеживать задающее воздействие g(t)
Таким
образом, логические законы (2.156) и (2.157) изменения коэффициентов Ψi и Θi, главной и местной обратных связей позволяют для
внешних воздействий класса
(2.161)
обеспечить воспроизводимость регулируемой величиной задающего воздействия без
измерения внутренних координат объекта.
Если
возмущающие воздействия недоступны для непосредственного измерения, как это
часто бывает на практике, и следовательно реализация закона (2.157) невозможна,
его надо заменить законом, который очевидным образом следует из (2.150) и
(2.157)
(2.165)
При реализации логического закона (2.165) требуется информация о выходной
координате исполнительного устройства и ее производных. Как правило, такую
информацию легче получить, чем информацию о внешних воздействиях, действующих
на объект управления.
Рассмотренная задача о воспроизведении задающего воздействия позволила
достаточно наглядно проиллюстрировать принципы синтеза законов управления
вынужденным движением в системах с переменной структурой. Центральной идеей
здесь является, пожалуй, введение коммутируемой обратной связи, охватывающей
исполнительное устройство. Это позволяет обеспечить существование скользящего
режима в системе при действии на объект внешних возмущений независимо от точек
их приложения.
Выводы по ІІ
разделу
В данном разделе были рассмотрены три основных режима работы систем с
переменной структурой: режим работы с движением по вырожденным траекториям,
режим переключений и скользящий режим.
Задача синтеза СПС состоит из выбора гиперповерхностей фазового
пространства, на которых функции управления будут претерпевать разрывы. При
этом искусственно создается так называемый скользящий режим. Это особое
движение САУ, при котором изображение точки колеблется с бесконечно
возрастающей частотой в некоторой малой окрестности гиперповерхности
переключений
Режим, при котором на прямой переключения изменение структуры происходит
с бесконечно растущей частотой, называется скользящим режимом. Скользящий режим
может получить новые искусственные вырожденные движения. Движение системы в
скользящем режиме описывается дифференциальными уравнениями меньшего порядка,
чем собственное движение системы. При этом качественные показатели
синтезированной САУ определяются только положением линии переключения и не
зависят от параметров системы.
Таким образом, процесс синтеза СПС имеет две стадии: определение закона
управления и выбор поверхности переключения (поверхностей), анализ
существования в системе скользящего режима
Общий недостаток такого подхода в том, что практически не существует
универсальных методов, позволяющих выбрать поверхность переключения,
обеспечивающую работу САУ в скользящем режиме.
РАЗДЕЛ III.
РАЗРАБОТКА МОДЕЛИ СИСТЕМЫ С ПЕРЕМЕННОЙ СТРУКТУРОЙ
3.1
Инструменты для визуального объектно-ориентированного моделирования сложных
динамических систем.
Подсистема Simulink пакета MatLab.
Среди большого числа пакетов визуального моделирования пакет MatLab занимает особое место. Первоначально
ориентированный на исследовательские проекты, пакет в последнее время стал
незаменимым рабочим инструментом. Одной из основных причин широкого
использования MatLab является широкий набор средств,
предоставляемых пользователю для решения разнообразных инженерных и научных
задач. Среди этих средств особое место занимает подсистема Simulink.
Основные свойства подсистемы Simulink - интерактивная среда для моделирования и анализа широкого
класса динамических систем, использующая графический язык блок-диаграмм.
Подсистема Simulink:
а) предоставляет возможность моделирования непрерывных, дискретных
и гибридных - как линейных, так и нелинейных - систем;
б) включает в себя обширную библиотеку блоков (непрерывные элементы,
дискретные элементы, математические функции, нелинейные элементы, источники
сигналов, средства отображения, дополнительные блоки), которые можно
использовать для создания новых систем;
в) позволяет объединять блок-диаграммы в составные блоки, что
обеспечивает иерархическое представление структуры модели;
г) содержит средства для создания блоков и библиотек, определяемых
пользователем;
д) даёт возможность проектировать подсистемы, имеющие изменяемую во
времени структуру, но эти возможности весьма ограничены.
Начиная с версии 3.0, в Simulink появились специализированные приложения, значительно расширившие её
возможности, в частности:
а) подсистема StateFlow - даёт возможность моделировать поведение гибридных или сложных
событийно-управляемых систем, базируясь на картах состояния Харела. Уже
созданные пользователями пакета Simulink модели рассматриваются как объекты, закон управления которыми
реализуется в StateFlow.
б) подсистема StateFlow Coder
предназначена для генерации С-кода при реализации диаграмм StateFlow. Применяя StateFlow и StateFlow Coder? пользователь может генерировать нужный код на
алгоритмическом языке С только для управляющих моделью блоков, реализованных с
помощью StateFlow;
в) подсистема Real-Time WorkShop дополняет Simoink и StateFlow Coder? обеспечивая
автоматическую генерацию кода С для моделей, разработанных в Simulink;
г) подсистема Simulink Report Generator позволяет создавать и настраивать
отчеты из моделей Simulink и StateFlow в различных форматах, среди которых HTML? RTF? XML и SGML.[7]
Model Vision Studium Vision Studium(MVS) - это интегрированная графическая
оболочка для быстрого создания интерактивных визуальных моделей сложных
динамических систем и проведения вычислительных экспериментов с ними. Пакет MVS 3.2 работает на Intel-совместимых компьютерах в среде MS Windows 95/98/2000. Пакет занимает примерно 15 Мбайт на
жестком диске и не предъявляет к компьютеру никаких особых требований. Кроме
наличия аппаратной поддержки операций с плавающей точкой.
Пакет MVS 3.2 разработан исследовательской
группой «Экспериментальные объектные технологии» (XJ), созданной на кафедре «Распределенные вычислительные сети»
факультета Технической Кибернетики Санкт-Петербургского Государственного
Технического Университета.
Ключевыми проблемами при разработке MVS 3.2 являлись:
а) поддержка технологии объектно-ориентированного моделирования
(ООМ);
б) удобное и адекватное описание гибридных (непрерывно-дискретных)
систем;
в) обеспечение достоверности численного решения;
г) обеспечение моделирования и визуализации результатов без
написания какого-либо программного кода.
Технология моделирования в MVS.
Как и в большинстве других современных графических инструментов
моделирования, в основе технологии MVS лежит понятие виртуального лабораторного стенда. На этом стенде
размещаются различные виртуальные блоки моделируемой системы - вновь
создаваемые и стандартные, такие как «генераторы сигналов», «измерительные
приборы», «устройства отображения», соединенные виртуальными «кабелями». Вся
виртуальная квазиаппаратура функционирует независимо и параллельно, подобно её
физическим двойникам «в металле».
Для получения виртуального стенда необходимо описать моделируемую систему
на входном языке пакета и создать соответствующий этому описанию программный
код, выполнение которого компьютером и будет восприниматься как работа стенда.
Структура пакета MVS приведена на
рис. 3.1
Интегрированная оболочка пакета представляет собой многооконную среду
позволяющую редактировать проект, автоматически преобразовывать графическое
описание модели в текстовое и текстовое в графическое, подключать библиотеки в
классов, создавать свои библиотеки классов, создавать выполняемые модели и
запускать их, а также запускать специальные подсистемы(оптимизации и
символического анализа).
Предполагается, что каждой модели (проекту) соответствует определенная
папка, в которой хранятся файл внутреннего представления проекта (mvb), файлы установок проекта и
выполняемой модели (ini), а также
картинки для анимации, DLL
пользователя и т.п. Описание проекта и библиотек классов хранится виде дерева
объектов в объектно-ориентированной базе данных MVBase (отдельный файл с расширением mvb на каждый проект и библиотеку
классов). Библиотеки классов (за исключением стандартной библиотеки SysLib) являются обычными проектами, их
могут создавать и редактировать пользователи.
Описание проекта пользователь может вводить и редактировать как в
визуальном, так и в текстовом виде. При открытии в интегрированной среде какого-либо
проекта его внутреннее представление автоматически разворачивается в визуальное
представление. В любой момент с помощью специальной команды может быть получено
текстовое описание проекта на специальном языке Model Vision Language (MVL), включающее в себя два текстовых файла: собственно
функциональное описание (расширение mvl) и описание визуальных элементов (расширение pra). Импорт проекта из текстового представления
осуществляется специальным MVL-компилятором.[4]
Описание проекта включает в себя описание классов и устройств, глобальных
констант и алгоритмических процедур и функций, а также описание конкретной
конфигурации виртуального стенда, с которой будет проводиться вычислительный
эксперимент. Предполагается, что виртуальный стенд является устройством-контейнером
TestBench - экземпляром предопределенного
класса _CTestBench . Пользователю необходимо поместить
в его локальную структуру конкретные локальные устройства - экземпляры классов,
определенных в данном проекте или импортируемых из подключенных к проекту
библиотек классов. Стандартная библиотека классов SysLib, включающая определения типовых блоков (линейные и
нелинейные блоки, генераторы сигналов и т.д.), подключена к любому проекту по
умолчанию. При создании выполняемой модели программный код создается только для
классов, реально используемых (прямо или косвенно, через другие классы) в TestBench.
Рис. 3.1
Все визуальные редакторы работают в режиме так называемой
«инкрементальной компиляции», т.е. по завершении ввода какой-либо законченной
конструкции они немедленно проверяют её синтаксическую и семантическую
правильность в контексте уже существующего описания и при обнаружении ошибок
выводят соответствующие сообщения.
При генерации выполняемой модели сначала проводится полный комплексный
анализ контроль классов, используемых в TestBench, а затем для каждого класса
генерируется соответствующий программный модуль на промежуточном языке
программирования и в зависимости от типа модели генерируется соответствующий
главный модуль программы. Затем полученная программа компилируется с помощью
компилятора командной строки для промежуточного языка. На этом этапе к
сгенерированным модулям присоединяются стандартные модули промежуточного языка
и библиотека периода исполнения (RTL)
пакета MVS для данного промежуточного языка.
В MVS 3.2 возможны три типа выполняемых
моделей:
а) визуальная интерактивная модель в виде 32-разрядного приложения для MS Windows;
б) «скрытая» модель в виде 32-разрядной DLL для MS Windows;
в) визуальная интерактивная модель в виде Java-приложения, выполняемая на любой платформе, где
имеется виртуальная машина Java.
В версии 3.2 визуальная Java-модель
не поддерживает векторных и матричных переменных, а также анимации.
При генерации моделей для Windows
в качестве промежуточного языка используется Object Pascal 10.0 (Borland Delphi 3).
Необходимые для компиляции модули устанавливаются автоматически при инсталляции
пакета MVS.
При генерации Java-моделей
пользователь должен предварительно установить на своём компьютере JDK 1.2.
В описании проекта пользователь может употреблять свои собственные
внешние процедуры и функции, программную реализацию которых он должен выполнить
в соответствующих DLL или Java-классах.
3.2 Краткое
руководство пользователя
В начале работы с пакетом Model Vision Studium следует указать, что интегрированная
оболочка пакета является приложением с многооконным интерфейсом (MDI). Многооконный интерфейс
предполагает наличие главного окна приложения и произвольного числа дочерних окон
(Рис. 3.1). Заголовок главного окна содержит наименование пакета и путь к
открытому в данный момент проекту. Проект - это совокупность данных,
относящихся к одной модели. Данные проекта хранятся в нескольких файлах,
расположенных в папке данного проекта. Основной файл проекта (база данных
проекта) имеет расширение *.mvb.
Рис
0.1. Интегрированная оболочка пакета MVS
После этого в интегрированной среде появятся следующие окна:
а) окно управления проектом (рис. 3.2) содержит дерево основных
составляющих проекта. К составляющим проекта относятся: классы блоков,
глобальные (т.е. видимые во всех составляющих проекта) константы, глобальные
процедуры и функции, виртуальный стенд и импортируемые библиотеки классов;
б)
Рис. 3.2. Окно управления проектом
в) окно виртуального стенда (рис. 3.3) содержит структурную схему
моделируемой системы, т.е экземпляры блоков и связи между ними
Рис. 3.3 Окно визуального стенда
г) окно редактирования добавленного по умолчанию класса содержит дерево
составляющих описания класса (рис. 3.8) карта поведения системы В общем случае
карта поведения представляет собой граф, узлы которого соответствуют
качественным состояниям моделируемой системы, а дуги - переходам из одного
состояния в другое (Рис. 3.4).
Переходы изображаются ломаной линией со стрелкой, указывающей направление
перехода. Один из переходов является начальным (вместо исходного узла
изображается жирная точка). Он срабатывает сразу при инициализации экземпляра
карты поведения и таким образом указывает на начальный узел карты состояний (на
Рис. 3.4 это узел Init).
Кроме того, в окне карт поведения изображаются:
ü имена узлов.
ü сноски, указывающие на приписанные поведения, входные и
выходные действия в узле, условия и действия перехода. (cноски могут не изображаться в случае
перенасыщенности графа).
Рис. 3.4 Карта поведения
д) окно редактирования системы уравнений (рис. 3.5). В окне
редактирования уравнений с помощью двойного щелчка мыши на узле «Уравнения» или
команды «Изменить» всплывающего меню существует возможность вызвать специальный
редактор формул, который позволяет вводить математические выражения в близком к
естественному виду и которые необходимы для построения модели. (Рис. 3.5).
е)
Рис. 3.5
Запуск (и создание, если нужно) модели производится с помощью команды
«Модель/Пуск».
Пакет MVS относится к категории компилирующих:
для элементов описания моделируемой системы генерируется “код” на промежуточном
языке программирования, который затем компилируется в машинный код и
связывается с Run Time Library (RTL) MVS с помощью штатного компилятора
командной строки этого языка. В данной версии пакета в качестве промежуточного
языка используется Borland
Object Pascal (Delphi
3).
При создании модели сначала появляется окно генератора кода, а затем одно
за другим два окна консольных приложений - компилятора ресурсов и компилятора Object Pascal Delphi. Вся работа с промежуточным кодом проводится в
локальной папке ...\Tmp), в ней же
формируется файл model.exe.
Запуск на выполнение модели выполняется с помощью команды
«Моделирование/Пуск» главного меню. Вы увидите, что начнет изменяться модельное
время и значения фазовых переменных. Однако, наблюдение за цифровыми значениями
мало что дает (только констатацию, что в модели вообще что-то вычисляется).
Прерывание работы модели выполнятся с помощью кнопки
или команды «Моделирование/Стоп».
Для рестарта системы необходимо нажать кнопку
или выполнить команду «Моделирование/Рестарт».
В результате этих действий данный экземпляр испытуемой системы будет уничтожен
и создан новый, снова с начальными значениями переменных. Модельное время снова
будет равно 0.
С помощью кнопки
или команды «Окна/Новая диаграмма» существует возможность
вызова окна диаграммы (по умолчанию это будет временная диаграмма, т.е. по оси
абсцисс будут откладываться значения модельного времени). Методом “drag-and-drop”
возможно переносить в окно диаграммы из окна переменных переменные заданные по
условию. Запустив модель возможно наблюдать работу системы.
3.3
Построение модели системы с переменной структурой в Model Vision Studium
а) Управление объектом с использованием воздействий по координате
ошибки.
Рассмотрим пример систем автоматического регулирования с переменной
структурой третьего порядка и проиллюстрируем полученные результаты с помощью MVS. Рассмотрим систему дифференциальных
уравнений (3.1)
(3.1)
(3.2)
Где
(3.3)
Убедимся, что для такой системы всегда можно найти плоскость скольжения S, в которой движение устойчиво.
Для устойчивости движения в скользящем режиме коэффициенты с1 и с2 в
(3.2) следует выбрать так, чтобы
с1>0 и с2>0. (3.4)
С другой стороны, для того чтобы плоскость S, заданная в пространстве (x1,x2,x3) уравнением S=0, была плоскостью скольжения
коэффициенты с1 и с2 должны, как известно, удовлетворять условиям (2.46) или
(3.5)
Очевидно, что условия (3.4) и (3.5) могут быть выполнены одновременно.
Используя формулы 3.1-3.5 составим модель, используя пакет MVS. Структурная схема работы модели
изображена на рис. 3.6.
Проект в MVS состоит из
следующих частей:
а) структурная схема (рис. 3.6)
Рис. 3.6
Данная структурная схема состоит из двух элементов CrampGenerator1 и VarStruct_1. Первый элемент CrampGenerator1 - генератор равномерного нарастающего
сигнала. Данный элемент содержит следующие параметры:
а) InitialOutput: double := 0; -- начальный уровень сигнала
б) UpperLimit: double := 100; -- предельный уровень сигнала
в) Slope: double := 1; -- скорость нарастания уровня сигнала
г) StartTime: double := 0; -- начальная задержка
Работу данного устройства можно описать следующей схемой рис. 3.7
Рис. 3.7
Второй элемент VarStruct_1 - является локальным блоком характеризующим работу класса VarStruct. В данном блоке один вход на который
подается сигнал с CrampGenerator_1 и
один выход.
Далее рассмотрим структуру добавленного класса VarStruct (рис. 3.8).
Рис. 3.8
Данный класс содержит ряд внутренних переменных и констант представленных
в (табл. 3.1), главной карты поведения (рис. 3.9), и трёх систем уравнений,
характеризующих состояния системы.
Таблица 3.1
|
переменная
|
тип
|
значение
|
|
a1
|
double
|
4
|
|
a2
|
double
|
43
|
|
a3
|
double
|
1
|
|
a4
|
double
|
50
|
|
x
|
double
|
-1
|
|
y
|
double
|
0
|
|
u
|
double
|
1
|
|
z
|
double
|
0
|
|
s
|
double
|
0
|
|
psi
|
double
|
0
|
|
с1
|
double
|
с2*с2
|
|
с2
|
double
|
10
|
Главная карта поведения представлена на рис. 3.9, где каждый узел графа
характеризует одно из трёх состояний системы в зависимости от ψ
согласно (3.3):
а) при x*s=0 - начальное состояние системы;
б) при x*s<0 - состояние системы № 2;
в) при x*s>0 - состояние системы № 3.
Возможные переходы системы из одного состояния в другое представлены на
карте поведения и указаны ломаной линией со стрелкой указывающей направление
перехода.
Возможные переходы в системе:
а) из 1-го состояния x*s=0 во 2-ое при условии, что x*s<0
б) из 1-го состояния x*s=0 в 3-е при выполнении условия x*s>0
в) из 3-го состояния в 1-ое и из 3-го состояния во 2-ое при
выполнении условия x*s=0 (переход в начальное значение)
г) из 3-го состояния во 2-ое при выполнении условия x*s>0
д) из 2-го состояния в 3-е при x*s<0
е)
Рис. 3.9. Карта поведения
Каждое состояние системы описано системой уравнений согласно (3.1) и
дополнительными условиями (3.2 - 3.3). Условия работы системы в 1-ом состоянии
изображены на рис. 3.10
Рис. 3.10. Состояние системы № 1
Аналогичные условия будут и для состояний системы №2 и 3, с той лишь
разницей, что для состояния №2 ψ=-1, для №3 ψ=1.
Результаты работы системы представлены на временной диаграмме (рис. 3.11)
и фазовой диаграмме (рис. 3.12)
Рис. 3.11 Временная диаграмма
Анализируя полученную временную диаграмму стоит сказать, что система с переменной
структурой в данном случае стабилизируется на 25 такте своей работы, система
попадает в скользящий режим, т.е. в режим при котором на прямой переключения
(гиперплоскости переключения) изменение структуры происходит с бесконечно
растущей частотой.
Рис. 3.13 Фазовая диаграмма
Фазовая диаграмма модели свидетельствует о том, что система с переменной
структурой является устойчивой, так как фазовые траектории стремятся к 0.
В
заключение на основании изложенных выше результатов, наметим методику выбора
параметров управляющего устройства в системе с переменной структурой (2.34) -
(2.37), которые гарантируют существование гиперплоскости скольжения с
устойчивым движением. Задача состоит в выборе таких коэффициентов α, β, сi, чтобы удовлетворялись (2.45), (2.46) и решение
системы (2.53) было устойчивым. Из (2.46) следует, что один из коэффициентов ci ,
например cn-1 можно задавать произвольно, а затем найти
оставшиеся. Далее по полученным значениям с1 и cn-1 найти
согласно (2.45). Если
не
ограничены, то сn, может принимать любое значение; если ограничены, то
сn-1, можно выбирать из некоторой ограниченной области.
Заметим, что даже при неограниченных
не
всегда удается одновременно удовлетворить условиям теоремы и условиям
существования гиперплоскости скольжения.
С
другой стороны, эта задача может быть решена средствами систем с переменной
структурой, если помимо ошибки коммутировать воздействия, кроме того, еще и по
другим координатам системы, для этого рассмотрим второй способ.
б)
Управление с использованием воздействий по ошибке и её производным.
Приведём пример систем автоматического регулирования с переменной структурой
четвертого порядка. Полученные результаты продемонстрируем с помощью
программного продукта MVS.
Рассмотрим систему дифференциальных уравнений (3.6)
(3.6)
где управление u
скачкообразно меняется на гиперплоскости S заданной уравнением s=0,
(3.7)
с1,с2,с3 - положительные величины.
Увеличим число коммутаций k на
единицу и составим управление в виде суммы ошибки и её производной, причём
коэффициенты воздействий по этим координатам будем скачкообразно менять
по-прежнему на гиперплоскости S(s=0). Тогда для системы (3.6)
управление u будет иметь вид
(3.8)

(3.9)
s
задано согласно (3.7)
В силу (2.74) и (2.75) гиперплоскость S будет гиперплоскостью скольжения, если
(3.10)
(3.11)
Используя выше описанные формулы (3.6 - 3.11) составим модель системы с
переменной структурой в MVS.
Рассмотрим далее каждый структурный элемент модели в отдельности.
Виртуальный стенд модели используемый в данном случае полностью совпадает
с виртуальным стендом, который рассматривался в первом случае (рис. 3.6).
Далее перейдем к рассмотрению добавленного класса VarStruct (рис. 3.14)
Рис. 3.14
Начальные значения переменных и констант, их тип наглядно показаны на
рис. 3.14. Поэтому далее перейдём к более детальному рассмотрению главной карты
поведения системы (рис. 3.15).
Данная карта поведения состоит из 6 узлов, один из которых Init является начальным узлом, остальные
пять - это состояния системы, которые описываются системой уравнений. Все
переходы представленные в карте поведения модели занесены в табл. 3.2.
Таблица
3.2
|
№ нач. сост. системы
|
направление перехода
|
условие перехода
|
№ сост.в которое системы
переходит
|
|
1
|
→
|
x*s>0 и y*s>0
|
2
|
|
1
|
→
|
x*s<0 и y*s<0
|
3
|
|
1
|
→
|
x*s>0 и y*s<0
|
4
|
|
1
|
→
|
x*s<0 и y*s>0
|
5
|
|
2
|
→
|
x*s=0 и y*s=0
|
1
|
|
2
|
→
|
x*s<0 и y*s>0
|
3
|
|
2
|
→
|
x*s>0 и y*s<0
|
4
|
|
2
|
→
|
x*s<0 и y*s<0
|
5
|
|
3
|
→
|
x*s=0 и y*s=0
|
1
|
|
3
|
→
|
x*s>0 и y*s>0
|
2
|
|
3
|
→
|
x*s<0 и y*s>0
|
4
|
|
3
|
→
|
x*s<0 и y*s<0
|
5
|
|
4
|
→
|
x*s=0 и y*s=0
|
1
|
|
4
|
→
|
x*s>0 и y*s<0
|
2
|
|
4
|
→
|
x*s>0 и y*s>0
|
3
|
|
4
|
→
|
x*s<0 и y*s<0
|
5
|
|
5
|
→
|
x*s=0 и y*s=0
|
1
|
|
5
|
→
|
x*s>0 и y*s>0
|
2
|
|
5
|
→
|
x*s<0 и y*s>0
|
3
|
|
5
|
→
|
x*s>0 и y*s<0
|
4
|
Рассмотрим систему уравнений для 1-го состояния модели (рис. 3.16).
Вызовем окно редактора формул, в котором задано начальное состояние системы
согласно (3.6 - 3.9). Состояния системы № 2,3,4 и 5 также содержат данную
систему уравнений, однако значение ψ1 и ψ2 вычисляются согласно (3.9 - 3.10).
Рис. 3.16
Результат работы модели системы с переменной структуры с управляющим
воздействием по координате ошибки и её производной представлен на временной
диаграмме (рис. 3.17) и фазовой диаграмме (рис. 3.18).
Рис. 3.17 Временная диаграмма
Временная диаграмма модели иллюстрирует сигнал ошибки - x, y=x\, u - управляющее воздействие, а также
изменение ψ1,ψ2 согласно (3.9 -3.10)
Рис. 3.18 Фазовая диаграмма
Так как и в первом случае анализируя полученную фазовую диаграмму следует
сказать, что модель системы с переменной структурой является устойчивой,
фазовые траектории стремятся 0, система попадает в скользящий режим.
Следовательно, для исходной системы четвертого порядка с помощью двух
коммутаций всегда можно обеспечить существование гиперплоскости скольжения с
устойчивым движением.
3.4
Моделирование СПС с помощью подсистемы Simulink пакета MathLab
моделирование переменный
линейный
В качестве дополнительного примера иллюстрирующего модель системы с
переменной структурой приведём пример системы смоделированной в подсистеме Simulink пакета MathLab, преимущества данной подсистемы были описаны в п.
3.1.
Рассмотрим синтез закона управления, обеспечивающего существование
скользящего режима для существенно нелинейного объекта, описываемого системой
ДУ вида:
(3.12)
гиперповерхность S(x1,x2,x3) выберем
следующего вида
(3.13)
где коэффициент с3 для простоты примем равным единице, а коэффициенты с1
и с2 выберем из условия симметрирования в пространстве гиперплоскости
скольжения: с1=с2=с; c>0 . В этом случае будет удовлетворяться условие
устойчивости решения соответствующего дифференциального уравнения.
Уравнение гиперплоскости скольжения в этом случае запишется следующим
образом:
S(x1,x2,x3)=cx1+cx2+cx3 (3.14)
Полная производная по времени dS(x1,x2,x3)/dt взятая в силу системы (3.12),
будет иметь вид
(3.15)
Подставим полученное выражение для производной в (3.16), откуда найдем
выражение для закона управления (3.17)
(3.16)
(3.17)
Полученный алгоритм управления содержит в себе операции взятия модуля и
присвоения знака, которые легко реализуются с помощью цифровой системы
управления. Кроме этого следует отметить, что нелинейности объекта управления
входят в функцию управления непосредственно, т.е. от нас не требуется обращать
или дифференцировать нелинейности, входящие в структуру объекта. Это является
существенным преимуществом предложенного метода перед другими методами синтеза
нелинейных САУ.
Функциональная схема состоит из объекта управления, представляющего собой
перевернутый маятник (3.12) и нелинейного регулятора, формирующего требуемый
разрывной закон управления U(x1,x2,x3) (3.17).
Регулятор состоит из линейной части (включающей в себя обратные связи по
фазовым координатам x2,x3) и нелинейной части (включающей нелинейные блоки
sin() и модуль).
Модель системы, набранная в пакете прикладных программ Matlab, представлена на рис. 3.19.
Поведение системы в фазовом пространстве изображено на рис. 3.20. Система
попадает в скользящий режим, о чём свидетельствуют фазовые траектории, которые
стягиваются в т. 0. Что касается управляющего воздействия U(x1,x2,x3),
поведение которого мы можем наблюдать на рис. 3.21, как и координаты ошибки
управления - x рис. 3.22 подтверждает тот факт, что
система с переменной структурой попадает в скользящий режим, то есть
изображающая точка колеблется с бесконечно большой частотой в некоторой малой
окрестности гиперповерхности разрыва. Условия срабатывания переключений в
системе показаны на рис. 3.23.
Рис. 3.19 Структурная схема модели СПС
Рис. 3.20 Фазовая диаграмма
Рис. 3.21 Управляющее воздействие
Рис. 3.22 Координата ошибки
Рис. 3.23 Переключения в системе с переменной структурой
Выводы по IIІ
разделу
В данном разделе были рассмотрены основные инструменты для визуального моделирования
сложных динамических систем, к которым относятся такие программные средства как
подсистема Simulink пакета MatLab, подсистема StateFlow и программный продукт Model Vision Studium.
Model Vidion Studium и был выбран в качестве основного
программного обеспечения для моделирования систем с переменной структурой,
благодаря следующим характеристикам:
а) поддержка технологии объектно-ориентированного моделирования;
б) удобное и адекватное описание гибридных (непрерывно-дискретных)
систем;
в) обеспечение достоверности численного решения;
г) обеспечение моделирования и визуализации результатов без
написания какого-либо программного кода.
Построение модели с переменной структурой состояло из следующих этапов:
а) создание структурной схемы работы модели, которая включает
основные элементы системы;
б) карту поведения, для отображения поведения (переходов) системы в
зависимости от значения ошибки переменной и ёё производной;
в) составление уравнений работы модели системы;
г) построение графиков для отображения результатов работы.
При выполнении данных задач были составлены две модели систем с
переменной структурой с двумя различным типами управляющего воздействия:
а) управление с использованием воздействий по координате ошибки;
б) управление с использованием воздействий по координате ошибки и её
производной.
В качестве дополнительного примера была продемонстрирована модель системы
с переменной структурой разработанная в подсистеме Simulink пакета MathLab. В данном случае рассматривалась система второго
порядка, функциональная схема которой состоит из объекта управления,
представляющего собой перевернутый маятник и нелинейного регулятора,
формирующего необходимый закон управления.
В результате анализа смоделированных систем с переменной структурой можно
прийти к выводу о том, что системы данного типа обладают свойством грубости, то
есть нечувствительности к изменению параметров системы и инвариантности к
внешним возмущениям.
ВЫВОДЫ
В данной квалификационной работе мною были рассмотрены основы теории
систем с переменной структурой: актуальность и необходимость использования
систем данного вида, анализ работы систем (основные режимы работы, управление в
системах с переменной структурой, факторы влияющие на поведение системы),
инструменты позволяющие выполнить моделирование данного класса систем.
Системы с переменной структурой - класс нелинейных систем с разрывным
управлением. Системы в которых связи между функциональными элементами меняются
тем или иным образом, в отличие от систем с фиксированной структурой, в которых
совокупность функциональных элементов и характер связей между ними остаются
неизменными.
Одним из режимов работы таких систем является скользящий режим,
характеризуемый бесконечной частотой переключения функции управления.
Скользящий режим возникает, если в окрестности поверхности, на которой функция
управления претерпевает разрывы, фазовые траектории направлены навстречу друг
другу
После попадания на поверхность разрыва изображающая точка не может в
течение любого даже сколь угодно малого, но конечного интервала времени
двигаться по любой из траекторий, примыкающих к этой поверхности, при любом
смещении всегда возникает движение, возвращающее изображающую точку на
поверхность разрыва.
Скользящие режимы обладают рядом привлекательных свойств с точки зрения
построения систем автоматического управления. Одна из особенностей, связанная с
независимостью их от характеристик управляемого объекта и возможностью наделить
их желаемыми свойствами, и обуславливает широкое применение скользящих
движений.
Таким образом, системы с переменной структурой относят к классу
адаптивных систем - систем, которые с целью обеспечения заданного качества
регулирования автоматически приспосабливаются к непредвиденным изменениям
параметров объекта и внешней среды.
Для построения модели использовались специальные инструменты для
визуального объектно-ориентированного моделирования сложных динамических
систем, такие как Model Vision Studium и подсистема Simulink пакета MathLab. Практическое моделирование СПС проводилось на
системах различных порядков. Результаты полученные в ходе моделирования
свидетельствуют о том, что поведение системы не зависит от параметров объекта и
внешних возмущающих воздействий, а лишь зависит от управляющего воздействия.
2. Барабашин Е. А., Геращенко Е. И., О форсировании
скользящих режимов в системах автоматического регулирования. Дифференциальные
уравнения, т. 1, № 1, 1965. 292 с.
. Башкиров А. А., Графоаналитический метод построения
переходных процессов в системах автоматического регулирования. В книге «Основы
автоматического регулирвания» под ред. В.В. Солодовникова, Машгиз, 1954. 356 с.
. Бенькович Е. С., Колесов Ю. Б., Сениченков Ю.Б.,
Практическое моделирвание динамических систем -Спб.: БХВ-Петербург, 2002.- 464
с.: ил.
. Геращенко Е. И., Об устойчивости одной системы
регулирования с форсированным скользящим режимом. Дифференциальные уравнения,
т. 1 №12, 1965. 384 с.
. Геращенко Е.И., Клейменов А.Ф., Анализ одной
нелинейной системы методом разделения движений. Дифференциальные уравнения, т.
1, №10, 1965. 383 с.
. Колесов Ю. Б., Model Vision Studium - инструмент для визуального
объектно-ориентированногомоделирования сложных динамических систем -Спб.:
БХВ-Петербург, 2001г., с.5-46.
. Кулебакин В. С., Высококачественные инвариантные
системы регулирования. Труды I
Совещания по теории инвариантности, изд-во АН УССР, 1959. 312 с.
. Мееров М. В., Системы многосвязного регулирования.
Изд-во «Наука», 1965. 415 с.
. Петров В.В., Уланов Г.М., Теория двух простейших
релейных систем авторегулирования. Автоматика и телемеханика, т. II, № 5, 1950. 272 с.
. Солодовников В.В., Об одном приближенном методе
исследования динамических систем регулирования и следящих систем. Изв. АН СССР,
ОТН, №2, 1965. 372 с.
. Емельянов С.В. Теория систем с переменной структурой
М.: Наука, 1970. 592 c.
. Уткин В. Н. Скользящие режимы и их применение в
системах с переменной структурой. М. Наука, 1974. 456 с.
. Цыпкин Я.З., Теория релейных систем автоматического
регулирования. Гостехиздат, 1955. 342 с.