Релейная защита и автоматизация систем электроснабжения

  • Вид работы:
    Курсовая работа (т)
  • Предмет:
    Физика
  • Язык:
    Русский
    ,
    Формат файла:
    MS Word
    471,22 Кб
  • Опубликовано:
    2012-11-20
Вы можете узнать стоимость помощи в написании студенческой работы.
Помощь в написании работы, которую точно примут!

Релейная защита и автоматизация систем электроснабжения

Министерство образования и науки российской федерации

Филиал федерального государственного бюджетного образовательного учреждения

высшего профессионального образования

«Южно-Уральский государственный университет»

(Национальный исследовательский университет) в г. Озерске

Кафедра «Информатика»




ПОЯСНИТЕЛЬНАЯ ЗАПИСКА

К КУРСОВОЙ РАБОТЕ

«Релейная защита и автоматизация систем электроснабжения»

Нормоконтролер

Д.П. Химичева

Руководитель

С.Н. Разыграев

Автор работы

студент группы 436-ОзЗ

С.Н. Жирнов



Озерск 2012 г.

АННОТАЦИЯ

В данной курсовой работе произведен выбор схемы РЗ для линий 6-10 кВ, расчёт тока срабатывания защиты по стороне 6 кВ, выбор трансформатора тока, расчёт тока срабатывания реле и тока отсечки, выбор схемы РЗ для линий 110 кВ, расчёт тока срабатывания защиты по стороне 110 кВ, выбор трансформатора тока, расчёт тока срабатывания реле и тока отсечки, дифференциальная защита, газовая защита.

ВВЕДЕНИЕ

Выбор выключателей произведен в курсовой по электропитающим системам и электрическим сетям.

Токовые защиты реагируют на ток в защищаемой линии и приходят в действие, когда этот ток превышает заранее установленную величину. Резкое увеличение тока (появление сверхтока) является одним из наиболее характерных и четких признаков возникновения коротких замыканий (КЗ), а также других нарушений нормального режима (например, перегрузок).

Для выявления возникновения КЗ или другого нарушения нормального режима служит измерительный или пусковой орган, который производит пуск защиты. В токовых защитах в качестве измерительного органа используется реле увеличения тока (максимальные токовые реле). Пусковой орган токовой защиты - токовое реле - подключается к вторичной обмотке трансформатора тока, и ток в пусковом органе пропорционален току защищаемой линии. Пусковой орган срабатывает, когда ток через него превысит заранее установленную величину - ток срабатывания реле - или когда ток в защищаемой линии превысит заранее установленную величину, называемую током срабатывания защиты. Правильное выявление возникновения аварии достигается установкой строго определенной величины тока срабатывания.

Однако появление сверхтока в линии не всегда является признаком повреждения именно данной линии. В радиальной сети, состоящей из последовательно соединенных участков линий, при повреждении наиболее удаленной от источника питания линии ток КЗ проходит и по неповрежденным линиям.

Если величина тока короткого замыкания превысит токи срабатывания защит АК1-АК3, то срабатывает пусковой орган защит как поврежденной линии, так и неповрежденных линий. Для правильной ликвидации аварии - отключения только поврежденной линии - необходимо, чтобы защиты были селективными.

По способу обеспечения селективности токовые защиты подразделяются на максимальные токовые защиты и токовые отсечки.

Селективность максимальных токовых защит (МТЗ) обеспечивается различными временами срабатывания. Временем срабатывания защиты называется выдержка времени от момента возникновения сверхтока до момента воздействия на выключатель.

В радиальной сети с односторонним питанием времена срабатывания защит должны возрастать в направлении к источнику питания .При такой настройке выдержек времени в случае возникновения КЗ на наиболее удаленной линии могут запуститься все защиты, но первой сработает защита АКЗ. После этого прохождение тока КЗ прекратится и защиты АК2 и АК1 должны вернуться в исходное положение до того, как истечет установленная на них выдержка времени.

Свойство селективности максимальной токовой защиты не исключает возможность срабатывания защиты АК2 (как резервной) в случае отказа защиты АКЗ поврежденной линии. Такие защиты, которые могут использоваться для выполнения функций дальнего резервирования, называются защитами с относительной селективностью.

Селективность токовой отсечки в отличие от максимальной токовой защиты достигается не выдержкой времени, а ограничением зоны ее действия. Для этого ток срабатывания отсечки отстраивается от тока КЗ при коротком замыкании в конце защищаемой линии (на шинах противоположной подстанции) Токовая отсечка принципиально не может срабатывать при КЗ на смежной линии и относится к защитам с абсолютной селективностью. Зона действия отсечки определяется графически.

Величина тока КЗ уменьшается по мере удаления точки КЗ от источника питания (увеличивается сопротивление до места КЗ). Кривая изменения тока КЗ в зависимости от удаленности места КЗ от источника питания может быть построена на основе вычисления величины тока КЗ при коротком замыкании в начале и в конце линии.

Поскольку отсечка не обеспечивает защиту всей длины линии, то она может использоваться только в качестве дополнительной защиты, вводимой для ускорения отключения КЗ на головном участке радиальной сети, где токи КЗ имеют наибольшее значение.

Ток срабатывания максимальной токовой защиты отстраивается от максимального тока нагрузки. Максимальный ток нагрузки имеет место при восстановлении напряжения на защищаемой линии после отключения внешнего КЗ, когда происходит самозапуск электродвигателей. Пусковые органы токовой защиты линии, сработавшие в момент возникновения внешнего КЗ, после отключения этого КЗ защитой поврежденного элемента должны вернуться в исходное положение.

Коэффициент чувствительности токовой отсечки определяется, как отношение тока КЗ в месте установки защиты ( в начале линии) к току срабатывания защиты.

При этом ток  определяется в наиболее благоприятном по условию чувствительности режиме.

Коэффициент чувствительности максимальной токовой защиты при её использовании в качестве основной должен быть не менее 1,5; а при использовании в качестве резервной - не менее 1,2. Для токовых отсечек без выдержки, выполняющих на линии функции дополнительной защиты, коэффициент чувствительности должен быть не менее 1,2.

Ток срабатывания пускового органа защиты - уставка токового реле - определяется по току срабатывания защиты с учётом схемы включения токовых реле.

Применяются различные схемы включения пусковых органов максимальной токовой защиты:

- трехфазная схема (схема полной звезды);

-        двухфазная схема соединения трансформаторов тока в неполную звезду (двухрелейная и трехрелейная);

- двухфазная однорелейная схема с включением токового реле на разность токов двух фаз.

Для защиты линий распределительных сетей напряжением 6-10 кВ используется, как правило, двухфазная двухрелейная схема с соединением трансформаторов тока в неполную звезду и включением реле на фазные токи. Обеспечение селективности максимальных токовых защит достигается за счёт согласования выдержек времени защит смежных участков. Способ создания выдержек в схемах МТЗ зависит от особенностей используемых измерительных органов защит.

Если в качестве пусковых органов токовой защиты используют токовые реле мгновенного действия (например, реле типа РТ-40) выдержка времени максимальной токовой защиты создаётся с помощью дополнительного органа выдержки времени - реле времени. В этом случае выдержка времени не зависит от величины тока КЗ, поэтому защита такого типа называется максимальной токовой защитой с независимой характеристикой времени срабатывания.

Токовая отсечка в большинстве случаев должна работать как защита мгновенного действия и выполняется на токовых реле мгновенного действия РТ-40 или электромагнитных элементах реле РТ-80.

трансформатор реле ток

1. Выбор схемы РЗ для линий 6 - 10 кВ


Для выполнения расчетов используем следующие данные:

Таблица 1 - Паспортные данные трансформатора 6 кВ

Тип трансформатора

Ном. мощность, кВА

Сочетание напряжений, кВ

Напр. КЗ, %



ВН

НН


ТМГ-1000 /6

1000

6

0,4

5,5


Исходные данные из курсовой работы «Электропитающие системы и электрические сети»:

Iраб.мах = 128,3 А

Iкз2 = 8,416 кА

Для воздушных и кабельных линий 6 - 10кВ предусматриваются устройства релейной защиты, действующие при многофазных замыканиях в линии и по возможности осуществляющие резервное действие при КЗ.

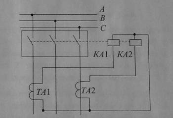
Для защиты заданного участка линии от многофазных замыканий была выбрана схема максимально токовой защиты в двухрелейном исполнении

Рисунок 1 - Схема неполной звезды


1.1 Расчет тока срабатывания защиты по стороне 6кВ


Ток срабатывания защиты рассчитывается по формуле

,

где kотс = 1,2 - коэффициент отстройки;

kв = 0,85 - коэффициент возврата (для РТ-80);

k`з = 1.

1.2 Выбор трансформатора тока

С учетом тока нагрузки защищаемого элемента, его рабочего напряжения и вида РЗ выбирают тип ТТ и его номинальный коэффициент трансформации, после чего проводят проверку на термическую и динамическую стойкость. Выбранные таким образом ТТ проверяют на точность и надежность работы питающейся от них РЗ, исходя из следующих требований ПУЭ:

). обеспечения точности работы измерительных органов РЗ при КЗ в расчетных точках электрической сети, выбираемых в зависимости от типа РЗ, при этом полная погрешность ТТ не должна превышать 10%;

). ограничения напряжения во вторичных цепях ТТ и РЗ до допустимых значений при 1К max.

Исходя, из сказанного выше был выбран трансформатор ТПЛ - 10-М с коэффициентом трансформации 200/5.

 

.3 Расчет тока срабатывания реле и тока отсечки


Ток срабатывания реле рассчитывается по формуле:


Т.к. не существует реле типа РТ-81/2 с уставкой 4,53 А, выбираем уставку 4,5 А.

Рассчитаем Iсз, исходя из Iср = 4,5А:

Iсз = 4,5 × 40 = 180А

Время срабатывания защиты:= Dt + 0,5 = 0,5 + 0,5 = 1 сек,

где Dt - время срабатывания реле;

,5 - время прохождения сигнала.

Iотс = kотс × Iкз = 1,3 × 6,57 = 8,541 кА


Кратность отсечки реле


Т.к. отсечки 47,45 у реле РТ-81/2 не бывает, принимаем отсечку 12.

Iотс = 180 × 12 = 2160 А

Выбираем реле типа РТ-81/2 с уставкой 4,5 А, ток уставки 180 А, ток отсечки 2160 А, время срабатывания реле 1 секунда.

В результате данные релейной защиты по линии 6 кВ следующие:

Iуст=180А; t=1с; Iотс =2160А

 

2. Выбор схемы РЗ для линий 110 кВ


Для выполнения расчетов используем следующие данные:

Таблица 2 - Паспортные данные трансформатора 110 кВ

Тип трансформатора

Ном. мощность, МВА

Сочетание напряжений

Напр. КЗ, %



ВН

НН


ТДН-10000/110

10

115

6,3

10,5


Исходные данные из курсовой работы «Электропитающие системы и электрические сети»:

Iраб.мах = 100,4 А

Iк1 = 9,483 кА

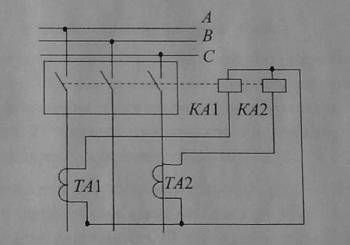
Для защиты заданного участка линии от многофазных замыканий была «Электропитающие системы и электрические сети»

Рисунок 2 - Схема неполной звезды

 

2.1 Расчёт тока срабатывания защиты по стороне 110 кВ


Ток срабатывания защиты рассчитывается по формуле

,

где kотс = 1,2 - коэффициент отстройки;в = 0,85 - коэффициент возврата (для РТ-80);

kз = 1.

 

2.2 Выбор трансформатора тока


С учетом тока нагрузки защищаемого элемента, его рабочего напряжения вида РЗ выбирают тип ТТ и его номинальный коэффициент трансформации, после чего проводят проверку на термическую и динамическую стойкость. Выбранные таким образом ТТ проверяют на точность и надежность работы питающейся от них РЗ, исходя из следующих требований ПУЭ:

). обеспечения точности работы измерительных органов РЗ при КЗ в расчетных точках электрической сети, выбираемых в зависимости от типа РЗ, при этом полная погрешность ТТ не должна превышать 10%;

). предотвращения отказа срабатывания РЗ при наибольших значениях тока КЗ в начале участка, защищаемого РЗ, вследствие чрезмерного увеличения погрешности ТТ и искажения формы кривой вторичного тока, могущей вызвать вибрацию контактов у электромеханических реле, снижение чувствительности и быстродействия у полупроводниковых реле под влиянием высших гармоник;

). ограничения напряжения во вторичных цепях ТТ и РЗ до допустимых значений при Iк мах.

Исходя, из сказанного выше выбираем трансформатор ТФЗМ 110 Б-IV У1 с коэффициентом трансформации 200/5.

2.3 Расчет тока срабатывания реле и тока отсечки

Ток срабатывания реле рассчитывается по формуле


Так как реле с током срабатывания 3,54 А отсутствует, выбираем ток срабатывания реле 3,5 А.

Рассчитаем Iсз, исходя из Iср = 3,5 А:

Iсз = 3,5 × 40 = 140А

Время срабатывания защиты:= Dt + 0,5 = 0,5 + 0,5 = 1 сек,

где Dt - время срабатывания реле;

,5 - время прохождения сигнала.

Iотс = kотс× Iкз = 1,2 × 9,483 = 11,379 кА


Кратность отсечки реле:


Т.к. отсечки 81,28 у реле РТ-81/2 не бывает, принимаем отсечку 12.

Iотс = 180 × 12 = 2160 А

Выбираем реле типа РТ-81/2 с уставкой 3,5 А, ток уставки 140 А, ток отсечки 2160 А, время срабатывания реле 1 секунда. В результате данные релейной защиты по линии 110 кВ следующие: Iуст=140А; t=1с; Iотс =2160А.

3. Дифференциальная защита


Дифференциальная защита, выполненная на принципе сравнения токов на входе и выходах, применяется в качестве основной быстродействующей защиты трансформаторов и автотрансформаторов. Защита абсолютно селективно реагирует на повреждения в обмотках, на выводах и в соединениях с выключателями, и действует на отключение трансформатора со всех сторон без выдержки времени. Зона действия дифференциальной защиты трансформатора (ДЗТ) ограничивается местом установки трансформаторов тока, и включает в себя ошиновку СН, НН и присоединение ТСН, включенного на шинный мост НН. Ввиду ее сравнительной сложности, дифференциальная защита устанавливается в следующих случаях (Л1):

на одиночно работающих трансформаторах (автотрансформаторах) мощностью 6300 кВА и выше;

на параллельно работающих трансформаторах (автотрансформаторах) мощностью 4000 кВА и выше;

на трансформаторах мощностью 1000 кВА и выше, если токовая отсечка не обеспечивает необходимой чувствительности при КЗ на выводах высшего напряжения (кч < 2), а максимальная токовая защита имеет выдержку времени более 0,5 сек.

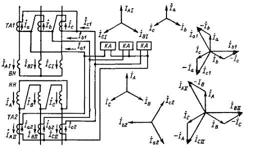
При параллельной работе трансформаторов (автотрансформаторов) дифференциальная защита обеспечивает не только быстрое, но и селективное отключение поврежденного трансформатора (автотрансформатора), что поясняется на рисунке 3. Если параллельно работающие трансформаторы Т1 и Т2 оснащены только максимальными токовыми защитами, то при повреждении на вводах низшего напряжения трансформатора, например в точке К, подействуют максимальные токовые защиты обоих трансформаторов, а так как их выдержки времени одинаковы, отключатся оба трансформатора. Дифференциальная зашита, действующая без выдержки времени, обеспечивает в рассмотренном случае отключение только поврежденного трансформатора. Для выполнения дифференциальной защиты трансформатора (автотрансформатора) устанавливаются ТТ со стороны всех его обмоток, как показано на рисунке для двухобмоточного трансформатора. Вторичные обмотки ТТ соединяются в дифференциальную схему и параллельно к ним подключается токовое реле. Аналогично выполняется дифференциальная защита автотрансформатора.

При параллельной работе трансформаторов (автотрансформаторов) дифференциальная защита обеспечивает не только быстрое, но и селективное отключение поврежденного трансформатора (автотрансформатора), что поясняется на рисунке 3.

Рисунок 3 - Защита при параллельной работе трансформаторов

Если параллельно работающие трансформаторы T1 и Т2 имеют только максимальные токовые защиты, то при повреждении, например, в точке К на вводах низшего напряжения трансформатора T1 подействуют максимальные токовые защиты обоих трансформаторов, а так как их выдержки времени одинаковы, отключатся оба трансформатора.

При рассмотрении принципа действия дифференциальной защиты условно принимается, что защищаемый трансформатор имеет коэффициент трансформации, равный единице, одинаковое соединение обмоток и одинаковые трансформаторы тока с обеих сторон.

При прохождении через трансформатор сквозного тока нагрузки или к. з. ток в реле равен:


При принятых выше условиях и пренебрегая током намагничивания трансформатора, который в нормальном режиме имеет малую величину, можно считать, что первичные токи равны II= III и, следовательно, вторичные токи I1 =I2.


Таким образом, если схема дифференциальной защиты выполнена правильно и трансформаторы тока имеют точно совпадающие характеристики, то при прохождении через трансформатор тока нагрузки или тока сквозного к. з. ток в реле дифференциальной защиты трансформатора отсутствует. Следовательно, дифференциальная защита трансформатора, так же как дифференциальная защита линий, на такие режимы не реагирует.

Рисунок 4 - Принцип действия дифференциальной защиты трансформатора

Практически вследствие несовпадения характеристик трансформаторов тока вторичные токи не равны и поэтому в реле проходит ток небаланса, т. е.


Для того чтобы дифференциальная защита не подействовала от тока небаланса, ее ток срабатывания должен быть больше этого тока, т. е.:


При КЗ в трансформаторе или любом другом месте между трансформаторами тока направление токов III и I2 изменится на противоположное. При этом ток в реле станет равным:

или


Таким образом, при КЗ в зоне дифференциальной защиты в реле проходит полный ток КЗ, деленный на коэффициент трансформации трансформаторов тока. Под влиянием этого тока защита срабатывает и производит отключение поврежденного трансформатора.

4. Газовая защита трансформатора

Газовая защита - это защита от внутренних повреждений трансформатора, сопровождающихся выделением газа, понижением уровня масла в газовом реле, или интенсивным движением потока масла из бака трансформатора в расширитель. Для правильной работы ГЗ корпус трансформатора устанавливается с наклоном 1,5-2% в сторону расширителя. Газовое реле устанавливается в рассечку трубопровода от корпуса трансформатора к расширителю. Газовая защита абсолютно селективна и не реагирует на повреждения вне бака трансформатора. Газовая защита трансформатора выполняется двухступенчатой:

Первая ступень ГЗ срабатывает при не значительном выделении газа, или понижении уровня масла в газовом реле, и с выдержкой времени действует на сигнал.

Вторая ступень ГЗ срабатывает при значительном выделении газа, понижении уровня масла в газовом реле, или при интенсивном движении потока масла из бака трансформатора в расширитель, и действует на отключение трансформатора со всех сторон без выдержки времени.

Образующиеся при местном перегреве или при дуговом замыкании внутри бака трансформатора газы выталкивают масло из трубопровода и газового реле, а затем прорываются в расширитель, заполняя по пути газовое реле. При незначительном выделении газа, он через трубу заполняет верхнюю часть газового реле, а излишек проходит в расширитель. Таким образом, в газовом реле скапливается газ, который можно выпустить через кран, или набрать в специальную емкость и направить на анализ. Внутри объема, где скапливается газ, находится поплавок, который при появлении газа опускается и замыкает контакты, действующие на сигнал (сигнальный элемент газового реле). При срабатывании сигнализации, необходимо отключить трансформатор, взять пробы газа; состав газа, затем анализируется. Для отбора пробы газа реле оснащено специальным краном, а для наблюдения за количеством газа имеется специальное окно с делениями. Простейшим способом анализа является проверка газа на горючесть и цвет. Горючие газы образуются в масле под действием электрической дуги и свидетельствуют о ее появлении внутри бака трансформатора. Окрашивание газа происходит при горении твердой изоляции внутри трансформатора. Химический анализ дает более точные сведения о характере повреждения. Следует иметь в виду, что в газовом реле может оказаться и воздух, который был растворен в масле и начал выделяться после его нагрева. Инструкциями запрещается отбор газа на трансформаторе, находящемся под напряжением, из соображений безопасности - незначительное вначале повреждение может перерасти в большое повреждение с разрывом бака и пожаром, вследствие чего пострадает персонал, отбирающий пробу газа. Второй элемент (поплавок) газового реле расположен внутри реле прямо на пути потока масла из трубы в расширитель, он может опуститься под давлением масла при его выбросе или при заполнении реле газом. Для четкой работы при выбросе масла в современных реле поплавок дополнительно соединяется со специальной заслонкой.

Рисунок 5 - Газовое реле типа BF-80

Сверху на корпусе реле находятся кран для отбора проб газа и выпуска воздуха, и под защитным колпачком, - кнопка опробования исправности газового реле. Нажатие кнопки на % хода вызывает срабатывание сигнального контакта реле. Нажатие кнопки опробования до упора вызывает срабатывание отключающего контакта газового реле. Возврат реле происходит автоматически после освобождении кнопки опробования. Кнопку опробования ГЗ удобно использовать при опробовании работы короткозамыкателя и отделителя.

Выброс масла или выделение сразу большого объема газа происходит при серьезном повреждении внутри бака, поэтому, вторая ступень ГЗ действует на отключение без выдержки времени.

Отключающий элемент срабатывает также при отсутствии масла в газовом реле. Обычно это происходит при течи из бака, когда масло целиком ушло из расширителя и газового реле. Но существует и другая возможность: между газовым реле и расширителем имеется кран, перекрывающий выход масла из расширителя.

Если этот кран оставить в закрытом состоянии, то при понижении температуры масла в трансформаторе уровень его понизится и масло уйдет из газового реле. Трансформатор отключится. Поэтому оперативный персонал обязан проверить положение крана перед включением трансформатора.

Новый трансформатор должен включаться с введенным на отключение сигнальным поплавком газовой защиты, который может сработать и при начинающемся повреждении трансформатора, до короткого замыкания в нем.

При включении нового трансформатора по мере его нагрева происходит выделение воздуха, растворенного в масле. Он заполняет газовое реле и его необходимо время от времени выпускать. Выводить действие отключающего элемента на отключение до прекращения выделения воздуха не разрешается. Струйный элемент газовой защиты имеет уставку срабатывания по скорости масла (диаметр отверстия в заслонке).

Величина уставки определяется по заводской инструкции и может корректироваться в зависимости от состояния трансформатора. Дело в том, что бросок масла происходит не только при повреждении внутри трансформатора, но и при внешних коротких замыканиях.

При КЗ динамическим воздействием тока обмотки трансформатора сжимаются и посылают толчком масло в расширитель. Сжатию препятствуют клинья которые раскрепляют обмотку. Однако со временем клинья усыхают и деформируются, а витки обмотки получают возможность некоторого перемещения. При этом бросок масла становится сильнее и скорость потока масла увеличивается. В какой то степени срабатывания газовой защиты можно избежать путем загрубления уставки по скорости масла, если срабатывание газовой защиты происходит при толчке масла. Но лучше выполнить капитальный ремонт трансформатора с укреплением обмоток.

ЗАКЛЮЧЕНИЕ

В данной курсовой работе рассмотрены вопросы, связанные с выбором релейной защиты и автоматики для линий 6кВ и 110кв.

Произведенный расчет токов короткого замыкания в схеме электроснабжения помог правильно выбрать параметры защитной и коммутационной аппаратуры, оценить величину тока короткого замыкания и воздействие его на схему в различных ее точках.

Все принимаемые конструктивные решения были технически обоснованы теми или иными причинами и соответствуют требованиям нормативных документов.

БИБЛИОГРАФИЧЕСКИЙ СПИСОК

1. Адоньев, Н.М. Справочник по электротехническим аппаратам высокого напряжения / В.В. Афанасьев , И.М.Бортник. - Л.: Энергоатомиздат, 1987.-544 с.

. Беляева, Е. Н. Как рассчитать ток короткого замыкания /Е. Н. Беляева. - М.: Энергоиздат, 1983. - 136 с.

. Васильев, А.А. Электрическая часть станций и подстанций / А.А. Васильев, И.П. Крючков. - М.: Энергоатомиздат, 1990. - 562 с.

. Околович, М.Н. Проектирование электрических станций / М.Н. Околович. М.: Энергоатомиздат, 1983. - 400 с.

. Рокотян, С.С. Справочник по проектированию подстанций 35-500 кВ / С.С. Рокотян, Я. С.Самойлов. - М.: Энергоатомиздат, 1982.- 352 с.

. Рожкова, Л.Д. Электрооборудование электрических станций и подстанций Л.Д. Рожкова, Л.К. Корнеева, Т.В. Чиркова. - М.: Издательский центр «Академия», 2004. - 448 с.

. Руцкий, А.И. Электрические станции и подстанции / А.И. Руцкий. - Киев: Высшая шк., 1974. - 438 с.

. Семчинов, А.М. Токопроводы промышленных предприятий / А.М. Семчинов. - Л.: Энергоиздат, 1981. - 208 с.

. Чунихин, А.А. Электрические аппараты высокого напряжения / А.А. Чунихин.- М.: Информэлектро, 1997. - 122 с., 211 с., 140 с.

Похожие работы на - Релейная защита и автоматизация систем электроснабжения

 

Не нашли материал для своей работы?
Поможем написать уникальную работу
Без плагиата!
Без нейросетей!