Расчет защит ЛЭП и понижающих трансформаторов
Министерство
образования и науки Российской Федерации
Федеральное
бюджетное образовательное учреждение высшего профессионального образования
Ивановский
государственный энергетический университет им. В.И. Ленина
Кафедра АУЭС
Курсовая
работа
на тему:
Расчет защит
ЛЭП и понижающих трансформаторов
Содержание
Список
используемых сокращений
. Расчет
токовых защит от междуфазных КЗ линий с односторонним питанием напряжением 6кВ
1.1 Задание
1.2 Исходные
данные
1.3 Общая
характеристика участка защищаемой сети и заданного варианта его защиты
1.4 Расчет
максимальных рабочих токов
.5 Расчет
ТКЗ
.6 Расчет
ТО и МТЗ
.7 Принципиальная
схема защиты линий
2. Расчет
токовых защит понижающих трансформаторов
.1 Задание
2.2 Исходные
данные
2.3 Общая
характеристика защищаемого объекта
2.4 Назначение
защит понижающего трансформатора
.5 Расчет
дифференциальной токовой защиты
.6 Расчет
МТЗ с комбинированным пуском по напряжению
.7 Принципиальная
схема защиты
Список
литературы
Список используемых сокращений
ПС - подстанция;
ТКЗ - ток короткого замыкания;
ТТ - трансформатор тока;
ТН - трансформатор напряжения;
ВН - высшее напряжение;
НН - низшее напряжение;
КЛ - кабельная линия;
ЭЭС - электроэнергетическая система;
РПН - регулирование под нагрузкой;
Л - линия;
МТЗ - максимальная токовая защита;
КЗ - короткое замыкание;
ТО - токовая отсечка;
АВР - автоматическое включение резерва;
АПВ - автоматическое повторное включение;
ТСН - трансформатор собственных нужд;
РП - распределительный пункт;
ЭД - электродвигатель;
ИП - источник питания;
УРОВ - устройство резервирования отказа
выключателей;
РПО - реле положения отключено;
РПВ - реле положения включено;
АВ - автоматический выключатель;
ЭМО - электромагнит отключения;
ЭМВ - электромагнит включения;
ЗОФ - защита от обрыва фаз;
ЗМН - защита минимального напряжения;
ОЗЗ - однофазное замыкание на землю;
ЗПН - защита от повышения напряжения;
ВМ блокировка - вольтметровая блокировка;
ДЗТ - дифференциальная защита трансформатора;
УР - установившийся режим;
АЦП - аналого-цифровой преобразователь;
БНТ - бросок намагничивающего тока.
1. Расчёт токовых защит от междуфазных КЗ линий
с односторонним питанием напряжением 6 кВ
Расчет производится для блока микропроцессорной
защиты Сириус-2-МЛ
1.1 Задание
Рассчитать уставки по току и по времени ТО на
линии Л5 и МТЗ на Л4 и Л5 с независимой выдержкой времени на постоянном
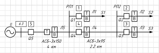
оперативном токе 110В для участка кабельной сети, изображённого на рис.1.1.
Составить принципиальные схемы защиты линий Л4 и Л5.
Рис.1.1 Схема участка кабельной сети.
1.2 Исходные данные
Вариант 1
. Мощность нагрузки линии
. Мощность трехфазного КЗ на шинах системы
. Токи срабатывания защит Л1 и Л3 выбраны
четырехкратными по отношению к токам нагрузки линий из условия отстройки от
режима самозапуска ЭД.
4. В ЭЭС установлены вакуумные выключатели
типа ВР6-6-40-1600/У2 с полным временем отключения 0.065 с.
. Время срабатывания МТЗ линий.
. Коэффициент самозапуска для нагрузок Л2, Л4
и Л5 - 2.5.
7. Удельное индуктивное сопротивление
линий - 0.08 Ом/км.
. Погрешность по времени защит 1,2 и 3 -
±0.025 с.
. Коэффициенты трансформации ТТ, к
которым присоединены защиты Л4 и Л5 определяются по значениям токов нагрузки,
протекающим по линиям.
. Считать, что по соображениям
устойчивости ИП и термической стойкости заданных КЛ на Л1 - Л4 допустимо
отключение КЗ с выдержкой времени, а на Л5 КЗ, расположенные на расстоянии до
20% длины линии от шин ИП, должны отключаться без выдержки времени.
.3 Общая характеристика участка защищаемой сети
и заданного варианта его защиты
Заданный участок электрической кабельной сети
характеризуется следующими особенностями.
. Напряжение сети - 6.3 кВ
2. Схема сети радиальная, состоящая из
трёх последовательно включенных участков. Головной участок состоит из Л5,
каждый из предыдущих участков состоит из двух радиальных кабельных линий Л1 и
Л4 и Л2 и Л3 соответственно.
. Питание сети одностороннее.
. Выключатели на каждой линии установлены
только со стороны источника питания.
. Линии выполнены алюминиевым кабелем с
сечением 3х150 мм2 - Л5 и 3х95 мм2 - Л4.
. Максимумы электрических нагрузок линий
совпадают во времени.
. На Л5 установлена двухступенчатая
токовая защита, а на остальных - одноступенчатые.
. Согласно заданию ТО должна иметь зону
действия не менее 20% длины Л5.
. Выдержки времени МТЗ Л1, Л2 и Л3
заданы, также заданы токи срабатывания МТЗ Л1 и Л3 и коэффициенты самозапуска
остальных нагрузок.
1.4 Расчет максимальных рабочих
токов
Таблица
1.1
Максимальные рабочие токи линий
|
Номер
линии
|
Максимальный
рабочий ток, А
|
Значение
коэффициента трансформации ТТ
|
|
Л1
|
|
50/5
|
|
Л2
|
|
50/5
|
|
Л3
|
|
150/5
|
|
Л4
|
|
200/5
|
|
Л5
|
|
200/5
|
1.5 Расчет ТКЗ
Схема замещения участка сети с указанием
расчетных точек КЗ представлена на рис.1.2. Расстояние от шин системы до точки
К2 составляет половину длины Л5.
Рис.1.2 Схема замещения участка сети
Таблица.1.2
Расчет сопротивлений элементов схемы замещения
|
Элемент
схемы
|
Сопротивление
элемента, Ом
|
Примечания
|
|
ИП
|
|
Максимальный
режим
|
|
|
Минимальный
режим
|
|
Л5
|
|
|
|
|
|
|
|
|
|
Л4
|
|
|
|
|
|
Таблица
1.3
Расчет ТКЗ
|
Режим
работы ИП, вид КЗ
|
Точка
КЗ
|
ТКЗ,
А
|
|
Максимальный,
трехфазные КЗ
|
К1
|
|
|
К2
|
|
|
К3
|
|
|
Минимальный,
двухфазные КЗ
|
К1
|
|
|
К2
|
|
|
К3
|
|
|
К4
|
|
1.6 Расчет ТО и МТЗ
Для расчёта ступени селективности МТЗ
принимаются:
· Время отключения выключателя предыдущей линии
;
· Положительная погрешность по времени
МТЗ предыдущей линии (затягивает отключение КЗ)
;
· Отрицательная погрешность по времени
МТЗ защищаемой линии (может привести к преждевременному неправильному
срабатыванию защиты)
;
· Время инерционного выбега (учитывает
возможность действия реле этой защиты под влиянием сил инерции после отключения
внешнего КЗ)
;
· Время запаса (учитывает неточный
учёт приведённых выше факторов)
.
Ступень селективности:
Вторичные обмотки ТТ соединяются по схеме
«неполная звезда». Коэффициент схемы в этом случае для трехфазных и двухфазных
КЗ составляет
.
Таблица
1.4
Обоснование выбора уставок ТО и МТЗ линий
|
Вид
защиты
|
Обозначение
величины
|
Условие
выбора
|
Расчетное
условие
|
Расчетное
выражение
|
|
ТО
|
|
Несрабатывание
при внешних КЗ
|
Отстройка
от max КЗ в
начале предыдущей линии
|
|
|
МТЗ
|
|
Несрабатывание
при внешних КЗ
|
Отстройка
от защит
предыдущих линий
|
|
|
|
Несрабатывание
в режимах без КЗ
|
Немедленный
устойчивый возврат защиты в исходное состояние после отключения внешнего КЗ
защитой предыдущей линии
|
|
Таблица
1.5
Расчет уставок ТО и МТЗ линий
|
Вид
защиты
|
№
линии
|
Расчетная
величина
|
Расчетное
выражение
|
Принятое
значение
|
Примечания
|
|
ТО
|
Л5
|
|
|
4654
|
Трехфазное
КЗ в точке К3 в max
режиме
|
|
|
|
|
25
|
|
|
|
|
|
0
|
|
|
МТЗ
|
Л1
|
|
|
110
|
Max рабочий ток Л1
|
|
|
|
|
2.2
|
|
|
|
|
|
0.6
|
|
|
МТЗ
|
Л2
|
|
|
120
|
Max рабочий ток Л2
|
|
|
|
|
2.4
|
|
|
|
|
|
3.8
|
|
|
МТЗ
|
Л3
|
|
|
495
|
Max рабочий ток Л3
|
|
|
|
|
3.3
|
|
|
|
|
|
1.1
|
|
|
МТЗ
|
Л4
|
|
|
520
|
Max рабочий ток Л4
|
|
|
|
|
2.6
|
|
|
|
|
|
4.06
|
|
|
МТЗ
|
Л5
|
|
|
606.05
|
Max рабочий ток Л5
|
|
|
|
|
3.03
|
|
|
|
|
|
4.32
|
|
Таблица
1.6
Оценка чувствительности МТЗ линий
|
№
линии
|
Точка
КЗ
|
Вид
КЗ
|
Режим
работы
|
|
Расчет
|
|
|
|
|
|
|
|
|
Л4
|
К4
|
|
Min
|
1.5
|
|
|
|
Л5
|
К3
|
|
Min
|
1.5
|
|
|
|
К4
|
|
Min
|
1.2
|
|
|
Как видно из приведенных расчетов, МТЗ обладает
достаточной чувствительностью как в зоне основного (
),
так и в зоне резервного (
) действия защиты.
Определение длины защищаемой зоны ТО производится
графически.
Рис. 1.3 Графическое определение защищаемой зоны
ТО
Из графиков видно, что при трехфазном КЗ в
максимальном режиме сети
, а при двухфазном
КЗ в минимальном режиме сети
, что достаточно по
условию задания.
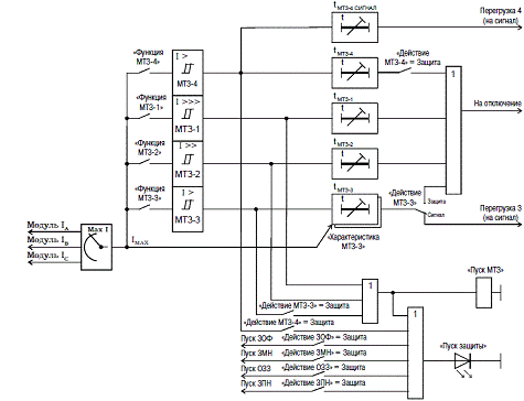
1.7 Принципиальная схема защиты
линий
Cхема представлена
на рис. 1.4. Устройство выполнено на 110В постоянного тока
Рис. 1.4 Принципиальная схема защиты с
использованием промежуточных реле
Рис. 1.5 Функциональная логическая схема
построения защиты
Таблица
1.7
Контролируемые параметры
|
Контроль
|
ТО
Л5
|
|
110В/6.3кВ
|
|
|
|
5А/9.162кА
|
|
|
|
110В/6.3кВ
|
|
|
|
5А/9.162кА
|
|
|
|
110В/6.3кВ
|
|
|
|
5А/9.162кА
|
|
МТЗ
Л5
|

|
|
|
|
5А/5.484кА
|
|
|
|
110В/6.3кВ
|
|
|
|
5А/5.484кА
|
|
|
|
110В/6.3кВ
|
|
|
|
5А/5.484кА
|
|
МТЗ
Л4
|
|
110В/6.3кВ
|
|
|
|
5А/3.58кА
|
|
|
|
110В/6.3кВ
|
|
|
|
5А/3.58кА
|
|
|
|
110В/6.3кВ
|
|
|
|
5А/3.58кА
|
Таблица
1.7
Уставки защит
|
Уставки
|
ТО
Л5
|
I
|
25А
|
|
|
t
|
0с
|
|
|
Направленность
|
Откл.
|
|
|
Ускорение
|
Откл.
|
|
|
ВМ
Блокировка
|
Откл.
|
|
|
АПВ
|
Откл.
|
|
|
Блокировка
при срабатывании
|
Откл.
|
|
МТЗ
Л5
|
I
|
3.03А
|
|
|
t
|
4.32с
|
|
|
Направленность
|
Откл.
|
|
|
Ускорение
|
Откл.
|
|
|
ВМ
Блокировка
|
Откл.
|
|
|
АПВ
|
Откл.
|
|
|
Блокировка
при срабатывании
|
Откл.
|
|
МТЗ
Л4
|
I
|
2.6А
|
|
|
t
|
4.06с
|
|
|
Направленность
|
Откл.
|
|
|
Ускорение
|
Откл.
|
|
|
ВМ
Блокировка
|
Откл.
|
|
|
АПВ
|
Откл.
|
|
|
Блокировка
при срабатывании
|
Откл.
|
2. Расчёт токовых защит понижающих
трансформаторов
Расчет производится для блока микропроцессорной
защиты Сириус-Т
2.1 Задание
Рассчитать уставки защит трансформатора,
установленного на однотрансформаторной ПС. Цепи защиты выполняются на
постоянном оперативном токе 110В. Составить принципиальную схему защиты для
участка сети, изображённого на рис. 2.1.
Рис.2.1 Схема участка сети
2.2 Исходные данные
Вариант 1.
. На высшей стороне ПС установлен выключатель
типа ВГТ-110-40-2500/У1
2. Схема защиты выполняется на постоянном
оперативном токе 110В.
. На низшей стороне ПС установлен
выключатель типа ВР6-6-40-1600/У2.
. Тип трансформатора ТДН-10000/110.
Среднее номинальное напряжение обмотки ВН - 115кВ, НН - 6.6кВ. Диапазон
регулирования РПН составляет ±16%.
. Максимальный ток, проходящий через
защищаемый трансформатор при расчетном внешнем трехфазном металлическом КЗ в
максимальном режиме питающей системы, приведенный к стороне ВН трансформатора,
составляет 500А. Ток трехфазного КЗ на выводах обмотки НН в минимальном режиме
ИП, приведенный к стороне ВН трансформатора, составляет 420А
. Выдержки времени защит, установленных
на отходящих линиях 6.6кВ, не превышают 1с.
. Коэффициент самозапуска ЭД нагрузки
составляет 3.5.
. Учитывая, что длины отходящих линий 6кВ
не заданы, оценку чувствительности защиты трансформатора от внешних КЗ (МТЗ с
пуском или без пуска по напряжению) выполняющих так же функцию основной защиты
шин 6кВ, допускается осуществлять только при КЗ на шинах (без расчета
чувствительности к КЗ в зоне дальнего резервирования).
2.2 Общая характеристика
защищаемого объекта
. Тип защищаемого трансформатора
ТДН-10000/110; мощность 10МВА; номинальное напряжение обмотки ВН - 110кВ, НН -
6кВ; диапазон РПН составляет ±16%; группа соединения обмоток Y/Δ-11
с
глухозаземленной нейтралью; питание одностороннее.
2. Трансформатор подключен к питающей сети
через выключатель типа ВГТ-110-40-2500/У1.
. ПС однотрансформаторная; максимальная
нагрузка трансформатора не задана.
. ТТ установлены со стороны обмоток ВН и
НН и собраны в звезду.
токовый защита короткий замыкание
2.3 Назначение защит
понижающего трансформатора
. Для защиты от повреждений на выводах и от
внутренних повреждений трансформатора предусматриваются дифференциальная
отсечка (ДЗТ-1) и дифференциальная защита (ДЗТ-2) с действием на отключения
выключателей Q2 и Q3.
Так же предусматривается сигнализация небаланса в плечах дифференциальной
защиты (ДЗТ-3) и сигнализация о токах перегрузки.
2. От повреждений внутри кожуха
трансформатора, сопровождающихся выделением газа, и от понижения уровня масла
устанавливается газовая защита. При слабом газообразовании и понижении уровня
масла защита действует на сигнал. При интенсивном газообразовании защита
действует на отключение выключателей Q2
и Q3.
. От токов в обмотках трансформатора,
обусловленных внешними многофазными КЗ, предусматривается МТЗ с комбинированным
пуском по напряжению, которая действует на отключение выключателя Q3.
2.4 Расчет дифференциальной
токовой защиты
Так как ТТ собраны в звезду, то
.
Таблица.2.1. Расчет по полному диапазону
регулирования.
|
Величина
|
Обозначение
и метод определения
|
Числовое
значение для стороны
|
|
|
115кВ
|
6.6кВ
|
|
Первичный
ток на сторонах защищаемого трансформатора, А
|
|
|
|
|
Коэффициент
трансформации ТТ
|
|
100/5
|
1000/5
|
|
Вторичный
ток в плечах защиты, А
|
|
|
|
|
Принятые
значения
|
|
2.5
|
4.4
|
|
Размах
РПН, %
|
|
16
|
1. Дифференциальная отсечка ДЗТ-1
· Отстройка от броска намагничивающего тока
При включении силового трансформатора со стороны
ВН отношение амплитуды броска тока намагничивания к амплитуде номинального тока
защищаемого трансформатора не превышает 5. Это соответствует отношению
амплитуды броска тока намагничивания к действующему значению номинального тока
первой гармоники, равному
. Отсечка реагирует
на мгновенное значение дифференциального тока и на первую гармонику этого же
тока. Уставка по мгновенному значению равна
.
минимально возможная уставка по первой гармонике равна
,
что соответствует
по отношению
амплитуды к действующему значению или
по
отношению амплитуд. Сравнение полученных значений свидетельствует об
отстроенности отсечки по мгновенным значениям от возможных бросков тока
намагничивания.
Расчеты показывают, что действующее значение
первой гармоники броска тока намагничивания не превышает 0.35 от амплитуды
броска. Если амплитуда равна 7 действующим значениям номинального тока, то
действующее значение первой гармоники равно
.
Следовательно, даже при минимальной уставке в
,
отсечка отстроена от бросков тока намагничивания и при реагировании на первую
гармонику дифференциального тока.
· Отстройка от тока небаланса при внешнем КЗ.
Так как и на стороне ВН, и на стороне НН
используются ТТ со вторичными номинальными токами 5А, то:
отношение амплитуды
первой гармоники тока небаланса к приведенной амплитуде периодической
составляющей внешнего ТКЗ.
отношение тока внешнего расчетного КЗ к
номинальному току трансформатора.
Принимаем
. Дифференциальная защита ДЗТ-2.
· Базовая уставка.
Базовая уставка
определяет чувствительность рассматриваемой ступени защиты. Следует стремиться
иметь уставку а пределах 0.3÷0.5 для
обеспечения чувствительности к полным витковым замыканиям в переплетенных
обмотках и к межкатушечным замыканиям в любых обмотках.
Принимаем
.
· Коэффициент торможения.
Коэффициент торможения должен обеспечить
несрабатывание ступени при сквозных токах, соответствующих второму участку
тормозной характеристики. Такие токи возможны при действии устройств АВР
секционных выключателей, АВР трансформаторов, АПВ питающих линий. Сквозной ток
составляет 1÷3
.
Считаем, что доля ЭД в общей нагрузке
трансформатора не более 50%.
Первое слагаемое обусловлено погрешностями ТТ,
второе - наличием РПН, третье - неточностью задания номинальных токов сторон ВН
и НН (округление при установке, метрологические погрешности).
Проведем расчет тормозного тока.
Проведем расчет коэффициента снижения тормозного
тока
Коэффициент торможения определяется следующим
образом.
· Вторая точка излома тормозной характеристики.
определяет размер
второго участка тормозной характеристики. В нагрузочном и аналогичных режимах
тормозной ток равен сквозному. Появление витковых КЗ лишь незначительно
изменяет первичные токи, поэтому тормозной ток почти не изменится. Для высокой
чувствительности к витковым КЗ следует, чтобы во второй участок попал режим
номинальных нагрузок
и режим допустимых
перегрузок
. Желательно, чтобы
во второй участок попали и режимы возможных кратковременных перегрузок
(самозапуск ЭД после АВР; пусковые токи мощных ЭД, если такие имеются).
Поэтому принимаем
.
· Первая точка излома тормозной характеристики.
вычисляется
автоматически в блоке защиты по следующей формуле.
· Уставка блокировки от второй гармоники.
Принимаем
.
Рис. 2.2 Тормозная характеристика ДЗТ-2.
. Сигнализация небаланса в плечах
дифференциальной защиты ДЗТ-3.
Принимаем следующие уставки.
. Контроль перегрузки трансформатора.
Проведем расчет.
Принимаем
.
2.6 Расчет МТЗ с
комбинированным пуском по напряжению.
МТЗ устанавливается на стороне ВН трансформатора.
Производится внутренняя цифровая сборка токовых цепей стороны ВН трансформатора
в треугольник и использование полученных токов. Треугольник используется в
сетях с глухозаземленной нейтралью 110кВ и выше. Производится цифровая сборка
подводимых фазных токов в треугольник, причем используется 11 группа сборки.
При этом устраняется нулевая последовательность. Величины токов на выходе
треугольника в нормальном режиме в
раз
превышает фазные токи, что соответствует электрической сборке в треугольник. В
этом режиме необходимо выставлять уставки также как при сборке цепей ТТ в
треугольник.
Рис. 2.3. Схема реализации МТЗ ВН
междуфазное напряжение в месте установки защиты
в условиях самозапуска ЭД нагрузки после отключения внешнего КЗ.
междуфазное напряжение в месте установки защиты
в условиях самозапуска заторможенных ЭД нагрузки при включении их от АПВ или
АВР.
· Ток срабатывания МТЗ.
· Напряжение срабатывания МТЗ.
. Обеспечение немедленного устойчивого
возврата после отключения внешнего КЗ.
. Отстройка от напряжения самозапуска при
включении от АПВ или от АВР заторможенных ЭД нагрузки.
Принимаем
.
· Напряжение срабатывания ВМ - блокировки.
· Время срабатывания МТЗ.
· Оценка чувствительности МТЗ.
Оценка чувствительности защиты по напряжению не
производится, так как при КЗ на шинах защита имеет наибольшую чувствительность,
а проверить чувствительность при КЗ в конце зоны резервирования не
представляется возможным по условиям исходного задания (не заданы длины линий).
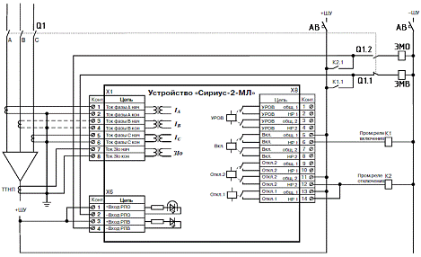
2.7 Принципиальная
схема защиты
Рис. 2.4 Функционально-логическая схема блока
МТЗ ВН
Рис. 2.5 Пусковой орган напряжения для
реализации комбинированного пуска по напряжению
Рис. 2.6 Схема подключения внешних цепей к
устройству Сириус-Т
Таблица
2.2
Контролируемые параметры
|
Контроль
|
ДЗТ
|
|
5А/500А
|
|
|
|
5А/500А
|
|
|
|
5А/500А
|
|
МТЗ
ВН
|
|
110В/6.6кВ
|
|
|
|
5А/50.2А
|
|
|
|
110В/6.6кВ
|
|
|
|
5А/50.2А
|
|
|
|
110В/6.6кВ
|
|
|
|
5А/50.2А
|
Таблица
2.3
Уставки защит
|
Уставки
|
ДЗТ-1
|
Функция
|
Вкл.
|
|
|
|
9
|
|
|
t,
с
|
0
|
|
|
Мгновенное
значение
|
Откл.
|
|
ДЗТ-2
|
Функция
|
Вкл.
|
|
|
t,
с
|
0
|
|
|
|
0.3
|
|
|
|
70.27%
|
|
|
|
2
|
|
|
|
0.15
|
|
ДЗТ-3
|
Функция
|
Вкл.
|
|
|
|
0.1
|
|
|
t,
с
|
10
|
|
МТЗ
ВН
|
Функция
|
Вкл.
|
|
|
|
5.76А
|
|
|
t,
с
|
1.26
|
|
|
ВМ-блокировка
|
Вкл.
|
|
|
Блокировка
при БНТ
|
Вкл.
|
|
|
Ускорение
|
Вкл.
|
|
Перегрузка
|
Функция
ВН
|
Вкл.
|
|
|
|
2.9А
|
|
|
Функция
НН
|
Вкл.
|
|
|
|
5.1А
|
|
|
t,
с
|
2
|
Список литературы
1
- справочник по проектированию электрических сетей. Под редакцией Д.Л.
Файбисовича. - М.: Изд-во НЦ ЭНАС, 2005 - 320 с. ил.
-
А.В. Гусенков, В.Ф. Коротков. Расчет токовых защит линий в радиальных
распределительных электрических сетях 6-35кВ. Методические указания к курсовой
работе по релейной защите. ГОУ ВПО «ИГЭУ им. В.И. Ленина». - Иваново, 2007. -
32 с.
-
А.В. Гусенков, В.Ф. Коротков. Проектирование токовых защит понижающих трансформаторов
напряжением 35-220кВ. Методические указания к курсовой работе по релейной
защите. ГОУ ВПО «ИГЭУ им. В.И. Ленина». - Иваново, 2007. - 48 с.
-
БПВА.656122.015 РЭ. ЗАО «РАДИУС Автоматика».
-
БПВА.656122.038 РЭ. ООО ТД «Самара Прибор».
-
Правила устройства электроустановок. 7-е изд. - М.: изд-во НЦ ЭНАС, 2003. - 160
с. - ил.
-
Рекомендации по выбору уставок устройств защиты трансформаторов «Сириус-Т» и
«Сириус-Т3». ЗАО «РАДИУС Автоматика».