Выбор и расчет защит трансформатора тока
ФЕДЕРАЛЬНОЕ
АГЕНТСТВО ПО ОБРАЗОВАНИЮ
ГОУ ВПО
«Марийский Государственный Университет»
Кафедра
электроснабжения и технической диагностики
Расчетно -
пояснительная записка к курсовой работе
по дисциплине
“Релейная защита и автоматика систем электроснабжения”
Выполнил: Парканов С.З.
Проверил: Чемоданов Е.В.
Йошкар-Ола
2013
СОДЕРЖАНИЕ
Введение
. Расчет сечений и выбор проводников линий 10 кВ
. Расчет токов К
. Выбор типа и мест установки защит
. Расчет защиты синхронного двигателя напряжением 10 кВ
. Расчет защиты кабельной линии W4 10 кВ
5.1 Выбор и
расчетная проверка трансформатора тока
6. Расчет защит трансформатора Т4-10/0.4 кВ
. Расчет защит трансформатора Т2-110/10 кВ
. Расчет защиты линии W2 110 кВ
. Автоматическое повторное включение
. Автоматическое включение резерва
Заключение
Список литературы
ВВЕДЕНИЕ
В электросетях возможны повреждения электрооборудования и различные
ненормальные режимы работы.
Для надежной работы электросетей большое значение имеет правильное
выполнение и настройка устройств релейной защиты и послеаварийной автоматики
(РЗиА), в том числе и правильный выбор рабочих параметров срабатывания релейной
защиты (РЗ).
Повреждения, связанные с нарушениями изоляции, разрывом проводов ЛЭП,
ошибками персонала при переключениях, приводят к коротким замыканиям (КЗ).
Устройства релейной защиты должны обеспечивать:
отключение КЗ с такой быстротой, чтобы местное повреждение не перешло в
системную аварию с нарушением устойчивости, не приводило к большим размерам
повреждения элементов вследствие длительного протекания токов КЗ;
селективное отключение места повреждения, т.е. отключиться должен только
поврежденный элемент системы электроснабжения;
требуемую чувствительность к нарушениям нормального режима, т.е.
реагировать на возможно малые отклонения от него;
надежность функционирования;
устойчивую работу систем автоматики (АПВ, АВР).
Согласно ПУЭ, аппаратом защиты, является аппарат, автоматически
отключающий защищаемую электрическую цепь при ненормальном режиме.
Предусмотрены следующие виды автоматических устройств:
АПВ - устройство для повторного включения электрооборудования, после
отключения его РЗ при возникновении повреждений;
АВР - автоматическое включение оборудования на резервное питание при
выходе из строя основного источника питания;
АЧР - устройство для поддержания номинальной частоты в системе, путем
отключения наименее важных по надежности электроснабжения потребителей или
путем включения резервного запаса активной мощности;
АРКТ - устройство для переключения отпаек обмоток трансформатора, с целью
увеличения или снижения напряжения сети.
Существуют также и другие виды автоматических устройств.
1. РАСЧЕТ СЕЧЕНИЙ И ВЫБОР ПРОВОДНИКОВ ЛИНИЙ 10 кВ
Сечения кабельных линий напряжением 6…10 кВ выбирают для определения их
сопротивления, необходимого при расчете токов КЗ.
Длительно допустимая нагрузка выбранного сечения кабеля должна быть не
менее расчетной нагрузки кабеля в нормальном режиме.
Сечение выбирают по нагреву расчетным током и проверяют по термической
стойкости.
Расчетный ток определяется для случая возрастания нагрузки кабельной
линии при срабатывании АВР
Допустимый
ток
Выбираем
кабель с алюминиевыми жилами марки ААБл сечением 50 мм2 для всех
кабельных линий, т.е. W3,W4,W5,W6 по таблице 2.6.[1], для данного кабеля: Iдоп = 140А, Хо = 0,09 Ом/км, Rо=0,62 Ом/км.
2. РАСЧЕТ ТОКОВ КЗ
Принимаем базисные мощность и напряжение:
Sб =100 МВА, UбI=110 кВ, UбII=10 кВ, UбIII=0.4 кВ
Определяем базисные токи:
Составим
эквивалентную схему замещения системы электроснабжения.
Рис.2.1 Эквивалентная схема замещения
Определим сопротивления элементов схемы замещения.
Сопротивление системы:
Сопротивление
воздушной линии:
Сопротивление
трансформаторов Т1 определяется для максимального и минимального режимов
работы.
Напряжение
трансформатора:
По условию допустимого напряжения принимаем Umax,ВН =126кВ.
где
- напряжения КЗ % при крайних положениях РПН
трансформатора по таблице 3.1.[1]
Сопротивление
цехового трансформатора Т4, Т6:
Сопротивление
и ЭДС двигателя М2:
Eдв1 = 1,1 o.e. - для синхронного двигателя.
Сопротивление и ЭДС нагрузки
Esn3 = Esn4
= 0,85 о.е. - ЭДС обобщенной нагрузки.
Рн1 = EРн2 =0,85 о.е.
Сопротивления кабельных линий W4,W6:
Точка К1
Точка
К2(1)
Точка
К2(2)
Точка
К3
Точка К4
Таблица 2.1 Токи КЗ
|
Точка
|
Ток КЗ в max
режиме, кА
|
Ток КЗ в min
режиме, кА
|
|
К1
|
3,949
|
3,888
|
|
K2(1)
|
14,745
|
9,702
|
|
K2(2)
|
14,496
|
9,428
|
|
K3
|
6,884
|
5,548
|
|
К4
|
40,696
|
39,161
|
3. ВЫБОР ТИПА И МЕСТ УСТАНОВКИ ЗАЩИТ
В данной курсовой работе требуется выбрать защиты для линии W2, трансформатора Т2 110/10 кВ,
кабельной линии W4, трансформатора
Т4 10/0.4 кВ, синхронного двигателя М2.
Для двигателя М2 мощностью Р=1000 кВт предусмотрены следующие виды защит:
) от КЗ на выводах и в обмотке - токовая отсечка без выдержки
времени;
) защита от перегрузок;
) защита от однофазных замыканий на землю;
) защита от асинхронного режима;
) защита от снижения напряжения;
Для защиты кабельной линии W4
используются:
) от междуфазных КЗ - 2-х ступенчатая защита:
-я ступень - токовая отсечка;
-я ступень - максимальная токовая защита
) от однофазных замыканий на землю используется токовая защита нулевой
последовательности.
Защита трансформатора Т4 10/0.4 кВ осуществляется:
) от междуфазных КЗ на выводах и в обмотке 2-х ступенчатой токовой
защитой: 1-я ступень - токовая отсечка;
-я ступень - МТЗ, которая является также защитой от внешних КЗ.
) от КЗ на землю используется специальная защита нулевой
последовательности.
Трансформатор Т2 110/10 кВ имеет следующие виды защит:
) защиту от междуфазных КЗ на выводах и в обмотках - продольная
дифференциальная токовая защита;
) защиту от внешних КЗ - МТЗ, которая одновременно является резервной для
дифференциальной токовой защиты;
) защиту от перегрузок;
) газовую защиту.
Воздушная линия W2
имеет следующие виды защит:
) токовая отсечка без выдержки времени;
) токовая отсечка с выдержкой времени;
) максимальная токовая защита.
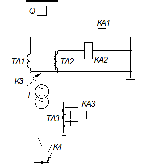
4. РАСЧЕТ ЗАЩИТЫ СИНХРОННОГО ДВИГАТЕЛЯ (М2) НАПРЯЖЕНИЕМ 10 кВ
Для синхронного двигателя мощностью 1000 кВт предусмотрены следующие виды
защит:
от междуфазных повреждений в статоре (токовая отсечка);
от замыканий обмотки статора на землю;
от перегрузок;
от асинхронного режима;
от понижения напряжения.
Рис.4.1.Схема
защит синхронного двигателя: схема включения реле на разность токов двух фаз
Расчет
токовой отсечки
Первичный
ток срабатывания токовой отсечки выбирается по условию отстройки от пускового
тока электродвигателя
по выражению
где
для реле РТ-40;
Ток
срабатывания реле токовой отсечки:
где
при включении реле на разность токов двух фаз;
-
коэффициент трансформации трансформаторов тока;
-
первичный ток срабатывания защиты.
Определим
коэффициент чувствительности:
где
- ток, протекающий в реле при двухфазном КЗ на
выводах электродвигателя;
-
минимальное значение тока двухфазного КЗ, проходящего через ТА защиты при
повреждениях на выводах электродвигателя;
- ток
срабатывания реле защиты;
-
коэффициент трансформации ТА.
Коэффициент
чувствительности защиты в соответствии с ПУЭ должен быть не меньше 2,0.
Расчет защиты от перегрузок
Данный вид защиты выполнен на реле РТ-40.
Ток срабатывания защиты:
где
Выбираем
реле РТ-40/10.
Время
срабатывания от перегрузок отстраивается от времени пуска.
около 10
секунд,
Защита от асинхронного хода совмещается с защитой от
перегрузок.
Защита от снижения напряжения
Напряжение
срабатывания первой ступени защиты выбирается по условию обеспечения самозапуска
ответственных электродвигателей и возврата реле при восстановлении напряжения
после отключения КЗ и принимается
=70 В
Выдержка
времени первой ступени защиты отстраивается от действия токовых отсечек
электродвигателей и принимается
=0,5 с
Напряжение
срабатывания второй ступени защиты отстраивается от снижения напряжения на
шинах, вызванного самозапуском, и принимается
=50 В
Выдержка времени второй ступени защиты
составляет
20 с.
5. РАСЧЕТ ЗАЩИТЫ КАБЕЛЬНОЙ ЛИНИИ 10 кВ
Для защиты КЛ W4 от междуфазных
КЗ используется 2-х ступенчатая токовая защита: 1 ступень - токовая отсечка; 2
ступень - МТЗ.
Для защиты от однофазных замыканий на землю используется токовая защита
нулевой последовательности (ТЗНП).
Рис. 5.1 Схема сети
Исходные данные:
Сопротивление
КЛ:
Расчет
токовой отсечки
Рис.5.2 Расчетная схема
Токовая отсечка выполняется на реле типа РТ-40:
где:
Котс = 1.2 - для РТ-40;
Время срабатывания первой ступени защиты (ТО) отстраивается от времени
срабатывания разрядников:
tсз = 0.1 с
Для определения зоны LI, защищаемой первой ступенью, построим график зависимости токов в реле
при трехфазных КЗ от расстояния.
Рис.5.3 Определение длины зоны, защищаемой первой ступенью
Из рисунка 5.3. видно, что токовая отсечка защищает 46 % линии.
Расчет МТЗ
Ток срабатывания максимальной токовой защиты:
где
Iраб.мах -
максимальный рабочий ток принимается равным предельно допустимому току
кабельной линии,
= 140 A;
Котс
= 1,2;
Кв
= 0,85 - для РТ-40;
Определим
коэффициент самозапуска двигательной нагрузки Кзап
Для
этого составим расчетную схему замещения рис. 5.4.
Рис.
5.4 Расчетная схема
Сопротивление
элементов схемы в именованных единицах:
Ток
самозапуска:
Коэффициент
самозапуска
Ток
срабатывания МТЗ:
Выбираем трансформатор тока типа ТЛМ-10 с КТА = 400/5
Определим ток срабатывания реле.
Выбираем реле РТ-40/6
Коэффициент чувствительности МТЗ как основной:
где:
Определим
коэффициент чувствительности МТЗ как резервной:
Время срабатывания максимальной токовой защиты:
Рис.5.5.
Принципиальная схема двухступенчатой токовой защиты с независимой
характеристикой выдержки времени
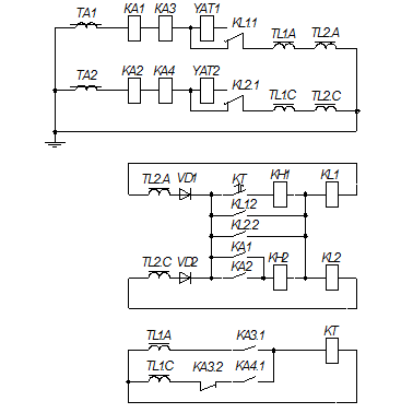
Рассмотрим
в качестве примера КЗ в конце КЛ.
При
КЗ в конце линии сработает реле КА3 (КА4) -это МТЗ. Происходит увеличение тока
в линии и, соответственно, тока во вторичных обмотках трансформаторов тока ТА.
При достижении величины вторичного тока свыше уставки реле КА3(КА4), своими
контактами КА3.1 (КА4.1) создаст цепь питания реле времени КТ от вторичной
обмотки промежуточного трансформатора TL1.A(TL1.C).
Реле времени начинает отсчет времени, по истечении которого реле КТ замкнет
свой контакт, который создает цепь питания катушки реле KL1(KL2)
от вторичной обмотки промежуточного трансформатора TL2.А(TL2.С).
Реле KL1(KL2) сработает, своими контактами KL1.1(KL2.1)
производит дешунтирование катушки отключения YAT1(YAT2).
Выключатель отключит поврежденную линию.
5.1 Выбор и расчетная проверка трансформаторов тока
Расчетная проверка трансформаторов тока производится на соответствие его:
1)
значению полной погрешности
)
погрешности трансформатора тока меньше 50 %
)
отсутствие напряжения во вторичных цепях свыше 1000 В при близких КЗ
Проверка на 10% погрешность
Производится по кривым предельной кратности:
кратность тока:
Расчет
трансформатора тока ТЛМ-10 класс точности для релейной защиты “Р” с
коэффициентом трансформации КТА = 400/5.
По
кривым предельной кратности для трансформатора тока ТЛМ-10 класса Р с
=400/5 допустимое значение сопротивления нагрузки:
Определяем расчетное сопротивление вторичной цепи трансформатора тока:
где
Zр -
сопротивление реле;
Rпер=0,1 Ом - переходное сопротивление контактов;
Rпр - сопротивление проводов связи, при применении медных
проводов длиной l = 10 м, при сечении S = 2,5 мм2
Определение
максимального напряжения на вторичной обмотке трансформатора тока при близких
КЗ
U2 = 72 В < U2доп = 1000В
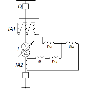
6. РАСЧЕТ ЗАЩИТ ТРАНСФОРМАТОРА Т4-10/0.4 кВ
Трансформатор мощностью 1,6 МВА 10/0.4 кВ имеет следующие виды защит:
от многофазных КЗ
на выводах и в обмотках: токовая отсечка и МТЗ, которая является защитой от
внешних КЗ;
- от КЗ на землю на стороне 0.4 кВ используется специальная защита
нулевой последовательности;
Рис.6.1.Схема
защиты трансформатора
Расчет токовой отсечки Ток срабатывания защиты:
где
=1.3 для реле РТ-40;
Ток срабатывания реле:
Выбираем трансформатор тока по номинальному току:
Выбираем
трансформатор тока типа ТПЛ-10 с коэффициентом трансформации
Ток
срабатывания реле:
Выбираем
реле типа РТ-40/100.
Коэффициент
чувствительности токовой отсечки:
Токовая
отсечка неэффективна, требуется применение другого вида защит -
дифференциальной токовой защиты.
Время
срабатывания токовой отсечки tСЗ =0.1 с.
Ток срабатывания максимальной токовой защиты:
где
=1.2 для реле РТ-40;
kв=0.85 для реле РТ-40;
Ток срабатывания реле
Выбираем
реле РТ-40/20.
Коэффициент
чувствительности МТЗ:
;
Время
срабатывания МТЗ:
Расчет
специальной защиты нулевой последовательности
Для
трансформатора Y /Y0 ток
срабатывания защиты выбирается из условия отстройки от максимального тока
небаланса в нулевом проводе
где:
- номинальный ток трансформатора приведенный к
стороне 0.4 кВ
Трансформатор
тока выбираем по току
Следовательно,
выбираем трансформатор тока типа Т - 0.66 КТА=1000/5
Ток
срабатывания реле:
Выбираем
реле РТ-40/6.
Время
срабатывания защиты нулевой последовательности
»0.1с.
7. РАСЧЕТ ЗАЩИТ ТРАНСФОРМАТОРА Т2-110/10 кВ
Трансформатор мощностью 40 МВА 110/10 кВ имеет следующие виды защит:
) от 2-х фазных КЗ - продольную дифференциальную токовую защиту;
) защиту от внешних КЗ - МТЗ, являющуюся одновременно резервной для
дифференциальной токовой защиты;
) защиту от перегрузок;
) газовую защиту.
Рис.7.1.Схема
защиты трансформатора
Расчет дифференциальной токовой защиты
Определим первичные и вторичные токи в плечах дифференциальной защиты
трансформатора:
где
- номинальный первичный ток ТА;
-
номинальная мощность трансформатора;
-
номинальное междуфазное напряжение рассчитываемой стороны трансформатора.
Выбираем
трансформаторы тока типа ТФНД - 110 по величине номинального тока защищаемого
трансформатора ТФНД-110 400/5 и ТВТ-10 3000/5.
Вторичные
токи в плечах защиты:
где
- коэффициент схемы. Для группы трансформаторов тока,
соединенных в треугольник, равен
,
соединенных в звезду - 1;
Сторону,
где проходит наибольший ток, принимаем за основную. В нашем случае основной
является сторона 110 кВ.
Определим
ток срабатывания защиты на реле ДЗТ-11.
где
kотс = 1,5
для защиты на реле ДЗТ-11;
Число
витков обмотки трансреактора (НТТ), подключаемой к трансформаторам тока
основной частоты, определяется по выражению

где
- магнитодвижущая сила, необходимая для срабатывания
реле.
Выбираем
=17 витков.
=14
витков из них
=14 витков,
=0
витков.
Определим
число витков тормозной обмотки:
Составляющая
тока небаланса I’нб определяется наличием погрешности ТА:
где
- относительное значение тока намагничивания, при
выборе трансформаторов тока по кривым предельных кратностей принимается равным
0.1;
- коэффициент
однотипности, принимается равным 2;
-
коэффициент, учитывающий переходный режим, для реле с НТТ может быть принят
равным 1.0.
Составляющая
тока небаланса I”нб от изменения коэффициента трансформации
защищаемого трансформатора с РПН:
Составляющая
тока небаланса I’”нб обусловленная неточностью выравнивания
МДС сторон промежуточного ТА реле ДЗТ-11:
Количество
витков тормозной обмотки:
Уточним
ток срабатывания реле
Определим
коэффициент чувствительности:
Расчет
МТЗ
Защита
от внешних КЗ служит для отключения трансформатора при КЗ на сборных шинах или
на отходящих от них присоединениях, если релейная защита или выключатели этих
элементов отказали в работе. Одновременно МТЗ используется и для защиты от
повреждений в трансформаторе как резервная при отказе основных защит.
Рис.7.2
Расчетная схема МТЗ
Ток
срабатывания МТЗ:
где
=1.2;
=0.85 для
реле РТ-40;
Определим
коэффициент самозапуска двигателей нагрузки.
Составим
расчетную схему для определения Кз защиты трансформатора Т2 (рис.7.3).
Рис.7.3
Схема замещения
Определим сопротивления нагрузки секций на которые подается напряжение
при срабатывании АВР.
Сопротивление системы
Сопротивление
трансформатора Т2:
Сопротивление
трансформатора Т6:
Сопротивление
кабельной линии W6:
Сопротивление двигателя при пуске
Сопротивление нагрузки
Эквивалентное
сопротивление
Определим
ток самозапуска
Коэффициент
самозапуска
Предельный
ток
Ток
срабатывания защиты
Ток
срабатывания реле:
Окончательно
выбираем реле РТ-40/20. Проверим коэффициент чувствительности для двух случаев:
1. При двухфазном коротком замыкании за трансформатором:
.
Как резервная для смежного участка:
Выдержка
времени выбирается из условия селективности на ступень выше наибольшей выдержки
времени
релейных защит присоединений, питающихся от
трансформатора
Расчет
защиты от перегрузок
Ток
срабатывания релейной защиты от перегрузок выбирается из условия возврата
токового реле при номинальном токе трансформатора
где
= 1,05
Выбираем
реле РТ-40/10
Время
срабатывания защиты от перегрузок выбирается на ступень больше времени защиты
трансформатора от внешних КЗ
Газовая защита
В соответствии с ПУЭ на трансформаторах большой мощности устанавливается
газовая защита. Обмотки большинства трансформаторов помещены в бак с маслом,
которое выполняет функции изолятора и охладителя обмоток. При межвитковых КЗ и
других повреждениях обмоток трансформатора, масло нагревается и разлагается. На
использовании этого явления и основана газовая защита.
Основным элементом газовой защиты является газовое реле KSG, устанавливаемое в маслопроводе между
баком и расширителем.
Достоинства газовой защиты:
высокая чувствительность и реагирование практически на все виды
повреждения внутри бака;
малое время действия при значительных повреждениях;
простота выполнения, а также способность защищать трансформатор при
недопустимом понижении уровня масла по любым причинам;
действие на сигнал или отключение в зависимости от размеров повреждения.
Недостатки:
не реагирование ее на повреждения, расположенные вне бака, в зоне между
трансформатором и выключателями;
ложные срабатывания при попадании воздуха в бак трансформатора
ложные срабатывания на трансформаторах, установленных в районах,
подверженных землетрясениям.
В связи с этим газовую защиту нельзя использовать в качестве единственной
защиты трансформатора от внутренних повреждений.
Газовая защита обязательна для трансформаторов мощностью более 6300 кВА.
Для внутрицеховых подстанций газовую защиту следует устанавливать на понижающих
трансформаторах практически любой мощности, допускающих это по конструкции,
независимо от наличия другой быстродействующей защиты.
8.
РАСЧЕТ ЗАЩИТЫ ЛИНИИ 110 кВ W2
Защита одиночных линий 110 кВ с односторонним питанием от междуфазных
коротких замыканий обычно осуществляется токовыми защитами со ступенчатыми
характеристиками выдержек времени.
На каждом участке защищаемой сети в общем случае предполагается установка
трехступенчатой токовой защиты, содержащей отсечку без выдержки времени (I
ступень), отсечку с выдержкой времени (II ступень) и максимальную токовую
защиту (III ступень). Все ступени защиты должны по возможности выполняться
селективными.
Воздушная линия W2
имеет следующие виды защит:
) токовая отсечка без выдержки времени;
) токовая отсечка с выдержкой времени;
) максимальная токовая защита.
Расчет токовой отсечки без выдержки времени
Определим ток КЗ в начале линии W2:
Токовая отсечка выполняется на реле типа РТ-40 и служит для мгновенного
отключения цепи при возникновении короткого замыкания на месте его действия.
где:
Котс = 1,2 - для РТ-40
Время
срабатывания первой ступени защиты: tс.з. = 0,1 с.
Для
токовой отсечки определим длину защищаемого участка.
Рис.
8.1 Графическое определение зоны действия отсечки без выдержки времени
Из
рис. 8.1 видно, что токовая отсечка защищает 53 % линии.
Расчет
токовой отсечки с выдержкой времени
Определим
ток срабатывания защиты из условия:
,
где
КIIотс =1,1 -
коэффициент отстройки для реле второй ступени;
IK.транс.max - максимальный ток при КЗ за понижающим трансформатором приемной
подстанции.
Время
срабатывания защиты принимается на ступень Dt больше, чем время срабатывания быстродействующих
защит установленных на смежных элементах: tIIc.з = Dt = 0,5 с.
Определим коэффициент чувствительности.
Расчет МТЗ
Определим ток срабатывания защиты
где:
Iраб.мах -
максимальный рабочий ток, А;
Котс
= 1,2;
Кв
= 0,85 - для РТ-40.
Определим
ток срабатывания реле.
По
максимальному рабочему току выбираем трансформатор тока. В нашем случае
подходит трансформатор типа ТПЛ-10 с КТА = 400/5
Время
срабатывания защиты
Определим коэффициент чувствительности МТЗ:
Определим
Кч МТЗ как резервной защиты для предыдущего участка
9.
АВТОМАТИЧЕСКОЕ ПОВТОРНОЕ ВКЛЮЧЕНИЕ
Для линии с односторонним питанием время срабатывания tс.АПВ однократного действия определяется
по следующим условиям:
где
tг.п.-
время готовности привода выключателя =0,5 с;
tдеиониз.средыс.- время деионизации среды в месте КЗ =0,17 с;
tзап-время запаса = 0,5 с;
Время
возврата АПВ
где tс.з.- наибольшее время срабатывания защиты, с;о.в.-
время отключения выключателя, с;зап.- время запаса, с;
10. АВТОМАТИЧЕСКОЕ ВКЛЮЧЕНИЕ РЕЗЕРВА
Напряжение
срабатывания минимального реле
,
реагирующего на снижение напряжения:
защита
синхронный двигатель трансформатор
Напряжение
срабатывания максимального реле напряжения
,
контролирующего наличие напряжения на резервном источнике, определяется из
условия отстройки от минимального рабочего напряжения
где
- минимальное рабочее напряжение;
-
коэффициент трансформации трансформатора напряжения.
Время
срабатывания АВР
выбирается по следующим условиям:
ЗАКЛЮЧЕНИЕ
При выполнении курсовой работы были выбраны и рассчитаны следующие виды
защит:
Трансформатора Т4 мощностью 1,6 МВА 10/0,4 кВ:
Токовая отсечка выполнена на реле РТ-40/100
Максимальная токовая защита выполнена на реле РТ-40/20
Защита от однофазных к.з на стороне 0,4 кВ выполнена на реле РТ-40/6
Кабельной линии W4:
Токовая отсечка выполнена на реле РТ-40: tс.з=0,1 с
Максимальная токовая защита выполнена на реле РТ-40/6
Трансформатора Т2 мощностью 40 МВА 110/10 кВ:
Дифференциальная токовая защита выполнена на реле ДЗТ-11
=14
витков,
=3 витка,
=0
витков,
=13 витков.
Максимальная
токовая защита выполнена на реле РТ-40/20с.р=9,9 А kч=1,8
tс.з=1,6 с
Защита
от перегрузок выполнена на реле РТ-40/10
Воздушной
линии W2:
Токовая
отсечка без выдержки времени выполнена на реле РТ-40: tс.з=0,1 с
Токовая
отсечка с выдержкой времени выполнена на реле РТ-40: tс.з=0,5 с
Максимальная
токовая защита выполнена на реле РТ-40/6
Синхронного
двигателя М2 мощностью 1000 кВт:
Токовая
отсечка выполнена на реле РТ-40/50
Защита
от перегрузок выполнена на реле РТ-40/10
Защита
от снижения напряжения
СПИСОК ЛИТЕРАТУРЫ
1. Правила устройства электроустановок.
- 6-ое изд. перераб. и доп. - М.: Энергоатомиздат, 2003.
2. Шабад М.А. Расчеты релейной защиты и
автоматики распределительных сетей. - Л.: Энергоатомиздат, 1985.
3. Кривенков В.В., Новелла В.Н. Релейная
защита и автоматика систем электроснабжения. - М.: Энергоатомиздат, 1981.
4. Чернобровов Н.В., Семенов В.А.
Релейная защита энергетических систем: Учеб. пособие для техникумов. - М.:
Энергоатомиздат, 1998.
5. Биткин И.И. Руководство по решению
задач. Йошкар-Ола, 2001.