Проектирование учебного занятия по теме 'Импульсные устройства'
Введение
В период развития социально-ориентированной рыночной экономики
белорусское государство ставит перед системой профессионально-технического
образования задачу подготовки образованного, всесторонне развитого,
квалифицированного и компетентного специалиста. Работа
в области педагогики, участие в педагогической деятельности является
многогранной деятельностью и педагогов-новаторов, и педагогов-исследователей и
педагогов-воспитателей. Грамотно спроектированное учебное занятие - это основа
достижения поставленных целей.
Целью курсовой работы является проектирование учебного
занятия по теме «Импульсные устройства», обоснование методов и средств
обучения, используемых на уроке, использование ТСО, повышение эффективности
образовательного процесса.
Задачей данного курсового проекта является:
ü развить умение осуществлять рефлексию собственной
педагогической деятельности;
ü расширить и углубить, обобщить и систематизировать
психолого-педагогические и предметные знания;
ü овладеть умениями педагогического проектирования учебных
занятий;
ü развить умения самоанализа и самооценки собственной
проектировочной деятельности;
ü выработать умение публично защищать авторский педагогический
проект.
Курсовой проект представляет собой проект учебного занятия, разработка
которого направлена на изучение системы принципов, способов организации и
построения теоретической и практической исследовательской деятельности для
разностороннего применения их в своей педагогической работе. Важную роль в
нормальном функционировании процесса обучения имеет его учебно-методическое
обеспечение. Оно включает две составные части:учебно-методическую документацию
и учебно- методические средства обучения. Ведущим принципом обеспечения должен
быть принцип комплексности. Методическое оснащение должно постоянно
трансформироваться в комплексное методическое обеспечение. Это позволит
осуществить подлинно научный подход к планированию, разработке, созданию, учету
и контролю учебно- методической оснащенности процесса обучения. Тема данного
моего курсового проекта весьма актуально т к дает возможность разработать и
создать оптимальную систему, учебно-методической документации и дидактических
средств обучения, необходимых для полного и качественного обучения учащихся
1. Роль, значение и место темы урока при подготовке рабочих
для энергетической промышленности нашей страны
В курсовой работе по дисциплине «Методика преподавания общетехнических и
специальных дисциплин» представлен проект учебного занятия по теме «Импульсные
устройства» дисциплины «Основы промышленной электроники». Тема учебного занятия
выбрана в соответствие с календарно-тематическим планом дисциплины «Основы
промышленной электроники».
Цели и ожидаемые результаты:
Специалист должен в области основ промышленной электроники знать на
уровне представления:
● важнейшие направления развития и применения промышленной
электроники;
● развитие электронного оборудования и научные исследования в
области электроники;
● пути экономии энергоресурсов при использовании электронных
устройств;
знать на уровне понимания:
● устройство, принцип действия, схемное назначение, характеристики,
область применения полупроводниковых и фотоэлектрических приборов, интегральных
микросхем, приборов для отображения информации;
● принципы построения типовых узлов, применяемых в автоматике,
телемеханике и вычислительной технике;
● пути повышения надежности функционирования устройств с
использованием промышленной электроники;
уметь:
● собирать схемы для проведения экспериментальных работ и выполнять
эксперименты по исследованию электронных приборов и устройств;
● обрабатывать результаты исследований, анализировать их;
● пользоваться контрольно-измерительными приборами, инструментами
при проведении экспериментальных работ с учетом требований техники
безопасности.
Дисциплина «Основы промышленной электроники» изучается в первом семестре
на уровне ССО. Она интегрируется с предметом «Электротехника», который
преподается на уровне ПТО. На курс дисциплины отводится 104 часа. Из общего
количества времени 30 часов приходится на выполнение лабораторных работ. Для
контроля результатов учебной деятельности учебным планом предусмотрено
выполнение двух обязательных контрольных работ и сдача экзамена. Согласно
тематическому плану предмета «Основы промышленной электроники» на изучение
данной тематики отводится четыре часа.
Семестровая отметка по предмету выставляется по совокупности отметок,
полученных в ходе всех видов текущей, промежуточной аттестации. Итоговая -
исходя из семестровой и экзаменационной, но не выше экзаменационной. Учащиеся,
зарекомендовавшие себя с положительной стороны и имеющие семестровые отметки не
ниже восьми баллов, могут быть освобождены от сдачи экзамена.
Учебное занятие входит в состав раздела 7 «Импульсные устройства»
(приложение 1). На изучение раздела отводится 6 часов. Разрабатываемое учебное
занятие первое в разделе, его продолжительность - два часа. Учебный материал
занятия носит теоретический характер. В ходе учебного занятия учащимися должна
быть усвоена информация, которая будет базисом при выполнении последующей
контрольной работы. Также рассматриваются вопросы, связанные с применением
импульсных устройств. Для изучения темы «Импульсные устройства» необходимы
знания из «Основы промышленной электроники»: «Физика», «Полупроводниковые
приборы»; «Электротехника»: «Электрические цепи постоянного тока»,
«Электрические цепи переменного тока». «Электроника», Цифровые устройства и
микропроцессоры Основы теории цепей
В результате проведения занятий по теме «Импульсные устройства» учащиеся
приобретают следующие знания и навыки:
устройство, принцип действия, схемное назначение, характеристики, область
применения импульсных устройств;
умения: собирать схемы для проведения экспериментальных работ и выполнять
эксперименты по исследованию электронных приборов и устройств;
обрабатывать результаты исследований, анализировать их;
пользоваться контрольно-измерительными приборами, инструментами при
проведении экспериментальных работ с учетом требований техники безопасности;
приобретают навыки по обслуживанию, ремонту, монтажу импульсных
устройств. привитие навыков к самообразованию;
развивается способность применять полученные знания к инженерной
деятельности;
информированность о современных проблемах цифровой техники быструю
адаптацию выпускника к специфике предприятия,
системный подход к анализу и синтезу радиоэлектронных систем,
способность самостоятельной инженерной деятельности по специальности и
успешное взаимодействие с коллегами в многопрофильных командах.
Данный предмет тесно связан с другими дисциплинами теоретического цикла,
и, прежде всего: «Физика», «Электрические машины», «Педагогика», «Психология».
Связи с этими науками проявляются как в содержании курса промэлектроники, так и
в методах, средствах и формах обучения. Так, развитие физики привело к тому,
что в программу курса промэлектроники и основы электроники были включены
физические основы полупроводников, элементы специальной теории относительности
и др.
Развитие педагогической психологии, создание новых психологических
концепций и теорий, в частности теории поэтапного формирования умственных
действий (Л. С. Выготский, П. Я. Гальперин, Н. Ф. Талызина), теории
развивающего обучения (Л. В. Занков, Д. Б. Эльконин), концепции теоретических
обобщений (В. В. Давыдов), привело к разработке основанных на них технологий обучения
электротехнике.
Методика преподавания электротехнических дисциплин связана также с
философией, логикой, с техническими науками. Развитие техники приводит к
созданию новых средств обучения, что в свою очередь требует разработки методики
их использование в учебном процессе.
Методическая подготовка и знание принципов обучения в целом является
основой эффективности осуществления преподавателем учебного процесса.
Материально-техническое оснащение урока:
. Персональный компьютер (ПК).
.Мультимедийный комплект (ПК+телевизор+усилитель+акустическая система).
. Компьютерная программа «Электронный учебник» OMS (приложение 2).
. Слайды, изображения импульсных устройств (приложение 3).
. Средства контроля, карточки задания (приложение 4).
. Фотоэлемент
К методическому обеспечению урока относится: план-конспект, тематическое
планирование, учебная программа и т.д.
При построении урока «Импульсные устройства» дисциплины «Основы
промышленной электроники» отбор содержания проводился исходя из специфики
предмета, заключающейся в тесной взаимосвязи с общей физикой и электротехникой.
Поэтому выдержана стратегия опоры на изученные студентами разделы указанных
дисциплин с выстраиванием собственного понятийного аппарата и методов анализа
работы электронных приборов. Теоретическое изложение материала обязательно
сопровождается практическими исследованиями реальных электронных устройств.
Изучение курса позволит на основе полученных знаний по электронике
способствовать формированию у студентов общего представления работы сложных электронных
систем, используемых для передачи, обработки и хранения информации.
2. Предметная информация по теме: Импульсные устройства
.1 Генераторы импульсных сигналов
. Формирующие цепи
При генерации импульсных сигналов различной формы необходимо формирование
временных интервалов, задающих длительность импульсов и пауз, частоту
повторения импульсов и т.п. Эта задача решается с помощью формирующих цепей
содержащих реактивные элементы. Наиболее простыми и надежными являются RC-цепи. Как правило, они применяются в
качестве разделительных, дифференцирующих или интегрирующих цепей.
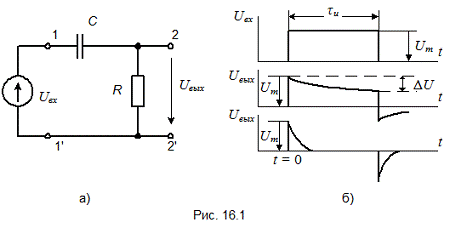
Схема разделительной цепи приведена на рис. 16.1а. Временные диаграммы
напряжений в схеме приведены на рис 16.1б. При анализе процесса формирования
напряжения на выходе RC-
цепи будет полагать, что внутреннее сопротивление источника входного напряжения
равно нулю, а сопротивление нагрузки - бесконечно большое. Емкость С не
пропускает на выход постоянную составляющую источника питания. Поэтому цепь
названа разделительной.
Пусть
в момент t=0 на вход
цепи (зажимы 1 -1') поступает прямоугольный импульс амплитудой Um и длительностью tu. В
начальный момент времени конденсатор С разряжен и ток в RC
- цепи определяется только амплитудой импульса Um
и сопротивлением R. Поэтому на зажимах 2 - 2' создается
напряжение равное максимальному
. По мере
заряда конденсатора С ток в цепи, а значит и напряжение на выходе будет
экспоненциально убывать
, (2.1)
где
tц =
R × C
[с] - постоянная цепи.
К
моменту окончания импульса (когда t = tu) выходное напряжение упадет до Uвых(tu), причем
. (2.2)
После
окончания импульса напряжение на входе цепи Uвх= 0. Поэтому конденсатор С начинает разряжаться
через источник Uвх и
резистор R. Ток разряда создает на выходе цепи отрицательный
перепад напряжения, причем
где
. (2.3)
Разделительная
цепь должна передавать импульс от входа к выходу с возможно меньшими
искажениями его формы. Искажение формы оценивают максимальным относительным,
снижением вершины выходного импульса.
.
Из
выражения (16.3) следует, что D U тем
меньше, чем больше Uвых(tu), а Uвых(tи) тем больше, чем меньше отношение tu/tц (см
рис.16.2). Если требуется чтобы максимальное относительное снижение вершины
импульса не превышало 1%, то постоянная времени цепи tц
должна превышать длительность импульса tu не менее чем в 100 раз.
Схема
дифференцирующей цепи такая же, как и схема разделительной цепи. Но
дифференцирующая цепь предназначена для укорочения импульсов или для выделения
их фронта и среза. Эта задача решается тем лучше, чем больше отношение tu/tц. Реально оно находится в пределах от 10 до 100.
Выходное напряжение представляет два биполярных импульса совпадающих по времени
с фронтом и срезом входного импульса (рис. 16.1б). Амплитуда биполярных
импульсов затухает экспоненциально в соответствии с (16.1). Длительность этих
импульсов на уровне 0,05 Um. tвых » 3 tц.
Подбором tц ее
можно сделать сколь угодно малой.
Схема
интегрирующей цепи приведена на рис. 16.2а. На рис. 16.2б приведены диаграммы
напряжений на входе и выходе цепи. При поступлении на вход такой цепи (зажимы 1
- 1') прямоугольного импульса напряжения выходной сигнал нарастает
по экспоненте
. (2.4)
Время
необходимое для нарастания выходного сигнала до уровня 0,9Um, составляет 2,3 tц, а до уровня 0,99 Um - 4,6 tц.
Срез
убывает по экспоненциальному закону
, где
.
На
начальном участке выходное напряжение изменяется по закону, близкому к
линейному. Этот участок часто используется для линейного накопления напряжения
сигнала. Поэтому рассматриваемая цепь получила название интегрирующей. Чтобы цепь
работала как интегрирующая, отношение tu/tц должно быть значительно меньше единицы.
.2
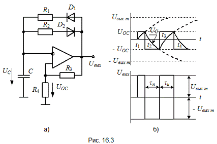
Мультивибраторы
Мультивибратором
называется генератор периодически повторяющихся прямоугольных импульсов.
Мультивибратор может быть выполнен на транзисторах, ОУ или на логических
элементах. Рассмотрим схему мультивибратора на ОУ (рис.16.3а). Диаграммы
напряжений, поясняющие работу схемы, приведены на рис. 16.3б.
В
схеме рис. 16.3а ОУ и цепь R3 R4 образуют компаратор с
ПОС. При переключениях компаратора на его выходе формируются напряжения Uвыхm (оно открывает диод D1) и -Uвыхm (оно
открывает диод D2).
Конденсатор
С и резисторы R1, R2 образуют две
интегрирующие цепи. Цепь заряда конденсатора R1C
включена, когда открыт диод D1. Цепь
разряда конденсатора R2C включена, когда открыт диод
D2.
Источником напряжения заряда и разряда конденсатора является выход ОУ.
Нагрузкой интегрирующих цепей является инвертирующий вход ОУ.
Включим
питание ОУ в момент времени t1.
Выходное напряжение ОУ Uвых
может отклониться как в положительном, так и в отрицательном направлениях.
Пусть Uвых
получила положительное приращение DUвых.
Через цепь ПОС R3R4 это приращение подается на прямой вход ОУ, усиливается
им и, в свою очередь, вызывает приращение DU/вых. Процесс развивается лавинообразно. В результате в
момент t1 на
выходе ОУ напряжение скачком принимает значение
.
Положительное
напряжение ОУ
открывает диод D1. Начинается заряд конденсатора С через
резистор R1.
Скорость заряда определяется постоянной времени
.
Нарастающее по экспоненте напряжение конденсатора UC
подается на инвертирующий вход ОУ.
На
прямой вход ОУ через цепь ПОС R3R4 подается напряжение UOC
.
В
момент времени t2
напряжение на конденсаторе UC достигает значения U0С. Происходит переключение компаратора. ОУ скачком
переходит в область отрицательного насыщения, когда
.
Одновременно
(в момент времени t2) скачком
изменяется напряжение обратной связи до величины
,
диод
D1
закрывается, а диод D2
открывается. Начинается перезаряд конденсатора С через резистор R2 до напряжения
. Скорость перезаряда определяется постоянной времени
. Когда напряжение на конденсаторе UC достигает значения - UOC
(момент времени t3)
происходит регенеративное переключение компаратора. Далее процессы периодически
повторяются.
В
установившемся режиме (от момента t2 и далее) напряжение конденсатора изменяется от UОС до - UОС и обратно. На
диаграмме рис. 16.3б интервал времени t2 - t3
определяет длительность паузы, а интервал t3 - t4 -
длительность импульса, причем
(2.5)
(2.6)
Период
повторения
(2.7)
Скважность
(2.8)
Выражения
(16.5) - (16.8) позволяют выполнить расчет параметров мультивибратора. Кроме
того, они позволяют определить способы регулировки частоты и скважности. Так,
при регулировке частоты скважность не должна изменяться. Следовательно, R1, R2 целесообразно оставлять
неизменными. Удобно частоту регулировать изменением R3 или R4.
При
регулировке скважности частота должна оставаться неизменной. Это значит, что R3 и R4, а также (R1 + R2) должны быть постоянными
величинами. Отсюда следует, что для регулировки скважности R1 и R2 следует выполнять как
составляющие одного потенциометра. Крайние точки такого потенциометра
подключаются к диодам D1 и D2, а средняя - к
инвертирующему входу ОУ.
Наряду
с мультивибраторами широкое применение находят одновибраторы. Это устройства,
предназначенные для формирования одиночного прямоугольного импульса заданной
длительности при воздействии на вход короткого запускающего импульса. Такие
схемы часто называют ждущими мультивибраторами. Ждущие мультивибраторы
применяются для формирования импульсов заданной длительности или в качестве
узла задержки импульсов на заданное время.
Схема
ждущего мультивибратора приведена на рис. 16.4а. На рис. 16.4б приведены
диаграммы, поясняющие принцип работы.
В
схеме рис. 16.4а ОУ и цепь R3 R4 образуют компаратор с
ПОС. Конденсатор С и резистор R образуют
интегрирующую цепочку. Источником питания этой цепочки служит выходное
напряжение компаратора, нагрузкой - инвертирующий вход ОУ. Диод D1 служит для фиксации
начального напряжения на конденсаторе С - UC (0).
Конденсатор С5 и резистор R5 образуют дифференцирующую цепочку. Диод D2 пропускает на прямой вход
ОУ только положительные импульсы. Эти импульсы служат для запуска ждущего
мультивибратора.
В
исходном состоянии
. Компаратор находится в отрицательном насыщении, т.
е.
. Отрицательным напряжением диод D1 открыт и
поддерживает
на конденсаторе С1 напряжение UC
= 0. Напряжение обратной связи отрицательное, причем
.
Так
как
, то исходное состояние устойчиво, одновибратор может
находиться в нем как угодно долго.
Пусть
в момент времени t1 с выхода
дифференцирующей цепочки на прямой вход ОУ поступает короткий положительный
импульс, амплитуда которого больше амплитуды
.
Напряжение на прямом входе становится положительным и компаратор регенеративно
переключается в область положительного насыщения, когда
. Этим напряжением диод D1 закрывается, а конденсатор С1
начинает заряжаться через резистор R. На прямой вход ОУ подается
положительное напряжение обратной связи
Этим напряжением ОУ поддерживается в состоянии положительного насыщения.
Значит входной импульс необходим только для срабатывания компаратора и может
быть очень коротким.
Скорость
заряда конденсатора С1 определяется постоянной времени RC1, которая и задает
длительность формируемого импульса -
. Этап
формирования импульса завершается в момент времени t2, когда напряжение на конденсаторе достигает значения
. В этот момент компаратор регенеративно переключается
в область отрицательного насыщения. Длительность формируемого импульса
определяется выражением
(2.9)
После
переключения компаратора в область отрицательного насыщения, напряжение на
конденсаторе скачком не изменяется. Под воздействием UC диод D1 остается закрытым. Поэтому после момента времени t2 начинается этап
восстановления исходного состояния, когда конденсатор С1
разряжается через резистор R от источника -
.
Скорость разряда определяется постоянной времени RC1. В момент времени t3 напряжение на конденсаторе
. В этот момент открывается диод D1, который препятствует
дальнейшему уменьшению напряжения на конденсаторе С1.
Исходное состояние восстановлено. Схема готова к поступлению нового входного
импульса. Длительность этапа восстановления определяется выражением
(2.10)
Следовательно, максимально допустимая частота входных импульсов для
ждущего мультивибратора равна
(2.11)
.3 Генераторы линейно изменяющегося напряжения
Генераторы линейно изменяющегося напряжения (ГЛИН) формируют напряжение
пилообразной формы (рис. 16.5б), которое необходимо для создания разверток на
экранах осциллографов, телевизоров и др. индикаторов, для преобразователей
аналоговых величин в цифровые, преобразователей амплитуда-время и для др.
целей.
Для формирования линейно изменяющегося напряжения, чаще всего используют
заряд или разряд конденсатора постоянным током. Простейшая схема ГЛИН приведена
на рис. 16.5а. При разомкнутом ключе К конденсатор С заряжается
от источника тока I
и напряжение на нем нарастает по закону
(2.12)
т.
е. по линейному закону. В момент времени t2 ключ К замыкается и конденсатор разряжается
через резистор R и ключ К по экспоненциальному закону.
Разработано
много схем ГЛИН. Большими преимуществами обладают схемы на ОУ. В них в качестве
источника постоянного тока применяются интеграторы на ОУ, а в качестве ключа -
компараторы.
Схема
интегратора на ОУ приведена на рис. 16.5в. Очевидно, что
;
. Так как
, то
, причем
.
В
лекции 14 мы уже установили, что для ОУ напряжение между входами
. Поэтому Uвых=UC, причем
.
Если
напряжение на входе ОУ постоянное, то получаем
линейно изменяющееся напряжение. Знак приращения обратный знаку входного
напряжения.
Схема ГЛИН с внешним управлением приведена на рис. 16.6а. На рис. 16.6б
приведены диаграммы напряжений, поясняющие его работу.
Схема
состоит из компаратора и интегратора. В исходном состоянии напряжение
управления UУ = 0.
Под воздействием напряжения Е0 компаратор находится в
состоянии отрицательного насыщения. Под воздействием этого напряжения
конденсатор С заряжается до
.
Пусть
в момент времени t1 на
прямой вход поступает прямоугольный импульс, амплитуда которого Um > E0. Компаратор переходит в положительное насыщение, т.
е. напряжение на его выходе
. Это
напряжение является входным для интегратора. Открывается диод D1, начинается перезаряд
конденсатора С до
. Напряжение UГЛИН убывает по линейному закону в соответствии с
выражением
По
окончании импульса компаратор регенеративно переходит в отрицательное насыщение
(под воздействием Е0). Диод D1 закрывается. Открывается диод D2. Начинается перезаряд
конденсатора С до напряжения
.
Напряжение UГЛИН
возрастает по линейному закону, т. е.
Максимального
значения оно достигает за время t = R2C. Если пауза
, то ГЛИН
переходит в устойчивое состояние (
) до
поступления следующего импульса управления.
Кроме
рассмотренной схемы, часто применяются ГЛИН в автоколебательном режиме. Чтобы
получить такой ГЛИН достаточно в схему рис. 16.6а ввести ОС - R3, R4 на прямой вход компаратора
с выходов компаратора и интегратора (пунктир на рис. 16.6а). Напряжение
обратной связи UОС
будет определяться напряжением на выходе компаратора
и напряжением на выходе интегратора UГЛИН. На рис. 16.6в
приведены временные диаграммы, поясняющие работу генератора.
Пусть
в момент времени t1 = 0
компаратор перешел в состояние отрицательного насыщения. Его
. Открывается диод D2 и на интеграторе начинается формирование линейно нарастающего
напряжения UГЛИН.
Напряжение обратной связи UОС
найдем методом суперпозиции
(2.13)
где
- линейно нарастающее напряжение UГЛИН.
Видим,
что UОС
также линейно нарастает. В момент времени t2 наступает равенство UOC
= Е0. Компаратор переключается, напряжение его на выходе
скачком изменяется до
. Напряжение интегратора скачком измениться не может.
Поэтому напряжение обратной связи скачком увеличивается до величины
(2.14)
промышленный
электроника импульсный урок
Напряжением
открывается диод D1. На интеграторе начинается формирование линейно
падающего напряжения. Напряжение UOC также линейно
убывает и в момент t3
принимает значение
Компаратор вновь переключается и далее процесс периодически повторяется.
Рассмотрим пример.
Пусть
в схеме компаратора R3 = 10
кОм; R4 = 50
кОм; Е0 = 1 В;
= ±10 В.
Определим
UГЛИН
и UОС в моменты времени t1; t2; t3.
1. В момент времени t1 включается питание. Напряжение на выходе компаратора
Конденсатор
С до включения питания был разряжен. Напряжение UC = 0 и скачком измениться не может. Значит
и в соответствии с (16.13)
Для
момента времени t2
.
Отсюда
определим UГЛИН
.
Определим
значение
сразу после переключения, когда значение
, а UГЛИН
еще не изменилось:
.
1. Для момента времени t3
Напряжение
на выходе компаратора
. Напряжение обратной связи UOC

.
Здесь
UГЛИН (t3) - минимальное.
Определим
это значение
.
Напряжение
UОС (t3) определим сразу после
переключения, когда значение
, а UГЛИН (t3) = -0,79 В.
Далее
значение UГЛИН периодически изменяется от -0,79 В
до 3,2 В, а UОС от -2,32 В до 4,31 В.
Иллюстрации
3. Cтруктурно-логическая схема
Импульсные устройства
|
Наименование понятия
|
Определение понятия
|
|
1. Формирующие цепи
|
Цепи формирующие временные
интервалы, задающие длительность импульсов и пауз, частоту повторения импульсов
|
|
2.Генераторы импульсных
сигналов
|
Генератор для
воспроизведения электромагнитного сигнала (синусоидального, импульсного,
шумового или специальной формы).
|
|
3. Мультивибратор
|
генератор периодически
повторяющихся прямоугольных импульсов
|
|
4.Генератор линейно
изменяющегося напряжения
|
Генератор формирующий
напряжение пилообразной формы, которое необходимо для создания разверток на
экранах осциллографов, телевизоров и др
|
4. Технология обучения
План учебного занятия
Учебная дисциплина: «Основы промышленной электроники»
Раздел 6: «Импульсные устройства», 6 часов
Тема урока: «Мультивибраторы», 2 часа
Цели урока:
обучающая: на уровне понимания -
объяснять устройство генераторов прямоугольных импульсов и конструктивные
особенности их составных частей; объяснять принцип действия; трактовать
понятия: мультивибратор, Диаграммы напряжений, Схемы генератора прямоугольных импульсов
на уровне применения - анализировать работу схем генераторов; расчитывать
параметры мультивибратора, сравнивать
диаграммы генераторов;
развивающая: способствовать развитию памяти, умений исследовать,
анализировать, сравнивать, делать выводы при изучении мультивибраторов;
воспитательная: формировать внимательность, чувство коллективизма, умения
выслушивать доводы товарищей;
методическая: обеспечить активизацию познавательной деятельности учащихся
при изучении новой темы путем применения исследовательской деятельности в
сочетании с проблемными ситуациями.
Тип урока: комбинированный
Методы ведения урока:
ü объяснительно-иллюстративный;
ü исследовательский;
ü проблемно-поисковый.
Материально-техническое оснащение урока:
1. Персональный компьютер (ПК).
. Мультимедийный комплект (ПК+телевизор+усилитель+акустическая система).
. Компьютерная программа «Электронный учебник» OMS в виде теста (приложение
2).
. Слайды (приложение 3).
. Средства контроля карточки-задания(приложение 4).
Межпредметные связи:
предмет «Электротехника», темы: «Электрические цепи постоянного тока»,
«Электрические цепи переменного тока», « Электроника».
Внутрипредметные связи:
темы:«Формирующие цепи», «Пассивные элементы электронных устройств»,
«Полупроводниковые приборы»
Структурная схема учебного занятия спроектирована на основе
педагогического замысла, в соответствии с типом учебного занятия и выбранными
методическими решениями. Структурная схема учебного занятия включает
дидактическую и методическую структуры, а так же ориентировочное время в
минутах, отводимое на каждый элемент.
Структурная схема учебного занятия
|
№ п/п
|
Дидактическая структура
|
Методическая структура
|
Время, мин.
|
|
1
|
Организационный этап
|
1.1 Приветствие, проверка
присутствующих 1.2 Проверка подготовки учебного кабинета
|
2
|
|
2
|
Подготовка к работе на
основном этапе
|
2.1 Сообщение темы и
обучающих целей 2.2 Мотивация учебно-познавательной деятельности 2.3 Сообщение
порядка работы
|
2
|
|
3
|
Проверка домашнего задания
|
3.1 Выдача практических и
тестовых заданий 3.2 Ответ у доски предыдущей темы
|
8
|
|
4
|
Этап усвоения новых знаний
и способов деятельности
|
4.1 Сообщение плана нового
учебного материала 4.2 Объяснение с элементами демонстрации 4.3 Исследование
схемы 4.4 Исследование диаграмм 4.5 Объяснение с элементами демонстрации
|
17
|
|
5
|
Этап первичной проверки
понимания
|
5.1Фронтальная беседа с
элементами демонстрации 5.2 Проверка гипотезы с помощью исследования схемы в
компьютерной программе
|
3
|
|
6
|
Этап закрепления
|
6.1 Фронтальная беседа 6.2
Фронтальное решение задач
|
4
|
|
7
|
Этап информирования о
домашнем задании
|
Объяснение цели, содержания
и способов выполнения домашнего задания
|
2
|
|
8
|
Подведение итогов и
рефлексия
|
8.1 Беседа по обобщению
новых знаний и связей с будущей профессией 8.2 Беседа по анализу результатов
деятельности
|
2
|
Технологическая карта учебного занятия по теме «Мультивибраторы»
приведена в таблице.
Технологическая карта учебного занятия
|
Этапы занятия
|
Задачи этапа
|
Деятельность
|
Методическое обеспечение
|
Результаты обучения
|
|
|
преподавателя
|
учащихся
|
|
|
|
1. Организационный этап 1.1
Приветствие, проверка присутствующих
|
Приветствовать учащихся,
отметить отсутствующих.
|
Приветствует учащихся и
определяет отсутствующих.
|
Приветствуют преподавателя
Дежурные называют фамилии отсутствующих.
|
Журнал, рапортичка.
|
Доброжелательный настрой
преподавателя и учащихся; материально техническая обеспеченность учащихся на
занятии; учащиеся готовы к учебной деятельности.
|
|
1.2 Проверка подготовки
учебного кабинета
|
|
Проверяет готовность
учебного кабинета к занятию.
|
Подготавливают рабочее
место к занятию.
|
|
|
|
2. Подготовка к работе на
основном этапе
|
|
|
|
|
Осмысление и принятие
учащимися ориентировочной деятельности. Усиление мотивации к учебно-познавательной
деятельности. Понимание и принятие учащимися последовательности активной
учебно-познавательной предстоящей деятельности.
|
|
2.1 Сообщение темы и
обучающих целей
|
Раскрыть обучающую цель
учебного занятия.
|
Сообщает тему учебного
занятия, формулирует обучающие цели.
|
Слушают и осмысливают тему,
обучающие цели.
|
Слайд на экране телевизора
(приложение 5).
|
|
|
2.2Мотивация
учебно-познавательной деятельности
|
Мотивировать учащихся на
активную учебно-познавательную деятельность.
|
Сообщает про мультивибраторы,
подчеркивает простоту изготовления.
|
Слушают, осмысли-вают,
задают вопросы.
|
Слайд на экране телевизора
(приложение 3).
|
|
|
2.3 Сообщение порядка
работы
|
Раскрыть программу
деятельности на уроке.
|
Сообщает порядок работы.
|
Слушают и осмысливают
порядок работы.
|
Слайд на экране телевизора
(приложение 5).
|
|
|
3. Проверка домашнего
задания
|
Установить полноту и
глубину знаний учащихся, степень усвоения предыдущей темы, уровень развития
логического мышления.
|
|
|
|
|
|
3.1 Выдача практических и
тестовых заданий
|
|
Выдает практические и
тестовые задания, поясняет порядок выполнения.
|
Обдумывают и выполняют
задания.
|
Тестовые и практические
задания. Эталоны ответов приложение 4).
|
Правильные ответы учащихся
в соответствии с эталонами (приложение 4).
|
|
3.2 Ответ у доски
предыдущей темы
|
Организовать коллективную
работу учащихся по обсуждению вопросов.
|
Обращается с вопросом ко
всей группе, вызывает отдельных учащихся. Анализирует, корректирует и
оценивает ответы учащихся.
|
Слушают и осмысливают
вопросы преподавателя, отвечают.
|
Вопросы. Эталоны ответов.
(приложение 4).
|
Правильные ответы учащихся
в соответствии с эталонами (приложение 4).
|
|
4. Этап усвоения новых
знаний и способов деятельности
|
|
|
|
|
Правильность и осознанность
ответов учащихся в процессе беседы, активность в исследовании. Правильно
объясняют устройство генератора прямоуголь-ных импульсов, конструктивные
особенности, принцип действия, основные характеристи-ки.
|
|
4.1 Сообщение плана нового
учебного материала
|
Раскрыть план подачи нового
учебного материала.
|
Сообщает план нового
материала.
|
Слушают и осмысливают план
нового материала.
|
Опорный конспект.
(см.раздел 1.2)
|
|
|
4.2 Объяснение с элементами
демонстрации
|
Обеспечить восприятие,
осмысление и первичное запоминание изучаемых знаний и способов деятельности.
|
Объясняет учебный материал,
демонстрирует слайды, задает вопросы.
|
Слушают объяснения,
осмысливают информацию, отвечают на вопросы.
|
Компьютерная программа
(приложение 2), слайды (приложение 5).
|
|
|
4.3 Исследование схемы
|
Обеспечить активную
мыслительную и исследовательскую деятельность, первичное понимание изучаемого
материала и способов деятельности.
|
Вовлекает учащихся в
активную мыслительную и исследовательскую деятельность, направляет ход
исследования задавая наводящие вопросы.
|
Проводят исследование схем
генераторов
|
Компьютерная программа
(приложения 2, 5).
|
|
|
4.4 Объяснение с элементами
демонстрации
|
Обеспечить восприятие,
осмысление и первичное запоминание изучаемых знаний и способов деятельности.
|
Объясняет учебный материал,
демонстрирует слайды, моделирует проблемные ситуации.
|
Слушают объяснения,
осмысливают информацию, высказывают предположения, суждения, делают выводы.
|
Слайды (приложение 5).
Компьютерная программа (приложение 2).
|
|
|
5. Этап первичной проверки
понимания*
|
Установить правильность
понимания изученного материала.
|
|
|
|
Осознанность ответов
учащихся в процессе беседы, активность в подведении итогов бесе- ды.
Высказывание правильных суждений и доводов. Доосмысление нового учебного
материала.
|
|
5.1Фронтальная беседа с
элементами демонстрации
|
Выявить недочеты первичного
осмысления изученного материала.
|
Задает вопросы, слушает
ответы учащихся, корректирует знания и способы деятельности учащихся.
|
Отвечают на вопросы
Слушают, смотрят, осмысливают, отвечают на вопросы.
|
Слайды (приложение 5).
|
|
|
5.2 Проверка гипотезы с
помощью исследования схемы в компьютерной программе
|
Ликвидировать выявленные
недостатки осмысления учащимися изученного материала.
|
Формулирует гипотезу,
выслушивает суждения, показывает эксперимент и его результат.
|
Высказывают суждения,
приводят доводы, доосмысливают результат эксперимента.
|
Компьютерная программа
(приложение 2).
|
|
|
* Этап первичной проверки
понимания интегрирован с этапом усвоения новых знаний и способов
деятельности.
|
|
6. Этап закрепления новых
знаний и способов деятельности
|
Обеспечить повышение уровня
осмысления изученного материала.
|
|
|
|
Правильно излагают принцип
работы схем мультивибра-тора. Рассчитывают параметры мультивибра-тора, строят
амплитудно-частотную и амплитудную характеристики мультивибра-тора.
анализируют их.
|
|
6.1 Фронтальная беседа
|
Выявить качество и уровень
усвоения учащимися знаний и способов деятельности.
|
Создает проблемную
ситуацию, со- провождая её показом слайдов.
|
Осмысливают проблемную
ситуацию и находят правильное её решение.
|
Слайды (приложение 5).
|
|
|
6.2 Фронтальное решение задач
|
Обеспечить закрепление в
памяти учащихся знаний и способов деятельности на уровне применения в
стандартных ситуациях.
|
Воспроизводит условие
задачи .
|
Решают Задачи.
|
Слайды (приложение 5).
|
|
|
7. Этап информирования о
домашнем задании
|
Обеспечить понимание учащимися
цели, содержания и способов выполнения домашнего задания.
|
Мотивирует выполнение
домашнего задания, воспроизводит (записывает на доске), объясняет его
сущность.
|
Слушают, осмысливают,
записывают домашнее задание в конспект.
|
Содержание домашнего задания
(приложение 1).
|
Обоснованность содержания
домашнего задания.
|
|
8. Подведение итогов и
рефлексия
|
|
|
|
Учащиеся осознали
значимость усвоенных на учебном занятии знаний и способов деятельности.
|
|
8.1 Беседа по обобщению
новых знаний и связей с будущей профессией
|
|
Задает вопросы учащимся.
|
Отвечают на поставленные
вопросы.
|
Система вопросов и эталоны
ответов (приложение 4).
|
|
|
8.2 Беседа по анализу
результатов деятельности
|
Организовать учащихся на
рефлексию собственной учебной деятельности и ее итогов.
|
Задает вопросы учащимся.
Выставляет отметки.
|
Отвечают на вопросы.
Реагируют на оценку.
|
Система вопросов. Критерии
оценки (приложение 6)
|
Открытость учащихся в
осмыслении своих действий и самооценке.
|
5. Средства обучения для преподавателя и учащихся
Средства обучения - это объекты, созданные человеком, а также предметы
естественной природы, используемые в образовательном процессе в качестве
носителей учебной информации и инструмента деятельности педагога и обучающихся
для достижения поставленных целей обучения, воспитания и развития.
Во время урока могут применяться различные формы организации
познавательной деятельности учащихся: коллективная, групповая, индивидуальная.
Возможности сочетания этих форм увеличиваются при использовании ТСО. ТСО
позволяют создать вариативность изложения учебного материала для различных
групп, помогают решить многочисленные задачи организации индивидуализированного
учебно-познавательного процесса в условиях коллективного обучения.
Место технических средств на занятиях, продолжительность их использования
во многом определяются индивидуальными особенностями обучаемых детей, стилями
их учебной деятельности: аналитический, аудиальный, визуальный,
интуитивно-мыслительный и т. п.
Аудиовизуальные средства обеспечивают лишь одну сторону процесса обучения
- усиливают восприятие учащимися учебной информации, что в значительной степени
определяет качество понимания и усвоения учебного материала. Для глубокого
усвоения знаний необходимо формирование понятий и художественных образов в
процессе активной мыслительной деятельности. Этого можно достичь лишь при
сочетании аудиовизуальных средств со словом учителя. На уроке с применением
аудиовизуальных средств важно, чтобы работал не только экран телевизора,
кинопроектор или магнитофон, главное, чтобы активно работал ученик. Слово
учителя необходимое условие и средство повышения действенности аудиовизуальных
пособий, осознанности восприятия и усвоения их содержания учащимися, управления
их познавательной деятельностью. Учитель выделяет основные объекты и явления,
раскрывает их сущность, сосредоточивает внимание на содержании аудиовизуальных
средств, активизирует мыслительную деятельность учащиеся, устанавливает связи
между содержанием аудиовизуальных пособий и темой урока, подводит учащихся на
основе сформированных представлений к выявлению сложных внутренних связей и
закономерностей - формированию понятий.
Использование аудиовизуальных пособий в качестве источников знаний
приучает учащихся привлекать дополнительные источники к учебному материалу
(научно-популярные и хроникально-документальные фильмы, телевизионные и
радиопередачи) для самообразования и расширения кругозора.
В процессе обучения аудиовизуальные пособия могут быть использованы в
качестве иллюстрации, как средство дополнительной информации в целях углубления
и конкретизации знаний и обогащения представлений учащихся, полученных на
основе других источников. Основными источниками знаний в таких случаях являются
объяснение учителя, демонстрируемые на уроке опыты, учебник, практические и
лабораторные работы, а аудиовизуальные пособия - вспомогательными,
дополнительными.
Качество обучения определяется тем, насколько учащиеся подготовлены к
выполнению практической работы, умеют применить теоретические знания на
практике. Учебные кинофильмы и фонозаписи в этом случае могут служить средством
инструктирования. Они знакомят с приемами выполнения работы, показывают
последовательность операций либо содержат указания к учебным заданиям, помогают
формировать у учащихся практические умения и навыки.
При обобщении, повторении изученного, как правило, источником знания о
фактах, явлениях или их связях выступает слово учителя, а наглядность выполняет
функцию его подтверждения, иллюстрации, конкретизации или является отправным
пунктом сообщения, содержащего сведения о явлениях и связях, недоступных
непосредственному восприятию.
Мультимедийный проектор или интерактивная доска - технические средства,
позволяющие показ презентации в классе. Электронную презентацию можно отнести к
электронным учебным пособиям. Презентация используемая учителем на уроке,
требует его комментариев и дополнений. Под электронной презентацией мы понимаем
логически связанную последовательность слайдов, объединенную одной тематикой и
общими принципами оформления.
Обобщение и систематизация знаний, воплощенные посредством ТСО, могут
быть наиболее эффективными, так как ТСО, предусматривая разнообразные формы ц
методы обучения, позволяют четко выделить главное, установить взаимосвязи между
отдельными элементами, глубже осмыслить структуру учебного материала, охватить
обширный материал в определенной системе и т.д. Благодаря использованию ТСО
время, затраченное на обобщение и систематизацию знаний, может быть значительно
сокращено по сравнению с другими вариантами выполнения этой сложной
деятельности.
Средства наглядности, демонстрируемые с помощью технических устройств,
могут служить основой для самостоятельной работы учащихся. Применение их
позволяет:
научить обучаемых работать с различными источниками информации;
разнообразить формы самостоятельной работы;
научить самоконтролю и самокорректированию познавательной деятельности.
ТСО на учебных занятиях и во внеучебное время могут быть применены для
самостоятельной работы: с целью получения новых знаний; совершенствования
знаний (на основе приобретенных знаний, при обобщении и систематизации знаний);
проверки и самоконтроля знаний, умений и навыков.
ТСО при самостоятельной работе с целью получения новых знаний на учебных
занятиях могут быть использованы в качестве источников этих знаний - основного
или вспомогательного. Например, это могут быть различные виды самостоятельной
работы учащихся при использовании ТСО преподавателем, когда он излагает
материал.
ТСО могут быть использованы при самостоятельной работе на основе
приобретенных знаний и на этапе, связанном с совершенствованием знаний, который
предполагает обучение применению знаний, выработку умений и навыков. ТСО могут
применяться при выполнении различного рода упражнений, решении и составлении
задач, инструктаже, самостоятельной работе для формирования трудовых умений и
навыков, при овладении навыками проведения лабораторных работ и т. д.
Особо может быть выделена самостоятельная работа при обобщении и
систематизации знании.
Самостоятельная работа на основе использования ТСО с целью обобщения и
систематизации знаний обеспечивает прочность знаний, потому что, как правило,
при этом повторение производится в ином порядке, чем при первичном ознакомлении
с учебным материалом, что требует нового осмысления и углубления имеющихся
знаний.
Применять ТСО при самостоятельной работе с целью проверки и самоконтроля
знаний, умений и навыков можно и при первичном ознакомлении с учебным
материалом, и при работе на основе приобретенных знаний, и при обобщении и
систематизации знаний. Например, одним из вариантов может быть использование
специальных контрольных карт или обучающих программ по отдельным вопросам или
темам, где предусмотрен контроль после изучения каждой дозы информации.
Контроль позволяет улучшать знания, совершенствовать их. Кроме того, его
надо рассматривать и как одно из средств воспитания чувства ответственности в
любой работе, и способности безошибочно выполнять действия интеллектуального
или трудового характера. Самоконтроль с помощью ТСО можно выполнить в самых
разных вариантах: записать ответ на магнитофон, а затем прослушать, проверяя по
учебнику; снять свои действия на видеопленку, а затем проанализировать при
просмотре, выполнить схемы, таблицы на кодотранспарантах, а потом сравнить с
готовыми или изготовленными учителем, и т. д.
Журнал как средство обучения используется на организационном и
заключительном этапах урока. Позволяет отслеживать успеваемость учащихся,
посещаемость занятий.
Учебники не только предъявляют информацию, но и управляют познавательной
деятельностью, работой с ней.
Натуральные объекты позволяют учителю наглядно продемонстрировать
размеры, построение и устройство изучаемого объекта. В свою очередь учащиеся
могут детально рассмотреть объект изучения, что обеспечивает наилучшее
понимание и усвоение необходимого материала.
Основная функция визуальных средств - демонстрация явлений, процессов.
Любое производство, объект, где возможна экскурсия, является средством
обучения. Но подавляющее большинство наглядных средств - это модели, макеты,
рисунки, карты. Их главная задача - обеспечить восприятие информации и
стимулировать учебную деятельность.
Компьютерная программа позволяет смоделировать схемы и получить показания
измерительных приборов и большинству схем изучаемых на уроках теоретического
обучения. При помощи программы учащимся показывается и объясняется принцип
построения схем, выбор, подключение, настройка измерительных приборов и порядок
снятия основных характеристик схемы. Для эффективного использования программы
необходимо, чтобы учащиеся были готовы к выполнению работы не только
теоретически, но и практически умели собирать схему, правильно подключая при
этом радиоэлементы и измерительные приборы, а также представляли, каким
примерно должен быть результат работы.
Компьютерные обучающие и контролирующие программы - программные средства
учебного назначения, которые широко используются в образовательном процессе и
позволяют:
индивидуализировать подход и дифференцировать процесс обучения;
контролировать обучаемого с диагностикой ошибок и обратной связью;
обеспечить самоконтроль и самокоррекцию учебно-познавательной
деятельности;
моделировать и имитировать процессы и явления;
проводить лабораторные работы, эксперименты и опыты в условиях
виртуальной реальности;
повысить интерес к процессу обучения, используя игровые ситуации и многое
др.
Система вопросов может использоваться как при проверке домашнего задания,
например фронтальный опрос, так и на этапе усвоения новых знаний. Позволяет
определить степень подготовленности учащихся и усвоение ими необходимого
материала, а также обратить внимание педагога на материал, который тяжело
усваивается учащимися.
Среди словесных средств большое значение имеют раздаточные материалы. Они
имеются по всем основным предметам и представляют набор заданий, упражнений,
схем.
Система заданий и упражнений - метод систематической и эффективной
отработки умения или навыка путем повторяющихся умственных действий,
манипуляций, практических операций в процессе обучающего взаимодействия
учащихся с учителем или в специально организованной индивидуальной
деятельности.
6. Атлас средств обучения
Данный компонент комплексного методического обеспечения содержит
изображения генераторов прямоугольных импульсов, графики колебаний,
электрическую схему мультивибратора, диаграммы с амплитудными характеристиками.
Схема симметричного мультивибратора (а) и генерируемые им импульсы тока
(б, в, г).
Опытный ждущий мультивибратор.
Электронный звонок на основе мультивибратора.
Электронный переключатель на основе мультивибратора.
Метроном на основе мультивибратора.
7. Блок-конспект
В данном разделе разработано средство обучения для учащихся, которое
обеспечивает максимально возможную самостоятельную деятельность учащихся на
основе выполнения тестовых заданий и решений технико-технологических задач.
Для удобства работы средства обучения необходимо обозначить так, чтобы
они были систематизированы, а это в свою очередь облегчает выдачу и проверку
заданий. Иногда целесообразно повторение ранее пройденных тем, поэтому чтобы
учащийся мог легко сориентироваться, по какой теме решает задание, в заголовке
теста необходимо указывать тему. Таким образом, обозначаем тест:
мультивибраторы,
В тестовом задании приводится таблица ответов, в которую учащийся выставляет
номера, слова, значения правильных ответов. Содержимое ячейки третьей строки (в
некоторых тестах столбца) соответствует количеству баллов за правильный ответ.
Это ориентирует учащегося в том, сколько он наберет баллов в результате решения
определенной части вопросов.
Тест 3.
Как изменится амплитуда прямоугольных импульсов на выходе
дифференцирующей RC - цепи при
увеличении их периода следования в 2 раза?
Ответы:
1) Амплитуда выходных импульсов увеличится в 2 раза.
) Амплитуда выходных импульсов не изменится
) Амплитуда выходных импульсов уменьшится в 2 раза.
) Амплитуда выходных импульсов уменьшится в 3 раза.
Тест 4.
Определите
соотношение между емкостями конденсаторов
и
резистивно-емкостного делителя
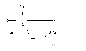
U2(t) В
U1 (t) В
Ответы:
1)
2)
3)
4)
3. Таблица
для переводов ответов в оценку
|
№ теста
|
Ответ № 1
|
Ответ № 2
|
Ответ № 3
|
Ответ № 4
|
|
Тест № 1
|
|
Ч
|
|
|
|
Тест № 2
|
Ч
|
|
|
|
|
Тест № 3
|
|
Ч
|
|
|
|
Тест № 4
|
|
|
|
Ч
|
Знаком «Ч» обозначены правильные ответы. При наличии у студента трех или
четырех правильных ответов - оценка «зачет», при прочих вариантах количества
правильных ответов - оценка «незачет».
Определите
длительность импульсов и длительность паузы между импульсами на коллекторе
транзистора VT1, если
Ф,
Ом,
Ом.
Тест
1.
Как
повлияет увеличение номинала резистора Rк на форму выходных импульсов в симметричном
автоколебательном мультивибраторе?
Ответы:
1)
Пропорционально увеличится длительность фронта импульсов
)
Форма импульсов не изменится.
)
Пропорционально увеличится длительность спада импульсов
)
Пропорционально уменьшится длительность спада импульсов.
Тест
2
С
какой целью в схему симметричного автоколебательного мультивибратора включены
кремниевые диоды?
Ответы:
1) С целью повышения температурной стабильности временных параметров
мультивибратора.
) С целью уменьшения длительности переднего фронта импульсов.
) С целью уменьшения длительности заднего фронта импульсов
) С целью улучшения условий запуска мультивибратора.
Тест 3
С какой целью в схему симметричного автоколебательного мультивибратора
включены диоды?
Ответы:
1). С целью уменьшения длительности переднего фронта импульсов.
). С целью уменьшения величины скола плоской вершины импульсов.
) С целью уменьшения длительности заднего фронта импульсов.
). С целью повышения температурной стабильности временных параметров
мультивибратора.
Тест 4
Что
произойдет с параметрами импульсов мультивибратора при увеличении номинала
резистора
?
Ответы:
1)
Уменьшится температурная нестабильность параметров выходных импульсов.
)
Увеличится амплитуда выходных импульсов.
)
Увеличится температурная нестабильность параметров выходных импульсов
)
Уменьшится амплитуда выходных импульсов.
4. Таблица для переводов ответов в оценку
|
№ теста
|
Ответ № 1
|
Ответ № 2
|
Ответ № 3
|
Ответ № 4
|
|
Тест № 1
|
|
|
Ч
|
|
|
Тест № 2
|
Ч
|
|
|
|
|
Тест № 3
|
|
|
Ч
|
|
|
Тест № 4
|
|
|
|
Ч
|
Знаком «Ч» обозначены правильные ответы. При наличии у студента трех или
четырех правильных ответов - оценка «зачет», при прочих вариантах количества
правильных ответов - оценка «незачет».
Заключение
В результате выполнения курсовой работы было
спроектировано учебное занятие по теме «Импульсные устройства». В качестве
основного метода при проведении учебного занятия бы предложен продуктивный
метод - метод исследования, в комбинации с проблемными вопросами и ситуациями.
Применение данного метода в сочетании с использованием специализированной
компьютерной программы и мультимедийных технологий позволит повысить
эффективность образовательного процесса за счет одновременного изложения
преподавателем теоретических сведений, показа и исследования материала с
высокой степенью наглядности. Так же будет способствовать развитию логического
мышления, аналитических способностей, коммуникативных навыков учащихся,
развитию познавательной активности учащихся, более полному усвоению ими учебной
информации. Полученные таким образом знания станут основой для осознанного
выполнения последующей лабораторной работы, останутся в памяти на более долгий
срок и позднее легче восстановятся для практического применения в трудовой
деятельности.
При выполнении курсовой работы были решены
следующие проектировочные задачи:
ü освоена методика
проектирования дидактической структуры учебного занятия;
ü освоена методика
проектирования методической структуры учебного материала;
ü освоена методика
проектирования структурной схемы учебного занятия на основе дидактической и
методической структур;
ü освоена методика
проектирования плана и технологической карты учебного занятия на основе
структурной схемы.
Материалы данной работы могут быть
использованы преподавателями дисциплины «Основы промышленной электроники».
Список
литературы к тесту
1. Фролкин В.Т., Попов Л.Н. Импульсные и цифровые
устройства.-М.: Радио и связь, 1992
2. Гольденберг Л.М. Импульсные и цифровые устройства.-М. Cвязь, 1973
3. Г.И. Пухальский, Т.Я. Новосельцева. Проектирование
дискретных устройств на интегральных микросхемах. М.:Радио и связь, 1990.
4.
Гусев В.В., Зеличенко Л.Г., Конев К.В. и др. Основы импульсной и цифровой
техники.- М.: Сов. радио, 1975.
5. Проектирование импульсных и цифровых устройств
радиотехнических систем / Под ред. Л.Н.Преснухина.- М.: Высш. школа, 1985.
Приложение 1
Фрагмент календарно-тематического плана
|
№№ занятий
|
Название разделов, тем по
программе, тем отдельных занятий
|
Кол-во часов
|
Тип занятий
|
Учебно-методическое
обеспечение
|
Задание для учащихся на дом
|
Прим.
|
|
Раздел 7Импульсные
устройства
|
6
|
|
|
|
|
|
46
|
6.1. Генератор импульсных
сигналов
|
2
|
Урок формирования новых
знаний
|
Слайды, образцы элементов
|
[1] c.
103-107
|
|
|
47
|
6.2. Мультивибратор
|
2
|
Комбинированный урок
|
Слайды, тесты
|
[4] c.
68-74
|
|
|
48
|
6.3. Генераторы линейно
изменяющегося напряжения
|
2
|
Комбинированный урок
|
Слайды, компьютерная
программа «OMS», тесты, практические задания
|
[4] c.
199-204
|
|
Приложение 2
Компьютерная программа «Electronics books» OMS
Тематический план по дисциплине «Основы промышленной электроники»
включает в себя 15 лабораторных работ или около 30-ти % учебного времени. Для
эффективного использования этого времени необходимо, чтобы учащиеся были готовы
к выполнению работы не только теоретически, но и практически умели собирать
схему, правильно подключая при этом радиоэлементы и измерительные приборы, а
также представляли, каким примерно должен быть результат работы.
В настоящее время существует много программ для моделирования работы
электронных схем с возможностью снятия параметров. На мой взгляд, наиболее
простой, удобной и понятной является программа «Electronics books ».