Карты Карно
Задача №1
Алгебраически минимизировать логическую функцию
и реализовать на элементах 2И-НЕ.

Рис. 1
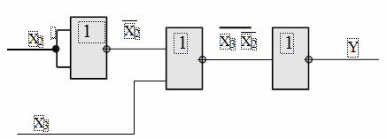
Задача №2
Заданную табличную функцию Y (таблица 1),
минимизировать при помощи карты Карно и преобразовать к виду для реализации на
логических элементах 2ИЛИ-НЕ.
Таблица 1
|
x4
|
x3
|
x2
|
x1
|
y
|
|
0
|
0
|
0
|
0
|
1
|
|
0
|
0
|
0
|
1
|
0
|
|
0
|
0
|
1
|
0
|
1
|
|
0
|
0
|
1
|
1
|
1
|
|
0
|
1
|
0
|
0
|
1
|
|
0
|
1
|
0
|
1
|
0
|
|
0
|
1
|
1
|
0
|
0
|
|
0
|
1
|
1
|
1
|
0
|
|
1
|
0
|
0
|
0
|
0
|
|
1
|
0
|
0
|
1
|
0
|
|
1
|
0
|
1
|
0
|
|
1
|
0
|
1
|
1
|
1
|
|
1
|
1
|
0
|
0
|
0
|
|
1
|
1
|
0
|
1
|
0
|
|
1
|
1
|
1
|
0
|
0
|
|
1
|
1
|
1
|
1
|
1
|
Карты Карно служат для автоматизации поиска
«склеиваемых» слагаемых и представляют собой таблицу всевозможных наборов
аргументов логической функции (число аргументов обычно < 6).
Если какой-либо набор аргументов логической
функции, представленный в виде логического произведения (минтерм) присутствует
то, в соответствующей клетке карты проставляется «1» («0» не ставятся).
Заполненная карта Карно подлежит склеиванию (графически это охват контурами),
причем в результирующем выражении контур представляется в виде логического
произведения аргументов входящих в контур только в прямом или только в
инверсном виде, а число контуров определяет число слагаемых функции. Склеивание
осуществляется по следующим правилам:
склеиваться (охватываться контурами) могут лишь
единиц
(где n - целое положительное число);
склеиваться могут лишь минтермы, которые
записаны в виде единиц в соседних клетках карты по горизонтали или по
вертикали;
склеиваемыми также считаются клетки верхнего и
нижнего рядов карты, крайнего правого и крайнего левого столбцов;
контурами должны быть охвачены все единицы;
одну единицу можно охватывать контурами
произвольное число раз;
В результате склеивания должны иметь контура
отвечающие следующим требованиям - контура должны быть как можно шире
(охватывать максимально возможное число единиц), контуров должно быть как можно
меньше.
карно карта число код
Для 4-х аргументов карту Карно всегда можно
представить как
Рис. 2
В строках (столбцах) охваченных фигурной скобкой
значение соответствующего аргумента воспринимается как прямое (в виде «1»), в
неохваченных - как инверсное (в виде «0»).

=
Рис. 3
Задача №3
Предложенные десятичные цифры A и B перевести в
двоичный, восьмеричный и шестнадцатеричный кода. Над двоичными эквивалентами
выполнить следующие операции:
арифметические A+B, A-B, B-A
логические A&B, AvB, A
B
А=24, В=45
Чтобы преобразовать целое десятичное число в
двоичный код необходимо:
Разделить десятичное число на 2 до получения
целого частного и остатка
Остатки запомнить и проверить, равно ли частное
нулю - если нет, принять его за новое делимое и вернуться к пункту 1.
Если частное равно нулю, выполнить все
полученные при делении остатки в порядке обратном их получению.
Элементарные микропроцессоры обязаны владеть
только операцией арифметического сложения, остальные операции (вычитание,
умножение, деление) получены программным способом т.к., из элементарных
аппаратных средств известен лишь сумматор. Развитые микропроцессорные комплекты
снимают это ограничение, и выполнение операций осуществляется наиболее оптимальным
способом; либо аппаратным (предпочтительный способ с точки зрения
быстродействия), либо программным (при этом упрощается внутренняя структура
микропроцессора).
А+В:
0 1 1 0 1
+ 1 1 0 0 0
0 0 0 1 0 1
А-В:
Переводим десятичные унитарные числа в двоичный
позиционный код A=110002, B=1011012
Т.к. микропроцессор, по сути, осуществляет
операцию A+(-B), то число B необходимо представить в дополнительном коде, в
виде отрицательного числа: -B=10010
Непосредственно выполняем операцию вычитания
1 0 0 0
0 1 0 1 0
Переводим обратно, результат: 10101=-21. В-А:
При вычитании из большего числа меньшего
результат получается в дополнительном коде. Для проверки найдем ответ по модулю.
Результат проинвертируем (00001) и прибавим 1 к младшему разряду (000102=|
-210|).
При вычитании из большего числа меньшего
результат получается в прямом коде, а переполнением пренебрегают (вычитали
пятиразрядные числа, а ответ получен шестиразрядный, следовательно, старший
разряд не учитывается). Повторим выполнение операции со сменой аргументов, т.е.
B - A,
-А=001112
0 1 1 0 1
+ 1 0 0 1 1 1
0 1 0 0
Прибавим 1 к младшему разряду:
1 0 1 0 0
+ 0 0 0 0 1
0 1 0 1&B:
0 1 1 0 1
& 1 1 0 0 0
0 1 0 0 0:
0 1 1 0 11 1 0 0 0
1 1 1 0 1
B:
0 1 1 0 1
1 1 0 0 0
0 1 0 1 0