Логический синтез цифровых устройств
Министерство
образования и науки РФ
Костромской
Государственный Технологический Университет
Кафедра АМТ
Дисциплина:
«Микросхемотехника»
Курсовая
работа
“ЛОГИЧЕСКИЙ
СИНТЕЗ ЦИФРОВЫХ УСТРОЙСТВ”
Вариант - 60F7
Выполнила: Солодова В.В.
Группа: 09-А-1а
Кострома 2012
1.
ОПИСАНИЕ РАБОТЫ ПРОЕКТИРУЕМОГО УСТРОЙСТВА
.1. Объект представляет собой техническое устройство, в которое поступают
различные детали. Имеются 5 датчиков, которые определяют соответствие деталей
("да"-"нет") некоторым параметрам (размер, форма, цвет,
конфигурация и т.п.). В зависимости от комбинации сигналов датчиков
f(X5,X4,X3,X2,X1) детали сортируются и направляются в разные бункеры и
подсчитываются.
.2. Рассмотрим работу одного бункера. При поступлении детали в позицию
сортировки вырабатывается сигнал ГОТОВ, который равен "1" все время
нахождения детали в этой позиции. Для проектируемой схемы сигнал ГОТОВ и
сигналы датчиков Х5,Х4,Х3,Х2,Х1 - внешние. По фронту сигнала ГОТОВ запускается
одновибратор. Через время задержки t1 (на срабатывание датчиков) одновибратор
формирует синхроимпульс длительностью t2. По сигналу "1" на выходе
комбинационной схемы и синхроимпульсу детали направляются в соответствующий
бункер. Схема счетчика осуществляет подсчет деталей, поступающих в бункер, и при
достижении заданного числа N выдает сигнал о заполнении бункера.
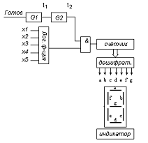
.3. Структурная схема цифрового устройства, которое требуется реализовать
в ходе работы, представлена на рисунке 1. На рисунке 1 приняты обозначения: G1 и G2 - одновибраторы.
Рис. 1. Структурная схема цифрового устройства
.
ТЕХНИЧЕСКОЕ ЗАДАНИЕ
.1. В соответствии с таблицей состояний (см. таблицу 1)
минимизировать логическую функцию и синтезировать ее в заданном базисе (таблица
2).
Таблица 1.
|
№
|
X5
|
X4
|
X3
|
X2
|
X1
|
F
|
|
0
|
0
|
0
|
0
|
0
|
0
|
0
|
|
1
|
0
|
0
|
0
|
0
|
1
|
0
|
|
2
|
0
|
0
|
0
|
1
|
0
|
0
|
|
3
|
0
|
0
|
0
|
1
|
1
|
0
|
|
4
|
0
|
0
|
1
|
0
|
0
|
0
|
|
5
|
0
|
0
|
1
|
0
|
1
|
X
|
|
6
|
0
|
0
|
1
|
1
|
0
|
0
|
|
7
|
0
|
0
|
1
|
1
|
1
|
X
|
|
8
|
0
|
1
|
0
|
0
|
0
|
0
|
|
9
|
0
|
1
|
0
|
0
|
1
|
X
|
|
10
|
0
|
1
|
0
|
1
|
0
|
0
|
|
11
|
0
|
1
|
0
|
1
|
1
|
0
|
|
12
|
0
|
1
|
1
|
0
|
0
|
0
|
|
13
|
0
|
1
|
1
|
0
|
1
|
1
|
|
14
|
0
|
1
|
1
|
1
|
0
|
0
|
|
15
|
0
|
1
|
1
|
1
|
1
|
X
|
|
16
|
1
|
0
|
0
|
0
|
0
|
0
|
|
17
|
1
|
0
|
0
|
0
|
1
|
1
|
|
18
|
1
|
0
|
0
|
1
|
0
|
0
|
|
19
|
1
|
0
|
0
|
1
|
1
|
0
|
|
20
|
1
|
0
|
1
|
0
|
0
|
0
|
|
21
|
1
|
0
|
1
|
0
|
1
|
1
|
|
22
|
1
|
0
|
1
|
1
|
0
|
0
|
|
23
|
1
|
0
|
1
|
1
|
1
|
1
|
|
24
|
1
|
1
|
0
|
0
|
0
|
0
|
|
25
|
1
|
1
|
0
|
0
|
1
|
X
|
|
26
|
1
|
1
|
0
|
1
|
0
|
0
|
|
27
|
1
|
1
|
0
|
1
|
1
|
0
|
|
28
|
1
|
1
|
1
|
0
|
0
|
1
|
|
29
|
1
|
1
|
1
|
0
|
1
|
1
|
|
30
|
1
|
1
|
1
|
1
|
0
|
1
|
|
31
|
1
|
1
|
1
|
1
|
1
|
1
|
Таблица 2.
|
Вариант
|
Базис логической функции и дешифратора
|
Базис счетчика
|
Тип индикатора
|
|
F
|
И, ИЛИ, НЕ
|
К555ТВ9
|
АЛС342А
|
2.2. Спроектировать одновибратор на интегральных таймерах для
заданного времени задержки t1 и
длительности импульса t2
(см. таблицу 3 и рис. 2).
Таблица 3.
|
Вариант
|
T1, c
|
T2, мc
|
Микросхема
|
|
7
|
0,12
|
10
|
К555АГ3
|
2.3. Синтезировать в заданном элементном базисе счетчик с заданным
модулем счета N и направлением счета (см. таблицу 4
и таблицу 2).
Таблица 4.
|
Вариант
|
Модуль счета
|
Направление счета
|
|
0
|
5
|
прямой
|
логический
цифровой устройство одновибратор счетчик
2.4.
Разработать дешифратор для индикации показаний счетчика при заданном типе
индикатора (см. таблицу 2).
2.5. Выполнить чертеж разработанной схемы.
3. СИНТЕЗ
ЛОГИЧЕСКОГО УСТРОЙСТВА
.1. Минимизацию логической функции можно произвести двумя способам: по
методу Квайна и по методу карт Карно. Воспользуемся методом карт Карно, т.к. он
наиболее прост при хорошей результативности.
3.2. Составим карты Карно для нашей логической функции. Аргументов этой
функции пять, поэтому эту функцию представим в виде двух карт. В плоскости
одной переменная Х5 будет иметь значение 0, в плоскости другой - 1. В
остальном, карты заполняются стандартно (см. рис. 3).
X5=0 X5=1
|
0000 0
|
0010 2
|
0011 3
|
0001 1
|
|
1000 8
|
1010 10
|
1011 11
|
1001 9
|
|
1100 12
|
1110 14
|
1111 15
|
1101 13
|
|
0100 4
|
0110 6
|
0111 7
|
0101 5
|
|
0000 16
|
0010 18
|
0011 19
|
0001 17
|
|
1000 24
|
1010 26
|
1011 27
|
1001 25
|
|
1100 28
|
1110 30
|
1111 31
|
1101 29
|
|
0100 20
|
0110 22
|
0111 23
|
0101 21
|
Рис 3. Карты Карно.
.3. Теперь составим минимизированную функцию, описывая каждый контур
путем включения только тех переменных, которые во всех клетках контура не
меняют своего значения. Получаем:
Рис.
4. Схема устройства, реализующего логическую функцию.
4. Проектирование одновибратора
Одновибратор должен обеспечить передачу данных (сигнала) от логического
устройства пункта 3. к счетчику (рис. 1) в строго нормированные моменты времени
(рис. 2), т.е. спустя время t1 после прихода сигнала ГОТОВ должен
быть выдан импульс продолжительностью t2.
Одновибраторы (ждущие мультивибраторы) - представляют собой микросхемы,
которые в ответ на входной сигнал (логический уровень или фронт) формируют
выходной импульс заданной длительности. Длительность этого импульса
определяется внешними времязадающими резисторами и конденсаторами. То есть
можно считать, что у одновибраторов есть внутренняя память, но эта память
хранит информацию о входном сигнале строго заданное время, а потом информация
исчезает. АГ3 - два одновибратора в одном корпусе с перезапуском. То есть
начинает отсчет нового времени выдержки Т с каждым новым входным сигналом
независимо от того, закончилось ли предыдущее время выдержки. В случае, когда
период следования входных сигналов меньше времени выдержки, выходной импульс
одновибратора с перезапуском не прерывается. Также имеет дополнительный вход
сброса -R, логический нуль на котором не только запрещает выработку выходного
сигнала, но и прекращает его действие.
А, -А1, -А2 - инверсные входные сигналы
В - Прямые входные сигналы- прямые выходные сигналы
Q - инверсные выходные сигналы
Сигналы управления для мультивибратора из микросхемы АГ3 (таблица 5)
Таблица 5
|
Входы
|
Выходы
|
|
-R
|
A
|
B
|
Q
|
-Q
|
|
0
|
Х
|
Х
|
0
|
1
|
|
Х
|
1
|
0
|
0
|
1
|
|
Х
|
Х
|
0
|
0
|
|
1 (1)
|
0
|
 
|
|
|
|
1 (2)
|
1
|
|
|
|
|
01
|
|
|
|
|
(1)
(2) - Сигналы управления первого одновибратора
(3) - Сигналы управления второго одновибратора
Схемы одновибраторов представлены на рисунке 5.
Рис. 5 Блок одновибраторов
Интервалы t1 и t2 задаются путем подбора время
задающих элементов Rt и
Ct, исходя из формулы (1)
Как видим, что имеется очень маленькое расхождение между теоретическим и
рассчитанным временем задержки.
Чтобы одновибраторы не находились в режиме постоянного RESETа подключается вход R к источнику питания через сглаживающий
резистор R3= 1,2 кОм.
Выберу в соответствии с ГОСТом и рядом номинальных значений Е24 следующие
марки конденсаторов и резисторов: МЛТ - 0.125 - 39кОм ±5%: МЛТ - 0.125 - 47кОм
±5%
С1 : K10 - 7 - 1 - 50В - 6.8 мкФ ±5%
С2 : K10 - 7 - 1 - 50В - 4.7 мкФ ±5%
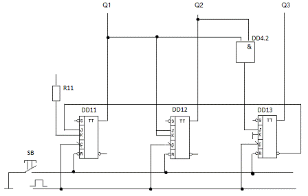
5. СИНТЕЗ СЧЕТЧИКА
Микросхема
К555ТВ9 - универсальный, многоцелевой JK-триггер, который имеет
инверсные входы установки
и сброса
. Каждый
из входов J и K снабжен трехвходовым логическим элементом И, поэтому
у микросхемы три входа J и три входа K. У триггера есть тактовый вход
и комплиментарные выходы Q и
.
Таблица
переходов JK-Триггера.
|
Переход
|
J
|
K
|
|
0 -> 0
|
0
|
*
|
|
0 -> 1
|
1
|
*
|
|
1 -> 0
|
*
|
1
|
|
1 -> 1
|
*
|
0
|
Для N=5 необходимо 3 триггера, так как 23=8,
но 3 состояния не используются.
Таблица состояний и переходов.
|
i
|
Текущее состояние
|
Следующее состояние
|
Т3
|
Т2
|
Т1
|
|
Q3
|
Q2
|
Q1
|
Q3
|
Q2
|
Q1
|
п
|
J3
|
K3
|
п
|
J2
|
K2
|
п
|
J1
|
K1
|
|
0
|
0
|
0
|
0
|
0
|
0
|
1
|
00
|
0
|
*
|
00
|
0
|
*
|
01
|
1
|
*
|
|
1
|
0
|
0
|
1
|
0
|
1
|
0
|
00
|
0
|
*
|
01
|
1
|
*
|
10
|
*
|
1
|
|
2
|
0
|
1
|
0
|
0
|
1
|
1
|
00
|
0
|
*
|
11
|
*
|
0
|
01
|
1
|
*
|
|
3
|
0
|
1
|
1
|
1
|
0
|
0
|
01
|
1
|
*
|
10
|
*
|
1
|
10
|
*
|
1
|
|
4
|
1
|
0
|
0
|
0
|
0
|
0
|
10
|
*
|
1
|
00
|
0
|
*
|
00
|
0
|
*
|
Схема расположения минтермов.
Составим карты Карно и найдем МДНФ.
|
Для Т3:
|
J3
|
|
|
|
|
K3
|
|
|
|
|
J3= 0010****
|
|
|
|
|
|
|
|
|
|
|
K3= *XXX1XXX
|
|
|
|
|
|
|
|
|
|
|
Для Т2:
|
J2
|
|
|
|
|
K2
|
|
|
|
|
J2= 0**1*01*
|
|
|
|
|
|
|
|
|
|
|
K2=Q1
|
0
|
X
|
X
|
X
|
|
*
|
X
|
X
|
X
|
|
Для Т1:
|
J1
|
|
|
|
|
K1
|
|
|
|
|
J1= 11****11
|
|
|
|
|
|
|
|
|
|
|
K1=1
|
0
|
X
|
X
|
X
|
|
*
|
X
|
X
|
X
|
6. РАЗРАБОТКА ДЕШИФРАТОРА ПРИ ЗАДАННОМ ТИПЕ ИНДИКАТОРА
.1. Дешифратор предназначен для преобразования двоичного числа,
поступившего со счетчика, в 8 разрядный код для индикаторов типа АЛС342А.
Условно принимаем, что при подаче логической единице сегмент на индикаторе
светится.
Семисегментный индикатор показан на рисунке 9.
.2. Каждый сегмент будет находиться в одном из двух состояний (светится
или не светится) при каждой комбинации входных сигналов. Таблица состояний
каждого индикатора при определенном коде на входе дешифратора - таблица 8.
Таблица 8.
|
№
|
Q3
|
Q2
|
Q1
|
a
|
b
|
c
|
d
|
e
|
f
|
g
|
|
0
|
0
|
0
|
0
|
1
|
1
|
1
|
1
|
1
|
1
|
0
|
|
1
|
0
|
0
|
1
|
0
|
1
|
1
|
0
|
0
|
0
|
0
|
|
2
|
0
|
1
|
0
|
1
|
1
|
0
|
1
|
1
|
0
|
1
|
|
3
|
0
|
1
|
1
|
1
|
1
|
1
|
1
|
0
|
0
|
1
|
|
4
|
1
|
0
|
0
|
0
|
1
|
1
|
0
|
0
|
1
|
1
|
.3. Поведение каждого сегмента можно описать логической функцией,
переменными которой являются Q3, Q2 и Q1. Составим карты Карно для всех
сегментов и произведем минимизацию ЛФ, которыми описывается их состояние (см.
рис. 10).
Рис 10. Карты Карно, для дешифратора.
6.4. Полученные логические функции:
6.5. На основе формул пункта 6.4. и сведений пункта 6.1. проектируем
принципиальную схему дешифратора, которая представлена на рис. 11.
.6. Расчёт номиналов сопротивлений R4, R5, R6, R7, R8, R9, R10.
Для нормальной работы сегмента индикатора необходим ток, протекающий
через него 15-20 мА и падение напряжения на нем 3,5 В. Следовательно можно
рассчитать сопротивление резисторов:
Теперь найдем ток, протекающий через микросхему, когда на ее выходе
логический “0” и соответственно сегмент индикатора не активен. Учитывая, что
падение напряжения на открытом транзисторе микросхемы примерно 0,3 В, то
.
Так
как на выходе стоят буферные микросхемы с допустимым током нагрузки выхода 60
мА, то желательно сопротивления взять побольше, например 82 Ом, тогда
, а прямой ток через сегмент индикатора
.
При
этом достигается нормальная работа и сегментов индикатора и соответствующих
выходных микросхем.
Рис. 11. Принципиальная схема дешифратора .
ЗАКЛЮЧЕНИЕ
.1. В результате проделанной работы были разработаны следующие
функциональные части единого цифрового устройства:
·
логическое
устройство, реализующее заданную логическую функцию;
·
одновибратор,
синхронизирующий поступление информации с логического устройства на счетчик;
·
счетчик от 0 до 4
;
·
дешифратор для
представления результата работы устройства в доступной для человека форме.
Таблица с выбранными электрическими элементами
|
Поз. обозначение
|
Наименование
|
Кол.
|
Примечание
|
|
Резисторы ГОСТ 11.076-69
|
|
|
|
R1
|
МЛТ - 0.125 - 39кОм ±5%
|
1
|
|
|
R2
|
МЛТ - 0.125 - 47кОм ±5%
|
1
|
|
|
R3
|
МЛТ-0.125-1.2 кОм ±10%
|
1
|
|
|
R4-R10
|
МЛТ-0,125-75 Ом ±5%
|
7
|
|
|
R11
|
|
1
|
|
|
Конденсаторы ГОСТ 2.728-74
|
|
|
|
C1
|
K10 - 7 - 1 - 50В - 6.8 мкФ ±5%
|
1
|
|
|
C2
|
K10 - 7 - 1 - 50В - 4.7 мкФ ±5%
|
1
|
|
|
Логические микросхемы ГОСТ 2.743-82
|
|
|
|
DD1.1
|
К555ЛН1
|
1
|
не
|
|
DD2.1-DD2.2
|
К555ЛИ3
|
2
|
3И
|
|
DD3.1-DD3.2
|
К155ЛЛ1
|
2
|
4ИЛИ
|
|
DD4.1- DD4.2
|
К155ЛИ1
|
2
|
4И
|
|
DD5.1-DD5.3
|
К155ЛИ1
|
3
|
4И
|
|
DD6.1-DD6.2
|
К155ЛИ1
|
2
|
4И
|
|
DD7.1
|
К155ЛЛ1
|
1
|
4ИЛИ
|
|
DD8.1-DD8.3
|
К155ЛЛ1
|
3
|
4ИЛИ
|
|
Мультивибраторы
|
|
|
|
DD9, DD10
|
К555АГ3
|
2
|
|
|
|
|
|
|
Триггеры
|
|
|
|
DD11, DD12, DD13
|
К555ТМ9
|
3
|
|
|
|
|
|
|
Индикаторы ГОСТ 2.764-86
|
|
|
|
DD17
|
АЛС342А
|
1
|
|
|
|
|
|