ТО-1 системы питания

  • Вид работы:
    Контрольная работа
  • Предмет:
    Транспорт, грузоперевозки
  • Язык:
    Русский
    ,
    Формат файла:
    MS Word
    139,64 Кб
  • Опубликовано:
    2012-11-22
Вы можете узнать стоимость помощи в написании студенческой работы.
Помощь в написании работы, которую точно примут!

ТО-1 системы питания














Контрольная работа

по дисциплине: «Технологические процессы в автотранспортных предприятиях и станциях технического обслуживания»

Тема: «ТО-1 системы питания»

Устройство системы питания дизельного двигателя

К системе питания дизелей относятся топливо- и воздухоподводящая аппаратура, выпускной газопровод и глушитель шума отработавших газов.

В четырехтактных дизелях наибольшее распространение получили топливные системы разделенного типа, у которых топливный насос высокого давления и форсунки конструктивно выполнены отдельно и соединены топливопроводами. Подача топлива осуществляется по двум топливным системам: низкого и высокого давления. Назначение механизмов и узлов топливной системы низкого давления состоит в хранении топлива, его фильтрации и подачи под малым давлением к насосу высокого давления. Механизмы и узлы топливной системы высокого давления обеспечивают подачу и впрыскивание необходимого количества топлива в цилиндры двигателя.

В дизелях семейства КамАЗ-740 (рисунок 1.1) топливо из бака 20 под действием разрежения, создаваемого топливоподкачивающим насосом 10, проходит фильтры грубой 17 и тонкой 1 очистки. По топливопроводам 8 и 26 топливо поступает к насосу высокого давления 11 и от него по топливопроводам 4, 5, 6, 7, 13, 14, 15 и 16 подается к форсункам 12 в соответствии с порядком работы двигателя. Неиспользованное топливо и попавший в систему воздух отводятся через перепускной клапан насоса высокого давления и клапан-жиклер фильтра тонкой очистки по дренажным топливопроводам. Из форсунок лишнее топливо по топливопроводам 27 и 29 поступает в бак через тройник 28 и топливопровод.

Рисунок 1.1 - Схема системы питания топливом дизеля КамАЗ-740: 1 - фильтр тонкой очистки топлива; 2 - клапан; 3 - трубка топливная отводящая топливного насоса высокого давления; 4, 5, 6, 7, 13, 14, 15, 16 - топливопроводы высокого давления; 8 - трубка топливная подводящая; 9 - цилиндр пневматический останова двигателя; 10 - насос топливоподкачиваюший; 11 - топливный насос высокого давления; 12 - форсунка; 17 - фильтр грубой очистки топлива; 18 - топливопрокачивающий насос; 19 - топливозаборная трубка с сетчатым фильтром; 20 - топливный бак; 21 - свеча электрофакельного устройства; 22 - трубка топливная от электромагнитного клапана к свечам электрофакельного устройства; 23 - клапан электромагнитный электрофакельного устройства; 24 - клапан перепускной топливного насоса высокого давления; 25 - трубка топливная к электромагнитному клапану; 26 - трубка топливная подводящая топливного насоса высокого давления; 27 - трубка топливная дренажная форсунок правых головок; 28 - тройник; 29 - трубка топливная дренажная форсунок левых головок; 30 - заправочная горловина с сетчатым фильтром; 31, 32 - топливораспределительные краны

Приборы топливной системы низкого давления

Топливные баки.

Каждый бак состоит из корпуса 8 (рисунок 1.2), заливной горловины 7 и выдвижной трубы с сетчатым фильтром. Заливная горловина закрывается герметичной крышкой 6 с прокладкой. С целью увеличения жесткости бака, а также уменьшения взбалтывания топлива и образования пены в баке имеются перегородки 9. В нижней части бака имеется пробка сливного крана 11 для слива отстоя. В верхней части левого бака устанавливается топливораспределительный кран 3, предназначенный для включения подачи топлива из правого бака или левого, а также для отключения баков, и топливораспределительный кран на линии слива 2, обеспечивающий слив топлива либо в правый, либо в левый бак. Количество топлива в баке измеряется электрическим реостатным датчиком уровня, установленным в баке, и контролируется указателем на щитке приборов.

Рисунок 1.2 - Топливный бак: I-III - положение крана соответственно при отключенных баках, включенном правом баке, включенном левом баке; 1 - трубка слива топлива в бак; 2 - топливораспределительный кран на линии слива; 3 - топливораспределительный кран на линии подачи топлива; 4 - фланец; 5 - топливозаборная трубка с сетчатым фильтром; 6 - крышка; 7 - заливная горловина; 8 - корпус; 9 - перегородка; 10 - дно; 11 - пробка сливного крана

Фильтр грубой очистки топлива КамАЗ-740.11 (рисунок 1.3)

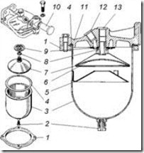
Отстойник предварительно очищающий топливо, поступающее в топливоподкачивающий насос низкого давления. Он установлен с левой стороны автомобиля на раме. Стакан 3 соединен с корпусом 11 четырьмя болтами и уплотнен кольцом 4. Снизу в бобышку колпака ввернута пробка сливного отверстия 2. Топливо, поступающее из топливного бака через подводящий штуцер, поступает в фильтр. Крупные частицы и вода собираются в нижней части стакана. Из верхней части через фильтрующую сетку 6 по отводящему штуцеру и топливопроводам топливо подается к ручному топливоподкачивающему насосу 10.

Рисунок 1.3 - Фильтр грубой очистки топлива дизеля КамАЗ-740: 1 - фланец стакана; 2 - сливная пробка; 3 - стакан; 4 - уплотнительное кольцо; 5 - успокоитель; 6 - фильтрующая сетка; 7 - отражатель; 8 - пружинная шайба; 9 - распределитель; 10 - топливопрока-чивающий насос; 11 - корпус; 12 - подводящий канал; 13 - отводящий канал

Фильтр тонкой очистки топлива (рисунок 1.4) окончательно очищает топливо перед поступлением в топливный насос высокого давления, установлен в самой высокой точке системы питания для сбора и удаления в бак проникшего в систему питания воздуха вместе с частью топлива через клапан-жиклер, установленный в корпусе 1.

Для повышения качества очистки топлива фильтр тонкой очистки снабжен двумя параллельно работающими сменными фильтрующими элементами, изготовленными из специальной бумаги и установленными в одном сдвоенном корпусе.

Рисунок 1.4 - Фильтр тонкой очистки топлива дизеля КамАЗ-740: 1 - корпус; 2 - болт; 3 - уплотнительная шайба; 4 - пробка; 5 и 6 - прокладки; 7 - фильтрующий элемент; 8 - колпак; 9 - пружина фильтрующего элемента; 10 - пробка сливного отверстия; 11 - стержень

дизельный двигатель питание топливо

Топливоподкачивающий насос.

Насос для дизеля КамАЗ-740.11 предназначен для подачи топлива из топливного бака к насосу высокого давления. Топливоподкачивающий насос поршневого типа приводится в действие от эксцентрика кулачкового вала насоса высокого давления.

Топливоподкачивающий ручной насос служит для заполнения системы питания топливом и удаления из нее воздуха. Насос поршневого типа, закреплен на фланце топливного насоса низкого давления болтом с уплотнительной медной шайбой или на фильтре тонкой очистки топлива. Насос состоит из корпуса, поршня, цилиндра, рукоятки в сборе со штоком, опорной тарелки и уплотнения.

Приборы топливной системы высокого давления

К приборам питания магистрали высокого давления дизелей относятся топливный насос высокого давления, форсунки и топливопроводы.

Топливный насос высокого давления служит для точного дозирования топлива и подачи его в определенный момент под высоким давлением к форсункам. Каждая секция топливного насоса обеспечивает работу одного из цилиндров двигателя, поэтому число секций топливного насоса определяется числом его цилиндров.

На дизеле КамАЗ-740.11 устанавливают V-образный, а на ЯМЗ-238 рядный насос высокого давления. Они располагаются в развале блока цилиндров и приводятся в действие от коленчатого вала через шестеренный привод. В корпусе насоса установлен механизм поворота плунжеров, соединенный с правой и левой рейками, которые действуют на плунжеры нагнетательных секций, расположенных в два ряда.

Форсунки предназначены для впрыскивания и распыливания топлива, а также для распределения его частиц по объему камеры сгорания. Основным конструктивным элементом форсунки является распылитель, имеющий несколько выходных (сопловых) отверстий, формирующих факел впрыскиваемого топлива. В четырехтактных дизелях применяют форсунки закрытого типа, сопловые отверстия которых в процессе между впрыскиванием топлива закрываются запорной иглой.

Форсунки закрытого типа по конструкции запорного устройства распылителей делятся на бесштифтовые и штифтовые.

У бесштифтовых форсунок конец запорной иглы представляет собой конус, отделяющий сопловые отверстия от топливопровода высокого давления. Распылители таких форсунок обычно имеют несколько сопловых отверстий, расположение которых зависит от формы камеры сгорания. На дизелях КамАЗ-740 применяются форсунки закрытого типа с гидравлическим управлением подъема иглы и фиксированным распылителем.

Топливопроводы. Подразделяются на топливопроводы низкого давления - 0,4-2 МПа и высокого давления - более 2 МПа. Топливопроводы высокого давления изготовлены из стальных трубок, концы которых выполнены конусообразными, прижаты накидными гайками через шайбы к конусным гнездам штуцеров топливного насоса и форсунок. Во избежание поломок от вибрации топливопроводы закреплены скобами и кронштейнами.

Система питания воздухом

Система питания дизеля воздухом состоит из воздушного фильтра 4 (рисунок 1.5), уплотнителя 3, воздухозаборника 1, патрубков и труб, соединяющих воздухозаборник с воздушным фильтром и воздушный фильтр с впускным коллектором. Впускные коллекторы служат для распределения воздуха по цилиндрам.

Рисунок 1.5 - Система питания дизеля КамАЗ-740 воздухом: 1 - воздухозаборник; 2 - соединительная труба; 3 - уплотнитель; 4 - воздушный фильтр

Воздушный фильтр сухого типа, двухступенчатый, предназначенный для очистки поступающего в двигатель воздуха от пыли. Очистка воздуха в воздушном фильтре двухступенчатая. Первая ступень очистки - моноциклон - состоит из предочистителя, обеспечивающего вращение воздушного потока вокруг фильтрующего элемента, таким образом очищая воздух от пыли, которая собирается в бункере. Пылесборный бункер образован крышкой и съемной заглушкой. Вторая ступень очистки - фильтрующий элемент, который состоит из наружного и внутреннего кожухов. Кожухи изготовлены из перфорированной стали и гофрированного фильтрующего картона, соединенных по торцам металлическими крышками, которые приклеены специальным клеем. Фильтрующий элемент плотно прижат к днищу корпуса и уплотняется двумя торцевыми резиновыми кольцами. Крепится фильтрующий элемент в корпусе самостопорящейся гайкой. Предварительно очищенный в первой ступени воздух поступает во вторую ступень со сменным картонным фильтрующим элементом для более тонкой очистки, где, проникая через поры картона, оставляет на его поверхности мелкие частицы пыли. Очищенный воздух через патрубок поступает в коллекторы, распределяющие воздух по цилиндрам. Индикатор засоренности воздушного фильтра установлен на левом впускном воздухопроводе. По мере засорения воздушного фильтра возрастает величина разрежения во впускных трубопроводах двигателя, в результате чего индикатор срабатывает, т. е. красный барабан закрывает окно индикатора и не возвращается после останова двигателя. Это свидетельствует о необходимости обслуживания воздушного фильтра.

Возможные неисправности системы питания дизеля, причины, признаки и способы устранения

Двигатель не пускается

Причины неисправности:

отсутствует топливо в баках машины;

наличие воздуха в топливной системе;

засорение топливопроводов или топливозаборника;

замерзание воды в топливопроводах или на сетке топливозаборника топливного бака;

застывание топлива при низких температурах;

засорение топливных фильтров;

неисправен топливоподкачивающий насос;

заедает рейка топливного насоса высокого давления.

Для устранения неисправности необходимо:

заполнить топливные баки;

прокачать систему питания, предварительно устранив ее негерметичность;

промыть топливозаборник и продуть топливопроводы;

осторожно прогреть топливные трубки, фильтры и бак ветошью, смоченной горячей водой;

заменить топливо летнее на зимнее и прокачать систему;

снять топливоподкачивающий насос и устранить неисправность;

устранить заедание рейки ТНВД. Если это связано с застыванием смазки, то насос необходимо прогреть горячим паром. Если заедание носит «механический характер», то насос необходимо снять и отправить в ремонт.

Падение мощности.

Причины неисправности:

засорение воздушного фильтра или колпака воздухозаборника;

нарушение регулировки рычага управления регулятором;

наличие воздуха в топливной системе;

нарушение угла подачи топлива;

засорение форсунок или нарушение их регулировки;

загрязнение клапанов или поломка пружины топливоподкачивающего насоса;

поломка пружин толкателей, нагнетательных клапанов топливного насоса высокого давления;

зависание плунжера ТНВД;

недостаточная подача топлива.

Для устранения неисправности необходимо:

проверить и отрегулировать привод рычага ограничителя;

устранить негерметичность и прокачать систему питания;

отрегулировать угол опережения впрыскивания топлива;

промыть форсунку, проверить ее на стенде и при необходимости отрегулировать;

промыть клапан и при необходимости заменить пружину топливоподкачивающего насоса.

Неравномерная работа дизеля

Причины неисправности:

ослабло крепление трубок высокого давления;

трещина трубки высокого давления;

нарушение равномерности подачи топлива секциями насоса высокого давления;

неудовлетворительная работа отдельных форсунок или регулятора частоты вращения коленчатого вала.

Для устранения неисправности необходимо:

подтянуть гайки трубопроводов высокого давления или заменить отдельные трубки;

отрегулировать равномерность подачи топлива секциями топливного насоса высокого давления на специальном стенде;

снять форсунки и проверить их работу на специальном стенде в мастерской.

Перечень работ при техническом обслуживании ТО-1

Проверить крепление впускного и выпускного трубопроводов, топливных фильтров и топливоподкачивающего насоса и герметичность воздухопроводов от воздушного фильтра.

Слить отстой из топливного, бака.

Промыть корпус и заменить фильтрующие элементы топливных фильтров. Смазать шарнирные соединения приводов управления насосом высокого давления.

Технологическая карта ТО-1

1

Проверить осмотром состояние и герметичность системы питания: топливного насоса низкого давления, фильтра тонкой очистки топлива, топливного бака, фильтра отстойника топлива, соединений топливопроводов, топливного насоса высокого давления и фильтра тонкой очистки

Сверху

-

-

Подтекание топлива в приборах и топливопроводах системы не допускается. Топливопроводы не должны иметь погнутостей и трещин

2

При необходимости устранить нарушение герметичности в приборах и соединениях топливопроводов системы питания

То же

-

Набор автомеханика (большой) И-148 (11), пассатижи (12)

Подтекание топлива из приборов и соединений топливопроводов системы питания устраняется подтяжкой отдельных элементов соединений. подтяжку производить с моментом затяжки 4,5-5,4 кгс∙м

Список литературы

1.    <http://voenobr.ru/uchmaterial/autokursi/167-pitaniedvigat.html?start=8>

2.       <http://www.pro-gruzoviki.ru/katalog-kamaz/sistema-pitaniya-dvigatelya-kamaz>

.        <http://knowledge.allbest.ru/transport/3c0b65625b3bd68a4d43b89421206c27_0.html>

Похожие работы на - ТО-1 системы питания

 

Не нашли материал для своей работы?
Поможем написать уникальную работу
Без плагиата!
Без нейросетей!