Система питания двигателей автобусов ПАЗ
Федеральное государственное
образовательное учреждение
высшего профессионального образования
Астраханский государственный
технический университет
Механический факультет
Кафедра «Автомобильный сервис и
хозяйство»
КУРСОВАЯ
РАБОТА
по дисциплине «Типаж подвижного
состава»
на тему:
Система питания двигателей автобусов
ПАЗ
Работу выполнил:
ст. гр. ДМТ-21 Кахриманов Р.Р.
Проверил: доц. Зайкин О.А.
Астрахань - 2007
Содержание:
1. Исследование истории изменения
конструкции системы автомобилей заданного семейства и типа
1.1 История развития автозавода и его
модельного ряда
1.2 Анализ достоинств
модифицированных конструкций относительно предшествующего решения системы и
составление их принципиальных схем
2. Система автомобиля последней модели
2.1 Описание конструкции, принципа
работы системы и основных элементов
2.2 Описание отказов, их причин и
способов устранения в системе
2.3 Техническое обслуживание заданной
системы
Список использованной литературы
1. Исследование
истории изменения конструкции системы автомобилей заданного семейства и типа
1.1 История развития
автозавода и его модельного ряда
Павловский автобусный
завод ПАЗ является основным производителем малых автобусов в России и занимает
лидирующие позиции в данном сегменте рынка, а также, производя более 14 000 в
год автобусов различных моделей и модификаций, входит в десятку крупнейших
автобусостроительных заводов мира. Всего же с начала выпуска автобусов завод
изготовил около 600000 автобусов.
В 1930 году, наряду со
строительством Горьковского автомобильного завода, правительство основывает в
г. Павлово-на-Оке вблизи Нижнего Новгорода завод по выпуску шоферского
инструмента и кузовной арматуры. Строительство завода началось 5 августа 1930
года. В начале 1932 года завершено строительство первой очереди предприятия,
получившего аббревиатуру ЗАТИ (Завод автотракторного инструмента), и
постановлением Наркомата тяжелой промышленности от 5 декабря 1932 г. был признан действующим. Шоферский инструмент был основной производственной номенклатурой
предприятия вплоть до 1952 года с перерывом на 1941-1945 гг.
В военные годы
предприятие производило боеприпасы. В послевоенные годы Советский Союз
переживал острейший дефицит общественного транспорта (особенно в сельской местности).
В 1952 году постановлением Правительства СССР завод становится Павловским
автобусным, утверждается план реконструкции завода и программа выпуска 10 тыс.
автобусов. Производится первая партия из пяти капотных автобусов ПАЗ-651.
Павловский первенец не
отличался от машин, изготавливавшихся на Горьковском заводе автобусов (ГЗА) с 1949 г. Он носил индекс «651», поскольку базировался на грузовике ГАЗ-51 (ГАЗ-51А). Трехдверный кузов
с деревянным каркасом был рассчитан на перевозку 23 пассажиров, при 19 местах
для сидения. В 1958 г. 651-й модернизировали (индекс 651А). Кроме основной
модификации также строили грузопассажирский ПАЗ-651Г с откидными боковыми
скамейками на 14 мест. Груз размещался в средней части салона и закреплялся
ремнями. Имелись варианты «фургон» и «передвижная автолавка».
Выпускались санитарные
автомобили ПАЗ-653 на шасси ГАЗ-51 и ГАЗ-63 с 1952 по 1969 год и были самыми
распространенным медицинским транспортом в СССР, и одноосные
полуприцепы-фургоны ПАЗ-744 к седельным тягачам ГАЗ-51П. После начала выпуска
автобусов производство шоферского инструмента стали постепенно переводить на
Павловский инструментальный завод, а изготовление кузовной арматуры возрос.
ПАЗ-653 - спецфургон на
шасси ГАЗ-51. В одном из вариантов представлял собой транспортное средство для
перевозки арестованных и заключенных
Курганский завод был
организован в 1958 г., и ему ПАЗ передал техническую документацию на свою
машину ПАЗ-651 А. До 1964 г. оба завода параллельно изготовляли этот автобус.
Под руководством нового
главного конструктора Ю.Н. Сорочкина (перешёл с ГАЗа) в 1955 г. начинает действовать КЭО (констукторско-экспериментальный отдел), который к 1956 г. разрабатывает автобус ПАЗ-652 вагонной компоновки. Большую роль в решении вопроса передачи
производства автобусов на ПАЗ сыграли директор этого завода В.Ф. Исаков и
главный инженер А.О. Валит, которые начали пробивать в верхах идею — выпускать
автобусы в Павлово-на-Оке. Кузов уже не монтировался на шасси грузовика, а
представлял собой конструкцию, которая воспринимала все нагрузки и к которой
крепились все узлы и агрегаты. Главным силовым элементом было основание в виде
сварной лонжеронной рамы, которая приваривалась к кузову. Универсальная
конструкция этой модели позволяла использовать автобус в разных климатических и
дорожных условиях.
Шасси будущих ПАЗ-651
гоняли из Горького в Павлово своим ходом. Попытка сооружать временные
брезентовые кабины не вызвала поддержки у водителей, которым 76 километров пути проще было проехать верхом на ящике, водруженном на голое шасси.
На ПАЗ-652 устанавливали
форсированный до 90 л.с. двигатель ГАЗ-51, четырехступенчатую коробку и другие
узлы этого автомобиля. Среди технических особенностей машины следует отметить:
вакуумный усилитель в гидроприводе тормозов, механизм открывания дверей с вакуумным
приводом, установленное сзади горизонтально запасное колесо. В сентябре 1956 г. первый опытный образец автобуса ПАЗ-652 уходит в длительный испытательный пробег. Кузов -
цельнометаллический, несущий, с тремя дверями (две пассажирские). Число мест
для сидения - 23; общее число мест – (42-45).
Через четыре года после
усиления несущего кузова, добавления вакуумного привода дверей и
гидровакуумного усилителя тормозов, а также силового агрегата от ГАЗ-51 автобус
получил новый индекс «ПАЗ-652Б», а 12 ноября 1968 года, впервые в истории
отечественного автобусостроения без остановки главного конвейера завода, ПАЗ
переходит к выпуску новой базовой модели ПАЗ-672, где наряду с
усовершенствованием кузова автобус стал комплектоваться двигателем Заволжского
моторного завода на 8 цилиндров (4254 см3, 115 л. с.) и коробкой передач от ГАЗ-53А, телескопическими амортизаторами типа ЗИЛ-157,
гидроусилителем рулевого управления ЗИЛ-130 и пр. Разработкой новинки руководил
главный конструктор завода С.И. Жбанников.
Позже модель стала самым
распространенным общественным транспортом в пригородах и сельской местности,
для маршрутных и служебных перевозок.
ПАЗ-652 выпускался с 1958
по 1964г.г., ПАЗ-652Б производили с 1964 по 1968г.г.
Рычаг переключения
передач расположили на рулевой колонке, КПП и задний мост применили от
грузовика ГАЗ-53А, в крышу кузова вмонтировали шесть вентиляционных люков.
Новинка представлялась гораздо совершеннее выпускавшейся модели - поэтому решили
«652» снять с производства и выпускать ПАЗ-672. Значительная унификация
деталей, арматуры и технической оснастки этих машин существенно облегчали
задачу. Их надежность позволила увеличить гарантийный пробег до 320 км.
Переднее расположение
двигателя заставило конструкторов сместить первую дверь. Маленькие окна
компенсировались дополнительными окнами между стенами и покатой крышей, они
зачастую были сделаны тонированными. Через неширокие, как у ЛАЗов двери, мог
входить/выходить только один человек.
«Северный» автобус
ПАЗ-672С оснащали автономным отопителем салона, двойными оконными стеклами,
дополнительными уплотнениями дверей и люков. Поэтому в нем сохранялись
комфортные условия даже при наружной температуре -57°С.
Оригинальная машина
ПАЗ-672Г предназначалась для движения по горным дорогам. В ней пассажиры
пристегивались к сидениям, предусматривались горный упор для стоянки на
подъемах до 25% и люк, позволявший забраться в багажник из салона.
Помимо работы над
усовершенствованием серийной продукции, КЭО ПАЗа создает и оригинальные
конструкции. Так, для международного конкурса автобусов и Международного
туристического ралли, проходившего в мае 1967 г. на Французской Ривьере в Ницце, изготовили туристический автобус класса «люкс» ПАЗ-665 «Турист», получивший
первый приз Президента Французской республики за самый оригинальный дизайн.
В 1972 году на базе
автобуса ПАЗ-672 был создан первый в мире полноприводный автобус ПАЗ-3201.
Внешне эта машина ничем не отличалась от ПАЗ-672, за исключением отсутствия
задней двери, более высокой посадки и другого дизайна передней части автобуса.
Выпускался с 1972 по 1989 г.г. Число мест для сидения - 26. Количество дверей -
две, в том числе одна для пассажиров.
С 1975 года Павловский
автозавод стал выпускать модернизированную модель ПАЗ-672М. Внешне она
отличалась от ПАЗ-672 оформлением передка - помимо обычных фар появилась пара
противотуманных. Также изменилась форма передних указателей поворота - вместо
маленьких круглых появились большие квадратные, к тому же несколько вынесенные
вперед.
С 1981 по 1989 год на
базе автобуса ПАЗ-672 выпускался серийный рефрижератор ПАЗ-3742 для перевозки
скоропортящихся продуктов, а также автофургоны ПАЗ-37432 и передвижные пункты
видеозаписи ПАЗ-3916. Грузоподъемность моделей - 2500кг.
На базе модели 672
выпускалось несколько модификаций:
ПАЗ-672А -
прогулочно-экскурсионный, с облегченной крышей, без бокового остекления.
ПАЗ-672Г - для горных
районов страны, снабженный двумя топливными баками (по 105 литров каждый), ремнями безопасности к каждому сиденью, гидроусилителем рулевого управления и
усиленными тормозами.
ПАЗ-672С - для северных
районов.
ПАЗ-672Ю - для
тропического климата. На них выполняли до 80 % внутрирайонных и внутриколхозных
пассажироперевозок в сложных дорожных условиях.
За большой вклад в дело
отечественного автобусостроения Павловский автобусный завод награжден Орденом
Трудового Красного Знамени (1971г.) и Орденом "Знак Почета" (1982г.).
Объем производства автобусов в 80-е годы составил 15500 - 16500 машин в год.
В 1989 году Павловский
автобусный завод прекратил выпуск автобуса ПАЗ-672 и всех машин, созданных на
базе этой модели.
1 декабря 1989г. вновь
без остановки конвейера был начат серийный выпуск нынешней базовой модели
завода - автобуса ПАЗ - 3205. С момента выпуска этой модели разработано более
30 модификаций этого автобуса. Из них серийно выпускается около 10. Машины
успешно используются для пассажироперевозок в сельской местности, а также в
черте города в качестве маршрутных такси. Число дверей - три, из которых одна
для пассажиров и одна - аварийная. Может оснащаться как дизельным, так и
карбюраторным двигателями.
Основное отличие автобуса
ПАЗ-32051 от модели 3205 заключается в замене задней аварийной двери по правому
борту на полноценную, предназначенную для входа и выхода пассажиров.
Междугородный автобус ПАЗ-3205-50, помимо небольших отличий во внешнем виде
имеет улучшенный салон с мягкими сиденьями. После обновления ПАЗ-32053/54
получили перегородку кабины водителя, над пассажирскими дверями – поручни,
места для рейсоуказателей, модернизированные плафоны салона и некоторые другие
доработки. С момента начала его производства выпущены более 165 тыс. автобусов.
ПАЗ-3204 имеет 4-рядную планировку салона, 18 пассажирских кресел, движок
Cummins-ZF (Euro-2) и заточен под коммерческие и муниципальные маршруты.
Серийный пригородный
полноприводный автобус ПАЗ-3206 представляет собой полноприводный вариант автобуса
ПАЗ. 30 июля 1998г. с конвейера сошел 500 000 автобус марки "ПАЗ", а
4 июня 2001г. на заводе отмечался выпуск 100-тысячного автобуса «3205».
В 2000 году в
эксплуатацию были введены новые мощности для производства городских и
междугородных автобусов большого и среднего класса ПАЗ - 5272 и ПАЗ - 4230
"Аврора".
4 июня 2001г. на заводе
отмечался выпуск 100-тысячного автобуса «3205».
В 2001 году сошли с
конвейера первые «Авроры». Каркас кузова сварной конструкции из прямоугольных
стальных труб, облицован оцинкованным стальным листом, стеклопластиковыми
панелями передка, задка, крыши и алюминиевыми крышками люков. В салоне
расположены багажные полки со встроенными плафонами освещения и
громкоговорителями. Двигатель - ММЗ-245.9 (Euro-1), дизельный. Модернизированный
4230-01К рассчитан только на большие расстояния, располагает 31 пассажирским
местом и отличается иным оформлением передней части кузова. В корме располагает
движком Cummins D180 мощностью 200 л.с.
В 2003 г. завод изготовил удлиненный вариант «05-й» машины ПАЗ-4234. Увеличение длины было достигнуто
за счет удлинения колесной базы и заднего свеса. "Сердце" ПАЗ-4234 -
дизельный 4,75 л двигатель ММЗ-Д245.9 минского моторного завода мощностью 136 л.с. (100 кВт), соответствующий стандарту Евро-I. Нормативная вместимость ПАЗ-4234 - 50 человек,
из них 30 могут ехать в мягких сиденьях. Из-за увеличившегося по сравнению с
предыдущей моделью вместимостью ПАЗ-4234 относится к автобусам среднего класса
(предыдущие модели ПАЗ-672, ПАЗ-3205 были малого класса). Автобус имеет
несущий, вагонной компоновки кузов с колесной базой 4345 мм, рулевой механизм с гидроусилителем. Максимальная скорость - 90 км/ч.
Пассажирский автобус ПАЗ
– 5269 принадлежит к классу больших городских автобусов. На ПАЗ-5269
устанавливается дизельный двигатель “Вольво” семейства D7В мощностью 245 л.с. Пассажировместимость - 116 чел. Максимальная скорость – 80 км/ч.
Городской автобус
большого класса ПАЗ-5271 отличается от ПАЗ-5272 двигателем и ходовой частью
Volvo и более длинным кузовом. Днище и колесные арки обработаны
антикоррозионной защитной мастикой, полости труб - антикоррозионной жидкостью.
Колесные арки изготовлены из оцинкованной стали. Число мест – 110.
ПАЗ-4223 - междугородный
автобус большого класса, оборудованный двигателем, соответствующим экологическим
нормам Евро-2. Боковые и заднее безопасные стекла (сталинит) вклеены в каркас.
Для входа и выхода пассажиров имеются три двери. Комплектуется двигателями
Cummins (дизельный) и Volvo D7B230 (дизельный, модификация 4228) .
ООО "Павловский
автобус" выпускает целый ряд специальных автобусов по заказу клиента:
ПАЗ-3205 улучшенной комфортабельности (тонированные боковые стекла, багажные
полки, автомагнитола, видеодвойка и пр.), ПАЗ-3205 "Школьный",
передвижной опорный пункт милиции, штабной, представительский (тонированные
стекла, индивидуальная вентиляция, громкоговорящее устройство, противотуманные
фары и пр.), передвижной таможенный пункт.
ПАЗ-3202
"Валдай" - городской автобус малого класса для коммерческих
перевозок. Автобус собран на шасси ГАЗ-3310 "Валдай". Предназначен
для пассажирских перевозок, как в условиях города, так и на пригородных
маршрутах.
На ПАЗ-3204 - городской
автобус малого класса, имеет 4-рядную планировку салона, 18 пассажирских
кресел, движок Cummins-ZF (Euro-2) и заточен под коммерческие и муниципальные
маршруты. Полная вместимость автобуса - 52. Автобус ПАЗ 3204 - это 2-х -
дверная модификация.
ПАЗ City - городской
переднеприводный, низкопольный автобус малого класса на 25 мест на шасси
Volkswagen T5 Transporter. Низкий уровень пола позволяет без затруднений
садиться в автобус людям с ограниченными возможностями и пенсионерам, актуален
как для крупных мегаполисов, так и для малых городов.
Сегодня завод имеет
Сертификат соответствия системе менеджмента качества ISO 9001 в отношении
разработки, производства, гарантийного и сервисного обслуживания автобусов.
Автобус ПАЗ – самый
массовый российский автобус. Ежегодный выпуск автобусов малого класса
составляет более 12 тыс. единиц. Это почти 80% годового производства таких
автобусов в России.
В 2007 году ПАЗу
исполнилось 75 лет.
1.2 Анализ достоинств
модифицированных конструкций относительно предшествующего решения системы и
составление их принципиальных схем
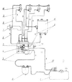
Схема системы питания:
1-топливный бак, 2-трубки
топливопровода, 3-фильтр отстойник, 4-топливный насос, 5-фильтр тонкой
отчистки, 6-карбюратор, 7-датчик указателя уровня топлива.
ПАЗ 4230
Схема системы питания:
1 - топливный бак, 2 - фильтр грубой очистки топлива, 3 -
трубки топливные низкого давления,
4 - подкачивающий насос, 5 - топливный насос высокого давления, 6 - трубка
пневмокорректора,
7 - впускная труба, 8 - трубка перепускная, 9- трубка
высокого давления, 10- форсунка первого цилиндра, 11- фильтр тонкой очистки
топлива, 12- трубка сливная, 13 - клапан избыточного давления, 14 -
пневмокорректор, 15 - электромагнитный клапан останова двигателя.
автомобиль
модифицированный конструкция система
Сравнительная таблица
преимуществ и недостатков бензиновых и дизельных двигателей
|
ПАЗ 4230
|
ПАЗ 672
|
|
Преимущества дизельных ДВС
|
Преимущества бензиновых ДВС
|
|
- экономичность, расход топлива при
том же объеме и мощности меньше на 15-25%;
- меньшая стоимость топлива;
- хорошая тяга на низких оборотах;
- отсутствие свечей зажигания,
проводов, трамблеров.
|
-низкий уровень шума и вибраций;
- большая литровая мощность;
- способен работать на высоких
оборотах, без последствий для двигателя.
|
|
Недостатки дизельных ДВС
|
Недостатки бензиновых ДВС
|
|
- хуже динамика разгона большой шум
и вибрация;
- чувствительная топливная система;
- может не завестись при сильном
морозе;
- не терпит высоких оборотов, и как
следствие высоких скоростей;
- большая масса, меньшая литровая
мощность;
- чаще замена масла и фильтров,
масло необходимо более высокого качества;
- для запуска дизельного двигателя
необходим аккумулятор большей емкости, следовательно, больше и стоимость.
|
- больший чем у дизеля расход
топлива;
- наличие системы зажигания;
|
Если автомобиль
оборудован дизельным двигателем, то в процессе эксплуатации будут значительно
сэкономлены средства за счет более низкой стоимости топлива и его меньшего
расхода.
У дизельного двигателя
степень сжатия находится в пределах 20-22 единицы по сравнению с 9-10 у
бензиновых двигателей, что обеспечивает более высокий КПД. Кроме того, у дизеля
регулирование рабочей смеси в основном качественное, т.е. вне зависимости от
частоты вращения коленчатого вала и нагрузки в цилиндры подается практически
одинаковое количество воздуха, а количество используемого топлива увеличивается
с нагрузкой. Но даже при полной мощности масса впрыскиваемого топлива в 1,5-1,7
раза меньше, чем у бензинового двигателя такого же рабочего объема. Это
означает, что действительная степень сжатия, т. е. давление и температура конца
сжатия, не зависит от нагрузки, а рабочая смесь по сравнению с бензиновым
двигателем всегда очень бедная. Эти факторы обеспечивают дизелю высокую
эффективность сгорания и последующего расширения и на частичных нагрузочных
режимах.
Дизельное топливо, как
правило, дешевле, расход топлива дизельного двигателя меньше, чем бензинового.
Дизельный двигатель
выдает высокий крутящий момент в широком диапазоне оборотов, что делает
автомобиль с дизельным двигателем более эластичным в движении, чем такой же
автомобиль с бензиновым двигателем.
По сравнению с
бензиновыми двигателями в выхлопных газах дизельного двигателя, как правило,
меньше окиси углерода (СО).
Важным аспектом,
касающимся безопасности, является то, что дизельное топливо нелетучее (т.е.
легко не испаряется) и, таким образом, вероятность возгорания у дизельных
двигателей намного меньше, тем более что в них не используется система
зажигания.
В условиях эксплуатации
стабильность мощностных показателей и расхода топлива зависит в первую очередь
от сопротивления воздухоочистителя, которое влияет на наполнение цилиндров
воздухом (в том числе и двигателей с турбонаддувом), угла опережения впрыска
топлива, давления начала подъема иглы форсунки (давления начала впрыска),
качества распыла топлива форсунками, а также от характера (закона) подачи
топлива топливным насосом высокого давления.
Следует отметить, что
стабильность регулировочных параметров системы подачи топлива у дизельных
двигателей выше, чем у бензиновых. Однако в процессе эксплуатации нужно строго
контролировать качество очистки воздуха и топлива, а также исключить
возможность перегрева двигателя, что незамедлительно повлияет на работу
форсунок и поршневой группы.
Дизельные двигатели более
долговечны, чем бензиновые, что объясняется более прочным и жестким выполнением
блока цилиндров, коленчатого вала, деталей цилиндропоршневой группы, головки
блока цилиндров и применением дизельного топлива, которое в отличие от бензина
в известной степени также является смазочным материалом.
К недостаткам дизельных
Двигателей следует отнести большую массу, меньшую литровую мощность, повышенный
шум из-за высокого давления сгорания и затрудненный пуск при отрицательных
температурах окружающего воздуха, особенно у автомобилей прошедших 100 000 км и более. В процессе эксплуатации изнашиваются плунжерные пары топливного насоса высокого
давления, нарушается герметичность посадки иглы форсунки, что приводит на
низких оборотах при пуске (70—90 оборотов в минуту) к плохому распылению шва. В
то же время в результате появившегося износа цилиндропоршневой группы на такой
частоте вращения заметно увеличивается прорыв сжимаемого воздуха в картер, а
значит, давление и температура не достигают значений, необходимых для
воспламенения распыленного топлива.
Тем не менее, существуют
достаточно простые устройства, которые резко улучшат запуск дизелей при низких
температурах, в том числе теплообменное устройство, устанавливаемое на период
зимней эксплуатации во впускной коллектор. Двигатели подвергаются ремонту,
главным образом, из-за повышения расхода смазочного масла, что можно легко
определить по доливу и появлению голубого дыма, который образуется из-за
сгорания масла.
Явными недостатками
дизельных двигателей являются: необходимость использования стартера большой
мощности, кристаллизация парафинов в дизельном топливе при низких температурах,
сложность в ремонте топливной аппаратуры (так как насосы высокого давления
являются устройствами, изготовленными с высокой точностью). Также дизели
чувствительны к загрязнению топлива механическими частицами и водой, которые
очень быстро выводят топливную аппаратуру из строя.
Бензиновые двигатели
имеют более высокую частоту вращения, большую литровую мощность, шум и вибрации
более низкие. Регулирование горючей смеси в них, главным образом,
количественное.
Таким образом, если при
номинальных мощностях эффективный КПД бензинового двигателя на 20% ниже, чем у
дизеля, то на частичных режимах разрыв увеличивается до 40% и более. Это
подтверждается многочисленными сравнительными эксплуатационными испытаниями
автомобилей с дизельными и бензиновыми двигателями одинаковой мощности. Снижение
расхода топлива на 100 км пути в зависимости от условий движения (в городе или
на магистралях) составляет 25—50%.
Что касается токсичности
отработанных газов, то проведенное за последнее десятилетие усовершенствование
бензиновых двигателей, включая управляемый поршневым процессором прямой впрыск
форсунками, значительно улучшило этот показатель. Однако многие специалисты
ведущих автомобильных компаний, например фирмы Volkswagen, считают, что в
условиях повышенных требований к защите окружающей среды и расходу топлива
дизели остаются наиболее перспективными двигателями.
В настоящее время в ФРГ
на 14 % автомобилей установлены дизели, во Франции — на каждом третьем
автомобиле, а в Австрии — на каждом втором.
2. Система питания
автомобиля ПАЗ 4230
2.1 Описание
конструкции, принципа работы системы и основных элементов.
Система питания дизеля
топливом (рис. 1) состоит
из топливного насоса
высокого давления 5, форсунок 10, трубопроводов низкого 3 и высокого 9
давления, впускного 7 и выпускного коллекторов, топливных фильтров грубой 2 и
тонкой 11 очистки, топливного бака 1, трубопроводов и шлангов.
Рис 1. Схема системы питания
1 - топливный бак, 2 - фильтр грубой очистки топлива, 3 - трубки топливные
низкого давления, 4 - подкачивающий насос, 5 - топливный насос высокого давления,
6 - трубка пневмокорректора, 7 - впускная труба, 8 - трубка перепускная, 9-
трубка высокого давления, 10- форсунка первого цилиндра, 11- фильтр тонкой
очистки топлива, 12- трубка сливная, 13 - клапан избыточного давления, 14 –
пневмокорректор, 15 - электромагнитный клапан останова двигателя
Система питания работает
следующим образом.
Топливо из топливного
бака 1 засасывается топливоподкачивающим насосом 4 через фильтр 2 грубой
отчистки. Из насоса 4 топливо поступает в фильтр 11 тонкой отчистки топлива, в
котором оно окончательно очищается от мельчайших загрязнений и затем поступает
в насос высокого давления 5 по трубопроводу 3. Из насоса 5 дозированные порции
топлива под высоким давлением подаются по топливопроводам 9 высокого давления в
форсунки 10 в соответствии с порядком работы двигателя для впрыска топлива в
цилиндры.
Излишки топлива,
подаваемого топливоподкачивающим насосом 4 к насосу высокого давления, отводя
через трубку перепускного клапана 8 топливного насоса высокого давления обратно
в топливный бак по трубопроводам 12.
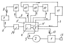
Топливный насос высокого давления (ТНВД) (рис. 2) предназначен для подачи в
камеры сгорания цилиндров дизеля дозированных порций топлива под высоким
давлением, в определенные моменты времени, чтобы обеспечить требуемую мощность.
Эти порции топлива должны быть одинаковым у всех секций ТНВД. На дизель
Д-245.9Е2 устанавливается ТНВД мод. 773-20.06 Э2 производства OAО "'ЯЗДА"
Привод ТНВД осуществляется от коленчатого вала дизеля через
шестерни распределителения.
ТНВД объединен в один
агрегат с всережимным регулятором 25 и подкачивающим насосом поршневого типа
16.
Рис 2. Топливный насос высокого давления
1 - секция топливного насоса. 2 - табличка; 3 - прокладка
фланца, 4 - фланец; 5 - крышка подшипника; 6 - шпонка: 7 - полумуфта привода,8 -
гайка крепления полумуфты; 9 - кулачковый вал; 10 - манжета крышки подшипника,
11 - прокладка крышки подшипника, 12 - подшипник; 13 - направляющий штифт
толкателя; 14 - толкатель; 15 - корпус топливного насоса; 16 -
топливоподкачивающий насос; 17 - шпилька кронштейна поддержки ТНВД; 18 -
регулировочные параметры; 19 - кольцо подшипника; 20 - болт; 21 - кронштейн; 22
- рычаг останова; 23 - болт; 24 - корпус регулятора; 25 - крышка регулятора; 26
- крышка смотрового люка; 27 - болт регулировки минимальной частоты вращения;
28 - болт регулировки максимальной частоты крашения; 29 - рычаг управления, 30 -
корректор по наддуву; 31 - шпилька; 32 - гайка; 33 - шайба.
Регулятор имеет корректор подачи топлива, автоматический
обогатитель топливоподачи, работающий на пусковых оборотах, и противодымный
пневмокорректор 30.
ТНВД имеет закрытый корпус, отлитый из алюминиевого сплава.
Гнезда для установки секций имеют однорядное расположение. Топливоподкачивающий
насос крепится с помощью накладок к корпусу ТНВД
Шарикоподшипник со стороны регулятора фиксируется наружным
кольцом в корпусе регулятора, в результате чего исключается необходимость
регулировки осевого люфта.
В ТНВД применяются так называемые, полумоноблочные насосные
секции, которые возникают путем соединения корпуса и втулки насосной секции в одну
деталь.
Секция насоса высокого
давления (рис. 3)
Основными деталями секции насоса являются втулка 22 и плунжер 26.

1 - опора кулачкового вала, 2-указатель уровня масла,
3-прокладка, 4 - крышка, 5 - винт, 6, 28 - тарелки пружины клапана, 7-стяжной
винт, 8 - установочный винт втулки плунжера, 9 - ввертыш, 10 - пробка-сапун, 11
- штуцер, 12 – стяжной болт, 13 - сухарь, 14 - упор клапана, 15 - уплотнительная
шайба, 16 - колпачковая гайка, 17 - ниппель, 18, 27 - пружины, 19 - нагнетательный
клапан, 20 - седло, 21, 25, 33 - втулки, 22 - канал, 23 - зубчатый венец, 24,
35 - стопорные винты, 26 - плунжер, 29 - регулировочный болт, 30 - контргайка,
31 - толкатель, 32 - ось, 34 - ролик.
Плунжер получает привод от кулачка распределительного вала
через роликовый толкатель 34. Толкатель имеет возвратную пружину 27 и
регулировочный болт 29 с контргайкой30. Пружина толкателя вторым концом
упирается в тарелку 6. Втулка плунжера имеет боковые отверстия, через которые
заполняется топливом из канала 22. Над плунжером установлен нагнетательный
клапан 19 с пружиной 18 и упором. Сверху секция закрыта накидной гайкой с
отводящим трубопроводом высокого давления. Втулка крепится в корпусе неподвижно
стопорным винтом 8, а плунжер 26 через поворотную втулку и зубчатый венец 23 соединен
с рейкой регулятора; такое соединение позволяет поворачивать плунжер
относительно боковых отверстий втулки. Плунжер 26 имеет вертикальный канал, который
соединен со сквозным горизонтальным каналом. От выходящих отверстий поперечного
канала выполнены две спиральные канавки или паз переменного сечения по высоте.
Работа секции насоса показана на рис. 4. Под действием пружины 7 толкателя 5 плунжер
8 опушен вниз. Над плунжером создается разрежение, топливо через открытые
боковые отверстия во втулке заполняет пространство над плунжером. При набегании
кулачка валика 4 на толкатель 5 плунжер поднимается. Когда плунжер полностью
перекрывает отверстие во втулке 2, давление над ним повышается, нагнетательный
клапан 1 поднимается и топливо начинает поступать к форсунке. Подача топлива
продолжается до тех пор, пока спиральная выточка 12 не откроет отверстия
втулки. Когда это произойдет, надплунжерное пространство через вертикальным
канал 11 в плунжере и отверстия втулки сообщатся с топливоподводящим каналом и
начнется перепуск топлива в этот канал. Подача топлива прекращается, хотя
плунжер еще продолжает двигаться вверх. Кромка выточки на плунжере выполнена по
спирали, поэтому при повороте плунжера изменяется величина его хода, в течение
которого отверстия втулки остаются закрытыми.
Рис. 4
Следовательно, чтобы изменить количество подаваемого топлива,
нужно изменить продолжительность подачи топлива поворотом плунжера относительно
боковых отверстий втулки. Поворот плунжера осуществляется при помощи рейки 8, зубчатого
венца 10 и поворотной втулки 6.
В секции насоса над плунжером установлен нагнетательный
клапан 1 с пружиной. Клапан разъединяет надплунжерное пространство и
топливопровод высокого давления после окончания подачи топлива, препятствуя
обратному перетеканию топлива из трубопровода в надплунжерное пространство
насоса и разгружая трубопровод от высокого остаточного давления.
Клапан имеет разгрузочный поясок, который точно подгоняется к
поверхности седла клапана. Когда нижняя кромка пояска дойдет до направляющей
поверхности седла, происходит разобщение топливопровода с надплунжерным пространством
втулки. При дальнейшем опускании клапана до полной посадки его в седло
разгрузочный поясок освобождает небольшой объем над пояском. Вследствие этого
топливо расширяется на величину освободившегося объема и давление внутри
трубопровода падает. Благодаря этому происходит резкое окончание впрыска и
уменьшается подтекание топлива из форсунки в цилиндр. Кольцевая выточка 9 на
плунжере, заполненная топливом, обеспечивает смазку трущихся поверхностен
плунжера 8 и втулки 2.
Регулятор (рис. 5) служит для управления подачей топлива топливным насосом в
зависимости от частоты вращения (нагрузки) дизеля. Одновременно он защищает
дизель от разноса при падении нагрузки. Просочившееся топливо улавливается в
сборной канавке плунжера, откуда оно отводится по радиальному каналу втулки в
сборное пространство 8 корпусе топливного насоса. Оттуда оно по трубопроводу
поступает в топливный бак.
Для регулировки используется изменение величины центробежной
силы вращающихся грузов. Корпус грузов 1, снабжен двумя качающимися грузами 2,
опирается с помощью муфты 3, напрессованной в подшипнике регулирующей втулки,
на сухарь или ролик промежуточного рычага 5, который в нижней части корпуса
регулятора шарнирно закреплен на оси 6 и вторым концом с помощью тяги 7
соединен с регулирующей рейкой 8 топливного насоса. Промежуточный рычаг своей
поверхностью опирается на регулируемый в осевом направлении корректор 9,
встроенный в главном рычаге 10. Главный рычаг нижним концом шарнирно закреплен
на совместной оси 6 вместе с промежуточным рычагом в корпусе регулятора.
Верхним концом он соединен тягой 12 через нагрузочную пружину 13 с
эксцентриковым валом 14. Рычагом управления, который установлен на
эксцентриковом валу снаружи корпуса регулятора, через рычаги эксцентрикового
вала и в них шарнирно установленную тарелку натягивается у всережимного
регулятора нагрузочная пружина, в результате чего начинает действовать
регулятор. Номинальная частота вращения регулятора дана настройкой упорного
болта пальца рычага управления регулятора. Максимальная подача у регулятора
ограничена регулируемым упором 15, ограничивающим ход главного рычага.
Рис 5. Регулятор
1 - корпус грузов; 2 - груз; 3 - муфта; 5 - ролик промежуточного рычага; 6
-ось; 7 -тяга; 8 - регулирующая рейка; 9 - корректор; 10 - главный рычаг; 12 -
тяга; 13 - нагрузочная пружина.
Главный рычаг регулятора
снабжен в нижней части уже отмеченным в осевом направлении регулируемым
корректором 9 и в средней части упором с пружиной 16. который также
регулируется в осевом направлении и палец которого отжимает с помощью пружины
промежуточный рычаг от главного рычага регулятора. Эта пружина работает на
холостом ходу и одновременно служит как пружина автоматического пуска. С помощью
упора с пружиной можно путем его выдвигания из главного рычага отрегулировать
во время работы регулятора конец автоматического пуска.
У регулятора на холостом ходу работает как нагрузочная
пружина, так и пружина в главном рычаге. Для улучшения пуска, т. е. для
повышения пусковой подачи топлива, регулятор укомплектован еще одной
дополнительной пружиной растяжения, которая частично вводится в действие и на
холостом ходу. Эта стартовая пружина закреплена одним концом в промежуточном
рычаге и вторым концом в рычаге эксцентрикового вала регулятора. При отклонении
рычага управления регулятора на упорный болт пальца регулятора отжимает пружина
регулируемого упора промежуточный рычаг от главного рычага и одновременно со
стартовой пружиной растяжения переводит промежуточный рычаг, а тем самым и
регулирующую рейку в положение «СТАРТ».
Для предотвращения
чрезмерной нагрузки рычажной системы регулятора и механизма регулировки
топливного насоса при максимальной частоте вращения холостого хода дизеля
служит регулируемый yпор, 15 в корпусе
регулятора, который ограничивает крайние положения хода промежуточного рычага.
Пневмокорректор (рис. 6) предназначен для уменьшения
подачи топлива при снижении числа оборотов дизеля с целью снижения дымления.
Одновременно он служит в качестве упора, предотвращающего увеличение подачи
топлива при резком нажатии на педаль управления подачей топлива, когда
турбокомпрессор дизеля еще подает малое количество воздуха ввиду низкого числа
оборотов дизеля.
Рис 6. Пневмокорректор
Двуплечий рычаг корректора избыточного давления входит в
зацепление с тягой регулирующей рейки топливного насоса под действием давления
смазочного масла из системы смазки дизеля.
Изменение давления
воздуха, подводимого из впускного трубопровода дизеля на диафрагму
пневмокорректора, передается с помощью двуплечего рычага на зуб тяги с пружиной
регулирующей рейки. Таким образом, корригируется величина подачи топлива
топливного насоса.
Рабочие детали топливных насосов смазываются проточным
маслом, поступающим из системы смазки дизеля в корпус насоса через специальное
отверстие во фланце. Слив масла из корпуса насоса в картер дизеля
осуществляется по специальному сверлению во фланце.
При установке на дизель нового или отремонтированного ТНВД необходимо залить в него 200...250 см3 масла,
применяемого для смазки двигателя, через маслозаливное отверстие на крышке
регулятора. Все регулировки насоса и разборка его для замены деталей
производятся в специальной мастерской высококвалифицированными специалистами.
Перепускной клапан служит
для создания необходимого давления (1,2 1,9 кгс/см2) в каналах
низкого давления ТНВД. Избыточное топливо, подаваемое топливоподкачивающим
насосом, через перепускной клапан поступает на слив. При неработающем двигателе
перепускной клапан обеспечивает герметичность полости низкого давления ТНВД,
что является необходимым условием для надежного пуска двигателя.
Форсунка (рис. 7) предназначена для впрыска топлива в цилиндр дизеля с
обеспечением необходимого распыла топлива и ограничения начала и конца подачи.
На дизеле применяется форсунка с осевым подводом топлива и пятидырчатым
распылителем закрытого типа 455.1112010-50 (ОАО "ЯЗДА") или
1721112010-11.01 производства ЗАО "АЗПИ". Форсунка имеет маркировку
"455-10", а распылитель форсунки "135-120". Маркировка
наносится на корпус форсунки и на корпус распылителя. Разборка и регулировка
форсунки производятся на специальном стенде в мастерской квалифицированными специалистами.
Все детали форсунки собраны в корпусе 8.
Рис 7. Форсунка
К нижнему концу корпуса форсунки гайкой 4 присоединен корпус
распылителя 3, внутри которого находится запорная игла 2. Игла и корпус
представляют пару. Корпус распылителя имеет четыре сонливых отверстия 1
диаметром 0,32 мм. В верхнем конце корпуса распылителя имеется
топливораспределительный канал 6, соединенный с полостью корпуса распылителя
тремя наклонивши каналами 5. Нижний конец штанги 9 упирается в хвостовик иглы 2
распылителя. Сверху на штангу напрессована опорная тарелка 10, в которую упирается
пружина 11 форсунки. Усилие затяжки пружины регулируется винтом 12, ввернутым в
гайку пружины 18, На гайку пружины навернут колпак 14 форсунки с шайбой 15.
Топливо к форсунке подается через штуцер 17 и фильтр 16 и далее поступает через
канал 7 к топливораспределительному каналу 6 в полость распылителя 3.
Когда давление топлива превысит усилие, создаваемое пружиной
11, игла 2 поднимается вверх, открывает проход к сопловым отверстиям 1 и
происходит впрыск топлива в камеру сгорания. Когда снизится давление в насосе
высокого давления, игла 2 резко закрывает через штангу 9 сопловые отверстия 1 и
этим предотвращает подтекание топлива в цилиндр двигателя в конце впрыска.
Топливо, просачивающееся через зазоры между иглой 2 и корпусом распылителя 3,
отводится из форсунки через отверстия в регулировочном винте 12 и колпаке 14.
Форсунки устанавливают в латунный стакан головки цилиндров и крепят скобой. Под
торец гайки распылителя подкладывают медную гофрированную шайбу для уплотнения
от прорыва газов.
Фильтр грубой очистки (рис 8.) предназначен для предварительной очистки топлива от
механических примесей и воды. Он состоит из корпуса 2, отражателя 1 с сеткой,
рассеивателя 11, стакана 12 с успокоителем. Слив отстоя из фильтра производится
через отверстие в нижней части стакана, закрываемое пробкой 14.
Фильтр тонкой очистки (рис. 9) предназначен для окончательной очистки топлива
перед поступлением в ТНВД. Фильтр имеет сменный бумажный фильтрующий элемент 6.
Рис 8. Фильтр грубой очистки топлива
1 - отражатель с сеткой;
2 - корпус; 3 - кольцо, 4,6,13 - кольцо уплотнительное; 5 - втулка защитная, 7 -
болт поворотного угольника 8 - гайка, 9 - шайба; 10 - болт; 11 - рассеиватель; 12
- стакан; 14 - пробка.
Топливо, проходя сквозь
шторки бумажного фильтрующего элемента, очищается от механических примесей. В
нижней части корпуса фильтра находится отверстие с пробкой 2 для слива отстоя.
Для удаления воздуха из системы питания на крышке фильтра 9 расположена
специальная пробка 12.
Рис 9. Фильтр тонкой очистки топлива
1 - болт поворотного
угольника, 2 - пробка 3,5 - кольцо уплотнительное, 4-втулка защитная, 6-элемент
фильтрующий 7- корпус 8- прокладка. 9 - крышка фильтра, 10 - гайка. 11 - шайба,
12 - пробка для удаления воздуха
Топливопроводы
высокого давления во избежание поломок скрепляются
специальными скобами и зажимами и имеют одинаковую длину от насоса высокого
давления до всех форсунок двигателя.
Топливоподкачивающий насос низкого давления поршневого типа, предназначен для подачи топлива от бака
через фильтры грубой и тонкой очистки к ТНВД. Насос 4 (рис.1) установлен на
корпусе ТНВД и приводится в действие эксцентриком кулачкового вала ТНВД. При неработающем
двигателе топливоподкачивающий насос приводится в действие рукой для заполнения
топливом системы питания удаления воздуха из нее перед пуском дизеля. Прокачка
осуществляется движением рукоятки вверх-вниз.
Внимание! Не допускается
работа топливной системы без фильтрующего элемента или с засоренным топливным
фильтром
Воздушный фильтр сухого
типа со сменными бумажными фильтрующими элементами служит для очистки
поступающего в цилиндры воздуха.
Воздушный фильтр (рис.
10) состоит из корпуса 5, двух фильтрующих элементов 6 и 7, крышки 4. Для
обеспечения герметичности имеются резиновые прокладки. Назначение малого
(внутреннего) фильтрующего элемента - обеспечение очистки воздуха в случае
механического разрушения наружного фильтрующего элемента.
Внимание! Подсос неочищенного воздуха в цилиндры двигателя, возникающий
из-за разгерметизации впускного тракта, приводит к резкому снижению срока
службы двигателя.
Рис 10. Воздушный фильтр
1 - уплотнительное кольцо; 2 - гайка барашек, 3 - шайба; 4 - крышка, 5 - корпус, 6 - контрольный
фильтрующий элемент, 7 - основной фильтрующий элемент.
Для облегчения контроля
засоренности воздушного фильтра установлен датчик между фильтром и
турбокомпрессором, а на панели приборов - сигнализатор. По мере засорения
фильтра растёт разряжение во впускном трубопроводе и по достижении величины 4.5
кПа срабатывает сигнализатор, а на панели приборов загорается контрольная лампа
«Засоренности воздушного фильтра». При загорании лампы следует очистить или
заменить фильтрующий элемент.
Турбокомпрессор (рис. 11) с центробежным одноступенчатым компрессором и с радиальной
центростремительной турбиной крепится на выпускной коллектор и соединяется
патрубками и трубопроводами с охладителем наддувочного воздуха.
Принцип работы
турбокомпрессора заключается в том, что выхлопные газы из цилиндров под
давлением поступают через выхлопной коллектор в камеры газовой турбины.
Расширяясь, газы вращают колесо центробежного турбокомпрессора. Центробежный
турбокомпрессор через воздушный фильтр всасывает воздух, сжимает его и подаёт
под давлением в цилиндры дизеля.
Регулирование наддува происходит путем перепуска части
отработавших газов мимо колеса турбины при превышении давления наддува
определенного значения.
Подвод масла к
подшипниковому узлу турбокомпрессора осуществляется из главной маслят
магистрали. Слив масла происходит в картер двигателя.
Рис 11. Турбокомпрессор
1 - ротор, 2 - корпус турбины; 3 - корпус подшипника; 4 - корпус компрессора; 5 -
исполнительный механизм. 6-кронштейн крепления исполнительного механизма, 7 -
воздухопровод.
Турбокомпрессор не требует специального обслуживания в
процессе эксплуатации. Состоят турбокомпрессора можно проверить по люфту ротора
со стороны компрессора. Если лопатки компрессора задевают за корпус,
турбокомпрессор требует замены.
2.2 Описание отказов,
их причин и способов устранения в системе
|
Неисправности
|
Причины
|
Способы устранения
|
|
Дизель не запускается.
|
Воздух в топливной системе.
Неисправен топливный насос.
|
Прокачайте систему насосом ручной
подкачки топлива.
Устраните подсос воздуха в топливной
системе.
Снимите топливный насос с дизеля и
оправьте в мастерскую для ремонта.
|
|
Дизель не развивает мощности.
|
Рычаг управления топливным насосом
не доходит до упора.
Засорился фильтрующий элемент
фильтра тонкой отчистки топлива.
Неисправны форсунки.
Неисправен топливный насос.
|
Отрегулируйте тяги управления
топливным насосом.
Замените фильтрующий элемент
фильтра тонкой отчистки топлива.
Выявите неисправные форсунки,
промойте распылители и прочистите их силовые отверстия, при необходимости
замените распылители.
Снимите турбокомпрессор с дизеля и
отправьте в мастерскую для ремонта.
Снимите топливный насос с дизеля и
оправьте в мастерскую для ремонта.
|
|
Дизель не устойчиво работает на
холостом ходу.
|
Попадание воздуха в топливную
систему.
Неисправен топливный насос.
|
Удалите воздух из топливной
системы.
Снимите топливный насос с дизеля и
оправьте в мастерскую для ремонта.
|
|
Дизель дымит на всех режимах
работы.
|
Зависла игла распылителя форсунки.
|
Выявите неисправные форсунки, промойте
или замените распылитель, отрегулируйте форсунку.
|
2.3 Техническое
обслуживание заданной системы
ТО-1 (4000км.)
1. Слив отстоя из фильтра
грубой очистки топлива
ТО-2 (12000км.)
1. Слив отстоя из фильтра
тонкой очистки топлива
2. Промывка фильтра
грубой очистки топлива (через одно ТО-2)
3. Замена фильтрующего
элемента фильтра тонкой
очистки топлива (через одно ТО-2)
4. Обслуживание
воздушного фильтра (через одно ТО-2)
5. Проверка и регулировка
угла опережения впрыска топлива (через 4ТО-2)
6. Проверка герметичности
соединений впускного тракта
СТО (24000км.)
1. Проверка форсунок на
давление начала впрыска и качество распыла топлива. (Один раз в год при осеннем
СТО)
2. Обслуживание ТНВД
(один раз в год при СТО, или пробеге не более 60000км.)
Список использованной
литературы:
Книги и журналы:
Каталог деталей и сборочных единиц
автобуса Паз 4230
Руководство по эксплуатации (журнал)
ПАЗ-4230
Интернет ресурсы:
http://www.rol.ru/news/tech/autonews/03/04/17_005
Размещено на