Техническое обслуживание, диагностика и ремонт карбюраторного двигателя

  • Вид работы:
    Курсовая работа (т)
  • Предмет:
    Транспорт, грузоперевозки
  • Язык:
    Русский
    ,
    Формат файла:
    MS Word
    1015,38 Кб
  • Опубликовано:
    2015-02-23
Вы можете узнать стоимость помощи в написании студенческой работы.
Помощь в написании работы, которую точно примут!

Техническое обслуживание, диагностика и ремонт карбюраторного двигателя

Содержание

Введение

. Устройство системы питания карбюраторного двигателя

1.1        Назначение системы питания карбюраторного двигателя

1.2    Основные характеристики и принцип работы

.3  Материалы, применяемые при изготовлении, ТО и ремонте

2. ТО и ремонт системы питания карбюраторного двигателя

2.1        Перечень выполняемых работ в объёме ЕТО, ТО-1, ТО-2 и СТО

2.2 Неисправности системы питания карбюраторного двигателя. Причины их возникновения и способы устранения

.2   Сборочно-разборочные работы, осуществляемые в процессе ремонта

3. Безопасная организация труда

Заключение

Список литературы

Введение

Автомобильный транспорт имеет большое значение, так как обслуживает все отрасли. В нашей стране непрерывно возрастает дальность перевозок грузов и пассажиров вследствие повышения эксплуатационных качеств автомобилей, улучшение автомобильных дорого и строительство новых.

Для успешного решения автомобильным транспортом поставленных задач необходимо постоянно поддерживать автомобили в хорошем техническом состоянии, создать такую организацию технического обслуживания, которая предусматривала бы своевременное и высококачественное выполнение всех операций по уходу за автомобилем. При этом необходимо использовать правильные приемы выполнения каждой операции и широко применять средства механизации. Квалифицированное выполнение работ технического обслуживания обеспечивает безотказную работу агрегатов, узлов и систем автомобилей, увеличивает их надежность и максимальные межремонтные пробеги, повышает производительность, сокращает расход топлива, снижает себестоимость перевозок, обеспечивает повышение безопасности движения.

Развитие и совершенствование авторемонтного производства требуют правильной организации ремонта автомобилей, которая в свою очередь зависит от целого ряда факторов, наиболее важных из них является рациональное размещение ремонтных предприятий, их специализация и производственная мощность. Эффективность использования автотранспортных средств зависит от совершенства организации транспортного процесса и свойств автомобилей сохранять в определенных пределах значения параметров, характеризующих их способность выполнять требуемые функции. В процессе эксплуатации автомобиля его функциональные свойства постепенно ухудшаются вследствие изнашивания, коррозии, повреждения деталей, усталости материала, из которого они изготовлены и др. В автомобиле появляются различные неисправности, которые снижают эффективность его использования.

Для предупреждения появления дефектов и своевременного их устранения автомобиль подвергают техническому обслуживанию (ТО) и ремонту. ТО - это комплекс операций или операция по поддержанию работоспособности или исправности автомобиля при использовании по назначению при стоянке, хранении или транспортировании.


1. Устройство системы питания карбюраторного двигателя

Система питания (рис. 1) состоит из:

    топливного бака - 2,

-        топливопроводов - 5,

         фильтров очистки топлива - 6,

         топливного насоса - 7,

         воздушного фильтра - 9, карбюратора:

8 - поплавковая камера карбюратора с поплавком;

- смесительная камера карбюратора;

- впускной клапан;

- впускной трубопровод;

- камера сгорания

Рис. 1. Схема расположения элементов системы питания

Топливный насос (рис. 2) - диафрагменный, с верхним расположением отстойника, приводится в движение эксцентриком распределительного вала. Корпус насоса состоит из двух частей - верхней 3 и нижней 4,- отлитых из цинкового сплава. Между ними зажата диафрагма 1", состоящая из четырех слоев ткани, пропитанная бензостойким лаком.

В центре диафрагмы при помощи двух шайб скреплена тяга 7, имеющая на нижнем конце ушко, в которое входит рычаг 8 тяги. Рычаг 8 тяги и рычаг 14 привода насоса посажены на общую ось 12. Рычаг привода одним концом упирается в рычаг тяги, другим - в эксцентрик 15 распределительного вала.

Рычаг привода постоянно поджимается к эксцентрику пружиной 13, установленной между выступами на нижней части корпуса и на рычаге. Под диафрагму поставлена пружина 5, возвращающая ее верхнее положение.

Тяга уплотнена сальником 16, который препятствует проникновению газов и вместе с ними капель масла из картера двигателя в полость под диафрагмой. Эта полость соединена с атмосферой отверстием 6.

В двух приливах корпуса размещен валик 9 рычага 10 ручной подкачки. Валик уплотнен с обеих сторон кольцами из маслобензостойкой резины.

В верхней части корпуса расположены неразборные нагнетательный (выпускной) 22 и впускной 21 клапаны. Клапаны закреплены в корпусе при помощи нажимной планки и двух винтов. Над приемным каналом впускного клапана установлен фильтр 23. Сверху корпус накрыт стеклянным стаканом-отстойником 24, уплотненным резиновой прокладкой 20 и прижатым к корпусу при помощи винта, гайки-барашка 25 и проволочной скобы. Прозрачный стакан позволяет наблюдать за количеством скопившегося в нем отстоя и вовремя произвести очистку.

Рис. 2. Топливный насос

1.1 Назначение системы питания карбюраторного двигателя

Система питания карбюраторного двигателя предназначена для хранения топлива, предоставления и очистки топлива и воздуха, приготовления топливной смеси нужного состава и качества и предоставления ее в необходимом количестве в цилиндры двигателя, а также для отведения в атмосферу продуктов сгорания, очистки отработанных газов и глушения шумов на впуске воздуха и выпуска отработанных газов.

Смесь паров бензина и воздуха образующаяся в карбюраторе называется горючей смесью. Эта смесь подается в цилиндры двигателя, где она смешивается с остаточными отработавшими газами, такую смесь называют рабочей.

Установлено, что для сгорания 1 кг топлива необходимо 15 кг воздуха. Смесь такого состава носит название нормальной. Однако при соотношении 1:15 полного сгорания топлива не происходит и часть его теряется. Для полного сгорания соотношение топлива и воздуха должно быть 1:17... 1:18, такая смесь носит название обедненной. Вследствие избытка воздуха в обеденной смеси понижается ее теплота сгорания, что приводит к снижению скорости сгорания и мощности двигателя. Для повышения мощности двигателя смесь должна гореть с наибольшей скоростью, а это возможно при соотношении топлива и воздуха 1:13, такая смесь называется обогащенной. При таком составе смеси полного сгорания топлива не происходит и экономичность двигателя ухудшается, зато удается получить от него наибольшую мощность.

Топливный бак (рис. 3.)- это емкость для хранения топлива. Обычно он размещается в задней, более безопасной части автомобиля.

Топливный фильтр (рис. 4.) предназначен для тонкой очистки бензина, поступающего к топливному насосу (возможна установка фильтра и после насоса).

Рис. 3. Топливный бак

Рис. 4. Топливный фильтр

Жиклер (рис. 5) предназначен для дозирования и подачи топлива или газа.

Рис. 5. Жиклеры

Карбюратор - обеспечивает необходимое количество топлива и воздуха в смеси, которая поступает в камеры двигателя внутреннего сгорания.

Карбюратор (К-22И) Карбюратор К-22И однокамерный, трех-диффузорный, с балансированной поплавковой камерой. По способу компенсации смеси в главной дозирующей системе он относится к карбюраторам с регулированием разрежения в диффузоре и включением в работу добавочного (компенсационного) жиклера.

Схема приведена на рис. 6.

Рис. 6. Схема карбюратора

.2 Основные характеристики и принцип работы

Техническая характеристика карбюратора К-22И

Пропускная способность жиклеров, см3/мин.:

главного - 220 ± 5

компенсационного - 325±3

топливного холостого хода52 ± 3

Диаметр жиклеров, мм:

воздушного холостого хода (два) 1,4+0.1

эмульсионного холостого хода 1+0.1

мощности 0,9+0,06

Диаметр распылителя ускорительного насоса, мм - 0,7+0.06

Открытие регулировочной иглы главного жиклера (от положения полного закрытия):

при эксплуатации автомобиля - 13/4-2

Объем топливного бака ГАЗ-21 - 55л

Принцип работы

В такой системе питания приготовление горючей смеси требуемого состава происходит в карбюраторе, затем горючая смесь в необходимом количестве поступает непосредственно в цилиндры двигателя.

В баке хранится запас топлива необходимый для работы двигателя, в карбюратор топливо подается из бака топливным насосом через топливопроводы. Использование топливного насоса допускает расположение топливного бака в любой части автомобиля. Фильтр-отстойник предназначен для очистки топлива от механических примесей и воды. Атмосферный воздух поступает в карбюратор через воздушный фильтр, где он очищается от пыли. Карбюратор приготавливает рабочую смесь, поступающую через впускной коллектор в цилиндры двигателя. Выпускной коллектор необходим для отвода из цилиндров отработавших газов. Отработавшие газы через выпускной коллектор поступают в глушитель для уменьшения шума, после чего выбрасываются в атмосферу.

Топливо поступает в поплавковую камеру через топливопровод, поплавковая камера соединяется со смесительной камерой распылителем, где установлен жиклер. Поплавок при помощи игольчатого клапана поддерживает постоянный уровень топлива в поплавковой камере. Как только поплавковая камера наполняется, поплавок всплывает, поднимая игольчатый клапан при помощи рычажка, игольчатый клапан в свою очередь перекрывает отверстие в подводящем топливопроводе, перекрывая его, доступ топлива в камеру прекращается.

Воздух, проходя через карбюратор, попадает в узкое сечение диффузора где его скорость увеличивается. Вследствие увеличения скорости потока воздуха, проходящего через диффузор, в нем возрастает разряжение. Между поплавковой камерой и диффузором создается перепад давлений, в результате чего топливо через жиклер поступает в смесительную камеру, образуя горючую смесь. Далее горючая смесь попадает в цилиндр двигателя. После сгорания рабочей смеси, отработавшие газы отводятся через выпускной клапан. Отработавшие газы проходят через глушитель и выводятся в атмосферу.

Рис. 7. Принцип работы системы питания карбюраторного двигателя

1.3 Материалы, применяемые при изготовлении, ТО и ремонте

Корпуса карбюраторов изготавливают литьем под давлением из цинковых сплавов, имеющих низкую температуру плавления и хорошие литейные свойства, что дает возможность получать отливки высокой точности, необходимой плотностью, чистой поверхностью и достаточными механическими свойствами. В США для изготовления деталей карбюратора применяют цинковые сплавы, которые по своему химическому составу и свойствам близки к цинковым сплавам, применяем в СССР. Поплавковый механизм изготавливают штамповкой и латунной ленты, достаточно устойчивой против коррозионного воздействия топлива. В качестве материала для клапанов применяют нержавеющую сталь, которая при работе в корпусе из латуни обеспечивает длительный срок службы. В качестве материала для жиклеров, форсунок и других дозирующих элементов наибольшее распространение получила латунь.

Наиболее часто корпус топливного изготавливают литьем под давлением из цинковых, алюминиевых и магниевых сплавов. Диафрагмы топливного насоса обычно изготавливают из хлопчатобумажной ткани или нейлона, покрытого синтетическим каучуком. Механизм привода топливного насоса изготавливают из углеродистой и низколегированной стали(Например марки 45).Пружину диафрагмы из углеродистой пружинной стали.

Для изготовления фильтрующих элементов применяют латунь марок Л68, Л62 и Л59-1. Корпус фильтра тонкой очистки топлива отливают под давлением из алюминиевых или цинковых сплавов. Стакан-отстойника чаще всего изготавливают из стекла, бакелита или полистирола.

Корпусные детали воздухоочистителя изготавливают из луженой или освинцованной стали.

Детали бака изготавливаются из освинцованной или оцинкованной стали. При изготовление топливопровода используют медь.

система питания карбюраторный двигатель

2. Техническое обслуживание и ремонт

.1 Перечень выполняемых работ в объёме ЕТО, ТО-1, ТО-2 и СТО

ЕТО. Проверить уровень топлива в баке и заправить автомобиль топливом. Проверить внешним осмотром герметичность соединения карбюратора, топливного насоса, топливопроводов и топливного бака.

ТО-1. Проверить внешним осмотром герметичность соединений системы питания; при необходимости устранить неисправности. Проверить присоединение рычага педали к оси дроссельной заслонки и троса к рычагу воздушной заслонки, действие приводов и полноту открытия и закрытия дроссельной и воздушной заслонок. Педаль привода должна перемещаться в обе стороны плавно. После работы автомобиля на пыльных дорогах промыть воздушный фильтр карбюратора и сменить в нем масло.

ТО-2. Проверить герметичность топливного бака и соединений трубопроводов системы питания, крепление карбюратора и топливного насоса; при необходимости устранить неисправность. Проверить присоединение тяги к рычагу дроссельной заслонки и троса к рычагу воздушной заслонки, действие приводов, полноту открытия и закрытия дроссельной и воздушной заслонок. Проверить манометром работу топливного насоса (без снятия его с двигателя). Давление, создаваемое насосом, должно быть в пределах 0,03...0,04 МПа. Проверить уровень топлива в поплавковой камере карбюратора при работе двигателя с малой частотой вращения коленчатого вала на холостом ходу. Промыть воздушный фильтр двигателя и сменить в нем масло.

СТО. Два раза в год снять карбюратор с двигателя, разобрать и почистить его. Промыть и проверить действие ограничителя частоты вращения коленчатого вала двигателя. При подготовке к зимней эксплуатации проверить на специальных приборах, карбюратор, его узлы и детали, включая жиклеры. Снять топливный насос, разобрать его, очистить и проверить состояние деталей. После сборки проверить топливный насос на специальном приборе. Два раза в год слить отстой из топливного бака и одни раз в год (при переходе на зимнюю эксплуатацию) промыть бак.

Обслуживание карбюраторов. Надежность в работе карбюратора достигается выполнением следующих операций.

Очистка и промывка карбюратора. Карбюратор снимают с двигателя и разбирают, удаляют смолистые отложения, промывают детали с помощью волосяной кисти в ванночке с авиационным бензином или ацетоном, продувают жиклеры и каналы в корпусе сжатым воздухом. Запрещается применять для прочистки жиклеров проволоку, металлические предметы или обтирочные материалы. При работе на этилированном бензине перед очисткой деталей карбюратора их необходимо погрузить на 10-20 мин в керосин или другой растворитель. При сборке карбюратора следует проверить состояние всех прокладок и негодные заменить. Во избежание порчи поплавка не допускается продувка собранного карбюратора сжатым воздухом через топливоподводящий штуцер или балансировочную трубку.

Дроссель и воздушную заслонку при разборке карбюратора не снимают. После сборки карбюратора надо убедиться в том, что они поворачиваются без заедания.

Проверка герметичности поплавка производится погружением его на 30 сек в воду, нагретую до температуры 80-90°С. При неисправности поплавка из него будут выходить пузырьки воздуха. Такой поплавок необходимо заменить или запаять, предварительно удалив попавшее в него топливо. После пайки проверяют вес поплавка.

Проверка герметичности игольчатого клапана выполняется на вакуумном приборе. Бачок прибора заполняют дистиллированной водой, и в корпусе устанавливают на прокладках испытуемый клапан в сборе с седлом. Затем с помощью поршня насоса создают разрежение в контрольной трубке, подняв уровень водяного столба до 1000 мм и закрывают кран. Одновременно разрежение создается в тройнике 6 под испытуемым клапаном.

Герметичность клапана считается удовлетворительной, если уровень воды в контрольной трубке понизится не более, чем на 10 мм в течение 30 сек. При большем падении уровня воды клапан необходимо притереть или заменить.

Уровень топлива в поплавковой камере можно проверить не снимая карбюратор с двигателя или установив карбюратор на специальном приборе.

Проверка пропускной способности жиклеров производится один раз в год в плановом порядке, а также при очередном техническом обслуживании автомобиля в случае выявления перерасхода топлива.

Пропускная способность жиклеров определяется количеством дистиллированной воды (в см3), протекающей через дозирующее отверстие жиклера за 1 мин под напором водяного столба высотой 1 ± 0,002 м при температуре воды 20 ± 1С. Проверка (тарировка) жиклеров производится на приборах, которые по принципу замера количества воды подразделяются на две группы: с абсолютным и относительным замером.

Обслуживание топливных насосов. Надежная подача топлива к карбюратору на различных режимах работы двигателя может быть нарушена вследствие повреждения диафрагмы топливного насоса, потери упругости ее пружины, осмоления и залипания клапанов, загрязнений фильтрующей сетки и потери герметичности насоса.

В насосах, имеющих стакан-отстойник, возможно подтекание топлива через прокладку между корпусом и стаканом-отстойником. Если течь не прекратится после более плотной затяжки барашка крепления, необходимо сменить прокладку.

Подтекание топлива наружу из отверстия корпуса насоса или при отвертывании контрольной пробки в корпусе у герметизированных насосов указывает на порчу диафрагмы, которую следует заменить.

Наиболее простой способ проверки работы насоса без снятия его с двигателя - с помощью ручной подкачки. Исправный насос должен бесперебойно подавать сильную пульсирующую струю топлива без пены из штуцера насоса, отсоединенного от топливопровода, идущего к карбюратору. Наличие пены свидетельствует о подсосе воздуха в магистрали.

Уход за воздушным фильтром. Периодичность ухода за воздушным фильтром зависит от условий эксплуатации. Уход заключается в промывке фильтра и смене масла. В обычных условиях эксплуатации эту операцию проводят при ТО-2, в тяжелых дорожных условиях - при ТО-1, а в условиях сильной запыленности воздуха - через день. Для промывки воздушный фильтр снимают с двигателя, сливают загрязненное масло из его ванны, промывают детали фильтра в керосине или бензине, затем протирают их, а фильтрующий элемент просушивают сжатым воздухом. Фильтрующий элемент смачивают маслом, применяемым для двигателя, а в корпус заливают масло до установленного уровня.

В воздушных фильтрах, соединенных с системой вентиляции картера двигателя, одновременно с очисткой системы вентиляции необходимо также очистить и воздушную полость фильтра от смолистых отложений, а металлический фильтрующий элемент погрузить на 20-30 мин в ацетон, после чего продуть его сжатым воздухом. При работе в условиях низкой температуры (от -20° до -40°) в фильтр надо заливать масло АУ, обладающее низкой температурой застывания. При температуре ниже -40° в условиях бесснежной зимы к маслу, заливаемому в фильтр, следует добавлять до 20% керосина.

После сборки фильтра не следует запускать двигатель в течение 10 - 15 мин для того, чтобы излишнее масло стекло с фильтрующего элемента.

Уход за топливными фильтрами. Уход за фильтром-отстойником заключается в проверке его герметичности, выпуске отстоя и промывке.

Для выпуска отстоя надо, предварительно перекрыв кран от топливного бака и ослабив стяжной болт, отвернуть пробку. После выпуска отстоя открывают кран бака на время, достаточное для ополаскивания корпуса фильтра чистым бензином.

Для промывки фильтра-отстойника снимают корпус и фильтрующий элемент, промывают их в неэтилированном бензине и просушивают. Во избежание порчи фильтрующих пластин при их очистке не следует пользоваться щетками, скребками, а также сжатым воздухом высокого давления. При сборке проверяют состояние прокладок. Герметичность собранного фильтра-отстойника проверяют под давлением (2 кГ/см2) 196 133 н/м2.

В фильтре тонкой очистки топлива снимают стакан-отстойник и керамический или капроновый фильтрующий элемент и тщательно промывают их в бензине.

Уход за топливным баком и топливопроводами. Герметичность топливопроводов на участке от бака до топливного насоса следует проверять при неработающем двигателе, а на участке от насоса до карбюратора - при работающем двигателе, когда в топливопроводе создается давление. Обнаруженную утечку топлива устраняют путем подтягивания гаек соединений или заменой неисправных гаек, штуцеров и топливопроводов.

.2 Неисправности системы питания карбюраторного двигателя. Причины их возникновения и способы устранения

Не поступает топливо в карбюратор вследствие засорения компенсационного отверстия в пробке топливного бака (или вентиляционной трубки бака), чрезмерного засорения фильтра топливозаборника или фильтра тонкой очистки. Возможны неисправности и топливного насоса: повреждение диафрагмы или ее пружины, а также «зависание» или не плотное закрытие клапанов.

Для устранения неисправности все упомянутые элементы системы питания следует последовательно проверить. Затем промыть и поставить на место все то, что исправно, а неисправные узлы и детали поменять на новые.

Двигатель не развивает полной мощности и (или) работает с перебоями из-за нарушения уровня топлива в поплавковой камере, загрязнения топливных или воздушных фильтров, жиклеров или каналов. А возможно карбюратор просто неправильно отрегулирован.

Для устранения неисправности надо заменить или промыть соответствующие фильтры, продуть воздухом под давлением все каналы и жиклеры карбюратора, и произвести необходимые регулировки.

Подтекание топлива может происходить по причине потери герметичности топливного бака, фильтра, насоса, карбюратора или в многочисленных соединениях топливопровода.

Для устранения неисправности следует подтянуть хомуты креплений топливных шлангов, поменять поврежденные прокладки. Негерметичность, возникшую по причине механических повреждений элементов системы питания, устраняют путем их замены. Если же вы предпочитаете ремонт, то производить его необходимо только в специализированных мастерских.

2.3 Сборочно-разборочные работы, осуществляемые в процессе ремонта

Выверните винты крепления крышки карбюратора и осторожно снимите ее, чтобы не повредить прокладку и поплавок.

Разборка крышки карбюратора:

·    осторожно оправкой вытолкните ось 1 (рис. 8.) поплавка 3 из стоек и осторожно, не повреждая язычков поплавка, снимите его;

·              снимите прокладку 4 крышки, выверните седло игольчатого клапана 2, отверните патрубок 15 подачи топлива и выньте топливный фильтр 13;

·              выверните корпус топливного жиклера холостого хода с электромагнитным запорным клапаном 10 и выньте жиклер 9;

·              выверните ось 19, снимите рычаг 18 управления воздушной заслонкой, отсоедините пружину рычага управления воздушной заслонкой. При необходимости выверните винты воздушной заслонки, выньте заслонку 14 и ось 16;

·              разберите диафрагменное пусковое устройство, сняв крышку 8 пускового устройства в сборе с регулировочным винтом 7. Выньте пружину 6 и диафрагму 5 со штоком.

Рис. 8. Крышка карбюратора в разборе 21051-1107010

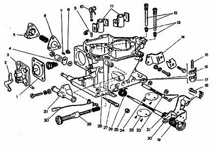
Разберите корпус карбюратора (рис. 9.), для чего выполните следующие операции:

Рис. 9. Корпус карбюратора в разборе 21051-1107010

·    снимите крышку 3 ускорительного насоса с рычагом 2 и диафрагмой 1;

·              выньте распылители 10 ускорительного насоса и распылители 11 первой и второй камер;

·              отверните гайку оси дроссельной заслонки первой камеры, снимите кулачок 4 привода ускорительного насоса и шайбу;

·              выверните регулировочный винт 27 количества смеси холостого хода;

·              сломав пластмассовую заглушка 23, выверните регулировочный винт 25 качества (состава) смеси холостого хода;

·              снимите крышку 5 экономайзера мощностных режимов, диафрагму 6 и пружину;

·              выверните топливный жиклер 7 экономайзера мощностных режимов, главные воздушные жиклеры 12 с эмульсионными трубками и главные топливные жиклеры 13 главных дозирующих систем.

Сборку карбюратора выполняйте в обратной последовательности. При завертывании винтов крепления дроссельных заслонок расчеканьте по контуру винты на специальном приспособлении, исключающем деформацию осей заслонок.

3. Безопасная организация труда

В целях предупреждения несчастного случая каждый рабочий в процессе производства обязан руководствоваться технологической инструкцией, соблюдать правила техники безопасности и пожарной безопасности, изложенные в настоящей инструкции, а администрация обязана обеспечить рабочие места всем необходимым для безопасного производства работ и создать при этом нормальные условия труда

Техника безопасности при проведении технического обслуживания автомобиля

. Рабочее место содержать в чистоте и порядке. Пролитые нефтепродукты засыпать чистым песком, затем убрать их и насухо вытереть следы жидкости. Обтирочный материал собирать в железный ящик с плотной крышкой.

. Снимаемые агрегаты тщательно очистить и оттереть, чтобы было удобно их разбирать.

. Во время работы запрещается становиться на подвижные колеса и другие неустойчивые части машины.

. Цилиндры и поршни нельзя класть на край стола или верстака.

. Разбирать или собирать агрегаты в подвешенном состоянии запрещается.

. При демонтаже или монтаже упругих спиральных пружин пользуются специальными съемниками, предупреждающими вылет пружины.

Заключение

В работе рассмотрены устройство и принцип работы, особенности технического обслуживания, диагностики и ремонта, а также проанализированы основные неисправности, деталировка и особенности сборки и разборки системы питания карбюраторного двигателя.

Список используемой литературы

1. Крамаренко Г.В. Техническая эксплуатация автомобилей. М., Автотрансиздат, 1962.

2.      Румянцев С.И., Боднев А.Г., Бойко Н.Г., и др.; Ремонт автомобилей. Учебник для автотрансп. техникумов. Под ред. Румянцева.- 2-е изд., перераб. и доп.- М.: Транспорт, 1988. Боровских Ю.И., Буралев Ю.В., Морозов К.А. Устройство автомобилей: Практическое пособие - М.: Высшая школа,1988

.        К.П. Быков, Т.А. Шленчик. Автомобиль ГАЗ-21 и его модификации. Обслуживание и устройство

Похожие работы на - Техническое обслуживание, диагностика и ремонт карбюраторного двигателя

 

Не нашли материал для своей работы?
Поможем написать уникальную работу
Без плагиата!
Без нейросетей!