Телефони в класичних телефонних апаратах
Зміст
Вступ
1. Телефони в класичних телефонних апаратах
2. Удосконалення розмовного тракту класичного ТА
3. Мікротелефонна трубка телефонних апаратів
4. Фрітер - схема захисту слуху від акустичних ударів
5. Телефонний трансформатор (автотрансформатор)
Висновок
Список використаної літератури
Вступ
Під час написання даної курсової роботи на тему
"Телефони в класичних телефонних апаратах, Удосконалення класичного
розмовного тракту класичного ТА, Мікротелефона трубка телефонних апаратів,
Фрітер - схеми захисту слуху від акустичних ударів, Телефонний трансформатор
(Автотрансформатор) " я розкрив багато різних запитань і дізнався багато
цікавого. А особливо такі :
Дізнався про те які бувають телефони в класичних телефонних
апаратах ?
Навчився вдосконалювати розмовні тракти в класичних
телефонних апаратах, методом включення в схеми транзисторів і не тільки ?
З чого складається мікротелефон на трубка, її призначення ?
Дізнався що таке Фрітер, для чого він призначений ?
Які є види телефонних трансформаторів і для чого вони
призначені ?
До складу телефонних апаратів, призначених для роботи в
телефонних мережах, входять такі обов'язкові елементи: мікрофон і телефон,
об'єднані в мікротелефону трубку, викличний пристрій, трансформатор, розділовий
конденсатор, номеронабирач, важільний перемикач. Мікрофон служить для
перетворення звукових коливань мови і електричний сигнал звукової частоти.
Мікрофони можуть бути вугільними, конденсаторними, електродинамічними,
електромагнітними, п'єзоелектричними. Їх можна класифікувати на активні і
пасивні. Активні мікрофони безпосередньо перетворюють звукову енергію в
електричну. У пасивних ж мікрофонах звукова енергія перетворюється в зміну
будь-якого параметра (найчастіше - ємності і опору). Для роботи такого
мікрофона обов'язково потрібно допоміжне джерело живлення.
У масових телефонних апаратах застосовують, як правило,
вугільні мікрофони, в яких під дією звукових хвиль змінюється електричний опір
вугільного порошку, що знаходиться під мембраною. Найбільш широко
використовують мікрофонні капсулі типів МК-10, МК-16, що володіють досить
високою чутливістю (в описуваних пристроях застосовані в основному вугільні
мікрофони). На принципових схемах мікрофон позначають латинськими буквами ВМ.
Телефоном називають прилад, призначений для перетворення
електричних сигналів в звукові і розрахований для роботи в умовах навантаження
на вухо людини. Залежно від конструктивних особливостей телефони поділяють на
електромагнітні, електродинамічні, з диференціальної магнітної системою і
п'єзоелектричні. У телефонних апаратах найбільшого поширення набули телефони
електромагнітного типу. У таких телефонах котушки закріплені нерухомо. Під дією
протікає в котушках струму виникає змінне магнітне поле, що приводить в рух
рухливу мембрану, яка і випромінює звукові коливання. У сучасних телефонних
апаратах застосовують в основному телефонні капсулі типу ТК-67, а в апаратах
застарілих конструкцій - також ТК-47 і ТА-4.
Смуга робочих частот для мікрофонів і телефонів, що
використовуються в телефонних апаратах, становить приблизно 300... 3500 Гц.
На принципових схемах телефон позначають латинськими буквами
BF.
Для зручності користування мікрофон і телефон об'єднані в
мікротелефоній трубці.
Викличний пристрій служить для перетворення сигналу змінного
струму в звуковий сигнал. Застосовують електромагнітні або електронні викличні
пристрої. Перше з них являє собою одно або двох катушечний дзвінок. Звуковий
сигнал утворюється в результаті удару бойка про дзвінкові чашки. Протікає в
котушках струм частотою 16... 50 Гц створить змінне магнітне поле, яке
приводить у рух якір з бойком. Як правило, в телефонних дзвінках використовують
постійні магніти, які створюють певну полярність магніто-провода, тому такі
дзвінки називають поляризованими. Опір обмоток дзвінка постійному струму
становить 1,5... 3 кОм, робоча напруга 30... 50 В. На принципових схемах
дзвінок позначають латинськими буквами НА. Електронний викличний пристрій
перетворює сигнал виклику в звуковий сигнал, який може імітувати, наприклад,
спів птахів. Як акустичного випромінювача при цьому використовують телефон або
п'єзоелектричний викличний прилад ВП-1. Такі викличні пристрої застосовують,
наприклад, у сучасних телефонних апаратах ТА-1131 "Лана", ТА-1165
"Стелла" та ін. Електронні викличні пристрої виконують на транзисторах.
Трансформатор телефонного апарату призначений для зв'язку окремих елементів
розмовної частини і для узгодження їх опорів з вхідним опором абонентської
лінії. Він, крім того, дозволяє усувати так званий місцевий ефект, про що буде
сказано нижче. Трансформатори виготовляють з окремими обмотками або у вигляді
автотрансформаторів.
Розділовий конденсатор служить елементом підключення
викличного пристрою до абонентської лінії в режимі очікування і прийому
виклику. При цьому забезпечується практично нескінченно великий опір
телефонного апарату постійному струму і малий опір - змінному. У телефонних
апаратах застосовують розділювальні конденсатори типів МБМ, К73-П ємністю
0,25... 1 мкФ і на номінальну напругу 160... 250 В.
Номеронабирач забезпечує подачу імпульсів набору номера в
абонентську лінію з метою встановлення необхідного з'єднання. Імпульси служать
для періодичних замикань і розмикань лінії. У сучасних телефонних апаратах
застосовують механічні та електронні номеронабирачі. Дисковий механічний номеронабирач
має диск з десятьма отворами. При обертанні диска за годинниковою стрілкою
заводиться пружина механізму номеронабирача. Після відпускання диска він
обертається у зворотний бік під дією пружини, при цьому відбувається періодичне
розмикання контактів, комутуючих абонентську лінію. Необхідна швидкість і
рівномірність обертання диска досягаються наявністю відцентрового регулятора
або фрикційного механізму. Формування імпульсів при вільному русі диска
забезпечує їх стабільну частоту і необхідний інтервал між імпульсними
посилками, відповідними двом сусіднім цифрам набирається номера. Необхідний
інтервал забезпечується завдяки тому, що число розмикань імпульсних контактів
завжди вибирається на одне-два більше, ніж потрібно подати імпульсів в лінію.
Цим забезпечується гарантована пауза між пачками імпульсів (0,2... 0,8 с). При
цьому зазначені зайві імпульси в лінію надходять, оскільки в цей час імпульсні
контакти шунтуються однієї з груп контактів номеронабирача. Є також контакти,
які замикають телефон при наборі номера, щоб виключити неприємні клацання.
Частота імпульсів, що формуються номеронабирачем, повинна складати (10 ± 1)
імп. / С. Число проводів, що з'єднують номеронабирач з іншими елементами
телефонного апарату, може бути 3 - 5. Електронні номеронабирачі, якими комплектуються багато
сучасних телефонні апарати (наприклад, ТА-5, ТА-7, ТА-101), виконані на
інтегральних мікросхемах і транзисторах. Набір номера здійснюють натисканням
кнопок клавіатури - так званої та статури. Оскільки швидкість натискання кнопок
може бути як завгодно великий, в середньому на наборі однієї цифри номера
економиться 0,5 с. Крім того, тастатурні номеронабирачі надають користувачам
різні зручності, що економлять час: запам'ятовування останнього набраного
номера, можливість запам'ятовування декількох десятків номерів і ін. Живлення
електронних номеронабирачів здійснюється як від абонентської лінії, так і від
мережі напругою 220 В через блок живлення. Важільний перемикач забезпечує
підключення до абонентської лінії викличного пристрою телефонного апарата в
неробочому стані (мікротелефона трубка лежить) і розмовних кіл або
номеронабирача в робочому стані (трубка знята). Важільний перемикач являє собою
групи з декількох перемикаючих контактів, що спрацьовують при знятті телефонної
трубки. Крім перерахованих елементів до складу телефонного апарату входять
також резистори, конденсатори, діоди, транзистори, що утворюють розмовний
ланцюг апарату.
.
Телефони в класичних телефонних апаратах
Призначення телефону.
Телефон перетворює енергію струму звукової частоти в чутні
звукові коливання. Телефон теоретично може також перетворювати звукові
коливання в електричні, тобто здійснювати зворотне перетворення.
За способом перетворення енергії телефони поділяються на
електромагнітні, електродинамічні і п'єзоелектричні. Всі електромагнітні
телефони можна розділити на три основні групи - з простою, диференціальної і
кільцевої магнітними системами. У телефонного зв'язку широко застосовуються
телефони з простою магнітною системою. Телефони з диференціальної і кільцевої
магнітними системами застосовуються рідше, але мають набагато більші
можливості, ніж перші. Прикладом телефону з простою магнітною системою може
служити телефон ТК-67, а з диференціальної магнітної системою - ДЕМК-7Т
Робота електромагнітного телефону.
Принцип дії заснований на взаємодії магнітних потоків, що
створюються постійним магнітом і електромагнітом телефону. Пристрій
електромагнітного телефону показано на мал. 1. У пластмасовому корпусі 1,
закритому кришкою з отворами 2, укріплена магнітна система.
Мал. 1. Пристрій електромагнітного телефону
-пласмассовий корпус, 2 - кришка, 3 - постійні магніти, 4 -
полюсні надставки; 5 - електрообмотка; 6-мембрана
Склад магнітної системи:
• два напів кільцевих постійних магніту 3 з твердого
магнітного матеріалу;
• полюсні надставки 4, виготовлені з м'якої маловуглецевої
сталі для виключення в них залишкового магнетизму;
"Котушки, надіті на ці надставки, з електрообмотками 5 з
мідних ізольованих проводів. Над магнітною системою розташована тонка металева
мембрана 6.
Мал. 2. Процеси в телефоні з постійним магнітом
Коли в обмотці електромагніта відсутній струм, на мембрану
впливає тільки магніт потік постійного магніту.
При проходженні по обмотці електромагніту розмовного струму
створюється плавно змінюється по величині і напряму змінний магнітний потік. У
ті напівперіоди, коли магнітний потік, створюваний розмовною струмом,
збігається з магнітним потоком постійного магніту, мембрана притягається
сильніше (на мал. 1. - нижня штрихова лінія, а на мал. 2. - варіант б). Коли ж
напрям магнітного потоку, створюваного розмовною струмом, протилежно магнітному
потоку постійного магніту, тяжіння мембрани слабшає. Внаслідок своєї пружності
мембрана відходить, від сердечника на більшу відстань, ніж у стані спокою (на
мал. 1. - верхня штрихова лінія, а на мал. 2. - варіант в).
Таким чином, за один період розмовного змінного струму, що
проходить по обмотках електромагніту телефону, його мембрана плавно
відхиляється від положення спокою в одну сторону, потім так само плавно в інший
бік і знову займає положення спокою. Отже, мембрана коливається в обидві
сторони від положення спокою відповідно до зміни струму в обмотках
електромагніту телефону. Передаючи при цьому свої коливання навколишньому
повітрю, мембрана створює звукові коливання, тобто відбувається процес
перетворення електричних коливань в звукові.
Постійний магніт в телефоні необхідний для того, щоб уникнути
спотворення при перетворенні. Дійсно, якщо постійного магніту в телефоні не
буде, то при відсутності струму в обмотках телефону мембрана в стані спокою не
прогинається в сторону полюсних надставок (мал. 3.). Тому при проходженні
змінного струму як в одному, так і в іншому направлені на мембрану буде діяти
тільки сила Е, створювана магнітним потоком Ф ~. Внаслідок цього мембрана двічі
відхилиться від положення спокою в сторону полюсних надставок: у перший раз при
проходженні першого напів періоду змінного струму і вдруге при проходженні
другого напів періоду. Вона здійснить два односторонніх коливання за час одного
повного періоду змінного струму. У результаті цього частота звукових коливань,
відтворюваних телефоном (при відсутності постійного магніту), буде в два рази
більше частоти змінного струму, що протікає по його обмотках.
Конструкція телефонних капсулів.
До 1947 р. застосовувалися розбірні телефони, електромагнітна
система яких кріпилася безпосередньо в гнізді мікротелефону. Сучасні телефони -
все капсульні, що мають більш постійні електроакустичні характеристики, надійну
вологозахисність і легко замінні при ушкодженнях. В експлуатацію входили ТК-47
(1947 р.), ТА-.4 (1961 р.) ВТК-67 (1969 р.), а також імпортні телефонні
капсулі, які від вітчизняних відрізнялися розмірами.
Мал. 3. Процеси в телефоні без постійного магніту
У пластмасовому корпусі 1 капсуля ТК-47 (мал. 4., а)
гвинтами. С укріплена магнітна система телефону, що складається з постійних
магнітів 8, полюсних надставок 4 і каркасів котушок б з обмотками 5 з мідної
ізольованого дроту, з'єднаними послідовно. Один кінець обмотки приєднаний до
контактного гвинта 9, який проходить через центральний отвір в дні корпусу, а
другий кінець - до контактного. Латунному колишу 11, яке укріплене на зовнішній
поверхні дна корпусу 1, гвинтами 10, що проходять через отвори в кільці 11.
Мембрана 3 лежить на боках корпусу 1 і утримується лише силою тяжіння
постійного магніту. Мембрана закрита латунної кришкою 2 з отворами і прокладкою
з Лакотканини, що перешкоджає проникненню вологи всередину капсуля. Латунна
кришка разом з прокладкою завальцовані по краях корпусу.
Телефонний капсуль ТК-47 при відносно великій чутливості
володів великим недоліком: висока чутливість досягалася в основному за рахунок
резолюксні на окремих частотах, інакше кажучи, він нерівномірно відтворював
звукові коливання і, отже, спотворював їх. Цей недолік значною мірою усунуто з
фонном капсулі ТА-4, який виготовлявся вітчизняною промисловістю в 60 - х
роках.
Мал. 4. Конструкція телефонних капсулів ТК-47 (а) і ТК-4 (б): 1 - корпус, 2 - кришка, 3 - мембрана,
4 - полюсна надставка, 5 - електрообмотка, 6-каркас котушки, 7-отвір, 8 -
постійний магніт, 9 - контактний гвинт, 10-гвинт, 11 - латунне кільце.
Телефонний капсуль ТА-4 в розрізі зображений на мал. 4., б.
Його постійний магніт 8, на якому укріплені полюсні надставки 4 із обмотками 5,
запресований в корпусі 1 капсуля. На бортах корпусу 1 лежить мембрана 3,
утримувана силою тяжіння постійного магніту. З 1969 промисловістю випускається
капсуль типу ТК-67 з запресованої в днище електромагнітної системою, пристрій
якого показано на мал. 5.
Мал. 5. Конструкція (а) і зовнішній вигляд (б) складових
частин телефонного капсуля ТК-67: 1 - корпус, 2 - кришки, 3 - мембрана, 4 -
полюсна надставка, 5-електрообмотка, б - каркас котушки, 7 - отвір, 8 -
постійний магніт, 9 - контактні шиї нт, 10 - захисна прокладка, 11 - різьба.
2. Удосконалення розмовного тракту класичного ТА
Підвищити якість телефонного зв'язку
можна, ввівши в схему електромеханічного ТА підсилювачі або замінивши капсуль
старої конструкції на новий варіант. Наведу дві радіоаматорські схеми, зібрані
на дискретних елементах.
Схема № 1. Проста схема телефонного підсилювача
на одному транзисторі.
Мал. 6 Схема телефонного підсилювача
Підсилювач харчується безпосередньо від ланцюгів ТА і не має
вихідного трансформатора, що дозволило зробити пристрій малогабаритним. Змінним
резистором R1 (мал. 6.) регулюють гучність.
Замість нього можна встановити постійний резистор такого самого номіналу, а
паралельно йому підключити тумблер. При замкнутих контактах тумблера посилення
максимальне.
В підсилювачі застосуємо будь транзистор серії МП структури
р-п-р. Постійні резистори - МЛТ-0, 125, змінний - від малогабаритного приймача.
КонденсаторС1 - К50-3, С2 - К50-6. Деталі підсилювача змонтовані на друкованій
платі з фольгованого склотекстоліти, яку розміщують конденсатор С2 встановлюють
безпосередньо в телефонній трубці. Кожен конденсатор С2 встановлюють в положені
"лежачи".
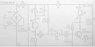
Схема. № 2. Автономний розмовний тракт з живленням від
абонентської лінії.
Мал. 7 Схема автономного розмовного тракту з живленням від АЛ
Автономний розмовний тракт підключають до телефонної мережі
через діодний міст на базі блоків типів КЦ405, КД407 або виконаний з діодів
серій КД102, КД105. Вугільний мікрофон (мал. 7 ) включений за стандартною
схемою послідовно з обмежувальними резисторами R2, R3 і шунтуючим конденсатором С1. Власне телефонний підсилювач виконаний на
транзисторі, включеному за схемою із загальним емітером і навантаженому на
капсуль. Сигнал з АЛ подається на вхід підсилювача через резистор R5, конденсатор С2 і резистори R7, R8. Рівень гучності встановлюють змінним
резистором.
Замість резистора R7 допустимо встановити під лаштування і підібрати їм
оптимальну гучність звуку або взагалі замінити резистори R7, R8 одним постійним, попередньо
підібравши його опір. Живиться
підсилювач від АЛ через фільтр R6, С4. Конденсатор СЗ захищає підсилювач від високочастотних перешкод і
наведень, які можуть виникати в лінії. Придушення місцевого ефекту здійснюється
подачею на вхід підсилювача сигналу мікрофонного ланцюга (в даному випадку з
резистора R3), протифазного сигналу
мікрофона в телефонній лінії. Силу придушення ефекту можна регулювати зміною
опору резистора R4.
3.
Мікротелефонна трубка телефонних апаратів
Мікрофон і телефон для зручності користування об'єднують в
загальний пристрій, звані з мікротелефонною трубкою (МТТ).
Можливі варіанти включення мікротелефонного шнура
представлені на мал. 8, а. Пристрій телефонних трубок деяких класичних ТА
наведені на мал. 9.
Мікротелефонна трубка (МТТ) (зазвичай пластмасова)
складається з рукоятки та двох гнізд. Верхнє гніздо призначено для телефонного
капсуля, закріпленого в ньому закручуваною кришкою (раковиною) з отворами,
нижнє - для мікрофонного капсуля, закріпленого кришкою з отворами, званої
амбушюри.
У мікрофонному гнізді розташовані контактні пружини, якими
капсуль з'єднується з проводами. Мікротелефонного шнура, що підключаються до
затискачів. У телефонних капсулях ТА-4 і ТК-67 відповідні кіли мікротелефонного
шнура приєднуються безпосередньо до затискачів цього капсуля або затискачів
гнізда мікрофона, сполученим з проводами, що проходять в порожнистої рукоятці
мікротелефонної трубки. Усередині порожнистої рукоятки мікротелефону є
прокладка (пробка) з пористої гуми, що перешкоджає виникненню акустичного
зв'язку між телефоном і мікрофоном. У місці виходу шнура з мікротелефонної
трубки на нього надіта еластична трубка, що оберігає шнур від різких перегинів.
Конструкція мікротелефонної трубки забезпечує зручність
користування і захист мікрофонного капсуля від прямого попадання на нього
штаги. У ряді телефонних трубок може бути встановлений підсилювач передачі
(наприклад, ТА-1148, ТА-1166 "Спектр"), На мал. 8, б, приведена схема
мікротелефонної трубки спеціального шахтного телефонного апарату ТАШ-1319. МТТ
забезпечена як підсилювачем прийому-передачі, так і елементами захисту від
іскроутворення і акустичних ударів. Електронна частина розташована в корпусі
МТТ.

Мал. 9 Зовнішній вид і пристрій телефонних трубок деяких ТА
- слухова раковина ; 2 - рукоятка (корпус); 3 - амбушюр ; 4 -
контактні пружини; 5 - пластмасовий ковпачок; 6 - мікрофонний капсуль; 7 -
телефонний капсуль; 8-мікротелефонний шнур; 9 - кришка
.
Фрітер - схема захисту слуху від акустичних ударів
телефонний апарат фрітер автотрансформатор
Клацання і акустичні удари виникають внаслідок різкого
збільшення звукового тиску, що розвивається телефонним капсулем при високих
імпульсних напругах, поступають на вхід ТА при несприятливих умовах його
роботи. Фрітер знижує рівень гучності (зменшує приголомшуюче дію) на коротких
лініях. Клацання і тріски можуть виникати за рахунок поганої регулювання
контактів ПН, в результаті короткочасних різке зростання опору в контактах
шукачів, при вітрах гнучких шнурів і в інших випадках.
Фрітер має здатність пропускати струм симетрично в обох
напрямках, але його опір залежить від величини напруги. Чим більша напруга,
підведене до фрітер у, тим менше його опір, і, навпаки, при малих напругах його
опір великий. При цьому опір змінюється значно більше, ніж управляє їм напруга.
Такі властивості досягаються за допомогою двох діодів, включених паралельно
назустріч один одному. Крім того, в якості фрітера можуть використовуватися
певні типи варіаторів і купроксні випрямлячі. Умовне позначення фрітера на
схемах у загальному вигляді зображено на мал. 10, б.
Мал. 10 Схема включення фрітера (а) і його умовні
забезпечення (б).
5.
Телефонний трансформатор (автотрансформатор)
Трансформатор в класичних ТА призначений для переходу від
двох провідної схеми АЛ до чьотирьох провідної схеми. ТА, для зв'язку окремих
елементів розмовної частини схеми, узгодження їх опорів з вхідним опором лінії
і ослаблення місцевого ефекту. Крім того, він застосовується для відділення
ланцюга живлення мікрофону від мети змінного струму телефону, так як
проходження по обмотках електромагнітів телефону постійного струму може
призвести при певному напрямі струму до розмагнічування постійних магнітів і
зменшення чутливості телефону. Застосування телефонного трансформатора сприяє
також зменшенню впливу протяжності лінії на якість телефонної передачі,
підвищенню напруги розмовного струму і погодженням внутрішнього опору мікрофона
з опором лінії. Все це сприяє поліпшенню якості та збільшенню дальності
телефонної передачі. Найчастіше його підключають паралельно обмотці телефону
(мал. 10, а). У цьому випадку він діє як обмежувач напруги, тому що при
зростанні напруги понад певної величини опір фрітера різко знижується і стає
настільки менше опору обмотки телефону, що більша частина струму проходить
через фрітер. У класичних ТА фрітер розміщується разом з капсулем в MIT або в
корпусі ТА. Властивості фрітера використовують також для автоматичного
регулювання посилення розмовних струмів як при прийомі, так і при передачі.
Мал. 11. Пристрій низькочастотного згласуючого трансформатора
:
- каркас;
- обмотки; 3 - сердечник;, II - висновки обмоток ТІ і ТП
Мал. 12. Типи пластин сердечників телефонних трансформаторів
а - О - образні стрижневого типу; б - Г-подібні стрижневого
типу; в - Ш - образні броньового типу.
У класичному ТА застосовується низькочастотний узгоджувальний
трансформатор. Він складається з порожнистого пластмасового або пресшпанового
каркаса з обмотками з мідного дроту з емалевою ізоляцією (мал. 11). Сердечники
телефонних трансформаторів збираються з пластин листової трансформаторної
сталі. Товщина пластин - 0,2... 0,35 мм. Типи пластин сердечників показані на
мал. 12. У класичних ТА зазвичай застосовуються трансформатори з сердечниками
стрижневого типу, що мають О-подібну форму з просічкою (мал. 12, а) або
Т-подібну форму (мал. 12, б). У деяких ТА застосовуються трансформатори з
броньовими сердечниками (мал. 12, в), які часто називаються Ш - образними.
Пластини ізольовані один від одного шаром лаку.
Трансформатори містять зазвичай три обмотки: лінійну,
підключену до лінії; балансних, підключену до балансному контуру; телефонну
(мікрофонну), підключеного до телефону (мікрофону).
У деяких ТА трансформатори містять ще одну або декілька
обмоток, які використовуються в ланцюзі телефону, у схемі балансного контуру
або в схемі автоматичного регулювання посилення (АРУ).
Висновки від обмоток припаюються до затискачів, укріпленим на
щоках котушки. Наочна схема включення обмоток показана на мал. 13, а зовнішній
вигляд на мал. 14.
Трансформатор, що застосовується в ТА, нічим не відрізняється
за принципом дії від трансформаторів, що використовуються в інших
електро-технічних пристроях. Різниця в основному полягає тільки в конструкції і
розмірах, визначених призначенням трансформатора.
При проходженні змінного, або пульсуючого струму по обмотці
ТІ магнітний потік в сердечнику трансформатора змінюється. Внаслідок цього в
обмотці ТІІ інпуцирується мінлива ЕРС, значення якого залежить від магнітного
потоку і співвідношення витків обмоток, тобто від коефіцієнта трансформації.
З електротехніки відомо, що найбільша потужність сприймається
навантаженням від генератора в тому випадку, якщо опір навантаження одно
внутрішньому опору генератора. За допомогою трансформатора можна зробити
узгодження внутрішнього опору генератора (мікрофону) з опором навантаження
(вхідним опором лінії). Це здійснюється вибором відповідного коефіцієнта
трансформації:
n=Zn/Zs
де - повний опір навантаження, тобто вхідний опір лінії, Zг -
опір генератора.
Для економії обмотувального проводи трансформатори часто
замінюють автотрансформаторами. У них на каркас замість окремих обмоток
намотують загальну обмотку і роблять висновки (відгалуження) від певного числа
витків цієї обмотки. Коефіцієнт трансформації автотрансформатора:
для секції n1=(w1+w2)/w1
для секції n2=(w1+w2)/w2
Мал. 13 Схема підключення обмоток трансформатора
Мал. 14 Зовнішній вид і габаритні розміри телефонного
трансформатора
Висновок
У ході написання курсової роботи на тему "Телефони в
класичних телефонних апаратах". Удосконалення класичного розмовного тракту
класичного ТА, Мікротелефона трубка телефонних апаратів, Фрітер - схеми захисту
слуху від акустичних ударів, Телефонний трансформатор (Автотрансформатор)"
я дізнався про те: Які бувають телефони в телефонних апаратах; дізнався як
удосконалювати розмовний тракт ; дізнався що таке мікротелефона трубка і її
будову, по якому принципу робить фрітер; а також, що таке, яку будову, та
призначення в трансформатора. Взагалі телефонний апарат це самий головний винахід людства. Який дав
поштовх до розвитку інших важливих відкриттів. Найголовніший з них це
винайдення Інтернету. Інтернет це всесвітня павутина, яка об’єднує в собі майже
всіх людей, які користуються ним і тих хто не користується. Тут зібрана
інформація про всіх людей нашої планети, про всі відкриття, самі свіжі новини і
так ділі.
Перший прототип сучасного телефону запатентовано в 1876 році
американським винахідником Олександром Белом. Трубка Бела служила почергово і
для передачі і для прийому звуку. Вона не мала дзвінка, а виклик абонента
відбувавався через трубку за допомогою свистка. Дальність дії такого приладу не
перевищувала 500 метрів. На першість у винаході телефону, окрім Бела,
претендувало близько трьох десятків вчених, серед яких були Мак Доноут, Едісон,
Грей, Долбір, Блейк, Ірвін і Фелькер. Це призвело до виникнення низки судових
процесів у США, які лише підтвердили колективність винаходу, визнавши за
різними винахідниками першість за окремими пунктами.
З часу винайдення телефону в ньому було багато змін.
Змінювались розміри, форми та можливості. Але саме головне залишилось. Це
здатність придавати звукові сигнали різної форми на далекі відстані за короткий
проміжок часу.
Список
використаної літератури
1. Давыдовский В.М. - Телефонные апараты и коммутаторы МБ и ЦБ. - М:
Связбиздат,1942
2. ГОСТ 7153-85 Аппараты телефонные общего применения. Общие технические
условия.
. Дубровский Е. П. - Абонентские устройства городских
телефонных сетей. Справочник. - М.: Радио и связь, 1986.
. Кизлюк А И. - Справочник по устройству и ремонту
телефонных аппаратов зарубежного и отечественного производства. - М.: Антелком,
1998.
. Корякин-Черняк С. Л., Котенко Л. Я. - Телефонные
сети и аппараты. - К., СПб: Наука и Техника, 1998.
. Пономаренко А. А., Корякин-Черняк С. Л. - Телефоны,
АОНы, радиотелефоны. - М., К.: Наука и Техника, Солон, 1995.
. Микросхемы для современных импортных телефонов.
Справочник. - М.: Додзка, 1998.
. Гурин А.С. и др. - Телефонния - М: Воениздат,1963... Городская телефонная связь - М:Радио
и связь,1987.