Расчет системы передачи дискретных сообщений
Министерство
Образования Российской Федерации
Уфимский
Государственный Авиационный Институт
Кафедра
Телекоммуникационных Систем
Курсовая
работа по ТЭС
Расчет
системы передачи дискретных сообщений
ЗАДАНИЕ НА
КУРСОВУЮ РАБОТУ
по курсу
"ТЕОРИЯ
ЭЛЕКТРИЧЕСКОЙ СВЯЗИ"
Рассчитать основные характеристики
системы передачи сообщений (рис.1), включающий в себя источник сообщений (ИС),
дискретизатор (Д), кодирующее устройство (Кодер), модулятор (Мод), линия связи,
демодулятор (Дем), декодер (Дек) и фильтр-восстановитель (ФВ).
Рис.1
Исходные данные
amin = - 12,8 B;
amax = 12,8 B;
Fc = 104 Гц;
j = 126;
i = 3;
Вид модуляции АМ;
N0 = 1,45*10-7B2/Гц;
Способ приема некогерентный.
Источник сообщений
Источник сообщений
выдает сообщение а (t), представляющее собой
непрерывный стационарный случайный процесс, мгновенные значения которого в
интервале а min
a max распределены равномерно, а мощность сосредоточена в полосе частот
от 0 до Fc.
Требуется:
1. Записать аналитические выражения и построить график одномерной
плотности вероятности мгновенных значений сообщения а (t).
2. Найти мат. ожидание и
дисперсию сообщения а (t)
. Построить график случайного
процесса и на графике обозначить max значение сигнала, математическое ожидание и среднеквадратичное
отклонение.
1)
;
;

)
;
;
3)
;
дискретное сообщение канал связь
Дискретизатор
Передача непрерывного процесса
осуществляется дискретными методами. Для этого сообщение а (t) дискретизируется по времени и
квантуется по уровню с равномерным шагом. Шаг квантования по уровню Dа= 0,1В.
Требуется:
. Определить шаг
дискретизации по времени (Dt).
2. Определить число уровней
квантования (L).
. Рассчитать среднюю мощность
шума квантования.
. Рассматривая дискретизатор
как источник дискретного сообщения с объемом алфавита L, определить его энтропию и
производительность (Н, Н’), отсчеты, взятые через интервал Dt считать независимыми.
1)
;
2)
;
)
;
)
Так, как p (a1)
= p (a2)
=…= p (ai),
что
;
Следовательно
;
.
Кодер
Кодирование
осуществляется в два этапа.
Первый этап:
Производится примитивное
кодирование каждого уровня квантованного сообщения k
- разрядным двоичным кодом.
Второй этап:
К полученной k
- разрядной двоичной кодовой комбинации добавляются проверочные символы,
формируемые в соответствии с правилами кодирования по коду Хэмминга.
В результате этих
преобразований на выходе кодера образуется синхронная двоичная случайная
последовательность b (t) (синхронный случайный телеграфный сигнал), состоящая из
последовательности биполярных импульсов единичной высоты, причем положительные
импульсы в ней соответствуют символу "0", а отрицательные - символу
"1" кодовой комбинации.
Требуется:
1. Определить число разрядов
кодовой комбинации примитивного кода k, необходимое для кодирования всех L уровней квантованного сообщения.
2. Определить избыточность
кода при использовании кодирования Хэмминга.
. Записать двоичную кодовую
комбинацию, соответствующую передаче j-го уровня, считая, что при примитивном кодировании на первом
этапе j-му уровню ставится в соответствии двоичная кодовая комбинация,
представляющая собой запись числа j в двоичной системе счисления. В полученной кодовой комбинации
указать информационные и проверочные разряды.
. Определить число двоичных
символов, выдаваемых кодером в единицу времени Vn и длительность
двоичного символа T.
1)
;
;
;
;
)
)
j=54; Его двоичная комбинация:
1 0 1 1 0
В результате получаем
кодовую комбинацию: 1100110000;
)
;
.
Модулятор
В модуляторе синхронная
двоичная, случайная последовательность биполярных импульсов b (t) осуществляет модуляцию
гармонического переносчика
Um = cos (2πft), (Um=1В,
f = 100 Vk)
В зависимости от
варианта возможны три вида модуляции:
1. Амплитудная модуляция (АМ).
При АМ "0" соответствует сигнал U1 (t) = 0, символу "1" - U2 (t) = Um cos (2πft).
2. Частотная модуляция (ЧМ).
"0" - U1 (t) = Um cos2π (f-∆f) t;
"1" - U2
(t) = Um cos2π (f+∆f) t.
. Фазовая модуляция (ФМ). "0" - U1 (t) = Um cos2πft;
"1" - U2
(t) = Um cos (2πft+π) = - Um cos (2πft).
Требуется:
1. Записать аналитическое
выражение модулированного сигнала U (t) =φ (b (t)).
2. Изобразить временные
диаграммы модулирующего b (t) и модулированного U (t) сигналов, соответствующие передачи j-го уровня сообщения a (t).
. Привести выражение и
начертить график корреляционной функции модулирующего сигнала В (τ).
. Привести выражение и
начертить график спектральной плотности мощности модулирующего сигнала GВ
(ω).
. Определить ширину
энергетического спектра модулирующего сигнала ∆FB из условия ∆FB=αVk (где α выбирается в пределах от 1 до 3). Отложить полученное значение ∆FB на графике GВ
(ω).
. Привести выражение и
построить график энергетического спектра Gu (ω) модулированного
сигнала. (В случае ЧМ частоты сигналов U1 (t) и U2 (t) выбирать из условия их
ортогональности на интервале Т).
. Определить ширину
энергетического спектра ∆Fu модулированного сигнала и отложить значение ∆Fu на графике Gu (ω).
1)
;
При амплитудной
модуляции
2)
;
;
4)
,
График спектральной
плотности мощности модулирующего сигнала GВ (f):
)
;
) График спектральной
плотности мощности модулированного сигнала GВ (f).:
)
Канал связи
Передача сигнала U (t) осуществляется по
каналу с постоянными параметрами и аддитивным флуктуационным шумом n (t) с равномерным
энергетическим спектром N0/2
(белый шум).
Сигнал на выходе такого
канала можно записать следующем образом:
z (t) = U (t) + n
(t)
Требуется:
1. Определить мощность шума в
полосе частот Fk = ∆Fu;
2. Найти отношение сигнал -
шум Рс /Рш;
. Найти пропускную
способность канала С;
. Определить эффективность
использования пропускной способности канала Кс, определив ее как
отношение производительности источника Н’ к пропускной способности
канала С.
1)
;
)
,
где
и
;
;
;
;
;
Так как
,
поэтому
;
;
;
)
;
)
.
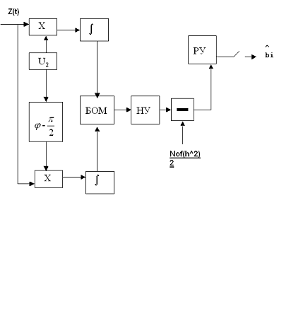
Демодулятор
В демодуляторе
осуществляется оптимальная когерентная или некогерентная (в зависимости от
варианта) обработка принимаемого сигнала z
(t) = U (t) + n (t)
Требуется:
1. Записать алгоритм
оптимального приема по критерию минимума средней вероятности ошибки при равновероятных
символах в детерминированном канале с белым гауссовским шумом.
2. Нарисовать структурную
схему оптимального демодулятора для заданного вида модуляции и способа приема.
. Вычислить вероятность
ошибки ρ оптимального
демодулятора.
. Определить, как нужно
изменить энергию сигнала, чтобы при других видах модуляции и заданном способе
приема обеспечить найденное значение вероятности ошибки ρ.
1) Если
,
то принятым считается сигнал
.
Если
,
то принятым считается сигнал
.
Здесь
модифицированная
функция Бесселя первого рода нулевого порядка;
сигнал, сопряженный по
Гильберту.
)
)
;
где
отношение средней
энергии сигналов на входе демодулятора к спектральной плотности мощности шума.
Декодер
В декодере декодирование
осуществляется в два этапа. На первом этапе производится обнаружение и
исправление ошибки в кодовой комбинации. Считать, что ошибка произошла в i-ом разряде. На втором этапе из нее выделяются информационные
символы, а затем k - разрядная двоичная
кодовая комбинация преобразуется в элемент квантованного сообщения.
Требуется:
1. Оценить обнаруживающую
способность q0 кода Хэмминга.
2. Записать алгоритм
обнаружения ошибок.
. Определить вероятность
необнаружения ошибки.
1)
;
Наш код исправляет одну
ошибку
и
обнаруживает
ошибки.
) Кодовая
последовательность: 011111111000.
i=3
кодовая
последовательность с ошибкой: 011111111100.
)
;
;
n
- число разрядов,
;
р - вероятность ошибки в
одном разряде,
;
;
Фильтр - восстановитель
Фильтр-восстановитель -
фильтр нижних частот с частотой среза Fc.
Требуется:
1. Указать величину Fc.
2. Изобразить идеальные АЧХ и
ФЧХ фильтра - восстановителя.
. Найти импульсную
характеристику g (t) идеального фильтра - восстановителя и начертить ее график.
1)
;
) Идеальная АЧХ фильтра
- восстановителя имеет вид:
Идеальная ФЧХ:
)
.