Расчет шахтной подъемной установки
Министерство
образования и науки Республики Казахстан
Карагандинский
государственный технический университет
Кафедра Автоматизации
производственных процессов
ПОСОБИЕ
К
выполнению курсового проекта на тему:
«Расчет
шахтной подъемной установки»
для студентов
специальностей
330840
"Электропривод и автоматизация технологических комплексов"
050718»Электроэнергетика»
Разработали: проф. И.В.Брейдо;
преп. Лапина Л.М.
Караганда
2005г.
СОДЕРЖАНИЕ
1.
ВЫБОР ЭЛЕКТРОДВИГАТЕЛЯ, РАСЧЕТ ПЕРЕГРУЗОК И ТАХОГРАММЫ
.1
Расчет и выбор приводного электродвигателя
.2
Кинематика подъема
.3
Расчет движущих усилий
.4
Определение эквивалентного усилия
.5
Проверка двигателя по условиям нагрева
.
ВЫБОР СИЛОВОГО ОБОРУДОВАНИЯ
.
ВЫБОР ЭЛЕМЕНТОВ СИСТЕМЫ АВТОМАТИЧЕСКОГО РЕГУЛИРОВАНИЯ
.1
Задатчик скорости
.2
Задатчик интенсивности
.
СОСТАВЛЕНИЕ СТРУКТУРНОЙ СХЕМЫ САР
.
СИНТЕЗ САР
.
ПРИНЦИП ДЕЙСТВИЯ САР
СПИСОК
ИСПОЛЬЗОВАННОЙ ЛИТЕРАТУРЫ
1. ВЫБОР ЭЛЕКТРОДВИГАТЕЛЯ, РАСЧЕТ
ПЕРЕГРУЗОК И ТАХОГРАММЫ
.1 Расчет и выбор приводного электродвигателя
Исходным этапом курсового проектирования
является обоснование и выбор системы автоматизированного электропривода.
Для решения этой задачи обычно принимают
несколько возможных вариантов и производят параллельные расчеты. Затем на
основании критериев, учитывающих технико-экономические показатели вариантов,
выбирают наилучший вариант.
Отсутствие нормативно-справочной документации,
доступной для широкого пользования, заставляет несколько отойти от традиционной
методики проектирования, существенно уменьшив количество показателей,
учитываемых при сравнении вариантов. Основным показателем будет мощность
приводного двигателя.
Системы привода с двигателями постоянного тока
рационально строить по схеме «Тиристорный преобразователь - двигатель» для
всего диапазона мощностей серийно выпускаемых преобразователей и только при
отсутствии серийных тиристорных преобразователей на большую мощность, применять
систему «двигатель - генератор - двигатель».
Ориентировочно, мощность двигателя
подсчитывается по формуле [5]:
, (1.1)
где Fс.ср.=0.9Fmax - среднее
статическое усилие за цикл.
- КПД редуктора, который принимают
равным 0,98 - для одноступенчатого и 0,97 - для двухступенчатого.
Определяем частоту вращения
приводного двигателя [5]
, (1.2)
где Vmax -
максимальная установившаяся скорость подъема, м\с
DE - диаметр
барабана подъемной машины, м
i-
передаточное число редуктора.
Определяем линейную скорость двигателя
(1.3)
где:
- радиус инерции, м.
- радиус цилиндра, м.
По каталогу, ориентировочно
подбираем двигатель, по ближайшим значениям мощности и частоты вращения [2].
Характеристики выбранного двигателя необходимо привести в таблице.
1.2 Кинематика подъема
Определение ускорения, времени и
перемещения на каждом из участков движения. Построение диаграммы скорости
[1].
участок 1
Определяем время выхода из
разгрузочных кривых.
, (1.4)
где SР.К. - путь в
разгрузочных кривых
V0 - скорость
выхода из разгрузочных кривых.
Определяем величину ускорения в
разгрузочных кривых.
(1.5)
участок 2
Рассчитываем продолжительность
периода нормального ускорения.
(1.6)
a2 - основное
ускорение
Определяем путь, пройденный в период
основного ускорения.
участок 3
Определяем продолжительность периода
основного замедления
(1.7)
a4 - основное замедление
Определяем путь основного замедления
(1.8)
участок 5
Определяем время движения в
разгрузочных кривых при замедлении
VВ - скорость
входа в разгрузочные кривые.
Определяем значение замедления при
движении в разгрузочных кривых.
(1.10)
участок 3
Определяем путь основного этапа
подъема
, (1.11)
где Н - высота подъема.
Вычисляем время движения на основном
этапе подъема
(1.12)
Рассчитываем время цикла полного
подъема
(1.13)
Используя полученные значения
начертить диаграмму скорости.
1.3 Расчет движущих усилий
электродвигатель автоматический
тахограмма перегрузка
Строим статическую диаграмму усилий по Fmax.
ст.и Fmin
ст..
Fmin
ст.= 0.8Fmaxст.
(1.14)
Определение динамических усилий проводим по
формуле:
Fдин.i
=
mпр.ai.
(1.15)
mпр.=
mпр.ред +
mпр.дв
+ mпр.бар.+
mпр.ср.
- приведенная масса системы.
- приведенная масса редуктора.
- приведенная масса барабана.
mср. -
приведенная масса поступательно движущихся частей
aI - ускорение
на соответствующих участках.
Определяем динамическое усилие на
каждом из участков, строим диаграмму динамических усилий.
Затем, произведя графическое
сложение строим диаграмму движущих усилий. (результаты вычислений рекомендуется
занести в таблицу)
|
t,c
|
,м\с , тFст., кНFi = Fст i+
|
|
|
|
|
|
|
|
|
|
.4 Определение эквивалентного усилия
По диаграмме усилий находим усилия в точках
изменения режимов движения (из таблицы сверху взять все значения для Fi),
и вычисляем эквивалентное время по формуле:
ТЭКВ = 0.5(t1+t2+t4+t5)+t3+0.33t6,
(1.16)
где 0,5 и 0,33 - коэффициенты, учитывающие
условия охлаждения, при вращающемся электродвигателе и во время паузы.
Эквивалентное усилие находим по формуле:
(1.17)
.5 Проверка двигателя по условиям
нагрева
Осуществляем проверку двигателя по
условиям нагрева:
< Р0 (1.18)
Проверяем двигатель на возможность
преодоления максимальной статической нагрузке при допустимой потере напряжения
в сети 5 -7 %. При этом должно выполняться условие: FДmax > FСЭ
, (1.19)
где GП - масса
поступательно движущихся частей, кг,
FСМАХ -
максимальное статическое усилие.
2. ВЫБОР СИЛОВОГО ОБОРУДОВАНИЯ
По номинальной скорости двигателя
выбираем тахогенератор,
Найдем максимальное напряжение,
которое он обеспечивает на выходе
(2.1)
С учетом номинального напряжения и
тока электродвигателя принимаем тиристорный преобразователь (нереверсивный).
Для питания тиристорного преобразователя необходимо выбрать трансформатор.
Для сглаживания пульсаций
выпрямленного тока в главной цепи привода по схеме ТП - Д выбираем
реакторы.
Для защиты привода по системе ТП-Д
от перегрузок и коротких замыканий в цепи постоянного тока, в соответствии с
номинальным током двигателя и номинальным напряжением тиристорного
преобразователя, необходимо выбрать автоматический выключатель.
Для питания обмотки возбуждения
выбираем реверсивный тиристорный преобразователь [8,9]. Для питания ТП также
необходимо выбрать трансформатор.
Для измерения скорости необходимо
выбрать тахогенератор.
3. ВЫБОР ЭЛЕМЕНТОВ СИСТЕМЫ
АВТОМАТИЧЕСКОГО РЕГУЛИРОВАНИЯ
.1 Задатчик скорости
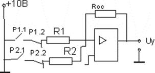
Задатчик скорости (ЗС) (рисунок 1)
осуществляет следующие функции: задание направления вращения и величины частоты
вращения подъемного электродвигателя, выработку малого по величине ступенчатого
задающего сигнала на вход регулятора скорости (РС), минуя задатчик
интенсивности (ЗИ), для ускоренного нарастания тока силовой цепи при снятии
рабочего тормоза, выработку сигнала о наличии задания на индикатор напряжения
[6].
Принимаем при максимальной скорости
подъема VMAX входное
напряжение UВХ равное 10
В. Затем зададимся сопротивлением обратной связи RОС (100 кОм,
50 кОм) и коэффициентом усиления по напряжению КУ=1.
Исходя из этого, зададимся
следующими соотношениями:
UВЫХ i= KV×Vi, (3.1)
где:
коэффициент пропорциональности
между скоростью и напряжением.

(3.2)
Рисунок 1 Задатчик скорости
Результаты вычислений необходимо
свести в таблицу
Переключение обмоток реле и соответственно
изменение скорости осуществляется командным аппаратом КАР
3.2 Задатчик интенсивности
Задатчик интенсивности ЗИ обеспечивает
формирование программы изменения выходного напряжения заданной скорости в
соответствии с требуемой диаграммой скорости подъемной машины. Он разворачивает
во времени скачкообразный входной сигнал по оптимальному закону,
представляющему собой чередующиеся участки парабол и прямых линий,
соответствующих допустимым уровням рывка и ускорения. Задатчик интенсивности
включает в себя блок ограничения, интегратор и инвертор и обеспечивает линейное
изменение ускорения [6].
Затем зададимся сопротивлениями RВХ1
= RОС
=
10 кОм,
RВХ3
= RОС
= 10кОм

Примем коэффициент усиления КУ = 10.
Тогда при СОС = 1мкФ:
Исходя из условий задания напряжения
зададимся следующими соотношениями:
где:
коэффициент пропорциональности
между ускорением и напряжением
Значение напряжения управления,
подаваемое на диодный мост V1-V4,
составляет интенсивность изменения сигнала скорости, т.е. ускорение. Схема
задания ускорения аналогична схеме задания скорости.
Рисунок 3 Схема задания ускорения
Исходя из условий задания
напряжения, зададимся следующими соотношениями:
, где
-
коэффициент пропорциональности между
ускорением и напряжением
Задание напряжения, соответствующего
i-тому
ускорению производится аналогично с задатчиком скорости.
Результаты расчета свести в таблицу
4. СОСТАВЛЕНИЕ СТРУКТУРНОЙ СХЕМЫ САР
Система автоматического регулирования выполнена
по принципу подчиненного регулирования [5]. Математическое описание силовой
цепи представлено ниже:
(4.1)
На основе этой модели составляем
структурную схему (рисунок 4).
где:
- электромагнитная постоянная
времени якорной цепи.
- механическая постоянная времени
якорной цепи.
- сопротивление обмотки якоря и
обмотки возбуждения.
- коэффициенты передачи ТП и ТВ.
- коэффициент пропорциональности
между потоком и током возбуждения.
-регуляторы скорости, тока якоря и
тока возбуждения.
- конструктивные постоянные
двигателя.
5. СИНТЕЗ САР
Для синтеза подчиненной системы
автоматического регулирования ориентируемся на типовую схему управления
приводом ТП-Д, представленной на рисунке 5. Для синтеза регуляторов скорости и
тока примем следующие постоянные времени выпускаемых двигателей шахтных
подъемных машин серии П: ТЯ = 0.08с, ТВ = 1.5с., Тм
= 4. Постоянные времени тиристорных преобразователей (ТП): Тm=ТmВ = 0.02с.
Синтез системы необходимо проводить
по контурам, начиная с внутреннего контура - контура тока якоря двигателя.
При синтезе системы автоматического
регулирования следует вывести передаточные функции объектов, привести
структурные схемы контура тока, контура тока возбуждения, контура скорости принципиальную
схему ПИ-регулятора и П - регулятора скорости
6. ПРИНЦИП ДЕЙСТВИЯ САР
В курсовом проекте должна быть
приведена функциональная схема САУ привода ТП - Д с реверсом преобразователя,
ее принцип действия.
СПИСОК ИСПОЛЬЗОВАННОЙ ЛИТЕРАТУРЫ
1.
Калашников Ю.Т. и др. Электрооборудование шахтных подъемных машин. М.: Недра,
1987
.
Вешеневский С. Н. Характеристики двигателей в электроприводе. М.: Энергия,
1967, 1977
.
Соколов М.М. Автоматизированный электропривод общепромышленных механизмов. М.:
Энергия, 1976
.
Киричок Ю.Г., Чермалых В.М. Привод шахтных подъемных установок большой
мощности. М.: Недра, 1972
.
Чиликин М.Г. Общий курс электропривода. М.: Энергия, 1971
.
Мартынов М.В., Переслегин Н.Г. Автоматизированный электропривод в горной
промышленности. М.: Недра, 1969
.
Толпежников Л.И. Автоматизация подземных горных работ. М.: Недра, 1976
.
Динкель А.Д., Католиков В.Е. , Петренко В. И., Ковалев Л.М. Тиристрный
электропривод рудничного подъема. М.: Недра, 1977
.
Солодухо Я.Ю. и др. Тиристорный электропривод постоянного тока. М.: Энергия,
1971
.Аптер
Э.М., Жемеров Г.Г., Левитан И.И., Элькин А.Г. Мощные управляемые выпрямители
для электроприборов постоянного тока. М.: Энергия, 1975