Расчёт гидропривода тормоза однобарабанной шахтной подъемной машины
Министерство образования и науки Украины
Донецкий
национальный технический университет
Кафедра
"Энергомеханические системы"
Курсовая работа
По дисциплине: "Гидравлика и гидропривод"
Тема работы: Расчёт
гидропривода тормоза однобарабанной шахтной подъемной машины
Выполнил ст. гр. Мех-08б
Нестеренко Д.Е.
Руководитель работы Яковлев В.М.
Донецк - 2010
Реферат
Курсовая
работа содержит: 20 лист, 2 рисунка, 1 таблица.
Объект исследования –
гидропривод тормоза однобарабанной шахтной подъемной машины.
Цель
работы: разработать гидравлическую схему гидропривода тормоза однобарабанной
шахтной подъемной машины.
В данной
курсовой работе производится разработка и исследование гидропривода -
составлена принципиальная гидравлическая схема, выбран насос; выбрана рабочая
жидкость, рассчитаны трубы гидролиний и потери давления в них.
Гидролиния,
насос, диаметр поршня, гидроцилиндр, абсолютное давление
Содержание
Введение
1. Составление и анализ схем, выбор
давления
1.1 Составление и анализ гидравлической схемы
1.2 Выбор стандартного давления
2. Выбор гидромашин и рабочей жидкости
2.1 Основные технические характеристики гидроцилиндра
2.2 Выбор насосов
2.3 Выбор рабочей жидкости
3. Выбор гидроаппаратуры и вспомогательных устройств
4. Расчет труб гидролиний и потерь давления
4.1 Расчетный диаметр труб
4.2 Расчет толщины стенки трубы
4.3 Потери давления в гидролиниях по длине
4.4 Потери давления в местных сопротивлениях
5. Сила давления на колено трубы
6. Давление срабатывания предохранительного клапана
7. Рабочие режимы насоса
8. Мощность насоса
9. Проверка рабочего режима насоса на кавитацию
10. Эксплуатация и техника безопасности
Выводы
Список источников
Введение
Гидропривод
– это совокупность устройств, предназначенных для приведения в движение машин и
механизмов посредством гидравлической энергии. Обязательными элементами
гидропривода являются насос и гидродвигатель.
К
основным преимуществам гидропривода относятся: возможность универсального
преобразования механической характеристики приводного двигателя в соответствии
с требованиями нагрузки; простота управления и автоматизации; простота
предохранения приводного двигателя и исполнительных органов машин от
перегрузок; широкий диапазон бесступенчатого регулирования скорости выходного
звена; большая передаваемая мощность на единицу массы привода; надежная смазка
трущихся поверхностей при применении минеральных масел в качестве рабочих
жидкостей.
К
недостаткам гидропривода относятся: утечки рабочей жидкости через уплотнения и
зазоры, особенно при высоких значениях давления; нагрев рабочей жидкости, что
требует применения специальных охладительных устройств и средств тепловой
защиты; более низкий КПД (по приведенным выше причинам), чем у сопоставимых
механических передач.
Сейчас
трудно назвать область техники, где бы ни использовался гидропривод.
Эффективность, большие технические возможности делают его почти универсальным
средством при механизации и автоматизации различных технологических процессов.
1. Составление
и анализ схемы, выбор давления
1.1 Составление и анализ
гидравлической схемы
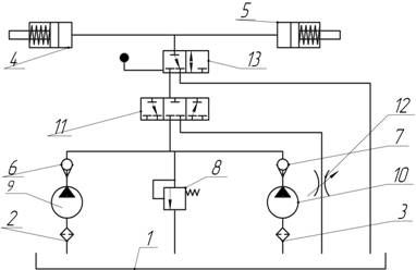
Схема состоит: из бака 1;
фильтров 2, 3; гидроцилиндров 4, 5; обратных клапанов 6, 7; переливного клапана
8; насосов 9, 10; распределителя 11; дроссель 12; реверсивного золотника 13 (рис.
1).
Рисунок 1. Гидравлическая
схема гидропривода
1.2 Выбор стандартного
давления
Стандартные давления
нормализованы ГОСТ 12445-80. Завод изготовитель подъемных машин принимает
давление 1,25 МПа. Более перспективными будут давления 1,6; 2,5 МПа. Принимаем
давление 1,6 МПа.
2. Выбор гидромашин и
рабочей жидкости
2.1 Основные технические
характеристики гидроцилиндра
Расчетный диаметр поршня
где: Р – принятое
стандартное давление;
ηдг,
ηдм – соответственно гидравлический и механический КПД
гидроцилиндра, ηдг
≈ 1,0, ηдм = 0, 95.
м
Стандартный диаметр
поршня Dp принимается ближайший (больший) в
соответствии с ГОСТ 6540-68 и ГОСТ 12447-80. Принимай диаметр поршня равный 140 мм.
Максимальное рабочее
давление гидроцилиндра при расторможении:
.
Па
Максимальный расход
гидроцилиндра:
,
2
где: ηдо –
объемный КПД гидроцилиндра, ηдо = 0,98-0,99.
Рабочее давление при торможении:
,
где: dд – стандартный диаметр штока (применяем шток диаметром
50 мм).
2.2 Выбор насосов
По Qд и Рн = (1,1…1,15)∙Рдо выбираются
однотипные насосы. Рекомендуется шестеренные или пластинчатые насосы с Qн ≥ Qд.
Выбираем шестеренный
насос типа Г11-24А, с техническими характеристиками:
Номинальное давление 2,5
МПа
Номинальная подача 33,4
л/мин
Частота вращения 1440 мин
Объемный КПД 0,84
Полный КПД 0,8
Высота всасывания 0,2 м
2.3 Выбор рабочей
жидкости
Выбираем масло
индустриальное 45, с техническими характеристиками:
Диапазон рабочих
температур -5+60
Вязкость кинематическая
при 50
38-52 мм
/с
Плотность 886-916 кг/м
3. Выбор гидроаппаратуры
и вспомогательных устройств
По соответствующим
расходам и давлениям выбирается гидроаппаратура, фильтры, бак и манометр.
Выбираем приемный фильтр С41-21
с техническими характеристиками:
Номинальный расход 40
л/мин
Номинальная тонкость
фильтрации 160 мкм
Допускаемая потеря
давления 0,008 МПа
Выбираем манометр МТП-100/1-100х2,5.
Манометр трубчатый показывающий, с верхним пределом измеряемого давления равным
4МПа, с классом точности 2,5.
Вместимость бака выбираем
в соответствии с номинальной подачей насоса, равная 40 дм
.
Выбираем обратный клапан
Г51-24 с техническими характеристиками:
Номинальный расход масла 70 л/мин
Номинальное давление 20
МПа
Потеря давления при ном.
расходе 0,2 МПа
Выбираем распределитель ПГ73-35А
с техническими характеристиками:
Расход масла 100 л/мин
Давление номинальное 12,5
МПа
Потери давления при ном.
расходе 0,1 МПа
Реверсивный золотник
Г74-24:
Расход масла 70 л/мин
Рабочее давление 20 МПа
Потеря давления 0,15 МПа
Выбираем переливной
клапан Г54-24:
Расход масла 70 л/мин
Рабочее давление 2,5 МПа
Потеря давления 0,25 МПа
Дроссель типа Г77-14:
Расход масла 70 л/мин
Рабочее давление
5 МПа
Потеря давления 0,3 МПа
4. Расчет труб гидролиний
и потерь давления
4.1 Расчетный диаметр
труб
,
где: Qр – расчетный (максимальный) расход в соответствующей
гидролинии
при рабочем ходе поршня;
Vo – оптимальная скорость рабочей
жидкости;
для напорных гидролиний Vo = 3-5 м/с;
для сливных - Vo = 2-3 м;
для всасывающих - Vo = 0,7-1,2 м/с.
Для напорных гидролиний (Vo = 4)
м
Для сливных гидролиний (Vo = 2)
м
Для всасывающих
гидролиний (Vo = 1)
м
Диаметр труб напорных
гидролиний насосов до тройника принимаются равными диаметру трубы общей
напорной гидролинии.
4.2 Расчет толщины стенки
трубы
Необходимая расчетная
толщина стенки трубы
δр = δ1
+ δ2,
где: δ1 –
часть толщины, обеспечивающая достаточную прочность;
δ2 –
часть толщины, обеспечивающая необходимую долговечность трубы.
Согласно ГОСТ 3845-75
,
где: Рр –
расчетное давление на прочность,
Рр = 1,25 Р (Р
– максимальное давление в соответствующе гидроли- нии;
σдоп –
допустимое напряжение, равное 40 % от временного сопротивле- ния разрыву; для наиболее
распространенных сталей для труб σв = 350-420 МПа;
δ2 –
принять равным 1,0 мм, полагая, что скорость коррозии равна 0,2 мм/год, а срок
службы установки – 5 лет.
м
м
δр=0,00009+0,001=0,00109,
м
Для сливных гидролиний
м
δр=0,00018+0,001=0,00118,
м
По условиям механической
прочности (случайные удары и т.п.) σ ≥ 2 мм. Окончательно внутренний диаметр труб d, наружный
dн и толщину δ выбирают по ГОСТ 8734-78. Наружный
диаметр напорной линии принимаем равный 18 мм, толщина стенки 2 мм; сливной линии – 30´2 мм; всасывающей линии - 30´2 мм.
4.3 Потери давления в
гидролиниях по длине
Расчет ведем при расходе,
соответствующему номинальной подаче насоса. Скорость
жидкости в гидролинии:
.
Для напорных гидролиний
м/с
Для сливных гидролиний
м/с
Для всасывающих
гидролиний
м/с
Потери давления по длине
в участках гидролиний
,
где
λ – коэффициент
Дарси, зависит от числа Рейнольдса;


,

=
Результаты расчета сведем
в таблицу
Таблица 1. Потери
давления в гидролиниях по длине
|
|
d (диаметр)
|
(скорость)
|
Re
|
|
Длина
|
Потери
|
|
Напорн.
|
0,014
|
3,09
|
1443
|
0,052
|
7
|
113802
|
|
После раз.
|
0,014
|
1,55
|
722
|
0,104
|
1
|
8129
|
|
Слив
|
0,026
|
1,79
|
1554
|
0,048
|
7
|
19134
|
|
После раз.
|
0,026
|
0,90
|
777
|
0,097
|
1
|
1367
|
|
Всас
|
0,026
|
0,90
|
777
|
0,097
|
0,1
|
137
|
4.4 Потери давления в
местных сопротивлениях
Потери давления в
коленах, тройниках и т.п. принимается равным (0,2-0,3)ΣΔРдл.
ΣΔРдл
= 113802+19134+137= 122067 Па
ΔР=0,25*122067= 30517 Па
,
где ΔРном
– номинальные (паспортные) значения перепада (потери) давления в аппарате при номинальном (паспортном) расходе Qном.
|
Гидроаппарат
|
Потери,
Па
|
|
Фильтр
С41-21
|
4074
|
|
Обратный
клапан Г51-24
|
33259
|
|
Ревер.
Золотник Г74-24
|
24944
|
|
Распределитель
ПГ73-35А
|
8148
|
|
ДросельГ77-14
|
41574
|
4.5 Полные потери
давления при расчетном расходе
ΔРп =
ΣΔРдл + ΣΔРм.
Па
5. Сила давления жидкости на колено
трубы
Определяем составляющие Rx, Rz и равнодействующую R сил давления в рабочей жидкости на
колено трубы с закруглением 900 в месте наибольшего давления:
.
Для напорных гидролиний
Н
Н
6. Давление срабатывания
предохранительного клапана
Выбирается из условия,
что это давление должно быть большим на 25 % максимального расчетного в месте
установки клапана.
МПа
7. Рабочие режимы насоса
Рабочие режимы насоса при
закрывании и открывании задвижки определяем графически точками пересечения
характеристик насоса Рн = f(Q) и гидросети Рс = f(Q) (рис. 2). Характеристику насоса строим по двум точкам –
и
.
л/мин
Характеристика гидросети растормаживании
Сопротивление гидролинии ответвления

Сопротивление гидролинии
общего участка

Полное сопротивление
гидролинии при растормаживании

Для построения
характеристики
составим таблицу.
Таблица 2
|
Q,
л/мин
|
P,
Па
|
|
0
|
1,61
|
|
5
|
1,62
|
|
10
|
1,64
|
|
15
|
1,67
|
|
20
|
1,72
|
|
25
|
1,79
|
|
30
|
1,86
|
|
35
|
1,96
|
|
40
|
2,06
|
Рисунок 2. Рабочий режим
насоса
8. Мощность насоса
Мощность насоса при растормаживании
Nн.п = РАQA/ηн,
Вт
где: РА, QA - координаты точек рабочего режима
(рис. 2);
9. Проверка рабочего режима насоса на
кавитацию
Условие бескавитационной
работы:
Нвак. доп ≥
Нвак,
где: Нвак. доп
– допустимая вакуумметрическая высота всасывания насоса (по паспорту);
Нвак –
вакуумметрическая высота всасывания гидролинии
,
где: Нв –
геометрическая высота всасывания, определяется условием бескавитационной работы
насосов, чаще всего Нв = - (0,1…0,2) м;
Нф – потери
напора в фильтре.
В том случае, если в
паспорте насоса указана допустимая геометрическая высота всасывания насоса Ндсп
по условию бескавитационной работы должно быть Ндсп ≥ Нв.
м
Т. е. условие
соблюдается.
10. Эксплуатация и техника безопасности
Одним из важнейших
требований, при эксплуатации гидропривода, является чистота рабочей жидкости,
поэтому заливку нужно производить через фильтры.
Контроль уровня при
заливке жидкости обычно осуществляется визуально с помощью уровнемера, встраиваемого
в бак.
Для приводящего
электродвигателя желательно сокращение времени пуска, так как при этом
сокращается время протекания по его обмоткам пускового тока.
Для правильной
эксплуатации гидропривода необходимо иметь график контроля и замены рабочей
жидкости.
Выводы
Разработана
гидравлическая схема гидропривода тормоза однобарабанной шахтной подъемной
машины. Выбран насос шестерной насос типа ГП-24А; рабочая жидкость - масло
индустриальное 45; приемный фильтр Г42-34; обратный клапан Г51-24;
распределитель ПГ73-35А; дроссель
типа Г77-14. Выбраны
диаметры труб и рассчитаны потери давления в них. Рассчитана мощность насоса в
рабочем режиме растормаживания.
Список источников
1. Методические указания к курсовой работе по гидроприводу /
Сост.:
Заря А.Н., Яковлев В.М. – Донецк: ДПИ, 1990 г.
2. Свешников В.К., Усов А.А. Станочные гидроприводы:
Справочник. – М.:
Машиностроение, 1988 г.
3. Стационарные установки шахт / Под общ. ред. Б.Ф.Братченко.
– М.: Недра,
1977 г.
4. Ковалевский В.Ф., Железняков Н.Т., Бейлин Ю.Е. Справочник
по гидроприводам горных машин. – М.: Недра, 1973 г