Расчет вала привода колеса

  • Вид работы:
    Курсовая работа (т)
  • Предмет:
    Другое
  • Язык:
    Русский
    ,
    Формат файла:
    MS Word
    1,83 Мб
  • Опубликовано:
    2012-10-21
Вы можете узнать стоимость помощи в написании студенческой работы.
Помощь в написании работы, которую точно примут!

Расчет вала привода колеса

Министерство Образования и Науки РФ

Государственное образовательное учреждение высшего профессионального образования

Московский Государственный Технический Университет

«МАМИ»

Кафедра «Стандартизация, метрология и сертификация»







РАСЧЁТНО-ПОЯСНИТЕЛЬНАЯ ЗАПИСКА

курсовой работы по дисциплине

«Метрология, стандартизация и сертификация»











Москва 2012

Исходные данные

Обозначение резьбы

М14 - 6Н/6e

№ типа подшипника

2007109

Класс точности

5

Радиальная реакция опоры

14 кН

Осевая нагрузка

3,0 кН

Перегрузка

до 300%

Форма вала

полый

0,76


Наименьший натяг

18 мкм

Наибольший натяг

90 мкм

Номинальные размеры

d = 45 мм d1 = D + 5 d2 = 76 мм

По номеру подшипника (2007109)

d = 45 мм D = 75 мм D1 наим. = D2 наиб. = 118 мм d1 наим. = d2 наиб. = d3 наиб. = 88 мм α = 11-13°

Радиус закругления торцов

r = 1,5 мм r1 = 0,5 мм

Ширина наружного кольца

С = 16 мм

Ширина внутреннего кольца

В = 19 мм

Монтажная высота

Т = 20 мм


Сборочная единица - I

подшипник вал привод

Описание работы сборочной единицы. Вал привода колеса шлицевым соединением сопрягается со стаканом колеса, который вращается в подшипниках. Радиальные и осевые нагрузки воспринимаются двумя радиально-упорными подшипниками, поэтому для распорного кольца выбираем посадку с зазором. Так как вал вращается вместе с циркуляционно-нагруженными внутренними кольцами подшипника , они должны иметь посадку с натягом (неподвижное соединение). Между внутренними кольцами подшипников находится распорное кольцо , дистанционное. В полости подшипников с обеих сторон корпуса расположены сальники, для удержания смазки. Стакан задних колёс болтовым соединением неподвижно закреплён на корпусе задней подвески . Тормозной барабан неподвижно установлен на стакане колеса.

1.  
Расчёт посадок подшипников качения

Вращается вал, нагрузка РR постоянная

1.1 Расчёт посадки в сопряжении внутреннего кольца подшипника со стаканом

1.1.1  Расчёт интенсивности радиальной нагрузки внутреннего кольца подшипника


где Fr - радиальная равнодействующая нагрузка на опору

Рr =

b - рабочая ширина посадочного места (В - ширина кольца, r, r1 - радиусы скругления кромок отверстия)

b = В - (r + r1) = 19 - (1,5 + 0,5) = 17∙ 10-3 м;

k1 = 1,8 - динамический коэффициент посадки, зависящий от характера нагрузки (при перегрузке до 300%);

k2 = 1,7 - коэффициент, учитывающий степень ослабления посадочного натяга;

k3 = 1 - коэффициент неравномерности распределения радиальной нагрузки).

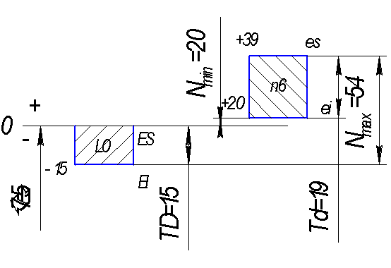
1.1.2  По рассчитанной PR и Ø внутреннего кольца подшипника определяем допуск на вал

PС = 2574 H/м, d = 45 мм è n6.

1.1.3  Определяем отклонения для вала и отверстия внутреннего кольца подшипника

−    для вала (n6) es = + 33 мкм,

ei = + 17 мкм;

−    для отверстия (L5) ES = 0 мкм,

EI = - 8 мкм.

1.1.4  Расчёт предельных размеров

−    для вала  dmax = d + es = 45,033 мм,

dmin = d + ei = 45,017 мм;

−    для отверстия Dmax = D + ES = 45 мм,

Dmin = D + EI = 44,992 мм.

Nmax = es - EI = 41 мкм,= ei - ES = 17 мкм.

1.1.6  Определяем средний натяг

мкм.

1.1.7  Определяем допуск

−    для вала

Td = es - ei =33-17= 16 мкм;

−    для отверстия

TD = ES - EI = 8 мкм.

1.1.8  Определяем допуск посадки

T(N) = TD + Td =16+8= 24 мкм

1.2 Расчёт посадки в сопряжении наружного кольца подшипника со стаканом

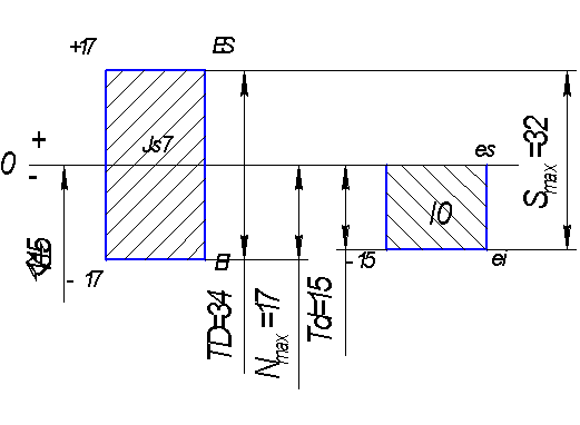
1.2.1  По диаметру наружного кольца подшипника и по типу посадки определяем допуск на отверстие

D = 75 мм, посадка в неразъёмный корпус è Js7.

1.2.2  Определяем отклонения для вала и отверстия наружного кольца подшипника

−    для вала (l5) es = 0 мкм,

ei = - 12 мкм;

−    для отверстия (Js7) ES = 15 мкм,

EI = -15 мкм.

1.2.3  Расчёт предельных размеров

−    для вала  dmax = d + es = 75 мм,

dmin = d + ei = 74,988 мм;

−    для отверстия Dmax = D + ES = 75,015 мм,

Dmin = D + EI = 74,985 мм.

1.2.4 
Посадка переходная, так как поле допуска вала входит в поле допуска отверстия

Smax = Dmax - dmin =75,015 - 74,988 = 0,027 мм,

Nmax = dmax - Dmin = 75 - 74,985 = 0,015 мм.

Smax = ES - ei = 27 мкм,= EI - es = -15 мкм.

1.2.5  Определяем средний зазор

мкм.

1.2.6  Определяем допуск

−    для вала

Td = es - ei = 0-(-12)=12 мкм;

−    для отверстия

TD = ES - EI =15-(-15)=30 мкм.

1.2.7  Определяем допуск посадки

T (SN) = TD + Td = Smax + Nmax = 30+12=27 + 15 = 42 мкм.

2.  
Расчёт гладких цилиндрических сопряжений

2.1     Расчёт посадки в сопряжении корпуса и крышки Ø80

2.1.1 Определяем средний натяг

мкм.

2.1.2 Определяем допуск посадки

Т(N) = Nmax - Nmin = 90 - 18 = 72 мкм.

2.1.3  Определяем величину допуска, приходящуюся на каждую из сопрягаемых деталей

TD = Td =  TN =72/2= 36 мкм.

2.1.4  Выписываем величины допусков для интервала размеров свыше 120 до 140, не превышающих 36 мкм

IT6 = 19 мкм, IT7 = 30 мкм.

2.1.5  Принимаем для осуществления посадки систему отверстий (Н) и записываем предельные отклонения основной детали

−    для IT6 EIH = 0, ESH = +19 мкм;

−       для IT7 EIH = 0, ESH = +30 мкм.

−      

2.1.6  Определяем расчётные предельные размеры неосновной детали (вала)

−    для IT6 ei = ES + Nmin = + 19 + 18 = +37 мкм,

 es = EI + Nmax = 0 + 90 = +90 мкм.

−    для IT7 ei = ES + Nmin = + 30 + 18 = +48 мкм,

 es = EI + Nmax = 0 + 0 = +90 мкм.

2.1.7  Выбираем ряд основных отклонений вала, так чтобы было выдержано условие eiтабл ≥ ES + Nmin

eis = +59 мкм,

eit = +75 мкм.

2.1.8  Рассчитываем верхнее отклонение валов

−    для IT6 ess = eis + ESH = + 59 + 19 = +78 мкм,

est = eit + ESH = +75 + 19 = +94 мкм;

−    для IT7 ess = eis + ESH = + 59 + 30 = +89 мкм,

est = eit + ESH = +75 + 30 = 105 мкм.

2.1.9  Расчёт предельных размеров

−    для вала  dmax = d + es = 80,105мм,

dmin = d + ei = 80,089 мм;

−    для отверстия Dmax = D + ES = 80,030 мм,

Dmin = D + EI = 80 мм.

Предельные натяги в посадке

Nmax = dmax - Dmin = 80,105 - 80 = 0,08 мм = 80 мкм

Допуск посадки с натягом

TN = Nmax - Nmin = 90 - 18 = 72 мкм

Проверка

TN = TD + Td = 36 + 36 = 72 мкм

2.2     Расчёт посадки в сопряжении стакан и барабана Ø76

2.2.1 Определяем отклонения

−    для вала  es = +21 мкм,

ei = +2 мкм;

−    для отверстия ES = +30 мкм,

EI = 0 мкм.

2.2.2  Расчёт предельных размеров

−    для вала  dmax = d + es = 76,021 мм,

dmin = d + ei = 76,002 мм;

−    для отверстия Dmax = D + ES = 76,030 мм,

Dmin = D + EI = 76 мм.

2.2.3  Вероятность получения зазоров и натягов в сопряжении

Smax = Dmax - dmin = ES - ei = 30 - 2 = 28 мкм,

Nmax = dmax - Dmin = es - EI = 21 - 0 = 21 мкм.

В данном сопряжении величина зазора колеблется от 0 до 28 мкм, а величина натяга от 0 до 21 мкм.

2.2.4 Определяем допуск

−    для вала

Td = es - ei = 21- 2 = 19 мкм;

−    для отверстия

TD = ES - EI = 30 - 0 = 30 мкм.

2.2.5 Допуск посадки

Тп = TD + Td = 30 + 19 = 59 мкм.

2.2.6 Среднее квадратическое отклонение размера отверстия

6σD = TD, откуда σD =  TD =  = 5 мкм.

2.2.7 Среднее квадратическое отклонение размера вала

6σd = Td, откуда σd =  Td =  = 3,16 мкм.

2.2.8 Среднее квадратическое отклонение посадки

σп =

т.к. дисперсия события (D = σ2), состоящего из нескольких случайных событий

.

.2.9 Средний зазор (Sm) при средних значениях размеров отверстия (Dm) и вала (dm)

Sm = Dm - dm = 3,5 мкм.

Эта величина определяет положение центра группирования зазоров относительно начала их отсчета.

2.2.10 Вероятность зазоров в пределах 0 - 3,5 мкм определим с помощью нормированного интеграла функции Лапласа Ф(Z), где

Z = = 0,59.

Из таблицы значений функции Ф(Z) находим, что при Z = 0,59 вероятность получения зазоров в пределах от 3,5 до 30 мкм составляет Ф(0,59) = 0,222.

2.2.11 Так как вероятность получения зазоров в пределах от 3,5 до 30 мкм составляет 0,5 (половина площади, ограниченной кривой распределения), то вероятность получения зазоров в данной посадке

P(S) = 0,5 + 0,222 = 0,722 или 72,2%.

2.2.12 Вероятность получения натягов

P(N) = 1 - 0,722 = 0,278 или27,8%.

Предельные величины зазоров и натягов с учётом рассеяния размеров по закону Гаусса определяются по практическим границам кривой рассеяния.

2.2.13 Наибольший вероятный натяг

3 σп - 6 = 3 ∙ 5,91 - 3,5 = 14,23 мкм.

2.2.14 Наибольший вероятностный зазор

3 σп + 6 = 3 ∙ 5,91+ 3,5 = 21,23 мкм.

Вероятностные натяги и зазоры будут меньше предельных на величину половины разности допуска посадки (TD + Td) и поля рассеяния посадки (6 σп)

19,16 мкм.

2.3     Расчёт посадки в сопряжении распорного кольца и стакана Ø45

2.3.1  Определяем отклонения

−    для вала  es = -9 мкм,

ei = -25 мкм.

−    для отверстия ES = +25 мкм,

EI = 0.

2.3.2 Расчёт предельных размеров

−    для вала dmax = d + es = 45 - 0,009 = 44,991 мм,

dmin = d + ei = 45 - 0,025 = 44,955 мм;

−    для отверстия Dmax = D + ES = 45 + 0,025 = 45,025 мм,

Dmin = D + EI = 45 + 0 = 45 мм.

2.3.3  Посадка с зазором, так как размер вала меньше размера отверстия

Smax = ES - ei = 25 + 25 = 50 мкм,= EI - es = 0 +9 = 9 мкм.

2.3.4  Определяем средний зазор

мкм.

2.3.5  Определяем допуск

−    для вала

Td = es - ei = - 9 + 25 = 16 мкм;

−    для отверстия


2.3.6  Определяем допуск посадки

T (S) = TD + Td = 25 + 16 = 41 мкм.

3.  
Расчёт жестких калибров

Рассмотрим на примере посадки Ø45

3.1 Определяем размеры калибров - пробок для отверстия d = 45 мм с полем допуска H7

3.1.1  Основное (нижнее) отклонение отверстия

EI = 0.

3.1.2  Определяем допуск для квалитета 7 в интервалах размеров св. 30 до 50 мм

IT7 = 25 мкм.

Тогда второе (верхнее) отклонение (ES) для Н7

ES = EI + IT7 = 0 + 25 = 25 мкм.

Следовательно, наибольший и наименьший предельные размеры отверстия

dmax = d + es = 45,025 мм.= d + ei = 45 мм,

3.1.3  Для IT7 и интервала размеров 30 - 50 мм находим данные в мкм для расчёта размеров калибров

z = 3,5, Y = 3, H = 4.

3.1.4  Наибольший размер проходного нового калибра - пробки

ПРmax = dmin + z +  = 45 + 0,0035 +  = 45,0055.

Исполнительный размер калибра ПР = 45,0055 - 0,004 мм.

3.1.5 
Наименьший размер изношенного проходного калибра - пробки

ПРизн. = dmin - Y = 45 - 0,003 = 45,997.

Когда калибр ПР будет иметь указанный размер (45,997) его следует изъять из эксплуатации.

3.1.6  Наибольший размер непроходного калибра - пробки (НЕ)

НЕ = dmax +  = 45,025 +  = 45,027 мм.

Исполнительный размер калибра НЕ равен 45,027 - 0,004 мм.

3.2 Определяем размеры рабочих и контрольных калибров для вала диаметром d = 45 мм с полем допуска g6

3.2.1  Находим предельные отклонения

es = -9 мкм,= es - IT6 = - 9 - 16 = - 25 мкм.

Предельные размеры вала

dmax = d + es =44,991 мм,= d + ei = 44,975 мм.

3.2.2  Данные (в мкм) для расчётов размеров калибров

Н1 = 4, z1 = 3,5, Y1= 3, Нр = 1,5.

3.2.3  Наименьший размер проходного нового калибра - скобы

ПРmin = dmax - z1 -  = 44,991 - 0,0035 -  = 44,9855 мм.

Исполнительный размер калибра - скобы

ПРmin = 44,9855 + 0,004 мм.

3.2.4 
Наибольший размер изношенного проходного калибра-скобы

ПРизн. = dmax +Y1 = 44,991 + 0,003 = 44,994 мм.

3.2.5  Наименьший размер непроходного калибра - скобы равен

НЕmin = dmin -  = 44,975 -  = 44,973 мм.

Исполнительный размер калибра - скобы

НЕ = 44,973 + 0,005 мм.

3.2.6  Размеры контрольных калибров

К - ПРmax = dmax - z1 +  = 44,991 - 0,0035 + = 44,98675 мм.

Исполнительный размер калибра

К - НЕmax = dmin +  = 44,975 + = 44,97425 мм.

Исполнительный размер калибра

К - НЕ = 44,97425 - 0,0015 мм.

К - Иmax = Dmax + Y1 +  = 44,991 + 0,003 + = 44,99475 мм.

Исполнительный размер калибра

К - И = 44,99475 - 0,0015 мм.

4. Расчёт резьбового соединения с зазором

Дано резьбовое сопряжение М14 - 6Н/6e,

где D = d = 14 мм,

Р = 2 мм.

4.1 Рассчитываем значения диаметров номинального профиля резьбового соединения

−    Средний диаметр

D2 = d2 = d - 0,6495 ∙ Р = 14 - 0,6495 ∙ 2 = 12,701 мм.

−    Внутренний диаметр

D1 = d1 = d - 1,0825 ∙ Р = 14 - 1,0825 ∙ 2 = 11,835 мм.

4.2 Выбираем основные отклонения диаметров выступов (d и D1) и средних диаметров (d2 и D2)

−    Для наружной резьбы

ese = - 71 мм.

−    Для внутренней резьбы

EIн = 0.

Выбираем допуски на диаметры выступов

Td = 280 мкм, TD1 = 375мкм.

Выбираем допуск на диаметр d2 наружной резьбы

Td2 = 160 мкм.

Выбираем допуск на средний диаметр (D2) внутренней резьбы

TD2 = 212 мкм.


Для наружной резьбы

−    на наружный диаметр d

ei = ese - Td = - 71 - 280 = - 351 мкм,

−    на средний диаметр d2

ei = ese -Td2 = - 71 - 160 = - 231 мкм.

Для внутренней резьбы

−    на внутренний диаметр D1

ES = EIн + TD1 = 0 + 375 = 375 мкм,

−    на средний диаметр D2

ES = EIн + TD2 = 0 + 212 = 212 мкм.

Рассчитываем предельные размеры диаметров резьбового сопряжения

−    для наружной резьбы

dmax = d + es = 14 + ( - 0,071 ) = 13,929 мм,= d + ei = 14 + ( - 0,351 ) = 15,649 мм,max = d2 + es = 12,701 + ( - 0,071 ) = 12,63 мм,min = d2 + ei = 12,701 + ( - 0,231 ) = 12,47 мм,max = d1 + es = 11,835 + ( - 0,071 ) = 11,764 мм.

−    для внутренней резьбы

D1 max = D1 + ES = 11,835 + 0,375 = 12,210 мм,min = D1 + EI = 11,835 + 0 = 11,835 мм,max = D2 + ES = 12,701 + 0,212 = 12,913 мм,min = D2 + EI = 12,701 + 0 = 12,701 мм,= D + EI = 14 + 0 = 14 мм.

4.4
Определяем наибольший и наименьший зазоры по среднему диаметру резьбы

Smax = D2 max - d2 min =12,913-12,47= 0,443 мм = 443 мкм,

Smin = D2 min - d2 max = 12,701 - 12,63 = 0,071 мм = 71 мкм.

Допуск посадки= Smax - Smin = 443 - 71 = 372 мкм.

Проверяем правильность расчёта

TS = Td2 + TD2 = 160 + 212 = 372 мкм.

5. Шлицевое соединение

.1   Исходные данные

Наружный диаметр

D = 32 мкм

Серия

Легкая

Метод центрирования

По b

Характер посадки

С зазором


b - 6 x 28  x 32  x 7

Нецентрирующие диаметры d втулки и вала как известно имеют отклонения по Н11 (втулка) и а11 (вал), что соответствует по СТ СЭВ 145 - 75

ES = +160 мкм ,

es = -300 мкм,

EI = 0;

ei = -430 мкм.


Предельные отклонения нецентрирующего диаметра D втулки при Н11

−    верхнее ES = +160 мкм,

−    нижнее EI = 0.

Предельные отклонения диаметра D вала при а11

−    верхнее es = -310 мкм,

−       нижнее ei = -470 мкм.

Предельные отклонения ширины втулки при D9

−    верхнее ES = +40 мкм,

−       нижнее EI = +62 мкм.

Предельные отклонения толщины зуба b вала при f9

−    верхнее es = -13 мкм,

−       нижнее ei = -35 мкм.

Список использованной литературы

1.            Курс лекций «Взаимозаменяемость, стандартизация, технические измерения и управление качеством»

2.      Якушев А. И. «Взаимозаменяемость, стандартизация и технические измерения», М., «Машиностроение». 1979.

.        Справочник «Допуски и посадки» часть I и II под ред. Мягкова В. Д. Л., «Машиностроение», 1978.

.        ГОСТ 29346 - 82 (СТ СЭВ 145 - 75). Единая система допусков и посадок СЭВ. Общие положения

Схема расположения полей допусков стакана и барабана

Кривая нормального распределения натягов (зазоров) в практических границах рассеяния ± 3 σп

Схемы полей допусков



Эскизы рабочих калибров

Предельные контуры резьбовых профилей с размерами сопряжения М10 - 6G/6h

Похожие работы на - Расчет вала привода колеса

 

Не нашли материал для своей работы?
Поможем написать уникальную работу
Без плагиата!
Без нейросетей!