Разработка технологии монтажа отделителя ОД–220М

  • Вид работы:
    Курсовая работа (т)
  • Предмет:
    Другое
  • Язык:
    Русский
    ,
    Формат файла:
    MS Word
    287,94 Кб
  • Опубликовано:
    2012-11-01
Вы можете узнать стоимость помощи в написании студенческой работы.
Помощь в написании работы, которую точно примут!

Разработка технологии монтажа отделителя ОД–220М

Содержание

1.       Введение

. Характеристика монтируемого оборудования

.1 Назначение и обозначение оборудования

.2 Конструкция оборудования

.3 Принцип действия

.4 Комплектация и основные монтажные характеристики оборудования

. Технология монтажа

.1 Выбор способов доставки оборудования к месту монтажа

.2 Выбор транспорта

.3 Выбор типа и определение количества грузоподъемных механизмов

.4 Выбор строп

.5 Технические условия на монтаж

.6 Порядок монтажа

. Разработка плана монтажной площадки

. Разработка сетевого графика монтажных работ

. Расчет заземляющих устройств

. Разработка мероприятий по охране труда и технике безопасности

Литература

1       

1.  Введение

Электроэнергетика является важнейшей отраслью промышленности. Её задача обеспечение надежного электроснабжения электроэнергией промышленных предприятий первой категории и особой группы первой категории по бесперебойности электроснабжения, а так же социальных, общественных и жилых зданий. Поэтому для обеспечения надежного электроснабжения используют различные коммутационные и защитные устройства. К этим устройствам относят: выключатели, разъединители, отделители, различные реле различных типов и разрядники вентильные.

Из всех перечисленных выше устройств меня будет интересовать отделитель. От того как выполнены электромонтажные работы будет зависеть правильность и стабильность работы отделителя. Правильность монтажа определяется техническими документами и технологическими картами монтажа. Монтажник осуществляющий монтаж оборудования должен сначала пройти инструктаж и иметь опыт работы на данный вид работ. Так же монтажник должен следовать инструкции по монтажу и не допускать ни каких отклонений от инструкции выработанной годами. Так же для улучшения и ускорения монтажных работ применяют различную механизацию, без который в настоящее время просто не возможно обойтись. Современная промышленность представляет для выбора монтажных организаций полный спектр малой и большой механизации. Это дрели и отбойные молотки, экскаваторы и автокраны, слесарные инструменты и средства работы на высоте. Все эти средства механизации позволяет не только ускорить процесс монтажа электрооборудования, но и значительно снизить риск получения травм среди персонала. И в этом направлении все в порядке. Есть нормативная база и порядок выдачи допуска к работе. Без инструктожа ни кто не приступит к работе. Так же как и без каски.

Темой моего курсового проекта является: «Технология монтажа отделителя ОД - 220М»

2.  Характеристика монтируемого оборудования

2.1 Назначение оборудования

Отделитель представляет собой разъединитель, который быстро отключает обесточенную цепь после подачи команды на его привод при возникновении не нормальных режимах работы. К не нормальным режимам работы относят короткое замыкание, перегрузка. Марка ОД - 220М расшифровывается следующим образом:

ОД - отделитель;

220 - номинально напряжение, кВ;

М - модернизированный.

Так же в состав отделителя входит привод типа ШПОМ и расшифровывается следующим образом:

Ш - шкаф;

П - привод;

О - отделитель;

М - модернизированный.

.2 Конструкция с подробным описанием и поясняющими рисунками

Отделители на 220 кВ выполняются в виде трех отдельных полюсов, каждый из которых управляется самостоятельным приводом. Каждый полюс состоит из двух колонок помещенных в изолятор 2. Одина колонка выполнена не подвижно, а вторая приходит в движение при помощи привода 3. Так же к колонке прикрепляют контактные ножи 1, с помощью которых и осуществляется процесс отключения. Конструкция такого отделителя представлена на рисунке 2.1.

- контактные ножи, 2 - колонка, 3 - привод, 4 - рама, 5 - опора

Рисунок 2.1 - Общий вид отделителя

2.3 Принцип действия оборудования

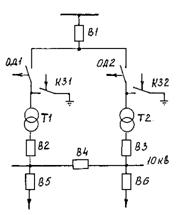
Принцип действия данного отделителя рассмотрим на примере тупиковой двухтрансформаторной подстанции, в которой применена комбинация отделитель короткозамыкатель. Схема такой подстанции представлена на рисунке 2.

Рисунок 2.2 - Схема коммутации с отделителями и короткозамыкателями

В схему кроме быстродействующих короткозамыкателей КЗ-1 и КЗ-2, введены отделители ОД-1 и ОД-2, которые при нормальном режиме работы замкнуты. Допустим вследствие ухудшения изоляции трансформатора Т1 внутри него возникают электрические разряды, которые приводят к разложению масла и выделению газа. Газовые пузырьки, поднимаясь вверх, приводят к срабатыванию газового реле. По сигналу этого реле включается короткозамыкатель и в цепи возникает искусственное короткое замыкание. Под действие тока КЗ срабатывает выключатель защиты В1 и оба трансформатора Т1 и Т2 обесточиваются. С помощью релейной защиты трансформатора Т1 отключается также выключатель В2, после чего с некоторой выдержкой отключается отделитель ОД1. Затем, так как режим искусственного КЗ оказался отключенным, снова включается выключатель В1, то есть срабатывает АПВ (автоматическое повторное включение) этого выключателя. Если до аварии выключатель В4 был отключен, то после включения выключателя В1 он может быть включен, то есть сработает АВР (автоматический ввод резерва). При этом будет восстановлено питание потребителей

a.      

.4       Комплектация и основные монтажные характеристики оборудования

Отделитель поставляется заводом - изготовителем отдельными узлами: рама, полюсы и основание, упакованные в 3 деревянных ящика 2466×2466×2580. Масса узлов составляет соответственно 200,151,178 кг. Вес одной фазы составляет 529 кг. Общий вес отделителя (все три фазы) составляет 1587 кг. Отделитель поставляется сначала железнодорожный, а потом автомобильный.

3.      

3. Разработка технологии монтажа

3.1  Выбор способа доставки

В нашем случае с отделителем самым оптимальным способом доставки оборудования на место монтажа является автомобильный и железнодорожный, так как завод - изготовитель под название ООО ПТК ЭНЕРГОМАШ находится за границей, в Украине

3.2         Выбор транспорта

Выбор транспорта осуществляется по габаритам груза и его массе. Наш отделитель имеет габариты упаковки 2466×2466 и общая масса отделителя 1587 кг. По таким параметрам я выбираю грузовик типа ЗИЛ-5301-КE бортовой с грузоподъемностью 2900 кг и габаритами платформы 3750х2254

3.3     Выбор грузоподъемных механизмов

При выборе грузоподъемных механизмов прежде всего надо учитывать условие, что механизм должен поднимать в проектном положении 80% монтируемых блоков.

По массе отделителя определяем, что монтируемое оборудование относится ко 2 группе. По высоте отделителя определяем высоту подъема крюка. А высоте подъема крюка определяем вылет стрелы и длину стрелы. Таким образом выбираем автокран типа КС-2571Б и ниже представлены его характеристики в таблице 3.1

Таблица 3.1 - Технические характеристики автокрана.

Характеристики автокрана

Значения характеристик

Грузоподъемность, т

8

Вылет стрелы, м

5,9

Длина стрелы, м

8,3

Высота подъема, м

5,417

База автомобиля

ЗИЛ 433362


3.4  Выбор стропов

Для строповки исполняем 2 ветви стропа под углом 45 градусов исходя из технических требований

Определяю нагрузку на каждую ветвь стропа

 (3.1)

где  - масса поднимаемого груза, кг;

 - косинус угла между поверхностью груза и стропом;

 - количество ветвей, шт.

 

Определяем нагрузку на каждую ветвь стропа при знаменном значении

 (3.2)

где m - коэффициент, зависящий от угла

 

Определяем нагрузку на каждую ветвь стропа при смещении центра тяжести

 (3.3)

где  - коэффициент неравномерности нагрузки.

 

Выберем канат по разрывному усилию каната

 (3.4)

 (3.5)

где K - коэффициент прочности;

Р - разрывное усилие каната в целом, принимаемое по сертификату;- наибольшее натяжение ветви каната, кгс.

 

Выбираем стальные канаты типа ТК 6×19 - 114из проволок с органическим сердечником с диаметром каната 6,2, проволовки 0,4 миллиметра, разрывное усилие 1700 кгс и расчетный предел прочности проволок на растяжении 140 кгс/мм2

Схема строповки представлена на рисунке 3.1

Рисунок 3.1 - Схема строповки монтируемого оборудования

Сводная ведомость потребителей необходимое для монтажа.

Сводная ведомость потребителей потребного монтажного оборудования приведена в таблице 3.2

Таблица 3.2 - Ведомость потребного монтажного оборудования

Наименование и марка

Количество

Назначение и примечание

Автомобиль Камаз 4326

1

Для доставки комплектующих

Автомобильный кран КС-2571Б

1

Для монтажа отделителя на месте монтажа


Сводная ведомость потребных инструментов и приспособлений приведены в таблице 3.3

Таблица 3.3 - Ведомость потребных инструментов и приспособлений

Наименование и марка

Количество

Примечание

1

2

3

Аппарат сварочный ТД - 500

1

Для сварки тяг привода

Маска защитная для электросварщика

1

Для защиты лица при сварки

Рым - болт, М12

2

Для монтажа колонн элементов

Мегомметр 2,5 кВ, МС - 0,5

1

Для измерения сопротивления изоляции

Уровень строительный УС4 - 2

1

Для проверки горизонтальности

Ключи гаечные с открытым зевом двухсторонние (комплект)

2

Для монтажа отделителя

Отвертка слесарная, монтажная

2

Для монтажа отделителя

Строп типа ТК 6×119 диаметром 114 мм

2

Для подъема элементов отделителя

Плоскогубцы комбинированные с изолирующими ручками

1

Для монтажа отделителя

Лом гвоздодер ЛГ - 20

1

Распаковка оборудования

Лом монтажный ЛМ - 24

1

Монтаж оснований


Сводная ведомость потребных монтажных материалов приведена в таблице 3.4

Таблица 3.4 - Ведомость потребных монтажных материалов

Наименование

Ед. изм.

Количество

Примечание

Ветошь

кг

1,35

Для протирки контактного ножей

Доски толщиной 40 мм.

кг

0,13

Для монтажа отделителя

Электроды Э42

кг

0,35

Для сварочного аппарата

Дюбель

шт

6



3.5  Технические условия на монтаж

Подъем, перенос и опускание собранных колон из изоляторов следует производить плавно, без толчков.

Перед монтажом следует проверить комплектацию по заводской ведомостью.

Электромонтажники должны произвести внешний осмотр для выявления дефектов при транспортировке оборудования. Если трещины на изоляторах более 1 мм, то нужно составить акт и забраковать колонну.

3.6 Порядок монтажа

К началу монтажных работ должны быть выполнении:

транспортные коммуникация к месту монтажа отделителя;

опоры под отделители;

силовая сеть 380/220 В;

контур заземления.

При получении отделителя необходимо проверить наличие полного комплекта поставки, количество мест, состояние упаковки, сохранность груза, наличие технической документации.

Изоляторы с небольшими дефектами подлежать ремонту на месте. Небольшие дефекты в цементных швах заделываються влагостойкой шпаклевкой.

Производиться приемка опорной конструкции и проверяется вертикальность опоры. На раму закрепляют привод главных ножей. Застропить раму и установить на опорную конструкцию. Проверить горизонтальность рамы.

Расконсервировать полюса отделителя и застропить их. Для предотвращения повреждения изоляторов при строповки подкладывают два деревянных бруса сечением 100×40 и длиной 1,5 м. Проверяют вертикальность полюсов.

На полюса отделителя устанавливают главные ножи при помощи автокрана. Проверяется горизонтальность. Максимально допустимый сдвиг главных ножей составляет до 5 мм.

Аналогичной выполняют все остальных две фазы.

Схема монтажа отделителя приведена на рисунке 3.2

отделитель монтаж строповка грузоподъемный

1 - контактные ножи; 2 - полюса отделителя; 3 - привод; 4 - рама; 5 - опорная конструкция; 6 - настил из досок

Рисунок 3.2 - Монтаж отделителя типа ОД - 220М

В заключении монтажа отделителя отделитель заземляют по опоре с пристрелкой строительным пистолетом и присоединяют к общему контуру заземления.

Восстанавливают лакокрасочные покрытия металлических частей в поврежденных местах.

Отделители подсоединяются к ошиновке высокого напряжения.

Силовой ящик демонтируется. Убирают монтажные механизмы, инструменты и материалы.

4       

4.  Разработка плана монтажной площадки

Объектами монтажа являются отделитель типа ОД-220М. Для подъема и установки отделителя применяется кран КС-2571Б

Высота опорной конструкции 2837мм, высота колонки 2580 мм, следовательно, необходимо расположить кран так, чтобы было возможным поднять и установить все элементы.

Наибольшая требуемая высота подъема груза примерно 6 м.

План размещения оборудования и механизмов при монтаже отделителей представлен на рисунке 3.1

- опора, 2 - полюс отделителя, 3 - опорная металлоконструкция, 4 - площадка для разгрузки, 5 - сварочный трансформатор, 6 - автокран

Рисунок 3.1 - План размещения оборудования при монтаже отделителя

5.      

5.  Разработка сетевого графика

Метод сетевого планирования позволяет значительно снизить время монтажа. Сетевой график - это основа этого метода.

Исходными данными для составления сетевого графика служат:

физические объемы монтажных работ;

затраты труда на монтажные работы;

последовательность производства работы;

- продолжительность монтажа объекта - директивный срок.

Расчеты трудоемкости должны производиться по единым нормам и расценкам (ЕНиР).

Данные сетевого графика представлены в таблице 5.1

Сетевой график электромонтажных работ представлен на рисунке 3.2

Таблица 5.1 - Данные для сетевого графика

Шифр работы (по графику)

Наименование работы

Трудоемкость по нормам Нвр, чел.-час.

Состав звена электромонтажников, n

Плановая продолжительность работы в дн.

Коэффициент, учитывающий работы на высоте, k

 

1

2

3

4

5

6

 

0-1

Погрузка автокраном деталей и узлов отделителя и монтажного оборудования

0,50

Электромонтажники 3-го разряда - 1 2-го разряда - 1

0,031

1

 

1-2

Выгрузка автокраном деталей и узлов отделителя и монтажного оборудования

0,55

Электромонтажники 3-го разряда - 1 2-го разряда - 1

0,034

1

 

0-3

Погрузка материалов и инструмента вручную на машину

0,30

Электромонтажники 3-го разряда - 1 2-го разряда - 1

0,019

1

 

3-4

Выгрузка материалов и инструмента вручную с машины

0,35

Электромонтажники 3-го разряда - 1 2-го разряда - 1

0,022

1

2-5

Укладка деталей и узлов отделителя по рабочим местам

0,40

Электромонтажники 4-го разряда - 1 2-го разряда - 1

0,025

1

2-6

Монтаж опорной конструкции

1,44

Электромонтажники 4-го разряда - 1 2-го разряда - 1

0,095

1,05

5-7

Монтаж отделителя типа ОД - 220М

31,5

Электромонтажники 5-го разряда - 1 4-го разряда - 1 3-го разряда - 1

1,378

1,05

8-10

Прокладка полосы заземления по опоре

4,0

Электромонтажники 4-го разряда - 1 2-го разряда - 1

0,260

1,05

7-8

Прокладка полосы заземления в траншее

7,0

Электромонтажники 4-го разряда - 1 2-го разряда - 1

0,438

1

8-9

Подключение отделителя к ошиновке высокого напряжения

0,45

Электромонтажники 4-го разряда - 1 2-го разряда - 1

0,030

1,05

9-11

Погрузка автокраном монтажного оборудования

1,0

Электромонтажники 4-го разряда - 1 2-го разряда - 1

0,063

1

Итого:




2,395




Рисунок 3.2 - Сетевой график электромонтажных работ для отделителя типа ОД - 20М

В ходе внедрения сетевого планирования время монтажа отделителя типа ОД - 220М сократилась на 0,326.

. Расчет заземляющих устройств

, Ом∙мгрунт, Ом∙мh1, мТип естественного заземлителя






30

мелкий песок

15

1,5

тросс - опора

6,5


Чертим план ОРУ и определяем ее размеры

ОРУ показана на рисунке 6.1

Размеры ОРУ находиться по следующим данным:

для ОРУ 220 кВ: шаг ячейки - 12 м, длина - 24 м;

для ОРУ 110 кВ: шаг ячейки - 12 м, длина - 24 м;

Рисунок 6.1 - План ОРУ.

Приводим размеры ОРУ кратным 10 и чертим заземляющие горизонтальные и вертикальные полосы.

План показан на рисунке 6.2

Рисунок 6.2 - План заземляющей сетки

План ОРУ сделан на основе главной схемы, показанная на рисунке 6.3


Определяем длины заземляющих полос

Заземляющая сетка состоит из

полос l = 180 м - продольные полосы

полос l = 30 м - поперечные полосы

Определяем площадь заземляющей сетки= 30·180 = 5400 м2.

Определяем общую длину полос сетки

L = 2·180 + 17·30 = 870 м2.

Определяем периметр сетки

P = 30 + 180 + 30 +180= 420 м2.

Число вертикальных заземлителей

 (6.1)

 

Определяем длину вертикального заземлителяа = 5 м.

Определяем расчётное удельное сопротивление верхнего слоя

 (6.2)

где  - коэффициент сезонности для вертикальных заземлителей

 

Определяем коэффициент напряжения прикосновения

 (6.3)

где М - параметр, зависящий от

- коэффициент, определяемый по сопротивлению тела человека и сопротивлению растеканию тока от ступеней

 

 (6.4)

 

 (6.5)

 

Потенциал на заземлителе

, (6.6)

где  - напряжение прикосновения

 


 (6.7)

где  - коэффициент стекания тока к.з. на землю, принимается равный 0,4-0,6;

 - ток однофазного к.з,

 (6.8)

 

 

Cопротивления заземляющего устройства преобразуют его в эквивалентную модель квадратной формы.

Сторона квадрата модели

 (6.9)

 

Число ячеек сетки на стороне квадрата

 (6.10)

 

Принимаем m = 5 шт

Длина полос в расчетной модели

 (6.11)

 

Длина сторон ячеек модели

 (6.12)

 

Число вертикальных заземлителей по периметру распределительного устройства

 (6.13)

 

Принимаем  = 20 шт

Общая длина вертикальных заземлителей модели

 (6.14)

 

Относительная глубина заземлителей

 (6.15)

где t - глубина залегания принимается 0,7м

 

Определяется общее сопротивление сложного заземлителя, преобразованного в расчётную модель

 (6.16)

где А - множитель

 

 

По диаграмме определяется эквивалентное сопротивление для и

Из диаграммы , тогда

 (6.17)

 

 (6.18)

 

Сопротивление заземляющего устройства с учетом естественных заземлителей

 (6.20)

 

Определяем напряжение прикосновения

 (6.21)

 

 

Заземляющее устройство отвечает требования безопасности

. Разработка мероприятий по охране труда и технике безопасности

Работы по монтажу разрядников выполняют с соблюдением требований техники безопасности согласно действующим нормам и правилам.

Перед началом работ мастер или прораб проводит инструктаж на рабочем месте: объясняет задание, способы и приемы пользования предохранительными приспособлениями.

Такелажное оборудование и инвентарь, используемые при монтаже, должны также иметь отметки об испытаниях в соответствии с требованиями ГОСТ.

При монтаже обращают внимание на состояние и правильную установку подъемных средств, и одинаковый натяг всех стропов.

Подращивание элементов выполняют с особой осторожностью. При наведении собранной части колонны элементов на подращиваемые элементы монтажники находятся вне контура монтируемой конструкции со стороны, противоположной подаче краном. При наведении собранной части на подращиваемый элемент зазор между ними не должен превышать 30см. Крепление троса за ребра элемента не допускается.

На период монтажа опасная зона, ограниченная радиусом 12,5м от оси поворотной части крана, ограждается и обозначается хорошо видимыми предупредительными знаками.

К основным средствам в электроустановках напряжением выше 1кВ относятся:

изолирующие штанги всех видов;

изолирующие и электроизмерительные клещи;

указатели напряжения;

устройства и приспособления для обеспечения безопасности труда при проведении испытаний и измерений в электроустановках;

изолирующие устройства и приспособления для ремонтных работ под напряжением в электроустановках напряжением 110кВ и выше.

К основным электрозащитным средствам в электроустановках до 1кВ относятся:

- изолирующие штанги; изолирующие и электроизмерительные клещи; указатели напряжения;

- диэлектрические перчатки;

изолированный инструмент.

К дополнительным электрозащитным средствам в электроустановках напряжением выше 1кВ относятся:

диэлектрические перчатки;

диэлектрические боты;

диэлектрические ковры;

изолирующие подставки и накладки;

изолирующие колпаки;

штанги для переноса и выравнивания потенциала.

К дополнительным электрозащитным средствам для работы в электроустановках напряжением до 1кВ относятся:

диэлектрические галоши;

диэлектрические ковры;

изолирующие подставки и накладки;

изолирующие колпаки.

Средства защиты работающих в зависимости от характера их применения подразделяют на две категории:

коллективной защиты;

индивидуальной защиты.

Электрозащитные средства коллективной защиты в защиты от назначения подразделяют на классы:

от повышенного уровня электромагнитных и электрических полей;

от повышенной напряженности магнитных и электрических полей;

от поражения электрическим током;

от повышенного уровня статического электричества.

К средствам защиты от повышенного уровня электромагнитных излучений относятся:

- оградительные устройства;

защитные покрытия;

герметизирующие устройства;

устройства автоматического контроля и сигнализации;

устройства дистанционного управления;

знаки безопасности.

К средствам защиты от повышенной напряженности магнитных и электрических полей относятся:

оградительные устройства;

защитные заземления;

изолирующие устройства и покрытия;

- знаки безопасности.

К средствам защиты от поражения электрическим током относятся:

оградительные устройства;

устройства автоматического контроля и сигнализации;

изолирующие устройства и покрытия;

устройства защитного заземления и зануления;

устройства автоматического отключения;

устройства выравнивания потенциалов и понижения напряжения;

устройства дистанционного управления;

предохранительные устройства;

молниеотводы и разрядники;

знаки безопасности.

К средствам защиты от повышенного уровня статического электричества относятся:

заземляющие устройства;

нейтрализаторы;

увлажняющие устройства;

антиэлектростатические вещества;

экранирующие устройства.

Средства индивидуальной защиты (СИЗ) предназначены для защиты головы (защитные каски); глаз и лица (защитные очки и щитки); органов дыхания (противогазы и респираторы) рук (рукавицы) и от падения с высоты (предохранительные пояса и страховочные канаты).

Требования к персоналу II группы по электробезопасности:

элементарные технические знания об электроустановке и оборудовании;

отчетливое представление об опасности электрического тока, опасности приближения к токоведущим частям;

знание основных мер предосторожности при работах в электроустановках;

практические навыки оказания первой медицинской помощи.

Требования к персоналу III группы по электробезопасности:

элементарные познания в общей электротехнике;

знание электроустановки и порядка ее технического обслуживания;

знание общих правил техники безопасности, правил допуска к работе, и специальных требований, касающихся выполняемой работы;

умение обеспечить безопасное ведение работы и вести надзор за работающими в электроустановках;

знание правил освобождения пострадавшего от действия электрического тока, оказание первой медицинской помощи и умение практически оказывать ее пострадавшему.

Требования к персоналу IV группы по электробезопасности:

знание электротехники в объеме специализированного профессионального училища;

полное представление об опасности при работах в электроустановках;

знание настоящих правил, правил технической эксплуатации электрооборудования, устройства электроустановок и пожарной безопасности в объеме занимаемой должности;

знание схем электроустановок и оборудования обслуживаемого участка, знание технических мероприятий, обеспечивающих безопасность работ;

умение проводить инструктаж, организовывать безопасное проведение работ, осуществлять надзор за членами бригады;

знание правил освобождения пострадавшего от действия электрического тока, оказания первой медицинской полмощи и умение практически оказать ее пострадавшему;

умение обучать персонал правилам техники безопасности, практическим приемам оказания первой медицинской помощи.

Требования к персоналу V группы по электробезопасности:

знание схем электроустановок, компоновки оборудования технологических процессов производства;

знание настоящих правил, правил пользования и испытаний средств защиты, четкое представление о том, чем вызвано то или иное требование;

знание правил технической эксплуатации, правил устройства электроустановок и пожарной безопасности в объеме занимаемой должности;

умение четко обозначить и излагать требования о мерах безопасности при проведении инструктажа работников;

умение организовать безопасное проведение работ и осуществлять непосредственное руководство работами в электроустановках любого напряжения;

умение обучать персонал правилам техники безопасности, практическим приемам оказания первой медицинской помощи.

В ОРУ при работах, проводимых с земли и на оборудовании, установленном на фундаментах, рабочее место должно быть ограждено канатом или веревкой с вывешенными на них плакатами: «Стой, напряжение».

На участках конструкций, по которым можно пройти от рабочего места к граничащим с ним участкам, находящимися под напряжением, должны быть установлены плакаты: «Стой, напряжение».

На подготовленных рабочих местах должен быть установлен плакат: «Работать здесь».

На конструкции, по которой не разрешается подниматься, вывешивается плакат: «Не влезай, убьет».

На ограждениях камер, шкафах, панелях, граничащих с рабочим местом, должны быть вывешены плакаты: «Стой, напряжение».

Литература

1 О.Е. Атапина. Методические указания к курсовому проектированию по дисциплине «Технология электромонтажных работ».

О.Е. Атапина. Методические указания к расчету заземляющих устройств для курсового и дипломного проектирования.

О.Е. Атапина.Методические указания по выбору транспортных и грузородъемных механизмов.

СНИП.

ГОСТ 2.105.-95, ЕСКД. Общие требования к текстовым документам. - ИПК: Издательство стандартов, 1996.

6 А. Ф. Зюзин, А. М. Вишток. Монтаж, эксплуатация и ремонт электрооборудования промышленных предприятий и установок. - М.: Высшая школа, 1980.

7 А. Ф. Зюзин, М. В. Антонов. Монтаж, эксплуатация и ремонт электрооборудования промышленных предприятий и установок. - М.: Высшая школа, 1986.

8 Справочник по организации и механизации электромонтажных работ на электростанциях и подстанциях. Под ред. Н.А. Иванова, Н.Г. Этуса. - М.: Энергоатомиздат, 1988.

9 Н. Г. Этус, Л. Н. Махлина. Технология электромонтажных работ на электрических станциях и подстанциях. - М.: Энергоиздат, 1982.

10 ЕНиР. Сборник Е25: Электромонтажные работы


Не нашли материал для своей работы?
Поможем написать уникальную работу
Без плагиата!
Без нейросетей!