Основное электрооборудование подстанций

  • Вид работы:
    Реферат
  • Предмет:
    Физика
  • Язык:
    Русский
    ,
    Формат файла:
    MS Word
    8,99 Mb
  • Опубликовано:
    2011-01-06
Вы можете узнать стоимость помощи в написании студенческой работы.
Помощь в написании работы, которую точно примут!

Основное электрооборудование подстанций

Министерство образования и науки Российской Федерации

Уфимский государственный авиационный технический университет









РЕФЕРАТ

На тему

Основное электрооборудование подстанций










Уфа 2010г.

1. ТРАНСФОРМАТОРЫ

1.1 ОБЩИЕ СВЕДЕНИЯ

Трансформатор представляет собой статический электромагнитный аппарат с двумя (или больше) обмотками, предназначенный чаще всего для преобразования переменного тока одного напряжения в переменный ток другого напряжения. Преобразование энергии в трансформаторе осуществляется переменным магнитным полем. Трансформаторы широко применяются при передаче электрической энергии на большие расстояния, распределении ее между приемниками, а также в различных выпрямительных, усилительных, сигнализационных и других устройствах.

При изготовлении трансформаторов бытового и промышленного назначения применяют стандартизованные термины и определения, обязательные для применения в документации всех видов, научно-технической и справочной литературе.

Ниже приведены несколько таких терминов и их определений.

Трансформатор — статическое электромагнитное устройство, имеющее две или более индуктивно связанные обмотки и предназначенное для преобразования посредством электромагнитной индукции одной или нескольких систем переменного тока в одну или несколько других систем переменного тока.

Силовой трансформатор — трансформатор, предназначенный для преобразования электрической энергии в электрических сетях и установках, предназначенных для приема и использования электрической энергии. К силовым трансформаторам относятся трансформаторы трехфазные и многофазные мощностью 6,3 кВ*А и более, однофазные мощностью 5 кВ*А и более.

Повышающий трансформатор - трансформатор, у которого первичной обмоткой является обмотка низшего напряжения.

Понижающий трансформатор — трансформатор, у которого первичной обмоткой является обмотка высшего напряжения.

Сигнальный трансформатор - трансформатор малой мощности, предназначенный для передачи, преобразования, запоминания электрических сигналов.

Автотрансформатор — трансформатор, две или более обмотки которого гальванически связаны так, что имеют общую часть.

Импульсный сигнальный трансформатор - сигнальный трансформатор, предназначенный для передачи, формирования, преобразования и запоминания импульсных сигналов.

Коэффициент трансформации трансформатора малой мощности — отношение числа витков вторичной обмотки к числу витков первичной обмотки.

Магнитная индукция - векторная величина, характеризующая магнитное поле и определяющая силу, действующую на движущуюся заряженную частицу со стороны магнитного поля.

Магнитный поток — поток магнитной индукции.

Напряженность магнитного поля — векторная величина, равна геометрической разности магнитной индукции, деленной на магнитную постоянную, и намагниченности.

Индуктивная связь - связь электрических цепей посредством магнитного поля.

1.2 КЛАСИФИКАЦИЯ ТРАНСФОРМАТОРОВ

Трансформаторы можно классифицировать:

По признаку функционального назначения

-трансформаторы питания

-трансформаторы согласования

Рассмотрим трансформаторы питания, их можно классифицировать

1. По напряжению:

-низковольтные

-высоковольтные

-высокопотенциальные

2. В зависимости от числа фаз преобразуемого напряжения

-однофазные

-трёхфазные

3. В зависимости от числа обмоток

-двухобмоточные

-многообмоточные

4. В зависимости от конфигурации магнитопровода

-стержневые

-броневые

-тороидальные

5. В зависимости от мощности

-малой мощности

-средней мощности

-большой мощности

6. В зависимости от способа изготовления магнитопровода

-пластинчатые

-ленточные

7. В зависимости от коэффициента трансформации:

-повышающие

-понижающие

8. В зависимости от вида связи между обмотками:

-с электромагнитной связью (с изолированными обмотками)

-с электромагнитной и электрической связью(со связанными обмоками)

9. В зависимости от конструкции обмотки:

-катушечные

-галетные

-тороидальные

10. В зависимости от конструкции всего трансформатора

-открытые

-капсулированные

-закрытые

11. В зависимости от назначения:

-выпрямительные

-накальные

-анодно-накальные и т.д.

12. В зависимости от рабочей частоты трансформаторы делят на трансформаторы:

-пониженной частоты (менее 50 Гц)

-повышенной промышленной частоты (400, 1000, 2000 Гц)

-повышенной частоты (до 10000 Гц)

-высокой частоты

1.3 КОНСТРУКТИВНЫЕ ОСОБЕННОСТИ ТРАНСФОРМАТОРОВ

Основными частями трансформатора являются магнитопровод и катушка с обмотками.

Материалом для магнитопровода трансформаторов служит листовая электротехническая сталь различных марок и толщины, горячей прокатки и холоднокатаная; от содержания кремния, которое отражено в марке стали, а также от толщины листа зависят потери мощности в магнитопроводе от вихревых токов. Толщину листа применяемой стали выбирают в зависимости от частоты сети, питающей трансформатор: с увеличением частоты толщину листа надо уменьшать. Ленточные (витые) магнитопроводы изготавливают из лент рулонной стали; предварительно лента покрывается изолирующим и склеивающим составом.

Стержневые магнитопроводы собирают из прямоугольных пластин одинаковой ширины. Части магнитопровода, на которых находятся обмотки, называются стержнями. Часть магнитопровода, соединяющая стержни между собой, называется ярмом.

Сборка частей магнитопровода может производиться встык и вперекрышку, причем в последнем случае увеличивается механическая прочность и уменьшается магнитное сопротивление магнитопровода. При сборке встык пластины собирают в единый пакет и предусматривают изоляционную прокладку между пакетами для предохранения от замыкания между отдельными листами магнитопровода. Сборка встык упрощает монтаж и демонтаж трансформатора.

Пластины магнитопровода скрепляют в пакет либо с помощью изолированных от магнитопровода шпилек либо с помощью специальных бандажей из капроновых ниток.

Броневые магнитопроводы собирают из пластин Ш-образной формы и прямоугольных пластин, замыкающих Ш-образную пластину. Эти магнитопроводы имеют один стержень, на котором располагают все обмотки трансформатора. Сборка броневого магнитопровода производится так же, как и магнитопровода стержневого типа, описанного выше.

Поскольку в броневом магнитопроводе обмотка размещается на среднем стержне, магнитный поток разветвляется на правую и левую части и, таким образом, в крайних стержнях его значение будет в 2 раза меньше, чем в центральном; это позволяет уменьшить сечение крайних стержней в 2 раза по сравнению с центральным. собирают из отдельных штампованных колец, покрытых изолирующим лаком; сборка производится с помощью намотки на пакет пластин ленточной лакоткани. Этот магнитопровод обладает наилучшими магнитными свойствами:

наименьшее магнитное сопротивление, минимальные индуктивность рассеивания и чувствительность к внешним магнитным полям, однако изготовление обмоток в данном случае может производиться только на специальных станках челночного типа или вручную.

Ленточные магнитопроводы стержневого и броневого типа собираются из отдельных, соединяемых встык, магнитопроводов подковообразной формы, а затем стягиваются специальными накладками (хомутами). Такая конструкция магнитопровода значительно упрощает сборку трансформатора. Ленточные магнитопроводы по сравнению с пластинчатыми допускают магнитную индукцию на 20—30 % выше, потерь в них меньше, заполнение объема магнитопровода и КПД трансформатора выше. По этим причинам ленточные магнитопроводы находят все более широкое применение.

Тороидальные ленточные магнитопроводы изготавливают путем навивки ленты на оправку заданного размера. Обмотки трансформатора производятся на намоточных станках челночного типа.

Обмотки трансформатора выполняют из медного или алюминиевого изолированного провода. При изготовлении катушки с обмотками предусматриваются изолирующие прокладки: межобмоточная , межслойная и внешняя.

При диаметре провода более 1 мм каркас выполняется из электрокартона, а отдельные слои обмотки перевязываются хлопчатобумажной лентой.

Обмоточные провода маркируются по диаметру, виду изоляции и нагревостойкости.

Для повышения электрической прочности трансформаторы после сборки пропитывают электроизоляционными лаками, а иногда заливают специальными компаундами.

В трансформаторах средней мощности ближе к стержню располагают обмотку низшего напряжения. Это позволяет уменьшить слой изоляции между обмоткой и стержнем, а также создает лучшие условия охлаждения обмотки низшего напряжения, по которой протекает больший ток.

В низковольтных трансформаторах (до 100 В) малой мощности ближе к стержню помещают обмотку высшего напряжения. Эта мера позволяет уменьшить стоимость трансформатора, так как средняя длина витка обмотки высшего напряжения, выполняемой из дорогостоящего провода малого сечения, получается в этом случае меньше.

В высоковольтных трансформаторах (свыше 1000 В) применяется раздельное расположение обмоток на стержнях магнитопровода.

В низковольтных трансформаторах обмотки располагаются в соответствии с рис.1.2,б

 

Рис. 1.2 Расположение обмоток на каркасе:

а – в высоковольтном трансформаторе; б — в низковольтном; в — в броневом

Достоинство такого расположения обмоток—небольшое значение магнитного потока рассеяния из-за меньшей толщины намотки и небольшой расход обмоточных проводов, так как снижение толщины намотки ведет к уменьшению средней длины витка обмотки.

В трансформаторах с броневыми магнитопроводами обмотки располагаются на одном стержне.

В трехфазном трансформаторе на каждом из стержней располагаются первичная и вторичная обмотки данной фазы.

В тороидальных трансформаторах обмотки располагаются по всей длине магнитопровода.

Стержневые и броневые магнитопроводы с находящимися на них обмотками собирают в узел с помощью шпилек и накладок либо путем запрессовки в скобу.

Тороидальные магнитопроводы с находящимися на них обмотками собирают в узел и крепят к шасси с помощью крепежных шайб и винта с гайкой.

В конструкции трансформатора должна быть предусмотрена панель, к которой припаиваются выводы обмоток. Корпус трансформатора (накладки, обоймы, скобы) электрически соединяется с магнитопроводом и заземляется. Эта мера необходима из соображений техники безопасности на случай пробоя одной из обмоток.

1.4 МАРКИРОВКА ТРАНСФОРМАТОРОВ

Каждый трансформатор снабжен щитком из материала, не подверженного атмосферным влияниям. Щиток прикреплен к баку трансформатора на видном месте и содержит его номинальные данные, которые нанесены травлением, гравировкой, выбиванием или другим способом, обеспечивающим долговечность знаков. На щитке трансформатора согласно ГОСТ 11677-65 указаны следующие данные:

1.   Марка завода-изготовителя.

2.   Год выпуска.

3.   Заводской номер.

4.   Обозначение типа.

5.   Номер стандарта, которому соответствует изготовленный трансформатор.

6.   Номинальная мощность. (Для трехобмоточных трансформаторов указывают мощность каждой обмотки).

7.   Номинальные напряжения и напряжения ответвлений обмоток.

8.   Номинальные токи каждой обмотки.

9.   Число фаз.

10. Частота тока.

11. Схема и группа соединения обмоток трансформатора.

12. Напряжение короткого замыкания.

13. Род установки (внутренняя или наружная).

14. Способ охлаждения.

15. Полная масса трансформатора.

16. Масса масла.

17. Масса активной части.

18. Положения переключателя, обозначенные на его приводе.

Для трансформатора с искусственным воздушным охлаждением дополнительно указана мощность его при отключенном охлаждении. Заводской номер трансформатора выбит также на баке под щитком, на крышке около ввода ВН фазы А и на левом конце верхней полки ярмовой балки магнитопровода.

Условное обозначение трансформатора состоит из буквенной и цифровой частей. Буквы означают следующее: Т - трехфазный трансформатор, О – однофазный, М – естественное масляное охлаждение, Д масляное охлаждение с дутьем (искусственное воздушное и с естественной циркуляцией масла), Ц – масляное охлаждение с принудительной циркуляцией масла через водяной охладитель, ДЦ – масляное с дутьем и принудительной циркуляцией масла, Г – грозоупорный трансформатор, Н – в конце обозначения – трансформатор с регулированием напряжения под нагрузкой, Н – на втором месте – заполненный негорючим жидким диэлектриком, Т на третьем месте – трехобмоточный трансформатор.

Первое число, стоящее после буквенного обозначения трансформатора, показывает номинальную мощность (кВ·А), второе число – номинальное напряжение обмотки ВН (кВ·А). Так, тип ТМ 6300/35 означает трехфазный двухобмоточный трансформатор с естественным масляным охлаждением мощностью 6300 кВ·А и напряжением обмотки ВН 35 кВ·А; тип ТЦТНГ-6300/220 означает трехфазный трехобмоточный трансформатор с принудительной циркуляцией масла при масло-водяном охлаждении, с регулированием напряжения под нагрузкой, грозоупорный, мощностью 63000 кВ·А и напряжением обмотки ВН 220 кВ.

Буква А в обозначении типа трансформатора означает автотрансформатор. В обозначении трехобмоточных автотрансформаторов букву А ставят либо первой, либо последней. Если автотрансформаторная схема является основной (обмотки ВН и СН образуют автотрансформатор, а обмотка НН дополнительная). Букву А ставят первой, если трансформаторная схема является дополнительной, букву А ставят последней.

2. ВЫКЛЮЧАТЕЛИ

2.1 ВАКУУМНЫЕ ВЫКЛЮЧАТЕЛИ

В настоящее время выключатели с вакуумными и элегазовыми дугогасящими устройствами (ДУ) начинают все больше вытеснять масляные, электромагнитные и воздушные выключатели. Дело в том, что ДУ вакуумные и элегазовые не требуют ремонта по крайней мере в течение 20 лет, в то время как в масляных выключателях масло при отключениях загрязняется частицами свободного углерода и, кроме того, изоляционные свойства масла снижаются из-за попадания в него влаги и воздуха. Это приводит к необходимости смены масла не реже 1 раза в 4 года. Дугогасящие устройства электромагнитных выключателей примерно в эти же сроки требуют очистки от копоти, пыли и влаги; ДУ вакуумных и элегазовых выключателей заключены в герметичные оболочки, и их внутренняя изоляция не подвергается воздействию внешней среды. Электрическая дуга при отключениях в вакууме или в элегазе также практически не снижает свойств дугогасящей и изолирующей среды.

Современные выключатели должны обладать коммутационными и механическими ресурсами, обеспечивающими межремонтный период в эксплуатации 15—20 лет. Эти условия трудно выполнимы при традиционных методах гашения дуги в масле или воздухе. Возможности дальнейшего существенного совершенствования выключателей с традиционными способами гашения дуги практически исчерпаны. Однако выпуск этих выключателей пока будет продолжаться из-за того, что технология их изготовления проста и цена их ниже вновь осваиваемых воздушных и элегазовых выключателей.

В СССР разработаны и с 1980 г. серийно изготовляются вакуумные выключатели на напряжение 10 кВ с номинальными токами отключения до 80 кА.

Конструкция вакуумных выключателей (ВВ) типа ВБЭ разработана применительно к конструкции шкафов КРУ с маломасляным выключателем. Шкафы КРУ с ВВ могут использоваться совместно со шкафами КРУ с маломасляными выключателями. При питании вспомогательных цепей на выпрямленном токе (встроенный электромагнитный привод зависимого действия, непосредственно использующий электрическую энергию выпрямленного тока) для обеспечения полного включения ВВ необходимо использовать устройства комплектного питания типа УКП2, ВАЗП. Вакуумные выключатели типа ВБЭ предназначены для использования в промышленных и сетевых установках с частыми коммутационными операциями. Модернизация ВБЭ предусматривает верхнюю компоновку встроенного привода ВВ, улучшающую условия технического обслуживания.

Вакуумные выключатели типа ВБТЭ и ВБТП предназначены для использования в экскаваторах, передвижных электростанциях на автомобильном ходу, буровых установках, роторных комплексах, насосных станциях и других электроустановках. Они выполнены в виде выдвижного элемента шкафа КРУ, содержат выпрямительный мост для питания отключающего электромагнита, включающий контактор, цепи заряда конденсатора отключения, блокировку от многократных повторных включений и элементы блокировок от ошибочных операций с выкатным элементом. Выключатели имеют фиксированный расцепитель, который обеспечивает возможность отключения выключателя только из полностью включенного положения в отличие от свободного расцепителя у выключателей типа ВБЭ (свободный расцепитель обеспечивает возвращение главных контактов выключателя в отключенное положение и фиксацию их в этом положении в случае, даже если при этом удерживается команда на включение). Достоинством выключателей типа ВБТЭ и ВБТП является верхняя компоновка встроенного электромагнитного привода, которая обеспечивает удобство технического обслуживания в эксплуатации.

На напряжение 10 кВ разработаны вакуумные дугогасительные камеры (ВДК) с токами отключения 40 и 50 кА. На рис. 2.1.1. показан схематический разрез вакуумной дугогасительной камеры с поперечным магнитным дутьем с серповидными контактами, применяемой в вакуумных выключателях на номинальные напряжения 10 кВ с номинальным током 1600 А и током отключения до 31,5 кА. Поперечное магнитное поле быстро перемещает дугу, что позволяет уменьшить износ контактов и улучшает процесс гашения дуги.

2.1.1 Вакуумная дугогасительная камера вакуумного выключателя на 10 кВ,1600А

а- схематический разрез камеры; б- контактная система камеы;1-контакты; 2-дугогасящие электроды; 3-зазор между контактами и дугогасящими электродами; 4-медный неподвижный ввод; 5-то же подвижный; 6- концевые фланцы; 7- сильфон из нержавеющей стали; 8- экран, изолированный от вводов; 9-концевые экраны, находящиеся под потенциалом соответствующего ввода; 10-керамические изоляторы;11-металлическая прокладка; 12- напрявляющая из силумина

2.1.1 ПРЕИМУЩЕСТВА И НЕДОСТАТКИ

В последние годы широкое распространение в мировой практике получили вакуумные коммутационные аппараты. В них гашение дуги при коммутации электрической цепи осуществляется в вакуумной дугогасительной камере (ВДК) рис 1.1, которая состоит из изоляционной цилиндрической оболочки, снабженной по концам металлическими фланцами, внутри которой помещаются подвижный и неподвижный контакты и электростатические экраны. Неподвижный контакт жестко крепится к одному фланцу, а подвижный соединяется с другим фланцем сильфоном из нержавеющей стали, обеспечивающим возможность перемещения контакта без нарушения герметичности ВДК. Экраны предназначены для защиты оболочки от брызг и паров металла, образующихся при горении дуги а также для выравнивания распределения, напряжения по камере. Оболочка ВДК изготовляется из специальной газоплотной керамики (в некоторых конструкциях - из стекла). Внутри оболочки создается вакуум, в ВДК применяют контакты торцевого типа достаточно сложной конфигурации, выполненные из специальных сплавов. В выключателях напряжением до 35 кВ предназначенных для работы в сетях трехфазного переменного тока промышленной частоты, используются три ВДК (по одной на полюс выключателя), снабженные общим приводом - пружинным или электромагнитным. При напряжении выше 35 кВ в каждом полюсе выключателя используются несколько ВДК, соединенных последовательно.

Основные достоинства вакуумных выключателей, определяющие их широкое применение:

2. Резкое снижение эксплуатационных затрат по сравнению с маломасляными выключателями. Обслуживание ВВ сводится к смазке механизма и привода, проверке износа контактов по меткам 1 раз в 5 летили через 5-10 тыс. циклов «включение-отключение».

3. Полная взрыво- и пожаробезопасность и возможность работы в aгрессивных средах.

4. Широкий диапазон температур окружающей среды, в котором возможна работа ВДК

5. Повышенная устойчивость к ударным и вибрационным нагрузкам вследствие малой массы и компактной конструкции аппарата.

6. Произвольное рабочее положение и малые габариты, что позволяет создавать различные компоновки распределительных устройств, в том числе и шкафы с несколькими выключателями при двух-трехъярусном их расположении.

7. Бесшумность, чистота, удобство обслуживания, обусловленные малым выделением энергии в дуге и отсутствием выброса масла, газов при отключении токов КЗ.

8. Отсутствие загрязнения окружающей среды.

9. Высокая надежность и безопасность эксплуатации, сокращение времени на монтаж.

К недостаткам ВВ следует отнести повышенный уровень коммутационных перенапряжении, что в ряде случаев вызывает необходимость принятия специальных мер по защите оборудования.

2.1.2. ВАКУУМНЫЙ ВЫКЛЮЧАТЕЛЬ ВБТЭ-10-20


Выключатель предназначен для работы в шкафах комплектных распределительных устройств (КРУ), шкафах КСО, а также замены маломасляных выключателей в распределительных устройствах напряжением 6-10 кВ

ТЕХНИЧЕСКИЕ ДАННЫЕ

<TBODY>Параметры

Значение

Номинальное напряжение, кВ

10

Номинальный ток, А

630-1600

Время включения, сек не более

0,1

Время отключения, сек не более

0,02

Номинальное напряжение питания цепей управления. В:
постоянного тока
переменного тока, 50 Гц

220

220

Ток потребления:
включающего электромагнита, А не более
отключающих электромагнитов, А не более:
электромагнит отключения


50

Постоянный ток

2

Переменный ток

1

Электромагнит отключения от независимого источника питания

1

Ток срабатывания максимальных расцепителей тока, А

5

Число циклов "ВО":
а) при номинальном токе
6) при номинальном токе отключения


50000

50

Габариты, мм

612х550х840

Масса, кг, не более

100</TBODY>

2.1.3 Вакуумные выключатели серии BB/TEL

Это коммутационные аппараты нового поколения, в основе принципа действия которых лежит гашение возникающей при размыкании контактов электрической дуги в глубоком вакууме, а фиксация контактов вакуумных дугогасительных камер (ВДК) в замкнутом положении осуществляется за счет остаточной индукции приводных электромагнитов («магнитная защелка»). Отличительная особенность конструкции вакуумных выключателей серии BB/TEL по сравнению с традиционными коммутационными аппаратами заключается в использовании принципа соосности электромагнита привода и вакуумной дугогасительной камеры в каждом полюсе выключателя, которые механически соединены между собой общим м.

Область применения

Выключатели вакуумные серии BB/TEL предназначены для коммутации электрических цепей с изолированной нейтралью при нормальных и аварийных режимах работы в сетях переменного тока частоты 50 Гц с номинальным напряжением 6-10 кВ. Оригинальность конструкции выключателей BB/TEL позволила достичь следующих преимуществ по сравнению с другими коммутационными аппарата

·   высокий механический и коммутационный ресурс;

·   малые габариты и вес;

·   небольшое потребление энергии по цепям управления;

·   возможность управления по цепям постоянного, выпрямленного и переменного оперативного тока;

·   простота встраивания в различные типы КРУ и КСО и удобство организации необходимых      блокировок;

·   отсутствие необходимости ремонта в течение всего срока службы;

·   доступная цена.

Принцип фиксации контактов ВДК в замкнутом положении с применением магнитной защелки в настоящее время активно используется в новых конструкциях вакуумных выключателей ряда различных фирм (GEC Alsthom, Whipp&Bourne, Cooper), однако «Таврида Электрик» является первым предприятием-изготовителем, открывшим дорогу вакуумным выключателям с магнитной защелкой к массовому потребителю (оригинальность выключателей BB/TEL защищена патентом Российской Федерации).

Благодаря своим преимуществам вакуумные выключатели BB/TEL широко применяются во вновь разрабатываемых комплектных распределительных устройствах (КРУ, КСО, КРН), а также для реконструкции КРУ, находящихся в эксплуатации и имеющих в своем составе на момент реконструкции выключатели других конструкций, которые устарели морально и физически.

Конструктивное исполнение

В настоящее время выпускаются выключатели двух основных конструктивных исполнений:

с межполюсным расстоянием 200 мм;

с межполюсным расстоянием 250 мм.

Конструктивное исполнение с межполюсным расстоянием 200 мм

Конструктивное исполнение с межполюсным расстоянием 250 мм

Выключатели данного конструктивного исполнения предназначены преимущественно для замены в камерах КСО и КРН выключателей типа ВМГ-133 и других, а также для применения во вновь разрабатываемых камерах КСО и КРН:

Номинальное напряжение, кВ

10

Наибольшее рабочее напряжение, кВ

12

Номинальный ток, кА

630

Номинальный ток отключения, кА

12.5

32

Нормированное процентное содержание
апериодической составляющей, %, не более

40

Время отключения полное, мс, не более

25

Время отключения собственное, мс, не более

15

Время включения собственное, мс, не более

70

Ресурс по коммутационной стойкости при отключении:
-- номинального тока, операций «ВО»

50000

-- (60-100)% от номинального тока отключения, операций

100

Ресурс по механической стойкости, операций «ВО»

50000

Номинальное напряжение электромагнитов управления, В

220

Диапазон напряжений электромагнитов при включении,
% от номинального значения

85-100

Диапазон напряжений электромагнитов при отключении,
% от номинального значения

65-120

Наибольший ток электромагнитов управления
при номинальном напряжении, А

10

Срок службы до списания, лет

25

Масса, кг:
-- исполнение с межполюсным расстоянием 200 мм

32

-- исполнение с межполюсным расстоянием 250 мм

35.5

 

Конструктивные особенности



Вакуумные выключатели серии BB/TEL - это коммутационные аппараты нового поколения, в основе принципа действия которых лежит гашение возникающей при размыкании контактов электрической дуги в глубоком вакууме, а фиксация контактов вакуумных дугогасительных камер (ВДК) в замкнутом положении осуществляется за счет остаточной индукции приводных электромагнитов («магнитная защелка»).

1 Неподвижный контакт ВДК

2 Вакуумная дугогасительная камера(ВДК)

3 Подвижный контакт ВДК

4 Гибкий токосъем

5 Тяговый изолятор

6 Пружина поджатия

7 Отключающая пружина

8 Верхняя крышка

9 Катушка

10 Кольцевой магнит

11 Якорь

12 Нижняя крышка

13 Пластина

14 Вал

15 Постоянный магнит

16 Герконы (контакты для внешних вспомогательных цепей) выключатели.

2.2. ЭЛЕГАЗОВЫЕ ВЫКЛЮЧАТЕЛИ

Современные разработки конструкций выключателей с элегазовыми дугогасителями в настоящее время ведутся в различных направлениях, и прежде всего в тех, которые дают наиболее эффективное технико-экономическое использование специфических свойств этой дугогасящей и изоляционной среды. Такими направлениями являются следующие.

1. Модульные серии выключателей на высокие классы напряжения (100 кВ и выше), предназначенные для отключения предельно больших токов КЗ при наиболее неблагоприятных условиях КЗ.

2. Выключатели на номинальное напряжение 10-35 кВ в компактном исполнении для электрифицированного подвижного состава и других электрических установок специального назначения.

3. Выключатели нагрузки на номинальные напряжения 15-100 кВ и выше, предназначенные для отключения индуктивных токов ненагруженных трансформаторов и ёмкостных токов.

В настоящее время опытные и промышленные образцы и серии элегазовых выключателей переменного тока высокого напряжения производятся различными фирмами во всём мире, характеристики этих аппаратов приведены в таблице 1.2.1.

2.2.1 ПРЕИМУЩЕСТВА

· Взрыво- и пожаробезопасность;

· Быстродействие и пригодность для работы в любом цикле АПВ;

· Возможность осуществления синхронного размыкания контактов непосредственно перед переходом тока через нуль;

· Высокая отключающая способность при особо тяжёлых условиях отключения (отключение неудалённых коротких замыканий и др.);

· Надёжное отключение ёмкостных токов холостых линий;

· Малый износ дугогасительных контактов;

· Лёгкий доступ к дугогасителям и простота их ревизии;

· Относительно малый вес (с баковыми масляными выключателями);

· Возможность создания серии с унификацией крупных узлов;

· Пригодность для наружной и внутренней установки.

2.2.2 НЕДОСТАТКИ

· Необходимость в наличии устройств для наполнения, перекачивания и очистки шестифтористой серы (SF6);

· Относительная сложность конструкции ряда деталей и узлов, а также необходимость применения высоконадёжных уплотнений;

· Относительно высокая стоимость дугогасящей среды и выключателя в целом.

2.2.3 ЭЛЕГАЗОВЫЙ БАКОВЫЙ ВЫКЛЮЧАТЕЛЬ СЕРИИ ВГБ-35

Выключатель предназначен для коммутации электрических цепей при нормальных и аварийных режимах, в сетях трехфазного переменного тока частоты 50 Гц с номинальным напряжением 35 кВ. Выключатель представляет собой комплексный аппарат, состоящий из собственно выключателя, встроенных трансформаторов тока и привода.

ВГБ Х - 35 II* - 12,5/630 Х I, гдеВ - выключатель; Г - элегазовый; Б - условное обозначение конструктивного исполнения (баковый); Х - условное обозначение электромагнитного привода (Э - электромагнитный постоянного тока; ЭП - электромагнитный переменного тока); 35 - номинальное напряжение, кВ; II* - категория по длине пути утечки внешней изоляции в соответствии с ГОСТ 9920-75; 12,5 - номинальный ток отключения, кА; 630 - номинальный ток, А;Х - климатическое исполнение по ГОСТ 15150-69 и ГОСТ 15543-70 (УХЛ или Т); I - категория размещения по ГОСТ 15150-69.

Назначение и условия эксплуатации

Выключатель изготовлен в климатическом исполнении УХЛ либо Т категории размещения 1 по ГОСТ 15150 и предназначен для наружной установки в районах с умеренным и холодным (тропическим) климатом при след. условиях:

• Окружающая среда невзрывоопасная, не содержащая пыли в концентрациях, снижающих параметры изделия в недопустимых пределах. По условиям загрязнения окружающая среда должна соответствовать атмосфере по ГОСТ 15150.

• Верхнее рабочее значение температуры окружающего воздуха для исполнения УХЛ1 - -плюс 40°С, для исполнения Т1 - плюс 55°С.

• Нижнее рабочее значение температуры окружающего воздуха для исполнения УХЛ1 - -минус 60°С, для исполнения Т1 - минус 10°С.

• Натяжение проводов в горизонтальном направлении в плоскости, перпендикулярной продольной оси выключателя, не более 500 Н.

• Выключатель нормально работает в условиях гололеда при толщине корки льда до 20 мм и ветре скоростью до 15 м/с, а при отсутствии гололеда - при ветре скоростью до 40 м/с.

• Высота установки над уровнем моя не более 1000 м.

Выключатели соответствуют требованиям ГОСТ 687 "Выключатели переменного тока на напряжение свыше 1000 В. Общие технические условия".

Основные технические данные

Технические данные ВГБ-35

Наименование параметра

Установленная норма

1. Номинальное напряжение Uном, кВ

35

2. Наибольшее рабочее напряжение Uн.р, кВ

40,5

3. Номинальный ток Iном, А

630

4. Номинальный ток отключения Iном.о, кА

12,5

5. Номинальное относительное содержание апериодической составляющей, %

не более 32

6. Cos j тока нагрузки

0,91

7. Параметры сквозного тока короткого замыкания:

- наибольший пик (ток электродинамической стойкости), кА

- нач. действующее значение периодической составляющей, кА

- ток термической стойкости, кА

- время протекания тока термической стойкости, с


35

12,5

12,5

3

8. Параметры тока включения, кА:

- наибольший пик

- начальное действующее значение периодической составляющей


35

12,5

9. Отключаемый ёмкостной ток одиночной конденсаторной батареи, А

не более 600

10. Отключаемый ток намагничивания ненагруженных трансформаторов, А

0,24..6,5

11. Собственное время отключения tоткл, с

0,04+0,005

12. Полное время отключения tоткл + tд, с

0,065+0,01

13. Минимальная бестоковая пауза при АПВ, с

0,03

14. Собственное время включения, с

не более 0,12

15. Разновремённость замыкания и размыкания контактов полюсов при включении и отключении, с

не более 0,01

16. Избыточное давление заполнения элегазом при 20°С, МПа

0,45+0,02

17. Избыточное давление предварительной сигнализации об утечке элегаза при 20°С, МПа

0,33

18. Избыточное давление автоматической подачи команды на блокировку или отключение выключателя (минимально допустимое значение) при 20°С, МПа


0,3

19. Длина пути утечки вводов, см (по ГОСТ 9920 - II категории загрязнения)

105

20. Номинальное напряжение электромагнитов управления:

- при питании постоянным током, В

- при питании переменным током, В


110 или 220

220

21. Диапазон рабочих напряжений электромагнитов управления, в % от номинального значения:

- включающего электромагнита при питании постоянным током

- включающего электромагнита при питании переменным током

- отключающего электромагнита при питании переменным током



85..110

90..110

70..110

65..120

22. Потребляемый ток (установившееся значение) электромагнитов, А, не более:

- включающего при V=220 В (при V=110 В)

- отключающего при V=220 В (при V=110 В)



50 (100)

2,5 (5)

23. Ном. напряжение подогревательных устройств, В

220

24. Масса выключателя с приводом, кг

800±15

25. Масса элегаза, кг

4

 

Выключатели серии ВГБ-35 относятся к электрическим коммутационным аппаратам высокого напряжения, в которых гасящей средой является элегаз.

Общий вид выключателя ВГБ-35 приведен на рис. 2.2.1. Выключатель состоит из трех полюсов, размещенных в одном баке 3, и управляется электромагнитным приводом 7 постоянного или переменного тока. Имеется вариант установки выключателя на удлиненной свае с установкой привода на удлиненной дистанционной трубе (на 500 мм по сравнению с базовым вариантом) и дополнительным креплением привода к свае. Включение выключателя происходит за счет энергии включающего электромагнита привода 7, отключение - за счет отключающих пружин выключателя, взведение которых происходит в процессе включения. Бак 3, вмещающий в себя трехполюсное контактно-механическое устройство (КМУ), укомплектован шестью вводами 1 со встроенными трансформаторами тока 2 типа ТВЭ-35, клапаном 9, подогревательным устройством 6, сигнализатором давления 8 и клеммной коробкой 5.

Общий вид выключателя ВГБ-35

Рис. 2.2.1 1-ввод; 2-трасформатор тока; 3-бак; 4-фланец; 5-клемная коробка; 6-устройство подогревательное; 7-шкаф с приводом; 8-сигнализатор давления; 9-клапан; 10-крышка; 11-механизм; 12,13,14-кольца уплотнительные.

Бак 3 заполняется на заводе-изготовителе элегазом, соответствующим ТУ 6-02-1249. Давление заполнения, приведенное к 20°С, указано в технических данных. Внутри, на дне бака, закреплен тканевый мешок с адсорбентом, который поглощает как возможную влагу, так и газообразные продукты разложения, образующиеся при горении дуги.

Подогревательное устройство выключателя содержит два трубчатых нагревателя типа ТЭН-71А и закреплено под днищем бака в специальном корпусе. Концы проводов нагревателей закрыты бусами, забандажированы стеклотканью и выведены через трубу бака в клеммную коробку. Нагреватели на напряжение 220 В соединяются параллельно, а на напряжение 127 В - последовательно. Электроконтактный сигнализатор давления соединен с полостью бака через клапан автономной герметизации. Сигнализатор снабжен устройством температурной компенсации, автоматически приводящей показания давления к температуре плюс 20° С, что фактически обеспечивает контроль уровня плотности элегаза.

Сигнализатор имеет шкалу со стрелкой и две пары размыкающих контактов, что позволяет вести как визуальный контроль давления (плотности) элегаза в выключателе, так и давать предупредительные сигналы о снижении давления до 0,33 МПа и о достижении минимально допустимого давления - 0,3 МПа. Предупредительная сигнализация срабатывает только тогда, когда падение давления вызвано утечкой элегаза (понижением его плотности). Для заполнения бака элегазом и его опорожнения служит клапан 9 (см. рис. 1.8.1).

Встроенный трансформатор тока типа ТВЭ-З состоит из магнито-провода и двух обмоток: защитной (ОР) и измерительной (И). По два провода от каждого трансформатора тока выведены в клеммную коробку. При отгрузке выключателя провода трансформатора тока присоединены к отводам 600/5. При необходимости переключения на другие отводы следует пользоваться электрической схемой.

К нижней части коробки механизма через дистанционную трубу присоединен шкаф с приводом 7 (см. рис. 1.8.1). Привод для управления выключателем имеет три исполнения.

Выключатели ВГБЭ-35-12,5/630 УХЛ11) комплектуются приводами ПЭМ-1 или ПЭМ-11, а выключатели ВГБЭП-35-12,5/630 УХЛ11) - приводом ПЭМ-ТТТ.

Бак и шкаф привода снабжены болтами заземления.

3. РАЗЪЕДИНИТЕЛИ

3.1 ОБЩИЕ СВЕДЕНИЯ

Разъединитель представляет собой коммутационный аппарат, используемый для включения и отключения электрических цепей в таких условиях, при которых на его контактах не возникает длинной открытой электрической дуги. В отключенном положении разъединителя на его контактах создается видимый разрыв.

Кроме того, разъединители наружной установки рассчитываются на возможность разрыва посредством их ножей зарядных токов воздушных и кабельных линий, а также токов холостого хода силовых трансформаторов и токов небольших нагрузок. Поэтому их контакты часто снабжаются дугогасительными рогами.

Отличительной чертой разъединителей, а также отделителей и короткозамыкателей в сравнении с выключателями является отсутствие дугогасительных устройств.

Основное назначение разъединителя заключается в изоляции отключенных частей электрической цепи с целью безопасного ремонта оборудования.

Разъединители строятся для внутренней и для наружной установки на всю шкалу токов и напряжений. Они могут выполняться как трехполюсными на общей раме (обычно при напряжениях до 35 кВ), так и однополюсными при более высоких напряжениях. Последнее обусловлено тем, что при напряжениях свыше 35 кВ требуемые расстояния между фазами достаточно велики и общая рама получается чрезвычайно громоздкой и тяжелой.

Основным элементом разъединителя являются его контакты. Они должны надежно работать при номинальном режиме, а также при перегрузках и сквозных токах короткого замыкания. В разъединителях применяют высокие контактные нажатия. При больших токах контакты выполняют из нескольких (до восьми) параллельных пластин. Применяют пластины прямоугольного, швеллерного и круглого сечения.

Разъединители могут иметь приводы: ручной - оперативную штангу, рычажной или штурвальный и двигательный - электрический, пневматический. Во избежание ошибочных действий, т.е. размыкания под током, что может привести к крупным авариям и несчастным случаям, разъединитель всегда блокируется с выключателем. Блокировка допускает оперирование разъединителем только при отключенном выключателе. По исполнению блокировка может быть механической, механической замковой, электромагнитной замковой.

Конструктивное различие между отдельными типами разъединителей состоит прежде всего в характере движения подвижного контакта (ножа). По этому признаку различают разъединители:

вертикально-поворотного (врубного) и горизонтально-поворотного типов с вращением ножа в плоскости, параллельной или перпендикулярной осям поддерживающих изоляторов данного полюса;

с прямолинейным движением вдоль размыкаемого промежутка либо только ножа, либо ножа совместно с изолятором (катящегося типа);

со складывающимся ножом, со сложным движением (поворот и складывание) ножа и др.

Основные требования, предъявляемые к разъединителям:

1. Контактная система должна надежно пропускать номинальный ток сколь угодно длительное время и иметь необходимую динамическую и термическую стойкость.

2. Разъединитель и механизм его привода должны надежно удерживаться во включенном положении при протекании тока КЗ. В отключенном положении подвижный контакт должен быть надежно фиксирован.

3. Промежуток между разомкнутыми контактами должен иметь повышенную электрическую прочность.

4. Привод разъединителя целесообразно блокировать с выключателем.

3.2.  РАЗЪЕДЕНИТЕЛИ ВНУТРЕННЕЙ УСТАНОВКИ

Для внутренней установки заводы выпускают однополюсные и трехполюсные разъединители вертикального рубящего типа (нож перемещается в плоскости, перпендикулярной основанию) на напряжения, как правило, не выше 20 ьсВ. Обычно их устанавливают в вертикальном положении.

В большинстве из них применены линейные контакты, которые при относительно небольшой силе нажатия имеют меньшее сопротивление, чем плоские контакты. Токоведущие части выполняются из двух или более параллельных пластин. При токе КЗ электродинамическая сила стремится сблизить их друг с другом и этим еще сильнее прижимает подвижные контакты к стойкам неподвижного контакта, что исключает самопроизвольное размыкание контактов, опасное возможностью пожара в электроустановке.

Управление разъединителями осуществляется вручную с помощью ручных, электродвигательных или пневматических приводов.

Разъединитель серии РВО (Р - разъединитель, В - для внутренней установки, О - однополюсный) выпускается на токи до 600 А. Числа в наименовании означают напряжение (кВ) и ток (А).

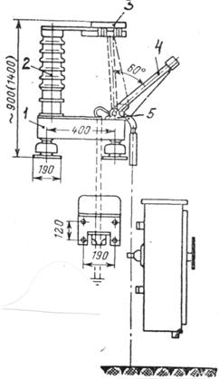
Нож поворачивается на угол до 100 и в отключенном положении удерживается только собственным весом, рис. 1.1.

Угол поворота ножа фиксируется ограничителем. Для разъединителей этой же серии на 1000 А для уменьшения усилий выдергивания ножа введен промежуточный вал.

Рис. 3.2.1 Разъединитель однополюсный РВО-10/600

Трехполюсные разъединители серии РВ выпускаются на напряжение от 6 до 35 кВ и номинальный ток до 600 А, рис. 1.2. На рис. 3.2. показана в увеличенном масштабе его контактная система.

Подвижный контакт 1 выполнен в виде двух параллельных шин. При КЗ электродинамическая сила прижимает шины 1 к стойкам неподвижного контакта 2. При номинальном токе контактное нажатие создается пружинами 3, которые воздействуют на подвижный контакт через стальные пластины 4.

Магнитный поток, создаваемый проходящим по шинам током, замыкается вокруг них и через стальные пластины 4. В системе возникают электродинамические силы такого направления, чтобы возросла энергия магнитного поля. Пластины приближаются к шинам 1 и попадают в зону более сильного магнитного поля. Электромагнитная энергия при этом возрастает. Таким образом создается сила Р, притягивающая стальные пластины к шинам и увеличивающая контактное нажатие.

Рис. 3.2.2 Разъединитель типа РВ

Рис. 3.2.3 Контактная система разъединителя типа РВ

Для управления разъединителями типа РВ применяются рычажные системы с ручным или моторным приводом.

Для дистанционного управления применяются электрические и пневматические приводы. В электрических приводах ось двигателя связывается с выходным рычагом привода через систему червячной передачи.

В пневматическом приводе отсутствуют громоздкие рычажные передачи и обеспечивается плавный ход контактов.

3.3 РАЗЪЕДЕНИТЕЛИ НАРУЖНОЙ УСТАНОВКИ

Разъединители для наружной установки должны иметь изоляцию, рассчитанную для работы в неблагоприятных атмосферных условиях (загрязнение, влага, снег), а также обладать повышенной механической прочностью, позволяющей производить операции с разъединителями при наличии гололеда на контактах.

Разъединители на 10 кВ с вертикальным движением ножа выполняются без льдоломающих устройств.

Разъединители выше 10 кВ снабжены такими устройствами: у разъединителя серии РЛНЗ (Р - разъединитель, Л - линейный, Н - наружной установки, 3 - с заземляющими ножами) при отключении нож сначала поворачивается на 90°, а затем поднимается на требуемое расстояние; у разъединителя серии РОНЗ (О - однополюсный) льдоломающее устройство расположено в неподвижном контакте и выполнено в виде лопатки, которая может поворачиваться на 90° вокруг своей вертикальной оси.


Разъединители горизонтально-поворотного типа серии РЛНД (Д -двухколонковый) устанавливаются на напряжения от 10 до 750 кВ, серии РНД - на напряжение 330-500 кВ. Включение и отключение полюса производятся либо вращением одного изолятора, на которых установлен нож разъединителя, либо одновременно вращением обоих изоляторов, связанных между собой тягами.

Двухколонковые поворотные разъединители типа SGF с заземлителем выпускаются на напряжения 110, 150 и 220 кВ (г. Екатеринбург).

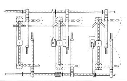
На рис. 3.3.1 показан трехполюсный разъединитель при последовательном варианте установки полюсов с одним заземлителем.


На рис. 3.2.2. изображен трехполюсный разъединитель при параллельном варианте установки с двумя заземлителями.

Рис. 3.2.3 Основная конструкция разъединителя

На рис. 3.2.3. приведены наиболее важные части разъединителя. Основание разъединителя состоит из сварной рамы из профильной стали (221), поворотных оснований (70), поперечной тяги (68). Поворотные основания - это закрытая конструкция, не требующая ухода при эксплуатации. Крепится на шпильках для регулировки. На изоляторах (201) установлены поворотные головки (284). Это тоже закрытая конструкция, не требующая ухода, вращается на 360 .Токопроводы (5 и 6) - сварная алюминиевая конструкция. Контактные пальцы (66) выполняются из псевдосплава медь-хром-цирконий с покрытием серебром. Непосредственно контакт (67) выполняется из меди с покрытием серебром.

Высоковольтные выводы (17) имеют плоскую присоединительную поверхность по ГОСТ 21242-75 с:

- 4 отверстиями для номинальных токов до 1600 А;

- 8 отверстиями для номинальных токов выше 1600 А. Приводной механизм (75) - моторный или ручной привод.

На рис 3.2.4 представлены основные части заземлителя. Заземление (79) выполнено гибкой связью из меди, вал заземлителя (337) - из оцинкованной трубы, труба (23) - из алюминия.

Контактный палец (20) - также металлокерамика медь-хром-цирконий с покрытием серебром, а заземляемый контакт (18)- медь с покрытием серебром.

Приводной механизм (77) - моторный или ручной привод.

Рис. 3.2.4 Основная конструкция заземлителя

Разъединители имеют независимые приводные механизмы для разъединителя и заземлителя.

При отключении или включении привод проходит через мертвую точку перед моментом достижения конечного положения. Это предотвращает самопроизвольное отключение или включение разъединителя или заземлителя:

- при коротких замыканиях;

- при внешних воздействиях (штормовой ветер или землетрясение).

4. ОТДЕЛИТЕЛИ И КОРОТКОЗАМЫКАТЕЛИ

4.1 ОБЩИЕ СВЕДЕНИЯ

В настоящее время разработаны типовые схемы высоковольтных подстанций без выключателей на питающей линии. Это позволяет удешевить и упростить оборудование при сохранении высокой надежности. Для замены выключателей на стороне высокого напряжения используются короткозамыкатели и отделители.

Короткозамыкатель - это быстродействующий контактный аппарат, который по сигналу релейной защиты создает искусственное КЗ сети.

Короткозамыкатели наружной установки с приводом ШПК (привод короткозамыкателя в шкафу) и трансформатором тока ТШЛ 0,5 (трансформатор тока шинный, с литой изоляцией, класс точности 0,5) предназначены для создания искусственного короткого замыкания (двухфазного у КЗ-35 или на землю у КЗ-110, КЗ-220) при повреждениях в трансформаторе. Под воздействием защиты замыкание вызывает отключение выключателей, установленных на питающих концах линий.

Управление короткозамыкателем осуществляется приводом ШПК, причем включается короткозамыкатель автоматически под действием пружинного механизма при срабатывании привода от сигнала релейной защиты. При необходимости короткозамыкатель может быть включен также вручную. Отключается короткозамыкатель только при ручном оперировании.

Отделитель представляет собой разъединитель, который быстро отключает обесточенную цепь после подачи команды на его привод. Если в обычном разъединителе скорость отключения очень мала, то в отделителе процесс отключения длится 0,5-1,0 с. Отделитель отсоединяет поврежденные участки электрической цепи после отключения защитного выключателя. Выключатель срабатывает от искусственного короткого замыкания, создаваемого короткозамыкателем.

Отделители представляют собой двухколонковый разъединитель с ножами заземления (ОДЗ); одним ОДЗ-1А, ОДЗ-1Б, двумя ОДЗ-2 или без них (ОД), управляемый приводом ШПО (привод отделителя в шкафу). До 110 кВ включительно три полюса отделителя соединяются в общий трехполюсный аппарат и управляются одним приводом ШПО.

Отделители на 220 кВ выполняются в виде трех отдельных полюсов, каждый из которых управляется самостоятельным приводом.

Отключение отделителя происходит автоматически под действием заведенных пружин при срабатывании блокирующего реле или отключающего электромагнита, освобождающих механизм свободного расцепления привода. Включение отделителя производится вручную.

Конструкции короткозамыкателей и отделителей:

На рис. 4.1.1. показан короткозамыкатель на напряжение 35 кВ КЗ-35. В скобках приведены размеры для короткозамыкателя на 110 кВ.

Рис. 4.1.1 Короткозамыкатель КЗ-35

На стальной коробке 1 установлен опорный изолятор 2. Вверху опорного изолятора расположен неподвижный контакт 3, находящийся под высоким напряжением. Подвижный заземленный контакт - нож 4 укреплен на валу 5 привода короткозамыкателя. Основание 1 изолировано от земли. На вал 5 действует пружина привода, которая заводится в отключенном состоянии. Для включения подается команда на электромагнит привода, который освобождает защелку механизма. Под действием пружины нож перемещается в вертикальной плоскости и заземляет контакт 3. Время включения такого короткозамыкателя 0,15-0,25 с.

Рис. 4.1.2. Отделитель

В основу конструкции отделителя ОД-220 на напряжение 220 кВ положен двухколонковый разъединитель с вращением ножей 1 в горизонтальной плоскости, рис. 4.1.2 Приведение в движение колонок 2 осуществляется пружинным приводом 3 с электромагнитным управлением. Во включенном положении пружины привода заземлены. При подаче команды пружина освобождается и контакты расходятся за время 0,4-0,5 с.

4.2 ПРИНЦИП ДЕЙСТВИЯ ОТДЕЛИТЕЛЕЙ КОРОТКОЗАМЫКАТЕЛЕЙ

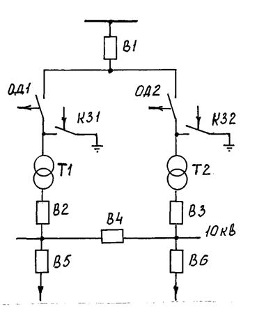
Рис. 4.2.1 Схема коммутации с отделителями и короткозамыкателями

В качестве примера применения короткозамыкателей и отделителей на рис. 4.2.1. приведена схема питания от одной линии двух трансформаторных группТ1иТ2. 220кВ

В схему кроме быстродействующих короткозамыкателей КЗ-1 и КЗ-2, введены отделители ОД-1 и ОД-2, которые при нормальном режиме работы замкнуты. Допустим вследствие ухудшения изоляции трансформатора Т1 внутри него возникают электрические разряды, которые приводят к разложению масла и выделению газа. Газовые пузырьки, поднимаясь вверх, приводят к срабатыванию газового реле. По сигналу этого реле включается короткозамыкатель и в цепи возникает искусственное короткое замыкание. Под действие тока КЗ срабатывает выключатель защиты В1 и оба трансформатора Т1 и Т2 обесточиваются. С помощью релейной защиты трансформатора Т1 отключается также выключатель В2, после чего с некоторой выдержкой отключается отделитель ОД1. Затем, так как режим искусственного КЗ оказался отключенным, снова включается выключатель В1, то есть срабатывает АПВ (автоматическое повторное включение) этого выключателя. Если до аварии выключатель В4 был отключен, то после включения выключателя В1 он может быть включен, то есть сработает АВР (автоматический ввод резерва). При этом будет восстановлено питание потребителей на шинах 10 кВ первой трансформаторной группы.

Эффективность такой схемы тем выше, чем больше номинальное напряжение сети. Указанный эффект достигается за счет отсутствия выключателей на стороне 35-220 кВ, а также аккумуляторных батарей и компрессорных установок. Уменьшается площадь подстанции. Сокращаются сроки строительства.

 


Список использованной литературы


1. Китаев В.Е. Трансформаторы. Москва, «Высшая школа», 1974

2. Грумбина А.Б. Электрические машины и источники питания РЭА. Москва, «Энергоатомиздат», 1990

3. Чунихин А.А. Электрические аппараты: Общий курс. Учебник для вузов. 3-е изд., перераб. и доп. - М.: Энергоатомиздат, 1988. - 720 с. 2. Электротехнический справочник. Том 1, книга 2. 4 изд., перераб./ Под общей ред. профессоров П.Г.Грудинского, Г.Н. Петрова, М.М. Соколова и др. -М: Энергия, 1971. - 880 с.

4. Двухколонковые горизонтально поворотные разъединители типа SGF для наружной установки. Руководство по монтажу и эксплуатации. Екатеринбург, 2000.- 68с.

5. А.А.Федоров «Справочник по электроснабжению и электрооборудованию» (в двух томах, М.: Энергоатомиздат, 1987г.).

6. Ю.Г Барыбин. «Справочник по проектированию электроснабжения.», (М.: Энергоатомиздат, 1990 г., -576 с.:ил.).

7. Б.А. Соколов, Н.Б.Соколова «Монтаж электрических установок», (М.: Энергоатомиздат, 1991 г.,-592 с.:ил.).


Не нашли материал для своей работы?
Поможем написать уникальную работу
Без плагиата!
Без нейросетей!