Проектирование крана-штабелера

  • Вид работы:
    Курсовая работа (т)
  • Предмет:
    Другое
  • Язык:
    Русский
    ,
    Формат файла:
    MS Word
    794,48 Кб
  • Опубликовано:
    2012-11-05
Вы можете узнать стоимость помощи в написании студенческой работы.
Помощь в написании работы, которую точно примут!

Проектирование крана-штабелера

Введение

Стеллажный автоматический опорный одноколонный кран-штабелер с телескопическим захватным органом УНИПТМАШ.

Стеллажным называется кран-штабелер с вертикальной колонной, перемещающейся в проходе между стеллажами.

Одноколонный стеллажный кран-штабелер имеет нижнюю ходовую балку, на которой установлены приводное и холостое колеса. К балке крепят колонну, на верхней части которой установлены горизонтальные ролики, удерживающие кран-штабелер в вертикальном положении.

Одноколонный стеллажный кран-штабелер по сравнению с двухколонным имеет минимальную собственную массу и размеры; позволяет лучше использовать высоту помещения и более удобен при монтаже. Недостатками одноколонного стеллажного крана-штабелера являются относительно большое поперечное перемещение грузоподъемника и увеличенные нагрузки на направляющие катки грузоподъемника в результате его консольного расположения, и, как следствие этого, - большой износ катков и направляющих колонны. Однако эти недостатки не оказывают существенного влияния при грузоподъемности кранов-штабелеров до 2,0-2,5 т., и т.к. у крана-штабелера УНИПТМАШ грузоподъемность Q=1 т. в данном случае эти недостатки можно не учитывать.

Стеллажный кран-штабелер является наиболее эффективным складским оборудованием. Краны-штабелеры позволяют рационализировать складское хозяйство, экономить площади, высвободить значительное количество вспомогательных рабочих и открывают широкие возможности для автоматизации складирования. Краны-штабелеры применяют в самых различных отраслях промышленности, но особенно эффективно - в машиностроении, металлургической промышленности, материально-техническом снабжении.

Основные параметры крана-штабелера УНИПТМАШ:

1)       высота подъема груза ;

)         скорость передвижение крана-штабелера ;

доводочная скорость передвижение крана-штабелера ;

)         скорость подъема грузозахвата ;

доводочная скорость подъема грузозахвата ;

)         выдвижение грузозахвата ;

)         грузоподъемность крана ;

)         вес крана .

1. Расчет механизма передвижения

1.1 Выбор ходового колеса и горизонтальных роликов

ролик редуктор сцепление ездовой

Расчет ходовых колес

 

Рис. 1.1

Нагрузку приложенную на ходовое колесо найдем, в соответствии со схемой приведенной на рис. 1.1, как:

, (1.1)

где  и  - масса крана и масса груза с грузозахватом; .

Подставляя численные значения получаем:

.

Выбираем диаметр колеса  (см. , табл. V.2.47, с. 319); ширина плоского рельса  (ГОСТ 4693-77).

При работе крана его ходовые колеса нагружены весом крана и груза. Эти нагрузки действуют в радиальном направлении и вызывают контактные напряжения. В зависимости от типа поверхности катания колеса и рельса различают линейный и точечный контакты. В данном случае будем рассматривать линейный контакт.

Проверяем колесо на контактные напряжения в ободе при линейном контакте:

, (1.2)

где  при стальном колесе (см. , с. 319);  - длина линии контакта, см;  - коэффициент толчков (см. , п. I.8, с. 69), ;  - допускаемое контактное напряжение, МПа (см. , табл. V.2.46, с. 318); для Сталь 45 (ГОСТ 1050-74) .

Подставляя числовые значения в формулу (1.2) получаем:

.

Расчет горизонтальных роликов

 

Рис. 1.2

 

Горизонтальную нагрузку на опоры найдем в соответствии с рис. 1.3:

, (1.3)

где ; .

Тогда

C грузом:

Без груза:

Диаметр роликов примем равным . Длина линии контакта  (см. рис. 1.3).

Рис. 1.3

Силу действующую на один ролик найдем как .

Проверим горизонтальный ролик на контактные напряжения в ободе при линейном контакте (см. (1.2)):

.

1.2 Расчет статического сопротивления передвижению

Статическое сопротивление передвижению  состоит из сопротивления от трения в ходовых частях на прямолинейном пути , от уклона пути  на угол :

. (1.4)

Сопротивление от трения в ходовых частях на прямолинейном участке пути, считая ,

, (1.5)

где  и - масса крана и масса груза с грузозахватом; ; , ,  и - диаметры нижних и верхних колес и их цапф; - коэффициент трения подшипников, приведенный к цапфе колеса;- коэффициент трения качения, ; - горизонтальная нагрузка на опоры; - коэффициент, учитывающий трение реборд и ступиц колес.

Теперь можем найти  по формуле (1.5), принимая  (см. , табл. VI.3.2, с. 421),  (см. , табл. V.1.69, с. 237),  (см. , табл. VI.3.3, c. 422):

Максимальное сопротивление передвижению груженого крана:

Минимальное сопротивление передвижению груженого крана при :

Максимальное сопротивление передвижению порожнего крана:

Минимальное сопротивление передвижению порожнего крана при :

Сопротивление движению от уклона пути

, (1.6)

где  - уклон пути, принимают равным для велосипедного крана - 0,003.

Тогда

Груженый кран:

.

Порожний кран:

Подставляя в формулу (1.4) полученные значения, имеем:

.3 Определение параметров мотор-редуктора

Статическая мощность двигателя , кВт, при установившемся движении:

, (1.7)

где  - по формуле (1.4), Н;  - номинальная скорость движения крана, м/с;  - общий КПД механизма передвижения; ¸.

Принимая , по формуле (1.7) найдем:

.

Номинальная частота оборотов колеса:

. (1.8)

Подставляя численные значения получаем:

,

Найдем требуемый вращающий момент на тихоходном валу редуктора:

,

здесь - принятое КПД механизма передачи момента от колеса к редуктору.

Тормозной момент на валу двигателя найдем как

, (1.9)

где время торможения .

Время торможения принимаем равным 4 с, тогда

.

По результатам расчета параметров двигателя и тормоза выбираем мотор-редуктор производства немецкой фирмы Bauer BK30 с двигателем D09LA4 и встроенным тормозом постоянного тока, питающегося от встроенного выпрямителя Z008B. Параметры приведены в таблице 1.1

Таблица 1.1

Тип двигателя

D09LA4

Тип редуктора

BK30, конический

Мощность на валу , кВт1.5


Частота вращения вала , об/мин1390


Передаточное число

12

Максимальный момент , 111


Коэффициент эксплуатации fb

2,9

Момент инерции , 0.0021


Тип тормоза

Z008B, постоянного тока

Тормозной момент , 20


.4 Проверка времени торможения и пуска

Здесь будет необходимо найти время разгона и торможения груженой и порожней тележки, а затем, с учетом сил инерции, рассчитать коэффициент запаса по сцеплению для этих состояний. Результаты вычислений будут сведены, в конце, в таблицу.

Средний пусковой момент двигателя, посредством системы управления будет равен:


Тормозной момент тормоза будет настроен на значение: .

Определение времени разгона груженого крана.

 

Определение времени разгона порожнего крана.

 

 

Определение времени торможения груженого крана.

 

 

Определение времени торможения порожнего крана.

 


1.5 Расчет запаса сцепления

Теперь, для всех 4-х случаев сравним силы сопротивления движению, включая силы инерции с силами сцепления колес с поверхностью катания:


 и  - соответственно силы сцепления приводных колес с поверхностью катания груженого и порожнего крана.  - коэффициент сцепления для кранов работающих в закрытом помещении [2, стр. 425].

При разгоне груженого крана коэффициент запаса по сцеплению равен:


При разгоне порожнего крана коэффициент запаса по сцеплению равен:


При торможении груженого крана коэффициент запаса по сцеплению равен:


При торможении порожнего крана коэффициент запаса по сцеплению равен:


Результаты расчетов в данном пункте сведены в таблицу:

Таблица 1.2


Время, с

Коэффициент запаса по сцеплению

Груженый кран

разгон

3,2

1.7


торможение

2,2

1.45

Порожний кран

разгон

2.3

1.2


торможение

1,7

1.05

.6 Определение оптимальных параметров балки

Коробчатая конструкция обладает меньшей трудоемкостью изготовления, чем ферменная, высоким сопротивлением усталости, меньшей высотой моста. В настоящее время этот тип конструкции моста имеет наибольшее распространение.

Исходя из условий эксплуатации конструкции, выбираем в качестве материала углеродистую сталь ВСт3сп5, имеющую предел текучести .

Расчет и выбор сечения главной балки будем производить исходя из рекомендаций данных в [10, стр. 322]:

Высота моста равна (исходя из условий жесткости):

Высоту балки определим из соотношения


где

L-база крана.

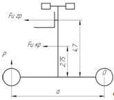
Базу крана определим исходя их расчета на устойчивость крана при торможении. В этот момент на кран действуют силы инерции от веса крана и от веса груза, а так же реакции в опорах. Зная эти значения можно составить уравнение суммы моментов относительно оси вращения переднего колеса, так как относительно нее может произойти опрокидывание. Из этого уравнения можно выразить значение базы крана «а».

Рис. 1.4

L=5 м


Ширина балки определится как

Толщину стенки примем равной dс = 6 мм и толщину пояса dп = 6 мм.

В целях облегчения конструкции и упрощения ее изготовления было принято решение изготавливать балку из двух швеллеров.

2. Расчет механизма подъема

.1 Тяговый расчет

Рис. 2.1

Горизонтальная нагрузка на ролики:

, (2.1)

где  масса груза;  и  (см. рис. 2.1).

Сопротивление при подъеме

, (2.2)

где  и  - диаметр ролика и его цапфы;  - коэффициент трения подшипников, приведенный к цапфе ролика; - коэффициент трения качения.

Подставляя численные значения в (2.1) и (2.2) получаем

,

.

Тяговым элементом в механизме подъема является приводная цепь типа ПР. Подбор цепи производят по запасу прочности  относительно разрушающей нагрузки :

, (2.3)

где  - максимальное рабочее натяжение цепи конвейера

, (2.4)

где  - минимальное натяжение цепи; ,  масса каретки; коэффициент запаса прочности .

Подставляя численные значения в (2.4) и (2.3) получаем

,

.

Теперь можем подобрать цепь со следующими параметрами по ГОСТ 13568-90 (см. , Табл. 1, с. 649):

ПР-38.1-127

разрушающая нагрузка ;

шаг цепи ;

диаметр валика цепи ;

масса 1 м цепи .

Выбор размеров грузонесущих органов.

Расчет геометрических параметров звездочки

Таблица 2.1

Наименование параметров

Расчетная формула (обозначение)

Вычисления

Примечание

Шаг цепи

См. , Табл. III.1.9, с. 283



Диаметр элемента зацепления цепи

См. , Табл. III.1.9, с. 283



Геометрическая характеристика зацепления

См. , Табл.31, с. 683



Шаг зубьев звездочки

См. , Табл.31, с. 683



Число зубьев звездочки

___



Диаметр делительной окружности

в шагах

См. , Табл.38, с. 690




в мм

См. , Табл.31, с. 683



Диаметр наружной окружности

См. , Табл.31, с. 684



Коэффициент высоты зуба

См. , Табл.31, с. 684



Коэффициент числа зубьев

См. , Табл.39, с. 690



Диаметр окружности впадин

См. , Табл.31, с. 684



Смещение центров дуги впадин

См. , Табл.31, с. 684



Радиус впадин зубьев

См. , Табл.31, с. 684



Половина угла заострения зуба

___



Угол впадины зуба

См. , Табл.32, с. 685



Схема механизма подъема представлена на рис. 2.2.

Рис. 2.2

Тяговый расчет для направления I-I имеет вид:

, (2.5)

где  и  коэффициент сопротивления на звездочке при угле обхвата  и  соответственно.

При направление движения II-II имеем

 (2.6)

Подставляя численные значения в (2.5) и (2.6) имеем

 

I-I:

II-II:


Строим диаграмму натяжения (см. рис. 2.3).

Рис. 2.3 Диаграмма натяжений

 

Параллельным переносом II-II совмещаем с началом I-I, получаем II’ - II’. С помощью диаграммы найдем . Привод и натяжное устройство устанавливаем в точке 1.

2.2 Выбор двигателя

Статическая мощность двигателя , кВт, при установившемся движении:

, (2.7)

где  - номинальная скорость подъема грузозахвата, м/с;  - общий КПД механизма подъема; .

Тогда:

.

Выбираем двигатель трехфазный асинхронный короткозамкнутый серии 4А исполнения 1М 1081 (см. , табл. III.3.1, c. 300):

А100L4У3 (номинальная мощность ; номинальная частота вращения ; момент инерции ротора ).

Передаточное число  механизма при номинальной частоте вращения двигателя  и звездочки , об/мин, диаметром , м, найдем как:

, (2.8)

где .

Подставляя численные значения получаем:

, тогда

.

.3 Выбор редуктора

Двигатель и редуктор соединены при помощи ременной передачи, с передаточным числом . Тогда передаточное число редуктора

.

В качестве редуктора возьмем червячный 2Ч-63, со следующими параметрами:

передаточное число ;

момент на тихоходном валу ;

КПД .

.4 Выбор тормоза

Тормозной момент приведенный к валу двигателя

, где .

Тогда

.

По тормозному моменту выбираем тормозную муфту Э1ТМ 064-1A (номинальный тормозной момент ).

.5 Расчет ременной передачи

Расчет ременной передачи будет производится при помощи программы ЭВМ. Исходными данными для расчета являются:

1.       вид передачи: реверсивная;

2.       Ресурс: 10000 ч;

3.       Частота вращения вала двигателя: ;

.         Вращающий момент на валу двигателя: ;

.         Режим нагружения: средний нормальный по ГОСТ 21354-87;

.         Передаточное число ;

.         Тип ремня: ремень клиновой приводной кордотканевый по ГОСТ 1284.1-80.

ПРОЕКТНЫЙ РАСЧЕТ КЛИНОРЕМЕННОЙ ПЕРЕДАЧИ

ЧАСТОТА ВРАЩЕНИЯ б.ход. вала 1430.0 об./мин.

РЕСУРС ПЕРЕДАЧИ 10000 ч

ВРАЩАЮЩИЙ МОМЕНТ на б.ход. валу 4.7 Н*м

ПЕРЕДАЧА реверсивная

РЕЖИМ НАГРУЖЕНИЯ средний нормальный по ГОСТ 21354-87 КОЭФФ.

ПЕРЕГР.2.00

ТИПОРАЗМЕР СЕЧЕНИЯ ремней 0

РАСЧЕТНАЯ ДЛИНА 900 мм

КОЛИЧЕСТВО РЕМНЕЙ в комплекте (или ребер поликлинового ремня) 2

РЕГУЛИРОВКА НАТЯЖЕНИЯ РЕМНЕЙ периодическая

РЕСУРС комплекта ремней 1000 ч МАССА комплекта ремней 0.11 кг

КОЛИЧЕСТВО КОМПЛЕКТОВ ремней на весь срок службы передачи 10

ПЕРЕДАТОЧНОЕ ОТНОШЕНИЕ 2.00

МЕЖОСЕВОЕ РАССТОЯНИЕ 282 (+ 16/ - 6) мм

РАСЧЕТНЫЕ ДИАМЕТРЫ шкивов [мм]: меньшего 71 большего 140

ШИРИНА шкивов 28 мм

УСЛОВНЫЙ ОБЪЕМ шкивов 542 куб. см

СИЛА, действующая на валы [Н]: в покое 279 при работе передачи 275

СИЛА предварительного натяжения комплекта ремней 140 Н

ПОЛЕЗНЫЕ НАПРЯЖЕНИЯ В РЕМНЕ [МПа]: расчетные 1.44 допускаемые 1.74

2.6 Определение параметров мотор-редуктора

В целях оптимизации конструкции было принято решение установить на механизм подъема червячный мотор-редуктор. По результатам расчета параметров двигателя и тормоза выбираем мотор-редуктор производства немецкой фирмы Bauer BS40 с двигателем D11MA4 и встроенным тормозом постоянного тока, питающегося от встроенного выпрямителя E015B. Параметры приведены в таблице 2.2

Таблица 2.2

Тип двигателя

D11МA4

Тип редуктора

BS40, червячный

Мощность на валу , кВт4


Частота вращения вала , об/мин1440


Передаточное число

40

Максимальный момент , 850


Коэффициент эксплуатации fb

0.94

Момент инерции , 0.0213


Тип тормоза

E015B, постоянного тока

Тормозной момент , 70



3. Расчет механизм выдвижения каретки

3.1 Тяговый расчет

Сопротивление передвижению верхней платформы каретки


, (3.1)

где  - масса груза с кареткой, кг; ;  коэффициент учитывающий сопротивление колес , где  (см. , табл. VI.3.2, с. 421),  (см. , табл. V.1.69, с. 237), , .

Подставляя численные значения получаем

Суммарное сопротивление каретки

, (3.2)

тогда

.

Тяговым элементом в механизме выдвижения каретки является пластинчатая цепь. Подбор цепи производят по запасу прочности  относительно разрушающей нагрузки  (см. (2.3)).


где  - минимальное натяжение цепи.

Подставляя численные значения в (3.3) и (2.3) получаем (при  (см. , с. 257)

.

Теперь можем подобрать цепь со следующими параметрами по по ГОСТ 13568-90 (см. , Табл. 1, с. 649):

ПР-19.06-3180

разрушающая нагрузка ;

шаг цепи ;

диаметр валика цепи ;

масса 1 м цепи .

Расчет звездочки см. Табл. 3.1.

Расчет геометрических параметров звездочки

Таблица 3.1

Наименование параметров

Расчетная формула (обозначение)

Вычисления

Примечание

Шаг цепи

См. , Табл. III.1.9, с. 283



Диаметр элемента зацепления цепи

См. , Табл. III.1.9, с. 283



Геометрическая характеристика зацепления

См. , Табл.31, с. 683



Шаг зубьев звездочки

См. , Табл.31, с. 683



Число зубьев звездочки

___



Диаметр делительной окружности             в шагах 

См. , Табл.38, с. 690



 


в мм

См. , Табл.31, с. 683



Диаметр наружной окружности

с. 684



Коэффициент высоты зуба

См. , Табл.31, с. 684



Коэффициент числа зубьев

См. , Табл.39, с. 690



Диаметр окружности впадин

См. , Табл.31, с. 684



Смещение центров дуги впадин

См. , Табл.31, с. 684



Радиус впадин зубьев

См. , Табл.31, с. 684



Половина угла заострения зуба

___



Угол впадины зуба

См. , Табл.32, с. 685




3.2 Выбор двигателя

Статическая мощность двигателя , кВт, при установившемся движении:

, (3.6)

где  - номинальная скорость выдвижения грузозахвата, м/с;  - общий КПД механизма выдвижения; .

Выбираем двигатель трехфазный асинхронный короткозамкнутый серии 4А исполнения 1М 1081 (см. , табл. III.3.1, c. 300):

ААМ56А4ЕЭ (номинальная мощность ; номинальная частота вращения ; момент инерции ротора ).

Передаточное число  механизма при номинальной частоте вращения двигателя  и звездочки , об/мин, диаметром , м, найдем как:

, (3.7)

где .

Подставляя численные значения получаем:

, тогда

.

.3 Определение параметров мотор-редуктора

В целях оптимизации конструкции было принято решение установить на механизм подъема червячный мотор-редуктор. По результатам расчета параметров двигателя и тормоза выбираем мотор-редуктор производства немецкой фирмы Bauer BS02 с двигателем D04LA4 и встроенным тормозом постоянного тока, питающегося от встроенного выпрямителя E003B. Параметры приведены в таблице 3.2

Таблица 3.2

Тип двигателя

D04LА4

Тип редуктора

BS02, червячный

Мощность на валу , кВт0,12


Частота вращения вала , об/мин1350


Передаточное число

33

Максимальный момент , 16.7


Коэффициент эксплуатации fb

1.5

Момент инерции , 0.0002


Тип тормоза

E003B, постоянного тока

Тормозной момент , 3



4. Разработка системы управления

 

.1 Объекты управления и принципы построения систем автоматического управления с использованием преобразователей частоты


В данной части требуется спроектировать систему управления краном-штабелером.

Объектами управления в данном механизме являются:

·        двигатель механизма подъема D11МA4 - асинхронный трехфазный с короткозамкнутым ротором;

·        двигатель механизма выдвижения D04LА4 - асинхронный трехфазный с короткозамкнутым ротором;

·        двигатель механизма передвижения крана D09LA4 - асинхронный трехфазный с короткозамкнутым ротором;

·        тормоз механизма подъема Е015В

·        тормоз механизма выдвижения Е003В

·        тормоз механизма передвижения крана Z008B

Целью разработки является анализ возможности применения асинхронных двигателей с короткозамкнутым ротором в механизмах крана и системы частотного электропривода в приводах механизмов крана.

Главные функции:

·        управление подъемом и опусканием груза;

·        управление перемещением крана;

·        управление выдвижением грузозахватного органа;

Вспомогательные функции:

·        включение освещения, сигнализации;

Одним из основных направлений в повышении эффективности эксплуатации кранов является снижение энергопотребления. Другое направление это повышение надёжности механизмов крана. Оба направления позволяют более эффективно использовать грузоподъёмное оборудование.

Использование частотно-регулируемого электропривода позволяет решить обе задачи достаточно невысокими затратами.

Частотный преобразователь используется с асинхронными двигателями с короткозамкнутым ротором. Для плавного регулирования скорости и момента двигателя с короткозамкнутым ротором применение частотного преобразователя является единственным доступным решением.

Достоинства частотно-регулируемого электропривода по сравнению с другими схемами управления электродвигателем это:

·    надёжность, простота и относительная дешевизна;

·        большая глубина регулирования скорости, доходящая до 1:1000;

·        высокий коэффициент использования мощности (близкий к единице);

·        отсутствие необходимости применения фильтро-компенсационной установки;

·        меньшая относительная величина генерируемых в сеть гармоник;

·        более высокая электрическая надёжность;

·        допуск больших падений напряжения в питающей сети.

Для сравнения можно привести особенности классической схемы управления электроприводами с помощью контроллеров и асинхронных двигателей с фазным ротором. Момент и скорость вращения регулируется путём введения в цепь ротора балластных сопротивлений. Недостатки такого способа известны:

·    большие потери электроэнергии, обусловленные низким cos ф и КПД.

·        выход из строя электродвигателей из-за перекосов в роторных цепях, вызванных потерей контактов в цепях сопротивлений или контакторах ускорений.

·        ударное изменение момента двигателей, и как следствие динамические перегрузки узлов крана, обусловленных ступенчатым выведением сопротивлений из цепи ротора.

Цена комплекта «частотный преобразователь - асинхронный двигатель с короткозамкнутым ротором» сопоставима с ценой других решений, как к примеру «пусковой дроссель двигатель с фазным ротором».

Разгон и торможение приводов с использованием частотного преобразователя осуществляется по S-образному закону, что обеспечивает плавное нарастание моментов и усилий во всех узлах и механизмах крана. Поскольку управляемое торможение выполняет сам электропривод, а тормоз служит лишь для удержания механизма после полной остановки, существенно уменьшается раскачивание груза после остановки. 

Система управления позволяет также решить задачу по перекосу крана и защите двигателей, значительно облегчает работу машинистов крана.

Использование частотно-регулируемого электропривода позволяет экономить, по некоторым оценкам, до 60% электроэнергии, для крановых механизмов позволяет сократить при изготовлении новых кранов затраты на электрооборудование до 50%, а при реконструкции действующих кранов значительно увеличить надёжность работы не только электрической, но и механической части крана (редукторов, муфт, валов, скатов, и т.д.) за счёт отсутствия рывков, ударов и плавного, но интенсивного торможения.

Производители частотных преобразователей, как к примеру, Шнайдер Электрик, выпускают серию преобразователей разной мощности, специально адаптированную к применению в грузоподъёмных кранах.

Особенности данной серии:

·    управление тормозом, адаптированное для приводов перемещения, подъёма и поворота;

·        весоизмерение;

·        подъём с повышенной точностью;

·        контроль состояния тормоза;

·        управление воздействием концевых выключателей окончания хода;

·        минимальное время реакции при отработке команд 2 мс.

Таким образом, применение частотных преобразователей наиболее современное решение для управления электродвигателями с короткозамкнутым ротором.

Так же преобразователи частоты большое применение находят в погрузочно-разгрузочных операциях, фасовочно-упаковочном оборудовании, текстильных машинах, деревообрабатывающих машинах, технологическом оборудовании, лифтах, вентиляции, насосных станциях.

Систему управления краном функционально можно разделить на четыре части: сенсорика, логические устройства, усилители мощности и исполнительный механизм.

Сенсорика включает в себя датчики, предотвращающие аварийные режимы крана. Это датчики крайнего положения тележки, крайнего положения крюка и крайнего положения крана. Они устанавливаются на металлоконструкциях и обесточивают соответствующий механизм при срабатывании. Также установлены датчики скорости крана, тележки, подъема и опускания крюка.

Логические устройства представляют собой механизм для непосредственного управления краном: выбора скорости подъёма-опускания груза, скорости передвижения крана и тележки.

Усилитель мощности состоит из контакторов и служит для коммутации электрических цепей большой мощности по средствам маломощного сигнала управления, поступающего с контроллеров соответствующего механизма.

Исполнительные устройства - это электрические механизмы, необходимые для преобразования электрической энергии в механическую.


В проектируемой системе частотного управления краном-штабелером будет использовано следующее оборудование фирмы Schnieder Electric:

1. ПЛК TWIDO COMPACT LCAA 24DRF

Компактный контроллер с 24 вх/вых имеет:

• 14 цифровых входов и 10 релейных выходов

• 2 потенциометра

• 1 интегрированный последовательный порт

• слот для дополнительного последовательного порта

Допускается:

• до 4 модулей расширения вх./вых.

• дополнительный картридж (RTC или память - только 32 Kб)

• дополнительный дисплей


2. «Ведущий» модуль TWD NCO1M шины CANopen.

«Ведущий» модуль TWD NCO1M шины CANopen позволяет программируемым контроллерам Twido версии 3.0, компактному TWD LCpA 24DRF или TWD LCAp 40DRF и всем модульным контроллерам, оперировать в качестве «ведущего» шины CANopen.

Шина состоит из «ведущей» станции, контроллера Twido и «ведомых» станций. «Ведущая» станция отвечает за конфигурацию, обмен и диагностику.

Шина CANopen позволяет управлять такими «ведомыми» станциями, как:

·        дискретные «ведомые» станции;

·        аналоговые «ведомые» станции;

·        преобразователи частоты;

·        пускатели двигателей.

«Ведущая» станция Twido CANopen может обслуживать до 16 «ведомых» станций, каждая из которых имеет вход и выход PDO (данные процесса объекта). Если «ведомая» станция имеет более одного PDO, максимальное количество «ведомых» станций сокращается на эту величину. «Ведущий» модуль Twido CANopen может управлять 16 входами и 16 выходами PDO.

«Ведущий» модуль шины CANopen TWDNCO1M включают в себя:

. 3% контактный разъем питания 24 В пост. тока с заземлением

. Индикатор PWR питания модуля «ВКЛ./ОТКЛ.»

. 9% контактный разъем SUB % D для подключения к шине CANopen

. Клемма заземления

. Разъем для подключения к контроллеру Twido или модулю расширения

 

. Преобразователь частоты Altivar 31.


В системе используется три ПЧ, по одному на двигатель каждого механизма.

4.2 Принцип работы системы управления (КШ забирает груз из стеллажа)

В исходном положении кран-штабелер (КШ) застопорен. КШ начинает работать после того как получит сигналы с датчиков S1 (датчик наличия груза на каретке), в рассматриваемом случае груза на грузозахвате быть не должно, S2 (датчик считывания адреса по горизонтали) и S3 (датчик положения калитки), дверца ограждения должна находится в закрытом состояние.

При начале работы механизма перемещения с помощью датчика S2 выдается сигнал о начале движения крана, отключается тормоз механизма передвижения, выдается световой сигнал (который работает все время работы крана). Датчик S2 выдает сигнал перехода на доводочную скорость (для точности позиционирования), когда до адреса остается 2 ячейки и далее датчик S2 выдает сигнал о приходе в адрес, включается тормоз механизма передвижения.

При начале работы механизма подъема с помощью датчика S4 (датчик считывания адреса по вертикали) выдается сигнал о начале движения каретки, отключается тормоз механизма подъема. Датчик S4 выдает сигнал о приходе в адрес.

При начале работы механизма выдвижения каретки с помощью датчика S5 (датчик среднего положения грузозахвата) выдается сигнал о приходе грузозахвата в крайнее положение (грузозахват выдвинут), включается тормоз механизма выдвижения каретки, с помощью датчика S6 (датчик наличия груза на стеллаже) выдается сигнал о наличие груза на стеллаже. Далее начинает работать механизм подъема на доводочной скорости. Срабатывание тормоза этого механизма осуществляется по сигналу датчика S7 (датчик переподъема верхний). Затем грузозахват перемещается в исходное положение по горизонтали (т.е. «втягивается» в каретку), в конечном положение срабатывает датчик S5.

Далее КШ возвращается в исходное положение по горизонтали и по вертикали, при получении сигналов от соответствующих датчиков S2 и S4.

Разгрузка грузозахвата происходит следующим образом: начинает работать механизм выдвижения каретки, по сигналу датчика S5 срабатывает тормоз в крайнем положении. Далее механизм подъема на доводочной скорости опускает грузозахват, до тех пор пока не придет сигнал с датчика S8 (датчик переподъема нижний). После чего грузозахват возвращается в исходное положение.

4.3 Выбор датчиков


1) Датчик считывания адреса по горизонтали S2 и датчик считывания адреса по вертикали S4:

ПТП 2

Габаритные размеры, мм: Æ56h6х106

Пределы измерения рабочей частоты следования импульсов, кГц: 0-100

Диапазон рабочих температур, С: +5; +50

2) Датчик среднего положения грузозахвата S5, датчик переподъема верхний S7 и датчик переподъема нижний S8:

ВПВ 18

Напряжение питания, В:         24

Ток нагрузки, А:  0,1

Диаметр, мм:                 8

Расстояние воздействия, мм:          2+0,2

Дифференциал хода, мм:        0,02 - 0,3

Частота срабатывания, Гц:     800

3) Датчик наличия груза на стеллаже S6 и датчик наличия груза на грузозахвате S1:

 

Датчик ДОБЦ-16

Используется 2 два таких датчика - один играет роль излучателя, другой роль приёмника (датчик).

 


5. Расчеты узлов механизма передвижения крана

 

1.       Проверочный расчет подшипников вертикальных колес

Для колес были выбраны подшипники 1310 по ГОСТ 28428-90 с динамической грузоподъемностью равной С=48000 Н [7, с. 222]. Сравним это значение с потребной статической грузоподъемностью, найденной по формуле:

- радиальная нагрузка на подшипник;

- осевая нагрузка на радиальный подшипник;

- коэффициент радиальной динамической нагрузки [9, с. 335 т. 16.5];

- коэффициент осевой динамической нагрузки [9, с. 335 т. 16.5];

- коэффициент вращения при вращающемся внутреннем кольце [9, с. 335];

- коэффициент безопасности при умеренных толчках [9, с. 335];

- температурный коэффициент при температуре до 100°С [9, с. 335];

;

- показатель степени для роликовых подшипников;

;

- коэффициент, учитывающий, что кран не все время движется с номинальной скоростью.

- коэффициент надежности [9, с. 333];

- обобщенный коэффициент для роликовых двухрядных подшипников при обычных условиях применения [9, с. 333];

.

Отсюда следует, что динамическая нагрузка на подшипник не превышает паспортной, при которой подшипник становится не работоспособным.

2.       Проверочный расчет подшипников горизонтальных колес ходовой рамы

Для колес были выбраны подшипники 1000904 ГОСТ 8338-75 с динамической грузоподъемностью равной С=6550 Н [7, с. 222]. Сравним это значение с потребной статической грузоподъемностью, найденной по формуле:

- радиальная нагрузка на подшипник;

- осевая нагрузка на радиальный подшипник;

- коэффициент радиальной динамической нагрузки [9, с. 335 т. 16.5];

- коэффициент осевой динамической нагрузки [9, с. 335 т. 16.5];

- коэффициент вращения при вращающемся внутреннем кольце [9, с. 335];

- коэффициент безопасности при умеренных толчках [9, с. 335];

- температурный коэффициент при температуре до 100°С [9, с. 335];

;

- показатель степени для роликовых подшипников;

;

- коэффициент, учитывающий, что тележка не все время движется с номинальной скоростью.

- коэффициент надежности [9, с. 333];

- обобщенный коэффициент для роликовых двухрядных подшипников при обычных условиях применения [9, с. 333];

.

Отсюда следует, что динамическая нагрузка на подшипник не превышает паспортной, при которой подшипник становится не работоспособным.

3.       Проверочный расчет вала приводного колеса

Расчетная схема для проверки вала колеса представлена на рис. 3.2. Расчетное сечение было выбрано под колесом.

Реакции в опоре


Максимальный суммарный изгибающий момент в расчетном сечении


Крутящий момент в расчетном сечении:


Осевой момент сопротивления расчетного сечения вала:


Полярный момент сопротивления расчетного сечения вала:


Напряжения от изгиба:

Касательные напряжения:

Материал вала - сталь 35ХГСА ГОСТ 4543-71* с закалкой при температуре 845-875и отпуском при температуре 470-530(, ) [3, стр. 27, табл. 1.1.9].

Вычислим пределы выносливости  и  по рекомендуемым формулам [6, с. 162,164].


Запишем основное условие, выполнение которого обеспечит гарантированную работоспособность валу

, где S - расчетный коэффициент запаса прочности; [S] - требуемое значение коэффициента запаса прочности; принимаем [S]=1.5 [6, стр. 319, ф. 15.3].

Коэффициент запаса прочности S рассчитывается по формуле

,

где ,  - коэффициенты запаса прочности по нормальным и касательным напряжениям.


 - эффективный коэффициент концентрации нормальных напряжений, принимаем  [6, стр. 321, табл. 15.2].для шпоночного паза выполненного концевой фрезой и материалом с ; [4, с. 321, табл. 15.2].  - масштабный фактор для нормальных напряжений, по литературе [4] имеем

, при изгибе


 - коэффициент, учитывающий качество обработки поверхностного слоя вала, принимаем  при шероховатости Ra=0.32…2.5 мкм.


 - эффективный коэффициент концентрации касательных напряжений, принимаем [6, стр. 321, табл. 15.2] для шпоночного паза выполненного концевой фрезой и материалом с ; [6, стр. 321, табл. 15.2].

 - масштабный фактор для нормальных напряжений, по литературе [6] имеем


 - коэффициент, корректирующий влияние постоянной составляющей цикла на сопротивление усталости, зависит от механических свойств материала, по ГОСТ 25.504 его рекомендуют

В формуле для коэффициента запаса уже учтено, что касательные напряжения изменяются по отнулевому циклу, среднее и амплитудное значения напряжений равны половине максимальных.

 - условие сопротивления вала усталости выполняется.


Список использованных источников

1. Справочник по кранам: В 2 т. Т.1. Характеристики материалов и нагрузок. Основы расчета кранов, их приводов и металлических конструкций/В.И. Брауде, М.М. Гохберг, И.Е. Звягин и др.; Под общ. ред. М.М. Гохберга. - Л.: Машиностроение. Ленингр. отд-ние, 1988. 536 с.

. Справочник по кранам: В 2 т. Т.2. Характеристики и конструктивные схемы кранов. Крановые механизмы, их детали и узлы. Техническая эксплуатация кранов/ М.П. Александров, М.М. Гохберг, А.А. Ковин и др.; Под общ. Ред. М.М. Гохберга. - Л.: Машиностроение. Ленингр. отд-ние, 1988. 559 с.

. Александров М.П. Подъемно-транспортные машины: Учеб.для машиностроит. Спец. Вузов. - 6-е изд., перераб. - М.: Высш.шк., 1985. 520 с.

. Кузьмин А.В., Марон Ф.Л. Справочник по расчетам механизмов подъемно-транспортных машин. - 2-е изд., перераб. и доп. - Мн.: Выш. шк., 1983. 350 с.

. Анурьев В.И. Справочник конструктора-машиностроителя. - В 3 т. Т.1. - 8-е изд., перераб. и доп. Под ред. И.Н. Жестковой. - М.: Машиностроение, 2001. 920 с.

. Анурьев В.И. Справочник конструктора-машиностроителя. - В 3 т. Т.2. - 8-е изд., перераб. и доп. Под ред. И.Н. Жестковой. - М.: Машиностроение, 2001. 912 с.

. Анурьев В.И. Справочник конструктора-машиностроителя. - В 3 т. Т.3. - 8-е изд., перераб. и доп. Под ред. И.Н. Жестковой. - М.: Машиностроение, 2001. 864 с.

. Дунаев П.Ф., Леликов О.П. Конструирование узлов и деталей машин: Учеб. Пособие для студ. техн. спец. вузов - 8-е изд., перераб. и доп. - М.: Издательский центр «Академия», 2003. 496 с.

. Иванов М.Н. Финогенов В.А. Детали машин - М.: Высш. Шк., 2003.

Похожие работы на - Проектирование крана-штабелера

 

Не нашли материал для своей работы?
Поможем написать уникальную работу
Без плагиата!
Без нейросетей!