|
Вид обработки
|
Время
обработки, мин.
|
|
Токарная
|
5,3673
|
|
Сверлильно-расточная
|
2,28546
|
|
Итого
|
7,65276
|
5.
Выбор типа конструкции и параметров складской тары
Размеры и грузоподъемность складской тары регламентированы, в
соответствии с ГОСТ 14861-74 они принимаются из ряда размеров, мм:
x300; 300x400; 400x600; 600x800; 800x800; 800x1000;
x1000; 800x1200; 1000x1200; 1200x1200; 1600x1600;
и грузоподъемности, кг:
; 25; 50; 100; 160; 250; 500; 1000.
Исходя из формы заданной детали и ее массы, после анализа
возможных вариантов размещения принимаем горизонтальное расположение заготовок
в кассете в три ряда по вертикали с одним незаполненным столбцом, для
возможности доступа ко всем заготовкам без применения дополнительных мест их
хранения и три слоя по горизонтали. Тогда в кассете будут находиться N = 24 детали.
Определим размеры и грузоподъемность кассеты (abc):

,
где 
- наружный диаметр заготовки;

- зазор между заготовками, необходимый для возможности ее захвата
схватом перегрузочного робота.
Ближайший к полученному стандартный размер 600x800 мм, тогда

,
чего достаточно для работы перегрузочного робота.
Определим высоту кассеты в снаряженном виде:

;
где l - ширина заготовки в ступичной части;

- высота салазок, необходимых для перемещения кассеты по ГПС
(стандартизованная величина 
)

- толщина листа, являющегося частью кассеты (принимаем из
конструктивных соображений 
= 10 мм).
Определим грузоподъемность кассеты:

;
где N - число заготовок в кассете;

- масса заготовки;

- масса кассеты (примем 40 Кг).
Принимаем грузоподъемность кассеты 160 кг.
Определим грузоподъемность тары, в которой заготовки приходят в
ГПС навалом.
Из соображений универсальности примем размеры данной тары
600x800x300 мм. Допустим что полезный объем ее составляет 580x780x290 мм, что
соответствует 0,13 
.
Грузоподъемность находится, как произведение объема тары,
плотности стали и коэффициента заполнения объема (принимаем 0,4):

.
Принимаем грузоподъемность кассеты 500 кг.
6. Определение числа станков
Число станков каждого типа для обработки деталей в ГПС
определяем по формуле:

;
где 
- потребный фонд времени на годовую производственную программу,
час;

- годовой фонд времени одного станка, год;

- годовая программа производства деталей, шт./год;

- штучное время обработки типовой детали на станке данного типа,
мин;

- время подачи и выдачи кассеты с заготовками из ГПМ, мин;

- размер партии запуска деталей в производство, шт.;
N - число
заготовок в кассете, шт.;

- время наладки станка на новую партию, час;

- время смены инструмента, мин;

- число дней работы ГПС в году;

- число смен работы ГАП в сутки;

- продолжительность рабочей смены, ч;

- коэффициент использования оборудования по времени;
Штучное время обработки одной заготовки определяется по формуле:

;
где 
- основное технологическое время обработки делали (см. таб. №2);

- время технического обслуживания станка, мин;

- время загрузки и разгрузки детали, с;`

- булева переменная, при обслуживании станка перегрузочным
роботом с одним схватом;

- время на технический контроль одной детали, выполняемый без
снятия её со станка, мин;- число контролируемых поверхностей в процессе
обработки детали.
В рассматриваемой ГПС имеются токарные и фрезерные станки.
Определим число токарных станков:

;

.
Определим число фрезерных станков:

;

.
7.
Выбор типов перегрузочных роботов
В качестве перегрузочного выберем робота на полу, рядом со
станком:
страна производитель - Италия;
модель - Paintep;
грузоподъемность - 25 Кг;
число степеней подвижности - 6;
тип привода - гидравлический;
система управления - У;
погрешность позиционирования - 0,4 мм;
наибольший вылет руки - 2100 мм;
скорость линейного перемещения - 600 мм/с;
угловые скорости:

;

;

;

;

;

;
габаритные размеры:= 1650 мм;= 980 мм;= 980 мм;
Рисунок №2
Перегрузочный робот.

8. Определение производительности перегрузочного робота и построение циклограмм
его работ
Производительность перегрузочного робота, входящего в состав
ГПМ и загружающего заготовки из кассеты на станок, определяется по формуле:

;
где 
- время цикла перегрузочного робота, исходя из его технических
характеристик и варианта установки в конкретном случае.
Время цикла перегрузочного робота можно рассчитать по следующей
формуле: 
;
где 
- коэффициент совмещения операций в цикле действия перегрузочного
робота;
n - число элементарных операций по перемещению заготовки, на
которые может быть поделен общий цикл перегрузки одной заготовки из кассеты на
станок;

- продолжительность i-ой
элементарной операции, с.
В данном варианте цикл перегрузочного робота можно представить в
виде следующих элементарных операций:
Таблица №3
|
№
|
Элементарные
операции
|
Формула расчета
времени
|
Время операции,
с
|
|
1
|
Опускание
схвата из исходного положения
|
|
|
|
2
|
Ориентация
схвата и захват заготовки
|
|
3
|
|
3
|
Подъем схвата с
заготовкой
|
|
|
|
4
|
Поворот руки и
схвата с заготовкой
|
|
|
|
5
|
Перемещение
заготовки в станок
|
|
|
|
6
|
Ориентация
схвата и установка заготовки в патрон
|
|
4
|
|
7
|
Радиальное
перемещение порожнего схвата
|
|
|
|
8
|
Перемещение
робота в исходное положение
|
|
|
|
Всего
|
16,9
|
|
С учетом
совмещенных операций
|
11,83
|
В таблице скорости перемещения взяты из технических
характеристик перегрузочного робота, а значения перемещений определены исходя
из компоновки ГПМ как средние для разных типов станков.
Итак производительность перегрузочного робота, входящего в
состав ГПМ и загружающего заготовки из кассеты на станок:

.
Циклограмма
|
№
|
Элементарные
операции составляющие цикл.
|
Время операции,
с.
|
2
|
4
|
6
|
8
|
10
|
12
|
14
|
16
|
18
|
|
1
|
Опускание
схвата из исходного положения
|
2,5
|
|
|
|
|
|
|
|
|
|
|
2
|
Ориентация
схвата и захват заготовки
|
3
|
|
|
|
|
|
|
|
|
|
|
3
|
Подъем схвата с
заготовкой
|
1,6
|
|
|
|
|
|
|
|
|
|
|
4
|
Поворот руки и
схвата с заготовкой
|
2,4
|
|
|
|
|
|
|
|
|
|
|
5
|
Перемещение
заготовки в станок
|
1
|
|
|
|
|
|
|
|
|
|
|
6
|
Ориентация
схвата и установка заготовки в патрон
|
4
|
|
|
|
|
|
|
|
|
|
|
7
|
Радиальное
перемещение порожнего схвата
|
1
|
|
|
|
|
|
|
|
|
|
|
8
|
Перемещение
робота в исходное положение
|
2,4
|
|
|
|
|
|
|
|
|
|
|
Итог
|
|
16,9
|
|
|
|
|
11,8
|
|
|
|
16,9
|
9.
Выбор компоновки ГПМ
Гибкий производственный модуль состоит из
металлообрабатывающего станка 4, СЧПУ этого станка 5, перегрузочного робота 3,
СЧПУ этого робота, конвейера 1. Размеры ГПМ вытекают из размеров его составных
частей и их компоновки. В данном проекте все ГПМ скомпонованы по одной схеме,
что обусловлено заданной линейной компоновкой ГПС и однотипностью (ориентация
шпинделя, способ установки заготовок, близкие
При проектировании компоновки ГПМ необходимо учесть
возможность свободного доступа к станку обслуживающего персонала, для чего
вокруг станка оставляется свободное пространство шириной не менее 400 мм.
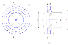
Рисунок №3. габаритные размеры выбранных станков
10. Расчет грузопотоков ГПС
Расчет грузопотоков ГПС необходимы для определения потребной
производительности и количества складских и транспортных роботов, а так же для
расчета вместимости и других параметров автоматического склада.
Общий грузопоток ГПС можно разделить на две основные составляющие:
· грузопоток заготовок, полуфабрикатов и
деталей
· грузопоток инструмента.
Рассмотрим их оба.
Грузопоток заготовок, полуфабрикатов и деталей. В данном
варианте этот грузопоток можно изобразить следующей схемой.
Рисунок №4. УТК - участок технического контроля
Структура грузопотоков заготовок, полуфабрикатов и деталей
ГАП, где
УКК - участок комплектации кассет;
УП - участок поступления;
АС - автоматический склад;
УВ - участок выдачи;
ПУ - производственный участок;
УМС - участок мойки и сушки.
Грузопоток инструмента изображен на следующей схеме.
Структура грузопотоков инструмента, где УНИ - участок
настройки инструмента.
Рисунок №5
Для наглядности расчет грузопотоков приведен в виде таблицы:
Таблица №4. Грузопотоки ГПС
|
Обозначение
|
Направление
|
Расчетная
формула
|
Расчет
|
Значение
|
|
Грузопоток
заготовок, полуфабрикатов и деталей
|
УП→АС
расчет можно вести по формуле для 
, т.к. вместимость и грузоподъемность кассет и поддонов в данном
проекте одинакова
;
|
 .1,67
|
|
|
|
|
|
АС→УКК
|
|
|
1,02
|
|
|
АС→УВ
|
|
|
1,67
|
|

|
|
|
1,02
|
|
|
АС→ПУт
|
|
|
0.5
|
|
|
ПУт→АС
|
|
|
0.5
|
|
|
АС→ПУс
|
|
|
1.14
|
|
|
ПУс→АС
|
|
|
1.14
|
|
|
АС→УТК
|
|
|
0,99
|
|
|
УТК→АС
|
|
|
0,99
|
|
|
АС→УМС
|
|
|
0,99
|
|
|
УМС→АС
|
|
|
0,99
|
|
Грузопоток
инструмента
|
|
|
УП→АС
|
|
|
1,46
|
|
|
АС→УВ
|
|
|
1,46
|
|
|
АС→УНИ
|
|
|
1,46
|
|
|
УНИ→АС
|
|
|
0,76
|
|
|
АС→ПУт
|
|
|
0,23
|
|
|
ПУт→АС
|
|
|
0,23
|
|
|
АС→ПУс
|
|
|
0,53
|
|
|
ПУс→АС
|
|
|
0,53
|
|
Общий
грузопоток
|
|
19,28
|
В таблице введены следующие обозначения:
g - масса одной заготовки;
G - масса заготовок в транспортном поддоне;

- коэффициент, учитывающий брак деталей;

- коэффициент неравномерности (для грузопотоков, выходящих за
пределы ГПС 
, для внутренних грузопотоков 
);

- масса одного инструмента, кг;

- масса транспортной тары с инструментом, примем, кг;

- износостойкость инструмента, мин;

- количество инструмента в инструментальной кассете.
Алгоритм приема поступивших заготовок в автоматический склада
11.
Определение вместимости и параметров автоматического склада
Автоматический склад ГПС должен принимать, накапливать и
выдавать все виды грузов, перерабатываемые в системе: заготовки, полуфабрикаты,
готовые детали, инструмент и др.
Вместимость склада должна быть такой, чтобы не было простоев
основного технологического оборудования (из-за отсутствия заготовок иле из-за
отсутствия места на складе для приема от станков поддонов с полуфабрикатами или
готовыми деталями) и транспортных средств (из-за отсутствия места на складе для
приема прибывшей партии заготовок). Общая вместимость складской подсистемы
определяется по формуле:

;
где τ -
время хранения по грузопотокам:
связанных с внешним транспортом = 50 - 70 ч.;
не связанных с внешним транспортом = 4 - 12 ч.;
Значения грузопотоков получены ранее (см. табл. №4), из них
связанными с внешним транспортом являются следующие: 
.

;
Определим число ячеек по длине склада:

;
где 
- длина стеллажного хранилища;

- длина поддона(кассеты), т.е. тот его размер в плане, которым он
устанавливается вдоль стеллажей;

- по длине стеллажа, учитывающий толщину несущих стоек и зазоры
между поддонами и стойками

.
Число ярусов по высоте стеллажей:

;

- высота стеллажного хранилища;

;
где 
;

;

- высота кассеты (из предыдущих расчетов).
Отсюда:

;
Тогда:

;
Принимаем Z=9.
Ширина склада определяется по формуле:
где b - ширина кассеты;

- размер по ширине, учитывающий зазоры между тарой и
конструкциями стеллажа, между складским роботом и стеллажом, толщину элементов
конструкции стеллажа и пр.
Длина склада определяется по формуле:

;
где 
- длина стеллажей;

- размеры на выход складского робота в концах стеллажей;

;

.
12.
Определение общих размеров ГПС
Общая площадь ГПС сложится из площадей составляющих его ГПМ,
АС, УКК, УМС, УНИ, УТК, а так же из площади, предназначенной для перемещения
перегрузочного робота.
Площадь АС найдем зная его длину и ширину:

;
Площади остальных элементов найдем аналогичным образом

;

;
площади не проектируемых в данном проекте участков принимаем
следующие:

;

;

.

;
где коэффициент 1,2 учитывающий не участвующие в производстве
площади. Высоту здания, необходимого для размещения ГПС примем 
, что обусловлено относительно большой высотой АС.
13.
Определение производительности и количества складских транспортных роботов
Потребная производительность складского робота 
соответствует общему грузопотоку ГПС, и равна (см. табл. №4) 
единицам грузов (поддону, кассете) в час (здесь и далее ег/ч).
Потребная производительность транспортного робота(робокара) 
соответствует общему грузопотоку ГПС без учета следующих его
составляющих: 
и равна:

;
И складской робот-кран штабелер и робокар являются машинами
циклического действия, за цикл тот и другой перемещают одну единицу груза,
следовательно, их производительность можно найти как величину обратную времени
цикла.
Время цикла стеллажного крана-штабелера с автоматическим
управлением

;
где 
- среднее расстояние транспортировки груза за цикл;

- ширина поддона;

- скорости передвижения крана-штабелера и выдвижения грузозахвата
(принимается по технической характеристике стеллажных кранов-штабелеров, для
СВ-ТСС - 0,5);

- время считывания команды и срабатывания аппаратуры.

, что много меньше 1/21 часа, следовательно для обслуживания АС
будет достаточно одного стеллажного крана-штабелера СА-ТСС - 0,5.
Время цикла робокара с автоматическим управлением:

;
где 
- длина траектории движения робокара, исходя из компоновки ГПС;

- скорость движения робокара;

- время погрузки-разгрузки робокара.

, следовательно для обслуживания ГПС будет достаточного одного
робокара.
14.
Описание САУ и построение алгоритма управления для одной из операций
В данном проекте необходимо разработать блок-схему управления
технологической операцией приема полуфабрикатов с производственного участка в
склад. Алгоритм управления для данной операции разработан с учетом следующих
условий и допущений:
· в начальный момент времени перегрузочное
устройство ГПМ, направляющего запрос на АС свободно, перегрузочное устройство
АС свободно, положения КШ и робокара не известны;
· адрес необходимой кассеты формируется в
момент запроса.
Укрупненная блок-схема алгоритма управления технологической
операцией выдачи кассеты заготовок на производственный участок приведена на
листе 2 А1.
автоматизированный
обработка мелкосерийный механический
16. Определение
технико-экономических показателей ГПС
Основные технико-экономические показатели ГПС: капитальные
затраты, годовые эксплуатационные расходы, приведенные затраты, численность
работников, занимаемая производственная площадь, себестоимость производства
одной детали и одной тонны продукции, расход электроэнергии.
Капитальные затраты на вооружение ГПС определяются в табличной
форме (см. табл. 5).
Таблица №5
|
Наименование
|
Стоимость, тыс.
руб.
|
Начисления, %
|
Кол-во
|
Капитальные
затраты, тыс. руб.
|
|
Станок токарный
|
750
|
25
|
4
|
3750
|
|
СЧПУ для стонка
токарного
|
300
|
25
|
4
|
1500
|
|
Станок
сверлильно-расточной
|
750
|
25
|
4
|
3750
|
|
СЧПУ для станка
сверлильно-расточного
|
300
|
25
|
4
|
1500
|
|
Робот
перегрузочный
|
400
|
25
|
2
|
1000
|
|
Система
управления РП
|
200
|
25
|
2
|
500
|
|
Робот складской
|
600
|
25
|
1
|
750
|
|
Система
управления РС
|
300
|
25
|
1
|
375
|
|
Робокар
|
200
|
25
|
1
|
250
|
|
Система
управления РК
|
100
|
25
|
1
|
125
|
|
Транспортно-складская
тара
|
1
|
9
|
60
|
5,4
|
|
Стеллажи,
количество ячеек
|
0,6
|
9
|
60
|
3,24
|
|
Перегрузочное
устройство
|
30
|
25
|
14
|
525
|
|
Производственное
здание,  11526283002,73
|
|
|
|
|
|
Всего
|
|
|
|
17036,37
|
Пояснения величин, приведенных в таблице капитальных затрат
по ГПС:
Стоимость одной ячейки (места для размещения одного поддона)
в стеллажах вычисляется по формуле:
где 
- удельный расход металла на стеллажи в расчете на один
хранящийся поддон;

- стоимость 1 т. металлоконструкций стеллажей с учетом монтажа и
окраски.
Объем части производственного здания, занимаемого ГПС,
определяется по формуле:
где 
- общая площадь производственном корпусе, занимаемая ГПС;

- полезная высота производственного корпуса, в котором
размещается ГПС, т.е. размер по вертикали от уровня пола цеха до низа ферм
перекрытая. Высоту производственного корпуса принимаем 9 м.
Стоимость 
полезного объема производственного корпуса принимаем 1000 руб.
Поскольку гибкое автоматизированное производство основано на
безлюдной технологии и комплексной автоматизации всех работ, в штате его
работников должны быть только наладчики станков с ЧПУ, промышленных роботов,
электронных систем автоматического управления. Численность работников,
обслуживающих ГПС, определяется по формуле:

;
где n - число разновидностей автоматического
оборудования и систем автоматического управления в составе ГПС;

- число единиц оборудования, устройств систем управления i-того типа, обслуживаемых одним
наладчиком;

- число единиц оборудования устройств и систем i-того типа в составе ГПС.

;
Годовые эксплуатационные расходы по ГПС определяются по формуле:
где р - численность работников, обслуживающих ГПС, чел.;

- стоимость станков, перегрузочных роботов, складских и
транспортных роботов, систем автоматического управления, стеллажей и
подкрановых путей, транспортно-складской тары, перегрузочных устройств (кроме
роботов), части производственного здания, в которой размещается ГПС, тыс. руб.;

суммарная установленная мощность электродвигателей машин
непрерывного и циклического действия, кВт;

- площадь, занимаемая ГПС;
Установленную мощность для станков принимаем 
на один станок;
для перегрузочных роботов 
;
для робокара 
;
для складского робота 
;
для перегрузочных устройств 
на одно устройство.
Приведенные затраты по ГПС определяются по формуле:

;
где 
- годовые эксплуатационные расходы по ГПС;
К -
капитальные затраты на сооружения ГПС (см. табл. 5);

- нормативный коэффициент экономической эффективности капитальных
вложений.

;
Себестоимость производства 1 детали в ГПС:

;
Себестоимость производства 1т продукции:

;
где 
- годовой объем выпуска деталей;

- масса одной детали и заготовки;

- стоимость 1 т металла;

- коэффициент, учитывающий цеховые и общезаводские расходы.

;

;
Расход электроэнергии на производство продукции в ГПС:

;
где 
- число дней работы ГНС в течение гола;

- число смен работы ГПС в сутки;

- продолжительность рабочей смены;

- коэффициенты использования мощности для машин непрерывного и
циклического действия;

- суммарная установленная мощность машин непрерывного и
циклического действия;

- коэффициент, учитывающий наличие естественного освещения в
дневное время суток;

- норма расхода электроэнергии на освещение 
площади производственных помещений.

;
Для определения экономического эффекта от внедрения ГПС,
приведенные затраты по проектному варианту ГПС сравниваются с приведенными
затратами на производство такого же объема продукции в условиях
неавтоматизированного производства.
автоматизированный
обработка мелкосерийный механический
Список литературы
1. Белянин
П.Н. Робототехнические системы для машиностроения. М.: Машиностроение, 1986 г.
256 с.
. Гибкие
производственные комплексы Под ред. Белянина Н.Н., Лещенко В.А.М.:
Машиностроение, 1984 г. 384 с.
. Гибкое
автоматическое производство Под обшей ред. Майорова С.А., Орловского Г.В.,
Халкиопова С.Н., 2-е изд., персраб. и доп: Л.: Машиностроение, 1985 г. 454 с.
. Лалкин
Ю.П., Малкович А.Р. Перегрузочные устройства. Справочник, Л.: Машиностроение,
1984 г. 224 с.
. Маликов
О.Б. Склады гибких автоматических производств Л.: Машиностроение, 1986 г. 190
с.
. Современные
промышленные роботы. Каталог Под ред. Козырева Ю.Г., Шифрина Я.А.М.:
Машиностроение, 1984 г. 152 с.