Построение структурной схемы дискретной системы автоматического управления
Введение
Структура системы автоматического управления
(САУ) состоит из двух основных узлов: объекта управления (ОУ) и управляющего
устройства (УУ). Под управлением понимается процесс воздействия на ОУ с целью
обеспечения требуемого течения процессов в ОУ или требуемого изменения его
состояния. Структурная схема САУ приведена на рис.1. Состояние ОУ
характеризуется величинами Xj...xn.
От УУ на вход ОУ поступают управляющие воздействия У1---Ут- На вход УУ подаются
задающие воздействия gi...gk,
содержащие информацию о требуемом состоянии ОУ. Дискретное управляющее
устройство координирует действия объекта управления; оно вырабатывает в
определенной временной последовательности управляющие сигналы, под воздействием
которых в ОУ выполняются определенные действия. Необходимо уяснить и запомнить
разницу между управляющим воздействием и управляющим сигналом.
Разработать электрическую принципиальную схему
дискретного управляющего устройства, используя принцип жесткой логики на
интегральных микросхемах кр1532, к533, к155 включающее реле если сработало n=3
датчика из N=15 датчиков, а так
же устройство индикации номера контролируемого датчика, при этом
преобразователь кода на ИМС логики тех же серий.
Этапы проектирования ДУУ по принципу жесткой
логики (не программа , а схема).
1. Построение структурной схемы дискретной
системы автоматического управления и формализация задачи
микросхема дискретный комбинационный интегральный
Основные задачи этапа:
а) Построение структурной схемы ДСАУ
б) определение назначения ее блоков
в) определить принцип работы устройства в целом
и его взаимодействие с другими блоками схемы
Нарисуем структурную схему:
рис. 1
ОУ - объект управления;
БД - блок датчиков;
БЦИ - блок цифровой индикации;

- управляющие сигналы;

- задают количество подключенных
датчиков и определяют количество опрошенных датчиков;
С - сигнал синхронизации;
По условию задачи к ДУУ подключается
реле

- сигнал к реле.
После сигнал поступает на БЦИ, оно
содержит 3 индикатора, 2 из них используются для индикации проверяемого в
данный момент датчика, и один для индикации в двоичном коде его состояния.
ОУ выполняет команды ДУУ по выбору и
подключению очередного датчика, оценивает их состояние, подсчитывает количество
опрошенных и сработавших датчиков. При этом каждое действие выполняется под
действием сигналов ДУУ.
От ОУ существует обратная связь с
ДУУ, в итоге получаем структурную схему ДСАУ.
i - номер
очередного датчика;
j - номер
очередного сработавшего датчика.
Одним из способов определения того,
что количество сработавших датчиков не менее заданного применяется метод:
Предварительно в ОУ записывается
количество сработавших датчиков, при обнаружении каждого сработавшего датчика
из этого числа вычитается единица.
При достижении нуля формируется
сигнал для реле. Для формального рассмотрения алгоритма работы ДУУ вводятся
операторы у (управляющие сигналы ДУУ) и логические условия Х ( входные сигналы
ДУУ )
В зависимости, от которых он
принимает решение о дальнейших действиях.

- оператор который приравнивает
номер датчика к нулю (i=0) ( установка в исходное состояние
);

- определяет количество сработавших
датчиков (j=3);

- оператор который увеличивает
значение i на единицу
(i+1);

- j-1;

- сигнал который подключает датчик
для измерений ;

- формирует сигнал для срабатывания
реле.

- если датчик сработал 
, не сработал 
;

- если количество датчиков i≤15 
, если i>15 
;

- если j=0 
(количество опрошенных датчиков ≥15)

если j>0;
. Построение схемы алгоритма работы
ДУУ
рис.2
На рис.2 Символом аn условно
обозначаются внутренние состояния схемы ДУУ, при этом каждое из них изменяется
после формирования каждой команды уn, причем
начальное и конечное состояния автомата приравниваются для возможности начала
следующего цикла проверки датчиков. После блоков условного перехода состояние
автомата не изменяется и не обозначается отдельным символом, т.к. при этом
производится лишь проверка выполнения условия по признаку Хn, при этом
сохраняется предыдущее состояние.
Таким образом, в данном
автомате получилось шесть состояний и можно приступать к построению графа
функционирования.
. Построение графа функционирования
УУ является последовательным
логическим устройством, команда которого выдается в след, такте зависит от того
какая команда выдается в текущем такте, для определения состояний устройство
производиться различно блок схемы с состояниями 
где

- обозначает начало и конец блок
схемы.

- выходы операторных блоков.
Состояния в графе функционирования
представляются узлами виде кружков с номером состояния, стрелки показывают
направления переходов.
Если значение признано 
это соответствует отрицанию
выполнения условия и обозначается инвертором.
рис.3
Таблица 1 Кодирование состояний.
|
Состояния
|
Кодовые
комбинации
|
|
Q3
|
Q2
|
Q1
|
|
а0
al а2 аЗ а4
а5
|
0
0 0 0 1 1
|
0
0 1 1 0 0
|
0
1 0 1 0 1
|
. Структурная схема ДУУ
рис.4
RSG триггеры C=R.
RS триггеры
образуют трехразрядный регистр текущего состояния. Комбинационная схема по
значениям выходов этих триггеров и сигналов 
от ОУ определяет новое состояние в
которое должно перейти ДУУ после этого формируется на выходе сигналы,
поступающие на вход триггера (
) и по положительному фронту
синхронизирования сигнала поступающего на вход триггера устанавливаются новые
состояния триггеров.
Второе назначение комбинационной
схемы это формирование управляющих сигналов 
для ОУ.
. Построение таблицы
функционирования ДУУ
Таблица функционирования содержит
графы в которые заносятся данные значения входных, данные составляющей и
выходные сигналы.
|
Переход
|
S
|
R
|
|
0→0
|
0
|
X
|
|
0→1
|
1
|
0
|
|
1→0
|
0
|
1
|
|
1→
1
|
X
|
0
|
Х - любой сигнал.
Табл.3
|
Текущее
состояние
|
Следующее
состояние
|
Условие
перехода
|
Выходные
сигналы
|
|
Внутр
сост.
|
Код
|
Внутр
сост.
|
Код
|
|
Установки
триггеров регистров
|
Команда
|
|
Q3
|
Q2
|
Q1
|
|
Q3
|
Q2
|
Q1
|
|
|
|
|
a0
|
0
|
0
|
0
|
a1
|
0
|
0
|
1
|
-
|
S1
|
y1
|
|
a1
|
0
|
0
|
1
|
a2
|
0
|
1
|
0
|
-
|
S2,R1
|
y2
|
|
a2
|
0
|
1
|
0
|
a3
|
0
|
1
|
1
|
-
|
S1
|
y3
|
|
a3
|
0
|
1
|
1
|
1
|
0
|
0
|
X2
|
S3.R2.R1
|
y5
|
|
a4
|
1
|
0
|
0
|
a5
|
1
|
0
|
1
|
X1
|
S1
|
y4
|
|
a5
|
1
|
0
|
1
|
a0
|
0
|
0
|
0
|
X3
|
R3.R1
|
y6
|
|
a3
|
0
|
1
|
1
|
a0
|
0
|
0
|
0
|
|
R1,R2
|
-
|
|
a4
|
1
|
0
|
0
|
a2
|
0
|
1
|
0
|
|
R3.S2
|
-
|
|
a5
|
1
|
0
|
1
|
a2
|
0
|
1
|
0
|
|
R3.S2.R1
|
-
|
. Построение системы выходных логических
уравнений
Для каждой строки таблицы функционирования
составляется логическое уравнение в левой части каждого переменные в графе
выходных величин, в правой части логическое выражение через текущее состояние и
значение условий перехода.

;

;

;

;

;

;

;

.
Для каждой выходной величины
определяют логическое выражение:

;

;

;

;

;

;

;

;

;

;

;

.
7. Построение логической схемы
комбинационного узла
По полученным логическим функциям:
Рис.5
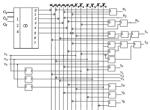
. Построение принципиальной
электрической схемы
Для получения принципиальной
электрической схемы необходимо осуществить выбор ИМС и проставить позиционные
обозначения на схеме. На рис. 6 приведена принципиальная электрическая схема
ДУУ. В качестве дешифратора используется ИМС К155ИД4, преобразующая
трехразрядный двоичный код в инверсный восьмеричный. Для получения прямых
сигналов внутреннего состояния к его выходам подключены инверторы, для чего
используется ИМС КР1533ЛН1. Комбинационный узел реализован на ИМС КР1533ЛИ1 и
КР1533ЛЛ1. Для регистра состояний используются два корпуса ИМС К155ТМ2, каждый
из которых содержит по два асинхронных RS - триггера
с инверсными выходами. Данный вид ИМС совмещает RS-триггер
асинхронный и D-триггер
синхронный, т.е. вход синхронизации C
распространяет свое действие только на триггер типа D. В схеме,
приведенной на рис. 6., D-триггер не используется и не
изображен. В соответствии с функциональной схемой требуется синхронный RS-триггер с
прямыми входами, поэтому для его получения на входы подключены лог. элементы
И-НЕ, которые позволяют одновременно и синхронизировать триггер, и
проинвертировать его активные уровни, т.е. произвести компенсацию инверторов на
входах S и R.
Вывод
Выполняя работы, я ознакомился с
принципиальной электрической схемой ДУУ, научился строить логическую схему и
вкратце ознакомился с принципом работы устройства, его предназначением,
строением. Освоил принцип жесткой логики.