Проектирование оснований и фундаментов для промышленных зданий
Содержание
Введение
1. Оценка инженерно-геологических условий
1.1 Определение наименования пылевато-глинистого грунта и его
физико-механических свойств
1.2 Определение наименования крупнообломочного и песчаного грунта и
его физико-механических свойств
2. Анализ грунтовых условий строительной площадки
3. Расчет и конструирование фундаментов по выбранным вариантам
3.1 Расчёт фундаментов мелкого заложения
3.1.1 Определение глубины заложения фундаментов
3.1.2 Определение размеров подошвы внецентренно нагруженного
фундамента.
3.1.4 Расчет оснований по деформациям
3.2 Расчёт свайного фундамента
3.2.1 Предварительное определение размера сваи
3.2.2 Определение несущей способности сваи
3.2.3 Проверка прочности основания куста сваи
4. Технико-экономическое сравнение вариантов фундаментов
5. Расчет и конструирование железобетонных фундаментов в заданном
сечении, подбор арматуры
5.1 Расчет фундамента под колонну, подбор арматуры
6. Технология производства работ по устройству фундаментов
Список использованной литературы
Введение
Проектирование конструкций сооружения и их оснований
осуществляется по предельным состояниям, которые подразделяются на две группы.
Первая группа - по несущей способности - потеря устойчивости или формы,
возможные виды разрушений, ползучесть или текучесть материала, чрезмерное
раскрытие трещин и др. Вторая группа - по непригодности к нормальной
эксплуатации.
Предельные состояния оснований существенно отличаются от
предельных состояний строительных конструкций, в том числе и самого фундамента,
т.к. у них различные условия работы, а именно: материалы в строительных
конструкциях и грунтов в основаниях; физико-механические свойства; критерии
оценки прочности и деформативности оснований и возводимых на них фундаментов и
надземных конструкций.
Проектирование оснований и фундаментов состоит из
обоснованного соответствующим расчетом выбора типа основания (естественного и
искусственного), фундамента (конструкции, типа материала и размеров, мелкого
или глубокого заложения), мероприятий по уменьшению влияния деформаций здания
или сооружения на эксплуатационную пригодность.
Данное здание представляет собой трехэтажное промышленное
каркасное здание, наружные стены которого выполнены кирпичными толщиной 400 мм.
Высота здания составляет 12,4 м. Под пристройкой предусмотрен подвал глубиной
2,8 м. Кирпичными стенами, толщина которых 250 мм, огорожены лестничные клетки.
Здание имеет следующие размеры в осях: длина - 42 м; ширина - 30 м.
Колонны для данного здания запроектированы сборными
железобетонными сечением 400х400 мм, под них запроектированы фундаменты
стаканного типа.
фундамент промышленное каркасное здание
Инженерно-геологические условия площадки определялись по трем
пробуренным скважинам, одна - в центре плана здания и две - на расстоянии 5 м
от крайних осей здания по продольной стороне.
1. Оценка
инженерно-геологических условий
Производные и индексационные характеристики и наименование
грунтов определяются по СТБ 943-93 [6], а механические характеристики грунтов
для предварительных расчетов (в учебных целях) - по [1].
Таблица 1 - Исходные данные
|
№слоя
|
ρ, т/м3
|
ρs, т/м3
|
W, %
|
WL, %
|
Wp, %
|
|
3 (76)
|
1,79
|
2,74
|
17
|
34
|
18
|
|
4 (88)
|
1,9
|
2,68
|
21
|
22
|
17
|
|
2 (95)
|
1,43
|
2,76
|
8
|
28
|
16,5
|
|
№ слоя
|
Гранулометрический
состав в процентах, при их размерах
|
Физическая
характеристика
|
|
2-1
|
1-0,5
|
0,5-0,25
|
0,25-0,1
|
0,1-0,05
|
0,05-0,01
|
0,01-0,005
|
Менее 0,005
|
rs, г/см3
|
r, г/см3
|
W, %
|
|
5 (26)
|
15
|
9
|
27
|
25
|
7
|
12
|
1,6
|
3,4
|
2,67
|
2,04
|
21
|
1.1
Определение наименования пылевато-глинистого грунта и его физико-механических
свойств
Слой № 3 (76): Исходные данные: r=1,79г/см3; rs=2,74г/см3; w=17%; wp=18%; wL=34%.
Пылевато-глинистые грунты подразделяют по числу пластичности IP:
IP=wL-wP (1.1) IP= 34-18 = 16
Следовательно, данный грунт - суглинок.
По показателю текучести определяют состояние
пылевато-глинистого грунта:
; (1.2)
.
Следовательно, суглинок твердый.
Плотность сложения грунта:
(1.3)
г/см3;
Определяем коэффициент пористости:
; (1.4)
Определяем степень влажности грунта:
; (1.5)
Следовательно, грунт влажный
Определяем показатель просадочности:
; (1.6)
Коэффициент пористости при влажности на границе текучести:
; (1.7)
Поскольку
0,08 < 0,24
Следовательно, грунт просадочный.
Для определения искомого нормативного значения механического показателя
используют линейную интерполяцию. Для глины полутвёрдой при е=0,79; R0=313,7 кПа; Сn=23,8
кПа;
n=22,60; Еn=15,8 МПа.
Слой № 2 (95): Исходные данные: r=1,43г/см3;
rs=2,76г/см3; w=8%; wp=16,5%;
wL=28%.
Пылевато-глинистые грунты подразделяют по числу пластичности IP:
IP=wL-wP (1.1)
IP= 28-16,5 = 11,5;
Следовательно, данный грунт - суглинок.
По показателю текучести определяют состояние пылевато-глинистого
грунта:
; (1.2)
.
Следовательно, суглинок твердый.
Плотность сложения грунта:
(1.3)
г/см3;
Определяем коэффициент пористости:
; (1.4)
Определяем степень влажности грунта:
; (1.5)
Следовательно, грунт влажный.
Определяем показатель просадочности:
; (1.6)
Коэффициент пористости при влажности на границе текучести:
; (1.7)
Поскольку
0,29 > 0,17
Следовательно, грунт не является просадочным.
Для определения искомого нормативного значения механического
показателя используют линейную интерполяцию. Для глины полутвёрдой при е=1,09;
R0=152 кПа; Сn=12 кПа;
n=120; Еn=5 МПа.
Слой № 4 (88): Исходные данные: r=1,9г/см3;
rs=2,68г/см3; w=21%; wp=17%;
wL=22%.
Пылевато-глинистые грунты подразделяют по числу пластичности IP:
IP=wL-wP (1.1)
IP= 22-17 = 5;
Следовательно, данный грунт - супесь.
По показателю текучести определяют состояние пылевато-глинистого
грунта:
; (1.2)
.
Следовательно, суглинок твердый.
Плотность сложения грунта:
(1.3)
г/см3;
Определяем коэффициент пористости:
; (1.4)
Определяем степень влажности грунта:
; (1.5)
Следовательно, грунт маловлажный
Для определения искомого нормативного значения механического
показателя используют линейную интерполяцию. Для глины полутвёрдой при е=0,71;
R0=200 кПа; Сn=11,8
кПа;
n=220; Еn=11,4 МПа.
1.2
Определение наименования крупнообломочного и песчаного грунта и его
физико-механических свойств
Наименование крупнообломочного и песчаного грунта определяют
по гранулометрическому составу в соответствии с таблицей 1. Для этого
последовательно суммируются содержания фракций, сначала крупнее 2 мм, затем -
крупнее 0,5 мм и т.д. Наименование грунта принимают по первому удовлетворяющему
показателю их расположения в таблице 1.
Слой № 5 (26):
частиц > 5мм 24% < 50%
частиц > 0,25мм 24+27=51% > 50%
следовательно данный грунт по гранулометрическому составу
является песок средней крупности. d=0,25мм
Устанавливаем плотность сложения по коэффициенту пористости е
таблице 3 [1].
(1)
где рs-плотность
частиц грунта, г/см3
рd-плотность грунта в сухом состоянии, г/см3;
определяется по формуле:
г/см3; (2)
где W - естественная влажность, %;
4 г/см3
Песок гравелистый средней крупности.
Определим степень влажности грунта
, (3)
где rw=1г/см3 - плотность воды,
=0,97
так как Sr=0,97>0,8
то песок насыщенный водой.
Для определения искомого нормативного значения механического
показателя используют линейную интерполяцию. Для песка гравелистого при е=0,58;
R0=400 кПа; Сn=1,7 кПа;
n=370; Еn=32 МПа.
Таблица
2 - Физико-механические свойства грунтов
|
№ п. п.
|
Наименование
грунта
|
Мощность слоя
|
Физическая
характеристика
|
Прочностная и
деформационная характеристики
|
|
|
|
ρs т /м3
|
ρ т /м3
|
ρd т /м3
|
W %
|
WL %
|
Wp %
|
I p
|
I L
|
Sr
|
e
|
cn
кПа
|
φn
|
Ro
кПа
|
En
МПа
|
|
|
|
γ, кН/м3
|
γS, кН/м3
|
γd, кН/м3
|
|
|
|
|
|
|
|
|
|
|
|
|
1
|
Растительный
слой
|
1,5
|
-
|
-
|
-
|
-
|
-
|
-
|
-
|
-
|
-
|
-
|
-
|
-
|
-
|
-
|
|
2
|
Суглинок
твердый
|
2,6
|
2,76
|
1,43
|
1,32
|
8
|
28
|
16,5
|
11,5
|
-0,74
|
0,2
|
1,09
|
12
|
12
|
152
|
5
|
|
|
|
27,6
|
14,3
|
13,2
|
|
|
|
|
|
|
|
|
|
|
|
|
3
|
Суглинок
твердый
|
6,1
|
2,74
|
1,79
|
1,53
|
17
|
34
|
18
|
16
|
-0,06
|
0,59
|
0,79
|
22,6
|
23,8
|
313,7
|
15,8
|
|
|
|
27,4
|
17,9
|
15,3
|
|
|
|
|
|
|
|
|
|
|
|
|
4
|
Супесь
пластичная
|
2,1
|
2,68
|
1,9
|
1,57
|
21
|
22
|
17
|
5
|
0,8
|
0,79
|
0,71
|
22,2
|
11,8
|
200
|
11,4
|
|
|
|
26,8
|
19
|
15,7
|
|
|
|
|
|
|
|
|
|
|
|
|
5
|
Песок средней
крупности
|
4,2
|
2,67
|
2,04
|
1,69
|
21
|
-
|
-
|
-
|
-
|
0,97
|
0,58
|
37,1
|
1,7
|
400
|
32
|
|
|
|
26,7
|
20,4
|
16,9
|
|
|
|
|
|
|
|
|
|
|
|
|
|
|
|
|
|
|
|
|
|
|
|
|
|
|
|
|
|
|
2. Анализ
грунтовых условий строительной площадки
Площадка характеризуется: почти горизонтальным залеганием
пластов, мощность которых выдержана по простиранию; имеется один выдержанный
уровень подземных вод; поверхность участка не расчлененная. Следовательно,
площадка относится к первой (простой) категории сложности
инженерно-геологических условий.
Характер напластований и сведения о физико-механических
свойствах грунтов позволяют выделить в пределах исследованной толщи пять
инженерно-геологических элементов:
Горизонт 1 - почвенно-растительный слой;
Горизонт 2 - суглинок твердый с коэффициентом пористости е=1,09;
Горизонт 3 - суглинок твердый с коэффициентом пористости е=0,79;
Горизонт 4 - супесь пластичная с коэффициентом пористости
е=0,71;
Горизонт 5 - песок средней крупности с коэффициентом
пористости е=0,58;
Площадка характеризуется горизонтальным залеганием пластов,
мощность которых выдержана по простиранию; имеется один выдержанный уровень
подземных вод. Характер напластований и сведения о физико-механических
характеристиках грунтов позволяют выделить в пределах исследованной толщи
четыре инженерно-геологических элемента. Итак, исходя из оценки
инженерно-геологических условий строительной площадки, можно сделать вывод, что
верхний слой может служить надежным основанием для опирания на него фундаментов
здания.
3. Расчет и
конструирование фундаментов по выбранным вариантам
3.1 Расчёт
фундаментов мелкого заложения
3.1.1
Определение глубины заложения фундаментов
Здание не имеет подвал, следовательно, верхний обрез
фундамента проектируем на 300 мм ниже отметки чистого пола, а глубину заложения
подошвы фундамента выбираем ниже глубины промерзания, т.к. для г. Кировска глубина
промерзания 101,0см. Назначаем глубину заложения фундамента в зависимости от
конструктивных особенностей здания.
Определим минимальную глубину заложения исходя из нормативной
глубины промерзания по формуле:
df=kh*dfn (3.1)
где kh - коэффициент, учитывающий влияние теплового
режима здания на глубину промерзания грунта у фундаментов наружных стен,
определяем по таблице 13 [1];
dfn - нормативная глубина промерзания, определяемая
по карте нормативных глубин промерзания, для города Кировска dfn= 1,01м
м
Толщину дна стакана примем 300 мм, анализируя эти условий,
выбираем конечной глубиной заложения фундамента d=1,5м, при высоте фундамента h=1,5м, запроектированного под колонну сечением 0,4х0,4м.
Рисунок 3.1 - Для определения глубины заложения в сечении 3-3
3.1.2
Определение размеров подошвы внецентренно нагруженного фундамента.
Расчётные значения нагрузок:
FV02=1100 кН, М02=6 кН∙м, Fh02=2кН.
Принимаем отметку по обрезу фундамента равной - 0,300м и
монолитный типовой фундамент под колонну прямоугольного сечения высотой h=1,5м.
Размеры подошвы фундамента определим методом
последовательного приближения.
Определим площадь подошвы фундамента под колонну в плане по
формуле:
(3.2)
м2.
Ширина квадратного фундамента:
м.
Уточняем расчетное сопротивление по формуле:
(3.3)
где gС1 и gС2 - коэффициенты
условий работы, учитывающие особенности работы разных грунтов в основании
фундаментов и принимаемые по таблице 16, [1].
k - коэффициент, принимаемый: k=1,1 - т.к. они приняты по нормативным таблицам;
kZ - коэффициент принимаемый kZ=1 при b<10 м; b - ширина
подошвы фундамента, м;
gII и gII - усредненные расчетные значения удельного веса грунтов,
залегающих соответственно ниже подошвы фундамента (при наличии подземных вод
определяется с учетом взвешивающего действия воды) и выше подошвы, кН/м3;
СII - расчетное значение удельного сцепления
грунта, залегающего непосредственно под подошвой фундамента, кПа;
Мg, Мq, Мс - безразмерные
коэффициенты, принимаемые по таблице 17; [1]
d1 -
глубина заложения фундаментов бесподвальных сооружений или приведенная глубина
заложения наружных и внутренних фундаментов от пола подвала: d1=hS+hcfgсf/
, м
hcf - толщина конструкции пола подвала, м;
gcf
- расчетное значение удельного веса конструкции пола подвала, кН/м3.
По таблицам 16-17 [1] для заданных грунтовых условий и при
соотношении L/H= найдем
значения коэффициентов:
=1,25;
=1;
При φn=12 My=0,23; Мq=1,94; Мс=4,42.
А также
=14,3кН/м3;
=14,3кН/м3.
кПа
Уточним размеры фундамента при
кПа:
м
Принимаем, с округлением и в соответствии с размерами типовых
монолитных фундаментов, b=3,5м
Получаем следующее расчетное сопротивление:
кПа
Конструируем фундамент:
Рисунок 3.2. К определению ширины подошвы фундамента найдем
эксцентриситет при
(3.4)
,
Следовательно, размеры подошвы фундамента проверяем как для
центрально-загруженного квадратного фундамента. Принимаем размеры фундамента в
плане b x l=3.5*3.5 м
При расчете внецентренно-нагруженных фундаментов должны
выполняться следующие условия:
(3.5)
(3.6)
(3.7)
(3.8)
< R (3.10)
Так как Pср=150,16кПа<R=152кПа, то условие, необходимое для расчёта по деформациям,
выполняется.
Wx=
Mx=M0II+Fh0 hf=6+2·0,9=7,8
Рmax/min =
(3.11)
Рmax=
120,9 кПа < 1,2R= 1,2·152= 182,4 кПа
Рmin=118,7 кПа > 0;
Условие выполняется, следователь ширина подошвы фундамента
определена верно.
3.1.4 Расчет
оснований по деформациям
Задача расчета по деформациям состоит в том, чтобы не
допустить такие деформации основания, при которых нарушается нормальная
эксплуатация надземных конструкций. Основное условие расчета определяется
выражением
S£SU, (3.14)
где S - совместная деформация основания и сооружения, определяемая
расчетом;
SU - предельное допустимое значение деформации
основания, определяемое по таблице 19.
Если условие (3.14) не удовлетворяется, то возможно
применение следующих мероприятий: изменение размеров фундамента; переход к
другому типу фундаментов; улучшение деформативно-прочностных показателей грунта
основания; изменение верхнего строения.
Осадка основания S с использованием расчетной схемы в виде
линейно-деформируемого полупространства определяется методом послойного
суммирования по формуле
, (3.15)
где b=0,8 -
безразмерный коэффициент;
szp, i -
среднее напряжение в i-ом слое;
hi - толщина i-го слоя;
Ei - модуль деформации i-го слоя грунта.
Метод послойного суммирования используется для расчета осадок
фундамента шириной до 10м, при отсутствии в пределах сжимаемой толщи грунтов с
модулем деформации Е>100МПа. Сущность метода заключается в определении
осадок элементарных слоев основания в пределах сжимаемой толщи от
дополнительных вертикальных напряжений szp,
возникающих от нагрузок, передаваемых сооружением.
В случае плоской задачи вертикальные сжимающие напряжения
распределяются на глубину до 6b (для
квадратных до 4b). Для определения глубины сжимаемой толщи
Нс вычисляют напряжения от собственного веса грунта szq и дополнительные - от внешней нагрузки szp.
Нижняя граница сжимаемой толщи основания принимается на глубине Z=Hc от
подошвы фундамента, где выполняется условие
szp=0,2szq. (3.16)
При наличии ниже указанной глубины грунтов с модулем деформации Е£5МПа должно соблюдаться условие
szp£0,1szq. (3.17)
Расчет осадки удобно вести с использованием графических
построений.
Для сечения 3-3 определим осадку фундамента под стакан, среднее
давление по подошве фундамента Рср=150,16 кПа.
Вертикальные природные напряжения szq на некоторой глубине Z от поверхности грунта определяют по формуле
, (3.18)
где gi - удельный вес грунта i-го слоя;
hi - толщина i-го грунта;
n - число слоев грунта в пределах глубины Z. Удельный вес грунтов залегающих ниже уровня подземных вод, но
выше водоупора, должен приниматься с учетом взвешивающего действия воды, т.е.
, (3.19)
где gsi, ei - соответственно удельный вес частиц грунта и коэффициент
пористости i-го слоя грунта;
gw=10 кН/м3 - удельный вес воды.
На кровле водоупорного пласта эпюра напряжений от собственного
веса грунта имеет скачок за счет гидростатического давления. Этот прирост
составляет gw-hwo.
Дополнительные вертикальные напряжения от внешней нагрузки
определяют по формуле
szp=a×P0, (3.20)
где Р0=Рср-szg,0 - дополнительное вертикальное давление на основание;
Рср - среднее давление под подошвой фундамента;
szg,0 -
вертикальное напряжение от собственного веса грунта на уровне подошвы
фундамента;
a - коэффициент, учитывающий уменьшение дополнительных напряжений
по глубине. Значения a приведены в
таблице 20 методического указания и определяются в зависимости от
и
.
Для сечения 3-3 определим осадку фундамента под стакан.
Строим эпюру распределения вертикальных напряжений от собственного
веса в пределах глубины 4×b=
ниже подошвы фундамента согласно формуле
(3.16).
На подошве фундамента:
sZq0 =g1×h1=27,6*1,5=41,4кПа,
0,2×sZq0=0,2*41,4=8,28кПа.
На подошве суглинка твердого:
σzq1 = sZq0 +
h2 =41,4+27,4*1,1=71,54кПа
0,2σzq1 = 0,2*71,54=14,31кПа
На подошве слоя суглинка твердого:
sZq2 =sZq1 +
×h3=
кПа;
0,2σzq2 = 0,2*238,68=53,76кПа
На
подошве слоя супеси пластичной:
sZq3 =sZq2 +
×h4=
кПа;
,2×sZq3=
.
До уровня воды:
sZq4 =sZq3 +
×h5=
кПа;
,2×sZq4=
.
На подошве слоя песка средней крупности с учетом взвешенного
действия воды:
sZq4=sZq3 +
×h5 =
;
,2×sZq4=0,2*437,2=87,45.
Строим эпюры sZqi и 0,2sZqi.
Дополнительное давление на основание под подошвой фундамента
P0=Pср-sZq0= 150,16-41,4=108,76
Толщу грунта мощностью 4b=14м
ниже подошвы фундамента разбиваем на слои hi£0,4b£0,4×3,5=1,4м.
Далее строим эпюру распределения дополнительных (к боковому)
вертикальных напряжений в грунте по формуле (3.20), где a определяем в зависимости от
Чтобы избежать интерполирования примем Z=h1, при x=1,4.
Вычисления сведем в таблицу 3. Осадку определим по формуле (3.15) в пределах
сжимаемой толщи, т.е. до точки пересечения эпюр sZip=0,2sZq.
Таблица
3 - к расчету осадки фундамента сечения 4-4
|
Наименование
|
Еi, МПа
|
Толщина пласта
грунта, м
|
γi или γsbi, кН/м3
|
sZq, кПа
|
0,2sZq, кПа
|
hi, м
|
Zi, м
|
z=2Z/b
|
a
|
sZp, кПа
|
Si,
м
|
|
Суглинок
твердый
|
5
|
2,6
|
27,6
|
41,4
|
8,28
|
0
|
0
|
0
|
1
|
108,76
|
0
|
|
|
|
|
71,54
|
14,31
|
1,1
|
1,1
|
0,63
|
0,87
|
94,62
|
0,01665
|
|
Суглинок
твердый
|
15,8
|
6,1
|
27,4
|
79,76
|
15,95
|
0,3
|
1,4
|
0,8
|
0,8
|
87,01
|
0,00132
|
|
|
|
|
148,26
|
29,65
|
1,4
|
2,8
|
1,6
|
0,449
|
48,83
|
0,0046
|
|
|
|
|
186,62
|
37,32
|
1,4
|
4,2
|
2,4
|
0,257
|
27,95
|
0,0098
|
|
|
|
|
224,98
|
45
|
1,4
|
5,6
|
3,2
|
0,160
|
17,4
|
0,00123
|
|
|
|
|
263,34
|
52,67
|
1,4
|
7
|
4
|
0,108
|
11,7
|
0,00083
|
|
|
|
|
268,82
|
53,76
|
0,2
|
7,2
|
4,1
|
0,098
|
10,66
|
0,00011
|
|
Супесь
пластична
|
11,4
|
2,1
|
26,8
|
300,98
|
60,2
|
1,2
|
8,4
|
4,8
|
0,077
|
8,37
|
0,00071
|
|
|
|
|
325,1
|
65,02
|
0,9
|
9,3
|
5,3
|
0,062
|
6,74
|
0,00043
|
|
Песок средней
крупности
|
32
|
4,2
|
26,7
|
338,45
|
67,69
|
0,5
|
9,8
|
5,6
|
0,058
|
6,31
|
0,00022
|
|
|
|
|
375,8
|
75,17
|
1,4
|
11,2
|
6,4
|
0,045
|
4,89
|
0,00048
|
|
|
|
|
413,2
|
82,64
|
2,3
|
13,5
|
7,2
|
0,036
|
3,92
|
0,00036
|
Суммируем осадку в пределах сжимаемой толщи Hl=13,5м.
Si=0,01665+0,00132+0,0046+0,0098+0,00123+0,00083+0,00011+0,00071+0,00043+0,00022+0,00048+0,00036
= 0,03674 м.
<Sn=8см.
Следовательно, основное условие расчета по 2-ой группе предельных
состояний удовлетворяется.
3.2 Расчёт
свайного фундамента
Для подбора размеров свай пользуют ГОСТ19804-88 "Сваи
забивные железобетонные. Общие технологические условия", ГОСТ19804-79
"Сваи забивные железобетонные цельные сплошного квадратного сечения с
ненапрягаемой арматурой", ГОСТ19804-2-79"Сваи забивные железобетонные
с поперечным армированием ствола с напрягаемой арматурой",
ГОСТ19804-4-78"Сваи забивные железобетонные квадратного сечения без
поперечного армирования ствола".
3.2.1
Предварительное определение размера сваи
Второй слой мощностью 6,1 м - суглинок твердый с
коэффициентом пористости е = 0,79 имеет удовлетворительные
деформационнопрочностные показатели, может служить естественным основанием, а
также опорным пластом для острия свай:
g =17,9кН/м3; gs = 27,4 кН /м3;
gd = 15,3 кН/м3; e = 0,79; w% = 28,3%; Jp = 24 %; JL = 0,225; E = 19,2 МПа; cn = 49,8 кПа; jn = 18,4°, Rο = 275,66кПа.
Полная длина сваи определяется как сумма:
(3.21)
где
- глубина заделки свай в ростверк, м;
- расстояние от подошвы ростверка до кровли несущего слоя, м;
- заглубление в несущий слой.
.
Принимаем сваю длиной 8м, марки С8-30. Сечение сваи принимаем
.
3.2.2
Определение несущей способности сваи
После определения и подбора длины и сечения сваи рассчитываем
предельную несущую способность сваи по формуле:
(3.22)
где
- коэффициент условий работы сваи в
грунте, принимаемый 1;
- расчётное сопротивление грунта под нижним концом сваи,
принимаемое по таблице А.3 [3];
- площадь опирания на грунт сваи, м2, принимаемая по
площади поперечного сечения сваи брутто;
Ui - наружный периметр поперечного сечения
сваи, м;
Rfi - расчётное сопротивление
-го слоя грунта основания на боковой
поверхности сваи, кПа, принимаемое по таблице А.4 [3];
- толщина
-го слоя грунта, соприкасающегося с
боковой поверхностью сваи, м;
- коэффициент условия работы грунта соответственно под нижним
концом и на боковой поверхности сваи, учитывающие влияние способа погружения
сваи на расчётные сопротивления грунта и принимаемые по таблице А.2 [3].
Расчёт будем вести в соответствии с уточнённой схемой на рисунке
3.3
При Z0=9,7 м - под нижнем концом сваи для супеси пластичной с IL=0,8 расчетное сопротивление грунта под
нижним концом сваи R=954 кПа.
Рисунок 3.3 - к определению несущей способности сваи
Для суглинка твердого:
МПа;
м;
м
м
Для суглинка твердого:
МПа;
м;
м,
м
Для супеси пластичной:
МПа;
м;
м
м
Несущая способность свай под колонны будет равна:
Расчётная нагрузка, допускаемая на одну сваю, определяется по
формуле:
(3.23)
где
- коэффициент надежности, принимаемый
1,4.
Необходимое количество свай в грунте определяется по формуле
(3.24)
- расчётная нагрузка по обрезу ростверка;
Принимаем n = 4 шт.
Рисунок 3.4 - конструирование ростверка
Расчетное расстояние между осями свай находится в пределах:
, принимаем минимальный размер - 0,9 м.
Тогда размер ростверка будет равен 0,9+2·0,15+2·0,1=1,4 м.
Нагрузку, приходящую на каждую сваю во внецентренно нагруженном
фундаменте определяем по формуле:
(3.25)
где
= 4·0,452=0,81 м2
(3.26)
Объем ростверка:
Vр = 1,4×1,4×0,5 + 0,9×0,9×0,9= 1,709м3
Вес ростверка:
Gр = Vр∙gб = 1,709∙24 = 41,02 кН.
Вес грунта на уступах:
Gгр = (Vо - Vр) ∙
g111
кН/м3
Gгр =
19,2·1,035=19,872м3.
тогда:
NI = 740 + 1,2· (41,02+19,872) = 813,07кНI = MOI + TOI∙hp
= 300+23∙1,4 = 332,2 кН∙м.
Рмах = 387,82кН > 1,2·Рсв = 1,2∙
318,58 =382,29кН;
Рmin<0
Условие не выполняется, свайный фундамент запроектирован не
правильно. Следовательно, принимаем большую длину сваи l=3,5 м.
При Z0=4,9 м - под нижнем концом сваи для глины полутвёрдой с JL=0,225 расчетное сопротивление грунта на
боковой поверхности сваи R=3965 кПа.
МПа;
м;
м
м
МПа;
м;
м
м
МПа;
м;
м
м
Несущая способность свай под колонны будет равна:
Расчётная нагрузка, допускаемая на одну сваю, определяется по
формуле:
= 4·0,452=0,81 м2
Объем ростверка:
Vр = 1,4×1,4×0,5 + 0,9×0,9×0,9= 1,709м3
Вес ростверка:
Gр = Vр∙gб = 1,709∙24 = 41,02 кН.
Вес грунта на уступах:
Gгр = (Vо - Vр) ∙
g111
кН/м3
Gгр =
19,2·1,035=19,872м3.
тогда:
NI = 740 + 1,2· (41,02+19,872) = 813,07кН
MI = MOI + TOI∙hp = 300+23∙1,4 = 332,2 кН∙м.
Рмах = 387,82кН < 1,2·Рсв = 1,2∙
388,29 =465,948кН;
Рmin>0
Условие выполняется, свайный фундамент запроектирован правильно.
3.2.3
Проверка прочности основания куста сваи
Свайный фундамент рассматривают как условный массивный
фундамент, в состав которого входит ростверк, сваи и грунт межсвайного
пространства АБВГ (рисунок 3.5).
Границы условного фундамента определяем следующим образом:
) снизу - плоскостью ВГ, проходящей через нижние концы
свай;
2) с боков - вертикальными плоскостями АГ и БВ, отстающими от
наружных граней на расстояние
где
- осредненное расчетное значение угла
внутреннего трения грунта
(3.27)
Рисунок 3.5 - Схема определения границ условного фундамента
°
Определяем ширину условного фундамента:
(3.28)
, принимаем bусл=1,4 м.
Площадь условного фундамента:
(3.29)
Объем условного фундамента:
(3.30),
Объем ростверка и фундаментных блоков:
Объем свай:
Объем грунта в пределах условного фундамента:
Вес грунта в объеме условного фундамента:
Вес сваи и ростверка:
Вертикальная составляющая нормальных сил в уровне нижних концов
свай:
II=FvoII+Gc+Gp+Gгр,
(3.31)
где FVOll=740 - нагрузка на обрез фундамент, кН;c
- вес сваи, кН;p - вес ростверка, кН;гр - вес
грунта, кН;
NII=740+41,016+29,376+128,08 =938,47 кН;
Момент в уровне нижних концов свай:
M=MOII+FOII,h·hp=300+23·1,4=332,2
кНм
Для внецентрально загруженного фундамента среднюю интенсивность
давления по подошве условного фундамента:
(3.32)
max=1205,25>1,2Pсв=509,136
Pmin<0
Условия не соблюдаются. Следовательно, длина сваи подобрана не
верно.
Выбираем длину сваи l=4 м.
При Z0=5,4 м - под нижнем концом сваи для глины полутвёрдой с JL=0,225 расчетное сопротивление грунта на
боковой поверхности сваи R=4050 кПа.
МПа;
м;
м
м
МПа;
м;
м
м
МПа;
м;
м
м
Несущая способность свай под колонны будет равна:
Расчётная нагрузка, допускаемая на одну сваю, определяется по
формуле:
Рисунок 3.4 - конструирование ростверка
= 4·0,82=1,28 м2,
= 4·0,82=1,28 м2
Объем ростверка:
Vр = 2,1×1,4×0,5 + 1,6×0,9×0,9= 2,766м3
Вес ростверка:
Gр = Vр∙gб = 2,766∙24 = 66,384 кН.
Вес грунта на уступах:
Gгр = (Vо - Vр) ∙
g111
кН/м3, Gгр = 19,2·1,35=25,92м3.
тогда:
NI = 740 + 1,2· (66,384+25,92) = 850,76кНI = MOI + TOI∙hp
= 300+23∙1,4 = 332,2 кН∙м.
Рмах = 370,41кН < 1,2·Рсв = 1,2∙
424,28 =509,136кН;
Рmin>0
Условие выполняется, свайный фундамент запроектирован правильно.
Проверяем прочность основания куста сваи.
°,
Определяем ширину условного фундамента:
, принимаем bусл=2,23 м.
, принимаем aусл=1,53 м.
Площадь условного фундамента:
Объем условного фундамента:
Объем ростверка и фундаментных блоков:
Объем свай:
Объем грунта в пределах условного фундамента:
Вес грунта в объеме условного фундамента:
Вес сваи и ростверка:
Вертикальная составляющая нормальных сил в уровне нижних концов
свай:
NII=740+68,16+33,7+283,18 =1125,04 кН;
Для внецентрально загруженного фундамента среднюю интенсивность
давления по подошве условного фундамента:
Расчётное сопротивление грунта под условным фундаментом определим
По таблице 16 gС1=1,25; gС2=1 при Мg=0,446, Мq=2,784, МС=5,378, Сn=49,8.
кПа;
Pср=328,96
< R=666,35
< 1,2R=799,62
>0
Все условия соблюдаются.
4.
Технико-экономическое сравнение вариантов фундаментов
В данном курсовом проекте рассматриваются два варианта
фундаментов: фундамент мелкого заложения и свайный фундамент.
В применении к заданным геологическим условиям в качестве
проектного выбран фундамент мелкого заложения, так как при возведении свайного
фундамента необходимо задействовать большее количество технических средств, а
следовательно и материальных на их обслуживание. Так же использование
фундамента мелкого заложения является более рациональным, поскольку здание
является одноэтажным промышленным и без подвала, а первый слой грунта является
несущим, так как расчётное сопротивление основания R0=350 кПа.
Таким образом, затраты при возведении фундамента мелкого
заложения значительно меньше, чем при возведении свайных фундаментов в данных
инженерно-геологических условиях.
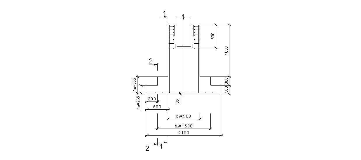
5. Расчет и
конструирование железобетонных фундаментов в заданном сечении, подбор арматуры
5.1 Расчет
фундамента под колонну, подбор арматуры
Нужно рассчитать армирование монолитного железобетонного
фундамента стаканного типа. Сечение колонны bcxhc=0,4x0,4 м, hf=0,75 м, bxl=2,1x2,1 м. Расчетные нагрузки
на обрез фундамента: Nl=2010 кН, Ml=8 кН∙м, Fh=4 кН. Бетон класса B15 Rb=8.7 МПа, Rbt=0,76 МПа. Арматура
класса А-lll с RS=365 МПа.
Определим геометрические размеры фундамента.
е0= Ml/Nl=8/2010=0.004<2h=0.8 м
Толщина стенок стакана.
Dh>0,2h=0,2∙0,4=0,08 м, но не менее 0,15 м.
Размер подколонника в плане:
lcf=bcf=2∙0,15+2∙0,075+0,4=0,85 мм,
принимаем lcf=bcf=0,9 м.
Глубина стакана hh=0,75+0,05=0,8 м, bh=lh=0,5 м.
Принимаем высоту подколонника 1,8 м, hi=0,3 м, толщину защитного
слоя принимаем 35 мм,
h01=0,3-0,035=0,265 м, h02=0,6-0,035=0,565 м.
Выполним проверку фундамента на продавливание:
hb=Hf-hh=2,4-0,8=1,6>0,6+0,5∙ (0,9-0,4) =0,85 м.
Следовательно проверка на прочность производится от низа подколонника,
Pср=490,93 кПа
Определим площадь призмы с которой собираются нагрузки:
Аfo=0,5∙b∙ (l-lcf-2∙h02) - 0,25∙ (b-bcf-2∙h02) 2=0,5∙2,1∙
(2,1-0,9-2∙0,6) - 0,25∙ (2,1-0,9-2∙0,6) 2=0,072 м2
F=P∙Af0=490,93∙0,072=35,48 кН.
Проверяем выполнение условия:
Rbt∙bm∙h02=1,1∙760∙1,465∙0,565=691,98>35,48кН
Bm=bcf+h0=0,9+0,565=1,165 м
Прочность обеспечена.
Расчет на раскалывание.
Asb=Asl=1,8∙0,9∙+0,3∙2,1+0,3∙1,5-0,8∙0,5∙
(0,5+0,55) =2,28 м2.
Asb/Asl=1
Рисунок 6,2 - Расчетная схема фундамента под колонну
Прочность фундамента на раскалывание обеспечена.
Подбор продольной и поперечной арматуры плитной части в 1 сечении
будем производить по следующим формулам:
Принимаем 9Æ12А-lll с АS=1018 мм2.
Подберем арматуру для второго сечения.
Принимаем арматуру по большей площади АSi. Окончательно принимаем 9Æ12А-lll с АS=1018 мм2.
Расчет арматуры в подколоннке.
Продольная арматура рассчитывается следующим образом:
е0= Ml/Nl=8/2010=0.004<0.3h03=0.3∙0.86=0.26 м;
e=0.004+0.9/2-0.04=0.414 м;
S0=0.5∙
(bcf∙
-lh∙hh∙zc) = 0.5∙ (0.9∙0.862-0.5∙0.5∙0.82)
=0.23 м3;
Zc=lcf-a-a’=0.9-0.04-0.04=0.82
м
Минимальная площадь арматуры принимается 0,05% от площади
подколонника:
AS=0.0005∙lcf∙bcf=0.0005∙0.9∙0.9=4.05∙-4
м2
Принимаем 4Æ12А-lll с АS=452 мм2
Поперечную арматуру назначаем конструктивно так как e=0.004 м<hк/6=0,4/60,067 м.
6. Технология
производства работ по устройству фундаментов
В данном курсовом проекте принят как наиболее экономический
вариант фундамент мелкого заложения.
Перед устройством фундаментов необходимо выполнить ряд работ
по разработке грунта. В самом начале производится очистка строительной площадки
от мусора, деревьев, различного рода корчей, пней и т.д. Следующим этапом идет
срезка растительного слоя, который может вывозится или оставаться в отвалах для
благоустройства и в дальнейшем использоваться для благоустройства территории.
Следующим этапом является планировка площадки до проектной отметки, в данном
проекте DL=42 м, затем идет разработка грунта экскаваторами до проектной
отметки.
Трамбовать под фундамент стаканного типа нет надобности поскольку
это фундамент имеет глубину заложения больше чем мощности слабого грунта.
После того как котлован будет отрыт производится подготовка
под фундаменты из щебенки толщиной 150 мм. Затем производится установка
фундаментных подушек, а на них монтируются блоки ФБС, с перевязкой в каждом
ряду на 0,5 м. Для увеличения пространственной жесткости сборных фундаментов
необходимо создавать связь между продольными и поперечными фундаментными
стенами перевязкой швов между продольными и поперечными стеновыми блоками, а
также закладкой в горизонтальные швы сварных сеток.
Фундаменты стаканного типа выполняют монолитными на месте
установки. Бетон подается в опалубку бетононасосами.
Список
использованной литературы
1. Расчет
и проектирование оснований и фундаментов мелкого заложения на естественном
основании. Методические указания к курсовому проекту и части дипломного проекта
по дисциплине "Механика грунтов, основания и фундаменты" для
студентов специальности Т1901 "Промышленное и гражданское строительство".
- Могилев: УО МГТУ, 2002 - 40с.
2. Механика
грунтов, основания и фундаменты часть вторая "Расчет фундаментов на
искусственном основании". Методические указания к курсовому проекту и
разделу дипломного проекта по дисциплине "Механика грунтов, основания и
фундаменты" для студентов специальности 1202, 2903 "Промышленное и
гражданское строительство" дневного и заочного отделений. - Могилев: ММИ,
1991. - 28с.
. Механика
грунтов, основания и фундаменты часть третья "Расчет свайных
фундаментов". Методические указания к выполнению курсового проекта для
студентов специальности 1-70 02 01 "Промышленное и гражданское
строительство". - Могилев 2004.
. СниП
2.02.01-83 Основания зданий и сооружений - М.: Стройиздат, 1985. - 41 с.
. Веселов
В.А. Проектирование оснований и фундаментов - М.: Стройиздат, 1990. - 304 с.
. Проектирование
фундаментов зданий и подземных сооружений: Учеб. пособие /Под ред. Б.И.
Долматова - М.: АСВ, СПб.: СПбГАСУ, 1999. - 340 с.