Расчет привода с соосным двухступенчатым цилиндрическим редуктором

  • Вид работы:
    Курсовая работа (т)
  • Предмет:
    Другое
  • Язык:
    Русский
    ,
    Формат файла:
    MS Word
    44,46 Кб
  • Опубликовано:
    2012-09-05
Вы можете узнать стоимость помощи в написании студенческой работы.
Помощь в написании работы, которую точно примут!

Расчет привода с соосным двухступенчатым цилиндрическим редуктором

Республика Беларусь

Белорусский государственный университет транспорта

Кафедра «Детали машин и подъемно-транспортные механизмы»









РАСЧЕТ ПРИВОДА С СООСНЫМ ДВУХСТУПЕНЧАТЫМ ЦИЛИНДРИЧЕСКИМ РЕДУКТОРОМ

ВВЕДЕНИЕ

В настоящее время привод машин и механизмов осуществляется в основном электродвигателями переменного тока с частотой от 750 до 3000 об/мин. Однако, рабочие органы машин в большинстве случаев имеют небольшую частоту вращения (барабан, лебедка, ведущий барабан ленточного транспортера и т.д.) или более высокую частоту вращения, чем электродвигатель.

Для преобразования вращающегося движения электродвигателя на вал рабочего органа применяют механические передачи, предназначенные для использования целого ряда других функций, основными из которых являются:

1.     Повышение или понижение крутящего момента;

2.       Изменение траектории или характера движения;

.        Регулирование и изменение скорости;

.        Предохранение деталей и узлов машин от поломки при перегрузках;

В данном курсовом проекте рассчитывается привод, состоящий из следующих основных сборочных единиц: электродвигатель, клиноременная передача, редуктор, муфта соединения.

1. ЗАДАНИЕ НА ПРОЕКТИРОВАНИЕ ПРИВОДА С ДВУХСТУПЕНЧАТЫМ СООСНЫМ ЦИЛИНДРИЧЕСКИМ РЕДУКТОРОМ И РЕМЕННОЙ ПЕРЕДАЧЕЙ

Задание: спроектировать зубчатый цилиндрический двухступенчатый соосный редуктор (рисунок 1) с приводом от электродвигателя при помощи ременной передачи (рисунок 2).

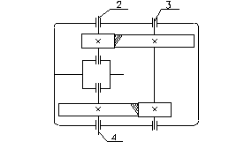
Рисунок 1 - Кинематическая схема зубчатого цилиндрического двухступенчатого соосного редуктора

Клиноременная передача расположена в горизонтальной плоскости, работает с постоянной нагрузкой в запыленном помещении. В соответствии с общей схемой привода оси валов редуктора должны лежать в горизонтальной плоскости.

Основные данные: мощность на выходном валу редуктора, ; частота вращения выходного вала, .

Привод предназначен для длительной эксплуатации.

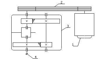
Рисунок 2 - Кинематическая схема привода:1 - электродвигатель; 2 - клиноременная передача; 3 - редуктор зубчатый  цилиндрический соосный; 4 соединительная муфта

2 РАСЧЕТ ПРИВОДА

2.1 Выбор электродвигателя

Требуемая мощность электродвигателя определяется по формуле:


где  - общий КПД привода;


По данным, приведенным в таблице А.1 [2], принимаем:

 - КПД клиноременной передачи ();

 - КПД зубчатой передачи с цилиндрическими колесами, работающей в масляной ванне ();

 - КПД учитывающий потери в паре подшипников качения ().

,

.

По таблице А.2 [2] выбираем трехфазный асинхронный короткозамкнутый электродвигатель серии 4А80В2У3; .

Определяем мощности на валах привода


2.2 Кинематический расчет привода

Общее передаточное число:


Производим разбивку передаточного числа по ступеням согласно рекомендациям таблицы А.1 [2]. Так как редуктор является соосным, то принимаем предварительно , тогда передаточное число редуктора , а передаточное число клиноременной передачи


Определяем частоты вращения валов привода:

частота вращения вала электродвигателя

частота вращения ведущего вала редуктора


частота вращения промежуточного вала редуктора


частота вращения ведомого вала редуктора


Определяем крутящие моменты на валах:

на валу электродвигателя


на ведущем валу редуктора


на промежуточном валу редуктора


на ведомом валу редуктора


Определяем ориентировочно диаметры всех валов привода:


где  - допускаемое напряжение кручения.

Обычно принимаем  - для редукторных и других аналогичных валов.

 или

 или

 или

 или

3. РАСЧЕТ РЕМЕННОЙ ПЕРЕДАЧИ

Определение основных размеров ремня [5, стр.16].

1.       Определим расчетный передаточный момент


где Ср - коэффициент, учитывающий динамичность нагружения передачи и режим ее работы (табл.2.2.2 [5]);

2.       Минимальный расчетный диаметр ведущего шкива (табл.2.2.1 [5])

тогда (по табл.2.2.4 [5])

. Расчетный диаметр ведомого шкива

По таблице 2.2.4 [5]

. Действительное передаточное число проектируемой передачи:


где  - коэффициент упругого скольжения.

. Минимальное межосевое расстояние


. Расчетная длина ремня.


По таблице 2.2.6 [5]

. Межосевое расстояние:


. Угол обхвата ремнем меньшего шкива

. Скорость ремня


. Определение число ремней в передачи.


где Р1=2,15 кВт - передаваемая мощность;

Р0=3,83 - мощность, передаваемая одним ремнем (таблица 2.2.7 [5]);

Ск - коэффициент, учитывающий число ремней в передаче. Предварительно принимается равным 1.

 - коэффициент, учитывающий влияние угла обхвата (таблица 2.1.3 [5]);

 - коэффициент, учитывающий длину ремня
(таблица 2.2.6 [5]);

 - коэффициент, учитывающий динамичность нагружения передачи и режим ее работы (табл.2.2.2 [5]);

. Расчет силы нагружающей вал.


где  - предварительное натяжение ремня;

 - окружное усилие;

 - коэффициент тяги.

Для передач с периодическим контролем натяжения ремня

Ремень нормального сечения В(Б) расчетной длиной , IV класса:

Ремень В(Б)-2000 IV ГОСТ 1284.1-89

4. РАСЧЕТ РЕДУКТОРА

4.1 Выбор материалов для зубчатых колес

Желая получить сравнительно небольшие габариты и невысокую стоимость редуктора, выбираем для изготовления колес сравнительно недорогую сталь 45, а для шестерен легированную сталь 40Х. По таблице А.3[2] назначаем для колес термообработку: улучшение 192…240 НВ, , , для шестерни второй ступени - улучшение 260…280НВ, , ; зубьям шестерни первой ступени - азотирование поверхности 50…59 HRC, при твердости сердцевины 26…30 HRC, , .

Определение допускаемых контактных напряжений. Допускаемые контактные напряжения для второй ступени определяем по материалу колеса, как более слабому по формуле


где  - предел контактной выносливости, определяется по таблице А.4[2].

; для шестерни первой ступени (азотирование).

 - коэффициент долговечности при числе циклов нагружения больше базового, что имеет место при длительной эксплуатации редуктора, принимают .

Определяем рабочее число циклов напряжений по формуле

где t - суммарный срок службы, ч, называемый ресурсом передачи, или число часов работы передачи за расчетный срок службы;

n - частота вращения того из колес, по материалу которого определяют допускаемые напряжения;

c - число зацеплений зуба за один оборот колеса (равно числу колес находящихся в зацеплении с рассчитываемым).

Определяем рабочее число циклов напряжений для колеса второй ступени

Определяем рабочее число циклов напряжений для шестерни второй ступени

Определяем рабочее число циклов напряжений для колеса первой ступени

Определяем рабочее число циклов напряжений для шестерни первой ступени

Базовое число циклов определяем по рисунку 3 [2] в зависимости от твердости зубьев колеса. При твердости зубьев колеса 200НВ, . Так как расчетное число циклов больше базового, то коэффициент долговечности принимаем .

Коэффициент безопасности для первой ступени , для второй ступени .

Допускаемые контактные напряжения для второй ступени определяем по материалу колеса, как более слабому .

Для колеса первой ступени также , а для шестерни .

Допускаемые контактные напряжения для первой ступени определяем по формуле


Так как , поэтому принимаем .



где  - предел выносливости зубьев по напряжениям изгиба; определяется по таблице А.4 [2]:

для колес обеих ступеней

для шестерни второй ступени

для шестерни первой ступени

по таблице А.4 [2] выбираем коэффициент безопасности

 - коэффициент, учитывающий влияние двустороннего приложения нагрузки. В данном случае , т.к. действует односторонняя нагрузка.

Коэффициент долговечности принимаем .

Тогда допускаемые напряжения изгиба

для колес обеих ступеней ;

для шестерни второй ступени ;

для шестерни первой ступени .

Определение допускаемых напряжений при кратковременной перегрузке. Предельные контактные напряжения для колес обеих ступеней

;

для шестерни второй ступени

;

для шестерни первой ступени

.

Предельные напряжения изгиба для колес обеих ступеней

;

для шестерни второй ступени

;

для шестерни первой ступени


4.2 Расчет второй тихоходной ступени

Расчет начинается со второй тихоходной косозубой пары как более нагруженной и, в основном, определяющей габариты редуктора.

Определение межосевого расстояния и других параметров [3]:

где  - приведенный модуль упругости, ;

 - коэффициент ширины колеса относительно межосевого расстояния; принимаем по рекомендациям таблицы А.5 [2], ;

 - коэффициент концентрации нагрузки, определяется по графику в зависимости от  - коэффициента ширины шестерни

;

По рисунку 6 [2] определяем  для симметричного расположения колес относительно диаметра.

;

Округляем расчетное значение а2 для нестандартных редукторов по ряду:

Тогда принимаем .

Принимаем ширину колеса

.

По таблице А.7 [2] выбираем

Тогда

По таблице А.8 [2] назначаем модуль

Определяем угол наклона зубьев

где  - коэффициент осевого перекрытия. Рекомендуют принимать . Принимаем

Определяем :


Тогда .

Определяем суммарное число зубьев:


Далее, число зубьев шестерни


Число зубьев колеса


Фактическое передаточное число


Уточняем значение  по межосевому расстоянию


Делительные диаметры шестерни и колеса получаем


Выполняем проверочный расчет на усталость по контактным напряжениям по формуле:


где  - коэффициент повышения прочности косозубых передач по контактным напряжениям.


где  - коэффициент торцового перекрытия; определяется по формуле:


, по таблице А.11 [2].

;

 - коэффициент расчетной нагрузки ;


 - коэффициент динамической нагрузки; определяется по таблице А.9 [2].

В зависимости от окружной скорости колеса


По таблице А.10 [2], назначаем 9-ю степень точности.  в зависимости от степени точности (таблица А.9[2]). Тогда

.


Расхождение между значениями  и  не превышает 4%.

Выполняем проверочный расчет по напряжениям изгиба


где  - коэффициент формы зуба. По графику (рисунок 7 [2]) при x=0 находим: для шестерни , для колеса ;

 - коэффициент расчетной нагрузки;

По графику (рисунок 5,6 [2])

По таблице А.9 [2]



Выполняем проверочный расчет на перегрузку по формулам:


Условия прочности соблюдаются.

Вторая тихоходная ступень

Передаточное число

u

4

Модуль, мм

m

1,5

Делительный диаметр шестерни, мм

d1

76

Делительный диаметр колеса, мм

d2

304

Число зубьев шестерни

z1

50

Число зубьев колеса

z2

200

Ширина колеса, мм

bw

36

4.3 Расчет быстроходной косозубой ступени соосного редуктора (u=4)

Так как редуктор соосный, то межосевое расстояния для двух ступеней будут одинаковы, таким образом, принимаем .

Определяем параметры шестерни и колеса.

Для определения ширины колеса  используем формулу


Принимаем , получим .

Ширину колеса принимаем .

Определяем модуль по формуле

Определяем угол наклона зубьев

;

где  - коэффициент осевого перекрытия. Рекомендуют принимать . Принимаем

Определяем :

Тогда .

Определяем суммарное число зубьев:

Далее, число зубьев шестерни


Число зубьев колеса


Фактическое передаточное число


Уточняем значение  по межосевому расстоянию


Делительные диаметры шестерни и колеса получаем


Выполняем проверочный расчет на усталость по контактным напряжениям по формуле


где  - коэффициент повышения прочности косозубых передач по контактным напряжениям.


где  - коэффициент торцового перекрытия; определяется по формуле


, по таблице А.11 [2].

;

 - коэффициент расчетной нагрузки ;


 - коэффициент динамической нагрузки; определяется по таблице А.9 [2].

В зависимости от окружной скорости колеса

По таблице А.10 [2], назначаем 9-ю степень точности.  в зависимости от степени точности (таблица А.9[2]). Тогда

.

Выполняем проверочный расчет по напряжениям изгиба


где  - коэффициент формы зуба. По графику (рисунок 7 [2]) при x=0 находим: для шестерни , для колеса ;

 - коэффициент расчетной нагрузки;

По графику (рисунок 5,6 [2])

По таблице А.9 [2]



Выполняем проверочный расчет на перегрузку по формулам:

Условия прочности соблюдаются.

Первая ступень

Передаточное число

u

4

Модуль, мм

m

3

Делительный диаметр шестерни, мм

d1

76

Делительный диаметр колеса, мм

d2

304

Число зубьев шестерни

z1

24

Число зубьев колеса

z2

96

Ширина колеса, мм

bw

38


5. ПОСЛЕДОВАТЕЛЬНОЕ ВЫПОЛНЕНИЕ КОМПОНОВОЧНОГО ЧЕРТЕЖА РЕДУКТОРА

Компоновка редуктора выполняется для:

1.   размещения внутри редуктора зубчатых колес всех ступеней так, чтобы получить размеры редуктора;

2.       проверки, не накладываются ли валы одной ступени на валы другой ступени;

.        Определения расстояния между опорами валов и длин консольных участков;

.        определения точек приложения сил, напруживающих вал.

Компоновочный чертеж представлен на миллиметровой бумаге приложенной к К.П.

Вычерчивание колёс и валов. Наносят межосевые расстояния , проводят осевые линии окружностей делительных диаметров, диаметров вершин зубьев, линий, ограничивающих ширину шестерни и колеса.

Вычерчивают валы (диаметры валов ориентировочно рассчитаны в месте посадки колеса или шестерни, т.е. в опасном сечении).

Для многоступенчатого редуктора наносят межосевые расстояния, вычерчивают последовательно шестерни и колеса ведущего, промежуточного и ведомого валов Зазор между торцами колес принимают S=8..15мм. Вычерчивают валы.

Очерчивание внутренней стенки корпуса. Расстояние от торца и наружного диаметра зубчатых колес до внутренней стенки корпуса для всех редукторов берется е = 10..20мм, зазор между колесом и дном корпуса
С =40..50мм.

Очерчивают наружную стенку корпуса, толщина которого во всех случаях должна быть не менее 8 мм. Ширина стенки корпуса (фланца) W в месте посадки подшипника зависит от передаваемого крутящего момента Т.

Похожие работы на - Расчет привода с соосным двухступенчатым цилиндрическим редуктором

 

Не нашли материал для своей работы?
Поможем написать уникальную работу
Без плагиата!
Без нейросетей!