Математическая модель системы автоматического управления температурой жидкости на выходе теплообменника
Цель работы
Научиться разрабатывать математические модели
систем автоматического регулирования и определять параметры настройки
регуляторов.
Задачи работы
При построении модели необходимо:
·
построить
концептуальную модель объекта;
·
построить
математическую логическую аналитическую модель объекта;
·
построить
инструментальную модель объекта;
·
исследовать
модель и определить настройки регулятора;
·
обсудить
результаты исследований.
Разработать математическую модель системы
автоматического управления температурой жидкости на выходе теплообменника
погружного типа «смешение-вытеснение», провести ее исследование и определить
тип и рациональные значения параметров настройки регулятора.
Рисунок 1 - Объект регулирования
Теплоноситель жидкость двигается по змеевику с
переменной скоростью W
в режиме идеального вытеснения. Змеевик погружен в проточный резервуар,
заполненный жидкостью, которая в резервуаре идеально перемешивается. Управление
производится изменением скорости движения жидкости по змеевику.
Модель получена при следующих ограничениях:
·
тепловые
емкости стенок резервуара и змеевика пренебрежимо малы;
·
потери
тепла в окружающую среду пренебрежимо малы;
·
объем
жидкости в резервуаре V1
постоянен.
Теплообмен происходит через поверхность змеевика
F3.
Температура охлаждающей воды в резервуаре ΘX
= 20 0С;
Температура охлаждаемой жидкости, поступающей в
змеевик ΘГ,
= 95 0С.
Температура жидкости на выходе змеевика должна
быть равной 40 8С;
Длина трубки змеевика L
=
2, м;
Сечение трубки змеевика S
= 10-4, м2;
Коэффициент теплопередачи α
= 1.2.102
Вт/(м2.8С);
Номинальный объемный расход охлаждающей жидкости
VX = 6.10-4,
м3/с;
Плотность охлаждаемой жидкости r
= 700, кг/м3;
Удельная теплоемкость охлаждаемой жидкости сР =
2.09 103, Дж/(кг.8С).
Исполнительный механизм - электрический.
Реферат
В курсовой работе приведена математическая
модель системы автоматического управления температурой жидкости на выходе
теплообменника погружного типа «смешение-вытеснение», проведено ее исследование
и определены тип и рациональные значения параметров настройки регулятора.
Курсовой проект содержит пояснительную записку
из 20 страниц текста, 10 рисунков и 2 литературных источника.
Содержание
1.
Разработка математической модели системы автоматического управления
температурой жидкости на выходе теплообменника погружного типа
«смешение-вытеснение»
.1
Концептуальная модель системы автоматического регулирования температуры
жидкости на выходе теплообменника
.1.1
Содержательное описание объекта регулирования
.1.2
Содержательное описание датчика температуры
.1.3
Содержательное описание регулятора
.1.4
Содержательное описание исполнительного устройства
.2
Формализация концептуальной модели
.3
Составление математической логической аналитической модели системы
автоматического управления температурой жидкости на выходе теплообменника
.3.1
Модель объекта регулирования
.3.2
Математическая модель датчика температуры (Т → ТВЫХ), где Т - температура
жидкости на выходе, °С; ТВЫХ - сигнал датчика, В
.3.3
Математическая модель элемента сравнения (Т - ТЗАД) → Δ),
где ТЗАД - сигнал задатчика, В; Δ
- сигнал рассогласования, В
.3.4
Математическая модель регулятора (Δ →
u), где Δ
- сигнал рассогласования, В, u
- сигнал управления, В
.3.5
Математическая модель исполнительного устройства (u
→
XШТ.1)
.4
Разработка структурной схемы системы автоматического управления
.5
Инструментальная модель системы автоматического регулирования уровня жидкости в
резервуаре
.5.1
Инструментальная модель объекта регулирования
.5.2
Инструментальная модель формирователя возмущений
.5.3
Инструментальная модель исполнительного устройства
.5.4
Инструментальная модель регулятора
.6
Результаты моделирования
.7
Обсуждение результатов моделирования
Заключение
Библиографический
список
1. Разработка математической модели системы
автоматического управления температурой жидкости на выходе теплообменника
погружного типа «смешение-вытеснение»
.1 Концептуальная модель системы автоматического
регулирования температуры жидкости на выходе теплообменника
Теплоноситель - жидкость двигается по змеевику с
переменной скоростью W
в режиме идеального вытеснения. Змеевик погружен в проточный резервуар,
заполненный жидкостью, которая в резервуаре идеально перемешивается. Управление
производится изменением скорости движения жидкости по змеевику.
Модель получена при следующих ограничениях:
- тепловые емкости стенок резервуара и змеевика
пренебрежимо малы;
потери тепла в окружающую среду пренебрежимо
малы;
объем жидкости в резервуаре V1
постоянен и равен 3 м3.
Исполнительный механизм - гидравлический.
Принципиальную схему регулирования температуры
жидкости на выходе теплообменника можно представить в виде:
Рис. 1. Принципиальная схема регулирования
температуры:
- резервуар; 2 - змеевик; 3 - исполнительное
устройство; 4 - регулятор температуры; 5 - датчик температуры.
Функциональную схему регулирования уровня
жидкости в резервуаре можно представить в виде:
Рис.2. Функциональная схема системы
автоматического управления температурой жидкости на выходе из теплообменника:
1.1.1 Содержательное
описание объекта регулирования
Рис. 3. Объект регулирования.
Объект регулирования - змеевик, погруженный в
проточный резервуар с линиями подвода и отвода жидкости.
Рабочее тело - жидкость.
Регулируемый параметр - температура жидкости на
выходе змеевика
Конструктивные параметры объекта:
Длина трубки змеевика L
= 2, м;
Сечение трубки змеевика S
= 10-4, м2;
Номинальные значения параметров процесса.
Температура охлаждающей воды в резервуаре ΘX
= 20 0С;
Номинальный объемный расход охлаждающей жидкости
VX = 6.10-4,
м3/с;
Плотность охлаждающей воды в резервуаре r
= 1000, кг/м3;
Удельная теплоемкость охлаждающей воды сх = 4,2 .103,
Дж/(кг.8С)
Температура охлаждаемой жидкости, поступающей в
змеевик ΘГ,
= 95 0С.
Температура жидкости на выходе змеевика должна
быть равной 40 8С;
Коэффициент теплопередачи α
= 1.2 .
102 Вт/(м2.8С);
Плотность охлаждаемой жидкости r
= 700, кг/м3;
Удельная теплоемкость охлаждаемой жидкости сз =
2,09 .103,
Дж/(кг.8С).
.1.2
Содержательное описание датчика температуры
Датчик температуры формирует на выходе сигнал
напряжения, пропорциональный значению температуры жидкости на выходе змеевика.
.1.3
Содержательное описание регулятора
Регулятор представляет собой типовой
электрический ПИД-регулятор, на вход которого поступает сигнал рассогласования,
сформированный элементом сравнения «ЭС», как разность сигналов датчика и
задатчика, а на его выходе формируется управляющий сигнал в границах ± 10 В.
1.1.4
Содержательное описание исполнительного устройства
Исполнительное устройство включает два
согласующих устройства и исполнительный механизм
Функциональная схема исполнительного устройства
может быть представлена в виде:
Рис. 4. Функциональная схема исполнительного
устройства.
СУ1 - согласующее устройство - используется
преобразователь давления, на вход которого поступает сигнал управления,
сформированный регулятором «U»,
в виде напряжения - 0…10В, на выходе формируется сигнал «Р1», в виде давления
равный 0,25МПа;
ИМ - гидравлический исполнительный механизм -
преобразует сигнал на входе «Р1», в виде давления сформированного на выходе СУ1
и равного 0,25МПа, в сигнал на выходе «Р2», в виде давления, изменяющегося в
пределах 2,5…20МПа;
СУ2 - согласующее устройство - используется
преобразователь перемещения, на вход которого поступает сигнал, сформированный
ИМ в виде давления «Р2», равного 2,5МПа, на выходе формируется сигнал «ХШТ», в
виде перемещения штока равного 16мм
1.2 Формализация концептуальной
модели
Анализ концептуальной модели позволяет отнести
объект регулирования к непрерывно-детерминированным моделям (D
- схемы).
1.3 Составление математической
логической аналитической модели системы автоматического управления температурой
жидкости на выходе теплообменника
.3.1
Модель объекта регулирования
Объект регулирования рассматривается как
одноемкостной и может быть описан дифференциальным уравнением первого порядка
вида:
(1)
где Т - постоянная времени (время разгона)
объекта;
Θ - относительная
величина регулируемого параметра;
Fд - коэффициент
самовыравнивания объекта;
λ - относительная величина
возмущающего воздействия.
Для составления аналитической модели, мы должны
связать параметры дифференциального уравнения: время разгона объекта и
коэффициент самовыравнивания с физическими параметрами объекта.
Изменение температуры охлаждаемой жидкости в
змеевике, который погружен в проточный резервуар, зависит от:
) количества теплоты, вносимой в резервуар
входным потоком;
) количества теплоты, уносимой из резервуара
выходным потоком;
) количества теплоты, получаемого в результате
теплообмена между охлаждающей водой в резервуаре и охлаждаемой жидкостью в
змеевике (теплообмен происходит через поверхность змеевика).
Следует иметь в виду, что теплоемкость,
плотность и температура выходного потока равны теплоемкости, плотности и
температуре среды, находящейся в аппарате.
Количество теплоты, заключенной в охлаждаемой
жидкости, находящейся в змеевике, равно произведению:
(2)
где
- теплоемкость охлаждаемой
жидкости, Дж/(кг·°С),
- плотность охлаждаемой жидкости,
кг/м3,
- температура охлаждаемой жидкости,
°С,
- расход охлаждаемой жидкости, м3,
Расход охлаждаемой жидкости
найдем по
формуле:
(3)
где
- сечение трубки змеевика, м2,
- скорость течения потока
охлаждаемой жидкости, м/с,
Примем скорость потока охлаждаемой
жидкости равной 2,5м/с, тогда расход охлаждаемой жидкости будет равен:
Количество теплоты, вносимой в
резервуар входным потоком охлаждающей воды, равно:
(4)
где
- теплоемкость охлаждающей воды,
кг/м3,
- плотность охлаждающей воды,
кг/м3,
- расход охлаждающей воды, м3,
- температура охлаждающей воды на
входе в резервуар, °С.
Количество теплоты, уходящей из
резервуара с выходным потоком охлаждающей воды, равно:
(5)
где
- температура охлаждающей воды на
выходе из резервуара, °С.
Количество теплоты, передаваемое в
результате теплообмена между охлаждающей водой в резервуаре и охлаждаемой
жидкостью в змеевике (учитывая, что теплообмен происходит через поверхность змеевика),
равно:
, (6)
где
- коэффициент теплопередачи,
Вт/(м2·°С),
- температура охлаждаемой жидкости
на входе в змеевик, °С,
- температура охлаждаемой жидкости
на выходе из змеевика, °С
Поверхность змеевика
найдем по
формуле:
, (7)
где
- длина трубки змеевика, м,
Уравнение теплового баланса на
основании (2) - (7) имеет вид:
(8)
Преобразуем полученное уравнение:
;
Запишем уравнение в виде:
, (9)
где
- величина возмущающего
воздействия.
Таким образом, подсчитав значения
постоянной времени и коэффициента усиления, получим дифференциальное уравнение,
описывающее объект регулирования:
(10)
Приведем уравнение к канонической
форме записи для чего разделим обе части уравнения на Fд:
(11)
Вычислим постоянную времени объекта
и коэффициент усиления:
С учетом полученного, передаточная
функция объекта управления будет иметь вид:
(12)
1.3.2
Математическая модель датчика температуры (Т → ТВЫХ), где Т - температура
жидкости на выходе, °С; ТВЫХ - сигнал датчика, В
На объекте использован датчик температуры,
передаточная функция звена которого имеет вид:
(13)
Примем kД = 1
[°С/В].
1.3.3
Математическая модель элемента сравнения ((ТВЫХ - ТЗАД) → Δ),
где ТЗАД - сигнал задатчика, В; Δ
- сигнал рассогласования, В
Передаточная функция звена будет иметь вид:
(14)
1.3.4
Математическая модель регулятора (Δ →
u), где u
- сигнал управления, В
В модели будем использовать ПИД-регулятор
математическая модель которого, имеет вид:
(15)
1.3.5
Математическая модель исполнительного устройства (u
→
XШТ.1)
1.3.5.1
Математическая модель согласующего устройства (u
→
f), где u
- сигнал управления, В; f
- частота тока питающей сети, Гц
Передаточная функция звена имеет вид:
(16)
kСУ = f / u = 50 / 10 =
5 [Гц/В].
.3.5.2
Математическая модель электродвигателя (f
→
ψ1), где n
- частота вращения ротора двигателя, об/с.
В качестве электродвигателя будем использовать
асинхронный четырех полюсный двигатель, для которого синхронная частота
вращения ротора n при частоте
тока питающей сети 50 Гц равна 25 об/c,
а зависимость частоты вращения ротора от частоты тока питающей сети линейная.
Двигатель для схемы (f
→
n) представляет
собой звено первого порядка, передаточная функция которого имеет вид:
. (17)
Коэффициент передачи для двигателя в
этом случае равен
дв = n / f = 25 / 50 =
0.5
Постоянную времени для
электродвигателей можно определить по моментам инерции, либо маховым моментам
ротора, приводимым в каталогах. Для асинхронных трехфазных двигателей единой
серии мощностью 0.6…1.5 кВт постоянную времени ТДВ можно принимать в пределах
от 0.6 до 1.8 с.
Однако для дальнейшего использования
нам необходимо получить преобразование несколько другого вида: (f → ψ1), где ψ 1 - угол
поворота якоря двигателя, об.
В этом случае передаточная функция
примет вид:
(18)
Ограничим перемещение штока вентиля
до 0,5 Dу, для чего
используем интегратор «с насыщением».
1.3.5.3 Математическая модель редуктора (ψ1
→ ψ2), где ψ2 - угол
поворота выходного вала редуктора, об.
Передаточная функция имеет вид:
Полагаем, что редуктор привода
настраиваемый, поэтому модель привода должна содержать настройку.
1.3.5.4 Математическая модель механизма привода
штока вентиля (ψ2 → ХШТ.1),
где Хшт - перемещение штока вентиля, м
Будем считать, что перемещение штока
вентиля производится механизмом «винт-гайка». Шаг гайки h примем
равным 0.004 м. Тогда kп.шт = 0.004 м/об.
1.3.5.5 Математическая модель исполнительного
устройства в целом (u → ХШТ.1), где u - сигнал управления, В
Модель исполнительного устройства в целом имеет
вид :
1.3.5.6
Математическая модель вентиля (ХШТ → μ),
где где μ -
коэффициент открытия вентиля
Полагая, что полное перемещение штока вентиля
ХШТ равно половине диаметра условного прохода трубы, рассчитаем значение
коэффициента передачи для крана. Учитывая, что Dу
= 0.1м , тогда для крана запишем:
1.3.5.7
Математическая модель звена формирования возмущений (μ
→
λ), где λ
- возмущающее воздействие
Возмущающим воздействием для объекта
регулирования (см. выше из уравнения 9) является λ(t)
- относительное возмущение (в долях номинальных значений возмущающих сигналов),
которое складывается из трех возмущений: колебаний параметров притока в
резервуар λ1(t),
колебаний параметров оттока из резервуара λ2(t)
и колебаний параметров притока в змеевик λ3(t):
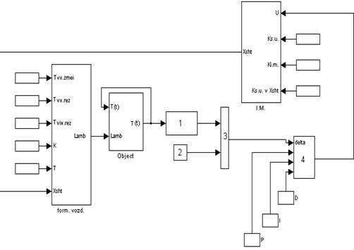
1.4 Разработка структурной схемы
системы автоматического управления
Структурная схема системы автоматического
управления уровнем жидкости в резервуаре может иметь вид:

form. vozd.
- звено, формирующее возмущение; - объект регулирования;
I. M.
- исполнительный механизм.
- датчик температуры;
- задатчик температуры;
- элемент сравнения;
- регулятор.
Тvx.zmei
- температура охлаждаемой жидкости на входе в змеевик;
Тvx.rez
- температура охлаждающей воды на входе в резервуар;
Тvix.rez
- температура охлаждающей воды на выходе из резервуара;
Xsht -
перемещение штока крана на входе в змеевик;
Lamb -
относительное возмущение;
Кsu1,
Кsu2 - коэффициенты
передачи согласующих устройств;
Кim
- коэффициент передачи исполнительного механизма;
Т(t)
- относительное значение температуры жидкости на выходе из теплообменника.
автоматический
моделирование регулятор тепловой
1.5 Инструментальная модель системы
автоматического регулирования температуры жидкости на выходе из теплообменника
Реализовать модель будем в пакете MATLAB,
при этом воспользуемся инструментом визуального моделирования SIMULINK.
Представим четыре модели в виде подсистем:
модель объекта регулирования, модель формирователя возмущений, модель
исполнительного устройства и модель регулятора.
1.5.1
Инструментальная модель объекта регулирования
Рис.6. Инструментальная модель объекта
регулирования.
1.5.2
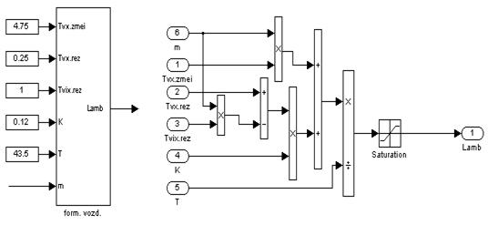
Инструментальная модель формирователя возмущений
Рис. 7. Инструментальная модель звена,
формирующего возмущения.
1.5.3
Инструментальная модель исполнительного устройства
Рис. 8. Инструментальная модель исполнительного
устройства.
1.5.4
Инструментальная модель регулятора
Рис. 9. Инструментальная модель регулятора.
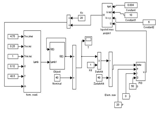
Общая схема инструментальной модели, системы
автоматического регулирования уровня жидкости в емкости, представлена на
рисунке
Рис. 10. Инструментальная модель системы
автоматического управления.
1.6 Результаты моделирования
=10, I=0, D=70
=10, I=0, D=90
=20,
I=0, D=90
=20,
I=0, D=100
1.7 Обсуждение результатов
моделирования
В результате проведенных исследований можно
сделать следующие выводы:
·
увеличение
коэффициента пропорциональной части регулятора незначительно изменяет общую
картину переходного процесса;
·
введение
дифференцирующего звена уменьшает перерегулирование и время регулирования;
·
последовательное
увеличение коэффициента дифференцирующего звена приводит к вполне приемлемому
результату;
·
отсутствие
статической ошибки можно объяснить наличием интегрирующего звена в цепи
управления;
·
приемлемым
регулятором можно считать ПД-регулятор;
·
приемлемыми
параметрами настройки можно считать: P=20,
I=0, D=100.
Заключение
В ходе выполнения курсовой работы получены
навыки разработки математических моделей систем автоматического регулирования и
определения параметров настройки регуляторов. Разработана математическая модель
системы автоматического управления температурой жидкости на выходе теплообменника
погружного типа «смешение-вытеснение. При выполнении работы построена
концептуальная, математическая логическая аналитическая и инструментальная
модели объекта; модель исследована и определены оптимальные настройки
регулятора; обсуждены результаты исследований.
Библиографический список
1. Вьюков, И.Е. Автоматизация
технологических процессов целлюлозно-бумажной промышленности [Текст] / И.Е.
Вьюков. - М.: Лесная промышленность, 1983. - 384с.
2. Луценко, В.А. Математическое
моделирование химико-технологических процессов на аналоговых вычислительных
машинах / Луценко В.А., Финякин Л.Н. 2-е изд. перераб. и доп. - М.: Химия,
1984.