Автоматизированная система управления технологическим процессом работы АЭС
Автоматизированная
система управления технологическим процессом работы АЭС
Содержание
Перечень условных обозначений
Введение
. Анализ и расчет САУ
.1 Краткая характеристика объекта
управления
.2 Разработка математической модели
объекта управления
.2.1 Принципиальная схема атомной
энергетической установки как объекта управления
1.2.2 Математическое описание
процессов в атомной энергетической установке
1.2.3 Математическая модель кинетики
ядерного реактора
.2.4 Математическая модель
теплообмена в ядерном реакторе
.2.5 Математическая модель
перемешивания и транспортного запаздывания теплоносителя
.2.6 Математическая модель
внутренних обратных связей в ядерном реакторе
.3 Проектирование системы
автоматического регулирования ядерного реактора
.3.1 Выбор и обоснование программы
управления АЭУ
.3.2 Система автоматического
регулирования мощности ЯР
.3.2.1 Регулятор нейтронной мощности
АЭУ РРН
.3.2.2 Регулятор давления пара в ГПК
РРТ
.4 Многомерная структурная схема АЭУ
с ВВЭР-1000
. Структурная схема АСУ ТП
.1 Системы и подсистемы АСУ ТП
.2 Анализ соответствия АСУ ТП
требованиям руководящих документов по безопасности
.3 Электропитание АСУ ТП. Выбор
схемы электроснабжения подсистем АСУ ТП
. Расчет параметров настройки
цифрового БРУ-К
.1 Назначение и характеристика
регулятора БРУ-К
.2 Описание работы регулятора
.3 Построение и сравнительный анализ
частотных характеристик регуляторов непрерывного и дискретного действия
.3.1 П-регулятор
.3.2 И-регулятор
3.3.3 ПИ-регулятор
3.3.4 ПИД-регулятор
.4 Выбор критериев качества
регулятора
.5 Метод определения параметров
настройки регуляторов дискретного действия
.6 Проверка разработанного метода
определения параметров настройки цифровых регуляторов
.6.1 Выбор метода и разработка
компьютерной программы для построения переходной характеристики дискретной САР
.6.2 Математическая модель САР с
цифровым регулятором
.6.3 Построение переходных
характеристик дискретной САР с произвольно выбранными параметрами настройки
.6.3.1 П-регулятор
.6.3.2 И-регулятор
.6.3.3 ПИ-регулятор
.6.3.4 ПД-регулятор
.6.3.5 ПИД-регулятор
.6.4 Построение переходных
характеристик дискретной САР с параметрами настройки, рассчитанными по
полученным аналитическим зависимостям
.6.5 Сравнительная оценка переходных
характеристик дискретной САР с различными параметрами настройки регуляторов по
показателям качества
.7 Алгоритм определения параметров
настройки цифровых регуляторов
. Техническое обслуживание и ремонт
систем и элементов АСУ ТП
.1 Виды ремонта систем и элементов
АСУ ТП
.2 Определение надежности спроектированной
системы и ее составляющих
.3 Продление срока эксплуатации
. Технико-экономическое обоснование
проекта
.1 Определение величины и структуры
капитальных вложений
.2 Выработка и отпуск электроэнергии
.3 Годовые эксплуатационные расходы
.4 Составляющая себестоимости
единицы электроэнергии
.5 Финансовые показатели проекта
.6 Оценка экономической
эффективности проекта
. Охрана труда и окружающей среды
.1 Общая характеристика региона, для
которого предназначена проектируемая АСУ ТП
.2 Стандартные показатели окружающей
среды, характеристика возможных загрязнений и их влияние на экологическое
состояние региона
.3 Основные требования безопасности
труда и меры по их реализации
. Гражданская оборона
.1 Факторы, влияющие на работу
объекта
.2 Оценка устойчивости работы
объекта энергетики к воздействию землетрясений и взрывов
.2.1 Оценка устойчивости объекта к
воздействию поражающих факторов
.2.2 Оценка степени устойчивости
объекта к воздействию сейсмической (ударной) волны
.2.3 Оценка устойчивости ОНХ в условиях
землетрясения
Заключение
Список используемой литературы
Приложение
Перечень условных обозначений
АВР - автоматический ввод резерва;
АЗ - аварийная защита;
АЗ - активная зона;
АКНП - аппаратура контроля нейтронного потока;
АКРБ - аппаратура контроля радиационной
безопасности;
АРМ - автоматический регулятор мощности;
АСУ ТП - автоматизированная система управления
технологическим процессом;
АЦП - аналогово-цифровой преобразователь;
АЭС - атомная электрическая станция;
АЭУ - атомная энергетическая установка;
БКУ - быстродействующий
контур управления;
БРУ-К - быстродействующий
редукционная установка сброса пара в конденсатор;
БЩУ - блочный щит управления;
ВВЭР - водо-водяной энергетический реактор;
ГК - главный конденсатор;
ГПК - главный паровой коллектор;
И - интегральный;
ИК - ионизационные камеры;
КИП -
контрольно-измерительные приборы;
КПД - коэффициент полезного действия;
МК - микроконтроллер;
МКУ - медленнодействующий
контур управления;
МУТ - механизм
управления турбиной;
МЩУ - местный щит управления;
ОНХ - объект народного хозяйства;
ОР - орган регулирования;
ОС - обратная связь
П - пропорциональный;
ПГ - парогенератор;
ПЗ - предупредительная защита;
ПИ - пропорциально-интегральный;
ПИД -
пропорциально-интегрально-дифференциальный;
ППР - планово-предупредительный ремонт;
ППУ - паро-производящая установка;
ПТК - программно-технический комплекс;
ПФ - передаточная функция;
РРН - регулятор нейтронной мощности;
РУ - реакторная установка;
РЩУ - резервный щит управления;
САОЗ - система аварийного охлаждения активной
зоны реактора;
САР - система автоматического регулирования;
СБ - система безопасности;
СВРК - система внутриреакторного контроля;
СГИУ - система группового и индивидуального
управления;
СУЗ - система управления и защиты реактора;
ТВС - тепловыделяющая сборка;
ТВЭЛ - тепловыделяющий элмент;
ТГ - турбогенератор;
ТН - теплоноситель;
ТКР - температурных коэффициентов реактивности;
ТПН - турбопитательный насос;
УВС - управляющая вычислительная система;
УКТС - унифицированный комплекс технических
средств;
ЦАП - цифро-аналоговый преобразователь;
ЦВД - цилиндр высокого давления;
ЦНД - цилиндр низкого давления;
ЩПТ - щит постоянного тока;
ЭБ - энергоблок;
ЭГСР - электрогидравлическая система
регулирования;
ЯР - ядерный реактор.
Введение
В наше время стремительное развитие атомной
энергетики, популяризация использования радиоактивных веществ и источников
ионизирующих излучений в промышленности, что основано на желании получения
безопасным образом электрической энергии, привело к внедрению стратегии развития
ядерной энергетики до 2030 г.
Стратегией развития ядерной энергетики
планируется поддержка на протяжении 2006 - 2030 гг. части производства
электроэнергии АЭС на уровне, достигнутому в 2005 году (то есть, около половины
от суммарного годового производства электроэнергии в Украине). Это решение
обосновывается, в первую очередь, мировыми тенденциями в энергетике, развитием
инновационных ядерных технологий, наличием собственных сырьевых ресурсов урана
и циркония, а также - стабильной работой АЭС, потенциальными возможностями
страны относительно создания энергетических мощностей на АЭС, имеющимися
техническими, финансовыми и экологическими проблемами тепловой энергетики.
Строительство новых мощностей АЭС в период до
2030 года определяется количеством в настоящее время действующих энергоблоков,
которые могут находиться в этот период в эксплуатации с учетом продолжения
срока их эксплуатации на 15 лет. До 2030 года в эксплуатации, будут находится 9
действующих энергоблоков АЭС: 7 энергоблоков с продленным сверх проектного
сроком эксплуатации - № 3, 4, 5, 6 ЗАЭС ; № 3 РАЭС; № 1 ХАЭС; № 3 ЮУАЭС, и 2
энергоблока, которые введены в эксплуатацию в 2004 году - № 2 ХАЭС и № 4 РАЭС.
Таким образом, для обеспечения задания стратегии относительно объема
производства электроэнергии необходимо ввести до 2030 года в эксплуатацию около
20,5 ГВт замещающих и дополнительных мощностей на АЭС.
Для практического воплощения стратегии
необходимо повысить эффективность использования ядерного топлива путем
завершения перехода на 4-летний и последующего перехода на 5-летний топливный
цикл, сократить длительность планово-предупредительных ремонтов путем
оптимизации периодичности их проведения и повышения качеств работ. Необходимо
выполнить мероприятия по модернизации и реконструкции основного оборудования и
систем АЭС, выполнить в полном объеме мероприятия по продлению срока
эксплуатации, прежде всего, элементов, замену которых сделать невозможно или
крайне дорого. Необходимо обеспечить эффективное снятие c
эксплуатации энергоблоков АЭС на этапе завершения их жизненного цикла и
своевременное сооружение новых мощностей на дополнение и замену тех, что
снимаются из эксплуатации.
Данная отрасль энергетики - атомная энергетика -
развивается высокими темпами, она играет революционную роль в научно-техническом
прогрессе. Ядерная энергетика стала крупной отраслью народного хозяйства, без
которой невозможно представить его дальнейшее развитие.
В настоящее время нет никакой серьезной
альтернативы ядерной энергетике. Пока еще не найдены технически эффективные и
экономически выгодные пути использования неисчерпаемых запасов солнечной
энергии. Что касается органического топлива, то его запасы неуклонно
сокращаются и находятся на грани полного истощения. Наряду с этим органическое
топливо экологически вредно. При сжигании в топках тепловых электростанций
каменного угля, нефти или газа потребляется много кислорода, выбрасывается в
атмосферу значительное количество пыли, сажи и сернистого газа. Органическое
топливо приходится добывать в труднодоступных районах, что удорожает их
стоимость.
Ядерная энергетика имеет большую энергоемкость.
Это говорит о том, что объем необходимого ядерного топлива на единицу мощности
в несколько десятков тысяч раз меньше.
Однако энергия атома вызывает у ряда людей
опасение и недоверие, несмотря на то, что с момента создания атомной
промышленности вопросам безопасности уделялось и в данное время уделяется
особое внимание. Несмотря на это произошла авария на Чернобыльской АЭС, которая
считалась практически невероятной. Это показывает, что даже самая совершенная и
проверенная техника не абсолютно надежна. При грубых ошибках персонала возможны
серьезные аварии и в этой области человеческой деятельности.
Атомная электрическая станция с водо-водяными
энергетическими реакторами (ВВЭР) и сами реакторы этого типа имеют много важных
физических и инженерно-технических достоинств:
·
безопасность
и надежность в эксплуатации, сравнительная простота сооружения, наладки и ввода
в эксплуатацию, доступность и отработанность технологии воды, являющейся одновременно
замедлителем, теплоносителем, биологической защитой и охлаждающей средой при
перегрузках топлива;
·
большая
единичная и удельная мощность;
·
возможность
перегрузки топлива под слоем воды, глубокое выгорание топлива при небольших
начальных обогащениях;
·
высокая
степень устойчивости вследствие отрицательно - плотностного эффекта
реактивности.
Исходя из выше указанного, можно сделать вывод,
что корпусной водо-водяной энергетический реактор представляет собой
компактную, сравнительно простую и удобную в эксплуатации энергетическую
установку, что и определяет высокие перспективы развития реакторов этого типа в
будущем.
1. Анализ и расчет САУ
.1 Краткая характеристика объекта управления
В качестве проектируемой АЭУ выбрана
двухконтурная схема с реактором корпусного типа на тепловых нейтронах и турбине
на насыщенном паре. За прототип взята АЭУ третьего энергоблока ЮУ АЭС. Для
данного типа АЭУ в качестве теплоносителя используется обессоленная вода под
давлением, а в качестве рабочего тела - насыщенный пар.
АЭУ АЭС состоит из паро-производящей установки,
паротурбинной установки и генератора электрической энергии. Теплота,
выделяющаяся в реакторе, передается теплоносителю. Теплоноситель, поступая в
парогенератор, часть своей энергии передает рабочему телу. Получаемый таким
образом насыщенный пар из парогенератора поступает на турбину, где тепловая
энергия рабочего тела преобразуется в механическую энергию вращения ротора
турбины, который приводит в движение ротор генератора электроэнергии, где, в
свою очередь, происходит процесс преобразования механической энергии в
электрическую.
Паропроизводящая установка со всеми системами,
обеспечивающими ее работу, расположена в реакторном отделении главного здания
АЭС. Паротурбинная установка и генератор электроэнергии, со всеми системами
обеспечивающими их работу, расположены в машинном зале главного здания АЭС.
.2 Разработка математической модели объекта
управления
.2.1 Принципиальная схема АЭУ как объекта
управления
Объектом управления является двухконтурная АЭУ, принципиальная
схема которой представлена на рисунке 1.1.
Источником энергии в АЭУ является водо-водяной
энергетический реактор (ВВЭР). Теплоноситель, циркулирующий с помощью
циркуляционного насоса в первом контуре, переносит тепловую энергию из реактора
в парогенератор (ПГ) и далее передает ее рабочему телу второго контура,
которое, нагреваясь до температуры кипения, испаряется и перегревается.
Перегретый пар поступает в турбину, вращающую генератор. После турбины пар
направляется в главный конденсатор, в котором превращается в воду. Питательная
вода из главного конденсатора подается питательным насосом в ПГ, где вновь
нагревается до температуры насыщения, испаряется и превращается в пар [2, стр.
9 - 24].
Качество пара, генерируемого в ПГ, зависит от
количества подведенного тепла и расхода питательной воды. Мощность турбины
зависит от расхода и качества перегретого пара и тесно связана с мощностью
реактора.
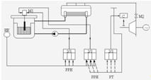
Рисунок 1.1 - Органы регулирования АЭУ с ВВЭР
М1 - органы регулирования нейтронной мощности
ядерного реактора (регулирующие стержни);
М2 - орган регулирования расхода питательной
воды (питательный клапан);
М3 - орган регулирования перепада давления на
питательном клапане;
М4 - орган регулирования расхода пара на турбину
(паровой клапан);
М5 - предохранительный клапан для случая, когда
давление пара превысит допустимое (предохранительный орган регулирования);
М6 - орган регулирования расхода теплоносителя
(ТН);
N - нейтронная
мощность, %; Pп
Qp
- тепловая мощность, ВТ;
Т1 - температура ТН на входе в
ядерный реактор;
Т2 - температура ТН на выходе из
ядерного реактора;
Тпгвх - температура ТН на
входе в ПГ;
Тпгвых - температура ТН на
выходе из ПГ;
Pп -
давление пара;
нs
- температура насыщенного пара при данном давлении;
- расход насыщенного пара;
энтальпия насыщенного пара;
- расход питательной воды;пв
- энтальпия питательной воды.
Уравнение баланса в АЭУ
,
где Сpm - средняя теплоемкость
теплоносителя.
1.2.2 Математическое описание процессов в
атомной энергетической установке
Построение математической модели объекта
регулирования начнем с описания уравнений нейтронной кинетики. Физическая
кинетика - это научное направление, изучающее процессы, возникающие при
нарушениях равновесия.
.2.3 Математическая модель кинетики ядерного
реактора
Уравнение и передаточная функция кинетики
ядерного реактора без учета запаздывающих нейтронов.
Рассмотрим особенности кинетики реактора без
учета запаздывающих нейтронов. Уравнение кинетики в этом случае имеет вид
, (1.1)
где N(t) -
нейтронная мощность; ρ(t) -
реактивность; l - среднее время жизни мгновенных нейтронов.
Уравнение (1.1) является нелинейным,
так как имеет место произведение двух функций N(t) и ρ(t). Для его
линеаризации разложим функцию в ряд Тейлора в окрестности уровня мощности
.
В результате линеаризованное
уравнение кинетики приобретает вид
Применяя преобразование Лапласа, получим
передаточную функцию кинетики ядерного реактора без учета запаздывающих нейтронов
где
стационарный (установившийся)
уровень мощности реактора;
Структурная схема кинетики ядерного
реактора представлена на рисунке 1.2.
Рисунок 1.2- Структурная схема кинетики ядерного
реактора
а - модель деления U-235 без учета запаздывающих
нейтронов;
б - структурная схема передаточной функции
Уравнение и передаточная функция кинетики
ядерного реактора с учетом запаздывающих нейтронов
Передаточная функция выводится из уравнений
кинетики с учетом шести групп запаздывающих нейтронов. Уравнения кинетики с
учетом шести групп запаздывающих нейтронов имеют вид
,
где N - число нейтронов в 1 см3;
ρ
- реактивность;
β - суммарная доля запаздывающих
нейтронов;
βi - доля i-й группы
запаздывающих нейтронов;- среднее время жизни мгновенных нейтронов;
λi -
постоянная распада i-й группы ядер предшественников;
Сi -
концентрация ядер предшественников i-й группы.
После линеаризации и преобразования
исходных уравнений, согласно структурной схемы кинетики ядерного реактора с
учетом шести групп запаздывающих нейтронов, получим передаточную функцию
кинетики ЯР с учетом шести групп запаздывающих нейтронов.
Для реакторов ВВЭР суммарная доля
запаздывающих нейтронов зависит от количества Pu-239, накапливаемого в активной
зоне в процессе выгорания топлива. К концу кампании β несколько
уменьшается, что приводит к более сильному влиянию изменения реактивности на
изменение нейтронной мощности. В то же время постоянные распада λi и отношения
в течении
кампании практически не изменяются.
Структурная схема кинетики ЯР с
учетом шести групп запаздывающих нейтронов представлена на рисунке 1.3.
Рисунок 1.3 - Структурная схема кинетики ЯР с
учетом шести групп запаздывающих нейтронов.
а - модель деления ядра U-235 с учетом
запаздывающих нейтронов; б - структурная схема
Передаточная функция кинетики ядерного реактора
с одной осредненной группой запаздывающих нейтронов
При описании нестационарных процессов
значительной длительности следует учитывать все группы запаздывающих нейтронов.
Одним из удобных способов описания кинетики является передаточная функция с
одной осредненной средневзвешенной группой запаздывающих нейтронов. Для этого
осуществляется осреднение константы.
Передаточная функция кинетики с
учетом одной осредненной группы запаздывающих нейтронов при подстановке
осредненных констант примет вид
,
где
постоянная времени в области низких
частот;
постоянная времени в области высоких
частот;
КI -
коэффициент усиления кинетики.
Расчет передаточной функции кинетики ядерного
реактора и частотных построение ее логарифмических характеристик.
Исходные данные:
- среднее время жизни мгновенных нейтронов
;
- постоянная распада осредненной группы нейтронов
;
- доля запаздывающих нейтронов
;
- уровень мощности
.
Передаточная функция кинетики ядерного реактора
имеет вид
Коэффициент усиления кинетики
Постоянная времени в области низких
частот
)
Постоянная времени в области высоких
частот
Таким образом, передаточная функция
кинетики ЯР примет вид
Структурная схема кинетики
представлена на рисунке 1.4
Построение ЛЧХ кинетики ядерного
реактора
Передаточная функция представляет собой
совокупность следующих элементарных звеньев:
. К1 - пропорциональное звено:
дБ;
;
.
форсирующее звено 1-го порядка
частота среза
с-1;
.
интегрирующее звено; частота среза
;
;
.
апериодическое звено 1-го порядка;
частота среза
с-1.
Графики ЛЧХ кинетики ЯР представлены на рисунке
1.5.
Рисунок 1.5 - ЛЧХ кинетики ядерного реактора
На основании рассмотренных соотношений и
графиков сделаем следующие выводы.
. ПФ кинетики с учетом запаздывающих нейтронов
состоит из четырех типовых звеньев: пропорционального, интегрирующего,
форсирующего 1-го порядка и апериодического 1-го порядка.
. Один корень характеристического уравнения
равен нулю S = 0 - граница устойчивости.
. ЛЧХ отражает поведение кинетики реактора в
трех областях частот:
· наиболее опасной областью с точки зрения ядерной
безопасности является
область низких частот. В этой области
характеристика похожа на область ЛЧХ без учета запаздывающих нейтронов.
Небольшое высвобождение реактивности вызывает экспоненциальный рост нейтронного
потока;
· в области средних частот (участок, параллельный
оси абсцисс) не изменяется уровень мощности ни при каких изменениях
реактивности. Это спокойная область; в ней отсутствует запаздывание по фазе. Данная
область служит для регулирования САР даже в процессе работы установки.
· область высоких частот - это область спада
нейтронной мощности по причине влияния инерционности на гармоническое изменение
реактивности.
4. Коэффициент усиления ПФ кинетики зависит от
уровня мощности. Поэтому переход с одной мощности на другую вызывает
неустойчивые нелинейные колебания, обусловленные нелинейными явлениями.
.2.4 Математическая модель теплообмена в ядерном
реакторе
При математическом моделировании теплообмена в
ЯР важно оценить возможные погрешности, вносимые упрощенным рассмотрением
процесс аккумуляции тепла в материале тепловыделяющего элемента и
теплоносителя.
В процессе построения математической модели
теплообмена в ЯР будем пользоваться следующими допущениями:
Рассматривается ЯР с одним циркуляционным
контуром.
Теплофизические параметры: теплоемкость,
теплопроводность, плотность, коэффициент теплопередачи не зависят от времени и
координат.
Пренебрегаются перетечками тепла вдоль длины
тепловыделяющего элемента по сравнению с потоком тепла в радиальном
направлении, а также перетечками тепла в направлении течения ТН за счет
теплопроводности.
Распределение скорости теплоносителя по сечению
канала принимается постоянным.
Все тепло выделяется в горючем (в топливе).
Не учитывается масса металла корпуса реактора.
Рассматривается сосредоточенная математическая
модель. Она представляет собой такую модель, которая как бы сжимается в точку,
однако, ей присваиваются все характеристики реактора в целом.
Таким образом, активная зона (АЗ) представляет
собой канал, внутри которого находится все горючее. На рисунке 1.6 представлена
схема теплообмена в реакторе.
Рисунок 1.6 - Схема теплообмена в реакторе
(эквивалентное сечение ТВС реактора)
Запишем уравнения теплового баланса для канала
(ТВС).
,
где
интегральная теплоемкость массы
горючего, Дж/град;
интегральная теплоемкость
теплоносителя, Дж/град;
ρ - плотность, кг/м3;
V - объем, м3;
с - теплоемкость горючего, Дж/град;
К - коэффициент теплопередачи;
Сpm - средняя
теплоемкость теплоносителя, Дж/(кг∙град);I - расход
ТН, кг/с;- поверхность нагрева АЗ, м2;
ΘСР - средняя
температура блока горючего, 0С;
Т1 - температура ТН на
входе в ядерный реактор, 0С;
Т2 - температура ТН на
выходе из ядерного реактора, 0С.
Чтобы в динамике ЯР была записана
упрощенная математическая модель, используем среднюю температуру ΘСР.
Переходя к малым отклонениям от
расчетного режима, получим следующие передаточные функции:
,
;
Уравнение динамики теплообмена в АЗ
реактора
Передаточная функция
характеризует
собой изменение температуры ТН на выходе из реактора в зависимости от
возмущения температуры ТН на входе в реактор.
Передаточная функция
характеризует
изменение температуры ТН на выходе из реактора в зависимости от возмущения
тепловой мощности;
передаточная
функция, характеризующая изменение температуры ТН на выходе из реактора как
реакция на стандартное тепловое возмущение расходом ТН.
Структурная схема теплообмена в АЗ
реактора представлена на рисунке 1.7
Рисунок 1.7 - Структурная схема теплообмена в
активной зоне реактора
Исходные данные:
Т1 = 286 0С;
Т2 = 295 0С;
ТСР = 290,5 0С;
Сpm = 4421 Дж/ (кг∙град);
Дж/град;
Дж/град;
;I = 84800 м3/час;=
4376,4 м2;
ΔGI = 0.
;
К = 3600 Вт/м2;
;
;
с;
с;
;
;
с;
;
1.2.5 Математическая модель перемешивания
и транспортного запаздывания теплоносителя
Реактор и парогенератор в составе ППУ первого
контура связаны между собой трубопроводами, по которым осуществляется
циркуляция ТН.
Основная роль математического описания динамики
движения ТН в трубопроводах заключается в обосновании транспортного и
инерционного запаздывания при передаче сигнала - температурного фронта в тракте
первого контура во времени. Тракт циркуляции теплоносителя представлен на
рисунке 1.8
Как видно из рисунка 1.8 транспортные запаздывания
в элементах первого контура происходят из-за протяженности и объемов
коммуникаций. Предполагается, что потери тепла от ТН в окружающую среду
отсутствуют.
Рисунок 1.8 - Принципиальная схема транспортных
коммуникаций
Выведем ПФ транспортного запаздывания на участке
"горячего" трубопровода от реактора до парогенератора.
Запишем функцию в виде
(1.2)
Используя теорему операционного
исчисления о смещении аргумента оригинала, получим
Графическая иллюстрация
транспортного запаздывания представлена на рисунке 1.9
Время запаздывания τ5, равное
времени переноса ТН в трубопроводе от реактора к ПГ, рассчитывается по формуле
,
где
- объем ТН в "горячем"
трубопроводе, м3;
средняя плотность ТН на исследуемом
участке как функция температуры при данном давлении;
GI
- массовый расход ТН, кг/с.
Разложив функцию (1.2) в ряд Тейлора и
пренебрегая высшими членами ряда, за исключением первых двух, получим
Применяя преобразование Лапласа,
получим приближенную ПФ
ПФ транспортного запаздывания ТН в
трубах парогенератора
с
ПФ транспортного запаздывания ТН в
"холодном" трубопроводе

Однако, в первом контуре имеет место не только
транспортное запаздывание, но и изменение формы сечения трубопроводов, а также
включение различных объемов. Именно в этих местах происходит перемешивание ТН.
Например, при выходе ТН из "горячего" трубопровода в ПГ элементарные
объемы проходят разные траектории. Этот механизм и является причиной
перемешивания.
Передаточная функция процесса перемешивания
имеет вид
ПФ перемешивания ТН в нижней камере смешения
реактора
Передаточная функция перемешивания в верхней
камере реактора над АЗ
Передаточная функция перемешивания верхней
камеры смешивания
Передаточная функция смешивания в активной зоне
ЯР:
1.2.6 Математическая модель внутренних обратных
связей в ядерном реакторе
При математическом моделировании
функционирования АЭУ различают внешние и внутренние обратные связи (ОС).
К внешним ОС относятся связи, которые происходят
от внешнего автоматического управления, то есть регуляторы.
К внутренним ОС относятся такие невидимые связи,
которые, например, в реакторе выражаются через изменение реактивности в
зависимости от температуры топлива, ТН и замедлителя. Эти связи происходят из
так называемых температурных коэффициентов реактивности (ТКР).
Различают три вида ТКР:
Температурный коэффициент реактивности при
температуре топлива Θ.
Температурный коэффициент
реактивности при температуре ТН ТСР
Температурный коэффициент
реактивности при темп-ре замедлителя ТЗ
Будем считать, сто средняя
температура замедлителя равна средней температуре ТН. Поэтому при построении
математической модели внутренней ОС будем учитывать 2 температурных эффекта:
эффект внутренней ОС по температуре топлива и по температуре ТН.
Уравнение баланса тепловой энергии в
реакторе
Учитывая, что
, можно
пренебречь ТСР.
Применяя преобразование Лапласа,
получим
;
;
Таким образом, ПФ внутренней ОС по
температуре топлива примет вид
Аналогичным образом выведем ПФ
внутренней ОС по температуре ТН. Для этого запишем дифференциальное уравнение
теплового баланса
ПФ внутренней ОС по температуре ТН
Структурная схема внутренней ОС в
реакторе представлена на рисунке 1.10
Обратные связи стабилизирует ядерный
реактор и защищают от пережога при мгновенных аварийных ситуациях. Для
выполнения этих функций, необходимо проектировать АЭУ таким образом, чтобы эти
внутренние ОС были отрицательными. При этом всякая аномалия, вызванная
эксплуатацией реактора, стабилизируется.
Внутренняя ОС по температуре топлива
при ее отрицательном значении является мгновенной, то есть процесс стабилизируется
мгновенно. На рисунке 1.11 показана зависимость реактивности от средней
температуры
Рисунок 1.10 - Структурная схема внутренней ОС в
реакторе
Рисунок 1.11 - Зависимость реактивности от
средней температуры
.3 Проектирование системы автоматического
регулирования ядерного реактора
.3.1 Выбор и обоснование программы управления
АЭУ
На блоках с реакторами ВВЭР получили
распространение следующие программы регулирования:
) с постоянной средней температурой
теплоносителя в 1-м контуре;
) с постоянным давлением во 2-м контуре;
) компромиссная программа с умеренным изменением
обеих величин;
) комбинированная с Рп = cosnt при
малых нагрузках и tсрт/н = const при больших нагрузках.
Рассмотрим программы регулирования, которые
получили распространение на АЭС в Украине. Программа tсрт/н
= const представлена на рисунке 1.12 наиболее благоприятна для 1-го контура. По
этой программе для изменения мощности реактора требуется внести наименьшую
реактивность (перемещение регулирующих стержней). Кроме того, при работе блока
по этой программе объем теплоносителя 1-го контура постоянен, вследствие чего
уменьшаются требуемые размеры компенсатора давления, и облегчается работа их
систем регулирования. Недостатком этой программы является повышение давления
пара при снижении мощности. Это вызывает необходимость утяжеления оборудования
2-го контура.
Рисунок 1.12 - Программа регулирования tсрт/н
= const
При этом термический КПД цикла остается низким
при всех мощностях, так как на номинальной мощности Рп, поступающего
на турбину, ниже допускаемого по условиям работы 2-го контура, а ан пониженной
мощности, когда давление пара велико, КПД также низок из-за незначительного
перепада давления на регулирующих клапанах. Указанные недостатки привели к
тому, что эта программа уступает место более совершенным.
Программа с постоянным давлением во втором
контуре Рп = const изображенная на рисунке 1.13 позволяет повысить
КПД цикла в номинальном режиме при той же стоимости оборудования второго
контура. Кроме того, поскольку во 2-м контуре давление (и температура)
постоянны, в оборудовании контура не возникают термические напряжения при
изменении мощности. Однако при изменении этой программы для предотвращения
закипания теплоносителя в 1-м контуре необходимо повысить его давление примерно
на 30 кгс/см2 (3 МПа). Кроме того, значительные изменения
температуры теплоносителя 1-го контура приводят к необходимости изменять
реактивность на большую величину, усложняют работу системы компенсации объема,
а также при быстрой смене режима могут вызвать нежелательные температурные
напряжения в 1-м контуре. Однако, несмотря на это программа регулирования РII
= const относится к числу наиболее распространенных [3, стр. 9-12].
Рисунок 1.13 - Программа регулирования Рп
= const
.3.2 Система автоматического регулирования
мощности ЯР
Автоматический регулятор мощности АРМ-5
предназначен для поддержания мощности реактора в соответствии с мощностью
турбогенератора. Регулятор осуществляет стабилизацию мощности реактора на
заданном уровне. Это свойство исходит из условия, что оператор определяет
уровень заданной мощности. Кроме того, регулятор АРМ-5 поддерживает мощность турбогенератора
в соответствии с мощностью реактора.
В состав АРМ-5 входит регулятор РРН, который
служит как для поддержания входной мощности, как в заданном диапазоне, так и в
соотношении с мощностью ПГ; регулятор РРТ; регулятор РТ - регулятор мощности
турбины.
Функциональная схема регулятора АРМ-5
представлена на рисунке 1.14. На ней изображены:
- ИК - ионизационная камера;
- РРН - регулятор нейтронной мощности;
- РТ - регулятор мощности турбины;
- М1 - органы регулирования нейтронной
мощности ядерного реактора (регулирующие стержни);
- М2 - орган регулирования расхода
пара на турбину (паровой клапан).
Рисунок 1.14 - Функциональная схема регулятора
мощности АРМ-5
.3.2.1 Регулятор нейтронной мощности АЭУ РРН
Регулятор реактора нейтронной мощности АЭУ РРН
предназначен для стабилизации нейтронного потока в ректоре на заданном уровне
со статической точностью ± 2% от заданного значения путем
перемещения органов регулирования реактора (кластеров). Если регулятор работает
в этом режиме, то поддержание давления пара перед турбиной осуществляется
автоматически с помощью ЭГСР турбины.
Структурная схема регулятора РРН представлена на
рисунке 1.15.
Рисунок 1.15 - Структурная схема регулятора РРН
1.3.2.2 Регулятор давления пара в ГПК РРТ
Регулятор давления пара в ГПК РРТ предназначен
для стабилизации теплотехнического параметра на заданном уровне со статической
точностью ±0,5 кгс/см2 путем
воздействия на мощность реактора перемещением ОР (режим "Т").
Поскольку основной причиной изменения давления пара перед турбиной являются
колебания мощности, данный регулятор поддерживает тепловую мощность реактора в
соответствии с требуемой мощностью турбины.
При работе устройства в режиме "С"
осуществляется снижение мощности реактора при увеличении значения давления по
сравнению с заданным значением. Зона нечувствительности регулятора РРТ для
режима "С" +1…1,5 кгс/см2. Увеличение мощности реактора
при работе регулятора в этом режиме не производится. Включение АРМ в режим
"С" осуществляется только из режима "Т".
Структурная схема регулятора РРТ представлена на
рисунке 1.16
Рисунок 1.16 - Структурная схема регулятора РРТ
1.4 Многомерная структурная схема АЭУ с
ВВЭР-1000
В одномерном объекте происходит лишь один
процесс. Вопросы управления им решаются просто. В случае сложного объекта, в
котором одновременно протекают несколько процессов, регулирование осложняется
за счет применения нескольких систем или контуров, связанных между собой. По
каждой из величин конструируется свой канал или контур регулирования. Поэтому
рассматриваемая система, в данном случае объект, называется многомерным,
многосвязным. Многомерной система называется еще и потому, что в ней имеется
несколько входов и выходов.
Многомерная система - это сложный
автоматизированный комплекс, в котором регулируются сразу несколько физических
величин. Поэтому многомерная система, в отличие от одномерной, имеет более
сложную структуру. Характерной особенностью многомерной системы является
одновременный автоматизированный контроль за несколькими физическими
величинами. Свойство взаимосвязи координат - главный признак многомерной
системы.
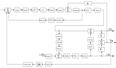
Рассмотрим многомерную структурную схему АЭУ.
При этом рассматривается не вся схема, а только ее тепловая часть, которая
представлена на рисунке 1.17.
Уравнения многомерной системы
Рисунок 1.17 - Структурная схема
ЯППУ (тепловая часть)
Введем обозначения:
;
;
.
Тогда исходная система примет вид
Таким образом, передаточные функции тепловой
системы многомерной структурной схемы имеют вид
;
Структурная схема ЯППУ с учетом передаточных
функций тепловой системы представлена на рисунке 1.18.
Рисунок 1.18 - Структурная схема ЯППУ
2. Структурная схема АСУ ТП
В технологический объект управления
"Энергоблок АЭС" входит следующее оборудование:
·
основное
и вспомогательное энергетическое оборудование;
·
технологическое
оборудование общестанционных систем;
·
общестанционное
и общеблочное электротехническое оборудование.
Автоматизированная система управления
технологическим процессом АСУ ТП АЭС, показанная на рисунке 2.1, предназначена
для:
·
автоматического
регулирования мощности ЯР, турбоустановки и внутри блочных технологических
параметров при работе блока как в базовом режиме, так и по заданному
диспетчерскому графику;
·
автоматического
регулирования и дискретного управления при пуске блока из холодного состояния,
насыщенного и горячего, плавного останова блока с расхолаживанием или без него,
изменения состава оборудования, находящегося в ремонте;
·
автоматического
снижения мощности ЭБ или его останова при возникновении аварийных ситуаций на
блоке или в энергосистеме;
·
автоматического
выполнения защитных операций в пределах уставок или отдельных агрегатов;
·
включения
или автоматической работы системы безопасности;
·
автоматического
сбора информации о параметрах и состоянии технологического оборудования и
представлении её операторам в удобном для них виде;
·
автоматической
регистрации текущих аварийных событий (последние регистрируются в течении
некоторого промежутка времени до и после событий);
·
автоматической
диагностики как некоторых технических средств АСУ ТП, так и выполнение
отдельных функций, например, автоматическое опробование защит.
При разработке АСУ ТП необходимо учитывать ряд
специфических особенностей, связанных с эксплуатацией атомной энергетической
установки, которые сводятся к следующим:
·
работа
оборудования подвергается высоким уровням ионизирующих излучений, высоким
давлениям и температур;
·
большая
часть оборудования во время работы недоступна для непосредственного контроля и
обслуживания;
·
работа
оборудования связана с быстропротекающими ядерными и тепловыми процессами.
С учетом этого система управления таким объектом
должна быть в значительной степени автоматизирована. В системе управления
функции отдельных ее элементов распределены так, что обеспечиваются управление
основными технологическими процессами как в нормальных, так и в аварийных
режимах, то есть обеспечивается поддержание заданного режима работы как при
возникновении внешних возмущений (обычно это изменение нагрузки в энергосистеме),
так и при возникновении внутренних возмущений. Важно отметить, что появление
внешних возмущений и последующего реагирования на них энергоустановки
сопровождается также появлением внутренних возмущений - изменение параметров
сред, обеспечивающих энергопотоки в элементах установки.
Автоматизированная система управления
технологическим процессом строится по многоуровневому принципу. На верхних
уровнях находится щиты управления, далее идут вычислительные комплексы,
осуществляющие обработку информации для щитов управления. Далее идет ряд
локальных подсистем. Они не являются полностью самостоятельными, так как они
тесно связаны между собой каналами обмена информацией и команд. Это объясняется
тем, что элементы атомной энергетической установки связаны между собой
взаимообусловленными потоками энергии и изменения в режиме работы одного
элемента непосредственно сказываются на работе другого элемента. Кроме того, в
каждой локальной подсистеме управления можно выделить как ее подсистемы
отдельные системы регулирования тех или иных параметров (уровня, давления,
температуры и тому подобное).
Система автоматического регулирования отдельных
параметров энергоблока как составные части соответствующих систем управления
выполняют следующие функции:
·
поддержание
соответствующих параметров на заданном уровне;
·
поддержание
соответствия между взаимосвязанными величинами;
·
изменение
регулированной величины во времени по определенному закону.
Для обеспечения выполнения заданных функций в
составе автоматизированной системы управления технологическим процессом в
настоящее время широко используется цифровая вычислительная техника, которая
привлекается как для сбора и обработки информации, так и для формирования
управляющих сигналов.
Автоматизированная система управления
технологическими процессами энергоблока выполняет следующие виды функций:
·
Информационные:
- сбор и обработка технологической информации и
представление ее в различные функциональные подсистемы и оперативному
персоналу;
- распределение информации о работе оборудования
и о ходе технологического процесса;
- выполнение расчетов связанных с эффективностью
работы энергоблока.
·
Управляющие
- формирование управляющих воздействий на оборудование энергоблока. Эта функция
осуществляется в виде дистанционного и автоматического управления механизмами и
арматурой, автоматического регулирования и технологических защит.
·
Вспомогательные
обеспечивают собственную жизнеспособность системы. Они реализуются на следующих
вспомогательных подсистемах:
- система перегрузки топлива;
система пуско-наладочных измерений реакторной
установки;
система обнаружения дефектов сборок ТВЭЛ;
система испытания гермооболочки;
система экспериментального контроля турбины;
специализированный комплекс для проведения
наблюдений при пуске ядерного реактора и другие системы.
.1 Системы и подсистемы АСУ ТП
В состав автоматизированной системы управления
технологическими процессами разрабатываемой энергоустановки входят следующие
системы и подсистемы [4, стр. 8 - 65]:
· системы управления и защиты реактора (СУЗ);
· программно-технический комплекс
аппаратуры контроля нейтронного потока (АКНП);
· система внутриреакторного контроля
(СВРК);
· централизованная система
радиационного контроля (АКРБ);
· информационно-вычислительная и
управляющая система в комплекте с унифицированным комплексом технических
средств (УКТС);
· система контроля технологических
параметров турбогенератора;
· автоматизированная система
управления турбиной (ЭЧСРМ);
· система автоматического
регулирования на базе аппаратуры "Каскад-2",
ПТК, микроконтроллеров.
Система управления и защиты ядерного реактора.
Система управления и защиты ядерного реактора предназначена для:
·
регулирования
мощности ядерного реактора в соответствии с мощностью отдаваемой
турбогенератором в энергосистему;
·
изменение
мощности ядерного реактора в требуемом диапазоне и поддержания ее на заданном
уровне;
·
пуска
ядерного реактора и вывода его на мощность при ручном управлении;
·
компенсации
изменения реактивности в ручном и автоматическом режимах;
·
аварийной
защиты ядерного реактора;
·
прекращение
или замедление цепной реакции деления ядерного топлива;
·
сигнализации
о причинах срабатывания аварийной защиты;
·
автоматического
шунтирования некоторых сигналов аварийной защиты;
·
сигнализации
о неисправностях возникающих в системе управления и защит;
·
индикации
положения органов регулирования в активной зоне на блочном и резервном щитах
управления;
·
выдачи
информации о положении каждого органа регулирования в УВС и ИВК СВРК.
Система управления и защиты ядерного реактора
должна решать следующие основные задачи:
·
обеспечение
изменения мощности (либо другого параметра) реактора в нужном диапазоне с
требуемой скоростью или поддержание мощности (или другого параметра) на
определенном заданном уровне. Следовательно, для обеспечения этой функции нужны
специальные органы СУЗ. Они называются органы автоматического регулирования;
·
компенсация
изменений реактивности реактора. Специальные органы СУЗ, выполняющие эту
задачу, называются органами компенсации;
·
обеспечение
безопасной работы реактора, что может осуществляться прекращением цепной
реакции деления ядер, при возникновении аварийных условий. Если выполнение этой
функции возлагается на специальные органы СУЗ, то они называются органами
аварийной защиты реактора.
Система управления и защиты ядерного реактора
состоит из следующих функциональных систем:
·
программно-технический
комплекс аварийной и предупредительной защиты (ПТК АЗ-ПЗ);
·
программно-технический
комплекс системы группового и индивидуального управления (ПТК СГИУ);
·
программно-технический
комплекс АРМ- РОМ-УПЗ;
·
электрооборудования
электропитания системы управления и защит.
Программно-технический комплекс АКНП.
Программно-технический комплекс АКНП предназначен для работы в системе
управления и защиты (СУЗ) энергетического реактора АЭС.
ПТК АКНП предназначен для выполнения следующих
основных функций:
·
вычисление
и контроль относительной физической мощности, скорости ее изменения и
реактивности реактора посредством измерения плотности потока нейтронов в
каналах биологической защиты реактора во всех режимах эксплуатации реакторной
установки;
·
формирование
дискретных сигналов превышения уставок аварийной и предупредительной защиты, а
также уставок регулирования по мощности и периоду для СУЗ и АСУ ТП энергоблока
АЭС;
·
формирование
аналоговых сигналов пропорциональных мощности и обратно пропорциональных
периоду для СУЗ и АСУ ТП энергоблока АЭС;
·
представление
информации о значениях мощности, периода, реактивности и дискретных сигналов
операторам БЩУ, РЩУ и ППМ и обслуживающему персоналу в оптическом и
акустическом виде;
·
непрерывная
регистрация текущих значений мощности и периода;
·
непрерывная
диагностика состояния технических средств и представление полученной информации
операторам БЩУ и обслуживающему персоналу.
ПТК АКНП имеет независимое структурное
построение и состоит из трех комплектов технических средств:
·
первый
комплект АКНП-АПЗ для СУЗ;
·
второй
комплект АКНП-АПЗ для СУЗ;
·
комплект
АКНП-РЩУ для РЩУ.
В состав каждого комплекта входят три
независимых канала контроля мощности, периода и реактивности.
Каждый комплект в составе ПТК АКНП состоит из
отдельных конструктивно завершенных устройств, соединяемых кабельными линиями
связи.
ПТК АКНП обеспечивает:
·
контроль
мощности, периода и реактивности реактора при перегрузке (загрузке) топлива, в
процессе пуска и работы на мощности;
·
поканальное
задание уставок защиты по мощности и периоду;
·
формирование
дискретных сигналов аварийной и предупредительной защиты по мощности и периоду
для СУЗ;
·
формирование
дискретных сигналов регулирования по мощности и периоду для АРМ;
·
формирование
дискретных сигналов превышения заданных уровней мощности для СУЗ и УПЗ;
·
формирование
дискретных сигналов текущего диапазона для СВРК;
·
формирование
дискретных сигналов исправности и проверки измерительных каналов для СВРК;
·
формирование
индикаторных дискретных сигналов для пульта оператора на БЩУ;
·
формирование
непрерывных аналоговых сигналов, пропорциональных мощности и обратно
пропорциональных периоду, для АРМ-РОМ-УПЗ, СРТ и СВРК;
·
регистрацию
на картах энергонезависимой памяти поканальных и усредненных значений мощности
и периода;
·
цифровое
и аналоговое, в виде гистограмм и трендов, представление поканальных и
усредненных значений мощности, периода и реактивности, а также поканальных
уставок мощности и периода;
·
акустическую
сигнализацию уровня нейтронного потока;
·
автоматический
контроль исправности технических средств с формированием поканальных сигналов
неисправности;
·
ручную
и автоматизированную проверку каналов контроля мощности, периода и
реактивности.
Система внутриреакторного контроля. Система
внутриреакторного контроля (СВРК) предназначена для получения информации и
осуществления централизованного контроля ядерно-физических (распределения
плотности нейтронного потока по радиусу и высоте активной зоны) и
теплофизических (температуры теплоносителя в отдельных частях АЗ ЯР)
параметров, характеризующих состояние АЗ ЯР. Состоит из двух основных частей:
·
первичных
приборов ВРК, к которым относятся нейтронные преобразователи и измерители
температуры (КНИ, ТП, линии связи);
·
вторичной
части состоящей из электронной аппаратуры.
СВРК выполняет следующие функции:
·
сбор
информации от датчиков аналоговых и дискретных сигналов;
·
нормирование
сигналов;
·
преобразование
измеряемых сигналов в цифровой код;
·
запоминание
информации;
·
арифметическую
и логическую обработку информации;
·
регистрацию
на бумажной ленте и перфоленте;
·
ввод
информации с перфоленты;
·
обмен
информацией с ЭВМ;
·
преобразование
буквенно-цифровой и графической информации на УОИ и на цифровых индикаторах.
Аппаратура контроля РБ. АКРБ предназначена для
контроля за радиационной обстановкой на АЭС. Она состоит из подсистем контроля:
·
объемной
активности жидкостей, газов и аэрозолей;
·
плотности
потока тепловых нейтронов и гамма-излучения;
·
мощности
экспозиционной дозы;
·
загрязнения
поверхностей;
·
дозиметрического.
Система контроля технологических параметров
турбоустановки. Установка централизованного контроля технологических параметров
турбогенераторов предназначена для циклического измерения, сигнализации
отклонения от нормы и регистрации текущих значений технологических параметров
турбогенератора. Всего контролируется более 200 параметров.
Унифицированный комплекс технических средств (УКТС).
УКТС обеспечивает прием команд от оператора или автоматических устройств более
высокого уровня, их обработку и выдачу команд на исполнительные органы, а так
же прием информации о положении ОУ и выдачу этой информации в другие подсистемы
АСУ ТП [5, стр. 12 - 58].
УКТС реализует следующие функции дискретного
управления: дистанционное управление, технологические защиты и блокировки,
технологическую сигнализацию.
Автоматизированная система управления турбиной.
АСР турбины обеспечивает (без вмешательства оператора) в нормальных и аварийных
условиях ее эксплуатации решение следующих задач:
·
автоматическое
поддержание частоты вращения ротора турбоагрегата с неравномерностью 4,5 %;
·
предотвращение
повышения частоты вращения ротора турбины до установки срабатывания РБ при
мгновенном сбросе нагрузки генератора;
·
точное
регулирование давления и мощности в соответствии с заданной статической
характеристикой, требуемой для системы вторичного регулирования частоты и
активной мощности энергосистемы;
·
быстрое
кратковременное разгружение турбины и быстрое длительное ограничение ее
мощности с возможностью нагружения по сигналу системы ПА энергосистемы;
·
предупреждение
недопустимого снижения давления свежего пара перед турбиной;
·
защита
турбины от опасных режимов работы (повышение частоты вращения ротора сверх
уставки РБ, чрезмерный осевой сдвиг ротора и т. п.).
АСР выполнена электрогидравлической. Структурно
она состоит из электрической (ЭЧСР-М) и гидравлической частей (ГСР). ЭЧСР-М
выполнена с применением микроЭВМ и включает датчики частоты вращения ротора
турбины, активной мощности генератора, давления пара в промежуточном перегреве,
давления свежего пара и управляющего давления в системе регулирования.
ГЧСР состоит из регулятора скорости (РС),
регулятора безопасности (РБ), промежуточных усилителей и исполнительных
механизмов (ИМ) - гидравлических сервомоторов регулирующих и стопорных органов.
Для передачи воздействий ЭЧСР на ИМ ГСР служат
быстродействующие (ЭГП, ЗПЗ) и относительно медленнодействующие (МУТ) устройства,
преобразующие электрические сигналы в гидравлические.
ЭЧСР-М функционально подразделяется на два
основных контура автоматического управления: медленнодействующий и
быстродействующий.
Кроме МКУ и БКУ в состав ЭЧСР-М входит схема
дистанционного управления МУТ.
Для работы МКУ необходимым условием является
готовность к работе схемы дистанционного управления. БКУ включается в работу
независимо от МКУ и схемы дистанционного управления.
В состав БКУ входят следующие каналы управления:
·
релейной
форсировки;
·
дифференциатора
(Д);
·
предварительной
защиты (ПЗ);
·
аварийной
импульсной разгрузки (АИР);
·
послеаварийного
управления мощностью (ПАУ);
·
быстродействующего
стерегущего регулятора минимального давления.
В состав МКУ входят следующие каналы управления:
·
регулирования
частоты вращения ротора турбоагрегата;
·
регулирования
электрической активной мощности;
·
регулирования
давления свежего пара;
·
коррекции
по давлению свежего пара;
·
коррекции
по отклонению частоты сети;
·
стерегущего
регулятора минимального давления;
·
после
аварийного управления мощностью;
·
технологических
ограничений при отключении оборудования блока.
В стационарных режимах работы блока
предусмотрены следующие режимы работы ЭЧСР-М:
·
РМ
- режим регулирования активной мощности;
·
РДМ
- режим регулирования активной мощности с коррекцией по давлению свежего пара;
·
РМ
± РЧ - режим регулирования активной мощности с коррекцией по отклонению частоты
сети;
·
РД-1
- режим регулирования давления свежего пара в ГПК;
·
РД-2
- режим стерегущего регулятора минимального давления.
Режимы работы ЭЧСР-М в стационарных режимах
работы блока определяются режимами работы АРМ. Информация поступает в виде
замыкающихся контактов по двум независимым цепям при работе АРМ в режиме
"Т".
При работе АРМ в режиме регулирования давления
"Т" ЭЧСР-М должна работать в режиме регулирования мощности
"РМ" (с коррекцией или без коррекции по давлению свежего пара и
отклонению частоты сети).
При работе АРМ в режиме регулирования нейтронной
мощности "Н" или при отключении АР М ЭЧСР-М должна работать в режиме
"РМ" ("РДМ", "РМ+РЧ") при понижении текущего
значения давления свежего пара ниже уставки стерегущего регулятора минимального
давления.
Система автоматического регулирования
технологических параметров. Задачей автоматического регулирования является
непрерывное автоматическое поддержание заданной мощности ЭБ и оптимизация
технологических параметров с целью достижения высоких показателей надежности во
всех предусматриваемых режимах работы [3,стр. 23 - 36].
Система автоматического регулирования (САР)
строится по иерархической структуре. На первом уровне располагаются
автоматические локальные регуляторы отдельных параметров. Во второй уровень
входят регуляторы, управляющие мощностью основных агрегатов ЭБ реактора и
турбины.
Схемы автоматических регуляторов выполняются
так, чтобы они функционировали в регулировочном диапазоне, в пусковом и в
других необходимых режимах. Таким образом, устройства автоматического
регулирования должны быть всережимными.
Система автоматического регулирования в
зависимости от назначения выполняет позиционный, пропорциональный (П),
пропорционально-интегральный (ПИ) или
пропорционально-интегрально-дифференциальный (ПИД) законы регулирования.
САР также выполняет контроль исправности
датчиков технологических параметров по величине отклонения текущего значения
или контроль неисправности электронной части регуляторов и датчиков
технологических параметров по длительности импульса.
САР имеет самобаланс на текущее или заданное
значение. Схемы самобаланса выполняются на всех САР, находящихся при нормальном
режиме работы, в стерегущем режиме. Схемы самобаланса предназначены для
уменьшения уровня входного сигнала, с постепенным его наращиванием, при
включении САР по командам защит (блокировок).
САР реализована на базе аппаратуры
"Каскад-2" на которой используется блочно-модульный принцип
построения регуляторов.
Система автоматического регулирования (САР) на
базе аппаратуры "КАСКАД-2" выполнена на микроэлектронной базе в
приборном исполнении. В качестве основных источников информации использованы
первичные преобразователи типа "САПФИР-22" с тензочувствительными
элементами.
В предлагаемой структурной схеме САУ АЭУ
рассмотрены основные регуляторы машинного зала и реакторной установки.
Регулятор давления в первом контуре УРС01, УРС05
и разности температур в КД, и в горячих нитках петель в режимах разогрева и
расхолаживания УРС04, предназначен для поддержания заданного давления над
активной зоной во всех эксплуатационных режимах и разности температур в КД и в
горячих нитках петель в режимах разогрева и расхолаживания (разность температур
равна 55 ˚С).
Регулятор давления пара в ПГ БРУ-А и скорости
аварийного расхолаживания первого контура предназначен для поддержания
заданного значения давления во втором контуре при аварийной ситуации путём
сброса избытка пара в атмосферу и для аварийного расхолаживания блока со
скоростью 30 ˚С в час и 60˚С в час.
Регуляторы уровня в КД УРС02 (штатный) и УРС03
(пусковой) предназначены для поддержания заданного уровня в КД во всех режимах.
УРС02 поддерживает уровень по программе зависимости от температуры т/н.
Регулятор БРУ-К служит для предотвращения
повышения давления пара в ГПК за допустимые пределы путем сброса пара в ГК,
поддержания номинального или промежуточного давления в ГПК в режимах пуска
блока, для разогрева и расхолаживания блока с заданной скоростью в режиме пуска
и останова.
Регулятор производительности ТПН предназначен
для поддержания заданного перепада на основных клапанах питания ПГ в
соответствии с нагрузкой блока.
Основные регуляторы питания служат для
поддержания заданного значения уровня в ПГ в диапазоне нагрузок 30-100 % Nном.
Пуско-остановочные регуляторы питания
предназначены для поддержания уровня воды в ПГ в режимах пуска и останова блока
при нагрузках меньших нижней границы регулирования регулируемого диапазона
основных регуляторов питания.
Информационно-вычислительная и управляющая
система. Информационно-вычислительная и управляющая система в комплекте с
унифицированным комплексом технических средств (УКТС) и устройством логического
управления (ФГУ) является составной частью АСУ ТП АЭС. Она состоит из:
·
четырёх
специализированных вычислительных комплексов СМ-2М;
·
трех
комплексов связи с объектом КСО М-64;
·
6-ти
комплексов связи с оперативным персоналом РМОТ-02.
Система технологического контроля.
Технологический контроль - это сбор текущей информации о ходе технологического
процесса, обработка ее для передачи в другие подсистемы и представления ее
обслуживающему персоналу в аналоговой и цифровой форме, а также в виде дискретных
сигналов информации от других систем, входящих в АСУ ТП блока;
·
обработка
ее и представление оператору;
·
технологическая
сигнализация отклонения от нормы измеряемых и вычисляемых параметров, а также
параметров, вводимых из других систем;
·
расчет
и представление информации по не измеряемым непосредственно технологическим
параметрам и характеристикам;
·
сбор,
обработка и представление информации от других датчиков, в том числе и
двухпозиционных, регистрация измеряемых, вычисляемых и вводимых из других
подсистем параметров;
·
регистрация
очерёдности срабатывания защит и блокировок состояния механизмов и арматуры,
действий оператора по управлению блоком, ведение архива аварийных ситуаций.
В основу сбора и распределения информации от
первичных преобразователей заложен унифицированный сигнал 0-5 мА постоянного
тока. В некоторых случаях сигнал от первичных преобразователей не
преобразовывается в унифицированный, так как в этом нет необходимости. Это
имеет место в случае передачи информации от термометров сопротивления в УВС или
в подсистему РВК.
Применение унифицированного сигнала 0-5 мА даёт
возможность многократно использовать его в других подсистемах, подключая их к
первичным преобразователям.
Из подсистемы технологического контроля
информации передаётся в другие системы, а также предоставляется оперативному
персоналу с использованием индивидуальных приборов. В подсистему
автоматического регулирования сигнал о параметрах выдаётся в виде
унифицированного токового сигнала 0-5 мА или натурального сигнала.
В подсистему АУ и ДУ защит и подсистему
технологической и аварийной сигнализации подается информации о достижении
параметрами заданных уставок. Для получения такой информации используются
аналого-дискретные преобразователи.
В подсистему технологического контроля входит и
УВС, и средства представления информации на щитах управления, организация
которых изложена в отдельных разделах.
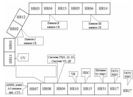
Щиты управления. БЩУ (маркировка НY)
предназначен для постоянного оперативного контроля и управления энергоблоком
(включая контроль за СБ), схема расположения БЩУ блока ВВЭР-1000 представленная
на рисунке 2.2.
Рисунок 2.2 - Схема расположения БЩУ блока
ВВЭР-1000
БЩУ находится в обстройке РО, со стороны
примыкания к машзалу. БЩУ является: основным средством представления информации
оперативному персоналу, отображенной на ЭЛИ УВС, основным принципом управления
ФГУ.
Панели БЩУ выполнены в П-образной компоновке,
что позволяет максимально сокращать занимаемое ими место в обстройке
аппаратурного отделения. Всего по периметру размещено 25 панелей.
На БЩУ имеется три рабочих места:
·
№1
Рабочее место ВИУР;
·
№2
Рабочее место ВИУТ;
·
№3
Рабочее место НСБ.
В случае повреждения БЩУ проконтролировать
системы останова, расхолаживания энергоблока и работу систем безопасности можно
с РЩУ.
РЩУ (маркировка НР) предназначен для останова
реактора и обеспечения безопасности блока, если по каким-либо причинам это
нельзя осуществить с БЩУ, схема расположения БЩУ блока ВВЭР-1000 представленная
на рисунке 2.3. Так как РЩУ относится к первой категории сейсмостойкости, то он
расположен в обстройке аппаратного отделения на отметке 4,2 м. Такое
расположение РЩУ обеспечивает его работоспособность при землетрясениях, а также
при некоторых внешних воздействиях на здание АЭС.
Рисунок 2.3 - Схема расположения РЩУ блока
ВВЭР-1000
атомный энергетический
автоматический реактор
На РЩУ размещены технические средства контроля и
управления, необходимые для вывода ЯР в подкритическое состояние и расхолаживания
активной зоны. Для этого на РЩУ размещены системы управления:
·
реакторной
установкой;
·
подпитки
первого контура;
·
технического
водоснабжения ответственных потребителей;
·
аварийного
питания ПГ;
·
сброса
пара в атмосферу;
·
отсечной
арматурой, предназначенной для отключения оборудования, размещённого в
гермооболочке;
·
средства
управления дизель-генератором, секционными выключателями.
Управление и контроль по системам нормальной
эксплуатации с РЩУ не предусмотрены.
Местные щиты управления (МЩУ) предназначены для
местного управления механизмами и арматурой. Схема управления ЭБ сделана так,
что при поражении одного из щитов управления, которое может вызвать
неисправность в линиях связи и поступление ложных команд, не приводит к
произвольным включениям и отключениям механизмов и позволяет вести ДУ с другого
щита управления.
На БЩУ размещены панели: НZ,
НХ, НY.
На РЩУ размещены панели: НR1-НR15, НR17 и НR51.
.2 Анализ соответствия АСУ ТП требования
руководящих документов по безопасности
Безопасность АЭС - это свойство АЭС при
нормальной эксплуатации, нарушениях нормальной эксплуатации, аварийных
ситуациях и авариях ограничивать радиационное воздействие на персонал,
население и окружающую среду установленными пределами.
Условия безопасной эксплуатации это
установленные проектом минимальные условия по количеству, характеристике,
состояния работоспособности и условиям технического обслуживания систем
(элементов), важных для безопасности, при которых обеспечивается соблюдение
пределов безопасной эксплуатации или критериях безопасности.
Безопасность АЭС обеспечивается за счет
последовательной реализации концепции глубоко эшелонированной защиты,
основанной на применении системы физических барьеров на пути распространения
ионизирующего излучения и радиоактивных веществ в окружающую среду и системы
технических и организационных мер по защите барьеров и сохранению их
эффективности, с целью защиты персонала, населения и окружающей среды.
Система физических барьеров энергоблока АЭС
включает топливную матрицу, оболочку ТВЭЛа, границу контура теплоносителя
реактора, герметическое ограждение реакторной установки и биологическую защиту.
При эксплуатации АЭС контролируется целостность
барьеров на всем пути распространения радиоактивных веществ. При нормальной
эксплуатации все барьеры и средства их защиты должны находится в
работоспособном состоянии. При выявлении неработоспособности любого из
предусмотренных в проекте станции барьеров или средств его защиты согласно
условиям безопасной эксплуатации работа энергоблока АЭС на мощности
запрещается.
Системы и элементы, важные для безопасности,
проектировались в соответствии с нормативными документами, разрабатываемыми в
соответствии с изложенными принципами.
Проект соответствует принципам глубоко
эшелонированной защиты и предусмотрены системы безопасности, предназначенные
для:
·
аварийного
останова реактора, перевода и поддержания его в подкритическом состоянии;
·
аварийного
отвода тепла;
·
удержание
радиоактивных веществ в установленных границах.
Системы и элементы, важные для безопасности,
выполняют свои функции в установленном проектом объеме с учетом возможных в
районе площадки АЭС воздействий природных явлений (ураганов, наводнений,
землетрясений) или внешних техногенных воздействий (взрыв на магистральных
продуктопроводах, падение летательного аппарата) или при возможных тепловых,
химических, механических, и прочих воздействиях, возникающих в результате
проектных аварий.
Система контроля и управления соответствует
установленным показателям качества, надежности и метрологическим
характеристикам, и обеспечивает контроль, представление и документирование
информации о параметрах характеризующих работу РУ и энергоблока в целом во всех
возможных диапазонах изменения условий нормальной эксплуатации, дистанционное,
автоматизированное или автоматическое управление системами нормальной
эксплуатации.
Проектом предусмотрено БЩУ, с которого
персоналом осуществляется управление и контроль за РУ и другими системами
энергоблока, в том числе за системами безопасности при нормальной эксплуатации
и авариях. Проектом предусмотрены средства обеспечения живучести и обитаемости
БЩУ при указанных условиях эксплуатации энергоблока. При проектировании БЩУ
оптимально решены вопросы взаимодействия системы "человек-машина".
Параметры, которые необходимо контролировать на БЩУ, отбираются и отображаются
для обеспечения того, чтобы оперативно представлялась персоналу однозначная
информация о текущем состоянии безопасности РУ, а также для целей идентификации
и диагностики автоматического срабатывания систем безопасности. В проекте
предусмотрены средства контроля и управления процессами деления ядерного
топлива во всех режимах и условиях в активной зоне при нормальной эксплуатации,
в том числе и в подкритическом режиме в процессе перегрузки топлива.
Предусмотрены указатели положения органов
воздействия на реактивность, автоматический контроль концентрации растворимого
поглотителя и указатели состояния других средств воздействия на реактивность.
Проектом в составе контроля и управления
энергоблока предусмотрены системы информационной поддержки оператора, в том
числе система оперативного представления обобщенной информации персоналу о
текущем состоянии безопасности РУ и энергоблока в целом.
Система контроля и управления имеет в своем
составе средства надежной групповой и индивидуальной связи между БЩУ, РЩУ и
эксплуатационным персоналом энергоблока, выполняющим работу по месту.
В составе системы контроля и управления
энергоблока предусмотрены средства, обеспечивающие сбор, обработку,
документирование и хранение информации, достаточной для того, чтобы имелась
возможность своевременного и однозначного установления исходных событий
возникновения нарушений нормальной эксплуатации и аварий, их развитие,
установления фактического алгоритма работы систем безопасности и элементов,
важных для безопасности, отнесенных к классам 1 и 2, в том числе систем
контроля и управления, отклонений от штатных алгоритмов, действий персонала.
Приняты меры, направленные на сохранение оказанной информации в условиях
запроектных аварий.
Система контроля и управления энергоблока
обеспечивает автоматическую и/или автоматизированную диагностику состояния и
режимов эксплуатации, в том числе и собственно технических и программных
средств системы контроля и управления.
Система контроля и управления энергоблока
построена таким образом, что обеспечивает наиболее благоприятные условия для
принятия оперативным персоналом правильных решений по управлению энергоблоком,
сводит к минимуму возможность принятия неправильных решений.
Проект системы контроля и управления содержит:
·
анализ
системы управления и контроля РУ и энергоблока на возможные отказы в системе;
·
анализ
надежности функционирования технических и программных средств и системы в
целом;
·
анализ
устойчивости контуров управления и регулирования.
Система управления и защиты обеспечивает
надежный контроль мощности (интенсивной цепной реакции), управление и быстрое
гашение цепной реакции, а также поддержание реактора в подкритическом
состоянии.
В качестве исполнительных органов СУЗ
применяются дистанционно управляемые устройства: поглощающие стержни и
растворы, подвижные тепловыделяющие сборки, детали отражателя и т. п.
При проектировании СУЗ предусмотрены, по меньшей
мере, две независимые системы воздействия на реактивность, основанные на различных
принципах действиях.
При пуске реактора его подкритичность после
взвода органов АЗ с введенными остальными органами СУЗ должна быть не менее
0,01 в состоянии реактивной зоны с максимальным эффективным коэффициентом размножения.
Предусмотрена возможность остановки реактора из
другого помещения в случае нарушения доступа в помещение пульта управления
(пожара).
Для контроля мощности реактор оснащен каналами
контроля таким образом, что процессе пуска и на любом уровне мощности, начиная
с МКУ, контроль осуществляется как минимум:
·
тремя
независимыми между собой каналами измерения уровня мощности с показывающими
приборами;
·
тремя
независимыми между собой каналами измерения скорости изменения мощности с
показывающими приборами.
По крайней мере, два из трех каналов контроля
мощности оснащены записывающими приборами.
Все механические исполнительные органы СУЗ имеют
указатели положения и конечные выключатели, срабатывающие, по возможности, от
исполнительного органа.
СУЗ рассчитана на электрическое питание не менее
чем от двух независимых источников надежного питания. При исчезновении питания
одного из источников питания параметры электрического питания сохраняются. При
длительных отклонениях параметров электропитания от номинальных значений не
происходит ложного срабатывания АЗ и самопроизвольного перемещения ОР.
Схема СУЗ исключает введение положительной
реактивности с помощью исполнительных органов АР, РР и КО, если исполнительные
органы аварийной защиты не взведены.
При использовании в СУЗ жидкостного
регулирования предусмотрены подача раствора поглотителя в активную зону не
менее чем по двум независимым трактам и систематический контроль за
концентрацией поглотителя в реакторе и емкостях, содержащих раствор
поглотителя.
СУЗ справляется с таким единичным нарушением
работы, как, например, незапланированное извлечение одновременно работающих
органов регулирования или одного самого эффективного органа, не допуская
увеличения мощности реактора, которое могло бы привести к превышению допустимых
пределов повреждения ТВЭЛов.
Техническая документация СУЗ содержит анализ
реакций системы на возможные неисправности: короткие замыкания, потерю качества
изоляции, падения и наводки напряжения и т. п. До пуска реактора СУЗ должна
пройти проверку на выявление опасных и ложных реакций.
Система автоматического регулирования мощности
реактора оснащена двумя независимыми каналами автоматического регулирования с
автоматическим резервированием друг друга.
Каждый автоматический регулятор имеет свои исполнительные
органы, система автоматического регулирования обеспечивает автоматический
переход с работающего АР на резервный при достижении исполнительными органами
работающего АР, заранее установленных положений.
При включении нескольких однотипных измерительных
каналов на вход системы АР предусмотрено устройство для получения сигнала,
равного среднеарифметическому значению сигнала от всех каналов, чтобы
отключение одного из этих каналов не вызывало изменения мощности реактора
системой АР.
При работе системы автоматического регулирования
автоматически исключается увеличение мощности реактора с периодом менее 30
секунд.
В СУЗ предусмотрена быстродействующая аварийная
защита, обеспечивающая автоматический останов реактора при возникновении
аварийной ситуации. Сигналы и установки срабатывания аварийной защиты
обоснованы в проекте.
АЗ реактора спроектирована таким образом, чтобы
в процессе пуска реактор на любом уровне мощности начиная с МКУ обеспечивается
защита, как минимум, по следующим каналам:
·
тремя
не зависимыми между собой каналами по уровню мощности;
·
тремя
не зависимыми между собой каналами скорости нарастания мощности.
Для уменьшения числа ложных срабатываний
допускается срабатывание исполнительных органов АЗ при совпадении сигналов от
любых двух каналов данного типа. При неисправности или отключения для проверки
или ремонта одного из трех каналов наличие сигнала от любого из двух работающих
каналов приводит к срабатыванию исполнительных органов АЗ.
Любое единичное повреждение в системе АЗ не
нарушает ее защитных функций. При этом многочисленные повреждения, являющиеся
результатом какого-либо единичного события, действия или повреждения,
рассматриваются как единичное повреждение.
АЗ в такой мере отделена от устройства контроля
и регулирования, что повреждение или вывод из работы любого элемента этих
устройств не влияет на способность АЗ выполнять защитные функции.
Система АЗ имеет не менее двух независимых групп
исполнительных органов.
Количество, расположение, эффективность и
скорость введения исполнительных органов АЗ определены и обоснованы в проекте
РУ, показано что при любых аварийных режимах исполнительные органы АЗ без
одного наиболее эффективного органа обеспечивают:
·
скорость
аварийного снижения мощности реактора, достаточную для предотвращения
возможного повреждения ТВЭЛов сверх допустимых пределов;
·
приведение
реактора в подкритическое состояние и поддержание его в этом состоянии с учетом
возможного увеличения реактивности в течении времени, достаточного для введения
других более медленных органов СУЗ;
·
предотвращение
образования локальных критических масс.
АЗ спроектирована таким образом, что начавшееся
защитное действие, как правило, доводилось до конца.
При появлении аварийного сигнала исполнительные
органы АЗ приводятся в действие из любого промежуточного положения.
Проверка прохождения аварийных сигналов в
системе АЗ, от детекторов до приводов исполнительных органов при работе на
мощности приводит к останову реактора. Любые блокировки схем и блоков АЗ из-за
неисправности, наладки и вывода в ремонт допускаются только при наличии
нескольких однотипных по механизму срабатывания устройств с обязательной
выдачей соответствующих сигналов об отключении канала на пульт управления.
2.3 Электропитание АСУ ТП. Выбор схемы
электроснабжения подсистем АСУ ТП
На энергетических блоках атомных электрических
станциях имеется большое количество различного рода механизмов и устройств,
которые для нормальной работы необходимо обеспечить электрической энергией. К
ним относятся механизмы собственных нужд, двигатели электроприводов запорных и
регулирующих органов, устройства контроля и управления. Для снабжения всех этих
потребителей на блоке организуется электрическая сеть собственных нужд. В
процессе работы блока возможны различного рода аварии как в сети собственных
нужд, так и в сети, в которую выдается энергия. Эти аварии могут привести к
перерывам или даже прекращению питания потребителей, что может вызвать
серьезные повреждения агрегатов блока вплоть до их полного разрушения. Также недопустимы
перерывы в работе устройств, осуществляющих контроль мощности реактора и
срабатывание аварийной защиты. Поэтому принимаются специальные меры, задачей
которых является организация питания ответственных потребителей собственных
нужд таким образом, чтобы исключить возможность их полного обесточения при всех
реальных неисправностях в электрических сетях. Для этого наиболее ответственные
потребители подсоединяются к автоматизированной резервированной сети надежного
питания. От сети надежного питания питаются устройства систем управления. Так
как сети надежного питания достаточно сложны и дороги, для снижения их мощности
все потребители энергии на АЭС разбиваются на группы в зависимости от
требований, которые предъявляются к надежности их электроснабжения. В
зависимости от требований надежного снабжения потребителей АЭС они делятся на
три группы. Каждая группа питается от своих сетей. Схема электропитания АСУ ТП
ЭБ АЭС показана на рисунке 2.4.
Группы механизмов требуют надежного питания для
обеспечения безопасности станции (2 группа). В нормальном режиме работает
только небольшая их часть, но при аварийном расхолаживании они работают
полностью. На станциях установлено 3 системы безопасности. Независимость этих
систем обеспечивается по технологической части, а также по питанию, цепям
управления.
В них входят 3 системы питания переменного
напряжения 6 и 0,4 кВ, постоянного напряжения 0,22 кВ. В состав входят
дизель-генератор, аккумуляторные батареи, 2 выпрямительных устройства, 3
автономных полупроводниковых инвертора, понижающие автотрансформаторы 6/0,4 кВ
и РУ на эти напряжения.
При перерыве электроснабжения, вызванного
повреждением в блоке генератор-трансформатор или повреждением в ОТСН до момента
включения РТСН, потребители 6 и 0,4 кВ 2 группы кратковременно обесточиваются.
К первой группе относятся:
·
потребители,
не допускающие перерывов питания ни при каких режимах более чем на доли
секунды, даже при исчезновении питания от ОТСН, РТСН;
·
потребители,
требующие при переходных режимах в системе гарантированное питание в течении
двух-трех секунд, но требующие питания в режиме обесточения при срабатывании АЗ
реактора (КИП и А защиты реактора, приборы технологического контроля реактора,
БРУ-А и БРУ-К, часть аварийного освещения, аварийный маслонасос уплотнения вала
генератора, электромагнит приводов СУЗ).
Ко второй группе относятся:
·
потребители,
допускающие перерывы питания от десятков секунд до нескольких, но требующие
автоматического включения питания при срабатывании АЗ реактора;
·
потребители
допускающие перерывы до 30 секунд, но требующие восстановления питания после
срабатывания АЗ реактора в ручную. К таким потребителям относятся механизмы
локализации и расхолаживания при аварии, насосы САОЗ, спринклерные насосы,
насосы борного регулирования, аварийные, противопожарные и питательные насосы,
маслонасосы турбины и уплотнения вала генератора, системы биологической и
технологической дозиметрии.
К третей группе относятся:
·
потребители,
не предъявляющие особых требований. Это обычно мощные потребители станции,
допускающие перерывы питания на время автоматического переключения с основного
трансформатора на резервный (АВР). Не требуют питания вовремя АЗ - ГЦН с
большой инерционностью, КН, ЦН и сетевые насосы, дренажные насосы и насосы воды
неответственных потребителей. Благодаря этому удается понизить мощность
источников питания наиболее надежных сетей первой и второй групп.
Первая группа получают питание от шины надежного
питания 6кВ от инвертора, питающегося от шин постоянного тока 220В. В нормальном
режиме шины постоянного тока получают питание через управляемый выпрямитель от
шин надежного питания второй группы. Так как они допускают перерывы в питании,
то в качестве резервного источника питания используется АБ.
Питание второй группы 6 и 0,4кВ осуществляется
от шин надежного питания. В нормальном режиме они получают питание от шин
нормальной эксплуатации. В качестве резервного источника питания используется
ДГ. Поскольку при срабатывании АЗ требуется питание, ДГ находится в режиме "горячего"
резерва и готов к принятию нагрузки через 15 секунд.
Для питания третей группы предусматриваются шины
нормальной эксплуатации 6 и 0,4кВ. Питание к этим шинам подводится от рабочего
и резервного ТСН. Трансформаторы выполнены с расщепленной обмоткой, для
снижения тока к.з. В нормальном режиме питание происходит от ОТСН. При его
повреждении или срабатывании защит блочного трансформатора питание
переключается на РТСН.
Выбор схемы электроснабжения подсистем АСУ ТП.
Схемы электроснабжения потребителей СН нормальной эксплуатации. Обеспечение
устойчивости реактора АЭС при к.з. Больше всего влияет на схему ГЦН. От него
зависит выбор источника питания. Если ГЦН обладает большой инерционностью, то
при кратковременном исчезновении питания оказываются достаточными следующие
меры: быстродействующие защиты АВРТ и механизмов СН [6, стр. 19 - 31].
На каждой секции предусматривается ввод
резервного питания от магистрали резервного питания. Магистрали резервного
питания секционируются через каждые 2-3 блока. В нормальном режиме ВL-BN
отключены. При исчезновении питания от основных ТСН с выдержкой времени АВР
подключается РТСН.
Основные потребители ВА-ВD:
ГЦН, двухскоростные ЦН, КН первой и второй ступени, насосы технической воды
неответственных потребителей, насосы контура охлаждения генератора.
BL, BW,
BX - магистрали
секций надежного питания систем безопасности. BJ,
BK - магистрали
секций надежного питания общеблочных потребителей. Потребители 0,4кВ нормальной
эксплуатации получают питание от шин 6кВ через понижающий трансформатор секции
СР1. Мощность трансформаторов 6/0,4кВ ограничивается 1000 кВА, для ограничения
токов к.з. Почти все секции 0,4кВ обеспечиваются рабочим и резервным питанием,
включаемым автоматически.
По функциональному назначению потребители секции
0,4кВ делятся на:
·
группа
секций для питания потребителей реакторного отделения и аппаратуры (СР, СО,
СТ). Получают основное и резервное питание от шин нормальной эксплуатации:
питание вентилей РО, насосы смазки ГЦН, противодымная защита. К этой же первой
группе относится СС и СD - питание нагревателей КО;
·
группа
секций для питания потребителей машзала и общеблочных потребителей (CA,
CB, CN,
CM). Каждая секция
получает питание через свой понижающий трансформатор. В качестве резервного
источника питания используется секция СR,
которая получает питание от соседнего энергоблока. От этих секций получают
питание масляные системы охлаждения турбины, насосы эжекторной машины, насосы
подпитки деаэратора, насос водяного охлаждения генератора блока. CG
- питание общеблочных выпрямительных агрегатов;
·
группа
секций для питания силовой нагрузки СУЗ (СЕ, CF).
Каждая секция получает питание от своей секции нормальной эксплуатации 6кВ.
Схема потребителей надежного питания систем
безопасности (САОЗ). Группы механизмов требуют надежного питания для
обеспечения безопасности станции (вторая группа). В нормальном режиме работает
только небольшая их часть, но при аварийном расхолаживании они работают
полностью. На станциях установлено три системы безопасности. Независимость этих
систем обеспечивается по технологической части, а также по питанию, цепям
управления. В них входят: три системы питания переменного напряжения 6 и 0,4кВ,
постоянного напряжения 0,22кВ; дизель-генератор, аккумуляторные батареи, две
выпрямительных устройства, три автономных полупроводниковых инвертора,
понижающие автотрансформаторы 6/0,4кВ и РУ на эти напряжения.
От секции BV
(BW, BX)
6кВ запитаны потребители второй группы.
Трансформаторы 6/0,4кВ исполняются для
потребителей второй группы 0,4кВ. Выпрямитель VS1
исполняется для питания потребителей первой группы постоянным током (ЕЕ). На
секцию BV напряжение
подается от секции нормальной эксплуатации ВА или от дизель-генератора
мощностью 5600кВ, для питания потребителей второй группы используются секции CV
(CW, CX).
Кроме того, от секции CV1
питается вспомогательный выпрямитель VS2
(служит для поиска земли). Для питания потребителей первой группы постоянного
тока предусматривается ЩПТ ЕЕ. В нормальном режиме ЩПТ получает питание от
управляемого выпрямителя VS1.
Перемычка между секциями в нормальном режиме отключена. Резервным питанием для
ЩПТ является аккумуляторная батарея. Потребители переменного тока первой группы
питаются от EL (EK,
EM). На каждую есть
свой инвертор.
Потребители:
·
для
BV: трансформаторы
6,3/0,4кВ, выпрямитель, питающий ЩПТ;
·
для
CV: насос
промконтура, насос организованных протечек, насос подачи бора высокого
давления, насосы расхолаживания бассейна выдержки, нагрузка каналов СУЗ, АКНП,
охлаждение помещений БЩУ, РЩУ, СУЗ, освещение РО и питание КИП и А;
·
от
ЩПТ: цепи управления выключателями ВЭ-6, постоянное аварийное освещение,
освещение БЩУ, питание панелей УКТС, инверторы ПТС-125, ПТС-250, аппаратура КИП
и А, АКНП.
При перерыве электроснабжения, вызванного
повреждением в блоке генератор-трансформатор или повреждением в ОТСН до момента
включения РТСН, потребители 6 и 0,4кВ второй группы кратковременно
обесточиваются. Потребители первой группы по-прежнему получают питание от
инверторов, переключенных на АБ. При подключении к РТСН схема восстанавливается
до прежнего уровня.
Рассмотрим электроснабжение САОЗ при авариях в
технологической части и аварийном обесточивании АЭС. При исчезновении питания
на время большее, чем время подключения РТСН по сигналу отсутствия напряжения
на секциях BV (BW,
BX)
подается
команда на запуск дизель-генератора систем безопасности. Время выхода на
номинальные обороты 15 секунд. Условием включения BV
является надежное отключение от секции ВА. BV
подключается к ВА через два выключателя. Так как мощность генератора соизмерима
с мощностью электродвигателя, то нагрузка включается ступенями - 7-10.
Потребители второй группы 0,4кВ до приема дизелем-генератором нагрузки
обесточиваются, потребители первой группы питаются от АБ. После приема
дизелем-генератором нагрузки схема питания восстанавливается.
Схема надежного питания общеблочных
потребителей. Для обеспечения надежного питания механизмов, обеспечивающих
сохранность основного оборудования АЭС современные блоки оснащаются системой
надежного питания общеблочных потребителей.
Состав:
·
две
общеблочных секции BJ,
BK 6кB,
связанные между собой перемычкой с двумя выключателями;
·
секции
надежного питания 0,4 кВ CJ,
CK, подключенные к BJ,
BK через понижающие трансформаторы.
Каждая из этих секций разделена на полусекции;
·
ЩПТ
ЕЕ 04, 05, 06 для питания потребителей первой группы. ЩПТ связаны с BJ,
BK через понижающие
трансформаторы и управляющие выпрямители. Кроме того, они связаны с CJ,
CM и СА;
Шины питания потребителей первой группы на
0,4кВ. В нормальном режиме BJ,
BK получают
электроэнергию от BA,
BD (нормальной
эксплуатации), с которой они связаны через два выключателя. Между BJ
и
BK перемычка
отключена. CJ
и
CK получают питание
через понижающий трансформатор от BJ
и BK.
При нарушении электроснабжения BJ,
BK 6кВ
предусматриваются следующие режимы:
·
при
исчезновении питания на одной из секций, включаются перемычки между секциями;
·
если
на двух секциях BJ,
BK включаются два
дизель-генератора (один на своем и один на соседнем), и если один из них не
запускается, то включается перемычка между секциями. Один дизель-генератор
рассчитан на два блока;
·
при
нарушении питания CJ,
CK предусматривается
подача питания от резервного трансформатора 6,3/0,4кВ соседнего энергоблока
через CR.
Для ЕЕ АБ являются резервным источником питания.
Потребители BJ,
BK: насосы
гидростатического подъема ротора, подпиточный насос, вспомогательный
питательный насос и трансформатор 6,3/0,4кВ; потребители машзала, нагрузка нормальной
эксплуатации фундаментной части РО.
С ЩПТ получает питание УКТС, цепи управления
выключателями ВЭ-6, приводы выключателей, инверторы питания потребителей
машзала и УВК.
Основные потребители первой группы общеблочных
агрегатов бесперебойного питания (АБП) - КИПиА машзала, АСУТ-1000, УВС машзала.
Схема питания СУЗ. Электрооборудование
электропитания СУЗ предназначено для приема, преобразования электроэнергии от
источников собственных нужд АЭС и распределения ее по потребителям СУЗ.
Электрооборудование электропитания СУЗ является
составной частью комплекса электрооборудования СУЗ.
Пять шкафов вводов переменного тока типа ШПВ1
предназначены для приема от источников собственных нужд АЭС электроэнергии
переменного тока напряжением 380/220В, 50Гц, с изолированной нейтралью,
распределение ее между потребителями СУЗ на уровнях 380В, 50Гц и 220В, 50Гц с
защитой отходящих фидеров от перегрузок по току, и является составной частью
СВБ - электрооборудования управления приводами СУЗ.
Напряжение на шины питания подается с помощью
вводного автомата SF1 (Iн = 12,5А, Iотс = 150А);
электроэнергия отпускается потребителям СУЗ по отдельным фидерам, подключенным
к шинам питания в шкафу ШПВ1 через предохранители.
Источники питания СН АЭС:
РУСН - 0,4кВ нормальной эксплуатации:
·
два
ввода 220В, 50Гц от секции СЕ;
·
два
ввода 220В, 50Гц от секции СF;
·
один
ввод от аккумуляторной батареи ЕА09 (=110В);
·
9
вводов от РУСН надежного питания (сборки НG60÷НG68).
От первой системы безопасности запитаны ПТК АКНП
I комплект, ПТК
АЗ-ПЗ I комплект. От
второй системы безопасности запитаны ПТК АКНП II
комплект, ПТК АРМ-РОМ-УПЗ, электропитание ПТК СГИУ. От третей системы
безопасности запитаны ПТК АКНП III
комплект, ПТК АЗ-ПЗ II
комплект.
3. Расчет параметров настройки цифрового БРУ-К
.1 Назначение и характеристика регулятора БРУ-К
Функциональная схема
авторегулирования представлена в приложение А, рисунок А.1. Структурная схема
регулятора изображена в приложение Б, рисунок Б.1.
Назначение: предотвращение повышения
давления пара в ГПК за допустимые пределы во всех режимах работы энергоблока.
Закон регулирования:
пропорциональный за счёт охвата ПИ - регулятора обратной связью по положению
регулирующего органа.
Регулируемый параметр: давление пара
в ГПК. Заданное значение давления пара в ГПК в зависимости от режима работы.
Неравномерность регулирования 4 кгс/см2 на 100%
хода клапана.
Управляющее воздействие: изменение
расхода пара из ГПК в конденсатор через ПСУ помимо турбины с воздействием на
регулирующие клапана 2RС10S01, 2RС20S01, 2RС30S01, 2RС40S01 типа ЧЗЭМ
960-300/350-Э, ход клапана 96 мм, пропускная способность 900 т/ч. Время полного
хода каждого клапана 15 с.
Входные сигналы:
·
давление
пара в ГПК измеряется тремя датчиками типа Сапфир-22ДИ с пределами измерения от
0 кгс/см2 до 100 кгс/см2 позиции RC11P01B1K1,
RC11P01B1K2,
RC11P01B1K3.
Контроль исправности осуществляется сравнением показаний датчиков с показаниями
второго из наименьших показаний датчиков. При отличии показаний датчиков
давление пара в ГПК более чем на 4 кгс/см2, датчик считается
неисправным, при этом светится транспарант "НЕИСПРАВН. ДАТ" на панели
В210-02;
·
давление
конденсата до задвижек RM24S01, RM24S06 измеряется тремя датчиками типа
Сапфир-22ДИ с пределами измерения от 0 кгс/см2 до 40 кгс/см2
позиции RM24P01B1, RM24P01B2, RM24P01B3. Контроль исправности осуществляется
сравнением показаний датчиков с показаниями второго из наименьших показаний
датчиков. При отличии показаний датчиков давления пара до задвижки более чем на
1 кгс/см2, датчик считается неисправным, при этом светится
транспарант "НЕИСПРАВН. ДАТ" на панели В210-02;
·
давление
конденсата за задвижками RM24S01, RM24S06 измеряется тремя датчиками типа
Сапфир-22ДИ с пределами измерения от 0 кгс/см2 до 40 кгс/см2
позиции RM24P02B1, RM24P02B2, RM24P02B3. Контроль исправности осуществляется
сравнением показаний датчиков с показаниями второго из наименьших показаний
датчиков. При отличии показаний датчиков давления пара за задвижкой более чем
на 1 кгс/см2, датчик считается неисправным, при этом светится
транспарант "НЕИСПРАВН. ДАТ" на панели В210-02;
·
вакуум
в конденсаторе измеряется тремя датчиками типа Сапфир-22ДА с пределами
измерения от 0 кгс/см2 до 1 кгс/см2 позиции S201B03,
S201B04, S201B05. Контроль исправности осуществляется сравнением показаний
датчиков с показаниями второго из наименьших показаний датчиков. При отличии
показаний более чем на 0,05 кгс/см2, датчик считается неисправным,
при этом светится транспарант "НЕИСПРАВН. ДАТ" на панели В210-02;
·
температура
ПСУ - 11, 12, 21, 22, 31, 32, 41, 42 измеряется восемью электроконтактными
термометрами типа ТКП-100ЭК с пределами измерения от 0 0С до 150 0С
позиции М913 - М920. При превышении температуры ПСУ более 100 0С на
видеокадр выдаются сообщения "Т ПСУ11 >100 0C", "Т
ПСУ12 >100 0C", "Т ПСУ21 >100 0C",
"Т ПСУ22 >100 0C", "Т ПСУ31 >100 0C",
"Т ПСУ32 >100 0C", "Т ПСУ41 >100 0C",
"Т ПСУ42 >100 0C";
·
заданная
мощность турбины заводится от ЦАП стойки ЭГСР В211, предел измерения от 0 МВт
до 2000 МВт;
·
сигналы
по положению клапанов 2RС10S01, 2RС20S01, 2RС30S01, 2RС40S01 поступают из
шкафов РТ УСБ.
Самобаланс: в момент включения
регуляторы сбалансированы на текущее значение давления в ГПК, затем регуляторы
безударно переходят на поддержание уставки в зависимости от режима работы.
Управление регулятором: в режиме "ДУ"
- индивидуальными ключами управления на пульте 11ПА БЩУ и с РЩУ; в режиме
"А"- от АСУТ.
3.2 Описание работы регулятора
Функции системы БРУ-К реализованы в двух УВК
В231 и В233, полностью дублирующих друг друга. В работе должен находиться один
УВК, второй УВК должен быть в резерве. Выбор УВК В231 или В233 осуществляется с
помощью импульсных кнопок "ДЕБЛОКИРОВКА" и "В233" на пульте
"В210-02". При переводе БРУ-К в режим автоматического управления и
если В231 не в отказе, управление БРУ-К принимает УВК В231. При отказе В231 или
при одновременном нажатии кнопок "ДЕБЛОКИРОВКА" и "В233"
управление БРУ-К переходит в УВК В233, если она не в отказе. Управление БРУ-К
перейдет в УВК В231 при отказе В233 или при повторном одновременном нажатии
кнопок "ДЕБЛОКИРОВКА" и "В233". Предусмотрена подсветка
транспарантов на пульте В210-02 "БРУ-К В231" или "БРУ-К
В233".
При переводе регулятора в автоматический режим
переводом ключа управления 1ПУ на БЩУ (2ПУ на РЩУ) в положение "А"
хотя бы одного из клапанов 2RC10S01, 2RC20S01, 2RC30S01, 2RC40S01 и при
отсутствии условий перевода его из автоматического в дистанционный режим работы
по команде АСУТ, регулятор включается в выбранный режим работы в зависимости от
положения ключа выбора режима работы.
Для регуляторов реализованы следующие режимы
работы:
·
режим
"пуско-остановочный";
·
режим
"расхолаживание 1";
·
режим
" расхолаживание 2";
·
режим
поддержания любого выбранного давления;
·
режим
"стерегущий";
·
режим
"РПД";
·
режим
"расхолаживание ".
Режим "пуско-остановочный". Включается
переводом ключа на пульте 11 ПА в положении "РПО", и регулятор
находится в автоматическом управлении. РБРУ-К поддерживает текущее значение
давления пара в ГПК на момент включения, затем производит безударный переход на
уставку 64 кгс/см2 со скоростью 0,01 (кгс\см2)·с.
Режим "пуско-остановочный"
используется на пуске или останове энергоблока, для плавного подъема давления в
ГПК в диапазоне от 0 кгс/см2 до 64 кгс/см2. В этом режиме
выведена из работы блокировка по снижению давления в ГПК меньше 62 кгс/см2.
Примечание. Не зависимо от того в каком режиме
находится регулятор, (автоматический или ДУ) после того как ключ будет
переведён в положение "РПО", выводится из работы блокировка по
снижению давления в ГПК меньше 62 кгс/см2.
Режим "расхолаживание1". РБРУ-К должен
находиться в режиме "пуско-остановочный". Включается нажатием кнопок,
для УВК который находится в работе, "ДЕБЛОКИРОВКА" и "Расх 1" на пульте
"В210-02". Включение подтверждается подсветкой табло "Расх 1" на пульте
"В210-02". РБРУ-К поддерживает текущее значение давления пара в ГПК
на момент включения, затем уставка по давлению со скоростью 30 0C/ч
снижает давление пара в ГПК от давления на момент включения.
Режим "расхолаживание1" используется
на пуске или останове энергоблока, для плавного снижения давления в ГПК со
скоростью 30 0C/ч, а также для расхолаживания оборудования на
останове энергоблока, в этом режиме выведена из работы блокировка по снижению
давления в ГПК меньше 62 кгс/см2.
Отключение режима "расхолаживание 1"
производится повторным нажатием кнопок "ДЕБЛОКИРОВКА" и "Расх 1" на пульте
"В210-02". Отключение подтверждается отсутствием подсветки табло
"Расх 1" на пульте
"В210-02".
Режим "расхолаживание 2". РБРУ-К
должен находиться в режиме "пуско-остановочный". Включается нажатием
кнопок, для УВК который находится в работе, "ДЕБЛОКИРОВКА" и "Расх 2" на пульте
"В210-02". Включение подтверждается подсветкой табло "Расх 2" на пульте
"В210-02". РБРУ-К поддерживает текущее значение давления пара в ГПК
на момент включения, затем уставка по давлению со скоростью 60 0C/ч
снижает давление пара в ГПК от давления на момент включения.
Режим "расхолаживание 2" используется
на пуске или останове энергоблока, для плавного снижения давления в ГПК со
скоростью 60 0C/ч, а также для расхолаживания оборудования на
останове энергоблока, в этом режиме выведена из работы блокировка по снижению
давления в ГПК меньше 62 кгс/см2.
Отключение режима "расхолаживание 2"
производится повторным нажатием кнопок "ДЕБЛОКИРОВКА" и "Расх 2" на пульте
"В210-02". Отключение подтверждается отсутствием подсветки табло
"Расх 2" на пульте
"В210-02".
Режим "поддержание любого выбранного
давления". РБРУ-К должен находиться в режиме "расхолаживание 1"
или "расхолаживание 2". Включается нажатием кнопок, для УВК который
находится в работе, "ДЕБЛОКИРОВКА" и "СТОП" на пульте
"В210-02". Включение подтверждается подсветкой табло "СТОП"
на пульте "В210-02". Регулятор поддерживает текущее значение давления
пара в ГПК на момент нажатия кнопки "СТОП".
Режим "поддержание любого выбранного
давления" используется на пуске или останове энергоблока, для поддержания
любого фиксированного значения давления в ГПК. В этом режиме выведена из работы
блокировка по снижению давления в ГПК меньше 62 кгс/см2.
Отключение режима "поддержание любого
выбранного давления" производится повторным нажатием кнопок
"ДЕБЛОКИРОВКА" и "СТОП" на пульте "В210-02".
Отключение подтверждается отсутствием подсветки табло "СТОП" на
пульте "В210-02".
Режим "стерегущий". Включается
переводом ключа на пульте 11 ПА в положение "РПД", и регулятор
находится в автоматическом управлении, и отсутствуют условия вступления его в
работу.
Режим "стерегущий" включается из
режима "РПД" по истечению 20 с после закрытия всех РК БРУ-К, если
отсутствует сигнал "СБРОС НАГРУЗКИ" и давление в ГПК не было больше
68 кгс\см2.
Режим "стерегущий" используется в
стационарных режимах работы энергоблока. Регуляторы находятся в
"РСТ", что контролируется по свечению обеих ламп РК 2RC10S01, 2RC20S01,
2RC30S01, 2RC40S01 на мнемосхеме.
Режим поддержания давления. РБРУ-К должен
находится в режиме "стерегущий".
При поступлении сигнала "СБРОС
НАГРУЗКИ" из ЭГСР, и снижении заданной мощности со скоростью, большей 50
МВт/с, регулятор переходит в РПД с уставкой, которая была до сигнала
"СБРОС НАГРУЗКИ". Формируется сигнал пропорциональный сбросу нагрузки
для ввода в обратную связь РБРУ-К.
Примечание. В ЭГСР сигнал "СБРОС
НАГРУЗКИ" формируется при:
·
электрической
мощности больше 300 МВт;
·
отключении
одного циркуляционного насоса;
·
давлении
в конденсаторе более 0,15 кгс/см2.
Сигнал "СБРОС НАГРУЗКИ" в ЭГСР
снимается при:
·
снижении
давления в конденсаторе до 0,14 кгс/см2;
·
включении
всех циркнасосов;
·
снижении
мощности менее 200 МВт.
Режим "расхолаживание". Для
регулирующих клапанов 2RC10-40S01 предусмотрена возможность ручного
расхаживания БРУ-К.
Для РК 2RC10-40S01, необходимо соответствующий
регулирующий клапан перевести в режим "ДУ", и с ИС ввести значение
"1" программному ключу "Разрешение расхаживания БРУК1-4"
(для стойки В231 ключи Р10110, Р10111, Р10112, Р10113), (для стойки В233 ключи
Р30110, Р30111, Р30112, Р30113) для необходимого РК 2RC10-20S01. При этом
снимаются команды принудительного закрытия с запретом открытия при понижении давления
в ПГ меньше 62 кгс/см2 от УВК. Регулирующим клапаном БРУ-К можно
управлять с помощью ключа управления.
Для перевода РК из режима расхаживания в
"РСТ" необходимо с ИС ввести значение "0" программному
ключу "Разрешение расхаживания" РК который находится в режиме
"расхаживание" и перевести его в режим "А".
Для плавного подъема, снижения и поддержания
любого фиксированного значения давления в ГПК в диапазоне от 0 кгс/см2
до 64 кгс/см2 при пусках и остановах, а также для расхолаживания
оборудования при остановах энергоблока используется режим "РПО". В
этом режиме выведены из работы блокировки при снижении давления в ГПК до 62
кгс/см2.
Для увеличения уставки поддержания давления в
ГПК необходимо включить режим "пуско-остановочный" (перевести ключ в
положение "РПО"). Для поддержания фиксированного значения давления в
ГПК необходимо включить режим "поддержание любого выбранного
давления". Для понижения уставки или расхолаживания энергоблока необходимо
включить режим "расхолаживание 1" или "расхолаживание 2".
В режиме расхолаживания для обеспечения
требуемой скорости реализована коррекция статической неравномерности
регулирования.
В режиме автоматического управления при
включенном режиме "РПО" (в зависимости от параметров энергоблока)
может находиться любое количество клапанов, однако наибольшая эффективность
работы регулятора достигается при автоматическом управлении всех клапанов БРУ-К
при мощности реактора более 10 % номинальной мощности или при автоматическом
управлении двух четных 2RC20S01, 2RC40S01 или двух нечетных клапанов 2RC10S01,
2RC30S01 при мощности реактора менее 10 % номинальной мощности.
При работе БРУ-К в режимах "РПО" и
"РПД" формируется сигнал "БРУК В РАБОТЕ" в ЭГСР для
формирования сигнала "РЕЖИМ РМ" и запрета режима "РД-1"
(при давлении в ГПК менее 58 кгс/см2 включение режима
"РД-2" в ЭГСР имеет приоритет над работой БРУ-К).
.3 Построение и сравнительный анализ частотных
характеристик регуляторов непрерывного и дискретного действия
Рассмотрим характеристики некоторых типов
регуляторов непрерывного и дискретного действия. Цифро-аналоговый
преобразователь (демодулятор) регулятора дискретного действия генерирует
прямоугольные сигналы на выходе - экстраполятор нулевого порядка и описывается
передаточной функцией
3.3.1 П-регулятор
Уравнения П-регуляторов непрерывного
и дискретного действия, а также соответствующие им передаточные функции и
частотные характеристики представлены в таблице 3.1.
Таблица 3.1 - Передаточные функции и
частотные характеристики П-регуляторов
|
Тип
П-регулятора
|
|
Непрерывный
|
Дискретный
|
|
Уравнение
|

|
|
|
Передаточная
функция W(S),W(Z)
|

|
|
|
Частотная
характеристика
|

|
|
Передаточная функция дискретного элемента
П-регулятора с экстраполятором нулевого порядка
Частотная функция дискретного
регулятора
Представим функцию
по формуле
Эйлера
,
где
- вещественная часть частотной
характеристики,
- мнимая часть частотной
характеристики.
Амплитудно-частотная характеристика
регулятора
Фазово-частотная характеристика
регулятора
Частотные характеристики
непрерывного (АЧХ -
, ФЧХ -
) и
дискретного (АЧХ -
, ФЧХ -
)
П-регулятора при небольших значениях
представлены на рисунке 3.1
Из анализа частотных характеристик,
представленных на рисунке 3.1, видно, что дискретный П - регулятор в отличие от
П - регулятора непрерывного действия вносит в систему запаздывание,
определяемое выражением
. При ωT<0,2
амплитуда частотной характеристики дискретного регулятора уменьшается не более
чем на 0,5% и фазовая погрешность не превышает 5,7°. При этих условиях
поведение системы с дискретным П - регулятором практически не отличается от
системы с непрерывным регулятором.
Рисунок 3.1 - Частотные характеристики
непрерывного и дискретного П -регулятора. а - амплитудно-частотная
характеристика, б - фазово-частотная характеристика
.3.2 И-регулятор
Уравнения И-регуляторов непрерывного и
дискретного действия, а также соответствующие им передаточные функции и
частотные характеристики представлены в таблице 3.2.
Дискретный И-регулятор характеризуется двумя
параметрами: коэффициентом К2 и временем цикла Т.
Таблица 3.2 - Передаточные функции и частотные
характеристики И-регуляторов
|
Тип
И-регулятора
|
|
Непрерывный
|
Дискретный
|
|
Уравнение
|

|
|
|
Передаточная
функция W(S),W(Z)
|

|
|
|
Частотная
характеристика
|

|
|
При времени дискретизации Т → 0 поведение
системы с И-регулятором дискретного действия будет совпадать с поведением
непрерывного И-регулятора при выполнении условия
.
Частотные характеристики
непрерывного (АЧХ -
, ФЧХ -
) и
дискретного (АЧХ -
, ФЧХ -
)
И-регулятора при небольших значениях
представлены на рисунке 3.2. Из
анализа частотных характеристик, представленных на рисунке 3.2, видно, что И -
регулятор дискретного действия по своим частотным свойствам совпадает с И -
регулятором непрерывного действия при соблюдении вышеуказанных условий и
(при больших
значениях
сильно
возрастает влияние высших гармоник).
Рисунок 3.2 - Частотные характеристики
непрерывного и дискретного И -регулятора, а - амплитудно-частотная
характеристика, б - фазово-частотная характеристика
.3.3 ПИ-регулятор
Уравнение ПИ-регуляторов непрерывного и дискретного
действия, а также соответствующие им передаточные функции и частотные
характеристики представлены в таблице 3.3
ПИ-регулятор дискретного действия
характеризуется тремя параметрами: коэффициентами К1 и К2
и временем цикла Т. При Т → 0 коэффициент К1 регулятора
дискретного действия соответствует коэффициенту Кр непрерывного, а
выражение
(время
удвоения дискретного регулятора) соответствует времени удвоения
(интегрирования) Ти регулятора непрерывного действия
К1= Кр,
Таблица 3.3 - Передаточные функции и частотные
характеристики ПИ-регуляторов
|
Тип
ПИ-регулятора
|
|
Непрерывный
|
Дискретный
|
|
Уравнение
|

|
|
|
Передаточная
функция W(S),W(Z)
|

|
|
|
Частотная
характеристика
|
 
|
|
На рисунках 3.3 а) и б) изображены
амплитудно - частотная
и фазово -
частотная
характеристики
ПИ-регулятора непрерывного действия, построенные как функции относительной
частоты
и
амплитудно - частотная
и фазово -
частотная
характеристики
ПИ-регулятора дискретного действия, построенные как функции от величины
при
. Из
аналитических выражений этих частотных характеристик (таблица 3.3) видно, что
они могут быть представлены в виде графиков при использовании различных
аргументов, находящихся в определенном соотношении между собой (
) и при
определенном численном значении коэффициента
.
На рисунках 3.4 а) и б) изображены
графики тех же частотных характеристик, но аргументом является относительная
частота
и
параметром для характеристик регуляторов дискретного действия служит отклонение
(частотная
характеристика регулятора непрерывного действия соответствует Т=0).
Из графиков, представленных на рисунках
3.3, 3.4, видно, что частотные характеристики ПИ-регуляторов непрерывного и
дискретного действия "сближаются" по мере уменьшения относительных
частот ωТ и ωТи.
Это означает, что если собственные частоты системы не превосходят некоторый
критический предел и параметры настройки регуляторов непрерывного и дискретного
действия эквивалентны друг другу, то поведение системы с ПИ-регулятором
дискретного действия практически совпадает с поведением системы с
ПИ-регулятором непрерывного действия. Этот критический предел собственных
частот определяется по значению относительных частот ωТ и ωТи,
соответствующих допустимому "искажению" частотной характеристики
(практически ωТ = 0,2 и Т
< 0,1Ти или ωТи<3).
Рисунок 3.3 - Частотные
характеристики непрерывного и дискретного ПИ -регулятора
Рисунок 3.4 - Частотные
характеристики непрерывного и дискретного ПИ -регулятора
3.3.4 ПИД-регулятор
Уравнение ПИД-регуляторов непрерывного и
дискретного действия, а также соответствующие им передаточные функции и
частотные характеристики представлены в таблице 3.4. ПИД - регуляторы
дискретного действия имеют четыре параметра настройки: коэффициенты К1,
К2, К3, и время Т. Соотношения, связывающие параметры ПИД
- регуляторов непрерывного и дискретного действия имеют вид:
К1= Кр,
,
Отличие динамических характеристик
ПИД - регуляторов от ПИ - регуляторов обуславливается динамическими
характеристиками дифференцирующих блоков. На рисунке 11 представлены частотные
характеристики идеального дифференцирующего звена (
и
), дифференцирующего
блока непрерывного действия (
и
при Т1=Тпр) и
блока определения первой разности (
и
).
Таблица 3.4 - Передаточные функции и частотные
характеристики ПИД-регуляторов
|
Тип
ПИД-регулятора
|
|
Непрерывный
|
Дискретный
|
|
Уравнение
|

|
|
|
Передаточная
функция W(S),W(Z)
|

|
|
|
Частотная
характеристика
|
 
|
|
Из рисунка 3.5 видно, что, если ωТ
< 0,1, то фазовая погрешность дискретного дифференциатора не превышает 5 -
6°. При выполнении этого условия поведение системы с ПИД - регулятором
дискретного действия практически совпадает с поведением системы с ПИД -
регулятором непрерывного действия.
Рисунок 3.5 - Частотные характеристики
непрерывного и дискретного ПИД -регулятора
Итоги. Из уравнений регуляторов непрерывного
действия получены выражения передаточных функций, дискретных передаточных
функций и частотных характеристик регуляторов. По этим уравнениям построены
амплитудно - частотные и фазово - частотные характеристики регуляторов.
Анализ частотных характеристик регуляторов
непрерывного и дискретного действия показывает, что они "сближаются"
по мере уменьшения относительной частоты ωТ
. Это означает, что если собственные частоты САР не превосходят некоторые
критические пределы (для П - регулятора ωТ<0,2,
для И - регулятора ωТ<1, для
ПИ - регулятора ωТ<0,2 и Т
<0.1Ти или ωТи<3,
для ПИД - регулятора ωТ<0,1) и
параметры настройки регуляторов непрерывного и дискретного действия
эквивалентны друг другу, то их поведение практически совпадает. Поэтому в
указанном диапазоне частот настройку регуляторов дискретного действия можно
производить аналогично настройке регуляторов непрерывного действия, что
значительно упрощает расчеты и методику настройки.
3.4 Выбор критериев качества регулятора
Оптимальный процесс регулирования должен
удовлетворять следующим требованиям [7]:
1) затухание переходного процесса должно быть
интенсивным;
2) максимальное отклонение регулируемой
величины должно быть наименьшим;
) продолжительность переходного процесса
должна быть минимальной.
Таким образом задача настройки
состоит в том, чтобы в САР выбрать и установить настроечные параметры
регулятора, обеспечивающий близкий к оптимальному процесс регулирования.
Характер переходных процессов в САР определяет вид корней характеристического
уравнения, то есть их распределение на комплексной плоскости. Поэтому можно
сформулировать требования по запасу устойчивости и быстродействию системы, не
рассматривая самих переходных процессов, а накладывая определённые условия на
корни характеристического уравнения САР (их расположение на комплексной
плоскости). При изображении корней на комплексной плоскости требование
устойчивости САР сводится к тому, чтобы они располагались только в левой
полуплоскости. Соответственно одной из возможных численных оценок записи
устойчивости системы может являться расстояние от мнимой оси до ближайшего к
ней корня. Можно считать что САР обладает необходимым запасом устойчивости,
если все корни её характеристического уравнения располагаются левее прямой ВС,
проведённой в левой полуплоскости параллельно мнимой оси на расстоянии
от неё
(рисунок 3.6), где
- степень
устойчивости системы.
По величине степени устойчивости
системы
можно примерно оценить наибольшую длительность переходного процесса, так как
корни характеристического уравнения, расположенные на комплексной плоскости
ближе всего к оси мнимых, то есть имеющую наименьшую по абсолютной величине
вещественную часть, дают в переходном процессе составляющие, которые затухают
наиболее медленно. Между степенью устойчивости и временем переходного процесса
имеется приближенная зависимость [8, 9]:
.
Таким образом, длительность (быстрота затухания)
переходного процесса в основном определяется значением корней, наиболее близко
расположенных от мнимой оси.
Рисунок 3.6 - САР имеет степень
устойчивости
Требованием, которому так же должен
удовлетворять процесс регулирования, является определённая интенсивность
затухания колебательных составляющих переходного процесса. В качестве критерия
интенсивности затухания принимается степень затухания
или степень
колебательности m.
В практике исследование САР обычно
требуется, чтобы корни характеристического уравнения располагались на
комплексной плоскости внутри области в левой полуплоскости, ограниченной лучами
ОА и
(рисунок
3.7), тангенс угла наклона которых к мнимой оси
где m - степень
колебатильности системы.
Рисунок 3.7 - САР имеет степень
колебательности
Расчётная степень колебательности
системы m
определяется так же, исходя из предположения о слабом влияние на переходный
процесс составляющих, обусловленных всеми корнями характеристического уравнения
за исключением пары комплексно- сопряженных, ближайших к мнимой оси.
Между степенью колебательности m и степенью
затухания
имеется однозначная
зависимость [8, 9]
,
представленная в таблице 3.5.
Таблица 3.5 - Зависимость между
степенью затухания
и степенью
колебательности m.
|
00,1500,3000,4500,6000,7500,9001
|
|
|
|
|
|
|
|
|
|
m
|
0
|
0,026
|
0,057
|
0,095
|
0,145
|
0,221
|
0,366
|
|
Величина степени затухания в
зависимости от вида переходного процесса системы выбирается в пределах
При
переходный процесс имеет не
затухающий характер, при
-
апереодический.
Обычно в САР допускается затухание
за один период не менее чем 90% (
). При этом амплитуда каждого
последующего отклонения будет составлять одну десятую от предыдущего, а степень
колебательности m=0,366.
При задании допустимых значений
колебательности и степень устойчивости область расположения корней
характеристического уравнения САР должна ограничиваться лучами
,угол
наклона которых к оси мнимых
, и вертикальной прямой ВС,
проходящей параллельно оси мнимых на расстоянии
(рисунок 3.8).
Рисунок 3.8 - Ограничение области распределения
корней характеристического уравнения САР
Расположению корней в этой области,
заштрихованной на рисунке 13, соответствует выдерживание требуемого закона
устойчивости, определяемого величиной колебательности m или
затухания
, и
требуемой степени устойчивости
, характеризующей быстродействие
системы. На рисунке 3.8 угол наклона лучей
к оси мнимых
,
соответствующий значению степени колебательности m=0,366. На
оси вещественных отложены значения степени устойчивости
и
соответствующие значениям времени переходного процесса
.
3.5 Метод определения параметров настройки
регуляторов дискретного действия
Для обеспечения оптимального
переходного процесса системы корни характеристического уравнения САР на
комплексной плоскости должны быть расположены внутри заштрихованного сектора,
представленного на рисунке 14. Что бы при заданной степени колебательности m была
наименьшая длительность переходного процесса
, необходимо увеличивать степень
устойчивости
. Если
ограничивать область распределения корней характеристического уравнения системы
на комплексной плоскости прямой ВС (рисунок 3.8), перемещая её параллельно
мнимой оси влево, в сторону увеличения
, корни характеристического
уравнения будут взаимно перемещаться и до определённого положения не выйдут за
пределы этой ограниченной области. Наконец, наступит момент, когда дальнейшее
увеличение степени устойчивости
и соответствующее уменьшение
длительности переходного процесса
приведут к выходу хотя бы одного
корня характеристического уравнения за пределы этой ограничиваемой области.
Этот критический момент будет определять максимальное значение
.
Таким образом, если при расчёте
параметров настройки системы автоматического регулирования принять условия
определённого значения степени колебательности m и
максимально возможной степени устойчивости
, то такая настройка в определённом
смысле будет оптимальной. На основании этого для одноконтурных САР непрерывного
действия (рисунок 3.9) были аналитически найдены формулы оптимальной настройки
параметров регуляторов [10, 11].
При выводе формул оптимальной
настройки параметров регуляторов для обеспечения оптимального переходного
процесса системы были заданы показатели качества: степень колебательности m = 0.366
(степень затухания
),
длительность переходного процесса
(степень устойчивости
). Тогда
распределение корней характеристического уравнения системы на комплексной
плоскости будет ограничиваться областью, представленной на рисунке 3.10.
Рисунок 3.9 - Расчётная структурная
схема одноконтурной САР непрерывного действия
Рисунок 3.10 - Область распределения
корней характеристического уравнения системы при m = 0,366 и
Аналитические зависимости параметров
настройки регуляторов по заданным критериям качества от параметров объекта были
получены для объекта регулирования, который описывается дифференциальным
уравнением
Передаточная функция объекта
регулирования следующим образом
Передаточная функция замкнутой САР в
соответствии со структурной схемой, представленной на рисунке 3.9, имеет вид
С учетом выявленной аналогии между
регуляторами непрерывного и дискретного действия и соотношениями между
параметрами настройки этих регуляторов из аналитических зависимостей для
определения оптимальных параметров настройки регуляторов непрерывного действия
были получены формулы для расчета оптимальных параметров настройки цифровых
регуляторов, которые представлены в приложении В, таблица В.1.
3.6 Проверка разработанного метода определения
параметров настройки цифровых регуляторов
Для проверки разработанного метода определения
параметров настройки цифровых автоматических регуляторов необходимо построить и
сравнить по показателям качества переходные характеристики дискретной САР с
произвольными параметрами регулятора и параметрами, расчитанными с помощью
разработанного метода по аналитическим формулам, представленным в таблице 6.
.6.1 Выбор метода и разработка компьютерной
программы для построения переходной характеристики дискретной САР
z- передаточная
функция замкнутой дискретной САР определяется выражением
,
где x(z)
- z - изображение
выходного сигнала, f(z)
- z - изображения
входного возмущающего воздействия.
Отсюда можно найти z
- изображение выходной величины сигнала
.
Для определения реакции системы x[n] (кривой
переходного процесса) на данный входной сигнал необходимо выполнить обратное z -
преобразование, то есть найти оригинал функции по ее z -
изображению:
непосредственное определение
оригинала по таблицам преобразования; применяется в случае, когда z -
изображение имеет сравнительно простое выражение;
определение оригинала путем
разложения z -
изображения на элементарные дроби и нахождение по таблицам оригиналов,
соответствующих этим элементарным дробям; сумма составляющих оригиналов
представляет собой искомый оригинал;
разложение z -
изображения в степенной ряд по степеням z -1[12].
Единичная ступенчатая решетчатая
функция определяется следующим выражением
Этой решетчатой функции
соответствует z -
преобразование
.
Поэтому формула z -
изображения переходной характеристики будет иметь вид
.
Применив к ней обратное z -
преобразование или приведя к виду, позволяющему использовать таблицы
соответствия оригиналов и изображений, получим оригинал, соответствующий
переходной характеристике замкнутой дискретной САР
Так как такой переход может
оказаться трудоемким или невозможным, переходная характеристика может быть
получена в виде значений коэффициентов при z-n -
Разложении в степенной ряд изображения x(z) по
степеням z-1.
Из определения z -
преобразования
Видно, что изображение x(z) может быть
записано следующим образом
Выполняя почленно обратное
преобразование, можно получить выражение для переходной характеристики в виде
Из определения
- функции
как импульса с единичной площадью следует, что значения переходной
характеристики для n = 0, T, 2T, 3T, … , nT
определяются как коэффициенты C0, C1, C2, C3, … , Cn, последних
выражений.
Выражение z -
изображения переходной характеристики имеет форму отношения полиномов
,
Делением числителя на знаменатель
полученного выражения z - изображение переходной
характеристики раскладывается в степенной ряд по степеням, кратным z-1
Коэффициенты полученного ряда С0,
С1, С2, ... , Сn, … является
ординатами переходной характеристики дискретной САР в моменты времени 0, T, 2T, … , nT.
Для построения переходной характеристики
дискретной САР разработана специальная компьютерная программа. Программа
реализована на языке DELFI и по z -
передаточной функции дискретной САР позволяет определить ординаты и построить
график переходной характеристики системы. Компьютерная программа осуществляет
деление числителя на знаменатель выражения z -
переходной характеристики
,
и представление его в виде
степенного ряда по степеням, кратным z -1.
.6.2 Математическая модель САР с
цифровым регулятором
Проверка разработанного метода
определения параметров настройки цифровых автоматических регуляторов
производится на математической модели САР с цифровым регулятором, структурная
схема которой представлена на рисунке 3.11.
Рисунок 3.11 - Структурная схема
математической модели САР с цифровым регулятором
В состав модели САР с цифровым
регулятором входят: сравнивающее устройство (СУ), аналого-цифровой
преобразователь (АЦП), вычислительное устройство (ВУ), цифро-аналоговый
преобразователь (ЦАП), объект регулирования (ОР).
Аналого-цифровой преобразователь
представляется в виде идеального ключа (дискретизатора или простейшего
импульсного элемента), способного мгновенно размыкаться и замыкаться с периодом
Т, генерируя на выходе последовательность импульсов типа δ - функций.
Амплитуда импульсов при этом будет пропорциональна величине непрерывного
сигнала в момент замыкания ключа.
В вычислительном устройстве
реализован закон регулирования объектом.
Цифро-аналоговый преобразователь
представляется в виде формирующего элемента - экстраполятора нулевого порядка,
который преобразовывает мгновенные импульсы на входе в последовательность
прямоугольных импульсов. Передаточная функция экстраполятора нулевого порядка
.
В качестве объекта регулирования
выбран объект, описываемый дифференциальным уравнением
,
где Т1 = 1,5; К = 3.
Передаточная функция объекта
регулирования
.
Структурная схема с передаточными
функциями модели САР с цифровым регулятором изображена на рисунке 3.12.
Рисунок 3.12 - Структурная схема с
передаточными функциями модели САР с цифровым регулятором
z -
передаточная функция замкнутой САР
3.6.3 Построение переходных
характеристик дискретной САР с произвольно выбранными параметрами настройки
Произвольно зададимся параметрами
настройки цифровых регуляторов: К1 = 0,6; К2 = 0,9; К3
= 0,108; Т = 0,6 и с помощью разработанной компьютерной программы построим
переходные характеристики дискретной САР с различными типами регуляторов.
Алгебраические преобразования передаточных функций а также нахождение корней характеристических
уравнений, осуществлявшиеся с помощью программы MathCAD.
.6.3.1 П-регулятор
z -
передаточная функция закона регулирования
.
z -
передаточная функция замкнутой САР
z -
характеристическое уравнение САР
,
.
Корни z -
характеристического уравнения САР
.
Характеристический полином для
данного регулятора
,5934z-1 + 0,1203z-2 + 0,0652z-3 + 0,0152z-4 + 0 + 0
График переходного процесса для САР
с П - регулятором с произвольно выбранными параметрами настройки изображён на
рисунке 3.13.
Рисунок 3.13 - Переходная
характеристика дискретного П-регулятора с произвольно выбранными параметрами
настройки
.6.3.2 И-регулятор
z -
передаточная функция закона регулирования
.
z -
передаточная функция замкнутой САР
.
z -
характеристическое уравнение САР
,
.
Корни z -
характеристического уравнения САР
Характеристический полином для
данного регулятора
,8901z-1 + 0,6945z-2 - 0,0549z-3 - 0,5083z-4 - 0.3598z-5 + 0,06z-6 + 0,288z-7 + +0,1845z-8 - 0,0491z-9 - 0,162z-10 - 0,0934z-11 + 0,0357z-12 + 0,0905z-13 + 0,457z-14 - -0,0242z-15 - 0,0502z-16 - 0,0229z-17 + 0,0158z-18 + 0,0277z-19 + 0,011z-20 - -0,01z-21 - 0,0151z-22-0,005z-23 + 0,0061z-24 + 0,0082z-25 + 0,0023z-26 - 0,0037z-27 - -0,0045z-28 - 0,001z-29 + 0,0022z-30 + 0,0024z-31 + 0,0004z-32 - 0,0013z-33 - -0,0012z-34 - 0,001z-35 + 0 - 0 + 0
График переходного процесса для САР
с И - регулятором с произвольно выбранными параметрами настройки изображён на
рисунке 3.14.
Рисунок 3.14 - Переходная
характеристика дискретного И-регулятора с произвольно выбранными параметрами
настройки
.6.3.3 ПИ-регулятор
z -
передаточная функция закона регулирования
.
z -
передаточная функция замкнутой САР
z -
характеристическое уравнение САР
,
.
Корни z -
характеристического уравнения САР
Характеристический полином для
данного регулятора
,484z-1 - 0,316z-2 - 0,059z-3 - 0,011z-4 - 0,002z-5 - 0 - 0
График переходного процесса для САР
с ПИ - регулятором с произвольно выбранными параметрами настройки изображён на
рисунке 3.15.
Рисунок 3.15 - Переходная
характеристика дискретного ПИ-регулятора с произвольно выбранными параметрами
настройки
.4.3.4 ПД-регулятор
z -
передаточная функция закона регулирования
.
z -
передаточная функция замкнутой САР
z -
характеристическое уравнение САР
,
.
Корни z -
характеристического уравнения САР
Характеристический полином для
данного регулятора
,7z-1 - 0,1277z-2 + 0,0038z-3 - 0,0012z-4 + 0,001z-5 + 0 + 0
График переходного процесса для САР
с ПД - регулятором с произвольно выбранными параметрами настройки изображён на
рисунке 3.16.
Рисунок 3.16 - Переходная
характеристика дискретного ПД-регулятора с произвольно выбранными параметрами
настройки
.6.3.5 ПИД-регулятор
z -
передаточная функция закона регулирования
.
- передаточная функция замкнутой
САР
z -
характеристическое уравнение САР
.
Корни z -
характеристического уравнения САР
Характеристический полином для
данного регулятора
,59z-1 - 0,6799z-2 + 0,2699z-3 - 0,0713z-4 + 0,0312z-5 - 0,007z-6 + 0,004z-7 - - 0,001z-8 + 0 - 0
График переходного процесса для САР
с ПИД - регулятором с произвольно выбранными параметрами настройки изображён на
рисунке 3.17.
Рисунок 3.17 - Переходная
характеристика дискретного ПИД-регулятора с произвольно выбранными параметрами
настройки
.6.4 Построение переходных
характеристик дискретной САР с параметрами настройки, рассчитанными по полученным
аналитическим зависимостям
Произведем расчет параметров
настройки цифровых регуляторов по полученным аналитическим зависимостям из
таблицы 6 для параметров выбранного объекта регулирования: Т1 = 1,5,
К = 3:
· для П-регулятора: К1 =
0,3;
· для И-регулятора: K2
= 0,1;
· для ПИ-регулятора: К1 =
0,7; K2 =
1;
· для ПД-регулятора: К1 =
0,7; К3 = 0,001;
· для ПИД-регулятора: К1 =
0,7; K2 =
0,5; К3 = 0,018;
· для всех регуляторов: Т = 0,6;
и с помощью разработанной компьютерной программы
построим переходные характеристики дискретной САР с различными типами
регуляторов.
Характеристический полином для П-регулятора
,297z-1
+
0,1017z-2 +
0 + 0
График переходного процесса для САР с П -
регулятором с параметрами настройки, рассчитанными по полученным аналитическим зависимостям
изображён на рисунке 3.18.
Рисунок 3.18 - Переходная характеристика
дискретного П-регулятора с рассчитанными параметрами настройки
Характеристический полином для И-регулятора
,0989z-1
+
0,1554z-2 +
0,179z-3 +
0,175z-4 +
0,156z-5 +
0,128z-6 +
0,09z-7 +
+0,066z-8 +
0,0386z-9
+ 0,017z-10
- 0,0003z-11
- 0,0107z-12
- 0,017z-13
- 0,02z-14
- -0,0193z-15 -
0,0172z-16 -
0,0142z-17
- 0,0107z-18
- 0,0073z-19
- 0,0043z-20
- -0,002z-21
- 0,0001z-22 +
0,001z-23
+ 0,002z-24
+ 0,0021z-25 +
0,002z-26
+ 0,001z-27
- 0
График переходного процесса для САР с И -
регулятором с параметрами настройки, рассчитанными по полученным аналитическим
зависимостям изображён на рисунке 3.19.
Рисунок 3.19 - Переходная характеристика
дискретного И-регулятора с рассчитанными параметрами настройки
Характеристический полином для ПИ-регулятора
,313z-1
- 0,711z-2
+ 0,079z-3
- 0,011z-4
+ 0,0008z-5
- 0 -+0
График переходного процесса для САР с ПИ -
регулятором с параметрами настройки, рассчитанными по полученным аналитическим
зависимостям изображён на рисунке 3.20.
Рисунок 3.20 - Переходная характеристика
дискретного ПИ-регулятора с рассчитанными параметрами настройки
Характеристический полином для ПД-регулятора
,4955z-1
+ 0,0856z-2
+ 0,015z-3
+ 0,0026z-4
+ 0,0004z-5
+ 0 + 0
График переходного процесса для САР с ПД -
регулятором с параметрами настройки, рассчитанными по полученным аналитическим
зависимостям изображён на рисунке 3.21.
Рисунок 3.21 - Переходная характеристика
дискретного ПД-регулятора с рассчитанными параметрами настройки
Характеристический полином для ПИД-регулятора
,254z-1
-
0,255z-2 +
0,046z-3 -
0,008z-4 +
0,0014z-5 -
0,0002z-6 +
0 - 0
График переходного процесса для САР с ПИД -
регулятором с параметрами настройки, рассчитанными по полученным аналитическим
зависимостям изображён на рисунке 3.22.
Рисунок 3.22 - Переходная характеристика
дискретного ПИД-регулятора с рассчитанными параметрами настройки
.6.5 Сравнительная оценка переходных
характеристик дискретной САР с различными параметрами настройки регуляторов по
показателям качества
Для проведения сравнительной оценки метода определения
параметров настройки цифровых регуляторов построим сравнительные графики
переходных процессов регуляторов.
График переходных процессов для дискретной САР с
П - регулятором с параметрами настройки, выбранными произвольно, и
рассчитанными по полученным аналитическим зависимостям изображён на рисунке
3.23.
Рисунок 3.23 - Переходные характеристики
дискретных П-регуляторов до и после настройки
Показатели качества до настройки: время
регулирования t = 3, максимальное
отклонение xmax
= 0,5934.
Показатели качества после настройки: время
регулирования t = 2, максимальное
отклонение xmax
= 0,297.
График переходных процессов для дискретной САР с
И - регулятором с параметрами настройки, выбранными произвольно, и рассчитанными
по полученным аналитическим зависимостям изображён на рисунке 3.24.
Рисунок 3.24 - Переходные характеристики
дискретных И-регуляторов до и после настройки
Показатели качества до настройки: время
регулирования t = 34, максимальное
отклонение xmax
= 0,8901.
Показатели качества после настройки: время
регулирования t = 28, максимальное
отклонение xmax
= 0,1778.
График переходных процессов для дискретной САР с
ПИ - регулятором с параметрами настройки, выбранными произвольно, и
рассчитанными по полученным аналитическим зависимостям изображён на рисунке
3.25.
Рисунок 3.25 - Переходные характеристики
дискретных ПИ-регуляторов до и после настройки
Показатели качества до настройки: время
регулирования t = 6, максимальное
отклонение xmax
= 1,484.
Показатели качества после настройки: время
регулирования t = 4, максимальное
отклонение xmax
= 1,312.
График переходных процессов для дискретной САР с
ПД - регулятором с параметрами настройки, выбранными произвольно, и
рассчитанными по полученным аналитическим зависимостям изображён на рисунке
3.26.
Рисунок 3.26 - Переходные характеристики
дискретных ПД-регуляторов до и после настройки
Показатели качества до настройки: время
регулирования t = 5, максимальное
отклонение xmax
= 0,495.
Показатели качества после настройки: время
регулирования t = 4, максимальное
отклонение xmax
= 0,7.
График переходных процессов для дискретной САР с
ПИД - регулятором с параметрами настройки, выбранными произвольно, и
рассчитанными по полученным аналитическим зависимостям изображён на рисунке
3.27
Рисунок 3.27 - Переходные характеристики
дискретных ПИД-регуляторов до и после настройки
Показатели качества до настройки: время
регулирования t = 7, максимальное
отклонение xmax
= 1,59.
Показатели качества после настройки: время
регулирования t = 5, максимальное
отклонение xmax
= 1,254.
.7 Алгоритм определения параметров настройки
цифровых регуляторов
Для определения параметров настройки цифрового
регулятора САР разработанным методом необходимо:
1. Экспериментально определить разгонную
характеристику объекта регулирования хвых(t)
при ступенчатом воздействии со стороны регулирующего органа хвх(t)
или задающего устройства хз(t).
2. По экспериментально снятой разгонной
характеристике определить дифференциальное уравнение или передаточную функцию
объекта регулирования с помощью способа М.П. Симою или упрощенных методов на
нем основанных
3. Выбрать оптимальные
показатели качества переходного процесса САР. Обычно принимают величину степени
колебательности m = 0,366 (степень затухания ψ = 0,9) и величину
степени устойчивости η,
зависящую
от требуемого времени переходного процесса tp (
).
. Определить область
распределения корней характеристического уравнения системы на комплексной
плоскости и предельные значения их вещественных и мнимых частей для обеспечения
выбранных оптимальных показателей качества переходного процесса САР.
. По дифференциальным
уравнениям (передаточной функции) объекта регулирования и непрерывного
регулятора (закона регулирования) получить дифференциальное уравнение
(передаточную функцию) и характеристическое уравнение непрерывной САР
. Составить уравнение, равносильное
характеристическому уравнению в виде произведения n -
множителей с корнями характеристического уравнения
, где S1, S2, ..., Sи - корни
характеристического уравнения, n - порядок характеристического
уравнения.
. В характеристическом и
равносильном ему уравнении приравнять коэффициенты при одинаковых степенях
переменной S и получит
систему уравнений в виде зависимостей между параметрами настройки непрерывного
регулятора, коэффициентами и корнями характеристического уравнения САР.
. В системе уравнений заменит
корни характеристического уравнения САР их предельными значениями и решив
систему уравнений получить формулы оптимальных параметров настройки (Кр,
Ти, Тпр) непрерывного регулятора в виде зависимостей от
параметров объекта регулирования.
. Используя соотношения между
параметрами настройки аналоговых и цифровых регуляторов К1 = Кр,
(И-закон),
,
,
из формул
оптимальной настройки непрерывного регулятора получить формулы оптимальной
настройки цифрового регулятора.
4. Техническое обслуживание и ремонт систем и
элементов АСУ ТП
4.1 Виды ремонта систем и элементов АСУ ТП
Система технического обслуживания представляет
собой комплекс организационно-технических мероприятий для поддержания
работоспособности изделия при хранении и транспортировке, при подготовке к
использованию, а также ремонт, поверку и профилактическое обслуживание.
Ремонтом называется комплекс работ для
поддержания и восстановления работоспособности изделия. Необходимость ремонта
приборов и систем контроля АЭС вызывается, главным образом, изменением их
характеристик в процессе эксплуатации, приводящим к снижению точности, в
результате чего погрешность приборов и систем контроля АЭС со временем выходит
за допустимые пределы. Обусловлено это в первую очередь увеличением сил трения
в подвижных элементах приборов и систем в результате износа и изменения формы
трущихся поверхностей, разрушения смазки и постепенного загрязнения узлов
кинематики в местах сочленения, изменения характеристик упругих элементов. На
изменение характеристик сказывается также и процесс естественного старения,
сопровождающийся изменением параметров полупроводниковых элементов, резисторов,
а также увеличением переходных сопротивлений электрических контактов [13].
Процессы износа и старения во многих случаях
зависят от условий и характера эксплуатации приборов и систем контроля. Наличие
вибраций и ударов, повышенная влажность, высокая температура, радиоактивная и
агрессивная среда, запыленность в местах установки приборов ускоряют указанные
процессы. В неизменных эксплуатационных условиях можно оценить влияние этих
процессов на точность показаний приборов и установить межремонтные сроки, по
истечении которых прибор должен быть подвергнут ремонту, прежде чем его
погрешность выйдет за допустимые пределы.
Все работы по ремонту систем и элементов АСУ ТП
проводятся во время планово-предупредительных ремонтов.
Планово-предупредительный ремонт это система запланированных мероприятий по
уходу, надзору и ремонту, направленных на предотвращение прогрессивного
нарастания износа, на предупреждение аварий и поддержание оборудования в
состоянии постоянной эксплуатационной готовности. Система ППР включает
проводимые по графику текущие, средние и капитальные ремонты, а также и
проверки оборудования.
Текущий ремонт, как правило, производится без
снятия прибора с места установки сразу же после выявления неисправности. Этот
ремонт не связан с разборкой прибора и заключается в замене отдельных деталей,
т.е. замене полупроводниковых элементов, реле, пишущих перьев и т.д. Кроме
того, может производиться чистка реохордов, восстановление оборванных
проводников или нарушенных паек, чистка контактов, замена блоков, модулей.
Текущие ремонты не планируются, а производятся
по мере необходимости.
Среднему ремонту подвергаются приборы и системы,
имеющие износ деталей, загрязненность, нарушение характеристик механических и
электрических элементов и как следствие перечисленного - повышенную
погрешность. Средний ремонт заключается в полной чистке прибора с частичной его
разборкой, смазке трущихся поверхностей, замене подшипников и мелких второстепенных
деталей. Предусматривается регулировка кинематики, подстройка электрических
элементов, чистка контактных поверхностей.
Капитальному ремонту подвергаются приборы и
узлы, имеющие значительный износ деталей, а также приборы, вышедшие из строя
вследствие серьезных повреждений из-за неправильной или небрежной эксплуатации.
Ремонт изношенных приборов и узлов производится в плановом порядке по графикам,
исходя из установленных для АЭС сроков капитальных ремонтов приборов и систем.
.2 Определения надежности спроектированной
системы и ее составляющих
Под надёжностью АСУ ТП ЭБ понимают комплекс
показателей, среди которых важное место занимает вероятность выполнения функций
контроля, управления и защиты за заданный промежуток времени. Выполнение этих
функций зависит от вида получаемой информации и способов её обработки,
надёжности используемых технических средств и человеческой надёжности
операторов и ремонтного персонала.
Требования к повышению надёжности технических
средств АСУ ТП:
) улучшение качества изготовления и принципов
построения элементов системы;
) улучшение структуры и введение избыточности;
) повышение надёжности в процессе эксплуатации.
Первые два способа повышения надёжности
используются в процессе проектирования и изготовления, как элементов, так и
системы в целом. В результате система достигает определенного уровня
надёжности.
Третий способ заключается в основном в
обеспечении уровня надёжности, достигнутого в результате разработки и
изготовления технической системы.
Основа обеспечения надёжности любой сложной
системы - использование надёжных элементов, из которых изготавливается система
[14].
Назначение системы. Предотвращение повышения
давления пара в ГПК за допустимые пределы во всех режимах работы энергоблока.
Условия работоспособности системы.
Работоспособность - способность выполнять все заданные функции с сохранением
параметров в требуемых пределах.
Регулирование осуществляется по
пропорциональному закону за счёт охвата регулятора обратной связью по положению
регулирующего органа. Измерение давления производится тремя датчиками типа
Сапфир 22ДИ. Заданное значение давления
(неравномерность регулирования 4
кгс/см2 на 100 %
хода клапана). Время полного хода каждого клапана 15 с. Управление регулятором
осуществляется либо в ручном, либо в автоматическом.
На рисунке 4.1 показана структурная
схема регулятора БРУ-К.
Рисунок 4.1 - Структурная схема
регулятора
БРУ-К ИП - измерительный
преобразователь типа Сапфир - 22ДИ; РТ - шкаф распределительный токовый; ПАВС -
панель приема аналоговых входных сигналов; МК - микроконтроллер; МР - субблок;
ИА - исполнительный автомат; ИМ - исполнительный механизм (ВАЗ); РО -
регулирующий орган (БРУ-К)
Определяемые показатели надёжности
для решаемой задачи:
Вероятность безотказной работы Р(t)-
это вероятность того что время от момента включения аппаратуры до её отказа
будет больше или равно времени в течении которого определяется вероятность
безотказной работы, то есть это вероятность того, что в пределах заданной
наработки отказ объекта не возникает.
, (4.1)
где λ - интенсивность
отказов.
Вероятность отказа - вероятность
того, что при определенных условиях эксплуатации в заданном интервале времени
возникнет хотя бы один отказ.
Q(t) = 1 - P(t) (4.2)
Частота отказов - отношение числа
отказов изделий в единицу времени к первоначальному числу испытываемых изделий
при условии, что вышедшие из строя изделия не восстанавливаются.
(4.3)
Интенсивность отказов - это
отношение числа отказавших изделий в единицу времени к среднему числу изделий,
исправно работающих в данный отрезок времени
(4.4)
Средняя наработка до первого отказа
- математическое ожидание времени работы изделия до отказа.
(4.5)
В таблице 4.1 приведены интенсивности отказов
блоков, входящих в канал, взятые из технического описания для каждого блока,
кроме Сапфир 22 ДИ. Но для него известны другие данные вероятность безотказной
работы P(t)=0,97
за 2000 часов, поэтому интенсивность отказа можно рассчитать по формуле
(4.6)
(4.7)
Произведем расчет l и внесем его в таблицу 4.1.
Таблица 4.1 - Значения интенсивности
отказов элементов системы
|
Перечень блоков в ФЛС
|
Название
блока
|
Интенсивность
отказов l, 1/ч
|
|
1
|
Сапфир
22ДИ
|
1,523×10-5
|
|
2
|
РТ
|
2×10-5
|
|
3
|
ПАВС
|
7,7×10-8
|
|
4
|
МК
|
5×10-7
|
|
5
|
МР
|
4×10-7
|
|
6
|
ИА
|
1×10-5
|
|
7
|
ВАЗ
|
1,8×10-6
|
|
8
|
РК
|
1×10-6
|
Функционально-логическая схема регулятора. На
основании структурной схемы регулятора (рисунок 4.1) составляем
расчетно-логическую схему (рисунок 4.2).
Рисунок 4.2 - Функционально-логическая схема
регулятора БРУ-К
Выбор времени работы всех элементов. Так как
время кампании энергоблока составляет 4 года, выберем общее время работы
элементов системы, равное
Тобщ = 4·365·24 = 35040 час.
Разобьем это время на пять равных участков по
7008 часов. Дальнейшие расчеты будем производить, опираясь на эти значения
времени.
Таким образом, время работы основных элементов
канала составит:
t1
= 7008 часов (292 дня);
t2
= 14016 часов (584 дня);
t3
= 21024 часов (876 дней).
t4
= 28032 часов (1168 дней);
t5
= 35040 часов (1460 дней).
Расчет вероятностей безотказной роботы
регулятора БРУ-К. Расчет вероятности безотказной работы канала системы без
резервирования. Следует отметить, что появление случайных событий −
отказов, подчиняется экспоненциальному закону распределения. Все расчеты будут
проводиться с помощью прикладной программы "Mathcad".
Расчет вероятности безотказной работы будем рассчитывать по формуле (4.6)
где λi
- вероятность отказа i-ого
элемента; t - время работы
системы.
Произведем расчет вероятности
безотказной работы элементов системы при
:
Аналогично выполняются остальные расчеты в
программе "Mathcad"
для времени t2,
t3,
t4,
t5.
Сведем расчеты в таблицу 4.2.
Вероятность безотказной работы без учета
резервирования рассчитывается по формуле:
(4.8)
Выполним расчет вероятности
безотказной работы без учета резервирования для времени t1=7008
часов:
Аналогично выполним расчеты для
времени t2, t3, t4, t5 в программе
"Mathcad" и
представим их в таблице 4.3.
Таблица 4.2 − Вероятности безотказной
работы элементов системы
|
ti,ч Рi(t)
|
7008
|
14016
|
21024
|
28032
|
35040
|
|
Р1
|
0,8987667
|
0,8077815
|
0,7260071
|
0,6525109
|
0,5864551
|
|
Р2
|
0,8692191
|
0,7555419
|
0,6567315
|
0,5708436
|
0,4961882
|
|
Р3
|
0,9994605
|
0,9989214
|
0,9983825
|
0,9978439
|
0,9973056
|
|
Р4
|
0,9965021
|
0,9930165
|
0,9895431
|
0,9860818
|
0,9826326
|
|
Р5
|
0,9972007
|
0,9944093
|
0,9916257
|
0,9888498
|
0,9860818
|
|
Р6
|
0,9323192
|
0,8692191
|
0,8103897
|
0,7555419
|
0,7044063
|
|
Р7
|
0,9874648
|
0,9750868
|
0,9628639
|
0,9507942
|
0,9388759
|
|
Р8
|
0,9930165
|
0,9860818
|
0,9791955
|
0,9723573
|
0,9655668
|
Таблица 4.3 - Значения вероятностей безотказной
работы без учета резервирования
|
t,ч Р0i(t)
|
7008
|
14016
|
21024
|
28032
|
35040
|
|
Р0(t)
|
0,7093251
|
0,5031422
|
0,3568912
|
0,2531524
|
0,1795675
|
Интенсивность отказа. Произведем
расчет значения интенсивности отказов.
, (4.9)
где λi
-
интенсивность отказа i-ого
элемента.
Расчет вероятности безотказной
работы системы с учетом различных способов резервирования.
Для резервирования системы применим раздельное
резервирование с постоянно включенным резервом и целой кратностью.
Схема расчета надежности регулятора для
раздельного резервирования с постоянно включенным резервом и целой кратностью
представлено на рисунке 4.3.
Рисунок 4.3 - Схема расчета надежности
регулятора для раздельного резервирования с постоянно включенным резервом и
целой кратностью
Расчет вероятности безотказной
работы системы. Вероятности безотказной работы системы
при данном
способе резервирования и ненагруженном состоянии резерва определяется
, (4.10)
где Pi(t) -
вероятность безотказной работы i-го элемента,
mi - кратность
резервирования i-го элемента,
N - число
элементов основной системы.
Тогда для mi=0, N=8 и t=7008 часов
получим
Аналогично производим остальные
расчеты в программе "Mathcad".
Результаты расчетов приведены в таблице 4.4.
Построим график зависимости Рc(t)=f(λ0t)
при раздельном резервировании с постоянно включенным резервом и целой кратностью
при различных значениях кратности резервирования (m=0,1,2)
и представим его на рисунке 4.4.
Таблица 4.4 -
Вероятности
безотказной работы системы при различных m
|
ti,ч Рс(t)
|
t1=7008 ч
|
t2=14016 ч
|
t3=21024 ч
|
t4=28032
ч
|
t5=35040 ч
|
|
Рспри
m=0
|
0,7093253
|
0,5031424
|
0,3568916
|
0,2531522
|
0,1795673
|
|
Рспри
m=1
|
0,8892161
|
0,7850381
|
0,6720845
|
0,5614579
|
|
Рспри
m=2
|
0,9964167
|
0,9761862
|
0,9333499
|
0,8693026
|
0,7892888
|
Рисунок 4.4 − График
зависимости Pc(t) от
при m=0,1,2 и
раздельном резервировании с постоянно включенным резервом и целой кратностью.
Расчёт среднего времени безотказной
работы. Для данного способа резервирования и ненагруженном состоянии резерва
среднее время безотказной работы определяется как:
, (4.11)
где
, m - число
резервных каналов.
Тогда при m=0,
получим:
Аналогично производим остальные
расчеты для
m=1,2 в
программе "Mathcad". Результаты расчетов
приведены в таблице 4.5.
Таблица 4.5 - Значения среднего времени
безотказной работы резервированной системы при различных значениях m
|
m Т
|
m=0
|
m=1
|
m=2
|
|
Тср
|
2550,6560287
|
62155,9398877
|
6211,8708125
|
.2 Продление срока эксплуатации
Проблема продления срока эксплуатации. Одной из
наиболее актуальных проблем, которые необходимо решать для
информационно-управляющих систем (ИУС) АЭС, является определение возможности
продления срока их эксплуатации.
Задача продления срока эксплуатации может рассматриваться
для таких компонентов ИУС, как ТСА и ПТК. При этом программное обеспечение в
задаче продления срока эксплуатации не затрагивается. Задача продления срока
эксплуатации ИУС или ПТК может рассматриваться по отдельным ТС, входящим в их
состав, замены которых независимы.
В технической документации разработчиков
(изготовителей) ТС в качестве показателя долговечности, регламентирующего срок
эксплуатации, устанавливается средний срок службы (иногда назначенный срок
службы). Для большей части ТС АЭС Украины - составляет 8-15 лет, что
значительно меньше, чем проектный срок службы АЭС (30 лет).
Отчасти проблема истечения регламентированного
срока эксплуатации решается путем модернизации ИУС и замены существующих ТС,
однако для большой части ТС на АЭС она остается актуальной.
Продление срока эксплуатации ТС является мерой,
альтернативной замене, в том случае, если ТС могут выполнять свои функции с
требуемыми характеристиками после истечения этого срока. При этом сохранение
работоспособности и уровня надежности ТС в период, на который продлевается их
срок эксплуатации, может обеспечиваться за счет реализации мероприятий,
дополняющих установленный регламент эксплуатации ТС (увеличение частоты и
объема ТО, замена элементов с недостаточной надежностью, пополнение ЗИП,
улучшение условий эксплуатации и так далее).
Проблема продления срока эксплуатации находится
в центре внимания Регулирующего органа Украины. Еще в 1994 году этот вопрос
рассматривался на коллегии Госатомнадзора. Для исполнения этого решения
разработан нормативный документ для ТС НД-306.711-96 "Надежность АЭС и
оборудования. Продление ресурса средств контроля и управления, входящих в
системы, важные для безопасности. Общие требования к порядку и содержанию
работ".
Пути решения задачи продления срока эксплуатации.
Для обоснования выбора метода оценки возможности продления срока эксплуатации
ТС рассмотрим различные пути решения задачи, классифицируя их по выделенным
ниже признакам:
а) Рассматриваемая совокупность ТС, для которой
принимается решение о продлении срока эксплуатации.
Это может быть отдельное изделие, однотипные
изделия одного энергоблока, одной или нескольких АЭС. ТС АЭС являются массовыми
изделиями, а на одном ЭБ может быть значительное количество однотипных ТС.
б) Наличие и вид параметра, определяющего срок
эксплуатации.
Общий подход при решении задач продления состоит
в выделении некоторого определяющего параметра, изменение которого во времени
определяет старение оборудования. При этом существуют следующие возможности:
имеется физически измеряемый определяющий
параметр;
- отсутствует физически измеряемый параметр,
который может быть определяющим, но в качестве такового может быть принят
некоторый параметр, вычисляемый по результатам измерения нескольких физически
измеряемых параметров;
- в качестве определяющего параметра
используется статическая характеристика надежности изделия, зависящая от
времени.
В общем случае, когда определяющий параметр
прямо измеряется или вычисляется по данным измерений, он рассматривается как
некоторый случайный процесс Х(t),
реализации которого содержат статистическую информацию для прогнозирования его
поведения во времени. Использование этого случайного процесса для
прогнозирования срока эксплуатации возможно при следующих условиях:
случайный процесс Х(t)
имеет выраженную монотонную составляющую и определен критический уровень Хk,
пересечение которого процессом Х(t)
соответствует предельному состоянию, а случайные моменты такого пересечения
определяют случайную величину срока службы изделия.
Такой переход возможен, например, когда
определяющий параметр характеризует износ изделия под действием нагрузки.
Трудность практической реализации такого подхода
для ТС заключается в следующем:
в выделении физического параметра, определяющего
старение;
в отсутствии достаточной информации для
построения модели процесса Х(t),
адекватной реальным изменениям определяющего параметра и позволяющей их
прогнозировать на достаточно продолжительный интервал времени;
в частом отсутствии в технической документации
определения предельного состояния, переход в которое определяет срок службы.
Помимо трудностей практической реализации
рассмотренный выше подход имеет также следующие недостатки:
) снижение уровня надежности оборудования может
приводить к снижению безопасности еще до достижения предельного состояния;
) анализ функционирования только по одному
определенному параметру может быть недостаточен, так как существенное значение
могут иметь и иные параметры.
в) Характер испытаний для продления срока
эксплуатации.
Задачей испытаний для оценки возможности
продления срока эксплуатации оборудования является оценка характеристик
долговечности, связанных с большим значением наработки.
В связи с этим можно выделить два вида
испытаний:
. Ускоренные испытания.
. Наблюдения в процессе эксплуатации.
Ускоренные испытания долговечности могут
проводиться на образцах изделий после выпуска либо снятия с эксплуатации на
энергоблоке и уже имеющих определенную наработку.
Одним из видов таких испытаний являются
испытания при повышенной температуре (↑ Т 0С) с использованием
закона Аррениуса. Ускорение может основываться и на других принципах. (АЭС
"Безнау" Швейцария). Однако, несмотря на заманчивость идеи ускорения
испытаний, весьма затруднен адекватный переход от результатов таких испытаний к
прогнозу характеристик долговечности изделий в условиях реальных испытаний.
г) Оценка длительности продления эксплуатации.
В принятии решения о продлении срока
эксплуатации можно выделить два пути:
срок продления выбирается на основе переоценки
показателя долговечности или оценки остаточного срока службы (ресурса);
пошаговое продление на некоторый отрезок
времени.
Оценка остаточного срока службы возможна при
условии, что имеются данные для описания модели долговечности, достаточно
адекватной реальному процессу старения, и эта модель имеет прогнозируемый
характер.
В соответствии с четырьмя признаками (а - г)
рассмотрим подход к продлению срока эксплуатации ТС, принятый на практике АЭС
Украины.
. Решение о продлении срока эксплуатации
разрабатывается для однотипных ТС одного или нескольких ЭБ. При этом
рассматриваемые периоды наработки ТС могут отличаться на разных ЭБ. При
обобщении данных по надежности следует учитывать, что несмотря на однотипность
ТС, их уровень надежности на разных АЭС может отличаться в силу следующих
факторов:
разного качества изготовления и отладки;
различных условий ТО и ремонта;
различия технических решений по доработке ТС, а
также их эксплуатации (замена элементов и так далее).
. В качестве определяющего параметра
используется параметр потока отказов, в котором отражаются изменения ТС,
связанные со старением. для такого выбора имеются следующие предпосылки:
ТС относятся к восстанавливаемым изделиям;
- многие ТС являются массовыми электронными,
либо электромеханическими изделиями. Число однотипных изделий на одном ЭБ
достигает сотен, а иногда и тысяч единиц. Это позволяет изучить достаточно
большой объем статических данных о надежности;
- однотипные ЭБ АЭС Украины оснащены, в
основном, однотипными ТС.
. Используются результаты наблюдений в процессе
эксплуатации. При этом анализируется информация о работе ТС, фиксируемая в
штатных документальных источниках АЭС (журналах дефектов, оперативных журналах
и так далее).
. Принимается пошаговое продление срока
эксплуатации.
Пошаговое продление срока эксплуатации на некоторый
период (шаг) принимается тогда, проведенное после достижения
регламентированного срока эксплуатации обследование оборудования показало, что
срок службы его не исчерпан, но в то же время нет достаточных данных для
прогнозирования характеристик остаточного срока службы. Интервал составляет 2-4
года. Этот интервал может быть увеличен, если для анализа есть данные об
отказах аналогичного оборудования с продленным сроком эксплуатации и с большим
периодом наработки на другом ("пилотном") энергоблоке.
Пошаговый путь применим также в тех случаях,
когда продление срока эксплуатации возможно путем реализации компенсирующих
мероприятий. При этом важно не столько определение остаточного срока службы,
сколько анализ тенденции снижения надежности оборудования и выработка
компенсирующих мероприятий.
Порядок проведения работ по продлению срока
эксплуатации. Последовательность работ по продлению срока эксплуатации
представленная на рисунке 4.5.
В программе определяются виды работ и методики
их проведения. Объем работ, предусмотренных программой, должен позволять
провести оценку возможности выполнения ТСА своих функций в полном объеме в
соответствии с требованиями проекта, стандартов и технической документации (ТУ,
ИЭ, паспортов и других) на эти средства. Разработчик программы и ответственный
исполнитель - эксплуатирующая организация.
Программа и решение согласовывается с
Регулирующим органом. При этом предусматривается проведение (при необходимости)
экспертизы программ и решения с обосновывающим материалом.
Обследование технического состояния ТС
Комплексные исследования ТС - проверка
выполнения основных функций, значений основных параметров, метрологических
колебаний и так далее. Анализ эксплуатационной надежности связан со спецификой
ТС на АЭС, которая позволяет использовать статистические методы исследования
потоков отказов. Наиболее значимыми направлениями такого анализа являются:
анализ изменений надежности во времени (тренд
параметра потока отказов с целью выявления наличия или отсутствия тенденции к
снижению надежности);
определение статистических оценок показателей
надежности ТС, их компонентов и сопоставление их с показателями,
регламентированными в технической документации на ТС.
Рисунок 4.5 - Последовательность работ по
продлению срока эксплуатации
В период продления проводится дополнительный
ежегодный анализ надежности с учетом новых статистических данных. Предусмотрено
использование компенсирующих мероприятий (замена компонентов сниженной
надежности, улучшение входного контроля элементов замены, повышение качества
технического обслуживания и ремонта и так далее).
5. Технико-экономические обоснование проекта
.1 Определение величины и структуры капитальных
вложений
Расчет технико-экономических показателей работы.
Объекта управления в стационарном режиме работы, определение эксплуатационных
расходов.
Капитальные вложения - инвестиции, направленные
на создание основных фондов АЭС ([15], стр. 23 - 56).
К = k
.
NУ
К= 3800 . 950000 = 3610 (млн. грн.)
где k
= 3800 грн/кВт - удельные капиталовложения;
NУ
- установленная мощность ЭБ;
К - капвложения в проектируемый энергоблок.
По величине капитальных затрат на основе данных
определяется примерная технологическая структура капвложений в проектируемый
энергоблок в зависимости от его типа по которой можно судить о основе затрат по
каждому направлению финансирования. Сводные данные по распределению капвложений
по видам затрат - в таблице 5.1.
Таблица 5.1 - Распределение капиталовложений по
видам затрат
|
Основное
содержание затрат
|
%
|
Млн.
грн.
|
|
Подготовка
территории Объекты основного производственного назначения Объекты подсобного
назначения Объекты вспомогательного энергохозяйства Объекты транспорта и
связи Внешние сети Благоустройство Временные здания и сооружения Прочие
работы и затраты Содержание дирекции строящейся электрической станции
Подготовка эксплуатационного персонала Проектные и изыскательные работы
Непредвиденные работы Всего
|
0,3
70 2,0 4,7 2,0 1,5 0,6 2,7 3,5 0,28 0,22 2,2 10 100%
|
10,83
2527 72,2 169,67 72,2 54,15 21,66 97,47 126,35 10,108 7,942 79,42 361 3610
|
.2 Выработка и отпуск электроэнергии
Расчет выработки и отпуска электроэнергии
определяется исходя из заданного в проекте режиме использования ЭБ в
энергосистеме, который определяется числом часов использования установленной
мощности:
WБРУТТО
= NУ
. h =950000 .
7400 = 7,03 . 109
где WБРУТТО
-
годовая энерговыработка;
h - число часов
работы по установленной мощности в год.
Годовой отпуск электроэнергии в энергосистему
определяется с учетом расхода электроэнергии на СН:
WНЕТТО
= WБРУТТО(1
- КСН))
WHETTO=
7,03. 109 . 0,940= 6,608 . 109
(кВт.час)
WНЕТТО -
количество отпущенной электроэнергии
.3 Годовые эксплуатационные расходы
Определим годовые издержки на производство
электроэнергии, так называемые годовые эксплуатационные затраты.
Uгод = Uт + Uа +
Uрсм + Uзп +Uпр + Uвн
где Uт - затраты на топливо;а
- годовые амортизационные затраты;зп -затраты на оплату труда
промышленно-производственного персонала с отчислениями на социальное
страхование, фонд занятости;пр - прочие затраты;рсм -
затраты на все виды ремонта;вн - внепроизводственные расходы.
·
затраты
на топливо:
UТ =
где Gгод - годовой
расход ЯТ;
Цт - цена за один килограмм ЯТ с
учётом изготовления кассет и стоимости доставки;
Цхр - затраты на хранение и вывоз ОЯТ
за пределы Украины.
GГОД =
·
амортизационные
отчисления:
а
= К . Hа
. б = 3,61. 109 . 0,07 . 0,9 =
227,43
где Hа
= 7% - средняя норма амортизации по основным фондам;
б = 0,9 - (не вся стоимость переводится в
первоначальную стоимость основных фондов).
·
расходы
на зарплату ППП с отчислением на соцстрахование, фонд занятости ипенсионный
фонд:
Uзп
= Rспис
. ФЗП(1+К') = 1995 .
16500(1+0,3811) = 45,46
где Rспис
-
среднесписочный состав ППП (промышленно производственного персонала);
ФЗП - годовой фонд зарплаты ППП,
может определятся через среднюю зарплату ППП ФЗП = 16500 грн;
К ' - суммарный коэффициент
отчислений соцстрахование. К' = 0,3811
·
затраты
на текущий ремонт:
Uрем
= КРЕМ . К . б = 0,05 . 3,61 .
109 . 0,9 = 162,45
где КРЕМ = 0,05- коэффициент
отчисления затрат на ремонт.
·
прочие
расходы, включают в себя затраты на вспомогательные материалы, работы по
повышению безопасности, охрану, автотранспорт и другие общестанционные расходы:
UПР
= КПР(Uа+UЗП+Uрем)
= 0,2(227,43 + 45,46 + 162,45)=87,068
где КПР = 0,2 - коэффициент отнесения
затрат на прочие расходы.
·
внепроизводственные
расходы, отчисления в централизованные и внебюджетные фонды, страховой фонд,
охрану труда, финансовой поддержки и прочие:
UВН
= WНЕТТО
. ТЭ . 0,05 = 6608,2 . 0,14 .
0,05= 46,25
где ТЭ - средний тариф за 1кВт∙час.
Uгод
= Uт
+ Uа +
Uрсм
+ Uзп
+Uпр
+ Uвн=
167,1+ 227,43+45,46 + 162,45 + +87,068 + +46,25 = 735,758 (млн.грн.)
5.4 Составляющие себестоимости единицы
электроэнергии
Так как средняя тепловая нагрузка за
отопительный период для теплофикации не превосходит 70% от общей тепловой
мощности ЭБ, то можно условно отнести годовые эксплуатационные расходы АЭС на
производство электроэнергии.
Себестоимость отпущенного 1кВт.ч;
(коп.)
Топливная составляющая себестоимости:
(коп.)
Постоянная составляющая
себестоимости:
(коп.)
.5 Финансовые показатели проекта
Доход от проекта определяется суммой
выручки от реализации электроэнергии по оптовой цене через национальный
диспетчерский центр на энергорынке:
Балансовая прибыль:
Рентабельность производства:
где, ОФ - первичная
стоимость основных фондов:
ОФ=К∙б=3610∙0,9=3249
(5.18)
Оборотные средства:
Налог на прибыль предприятия:
где ПБАЛ - налогооблагаемая прибыль;
а - ставка налога на прибыль (равна 15%).
Критический объем производства:
кВт·ч
5.6 Оценка экономической
эффективности проекта
Оценку экономической эффективности
можно произвести на основе дисконтированных денежных потоков за весь период
жизненного цикла проекта. Определяются следующие показатели:
·
чистая
приведенная прибыль:
где Dt - доход от
реализации в год;
Ut -
эксплуатационные расходы без учета амортизации;
kt -
капитальные затраты в год;
Ht - налог на
прибыль в году;
t - текущий
год расчета;
Т - конечный год эксплуатации;
r - ставка
дисконта, учетная ставка кредита.
·
индекс
прибыльности:
Полученные данные внесем в таблицу
5.2.
Таблица 5.2 - Расчет показателей
экономической эффективности проекта
|
Поступления
|
Расходы
|
Результат
|
|
Го
ды
|
Доход
|
Капиталовложения
|
Эксплуат
расходы
|
Налоги
|
Чистая
прибыль
|
Дисконт.
ставка
|
Чистая
Дисконт прибыль
|
Дисконт.
ставка
|
Чистая
Дисконт прибыль
|
|
млн.грн
|
млн.грн
|
млн.грн
|
млн.грн
|
млн.грн
|
r=6%
|
млн.грн
|
r=9%
|
млн.грн
|
|
1
|
0
|
144
|
0
|
0
|
-144
|
0,943396
|
-
135,849
|
0,917431
|
-132,110
|
|
2
|
0
|
505,4
|
0
|
0
|
-505,4
|
0,889996
|
-
449,625
|
0,841679
|
-425,216
|
|
3
|
0
|
797,2
|
0
|
0
|
-797,2
|
0,839619
|
-
669,344
|
0,772183
|
-615,584
|
|
4
|
0
|
866,4
|
0
|
0
|
-866,4
|
0,792094
|
-
686,270
|
0,708425
|
-613,779
|
|
5
|
0
|
866,4
|
0
|
0
|
-866,4
|
0,747258
|
-
647,424
|
0,649931
|
-563,100
|
|
6
|
0
|
433,2
|
0
|
0
|
-433,2
|
0,704961
|
-
305,389
|
0,596267
|
-258,302
|
|
7
|
925,148
|
0
|
508,328
|
28,4085
|
388.4115
|
0,665057
|
258,315
|
0,547034
|
212,474
|
|
8
|
925,148
|
0
|
508,328
|
28,4085
|
388.4115
|
0,627412
|
243,694
|
0,501866
|
194,930
|
|
9
|
925,148
|
0
|
508,328
|
28,4085
|
388.4115
|
0,591898
|
229,899
|
0,460427
|
178,835
|
|
10
|
925,148
|
0
|
508,328
|
28,4085
|
388.4115
|
0,558395
|
216,887
|
0,422410
|
164,068
|
|
11
|
925,148
|
0
|
508,328
|
28,4085
|
388.4115
|
0,526788
|
204,610
|
0,387532
|
150,521
|
|
12
|
925,148
|
0
|
508,328
|
28,4085
|
388.4115
|
0,496969
|
193,028
|
0,355534
|
138,093
|
|
13
|
925,148
|
0
|
508,328
|
28,4085
|
388.4115
|
0,468839
|
182,102
|
0,326178
|
126,691
|
|
14
|
925,148
|
0
|
508,328
|
28,4085
|
388.4115
|
0,442301
|
171,794
|
0,299246
|
116.230
|
|
15
|
925,148
|
0
|
508,328
|
28,4085
|
388.4115
|
162,070
|
0,274538
|
106,633
|
|
16
|
925,148
|
0
|
508,328
|
28,4085
|
388.4115
|
0,393646
|
152,896
|
0,251869
|
97,828
|
|
17
|
925,148
|
0
|
508,328
|
28,4085
|
388.4115
|
0,371364
|
144,242
|
0,231073
|
89,751
|
|
18
|
925,148
|
0
|
508,328
|
28,4085
|
388.4115
|
0,350344
|
136,077
|
0,211993
|
82,340
|
|
19
|
925,148
|
0
|
508,328
|
28,4085
|
388.4115
|
0,330513
|
128,375
|
0,194489
|
75,541
|
|
20
|
925,148
|
0
|
508,328
|
28,4085
|
388.4115
|
0,311805
|
121,108
|
0,178430
|
69,304
|
|
21
|
925,148
|
0
|
508,328
|
28,4085
|
388.4115
|
0,294155
|
114,253
|
0,163698
|
63,582
|
|
22
|
925,148
|
0
|
508,328
|
28,4085
|
388.4115
|
0,277505
|
107,786
|
0,150181
|
58,332
|
|
23
|
925,148
|
0
|
508,328
|
28,4085
|
388.4115
|
0,261797
|
101,684
|
0,137781
|
53,332
|
|
24
|
925,148
|
0
|
508,328
|
28,4085
|
388.4115
|
0,246979
|
95,929
|
0,126404
|
49,096
|
|
25
|
925,148
|
0
|
508,328
|
28,4085
|
388.4115
|
0,232999
|
90,499
|
0,115967
|
45,029
|
|
26
|
925,148
|
0
|
508,328
|
28,4085
|
388.4115
|
0,21981
|
85,380
|
0,106392
|
41,323
|
|
27
|
925,148
|
0
|
508,328
|
28,4085
|
388.4115
|
0,207368
|
80,544
|
0,097607
|
37,911
|
|
28
|
925,148
|
0
|
508,328
|
28,4085
|
388.4115
|
0,19563
|
75,988
|
0,089548
|
34,781
|
|
29
|
925,148
|
0
|
508,328
|
28,4085
|
388.4115
|
0,184557
|
71,684
|
0,082154
|
31,909
|
|
30
|
925,148
|
0
|
508,328
|
28,4085
|
388.4115
|
0,17411
|
67,629
|
0,075371
|
29,274
|
|
31
|
925,148
|
0
|
508,328
|
28,4085
|
388.4115
|
0,164255
|
63,798
|
0,069147
|
26,857
|
|
32
|
925,148
|
0
|
508,328
|
28,4085
|
388.4115
|
0,154957
|
60,187
|
0,063438
|
24,640
|
|
33
|
925,148
|
0
|
508,328
|
28,4085
|
388.4115
|
0,146186
|
56,780
|
0,058200
|
22,605
|
|
34
|
925,148
|
0
|
508,328
|
28,4085
|
388.4115
|
0,137912
|
53,566
|
0,053394
|
20.738
|
|
35
|
925,148
|
0
|
508,328
|
28,4085
|
388.4115
|
0,130105
|
50,534
|
0,048986
|
19,026
|
|
36
|
925,148
|
0
|
508,328
|
28,4085
|
388.4115
|
0,1227
|
47,660
|
0,044941
|
17,455
|
|
∑
|
27754,44
|
3610
|
15249.84
|
852,255
|
11652,34
|
|
1097,45
|
|
-228,779
|
|
Р1
|
|
|
|
|
|
|
1,37922
|
|
1,087
|
Внутренняя норма рентабельности определяется
методом линейной интерполяции между двумя значениями ставки дисконта (r
= 6%, r = 9%).
Технико-экономические показатели проекта внесем
в таблицу 5.3.
Таблица 5.3 - Технико-экономические показатели
проекта
|
Наименование
величины
|
Обозна-чение
|
Значение
|
|
Установленная
электрическая мощность, МВт
|
Ру
|
950
|
|
Количество
часов использования установленной мощности, ч
|
hу
|
7400
|
|
Коэффициент
использования электроэнергии на собственные нужды,
|
b
|
0.06
|
|
КПД
станции брутто
|
hБРУТТО
|
0,306
|
|
Глубина
выгорания топлива в сутки, МВт сут/т
|
В
|
40000
|
|
Штатный
коэффициент, чел./МВт
|
n
|
2,1
|
|
Нормативный
срок строительства, мес.
|
ТСТР
|
6
|
|
Капиталовложения
к началу эксплуатации с учетом инфляции, гр.МВт
|
КНАЧ
|
3800
|
|
Стоимость
1кг ЯТ, грн.
|
Цт
|
5500
|
|
Стоимость
вывоза 1кг ОЯТ, грн.
|
Цхр
|
1450
|
|
Оптовый
тариф, коп.
|
Тэ
|
14
|
|
Годовые
эксплуатационные расходы, млн. гр.
|
И
|
735,758
|
|
Себестоимость
1КВт часа электроэнергии, гр.
|
СОТП
|
0.1113
|
|
Топливная
составляющая себестоимости электроэнергии, гр.
|
СТОП
|
0.0252
|
|
Проектная
рентабельность производства,
|
R
|
4,73
|
|
Критический
объем производства кВт/час
|
WКР
|
4953,46.106
|
|
Экономическая
эффективность проекта при r = 6%
|
|
|
|
Внутренняя
норма рентабельности
|
IRR
|
4%
|
|
Чистая
дисконтированная прибыль при r = 6%
|
PI
|
1,37922
|
|
Срок
окупаемости производственных средств, лет
|
Ток
|
23
|
|
Индекс
прибыльности млн. грн.
|
|
875,097
|
В результате проведенного расчета экономических
показателей были определены капитальные затраты на строительство, ежегодные
расходы, связанные с производством электроэнергии, чистая приведённая прибыль,
внутренняя норма прибыли, индекс доходности, срок окупаемости проекта,
рентабельность и т.д.
По соответствующим показателям можно судить, что
проект экономически выгоден, но с низким коэффициентом прибыльности, который
составляет 2/3 от всего срока эксплуатации.
Значение внутренней нормы прибыли равной 4% ,
показывает, что на строительство выгодно брать кредиты под процент ниже
расчётного значения.
Срок окупаемости проекта свидетельствует о его
ликвидности, т.е. возможности вернуть затраченные первоначально средства на
реализацию проекта за возможно меньшей срок.
За счёт наличия постоянной составляющей
себестоимости электроэнергии, общая себестоимость электроэнергии увеличивается
при уменьшении годовой энерговыработки энергоблока.
Для сохранения максимальной экономической
эффективности проектируемого блока необходимо, чтобы энергоблок работал в
базовом режиме, на номинальной мощности и не допускался останов блока, либо
снижение мощности не связанное с требованиями безопасности и сохранения
работоспособности основного оборудования.
6. Охрана труда и окружающей среды
.1 Общая характеристика региона, для которого
предназначена проектируемая АСУ ТП
Площадка АЭС расположена в Николаевской области
в 2,5 км. юго-восточнее города Южноукраинска. Областной центр - г. Николаев,
находящийся в 120 км. юго-восточнее станции. АЭС расположена на левобережье
среднего течения реки Южный Буг в 3 км. от нее. Река в этом месте имеет большое
количество порогов, поэтому не судоходна. Территория района интенсивно иссечена
балками и оврагами.
Применение подъездного железнодорожного пути
длиной в 2 км. произведено к станции Южноукраинская участка Помощная -
Колосовка Одесской ж/д. Ближайшей к промышленной зоне АЭС автомобильной дорогой
общего пользования является дорога республиканского значения Николаев -
Вознесенск - Первомайск - Кривое Озеро, которая проходит в 0,7 км. от АЭС.
ЮУ АЭС расположена в зоне умеренного климата с
преобладанием западных и северо-западных ветров, в степной зоне. Климат
довольно сухой, годовой уровень осадков составляет 659 мм. Среднегодовая
температура составляет 15˚С. Частично оказывает влияние на
климат пруд охладитель, в котором вода имеет довольно высокую температуру даже
зимой [16, стр. 5 - 62].
.2 Стандартные показатели окружающей среды,
характеристика возможных загрязнений и их влияние на экологическое состояние
региона
На всех энергоблоках Южноукраинской АЭС
установлены водо-водяные реакторы, в которых обычная химически обессоленная
вода служит одновременно и замедлителем нейтронов и теплоносителем, отводящим
тепло, выделяющееся при делении ядер урана в работающем реакторе. На всех
энергоблоках применяется зонная загрузка топлива (с различным обогащением или
выгоранием урана в зонах) для выравнивания распределения энерговыделения.
Замена выгоревших тепловыделяющих сборок производится на остановленном и
разуплотненном реакторе. Графиком перегрузки предусматривается поочередный
останов реакторов, причем обычно перегрузка выполняется в весенне-летний
период, когда нагрузка энергосистемы минимальна.
Система технического водоснабжения обеспечивает
охлаждение конденсаторов турбин, вспомогательного оборудования
турбогенераторов, теплообменного оборудования реакторной установки и
оборудования других вспомогательных систем, восполнение дисбаланстных вод и
потерь станции.
Стандартные показатели окружающей среды для
региона ЮУ АЭС представлены в таблице 6.1.
Таблица 6.1 - Стандартные показатели окружающей
среды
|
Характеристика
|
Размерность
|
Величина
|
|
Ветер:
Средняя годовая скорость ветра Повторяемость слабых и умеренных ветров
(0-5)м/с: зимой летом максимальная расчетная скорость ветра обеспеченностью:
0,01% преобладающие направления ветра : в году в теплый период в холодный
период Влажность воздуха : Относительная среднегодовая Относительная средняя
месячная января Относительная средняя месячная июля Суточная амплитуда
относительной влажности: в ноябре-феврале в апреле-сентябре парциальное
давление водяного пара: среднегодовое среднемесячное января среднемесячное
июля Атмосферные осадки и снежный покров : Среднегодовое количество
Наибольшее месячное (октябрь) Наименьшее месячное (март) Суточный максимум
осадков : наблюденный Расчетные обеспеченностью 1% 2% 5% Суммарная
продолжительность осадков за год : средняя максимальная число дней с
ливневыми осадками (год) образование устойчивого снежного покрова сход
снежного покрова среднее число дней со снежным покровом отсутствие снежного
покрова высота снежного покрова наблюденная : наибольшая за зиму средняя за
зиму средняя плотность снежного покрова число дней со снегопадом число дней с
метелью Число дней с туманом в году: среднее максимальное Продолжительность
туманов в году:
|
м/с
% % м/с румб -- -- % -- -- -- -- мб -- -- мм -- -- мм -- -- -- часы --
день ср.дата -- дни % зимы см см г/см2 день -- -- --
|
3.4
70 86 37 Западное, юго-восточное западное. Западное, юго-восточное 78 86
72 5 - 13 38 - 44 8,7 3,9 14,6 659 171 2 112 106 94 77 1150 1583 26 01.01
20.1 71 22 33 12 0,19 15 8 6 5
|
Радиационная безопасность. Важнейшим условием,
обеспечивающим охрану окружающей среды вокруг, АЭС является соблюдение норм
радиационной безопасности.
Вокруг АЭС предусмотрено создание
трехкилометровой санитарно-защитной зоны, где исключено проживание людей.
Службой радиационной безопасности осуществляется контроль в этой зоне и зоне
наблюдения (25-30 км от АЭС) следующих параметров:
радиоактивность атмосферных осадков;
загрязненность воздуха радиоактивными
аэрозолями;
доза и мощность дозы гамма-излучения на
местности;
радиоактивность почвы, растительности и снега;
радиоактивность воды и донных отложений;
радиоактивность сельскохозяйственной продукции.
Все здания, сооружения и территория промплощадки
АЭС разделены на две зоны: зону строгого режима и зону свободного режима. Зона
строгого режима характеризуется возможным воздействием на персонал радиационных
факторов: внешнего g, b и
нейтронного излучения, загрязнения воздушной среды радиоактивными газами и
аэрозолями, загрязнения поверхностей производственных помещений и оборудования
радиоактивными веществами.
Принятые в проекте оборудование и конструкция,
физические барьеры, а также системы безопасности позволяют сохранить нормальную
работоспособность реакторной установки в условиях сейсмических воздействий по
проекту (5 балов) и обеспечить радиационную безопасность при максимально
возможном землетрясении (6-7 баллов).
В качестве максимально возможной проектной
аварии в проекте принят мгновенный разрыв трубопровода Ду 850 мм главного
циркуляционного контура в условиях полного обесточения АЭС и действия
максимального расчетного землетрясения. С этой целью на АЭС предусмотрены
защитные и локализующие устройства.
К защитным устройствам относятся:
система управления и зашиты (СУЗ);
система аварийного охлаждения активной зоны
реактора (САОЗ).
Они заключены в специальную герметическую
защитную оболочку, рассчитанную на избыточное давление 4 кгс/см2.
Оболочка обеспечивает удержание радиоактивных продуктов аварии внутри
герметичного помещения без ухудшения радиационной обстановки снаружи сверх
допустимого предела. Таким образом, основной элемент локализующих устройств -
оболочка реактора.
Мероприятия по охране водных источников.
Реакторное отделение.
Технологическая схема блока - двухконтурная.
В реакторном отделении предусмотрена система
спецканализации для сбора протечек, которые направляются в спецкорпус на
переработку.
Стоки от санузлов чистой и грязной зоны и чистых
лабораторий отводятся через хозяйственно-фекальную канализацию.
Стоки от саншлюзов, комнат уборочного инвентаря,
грязных лабораторий отводятся в спецканализацию, откуда они поступают на
очистку в спецкорпус.
Твердые радиоактивные отходы из реакторного
отделения в контейнерах направляются в хранилища радиоактивных отходов.
Непопадание активности в техническую воду из
водохранилища (пруда охладителя) обеспечивается либо за счет применения
промежуточных контуров охлаждения, либо за счет обеспечения постоянного
превышения давления технической воды над давлением активной Среды в
теплообменных аппаратах.
Брызгальные бассейны. Охлаждение воды от ответственных
потребителей предусматривается на брызгальных бассейнах. Для каждой системы
ответственных потребителей предусматривается свой брызгальный бассейн. Размеры
каждого бассейна приняты из условия обеспечения перепада температур в аварийном
режиме 200 С, номинальном - 100 С.
Учитывая, что в охлаждающую воду возможно
попадание радиоактивных веществ, в целях предотвращения фильтрации в
брызгальных бассейнах устраиваются противофильтрационные облицовки. В качестве
противофильтрационного покрытия дна и откосов брызгальных бассейнов принят
экран из гидротехнического водонепроницаемого асфальтобетона толщиной 0.06 м,
который укладывается на щебеночное основание толщиной 0.15 м.
Состояние воды в системе ответственного
водоснабжения в случае протечки радиоактивной воды. При аварийном полном
разрыве трубки теплообменника САОЗ до прекращения средствами автоматики выхода
воды из теплообменника возможен проскок активной воды в систему брызгального
бассейна в течении 15 секунд.
Допустимая среднегодовая концентрация практически
всех изотопов для воды выше разовой, получаемой в системе технического
водоснабжения вследствие протечки радиоактивной воды.
Спецвоодочистка. Установки спецводоочистки
предназначены для очистки радиоактивных сред различного солесодержания и степени
радиоактивности с целью повторного их использования в цикле станции. Для
предотвращения выхода радиоактивных вод в техническую воду и в конденсат
второго контура давление "чистых" сред выбрано выше, чем давление
радиоактивных.
В тех случаях, когда необходим постоянный
дозиметрический контроль над радиоактивностью потока (например, продувочная
вода, ПГ) проектом предусматривается установка непрерывного дозиметрического
контроля.
Водоснабжение и канализации. Системы
хозяйственно-питьевого и производственного водоснабжения на АЭС устроены
раздельно. Для обеспечения питьевой водой персонала в ЗСР в местах наименее
возможного загрязнения устанавливаются питьевые фонтанчики. Производственное
водоснабжение устраивается по принципу оборотного водоснабжения и повторного
использования воды для технических целей.
На АЭС предусмотрено раздельное устройство
хозяйственно-фекальной, производственно-ливнёвой и специальной канализации.
Вентиляция и отопление. На АЭС предусмотрены
приточно-вытяжные общеобменные и местные вытяжные системы вентиляции. При этом
соблюдается принцип раздельного вентилирования помещений зоны строгого режима и
зоны свободного режима. Основным принципом организации вентиляции
производственных помещений ЗСР является обеспечение направленности движения
воздушных потоков только в сторону более грязных помещений. Отопление помещений
ЗСР предусматривается воздушное, совмещенное с приточной вентиляцией.
Освещение производственных помещений.
Рациональное освещение производственных помещений и рабочих мест на АЭС имеет
большое значение для выполнения персоналов своих функциональных обязанностей в
условиях, когда в большинстве помещений отсутствует естественное освещение. На
АЭС предусматривается естественное, совмещенное и искусственное освещение. Для
освещения помещений применяются, как правило, газоразрядные лампы низкого и
высокого давления - люминесцентные, металлогенные, натриевые, ксеноновые и
дуговые ртутные лампы.
Защита от шума и вибрации. Источником
возникновения шума и вибрации являются вращающиеся машины, технологические
установки и аппараты, в которых происходит перемещение с большой скоростью
жидкостей и газов, электротехническое оборудование с переменными
электромагнитными полями. С физиологической точки зрения шум и вибрация
ухудшают условия труда, оказывают вредное воздействие на организм человека.
Для предупреждения вредного воздействия шума
применяется целый комплекс защитных мероприятий. Основное мероприятие для
защиты от шума - снижение его в источнике, высокое качество изготовления и
правильная эксплуатация. Для защиты от шума применяются
строительно-аккустические меры: звукоизоляция ограждающих конструкций;
звукопоглощающие конструкции и экраны; глушители шума; правильная планировка и
застройка. В качестве средств индивидуальной защиты от шума применяются
вкладыши, наушники, шлемы и костюмы.
Электробезопасность. Помещения на АЭС
характеризуются большим количеством электрических приборов, оборудования
различного напряжения от 12В до 6кВ и более.
Это предъявляет повышенное внимание к вопросам
электробезопасности. Технические и организационные меры защиты осуществляются с
учетом класса помещения, напряжения и назначения электроустановок.
К организационным мероприятиям по обеспечению
безопасности работ: выполняемых на электроустановках, относятся: выдача нарядов
и распоряжений, выдача разрешений на подготовку рабочих мест и допуска;
производство допуска к работам; надзор во время работы; организация перерывов в
работе и так далее.
К техническим мероприятиям, обеспечивающим
безопасность проведения работ в действующих электроустановках, относятся:
выполнение необходимых отключений и принятие мер, препятствующих ошибочному или
самопроизвольному включению коммутационной аппаратуры; вывешивание запрещающих
плакатов на приводах ручного и на ключах дистанционного управления; проверка
отсутствия напряжения на токоведущих частях, на которых должно быть наложено
заземление для защиты людей от поражения электрическим током; вывешивание
предостерегающих и разрешающих плакатов, ограждение при необходимости рабочих
мест и оставшихся под напряжением токоведущих частей.
К работе на электроустановках допускаются лица
не моложе 18 лет.
Создание безопасных условий при эксплуатации
электроустановок осуществляется их конструктивными элементами (постоянными
ограждениями, стационарными заземляющими ножами и т.п.), выполняющими защитные
функции, а также коллективными и индивидуальными электрозащитными средствами.
К электрозащитным средствам, служащим для защиты
людей от поражения электрическим током, от воздействия электрической дуги и
электромагнитного поля, относятся: изолирующие штанги и клещи, электроизмерительные
клещи, указатели напряжения, слесарно-монтажный инструмент с изолирующими
ручками, диэлектрические перчатки, боты, галоши, ковры, изолирующие накладки и
подставки, переносные заземления, оградительные устройства и диэлектрические
колпаки, плакаты и знаки безопасности.
Кроме этих средств применяются также и средства
индивидуальной защиты: очки, каски, рукавицы, противогазы, предохранительные
монтерские пояса и страховочные канаты.
.3 Основные требования безопасности труда и меры
по их реализации
АЭС относится к производствам с повышенной
опасностью, поскольку процесс получения тепловой и электрической энергии на ней
связан с генерацией мощных потоков ионизирующих излучений и значительных
количеств радиоактивных веществ [17, стр. 17 - 32].
Охрана труда - это система законодательных,
социально-экономических, технических, санитарно-гигиенических и организационных
мероприятий, обеспечивающих безопасность работы, сохранение здоровья и
работоспособности человека в процессе труда. Охрана труда включает в себя
организационно-правовые вопросы, технику безопасности, производственную
санитарию и пожарную профилактику, а для АЭС ещё и радиационную безопасность.
На здоровье и работоспособность человека
оказывают влияние условия труда, санитарно-гигиеническая обстановка на
производстве, уровень технической оснащённости, характер технологического
процесса, приёмы и методы труда, организация трудового процесса и рабочих мест,
режим труда и отдыха и взаимоотношения людей в трудовом коллективе.
При этом производственные травмы вызываются, как
правило, несоблюдением правил техники безопасности на производстве, а
несчастные случаи связаны с воздействием на человека опасных производственных
факторов.
Опасные и вредные производственные факторы
подразделяются на физические, химические, биологические и психофизиологические.
Основными причинами травматизма и несчастных
случаев на АЭС являются причины организационно-технические,
проектно-конструкторские, технологические и психофизиологические.
Основными травмирующими факторами являются
воздействие электрическим током, тепловые ожоги, ушибы, падения людей и
предметов на них, дорожно-транспортные происшествия.
На каждой АЭС в соответствии с Законом Украины
об охране труда разрабатываются "Положения о системе управления охраной
труда и технике безопасности на АЭС". Действие этого "Положения"
распространяется на все подразделения АЭС и базируется на основных принципах
государственной политики в области охраны труда [18, стр. 12 - 29]:
·
приоритет
жизни и здоровья работников по отношению к результатам производственной
деятельности АЭС;
·
ответственности
руководителей за создание безвредных и безопасных условий труда на АЭС;
·
социальной
защиты работников, полного возмещения ущерба лицам, пострадавшим от несчастных
случаев на производстве;
·
использование
экономических рычагов управления охраной труда, что способствует созданию
безопасных и безвредных условий труда;
·
создание
условий труда на рабочих местах в полном соответствии с требованиями
нормативных документов.
Специальный контроль за обеспечением безопасных
условий труда, безопасной эксплуатацией оборудования на АЭС осуществляют органы
государственного надзора, в своей деятельности независимые от администрации
АЭС.
Технические и эксплуатационные меры защиты
осуществляются с учётом класса помещения и технических характеристик
размещаемого в нём оборудования.
Для обеспечения безопасных условий труда при
работе с электрооборудованием выполняются следующие технические меры защиты:
·
заземление
(зануление);
·
защитное
отключение;
·
применение
малых напряжений;
·
защита
от опасности при переходе напряжения с высокой стороны на низкую;
·
применение
защитных средств и т.п.
К организационным мероприятиям по обеспечению
безопасности работ на электроустановках относятся:
- выдача нарядов и распоряжений;
·
выдача
разрешений на подготовку рабочих мест и допусков;
·
выдача
допусков к работам, надзор во время работы;
·
организация
перерывов в работе и т.п.
К техническим мероприятиям, обеспечивающим
безопасность работ на действующих электроустановках, относятся:
- выполнение необходимых отключений и принятие
мер, предупреждающих ошибочное или самопроизвольное включение коммутационной
аппаратуры;
·
вывешивание
запрещающих плакатов на приводах ручного или на ключах дистанционного
управления электроустановками;
·
проверка
отсутствия напряжения на токоведущих частях, на которых должно быть наложено
заземление для защиты людей от поражения электрическим током; вывешивание
предостерегающих и разрешающих плакатов; ограждение при необходимости рабочих
мест и токоведущих частей.
К работе на электроустановках допускаются лица
не моложе 18 лет.
Создание безопасных условий труда при
эксплуатации электроустановок осуществляется их конструктивными элементами
(постоянными ограждениями, стационарными заземляющими ножами и т.п.),
выполняющими защитные функции, а также коллективными и индивидуальными
электрозащитными средствами (очки, каски, рукавицы, противогазы,
предохранительные монтёрские пояса и страховочные канаты).
Погрузо-разгрузочные работы являются одними из
самых трудоёмких и опасных производственных операций, на которых работающие
могут получить различные травмы. Для обеспечения безопасности людей и
транспортных средств разгрузочные площадки оборудуются знаками безопасности, а
движение транспорта организуется по схеме, утверждаемой администрацией АЭС. В
зоне производства работ запрещается нахождение людей, непосредственно не
участвующих в производимых работах. Все работающие должны быть в касках, а
стропальщики должны работать в специальных рукавицах.
Безопасная эксплуатация сосудов под давлением,
регламентируется "Правилами устройства и безопасной эксплуатации сосудов,
работающих под давлением", которые распространяются практически на все
сосуды с давлением большим 0,07 МПа. При повышении давления в сосуде выше
допустимого, при неисправности предохранительных клапанов на них, при течах,
пожарах, неисправности манометров и невозможности определить давление по другим
приборам, неисправности блокировочных средств безопасности - во всех этих
случаях эксплуатация сосуда приостанавливается. Ремонт сосудов, работающих под
давлением, производится только после вывода их из работы.
Обеспечение радиационной безопасности на АЭС
осуществляется в соответствии с требованиями "Правил обеспечения
радиационной безопасности при эксплуатации атомных станций (ПРБ АС-84), которые
содержат:
- организационные мероприятия по планированию и
проведению радиационно-опасных работ, включая работы по нарядам-допускам и
распоряжениям на оперативное обслуживание оборудования в зоне строгого режима;
·
условия
и порядок применения средств индивидуальной защиты;
·
порядок
пользования приборами индивидуального дозиметрического контроля и
санитарно-гигиеническими устройствами;
·
рекомендации
по поведению на работе в ЗСР и по личной гигиене;
·
основные
положения по дезактивации помещений и оборудования;
·
порядок
сбора, транспортировки и захоронения радиоактивных отходов.
Общее руководство по охране труда возлагается на
руководителя - генерального директора АЭС, а непосредственную организацию
работы по охране труда осуществляет главный инженер АЭС. В цехах, отделах,
лабораториях непосредственную организацию работ по охране труда осуществляют
начальники цехов, отделов и лабораторий и несут персональную ответственность за
состояние работы по охране труда.
На каждой АЭС в соответствии с Законом Украины
об охране труда разрабатываются "Положения о системе управления охраной
труда и технике безопасности на АЭС".
Действие "Положения..."
распространяются на все подразделения АЭС и базируются на основных принципах
государственной политики в области охраны труда:
приоритете жизни и здоровья работников по
отношению к результатам производственной деятельности АЭС;
полной ответственности руководителей за создание
безопасных и безвредных условий труда;
социальной защиты работников, полного возмещения
ущерба лицам, потерпевшим от несчастных случаев на производстве;
использование экономических методов управления
охраной труда, что способствует созданию безопасных и безвредных условий труда;
создание условий труда на рабочих местах в
полном соответствии с требованиями;
у всех работников АЭС проверяются знания по
охране труда. Допуск к работе лиц, прошедших учебу и проверку знаний по охране
труда не допускается;
На АЭС существует трехступенчатый контроль по
охране труда:
- первая ступень контроля состояния охраны труда
проводится ежедневно непосредственно руководителями работ и оформляется в
журнале первой ступени;
вторая ступень контроля состояния охраны труда
проводится ежедневно начальником участка, цеха, службы с целью оценки
эффективности;
работы первой ступени, роли непосредственных
руководителей в обеспечении безопасности труда и оформляется в журнале второй
ступени;
третья ступень контроля состояния охраны труда
проводится ежемесячно в день техники безопасности, возглавляется руководителем
предприятия.
По результатам состояния охраны труда издается
приказ.
Специальный контроль за обеспечение безопасных
условий труда, безопасной эксплуатации оборудования на АЭС осуществляют органы
государственного надзора, не зависящие в своей деятельности от администрации
станции. Общественный контроль осуществляет профком предприятия.
Контроль за состоянием охраны труда
осуществляется следующими субъектами системы:
-й уровень - Уполномоченные трудовым коллективом
по вопросам охраны труда;
-й уровень - Непосредственные руководители
рабочих бригад (лабораторий, участков);
-й уровень - Руководители структурных
подразделений;
-й уровень - Орган управления охраной труда на
предприятии;
-й уровень - Орган управления охраной труда НАЭК
"Энергоатом";
-й уровень - Государственный контроль
(Государственная инспекция Территориального управления по Николаевской области)
Под условиями труда понимают совокупность
факторов производственной среды, оказывающих влияние на здоровье и
работоспособность людей. Безопасность труда характеризуется таким состоянием
условий труда, при котором исключено воздействие на работающих опасных и
вредных производственных факторов. Качественная и количественная оценка условий
труда отображена в таблице 6.2.
Основные требования безопасной эксплуатации
сосудов, работающих под давлением. Безопасная эксплуатация сосудов, работающих
под давлением, регламентируется "Правилами устройств и безопасной
эксплуатации сосудов, работающих под давлением", которые распространяются
практически на все сосуды с давлением больше 0,07 МПа. Администрация АЭС должна
организовать надлежащее содержание сосудов путем обеспечения безопасности
обслуживания, исправного состояния и надежной их работы. Эксплуатация сосудов
должна быть приостановлена при повышении в них давления выше допустимого, при
неисправности предохранительных клапанов, при течах, пожарах, неисправности
манометров и невозможности определить давление по другим приборам,
неисправности блокировочных средств безопасности. Ремонт сосудов производится
только после вывода их из работы.
Требования радиационной безопасности.
Обеспечение радиационной безопасности на АЭС осуществляется в соответствии с
требованиями "Правил радиационной безопасности при эксплуатации атомных
станций" (ПРБ АС - 84), которые содержат: организационные мероприятия при
проведении радиационно-опасных работ, включая работы по нарядам-допускам,
распоряжениям и оперативное обслуживание оборудования в зоне строго режима;
условия и порядок применения средств индивидуальной защиты; порядок пользования
приборами индивидуального дозиметрического контроля и санитарно-гигиеническими
устройствами; рекомендации по поведению персонала при работе в зоне строгого
режима и личной гигиене; основные положения по дезактивации помещений и
оборудования; порядок сбора, транспортировки и захоронения радиоактивных
отходов.
Производственные помещения АЭС разделены на зоны
свободного и строгого режимов. Оборудование и системы АЭС, относящиеся к зоне
строгого режима находятся в помещениях с биологической защитой. Для
своевременного обнаружения повышения уровня радиации на АЭС предусмотрена
служба радиационной безопасности, в задачи которой, помимо контроля всех видов
излучений на рабочих местах, а также измерения индивидуальных доз для
персонала, занятого с источниками излучений, входит также контроль выхода
активности с техническими сбросами - водой, газами и воздухом и периодический
контроль за интенсивностью гамма и нейтронного излучений на участках,
прилегающих к АЭС.
Документом, определяющим предельные уровни
воздействия ионизирующих излучений на человека, являются "Нормы
радиационной безопасности НРБ-76". В нем регламентированы категории
облучаемых лиц, группы критических органов и основные дозовые пределы. Персонал,
непосредственно работающий с источниками ионизирующих излучений, относится к
категории "А", а лица, которые непосредственно с источниками
ионизирующих излучений не работают, но по условиям размещения рабочих мест
могут подвергаться воздействию излучения, относятся к категории "Б".
Для категории "А" основным дозовым
пределом установлена предельно допустимая доза ПДД за год, а для категории
"Б" - предел дозы ПД за год.
С учетом роли отдельных органов или частей тела
в жизнеобеспечении человека и их относительной радиочувствительности
установлены три группы критических органов:
I группа - все тело,
гонады и красный костный мозг;
II группа -
мышцы, щитовидная железа, жировая ткань, печень, почки, селезенка,
желудочно-кишечный тракт, легкие, хрусталик глаз и другие, кроме тех, что
отнесены к I и III
группам;
III группа -
кожный покров, костная ткань, кисти рук, предплечья, лодыжки и стопы.
Таблица 6.2 - Качественная и количественная
оценка условий труда.
|
Показатели,
единицы измерения
|
Фактическое
значение
|
Нормативное
требование
|
Нормативные
документы
|
|
Характеристика
производственного помещения:
|
|
|
СНиП
2.09.02-85. Производственные Здания.
|
|
-
вид трудовой деятельности персонала;
|
Мастер
производственного участка КИП цеха тепловой автоматики и измерений ЮУАЭС. В
подчинении 16 человек производственного персонала.
|
|
|
-
высота помещения, м;
|
3
|
-
|
|
|
-
площадь на одного работающего, м2;
|
5
|
4,5
(6 при наличии компьютера)
|
|
|
-
категория по взрыво- и пожаробезопасности;
|
|
|
|
|
-
класс по степени поражения эл. током;
|
нормальные
|
-
|
|
|
-
тип электрической сети;
|
220
В 50 Гц
|
|
|
|
-
система отопления;
|
водяное
централизованное
|
-
|
|
|
-
система вентиляции;
|
вытяжка
принудительная
|
-
|
|
|
-
наличие избытков тепла.
|
нет
|
-
|
|
|
Параметры
микроклимата:
|
|
|
ГОСТ
12.1.005-88 "Общие санитарно -гигиенические требования к воздуху рабочей
зоны"
|
|
Холодное
время года
|
|
|
-
температура,°С;
|
21-22
|
22
|
|
|
-
влажность, %;
|
40-50
|
43
|
|
|
-
скорость движения воздуха,м\с.
|
0,1
|
0,1
|
|
|
Теплое
время года
|
|
|
-
температура,°С;
|
21-22
|
21
|
|
|
-
влажность, %;
|
40-50
|
55
|
|
|
-
скорость движения воздуха,м\с.
|
0,1
|
0,1
|
|
|
Содержание
вредных веществ в воздухе рабочей зоны:
|
|
|
ГОСТ
12.1.005-88 "Общие санитарно -гигиенические требования к воздуху рабочей
зоны"
|
|
-
химические вещества;
|
-
|
Спирт
этиловый
|
|
|
-
промышленная пыль.
|
нет
|
-
|
|
|
Освещение:
|
|
|
СНиП
II-4-79.
Естественное и искуственное освещение
|
|
-
вид освещения;
|
естественное
|
естественное
|
|
|
-
коэффициент естественной, %;
|
~ 2
|
2
|
|
|
-
наименьший размер объекта различия, мм;
|
0,3¸0,5
|
-
|
|
|
-
характеристика зрительной работы
|
высокой
точности Ш6
|
-
|
|
Основными задачами обеспечения радиационной
безопасности АЭС являются: надежное удержание образующихся в процессе деления
ядерного топлива продуктов деления; снижение потока нейтронного и g-излучения
в производственных помещениях АЭС до проектных значений мощности эквивалентной дозы.
Решение этих задач решается комплексом технических средств и организационных
мероприятий. Для предотвращения выхода продуктов деления в производственные
помещения АЭС и за ее пределы создается система водно-химических режимов,
способствующих уменьшению скорости коррозии; повышение очистки теплоносителя от
активных продуктов коррозии и деления; проведение дезактивации отдельных видов
оборудования или всего контура. Кроме того, в конструкцию ЯЭУ АЭС заложено
применение физических барьеров безопасности и локализующие системы,
предназначенные для локализации или предотвращения распространения
радиоактивных продуктов за пределы гермозоны и территории АЭС [18, стр. 21 -
49].
На АЭС при работе с источниками радиоактивного
загрязнения вводится санитарно-пропускной режим для предупреждения
распространения радиоактивного загрязнения путем создания комплекса технических
и организационных мероприятий. К санитарно-гигиеническим устройствам относятся
санитарные пропускники, санитарные шлюзы, спецпрачечные и др. В состав
помещений санпропускника входят: гардеробная для хранения верхней одежды,
отдельные помещения для хранения и одевания личной одежды и спецодежды, пункты
контроля уровней загрязнения, душевые, умывальные и др.
Большое значение в решении вопросов радиационной
безопасности и осуществления всего комплекса, защитных и профилактических
мероприятий имеет правильное применение средств индивидуальной защиты. К
средствам индивидуальной защиты относятся: спецодежда повседневного применения
(комбинезоны, костюмы, халаты) и кратковременного пользования (пленочная
спецодежда); средства индивидуальной защиты органов дыхания (респираторы,
противогазы, изолирующие дыхательные аппараты, пневмошлемы); изолирующие
костюмы; спецобувь; средства защиты рук (защитные перчатки, рукавицы); средства
защиты глаз и лица (защитные очки, щитки-маски); предохранительные
приспособления (ручные захваты и пояса).
7. Гражданская оборона
.1 Факторы, влияющие на работу объекта
Под устойчивостью функционирования объекта
понимается способность объекта продолжать свою деятельность в чрезвычайных
ситуациях, т.е. выполнять свои функции в соответствии с предназначением, а в
случае аварии восстанавливать свои функции в минимально короткие сроки.
На устойчивость функционирования объекта в
чрезвычайных ситуациях влияют следующие факторы:
·
надежность
защиты персонала от последствий стихийных бедствий, аварий, катастроф, а также
воздействия первичных и вторичных факторов оружия массового поражения и других
современных средств нападения;
·
способность
инженерно-технического комплекса объекта противостоять в определенной степени
этим воздействиям;
·
надежность
системы снабжения топливом, электроэнергией, теплом, водой и т.п.;
·
устойчивость
и непрерывность управления ГО и объекта в целом;
·
подготовленность
к ведению спасательных и работ по восстановлению функционирования объекта.
Особое значение в настоящее время приобретают
требования к устойчивости функционирования объектов с ядерными установками в
условиях чрезвычайных ситуаций мирного времени, чтобы в будущем исключить
катастрофы типа Чернобыльской.
7.2 Оценка устойчивости работы объекта
энергетики к воздействию землетрясений и взрывов
.2.1 Оценка устойчивости объекта к воздействию
поражающих факторов
Пути и способы повышения устойчивости функционирования
объекта в условиях чрезвычайных ситуаций в мирное и в военное время весьма
многообразны и определяются конкретными специфическими особенностями каждого
отдельного элемента и объекта в целом.
Выбор наиболее эффективных (в том числе и с
экономической точки зрения) путей и способов повышения устойчивости
функционирования возможен только на основе всесторонней тщательной оценки
объекта энергетики как объекта гражданской обороны.
Оценка устойчивости объекта к воздействию
различных поражающих факторов проводится с использованием специальных методик.
Исходными данными для проведения расчетов по
оценке устойчивости объекта являются: возможные максимальные значения
параметров поражающих факторов, характеристики объекта и его элементов.
Параметры поражающих факторов обычно задаются
вышестоящим штабом ГО. Однако если такая информация не поступила, то
максимальное значение параметров поражающих факторов определяется расчетным
путем.
При отсутствии и этих данных, характер и степень
ожидаемых разрушений на объекте могут быть определены для различных дискретных
значений интенсивности землетрясения (в баллах), вызывающего в зданиях и
сооружениях разрушения.
Степень и характер поражения сооружений при
взрывах во время производственных аварий зависит от:
·
мощности
(тротилового эквивалента) взрыва;
·
технической
характеристики сооружения объекта (конструкция, прочность, размер, форма -
капитальные, временные, наземные, подземные и др.);
·
планировки
объекта, характеристика застройки;
·
характера
местности;
·
метеорологических
условий;
При прогнозировании последствий возможного
взрыва предусматриваются три круговые зоны:- зона детонационной волны;- зона
действия продуктов взрыва;- зона воздушной ударной волны.
Зона детонационной волны находится в пределах
облака взрыва газо-воздушной смеси. В пределах зоны I действует избыточное
давление, которое можно принимать постоянным Р1 = 1700 кПа.
Радиус зоны может быть определен по формуле:
I
= 17,5 х Ö Qт (м) (зона I)
где Q - количество сжиженного газа, т.
Зона действия продуктов взрыва охватывает всю
площадь разлета продуктов газо-воздушной смеси в результате ее детонации.
Радиус этой зоны:I1 = 1,7 rI
(м) (зона II) где избыточное давление в пределах зоны II (DРII)
изменяется от 1350 кПа до 300 кПа.
Для любой точки, расположенной в зоне II:
DРII = 1300(rI / r)+50 (кПа)
где r = R - В расстояние от центра взрыва до
рассматриваемой точки в зоне II, м:
I
£
r £
rI1.
Зона действия воздушной ударной волны (зона III)
формируется фронт ударной волны, распространяющийся по поверхности земли.
Избыточное давление в этой зоне, в зависимости от расстояния до центра , может
быть определено по графику, таблицам и рассчитано по формулам. Для этого
предварительно определяется относительная величина:
y = 0,24 rI1 / rI = 0,24
R/rI ,
где rI - радиус зоны или расстояние
от центра взрыва до точки, в которой требуется определить избыточное давление
воздушной ударной волны, кПа (R>rI1 ).
при y £2
∆Рlll =
;
при y >2
∆Рlll =
.
Для определения избыточного давления
на определенном расстоянии от центра взрыва необходимо знать количество
взрывчатой смеси, хранящейся в емкости или агрегате.
Одновременно с прохождением ударной
волны происходит перемещение воздуха с большой скоростью. Динамическая
нагрузка, создаваемая потоком воздуха, называется скоростным напором,
измеряемого в тех же единицах давления, что и измеряемое давление.
Сопротивляемость зданий и сооружений к воздействию ударной волны зависит от их
конструкции, размеров и других параметров.
Наибольшим разрушением от ударной
волны подвергаются здания и сооружения больших размеров с большими несущими
конструкциями, значительно возвышающиеся над поверхностью земли, а так же
массивные бескаркасные сооружения с несущими стенами из кирпича и блоков.
Здания антисейсмической конструкции, а также массивные малоразмерные здания и
сооружения с жесткими несущими конструкциями обладают значительной
сопротивляемостью ударной волне. При воздействии ударной волны здания,
сооружения, оборудование и коммунально-энергетические сети (КЭС) объекта могут
быть разрушены в различной степени. Разрушения принято делить на полные,
сильные, средние и слабые.
При расчетах устойчивости элементов
объекта больших размеров определяющей воздействующей нагрузкой является
нагрузка обтекания, т.е. та сила, которая стремится сдвинуть сооружение в
направлении действия ударной волны.
С уменьшением размеров элемента все
большее значение приобретает нагрузка торможения. Небольшие элементы, размеры
которых (в плане) значительно меньшие по сравнению с длинной ударной волны,
например, опоры ЛЭП, антенны, измерительная аппаратура, мачты и т.п. почти не
испытывают нагрузок обтекания т.к. быстро охватываются волной. Действие
скоростного напора воздушной ударной волны может произвести к смещению,
сваливанию (опрокидыванию) и угону элементов, которые расположены на колесах,
катках, что, в свою очередь, может привести к падению или удару элемента о
встречные предметы.
Для некоторых элементов конструкций
представляют опасность силы ускорения, имеющие место при ударе волны. Ускорение
зданий и сооружений не превосходит одного g (м/с). Ускорение отдельных
элементов оборудования, приборов могут достигать нескольких десятков, а иногда
и более сотни g (м/с). И прибор внешне не поврежденный после удара волны будет
иметь внутренние повреждения, которые произойдут при ударе волны за счет
инерционных сил, зависящих от ударного ускорения различных элементов
оборудования. Для выявления характера и степени ущерба и заблаговременного
проведения мероприятий, исключающих или ограничивающих масштабы повреждений или
разрушений, проводится моделирование уязвимости объекта и его элементов.
Пути и способы повышения
устойчивости функционирования объектов народного хозяйства (ОНХ) в условиях
чрезвычайных ситуаций в мирное и в военное время весьма многообразны и
определяются конкретными специфическими особенностями каждого отдельного
предприятия.
Выбор наиболее эффективных (в том
числе и с экономической точки зрения) путей и способов повышения устойчивости
функционирования возможен только на основе всесторонней, тщательной оценки
каждого предприятия как объекта гражданской обороны.
Оценка устойчивости объекта к
воздействию различных поражающих факторов проводится с использованием
специальных методик.
Исходными данными для проведения
расчетов по оценке устойчивости объекта народного хозяйства являются: возможные
максимальные значения параметров поражающих факторов; характеристики объекта и
его элементов.
Характер и степень ожидаемых
разрушений на объекте могут быть определены для различных дискретных значений
интенсивности землетрясения (в баллах, I) или избыточного давления (DРф) воздушной ударной волны
ядерного взрыва, вызывающего в зданиях и сооружениях разрушения различной
степени.
Ориентировочно могут приниматься
следующие значения 1 (в баллах): 5,6,7,8,9 или (DРф) (кПа): 10, 20, 30 и 40 - для предприятий
химической, нефтеперерабатывающей, радиоэлектронной, медицинской и аналогичных
им отраслей промышленности; 6,7,8,9,10,11 баллов или 20, 30, 40, 50, 60 кПа
.2.2 Оценка степени устойчивости объекта к
воздействию сейсмической (ударной) волны
Оценка степени устойчивости объекта к
воздействию сейсмической (ударной) волны заключается:
в выявлении основных элементов объекта (цехов,
участков производства, систем), от которых зависит его функционирование и
выпуск необходимой продукции;
определении предела устойчивости каждого
элемента (по нижней границе диапазона давлений, вызывающих средние разрушения)
и объекта в целом (по минимальному пределу входящих в его состав элементов);
сопоставлении найденного предела устойчивости
объекта с ожидаемым максимальным значением сейсмической (ударной) волны и
заключении о его устойчивости.
В выводах и предложениях на основе анализа
результатов оценки устойчивости каждого элемента и объекта в целом даются
рекомендации по целесообразному повышению устойчивости наиболее уязвимых
элементов и объекта в целом.
Целесообразным пределом повышения устойчивости
принято считать такое значение сейсмической (ударной) волны, при котором
восстановление поврежденного объекта возможно в короткие сроки и экономически
оправдано (обычно при получении объектом слабых и средних разрушений).
.2.3 Оценка устойчивости ОНХ в условиях
землетрясения
В природе существуют опасные природные явления
или процессы геофизического, геологического, гидрофизического, атмосферного,
биосферного и другого происхождения такого масштаба, которые вызывают
катастрофические ситуации, характеризующиеся внезапным нарушением
жизнедеятельности населения, разрушением и уничтожением материальных ценностей,
поражением или гибелью людей. Стихийные бедствия могут служить причиной многих
аварий и катастроф. Подлинным бичом человечества являются землетрясения,
ураганы (тайфуны), смерчи (торнадо), бури, циклоны, штормы, наводнения, цунами,
извержения вулканов, лавины, оползни, сели, грозы. Они только за последние 20
лет унесли более 3 млн. жизней людей. Почти 1 миллиард жителей нашей планеты по
данным ООН, за этот период испытали последствия стихийных бедствий.
По своему разрушающему действию не имеют себе
равных среди стихийных бедствий землетрясения. Им, по данным ЮНЕСКО,
принадлежит 1-е место по экономическому ущербу и одно из первых мест по числу
жертв. Землетрясения бывают тектонические, вулканические, обвальные, плотинные
и др., моретрясения, а также землетрясения в результате падения метеоритов или
столкновение нашей планеты с другими космическими телами. Чаще происходят
тектонические землетрясения. Тектонические землетрясения происходят чаще всего:
так как движения земной коры называют тектоническими движениями, то и
землетрясения называют тектоническими.
Тектонические землетрясения представляет собой
подземные толчки или колебания земной поверхности, вызванные происходящими в
толще земной коры разломами и перемещениями литосферных плит, при землетрясении
образуется энергия огромной силы, распространяющаяся в виде упругих
сейсмических волн.
Основными параметрами, характеризующими силу и
характер землетрясений являются:
·
интенсивность
энергии на поверхности земли;
·
магнитуда;
·
глубина
очага.
В нашей стране и ряде европейских стран
используется 12 - бальная международная шкала МSК - 64. Условно землетрясения
этой шкалой подразделяются на :
·
слабые:
1 - 3 балла;
·
умеренные:
4 балла ;
·
довольно
сильные: 5 баллов ;
·
сильные:
6 баллов ;
·
очень
сильные: 7 баллов ;
·
разрушительные:
8 баллов ;
·
опустошительные:
9 баллов ;
·
уничтожающие:
10 баллов ;
·
катастрофические:
11 баллов ;
·
сильно
катастрофические: 12 баллов.
Сильными по шкале Рихтера считаются
землетрясения, магнитуда которых равна 5 - 6 единицам. Согласно измерениям,
сделанными учеными, магнитуда землетрясения в Армении составляла 6,9 балла по
этой шкале; в Мехико в 1985 году - 8,1; в Сан - Франциско в 1906 - 8,5, а в
1989 году 7,1 балла, Япония в 2011 году - 9 баллов.
Глубина очага может колебаться в различных
сейсмических районах от до 740 км. Очаг, т. е. точка под землей, является
источником землетрясения и называется гипоцентром.
Энергия, выделяемая при землетрясениях, во много
раз превышает энергию мегатонных ядерных взрывов, а разрушения аналогичны
разрушениям в очаге наземного ядерного взрыва.
Землетрясения - аналогии ядерных взрывов по
степени разрушений элементов ОНХ (по избыточному давлению) отображены в таблице
7.1.
Таблица 7.1 - Значения разрушений элементов ОНХ
|
Разу-шения
|
Поражающие
факторы
|
DР, кПа
|
%
ущерба
|
Ядерный
взрыв Тыс. тонн
|
|
Землетрясения
|
Ураганы
(смерчи )
|
|
|
100
|
200
|
300
|
500
|
1000
|
|
Баллы
|
Баллы
|
км/ч
|
м/с
|
|
|
Расстояние
до центра взрыва
|
|
Полные
|
11-12
|
17
|
211
|
50
|
50
и >
|
90
-100
|
1,7
1,9
|
1,9
2,2
|
2,2
2,5
|
3,0
3,2
|
3,6
4,0
|
|
Сильные
|
9
- 10
|
16
- 17
|
193
|
---
|
40
и >
|
50
- 90
|
1,9
2,2
|
2,3
2,6
|
2,8
2,9
|
3,3
3,6
|
4,3
4,5
|
|
Средние
|
7
- 8
|
14
- 15
|
158-175
|
44
- 49
|
20
- 30
|
30
- 50
|
2,6
2,5
|
2,9
3,0
|
3,4
3,6
|
4,2
4,4
|
5,0
5,4
|
|
Слабые
|
5
-6
|
12
-13
|
122-145
|
33
- 39
|
10
- 20
|
10
- 30
|
3,0
3,2
|
4,4
3,8
|
4,9
4,4
|
6,0
5,5
|
7,5
7,0
|
|
Легкие
|
4
-5
|
9
-11
|
79
-110
|
2
1- 29
|
0
- 10
|
менее
10
|
6,5
5,2
|
7,9
6,4
|
9,1
7,3
|
11
9,0
|
14
11
|
Заключение
Дипломный проект выполнен в полном объеме в
соответствии с заданием.
Была спроектирована атомная энергетическая
установка и разработана математическая модель объекта управления. В качестве
прототипа для расчетов была использована серийная АЭУ с реактором типа
ВВЭР-1000.
Из полученных результатов следует, что система
обладает способностью к саморегулированию. В этом случае управление мощностью
установки значительно упрощается и его можно организовать просто путем
изменения расхода питательной воды. Действительно, при возникновении разбаланса
между фактической мощностью реактора и нагрузкой будет происходить изменение
средней t˚
теплоносителя, которая в свою очередь изменяет реактивность реактора, а,
следовательно, и его мощность в сторону уменьшения разбаланса.
В дипломном проекте выполнено:
- анализ и расчет САУ;
- разработана структурная схема АСУ
ТП, проведен анализ соответствия спроектированной АСУ ТП требованиям
руководящих документов по безопасности, произведен выбор схемы электроснабжения
собственных нужд АЭС;
- рассчитаны оптимальные параметры
настройки цифрового регулятора БРУ-К;
- определены возможные пути и
стратегии достижения поставленных целей по продлению ресурса эксплуатации;
- были определены капитальные затраты
на строительство, ежегодные расходы, связанные с производством электроэнергии,
чистая приведённая прибыль, внутренняя норма прибыли, индекс доходности, срок
окупаемости проекта, рентабельность и т.д.;
- были рассмотрены вопросы охраны
труда и окружающей среды, были даны рекомендации по снижению вредного
воздействия на окружающую среду и человека доминирующего загрязнителя;
- Дана оценка устойчивости работы
объектов народного хозяйства к воздействию землетрясений и взрывов, проведен
расчет устойчивости при взрывах, землетрясениях, ураганах, приведены основные
мероприятия по повышению устойчивости объектов.
Список используемой литературы
1) Абдулаев А. А., Пилипчук. Б.
Л., Сычев Е. Н. Основы проектирования АЭУ АЭС. Севастополь: СИЯЭиП, 1999г.
2) Доллежаль Н.А., Ганчев Б.Г.
и др. Ядерные энергетические установки. М.: "Энергоатомиздат", 1990г.
3) Аникевич К. П.
Автоматическое регулирование технологических параметров Севастополь: СНУЯЭиП,
2008г.
4) Аникевич К. П.
"Структура АСУ ТП энергоблока с реактором ВВЭР-1000", Севастополь:
СИЯЭиП, 1999г.
) Аникевич К. П.
"Унифицированный комплекс технических средств" Севастополь: СИЯЭиП,
2001г.
) Кирияченко В. А., Пилипчук.
Б. Л., Сычев Е. Н. Основы теории АЭУ АЭС. - Севастополь: СИЯЭиП, 2000г.
) Инструкция по эксплуатации
цифровых регуляторов второго контура 01.ТА. SE.ИЭ.49А.
) Воронов А. А., Титов В. К.,
Новогранов Б. Н. Основы теории автоматического регулирования и управления. -
М.: Высшая школа, 1977. - 519 с.
) Зайцев Г. Ф., Костюк В. И.,
Чинаев П. И. Основы автоматического управления и регулирования. - К.: Техника,
1975. - 496 с.
) Ротач В. Я. Расчет
настройки промышленных систем регулирования.- М.-Л.: Госэнергоиздат, 1961.-344
с.
) Стефании Е. П. Основы
расчёта и настройки регуляторов теплоэнергетических процессов.- М.: Энергия,
1972. - 344 с.
) Плетнёв Г. П.
Автоматическое регулирование и защита теплоэнергетических установок
электрических станций.- М.: Энергия, 1970. - 208 с
) Техническое описание и
инструкция по эксплуатации систем и оборудования цеха тепловой автоматики и
измерений энергоблока №3..
) Кузнецова Н. И.
Инструктивно-методические указания по выполнению расчётно-графической работы по
дисциплине "Надёжность и диагностирование". - Севастополь, СИЯЭиП,
2001г.
) Зенова И. М. Экономика
ядерной энергетики. Севастополь: СИЯЭиП, 2000г.
16) Положення про охорону праці
на ЮУАЕС. 2-П-ОП.
17) Жидецкий, В. Ц. Джигирей В.
С. и др. Основы охраны труда. Афиша. Львов. 2000 г
Приложение А
Рисунок А.1 - Функциональная схема БРУ-К
Приложение Б
Рисунок Б.1 - Структурная схема
БРУ-К
Приложение В
Таблица В.1 - Формулы для определения
оптимальных параметров настроек цифровых регуляторов
|
Тип
регулятора
|
Формулы
для определения параметров настройки.
|
|
П
- регулятор
|
|
|
И
- регулятор
|
|
|
|
ПИ - регулятор
,
,
ПИД - регулятор
,
|
,
|