Электроснабжение комбината Стройиндустрии
МИНОБРНАУКИ
РОССИИ
федеральное
государственное бюджетное образовательное учреждение
высшего
профессионального образования
«Ивановский
государственный энергетический университет им. В.И. Ленина»
Кафедра
электрических систем
Курсовая
работа
Тема: «ЭЛЕКТРОСНАБЖЕНИЕ
КОМБИНАТА СТРОЙИНДУСТРИИ»
Выполнила:
Важнова Н.Г.
Руководитель проекта:
Ильичева Е.Н.
ИВАНОВО 2014
Введение
В настоящее время основными потребителями электрической энергии
являются промышленные предприятия. Оптимально спроектированная и правильно
выполненная современная система электроснабжения промышленного предприятия
должна удовлетворять требованиям: надежность, экономичность, безопасность,
удобство в обслуживании и эксплуатации, обеспечения надлежащего качества
электроэнергии у каждого отдельного потребителя.
В процессе проектирования системы электроснабжения учитываются
факторы, такие как потребляемая мощность и категории надежности питания
отдельных элементов, размещение электрических нагрузок на территории, число и
мощность подстанций, напряжение потребителей, число, расположение, мощность,
напряжение и другие параметры источников питания.
Система электроснабжения должна
быть гибкой и обеспечивать возможность развития предприятия и потребления
электроэнергии предприятием без необходимости глобальной реконструкции сети.
При этом в случае расширении нельзя использовать для подключения новых
электрических нагрузок резервы, предусмотренные для обеспечения бесперебойного
питания электроэнергией предприятия, так как снижается надежность
электроснабжения всех потребителей предприятия.
Принятые в процессе проектирования
решения отвечают требованиям нормативных документов по проектированию схем
электроснабжения.
электроэнергия трансформатор ток
кабель
1. Характеристика предприятия
В данном проекте рассматриваются вопросы
электроснабжения комбината стройиндустрии.
Напряжение силовых приемников в промышленности
380В; для мощных приводов (в данном курсовом проекте - компрессоров) - 10кВ.
Большинство механизмов работает в продолжительном режиме, иногда с
периодическими циклами.
Предприятие работает в две смены.
Расстояние от питающей подстанции до предприятия
6 км.
Время использования максимума активной нагрузки
составляет 3900 часов, реактивной - 5100 часов.
Расчет оплаты за ЭЭ ведется по одноставочному
тарифу b = 4,3
руб/кВт×ч.
Среда территории предприятия нормальная,
плотность застройки средняя, что позволяет использовать открытую прокладку
кабельных линий и строительство эстакад.
К потребителям III
категории относятся склады, полигон железобетонных изделий, столовая. Остальные
потребители относятся ко II
категории. На ГПП должно устанавливаться два трансформатора, питание
осуществляется по двухцепной ЛЭП (по условию надежности электроснабжения).
Питание предприятие осуществляется от энергосистемы
мощностью 700 МВА. Возможно осуществить питание с шин 110, 35, 20, 10 или 6 кВ.
В режиме максимальных нагрузок на шинах питающей
подстанции поддерживается напряжение 1,06Uн,
в режиме минимальных нагрузок - 1,01Uн.
2. Разработка схемы электроснабжения на UН = 6 -
10 кВ
.1 Определение расчетных нагрузок цехов
.1.1 Определение расчетных силовых и
осветительных нагрузок на Uн
до 1кВ.
Расчетные нагрузки цехов
определяются по установленной мощности методом коэффициента спроса
[6].
Силовые расчетные нагрузки
определяем из выражений:
, (кВт)т(2.1)
, (квар) (2.2)
, (кВА) (2.3)
где
установленная мощность всех
электроприемников цеха (из исходных данных);
средний коэффициент спроса,
определяемый по [11].
Данные и результаты по расчету
силовой нагрузки цехов представлены в таблице 2.1.
Пример расчета силовой нагрузки 0,4 кВ для
склада заполнителей.
Установленная мощность цеха составляет 108 кВт, Кс=0,9;
cosj
= 0,9;
tgj=0,48.
Расчетная активная нагрузка цеха по (2.1):
Расчетная реактивная нагрузка цеха
по (2.2):
.
Расчетная полная нагрузка цеха по
(2.3):
Таблица 2.1 Расчет силовой нагрузки
цехов.
|
№
|
Наименование
цеха
|
Рн,
кВт
|
Кс
|
cosj / tgj
|
, кВт , кварSр, кВА
|
|
|
|
1
|
Склад
заполнителей
|
108
|
0,9
|
0,9/0,48
|
97,2
|
46,66
|
107,82
|
|
2
|
Склад
цемента
|
192
|
0,9
|
0,9/0,48
|
172,8
|
82,94
|
191,67
|
|
3
|
Бетонно-растворный
завод
|
150
|
0,3
|
0,65/1,17
|
45
|
52,65
|
69,26
|
|
4
|
Дробильно-сортировочная
установка
|
78
|
0,8
|
0,85/0,62
|
62,4
|
38,69
|
73,42
|
|
5
|
Открытый
полигон ж/б изделий
|
108
|
0,7
|
0,9/0,48
|
75,6
|
36,29
|
83,86
|
|
6
|
Мастерская
по ремонту оборудования и металлопалубки
|
174
|
0,3
|
0,5/1,73
|
52,2
|
90,31
|
104,31
|
|
Цех
горячего эмалирования
|
1920
|
0,8
|
0,75/0,88
|
1536
|
1351,68
|
2046,05
|
|
7
|
Котельная
|
348
|
0,7
|
0,75/0,88
|
243,6
|
214,37
|
324,49
|
|
8
|
Арматурный
цех
|
918
|
0,3
|
0,65/1,17
|
275,4
|
322,22
|
423,88
|
|
9
|
Завод
крупнопанельного домостроения
|
852
|
0,3
|
0,5/1,73
|
255,6
|
442,19
|
510,75
|
|
10
|
Завод
ж/б изделий
|
348
|
0,5
|
0,73/0,94
|
174
|
163,56
|
238,81
|
|
11
|
Компрессорная
|
96
|
0,75
|
0,8/0,75
|
72
|
54
|
90
|
|
12
|
База
минеральных изделий
|
816
|
0,5
|
0,7/1,02
|
408
|
416,16
|
582,8
|
|
13
|
База
механизации
|
456
|
0,6
|
0,7/1,02
|
273,6
|
279,07
|
390,82
|
|
14
|
Цех
металлоконструкций
|
540
|
0,25
|
0,45/1,98
|
135
|
267,3
|
299,46
|
|
15
|
Столовая
|
210
|
0,7
|
0,8/0,75
|
147
|
110,25
|
183,75
|
|
16
|
Ремонтно-механический
цех
|
600
|
0,5
|
0,7/0,9
|
300
|
270
|
403,61
|
Осветительная нагрузка цеха определяется по
методу коэффициента спроса и удельным нормам мощности на единицу
производственной площади [6]. Расчет ведется
по выражениям:
, (кВт) (2.4)
, (квар) (2.5)
, (кВА) (2.6)
где
площадь цеха, определяемая по
генеральному плану,
;
удельная расчетная мощность
светильника,
,
определяемая по выражению:
, (
) (2.7)
где
удельная табличная мощность
светильника,
,
принимается по[1] в зависимости от типа источника света, высоты подвеса
светильника и площади освещаемого помещения и приводится для освещенности в 100
лк;
нормированная освещенность,
по [1];
коэффициент, учитывающий потери в
пускорегулирующей аппаратуре [1];
коэффициент спроса освещения, для
расчета внутреннего освещения зданий принимается по [1].
для ЛН:
,
,
;
для ЛЛ:
,
,
;
для ДРЛ:
,
,
.
Данные и результаты по расчету
осветительной нагрузки представлены в таблице 2.2.
Пример расчета осветительной
нагрузки для склада заполнителей. Площадь склада составляет 2658 м2.
Принимаем к установке светильники типа РСП 08 с лампами ДРЛ,
,
,
. По [1]
определяем Ксо=0,6, Ен=150(Лк),
Определяем удельную расчетную
мощность светильника:
(
).
Определяем расчетную активную
мощность светильников в цехе:
(кВт).
Определяем расчетную реактивную
мощность:
(квар).
Определяем полную расчетную
нагрузку:
(кВА).
Таблица 2.2 Расчет осветительной
нагрузки
|
F, м2
|
Тип
светильн
|
Ен,
Лк
|
  , КсоКпраcosj/ tgj
|
Рро,
кВт
|
Qро, квар
|
Sро, кВА
|
|
|
|
|
|
2658
|
РСП08
|
150
|
4,2
|
6,3
|
0,6
|
1,1
|
0,6/1,33
|
11,05
|
14,7
|
18,39
|
|
791
|
РСП08
|
150
|
4,2
|
6,3
|
0,6
|
1,1
|
0,6/1,33
|
3,29
|
4,38
|
5,48
|
|
3291
|
РСП08
|
150
|
3,9
|
5,85
|
0,95
|
1,1
|
0,6/1,33
|
20,12
|
26,76
|
33,48
|
|
791
|
РСП08
|
150
|
4,2
|
6,3
|
0,95
|
1,1
|
0,6/1,33
|
5,21
|
6,93
|
8,67
|
|
2848
|
РСП08
|
150
|
4,2
|
6,3
|
0,6
|
1,1
|
0,6/1,33
|
11,84
|
15,75
|
19,7
|
|
475
|
РСП08
|
400
|
5,7
|
22,8
|
0,95
|
1,1
|
0,6/1,33
|
11,32
|
15,06
|
18,84
|
|
1139
|
ЛСП06
|
150
|
12,2
|
18,3
|
0,95
|
1,2
|
0,95/0,33
|
23,76
|
7,84
|
25,02
|
|
2183
|
РСП08
|
300
|
4,2
|
12,6
|
0,95
|
1,1
|
0,6/1,33
|
28,74
|
38,22
|
47,82
|
|
5031
|
РСП08
|
150
|
3,9
|
5,85
|
0,95
|
1,1
|
0,6/1,33
|
30,76
|
40,91
|
51,18
|
|
3639
|
РСП08
|
150
|
3,9
|
5,85
|
0,95
|
1,1
|
0,6/1,33
|
22,25
|
29,59
|
37,02
|
|
285
|
ЛСП06
|
150
|
3,3
|
4,95
|
0,95
|
1,2
|
0,95/0,33
|
1,61
|
0,53
|
1,69
|
|
7594
|
РСП08
|
150
|
4,2
|
6,3
|
0,6
|
1,1
|
31,58
|
42
|
52,55
|
|
3038
|
РСП08
|
150
|
4,2
|
6,3
|
0,6
|
1,1
|
0,6/1,33
|
12,63
|
16,8
|
21,02
|
|
5347
|
РСП08
|
300
|
3,9
|
11,7
|
0,95
|
1,1
|
0,6/1,33
|
65,38
|
86,96
|
108,8
|
|
475
|
ЛСП06
|
300
|
3,3
|
9,9
|
0,9
|
1,2
|
0,95/0,33
|
5,08
|
1,68
|
5,35
|
|
1266
|
РСП08
|
300
|
3,9
|
11,7
|
0,95
|
1,1
|
0,6/1,33
|
15,48
|
20,59
|
25,76
|
Для
освещения территории предприятия принимаем светильники типа РСП. Площадь
территории предприятия составляет F=223003(м2),
,
,
, Ен=2(Лк),
,
[1].
,
,
.
.1.2 Определение
расчетной нагрузки высоковольтных приемников
Высоковольтной
нагрузкой (10 кВ) являются синхронные двигатели, установлен-ные в компрессорной
и работающие в режиме компенсации. Принимаем к установке один синхронный
двигатель типа СДК2-16-29-14КУХЛ4 мощностью 320 кВт и один синхронный двигатель
типа СДК2-16-24-10КУХЛ4 мощностью 400 кВт (по [9]).
Параметры двигателей:
, (кВт) (2.8)
, (квар) (2.9)
, (кВА) (2.10)
.
2.1.3
Анализ структуры электрических нагрузок предприятия
Пример
расчета суммарной нагрузки для склада заполнителей:
.
Таблица
2.3. Расчетные нагрузки цехов
|
Ррсил, кВт
|
Qрсил,
квар
|
Sрсил,
кВА
|
Рро, кВт
|
Qро,
квар
|
Sро,
кВА
|
Ррц, кВт
|
Qрц,
квар
|
Sрц,
кВА
|
|
97,2
|
46,66
|
107,82
|
11,05
|
14,7
|
18,39
|
108,25
|
61,36
|
124,43
|
|
172,8
|
82,94
|
191,67
|
3,29
|
4,38
|
5,48
|
176,09
|
87,32
|
196,55
|
|
45
|
52,65
|
69,26
|
20,12
|
26,76
|
33,48
|
65,12
|
79,41
|
102,7
|
|
62,4
|
38,69
|
73,42
|
5,21
|
6,93
|
8,67
|
67,61
|
45,62
|
81,56
|
|
75,6
|
36,29
|
83,86
|
11,84
|
15,75
|
19,7
|
87,44
|
52,04
|
101,75
|
|
1588,2
|
1441,99
|
2145,16
|
11,32
|
15,06
|
18,84
|
1599,52
|
1457,05
|
2163,67
|
|
243,6
|
214,37
|
324,49
|
23,76
|
7,84
|
25,02
|
267,36
|
222,21
|
347,65
|
|
275,4
|
322,22
|
423,88
|
28,74
|
38,22
|
47,82
|
304,14
|
360,44
|
471,61
|
|
255,6
|
442,19
|
510,75
|
30,76
|
40,91
|
51,18
|
286,36
|
483,1
|
561,59
|
|
174
|
163,56
|
238,81
|
22,25
|
29,59
|
37,02
|
196,25
|
193,15
|
275,36
|
|
72
|
54
|
90
|
1,61
|
0,53
|
1,69
|
73,61
|
54,53
|
91,61
|
|
540
|
-259,2
|
598,99
|
-
|
-
|
-
|
540
|
-259,2
|
598,99
|
|
408
|
416,16
|
582,8
|
31,58
|
42
|
52,55
|
439,58
|
458,16
|
634,93
|
|
273,6
|
279,07
|
390,82
|
12,63
|
16,8
|
21,02
|
286,23
|
295,87
|
411,66
|
|
135
|
267,3
|
299,46
|
65,38
|
86,96
|
108,8
|
200,38
|
354,26
|
407
|
|
147
|
110,25
|
183,75
|
5,08
|
1,68
|
5,35
|
152,08
|
111,93
|
188,83
|
|
300
|
270
|
403,61
|
15,48
|
20,59
|
25,76
|
315,48
|
290,59
|
428,92
|
|
-
|
-
|
-
|
122,65
|
163,12
|
204,09
|
122,65
|
163,12
|
204,09
|
|
4865,4
|
3979,14
|
6285,35
|
422,75
|
531,82
|
679,37
|
5288,15
|
4510,96
|
6950,78
|
.2 Картограмма
электрических нагрузок
Для определения мест расположения
ЦТП и ГПП на генплане завода строится картограмма электрических нагрузок.
Картограмма строится из условия, что площади кругов картограммы при выбранном
масштабе m=2
соответствуют
расчетным нагрузкам цехов.
Радиус окружности для каждого из
цехов находится из выражения:
,(см) (2.11)
где
расчетная
нагрузка i-го цеха.
Сектор, соответствующий нагрузке
освещения определяется углом
по выражению:
, (2.12)
Центр электрических нагрузок определяется по
формулам.
, (м) (2.13)
, (м)
(2.14)
где
и
координаты центра нагрузки цеха, в
предположении, что нагрузка распределена по цеху равномерно. Принимаем, что в
цехах равномерно распределенная нагрузка и её центр совпадает с центром тяжести
фигуры. При определении центра нагрузок началом координат принимается нижний
левый угол завода по плану.
Данные и результаты расчетов для
построения картограммы сведены в таблице 2.4.
Пример расчета для склада
заполнителей.
Sрц=124,43(кВА),
Sро=18,39 (кВА)
Радиус окружности для цеха №1:
Угол сектора нагрузки освещения:
Таблица 2.4.Данные для построения
картограммы нагрузок
|
№
|
Sрц, кВА
|
Sро, кВА
|
r,см
|
a, град
|
Х,
м
|
Y, м
|
|
1
|
124,43
|
18,39
|
4,45
|
53,21
|
353
|
280
|
|
2
|
196,55
|
5,48
|
5,59
|
10,04
|
98
|
238
|
|
3
|
102,7
|
33,48
|
4,04
|
117,36
|
370
|
350
|
|
4
|
81,56
|
8,67
|
3,60
|
38,27
|
140
|
398
|
|
5
|
101,75
|
19,7
|
4,02
|
69,7
|
67
|
182
|
|
6
|
2163,67
|
18,84
|
18,56
|
3,13
|
280
|
322
|
|
7
|
347,65
|
25,02
|
7,44
|
25,91
|
515
|
316
|
|
8
|
471,61
|
47,82
|
8,66
|
36,5
|
22,5
|
336
|
|
9
|
561,59
|
51,18
|
9,45
|
32,81
|
185
|
350
|
|
10
|
275,36
|
37,02
|
6,62
|
48,4
|
73
|
342
|
|
11
|
91,61
|
1,69
|
3,82
|
6,64
|
146
|
260
|
598,99
|
-
|
9,76
|
-
|
-
|
-
|
|
12
|
634,93
|
52,55
|
10,05
|
29,8
|
420
|
185
|
|
13
|
411,66
|
21,02
|
8,09
|
18,38
|
370
|
84
|
|
14
|
407
|
108,8
|
8,05
|
96,24
|
67
|
70
|
|
15
|
188,83
|
5,35
|
5,48
|
10,2
|
70
|
140
|
|
16
|
428,92
|
25,76
|
8,26
|
21,62
|
140
|
56
|
Найдем
и
. по (2.13)
и (2.11):
Центр электрических нагрузок
предприятия находится между цехом №1 и №11, ниже цеха №9. В этом случае
оптимальным местом установки ГПП является место над цехом №9, где подходит
питание от подстанции системы. Кроме того, часть стены цеха №9 можно
использовать как одну из стен подстанции. Картограмма нагрузок приведена в
конце пояснительной записки в приложении 1.
.3 Выбор номинальных напряжений
питающей и распределительной сети
Одним из главных вопросов при
проектировании системы
электроснабжения является выбор рационального напряжения для схемы, так как его
значениями определяются параметры линии электропередачи, выбираемого
оборудования, а, следовательно, капиталовложений, издержек, расход цветного
металла и потери электроэнергии.
Для выбора напряжений используем
метод приближенного определения рационального напряжения [3].
, (кВ) (2.15)
где L - длина питающей линии, по заданию L=6
(км);
Р
- суммарная активная мощность, Р=5288,15 (кВт), по таблице 2.3;
n=2
- количество линий.
(кВ).
Следовательно,
напряжение для питающей завод линии - 110 кВ.
Для распределительной сети завода
принимаем напряжение 10 кВ (на предприятии нет электроприемников на 6 кВ).
Для внутрицеховой сети принимаем
напряжение 0,38/0,22 кВ, так как в цехах питание силовой и осветительной
нагрузки.
3.4 Выбор типа, числа и
номинальной мощности цеховых трансформаторов и их мест расположения
Цеховые ТП выполняем
встроенными, т.к. неизвестно расположение оборудования внутри цеха и считается,
что есть место для установки трансформаторных подстанции, с применением
масляных трансформаторов типа ТМГ на основании указаний [5].
В цехе №6 (цех горячего
эмалирования, мастерская по ремонту оборудования и металлопалубки) приходится
выполнять пристроенные ЦТП, т.к. площадь цеха не позволяет выполнить встроенные
ЦТП.
Выбор числа и мощности цеховых ТП
производится с соответствующим технико-экономическом обосновании, с учетом
категорийности электроприемников цеха по требуемой степени бесперебойности
питания, компенсации реактивных нагрузок напряжением до 1000 В, перегрузочной
способностью трансформатора в нормальном и послеаварийном режимах.
Для обеспечения удобства эксплуатации
и уменьшения складского резерва трансформаторов предусматриваем использование
на предприятии 3-х номинальных мощностей. Для приближенных расчетов определение
Sнт для цехов
с равномерно распределенной нагрузкой производится по удельной плотности нагрузки
, которую
определяют по формуле:
,
(2.16)
где
расчетная нагрузка цеха, кВА;
площадь цеха,
.
При 
, целесообразно применять трансформаторы
, при
,
, при 
, целесообразно применять
трансформаторы
и
[5].
Коэффициенты загрузки
трансформаторов в зависимости от категории должны находиться в диапазонах:
при преобладании нагрузок 1-ой
категории при двухтрансформаторных ТП
;
при преобладании нагрузок 2-ой категории
при однотрансформаторных подстанциях и взаимном резервировании трансформаторов
на вторичном напряжении
;
при преобладании нагрузок 2-ой
категории при наличии централизованного (складского) резерва трансформаторов, а
также при нагрузках 3-ей категории
[5].
Выбор минимального числа
трансформаторов производится по формуле:
, (2.17)
где
принятая номинальная мощность одного
трансформатора, кВА;
.5 Компенсация реактивной мощности
на напряжении до 1 кВ
Значение
определено
по известному значению суммарной максимальной расчетной нагрузке цеха
и той
максимальной мощности
, которую
целесообразно передать через трансформаторы в сеть напряжением до 1000В без
увеличения их количества и номинальной мощности [7]:
,(квар) (2.18)
,(квар) (2.19)
где
принятая номинальная мощность одного
трансформатора, кВА;
принятый коэффициент загрузки
трансформатора с учетом категории ПЭЭ;
экономически оптимальное число
трансформаторов.
Фактический коэффициент загрузки:
(2.20)
Вариант №1:С целью уменьшения числа ТП
предусматриваем питание цехов № 1 и №3 от цеха №6, цехов №5 и №15 от цеха №2,
цехов №4 и №11 от цеха №9, цеха №16 от цеха №14. Кроме того предусматривается
питание осветительной нагрузки территории предприятия от цеха №10. Данные по
выбору трансформаторов сведены в таблицу 2.5.
Вариант №2:С целью уменьшения числа ТП
предусматриваем питание цехов № 1 и №3 от цеха №6, цехов №5 и №15 от цеха №2,
цехов №4 и №11 от цеха №9, цеха №8 от цеха №10. Кроме того предусматривается
питание осветительной нагрузки территории предприятия от цеха №16. Данные по
выбору трансформаторов сведены в таблицу 2.6.
Пример расчета для арматурного цеха №8.
Категория потребителей цеха по надежности электроснабжения - II.
Ррц=304,14(кВт), Qрц=360,44(квар),
Sрц=471,61(кВА).
Площадь цеха 2183м2.
Удельная плотность нагрузки по (2.16):

.
Т.к. нагрузка на цех не очень
большая и устанавливать трансформатор мощностью 1600 кВА нецелесообразно,
мощность трансформатора принимаем 630 (кВА), подстанция -
однотрансформаторная. Коэффициент загрузки 0,75. Минимальное число
трансформаторов по (2.17):
Следовательно устанавливаем один
трансформатор типа ТМГ-630/10 [5] мощностью 630 (кВА). Пропускная
способность трансформатора по (2.19):
(квар).
Реактивная нагрузка цеха, которую
необходимо скомпенсировать по (2.18):
(квар).
Следовательно, компенсация
реактивной нагрузки не требуется.
Таким образом, фактический
коэффициент загрузки трансформатора составит по (2.20):
Таблица 2.5. Выбор числа и мощности
трансформаторов ЦТП для варианта №1.
|
№
|
Ррц,
кВт
|
Qрц, квар
|
Sрц, кВА
|
F, м2
|
s, кВА/м2
|
Sн, кВА
|
Категория
|
Тип
п/ст
|
Nmin
|
NТЭ
|
Qт, квар
|
Qбк, квар
|
Кзагр.н
|
Кзагр.ф
|
|
2+5+15
|
176,09
87,44 152,08
|
87,32
52,04 111,93
|
196,55
101,75 188,83
|
791
2848 475
|
0,118
|
630
|
III
|
Однотр.
|
0,69
|
1
|
430,66
|
-
|
0,9ч0,95
|
0,771
|
|
6+1+3
|
1599,52
108,25 65,12
|
1457,05
61,36 79,41
|
2163,67
124,43 102,7
|
475
2658 3291
|
0,372
|
1000
|
II
|
Однотр.
|
2,22
|
3
|
1617,67
|
-
|
0,7ч0,8
|
0,796
|
|
7
|
267,36
|
222,21
|
347,65
|
1139
|
0,305
|
400
|
II
|
Однотр.
|
0,84
|
1
|
175,84
|
50
|
0,7ч0,8
|
0,795
|
|
8
|
304,14
|
360,44
|
471,61
|
2183
|
0,216
|
630
|
II
|
Однотр.
|
0,60
|
1
|
361,6
|
-
|
0,7ч0,8
|
0,749
|
|
9+4+11
|
286,36
67,61 73,61
|
483,1
45,62 54,53
|
561,59
81,56 91,61
|
5031
791 285
|
0,12
|
400
|
II
|
Однотр.
|
1,34
|
2
|
476,21
|
2Ч67
|
0,7ч0,8
|
0,775
|
|
10+осв.
террит.
|
196,25
122,65
|
193,15
163,12
|
275,36
204,09
|
3639
223003
|
0,002
|
630
|
II
|
Однотр.
|
0,63
|
1
|
390,28
|
-
|
0,7ч0,8
|
0,759
|
|
12
|
439,58
|
458,16
|
634,93
|
7594
|
0,084
|
400
|
II
|
Однотр.
|
1,37
|
2
|
465,16
|
-
|
0,7ч0,8
|
0,794
|
|
13
|
286,23
|
295,87
|
411,66
|
3038
|
0,136
|
400
|
II
|
Однотр.
|
0,89
|
1
|
143,08
|
167
|
0,7ч0,8
|
0,785
|
|
14+16
|
200,38
300
|
354,26
270
|
407
403,61
|
5347
1266
|
0,123
|
400
|
II
|
Однотр.
|
1,56
|
2
|
399,02
|
2´133
|
0,7ч0,8
|
0,769
|
Таблица 2.6. Выбор числа и мощности
трансформаторов ЦТП для варианта №2.
|
№
|
Ррц,
кВт
|
Qрц, квар
|
Sрц, кВА
|
F, м2
|
s, кВА/м2
|
Sн, кВА
|
Категория
|
Тип
п/ст
|
Nmin
|
NТЭ
|
Qт, квар
|
Qбк, квар
|
Кзагр.н
|
Кзагр.ф
|
|
2+5+15
|
176,09
87,44 152,08
|
87,32
52,04 111,93
|
196,55
101,75 188,83
|
791
2848 475
|
0,118
|
250
|
III
|
Однотр.
|
1,75
|
2
|
229,99
|
2Ч20
|
0,9ч0,95
|
0,932
|
|
6+1+3
|
1599,52
108,25 65,12
|
1457,05
61,36 79,41
|
2163,67
124,43 102,7
|
475
2658 3291
|
0,372
|
630
|
II
|
Однотр.
|
3,52
|
4
|
959,75
|
4´167
|
0,7ч0,8
|
0,794
|
|
7
|
267,36
|
222,21
|
347,65
|
1139
|
0,305
|
400
|
II
|
Однотр.
|
0,84
|
1
|
175,84
|
50
|
0,7ч0,8
|
0,795
|
|
10+8
|
196,25
304,14
|
193,15
360,44
|
275,36
471,61
|
3639
2183
|
0,128
|
400
|
II
|
Однотр.
|
1,56
|
2
|
399,01
|
2Ч100
|
0,7ч0,8
|
0,766
|
|
9+4+11
|
286,36
67,61 73,61
|
483,1
45,62 54,53
|
561,59
81,56 91,61
|
5031
791 285
|
0,12
|
400
|
II
|
Однотр.
|
1,34
|
2
|
476,21
|
2Ч67
|
0,7ч0,8
|
0,775
|
|
12
|
439,58
|
458,16
|
634,93
|
7594
|
0,084
|
630
|
II
|
Однотр.
|
0,87
|
1
|
246,55
|
225
|
0,7ч0,8
|
|
13
|
286,23
|
295,87
|
411,66
|
3038
|
0,136
|
250
|
II
|
Однотр.
|
1,43
|
2
|
279,41
|
2Ч20
|
0,7ч0,8
|
0,768
|
|
14
|
200,38
|
354,26
|
407
|
5347
|
0,076
|
400
|
II
|
Однотр.
|
0,63
|
1
|
249,5
|
112
|
0,7ч0,8
|
0,786
|
|
16+осв
|
300
122,65
|
270
163,12
|
403,61
204,09
|
1266
223003
|
0,003
|
630
|
II
|
Однотр.
|
0,84
|
1
|
274,56
|
167
|
0,7ч0,8
|
0,793
|
2.6 Выбор способов канализации электроэнергии в
схеме электроснабжения
Канализация электрической энергии может
осуществляться, как открыто по элементам строительных конструкций зданий, по
эстакадам, так и в земле, преимущество того или другого вида прокладки
определяются условиями окружающей среды, плотностью застройки территории
предприятия, расположения цехов, с учетом требований по электробезопасности
[1].
В рассматриваемых вариантах, с учетом условий
приведенных выше:
для кабельных линий на напряжение выше 1 кВ
применяется открытая прокладка по стенам зданий и эстакадам;
для кабелей ниже 1 кВ применяется прокладка в
земле;
там где кабели проходят по территории цеха
применяется прокладка в кабельных каналах в полу.
.7 Разработка схемы электроснабжения предприятия
на основе технико-экономических расчетов (ТЭР)
.7.1 Разработка двух вариантов схемы
электроснабжения
Общая тенденция построения современных схем
электроснабжения - максимальное приближение источника питания высокого
напряжения к месту потребления. Все элементы системы электроснабжения должны
нести постоянную нагрузку. Резерв должен быть заложен в самой схеме таким
образом, чтобы при выходе из строя какого-либо элемента, оставшиеся в работе
могли воспринять дополнительную нагрузку за счет перераспределения нагрузок с
учетом их допустимых перегрузок в соответствии с действующими инструкциями. В
схеме обратные перетоки мощности должны быть сведены к минимуму. Для
распределения электрической энергии по предприятию находят применение
радиальные, магистральные и смешанные схемы в зависимости от территориального
размещения нагрузок, их величины, требуемой степени надежности питания и других
характерных особенностей предприятия [1].
При разработке схемы электроснабжения
учитываются:
расположение ЦТП и силовых пунктов (СП);
капитальные вложения при разных вариантах;
величина потерь электроэнергии и расход
проводникового материала.
Магистральные схемы подключения более
экономичны:
к одной магистрали подключаются несколько ЦТП;
снижается суммарная длина КЛ;
уменьшается количество присоединений на ГПП и
РП.
Однако магистральные схемы менее надежны, чем
радиальные. Последствия аварийных отключений присоединений более тяжелые.
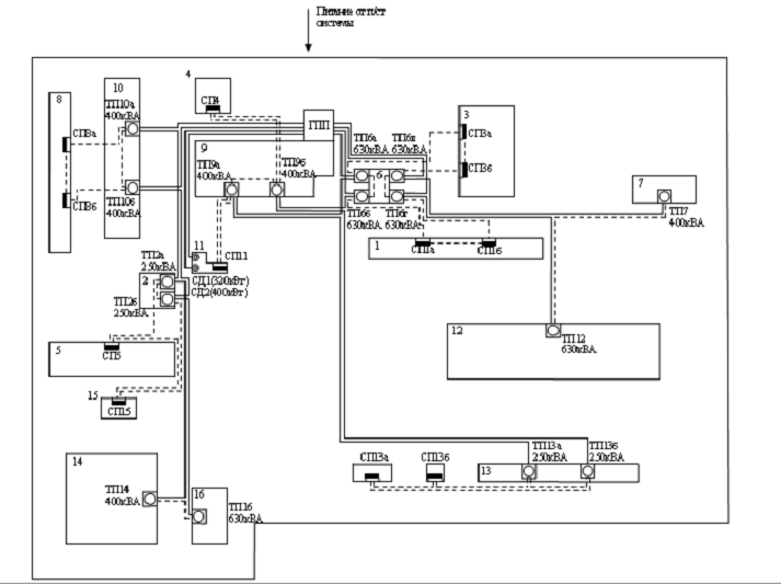
Вариант №1 схемы представлен на рисунке 2.1,
вариант №2 - на рисунке 2.2. В курсовом проекте для обоих вариантов используется
смешанная схема электроснабжения завода, а высоковольтная сеть (10 кВ)
выполнена магистральными линиями, за исключением питания высоковольтных
двигателей, которые запитываются непосредственно от ГПП по радиальной схеме.
Низковольтная сеть (0,4 кВ) выполнена радиальными линиями для силовых пунктов
цехов №4 и №11, питание всех остальных силовых пунктов спроектировано по
петлевой схеме, за исключением питания силовых пунктов цеха №13 в варианте №1,
там электроснабжение осуществляется по магистральной схеме.
Отличие вариантов состоит в том, что во втором
варианте в цехе №16 вместо силовых пунктов устанавливается трансформаторная
подстанция, мощность трансформатора - 630 кВА, а в цехе №8 вместо
трансформаторной подстанции устанавливается силовой пункт, питающийся от ТП
цеха №10. Также во втором варианте в цехе №14 устанавливается один
трансформатор 400 кВА вместо двух, в цехе №6 - четыре трансформатора по 630 кВА
вместо трех по 1000 кВА, в цехе №10 трансформатор мощностью 630 кВА заменяется
двумя трансформаторами мощностью 400 кВА ( нагрузка цеха №8 ). В цехе №2 - один
трансформатор 630 кВА заменяется двумя трансформаторами 250 кВА. В цехе №12 -
два трансформатора 400 кВА заменяются одним трансформатором 630 кВА. В цехе №
13 - один трансформатор 400 кВА заменяется двумя трансформаторами 250 кВА.
Рисунок 2.1.Вариант №1 схемы внутризаводского
электроснабжения.
Рисунок 2.2. Вариант №2 схемы внутризаводского
электроснабжения.
2.7.2 Выбор сечений жил кабелей (или
токопроводов)
После определения схем вариантов сети
внутризаводского электроснабжения производится выбор кабелей.
Для питания цехов выбраны кабели с
алюминиевыми жилами и пластмассовой изоляцией из поливинилхлорида в
поливинилхлоридной оболочке без наружного покрова типа АВВГ:
трёхжильные на напряжение выше 1000
В;
четырёхжильные на напряжение ниже
1000 В.
Кабельные линии напряжением выше 1000 В
выбираются по экономической плотности тока, исходя из расчетного тока,
протекающего по линии.
(А) (2.21)
где
- поток мощности, протекающий по КЛ
(с учетом потерь в трансформаторе), кВА;
- номинальное напряжение сети (10
кВ).
Экономическое сечение кабеля
(2.22)
где
- экономическая плотность тока (по
[2]
для ТМ =
4445,09 ч - см. пункт 2.7.3). По [2] выбирается ближайшее стандартное сечение
кабеля.
Поток мощности, входящий в кабель:
(2.23)
где
- расчетная мощность на стороне НН
ЦТП;
- потери
мощности в трансформаторе, которые определяются:
(2.24)
(2.25)
где
- число трансформаторов на ЦТП;
- потери активной мощности
холостого хода и ток холостого хода соответственно;
- номинальная мощность
трансформатора;
- номинальное напряжение
трансформатора на стороне ВН (10 кВ);
,
- напряжение в % и активные потери
короткого замыкания трансформатора соответственно.
Параметры (сопротивления) выбранного
стандартного кабеля:
(2.26)
(2.27)
где
- удельное активное и реактивное
сопротивления КЛ соответственно, Ом/км; l - длина КЛ,
км.
Расчет магистральных линий
производится от конца к началу. Сечение последующего участка КЛ определяется с
учетом мощности нагрузки в конце этого участка, а также с учетом мощности в
начале предыдущего участка.
Мощность в начале КЛ определяется:
(2.28)
где
- потери мощности в кабеле, которые
определяются:
(2.29)
(2.30)
После выбора сечения кабеля
производится его проверка по нагреву в послеаварийном
режиме, за который принимается отключение одного трансформатора или одной
кабельной линии.
, (А)
(2.31)
где
-
расчетный ток в послеаварийном режиме:
при отключении одного
трансформатора определяется по формуле
,(А) (2.32)
Это связано с тем, что резервный
кабель рассчитан на нагрузку, равную 30% номинальной мощности трансформатора.
при отключении одной кабельной линии
при параллельной работе
, (А) (2.33)
табличный допустимый
длительный ток;
коэффициент, учитывающий
допустимую перегрузку кабеля, определяемый по [2, п. 1.3.6]. На период
ликвидации послеаварийного режима для кабелей с поливинилхлоридной изоляцией
допускается перегрузка до 15% номинальной на время максимумов нагрузки
продолжительностью не более 6 часов в сутки в течение 5 суток, если нагрузка в
остальные периоды времени этих суток не превышает номинальной. Это значит, что
.
коэффициент, учитывающий
температуру окружающей среды и зависящий от условной температуры среды,
нормированной температуры жил и расчетной температуры среды, определяется по
1.3.3 [2].Так как в задании не заданы температуры окружающего воздуха и земли
то принимаем температуру окружающего воздуха равной
,
а температуру земли равной
, и по 1.3.3 [2]
.
коэффициент, учитывающий
способ прокладки, зависящий от количества кабелей в канале и расстояния в свету
между ними, определяется по 1.3.26. При открытом способе прокладки (линии 10кВ
) коэффициент
не
учитывается и он равен единице.
При двух, лежащих рядом
в земле, кабелях (линии 0,4кВ) на расстоянии между ними в свету 100 мм
коэффициент К3 = 0,9.
Длительно допустимые токи для четырехжильных кабелей 0,4кВ
выбираем как для трехжильных кабелей с коэффициентом 0,92.
Выбор сечения жил кабелей ниже 1000
В производится по нагреву:
, (А) (2.34)
Затем сечение кабелей проверяем в
послеаварийном режиме по формуле (2.31).
Результаты по расчету и выбору кабельных линий
на напряжение ниже 1000 В для обоих вариантов представлены в таблице 2.8, на
напряжение выше 1000 В - в таблице 2.9.
Пример расчета кабельной линии на
напряжение 0,4 кВ для линии СП3б-ТП6в. Нагрузка 1/2 части цеха №3:
( по табл.
2.3 ). Расчетный ток КЛ по (2.21):
По таблице 1.3.7 [2] выбираем
кабельную линию с сечением одной жилы 35 мм2, допустимый табличный
ток 90 А. С учетом поправочных коэффициентов по (2.34):
(А)
Удельные сопротивления КЛ по [15]:
длина линии
0,095 км. Полные сопротивления КЛ по (2.26) и (2.27):
Потери в кабельной линии по (2.29) и
(2.30):
Мощность в конце линии:
Пример расчета кабельной линии на
напряжение выше 1000 В для линии ТП7-ТП6в-ГПП. Паспортные данные
трансформаторов ЦТП приведены в таблице 2.7 по [5]:
Таблица 2.7. Паспортные данные
трансформаторов ЦТП
|
Тип
|
Мощность,
кВА
|
Напряжение
на стороне ВН
|
Напряжение
на стороне НН
|
, кВт % , кВт %
|
|
|
|
|
ТМГ-250/10
|
250
|
10
|
0,4
|
0,45
|
2
|
3,7
|
4,5
|
|
ТМГ-400/10
|
400
|
10
|
0,4
|
0,6
|
2
|
5,4
|
4,5
|
|
ТМГ-
630/10
|
630
|
10
|
0,4
|
0,94
|
2
|
7,6
|
5,5
|
|
ТМГ-
1000/10
|
1000
|
10
|
0,4
|
1,25
|
2
|
10,8
|
5,5
|
Нагрузка цеха №7 (с учетом
компенсации реактивной мощности):
(по таблице 2.5). Потери в
трансформаторе по (2.24) и (2.25):
,
.
Мощность в начале линии:
Расчетный ток КЛ по (2.21):
Экономическое сечение по (2.22):
.
По таблице 1.3.7 [2] выбираем
кабельную линию с сечением одной жилы 10 мм2, допустимый табличный
ток 42А. Послеаварийный ток по (2.32):
Проверка в
послеаварийном режиме по (2.31):
(А).
Удельные сопротивления КЛ по [15]:
длина линии
0,234 км. Полные сопротивления КЛ по (2.26) и (2.27):
Потери в кабельной линии по (2.29) и
(2.30):
Мощность в конце линии:
Нагрузка на трансформатор №6в ( с
учетом нагрузки от части цеха №6, от СП3б, СП1б и потерь в линиях СП3б - ТП6в и
СП1б-ТП6в) равна:
(по таблице 2.5 и предыдущим
расчетам).
Потери в трансформаторе по (2.24) и
(2.25)
.
Мощность в начале линии (с учетом
нагрузки от ТП7 и потерь в линии ТП7-ТП6в):
Расчетный
ток КЛ по (2.21):
Экономическое
сечение по (2.22):
.
По
таблице 1.3.7 [2] выбираем кабельную линию с сечением одной жилы 35 мм2,
допустимый табличный ток 90. Послеаварийный ток по
(2.32):
Проверка в послеаварийном режиме по (2.31):
(А).
Удельные
сопротивления КЛ по [15]:
длина линии
0,123 км. Полные сопротивления КЛ по (2.26) и (2.27):
Потери
в кабельной линии по (2.29) и (2.30)
Мощность
в конце линии, подходящей к ГПП:
В результате расчетов все кабельные
линии проходят по условиям выбора в нормальном и послеаварийном режимах. Для
всех линий применяется марка кабеля АВВГ.
Таблица 2.8.Выбор кабельных линий 0,4 кВ.
|
Участок
|
, кВА , А , мм2 ,
Аl, км , кВт , квар , кВА
|
|
|
|
|
|
|
|
|
Для
варианта №1
|
|
СП
15-ТП 2
|
152,08+
j111,93
|
286,9
|
2´120
|
2×200×1×0,9·0,92=331,2
|
0,12
|
14,44
|
3,21
|
202,45
|
|
СП
5-ТП 2
|
87,44+
j52,04
|
154,6
|
95
|
170×1×1·0,92=156,4
|
0,084
|
1,85
|
0,33
|
103,51
|
|
СП
1а-ТП 6б
|
54,125+
j30,68
|
94,53
|
50
|
110×1×1·0,92=101,2
|
0,065
|
1,01
|
0,09
|
63,14
|
|
СП
1б-ТП 6в
|
54,125+
j30,68
|
94,53
|
50
|
110×1×1·0,92=101,2
|
0,108
|
1,67
|
0,16
|
63,75
|
|
СП
3а-ТП 6а
|
32,56+j39,71
|
78,02
|
35
|
90·1·1·0,92=82,8
|
0,128
|
1,94
|
0,13
|
52,70
|
|
СП
3б-ТП 6в
|
32,56+
j39,71
|
78,02
|
35
|
90×1×1·0,92=82,8
|
0,095
|
1,44
|
0,09
|
52,35
|
|
СП16а-ТП14а
|
150+
j135
|
306,61
|
2´120
|
2×200×1×0,9·0,92=331,2
|
0,06
|
8,25
|
1,83
|
209,20
|
|
СП16б-ТП14б
|
150+
j135
|
306,61
|
2´120
|
2×200×1×0,9·0,92=331,2
|
0,087
|
11,96
|
2,66
|
212,56
|
|
СП11-ТП9а
|
73,61+
j54,53
|
139,19
|
95
|
170×1×1·0,92=156,4
|
0,095
|
1,69
|
0,30
|
93,15
|
|
СП4-ТП9б
|
67,61+
j45,62
|
123,92
|
70
|
140×1×1·0,92=128,8
|
0,11
|
2,10
|
0,27
|
83,46
|
|
СП
13а-СП 13б
|
95,41+
j98,62
|
208,48
|
2´70
|
2×140×1×0,9·0,92=231,84
|
0,06
|
6,50
|
0,85
|
142,41
|
|
СП
13б-ТП 13
|
95,41+
j98,62
|
208,48
|
2´70
|
2×140×1×0,9·0,92=231,84
|
0,11
|
11,91
|
1,55
|
146,80
|
|
Для
варианта №2
|
|
СП
15-ТП 2б
|
152,08+
j111,93
|
286,9
|
2´120
|
2×200×1×0,9·0,92=331,2
|
0,112
|
13,48
|
3,00
|
201,54
|
|
СП
5-ТП 2а
|
87,44+
j52,04
|
154,6
|
95
|
170×1×1·0,92=156,4
|
0,092
|
2,02
|
0,36
|
103,68
|
|
СП
1а-ТП 6б
|
54,125+
j30,68
|
50
|
110×1×1·0,92=101,2
|
0,065
|
1,01
|
0,09
|
63,14
|
|
СП
1б-ТП 6г
|
54,125+
j30,68
|
94,53
|
50
|
110×1×1·0,92=101,2
|
0,098
|
1,52
|
0,14
|
63,61
|
|
СП
3а-ТП 6а
|
32,56+j39,71
|
78,02
|
35
|
90·1·1·0,92=82,8
|
0,128
|
1,94
|
0,13
|
52,70
|
|
СП
3б-ТП 6в
|
32,56+
j39,71
|
78,02
|
35
|
90×1×1·0,92=82,8
|
0,095
|
1,44
|
0,09
|
52,35
|
|
СП
8а-ТП 10а
|
152,07+
j180,22
|
358,28
|
2´150
|
2×235×1×0,9·0,92=389,16
|
0,06
|
8,76
|
2,50
|
243,42
|
|
СП
8б-ТП 10б
|
152,07+
j180,22
|
358,28
|
2´150
|
2×235×1×0,9·0,92=389,16
|
0,054
|
7,88
|
2,25
|
242,65
|
|
СП11-ТП9а
|
73,61+
j54,53
|
139,19
|
95
|
170×1×1·0,92=156,4
|
0,095
|
1,69
|
0,30
|
93,15
|
|
СП4-ТП9б
|
67,61+
j45,62
|
123,92
|
70
|
140×1×1·0,92=128,8
|
0,11
|
2,10
|
0,27
|
83,46
|
|
СП
13а-ТП 13б
|
95,41+
j98,62
|
208,48
|
2´70
|
2×140×1×0,9·0,92=231,84
|
0,194
|
21,00
|
2,74
|
154,34
|
|
СП
13б-ТП 13а
|
95,41+
j98,62
|
208,48
|
2´70
|
2×140×1×0,9·0,92=231,84
|
0,085
|
9,20
|
1,20
|
144,59
|
Таблица 2.9. Выбор кабельных линий на напряжение
выше 1000 В.
|
Участок
|
, кВт , квар , кВА , кВт , квар , кВА , А , мм2l, км , кВт , квар ,
А ,
А ,кВА
|
|
|
|
|
|
|
|
|
|
|
|
|
|
|
Для
варианта №1
|
|
ТП14а-ТП2
|
258,44
|
180,96
|
315,50
|
3,96
|
19,20
|
330,03
|
19,05
|
10
|
0,183
|
0,63
|
0,02
|
25,98
|
42·1,15·1·1=48,3
|
330,54
|
|
ТП2-ТП10
|
431,90
|
254,83
|
501,47
|
5,76
|
34,55
|
854,77
|
49,35
|
25
|
0,138
|
1,29
|
0,11
|
60,26
|
75·1,15·1·1=86,25
|
855,89
|
|
ТП10-ГПП
|
318,90
|
356,27
|
478,15
|
5,32
|
32,56
|
1350,87
|
77,99
|
50
|
0,158
|
1,85
|
0,26
|
88,90
|
110·1,15·1·1=126,5
|
1352,44
|
|
ТП14б-ТП8
|
262,15
|
181,79
|
319,01
|
4,03
|
19,45
|
333,69
|
19,27
|
10
|
0,426
|
1,50
|
0,05
|
26,20
|
42·1,15·1·1=48,3
|
334,92
|
|
ТП8-ТП9а
|
304,14
|
360,44
|
471,61
|
5,20
|
32,02
|
827,94
|
47,80
|
25
|
0,232
|
2,04
|
0,17
|
58,71
|
75·1,15·1·1=86,25
|
829,49
|
|
ТП9а-ГПП
|
215,48
|
224,925
|
311,48
|
3,87
|
18,91
|
1157,28
|
66,82
|
35
|
0,204
|
2,51
|
0,25
|
73,75
|
90·1,15·1·1=103,5
|
1159,19
|
|
СД1-ГПП
|
240
|
-115,2
|
266,22
|
-
|
-
|
266,22
|
15,37
|
10
|
0,195
|
0,44
|
0,02
|
30,74
|
42·1,15·1·1=48,3
|
266,60
|
|
СД2-ГПП
|
300
|
-144
|
332,77
|
-
|
-
|
332,77
|
19,21
|
10
|
0,212
|
0,74
|
0,03
|
38,42
|
42·1,15·1·1=48,3
|
333,42
|
|
ТП13-ТП9б
|
304,64
|
131,27
|
331,72
|
4,31
|
20,38
|
344,16
|
19,87
|
10
|
0,442
|
1,65
|
0,06
|
26,80
|
42·1,15·1·1=48,3
|
345,67
|
|
ТП9б-ГПП
|
215,89
|
224,895
|
311,75
|
3,88
|
18,93
|
661,62
|
38,20
|
25
|
0,111
|
0,62
|
0,05
|
45,13
|
75·1,15·1·1=86,25
|
662,15
|
|
ТП12а-ТП6а
|
219,79
|
229,08
|
317,47
|
4,00
|
19,34
|
334,36
|
19,30
|
10
|
0,267
|
0,94
|
0,03
|
26,23
|
42·1,15·1·1=48,3
|
335,01
|
|
ТП6а-ГПП
|
592,90
|
532,74
|
797,08
|
8,11
|
54,94
|
1175,14
|
67,85
|
35
|
0,055
|
0,70
|
0,07
|
85,17
|
90·1,15·1·1=103,5
|
1175,68
|
|
ТП12б-ТП6б
|
219,79
|
229,08
|
317,47
|
4,00
|
19,34
|
334,36
|
19,30
|
10
|
0,309
|
1,09
|
0,04
|
26,23
|
42·1,15·1·1=48,3
|
335,12
|
|
ТП6б-ГПП
|
591,97
|
532,70
|
796,37
|
8,10
|
54,88
|
1174,52
|
67,81
|
35
|
0,069
|
0,88
|
0,09
|
85,13
|
90·1,15·1·1=103,5
|
1175,21
|
|
ТП7-ТП6в
|
267,36
|
172,21
|
318,02
|
4,01
|
19,38
|
332,19
|
19,18
|
10
|
0,234
|
0,82
|
0,03
|
26,11
|
42·1,15·1·1=48,3
|
332,87
|
|
ТП6в-ГПП
|
594,07
|
532,86
|
798,03
|
8,13
|
55,03
|
1171,41
|
67,63
|
35
|
0,123
|
1,55
|
0,15
|
84,95
|
90·1,15·1·1=103,5
|
1172,66
|
|
Для
варианта №2
|
|
ТП14-
ТП2а
|
200,38
|
242,26
|
314,39
|
3,94
|
19,12
|
331,76
|
19,15
|
10
|
0,205
|
0,71
|
0,02
|
26,08
|
42·1,15·1·1=48,3
|
332,22
|
|
ТП2а-
ТП10а
|
209,825
|
106,005
|
3,72
|
14,95
|
566,92
|
32,73
|
16
|
0,153
|
0,97
|
0,05
|
37,06
|
60·1,15·1·1=69
|
567,67
|
|
ТП10а-ГПП
|
258,955
|
179,295
|
314,97
|
3,95
|
19,16
|
896,18
|
51,74
|
35
|
0,135
|
1,00
|
0,10
|
58,67
|
90·1,15·1·1=103,5
|
897,01
|
|
ТП16-
ТП2б
|
422,65
|
266,12
|
499,45
|
5,72
|
34,38
|
523,26
|
30,21
|
16
|
0,188
|
1,02
|
0,06
|
41,12
|
60·1,15·1·1=69
|
524,13
|
|
ТП2б-
ТП10б
|
221,285
|
108,645
|
246,52
|
4,05
|
15,94
|
780,65
|
45,07
|
25
|
0,137
|
1,07
|
0,09
|
49,40
|
75·1,15·1·1=86,25
|
781,60
|
|
ТП10б-
ГПП
|
258,075
|
179,045
|
314,10
|
3,93
|
19,10
|
1109,49
|
64,06
|
35
|
0,18
|
2,04
|
0,20
|
70,99
|
90·1,15·1·1=103,5
|
1111,29
|
|
СД1-ГПП
|
240
|
-115,2
|
266,22
|
-
|
-
|
266,22
|
15,37
|
10
|
0,195
|
0,44
|
0,02
|
30,74
|
42·1,15·1·1=48,3
|
266,60
|
|
СД2-ГПП
|
300
|
-144
|
332,77
|
-
|
-
|
332,77
|
19,21
|
10
|
0,212
|
0,74
|
0,03
|
38,42
|
42·1,15·1·1=48,3
|
333,42
|
|
ТП13а-ТП9а
|
152,315
|
129,135
|
199,69
|
2,81
|
12,18
|
209,84
|
12,11
|
10
|
0,458
|
0,64
|
0,02
|
16,44
|
42·1,15·1·1=48,3
|
210,33
|
|
ТП9а-ТП6а
|
215,48
|
224,925
|
311,48
|
3,87
|
18,91
|
537,65
|
31.04
|
16
|
0,138
|
0,79
|
0,04
|
37,97
|
60·1,15·1·1=69
|
538,23
|
|
ТП6а-ГПП
|
445,16
|
232,585
|
502,26
|
5,77
|
34,62
|
1053,23
|
60,81
|
35
|
0,055
|
0,56
|
0,05
|
71,72
|
90·1,15·1·1=103,5
|
1053,70
|
|
ТП13б-ТП9б
|
164,115
|
130,675
|
209,78
|
3,06
|
12,92
|
220,38
|
12,72
|
10
|
0,468
|
0,72
|
0,03
|
17,05
|
42·1,15·1·1=48,3
|
220,95
|
|
ТП9б-ТП6б
|
215,89
|
224,895
|
311,75
|
3,88
|
18,93
|
548,09
|
31,64
|
16
|
0,077
|
0,46
|
0,03
|
38,57
|
60·1,15·1·1=69
|
548,44
|
|
ТП6б-ГПП
|
444,23
|
232,545
|
501,42
|
5,75
|
34,55
|
1063,43
|
61,40
|
35
|
0,069
|
0,72
|
0,07
|
72,31
|
90·1,15·1·1=103,5
|
1064,04
|
|
ТП12-ТП6г
|
439,58
|
233,16
|
497,59
|
5,68
|
34,22
|
519,37
|
29,99
|
16
|
0,222
|
1,19
|
0,07
|
40,90
|
60·1,15·1·1=69
|
520,43
|
|
ТП6г-ГПП
|
444,74
|
232,595
|
501,89
|
5,76
|
34,59
|
1044,20
|
60,29
|
35
|
0,149
|
1,49
|
0,15
|
71,20
|
90·1,15·1·1=103,5
|
1045,56
|
|
ТП7-ТП6в
|
267,36
|
172,21
|
318,02
|
4,01
|
19,38
|
332,19
|
19,18
|
10
|
0,246
|
0,86
|
0,03
|
26,11
|
42·1,15·1·1=48,3
|
332,91
|
2.7.3 Технико-экономическое
сравнение вариантов методом дисконтированных затрат
В том, случае, когда все
проектируемые схемы электроснабжения обеспечивают
одинаковый уровень выпуска продукции предприятием, критерием для выбора лучшего
из них является минимум дисконтированных затрат. Если суммарные
дисконтированные затраты отличаются на 5% и более, то выбирается вариант с
меньшими затратами. Если же суммарные дисконтированные затраты отличаются
менее, чем на 5 %, то варианты считаются равнозначными с экономической точки
зрения. В данном случае при выборе варианта необходимо воспользоваться
дополнительными критериями. К таким критериям можно отнести перспективность
схемы, удобство эксплуатации, серийность применяемого оборудования и т. д. [12,
14].
Технико-экономические расчеты производятся в
следующей последовательности:
1) определяются капитальные вложения по
вариантам, при этом одни и те же элементы, повторяющиеся в вариантах, не
учитываются. Капитальные вложения подсчитываются по укрупненным показателям;
) капитальные вложения должны быть приведены к
современной стоимости путем корректировки с учетом коэффициента пересчета
балансовой стоимости основных фондов в восстановительную;
) определяются затраты на текущий ремонт
элементов системы электроснабжения. Исходными величинами для этих величин
являются капитальные вложения в данный элемент схемы и норма амортизационных
отчислений в ремонтный фонд.
4) вычисляется стоимость ежегодных потерь
электроэнергии в системе электроснабжения. Вначале вычисляется удельная
стоимость максимальных нагрузочных потерь активной энергии (переменных потерь):
,(р/кВт) (2.35)
где
тариф на электроэнергию, руб./кВт×ч;
время использования максимума
нагрузки предприятия, ч/год, определяемое по формуле;
(2.36)
где
,
- максимальная активная и
реактивная нагрузка (по таблице 2.3);
,
- время использования максимальной
активной и реактивной нагрузок соответственно (по заданию).
время максимальных потерь:
,(ч) (2.37)
Удельная стоимость потерь энергии
холостого хода в трансформаторах:
,(р/кВт)
(2.38
где
календарное
время работы трансформаторов, принимается Тр=8700 час/год
Общая
стоимость потерь в системе электроснабжения определяется как стоимость
постоянных и переменных потерь в элементах сети
,(р) (2.39)
Для определения затрат на текущий
ремонт используются нормы амортизационных отчислений. Для электротехнического
оборудования системы электроснабжения норма амортизационных отчислений
составляет 4,4% в год, а для кабельных линий - 5% в год. Затраты на ремонт для
данных элементов сети составляют 120% от амортизационных отчислений [12, 14].
Все денежные потоки дисконтируются в
соответствии с принятой нормой дисконта, и выбирается оптимальный вариант.
Рассчитывается коэффициент
дисконтирования (на каждый период времени):
, (2.40)
где Е- норма дисконта,
Е=14
% (по заданию);
t=5
(лет) - период времени для которого рассчитывается коэффициент.
Находятся дисконтированные
затраты:
, (р)
(2.41)
где
- капиталовложения и текущие затраты в каждый из
сравниваемых вариантов, причем
для нулевого периода времени берутся только капиталовложения, а для остальных
периодов времени только текущие затраты.
- коэффициент дисконтирования для
каждого периода времени.
Данные для расчета дисконтированных
затрат по вариантам приведены в таблице 2.10. (по [ 5 ], [ 12 ] и [ 14 ])
Таблица 2.10. Данные по вариантам
|
Наименование
|
Ед.
изм.
|
Вариант
№1
|
Вариант№2
|
|
Суммарные
капиталовложения
|
|
|
тип
|
шт.
(км)
|
цена
за шт.(км)
|
стоимость,
тыс.руб.
|
тип
|
шт.
(км)
|
цена
за шт.(км)
|
стоимость, тыс.руб.
|
|
-
в ТП
|
шт.
|
ТМГ-1000
|
3
|
414,00
|
1242,00
|
ТМГ-
630
|
3
|
295,32
|
885,96
|
|
|
ТМГ-
400
|
2
|
202,31
|
404,62
|
ТМГ-
250
|
4
|
146,69
|
586,76
|
|
Всего
по ТП:
|
1646,62
|
1472,72
|
|
-
в КЛ
|
км
|
4Ч120
|
0,31
|
441,70
|
136,93
|
4Ч150
|
0,228
|
525,94
|
119,91
|
|
|
4Ч50
|
0,01
|
250,79
|
2,51
|
4Ч95
|
0,008
|
372,47
|
2,98
|
|
|
3Ч10
|
0,484
|
53,03
|
25,67
|
4Ч70
|
0,218
|
305,08
|
66,51
|
|
|
3Ч25
|
0,217
|
122,79
|
26,65
|
3Ч16
|
0,778
|
71,54
|
55,66
|
|
|
3Ч50
|
0,158
|
223,11
|
35,25
|
3Ч35
|
0,137
|
155,01
|
21,24
|
|
Всего
по КЛ:
|
227,01
|
266,30
|
|
-
в КУ
|
133
|
2
|
100,80
|
201,60
|
20
|
4
|
35,10
|
140,4
|
|
|
|
|
|
|
100
|
2
|
84,15
|
168,30
|
|
|
|
|
|
|
112
|
1
|
99,68
|
99,68
|
|
|
|
|
|
|
167
|
4
|
133,94
|
535,76
|
|
|
|
|
|
|
225
|
1
|
166,59
|
166,59
|
|
Всего
по КУ
|
201,60
|
1110,73
|
|
Итого:
|
2075,23
|
2849,75
|
|
Потери
в элементах сети
|
|
-
в ТП (ХХ)
|
кВт
|
11,37
|
11,04
|
|
-
в ТП (переменные)
|
кВт
|
61,31
|
60,62
|
|
-
в КЛ
|
кВт
|
19,25
|
16,61
|
|
Время
использования:
|
|
-
максимальных потерь
|
ч/год
|
2831,25
|
|
-
максимальной нагрузки
|
ч/год
|
4445,09
|
|
-
трансформа- торов
|
ч/год
|
8700
|
|
Тариф
на электроэнергию:
|
|
- р/кВт×ч4,3
|
|
|
Примечание: одинаковые элементы сети в различных
вариантах не учитываются, данные по стоимости оборудования даны с учетом
индекса цен по капитальным вложениям и элементам их технологической структуры
по отрасли «Электроэнергетика», т.е. уровень цен приближен к ценам 2013года.
Суммарные капиталовложения по каждому из
вариантов:
Затраты на текущий ремонт:
;
.
Стоимость удельных максимальных
потерь по (2.35):
Удельная стоимость потерь ХХ в
трансформаторах по (2.38):
Издержки на потери электроэнергии по
вариантам по (2.39):
Для сравнения вариантов необходимо
дисконтировать следующие денежные потоки:
суммарные капиталовложения
и
;
суммарные текущие расходы:
Результаты расчетов сведены в
таблицу 2.11
Таблица 2.11. Результаты расчетов
дисконтированных затрат по вариантам
Период времени
t,
год Коэффициент дисконтирования
Капиталовложения и текущие затраты
,
т.р.Дисконтированные затраты
|
, т.р.
|
|
|
|
|
|
Вариант
№1
|
Вариант
№2
|
Вариант
№1
|
Вариант
№2
|
|
0
|
1,0000
|
2075,23
|
2849,75
|
2075,23
|
2849,75
|
|
1
|
0,8772
|
1517,33
|
1505,61
|
1331,00
|
1320,72
|
|
2
|
0,7695
|
1517,33
|
1505,61
|
1167,59
|
1158,57
|
|
3
|
0,6750
|
1517,33
|
1505,61
|
1024,20
|
1016,29
|
|
4
|
0,5921
|
1517,33
|
1505,61
|
898,41
|
891,47
|
|
5
|
0,5194
|
1517,33
|
1505,61
|
788,10
|
782,01
|
|
Суммарные
дисконтированные затраты
|
7284,53
|
8018,81
|
Первый вариант экономичнее второго на 9,16% при
одинаковой степени надежности электроснабжения. Для дальнейшего расчета
выбираем первый вариант схемы внутреннего электроснабжения предприятия.
3. Разработка схемы внешнего электроснабжения
.1 Определение расчетной нагрузки предприятия на
UН = 6 - 10 кВ
Суммарная расчетная нагрузка предприятия
определяется как сумма нагрузок всех цехов с учетом потерь в кабельных линиях и
трансформаторах и составляет:
- активная нагрузка
реактивная нагрузка (без учета
реактивной мощности, генерируемой СД компрессорной)
п олная нагрузка
.
.2 Компенсация реактивной мощности
на UН = 6 - 10 кВ
.2.1 Компенсирующая способность
синхронных двигателей
Часть реактивной мощности комбината
компенсируется за счет генерации реактивной мощности синхронными двигателями
компрессорной, которая определяется по выражению:
h,(квар)
(3.1)
где
=0,8 - коэффициент загрузки
синхронного двигателя по активной мощности;
=320+400=720(кВт)-номинальная
активная мощность двигателей [7];
=-0,48- значение
синхронных
двигателей [7];
h=0,94 - коэффициент
полезного действия СД [7].
(квар).
Таким образом, расчетная реактивная нагрузка на
шинах ГПП с учетом реактивной мощности, генерируемой синхронными двигателями
компрессорной составит:
.2.2 Выбор мощности и мест
размещения конденсаторных установок на UН = 6 - 10 кВ
Для того, чтобы выбрать мощность КУ
на шинах 10 кВ ГПП необходимо учесть режим работы энергоснабжающей организации.
Значение
на шинах НН
ГПП определяется:
, (3.2)
По заданию значение
на шинах ВН
ГПП не должно превышать 0,3, поэтому необходимо скомпенсировать часть
реактивной мощности, за счет установки высоковольтных БСК. Для того, чтобы
не превышал
указанного значения, реактивная нагрузка на шинах НН ГПП не должна превышать
(квар) (3.3)
Следовательно, мощность КУ должна
составлять не менее
(квар) (3.4)
На одну секцию шин ВН ГПП устанавливаем
ККУ типа УКЛ-10,5-1350 У1 мощностью 1350 (квар), на другую секцию шин ВН ГПП
устанавливаем ККУ типа УКЛ-10,5-1350 мощностью 1350 (квар) [7].
Значение расчетной реактивной мощности с учетом
компенсации на стороне ВН ГПП определяется по формуле:
,(квар) (3.5)
где
- стандартное значение реактивной
мощности вырабатываемое КУ.
(квар).
Значение
на шинах ВН
ГПП составит:
Значение
не
превышает 0,3.
Значение полной нагрузки на
трансформаторы ГПП с учетом компенсации реактивной мощности составит:
.3 Выбор числа и номинальной
мощности трансформаторов ГПП
На основании требований,
предъявляемых к выбору числа и мощности трансформаторов ГПП, выбираем
двухтрансформаторную подстанции [10].
При выборе мощности трансформаторов ГПП
используем расчетную нагрузку комбината с учетом режима работы энергоснабжающей
организации по реактивной мощности
Учитывается так же, что в послеаварийном режиме
(при отключении одного из трансформаторов) оставшийся в работе трансформатор
несет полную нагрузку предприятия с допустимой перегрузкой.
Мощность одного трансформатора ГПП определяется
по условию [10]:
>(0,65¸0,7) ·
,(кВА)
(3.6)
>(0,65¸0,7)·5651,86=3673,71¸3956,302(кВА).
Выбираем два трансформатора типа
ТМН-6300/110. Паспортные данные трансформатора приведены в таблице 3.1 (по [9])
Таблица 3.1 Данные трансформатора ГПП
|
ТИП
|
Мощность,
кВА
|
Uном, кВ
|
Пределы
регулирования
|
Uк, %
|
кВт кВт А
|
|
|
|
|
ВН
|
НН
|
|
|
|
|
|
|
ТМН-6300/110
|
6300
|
115
|
11
|
±9х1,78%
|
10,5
|
44
|
10
|
1
|
Потери в трансформаторах ГПП:
,(кВт) (3.7)
,(квар) (3.8)
(кВт),
(квар).
Полная мощность на стороне ВН ГПП:
3.4 Выбор схем РУВН и РУНН ГПП
На стороне ВН ГПП выбираем открытое
распределительное устройство - мостик с выключателями в цепях линии и ремонтной
перемычкой со стороны линии. На стороне НН выбрано закрытое распределительное
устройство со схемой: « одна рабочая секционированная система шин » с ячейками
К- 59 и выключателями ВВ / TEL - 10 [ 9 ].
.5 Выбор сечений проводов (кабелей)
питающей линии
Выбор проводов ВЛЭП произведен по экономической
плотности тока [2]:
Расчетный ток:
,(А) (3.9)
где n=2 - число цепей ВЛЭП.
(А)
(
),

, по [2, табл. 1.3.36].
Расчетный ток в послеаварийном
режиме при отключении одной цепи ВЛЭП:
(А).
Выбираем провод марки АС-70/11
сечением 70
(т.к. для
сетей напряжением 110кВ минимальное сечение ВЛ составляет 70
).
По [2, табл. 1.3.29]
.
По [15]
(Ом/км),
(Ом/км),
(см/км).
Расстояние от п/ст энергосистемы до
комбината 6 км (по заданию).
Зарядная мощность линии:
,(квар) (3.10)
(квар)
Определим потери мощности в ЛЭП,
считая генерацию реактивной мощности воздушной линией равной
в начале и
в конце линии.
,(кВт) (3.11)
,(квар) (3.12)
(кВт)
(квар)
Мощность в начале ВЛЭП:
(кВт),
(квар).
.
4. Расчет токов КЗ
и проверка сечений кабелей по термической стойкости
Электрические
аппараты и проводники должны обладать необходимой электродинамической и
термической стойкостью к действию токов КЗ, поэтому необходимо проверить
выбранные сечения КЛ (выше 1000В).
При расчетах
активное сопротивление схемы замещения электрической системы не учитываем,
согласно [1].
Рассматриваем
наиболее тяжелый случай работы, когда один трансформатор ГПП выведен в ремонт,
а секционный выключатель на стороне НН ГПП замкнут.
Схема для расчета токов КЗ
представлена на рисунке 4.1.
Схема замещения для расчета тока КЗ на шинах ГПП 10 кВ приведена
на рисунке 4.2.
Рисунок 4.1.Схема
сети для расчета тока КЗ
Рисунок 4.2. Схема
замещения сети
Значения
сопротивлений схемы замещения определяются по выражениям в относительных
единицах при Sб=Sс=700 МВА,
(о.е.)
по заданию.
Для системы:
(о.е.);
(о.е.);
(4.1)
(о.е.).
Для
ВЛЭП:
,(о.е.)
(4.2)
где
- сопротивление прямой последовательности на 1 км длины [
9 ];
-
длина линии;
-
значение напряжения по шкале средних напряжений.
(о.е.)
Для
трансформатора ГПП:
,(о.е)
(4.3)
где
- напряжение короткого замыкания трансформатора;
-
номинальная мощность трансформатора (МВА).
(о.е.).
Для КЛ:
(о.е.);
Для
синхронных двигателей:
,(о.е)
(4.4)
где
- сверхпереходное сопротивление синхронного двигателя( по
[ 9 ] );
-
номинальная мощность синхронного двигателя [ 9 ].
(о.е.);
(о.е.)
Рисунок 4.3.
Преобразование схемы относительно точки короткого замыкания.
Х8 = Х1 + Х2 + Х3 =
0,8 + 0,071 + 11,667 = 12,538 (о.е.);
Рисунок 4.4.
Эквивалентная схема замещения.
(о.е.).
Ток КЗ находим по
выражению:
,(о.е)
(4.5)
(о.е.).
Находим
ток КЗ в именованных единицах по формуле:
,(кА)
(4.6)
(кА).
Проверяем кабели по
термической стойкости.
,(мм2)
(4.7)
где
- минимально допустимое сечение кабеля, мм2
С -
коэффициент для расчета сечений кабелей, минимальных по условию термической
стойкости к токам КЗ [9];- интеграл Джоуля.
, (4.8)
где
время срабатывания защиты и выключателя [9];
ТА -
постоянная времени затухания апериодической составляющей тока [9].
(кА2
с),
тогда
(мм2).
В данных расчетах было принято, что в качестве
защиты линий используется токовая отсечка с временем срабатывания 0,1 с и
выключатель с временем отключения 0,06 с [9].
Минимальное стандартное сечение,
удовлетворяющее условию термической стойкости на КЛ отходящих от ГПП является
. Все КЛ,
которые в курсовом проекте не удовлетворяют данному требованию, приводим в
соответствие с условием термической стойкости. Кабельные линии ТП14а-ТП2,
ТП14б-ТП8, СД1-ГПП, СД2-ГПП, ТП13-ТП9б, ТП12а-ТП6а, ТП12б-ТП6б, ТП7-ТП6в
проектируем сечением 25 мм2.
5. Расчет установившихся режимов сети
предприятия
Установившиеся режимы электрических сетей - это
режимы при практически неизменных параметрах (напряжение, нагрузки, частота)
или очень медленных их изменениях. Расчет производится для оценки уровней
напряжения в узлах и элементах сети и разработки мероприятий, обеспечивающих
поддержание уровней напряжения в допустимых пределах [8].
В данном курсовом проекте производится расчет
режимов максимальных и минимальных нагрузок. Напряжение на шинах подстанции
должно быть не ниже 1,05Uном в режиме максимальных нагрузок и не ниже 1,0Uном в
режиме минимальных нагрузок. Расчет производится с помощью программного
комплекса «ЭНЕРГИЯ» на ЭВМ. По заданию на шинах питающей подстанции напряжение
поддерживается: в режиме максимальных нагрузок - 1,06Uн, в режиме минимальных
нагрузок - 1,01Uн. По [3] активная нагрузка предприятий стройиндустрии в режиме
минимальных нагрузок составляет 70% от активной нагрузки в режиме максимальных
нагрузок, реактивная нагрузка в режиме минимальных нагрузок - 77,3% реактивной
нагрузки в режиме максимальных нагрузок. На трансформаторах ГПП установлено
устройство РПН, на ЦТП регулирование производится сезонно с помощью устройства
ПБВ. РПН имеет предел регулирования ±9´1,78%,
ПБВ - ±2´2,5%
[13]. Коэффициенты трансформации трансформаторов ГПП приведены в таблице 5.1,
трансформаторов ЦТП - в таблице 5.2.
Значение коэффициентов трансформации
определяется по формуле
(5.1)
где
- напряжение на стороне НН
трансформатора;
- напряжение на стороне ВН
трансформатора;- номер отпайки;
DК,%
- ступень регулирования.
Таблица 5.1 Коэффициенты трансформации
трансформаторов ГПП
|
№
отпайки
|
-9
|
-8
|
-7
|
-6
|
-5
|
-4
|
-3
|
-2
|
-1
|
0
|
1
|
2
|
3
|
4
|
5
|
6
|
7
|
8
|
9
|
|
КТ
|
0,1137
|
0,1113
|
0,1090
|
0,1069
|
0,1048
|
0,1028
|
0,1008
|
0,0990
|
0,0972
|
0,0955
|
0,0938
|
0,0922
|
0,0906
|
0,0891
|
0,0877
|
0,0862
|
0,0849
|
0,0836
|
0,0823
|
Таблица 5.2. Коэффициенты трансформации
трансформаторов ЦТП
|
№
отпайки
|
-2
|
-1
|
0
|
1
|
2
|
|
КТ
|
0,0421
|
0,0410
|
0,04
|
0,0390
|
0,0381
|
Отклонение напряжения у потребителей при нулевых
отпайках РПН и ПБВ выходят за допустимые пределы, поэтому принимается решение о
регулировании напряжения.
Регулирование напряжения осуществляется
посредством РПН, ПБВ и изменением мощности БСК.
Выбранные номера отпаек РПН и ПБВ представлены в
таблице 5.3.
Рисунок 5.1. Расчет режима максимальных нагрузок
Рисунок 5.2. Расчет режима минимальных нагрузок
|
№
ТП
|
Режим
максимальных нагрузок
|
Режим
минимальных нагрузок
|
|
Т1
ГПП
|
2
|
3
|
|
Т2
ГПП
|
2
|
3
|
|
ТП2
|
1
|
1
|
|
ТП6а
|
0
|
1
|
|
ТП6б
|
1
|
1
|
|
ТП6в
|
0
|
1
|
|
ТП7
|
1
|
1
|
|
ТП8
|
0
|
1
|
|
ТП9а
|
0
|
1
|
|
ТП9б
|
1
|
1
|
|
ТП10
|
0
|
1
|
|
ТП12а
|
0
|
1
|
|
ТП12б
|
1
|
1
|
|
ТП13
|
1
|
1
|
|
ТП14а
|
1
|
1
|
|
ТП14б
|
0
|
1
|
В результате регулирования напряжения коэффициенты
загрузки трансформаторов и кабельных линий не превышают допустимых пределов.
Регулирование напряжения осуществляем на трансформаторах ГПП, на которых
установлено устройство РПН. На ЦТП регулирование производится сезонно с помощью
устройства ПБВ. РПН имеет предел регулирования ±9´1,78%,
ПБВ - ±2´2,5%
6. Технико-экономические показатели проекта
В данном разделе определяются суммарные
капиталовложения в систему электроснабжения по предприятию в целом; издержки на
силовое оборудование, кабельные линии; полезная энергия, полная потребляемая
энергия за год.
Также определяется относительная величина потерь
электроэнергии, средне-взвешенный КПД по энергии и себестоимость передачи
электроэнергии по распределительной сети.
Все перечисленные расчеты необходимы для
выявления эффективности капиталовложений.
Найдем суммарные капиталовложения:
,(тыс.руб) (6.1)
Результаты по расчетам
капиталовложений в элементы проекта представлены в таблице 6.1 (по [5, 12,
14]).
Таблица 6.1. Капиталовложения в
проект.
|
Оборудование
|
Стоимость
1 шт. или 1 км, тыс.руб
|
Количество,
шт. или длина, км
|
Суммарная
стоимость, тыс.руб.
|
|
Кабельные
линии 0,4 кВ марки АВВГ
|
|
35
мм2
|
200,28
|
0,223
|
44,66
|
|
50
мм2
|
250,79
|
0,173
|
43,39
|
|
70
мм2
|
305,08
|
0,45
|
137,29
|
|
95
мм2
|
372,47
|
0,179
|
66,67
|
|
120
мм2
|
441,70
|
0,534
|
235,87
|
|
|
ИТОГО:
|
527,88
|
|
Кабельные
линии 10 кВ марки АВВГ
|
|
25
мм2
|
122,79
|
2,749
|
337,55
|
|
35
мм2
|
155,01
|
0,451
|
69,91
|
|
50
мм2
|
223,11
|
0,158
|
35,25
|
|
|
ИТОГО:
|
442,71
|
|
Цеховые
трансформаторные подстанции
|
|
1´1000
|
414,00
|
3
|
1242,00
|
|
1´630
|
295,32
|
3
|
885,96
|
|
1×400
|
202,31
|
8
|
1618,48
|
|
|
ИТОГО:
|
3746,44
|
|
Комплектные
конденсаторные установки, 0,4 кВ
|
|
УКМ58-0,4-50-10У3
|
59,32
|
1
|
59,32
|
|
УКМ58-0,4-67-33,3У3
|
64,58
|
2
|
129,16
|
|
УКМ58-0,4-133-33,3У3
|
100,80
|
2
|
201,6
|
|
УКМ58-0,4-167-33,3У3
|
133,94
|
1
|
133,94
|
|
|
ИТОГО:
|
524,02
|
|
ГПП
|
|
ОРУ
110 кВ
|
26297,43
|
1
|
26297,43
|
|
КРУ
10 кВ
|
5601,4
|
1
|
5601,4
|
|
ТМН-6300/110
|
18560,00
|
2
|
37120,00
|
|
УКЛ-10,5-1350
У1
|
874,50
|
2
|
1749,00
|
|
|
ИТОГО:
|
70767,83
|
|
Воздушные
линии
|
|
Двухцепная
ВЛЭП 110 кВ АС-70
|
1951,00
|
6
|
11706,00
|
|
Силовые
пункты
|
|
СП
0,4 кВ
|
223,45
|
12
|
2681,4
|
|
Эстакады
|
|
Эстакада
10 кВ
|
3046,47
|
1,676
|
5105,88
|
|
Суммарные
капиталовложения
|
95502,16
|
Определим суммарные издержки:
издержки на амортизацию оборудования:
,(т.р/год) (6.2)
где
норма амортизационных отчислений:
- для силового оборудования
напряжением до 150 кВ [12];
- для КЛ [12];
- для ВЛ [12].
издержки на ремонт (по [12 издержки
на ремонт составляют 120% от издержек на амортизацию):
,(т.р/год) (6.3)
Результаты по расчету издержек на амортизацию и
текущий ремонт представлены в таблице 6.2.
Таблица 6.2. Издержки на амортизацию и текущий
ремонт
|
Тип
оборудования
|
Капиталовложения,
тыс.руб.
|
Норма
амортизационных отчислений a,%
|
Издержки
на амортизацию ,
тыс.руб/годИздержки на текущий ремонт , тыс.руб/год
|
|
|
КЛ
0,4 кВ
|
527,88
|
5
|
26,39
|
31,67
|
|
КЛ
10 кВ + Эстакады
|
5548,59
|
5
|
277,43
|
332,92
|
|
ЦТП
|
3746,44
|
4,4
|
164,84
|
197,81
|
|
ККУ
0,4 кВ
|
524,02
|
4,4
|
23,06
|
27,67
|
|
ГПП
|
70767,83
|
4,4
|
3113,78
|
3736,54
|
|
ВЛ
110 кВ
|
11706,00
|
3,3
|
386,30
|
463,56
|
|
СП
|
26,4
|
4,4
|
117,98
|
141,58
|
|
Суммарные
издержки
|
4109,78
|
4931,75
|
затраты на возмещение ежегодных потерь
электроэнергии:
,(т.р/год) (6.4)
ставка тарифа (по заданию)
потери электроэнергии.
,(кВт×ч/год) (6.5)
- переменные потери, кВт
время использования максимума
потерь, ч (см. раздел 2.6)
Тр - время работы трансформатора в
году, 8700 ч.
,(кВт) (6.6)
где
- суммарные потери в
трансформаторах, кабельных линиях, ВЛЭП соответственно, кВт;
- суммарные потери холостого хода в
трансформаторах.
79,02+84,01+3,57=166,6(кВт).
(кВт×ч/год)
(т.р/год).
Суммарные издержки:
,(т.р/год) (6.7)
Полезная энергия:
,(кВт×ч/год) (6.8)
где
суммарная активная осветительная
нагрузка, кВт;
время работы осветительных
установок в году, принимается 4000 ч. [9].
(кВт×ч/год).
Полная потребляемая за год энергия:
,(кВт×ч/год) (6.9)
(кВт×ч/год).
Относительная величина потерь электроэнергии:
, (6.10)
Средневзвешенный КПД по передаваемой энергии:
, (6.11)
Максимальный КПД составит:
, (6.12)
Себестоимость передачи ЭЭ:
,(руб/кВт×ч) (6.13)
Заключение
Исходя из задания на проектирование
электроснабжения комбината стройиндустрии в соответствии с действующими
нормативными и документами для проектирования внутризаводского
электроснабжения, был проведен расчет.
Нагрузки цехов определены по установленной
мощности цеха и его коэффициенту использования. В состав высоковольтной
нагрузки входят: два синхронных двигателя марки СДК2-16-29-14КУХЛ4 мощностью
320 кВт, СДК2-16-24-10КУХЛ4 мощностью 400 кВт. Для освещения цехов и складских
помещений были использованы люминесцентные лампы и лампы типа ДРЛ. Также был
произведен расчет нагрузки наружного освещения территории предприятия.
При определении центра электрических нагрузок
было выяснено, что ГПП целесообразно пристроить к цеху №9 со стороны подхода
питающей линии. Оптимальное напряжение для питания комбината - 110 кВ, для
внутризаводского электроснабжения принято напряжение 10 кВ. Внутрицеховые сети
выполнены на класс напряжения 0,38 кВ, что позволяет осуществлять питание
осветительной и силовой нагрузок от одного трансформатора.
Распределение электроэнергии по предприятию
выполнено по смешанной схеме, обеспечивающей необходимую степень надежности
питания потребителей в соответствии с категорией потребителей.
Для компенсации реактивной мощности на стороне
0,4 кВ установлены батареи статических конденсаторов серии УКМ мощностью 50,
67, 133 и 167 (квар).
Было составлено два варианта схемы внутреннего
электроснабжения комбината. Для обоих вариантов были определены марка и сечения
кабельных линий: были выбраны кабели марки АВВГ различных сечений, выбранные
сечения проверены по нагреву током послеаварийного режима, рассчитаны потери
мощности в этих линиях.
В цехах применяются установки КТП, что позволяет
более быстро выполнять монтаж системы электроснабжения, обеспечивать удобство в
эксплуатации этих установок. Канализация электроэнергии по предприятию
выполнена кабельными линиями марки АВВГ, проложенными по периметру зданий, а
также на эстакадах.
В результате технико-экономического сравнения
вариантов, который производился методом дисконтированных затрат, причем,
одинаковые элементы вариантов в расчете не учитывались, а критерием
оптимальности был критерий минимума дисконтированных затрат, к дальнейшему
рассмотрению был выбран вариант №1 схемы внутризаводского электроснабжения
(преимущество над вариантом №2 составило 9,16 %.
Произведен выбор трансформаторов на ГПП, к
установке приняли два трансформатора типа ТМН-6300/110.
Для поддержания заданного
= 0,3, на
шинах ВН ГПП устанавливаем высоковольтные БСК типа
УКЛ-10,5-1350 У3.
На стороне ВН было выбрано
открытое распределительное устройство - мостик с выключателями в цепях
линии и ремонтной перемычкой со стороны линии. На стороне НН выбрано закрытое
распределительное устройство со схемой: «одна рабочая секционированная система
шин» с ячейками К- 59 и выключателями ВВ / TEL - 10.
Произведен выбор питающей линий, в результате чего к проекту была принята ВЛЭП
на железобетонных опорах со сталеалюминевыми проводами марки АС-70/11.
Выбранное сечение ВЛЭП проверено по нагреву током послеаварийного режима.
Мощность, отходящая от питающей подстанции, должна составлять 5800,81 (кВА)
в режиме максимальных нагрузок.
Произведен расчет токов КЗ и на
основе этого было определено минимальное допустимое сечение кабельных линий по
условию термической стойкости - 25 (мм2).
Произведен расчет установившегося
режима максимальных нагрузок и режима минимальных нагрузок на ПЭВМ в
программном комплексе ''Энергия'', который показал, что напряжение на шинах
низковольтных силовых пунктов, а так же на шинах ГПП и ЦТП находится в допустимых
пределах. Коэффициенты загрузки трансформаторов ЦТП и кабельных линий не
превышают допустимых пределов. Регулирование напряжения осуществлялось с
помощью устройств РПН и ПБВ.
Произведенный расчет
технико-экономических показателей системы электроснабжения предприятия
- суммарные капиталовложения 95502,16 (тыс.руб);
ежегодные издержки на амортизацию, ремонт и
покрытия потерь электроэнергии 12243,333(тыс.руб./год);
- полная потребляемая за год энергия
-
(кВт×ч/год);
средневзвешенный КПД по передаваемой
энергии - 96,52%;
максимальный КПД системы - 96,39%;
себестоимость передачи
электроэнергии - 59,2 (коп/кВт×ч).
Приложение 1.
Генплан с картограммой нагрузок
цехов