Разработка и анализ структурной схемы автоматической системы управления на АЭС

  • Вид работы:
    Курсовая работа (т)
  • Предмет:
    Другое
  • Язык:
    Русский
    ,
    Формат файла:
    MS Word
    1,88 Мб
  • Опубликовано:
    2015-01-27
Вы можете узнать стоимость помощи в написании студенческой работы.
Помощь в написании работы, которую точно примут!

Разработка и анализ структурной схемы автоматической системы управления на АЭС















Курсовая работа

Разработка и анализ структурной схемы автоматической системы управления на АЭС

Содержание

ВВЕДЕНИЕ

Принципы и режимы управления. Выбор и обоснование программы управления энергоблоком

.1 Работа энергоблока АЭС в базовом режиме

.2 Принципы и режимы управления

Разработка схемы АСУ ТП ЭБ АЭС

.1 Унифицированный комплекс технических средств

.1.1 Технологическая сигнализация

.1.2 Технологические защиты и блокировки

.1.3 Управление ЗРА, насосами, пневмоарматурой и предохранительными устройствами

.2 Технологический и теплотехнический контроль на АЭС

.3 Регулирование технологических параметров

.4 СУЗ реактора ВВЭР-1000

.4.1 Программно-технический комплекс СГИУ - М

.4.2 Программно-технический комплекс АРМ, РОМ, УПЗ

.4.2.1 Режимы работы АРМ

.4.2.2 Рабочие режимы РОМ

.4.2.3 Алгоритмы группы функций УПЗ

.4.3 Программно-технический комплекс АЗ-ПЗ

.4.4 Электропитание СУЗ напряжением 220В

.5 Система управления турбиной

.6 Система внутриреакторного контроля

.7 Система контроля нейтронного потока

.8 ИВС энергоблока

.9 Система управления ступенчатым пуском

.10 Посты управления энергоблоком

Регуляторы БРУ-К.

Приложение А

Приложение Б

автоматическое управление турбина электропитание энергоблок

ВВЕДЕНИЕ

Стратегией развития ядерной энергетики планируется поддержка на протяжении 2006 - 2030 гг. части производства электроэнергии АЭС на уровне, достигнутому в 2005 году (то есть, около половины от суммарного годового производства электроэнергии в Украине).

Автоматическое управление является более точным, быстродействующим и эффективным по сравнению с ручным управлением, поэтому тенденция его повсеместного внедрения, глубоко оправдана. Автоматизация в промышленности означает дальнейший рост производительности труда, в военном деле - колоссальное повышение эффективности использования боевых и технических средств. Современная автоматизированная система состоит из большого количества вычислительных машин, соединённых в один могучий комплекс управления, в котором координирующее действие и контроль осуществляет человек.

В последнее время атомные электрические станции (АЭС) вышли на уровень производства электроэнергии, соответствующий тепловым (ТЭС) и другими электростанциям, а в некоторых странах (Франция, Япония, Украина) обошли их. Однако вместе с тем ядерная энергетика выдвинула серьезные требования к решению проблем предотвращения аварий (особенно после чернобыльской катастрофы), прогнозирование и профилактика которых тесно связаны с работой систем автоматического управления (САУ).

Автоматизированные системы управления технологическими процессами (АСУ ТП) содержат различные подсистемы, сочетающие в себе централизованные и децентрализованные средства контроля и управления. Они требуют значительного количества и разнообразия средств измерений, обеспечивающих выработку сигналов измерительной информации в форме, удобной для дистанционной передачи, сбора, дальнейшего преобразования, обработки и представления её оператору.

АСУ ТП призвана решать три основные группы функций:

информационные;

управляющие;

вспомогательные.

В информационные функции входят сбор, обработка, распределение и представление информации о работе оборудования и ходе ТП, а также выполнение расчетов, связанных с эффективностью работы технологического оборудования.

К управляющим функциям АСУ ТП относится выработка управляющих сигналов на различные регуляторы, предназначенные для поддержания контролируемых параметров на заданном уровне.

Эти сигналы формируются посредствам сравнения сигнала измерительной информации, характеризующего состояние измеряемой среды, с сигналом - уставкой.

На АСУ ТП возложено огромное количество функций, выполнять которые человек, каким бы он подготовленным не был, просто не в состоянии. Сбой или отказ любого компонента АСУ ТП неизбежно приведет к нарушению работы всего предприятия. Поэтому к элементам АСУ ТП АЭС предъявляются достаточно высокие требования:

большой срок службы;

обеспечение возможности проверки работоспособности аппаратуры, а также контроля параметров технологического процесса при подготовке к пуску и при работающем реакторе без его остановки, без нарушений функции системы и работоспособности реакторной установки;

аппаратура АСУ ТП обеспечивает возможность неоперативного изменения заданных значений параметров настройки, а также уровней срабатывания аварийной защиты и предупредительной сигнализации;

устойчивость к климатическим и механическим воздействиям и т.д.

Проблемы надежности АСУ ТП предприятий:

стремление к росту производственной мощности, приходящийся на один технологический агрегат;

увеличение количества аппаратуры и систем автоматики;

повышение мощности агрегатов;

расширение функций, выполняемых аппаратурой автоматики;

интенсификация производственных процессов;

рост сложности аппаратуры и систем;

более медленный рост уровня надежности комплектующих элементов по сравнению с ростом их числа в аппаратуре;

увеличение важности выполняемых функций;

усложнение условий эксплуатации.

Анализируя обстановку, сложившуюся в настоящее время на крупных предприятиях и особенно на АЭС, становится очевидно, что разработка АСУ ТП является первостепенной задачей при проектировании любого промышленного объекта.

1 Принципы и режимы управления. Выбор и обоснование программы управления энергоблоком

1.1 Работа энергоблока АЭС в базовом режиме

До настоящего времени не решена задача создания достаточно емких электрических аккумуляторов, которые были бы способны накапливать энергию, которая вырабатывается ТЭС или АЭС. Поэтому в современных условиях производство электрической энергии в каждый момент времени должно соответствовать ее потреблению.

В суточном графике электрических нагрузок в энергосистеме (рисунок 1.1) можно выделить базовую, полупиковую и пиковую области. В пределах базовой области, ограниченной сверху ординатой соответствующей минимальной суточной (ночной) нагрузке, потребляемая мощность не меняется в течение суток. Пиковые области соответствуют утреннему и вечернему пикам нагрузки длительностью 3-4 часа и ограниченны снизу ординатой, соответствующей минимальной дневной нагрузке. Между ними располагается полупиковая область протяженностью 16-18 часов.

Рисунок 1.1 - Суточный график нагрузки энергосистемы

Основными показателями, характеризующими графики электрических нагрузок, являются коэффициент неравномерности

,

представляющий собой отношение минимальной суточной нагрузки Рmin к максимальной Рmax , и коэффициент заполнения

,

где Р - текущая нагрузка, соответствующая произвольному моменту времени t;

τ - продолжительность суток.

Коэффициент заполнения представляет собой отношение площади под кривой графика нагрузок к площади под ординатой, соответствующей максимальной суточной нагрузке. Последняя из этих площадей характеризует электроэнергию, которая была бы выработана при максимальной нагрузке оборудования в течение суток. Площадь под кривой фактического графика нагрузок характеризует действительно выработанное количество электроэнергии.

1.2 Принципы и режимы управления

Все многообразие эксплуатационных режимов энергоблоков АЭС может быть сведено к трем большим группам: нормальные режимы, режимы с ограничениями технологических параметров и аварийные режимы.

Нормальным режимам эксплуатации относятся все стационарные и переходные режимы энергоблока, с основной технологической задачей энергоблока - выработкой заданного количества энергии, при которых все технологические параметры, определяющие надежность оборудования, находятся в пределах, разрешенных правилами технической эксплуатации и другими нормативными документами. В числе нормальных режимов - пуски энергоблока из разных исходных состояний; стационарные режимы при любом уровне мощности в пределах регулировочного диапазона; переходные режимы, связанные с изменением мощности энергоблока; плановые остановы; расхолаживание реактора; перегрузка топлива. В число стационарных режимов входят режим работы с номинальной мощностью (номинальный режим) и режимы работы с мощностью, меньшей номинальной. Такие режимы называют режимами работы с частичными нагрузками или частичными режимами. Совокупность различных стационарных режимов обычно называют переменными режимами энергоблока. В стационарных нормальных режимах блок может работать неограниченно долге время. В нормальных режимах энергоблок работает подавляющую часть своего срока службы.

В процессе эксплуатации энергоблока (ЭБ) иногда возникают нештатные ситуации, связанные с отказом части входящих в состав блока параллельно работающих агрегатов (например, одного-двух главных циркуляционных насосов - ГЦН) или с такой неисправностью того или иного элемента блока, при которой этот элемент не может работать при каких-либо режимах, но вполне может продолжать функционировать в других режимах. В таких нештатных ситуациях не требуется останов блока, он может продолжать работу с определенными ограничениями мощности или иных технологических параметров. Ремонт же вышедшего из строя оборудования может быть произведен без останова блока или отложен до его очередного планового останова.

Эту группу режимов называют режимами с ограничениями технологических параметров (нештатными режимами). Поскольку причины, вынуждающие ограничивать технологические параметры, различны, эта группа режимов, при сравнительно малом времени работы в них, весьма обширна. Продолжительность непрерывной работы в нештатном режиме обычно не ограничивается.

Аварийные режимы связаны с отказом или повреждениями тех или иных элементов блока, отклонением за допустимые пределы технологических параметров, что создает угрозу безопасности дальнейшей эксплуатации блока. В таких режимах требуется либо немедленный останов блока, либо, в отдельных случаях, немедленное глубокое снижение его мощности до тех пределов, при которых восстановятся допустимые значения технологических параметров, с дальнейшим ограничением разрешенных значений мощности.

Среди многообразия аварийных режимов особое место занимают те режимы и ситуации, которые могут привести к повреждению ядерного топлива или к радиоактивному загрязнению помещений станции, а тем более к радиоактивному загрязнению территории за пределами станции, а также иметь другие последствия, влияющие на ядерную и радиационную безопасность АЭС. К таким режимам относятся, в частности, аварийные режимы, связанные с незапланированным изменением реактивности реактора; режимы работы с аварийным сокращением расхода теплоносителя активной зоной или отдельными технологическими каналами реактора, а также расхода питательной или подпиточной воды; режимы работы с появлением неплотностей, приводящих к большим или малым течам теплоносителя, а также из отдельных технологических каналов; режимы работы с нарушением герметичности оболочек ТВЭЛов и увеличением активности теплоносителя; режимы работы с повреждением главных паропроводов АЭС; режимы работы с потерей электрического питания (обесточиванием) цепей собственных нужд АЭС и другие.

Автоматизированное управление ЭБ может быть организованно на основе следующих основных принципов:

принцип управления по отклонению регулируемой величины от заданного значения;

принцип управления по возмущению (принцип компенсации);

комбинированный принцип управления.

Принцип управления по отклонению

В основу этого принципа положена зависимость между перемещением регулирующего органа и отклонением регулируемой величины от заданного значения.

Регулируемый параметр х(t) сравнивается с заданным у(t) и на основании разности этих величин  вырабатывается регулирующее воздействие g(t).


 - закон управления по отклонению.

АУУ - автоматическое управляющее устройство;

ОУ - объект управления.

В САР основанной на данном принципе используется обратная связь (ОС), то есть фактическое значение регулируемой величины с выхода подаётся на вход системы для сравнения с заданным значением и формирование регулирующего воздействия.

Достоинства метода: универсальность, простота.

Недостатки: малое быстродействие, ошибка регулирования.

Принцип управления по возмущению

В основу этого принципа положена зависимость между перемещением регулирующего органа и значением возмущающего воздействия.

Сущность принципа состоит в том, что из различных возмущений выбирается одно главное возмущение, на которое и реагирует САР.


 - закон управления по возмущению.

Достоинства метода: быстрая реакция на возмущение.

Недостатки: этот метод не учитывает все возмущения, все возмущения в основном внутренние.

Комбинированный принцип управления

Этот метод объединяет в себе два предыдущих метода.


 - закон регулирования комбинированного типа.

1.3 Выбор и обоснование программы регулирования

На блоках с реакторами ВВЭР получили распространение следующие программы регулирования:

) с постоянной средней температурой теплоносителя в 1-м контуре;

) с постоянным давлением во 2-м контуре;

) компромиссная программа с умеренным изменением обеих величин;

) комбинированная программа с Рп=cosnt при малых нагрузках и tсрт/н =const при больших нагрузках.

Рассмотрим программы регулирования, которые получили распространение на АЭС в Украине.

Программа tсрт/н=const (рисунок 1.5) наиболее благоприятна для 1-го контура. По этой программе для изменения мощности реактора требуется внести наименьшую реактивность (перемещение регулирующих стержней). Кроме того, при работе блока по этой программе объем теплоносителя 1-го контура постоянен, вследствие чего уменьшаются требуемые размеры компенсатора давления и облегчается работа их систем регулирования. Недостатком этой программы является повышение давления пара при снижении мощности. Это вызывает необходимость утяжеления оборудования 2-гго контура.

 

При этом термический КПД цикла остается низким при всех мощностях, так как на номинальной мощности Рп, поступающего на турбину, ниже допускаемого по условиям работы 2-го контура, а ан пониженной мощности, когда давление пара велико, КПД также низок из-за незначительного перепада давления на регулирующих клапанах. Указанные недостатки привели к тому, что эта программа уступает место более совершенным. Программа с постоянным давлением во втором контуре Рп = const (рисунок 1.6) позволяет повысить КПД цикла в номинальном режиме при той же стоимости оборудования второго контура. Кроме того, поскольку во 2-м контуре давление (и температура) постоянны, в оборудовании контура не возникают термические напряжения при изменении мощности. Однако при изменении этой программы для предотвращения закипания теплоносителя в 1-м контуре необходимо повысить его давление примерно на 30 кгс/см2 (3,0 МПа). Кроме того, значительные изменения температуры теплоносителя 1-го контура приводят к необходимости изменять реактивность на большую величину, усложняют работу системы компенсации объема, а также при быстрой смене режима могут вызвать нежелательные температурные напряжения в 1-м контуре. Однако, несмотря на это программа регулирования РII = const относится к числу наиболее распространенных.


2 Разработка схемы АСУ ТП ЭБ АЭС

АСУ ТП энергоблока с реактором ВВЭР-1000 предназначена для:

для автоматического регулирования мощности реактора, турбоустановки и внутриблочных параметров при работе блока, как в базовом режиме, так и по заданному диспетчерскому графику;

автоматического регулирования и дискретного управления при пуске блока из холодного, неостывшего и горячего состояния, планового останова блока с расхолаживанием или без него, изменения состава оборудования, находящегося в работе; автоматическое снижение мощности энергоблока или его останова при возникновении аварийных ситуаций на блоке или в энергосистеме;

автоматического снижения мощности энергоблока или его останова при возникновении аварийных ситуаций на блоке или в энергосистеме;

включения или автоматической работы системы безопасности;

автоматического выполнения операций в пределах уставок или отдельных агрегатов;

автоматического сбора информации о параметрах и состоянии технологического оборудования и представлении ее операторам в удобном для них виде;

автоматической регистрации текущих аварийных событий;

автоматической диагностики как некоторых технологических средств АСУ ТП, так и для выполнения отдельных функций.

При разработке АСУ ТП ЭБ АЭС необходимо учитывать, что:

работа оборудования происходит в жестких условиях (высокие давления и температуры);

большая часть оборудования во время работы недоступна для обслуживания;

работа оборудования связана с быстродействующими ядерными и тепловыми процессами.

С учетом этого система управления должна быть высоко автоматизирована.

АСУ ТП обеспечивает управление технологическими процессами как в нормальном, так и в аварийном режимах. Оператор осуществляет контроль за работой технических средств и управление неавтоматическими процессами. В нештатных ситуациях оператор может вмешиваться в работу АСУ ТП или полностью переключиться на ДУ.

АСУ ТП строиться по иерархическому принципу. На верхних уровнях - ЩУ, затем вычислительные комплексы, осуществляющие обработку информации, и, наконец, локальные подсистемы. Они являются полностью самостоятельными, так как они тесно связаны между собой каналами обмена информацией и командами. Кроме того, в каждой локальной подсистеме можно выделить как её подсистемы, так и отдельные системы регулирования различных параметров (уровень температура и так далее).

Для обеспечения выполнения заданных функций АСУ ТП в настоящее время широко используется вычислительная техника, которая осуществляет сбор и обработку информации, формирование управляющих сигналов.

В состав АСУ ТП энергоблока с реактором ВВЭР-1000 входят следующие структурные системы:

. Система управления и защиты реактора (СУЗ);

. Система внутриреакторного контроля (СВРК);

. Аппаратура контроля нейтронного потока (АКНП);

. Автоматизированная система управления турбоустановкой (АСУТ);

. Централизованная информационно-вычислительная система (ИВС) радиационного контроля (АКРБ);

. ИВС в комплекте с УКТС;

. Устройство логического управления (ФГУ);

8. Система контроля генератора

9. Система автоматического регулирования на базе аппаратуры «КАСКАД-2», ПТК, микроконтроллеров.

АСУ ТП выполняет следующие функции:

1. Информационные:

контроль за основными параметрами, то есть непрерывная проверка соответствия параметров процесса допустимым значениям и немедленное информирование персонала при возникновении несоответствия;

измерение или регистрация по вызову оператора тех параметров процесса, которые его интересуют в ходе управления технологическим объектом;

информирование оператора (по его запросу) на том или ином участке объекта управления в данный момент;

фиксирование времени отклонения некоторых параметров процесса за допустимые пределы;

вычисление по вызову оператора некоторых комплексных показателей, не поддающихся непосредственному измерению и характеризующих качество продукции или другие важные показатели технологического процесса;

вычисление технико-экономических показателей работы технологического объекта;

периодическая регистрация измеряемых параметров и вычисляемых показателей;

обнаружение и сигнализация наступления опасной предаварийной и аварийной сигнализации.

Выполнение всех этих функций обеспечивает своевременное оповещение оперативного персонала и передачу информации в вышестоящие системы.

. Управляющие:

стабилизация переменных технологических параметров на некоторых постоянных значениях, определяемых регламентом производства;

программное изменение режима процесса по заранее заданному закону;

защита оборудования от аварий;

формирование и реализация управляющих воздействий, обеспечивающих достижение или соблюдение режима, оптимального по технологическому или

технико-экономическому критерию;

распределение материальных потоков и нагрузок между технологическими агрегатами;

управление пусками и остановками агрегатов.

. Вспомогательные:

управление функционированием многомашинного комплекса;

управление функционированием КСО, М-64 и систем ФГУ;

обслуживание баз данных;

генерация и коррекция параметров настройки СВЧ;

диагностика состояния комплекса УВС.

2.1 Унифицированный комплекс технических средств

УКТС предназначен для:

-приёма и обработки команд операторов, технологических защит, блокировок, команд высшей иерархической ступени управления (УЛУ-II) и выдачи команд на исполнительные устройства управления арматурой и механизмами;

формирования команд технологических защит и блокировок при достижении определённых значений величины технологических параметров;

автоматического формирования команд управления (АВР, блокировки и т.д.);

формирования технологической (аварийной и предупредительной) сигнализации и индикации положения исполнительных механизмов;

сбора, обработки и выдачи дискретной информации в другие устройства;

приёма и обработки дискретной и аналоговой информации, аналого-дискретного преобразования сигналов.

Реализованные на базе УКТС устройства предназначаются для АСУ ТП и сопрягаются по своим техническим, информационным и другим характеристикам с другими устройствами и подсистемами АСУ ТП.

Блоки УКТС включает в себя базовый шкаф, кроссовый шкаф и шкаф-распределитель тока РТ.

2.1.1 Технологическая сигнализация

Сигнализация предназначена для оповещения персонала об отклонениях параметров технологического процесса от установленных норм, а также о нарушении режимов работы и неисправности технологического оборудования АЭС. На АЭС используются следующие виды сигнализации:

1.  Технологическая предупредительная сигнализация об отклонении параметров технологического процесса за допустимые пределы. Появление предупредительных сигналов требует от персонала особой бдительности и принятия мер по нормализации процесса.

2.  Аварийная сигнализация:

-сигнализация аварийного отклонения важнейших параметров, осуществляющаяся при срабатывании аварийных и технологических защит, фиксирующая действие защит и причину этого действия;

сигнализация аварийного отключения механизмов и срабатывания АВР.

3.  Вызывная сигнализация:

-Обобщённый сигнал о неисправности отдельных механизмов или агрегатов, обслуживаемых с местного щита без постоянного персонала. Этот сигнал является вызовом персонала к местному щиту.

Сигнализация нарушения в электропитании технологического оборудования или щитовых устройств (например, обрыв в цепях управления, потеря напряжения и т. п.);

4.  Сигнализация состояния механизмов (“ОТКРЫТО”, “ЗАКРЫТО”, “ВКЛЮЧЕНО”, “ОТКЛЮЧЕНО” и т. п.).

Различные виды сигналов отображаются на БЩУ (или РЩУ) с помощью индивидуальных световых табло, лампами со светофильтрами и сопровождаются звуком определённого тона в зависимости от вида сигнализации - звонком для предупредительной и ревуном для аварийной сигнализации.

Аварийная звуковая сигнализация на панелях HY 16-18 (АКНП и СУЗ) имеет переменную тональность и отличается от звуковой сигнализации на других панелях.

Поскольку для звукового сигнала определённого вида сигнализации используется один источник звука, электрической схемой звуковой сигнализации предусматривается повторность действия звукового сигнала, включающегося каждый раз при появлении нового сигнала.

Что касается светового сигнала, то при большом количестве сигналов, которые поступают на БЩУ, появление каждого нового сигнала должно привлекать внимание оператора. Это достигается применением “мигающего света” до момента квитирования кнопкой съема мигания, когда сигнал переводится на ровное свечение. Такой род сигнала эффективен, так как мигание обнаруживается человеческим глазом в 1,5-2 раза быстрее, чем ровное свечение. Обеспечение прерывистого свечения (мигания) достигается соответствующим построением электрической схемы световой сигнализации.

Помимо указанных особенностей электрическая схема сигнализации обеспечивает:

возможность оперативного опробования отдельных участков;

ручной съем мигания и звукового сигнала;

автоматический съём звукового сигнала по истечении установленного времени;

высокую надёжность в эксплуатации.

В целях повышения надёжности схем, а также повышения ремонтопригодности сигнализация разбивается на отдельные участки. При выводе из работы или неисправности одного участка остальные участки сохраняют работоспособность.

Вызывная сигнализация предназначена для обеспечения вызова персонала к щитам или панелям без постоянного обслуживающего персонала при появлении нарушений в работе оборудования, управляемого с этих щитов или в работе собственно щитов или панелей.

Вызывная сигнализация (рисунок 2.1) осуществляется зажиганием индивидуального или группового табло вызова оператора к тому или иному участку (панели неоперативного контура, БНС, РДС, МЩУ и т.д.) где произошло нарушение режима работы или исчезновение питания оборудования. Вызывная сигнализация сопровождается звонком.

Рисунок 2.1 - Формирование вызывной сигнализации

При прохождении сигнала вызывной сигнализации оператор обязан по оперативной связи или лично выяснить причины нарушения и принять меря для нормализации работы оборудования. При исчезновении причины сигнализации табло гаснет.

2.1.2 Технологические защиты и блокировки

Задачей атомной электростанции является превращение энергии, выделяющейся в результате деления атомных ядер горючего, в электрическую. Этот технологический процесс происходит по следующей цепи превращения энергии: энергия деления ядер - тепловая энергия теплоносителя и рабочего тела (пара) - механическая энергия ротора турбины - электрическая энергия, вырабатываемая генератором.

Использование электронных вычислительных машин - ЭВМ, которые вместе с отдельными устройствами объединяются в автоматизированную систему управления технологическим процессом - АСУТП.

Устройства ТЗиБ являются составной частью АСУТП и осуществляют ликвидацию повреждений и ненормальных режимов на технологическом оборудовании и являются важнейшей автоматикой, обеспечивающей надежную и устойчивую работу энергоблоков.

Для обеспечения нормальной работы технологического оборудования энергоблока необходимо возможно быстрее выявить и отделить (локализовать) место повреждения, восстанавливая, таким образом, нормальные условия для работы остальной части оборудования и прекращения разрушения в месте повреждения.

Опасные последствия ненормальных режимов также можно предотвратить, если своевременно обнаружить отклонение от нормального режима и принять меры к его устранению, снизить нагрузку агрегата, отключить поврежденный агрегат и включить резервный (АВР), понизить давление или температуру и т.д. или подать сигнал дежурному персоналу.

В связи с этим возникает необходимость в создании и применении автоматических устройств, выполняющих указанные операции и защищающих оборудование и его элементы от опасных последствий повреждений и ненормальных режимов.

ТЗиБ является основным видом автоматики, без которой невозможна нормальная и надежная работа современных энергетических установок.

ТЗиБ осуществляет непрерывный контроль за состоянием и режимом работы всех элементов энергетических установок и реагирует на возникновение повреждений и ненормальных режимов. При возникновении ненормальных режимов ТЗиБ выявляет их и в зависимости от характера нарушения производит операции, необходимые для восстановления нормального режима, и (или) подает сигнал дежурному оператору.

Основные требования, предъявляемые к устройствам ТЗиБ:

быстродействие;

селективность или избирательность;

чувствительность;

надежность.

2.1.3 Управление ЗРА, насосами, пневмоарматурой и предохранительными устройствами

На выходном паропроводе каждого ПГ YB10(20,30,40)W01 установлены два ИПУ (контрольный и рабочий), которые предназначены для защиты ПГ от повышения давления больше допустимого (рисунок 2.2).

Рассмотрим работу схемы управления одним ИПУ ПГ. Для семи других она аналогична.

В состав низковольтной (15В) части схемы управления входят блоки БПУ, БЛП, БУД, БКЛ.

В состав схемы управления входит логическая релейная часть, размещённая в панели управления и состоящая из одного 2-х позиционного поляризованного реле РП-8 имеющего два фиксированных положения контактов и нескольких промежуточных реле РП-23 и РП-256. Реле выполняют логические операции в силовой (220В) части схемы управления. Все реле работают на постоянном токе. Управляющие сигналы релейная схема получает от блоков УКТС. Из релейной схемы управляющий сигнал направляется к катушкам электромагнитов, а сигнал, определяющий положение рабочего органа предохранительного устройства - к блокам УКТС и к видеомониторам ИВС. Из-за отсутствия в схеме управления блоков конечных выключателей контакты реле логической релейной части используются, как начальные, элементы схемы сигнализации положения рабочего органа предохранительного устройства.

Рисунок 2.2 - Функциональная схема управления и индикации состояния импульсно-предохранительного устройства ТХ50(60,70,80)S03(S04) парогенератора YВ10(20,30,40)W01

Сигнал на открытие клапана направляется с БЩУ или РЩУ от КУ на входные клеммы БПУ. Так как клапан может управляться с БЩУ и РЩУ, то в схеме используются блоки БПУ выполняющие функции дешифратора правильности приходящих от КУ команд управления. С выходных клемм БПУ сигнал поступает одновременно на блоки БЛП и БУД. С выходных клемм БЛП сигнал передаётся также на блок БУД. Блок БЛП применяется для реализации приоритета прохождения команд на открытие или закрытие импульсного клапана при ручном управлении им от КУ перед командами, поступающими на блок БУД из схемы защит от блока БФК. От блока БУД управляющий сигнал на открытие предохранительного устройства через БКЛ направляется в релейную логическую схему панели управления. Работа релейной логической схемы приводит к обесточиванию (110В постоянного тока) электромагнитной катушки соленоида закрытия и подаче силового напряжения постоянного тока 220В на электромагнитную катушку открытия ИК, расположенную над рычагом открытия импульсного клапана. При срабатывании соленоид открытия втягивает вверх (внутрь катушки) свой сердечник. Движение сердечника вызывает в импульсном клапане перемещение вверх жёстко связанного с ним механически золотника от седла. Одновременно с этим обесточенная катушка соленоида закрытия ИК прекращает воздействие на свой сердечник, под воздействием своего веса рычаг закрытия ИК движется вниз, возвращаясь в исходное положение, и вызывает перемещение вниз (в исходное положение) соединённого с ним механически жёстко сердечника соленоида закрытия ИК. Технологическая схема управления ИПУ выполнена таким образом, что после открытия ИК управляющая среда через ИК поступает в ГПК и ГПК открывается (движение сервопривода ГПК вверх от седла). В результате полость ПГ сообщается с атмосферой и прекращается повышение величины давление в ПГ.

При достижении рабочим органом ИК открытого положения катушка открытия не обесточивается. Поэтому при длительном нахождении катушки соленоида открытия под напряжением возможен выход её из строя.

Возврат импульсного клапана в закрытое положение производится теми же ключами КУ с БЩУ или РЩУ, но поворот ключа производится в обратную сторону. Работа схемы управления аналогична управлению на открытие. Но работа релейной логической схемы приводит к обесточиванию электромагнитной катушки соленоида открытия и подаче силового напряжения постоянного тока 220В на электромагнитную катушку закрытия ИК, расположенную над рычагом закрытия импульсного клапана. При срабатывании соленоид закрытия втягивает вверх (внутрь катушки) свой сердечник. Движение сердечника вызывает в импульсном клапане перемещение вниз жёстко связанного с ним механически золотника к седлу. ИК закрывается, и управляющая среда прекращает поступать в ГПК. Одновременно с этим обесточенная катушка соленоида открытия ИК прекращает воздействие на свой сердечник, под воздействием своего веса рычаг открытия ИК движется вниз, возвращаясь в исходное положение, и вызывает перемещение вниз (в исходное положение) соединённого с ним механически жёстко сердечника соленоида открытия ИК. Технологическая схема управления ИПУ выполнена таким образом, что после прекращения поступления управляющей среды ГПК закрывается (движение сервопривода ГПК вниз к седлу). В результате полость ПГ отсекается от атмосферы и прекращается снижение величины давление в ПГ.

Следует учитывать, что от выходных клемм БУД сигнал на закрытие одновременно подаётся как на вход релейной схемы (через БКЛ), так и на вход блока БЛВ. Через 5 секунд с выходных клемм БЛВ через БКЛ на вход релейной схемы подаётся управляющий сигнал, который вызывает перефиксацию положения контактов реле РП-8 и из релейной схемы на катушку соленоида закрытия начинает поступать силовое напряжение постоянного тока величиной 110В. Такая схема включения электромагнитной катушки соленоида закрытия обеспечивает высокую герметичность ИК после его закрытия. Применение пониженного напряжения половинной величины позволяет эксплуатировать электромагнитную катушку соленоида закрытия длительное время. Импульсный клапан может также управляться по блокировкам. Датчиками являются "Сапфир" TX51(52,53)P04 - I СБ, TX51(52,53)P05 - II СБ, TX51(52,53)P06 - III СБ, а сами врезки отбора давления на "Сапфир" выполнены в коллекторе ПГ. Электрический сигнал от датчика поступает на вход блока АДП, от которого через блок БФК управляющий сигнал направляется к блоку БУД при повышении давления в паропроводах ПГ больше 84 кгс/см2 (для контрольного ИПУ) и 86 кгс/см2 (для рабочего ИПУ) - на открытие импульсного клапана и при понижении давления меньше 70 кгс/см2 (для рабочего и контрольного ИПУ) - на закрытие импульсного клапана. Блоки БФК выполняют функцию мажоритирования «2 из 3» как на открытие ИК, так и на его закрытие. Необходимо учитывать реализацию условия приоритета прохождения управляющих команд через блок БУД от БФК.

Одновременно с выходом управляющих команд на катушки соленоидов от контактов реле той же релейной схемы сигналы, указывающие положение предохранительного устройства поступают через установленные в кроссовом шкафу УКТС делители напряжения на БУД. С выходных клемм БУД через БПУ сигнал далее поступает на лампы сигнализации БЩУ и РЩУ. Одновременно с БУД сигнал поступает в ИВС для фиксации на видеомониторе положения рабочего органа импульсного клапана и на панели БЩУ и РЩУ на табло аварийной технологической сигнализации. Во время движения рабочего органа импульсного клапана мигающей сигнализации нет. Исключение составляет случай, когда предохранительное устройство открывается автоматически от воздействия по сигналу датчика давления. Тогда сигнальная лампа с светофильтром зелёного цвета принимает сигнал переменного свечения (“мигание”).

Низковольтная (15В, 24В) часть схемы управления импульсными клапанами (блоки БПУ, БЛП, БУД, БКЛ) получают электропитание в шкафах УКТС систем безопасности. Силовая часть (220В постоянного тока) схемы управления импульсными клапанами (катушки соленоидов и релейная часть схемы) получают электропитание в панели системы безопасности HV (HW, HX)123. Электрическое питание в панели безопасности HV (HW, HX) 123 подаётся непосредственно из КРУ ЩПТ СБ.

1-ая СБ, панель HV 123 - TX60S03, TX70S03, TX50S04

2-ая СБ, панель HW 123 - TX80S04, TX50S03

3-я СБ, панель HX 123 - TX70S04, TX80S03, TX60S04

Аварийная сигнализация на БЩУ:

Импульсно-предохранительные устройства парогенератора TX 50 (60, 70, 80) S03 (S04) открыты;

Вызов в шкаф РТЗО при отключении АП;

Вызов в шкаф УКТС при отключении АП или БП;

Вызов в панель управления ИПУ ("Неисправность шкафа ИПУ ПГ").

2.2 Технологический и теплотехнический контроль на АЭС

Технологический контроль - это сбор текущей информации о ходе технологического процесса, обработка её для передачи в другие подсистемы и представление её обслуживающему персоналу в аналоговой и цифровой форме, а также в виде дискретных сигналов информации от других систем, входящих в АСУ ТП ЭБ.

Система технологического и теплотехнического контроля (СТТК) представляет собой сложную систему сбора, обработки и представления информации о технологическом процессе в тепловом цикле энергетической установки.

Она включает в себя датчики, вторичные преобразователи, ЭВМ, программное обеспечение и дисплей оператора.

Основными функциями системы технологического контроля являются:

-  контроль основных параметров (уставок);

-       сигнализация;

-       регистрация и архивация данных о работе ЯР.

Структурная схема СТТК представлена на рисунке 2.3.


В основу сбора и распределения информации от первичных преобразователей заложен унифицированный сигнал 0…5 мA постоянного тока. Но в некоторых случаях сигнал от первичных преобразователей не преобразуется в цифровой, так как это не вызвало необходимости. Это имеет место в случае передачи информации от таких приборов, как термометры сопротивления на УВС или СВРК.

Применение унифицированного сигнала 0…5 мA даёт возможность многократно использовать его в других подсистемах, подключая их к первичным преобразователям.

Для измерения температуры используются термометры сопротивления с преобразователями Ш -79 и термопары с преобразователями Ш - 78.

Для измерения расхода, уровня, давления используются измерительные преобразователи типа «Сапфир» различных модификаций. Для измерения расхода также используются расходомеры и суживающие устройства. Уровень, также, измеряется различными типами уровнемеров.

Кроме того, непрерывно ведется измерение геометрических параметров ЯЭУ, таких, как сдвига ротора турбины, относительного расширения ротора турбины; определение состава жидких сред средствами газоанализа. Проводится контроль ядерно-физических параметров реактора при помощи ионизационных камер и датчиков прямого заряда.

Номенклатура первичных преобразователей теплотехнических параметров представлена в таблице 1.

Таблица 1 - Первичные преобразователи теплотехнических параметров

Средство измерения

Диапазон измерения

 

Измерение температуры

 

ТХК-0179

0-400 ˚С

 

ТКК 100 ЭК

0-100 ˚С

 

ТКП-160

0-120 ˚С

 

ТПГ СК

0-100 ˚С

 

ТСМ ГР23

0-150 ˚С

 

ТСМ ГР23

0-100 ˚С

 

ТСМ-0309

0-100 ˚С

 

ТСМ-0879

0-100 ˚С

 

ТСМ-0970

0-100 ˚С

 

ТСМ-0979

0-100 ˚С

 

ТСМ-6097

0-100 ˚С

 

ТСМ-6114

0-100 ˚С

 

ТСМ-6917

0-50 ˚С

 

ТСП-0879

0-300 ˚С

 

ТСП-0909

0-100 ˚С

 

ТСП-0979

0-100 ˚С

 

ТСП-8053

0-200 ˚С

 

ТХК-1090

0-200 ˚С

 

ТХК-1479

0-150 ˚С

 

ТХК-2076

0-400 ˚С

 

ТХК-2077

0-400 ˚С

 

ТХК-529

0-300 ˚С

 

Измерение давления

 

Сапфир 22ДИ 2110

0-1000 кг/м2

 

Сапфир 22ДА 2040

0-1.6 кгс/см2

 

Сапфир 22ДД 2450

0-4 кгс/см2

 

Сапфир 22ДИ 2151

0-6 кгс/см2

 

Сапфир 22ДИ 2171

0.53-160 кгс/см2

 

Измерение расхода

Сапфир ДД dP

0-2000 т/ч

Сапфир ДД 2410

0-100 м3/ч

Сапфир ДД 2430

0-250 т/ч

Сапфир ДД 2434

0-2.5 м3/ч

Сапфир ДД 2444

0-100 м3/ч

Измерение уровня

Сапфир 22ДД 2440

0-0.63 м

Сапфир ДД 2420

0-1.6 м

Сапфир ДУ-ВА

5-105 см

СПР-М

25 см

СПР-Э

35 см

Вакууметры

ЭКВ-1У

-1…0 кгс/см2

22 ДВ 2240

-1…0 кгс/см2

22 ДИ 2151

-1…0 кгс/см3

22 ДИВ 2340

-0.5…0.5 кгс/см2

22 ДИВ 2350

-1…0 кгс/см2

22 ДИВ 2351

-1…9 кгс/см2

Сапфир 22 ДИ 2161

-0.3…99.7 кгс/см2


2.3 Регулирование технологических параметров

Для нормальной устойчивой работы энергоблоков АЭС необходимо поддержание целого ряда теплотехнических параметров в заданных пределах. Указанные функции реализуются системами автоматического регулирования теплотехнических параметров, от надежной, эффективной и устойчивой работы которых в значительной мере зависит работа энергоблока в целом.

Поддержание параметров вручную в течение длительного времени сложно, трудоемко и требует определенных навыков у оперативного персонала. Эксплуатация и оперативное обслуживание регуляторов на энергоблоке требует от персонала знания основ теории автоматического регулирования, принципов действия, устройства и аппаратных средств, на которых реализованы регуляторы.

Системы автоматического регулирования используются в тех случаях, когда необходимо в течение длительного времени изменять или поддерживать постоянными какие-либо физические величины, называемые регулируемыми переменными (напряжение, давление, уровень, температуру, частоту вращения и т.д.), характеризующие работу машины, технологический процесс или динамику движущегося объекта.

Устройства, реализующие указанные функции, называют автоматическими регуляторами.

Объектом регулирования является машина или установка, заданный режим работы которых должен поддерживаться регулятором при помощи регулирующих органов. Совокупность регулятора и объекта регулирования носит название - система автоматического регулирования.

Система автоматического регулирования (CAP) на базе аппаратуры «Каскад-2» выполнена на основе микроэлектроники в приборном исполнении.

В качестве основных источников информации использованы первичные преобразователи типа «Сапфир-22» с тензочувствительными элементами, термометры сопротивления и термопары.

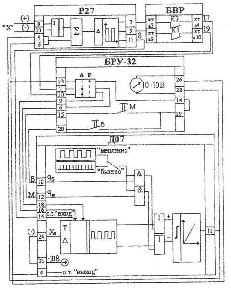
Рассмотрим функциональную схему включения блока Д07 при балансе регулятора на текущее значение параметра (рисунок 2.4).

Самобаланс авторегулятора на текущее значение основан на изменении сигнала задания. При положении переключателя “Р” (ручной режим) воздействием на кнопки “Б” (больше) или “М” (меньше) устанавливается задание регулятора.

Рисунок 2.4 - Структурная схема самобаланса авторегулятора на текущее значение параметра

При положении переключателя “А” (автоматический режим) выходные команды регулирующего блока Р27 (минус 24В) поступают на входы “” или “” вызывая изменения выходного сигнала блока Д07. При включении регулятора в работу воздействие управляющих импульсов блока Р27 на интегратор прекращается (размыкаются нормально-замкнутые контакты реле БВР) и задание регулятора остается равным значению технологического параметра на момент включения.

2.4 СУЗ реактора ВВЭР-1000

Задачи, которые должна решать система управления и защиты ЯР:

. Обеспечения изменения мощности или другого параметра реактора в нужном диапазоне с требуемой скоростью и поддержания мощности или другого параметра на определенном заданном уровне, Следовательно, для обеспечения этой функции нужны специальные органы СУЗ. Они получили название органов автоматического регулирования (АР).

. Компенсация изменения реактивности ЯР. Специальные органы СУЗ, выполняющие эту задачу, называются органами компенсации.

. Обеспечение безопасной работы ЯР, что может осуществляться ЯР прекращением цепной реакции деления при аварийных ситуациях

СУЗ предназначена:

- для автоматического регулирования мощности ЯР в соответствии с мощностью, отдаваемой ТГ в сеть, или стабилизации мощности на заданном уровне;

для пуска ЯР и вывода его на мощность в ручном режиме;

для компенсации изменений реактивности в ручном и автоматическом режиме;

аварийной защиты ЯР;

для сигнализации о причинах срабатывания АЗ;

для автоматического шунтирования некоторых сигналов АЗ;

для сигнализации о неисправностях, возникающих в СУЗ;

для сигнализации положения ОР ЯР на БЩУ и РЩУ, а также вызова информации о положении каждого ОР в СВРК ИВС ЭБ.

Управление реактором осуществляется воздействием на ход ЦРД ядер горючего в активной зоне.

В разрабатываемой СУЗ ЯР предусмотрен способ введения твёрдых поглотителей в виде стержней. Наряду с механическими органами управления применяется введение в теплоноситель первого контура раствора борной кислоты. Оперативное управление мощностью осуществляется механическим перемещением исполнительных органов, содержащих твёрдый поглотитель.

Требования к СУЗ:

1. К электрическим параметрам и режимам:

СУЗ рассчитывается на электропитание не менее, чем от двух независимых источников питания; при исчезновении одного источника работа СУЗ сохраняется;

при длительном отключении параметров электропитания ложного срабатывания аварийной защиты (АЗ) не происходит и органы регулирования самопроизвольно не перемещаются;

СУЗ должна обеспечить обмен информацией с разными системами.

. К надежности:

срок службы СУЗ не менее 10 лет;

наработка на отказ по функциям управления 105 часов;

коэффициент неготовности по функциям АЗ, требующий останова ЯР, не более, чем 10-5;

среднее время восстановления 1 час.

. К аппаратуре:

аппаратура СУЗ обеспечивает возможность функциональной проверки, а также параметров СУЗ при помощи средств контроля при подготовке к пуску, при работающем ЯР без его остановки, без нарушения функций системы и работоспособности реакторной установки (РУ);

линии связи выполнены так, чтобы пожар в одной линии не привел к невозможности выполнять функции.

. К исполнительным механизмам:

исключение самопроизвольного перемещения в сторону увеличения реактивности (при неисправности, исчезновении питания и так далее);

рабочая скорость перемещения 20 ± 2 мм в сек.;

время введения рабочих органов в активную зону 1,5 - 4 сек;

время от выдачи сигнала АЗ до начала движения 0,5 сек;

рабочий ход органа регулирования 3500 мм.

Состав СУЗ

- ПТК СГИУ-М

-       ПТК АЗ-ПЗ

-       ПТК АРМ-РОМ-УПЗ

- электропитание оборудования.

2.4.1 Программно-технический комплекс СГИУ - М

Программно - технический комплекс СГИУ-М является одной из подсистем СУЗ реактора и обеспечивает:

- силовое управление приводами ОР СУЗ;

контроль положения ОР СУЗ по высоте активной зоны реактора;

групповое и индивидуальное управление ОР СУЗ во всех режимах работы РУ;

диагностику, отображение и архивирование данных о состоянии комплекса.

СГИУ-М состоит из следующих подсистем:

- силового управления приводами ОР СУЗ;

контроля положения ОР СУЗ;

группового и индивидуального управления;

приема и обработки команд АЗ и УПЗ;

диагностики, отображения и протоколирования.

СГИУ - М включает в себя следующие панели и устройства:

панель силового управления (ПСУ) типа ESE 248.1 - 31 шт.;

панель контроля положения (ПКП) типа ESE 249.1 - 16 шт.;

панель группового и индивидуального управления (ПГИУ) типа ESE 335.1 - 1 шт.;

панель приема и обработки команд защит (ППКЗ) типа ESE 308.1 - 2 шт.;

панель диагностики, отображения и протоколирования (ПД) типа ESE 441.1 - 1 шт.;

панель кроссовых (промежуточных) клеммников (ПКК) типа ESE 344.1 - 1 шт.;

устройство грубой индикации положения (УГИП) на БЩУ согласно Eр101610 - 10 шт.;

устройство грубой индикации положения (УГИП) на РЩУ согласно Eр101610 - 10 шт.;

устройство коммуникации и индикации УКИ-А1 типа ESS 73.1 - 1 шт.;

устройство коммуникации и индикации УКИ-А2 типа ESS 140.1 - 1 шт.;

блок ручного управления (БРУ) типа ESS 74.1 - 1 шт.;

блок внешних подключений (БП) согласно Еу 30740Р - 1 шт.

Структурная схема СГИУ - М и ее вхождение в СУЗ приведено на рисунке 2.4.

СГИУ-М выполняет управляющие функции:

- удержание ОР в крайних или промежуточных положениях;

индикацию положения всех ОР на БЩУ и РЩУ;

отработку команд аварийной защиты АЗ (обесточение электромагнитов ШЭМ, вызывающее падение всех ОР под действием собственного веса);

отрабатывает команды ускоренной предупредительной защиты УПЗ (обесточивает электромагниты привода ШЭМ - М, что вызывает падение, предварительно жестко выбранной для УПЗ, группы ОР СУЗ под действием собственного веса);

перемещение индивидуально выбранного ОР вверх или вниз по команде оператора;

перемещение одной жестко выбранной группы ОР вверх или вниз по команде оператора;

перемещение групп ОР при пуске и останове РУ по команде оператора от ключа Групповое управление в жесткой проектной последовательности движения групп;

перемещение ОР 5-ой группы по команде оператора от ключа Управление 5-ой группой;

перемещение групп ОР при автоматическом регулировании мощности от регулятора АРМ в жесткой проектной последовательности;

перемещение в любом направлении любой (одной) группы ОР по команде оператора от ключа Групповое управление (группа для управления выбирается оператором переключателем Выбор группы);

формирование команды на последовательное движение вниз групп ОР (начиная с последней извлеченной из активной зоны реактора группы) в жесткой проектной последовательности при поступлении сигнала ПЗ-1;

- формирование программного запрета на любые перемещения групп и индивидуальных ОР вверх при поступлении сигнала ПЗ-2.

 

Рисунок 2.5 - Структурная схема ПТК СГИУ - М

СГИУ - М выполняет информационные функции:

- отображение и регистрацию команд оператора на перемещение любого заданного ОР, любой заданной группы ОР, а также команд на движение в заданной последовательности групп ОР при пуске или останове реактора;

отображение команд регулирования;

отображение в цифровой форме и в виде гистограмм грубого положения отдельного ОР и групп ОР;

выдачу в систему внутриреакторного контроля СВРК информации в аналоговой форме о положении каждого ОР;

контроль времени падения каждого ОР.

СГИУ-М выполняет вспомогательные функции:

- автоматизированную проверку работоспособности каналов ПСУ, ПКП, ПГИУ, ППК3, УГИП, УКИ, осуществляемую встроенными средствами самоконтроля;

контроль работоспособности технических средств осуществляется по:

контролю наличия питающих напряжений;

контролю наличия всех модулей в соответствующем канале;

правильности установки «масок» ПКП и ПСУ, определяющих принадлежность ОР к той или иной группе;

контролю работоспособности вентиляторов охлаждения;

- индикацию состояния отдельных каналов ПКП, ПСУ, ПГИУ, ППК3 на дисплеях модулей микропроцессоров соответствующих устройств;

непрерывный контроль, отображение и регистрацию состояния технических средств СГИУ-М (сигнализацию отказов, проверку правильности контроля положения ОР, контроль сопротивления верхней и нижней катушек датчиков положения ОР, регистрацию времени падения ОР, выдачу обобщенного сигнала неисправности на БЩУ).

Подсистема силового управления (рисунок 2.6) предназначена для выполнения следующих функций для каждого ОР СУЗ:

~ формирование необходимых циклограмм токов для электромагнитов ТМ, ЗМ, ФМ привода I”V в режимах движения и стоянки ОР;

~       прием и мажоритарную обработку сигналов АЗ по принципу “2 из 3”;

~       прекращение движения ОР при поступлении сигналов КВ или КН из GRG$

~       формирования импульсов шаг +, шаг - для организации точной индикации в ПКП;

~       формирования сигналов “Неисправность 1÷31 ПСУ” для ПД;

~       Удержание ОР в крайних и промежуточных положениях при исчезновении силового питания 144В;

~       Обесточивание электромагнитов привода СУЗ при поступлении сигналов АЗ;

Подсистема силового управления состоит из 61 автономных каналов, расположенных в панелях 1÷31 ПСУ.

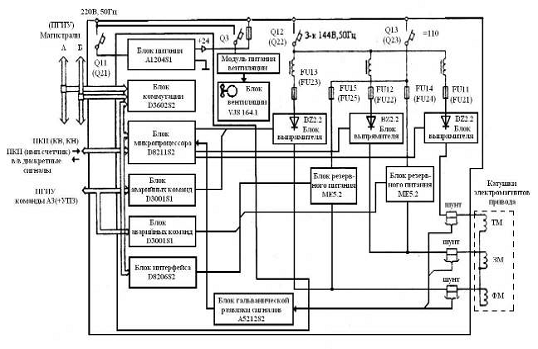
Панель силового управления ПСУ состоит из двух независимых каналов, каждый канал предназначен для управления одним приводом ОР СУЗ и включает:

а)  блок питания A1204S1 - 1 шт.;

б)      блок коммуникации D3602S2 - 1 шт.;

в)      блок интерфейса D8206S2 - 1 шт.;

г)       блок аварийных команд D3001S1 - 2 шт.;

д)      блок микропроцессора D8211S2 - 1 шт.;

е)       блок гальванической развязки A5212S2 - 1 шт.;

ж)      блок выпрямителей BZ2.2 - 3 шт.;

з)       блок резервного питания ME5.2 - 2 шт.;

и)      блок вентиляции VJS164.1 - 1 шт.;

к)      модуль питания вентиляции - 1 шт.

Рисунок 2.6 - Структурная схема подсистемы силового управления

Сопротивление изоляции панели ПСУ указаны в таблице 2

Таблица 2 - Сопротивление изоляции панели ПСУ

Электрическая изоляция

Сопротивление изоляции (не менее)

Прочность изоляции (не менее)

Между силовыми цепями, между силовыми цепями и другими цепями, и между силовыми цепями и корпусом (металлическими нетоковедущими частями)

50 МОм

2500 В

Между не силовыми токоведущими цепями, а также между не силовыми токоведущими цепями и корпусом

10 МОм

500 В


Значения сопротивления изоляции указаны для условий при рабочих значениях температуры и относительной влажности.

Под прочностью изоляции подразумевается максимальное значение сопротивления изоляции, при котором изоляция выдерживает без пробоя и перекрытия в течение одной минуты приложение испытательного напряжения указанной величины при температуре до  и относительной влажности до  Напряжение питания ПСУ трехфазное: напряжение 220В, 50Гц; ток потребления не более 1А.

2.4.2 Программно-технический комплекс АРМ, РОМ, УПЗ

Назначение ПТК АРМ-РОМ-УПЗ

ПТК РОМ-УПЗ-АРМ предназначен для выполнения следующих основных функций в составе СУЗ:

группа функций АРМ: автоматическое регулирование мощности реактора в режиме поддержания заданного значения плотности нейтронного потока или давления в главном паровом коллекторе, либо в режиме ограничения мощности в зависимости от давления в главном паровом коллекторе;

группа функций РОМ: снижение тепловой мощности реактора до уровня, который автоматически устанавливается в зависимости от состояния основного технологического оборудования энергоблока - главных циркуляционных насосов (ГЦН), турбопитательных насосов (ТПН), стопорных клапанов турбины (СКТ) и выключателя генератора;

группа функций УПЗ: формирование и выдача сигналов ускоренной предупредительной защиты при неплановых отключениях основного технологического оборудования.

ПТК является элементом информационно-управляющих систем.

Состав ПТК АРМ-РОМ-УПЗ

В состав ПТК входят следующие автономные изделия:

три идентичных устройства сбора и обработки данных, каждое из которых образует один из независимых взаимно резервирующих каналов ПТК; -выходное устройство, осуществляющее формирование выходных сигналов и фиксацию первопричины срабатывания УПЗ;

два устройства отображения и регистрации данных, осуществляющие архивирование и отображение информации для оперативного персонала БЩУ и эксплуатационного персонала участка СУЗ;

пульт управления и сигнализации автоматического регулятора мощности (ПУС АРМ);

пульт сигнализации разгрузки и ограничения мощности (ПС РОМ);

ключ выбора режимов автоматического регулятора мощности «АР/ОТКЛ»;

ключи управления «УПЗ», «Взвод УПЗ», «Съем первопричины УПЗ».

Каждое устройство сбора и обработки данных содержит:

четыре нормирующих преобразователя датчиков температуры;

блок питания датчиков давления;

источник вторичного питания (преобразователь напряжения ~380/=24В);

средства сбора, преобразования, обработки данных;

коммутационные элементы для подключения внешних цепей.

Выходное устройство содержит:

формирователи выходных сигналов;

средства фиксации первопричины срабатывания УПЗ;

источник вторичного питания (преобразователь напряжения ~380/=24В); -коммутационные элементы для подключения внешних цепей.

Устройства отображения и регистрации данных реализованы на базе промышленных персональных электронно-вычислительных машин (ПЭВМ).

В состав ПТК входят кабельные изделия для соединения его автономных составных частей, комплект сервисной аппаратуры (переносные пульты для проверки каждого канала АРМ, РОМ и УПЗ, корректировки уставок и проверки технического состояния ПТК), комплект запасных частей, инструментов и приспособлений (ЗИП).

2.4.2.1 Режимы работы АРМ

Для группы функций АРМ предусмотрены следующие режимы работы:

АВТОМАТИЧЕСКИЙ (АР): реализует функции регулирования в полном объёме. Выходные управляющие сигналы БОЛЬШЕ и МЕНЬШЕ выдаются в СГИУ-М или СГИУ, которая обеспечивает соответствующее воздействие на рабочую группу ОР СУЗ;

ОТКЛЮЧЁН (ОТКЛ): выходные управляющие сигналы БОЛЬШЕ и МЕНЬШЕ не выдаются в СГИУ-М или СГИУ в том числе при выключении, перезапуске, отключении кабелей, извлечении составных частей и т.п. При этом остальные функции АРМ выполняются в объёме, предусмотренном для данного режима.

Включение АРМ в режим АВТОМАТИЧЕСКИЙ производится переводом ключа «АР/ОТКЛ» в положение «АР».

Перевод АРМ в режим ОТКЛЮЧЁН производится установкой ключа «АР/ОТКЛ» в положение «ОТКЛ», а также независимо от положения ключа «АР/ОТКЛ»:

при поступлении входного сигнала ГО-1 от первого или второго комплекта системы АЗ-ПЗ - на всё время действия сигнала;

при срабатывании РОМ или УПЗ - на всё время срабатывания;

при поступлении входного сигнала о выводе в режим проверки первого или второго комплекта АЗ-ПЗ - в течение 0,5 с после получения сигнала, и в течение 0,5 с после его снятия (при последующем вводе комплекта АЗ-ПЗ в работу).

Каждый независимый канал АРМ переходит в режим ОТКЛЮЧЁН независимо от положения ключа «АР/ ОТКЛ» в случае обнаружения неисправности при диагностировании.

Установка режимов работы каждого независимого канала АРМ производится в соответствии с правилами синхронизации совместной работы каналов.

2.4.2.2 Рабочие режимы РОМ

Для РОМ предусмотрены режимы:

РАБОТА: выполняются все предусмотренные функции, при срабатывании РОМ выходные управляющие сигналы выдаются в первый и второй комплекты СГИУ, формируется команда для группы функций АРМ, запрещающая автоматический переход из режима управления Т в Н;

ГОТОВНОСТЬ: выполняются все предусмотренные функции, за исключением выдачи выходных управляющих сигналов и формирования команды, запрещающей автоматический переход из режима управления Т в Н дли группы функций АРМ.

Каждый независимый канал РОМ автоматически переключается в режим РАБОТА во время набора мощности реакторной установки при одновременном выполнении следующих условий:

разность температур теплоносителя хотя бы в одной петле первого контура достигла или превысила установленную верхнюю границу (18 С);

значение плотности нейтронного потока, полученное хотя бы от одного комплекта АКНП, достигла или превысила установленную верхнюю границу (6 %).

Каждый независимый канал РОМ автоматически переключается в режим ГОТОВНОСТЬ во время снижения мощности реакторной установки, при выполнении хотя бы одного из следующих условий:

разность температур теплоносителя во всех петлях первого контура меньше установленной нижней границы (12°С);

значение плотности нейтронного потока, полученное от обоих комплектов АКНП, меньше установленной нижней границы (4 %).

При включении или перезапуске канала РОМ, в случае, когда разность температур теплоносителя и/или значение плотности нейтронного потока находятся ниже верхних, но выше нижних границ, устанавливается режим ГОТОВНОСТЬ.

2.4.2.3 Алгоритмы группы функций УПЗ

Управляющие функции УПЗ предусматривают выдачу сигналов СРАБАТЫВАНИЕ УПЗ в первый и второй комплекты СГИУ-М или СГИУ для запуска ускоренной предупредительной защиты с целью быстрого снижения мощности. Управляющие функции УПЗ выполняются при уровне нейтронной мощности РУ более 75% в случаях:

одновременного отключения 2-х ГЦН;

отключения одного любого ТПН;

посадки СК турбины;

отключения ТГ от энергосистемы;

получения команды от оператора БЩУ.

Управляющие функции УПЗ выполняются одновременно в каждом из трех независимых каналов.

- Данные о превышении заданного уровня нейтронной мощности РУ 75% поступают на дискретные входы каждого канала УПЗ от первого и второго комплекта АКНП. При выводе в режим поверки одного из комплектов АЗ-ПЗ, дискретный сигнал связанного с ним комплекта АКНП не учитывается при определении условия срабатывания.

2.4.3 Программно-технический комплекс АЗ-ПЗ

Система АЗ и ПЗ реактора предназначена для защиты активной зоны от недопустимых отклонений основных параметров (расход, давление, температура первого контура, уровень нейтронной мощности ЯР) путём своевременного прекращения или замедления цепной реакции деления. АЗ и ПЗ вступают в действие тогда, когда автоматическое регулирование не в состоянии обеспечить нормальное развитие процесса. Система АЗ является составной частью общестанционной системы защиты, которая предназначена для предупреждения аварийных ситуаций, локализации уже возникших аварий и защиты от повреждения общестанционного оборудования.

Система аварийной защиты включает в себя аварийную защиту и предупредительную защиту 1-го и 2-го родов (ПЗ-1, ПЗ-2). При поступлении последовательно или одновременно нескольких аварийных сигналов приоритет имеет более сильная защита. Система АЗ и ПЗ формирует команды, воздействующие на органы регулирования, которые либо прекращают, либо замедляют цепную реакцию деления в ЯР. В цепях надежности система АЗ состоит из двух одинаковых комплектов (АЗ № 1, АЗ № 2). Все комплекты разделены между собой по линиям связи, электропитанию, входным и выходным сигналам и размещены в разных помещениях. Каждый комплект выполнен трехканальным, а выходные команды формируются по мажоритарному принципу «два из трех» ( есть также сигнал «один из двенадцати»).

. Аварийные сигналы АЗ вызывают падение всех ОР под действием собственного веса до крайнего нижнего положения. Прекращение действия сигнала АЗ не может прервать падение всех ОР до своих крайних нижних положений. Время падения ОР 1,5 - 4 сек.

Сигналы АЗ:

нейтронный поток в ДП выше заданной уставки;

нейтронный поток в ДИ выше заданной уставки (3 - 107% Nном );

нейтронный поток в ДЭ выше заданной уставки;

период разгона в ДИ менее 10 секунд;

период разгона в ДП менее 10 секунд;

период разгона в ДЭ менее 10 секунд;

увеличение нейтронной мощности реактора более 107 % Nном;

давление 1-го контура над активной зоной более 180 кгс/см2;

- уменьшение разности температуры насыщения теплоносителя 1-го контура и максимальной его температуры в горячей нитке любой петли 1-го контура менее 10 °С;

- давление над активной зоной реактора:

а)  менее 140 кгс/см2 при температуре теплоносителя в горячих нитках петель более 260 °С;

б)      менее 148 кгс/см2 при температуре в горячих нитках петель более 260°С и мощности реактора более 75 % Nном;

возрастание давления под оболочкой более 0,3 кгс/см2 избыточного;

сейсмическое воздействие на уровне земли более 6 баллов;

обесточивание двух ГЦН из любого числа работающих при нейтронной мощности более 75 % Nном (АЗ с задержкой 6 секунд):

а)       одновременно;

б)      последовательно в течение времени менее 70 секунд.

обесточивание одного ГЦН из двух работающих с задержкой 1,4 секунды при мощности реактора более 5 % Nном;

снижение Δр любого из четырех ГЦН с 3 кгс/см2 до 2,5 кгс/см2 за время менее 5 секунд;

- уменьшение уровня в любом парогенераторе при работающем ГЦН данной петли более чем на 650 мм ниже номинального (с задержкой 5 секунд);

совпадение следующих сигналов по любому из четырех паропроводов:

а)   разность температур насыщения 1-го и 2-го контуров более 75 °С;

б)      давление в паропроводе менее 50 кгс/см2;

- увеличение температуры теплоносителя в горячей нитке любой из четырех петель 1-го контура более Тном +8°С в горячей нитке;

уменьшение уровня теплоносителя в КД менее 4600 мм (с задержкой 5 секунд);

уменьшение частоты на трех из четырех секциях электропитания ГЦН менее 46 Гц;

увеличение давления в любом из четырех ПГ более 80 кгс/см2 при работающем ГЦН соответствующей петли. Сигнал шунтируется через 50 секунд после отключения ГЦН петли;

- исчезновение силового питания 220 В, 50 Гц на двух вводах СУЗ (с выдержкой времени 3 секунды);

потеря надежного питания на двух из трех вводах 380/220 В, 50 Гц;

потеря питания 220 В на двух вводах любой ПАК (потеря питания цепей АЗ);

отключение последнего ТПН при N > 25% Nном;

сигнал от ключа АЗ БЩУ;

сигнал от ключа АЗ РЩУ.

2. Сигналы ПЗ 1-го рода вызывают поочередное движение вниз всех групп ОР (в порядке уменьшения их номеров) с рабочей скоростью 20 мм в сек. Движение ОР вниз прекращается при исчезновении сигнала «ПЗ-1».

Сигналы ПЗ-1:

- увеличение нейтронной мощности реактора в ДП выше заданной уставки;

увеличение нейтронной мощности реактора в ДЭ выше заданной уставки;

период разгона реактора в ДИ менее 20 секунд;

период разгона реактора в ДП менее 20 секунд;

период разгона реактора в ДЭ менее 20 секунд;

тепловая мощность реактора для данного количества работающих ГЦН более допустимой (67 % - для трех; 49 % - для двух противоположных; 39% - для двух смежных). Разгрузка реактора производится устройством РОМ;

давление 1-го контура (над активной зоной) более 172 кгс/см2;

давление 2-го контура более 70 кгс/см2;

температура теплоносителя в горячей нитке любой петли более Тном + 3°С в горячей нитке;

обесточивание одного ГЦН из четырех работающих (одного из трех). Разгрузка производится устройством РОМ;

отключение последнего работающего или одного из двух работающих ТПН. Разгрузка реактора до заданного уровня тепловой мощности (10% Nдоп / 49% Nдоп) производится устройством РОМ;

- посадка двух из четырех стопорных клапанов турбины. Разгрузка до 39 % Nном производится устройством РОМ;

отключение генератора от сети. Разгрузка до 39 % Nном производится устройством РОМ;

исчезновение надежного питания СУЗ 220 В, 50 Гц на двух ПФС;

сигнал от ключа ПЗ-1 БЩУ.

. Сигналы ПЗ 2-го рода запрещают движение ОР вверх до снятия сигнала «ПЗ-2».

Сигналы ПЗ-2:

увеличение нейтронной мощности в ДИ выше заданной уставки;

падение одного ОР СУЗ;

давление 1-го контура (над активной зоной) более 165 кгс/см2;

увеличение тепловой мощности реактора для данного числа работающих ГЦН более допустимой. Действие ПЗ-2 осуществляется по сигналам от СВРК и ИВС;

температура теплоносителя на выходе из отдельных ТВС более допустимой. Действие ПЗ-2 осуществляется по сигналам от СВРК;

уменьшение допустимого запаса до кризиса кипения на поверхности твэлов. Действие ПЗ-2 осуществляется по сигналам от СВРК и ИВС;

увеличение локального энерговыделения более допустимого. Действие ПЗ-2 осуществляется по сигналам от СВРК и ИВС;

открытие одного клапана TK70S11 или TK70S14.

Состав системы:

1.  Шкаф формирования сигналов ШФС-1 - 3шт.;

2.      Шкаф кроссовый выходной КШВ-1 - 1шт.;

.        Шкаф промежуточных клеммников ШПК-1 - 3шт.;

.        Комплект на рабочую станцию - 1шт.;

.        Комплект на рабочее место технолога - 1шт.;

.        Комплект на рабочее место оператора - 1шт.;

.        Комплект монтажных частей - 1шт.;

.        Комплект оптоволоконных кабелей - 1шт.;

.        Комплект принадлежностей - 1шт.;

.        Кабель соединительный - 54шт.;

.        Блок сейсмодатчиков БСД-1 - 4шт.;

.        Программа “Коммуникационный Сервер” - 1шт.;

.        Программа “Информационный Сервер” - 1шт.;

.        Программа “Монитор” - 1шт.;

.        Программа “Диагностика” - 1шт.;

16.    Программа “Оболочка” - 1шт.; Программа “Метрология” - 1шт.

ШФС-1 предназначен для выполнения следующих функций:

-   прием текущих значений технологических и нейтронно-физических параметров реактора;

-       формирование и выдачу управляющих сигналов A3, ПЗ-1, ПЗ-2 и Р< при выходе контролируемых технологических и нейтронно-физических параметров за пределы установленных граничных значений (уставок);

-       формирование и выдачу информационных сигналов для звуковой и световой сигнализации на БЩУ;

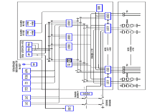
-   диагностику технических и программных средств ПТК АЗ-ПЗ, предусматривающую непрерывный автоматический контроль работоспособности. Шкаф ШФС-1 состоит из следующих элементов (рисунок 2.7).

1. Субблок обработки сигналов СБС-1 - 1 шт.

. Субблок релейных выходов A3 СРВ-1 - 1 шт.

. Субблок релейных выходов ПЗ СРВ-2 - 1 шт.

. Субблок источников питания датчиков СПД-1 - 1 шт.

. Источник питания SITOP POWER 10 24 V/10 А - 2 шт,

. Плата датчика температуры - 3 шт.

. Извещатель пожарный «ИГЖ-5» - 1 шт.

Прием входных сигналов и преобразование их в цифровой код рассмотрен в описании следующих блоков:

блока ввода аналоговых сигналов БВА-1;

блока ввода дискретных сигналов БВД-1;

блока ввода сигналов температурных датчиков БВТ-1.

Рисунок 2.7 - Структурная схема одного канала ПТК АЗ-ПЗ

Цифровой код входных сигналов с БВА-1, БВД-1, БВТ-1 передается в БФЗ-1. Диагностическая информация о состоянии этих блоков передается в БДН-1.

В логической структуре APEX БФЗ-1 выполняется формирование в соответствии с алгоритмами формирования защит сигналов срабатывания аварийной и предупредительных защит при выходе контролируемых технологических и нейтронно-физических параметров за пределы уставок.

Для повышения надежности срабатывания, в логическую структуру APEX БФЗ-1 каждого канала по оптоволоконным кабелям через оптоволоконные приемопередатчики HFBR-1412 и HFBR-2412, передаются сигналы срабатывания алгоритмов из БФЗ-1 двух других каналов. Информация о первопричине срабатывания сигналов A3, ПЗ-1, ПЗ-2 и Р< по оптоволоконным кабелям с БФЗ-1 передается в блок сигнализации первопричины БСП-1. Параллельно с этим передается диагностическая информация о состоянии БФЗ-1 в БДН-1. В субблок релейных выходов A3 СРВ-1 каждого канала сигналы A3 и Р< передаются от БФЗ-1 своего канала и двух других каналов. В субблок релейных выходов ПЗ СРВ-2 каждого канала сигналы ПЗ-1 и ПЗ-2 передаются от БФЗ-1 своего канала и двух других каналов. Эти сигналы управляют реле, находящимися в БФС-1, которые включены таким образом, что сигнал на выходе реализуется по принципу «два из трех». Прекращение формирования сигналов A3 и ПЗ-1 в БФС-1 происходит по директиве оператора.

Сигналы с БФС-1 управляют релейными блоками с нормально открытыми и нормально закрытыми контактами. Размноженные сигналы A3, ПЗ-1, ПЗ-2 и Р< с БРС-1, БРС-2 и БРВ-1 передаются на КШВ-1.

На двери ШФС-1 расположена индикация нормальной работы, аварийного состояния и индикация срабатывания A3, ПЗ-1, ПЗ-2 и Р<.

Свечение индикатора «РАБОТА» зеленым светом характеризует нормальную работу ШФС-1.

Мигание индикатора «РАБОТА» частотой мигания 2 Гц происходит в следующих случаях:

- нет питания на одном из вводов;

-       не работает хотя бы один из трех датчиков температуры;

-       неисправен БДН-1.

Индикатор «НЕИСПР» мигает красным цветом частотой мигания 2 Гц при нарушении работы БВТ-1, БВА-1, БВД-1, БФЗ-1.

Индикаторы «A3», «ПЗ-1», «ПЗ-2» и «Р<» светятся при формировании соответствующих управляющих сигналов.

2.4.4 Электропитание СУЗ напряжением 220В

Электрооборудование электропитания питания ОР переменным током предназначено для ввода от силовых трансформаторов, организации автоматического включения резерва (АВР) между вводами и распределения переменного тока между трансформаторами ТСЗП (трансформатор специальный защищенный питающий). Потребителями переменного тока являются панели силового управления приводами ОР. Структурная схема питания приводов ОР изображена на рисунке 2.8. Силовое электропитание OP переменным током 220В, 50 Гц производится от двух трансформаторов СУЗ мощностью не менее 400 кВА каждый по двум вводам от каждого трансформатора.

Исчезновение напряжения на двух вводах переменного тока одновременно допускается на время не более трех секунд.

Допустимые колебания напряжения , частоты , 50Гц - 8 % кратковременно (до 20 с).

Потребление каждой ПП28 от источников напряжением 220В постоянного тока составляет 1,5 кВА.

Э/о электропитания приводов ОР переменным током 220В размещено на четырех панелях типа ПП28 и четырех панелях типа ПП26.

ПП28 предназначена для размещения э/о ввода силового напряжения переменного тока для питания приводов ОР, организации АВР между двумя вводами и обесточивания всех приводов ОР при сигналах A3. На панели установлены автоматические выключатели, релейно-контактное оборудование, резисторы, диоды, светодиоды. На щите СУЗ размещены четыре панели данного типа.

Напряжение ввода от трансформатора 220В, частота 50 Гц.

Максимальный ток ввода от трансформатора 320А.

Напряжение постоянного тока питания цепей управления 220В.

ПП26 предназначена для размещения э/о коммутации силового напряжения переменного тока. На панели установлены автоматические выключатели. На щите СУЗ 4 панели данного типа. Напряжение ввода переменного тока 220В, 50Гц.

Количество предусмотренных выводов к потребителям -9.

Максимальный ток потребителя не более 80А.

В нормальном режиме работают 2 ввода от трансформатора Т1 с АВР от трансформатора Т2. Одна половина приводов ОР подключена к одному вводу, другая половина - ко второму. Выбор рабочих вводов производится переключателем, установленным на панели 1ПП28.

Рисунок 2.8 - Схема электрическая принципиальная питания цепей управления

2.5 Система управления турбиной

В данной работе производится разработка АСУ ТП энергоблока с турбиной К-1000-60/3000. В качестве системы управления разрабатывается автоматизирования система регулирования турбины АСР. АСР турбины обеспечивает (без вмешательства оператора) в нормальных и аварийных условиях ее эксплуатации решение следующих задач:

·   автоматическое поддержание частоты вращения ротора турбоагрегата с неравномерностью 4,5 %;

·   предотвращение повышения частоты вращения ротора турбины до установки срабатывания Р, Б при мгновенном сбросе нагрузки генератора;

·   точное регулирование давления и мощности в соответствии с заданной статической характеристикой, требуемой для системы вторичного регулирования частоты и активной мощности энергосистемы;

·   быстрое кратковременное разгружение турбины и быстрое длительное ограничение ее мощности с возможностью нагружения по сигналу системы ПА энергосистемы;

·   предупреждение недопустимого снижения давления свежего пара перед турбиной;

·   защита турбины от опасных режимов работы (повышение частоты вращения ротора сверх уставки РБ, чрезмерный осевой сдвиг ротора и т. п.).

АСР выполнена электрогидравлической. Структурно она состоит из электрической (ЭЧСР-М) и гидравлической частей (ГСР). ЭЧСР-М выполнена с применением микроЭВМ и включает датчики частоты вращения ротора турбины, активной мощности генератора, давления пара в промежуточном перегреве, давления свежего пара и управляющего давления в системе регулирования.

ГЧСР состоит из регулятора скорости (РС), регулятора безопасности (РБ), промежуточных усилителей и исполнительных механизмов (ИМ) - гидравлических сервомоторов регулирующих и стопорных органов.

Для передачи воздействий ЭЧСР на ИМ ГСР служат быстродействующие (ЭГП, ЗПЗ) и относительно медленнодействующие (МУТ) устройства, преобразующие электрические сигналы в гидравлические.

Объект регулирования и регулирующие органы для ЭЧСР и ГСР общие. Регулирующими органами являются РК ЦВД и регулирующие заслонки ЦВД и ЦНД, сбросные клапаны

При отказе ЭЧСР турбина остается в работе, лишь несколько ухудшаются статические и динамические характеристики регуляторов. При отказе ГСР турбина должна быть остановлена.

ЭЧСР-М предназначена для управления турбиной во всех режимах работы блока. Воздействуя на РК турбины, ЭЧСР-М позволяет в зависимости от режима работы выполнять регулирование следующих параметров:

·   частоты вращения ротора турбоагрегата (частоты сети);

·   электрической активной мощности турбогенератора;

·   давления свежего пара в ГПК.

ЭЧСР-М функционально подразделяется на два основных контура автоматического управления: медленнодействующий и быстродействующий. Кроме МКУ и БКУ в состав ЭЧСР-М входит схема дистанционного управления МУТ.

Для работы МКУ необходимым условием является готовность к работе схемы дистанционного управления. БКУ включается в работу независимо от МКУ и схемы дистанционного управления. В состав БКУ входят следующие каналы управления:

·   релейной форсировки;

·   дифференциатора (Д);

·   аварийной импульсной разгрузки (АИР);

·   послеаварийного управления мощностью (ПАУ);

·   быстродействующего стерегущего регулятора минимального давления. В состав МКУ входят следующие каналы управления:

·   регулирования частоты вращения ротора турбоагрегата;

·   регулирования электрической активной мощности;

·   регулирования давления свежего пара;

·   коррекции по давлению свежего пара;

·   коррекции по отклонению частоты сети;

·   стерегущего регулятора минимального давления;

·   послеаварийного управления мощностью;

·   технологических ограничений при отключении оборудования блока.

 На базе каналов управления БКУ и МКУ в ЭЧСР-М реализованы алгоритмы управления для использования их в различных режимах работы блока и энергосистемы.

Режимы работы ЭЧСР-М

В стационарных режимах работы блока предусмотрены следующие режимы работы ЭЧСР-М:

·   «РМ» - режим регулирования активной мощности;

·   «РДМ» - режим регулирования активной мощности с коррекцией по давлению свежего пара;

·   «РМ±РЧ» - режим регулирования активной мощности с коррекцией по отклонению частоты сети;

·   «РД-1» - режим регулирования давления свежего пара в ГПК;

·   «РД-2» - режим стерегущего регулятора минимального давления.

Режимы работы ЭЧСР-М в стационарных режимах работы блока определяются режимами работы АРМ-5. Информация поступает в виде замыкающихся контактов по двум независимым цепям при работе АРМ в режиме «Т».

При работе АРМ-5 в режиме регулирования давления «Т» ЭЧСР-М должна работать в режиме регулирования мощности «РМ» (с коррекцией или без коррекции по давлению свежего пара и отклонению частоты сети).

При работе АРМ-5 в режиме регулирования нейтронной мощности «Н» или при отключении АРМ-5 ЭЧСР-М должна работать в режиме «РД-1».

Уставка по активной мощности регулируется в микроЭВМ программным задатчиком плановой мощности (ЗПМ), состоящим из задатчика конечного значения плановой мощности, и задатчика темпа ее изменения. На выходе ЗПМ в заданном темпе формируется текущее значение плановой мощности Nпл турбогенератора, величина которой контролируется.

Скорость отработки заданной уставки по Nпл в ЭЧСР-М формируется задатчиком «Уст. dNпл/dt».

В режимах ЭЧСР-М, не связанных с регулированием мощности, уставка по мощности постоянно балансируется (отслеживает текущее значение мощности). При переходе в режимы, связанные с регулированием мощности, уставка по мощности устанавливается равной текущей мощности на момент перехода- Дальнейшее изменение уставки производится оператором с помощью ключа «Прибавить-Убавить». В режиме «РМ±РЧ» к обычному регулятору мощности ЭЧСР-М добавляется корректирующее воздействие по сигналу отклонения частоты сети от номинального значения в соответствии с заложенной характеристикой.

Включение в режим регулирования мощности происходит безударно за счет выполнения балансировки ОТЗ, при которой на его выходе до включения ЭЧСР-М в режим «РМ» устанавливается сигнал задания, соответствующий значению текущей мощности блока с учетом сигнала корректора частоты. Этот же сигнал автоматически устанавливается на выходе ЗПМ.

Канал БРФ предназначен для подачи в систему регулирования форсирующего сигнала на закрытие РК при отключении генератора от сети.

Канал дифференциатора предназначен для выработки сигнала, закрывающего РК турбины при появлении положительного углового ускорения ротора турбины, свидетельствующего о большом мгновенном сбросе нагрузки генератора.

Канал блока НКН служит для улучшения приемистости турбины в целях компенсации вредного влияния пара, аккумулированного в промперегреве (коррекция начальной неравномерности). Канал предварительной защиты предназначен для подачи в систему регулирования и защиты форсирующего сигнала на закрытие СК и РК в случае, если при сбросе нагрузки частота вращения ротора по каким-либо причинам превысит заданный уровень, зависящий от первой производной частоты вращения.

Канал послеаварийного управления мощностью предназначен для ограничения мощности турбины до необходимого значения в послеаварийных режимах работы линий электропередач и включается по сигналу станционных устройств противоаварийной автоматики. ПАУ выдает многократно усиленный сигнал превышения текущей мощности турбины над величиной заданной мощности, выработанной устройствами ПА в зависимости от типа аварии. В ПАУ включен динамический контур, улучшающий устойчивость регулирования. Режим поддержания давления и мощности

Режим поддержания давления и мощности (РДМ) предназначен для поддержания заданного значения нагрузки с коррекцией по изменению давления в ГПК в соответствии со статической характеристикой «давление-мощность». Статизм 80%, то есть изменение давления в ГПК на ±1 кг/см2 соответствует изменение нагрузки турбины на ±20 МВт.

Режим РДН может включаться только вручную при работе АРМ реактора в режиме «Т».

Режим регулирования давления и мощности (РДМ) предназначен для регулирования мощности турбины и, совместно с АРМ-5С, мощности энергоблока в стационарном режиме, а также при плановых и внеплановых изменениях мощности.

В режиме РДМ ЭГСР осуществляет регулирование электрической мощности турбогенератора по компромиссной программе на уровне уставки заданной оператором и скорректированной по давлению пара в ГПК согласно статической характеристики "мощность - давление пара в ГПК".

Несинхронное изменение тепловой мощности АРМ-5С и электрической со стороны ЭГСР приводится в соответствие в режиме РДМ с точностью, определяемой статизмом по давлению в ГПК. Базовое значение статизма установлено 80% (изменение давления в ГПК на 48кгс/см2, что соответствует 80% от номинального, воспринимается ЭГСР как изменение Nэл. на 100%).

Включение режима РДМ производится вручную, при отсутствии сигналов о состоянии АРМ или работе АРМ в режиме "Т", нажатием кнопки "РДМ" ячейки L3 панели В210.

Работа ЭГСР в режиме РДМ запрещается при:

а) включении регуляторов БРУ-К на регулирование давления;

б) отказе или потере питания датчиков давления пара в ГПК;

в) достижении электрической мощности ТГ уровня собственных нужд;

г) автоматическом включении режима с большей иерархией.

В этом случае автоматически включается режим "РМ" или режим с большей иерархией.

Включение режима РДМ индицируется:

а) ровным светом индикаторной лампочки РДМ ячейки L3 панели В210.

б) на кадре 071 ПЭВМ АСУТ и панели HY 36.

Уставки поддержания давления пара и мощности формируются в ЭГСР равными соответственно величине давления пара в ГПК и текущей электрической нагрузке ТГ (а при "отказе" датчиков мощности - по положению регулирующих клапанов Nрк) в момент включения режима.

Величина текущего давления и уставки индицируется на кадре 071 ПЭВМ АСУТ (Pгпк и Pпр соответственно) и на индикаторах ячеек L5,6 и M5,6 с подсветкой транспарантов "P  кгс/см2", "P кгс/см2". Максимальное значение уставки ограничивается величиной 65кгс/см2.

Величина текущей мощности и уставки индицируется на индикаторах ячеек L5,6 и M5,6 с подсветкой транспарантов табло "N МВТ" и "N МВТ". Величина текущей мощности "Nтг+" индицируется на кадре 071 ПЭВМ АСУТ.

Изменение мощности энергоблока в режиме РДМ осуществляется:

а) с панели В210. Для изменения величины уставки необходимо, нажатием кнопки "N" ячейки N6 панели В210, вызвать на цифровые индикаторы ячеек L5,6 панели В210 величину уставки по мощности, на индикаторы ячеек M5,6 панели В210 величину текущей электрической мощности ТГ (в ячейках L7, M7 подсвечиваются соответствующие табло "N МВТ" и "N МВТ"). Воздействием на кнопку "ПРИБАВИТЬ" или "УБАВИТЬ" ячейки N4, измененить уставку мощности в нужном направлении. Темп изменения уставки 5 МВт/сек. Скорость приведения электрической нагрузки к уставке зависит от выбранного темпа в ячейках M8, N8 панели В210;

б) от ключа управления турбиной 1SE61S01. Воздействием на ключ в строну "ПРИБАВИТЬ" или "УБАВИТЬ" приводит к изменению программного значения электрической мощности со скоростью 20 МВт/с при этом на панель HY26 выдается световая и звуковая сигнализация "РУЧНОЕ УПРАВЛЕНИЕ". Нагружение ТГ от ключа блокируется при ограничении мощности от ПА и ТЗ.

Независимо как изменяется уставка по мощности (от ключа 1SE61S01 или с панели В210), уставка по давлению остается неизменной - равной величине давления в ГПК в момент включения РДМ

2.6 Система внутриреакторного контроля

На рисунке 2.9 представлена подробная структурная схема системы ВРК для серийных реакторов ВВЭР-1000, раскрывающая ее состав и связи с другими системами.

Информацию о распределении энерговыделения получают с помощью детекторов прямой зарядки (ДПЗ), на основе сигналов которых проводят восстановление поля энерговыделения во всем объеме активной зоны. Семь детекторов, располагающихся на одной вертикали, конструктивно объединены в нейтронный измерительный канал (КНИ) при помощи герметичного чехла. Чехол и его уплотнение на крышке корпуса реактора рассчитаны на рабочее давление теплоносителя. КНИ устанавливается в центральную трубку тепловыделяющей кассеты.

В серийном реакторе ВВЭР-1000 устанавливают 64 КНИ, распределенных таким образом, чтобы получать информацию о распределении энерговыделения по всему объему активной зоны. Сигналы детекторов КНИ по терморадиационностойким кабелям передаются в информационно-измерительную аппаратуру. Часть кабеля, находящаяся внутри шахты реактора, имеет на концах разъемы, позволяющие отсоединять его во время перегрузки топлива. Передача сигналов через оболочку реакторной установки осуществляется с помощью проходки, рассчитанной на предельное давление, возникающее при аварийной ситуации.

Информация о распределении температуры на выходе из топливных кассет получается с помощью 95 термоэлектрических термометров (термопар ТП), расположенных над частью тепловыделяющих кассет (рисунок 2.10). Кроме того, имеются три термопары, расположенные в верхней части корпуса реактора. При выходе из корпуса термопары группируются в 14 пучков, каждому из которых соответствует патрубок ТП, рассчитанный на рабочее давление реактора. На патрубках ТП установлены устройства компенсации температуры холодных спаев термопар, принимающие по семь ТП; от них сигналы ТП по терморадиационностойкому кабелю с медными жилами передаются к информационно-измерительной аппаратуре. По трассе прохождения кабеля ТП аналогично кабелю ДПЗ имеются разъемы и проходки.

Рисунок 2.9 - Структурная схема CВРК и систем 1-го контура (ГЦН, арматура ПГ)

Рисунок 2.10 - Расположение КНИ и термопар в ТВС серийного реактора ВВЭР-1000

Температура теплоносителя в холодных и горячих нитках циркуляционных петель измеряется с помощью термопар и восьми термометров сопротивлений (ТС). Холодные спаи термопар холодной и горячей нитки данной петли заводятся в общее компенсационное устройство, от которого сигналы термоконтроля передаются по кабелю в информационно-измерительную аппаратуру.

Аналоговые сигналы нормированного уровня 0-5 мА получают от соответствующих датчиков с нормирующими преобразователями связанных кабелями с информационно-измерительной аппаратурой. Аналогично по кабелям в аппаратуру заводятся дискретные сигналы, характеризующие состояние оборудования и систем I контура (главный циркуляционный насос ГЦН, арматура парогенератора и др.). От системы СУЗ и аппаратуры контроля нейтронного потока (АКНП) в систему ВРК вводятся как аналоговые, так и дискретные сигналы. Информационно-измерительная аппаратура состоит из двух одинаковых комплектов аппаратуры, в каждый из которых входит устройство отображения информации (дисплей) с выносным телевизионным монитором и клавиатурой (расстояние от аппаратуры не более 50 м). Мониторы и клавиатуры размещаются в помещении БЩУ. Оба комплекта связаны между собой кабелем. Дублирование аппаратуры позволяет обеспечить высокую надежность контроля наиболее важных параметров реактора, сигналы которых заводятся в оба комплекта. Менее важные сигналы заводят в какой-либо один комплект. Наличие связи позволяет комплектам обмениваться данными для восстановления в каждом из них полного объема информации.

Вычислительный комплекс (ВК) системы ВРК включает в себя две ЭВМ типа СМ-2М, каждая из которых связана с обоими комплектами аппаратуры по основному и резервному каналам. Резервирование связей позволяет повысить надежность работы системы при различных комбинациях отказов ЭВМ и аппаратуры. Вывод информации из ЭВМ к оператору на БЩУ осуществляется через дисплеи аппаратуры, связанные с ЭВМ кабелем.

В основном режиме обе ЭВМ работают одновременно в реальном масштабе времени, осуществляя оперативную обработку полученной от аппаратуры информации и вывод ее на дисплей. При этом, когда оба комплекта аппаратуры функционируют, информация в каждую ЭВМ поступает из комплекта, с которым она связана по основному каналу. При отказе одного из комплектов (или обрыве его основного канала связи) информация в ЭВМ поступает по резервному каналу от другого комплекта аппаратуры.

Кроме того, возможен режим работы, при котором одна из ЭВМ проводит оперативную обработку информации, а другая осуществляет фоновые неоперативные расчеты.

Помимо показанных на структурной схеме связей с другими подсистемами (СУЗ и АКНП), система ВРК связана также с УВС и СППБ энергоблока. По этому каналу из ЭВМ СВРК в УВС может быть передан весь массив собранной первичной информации и расчетных данных или его часть, и наоборот, информация, необходимая для работы СВРК, может быть получена из УВС.

Как видно из рассмотрения структурной схемы, система ВРК на реакторах ВВЭР помимо сигналов внутриреакторных датчиков принимает также значительное количество сигналов от датчиков 1-го и 2-го циркуляционных контуров. Эта информация необходима в системе ВРК для проведения расчетов обобщенных параметров, характеризующих состояние активной зоны. Наличие в СВРК информации от основных общестанционных датчиков совместно с информацией от СУЗ и АКНП обеспечивает возможность расчета и контроля важнейших параметров, характеризующих работу реакторной установки в целом (общая тепловая мощность, расход теплоносителя в зоне и по петлям и т.д.). Таким образом, по объему контроля и производимых расчетов система ВРК фактически выполняет функции системы контроля реакторной установки. Отсюда вытекает важность роли, которую играет система ВРК среди других систем энергоблока. Несмотря на то, что СВРК является информационной системой, ее отказ на время, большее определенное в «Технологическом регламенте», влечет за собой обязательное снижение мощности энергоблока или даже его останов.

Датчики контроля энерговыделения

Для измерения распределения энерговыделения по объему активной зоны в системе ВРК используются детекторы прямой зарядки (ДПЗ) с эмиттером из родия (рисунок 2.11). По сравнению с другими типами нейтронно-чувствительных детекторов ДПЗ обладают следующими преимуществами:

. Малые габариты позволяют разместить в реакторе большое количество детекторов, необходимое для получения детальной картины распределения энерговыделения по объему активной зоны;

. ДПЗ не требуют внешнего источника питания, имеют достаточно высокую надежность, срок службы не менее одной кампании реактора, их чувствительность мало изменяется в процессе эксплуатации, и эти изменения можно скорректировать расчетным путем;

. ДПЗ просты по конструкции, технологичны при изготовлении, имеют хорошую воспроизводимость параметров (разброс чувствительности не более ± 1%) и невысокую стоимость.

Наряду с этим ДПЗ присущи и некоторые недостатки:

небольшой выходной сигнал (в реакторах ВВЭР на номинальной мощности их выходной ток составляет единицы микроампер);

сравнительно большая постоянная времени (порядка 1 мин);

зависимость чувствительности ДПЗ от различных параметров, характеризующих состояние активной зоны (выгорание, обогащение ближайших ТВЭЛ, концентрация борной кислоты, температуры теплоносителя и т.д.), и от выгорания эмиттера ДПЗ.

Конструкция ДПЗ состоит из эмиттера и коллектора, между которыми находится изолятор. При облучении нейтронами эмиттер излучает электроны, которые через изолятор попадают на коллектор и образуют во внешней цепи электрический ток. По кабелю выходной сигнал ДПЗ выводится за пределы корпуса реактора.

Рисунок 2.11 - Структурная схема ДПЗ

В применяемых на реакторах ВВЭР детекторах типа ДПЗ-1М эмиттер представляет собой родиевую проволочку диаметром 0,5 и длиной 200 мм. Изолятор изготовлен из кварцевой трубки, коллектор - из нержавеющей трубки диаметром 1,3 мм. В качестве линии связи используется двухжильный кабель типа КТМС с изоляцией из окиси магния.

Существует составляющая сигнала ДПЗ обусловленная током, образующимся в линии связи при воздействии на нее внутриреакторных излучений. Этот так называемый фоновый компонент пропорционален длине линии связи, находящейся в активной зоне. Для ДПЗ-1М ее доля может доходить до 10% общего выходного сигнала. Чтобы скомпенсировать ее влияние, в кабеле связи ДПЗ-1М предусмотрена вторая (фоновая) жила, вырабатывающая фоновый ток, который в измерительной аппаратуре должен быть вычтен из тока основной жилы.

Выходной сигнал ДПЗ пропорционален плотности нейтронного потока в месте его расположения, который в свою очередь связан с энерговыделением в ближайших ТВЭЛ.

Восстановление поля энерговыделения по сигналам ДПЗ осуществляется на основе коэффициентов пропорциональности, зависящих от многих факторов, в том числе от обогащения топлива и его выгорания, концентрации борной кислоты, температуры теплоносителя и т.д. Значения этих коэффициентов находят расчетным путем. При нахождении коэффициентов учитывают также и выгорание материала эмиттера ДПЗ.

Результирующая погрешность определения линейного энерговыделения с помощью родиевого ДПЗ складывается из следующих основных составляющих: погрешности определения коэффициента перехода от сигнала эмиттера к энерговыделению (~4%); не идентичности чувствительности ДПЗ (±1%); погрешности учета фонового тока линии связи (до 2%); погрешности учета термотоков (1%); погрешности измерения сигналов ДПЗ (1%). Поскольку вырабатываемый электрический сигнал ДПЗ - источник тока, то входное сопротивление измерительного прибора желательно выбирать возможно меньшим по следующим соображениям: поскольку выходное сопротивление ДПЗ зависит от напряжения на нем, желательно, чтобы это напряжение было минимально, так как экспериментально установлено, что в процессе эксплуатации ДПЗ-1М его сопротивление изоляции падает; погрешность измерения будет тем меньше, чем меньше сопротивление нагрузки ДПЗ.

При эксплуатации ДПЗ необходимо следить за тем, чтобы его цепь была либо подсоединена к измерительному прибору, либо замкнута накоротко. В противном случае ток ДПЗ может зарядить линию связи до большого напряжения, в результате чего может наступить пробой в ДПЗ или линии связи.

В активной зоне ДПЗ, расположенные на одной вертикали, конструктивно объединяются в нейтронно-измерительный канал (КНИ). КНИ серийных реакторов ВВЭР-1000 состоит из защитной арматуры, детекторной части и миниатюрного разъема типа PC-19.

Арматура предназначена для защиты ДПЗ от механических воздействий и контакта с теплоносителем первого контура и обеспечивает герметизацию первого контура.

В состав детекторной части входят семь детекторов ДПЗ-1М, равномерно размещенных по высоте активной зоны с шагом 437,5 мм, защитный экран, узел уплотнения и семь линий связи, для которых использован кабель КТМС. Каждая линия связи кроме сигнального проводника содержит фоновый проводник.

Защитный экран предназначен для уменьшения фонового тока, возникающего в линии связи под воздействием b-излучения эмиттеров ДПЗ. С этой целью все семь детекторов располагают по одну сторону экрана, а их линии связи - по другую сторону.

Узел уплотнения расположен в верхней части КНИ и предназначен для обеспечения герметичности первого контура при появлении течи в защитной арматуре.

Разъем типа PC-19 обеспечивает подсоединение КНИ к линиям связи с целью передачи сигналов ДПЗ к аппаратуре СВРК.

Датчики контроля температуры

В СВРК используются термодатчики двух типов - термопары ТП и термосопротивления ТС (рисунок 2.12). По сравнению с ТС ТП обладают следующими преимуществами:

. Большая надежность работы;

. Лучшие метрологические характеристики;

. Они более стабильны при облучении.

ТП не требуют внешнего источника питания, просты по конструкции и технологичны при изготовлении. В то же время ТП обладают и рядом существенных недостатков: меньшая по сравнению с ТС точность измерения и меньший выходной электрический сигнал; необходимость компенсации температуры холодного спая ТП, что увеличивает погрешность измерения.

Рисунок 2.12 - Датчики контроля температуры

В связи с этим в системе ВРК ТП используют для работы в тяжелых условиях внутри корпуса реактора для массовых измерений температуры теплоносителя на выходе из топливных кассет, а также температуры теплоносителя в общем объеме. ТС применяют для проведения точных измерений в менее тяжелых условиях. Например, по ТС, установленным на холодных и горячих нитках циркуляционных петель, осуществляют калибровку всех ТП первого контура.

Если в системах термоконтроля первых реакторов типа ВВЭР использовались ТП градуировки хромель-копель, то в системах ВРК серийных реакторов ВВЭР-1000 используются ТП градуировки хромель-алюмель, градуировочная характеристика которых меньше зависит от дозы радиационного облучения, несмотря на то, что эти ТП обладают вдвое меньшей чувствительностью.

Работа ТП основана на термоэлектрическом эффекте, т.е. возникновении термо-ЭДС в замкнутой цепи из двух разнородных проводников при наличии разности температур между холодным и горячим спаями проводника. При измерении температуры с помощью ТП ее горячий спай помещают в точку измерения, а в разрыв холодного спая включают измерительный прибор. Поскольку термо-ЭДС зависит от разности температур холодного и горячего спаев, для получения абсолютного значения температуры необходимо внести поправку на температуру холодного спая (так называемая компенсация температуры холодного спая).

ТП системы ВРК изготовляют из термопарного кабеля КТМС, представляющего собой хромелевый и алюмелевый провода, помещенные в оболочку с порошком окиси магния. Со стороны горячего спая провода сваривают друг с другом и с оболочкой (ТП типа К). Со стороны холодного спая кабель заделывают специальным герметиком, чтобы обеспечить герметичность ТП в целом.

Для измерения температуры теплоносителя внутри корпуса реактора применяют термопары типа ТХА-2076. В них использован кабель КТМС 1 диаметром 1,5 мм, армированный для увеличения жесткости чехлом из нержавеющей трубки диаметром 4х1 мм. Горячий спай ТП заделан в специальный наконечник диаметром 4 мм, который сопряжен по размерам с посадочным гнездом в сухом канале блока защитных труб реактора для получения наилучшего теплового контакта. Тепловая инерция ТП не более 20 с. Средний срок службы - не менее 6 лет; средний ресурс - не менее 25000 ч.

Погрешность измерения ТП обусловлена следующими факторами:

разбросом градуировочной характеристики ТП вследствие несовершенства технологии ее изготовления;

влиянием распределения температуры по длине ТП;

неточностью компенсации температуры холодного спая ТП; погрешностью измерительной аппаратуры;

g-разогревом "горячего" спая и влиянием эмиссионного тока в проводах ТП.

Кроме того, в процессе эксплуатации внутриреакторных ТП под воздействием радиационного облучения происходит медленное изменение градуировочной характеристики ТП, связанное с радиационными превращениями элементов, входящих в состав электродов ТП.

Большинство этих погрешностей можно скомпенсировать путем проведения калибровки подсистемы термоконтроля на малых уровнях мощности реактора, когда подогревом теплоносителя в зоне можно пренебречь. При этом во всех точках I контура устанавливается практически одинаковая температура и можно прокалибровать все ТП по образцовым ТС на циркуляционных петлях. Индивидуальные поправочные коэффициенты для каждой ТП заносятся в память аппаратуры и автоматически учитываются в последующем при работе реактора на мощности Дополнительная погрешность, которая может возникнуть за счет радиационного подогрева термопар, не превышает 0,750С.

Устройства компенсации холодных спаев термопар

Поскольку термопара измеряет, разность температур между горячим и холодным спаями (в данном случае холодный спай - это свободные концы термопар), для получения абсолютного значения температуры горячего спая необходимо знать температуру свободных концов термопары.

Известны два способа учета температуры свободных концов термопары: поддерживают температуру свободных концов на известном постоянном уровне (метод активного термостатирования); измеряют абсолютное значение температуры свободных концов термопары с помощью дополнительного термодатчика (метод пассивного термостатирования). Для обеспечения точности измерения (компенсации) свободные концы термопар и дополнительный термодатчик укрепляют на изотермической пластине, расположенной в пассивном термостате с хорошими теплоизоляционными свойствами. Такой термостат называется устройством компенсации температуры холодных спаев термопар.

В системе ВРК используется второй метод с использованием специальных компенсационных устройств. Во избежание появления дополнительной термо-ЭДС при наличии температурных градиентов вдоль линии связи термопары желательно, чтобы эта линия до входа в компенсационное устройство была по возможности короткой и однородной. Поэтому в системе ВРК компенсационные устройства располагаются непосредственно на патрубках ТК крышки реактора, и свободные концы термопар вводят в компенсационные устройства без применения удлинительных компенсационных проводов.

Компенсационные устройства сохраняют работоспособность в жестких условиях, существующих внутри шахтного объема: пароводяная смесь с температурой до 1000С, повышенное давление, нейтронное и g-облучение, орошение водой, содержащей борную кислоту.

Конструкция компенсационного устройства типа КС-513 для серийного реактора показана на рисунке 2.13. Клеммная колодка является изотермической пластиной, изготовленной из окиси бериллия, которая обладает высокой теплопроводностью и низкой электропроводностью. На ней расположены клеммы для подключения свободных концов термопар и выводов терморезисторов, служащих для измерения температуры клемной колодки. Терморезисторы прижимаются к клемной колодке планками и гайками для обеспечения хорошего термического контакта. В каждом компенсационном устройстве имеется два терморезистора для обеспечения необходимой надежности.

Клеммная колодка расположена внутри двух полых металлических цилиндров, являющихся тепловыми экранами. Внутренний цилиндр изготовлен из меди, внешний - из нержавеющей стали. Они изолированы друг от друга и от клемной колодки воздушными прослойками и теплоизоляционными прокладками, выполненными таим образом, чтобы исключались воздушные конвективные потоки.

Температурные экраны сглаживают резкие изменения внешней температуры (результирующая постоянная времени изотермической пластины - 2 ч) и выравнивают градиенты температуры, существующие во внешнем пространстве. При самых неблагоприятных условиях разность температур свободных концов термопар и терморезисторов на клемной колодке не превышает 0,250С.

Рисунок 2.13 - Конструкция компенсационного устройства КС-513

Внешний цилиндр представляет собой наружный корпус устройства. Он обеспечивает механическую прочность и герметичность конструкции. При помощи фланца он крепится к патрубку ТК.

Сигналы термопар и терморезисторов выводятся из компенсационного устройства через разъем типа СНЦ-24/308. Терморезисторы включены по четырехпроводной схеме. Применены платиновые терморезисторы второго класса, для которых проведена индивидуальная калибровка, вследствие чего результирующая начальная погрешность градуировки уменьшена до 0,150С. Для поддержания высокой точности необходимо периодически, не реже одного раза в год проводить метрологическую поверку терморезисторов в лабораториях отдела метрологии. При отсутствии индивидуальных коэффициентов погрешность будет равна 0,6-0,70С. Использование ТСП без ежегодной метрологической проверки не допускается.

Деградация СВРК

При выходе из строя в процессе эксплуатации внутриреакторных датчиков происходит постепенная деградация (degradation - постепенная утрата ценных свойств, качеств) системы, связанная с сокращением возможности выполнить функции контроля в той области активной зоны, где не остается работоспособных датчиков.

Активная зона условно разделена на 7х6х3=126 участков таким образом, что на каждом из семи уровней по высоте, 6 азимутальных секторов поделены на 3 (внутренний, промежуточный, наружный) участка.

В Технологическом регламенте указаны координаты КНИ, проходящие через соответствующие участки и координаты КНИ, расположенные в соседних ТВС, которые можно использовать в качестве «дублеров». Считается что участок является неконтролируемым, если число работоспособных ДПЗ на данном участке с учетом «дублеров» меньше величины, оговоренной регламентом. Первая ступень «деградации» - когда СВРК не способна выполнить свои функции по причине уменьшения сопротивления изоляции ДПЗ или возникновения значительного уровня помех на кабельных трассах. Вторая ступень «деградации» - число неконтролируемых участков достигает 35, но не создает более одного неконтролируемого сектора.

Третья ступень «деградации» - неконтролируемая внутриреакторными датчиками часть активной зоны расширяется до двух азимутальных секторов.

Четвертая ступень «деградации» - неконтролируемая часть активной зоны достигает половины.

2.7 Система контроля нейтронного потока

Для обеспечения необходимой надёжности в реакторах устанавливают ограничения на предельно допустимые значения мощности (энерговыделения) реактора, технологических каналов, тепловыделяющих сборок или плотности энерговыделения в единице массы (объёме) топлива. Эффективный контроль энерговыделения в реакторе - важнейшее условие для его безопасной работы. Эти задачи выполняет АКНП.

АКНП предназначена для контроля нейтронной мощности и периода ЯР во всех режимах его работы по значению плотности нейтронного потока и скорости его изменения. Комплекс формирует сигналы превышения заданных значения периода и мощности, выдаёт сигналы в СУЗ ЯР, осуществляет обработку, регистрацию и предоставление информации оператору и на ЭВМ.АКНП выполняет следующие функции:

1. Формирования дискретных сигналов превышения lnN и T;

2. Формирование сигналов переключения диапазонов измерения;

3. Формирование непрерывных (аналоговых) сигналов, пропорциональных lnN и Т на УВС, на регулирование и управление;

4. Усреднение по трём каналам информации о ln N и Т;

5. Формирование звукового сигнала пропорционального плотности нейтронного потока в ДИ;

6. Автоматический контроль неисправности своих устройств;

7. Ручная калибровка измерительных каналов;

8. Формирование дискретных сигналов для световой сигнализации состояния измерительных каналов;

9.  Управление, перемещение и контроль положения блоков детектирования;

10.Выборочное представление информации о нейтронной мощности и периоде, и регистрации на самопишущих приборах;

11.Аналоговое представление информации на экране оперативного дисплея о значениях lnN и Т, а также значений пороговых уставок по всем каналам.

Комплекс АКНП состоит из трёх систем, которые функционально автономны в эксплуатации:

- система АКНП для СУЗ ЯР (2 комплекта);

-        система АКНП при перегрузке топлива (СКП);

         система АКНП для РЩУ.

Диапазон контроля нейтронной мощности разбит на три поддиапазона:

- ДИ -диапазон источника (10 -7-10 -1% Nном.);

-        ДП -диапазон промежуточный (10 -3-100% Nном.);

         ДЭ -диапазон энергетический (0,1-120% Nном.).

Контроль нейтронного потока осуществляется от уровня 10 -7 до 120% Nном. При работе ЯР в энергетическом режиме ионизационные камеры диапазонов ДИ, ДП при помощи механизма перемещения (МП) выводятся из зоны максимального нейтронного потока.

Рассмотрим прохождение сигнала на одном из диапазонов измерения (энергетическом) рисунок 2.14.

Измеритель скорости счета

Входная информация в виде импульсов положительной полярности поступает на измеритель скорости счета КПБ-30А1, структурная схема которого приведена на рисунке 2.14. Для измерения информации в диапазоне шести десятичных порядков узел КПБ-30А1 содержит три частотно-токовых преобразователя, различающихся значениями коэффициента преобразования. Через согласующий трансформатор Т1 и входной дискриминатор У2, в котором предусмотрена регулировка уровня дискриминации при помощи резистора R3 (чувствительность), импульсы одновременно поступают на три частотно-токовых преобразователя (на третий - через делитель частоты на 10). На их входе установлены триггеры УЗ и У4, разравнивающие интервалы между входными импульсами, что повышает разрешающую способность в области больших частот, и формирующие сигналы по длительности.

Далее импульсы усиливаются по амплитуде на ключах У5. Сформированные импульсы служат для заряда дозирующих емкостей С5-С7, СЗ-С4, С2 соответственно для первого, второго и третьего частотно-токовых преобразователей, осуществляющих нормирование заряда по величине.


Нормированные заряды поступают на интеграторы. В первом частотно-токовом преобразователе интегрирование осуществляется интегрирующим RC-контуром. Для обеспечения линейности характеристики в интеграторе И1 используется токовый каскад на транзисторе, выполненный по схеме с общей базой, У6. Диод VD6 обеспечивает автоматическое изменение постоянной времени интегрирования в зависимости от частоты входных сигналов. Для уменьшения выходного сопротивления к выходу RC-контура подключен эмиттерный повторитель У11, У12, У13. Во втором и третьем частотно-токовых преобразователях интеграторы И2 и ИЗ представляют собой усилитель постоянного тока (У7 и У9 или У8 и У10) с интегрирующей цепью в обратной связи.

Применение усилителя постоянного тока обеспечивает линейность преобразования и низкое выходное сопротивление интегратора.

На выходах измерителя скорости счета формируются аналоговые сигналы, которые поступают на входы трех логарифматоров КПН-03АI.

Логарифматор

Логарифматор КПН-03А1 предназначен для логарифмического преобразования постоянного (медленно меняющегося) напряжения в широком диапазоне. Структурная схема логарифматора изображена на рисунке 2.14.

Функция преобразования

,

где Uo - начальная точка логарифмической шкалы;

к - постоянный коэффициент.

В основу работы логарифматора положен логарифмический времяимпульсный метод преобразования напряжения, заключающийся в фиксации времени заряда эталонного конденсатора С от источника входного напряжения . Периодический разряд конденсатора С осуществляется с помощью ключей УЗ и У5, которые управляются синхронно с частотой  генератором стабильной частоты У1, У2 и У4. Полученный импульс перезаряда конденсатора С поступает на амплитудный дискриминатор У8 и У10 (У9 и У11) с порогом дискриминации Uo. На выходе амплитудного дискриминатора формируются импульсы длительностью

,

где R - общее сопротивление цепи заряда.

Импульсы длительностью т частотой повторения  усиливаются на ключах У7. Сформированные по амплитуде и длительности импульсы поступают на фильтр Ф1 (или Ф2), выполненный на каскаде с общей базой У12 (У13) и интегрирующем RC-контуре. На интегрирующем контуре вырабатывается выходное напряжение

,

где А - коэффициент пропорциональности.

Введение двух параллельно работающих трактов в логарифматоре обусловлено задачами БФО: формирование сигналов, пропорциональных входной частоте и скорости ее изменения. Каждый логарифматор имеет два выхода. При экспоненциальном нарастании входной частоты напряжение на выходе логарифматора меняется линейно.

Сигналы с первых выходов поступают на соответствующие входы дифференцирующего усилителя УРД-03А1.

Дифференциатор

Дифференцирующий усилитель (рисунок 2.14) предназначен для формирования сигнала пропорционального скорости изменения входной частоты.

Усилитель состоит из трех идентичных трактов, включающих дифференцирующую цепь RC, повторитель напряжения У4, У5 и У6, усилитель У7 и У8, инвертор У9 и элементы схемы "ИЛИ" (У1, У2, УЗ, УД8).

Если входной сигнал изменяется во времени линейно:

,

где - скорость изменения входного сигнала, то выходное напряжение дифференциального усилителя определяется по формуле

,

где  - коэффициент усиления.

Сигналы с выходов усилителей собираются через элементы сборки аналоговых сигналов "ИЛИ". Сигнал на выходе сборки пропорционален скорости нарастания входной информации во всем диапазоне. Также происходит формирование аналогового сигнала, пропорционального скорости уменьшения входной информации, только сигнал на аналоговую схему "ИЛИ" поступает с выходов инверторов каждого тракта.

Таким образом, на выходе дифференцирующего усилителя имеется два аналоговых сигнала, соответствующих положительному (Т) и отрицательному () периодам во всем диапазоне, которые поступают на масштабный преобразователь ЦСП-02А1.

Для формирования сигнала, пропорционального логарифму входной частоты (Р) во всем диапазоне, производится суммирование сигналов со вторых выходов логарифматоров, которые объединены и подключены к масштабному преобразователю ЦСП-02А1, который предназначен для размножения аналоговых сигналов.

Таблица 3 - Параметры системы АКНП-3

Наименование параметра

ДЭ

1 Диапазон контроля нейтронной мощности, 0,1-120


2 Диапазон контроля периода, T (сек)

999-10

3 Выходные аналоговые сигналы, пропорциональные значению нейтронной мощности (логарифму мощности), %

0-6,0

4 Погрешность аналоговых сигналов, пропорциональные значению нейтронной мощности (логарифму мощности), %

5 Погрешность по периоду, (%)

6 Сигналы защиты по уровню нейтронной мощности (уставки ПСР и РМР формируются одновременно с уставками АЗР тем же органом управления в соотношении (АЗ:ПС:РМ=107:104:102))   АЗ     ПС РМ    Дискретно, через  в диапазоне

//-

-//-

 

7 Уставки защиты по периоду (переключение уставок АЗ, ПС и РМ производится синхронно), сек

АЗ ПС РМ

10, 20, 40 20, 40, 80 40, 80, 160

8 Нестабильность уставок АЗ, ПС и РМ

9 Нестабильность аналоговых сигналов, пропорциональные значению нейтронной мощности (логарифму мощности), %

10 Постоянная времени измерительного канала, сек

не более 0,1

11 Диапазон измерения плотности потока тепловых нейтронов в мостах расположения БД, ()


12 Допустимый гамма-фон (А/кг) (Р/ч)           


2.8 ИВС энергоблока

УВС предназначена для выполнения информационно-вычислительных, управляющих и вспомогательных функций на блоках мощностью 1000 МВт с водо-водяными реакторами типа ВВЭР-1000.

ИВС является основной частью автоматизированной системы управления энергоблоком и выполняет информационно-вычислительные функции, функции управления и технологической сигнализации. УВС получает информацию как непосредственно от датчиков объекта, так и от специализированных систем контроля и управления, входящих в состав АСУТП таких, как система функционально-группового управления (ФГУ), система внутриреакторного контроля (СВРК), автоматического контроля радиационной безопасности (АКРБ), система управления и защит (СУЗ), система централизованного контроля параметров турбогенератора (А701-03). Поступающая в ИВС информация обрабатывается и выдается оператору-технологу с помощью средств, представления информации ИВС (РМОТ, печатающие устройства). На основании получаемой от ИВС информации о состоянии энергоблока оператор-технолог принимает решения об управляющих воздействиях на объект.

ИВС осуществляет контроль состояния оборудования реакторного отделения, турбинного отделения и турбогенератора.

В процессе функционирования ИВС связана с технологическими системами (подсистемами) объекта через аналоговые и дискретные датчики и с органами управления - через УКТС.

ИВС выполняет следующие информационные функции:

·   сбор и первичная обработка аналоговых и дискретных параметров, подключенных к КСО;

·   сбор и обработка аналоговых и дискретных параметров, поступающих от внешних систем (ФГУ, СВРК, СКРБ, A701-03);

·   расчет непосредственно не измеряемых (рассчитываемых) параметров;

·   расчет и анализ технико-экономических показателей (ТЭП);

·   индикация аналоговых, дискретных и рассчитываемых параметров и показателей на средствах представления информации ИВС;

·   выявление и индикация отклонений аналоговых параметров (отдельных параметров и групп параметров) на средствах представления информации ИВС;

·   выявление и индикация несоответствий состояний исполнительных механизмов выданным командам управления от защит, блокировок, систем управления функциональными группами оборудования (отдельных механизмов и групп механизмов) на средствах представления информации ИВС;

·   идентификация аварий блока для запуска регистрации аварий;

·   вывод результатов расчета и анализа ТЭП;

·   регистрация измеряемых, рассчитываемых и поступающих из других систем параметров; регистрация событий;

·   регистрация очередности срабатывания защит и блокировок, состояния и изменения состояний механизмов, положения и изменения положений арматуры, действий операторов по управлению оборудованием блока, а также (необходимых для анализа ситуаций) параметров в предаварийные периоды и в периоды развития и ликвидации аварий;

·   передача данных в СППБ;

·   подготовка данных и обмен с АСУ АЭС.

ИВС выполняет следующие вспомогательные функции:

·   управление функционированием КСО М-64 и систем ФГУ;

·   управление базами данных;

·   расчета ТЭП;

·   контроля защит и блокировок;

Тестовая проверка логической части защит САОЗ реакторного отделения и логической части защит ТПН и турбины по вызову оператора (ЦОЗ).

2.9 Система управления ступенчатым пуском

Системы безопасности подразделяются на защитные, локализующие, обеспечивающие и управляющие.

Защитные системы предназначены для предотвращения или ограничения повреждений ядерного топлива, оболочек твэл, 1-го контура и предотвращения ядерных аварий.

Локализующие системы предназначены для предотвращения или ограничения распространения внутри АЭС и выхода в окружающую среду выделяющихся при аварии радиоактивных веществ.

Обеспечивающие системы предназначены для снабжения систем безопасности энергией, рабочей средой и создания условий их функционирования.

Управляющие системы предназначены для приведения в действие систем безопасности, осуществления контроля и управления ими в процессе выполнения заданных функций.

К защитным системам безопасности относятся:

1САОЗ;

2система зашиты 1-го контура от превышения давления (предохранительные клапаны КД - ИПУ КД);

3 система защиты 2-го контура от повышения давления (предохранительные клапаны ПГ);

4 быстродействующие запорно-отсечные клапаны на паропроводах
ПГ;

5система аварийной подпитки ПГ;

6система газоудаления и дожигания водорода из-под крышки реактора и из коллекторов ПГ;

7система ликвидации гидрозатворов в 1-м контуре;

8 система принудительного сброса давления в 1-м контуре.

К локализующим системам безопасности относятся:

9 спринклерная система;

10защитная оболочка;

11стальная герметизирующая облицовка;

12герметичные проходки;

13гермовводы;

14саншлюзы;

15транспортные люки;

16изолирующая отсечная арматура;

17система обжатия железобетонных конструкций.

К обеспечивающим системам безопасности относятся:

18 система технического водоснабжения ответственных потребителей;

19 система снабжения сжатым воздухом отсечной изолирующей арматуры;

20 резервная дизельная электростанция;

21 система надежного электроснабжения 2-й группы;

22 система пожаротушения;

23 система надежного электроснабжения 1-й группы.

К управляющим системам безопасности относятся:

24 система A3 реактора;

25 устройство ЮМ;

26 система УРБ;

27 система контроля положения ОР СУЗ;

28 система группового и индивидуального управления ОР СУЗ;

- АКНП;

- СИАЗ;

НАР-Б;

- приводы СУЗ.

На блоках АЭС принята структура трех полностью независимых систем безопасности. Система состоит из двух комплектов. Каждый комплект трехканальный. Существуют I и II программы ступенчатого пуска. Комплексная проверка СБ проводится:

29 при каждом останове ЭБ на срок более трех суток с расхолаживанием;

30 перед пуском блока;

31 при работе ЭБ на мощности - не реже одного раза в месяц со сдвигом
на 240 часов между опробованием отдельных каналов СБ.

Условиями запуска ступенчатого пуска при срабатывании защит САОЗ являются:

1. Δts < 10 °С (разность между максимальной температурой теплоносителя в горячей петле 1 контура и температурой насыщения).

2. Р > 0,3 кгс/см2 под гермооболочкой.

3. Скорость изменения давления пара более 1,5 кгс/(см2·с) при давлении пара в паропроводе менее 52 кгс/см2 и температуре теплоносителя 200 °С.

4. Δts > 75 °С между 1-м и 2-м контурами при давлении пара в паропроводе
менее 50 кгс/см2.

Условием пуска I программы является отсутствие напряжение 6 кВ на секции надежного питания. При наличии питания на секции надежного питания РДЭС не запускается. Условием пуска II программы является «Температура теплоносителя в 1-м контуре менее 70 °С».

Условиями снятия памяти ступенчатого пуска после аварии являются:

1. Наличие напряжения 6 кВ на секциях нормальной эксплуатации.

2. Активность технической воды менее 5·10-9 Ки/л.

При срабатывании защит САОЗ:

а) без выдержки времени включается I ступень:

1 пускаются вентиляторы системы охлаждения проходок UV40D01,
UV40D02,UV40D03;

2 пускаются вентиляторы воздухоснабжения пневмокостюмов TL47D01,
TL47D02,TL47D03;

3 пускаются вентиляторы системы охлаждения венткамеры и гермопроходок днища оболочки TL13D01, TL13D02, TL13D03;

4 пускается насос системы смазки подшипников турбины SC13D01;

5 пускается насос уплотнений вала генератора SU11D01, SU12D01,
SU13D01.

б) через 5 секунд включается П ступень:

6 пускаются насосы аварийного ввода бора TQ13D01, TQ23D01,
TQ33D01;

7 пускаются насосы аварийного расхолаживания I контура TQ12D01,
TQ22D01.TQ32D01;

-пускаются насосы аварийного ввода бора высокого давления
TQ14D01, TQ24D01, TQ34D01.

в) через 10 секунд включается Ш ступень:

8 пускаются насосы системы технического водоснабжения группы «А»
 QF11D01 (02), QF21D01 (02), QF31D01(02);

9 пускаются вентиляторы системы охлаждения БЩУ, УВС, РЩУ,
СУЗ UV55D01, UV55D02,UV55D03;

г) через 20 секунд включается IV ступень:

- пускается насос организованных протечек TY21D01, TY22D01, TY23D01;

10пускается вентилятор системы охлаждения шахты аппарата TL04D01;

11пускается вентилятор системы охлаждения гермооболочки TL05D01;

- пускается вентилятор системы поддержания разрежения под оболочкой TL22D01;

д) через 30 секунд включается V ступень:

12 пускается насос промконтура TF31D01, TF32D01, TF33D01;

13 пускается спринклерный насос TQ11D01, TQ21D01JQ31D01;

е) через 40 секунд включается VI ступень:

- пускается аварийный питательный насос TX10D01, TX20D01,
TX30D01;

ж) через 45 секунд включается VII ступень:

пускаются вентиляторы системы охлаждения бокса ПГ - ГЦН TL01D0, TL01D03, TL01D05.

Если в течение одного часа электропитание не восстановилось, то РУ расхолаживается со скоростью 30 0С.программа состоит из двух ступеней: II и III ступени.

2.10 Посты управления энергоблоком

Для непосредственного управления основными технологическими процессами на энергоблоке АЭС (ВВЭР-1000) предусмотрены следующие посты управления:

·   пост НСС;

·   общестанционный (центральный) щит управления (ЦЩУ);

·   МЩУ - местные щиты управления блочного или общестанционного вспомогательного оборудования (спецкорпуса, спецводоочистки, пусковой котельной, радиационного контроля);

- БЩУ - блочный щит управления;

РЩУ;

БЩУ и РЩУ предусматриваются для каждого блока.

Центральный щит управления (ЦЩУ). ЦЩУ является основным постом, с которого производится координация управления технологическими процессами на АЭС в целом.

ЦЩУ является местом пребывания начальника смены и дежурного инженера электроцеха.

С ЦЩУ выполняются следующие операции:

распределение нагрузок между энергоблоками;

- управление электрическими устройствами;

- контроль за работой общестанционных установок;

оперативный контроль за обеспечением радиационной безопасности АЭС.

ЦЩУ располагается в помещении лабораторно-бытового корпуса.

Блочный щит управления (БЩУ). В соответствии с ОПБ-2000 для каждого энергоблока АЭС предусмотрен блочный щит управления (БЩУ), с которого персоналом производится контроль за состоянием реактора, управление реакторной установкой, а также другими системами энергоблока в режиме нормальной эксплуатации, при нарушении режимов нормальной эксплуатации и авариях. Основным постом, предназначенным для оперативного управления блоком во всех режимах его работы (пуска, работы на мощности, останова, аварийных режимах) является блочный щит управления (БЩУ).

Центром управления энергоблока является блочный щит управления (БЩУ) размещаемый в обстройке реакторного отделения со стороны примыкания к машзалу на отметке +6,6. На БЩУ созданы автоматические рабочие места (АРМ) для ведущего инженера управления реактором (ВИУР) и турбиной (ВИУТ), а также АРМ начальника смены. Основными средствами представления информации на БЩУ являются дисплеи информационно-вычислительной системы ,системы внутриреакторного контроля СВРК-М ,вторичные приборы и средства сигнализации на панелях и пультах контроля и управления.

На БЩУ предусматривается постоянное присутствие следующего эксплуатационного персонала:

начальник смены энергоблока (НСБ) (осуществляет общее руководство сменным эксплуатационным персоналом энергоблока, ведет непосредственный контроль за соблюдением заданного режима работы энергоблока, контролирует состояние систем обеспечения безопасности и их работу, радиационною обстановку блока);

начальник смены реакторного цеха (НСРЦ);

ведущий инженер управления реактором (ВИУР);

ведущий инженер управления турбиной (ВИУТ);

ведущий инженер эксплуатации оборудования турбинного цеха (ВИЭОТЦ).

Оперативный персонал обеспечивает управление энергоблоком в следующих режимах:

пуск энергоблока;

останов энергоблока;

режим нормальной эксплуатации, включая переходные процессы;

режим нарушения нормальной работы (нарушение режимов, срабатывание защит и блокировок);

аварийные режимы.

Для организации управления оперативного персонала, передачи команд от НСС операторам БЩУ и от операторов БЩУ оперативному обслуживающему персоналу блока, пульты блочного щита управления снабжены комбинированными коммутаторами громкоговорящей и телефонной связи.

Резервный щит управления (РЩУ) - предусмотренное проектом специально оборудованное помещение (размещенное территориально отдельно от БЩУ), предназначенное в случае отказа БЩУ для:

- надежного перевода РУ в подкритическое расхоложенное состояние;

поддержания его сколь угодно долго в этом состоянии;

приведения в действие систем безопасности;

получения надежной информации о состоянии реактора.

Резервный щит управления предназначен для:

·   выполнения технологических операций;

·   представления информации по контролю за технологическими параметрами;

·   управления реакторной установкой в случаях, когда управление ею с БЩУ невозможно.

Резервный щит управления предназначен для останова реактора и вывода его в подкритическое состояние в случае поражения БЩУ. С РЩУ может осуществляться аварийное охлаждение активной зоны реактора, сброс давления в герметичной оболочке, контроль за подкритическим состоянием реактора. РЩУ так изолирован от БЩУ, чтобы по общей причине не были поражены оба щита или не были поражены аналогичные каналы контроля или управления на БЩУ и РЩУ одновременно.

На РЩУ постоянного дежурного персонала не предусматривается

Местные щиты управления (МЩУ). Местные щиты управления предназначены для местного управления механизмами и арматурой.

3 Регуляторы БРУ-К.

Функциональная схема авторегулирования - Приложение А, рисунок А.1. Структурная схема - Приложение Б, рисунок Б.1.

Назначение: предотвращение повышения давления пара в ГПК за допустимые пределы во всех режимах работы энергоблока.

Закон регулирования: пропорциональный за счёт охвата ПИ - регулятора обратной связью по положению регулирующего органа.

Регулируемый параметр: давление пара в ГПК. Заданное значение давления пара в ГПК в зависимости от режима работы. Неравномерность регулирования 4 кгс/см2 на 100 % хода клапана.

Управляющее воздействие: изменение расхода пара из ГПК в конденсатор через ПСУ помимо турбины с воздействием на регулирующие клапана 2RС10S01, 2RС20S01, 2RС30S01, 2RС40S01 типа ЧЗЭМ 960-300/350-Э, ход клапана 96 мм, пропускная способность 900 т/ч. Время полного хода каждого клапана 15 с.

Входные сигналы:

·   давление пара в ГПК измеряется тремя датчиками типа Сапфир-22ДИ с пределами измерения от 0 кгс/см2 до 100 кгс/см2 позиции RC11P01B1K1, RC11P01B1K2, RC11P01B1K3. Контроль исправности осуществляется сравнением показаний датчиков с показаниями второго из наименьших показаний датчиков. При отличии показаний датчиков давление пара в ГПК более чем на 4 кгс/см2, датчик считается неисправным, при этом светится транспарант "НЕИСПРАВН. ДАТ" на панели В210-02;

·   давление конденсата до задвижек RM24S01, RM24S06 измеряется тремя датчиками типа Сапфир-22ДИ с пределами измерения от 0 кгс/см2 до 40 кгс/см2 позиции RM24P01B1, RM24P01B2, RM24P01B3. Контроль исправности осуществляется сравнением показаний датчиков с показаниями второго из наименьших показаний датчиков. При отличии показаний датчиков давления пара до задвижки более чем на 1 кгс/см2, датчик считается неисправным, при этом светится транспарант "НЕИСПРАВН. ДАТ" на панели В210-02;

·   давление конденсата за задвижками RM24S01, RM24S06 измеряется тремя датчиками типа Сапфир-22ДИ с пределами измерения от 0 кгс/см2 до 40 кгс/см2 позиции RM24P02B1, RM24P02B2, RM24P02B3. Контроль исправности осуществляется сравнением показаний датчиков с показаниями второго из наименьших показаний датчиков. При отличии показаний датчиков давления пара за задвижкой более чем на 1 кгс/см2, датчик считается неисправным, при этом светится транспарант "НЕИСПРАВН. ДАТ" на панели В210-02;

·   вакуум в конденсаторе измеряется тремя датчиками типа Сапфир-22ДА с пределами измерения от 0 кгс/см2 до 1 кгс/см2 позиции S201B03, S201B04, S201B05. Контроль исправности осуществляется сравнением показаний датчиков с показаниями второго из наименьших показаний датчиков. При отличии показаний более чем на 0,05 кгс/см2, датчик считается неисправным, при этом светится транспарант "НЕИСПРАВН. ДАТ" на панели В210-02;

·   температура ПСУ - 11, 12, 21, 22, 31, 32, 41, 42 измеряется восемью электроконтактными термометрами типа ТКП-100ЭК с пределами измерения от 0 0С до 150 0С позиции М913 - М920. При превышении температуры ПСУ более 100 0С на видеокадр выдаются сообщения "Т ПСУ11>1000C", "Т ПСУ12 >100 0C", "Т ПСУ21 >100 0C", "Т ПСУ22 >100 0C", "Т ПСУ31 >100 0C", "Т ПСУ32 >100 0C", "Т ПСУ41 >100 0C", "Т ПСУ42 >100 0C";

·   заданная мощность турбины заводится от ЦАП стойки ЭГСР В211, предел измерения от 0 МВт до 2000 МВт;

·   сигналы по положению клапанов 2RС10S01, 2RС20S01, 2RС30S01, 2RС40S01 поступают из шкафов РТ УСБ.

Самобаланс: в момент включения регуляторы сбалансированы на текущее значение давления в ГПК, затем регуляторы безударно переходят на поддержание уставки в зависимости от режима работы.

Управление регулятором: в режиме "ДУ" - индивидуальными ключами управления на пульте 11ПА БЩУ и с РЩУ; в режиме "А"- от АСУТ.

Защиты и блокировки

Независимо от включенного или отключенного состояния регуляторов БРУ-К действует технологический запрет открытия и принудительное закрытие БРУ-К в следующих случаях:

·   по сигналу "СРАБАТЫВАНИЕ ЗАЩИТ ТУРБИНЫ" (срабатывании технологической защиты со срывом вакуума по повышению уровня в конденсаторе или отключению четырех циркуляционных насосов). Сигнал поступает из схем защит;

·   при повышении давления в конденсаторе до минус 0,55 кгс/см2 ;

·   при давлении конденсата до задвижек 2RM24S01, 2RM24S06 на линии впрыска в пароприемные устройства меньшем 12 кгс/см2. Блокировка вводится с выдержкой времени 20 с после схода с концевого закрытия любого БРУ-К;

·   при давлении конденсата за задвижками 2RM24S01, 2RM24S06 на линии впрыска в пароприемные устройства меньше 12 кгс/см2. Блокировка вводится с выдержкой времени 20 с после схода с концевого закрытия любого БРУ-К;

·   если 2RM24S01, 2RM24S06 через 30 с после получения команды на открытие задвижек от регулятора не сошла с концевого закрытия;

·   при температуре более 100 0C в любом из пароприемных устройств конденсаторов турбины с выдержкой времени 30 с. Сигналы "Т ПСУ11 > 100 0C" и "Т ПСУ12 > 100 0C" действуют на закрытие RC10S01, сигналы "Т ПСУ21 > 100 0C" и "Т ПСУ22 > 100 0C " - на закрытие RC20S01, сигналы "Т ПСУ31 > 100 0C" и "Т ПСУ32 > 100 0C" - на закрытие RC30S01, сигналы "Т ПСУ41 > 100 0C" и "Т ПСУ42 > 100 0C" - на закрытие RC40S01;

·   при снижении давления в ГПК до 62 кгс/см2 в "РСТ" (при отказе датчиков давления в ГПК и при включенном "РПО" запрет не формируется).

При давлении в ГПК более 68 кгс/см2, во всех режимах управления, действует принудительное открытие регулирующих клапанов БРУ-К 2RC10-40S01. Команда на принудительное открытие регулирующих клапанов 2RC10-40S01 снимается при давления в ГПК менее 68 кгс/см2 (блокировка выводится при отказе датчиков давления в ГПК).

При сходе любого регулирующего клапана 2RC10-40S01 с концевого выключателя закрытия открываются задвижки 2RM24S01, 2RM24S06.

При посадке на КВЗ всех четырёх РК БРУ-К, с выдержкой времени 20 с, задвижки RM24S01, RM24S06 закрываются.

При положении ключа SAВ1 на пульте 11ПА в "РПД" по окончанию действия блокировки принудительного открытия регулирующих клапанов БРУ-К (давление в ГПК больше 68 кгс/см2) и при давлении в ГПК менее 68 кгс/см2 регулятор переходит в "РПД" с уставкой 64 кгс/см2.

 При положении ключа SAВ1 на пульте 11ПА в "РПД" (давление в ГПК менее 68 кгс/см2) и при появление сигнала "СБРОС НАГРУЗКИ" из ЭГСР, и снижение мощности происходит со скоростью, большей 50 МВт/с, регулятор переходит из "РСТ" в "РПД".

В ЭГСР сигнал "СБРОС НАГРУЗКИ" формируется при выполнении любого из условий:

·   выключатель генератора отключен;

·   закрытие двух из четырех стопорных клапанов турбины;

·   поступление команды ПА на снижение мощности;

·   повышение частоты вращения ротора турбины в режиме поддержания
частоты вращения.

 Сигнал "РАЗГРУЗИТЬ ЭГСР" формируется в РБРУ-К и поступает в ЭГСР при совпадении всех перечисленных условий:

·   отключён любой циркуляционный насос;

·   заданная мощность больше 300 МВт, с гистерезисом 100 МВт;

·   давление в конденсаторе турбины больше минус 0,15 кгс\см2.

На панели 13П подсвечивается табло "РАЗГРУЗИТЬ ЭГСР". Блокировка выводится при отказе датчика давления в конденсаторе.

Описание работы регулятора

Функции системы БРУ-К реализованы в двух УВК В231 и В233, полностью дублирующих друг друга. В работе должен находиться один УВК, второй УВК должен быть в резерве. Выбор УВК В231 или В233 осуществляется с помощью импульсных кнопок "ДЕБЛОКИРОВКА" и "В233" на пульте "В210-02". При переводе БРУ-К в режим автоматического управления и если В231 не в отказе, управление БРУ-К принимает УВК В231. При отказе В231 или при одновременном нажатии кнопок "ДЕБЛОКИРОВКА" и "В233" управление БРУ-К переходит в УВК В233, если она не в отказе. Управление БРУ-К перейдет в УВК В231 при отказе В233 или при повторном одновременном нажатии кнопок "ДЕБЛОКИРОВКА" и "В233". Предусмотрена подсветка транспарантов на пульте В210-02 "БРУ-К В231" или "БРУ-К В233".

При переводе регулятора в автоматический режим переводом ключа управления 1ПУ на БЩУ (2ПУ на РЩУ) в положение "А" хотя бы одного из клапанов 2RC10S01, 2RC20S01, 2RC30S01, 2RC40S01 и при отсутствии условий перевода его из автоматического в дистанционный режим работы по команде АСУТ, регулятор включается в выбранный режим работы в зависимости от положения ключа выбора режима работы.

Для регуляторов реализованы следующие режимы работы:

·   режим "ПУСКО-ОСТАНОВОЧНЫЙ";

·   режим "РАСХОЛАЖИВАНИЕ 1";

·   режим "РАСХОЛАЖИВАНИЕ 2";

·   режим поддержания любого выбранного давления;

·   режим "СТЕРЕГУЩИЙ";

·   режим "РПД";

·   режим "РАСХАЖИВАНИЕ".

Режим "ПУСКО-ОСТАНОВОЧНЫЙ"

Включается переводом ключа на пульте 11 ПА в положении "РПО", и регулятор находится в автоматическом управлении. РБРУ-К поддерживает текущее значение давления пара в ГПК на момент включения, затем производит безударный переход на уставку 64 кгс/см2 со скоростью 0,01 (кгс\см2)·с.

Режим "ПУСКО-ОСТАНОВОЧНЫЙ" используется на пуске или останове энергоблока, для плавного подъема давления в ГПК в диапазоне от 0 кгс/см2 до 64 кгс/см2. В этом режиме выведена из работы блокировка по снижению давления в ГПК меньше 62 кгс/см2.

Примечание. Не зависимо от того в каком режиме находится регулятор, (автоматический или ДУ) после того как ключ будет переведён в положение "РПО", выводится из работы блокировка по снижению давления в ГПК меньше 62 кгс/см2.

Режим "РАСХОЛАЖИВАНИЕ 1"

РБРУ-К должен находиться в режиме "ПУСКО-ОСТАНОВОЧНЫЙ". Включается нажатием кнопок, для УВК который находится в работе, "ДЕБЛОКИРОВКА" и "Расх 1" на пульте "В210-02". Включение подтверждается подсветкой табло "Расх 1" на пульте "В210-02". РБРУ-К поддерживает текущее значение давления пара в ГПК на момент включения, затем уставка по давлению со скоростью 30 0C/ч снижает давление пара в ГПК от давления на момент включения согласно функции:

  (1)

где  - температура насыщения;

 - функция от давления в ГПК.

Режим "РАСХОЛАЖИВАНИЕ 1" используется на пуске или останове энергоблока, для плавного снижения давления в ГПК со скоростью 30 0C/ч, а также для расхолаживания оборудования на останове энергоблока, в этом режиме выведена из работы блокировка по снижению давления в ГПК меньше 62 кгс/см2.

Отключение режима "РАСХОЛАЖИВАНИЕ 1" производится повторным нажатием кнопок "ДЕБЛОКИРОВКА" и "Расх 1" на пульте "В210-02". Отключение подтверждается отсутствием подсветки табло "Расх 1" на пульте "В210-02".

Режим "РАСХОЛАЖИВАНИЕ 2"

РБРУ-К должен находиться в режиме "ПУСКО-ОСТАНОВОЧНЫЙ". Включается нажатием кнопок, для УВК который находится в работе, "ДЕБЛОКИРОВКА" и "Расх 2" на пульте "В210-02". Включение подтверждается подсветкой табло "Расх 2" на пульте "В210-02". РБРУ-К поддерживает текущее значение давления пара в ГПК на момент включения, затем уставка по давлению со скоростью 60 0C/ч снижает давление пара в ГПК от давления на момент включения согласно (1).

Режим "РАСХОЛАЖИВАНИЕ 2" используется на пуске или останове энергоблока, для плавного снижения давления в ГПК со скоростью 60 0C/ч, а также для расхолаживания оборудования на останове энергоблока, в этом режиме выведена из работы блокировка по снижению давления в ГПК меньше 62 кгс/см2.

Отключение режима "РАСХОЛАЖИВАНИЕ 1" производится повторным нажатием кнопок "ДЕБЛОКИРОВКА" и "Расх 2" на пульте "В210-02". Отключение подтверждается отсутствием подсветки табло "Расх 2" на пульте "В210-02".

Режим "Поддержание любого выбранного давления"

РБРУ-К должен находиться в режиме "РАСХОЛАЖИВАНИЕ 1" или "РАСХОЛАЖИВАНИЕ 2". Включается нажатием кнопок, для УВК который находится в работе, "ДЕБЛОКИРОВКА" и "СТОП" на пульте "В210-02". Включение подтверждается подсветкой табло "СТОП" на пульте "В210-02". Регулятор поддерживает текущее значение давления пара в ГПК на момент нажатия кнопки "СТОП".

Режим "Поддержание любого выбранного давления" используется на пуске или останове энергоблока, для поддержания любого фиксированного значения давления в ГПК. В этом режиме выведена из работы блокировка по снижению давления в ГПК меньше 62 кгс/см2.

Отключение режима "Поддержание любого выбранного давления" производится повторным нажатием кнопок "ДЕБЛОКИРОВКА" и "СТОП" на пульте "В210-02". Отключение подтверждается отсутствием подсветки табло "СТОП" на пульте "В210-02".

Режим "СТЕРЕГУЩИЙ"

Включается переводом ключа на пульте 11 ПА в положение "РПД", и регулятор находится в автоматическом управлении, и отсутствуют условия вступления его в работу.

Режим "Стерегущий" включается из режима "РПД" по истечению 20 с после закрытия всех РК БРУ-К, если отсутствует сигнал "СБРОС НАГРУЗКИ" и давление в ГПК не было больше 68 кгс\см2.

Режим "Стерегущий" используется в стационарных режимах работы энергоблока. Регуляторы находятся в "РСТ", что контролируется по свечению обеих ламп РК 2RC10S01, 2RC20S01, 2RC30S01, 2RC40S01 на мнемосхеме.

Режим поддержания давления

При поступлении сигнала "СБРОС НАГРУЗКИ" из ЭГСР, и снижении заданной мощности со скоростью, большей 50 МВт/с, регулятор переходит в РПД с уставкой, которая была до сигнала "СБРОС НАГРУЗКИ". Формируется сигнал пропорциональный сбросу нагрузки для ввода в обратную связь РБРУ-К, который вычисляется по формуле (2):

 (2)

где  - заданная электрическая мощность перед поступлением сигнала

"СБРОС НАГРУЗКИ" из ЭГСР, затем уменьшается со скоростью  2 МВт/с;

 - текущая заданная электрическая мощность из ЭГСР.

Вывод из обратной связи РБРУ-К пропорциональной составляющей dN (обнуление величины сброса нагрузки) осуществляется если dN меньше 10 МВт. После обнуления величины сброса нагрузки РБРУ-К дискретно меняет уставку на 64 кгс\см2, и безударно выходит на неё со скоростью 0,05 (кгс\см2)/с.

Расчёт составляющей обратной связи "dN" не производится при:

·   отключении режима "РСТ";

·   давлении в ГПК более 68 кгс\см2;

·   если все РК БРУ-К не сошли с КВЗ в течение 20 с после формирования признака "СБРОС НАГРУЗКИ", после чего РБРУ-К переходит в режим "РСТ".

Примечание. В ЭГСР сигнал "СБРОС НАГРУЗКИ" формируется при:

·   электрической мощности больше 300 МВт;

·   отключении одного циркуляционного насоса;

·   давлении в конденсаторе более 0,15 кгс/см2.

Сигнал "СБРОС НАГРУЗКИ" в ЭГСР снимается при:

·   снижении давления в конденсаторе до 0,14 кгс/см2;

·   включении всех циркуляционных насосов;

·   снижении мощности менее 200 МВт.

Режим "РАСХАЖИВАНИЕ"

Для регулирующих клапанов 2RC10-40S01 предусмотрена возможность ручного расхаживания БРУ-К.

Для РК 2RC10-40S01, необходимо соответствующий регулирующий клапан перевести в режим "ДУ", и с ИС ввести значение "1" программному ключу "Разрешение расхаживания БРУК1-4" (для стойки В231 ключи Р10110, Р10111, Р10112, Р10113), (для стойки В233 ключи Р30110, Р30111, Р30112, Р30113) для необходимого РК 2RC10-20S01. При этом снимаются команды принудительного закрытия с запретом открытия при понижении давления в ПГ меньше 62 кгс/см2 от УВК. Регулирующим клапаном БРУ-К можно управлять с помощью ключа управления.

Для перевода РК из режима расхаживания в "РСТ" необходимо с ИС ввести значение "0" программному ключу "Разрешение расхаживания" РК который находится в режиме "Расхаживание" и перевести его в режим "А".

Программному ключу "Разрешение расхаживания" автоматически присвоится значение "0", режим "РАСХАЖИВАНИЕ" будет выключен. РК необходимо перевести в автоматический режим.

Для плавного подъема, снижения и поддержания любого фиксированного значения давления в ГПК в диапазоне от 0 кгс/см2 до 64 кгс/см2 при пусках и остановах, а также для расхолаживания оборудования при остановах энергоблока используется режим "РПО". В этом режиме выведены из работы блокировки при снижении давления в ГПК до 62 кгс/см2.

Для увеличения уставки поддержания давления в ГПК необходимо включить режим Пуско-остановочный" (перевести ключ в положение "РПО"). Для поддержания фиксированного значения давления в ГПК необходимо включить режим "Поддержание любого выбранного давления". Для понижения уставки или расхолаживания энергоблока необходимо включить режим "РАСХОЛАЖИВАНИЕ 1" или "РАСХОЛАЖИВАНИЕ 2".

В режиме расхолаживания для обеспечения требуемой скорости реализована коррекция статической неравномерности регулирования. В режиме автоматического управления при включенном режиме "РПО" (в зависимости от параметров энергоблока) может находиться любое количество клапанов, однако наибольшая эффективность работы регулятора достигается при автоматическом управлении всех клапанов БРУ-К при мощности реактора более 10 % номинальной мощности или при автоматическом управлении двух четных 2RC20S01, 2RC40S01 или двух нечетных клапанов 2RC10S01, 2RC30S01 при мощности реактора менее 10 % номинальной мощности.

При работе БРУ-К в режимах "РПО" и "РПД" формируется сигнал "БРУК В РАБОТЕ" ("ЗАПРЕТ РЕЖИМА ДАВЛЕНИЯ") в ЭГСР для формирования сигнала "РЕЖИМ РМ" и запрета режима "РД-1" (при давлении в ГПК менее 58 кгс/см2 включение режима "РД-2" в ЭГСР имеет приоритет над работой БРУ-К).

Технологическая сигнализация РБРУ-К

Для БРУ-К формируется технологическая сигнализация на БЩУ при возникновении следующих условий:

·   отказ измерения давления в ГПК, подсвечивается табло "ОТКАЗ ИЗМЕРЕНИЯ "Р" В ГПК" на панели 13П. Сигнал формируется в УВК;

·   отказ измерения давления до или за 2RM24S01, 2RM24S06, подсвечивается табло "ОТКАЗ ДАТЧ ДАВЛ ДО\ЗА RM24" на панели 13П. Сигнал формируется в УВК;

·   отказ измерения давления в конденсаторе, подсвечивается табло "ОТКАЗ ИЗМЕРЕНИЯ "Р" В КНД" на панели 13П. Сигнал формируется в УВК;

·   РБРУ-К выдал в ЭГСР сигнал "РАЗГРУЗИТЬ ЭГСР", подсвечивается табло "Разгрузить ЭГСР " на панели 13П. Сигнал формируется в УВК;

·   отсутствует питание схемы ДУ для РК 2RC10S01, подсвечивается табло "НЕТ ПИТАНИЯ БРУ-К1" на панели 12П. Сигнал формируется в УЛУ;

·   отсутствует питание схемы ДУ для РК 2RC20S01, подсвечивается табло "НЕТ ПИТАНИЯ БРУ-К2" на панели 12П. Сигнал формируется в УЛУ;

·   отсутствует питание схемы ДУ для РК 2RC30S01, подсвечивается табло "НЕТ ПИТАНИЯ БРУ-К3" на панели 12П. Сигнал формируется в УЛУ;

·   отсутствует питание схемы ДУ для РК 2RC40S01, подсвечивается табло "НЕТ ПИТАНИЯ БРУ-К4" на панели 12П. Сигнал формируется в УЛУ;

·   РК RC10S01 не закрыт, подсвечивается табло "БРУ-К1 ОТКРЫТ" на пульте ПА-II. Сигнал формируется в ПТК УСБ-2;

·   РК RC20S01 не закрыт, подсвечивается табло "БРУ-К2 ОТКРЫТ" на пульте ПА-III. Сигнал формируется в ПТК УСБ-3;

·   РК RC30S01 или RC40S01 не закрыт, подсвечивается табло "БРУ-К3, 4 ОТКРЫТЫ" на пульте ПА-I. Сигнал формируется в ПТК УСБ-1.

Регуляторы переводятся из режима "А" в режим "ДУ" по команде АСУТ с миганием лампы "А" на мнемосхеме и с миганием транспаранта "РБРУ-К В231 ОТКЛ" или "РБРУ-К В233 ОТКЛ" на панели В250-01 и появлением сообщения на видеокадрах операторской станции в следующих случаях:

·   при потере питания соответствующих клапанов 2RC10S01, 2RC20S01, 2RC30S01, 2RC40S01 с выдержкой 3 с (признак формируется при одновременном отсутствии сигналов от конечных выключателей клапана "НЕ ЗАКРЫТО", "НЕ ОТКРЫТО"), при этом светится транспарант "Н.И.М." на панели В210-02. При потере питания всех четырёх РК дополнительно будет мигать табло "РБРУ-К В231 ОТКЛ" и "РБРУ-К В233 ОТКЛ" на панели В250-01;

·   при отказе измерения давления пара в ГПК.

Приложение А

Рисунок А.1 - Функциональная схема авторегулирования

Приложение Б

Рисунок Б.1 - Структурная схема регулятора БРУ-К РК RC10-40S01

Похожие работы на - Разработка и анализ структурной схемы автоматической системы управления на АЭС

 

Не нашли материал для своей работы?
Поможем написать уникальную работу
Без плагиата!
Без нейросетей!