Проектирование комплекса оборудования сталеразливочного ковша сортового МНЛЗ
Содержание
Введение
1 Современное состояние и перспективы
развития ЭСПЦ ОАО «ММК»
2 Анализ работы оборудования ЭСПЦ ОАО
«ММК»
.1 Технологическая схема процесса
2.2 Описание механического
оборудования и анализ недостатков проектных решений производства и конструкций
агрегатов
2.3 Анализ существующей организации
обслуживания оборудования производства
3. Проектирование комплекса
оборудования стальковша сортовой МНЛЗ ЭСПЦ ОАО «ММК»
.1 Обзор существующих конструкций
манипуляторов
3.1.1 Назначение, определение и
основные параметры
.1.2 Классификация существующих
манипуляторов
.1.3 Описание принятого манипулятора
для транспортировки крышки стальковша
.2 Технико-экономическое обоснование
принятой конструкции
3.3 Расчетно-конструкторская часть
.3.1 Колонна
.3.2 Механизм поворота
.3.2.1 Расчет привода и зубчатой
передачи
3.3.3 Опорно-поворотное устройство
3.3.4 Портал
3.3.5 Механизм подъема и опускания
крышек
3.3.5.1 Расчет механизма подъема
3.3.5.1.1 Выбор типа и кратности
полиспаста
.3.5.1.2 Расчет и выбор каната
.3.5.1.3 Выбор типоразмера
.3.5.1.4 Определение размеров блока
.3.5.1.5 Определение размеров
барабана
.3.5.1.6 Расчет барабана на прочность
.3.5.1.7 Расчет оси барабана
.3.5.1.8 Расчет подшипников оси
барабана
.3.5.1.9 Расчет соединения обечайки
барабана с венцом-ступицей
.3.5.1.10 Выбор двигателя
.3.5.1.11 Расчет редуктора
.3.5.1.12 Проверка двигателя на время
разгона и торможения
.3.5.1.13 Расчет и выбор тормоза
.3.5.1.14 Выбор муфты
.4. Проектные решения по установке
комплекса оборудования
стальковша в условиях существующего
производства
. Безопасность и экологичность
.1 Анализ опасных и вредных факторов
.2 Мероприятия по улучшению условий
труда
.3 Охрана окружающей среды
.3.1 Защита водного бассейна
.3.2 Защита воздушного бассейна
.4 Предупреждение и ликвидация аварий
и ЧС
. Технико-экономические показатели
.1 Экономическое обоснование проекта
.2 Организационно-правовая форма
предприятия
.3 Маркетинговое исследования рынка
сбыта продукции
.4 Финансовая оценка проекта
.4.1 Производственная программа участка
.4.2 Расчет капитальных затрат
.4.3 Организация труда и з/п на
участке
.4.4 Расчет себестоимости продукции
.5 Расчет основных
технико-экономических показателей
.5.1 Расчет чистой прибыли
.5.2 Рентабельность продукции
.5.3 Производительность труда
.5.4 Условно-годовая экономия
.5.5 Срок окупаемости
.6 Выводы и предложения
Заключение
Список используемых источников
ВВЕДЕНИЕ
Экономика черной металлургии России как и всей страны
в целом переживает в настоящее время переходный момент, когда более выгодным становится
выход с металлом на внутренний рынок. Причин множество. Важнейшими из них
являются расширение внутреннего рынка, трудности реализации продукции за
рубежом.
На современном этапе развития промышленного
производства начато интенсивное техническое перевооружение предприятий на базе
новой технологии и внедрения высокоэффективного и надежного технологического
оборудования.
Большие возможности для развития научно-технического
прогресса заложены в металлургической промышленности, где эксплуатируются десятки
тысяч машин и механизмов.
Способ непрерывного литья заготовок является одним из
наиболее важных достижений металлургии XX века и за сравнительно короткий период времени получил самое
широкое распространение в мировом сталеплавильном производстве. Он коренным
образом изменил не только процесс разливки стали, но и все металлургическое
производство. Сейчас примерно 60 % мировой выплавки стали разливается на
машинах непрерывного литья заготовок (МНЛЗ).
Данный дипломный проект посвящен разработке механизированного
способа перемещения крышек сталеразливочных ковшей для выполнения
технологического процесса разливки стали, установленного в
электросталеплавильном цехе (ЭСПЦ) ОАО “ММК”.
Целью проекта является разработка стационарного
механизма перемещения крышек с целью разгрузки работы мостовых грузоподъемных
кранов и сокращения затрат на потребляемую электроэнергию, следствием чего
станет снижение себестоимости выпускаемой продукции в ЭСПЦ.
Проблема снижения себестоимости выпускаемой продукции
особенно актуальна для ОАО “ММК”, ведь затраты в конечном итоге оказывает
большое влияние на себестоимость при производстве готовой продукции и на
прибыль предприятия.
Важнейшим фактором повышения конкурентоспособности
металлопродукции является активизация работы предприятия по снижению
себестоимости продукции, повышению ее качества.
Для завоевания новых рынков сбыта и увеличения объема
продаж металлопродукции, комбинат и, в частности электросталеплавильный цех,
нуждается в модернизации. Модернизация позволит усовершенствовать
технологический процесс в соответствии требованиям норм и техническим условиям.
1 СОВРЕМЕННОЕ СОСТОЯНИЕ И ПЕРСПЕКТИВЫ РАЗВИТИЯ ЭСПЦ ОАО «ММК»
В числе новых производственных подразделений ОАО «ММК»
в марте 2006 года введен в эксплуатацию электросталеплавильный цех, созданный
на базе бывшего мартеновского цеха.
Произведенная реорганизация сталеплавильного
производства позволила комбинату обеспечить: увеличение объема производства
жидкой стали (более 13 млн тонн в год на полное развитие), внепечную обработку
всего металла, высокое качество заготовки для сортопрокатных станов,
непрерывную разливку всей производимой стали, расширение марочного сортамента
выплавляемой стали.
Для примера приведем таблицу (таблица 1.1), в которой
показана доля электросталеплавильного способа производства.
Таблица 1.1 - Доля конверторного (К) и
электросталеплавильного (Э) способа производства в общем объеме выплавки стали
%
|
Страна
|
К
|
Э
|
|
Россия
|
58,9
|
41,1
|
|
Украина
|
75,6
|
24,4
|
|
Страны ЕС
|
61,9
|
38,1
|
|
Прочие страны Европы
|
59,1
|
40,9
|
|
США
|
53,8
|
46,2
|
|
Канада
|
58,5
|
41,5
|
|
Япония
|
69,5
|
30,5
|
|
Китай
|
66,3
|
33,7
|
|
Индия
|
60,9
|
39,1
|
|
Южная Корея
|
58,4
|
41,6
|
|
ЮАР
|
62,1
|
37,9
|
На ОАО «ММК» в составе комплекса две 210-тонные
электродуговые печи и одна 175-тонная установка ковш-печь.
Электросталеплавильный комплекс входит в единую технологическую линию с двумя
действующими МНЛЗ, что позволяет удвоить выпуск сортового проката на комбинате.
2 АНАЛИЗ РАБОТЫ ОБОРУДОВАНИЯ ЭСПЦ ОАО
«ММК»
2.1 Технологическая схема процесса
В связи с тем, что основным способом выплавки стали
является кислородно-конвертерный, потребляющий меньшее количество лома по
сравнению с мартеновским, возникли предпосылки для более быстрого развития
электросталеплавильного производства, работающего на твердой шихте. Вторая
важная причина развития выплавки стали в электропечах - все возрастающая
потребность в легированных сталях и чистом металле из металлизованных окатышей.
Развитие электросталеплавильного способа производства стали идет параллельно с
кислородно-конвертерным
.
Технологическая линия производства стали в ЭСПЦ
представлена на рис. 2.1.
Рисунок 2.1 - Технологическая линия производства стали
в ЭСПЦ
В системе грузопотоков
электросталеплавильного цеха с дуговыми электропечами различают линии доставки
и загрузки лома, подачи и загрузки сыпучих шлакообразующих материалов и
ферросплавов, уборки шлака, разливки и уборки стали.
Лом из копрового цеха железнодорожным
транспортом подают в шихтовый пролет главного корпуса электросталеплавильного
цеха в специальных совках, емкостью 65 м3. Загрузку
саморазгружающихся бадей производят мостовым краном (рис. 2.2). Им
поднимают совки с ломом и через воронку для перегрузки скрапа, засыпают в
бадьи.
Рисунок 2.2 - Загрузка бадьи ломом
- совок с ломом; 2 - кран; 3 -
приемная воронка; 4 - бадья.
После взвешивания на платформенных
весах бадью тележкой перемещают в печной пролет и устанавливают над
печью с помощью загрузочного мостового крана и при отведенном своде производят
загрузку лома (рис. 2.3).
Рисунок 2.3 - Загрузка электропечи
- электропечь, 2 - бадья со скрапом,
3 - машина для заливки жидкого чугуна.
Так же при производстве стали в
электропечах используют до 40% жидкого чугуна. На специально оборудованной
тележке (робот) подвозят емкость с жидким чугуном, и при наклоне ее по желобу
заливают чугун в электропечь (рис. 2.4).
Рисунок 2.4 - Заливка чугуна в
электропечь
- электропечь, 2 - машина для заливки
жидкого чугуна.
Доставляемые в цех шлакообразующие
материалы разгружают в приемные переносные бункера. После сушки в барабанном
сушиле материалы поступают в переносные бункера, которые затем
устанавливают мостовым краном на балкон рабочей площадки. Подачу
шлакообразующих материалов в печи осуществляют загрузочными машинами.
Кокс и бой электродов из бункера поступают
на бегуны для измельчения и загружаются в мульды, устанавливаемые
краном на балкон рабочей площадки. После взвешивания на платформенных весах материал
подают в печь крановой загрузочной машиной.
Процесс плавки в электропечи занимает
от 42 до 48 минут.
Далее следует обработка стали в
ковшах. Она является важным звеном технологической цепочки выплавки стали на
участке между плавильным производством и разливкой металла в пространственном,
временном и в особенности функциональном отношениях.
Эта обработка означает:
) разгрузку плавильного агрегата;
) тонкую доводку стали по химическому
составу;
) повышение чистоты стали по
неметаллическим включениям;
) подготовку плавки к последующему
процессу разливки путем регулирования температуры литья и литейных свойств;
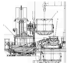
Жидкую сталь подают в печь-ковш (рис.
2.5). На ковш помешают крышку особой конструкции с рабочими отверстиями
и присоединением к системе вторичного отсоса газов. Сквозь крышку вводят 3
электрода, как через свод дуговой электропечи. Нагрев металла осуществляется
электрической дугой.
Рисунок 2.5- Агрегат печь-ковш
АПК-175
Сталеразливочный ковш с жидкой сталью
после обработки на печи-ковше (настройка химического анализа и температуры)
устанавливается при помощи крана (грузоподъёмность 300т) на передвижной стенд
стальковша МНЛЗ (рис. 2.6).
Рисунок 2.6 - Подача стальковша на
МНЛЗ
- разливочный стенд, 2 - стальковш.
МНЛЗ уже находится в режиме готовности к разливке. Для
этого затравки были заведены в кристаллизаторы и упакованы, все системы такие
как гидравлика, охлаждение, смазка и системы автоматизации включены и готовы к
разливке.
МНЛЗ может разливать в режиме стопорной разливки
(закрытая разливка со стопором, погружным стаканом и разливочным порошком) либо
в режиме открытой струей (калиброванные стаканы с системой быстрой замены и
разливочным маслом).
Поверхность огнеупорной футеровки промковша уже
нагрета до температуры не меньше 1100 ºС на станции нагрева промковша.
Стенд подаёт стальковш в позицию разливки.
Пламя для нагрева промковша выключаются, горелки
поднимаются вверх. Тележка промковша заводится вместе с ванной промковша в
позицию разливки над кристаллизаторами и там центрируется так, чтобы сливные
отверстия находились в центре кристаллизаторов.
После этого защитная труба подводится к выпускному отверстию
при помощи манипулятора защитной трубы. Шиберный затвор ковша открывается и
промковш наполняется жидкой сталью. Если жидкая сталь не выливается, то следует
убрать защитную трубу и прожечь сливное отверстие стальковша при помощи
кислородной трубы.
После того, как в ванне промковша находятся
приблизительно 10т жидкой стали, по одному запускаются ручьи.
Заполняется кристаллизатор. С выполнением функции CAST все остальные действия такие, как
запуск приводов для тянущих клетей, воды для вторичного охлаждения и запуск
механизма качания кристаллизаторов производятся одновременно.Кристаллизатор
оснащен специальной медной гильзой - DIAMOLD, которая позволяет производить разливку с высокой скоростью.
Сталь в кристаллизаторе охлаждается при помощи первичного охлаждения так, чтобы
образовалась корочка с несущей способностью и устойчивая к тянущим движениям.
Для снижения трения между медной гильзой и корочкой заготовки в кристаллизатор
подаётся разливочной порошок или масло (рапсовое или другое минеральное масло в
случае разливки открытой струёй).
Гидравлический механизм качания раскачивается согласно
заранее определённой кривой вдоль радиуса установки.В зависимости от скорости
разливки автоматически регулируется частота и/или амплитуда.
Вторичное охлаждение происходит в четырёх независимых
друг от друга зонах, объём воды охлаждения для каждой зоны регулируется в
зависимости от фактической скорости разливки, сечения и марок стали.
После того, как затравка провела горячую заготовку
через ролики ведения заготовки и зоны разбрызгивания камеры охлаждения, в
тянущей клети происходит отделение затравки от заготовки. Для этого верхний
ролик тянущей клети опускается как раз в тот момент, когда место разъединения
затравки от горячей заготовки проходит этот ролик. Головная часть горячей
заготовки выдавливается из конца затравки и при этом выпрямляется. Затравка
движется дальше в устройстве для подъёма затравки; по достижении конечной
позиции устройство подъёма затравки откидывается в позицию ожидания.
После отделения горячая заготовка движется через
первую часть рольганга (промежуточный рольганг) к машинам газо-кислородной
резки заготовок. При достижении необходимой длины отрезается непригодная часть
для использования головная обрезь (приблизительно 0,7м).
Машины газо-кислородной резки делят заготовки в
соответствии с планом резки на заданную длину (3,5-12м).
Отрезанные заготовки выводятся по отводящему рольгангу
в сторону конца установки. При достижении упоров заготовки поднимаются и
сталкиваются в сторону холодильника при помощи сталкивающего устройства.
Манипулятор поперечной транспортировки перемещает
лежащие на втором уровне заготовки по уклону в сторону холодильника.
Квадратные заготовки кантуются постоянно.
Прямоугольные заготовки не кантуются. В конце холодильника заготовки
складываются в ряды (температура поверхности 450-550 ºС).
Пакеты заготовок транспортируются краном в зону
отгрузки, там заготовки погружаются, либо складируются
.
2.2 Описание механического
оборудования и анализ недостатков проектных решений производства и конструкций
агрегатов
В состав электросталеплавильного цеха входят три
сталеплавильных агрегата - две дуговые электросталеплавильные печи и один
двухванный сталеплавильный агрегат, две сортовые и одна слябовая машины
непрерывного литья заготовок, два агрегата “печь-ковш”, агрегат доводки стали и
установка усреднительной продувки стали, промковш и его тележка, стальковш и
его тележка, подъемно-транспортное оборудование
.
Дуговые электросталеплавильные печи фирмы “VAI-FUCHS” представляют собой современные агрегаты (рис.2.7),
масса плавки, как и для двухванного сталеплавильного агрегата - номинальная 180
т.
Рис.2.7 - Дуговая электросталеплавильная печь
В качестве шихтовых материалов все сталеплавильные
печи используют жидкий чугун, металлический лом, ферросплавы, в качестве
добавочных материалов используется известь, углеродсодержащие материалы и др.
Электропечи имеют возможность работы как без жидкого чугуна (100%
металлического лома, при этом цикл плавки по контракту составляет 48 минут),
так и с жидким чугуном (от 25% до 40%, при этом цикл плавки снижается от 42 до
44 минут соотвественно). Для нагрева и расплавления металлошихты в рабочем
пространстве сталеплавильного агрегата используются следующие энергетические
источники: электрическая дуга, природный газ, углеродсодержащие материалы,
кислород. Металл из сталеплавильного агрегата выпускается в сталеразливочный
ковш в виде полупродукта с заданной температурой. Технические характеристики
ДСП приведены в табл. 2.1.
Таблица 2.1. -Технические характеристики ДСП
|
1
|
Годовое производство, тыс.т
|
2000
|
|
2
|
Годовое производственное время,
час
|
7920
|
|
3
|
Средний вес плавки,
т.
|
175
|
|
4
|
Продолжительность плавки,
мин
|
42*
|
|
5
|
Расход электроэнергии,
кВт/ч
|
290
|
|
6
|
Расход электродов, кг/т
|
1,2
|
|
7
|
Мощность трансформатора,
МВА
|
150
|
|
8
|
Вторичное напряжение, Вольт
|
800/1225/1400
|
|
9
|
Вторичный ток, кА
|
70
|
|
10
|
Диаметр электродов, мм
|
610
|
|
11
|
Жидкий остаток
"болото", т
|
30
|
|
12
|
Общая емкость по жидкому
металлу, т
|
210
|
|
13
|
Объем загружаемого в ДСП
материала, м3
|
185
|
|
14
|
Объем бадьи (завалочной
корзины), м3
|
165
|
|
15
|
Количество завалок
|
2
|
|
16
|
Выход годного, %
|
90
|
|
17
|
Производительность по
вдуванию O2, м3/мин
|
6 x 2750
|
|
18
|
Производительность по
вдуванию угля, кг/мин
|
2 x 20-60
|
|
19
|
Мощность комбинированных
горелок RCB, МВт
|
6 x 3,5
|
|
20
|
Период под напряжением, мин
|
30
|
|
21
|
Период без напряжения, мин
|
12
|
|
22
|
Общий расход кислорода,
м3/т
|
42
|
|
23
|
Общий расход газа, м3/т
|
4
|
|
24
|
Вдуваемый уголь, кг/т
|
4
|
|
25
|
Известь, кг/т
|
35
|
|
26
|
Доломит, кг/т
|
3,8
|
٭ - äëÿ
âàðèàíòà
ðàáîòû ñ
ðàñõîäîì
æèäêîãî ÷óãóíà
- 25 %, ñêðàïà - 75 %.
Îñíîâíûå
ïðîåêòíûå
äàííûå
ïðèâåäåíû â
òàáë. 2.2.
Таблица 2.2. -Основные проектные данные
|
Ñêðàï
/ Æèäêèé ÷óãóí
|
|
100 % / 0 %
|
75 % / 25 %
|
60 % / 40 %
|
Ñîñòàâ
çàãðóæàåìîãî
ìàòåðèàëà
|
Çàãðóæàåìûé
ñêðàï
|
t
|
200
|
150
|
100
|
|
Çàãðóçêà
÷óãóíà
|
t
|
-
|
-
|
-
|
|
Äîëÿ ñêðàïà,
çàãðóæàåìîãî
âïåðâîé êîðçèíå
|
%
|
60
|
60
|
50
|
|
Äîëÿ ñêðàïà
çàãðóæåìîãî
âî âòîðîé êîðçèíå
|
%
|
40
|
15
|
-
|
|
Çàãðóçêà
æèäêîãî ÷óãóíà
Íåïðåðûâíàÿ ïîäà÷à
%
|
%
|
-
|
25
|
40
|
Òåõíîëîãèÿ
âäóâàíèÿ
|
Ïðîèçâîäèòåëüíîñòü
ïî âäóâàíèþ êèñëîðîäà
|
Nm3/h
|
5x 2750
|
5x 2750
|
5x 2750
|
|
Ïðîèçâîäèòåëüíîñòü
ïî âäóâàíèþ óãëÿ
|
kg/min
|
2x 20 - 60
|
2x 20 - 60
|
2x 20 - 60
|
|
Ìîùíîñòü
êîìáèíèðîâàííûõ
ãîðåëîê, RCB
|
MW
|
5x 3,5
|
5x 3,5
|
5x 3,5
|
|
Ìîùíîñòü
ãîðåëîê, íîðìàëüíûå
ãîðåëêè
|
MW
|
1x 3,5
|
1x 3,5
|
1x 3,5
|
|
Ìîùíîñòü
ãîðåëîê îáùàÿ
|
MW
|
21
|
21
|
21
|
|
Ïðîèçâîäèòåëüíîñòü
|
Nm3/h
|
3 x 350
|
3 x 350
|
3 x 350
|
Ïðîäóâêà
|
Äîííàÿ
ïðîäóâêà â êîâøå,
âûïóñê
|
|
|
|
|
|
Àðãîí
/ Àçîò
|
Liter/min
|
100 - 425
|
100 - 425
|
100 - 425
|
Ïîêàçàòåëè
ïî ðàñõîäó
|
Òåìïåðàòóðà
ìåòàëëà ïðè âûïóñêå0Ñ161016101610
|
|
|
|
|
|
Ýëåêòðîýíåðãèÿ
|
kWt/h
|
365
|
290
|
235
|
|
Ýëåêòðîäû
|
kg/t
|
1,3
|
1,2
|
1,15
|
|
Îáùèé
ðàñõîä êèñëîðîäà
|
Nm3/t
|
40
|
42
|
45
|
|
Îáùèé
ðàñõîä òîïëèâà
(ãàç / ìàçóò), ìàêñ
|
Nm3/t
|
4
|
4
|
4
|
|
Âäóâàåìûé
óãîëü, ìàêñ.
|
kg/t
|
8
|
4
|
1
|
|
Çàãðóæàåìûé
óãîëü, ìàêñ.
|
kg/t
|
0
|
0
|
|
Çàãðóæàåìàÿ
èçâåñòü
|
kg/t
|
35
|
35
|
40
|
|
Äîëîìèò
|
kg/t
|
3,5
|
3,8
|
3,8
|
|
Ïàðàìåòðû
îòõîäÿùèõ ãàçîâ
|
|
Ðàñõîä
|
Nm3/t
|
55
|
55
|
55
|
|
Òåìïåðàòóðà
â ñðåäíåì
|
0Ñ
|
1400
|
1400
|
1600
|
Àãðåãàò
ïå÷ü-êîâø. Äîâåäåíèå
ðàñïëàâà ìåòàëëà
ïî õèìè÷åñêîìó
ñîñòàâó äî çàäàííîé
ìàðêè ñòàëè îñóùåñòâëÿåòñÿ
íà àãðåãàòàõ
âíåïå÷íîé îáðàáîòêè
(ðèñ.2.8 - àãðåãàò
ïå÷ü-êîâø»), ïðè
ýòîì òåìïåðàòóðà
ìåòàëëà â êîíöå
îáðàáîòêè äîëæíà
ñîîòâåòñòâîâàòü
çàêàçó, â ñîîòâåòñòâèè
ñ êîíêðåòíûìè
óñëîâèÿìè ðàçëèâêè
íà ÌÍËÇ.
Ðèñóíîê
2.8. -Àãðåãàò ïå÷ü-êîâø
 êà÷åñòâå
ðàñõîäíûõ ìàòåðèàëîâ
íà àãðåãàòàõ
âíåïå÷íîé îáðàáîòêè
ñòàëè èñïîëüçóþòñÿ:
ôåððîñïëàâû, èçâåñòü,
ïëàâèêîâûé øïàò,
ïîðîøêîâàÿ ïðîâîëîêà
ñ ðàçëè÷íûìè
íàïîëíèòåëÿìè
äëÿ ìèêðîëåãèðîâàíèÿ,
èíåðòíûé ãàç
(àðãîí, àçîò) äëÿ
ïåðåìåøèâàíèÿ
ìåòàëëà, êèñëîðîä
äëÿ õèìè÷åñêîãî
íàãðåâà ìåòàëëà
íà àãðåãàòå äîâîäêè
ñòàëè (íà àãðåãàòå
ïå÷ü-êîâø äëÿ ôèçè÷åñêîãî
íàãðåâà ìåòàëëà
ýëåêòðè÷åñêàÿ
äóãà) è äð. Ïðîäîëæèòåëüíîñòü
òåõíîëîãè÷åñêèõ
îïåðàöèé ïî âíåïå÷íîé
îáðàáîòêå ñòàëè
äëÿ ðÿäîâîãî ñîðòàìåíòà
ñîñòàâëÿåò 40-50
ìèíóò, â ñëó÷àå
íåîáõîäèìîñòè
ãëóáîêîé äåñóëüôóðàöèè,
ëèáî ïîäãîòîâêè
ïñåâäîêèïÿùèõ
ìàðîê ñòàëè äëÿ
ðàçëèâêè «çàêðûòîé»
ñòðóåé íà ñîðòîâûõ
ÌÍËÇ äëèòåëüíîñòü
îáðàáîòêè âîçðàñòàåò
äî 70-120 ìèíóò
.
 ñîñòàâ
îáîðóäîâàíèÿ
àãðåãàòà “ïå÷ü-êîâø”
âõîäÿò:
ñèñòåìà
õðàíåíèÿ, äîçèðîâàíèÿ
è ìåõàíèçèðîâàííîé
ïîäà÷è ñûïó÷èõ
(ôåððîñïëàâîâ
è øëàêîîáðàçóþùèõ
ìàòåðèàëîâ) ñîñòîèò
èç 8 áóíêåðîâ;
äâà 2-õ ðó÷üåâûõ
òðàéá-àïïàðàòà
äëÿ ââîäà â ìåòàëë
ïîðîøêîâîé ïðîâîëîêè
ñ ðàçëè÷íûìè
âèäàìè íàïîëíèòåëåé
äèàìåòðîì 9-16ìì
ñî ñêîðîñòüþ
ââîäà äî 300 ì/ìèí;
ïå÷íîé òðàíñôîðìàòîð;
ñèñòåìà
äëÿ äîííîé ïðîäóâêè;
ìàíèïóëÿòîð
àâàðèéíîé âåðõíåé
ôóðìû;
ìàíèïóëÿòîð
äëÿ èçìåðåíèÿ
òåìïåðàòóðû è
îòáîðà ïðîá ìåòàëëà;
ñòåíä íàðàùèâàíèÿ
ýëåêòðîäîâ;
ñàìîäâèæóùèéñÿ
ñòàëåâîç.
Èçìåðåíèå
òåìïåðàòóðû è
îêèñëåííîñòè
ìåòàëëà îñóùåñòâëÿåòñÿ
ïðè ïîìîùè ñèñòåìû
“Ñelox” ôèðìû “Heraus Electro-Nite”.
Ïðîäóâêà
ìåòàëëà â ñòàëåðàçëèâî÷íîì
êîâøå îñóùåñòâëÿåòñÿ
àðãîíîì ÷åðåç
äâå ïîðèñòûå ïðîáêè
ñ ìàêñèìàëüíîé
èíòåíñèâíîñòüþ
äî 1200 ë/ìèí. Îáùèé
âèä àãðåãàòà
ïå÷ü-êîâø ïðåäñòàâëåí
íà ðèñ.2.9.
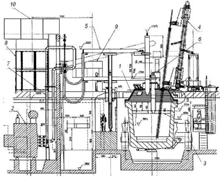
Ðèñóíîê
2.9 - Îáùèé âèä àãðåãàòà
ïå÷ü-êîâø
- ÀÏÊ 175, 2 - òðàíñôîðìàòîð
ïå÷íîé òðåõôàçíûé,
3 - ñòàëåâîç ñàìîõîäíûé
ñî âçâåøèâàþùèì
óñòðîéñòâîì
ÑÑ-5700, 4 - ìàíèïóëÿòîð
äëÿ èçìåðåíèÿ
òåìïåðàòóðû è
âçÿòèÿ ïðîáû,
5 - ìåõàíèçì ïîäúåìà
ýëåêòðîäîâ, 6 - ýëêòðîäû,
7 - òîêîïðîâîä, 8 - ëèíèÿ
çàãðóçêè àãðåãàòà,
9 - ïîìåùåíèå àâòîìàòèêè
ÀÏÊ, 10 - áóíêåðà
ôåððîñïëàâîâ.
Òåõíè÷åñêèå
õàðàêòåðèñòèêè
ÀÏÊ ïðèâåäåíû
â òàáëèöå 2.3.
Òàáëèöà
2.3. -Òåõíè÷åñêèå
õàðàêòåðèñòèêè
ÀÏÊ
|
¹ ï/ï
|
Íàèìåíîâàíèå
ïàðàìåòðà
|
Âåëè÷èíà
|
|
1
|
Ãîäîâàÿ
ïðîèçâîäèòåëüíîñòü,
òûñ. ò
|
1700
|
|
2
|
×èñëî
ðàáî÷èõ ÷àñîâ
â ãîä
|
7680
|
|
3
|
Âåñ æèäêîé
ñòàëè â êîâøå,
|
175-180
|
|
4
|
Äëèòåëüíîñòü
öèêëà îáðàáîòêè,
ìèí
|
40
|
|
5
|
Ìîùíîñòü
òðàíñôîðìàòîðà,
ÌÂÀ
|
26
|
|
6
|
Ñêîðîñòü
íàãðåâà, 0Ñ/ìèí
|
4
|
Óñòðîéñòâî
äëÿ óëàâëèâàíèÿ
è î÷èñòêè ãàçîâ.
 òå÷åíèå
ïëàâêè êîëè÷åñòâî
âûõîäÿùèõ èç
ïå÷è ãàçîâ êîëåáëåòñÿ
â ïðåäåëàõ 40-500 ì3/÷
íà 1 ò. Áîëüøîå êîëè÷åñòâî
ãàçîâ âûäåëÿåòñÿ
âî âðåìÿ ïðîäóâêè
ìåòàëëà êèñëîðîäîì.
Ñðåäíèé âûõîä
ãàçà çà ïëàâêó
ñîñòàâëÿåò 50-60
ì3/÷ íà 1 ò. Îòõîäÿùèå
ãàçû ñîäåðæàò
âçâåøåííûå ÷àñòè÷êè
ïûëè, êîëè÷åñòâî
êîòîðîé âî âðåìÿ
ïðîäóâêè èçìåíÿåòñÿ
â ïðåäåëàõ 2-12 ã/ì3,
à â ïåðèîä ðàñïëàâëåíèÿ
0,25-7,6 ã/ì3. Ïûëü - âûñîêîäèñïåðñíà,
îòëè÷àåòñÿ ìàëîé
ýëåêòðîïðîâîäíîñòüþ
è ñîäåðæèò 35-65 % îêñèäîâ
æåëåçà, 6-15 % îêñèäîâ
êàëüöèÿ, 3-13 % ãëèíîçåìà,
à òàêæå îêñèäû
ìàãíèÿ, ìàðãàíöà
è êðåìíèÿ
.
 ïðîöåññå
ïëàâêè ãàçîâàÿ
ôàçà ïîñòîÿííî
îáíîâëÿåòñÿ;
â åå ñîñòàâ âõîäèò
äî 20 % îêñèäà óãëåðîäà,
äî 10 % êèñëîðîäà,
à òàêæå äèîêñèä
óãëåðîäà è âîäîðîä.
Òåìïåðàòóðà åå
ïðèìåðíî ðàâíà
òåìïåðàòóðå ìåòàëëà.
Ïðè ñîïðèêîñíîâåíèè
ñ îêðóæàþùèì
âîçäóõîì ãîðþ÷èå
ñîñòàâëÿþùèå
ãàçîâîé ôàçû
ñãîðàþò. Ïîòåðè
òåïëà ïðè ýòîì
äîñòèãàþò 10 % îò
ââîäèìîé â ïå÷ü
ýëåêòðè÷åñêîé
ìîùíîñòè.
Îòáîð ãàçà
èç ðàáî÷åãî ïðîñòðàíñòâà
äóãîâîé ïå÷è
îñóùåñòâëÿþò
÷åðåç ñâîäîâîå
îòâåðñòèå. Ìåæäó
îòâåðñòèåì â
ñâîäå è ãàçîîòáîðíûì
ôóòåðîâàííûì
ïàòðóáêîì ïðåäóñìîòðåí
çàçîð 200-300 ìì. Ñîåäèíåíèå
ïàòðóáêà ñ íåïîäâèæíûì
íåîõëàæäàåìûì
ãàçîõîäîì âûïîëíåíî
òàêæå ñ çàçîðîì.
Ýòî ïîçâîëÿåò
ïåðåìåùàòü ïàòðóáîê
ïðè ïîâîðîòå ñâîäà.
Òÿãà ñîçäàåòñÿ
âåíòèëÿòîðîì-äûìîñîñîì.
Äëÿ óïëîòíåíèÿ
ñâîäîâûõ îòâåðñòèé
ó ýëåêòðîäîâ è
ìåæäó çàñëîíêîé
è ðàáî÷èì îêíîì
ïðèìåíÿþò ïíåâìîäèíàìè÷åñêèå
óïëîòíèòåëè,
ãàçû ïî÷òè ïîëíîñòüþ
óäàëÿþòñÿ òîëüêî
÷åðåç ñïåöèàëüíîå
îòâåðñòèå. Äëÿ
î÷èñòêè îò ïûëè
óñòàíîâëåí ìåòàëëè÷åñêèé
ìîêðûé ñêðóááåð
ñ òðóáàìè Âåíòóðè.
Ïîñëå î÷èñòêè
ñîäåðæàíèå ïûëè
â îòõîäÿùèõ ãàçàõ
íå ïðåâûøàåò
80 ìã/ì3.
 ñâîäå ïå÷è
óñòàíîâëåí äàò÷èê
äàâëåíèÿ, ñèãíàë
ñ êîòîðîãî ïîñòóïàåò
íà ðåãóëÿòîð äàâëåíèÿ.
 ñîîòâåòñòâèè
ñ ñèãíàëîì ðàññîãëàñîâàíèÿ
ìåæäó ôàêòè÷åñêèì
è çàäàííûì äàâëåíèÿìè
ïîä ñâîäîì ðåãóëÿòîð
äàâëåíèÿ ïåðåìåùàåò
çàñëîíêó. Âî
âðåìÿ ðàñïëàâëåíèÿ
ïîä ñâîäîì ïîääåðæèâàåòñÿ
äàâëåíèå îò 10 äî
20 Ïà. Â ïåðèîä ïðîäóâêè
ïðè ïîëíîñòüþ
îòêðûòîé çàñëîíêå
îòðèöàòåëüíîå
äàâëåíèå (ðàçðÿæåíèå)
ïîä ñâîäîì ñîñòàâëÿåò
10 Ïà (èç-çà ñîçäàâàåìîé
òÿãè äâóõ âåíòèëÿòîðîâ
ãàçîîòñîñà, ìîùíîñòüþ
1900 êÂò êàæäûé). Â
âîññòàíîâèòåëüíûé
ïåðèîä äûìîñîñ
îòêëþ÷àþò, ïîñêîëüêó
îòðèöàòåëüíîå
äàâëåíèå ïðèâîäèò
ê ïîâûøåíèþ óãàðà
ëåãèðóþùèõ è
ðàñêèñëèòåëåé;
ïîä ñâîäîì îíî
ñîñòàâëÿåò ïëþñ
5-20 Ïà. Â èñïàðèòåëå
óñòàíîâëåíû
òåðìîïàðû, ñèãíàë
ñ êîòîðûõ ïîñòóïàåò
íà ðåãóëÿòîð òåìïåðàòóðû.
Ïîñëåäíèé óïðàâëÿåò
ðàáîòîé âîäÿíûõ
ôîðñóíîê.
Óïðàâëåíèå
ñèñòåìîé ãàçîî÷èñòêè
ñîñðåäîòî÷åíî
â ñïåöèàëüíîì
ïîìåùåíèè, ãäå
óñòàíîâëåíû
ïðèáîðû, ïîêàçûâàþùèå
ðàçðåæåíèå ãàçà
â ýëåêòðîïå÷è,
ðàçðåæåíèå äûìà
äî è ïîñëå ãàçîî÷èñòêè,
òåìïåðàòóðó äûìà
äî è ïîñëå ñêðóááåðîâ,
à òàêæå ïîñëå
ãàçîî÷èñòêè,
ïåðåïàä ðàçðåæåíèÿ
â òðóáàõ Âåíòóðè,
äàâëåíèå è òåìïåðàòóðó
âîäû, ïîñòóïàþùåé
íà ãàçîî÷èñòêó,
â ðàñïðåäåëèòåëüíûõ
êîëëåêòîðàõ, ðàñõîä
âîäû íà êàæäûé
áëîê òðóá Âåíòóðè,
à òàêæå ñóììàðíûé
ðàñõîä âîäû íà
ñêðóááåð è øëàìîóëîâèòåëü,
òåìïåðàòóðó îòõîäÿùåãî
øëàêà.
Ïðèìåíåíèå
ñèñòåìû óìåíüøàåò
òåïëîâûå ïîòåðè
ñ ãàçàìè íà
15-20 %, ÷òî ñíèæàåò
ðàñõîä ýëåêòðîýíåðãèè
íà 2,0-2,5 % è óâåëè÷èâàåò
òåïëîâîé ê. ï. ä.
ïå÷è.
Àãðåãàò
äîâîäêè ñòàëè è óñòàíîâêà
óñðåäíèòåëüíîé
ïðîäóâêè ñòàëè
ïî ñîñòàâó è îáîðóäîâàíèþ
àíàëîãè÷åí àãðåãàòó
ïå÷ü-êîâø, çà èñêëþ÷åíèåì
ñèñòåìû ýëåêòðîíàãðåâà.
Ïîäîãðåâ ïëàâêè
íà àãðåãàòå äîâîäêè
ñòàëè îñóùåñòâëÿåòñÿ
ïóòåì õèìè÷åñêîãî
íàãðåâà, à íà óñòàíîâêå
óñðåäíèòåëüíîé
ïðîäóâêè ñòàëè
ïîäîãðåâ îòñóòñòâóåò.
Îáùèé âèä ÀÄÑ
ïðåäñòàâëåí íà
ðèñ. 2.10, òåõíè÷åñêèå
õàðàêòåðèñòèêè
ÀÄÑ ïðåäñòàâëåíû
â òàáë. 2.4.
Ðèñóíîê
2.10 -Îáùèé âèä ÀÄÑ
- ÀÄÑ 175, 2 - êðûøêà
ÀÄÑ, 3 - ñòàëåâîç
ñàìîõîäíûé ñî
âçâåøèâàþùèì
óñòðîéñòâîì,
4 - ìàíèïóëÿòîð
äëÿ èçìåðåíèÿ
òåìïåðàòóðû è
âçÿòèÿ ïðîáû,
5 - ìàíèïóëÿòîð
àâàðèéíîé ôóðìû,
6 - ìàãàçèí àâàðèéíûõ
ôóðì, 7 - ôóðìà ïðîäóâî÷íàÿ.
Òàáëèöà
2.4 -Òåõíè÷åñêèå
õàðàêòåðèñòèêè
ÀÄÑ (ÓÓÏÑ)
|
¹ ï/ï
|
Íàèìåíîâàíèå
ïàðàìåòðà
|
Âåëè÷èíà
|
|
1
|
Ãîäîâàÿ
ïðîèçâîäèòåëüíîñòü,
òûñ. ò
|
1800
|
|
2
|
×èñëî
ðàáî÷èõ ÷àñîâ
â ãîä
|
7680
|
|
3
|
Âåñ æèäêîé
ñòàëè â êîâøå,
|
175-180
|
|
4
|
Äëèòåëüíîñòü
öèêëà îáðàáîòêè,
ìèí
|
37,5
|
Ñîðòîâûå
ÌÍËÇ è ñëÿáîâàÿ
ÌÍËÇ. Íåïðåðûâíàÿ
ðàçëèâêà ñòàëè
ïðîèçâîäèòñÿ
íà äâóõ ñîðòîâûõ
ïÿòèðó÷üåâûõ
ìàøèíàõ íåïðåðûâíîãî
ëèòüÿ çàãîòîâîê
ôèðìû “VAI”(ðèñ.2.11) è îäíîé
ñëÿáîâîé äâóõðó÷üåâîé
ìàøèíû ÎÀÎ “ÓÐÀËÌÀØ”
(ðèñ. 2.12). Ñå÷åíèå
ñîðòîâîé çàãîòîâêè
150õ150 ìì (äëÿ íîâûõ
ñîðòîâûõ ñòàíîâ)
è â íåáîëüøîì
êîëè÷åñòâå - 152õ170
ìì, ïðîèçâîäèòåëüíîñòü
êàæäîé ÌÍËÇ -
1,0 ìëí.ò íåïðåðûâíîëèòîé
ñîðòîâîé çàãîòîâêè
â ãîä. Ñå÷åíèå
ñëÿáîâîé çàãîòîâêè
(ñëÿáû) 250õ750…2350, ïðîèçâîäèòåëüíîñòü
2,0 ìëí.ò íåïðåðûâíîëèòîé
ñëÿáîâîé çàãîòîâêè
â ãîä. Òåõíè÷åñêèå
õàðàêòåðèñòèêè
ñîðòîâûõ ÌÍËÇ
ïðåäñòàâëåíû
â òàáë. 2.5 è ñëÿáîâîé
ÌÍËÇ â òàáë. 2.6.
Ðèñ.2.11 - Ñîðòîâàÿ
ìàøèíà íåïðåðûâíîãî
ëèòüÿ çàãîòîâîê
Òàáëèöà
2.5 -Òåõíè÷åñêèå
õàðàêòåðèñòèêè
ñîðòîâûõ ÌÍËÇ
|
¹ ï/ï
|
Íàèìåíîâàíèå
ïàðàìåòðà
|
Âåëè÷èíà
|
|
1
|
Òèï ÌÍËÇ
|
Ðàäèàëüíàÿ
óñòàíîâêà ñ
êðèâîëèíåéíûì
êðèñòàëëèçàòîðîì
|
|
2
|
Êîëè÷åñòâî
ðó÷üåâ
|
5
|
|
3
|
Ãîäîâàÿ
ïðîèçâîäèòåëüíîñòü,
òûñ. ò
|
1000
|
|
4
|
Åìêîñòü
ñòàëåðàçëèâî÷íîãî
êîâøà, ò
|
175
|
|
5
|
Áàçîâûé
ðàäèóñ, ìì
|
9000
|
|
6
|
Ðàññòîÿíèå
ìåæäó ðó÷üÿìè
|
1250
|
|
7
|
Äèàïàçîí
ðàáî÷èõ ñêîðîñòåé
ìàøèíû
|
|
|
Ïðè ðàçëèâêå,
ì/ìèí
|
0-7
|
|
Ïðè ââîäå
çàòðàâêè, ì/ìèí
|
6
|
|
Ñêîðîñòü
ðîëüãàíãîâ, ì/ìèí
|
40
|
|
8
|
Ñå÷åíèå
îòëèâàåìûõ çàãîòîâîê,
ìì*ìì
|
100*100
|
|
|
124*124
|
|
|
120*150
|
|
|
150*150
|
|
|
152*170
|
|
9
|
Äëèíà
çàãîòîâîê, ìì
|
3500-12000
|
|
10
|
Ìåòàëëóðãè÷åñêàÿ
äëèíà ìàøèíû,
ìì
|
24000
|
|
11
|
Óðîâåíü
ðàçëèâî÷íîé
ïëîùàäêè, ìì
|
+10200
|
|
12
|
Óðîâåíü
ðîëüãàíãà, ìì
|
+900
|
Ðèñ. 2.12 - Ñëÿáîâàÿ
ìàøèíà íåïðåðûâíîãî
ëèòüÿ çàãîòîâîê
Òàáëèöà
2.6 -Òåõíè÷åñêèå
õàðàêòåðèñòèêè
ñëÿáîâîé ÌÍËÇ
¹5
|
¹
|
Íàèìåíîâàíèå
ïàðàìåòðà
|
Âåëè÷èíà
|
|
1
|
Òèï ÌÍËÇ
|
Êðèâîëèíåéíàÿ
ñ âåðòèêàëüíûì
êðèñòàëëèçàòîðîì,
ñ ìíîãîòî÷å÷íûì
çàãèáîì è âûïðÿìëåíèåì
íåïðåðûâíîãî
ñëèòêà
|
|
2
|
Êîëè÷åñòâî
ðó÷üåâ
|
2
|
|
3
|
Òåõíîëîãè÷åñêàÿ
äëèíà (îò âåðõà
êðèñòàëëèçàòîðà
äî îñè ïîñëåäíåãî
ðîëèêà), ìì
|
31685
|
|
4
|
Äëèíà
âåðòèêàëüíîãî
ó÷àñòêà, ìì
|
2840
|
|
5
|
Äëèíà
ó÷àñòêà çàãèáà,
ìì
|
1799
|
|
6
|
Äëèíà
äóãîâîãî ó÷àñòêà,
ìì
|
8326
|
|
7
|
Äëèíà
ó÷àñòêà âûïðÿìëåíèÿ,
ìì
|
6630
|
|
8
|
Äëèíà
ãîðèçîíòàëüíîãî
ó÷àñòêà, ìì
|
12090
|
|
9
|
Ðàäèóñ
äóãîâîãî ó÷àñòêà,
ìì
|
8000
|
|
10
|
Äëèíà
ìåäíûõ ñòåíîê
êðèñòàëëèçàòîðà,
ìì
|
900
|
|
11
|
Ñå÷åíèå
îòëèâàåìûõ ñëèòêîâ,
ìì
|
|
|
òîëùèíà
|
250
|
|
øèðèíà
|
1250-2350
|
|
12
|
Äëèíà
ñëèòêîâ ïîñëå
ïîðåçêè, ì
|
|
|
ìàêñèìàëüíàÿ
|
12
|
|
ìèíèìàëüíàÿ
|
4,8
|
|
13
|
Åìêîñòü
ñòàëåðàçëèâî÷íîãî
êîâøà, ò
|
|
|
íîìèíàëüíàÿ
|
175
|
|
ìàêñèìàëüíàÿ
|
200
|
|
14
|
Åìêîñòü
ïðîìåæóòî÷íîãî
êîâøà ïðè ðàáî÷åì
óðîâíå ìåòàëëà,
ò
|
48,2
|
|
15
|
Ðàáî÷èé
óðîâåíü ìåòàëëà
â ïðîìåæóòî÷íîì
êîâøå, ìì
|
1200
|
|
16
|
Ãîäîâàÿ
ïðîèçâîäèòåëüíîñòü,
òûñ. ò
|
2200
|
Ñóùíîñòü
ìàøèí íåïðåðûâíîãî
ëèòüÿ çàãîòîâîê
çàêëþ÷àåòñÿ
â ëèòüå ñòàëè
â ñêâîçíóþ âîäîîõëàæäàåìóþ
èçëîæíèöó (êðèñòàëëèçàòîð),
íåïðåðûâíîãî
âûòÿãèâàíèÿ
ñëèòêà èç èçëîæíèöû
è ïîñëåäóþùåé
ïîðåçêè ñëèòêà
íà ìåðíûå çàãîòîâêè.
Ïîäúåìíî-òðàíñïîðòíûå
ìåõàíèçìû
 öåõå íàõîäÿòñÿ
îñíîâíûå ìîñòîâûå
êðàíû ñ ãðóçîïîäúåìíîñòüþ:
íà âñïîìîãàòåëüíûõ
îïåðàöèÿõ íà ó÷àñòêå
ïåðåãðóçêè ñêðàïà
- 16 ò;
ïåðåãðóçêà
ñêðàïà èç ñîâêîâ
â áàäüè - 130 ò;
çàãðóçêà
ýëåêòðîïå÷è -
225+63/20 ò;
çàëèâî÷íûé
-300+75/15ò;
ïåðåíîñ
ñòàëüêîâøåé
- 400+75/15 ò;
ïåðåíîñ
è ñêëàäèðîâàíèå
çàãîòîâîê - 100/32ò;
ïðàòöåí-êðàí
- 16ò
Òàê æå ðàáîòà
êðàíîâ ñâÿçàíî
ñ îïàñíîñòüþ
è îòâåòñòâåííîñòüþ.
Ãðóïïà ðåæèìà
ðàáîòû êðàíîâ
è èõ ìåõàíèçìîâ:
ãðóïïà ðåæèìà
ðàáîòû êðàíà
ÈÑÎ À7 (ÃÎÑÒ 7Ê)
ãëàâíûé ìåõàíèçì
ïîäúåìà ÈÑÎ Ì7
(ÃÎÑÒ 5Ì)
âñïîìîãàòåëüíûé
ìåõàíèçì ïîäúåìà
ÈÑÎ Ì6 (ÃÎÑÒ 4Ì)
ìåõàíèçì
ïåðåäâèæåíèÿ
êðàíà ÈÑÎ Ì7 (ÃÎÑÒ
5Ì)
ìåõàíèçì
ïåðåäâèæåíèÿ
òåëåæêè ÈÑÎ Ì7
(ÃÎÑÒ 5Ì)
Ê îñíîâíîìó
ìåõàíè÷åñêîìó
îáîðóäîâàíèþ
ó÷àñòêà, ãäå ðàñïîëîæåí
ñòàëåðàçëèâî÷íûé
êîâø, ìîæíî îòíåñòè
ñàì ñòàëåðàçëèâî÷íûé
êîâø è òåëåæêó
ñòàëüêîâøà.
Ñòàëåðàçëèâî÷íûé
êîâø
Îòå÷åñòâåííàÿ
ïðîìûøëåííîñòü
âûïóñêàåò ñòàëåðàçëèâî÷íûå
êîâøè ñâàðíîãî
òèïà âìåñòèìîñòüþ
50-480 ò.
Ñòàëåðàçëèâî÷íûå
êîâøè âûïîëíÿþò
â ôîðìå óñå÷åííîãî
êîíóñà ñî ñôåðè÷åñêèì
äíèùåì
. Íà
ðèñ.2.13 ïîêàçàí
êîâø âìåñòèìîñòüþ
480 ò ñ äâóìÿ ñòîïîðíûìè
çàòâîðàìè. Êîíè÷åñêàÿ
÷àñòü êîðïóñà
7 ñîñòîèò èç òðåõ
îáå÷àåê, ñâàðåííûõ
ìåæäó ñîáîé âñòûê;
ñôåðè÷åñêîå
äíèùå - öåëüíîøòàìïîâàííîå.
Ê ñðåäíåé îáå÷àéêå
ïîâûøåííîé òîëùèíû
ïðèâàðåíû äâà
êîëüöåâûõ ïîÿñà
æåñòêîñòè 5, äâå
êîâàíûå öàïôîâûå
ïëèòû 3, â êîòîðûå
âïðåññîâàíû öàïôû
2 äëÿ çàõâàòà êîâøà
êðþêàìè ãëàâíîãî
ïîäúåìà ðàçëèâî÷íîãî
êðàíà. Óïîðû 4, ïðèâàðåííûå
ê íèæíåìó êîëüöåâîìó
ïîÿñó, ïðåäíàçíà÷åíû
äëÿ óñòàíîâêè
êîâøà íà ñòåíä
èëè ñòàëåâîç.
Äëÿ êàíòîâàíèÿ
êîâøà ìåõàíèçìîì
âñïîìîãàòåëüíîãî
ïîäúåìà ðàçëèâî÷íîãî
êðàíà ïðè ñëèâå
îñòàòêîâ ìåòàëëà,
ïðîâåäåíèè ðåìîíòà
ôóòåðîâêè ê äíèùó
øàðíèðíî íà ñåðüãå
ïðèêðåïëåíà ñêîáà
9. Ñëèâ èçáûòêà
øëàêà, ïîñòóïàþùåãî
ïðè âûïóñêå ìåòàëëà
èç ñòàëåïëàâèëüíîãî
àãðåãàòà, ïðîèçâîäÿò
ïî äâóì ñëèâíûì
íîñêàì 1. Âíóòðè
êîâø ôóòåðîâàí
îãíåóïîðíûì
êèðïè÷îì 8.  äíèùå
êîâøà âûïîëíåíû
äâà îòâåðñòèÿ
äëÿ âûïóñêà ñòàëè,
â êîòîðûå âñòàâëåíû
ñìåííûå ñòàëåâûïóñêíûå
ñòàêàíû èç îãíåóïîðíîãî
ìàòåðèàëà. Îòâåðñòèÿ
êîâøà îòêðûâàþò
è çàêðûâàþò ñòîïîðàìè
6, óïðàâëÿåìûìè
äèñòàíöèîííî
ãèäðîöèëèíäðàìè
15 (èëè ðó÷íûì ìåõàíèçìîì
17). Äâóõñòîïîðíûå
êîâøè ïîçâîëÿþò
ñîêðàòèòü ïðîäîëæèòåëüíîñòü
ðàçëèâêè ñòàëè.
Ðèñ. 2.13 -Îáùèé
âèä ñòàëåðàçëèâî÷íîãî
ñâàðíîãî êîâøà
Ïî ñïîñîáó
ïåðåêðûòèÿ ñòàëåâûïóñêíîãî
îòâåðñòèÿ çàòâîðû
ïîäðàçäåëÿþò
íà ñòîïîðíûå
è ñêîëüçÿùèå.
 ñòîïîðíûõ çàòâîðàõ
îòâåðñòèÿ äëÿ
âûïóñêà ñòàëè
çàêðûâàþò âíóòðè
êîâøà â îáúåìå
æèäêîãî ìåòàëëà
ïðèæàòèåì ïðîáêè
ê ñòàëåâûïóñêíîìó
ñòàêàíó. Â ñêîëüçÿùèõ
çàòâîðàõ îòâåðñòèÿ
êîâøà ïåðåêðûâàþò
ñíàðóæè ãîðèçîíòàëüíûì
äâèæåíèåì îòñåêàþùåé
îãíåóïîðíîé
ïëèòû èëè ïîâîðîòíîãî
äèñêà.
Ñòîïîðíûå
çàòâîðû
Ñòîïîðíûé
çàòâîð ñîñòîèò
èç ñëåäóþùèõ
îñíîâíûõ ÷àñòåé
(ðèñ.2.14): ñòîïîðà
6 -ñòàëüíîãî ñòåðæíÿ,
çàùèùåííîãî
îãíåóïîðíûìè
êîëüöàìè, ñ íàâèí÷åííîé
øàìîòíîé ïðîáêîé
18 âíèçó; ïîëçóíà
11, ïðîõîäÿùåãî
âíóòðè íàïðàâëÿþùåé
òðóáû 13; âèëêè
10, ñâÿçûâàþùåé
ñòîïîð ñ ïîëçóíîì;
âèíòîâîãî ìåõàíèçìà
14 äëÿ ðåãóëèðîâàíèÿ
íàêëîíà íàïðàâëÿþùåé
òðóáû ïðè ñîâìåùåíèè
ïðîáêè ñî ñòàëåâûïóñêíûì
ñòàêàíîì 19; ãèäðàâëè÷åñêîãî
öèëèíäðà 15 è ðû÷àæíîãî
ìåõàíèçìà 17, ñëóæàùèõ
äëÿ óïðàâëåíèÿ
ñòîïîðîì äèñòàíöèîííî.
Ïðóæèíà 16 ïðèæèìàåò
ñòîïîð ê ñòàêàíó.
Âèëêà 12 ïðåäîõðàíÿåò
ñòîïîð îò ðàñêà÷èâàíèÿ.
Ðèñ. 2.14 -Ñòîïîðíûå
çàòâîðû ñòàëåðàçëèâî÷íîãî
êîâøà
Ñêîëüçÿùèå
çàòâîðû
Çàòâîðû ñêîëüæåíèÿ
îòíîñÿòñÿ ê ïðîãðåññèâíîìó
òèïó, òàê êàê ïîçâîëÿþò
óëó÷øèòü òåõíîëîãèþ
ðàçëèâêè ñòàëè,
óâåëè÷èòü âðåìÿ
ïðåáûâàíèÿ ñòàëè
â êîâøå, íåîáõîäèìîå
äëÿ âíåïå÷íîé
îáðàáîòêè ìåòàëëà
è ðàçëèâêè íà
ÌÍËÇ, ïðîèçâîäèòü
ðåãóëèðîâêó ñêîðîñòè
è îñóùåñòâèòü
àâòîìàòèçàöèþ
ïðîöåññà ðàçëèâêè.
 çàâèñèìîñòè
îò âèäà äâèæåíèÿ
îòñåêàòåëÿ ñêîëüçÿùèå
çàòâîðû äåëÿò
íà øèáåðíûå è
ïîâîðîòíûå
.
Øèáåðíûé
çàòâîð êîíñòðóêöèè
ÂÍÈÈìåòìàøà
(ðèñ. 2.15) ñîñòîèò
èç áëîêà çàòâîðà,
ðàñïîëîæåííîãî
íà ïîâîðîòíîì
êðîíøòåéíå 7, îïîðíîãî
ôëàíöà 2 ñî ñìåííûì
ñòàêàíîì 1, âñòàâëåííûì
â êîðïóñ 3 êîâøà,
êðîíøòåéíà 14 è
ãèäðàâëè÷åñêîãî
ìåõàíèçìà ïåðåìåùåíèÿ
øèáåðà. Îñíîâíûìè
äåòàëÿìè øèáåðíîãî
çàòâîðà ÿâëÿþòñÿ
íåïîäâèæíàÿ
8 è ïîäâèæíàÿ 10 êîíòàêòíûå
ïëèòû, âûïîëíåííûå
èç îãíåóïîðíîãî
ìàòåðèàëà. Íåïîäâèæíóþ
ïëèòó âñòàâëÿþò
â îáîéìó 4, à ïîäâèæíóþ
ïëèòó âìåñòå
ñî ñòàëåâûïóñêíûì
ïàòðóáêîì 9 óñòàíàâëèâàþò
â ÷àøå 5. ×àøà ïîìåùåíà
â íàïðàâëÿþùèå
êîðïóñà 6 çàòâîðà.
Øèáåð çàòâîðà,
ñîñòîÿùèé èç
÷àøè, ïîäâèæíîé
ïëèòû è êîëëåêòîðà,
ïåðåìåùàåòñÿ
íàâåñíûì ãèäðîöèëèíäðîì
13. Øòàíãà 11, ñâÿçûâàþùàÿ
ãèäðîöèëèíäð
ñ øèáåðîì, ïîìåùåíà
â íàïðàâëÿþùóþ
âòóëêó 12 è ôèêñèðîâàíà
îò ïðîâîðà÷èâàíèÿ
ïàëüöåì, âõîäÿùèì
â ïðîäîëüíûé ïàç
øòàíãè. Äëÿ áûñòðîé
çàìåíû êîíòàêòíûõ
ïëèò ïîâîðîòíûé
êðîíøòåéí, çàêëþ÷åííûé
âî âòóëêó íåïîäâèæíîãî
êðîíøòåéíà 15, îïóñêàþò
è îòâîäÿò â ñòîðîíó
íà îñè 14. Êðîíøòåéí
ïî âåðòèêàëè ïåðåìåùàþò
ãàéêîé 16.
Ðèñ. 2.15 - Øèáåðíûå
çàòâîðû ñòàëåðàçëèâî÷íîãî
êîâøà
Òåëåæêà ñòàëüêîâøà
Ðèñóíîê
2.16 -Òåëåæêà ñòàëüêîâøà.
Òåëåæêà ñòàëüêîâøà
(ðèñ. 2.16) ñëóæèò äëÿ
òðàíñïîðòèðîâêè
ñòàëüêîâøà èç
ïîçèöèè çàãðóçêè
â ïîçèöèþ ðàçëèâêè
èëè èç ïîçèöèè
ðàçëèâêè â àâàðèéíóþ
ïîçèöèþ èëè ïîçèöèþ
çàãðóçêè
.
Òåëåæêà ñòàëüêîâøà
ñîñòîèò èç ñëåäóþùèõ
îñíîâíûõ ÷àñòåé:
ïåðåäâèæíîé
ðàìû;
ïðèâîäíîãî
óçëà;
âçâåøèâàþùåãî
óñòðîéñòâà;
çàùèòû ðàçëèâêè.
Ñâàðíàÿ êîíñòðóêöèÿ
ïåðåäâèæíîé ðàìû
èñïîëüçóåòñÿ
â êà÷åñòâå îïîðíîé
ðàìû òåëåæêè
ñòàëüêîâøà. Íà
ïåðåäâèæíîé ðàìå
ðàñïîëàãàþòñÿ
õîäîâûå êîë¸ñà,
áóôåð, ïîäøèïíèêè
äëÿ ïðèâîäîâ è
âçâåøèâàþùåå
óñòðîéñòâî äëÿ
èçìåðåíèÿ âåñà
ñòàëüêîâøà
.
Ïðèâîäíîé
óçåë ñîñòîèò
èç âîñüìè êîë¸ñ,
êîòîðûå îïèðàþòñÿ
íà ïåðåäâèæíóþ
ðàìó. ×åòûðå êîëåñà
ïðèâîäÿòñÿ â äâèæåíèå
ïëàíåòàðíîé
ïåðåäà÷åé (ïåðåäàòî÷íîå
÷èñëî 30) ñ ãèäðàâëè÷åñêèì
äâèãàòåëåì, ÷åòûðå
êîëåñà ÿâëÿþòñÿ
íå ïðèâîäíûìè
(ñàìîóñòàíàâëèâàþùèéñÿ
ðîëèêîïîäøèïíèê).
Äèàìåòð íåïðèâîäíûõ
êîë¸ñ 800ìì. Ñêîðîñòü
ïåðåäâèæåíèÿ
1,5 - 20 ì/ìèí. Íîìèíàëüíûé
âðàùàþùèé ìîìåíò
8 êÍ*ì.
×åòûðå çàãðóçî÷íûå
ÿ÷åéêè ðàñïîëàãàþò
íà ïåðåäâèæíîé
ðàìå (ïî äâå çàãðóçî÷íûå
ÿ÷åéêè íà êàæäóþ
âçâåøèâàþùóþ
áàëêó). Íà êàæäîé
çàãðóçî÷íîé
ÿ÷åéêå ñìîíòèðîâàíà
ïîïåðå÷íàÿ áàëêà.
Íà ïåðåäâèæíîé
ðàìå íàõîäÿòñÿ
íàïðàâëÿþùèå
äëÿ ñòàëüêîâøà.
Çàãðóçî÷íûå
ëèíåéêè èçìåðÿþò
âåñ ñîäåðæèìîãî
ñòàëüêîâøà.
Òåõíè÷åñêàÿ
õàðàêòåðèñòèêà
è îñíîâíûå ðàçìåðû
òåëåæêè ñòàëüêîâøà
Êîëè÷åñâî
òåëåæåê 2 øò
Äëèíà òåëåæêè.
8613 ìì
Øèðèíà òåëåæêè.
5825 ìì
Âûñîòà òåëåæêè
4065 ìì
Îáúåì çàãðóçêè
60 ò
Âåñ òåëåæêè
30 ò
Ðàññòîÿíèå
ïåðåäâèæåíèÿ
òåëåæêè 16500 ìì
Ðàññòîÿíèå
ìåæäó ðåëüñàìè
4890 ìì
Ïðèâîäíûå
êîëåñà 4 øò
Íåïðèâîäíûå
êîëåñà 4 øò
Äèàìåòð ïðèâîäíûõ
êîëåñ 800 ìì
Äèàìåòð íåïðèâîäíûõ
êîëåñ 800 ìì
Ó áîëüøèíñòâà
ÌÍËÇ ðàçëè÷íûõ
ìåòàëëóðãè÷åñêèõ
êîìáèíàòîâ ñóùåñòâóåò
ñïåöèàëüíûé ïîäúåìíî-ïîâîðîòíûé
ñòåíä, êîòîðûé
çíà÷èòåëüíî
óïðîùÿåò ïðîöåññ
ðàçëèâêè ãîðÿ÷åãî
ìåòàëëà â ñòàëåðàçëèâî÷íûé
êîâø. ÏÏÑ ïðåäíàçíà÷åí
äëÿ óñòàíîâêè
íà íåì äâóõ ñòàëåðàçëèâî÷íûõ
êîâøåé, ïåðåâîäà
èõ èç ðåçåðâíîãî
ïîëîæåíèÿ â ðàáî÷åå
è îáðàòíî, âçâåøèâàíèÿ
êîâøà ñ ìåòàëëîì,
óäåðæàíèÿ êîâøà
â ïåðèîä ðàçëèâêè,
âåðòèêàëüíûõ
ïåðåìåùåíèé
êîâøåé äëÿ âûïîëíåíèÿ
âñïîìîãàòåëüíûõ
òåõíîëîãè÷åñêèõ
îïåðàöèé. Òåõíè÷åñêàÿ
õàðàêòåðèñòèêà
ïîäúåìíî-ïîâîðîòíîãî
ñòåíäà êîíñòðóêöèè
ôèðìû «Äåìàã» ïðåâåäåíà
â òàáë. 2.7.
Òàáëèöà
2.7 - Òåõíè÷åñêàÿ
õàðàêòåðèñòèêà
ÏÏÑ
|
Íàèìåíîâàíèå
|
Çíà÷åíèå
|
|
Ìàêñèìàëüíàÿ
ìàññà êîâøà
ñ ìåòàëëîì, ò.
|
450
|
|
Óãîë
ïîâîðîòà, ãðàä.
|
360
|
|
Âðåìÿ
ïîâîðîòà íà óãîë
180°, ñ.
|
30
|
|
Âûñîòà
ïîäúåìà êîâøà,
ìì.
|
650
|
|
Âðåìÿ
ïîäúåìà êîâøà,
ñ.
|
25
|
|
Ìîùíîñòü
ýëåêòðîäâèãàòåëÿ,
êÂò.
|
2 õ 63
|
|
Ïíåâìîäâèãàòåëü:
|
|
|
ìîùíîñòü,
êÂò.
|
16,4
|
|
÷àñòîòà
âðàùåíèÿ, îá/ìèí.
|
200
|
Ïðè ïîäãîòîâêå
ñòàëåðàçëèâî÷íîãî
êîâøà ê ðàçëèâêè
ñòàëè è âî âðåìÿ
ðàçëèâêè, íà êîâø
îäåâàåòñÿ êðûøêà
òåðìîñòàòèðîâàíèÿ
äëÿ ñîõðàíåíèÿ
òåìïåðàòóðíûõ
õàðàêòåðèñòèê
ðàçëèâàåìîé
ñòàëè.
Îáùàÿ ñõåìà
ÏÏÑ ïîêàçàíà
íà ðèñ. 2.17.
Ðèñóíîê
2.17 - Îáùàÿ ñõåìà
ÏÏÑ,
ãäå 1- êðóã îïðîíî-ïîâîðîòíûé;
2- ãèäðîöèëèíäð
ïîäúåìà; 3- êîíñîëü;
4- êîâø ñòàëåðàçëèâî÷íûé;
5- êðûøêà òåðìîñòàòèðîâàíèÿ.
Îñíîâíîé
òåíäåíöèåé â
ðàçâèòèè ñîâðåìåííîãî
ñòàëåïëàâèëüíîãî
ïðîèçâîäñòâà
ÿâëÿåòñÿ ïîâûøåíèå
êà÷åñòâà ìåòàëëîïðîäóêöèè
ïðè óëó÷øåíèè
òåõíèêî-ýêîíîìè÷åñêèõ
ïîêàçàòåëåé
(ÒÝÏ) ïðîèçâîäñòâà,
òî åñòü ñíèæåíèè
çàòðàò.
Óëó÷øåíèå
ÒÝÏ ïðîèçâîäñòâà
ìåòàëëîïðîäóêöèè
âîçìîæíî ïóòåì
åãî èíòåíñèôèêàöèè
è ñíèæåíèè ðàñõîäîâ
ïî ïåðåäåëó. Âñå
ýòî ìîæåò áûòü
äîñòèãíóòî çà
ñ÷åò ââåäåíèÿ
â ñòðîé íîâîãî
ñîâðåìåííîãî
îáîðóäîâàíèÿ
èëè ìîäåðíèçàöèè
ñóùåñòâóþùåãî,
÷òî ÿâëÿåòñÿ ýêîíîìè÷åñêè
áîëåå îïðàâäàííûì.
Íà ñîâðåìåííûõ
ÌÍËÇ äëÿ ïåðåäà÷è
êðûøêè ñòàëüêîâøà
èç îäíîãî ïðîëåòà
(ðàçëèâî÷íîãî)
öåõà â äðóãîé
(ïðîëåò ÌÍËÇ) èñïîëüçóþò
ìîñòîâûå êðàíû
áîëüøîé ãðóçîïîäúåìíîñòè.
 ïðåäëàãàåìîì
ïðîåêòå îñíîâíîé
çàäà÷åé ÿâëÿåòñÿ
ìîäåðíèçàöèÿ
êîíñòðóêöèè
ñòàëåðàçëèâî÷íîãî
ñòåíäà ñ öåëüþ
ñîêðàùåíèÿ çàòðàò
íà ïîòðåáëÿåìîå
ýëåêòðè÷åñòâî.
Ðàöèîíàëüíûì
ðåøåíèåì ïîñòàâëåííîé
çàäà÷è íà ñåãîäíÿøíèé
äåíü ïðåäñòàâëÿåòñÿ
ðàçðàáîòêà è
âíåäðåíèå ìåõàíèçàöèè
òðàíñïîðòèðîâêè
êðûøåê òåðìîñòàòèðîâàíèÿ
ñòàëåðàçëèâî÷íîãî
êîâøà.
Äëÿ îñóùåñòâëåíèÿ
ïîñòàâëåííîé
çàäà÷è â ïðîåêòå
ïðåäëàãàåòñÿ
ïðîâåñòè óñòàíîâêó
íà êîëîííó âáëèçè
ñòàëåðàçëèâî÷íîãî
êîâøà ñòàöèîíàðíîé
êîíñîëüíîé êîíñòðóêöèè
ñ ìåõàíèçìîì
ïîâîðîòà, ìåõàíèçìîì
ïîäúåìà è îïóñêàíèÿ
êðûøåê.
Ôàêòîðû, îïðàâäûâàþùèå
êàïèòàëüíûå
âëîæåíèÿ íà ïðîâåäåíèå
ìîäåðíèçàöèè
ñòàëåðàçëèâî÷íîãî
ñòåíäà, èçëîæåíû
íèæå:
- ðàçãðóçèòü
ðàáîòó ìîñòîâûõ
êðàíîâ ðàçëèâî÷íîãî
ïðîëåòà, ãðóçîïîäúåìíîñòüþ
210+63/20 ò.;
- óëó÷øåíèå
óñëîâèé òðóäà
è ïîâûøåíèå áåçîïàñíîñòè
ýêñïëóàòàöèè
ñòàëåðàçëèâî÷íîãî
ñòåíäà.
Íåäîñòàòêîì
ñóùåñòâóþùåé
òåõíîëîãèè ïðè
äàííîé êîíñòðóêöèè
ñòàëåðàçëèâî÷íîãî
ñòåíäà ÿâëÿåòñÿ
òî, ÷òî óñòàíîâêó
è ñúåì êðûøåê
òåðìîñòàòèðîâàíèÿ
ñòàëåðàçëèâî÷íîãî
êîâøà îñóùåñòâëÿåòñÿ
êðàíîì ãðóçîïîäúåìíîñòüþ
210 ò, õîòÿ ïðîöåññ
ñúåìà è îäåâàíèÿ
êðûøêè ìîæåò
áûòü ìåõàíèçèðîâàííûì.
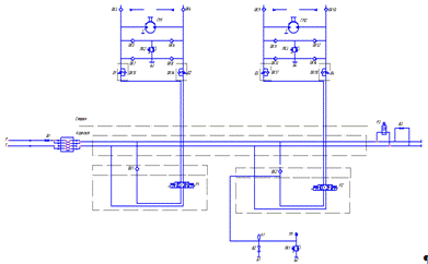
2.3 Àíàëèç
ñóùåñòâóþùåé
îðãàíèçàöèè
îáñëóæèâàíèÿ
îáîðóäîâàíèÿ
ïðîèçâîäñòâà
ÝÑÏÖ ïîñòðîåí
íà áàçå ìàðòåíîâñêîãî
öåõà è ïîýòîìó
òàì ñîõðàíèëîñü
è èñïîëüçóåòñÿ
ìíîãî îáîðóäîâàíèÿ,
íå îòâå÷àþùåãî
òðåáîâàíèÿì
ïðîèçâîäñòâà
(îñòàëîñü íåñêîëüêî
ìîñòîâûõ êðàíîâ,
êîòîðûå òåõíè÷åñêè
è ìîðàëüíî óñòàðåëè).
Âðåäíûå ôàêòîðû
îêðóæàþùåé ñðåäû,
êàê çàïûëåííîñòü
è òåïëîâîå èçëó÷åíèå,
òàêæå îêàçûâàþò
íåãàòèâíîå âëèÿíèå
íà ðàáîòó îáîðóäîâàíèÿ.
Èç-çà âûñîêîé
çàïûëåííîñòè
â óçëàõ òðåíèÿ
ïîâûøàåòñÿ àáðàçèâíûé
èçíîñ, è ýëåìåíòû
ïàðû áûñòðåå âûõîäÿò
èç ñòðîÿ. Òåïëîâîå
èçëó÷åíèå íåãàòèâíî
âëèÿåò íà ñìàçî÷íûå
ìàòåðèàëû (ïðè
óâåëè÷åíèè òåìïåðàòóðû
âÿçêîñòü ïàäàåò,
è ñìàçî÷íûé
ìàòåðèàë íå óäåðæèâàåòñÿ
â óçëå òðåíèÿ).
Äâèãàòåëè ÏÒÌ,
â îñíîâíîì, âûõîäÿò
èç ñòðîÿ (ñãîðàþò)
èç-çà èõ äëèòåëüíîé
ïåðåãðóçêè. Ê ïîëîìêàì
âàëîâ îòíîñÿò
èõ ñêðó÷èâàíèå,
âñëåäñòâèå ÷åãî
è ðàçðûâ (ïðè÷èíîé
ÿâëÿåòñÿ íåêîððåêòíîå
èñïîëüçîâàíèå
òîðìîçîâ). Íà ó÷àñòêå
âòîðè÷íîé îáðàáîòêè
ñòàëè ñåðúåçíûìè
ïðîáëåìàìè ÿâëÿþòñÿ:
ïðîãàð ñòàëüêîâøà;
ñêîë èëè îáðûâ
ýëåêòðîäà ñ ïîðòàëà
âî âðåìÿ íàãðåâà
ìåòàëëà â êîâøå;
óòå÷êà îõëàæäàþùåé
âîäû: èç ñèñòåìû
îõëàæäåíèÿ òðàíñôîðìàòîðà,
èç êðûøêè àãðåãàòà
«ïå÷ü-êîâø» íàä
êîâøîì ñ ìåòàëëîì;
çàãîðàíèå òðàíñïîðòåðíîé
ëåíòû òðàêòà
ïîäà÷è ñûïó÷èõ
ÀÏÊ, ÀÄÑ
.
Äëÿ íîðìàëüíîé
âûñîêîïðîèçâîäèòåëüíîé
ðàáîòû ìåõàíè÷åñêîãî
îáîðóäîâàíèÿ
íåîáõîäèìî êðîìå
ñèñòåìàòè÷åñêîãî
óõîäà è åãî ñìàçêè
ïåðèîäè÷åñêè
ïðîèçâîäèòü âîññòàíîâëåíèå
èëè çàìåíó èçíîøåííûõ
äåòàëåé, óçëîâ
è ìåõàíèçìîâ
îáîðóäîâàíèÿ
êàê ýëåìåíòîâ
èõ êðåïëåíèÿ.
Âîññòàíîâëåíèå
èëè çàìåíà îòäåëüíûõ
ýëåìåíòîâ, äåòàëåé,
óçëîâ îáîðóäîâàíèÿ,
ïðèâåäåíèå â ðàáîòîñïîñîáíîå
ñîñòîÿíèå âñåãî
àãðåãàòà íàçûâàåòñÿ
åãî ðåìîíòîì.
 ïðîöåññå
ýêñïëóàòàöèè
ìåõàíè÷åñêîãî
îáîðóäîâàíèÿ
îíî íåîäíîêðàòíî
ïîäâåðãàåòñÿ
îñìîòðàì òåêóùèì
è êàïèòàëüíûì
ðåìîíòàì.
Òàêèì îáðàçîì,
çà ïåðèîä ìåæäó
êàïèòàëüíûì
ðåìîíòîì îáîðóäîâàíèÿ
îíî ïîäâåðãàåòñÿ
òåêóùèì ðåìîíòàì
ðàçëè÷íîé ïðîäîëæèòåëüíîñòè.
Óñòàíîâëåíèå
ïîðÿäêà â ïðîâåäåíèè
ðåìîíòîâ, ïðèâëå÷åíèå
äëÿ ýòîãî íåîáõîäèìûõ
òðóäîâûõ è ìàòåðèàëüíûõ
ðåñóðñîâ, òåõíè÷åñêèõ
ñðåäñòâ, ñîîòâåòñòâóþùåé
îðãàíèçàöèè
è ïðàâèë âåäåíèÿ
ðåìîíòîâ.
Íà ìåòàëëóðãè÷åñêèõ
ïðåäïðèÿòèÿõ
ïðèìåíÿþòñÿ òðè
ôîðìû îðãàíèçàöèè
ðåìîíòîâ:
öåíòðàëèçîâàííàÿ;
íåöåíòðàëèçîâàííàÿ;
ñìåøàííàÿ.
Íà Ìàãíèòîãîðñêîì
ìåòàëëóðãè÷åñêîì
êîìáèíàòå ïðèìåíÿþò
öåíòðàëèçîâàííóþ
ñèñòåìó ðåìîíòîâ.
Ïðè òàêîé îðãàíèçàöèè
ðåìîíòîâ ñðåäñòâà
äëÿ ïðîèçâîäñòâà
âñåõ ðåìîíòîâ
îáîðóäîâàíèÿ
è èçãîòîâëåíèå
çàïàñíûõ äåòàëåé
è óçëîâ ñîñðåäîòî÷åíû
â ðåìîíòíûõ öåõàõ,
íàõîäÿùèõñÿ
â âåäåíèè ãëàâíîãî
ìåõàíèêà êîìáèíàòà.
Ïðè òàêîé îðãàíèçàöèè
ðåìîíòîâ íà ïðåäïðèÿòèè
ñîçäàþòñÿ öåíòðàëèçîâàííûå
ðåìîíòíûå öåõà,
à â îñíîâíûõ öåõàõ
îñòàþòñÿ ëèøü
ðàáî÷èå äåæóðíûõ
ðåìîíòíûõ ïðîôåññèé
è íåçíà÷èòåëüíûå
ïî êîëè÷åñòâó
áðèãàäû äëÿ âûïîëíåíèÿ
è âåäåíèÿ ìåëêèõ
ðåìîíòîâ îáîðóäîâàíèÿ.
Ïðåèìóùåñòâà
öåíòðàëèçîâàííîé
îðãàíèçàöèè
ðåìîíòîâ çàêëþ÷àåòñÿ
â ñëåäóþùåì:
- ñïåöèàëüíàÿ
ñëåñàðíî-ìîíòàæíàÿ
áðèãàäà ïî ðåìîíòó
îäíîòèïíîãî
îáîðóäîâàíèÿ
è óçëîâ;
ðàâíîìåðíàÿ
çàãðóçêà ðåìîíòíîãî
ïåðñîíàëà, ñîîòâåòñòâåííî
åãî êâàëèôèêàöèÿ;
áîëåå ïîëíîå
èñïîëüçîâàíèå
ðåìîíòíîãî îáîðóäîâàíèÿ.
Íà ìåòàëëóðãè÷åñêîì
êîìáèíàòå âñÿ
ìíîãî÷èñëåííàÿ
ñëóæáà ïî ñîäåðæàíèþ
è ðåìîíòó ìåõàíè÷åñêîãî
îáîðóäîâàíèÿ
âîçëàãàåòñÿ
íà ãëàâíîãî ìåõàíèêà
êîìáèíàòà.
Ãëàâíûé ìåõàíèê
ïîä÷èíåí ãëàâíîìó
èíæåíåðó ïðåäïðèÿòèÿ
è ÷åðåç íåãî äèðåêòîðó
êîìáèíàòà.
 ñîñòàâ
ðåìîíòíî-ìåõàíè÷åñêîé
ñëóæáû âõîäÿò:
óïðàâëåíèå
ãëàâíîãî ìåõàíèêà;
ðåìîíòíûå
öåõà, ó÷àñòêè;
ðåìîíòíûå
ñëóæáû öåõîâ.
Ñõåìà ðåìîíòíîé
ñëóæáû ÝÑÏÖ ïðèâåäåíà
íà ðèñ.2.18.
Ðèñóíîê
2.18 - Ñõåìà ðåìîíòíîé
ñëóæáû ÝÑÏÖ
3
ÏÐÎÅÊÒÈÐÎÂÀÍÈÅ
ÊÎÌÏËÅÊÑÀ ÎÁÎÐÓÄÎÂÀÍÈß
ÑÒÀËÜÊÎÂØÀ ÑÎÐÒÎÂÎÉ
ÌÍËÇ ÝÑÏÖ ÎÀÎ
«ÌÌÊ»
.1 Îáçîð
ñóùåñòâóþùèõ
êîíñòðóêöèé
ìàíèïóëÿòîðîâ
Ìàíèïóëÿòîðû
îáëàäàþò ðÿäîì
ïðåèìóùåñòâ
ïî ñðàâíåíèþ
ñ òðàäèöèîííûìè
ãðóçîïîäúåìíûìè
ìàøèíàìè íà
îïåðàöèÿõ çàãðóçêè
è ðàçãðóçêè òåõíîëîãè÷åñêîãî
îáîðóäîâàíèÿ,
îáåñïå÷èâàþò
áîëåå âûñîêóþ
ïðîèçâîäèòåëüíîñòü
òðóäà è ïîçâîëÿþò
ìåõàíèçèðîâàòü
ðÿä îñíîâíûõ òåõíîëîãè÷åñêèõ
îïåðàöèé â ëèòåéíûõ,
ìåõàíè÷åñêèõ,
ñáîðî÷íûõ è äðóãèõ
ïðîèçâîäñòâàõ.
Ïðè ýòîì ìàíèïóëÿòîðû
íå èñêëþ÷àþò
èñïîëüçîâàíèÿ
òðàäèöèîííûõ
ãðóçîïîäúåìíûõ
óñòðîéñòâ (êîíñîëüíûõ
êðàíîâ, òàëåé,
êðàí-áàëîê è ò.ä.),
îíè ëèøü ïîçâîëÿþò
íà ðÿäå îïåðàöèé
áîëåå ýôôåêòèâíî
ìåõàíèçèðîâàòü
ðó÷íîé òðóä, à
òàêæå ìåõàíèçèðîâàòü
ðó÷íîé òðóä íà
ìíîãèõ îïåðàöèÿõ,
ãäå ïðèìåíåíèå
òðàäèöèîííûõ
ñðåäñòâ îêàçàëîñü
íåâîçìîæíûì
èëè ýêîíîìè÷åñêè
íåîïðàâäàííû.
3.1.1 Íàçíà÷åíèå,
îïðåäåëåíèå è
îñíîâíûå ïàðàìåòðû
Ìàíèïóëÿòîðû
- óñòðîéñòâà, äèñòàíöèîííî
óïðàâëÿåìûå îïåðàòîðîì
è (èëè) ïðîãðàììíûì
óñòðîéñòâîì,
ñîäåðæàùèå ðàáî÷èé
îðãàí, êîòîðûé
ïðåäíàçíà÷åí
äëÿ èìèòàöèè
ïåðåìåùåíèé
è ðàáî÷èõ ôóíêöèé
êèñòè ðóêè ÷åëîâåêà.
Êàê ïðàâèëî, ìàíèïóëÿòîð
ñîñòîèò èç èñïîëíèòåëüíîãî
îðãàíà, ðàñïîëîæåííîãî
â îïàñíîé çîíå,
çàäàþùåãî îðãàíà,
ðàñïîëîæåííîãî
âíå ýòîé çîíû,
è ñâÿçóþùåãî
îðãàíà, ïðîõîäÿùåãî
÷åðåç ðàçäåëèòåëüíóþ
ñòåíó (çàùèòó).
Ìàíèïóëÿòîðû
îáû÷íî èìåþò
äèñòàíöèîííî-ñìåííûå
ðàáî÷èå îðãàíû,
êîòîðûå ìîãóò
áûòü âûïîëíåíû
â âèäå çàõâàòîâ
èëè ðàçëè÷íûõ
èíñòðóìåíòîâ.
Îïåðàöèè,
âûïîëíÿåìûå ìàíèïóëÿòîðàìè,
ìîæíî óñëîâíî
ðàçäåëèòü íà
÷åòûðå ãðóïïû:
ïîäúåìíî-òðàíñïîðòíûå,
òåõíîëîãè÷åñêèå,
óïðàâëÿþùèå, ðåìîíòíûå.
Ê íàèáîëåå
òèïè÷íûì ïîäúåìíî-òðàíñïîðòíûì
îïåðàöèÿì ìîæíî
îòíåñòè ñëåäóþùèå:
ïåðåíîñ ïðåäìåòîâ
ñ îäíîãî ðàáî÷åãî
ìåñòà íà äðóãîå,
äîñòàâêà ïðåäìåòà
îò ìåæêàìåðíîãî
òðàíñïîðòà ê
ðàáî÷åìó ìåñòó
è îáðàòíî è ò.ä.
Ê òåõíîëîãè÷åñêèì
îïåðàöèÿì ìîæíî
îòíåñòè: ïåðåñûïàíèå
ïîðîøêîâ è ïåðåëèâàíèå
æèäêîñòåé, ôèëüòðîâàíèå
è ïåðåìåøèâàíèå
ðàñòâîðîâ, ðåçêó
àêòèâíûõ ìàòåðèàëîâ.
Ê óïðàâëÿþùèì
îïåðàöèÿì ìîæíî
îòíåñòè: óïðàâëåíèå
òåõíîëîãè÷åñêèì
îáîðóäîâàíèåì.
Ê ðåìîíòíûì
îïåðàöèÿì ìîæíî
îòíåñòè çàìåíó
âûøåäøèõ èç ñòðîÿ
óñòðîéñòâ è ïðèáîðîâ,
îòâîðà÷èâàíèå
è çàâîðà÷èâàíèå
áîëòîâ è ãàåê,
êîòîðûìè êðåïÿòñÿ
ýòè óñòðîéñòâà
è ïðèáîðû è ò.ä.
Íîìèíàëüíàÿ
ãðóçîïîäúåìíîñòü
ìàíèïóëÿòîðà
îïðåäåëÿåòñÿ
ìàêñèìàëüíîé
ìàññîé îáúåêòà,
äëÿ ðàáîòû ñ êîòîðûì
â òå÷åíèå äëèòåëüíîãî
âðåìåíè ïðåäíàçíà÷åí
ìàíèïóëÿòîð.
Íîìèíàëüíàÿ
ãðóçîïîäúåìíîñòü
óñòàíàâëèâàåòñÿ
ÃÎÑÒ 25204-82.
×èñëî ñòåïåíåé
ïîäâèæíîñòè
îïðåäåëÿåòñÿ
÷èñëîì íåçàâèñèìûõ
ïåðåìåùåíèé
ãðóçîâîãî áëîêà
ìàíèïóëÿòîðà.
 íåêîòîðûõ ñëó÷àÿõ
ïðåäóñìàòðèâàþò
âîçìîæíîñòü
äîïîëíèòåëüíîãî
ïåðåíîñíîãî äâèæåíèÿ
ëèáî ïîâîðîòíîãî,
ëèáî ïðÿìîëèíåéíîãî,
÷òî ïîçâîëÿåò
óâåëè÷èòü ðàáî÷óþ
çîíó. Äîïîëíèòåëüíûå
ñòåïåíè ïîäâèæíîñòè
äëÿ îðèåíòàöèè
îáúåêòà ìîãóò
áûòü ïðåäóñìîòðåíû
â çàõâàòíûõ óñòðîéñòâàõ
Äèàïàçîí
ðåãóëèðîâàíèÿ
ñêîðîñòè ïåðåìåùåíèÿ
îïðåäåëÿåòñÿ
îòíîøåíèåì ìàêñèìàëüíîé
ñêîðîñòè ê ìèíèìàëüíîé.
Ïðè íàëè÷èè óñòðîéñòâ
ðó÷íîãî óïðàâëåíèÿ
ïðèâîäîì ìàêñèìàëüíîé
ÿâëÿåòñÿ ñêîðîñòü,
ñîîòâåòñòâóþùàÿ
ìàêñèìàëüíîìó
ñìåùåíèþ óñòðîéñòâà
óïðàâëåíèÿ, ìèíèìàëüíîé
-íàèìåíüøàÿ ñòàáèëüíàÿ
ñêîðîñòü ïðè ìàëîì
ñìåùåíèè óñòðîéñòâà
óïðàâëåíèÿ.
Ìàêñèìàëüíûé
è ìèíèìàëüíûé
ðàäèóñû îïðåäåëÿþòñÿ
êàê ðàññòîÿíèÿ
îò âåðòèêàëüíîé
îñè ïîâîðîòà
ìàíèïóëÿòîðà
äî öåíòðà øàðíèðà
ïðèñîåäèíåíèÿ
ãðóçîâîãî áëîêà
ê ðû÷àæíîìó ìåõàíèçìó,
èçìåðåííîå â
ãîðèçîíòàëüíîé
ïëîñêîñòè ïðè
ìàêñèìàëüíîì
è ìèíèìàëüíîì
óäàëåíèÿõ ãðóçîâîãî
áëîêà îò êîëîííû.
Óãîë âîçìîæíîãî
ïîâîðîòà èñïîëíèòåëüíîãî
óñòðîéñòâà ìàíèïóëÿòîðà
âîêðóã âåðòèêàëüíîé
îñè äîëæåí áûòü
íå ìåíåå 350
.  ðÿäå ñëó÷àåâ,
êîãäà ìàíèïóëÿòîðû
óñòàíàâëèâàþòñÿ
íåäàëåêî îò ñòåí,
êîëîíí çäàíèÿ
è äðóãèõ ïðåïÿòñòâèé,
òðåáóåòñÿ ââåäåíèå
äîïîëíèòåëüíûõ
îãðàíè÷åíèé,
â òîì ÷èñëå è íà
óãîë ïîâîðîòà
âîêðóã âåðòèêàëüíîé
îñè.
Îáÿçàòåëüíûì
óñëîâèåì áåçàâàðèéíîé
ýêñïëóàòàöèè
ìàíèïóëÿòîðîâ
ÿâëÿåòñÿ îñíàùåíèå
èõ ðàçëè÷íûìè
óñòðîéñòâàìè
áåçîïàñíîñòè,
ïðåäîòâðàùàþùèìè
ñâîáîäíîå ïàäåíèå
ãðóçà ïðè àâàðèéíûõ
ñèòóàöèÿõ â öåïÿõ
ïèòàíèÿ è óïðàâëåíèÿ,
à òàêæå îãðàíè÷èâàþùèìè
ñêîðîñòü âåðòèêàëüíîãî
ïåðåìåùåíèÿ ãðóçîâîãî
áëîêà. Ýòà ñêîðîñòü
íå äîëæíà ïðåâûøàòü
0,63 ì/ñ.
3.1.2 Êëàññèôèêàöèÿ
ñóùåñòâóþùèõ
ìàíèïóëÿòîðîâ
Îäíèì èç
îòëè÷èòåëüíûõ
ïðèçíàêîâ ìàíèïóëÿòîðîâ
ÿâëÿåòñÿ ñïîñîá
óïðàâëåíèÿ, êîòîðûé
âî ìíîãîì îïðåäåëÿåò
ñòðóêòóðó, ñâîéñòâà
è ñîñòàâ ñèñòåì,
íåîáõîäèìûõ
äëÿ ïîëó÷åíèÿ
òðåáóåìûõ õàðàêòåðèñòèê
ìàíèïóëÿòîðà.
Ìàíèïóëÿòîðû
óïðàâëÿþòñÿ ëèáî
ïîñðåäñòâîì çàäàþùåãî
óñòðîéñòâà, ôîðìèðóþùåãî
ñèãíàë óïðàâëåíèÿ
èñïîëíèòåëüíûì
îðãàíîì, ëèáî
íåïîñðåäñòâåííî
ïðèëîæåíèåì âðó÷íóþ
óñèëèÿ ê îáúåêòó
ìàíèïóëèðîâàíèÿ.
Âàæíûì ïðèçíàêîì,
îïðåäåëÿþùèì
óñëîâèÿ ýêñïëóàòàöèè
ìàíèïóëÿòîðà,
ÿâëÿåòñÿ òèï ïðèâîäà.
Ïî òèïó ïðèâîäà
ðàçëè÷àþò ìàíèïóëÿòîðû
ñ ýëåêòðîïðèâîäîì,
ïíåâìîïðèâîäîì
è ñ êîìáèíèðîâàííûì
ïðèâîäîì.
Íàèáîëüøåå
ðàñïðîñòðàíåíèå
ïîëó÷èëè ìàíèïóëÿòîðû
ñ ýëåêòðîïðèâîäîì.
Îíè óäîáíû â îáñëóæèâàíèè
è ïðàêòè÷åñêè
íå òðåáóþò ñïåöèàëüíîé
ïîäãîòîâêè îïåðàòîðîâ
äëÿ èõ ýêñïëóàòàöèè.
Ìàíèïóëÿòîðû
ðàññìàòðèâàåìîãî
âèäà ïðèìåíèìû
äëÿ âûïîëíåíèÿ
ïîãðóçî÷íî-ðàçãðóçî÷íûõ
ðàáîò. Ïðè íåîáõîäèìîñòè
âûïîëíåíèÿ òåõíîëîãè÷åñêèõ
îïåðàöèé, ñâÿçàííûõ
ñ ïðèëîæåíèåì
íàïðàâëåííîé
âíèç ñèëû, -ñâåðëåíèÿ,
çà÷èñòêè ïîâåðõíîñòè
àáðàçèâíûì èíñòðóìåíòîì
è äð. -ïðèìåíÿþò
ìàíèïóëÿòîðû
ñ ðåâåðñèâíûì
ýëåêòðîïðèâîäîì.
 áîëüøèíñòâå
äðóãèõ ñëó÷àåâ
äîñòàòî÷íî èñïîëüçîâàòü
ìàíèïóëÿòîðû
ñ íåðåâåðñèâíûì
ýëåêòðîïðèâîäîì,
ñèñòåìà óïðàâëåíèÿ
êîòîðîãî çíà÷èòåëüíî
ïðîùå.
Ìàíèïóëÿòîðû
ñ ïíåâìîïðèâîäîì
òàêæå äîñòàòî÷íî
øèðîêî ðàñïðîñòðàíåíû.
Òàêèå ìàíèïóëÿòîðû
íåçàìåíèìû â
óñëîâèÿõ ïîâûøåííîé
âçðûâî- è ïîæàðîîïàñíîñòè,
êîãäà ïðèìåíåíèå
îáîðóäîâàíèÿ
ñ ýëåêòðîïðèâîäîì
òðåáóåò ñëîæíûõ
è äîðîãîñòîÿùèõ
óñòðîéñòâ çàùèòû.
Îíè îáëàäàþò
åùå îäíèì ñóùåñòâåííûì
ïðåèìóùåñòâîì:
ëèíåéíûé ïíåâìîïðèâîä
ïîçâîëÿåò ïîëíîñòüþ
óñòðàíèòü ïåðåäàòî÷íûé
ìåõàíèçì è, ñëåäîâàòåëüíî,
ñóùåñòâåííî
óìåíüøèòü ïîòåðè
íà òðåíèå.
Ìàíèïóëÿòîðû
ñ ãèäðîïðèâîäîì
ïðèìåíÿþò ÷àùå
âñåãî äëÿ ðàáîòû
ñ îáúåêòàìè áîëüøîé
ìàññû. Êîãäà ñîïðîòèâëåíèå
ïåðåìåùåíèþ â
ãîðèçîíòàëüíîé
ïëîñêîñòè, âûçâàííîå
ïîòåðÿìè íà òðåíèå
è íåïîëíûì óðàâíîâåøèâàíèåì
èñïîëíèòåëüíîãî
óñòðîéñòâà, ñòàíîâèòñÿ
çíà÷èòåëüíûì,
òàêèå ìàíèïóëÿòîðû
ñíàáæàþò åùå
îäíèì èëè äâóìÿ
ãèäðîïðèâîäàìè:
ðàäèàëüíîãî ïåðåìåùåíèÿ
è ïîâîðîòà.
Ïî îñîáåííîñòÿì
ýêñïëóàòàöèè
ìàíèïóëÿòîðû
ïîäðàçäåëÿþò
íà ñòàöèîíàðíûå
è ïîäâèæíûå, ïðè÷åì
ïîäâèæíûå ìîãóò
áûòü ñàìîõîäíûìè
è ïåðåìåùàþùèìè
âðó÷íóþ. Ñàìîõîäíûå
ìàíèïóëÿòîðû,
óñòàíîâëåííûå
íà àâòîêàðå èëè
ýëåêòðîêàðå, ìîãóò
èñïîëüçîâàòüñÿ
êàê íà îïåðàöèÿõ
çàãðóçêè è ðàçãðóçêè
îáîðóäîâàíèÿ,
òàê è äëÿ ìåæîïåðàöèîííîãî
òðàíñïîðòèðîâàíèÿ
çàãîòîâîê è äåòàëåé.
3.1.3 Îïèñàíèå
ïðèíÿòîãî ìàíèïóëÿòîðà
äëÿ òðàíñïîðòèðîâêè
ñòàëåðàçëèâî÷íîãî
êîâøà
Äëÿ òðàíñïîðòèðîâêè
êðûøêè ñòàëåðàçëèâî÷íîãî
êîâøà âûáèðàåì
ñòàöèîíàðíûé,
ïîäâåñíîé ìàíèïóëÿòîð,
óïðàâëÿåìûé ïîñðåäñòâîì
çàäàþùåãî óñòðîéñòâà.
Ðàññìîòðèì ãèäðàâëè÷åñêèé
òèï ïðèâîäà. Ìàíèïóëÿòîð
ñîäåðæèò ìåõàíèçìû
ïîâîðîòà è îïóñêàíèÿ
êðûøêè ñòàëüêîâøà.
Óñòàíàâëèâàåòñÿ
íà êîëîíå. Îáùèé
âèä ìàíèïóëÿòîðà
ïðåäñòàâëåí íà
ðèñ. 3.1.
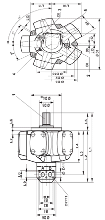
Ðèñóíîê
3.1 -Îáùèé âèä ìàíèïóëÿòîðà.
-êîëîííà,
2-ïðèâîä, 3-ìåõàíèçì
ïîäúåìà ëåáåäêè,
4-ëåáåäêà.
3.2 Òåõíèêî-ýêîíîìè÷åñêîå
îáîñíîâàíèå
ïðèíÿòîé êîíñòðóêöèè
Îñíîâíîé
òåíäåíöèåé â
ðàçâèòèè ñîâðåìåííîãî
ñòàëåïëàâèëüíîãî
ïðîèçâîäñòâà
ÿâëÿåòñÿ ïîâûøåíèå
êà÷åñòâà ìåòàëëîïðîäóêöèè
ïðè óëó÷øåíèè
òåõíèêî-ýêîíîìè÷åñêèõ
ïîêàçàòåëåé
(ÒÝÏ) ïðîèçâîäñòâà,
òî åñòü ñíèæåíèè
çàòðàò.
Óëó÷øåíèå
ÒÝÏ ïðîèçâîäñòâà
ìåòàëëîïðîäóêöèè
âîçìîæíî ïóòåì
åãî èíòåíñèôèêàöèè
è ñíèæåíèè ðàñõîäîâ
ïî ïåðåäåëó. Âñå
ýòî ìîæåò áûòü
äîñòèãíóòî çà
ñ÷åò ââåäåíèÿ
â ñòðîé íîâîãî
ñîâðåìåííîãî
îáîðóäîâàíèÿ
èëè ìîäåðíèçàöèè
ñóùåñòâóþùåãî,
÷òî ÿâëÿåòñÿ ýêîíîìè÷åñêè
áîëåå îïðàâäàííûì.
Íà ÌÍËÇ-1,2 äëÿ
ïåðåäà÷è êðûøêè
ñòàëüêîâøà èç
îäíîãî ïðîëåòà
(ðàçëèâî÷íîãî)
öåõà â äðóãîé
(ïðîëåò ÌÍËÇ) èñïîëüçóþò
ìîñòîâûå êðàíû
áîëüøîé ãðóçîïîäúåìíîñòè.
Îñíîâíîé çàäà÷åé
ÿâëÿåòñÿ ìîäåðíèçàöèÿ
êîíñòðóêöèè
ñòàëåðàçëèâî÷íîãî
ñòåíäà ñ öåëüþ
ñîêðàùåíèÿ çàòðàò
íà ïîòðåáëÿåìîå
ýëåêòðè÷åñòâî.
Ðàöèîíàëüíûì
ðåøåíèåì ïîñòàâëåííîé
çàäà÷è íà ñåãîäíÿøíèé
äåíü ïðåäñòàâëÿåòñÿ
ðàçðàáîòêà è
âíåäðåíèå ìåõàíèçàöèè
òðàíñïîðòèðîâêè
êðûøåê òåðìîñòàòèðîâàíèÿ
ñòàëåðàçëèâî÷íîãî
êîâøà.
Ôàêòîðû, îïðàâäûâàþùèå
êàïèòàëüíûå
âëîæåíèÿ íà âíåäðåíèå
ìåõàíèçàöèè
òðàíñïîðòèðîâêè
êðûøåê êîâøåé
íà ñòàëåðàçëèâî÷íîì
ñòåíäå ìíëç-1,2
èçëîæåíû íèæå:
ðàçãðóçèòü
ðàáîòó ìîñòîâûõ
êðàíîâ ðàçëèâî÷íîãî
ïðîëåòà;
- óëó÷øåíèå
óñëîâèé òðóäà
è ïîâûøåíèå áåçîïàñíîñòè
ýêñïëóàòàöèè
ÌÍËÇ-2;
- óìåíüøåíèå
ýíåðãîçàòðàò
çà ñ÷åò ñíèæåíèÿ
êîëè÷åñòâà ïîòðåáëÿåìîé
ýëåêòðîýíåðãèè.
.3 Ðàñ÷åòíî-êîíñòðóêòîðñêàÿ
÷àñòü
.3.1 Êîëîííà
Êîëîííà ìåõàíèçìà
ïåðåìåùåíèÿ êðûøåê
òåðìîñòàòèðîâàíèÿ
âûïîëíåíà èç
ñâàðíîé ìåòàëëîêîíñòðóêöèè
êðóãëîãî ñå÷åíèÿ
ñ ðåáðàìè æåñòêîñòè.
Êîëîííà ïðåäíàçíà÷åíà
äëÿ íåñåíèÿ íàãðóçîê
âûøåëåæàùèõ
êîíñòðóêöèé
è êðåïëåíèÿ íà
íåé ìåõàíèçìà
ïîâîðîòà
. Êîíñòðóêöèÿ
êîëîííû êðåïèòñÿ
ê ïîâîðîòíîé ñòàíèíå
ñòàëåðàçëèâî÷íîãî
ñòåíäà ÷åðåç
áîëòîâûå ñîåäèíåíèÿ
ê ïëàòôîðìå, ïðèâàðåííîé
ê ñòàíèíå, ðèñ.
3.2.
Ðèñóíîê
3.2 - Êîëîííà ìåõàíèçìà
ïåðåìåùåíèÿ êðûøåê,
ãäå 1 -ñòàíèíà;
2 - ïëàòôîðìà; 3 - áîëòîâîå
ñîåäèíåíèå; 4 -
êîëîííà; 5 - ìåõàíèçì
ïîâîðîòà.
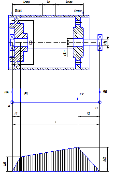
3.3.2 Ìåõàíèçì
ïîâîðîòà
Ìåõàíèçì
ïîâîðîòà ïðåäíàçíà÷åí
äëÿ îòâîäà ïîðòàëà
ñ ïîäâåøåííîé
êðûøêîé â ñòîðîíó
îò ñòàëåðàçëèâî÷íîãî
êîâøà, â ñëó÷àå
åãî çàìåíû, äëÿ
âûïîëíåíèÿ äàëüíåéøèõ
òåõíîëîãè÷åñêèõ
ïðîöåññîâ ðàçëèâêè
ñòàëè è äëÿ ïîäâîäà
ïîðòàëà ïî îñè
ñòàëåðàçëèâî÷íîãî
êîâøà â ñëó÷àå
îäåâàíèÿ êðûøêè
íà êîâø.
Ïðèâîä ïîâîðîòà
ìîæåò îñóùåñòâëÿòüñÿ
äâóìÿ ñïîñîáàìè
(ìîòîð-ðåäóêòîðîì
èëè ãèäðîìîòîðîì)
÷åðåç îòêðûòóþ
çóá÷àòóþ ïåðåäà÷ó
êàê ïîêàçàíî
íà ðèñóíêå 3.3.
Ðèñóíîê
3.3 - Ñõåìà ïðèâîäà
ìåõàíèçìà ïîâîðîòà,
ãäå 1 - ïðèâîä;
2 - îòêðûòàÿ çóá÷àòàÿ
ïåðåäà÷à; 3 - îïîðíî-ïîâîðîòíîå
óñòðîéñòâî ñ
âíåøíèì çóá÷àòûì
çàöåïëåíèåì;
4 - ïîðòàë (ìàññà
2500 êã.); 5 - êðûøêà òåðìîñòàòèðîâàíèÿ.
3.3.2.1 Ðàñ÷åò
ïðèâîäà è çóá÷àòîé
ïåðåäà÷è
Îïðåäåëåíèå
ìîìåíòà ñîïðîòèâëåíèÿ
ïîâîðîòó
Ìîìåíò ñîïðîòèâëåíèÿ
ïîâîðîòó ïîðòàëà,
êÍ*ì, äåéñòâóþùèé
â ïåðèîä ðàçãîíà
ìåõàíèçìà, îïðåäåëÿåòñÿ
ïî ôîðìóëå
, (3.1)
ãäå
- ìîìåíò
ñèë òðåíèÿ â îïîðíî-ïîâîðîòíîì
óñòðîéñòâå;
- ìîìåíò ñèë
èíåðöèè, äåéñòâóþùèõ
íà ãðóç (êðûøêó),
ìåäëåííî ïîâîðà÷èâàþùèõñÿ
÷àñòåé êîíñîëè
(ìåòàëëîêîíñòðóêöèÿ
ïîâîðîòíîé ÷àñòè)
è âðàùàþùèåñÿ
÷àñòè ìåõàíèçìà
ïîâîðîòà (ðîòîð
äâèãàòåëÿ, òîðìîçíîé
øêèâ, ìóôòû è
ò. ä.)
.
Ìîìåíò ñèë
òðåíèÿ â îïîðíî-ïîâîðîòíîì
óñòðîéñòâå
, (3.2)
ãäå
- ïðèâåäåííûé
êîýôôèöèåíò
òðåíèÿ â îïîðíîì
ïîäøèïíèêå
;
- äèàìåòð öàïôû,
ðàâåí 0,68 ì;
- îáùàÿ ñèëà
âåñà, êîòîðàÿ
ñîñòîèò èç âåñà
êðûøêè, ïîäâåøåííîé
íà ÷åòûðåõ êàíàòàõ
8òñ, ò.å. ñèëà âåñà
ãðóçà (êðûøêè)
è âåñà êîíñîëè
ñ êîëîííîé 3ò, ò.å.
ñèëà âåñà ïîðòàëà
.
Ïîäñòàâëÿÿ
çíà÷åíèÿ â âûðàæåíèÿ
(3.2) ïîëó÷èì
Ìîìåíò ñèë
èíåðöèè
îïðåäåëÿåòñÿ
ïî ôîðìóëå
, (3.3)
ãäå
- ìîìåíò
èíåðöèè (îòíîñèòåëüíî
îñè ïîâîðîòà
ïîðòàëà) ìåäëåííî
ïîâîðà÷èâàþùèõñÿ
÷àñòåé, ãðóçà,
êã×ì2;
- óãëîâîå
óñêîðåíèå ïîðòàëà,
ðàä/ñ2, â ïåðèîä
ðàçãîíà.
Ìîìåíò èíåðöèè
îïðåäåëÿåòñÿ
ïî ôîðìóëå
, (3.4)
ãäå γ = 1,2...1,4 - êîýôôèöèåíò
ó÷åòà èíåðöèè
âðàùàþùèõñÿ
÷àñòåé ìåõàíèçìà
ïîâîðîòà;
- ìîìåíò èíåðöèè
(îòíîñèòåëüíî
îñè ïîâîðîòà
ïîðòàëà) ãðóçà
è ìåäëåííî ïîâîðà÷èâàþùèõñÿ
÷àñòåé ïîðòàëà,
êã×ì2 è îïðåäåëÿåòñÿ
ïî ôîðìóëå
, (3.5)
ãäå
- ìàññà
j-é ìåäëåííî ïîâîðà÷èâàþùåéñÿ
÷àñòè (ãðóç, êîíñîëü
è ò. ä.);
- ðàññòîÿíèå
îò öåíòðà ìàññû
j-é ìåäëåííî ïîâîðà÷èâàþùåéñÿ
÷àñòè äî îñè ïîâîðîòà,
ì; ξ
= 1,3...1,4 - êîýôôèöèåíò
ïðèâåäåíèÿ ãåîìåòðè÷åñêèõ
ðàäèóñîâ âðàùåíèÿ
ê ðàäèóñàì èíåðöèè.
Ðàññòîÿíèå
îò öåíòðîâ ìàññû
ãðóçà, ïîâîðîòíîé
÷àñòè äî îñè ïîâîðîòà
ïîðòàëà ðàâíî:
õãð = 5,11 ì; õïîâ
= 1,195ì.
Óãëîâîå óñêîðåíèå
ïðè ðàçãîíå ìîæåò
áûòü íàéäåíî
ïî äîïóñòèìîìó
ëèíåéíîìó óñêîðåíèþ
ãðóçà
ïî
ôîðìóëå
, (3.6)
ãäå âåëè÷èíû
è
äîëæíû
áûòü ïîäñòàâëåíû
â äàííóþ ôîðìóëó
ñîîòâåòñòâåííî
â ì/ñ2 è ì.
Óñêîðåíèå
ìîæíî ïðèíÿòü
äëÿ êðàíîâ ãðóçîïîäúåìíîñòüþ
äî 3 ò - 0,1 ì/ñ2; îò 3
ò äî 12 ò - 0,07 ì/ñ2; ñâûøå
12 ò - 0,05 ì/ñ2.
Ïîäñòàâèâ
çíà÷åíèÿ â âûðàæåíèÿ
(3.6) ïîëó÷èì
.
Ïîäñòàâèâ
çíà÷åíèÿ â âûðàæåíèÿ
(3.5) ïîëó÷èì
.
Ïîäñòàâèâ
çíà÷åíèÿ â âûðàæåíèÿ
(3.4) ïîëó÷èì
.
Ïîäñòàâèâ
çíà÷åíèÿ â âûðàæåíèÿ
(3.3) ïîëó÷èì
.
Èç âûðàæåíèÿ
(3.1) ïîëó÷èì ìîìåíò
ñîïðîòèâëåíèÿ
ïîâîðîòó ïîðòàëà,
äåéñòâóþùèé
â ïåðèîä ðàçãîíà
ìåõàíèçìà
.
Ðàñ÷åò ïðèâîäà
Îïðåäåëèì
ìîùíîñòü íåîáõîäèìóþ
äëÿ ïîâîðîòà êîíñîëè
è ãðóçà (êðûøêè)
ïî ôîðìóëå
, (3.7)
ãäå
-ìîìåíò
ñîïðîòèâëåíèÿ
ïîâîðîòó ïîðòàëà;
- ñêîðîñòü
ïåðåìåùåíèÿ ãðóçà;
h - êîýôôèöèåíò
ïîëåçíîãî äåéñòâèÿ
(ÊÏÄ) çóá÷àòîé
ïåðåäà÷è: η îáø= ηï × ηîï
× η ì× η ö
, ãäå hîï
=0,95 - ÊÏÄ îòêðûòîé
çóá÷àòîé ïåðåäà÷è;
η
ï = 0,99 - ÊÏÄ ïîäøèïíèêîâ
êà÷åíèÿ; η = 0,99 × 0,95 = 0,891
.
Îïðåäåëèì
÷èñòîòó âðàùåíèÿ
êîëîííû êîíñîëè
nðì èç âûðàæåíèÿ
, (3.8)
ãäå
-
äèàìåòð îêðóæíîñòè
ïîäâåøåííîãî
ãðóçà. Èç âûðàæåíèÿ
(3.8) ïîëó÷èì
,
Ïîäñòàâèâ
çíà÷åíèÿ â âûðàæåíèÿ
(3.7) ïîëó÷èì ìîùíîñòü
íåîáõîäèìóþ
äëÿ ïîâîðîòà êîíñîëè:
.
Äëÿ äàííîé
êîíñòðóêöèè
ïîâîðîòà êîíñîëè
ðàññ÷èòàåì è
âûáåðåì ãèäðîïðèâîä.
Ðàñ÷åò è âûáîð
ãèäðàâëè÷åñêîãî
ïðèâîäà
Ðàçðàáîòêà
ãèäðàâëè÷åñêîé
ñõåìû
Íà ðèñ. 3.4 ïðèâåäåíà
ãèäðîñõåìà ïðèâîäà
ìåõàíèçìà ïîäúåìà
ìàíèïóëÿòîðà
êðûøêè ñòàëåðàçëèâî÷íîãî
êîâøà
,
.
Ðèñóíîê
3.4 - Ãèäðîñõåìà
ïðèâîäà ìåõàíèçìà
ïîäúåìà ìàíèïóëÿòîðà
êðûøêè ñòàëåðàçëèâî÷íîãî
êîâøà
Ðàáî÷àÿ æèäêîñòü
ïîñòóïàåò â ñèñòåìó
÷åðåç íàñîñ Í1.
Âåíòèëü Â1 ðåãóëèðóåò
ïîäà÷ó ðàáî÷åé
æèäêîñòè. Äàëåå
æèäêîñòü ÷åðåç
îáðàòíûå êëàïàíû
ÎÊ1 è ÎÊ2 (íåîáõîäèìûå
äëÿ äâèæåíèÿ æèäêîñòè
â îäíó ñòîðîíó),
à òàêæå ÷åðåç
òðåõïîçèöèîííûå
÷åòûðåõëèíåéíûå
ðàñïðåäåëèòåëè
Ð1 è Ð2 (ðàçãðóæàþùèå
ãèäðîñèñòåìó)
ïîñòóïàåò ê ãèäðîìîòîðàì
ÃÌ1 è ÃÌ2. Äðîññåëè
Ä1, Ä2, Ä3, Ä4 íåîáõîäèìû
äëÿ ðåãóëèðîâàíèÿ
ñêîðîñòè ïîäà÷è
ðàáî÷åé æèäêîñòè
ê ãèäðîìîòîðàì.
Äàëåå ðàáî÷àÿ
æèäêîñòü ïðèâîäèò
â äâèæåíèå ãèäðîìîòîðû.
Äâóõïîçèöèîííûé
äâóõëèíåéíûé
ðàñïðåäåëèòåëü
Ð3 ïðåäíàçíà÷åí
äëÿ ðàçãðóçêè
íàïîðíîé ëèíèè
ñëèâà â àâòîìàòè÷åñêîì
ðåæèìå, à âåíòèëü
Â3 -â ðó÷íîì ðåæèìå.
×åðåç àêêóìóëÿòîð
À1, êîòîðûé íàêàïëèâàåò
ýíåðãèþ ðàáî÷åé
æèäêîñòè, îíà
ïîñòóïàåò â áàê
Á1 (ïðè ðó÷íîì ðåæèìå)
è áàê Á2 (ïðè àâòîìàòè÷åñêîì
ðåæèìå). Ìîíîìåòð
Ì1 ïîêàçûâàåò
äàâëåíèå â ñèñòåìå.
Ðàñ÷åò è âûáîð
ãèäðîìîòîðà
Îñíîâíîé
ïàðàìåòð ãèäðàâëè÷åñêèõ
ìîòîðîâ - ðàáî÷èé
îáúåì.
Ðàáî÷èé îáúåì
ðàäèàëüíî-ïîðøíåâîãî
ìîòîðà:
, (3.9)
ãäå
-ãèäðîìåõàíè÷åñêèé
ÊÏÄ ãèäðîìîòîðà,
óêàçàííûé â åãî
ïàñïîðòå (
= 0,85).
Ïîäñòàâèâ
çíà÷åíèÿ â âûðàæåíèå
(3.9) íàéäåì ðàáî÷èé
îáúåì àêñèàëüíî-ïîðøíåâîãî
ìîòîðà:
,
Ïîëåçíàÿ
ìîùíîñòü ãèäðîìîòîðà
îïðåäåëÿåòñÿ
ïî ôîðìóëå:

, (3.10)
ãäå
-óãëîâàÿ
ñêîðîñòü âðàùåíèÿ
âàëà ïðè íîìèíàëüíîé
÷àñòîòå âðàùåíèÿ
.
, (3.11)
.
Âûáîð íàñîñà
ïðîèçâîäèòñÿ
ïî ðàñ÷åòíîé
âåëè÷èíå äàâëåíèÿ
, ïîäà÷å
è åå ìèíèìàëüíîãî
çíà÷åíèÿ
è ìîùíîñòè
.
Äàâëåíèå
îïðåäåëÿåòñÿ
ïî íîìèíàëüíîìó
çíà÷åíèþ
ñ ó÷åòîì
ãèäðàâëè÷åñêèõ
è ìåõàíè÷åñêèõ
ÊÏÄ (
= 0,80).
, (3.12)
Ïîäñòàâèì
çíà÷åíèÿ â âûðàæåíèå
(3.12):
.
Ðàñ÷åòíàÿ
ïîäà÷à íàñîñà
ñ ó÷åòîì
îáúåìíûõ ïîòåðü
â ñèñòåìå, õàðàêòåðèçóåìûõ
îáúåìíûì ÊÏÄ
(
0,95), ñîñòàâëÿåò:
, (3.13)
Ïîäñòàâèì
çíà÷åíèÿ â âûðàæåíèå
(3.13):
.
Ìèíèìàëüíàÿ
ðåãóëèðóåìàÿ
ïîäà÷à íàñîñà
îïðåäåëÿåòñÿ
ïî ôîðìóëå:
, (3.14)
Ïîäñòàâèì
çíà÷åíèå â âûðàæåíèå
(3.14):
.
Ìîùíîñòü
íàñîñà
, ïî
âåëè÷èíå êîòîðîé
ðàññ÷èòûâàåòñÿ
ìîùíîñòü ïðèâîäíîãî
äâèãàòåëÿ ñîñòàâëÿåò
:
, (3.15)
Ïîäñòàâèì
çíà÷åíèå â âûðàæåíèå
(3.15):
Èòàê, ïî ïîëó÷åííûì
ïàðàìåòðàì èç
êàòàëîãà «Áîø
Ýëåêñðîä» âûáèðàåì
ãèäðîìîòîð òèïà
MRE-2100 ñî ñëåäóþùèìè
ïàðàìåòðàìè
(òàáë. 3.20).
Òàáëèöà
3.2 -Ïàðàìåòðû ãèäðîìîòîðà
òèïà MRE-2100
|
Íîìèíàëüíûé
ðàçìåð -ñåðèÿ
NG
|
2100-2
|
|
Ðàáî÷èé
îáúåì V
|
|
|
Ìîìåíò
èíåðöèè J
|
|
|
Óäåëüíûé
ìîìåíò
|
|
|
Ìèíèìàëüíûé
ìîìåíò ñòàðòà/òåîð.
ìîìåíò
|
91%
|
|
Ìàêñèìàëüíîå
âõîäÿùåå äàâëåíèå
-ïîñòîÿííîå ð
-ïåðèîäè÷åñêîå
ð -ïèêîâîå ð
|
210 bar 250
bar 350
bar
|
|
Ñóììàðíîå
äàâëåíèå ð
|
400 bar
|
|
Ïðîòèâîäàâëåíèå
äðåíàæà ð
|
5 bar
|
Äèàïàçîíû
ñêîðîñòè âðàùåíèÿ
-áåç ïðîêà÷êè
n -ñ ïðîêà÷êîé n
|
|
Ìîùíîñòü
ïðè äëèòåëüíîé
íàãðóçêå -áåç
ïðîêà÷êè Ð -ñ ïðîêà÷êîé
Ð
|
|
|
|
Âåñ m
|
209 êã
|
Ãèäðîìîòîðû
òèïîâ MR è
MRE ïðåäñòàâëÿþò
ñîáîé ïîðøíåâûå
àãðåãàòû ñ ïîñòîÿííûì
ðàáî÷èì îáúåìîì.
Ãðàôèê çàâèñèìîñòè
äàâëåíèÿ õîëîñòîãî
õîäà îò ñêîðîñòè
âðàùåíèÿ ïðåäñòàâëåí
íà ðèñ. 3.5; äèàãðàììà,
õàðàêòåðèçóþùàÿ
çàâèñèìîñòü
êðóòÿùåãî ìîìåíòà
îò ñêîðîñòè âðàùåíèÿ
- íà ðèñ. 3.6. Êîíñòðóêöèÿ,
îáîçíà÷åíèå
è ðàçìåðû ãèäðîìîòîðà
ïðèâåäåíû íà ðèñ.
3.7, ðèñ. 3.8, ðèñ. 3.9 ñîîòâåòñòâåííî.
Ðèñóíîê
3.5 -Ãðàôèê çàâèñèìîñòè
äàâëåíèÿ õîëîñòîãî
õîäà îò ñêîðîñòè
âðàùåíèÿ.
Ðèñóíîê
3.6 -Äèàãðàììà, õàðàêòåðèçóþùàÿ
çàâèñèìîñòü
êðóòÿùåãî ìîìåíòà
îò ñêîðîñòè âðàùåíèÿ.
Ðèñóíîê
3.7 -Êîíñòðóêöèÿ
ãèäðîìîòîðà
Îñíîâíûìè
äåòàëÿìè ãèäðîìîòîðà
ÿâëÿþòñÿ êîðïóñ
1, ýêñöåíòðèêîâûé
âàë 2, êðûøêà 3,êîðïóñ
ðàñïðåäåëèòåëÿ
4, ïîäøèïíèêè 5, öèëèíäðû
6, ïîðøíè 7, óçåë ðàñïðåäåëèòåëÿ
8.1,8.2,8.3. Ðàáî÷àÿ æèäêîñòü
ïîäâîäèòüñÿ è
îòâîäèòüñÿ ÷åðåç
îòâåðñòèÿ À è
Â. ×åðåç óçåë ðàñïðåäåëèòåëÿ
è êàíàë D â êîðïóñå 1 çàïîëíÿþòñÿ
è îïîðîæíÿþòñÿ
ïîëîñòè Å â öèëèíäðå.
Ðèñóíîê
3.8 -Îáîçíà÷åíèå
ãèäðîìîòîðà
Ðèñóíîê
3.9 -Ðàçìåðû ãèäðîìîòîðà
.Øëèöåâûé
âàë ñ öåíòðîâàíèåì
ïî áîêîâûì ñòîðîíàì.
,3. Ïðèñîåäèíåíèå
äðåíàæà.
. Äàò÷èê ýëåêòðè÷åñêèõ
èìïóëüñîâ òèïà
TEV-S äëÿ îïðåäåëåíèÿ
ñêîðîñòè âðàùåíèÿ.
. Êîðïóñ óçëà
óïðàâëåíèÿ ìîæåò
ïðè íåîáõîäèìîñòè
áûòü ïîâåðíóò
íà 72°.
×èñëîâûå
çíà÷åíèÿ ðàçìåðîâ
ïðåäñòàâëåíû
â òàáë. 3.3.
Òàáëèöà
3.3 -Ðàçìåðû ãèäðîìîòîðà
òèïà MRE-2100
|
Òèïîðàçìåð
|
L1
|
L2
|
L3
|
L4
|
L5
|
L6
|
L7
|
L8
|
L9
|
L10
|
L12
|
L13
|
B1
|
B2
|
B3
|
|
MRE
|
503
|
371
|
323
|
236
|
132
|
21
|
24
|
82
|
50
|
262
|
197
|
105
|
11
|
162
|
71
|
|
B4
|
D1
|
D2
|
D3
|
D4h8
|
D5
|
D6
|
D7
|
T1
|
D8
|
D9
|
D10
|
D11
|

|
|
Îïðåäåëåíèå
ðàñõîäà æèäêîñòè
Ðàñ÷åòíûé
ðàñõîä æèäêîñòè,
ïîäàâàåìîé â
ïîðøíåâóþ ïîëîñòü
ãèäðîìîòîðà
ñ ó÷åòîì
îáúåìíûõ ïîòåðü
â ñèñòåìå, õàðàêòåðèçóåìûõ
îáúåìíûì ÊÏÄ
(
0,95), ñîñòàâëÿåò:
.
Ðàñ÷åòíûé
ðàñõîä ãèäðîëèíèè
ñëèâà ðàâåí ðàñõîäó
æèäêîñòè, ïîäàâàåìîé
â ïîðøíåâóþ ïîëîñòü:
.
Îïðåäåëåíèå
ïðîõîäíûõ ñå÷åíèé
òðóáîïðîâîäîâ
Ïëîùàäü ïðîõîäíûõ
ñå÷åíèé òðóáîïðîâîäîâ
SH îïðåäåëÿåòñÿ
ïî ðàñõîäó è äîïóñòèìîé
ñêîðîñòè äâèæåíèÿ
ðàáî÷åé æèäêîñòè
υ H.
Îïðåäåëèì
ïëîùàäü ñå÷åíèÿ
òðóáîïðîâîäà
ñ ó÷åòîì îáúåìíîãî
ÊÏÄ ãèäðîöèëèíäðà:
, (3.16)
ãäå
- äîïóñòèìàÿ
ñêîðîñòü äâèæåíèÿ
ðàáî÷åé æèäêîñòè
â ëèíèè íàãíåòàíèÿ;
.
Ïîäñòàâèì
çíà÷åíèÿ â âûðàæåíèå
(3.16):
.
Òîãäà äèàìåòð
ëèíèè íàãíåòàíèÿ
:
. (3.17)
Ïîäñòàâèì
çíà÷åíèÿ â âûðàæåíèå
(3.17):
.
Âû÷èñëåííîå
çíà÷åíèÿ äèàìåòðà
îêðóãëÿþò äî íîðìàëüíîãî
çíà÷åíèÿ, âûáèðàåìîãî
èç ðÿäà: 16 ìì, òîëùèíà
ñòåíêè 4 ìì.
Äèàìåòð ëèíèè
ñëèâà
.
Îêðóãëÿåì
äî íîðìàëüíîãî
çíà÷åíèÿ è îïðåäåëÿåì
òîëùèíó ñòåíêè:
ïðèíèìàåì dc = 16 ìì, òîëùèíà
ñòåíêè ðàâíà
4 ìì.
Íà ëèíèè
âñàñûâàíèÿ äèàìåòð
ïðèíèìàþò
ðàâíûì
:
.
Òîëùèíà
ñòåíêè òðóáîïðîâîäà
îïðåäåëÿåòñÿ
ïî âåëè÷èíå äàâëåíèÿ
è äîïóñêàåìîìó
íàïðÿæåíèþ [
ð]:
, (3.18)
ãäå
-äàâëåíèå
íà ðàáî÷óþ ïîëîñòü
ãèäðîìîòîðà.
, (3.19)
ãäå ñ=1320 ì/ñ
- ñêîðîñòü ðàñïðîñòðàíåíèÿ
óäàðíîé âîëíû,
υ1= 7 ì/ñ ïðè ð>5 ÌÏà
- ñêîðîñòü äâèæåíèÿ
æèäêîñòè â íàïîðíîì
òðóáîïðîâîäå;
ρ=900 êã/ì²-
ïëîòíîñòü
ðàáî÷åé æèäêîñòè.
Ïîäñòàâèì
çíà÷åíèÿ â âûðàæåíèå
(3.19):
.
- äîïóñê íà
îáðàáîòêó;
- äîïóñêàåìîå
íàïðÿæåíèå ðàñòÿæåíèÿ;
Ïîäñòàâèâ
çíà÷åíèÿ â âûðàæåíèå
(3.18), ïîëó÷èì:
=
.
Îêðóãëÿåì
=6,3 ìì.
Ïðîâåðêà òðóáîïðîâîäà
íà ãèäðîóäàð
Òðóáà ãèäðîëèíèè
íàãíåòàíèÿ ïðîâåðÿåòñÿ
íà ïîâûøåííîå
äàâëåíèå ïðè ãèäðàâëè÷åñêîì
óäàðå, âîçíèêàþùèé
â ìîìåíò ïåðåêëþ÷åíèÿ
çîëîòíèêà.
Ðàñ÷åò óäàðíîãî
äàâëåíèÿ ïî ôîðìóëå
Æóêîâñêîãî Í.Å.:
, (3.20)
ãäå
-
ðàñ÷åòíîå ðàáî÷åå
äàâëåíèå;
- ïîâûøåííîå
äàâëåíèå.
, (3.21)
 êà÷åñòâå
ðàáî÷åé æèäêîñòè
èñïîëüçóåòñÿ
ìàñëî Mobil DTE25, ïëîòíîñòü
êîòîðîãî ñîñòàâëÿåò
= 900 êã/ì3; êèíåìàòè÷åñêàÿ
âÿçêîñòü ν =35ìì2/ñ; íà÷àëüíàÿ
ñêîðîñòü æèäêîñòè
â òðóáå
ðàññ÷èòûâàåòñÿ
ïî ôîðìóëå:
, (3.22)
Ïîäñòàâèì
çíà÷åíèÿ â âûðàæåíèå
(3.22):
.
Ïîäñòàâèì
çíà÷åíèÿ â âûðàæåíèå
(3.21):
.
Ïîäñòàâèâ
çíà÷åíèÿ â âûðàæåíèå
(3.20), ïîëó÷èì:
.
Òîëùèíó ñòåíêè
òðóáû íàõîäèì
ïî ôîðìóëå:
, (3.23)
ãäå
-
äîïóñòèìîå íàïðÿæåíèå
ðàñòÿæåíèÿ;
.
, çíà÷èò òðóáà
íàãíåòàíèÿ âûäåðæèò
äàâëåíèå.
Âûáîð òèïà
íàñîñà
Ïðîèçâîäèòåëüíîñòü
íàñîñà äîëæíà
ïðåâûøàòü ðàñ÷åòíûé
ðàñõîä â ñèñòåìå
íà âåëè÷èíó óòå÷åê
ΔQ:
, (3.24)
Îïðåäåëèì
ΔQ (çàâèñèò
îò ñòåïåíè ãåðìåòè÷íîñòè
ýëåìåíòîâ ñèñòåìû,
âÿçêîñòè è äàâëåíèÿ
ðàáî÷åé æèäêîñòè):
, (3.25)
ãäå Êó =
0,005ñì3/(ñ∙ÌÏà) - ñðåäíåå
çíà÷åíèå ðàñ÷åòíîãî
êîýôôèöèåíòà
óòå÷åê;
ððàá = 33.3 ÌÏà
- ðàñ÷åòíîå äàâëåíèå.
.
Ïîäñòàâèì
çíà÷åíèÿ â âûðàæåíèå
(3.24):
.
ðH = 25 ÌÏà
- ðàáî÷åå äàâëåíèå
íàñîñà
Âûáåðåì àêñèàëüíî-ïîðøíåâîé
íàñîñ A4VSH:
QH =32.6 ë/ìèí;
η=0,91
N=109
ò
ðHmax =40 ÌÏà
- ìàêñèìàëüíîå
äàâëåíèå
J =
0,03 êã/ì² - ìîìåíò
èíåðöèè
Mí = 10 êã - ìàññà
íàñîñà
Δðàáñ = 4 áàð
- óòå÷êè â íà÷àëå
ðàáîòû íàñîñà
Ðàñ÷¸ò ¸ìêîñòè
ãèäðîáàêà
Îáúåì ãèäðîáàêà
îïðåäåëÿåòñÿ
ïî åãî 3÷5 ìèíóòíîé ïðîèçâîäèòåëüíîñòè.
Ñ ó÷åòîì
çàïàñà ïî âûñîòå
îáúåì áàêà îïðåäåëÿåòñÿ
ïî ôîðìóëå:
, (3.26)
Ïîäñòàâèâ
çíà÷åíèÿ â âûðàæåíèå
(3.26), ïîëó÷èì:
.
Âûáîð ãèäðîàïïàðàòóðû
Âûáîð òèïîðàçìåðà
àïïàðàòà îñóùåñòâëÿåòñÿ
ïî ðàñ÷åòíûì
ïàðàìåòðàì ïîòîêà
ðàáî÷åé æèäêîñòè
(ðàñõîäó, äàâëåíèþ),
ïðîïóñêàåìîãî
÷åðåç ãèäðîàïïàðàòóðó.
. Äðîññåëü
Òèï Z2FS 10
-3X
= 376ë/ìèí, Dv=
16ìì,
. Îáðàòíûé
êëàïàí
Òèï S-1X
= 188ë/ìèí , Dv=
20ìì, ïåðåïàä äàâëåíèÿ
0.03ÌÏà,
. Ðàñïðåäåëèòåëü
Òèï 4-õëèíåéíûé
3-õïîçèöèîííûé
ñ ýëåêòðîãèäðàâëè÷åñêèì
óïðàâëåíèåì WEH
52. Ðàñõîä 376ë/ìèí,
ïåðåïàä äàâëåíèÿ
0.04ÌÏà,
. Ðàñïðåäåëèòåëü
Òèï 2-õëèíåéíûé
2-õïîçèöèîííûé
ñ ýëåêòðîãèäðàâëè÷åñêèì
óïðàâëåíèåì FE16C2X. Ðàñõîä
179ë/ìèí, ïåðåïàä
äàâëåíèÿ 0.03ÌÏà,
. Ïðåäîõðàíèòåëüíûé
êëàïàí DRHD
Ðàñõîä 80ë/ìèí,
ïîòåðè äàâëåíèÿ
0,3ÌÏà,
. Ãèäðîìîòîðû
òèïà MRE-2100
. Áëîê äëÿ ðàçãðóçêè
íàñîñà
Òèï DBAW30-1X Ìàêñèìàëüíûé
ðàñõîä 600ë/ìèí.
Ðàñ÷åò çóá÷àòîé
ïåðåäà÷è
Îáùåå ïåðåäàòî÷íîå
÷èñëî îòêðûòîé
çóá÷àòîé ïåðåäà÷è:
, (3.27)
ãäå n íîì. = 0,63 îá/ ìèí. - íîìèíàëüíàÿ
÷àñòîòà âðàùåíèÿ
âûõîäíîãî âàëà
ìîòîð-ðåäóêòîðà;
nðì
= ÷àñòîòà âðàùåíèÿ
êîëîííû êîíñîëè.
Ïðèíèìàåì
i÷ = 6 - ïåðåäàòî÷íîå
÷èñëî îòêðûòîé
çóá÷àòîé ïåðåäà÷è
.
Ñèëîâûå ïàðàìåòðû
îòêðûòîé çóá÷àòîé
ïåðåäà÷è
Îïðåäåëÿåì
íåîáõîäèìûé
êðóòÿùèé ìîìåíò
íà çóá÷àòîì
êîëåñå ïðè ïåðåìåùåíèè
êîíñîëè ñ ãðóçîì
ïî ôîðìóëå:
, (3.28)
ãäå F - âåñ
ãðóçà (êðûøêè)
=80 êÍ; Rçóá.êîë. - ðàäèóñ çóá÷àòîãî
êîëåñà 420 ìì.
Ïîäñòàâëÿÿ
çíà÷åíèÿ â âûðàæåíèÿ
(3.28) ïîëó÷èì:
.
Ñ ó÷åòîì
âûáðàííîãî ìîòîð-ðåäóêòîðà
îïðåäåëèì íîìèíàëüíûé
êðóòÿùèé ìîìåíò
íà çóá÷àòîì
êîëåñå ïðè ïåðåìåùåíèè
êîíñîëè ñ ãðóçîì
ïî ôîðìóëå:
, (3.29)
ãäå Ìäâ
= 600 Í·ì - íîìèíàëüíûé
êðóòÿùèé ìîìåíò
íà âûõîäíîì âàëó
ìîòîð-ðåäóêòîðà
(ñì. òàáëèöà 7); iç = 6 - ïåðåäàòî÷íîå
÷èñëî îòêðûòîé
çóá÷àòîé ïåðåäà÷è;
h= 0,891 - ÊÏÄ çóá÷àòîé
ïåðåäà÷è.
Ïîäñòàâëÿÿ
çíà÷åíèÿ â âûðàæåíèÿ
(3.29) ïîëó÷èì:
.
Ïðîèçâåäåì
äàëüíåéøèé ðàñ÷åò
îñíîâíûõ ïàðàìåòðîâ
çóá÷àòîé ïåðåäà÷è,
ïðåäñòàâëåííûé
â òàáë. 3.4.
Òàáëèöà
3.4 -Îñíîâíûå ïàðàìåòðû
îòêðûòîé çóá÷àòîé
ïåðåäà÷è
|
Íàèìåíîâàíèå
ïàðàìåòðà
|
Ðàñ÷åòíàÿ
ôîðìóëà
|
Ñòóïåíü
ïåðåäà÷è
|
|
Ìåæîñåâîå
ðàññòîÿíèå, ìì
|
A=(d1+d2)/2
|
490
|
|
Ìîäóëü
çàöåïëåíèÿ íîðìàëüíûé,
ìì
|
mn=(0,02…0,035) × à
|
7
|
|
Ìîäóëü
çàöåïëåíèÿ òîðöîâûé,
ìì
|
mt=mn/Cosb
|
7
|
|
Óãîë
íàêëîíà çóáüåâ,
ãðàä
|
b=arcos(zå×mn/2a)
|
0
|
|
Øàã çàöåïëåíèÿ
íîðìàëüíûé, ìì
|
Pn=p×mn
|
|
|
Øàã çàöåïëåíèÿ
òîðöîâûé, ìì
|
Pt=p×må
|
|
|
×èñëî
çóáüåâ ñóììàðíîå
|
2àCosb/mn
|
|
|
×èñëî
çóáüåâ øåñòåðíè
|
z1= zå/(1+u)
|
20
|
|
×èñëî
çóáüåâ êîëåñà
|
z2=zå-z1
|
120
|
|
Ïåðåäàòî÷íîå
÷èñëî
|
u=z2/z1
|
6
|
|
Äèàìåòð
äåëèòåëüíûé
êîëåñà, ìì
|
d2=z2×mt
|
840
|
|
Äèàìåòð
äåëèòåëüíûé
øåñòåðíè, ìì
|
d1=z1×mt
|
140
|
|
Äèàìåòð
âïàäèí êîëåñà,
ìì
|
dj2=d2-mn
|
818
|
|
Äèàìåòð
âïàäèí øåñòåðíè,
ìì
|
dj1=d1-mn
|
126,9
|
da2=d2+mn
|
849,5
|
|
Äèàìåòð
âåðøèí øåñòåðíè,
ìì
|
da1=d1+mn
|
158,5
|
|
Øèðèíà
êîëåñà, ìì
|
b2=ya×a
|
65
|
|
Øèðèíà
øåñòåðíè ,ìì
|
b1 =b2+(5…10)
|
75
|
|
Îêðóæíàÿ
ñêîðîñòü, ì/ñ
|
u=p×n1×d1/60×1000
|
0,05
|
|
Ñòåïåíü
òî÷íîñòè çàöåïëåíèÿ
|
ÃÎÑÒ
1643-72
|
7
|
Ðàñ÷åò
çóá÷àòîé ïåðåäà÷è
íà âûíîñëèâîñòü
ïðè èçãèáå
Ïðè ðàñ÷åòå
ïðÿìîçóáûõ êîëåñ,
çóá ðàññìàòðèâàåì
êàê áàëêó, æåñòêî
çàêðåïëåííóþ
îäíèì êîíöîì
. Ñèëó ñ÷èòàþò
ïðèëîæåííîé ê
âåðøèíå çóáà
ïî íîðìàëè ê åãî
ïîâåðõíîñòè,
ñèëó òðåíèÿ íå
ó÷èòûâàåì è îïðåäåëèì
ïî ôîðìóëå:
, (3.30)
ãäå ÊÍ - êîýôôèöèåíò
íàãðóçêè, ðàâåí
1;
Ft - îêðóæíàÿ ñèëà
îïðåäåëÿåòñÿ
ïî ôîðìóëå:
, (3.31)
.
ZH - êîýôôèöèåíò,
ó÷èòûâàþùèé
ôîðìó ñîïðÿæåííûõ
ïîâåðõíîñòåé
ïðè a=20°- óãîë ïðîôèëÿ,
è b=0°- óãîë íàêëîíà
ëèíèè çóáà, ZH=1,76;
ZÌ - êîýôôèöèåíò,
ó÷èòûâàþùèé
ìåõàíè÷åñêèå
ñâîéñòâà ìàòåðèàëà,
çóá÷àòûõ êîëåñ,
ZÌ =
274 ìÏà1/2;
Ze -êîýôôèöèåíò,
ó÷èòûâàþùèé
ñóììàðíóþ äëèíó
êîíòàêòíûõ ëèíèé,
îïðåäåëÿåòñÿ
ïî ôîðìóëå
, (3.32)
ãäå u=6 - ïåðåäàòî÷íîå
÷èñëî çóá÷àòîé
ïåðåäà÷è;
ea - êîýôôèöèåíò
òîðöåâîãî ïåðåêðûòèÿ
îïðåäåëèì ïî ôîðìóëå:
, (3.33)
.
Ïîäñòàâëÿÿ
çíà÷åíèÿ â âûðàæåíèÿ
(3.32) ïîëó÷èì:
.
Ïîäñòàâëÿÿ
çíà÷åíèÿ â âûðàæåíèÿ
(3.30) ïîëó÷èì:
.
sÍÐ - äîïóñêàåìîå
êîíòàêòíîå íàïðÿæåíèå
äëÿ Ñòàëü 40Õ ñ çàêàëêîé
ÒÂ× (îáúåìíàÿ),
HRC48-52, ðàâíà 810 ìÏà.
.
3.3.3 Îïîðíî-ïîâîðîòíîå
óñòðîéñòâî
Øàðèêîâîå
îïîðíî-ïîâîðîòíîå
óñòðîéñòâî ñ
âíåøíèì çóá÷àòûì
çàöåïëåíèåì
ïðåäíàçíà÷åíî
äëÿ âîçìîæíîñòè
âðàùåíèÿ êîëîííû
ïîðòàëà è âîñïðèíèìàåò
íàãðóçêó îò âñåõ
âûøåëåæàùèõ
êîíñòðóêöèé,
ðèñ. 3.10.
Ðèñóíîê
3.10 -Óçåë øàðèêîâîãî
îïîðíî-ïîâîðîòíîãî
óñòðîéñòâà ñ
âíåøíèì çóá÷àòûì
çàöåïëåíèåì,
ãäå 1 - êîëîííà;
2 - ìîòîð-ðåäóêòîð;
3 - çóá÷àòàÿ øåñòåðíÿ;
4 - çóá÷àòîå êîëåñî
(âíåøíÿÿ öàïôà);
5 - øàðèêè ïîäøèïíèêà;
6 - ïîðòàë.
Îïîðíî-ïîâîðîòíîå
óñòðîéñòâî (ÎÏÓ)
(ðèñ. 3.11) -ýòî êðóïíîãàáàðèòíûå
ïîäøèïíèêè, êîòîðûå
ìîãóò ïåðåíîñèòü
êîìáèíèðîâàííóþ
íàãðóçêó, ò.å.
îñåâóþ è ðàäèàëüíóþ
íàãðóçêó è îïðîêèäûâàþùèé
ìîìåíò
.
ÎÏÓ, êàê ïðàâèëî,
èìåþò îòâåðñòèÿ
äëÿ êðåïåæíûõ
áîëòîâ, âíóòðåííåå
èëè íàðóæíîå
çàöåïëåíèå, ñìàçî÷íûå
òî÷êè è óïëîòíåíèÿ
- ýòî îáåñïå÷èâàåò
êîìïàêòíóþ è
ýêîíîìè÷íóþ
êîíñòðóêöèþ
ïîäøèïíèêîâîãî
óçëà ÎÏÓ.
Ðèñóíîê
3.11 -Îïðíî-ïîâîðîòíîå
óñòðîéñòâî
ÎÏÓ ìîãóò
âîñïðèíèìàòü
òÿæåëûå íàãðóçêè
è îáåñïå÷èâàòü
ïîâîðîòíîå äâèæåíèå
êðóïíîãàáàðèòíûõ
óçëîâ ìàøèí. Îäíî
èëè îáà êîëüöà
ìîãóò èìåòü çóá÷àòûå
âåíöû è îòâåðñòèÿ
äëÿ êðåïëåíèÿ
áîëòàìè. Óñòðîéñòâà
ÿâëÿþòñÿ èíòåãðàëüíîé
÷àñòüþ ïðèâîäà
ìàøèí è ïðåäñòàâëÿþò
ñîáîé ýêîíîìè÷íîå
ðåøåíèå, ïîçâîëÿþùåå
çàìåíèòü íåñêîëüêî
òðàäèöèîííûõ
ïîäøèïíèêîâ.
3.3.4 Ïîðòàë
Êîíñòðóêöèÿ
ïîðòàëà âûïîëíåíà
èç ëèñòîâàé ñâàðíîé
ìåòàëëîêîíñòðóêöèè
êîðîá÷àòîãî
ñå÷åíèÿ ñ ðåáðàìè
æåñòêîñòè. Ïîðòàë
ïðåäíàçíà÷åí
äëÿ ïåðåìåùåíèÿ
êðûøåê ïî ðàäèàëüíîé
îñè óñòàíîâêè
ñòàëåðàçëèâî÷íûõ
êîâøåé íà ñòàëåðàçëèâî÷íîì
ñòåíäå è íåñåò
íàãðóçêó îò êðûøåê
òåðìîñòàòèðîâàíèÿ
.
Ðàñ÷åò
ìåòàëëîêîíñòðóêöèè
ïîðòàëà
Ïðîâåðî÷íûé
ðàñ÷åò êîíñòðóêöèè
ïîðòàëà ïðîèçâåäåì
êîê êîíñîëüíóþ
áàëêó, ðèñ. 3.12, â îïàñíîì
ñå÷åíèè (à-à) ïîä
äåéñòâèåì èçãèáàþùåãî
ìàêñèìàëüíîãî
ìîìåíòà (Ìmax)
.
Ðèñóíîê
3.12.- Ðàñ÷åòíàÿ ñõåìà
êîíñòðóêöèè
ïîðòàëà
Ðàñ÷åò èçãèáàþùåãî
ìàêñèìàëüíîãî
ìîìåíòà ïðîèçâåäåì
ïî ôîðìóëå:
, (3.34)
ãäå G =80 êÍ
- ïîïåðå÷íîå óñèëèå
îò ãðóçà; L=5,11 ì
- ðàäèóñ ïîäâåñà
ãðóçà.
Ïîäñòàâèâ
çíà÷åíèÿ â âûðàæåíèå
(3.34) ïîëó÷èì:
.
Íàéäåì âðåìåííîå
ñîïðîòèâëåíèå
ïîðòàëà â ñå÷åíèè
(à-à) è ñðàâíèì
ñ äîïóñêàåìûì
ïî ôîðìóëå:
, (3.35)
ãäå Ìmax =408,8 êÍì -èçãèáàþùèé
ìàêñèìàëüíûé
ìîìåíò; W- ìîìåíò
ñîïðîòèâëåíèÿ;
[s] = 60 ÌÏà äîïóñêàåìîå
ñîïðîòèâëåíèå
êîíñòðóêöèè
êîðîá÷àòîãî
ñå÷åíèÿ.
Ðèñóíîê
3.13 - Ñå÷åíèå êîíñòðóêöèè
ïîðòàëà (à-à)
Ïðîèçâåäåì
ðàñ÷åò ôàêòè÷åñêîãî
ìîìåíòà ñîïðîòèâëåíèÿ
(ñì3) ïîðòàëà
â ñå÷åíèè (à-à),
ðèñ.3.13, ïî ôîðìóëå:
, (3.36)
Ïîäñòàâèâ
èçâåñòíûå çíà÷åíèÿ
â âûðàæåíèå
(3.36), ïîëó÷èì:
.
Ïîäñòàâèâ
èçâåñòíûå çíà÷åíèÿ
â âûðàæåíèå
(3.35), ïîëó÷èì:
.
Äëÿ æåñòêîñòè
êîíñòðóêöèè
ïîðòèëà â ñå÷åíèè
(à-à), ïðîåêòîì ïðåäóñìîòðåíû
êîñûíêè æåñòêîñòè,
ïîêàçàííûå â
ãðàôè÷åñêîé
÷àñòè ïðîåêòà.
3.3.5 Ìåõàíèçì
ïîäúåìà è îïóñêàíèÿ
êðûøåê
Ìåõàíèçì
ïîäúåìà è îïóñêàíèÿ
ïðåäíàçíà÷åí
äëÿ óñòàíîâêè
è ñíÿòèÿ êðûøåê
òåðìîñòàòèðîâàíèÿ
ñî ñòàëåðàçëèâî÷íîãî
êîâøà, ðèñóíîê
3.14.
Ðèñóíîê
3.14 -Ìåõàíèçì ïîäúåìà
è îïóñêàíèÿ êðûøêè,
ãäå 1 - êîâøà
òåðìîñòàòèðîâàíèÿ,
2 - ÷åòûðåõ ñòàëüíûõ
êàíàòîâ, 3 - ÷åòûðåõ
îáâîäíûõ áëîêîâ,
4 - áàðàáàíîâ ëåáåäêè,
5 - ÷åðâÿ÷íîãî ðåäóêòîðà
ëåáåäêè, 6 - ìîòð-ðåäóêòîðà
ëåáåäêè.
Ðèñóíîê
3.15 -Ñõåìà ëåáåäêè
ìåõàíèçìà ïîäúåìà
Ëåáåäêà
ìåõàíèçìà ïîäúåìà
êðûøåê, ðèñ. 3.15, âûïîëíåíà
â êîìïàêòíîì
âàðèàíòå, â ñâÿçè
ñî ñòåñíåííûìè
óñëîâèÿìè ìåñòà
óñòàíîâêè åå
íà ïîðòàëå ìåõàíèçìà
ñúåìà è îäåâàíèÿ
êðûøåê.
Ëåáåäêà
ïðåäíàçíà÷åíà
äëÿ îäíîâðåìåííîãî
íàìàòûâàíèÿ
èëè ñìàòûâàíèÿ
÷åòûðåõ ñòàëüíûõ
êàíàòîâ, ÷åðåç
êîòîðûå ïðîèñõîäèò
ðàâíîìåðíûé ïîäúåì
èëè îïóñêàíèå
êðûøêè áåç ïåðåêîñîâ.
3.3.5.1 Ðàñ÷åò
ìåõàíèçìà ïîäúåìà
Ðàçðàáîòàííàÿ
êèíåìàòè÷åñêàÿ
ñõåìà ìåõàíèçìà
ïðåäñòàâëåíà
íà ðèñ. 3.16.
Ðèñóíîê
3.16 -Êèíåìàòè÷åñêàÿ
ñõåìà ìåõàíèçìà
ïîäúåìà
-Ýëåêòðîäâèãàòåëü
-Òîðìîç
-Ðåäóêòîð
-Áàðàáàí
3.3.5.1.1 Âûáîð
òèïà è êðàòíîñòè
ïîëèñïàñòà
 ëåáåäêå
äëÿ ïîäíÿòèÿ êðûøêè
òåðìîñòàòèðîâàíèÿ
ïðèìåíÿþòñÿ ñäâîåííûå
ïîëèñïàñòû, ó
êîòîðûõ íà áàðàáàí
íàìàòûâàþòñÿ
÷åòûðå âåòâè
.
Êðàòíîñòü
ïîëèñïàñòà îïðåäåëÿåì
â çàâèñèìîñòè
îò ãðóçîïîäúåìíîñòè
ïî òàáëèöå 23[1]. Êðàòíîñòü
ïîëèñïàñòà u =1
, òîãäà ÷èñëî âåòâåé
Ñõåìà
ïîëèñïàñòà ïðåäñòàâëåíà
íà ðèñ. 3.17.
Ðèñóíîê
3.17. - Ïîëèñïàñò ñäâîåííûé,
êðàòíîñòè 1, ÷èñëî
âåòâåé 4
3.3.5.1.2 Ðàñ÷åò
è âûáîð êàíàòà
Ìàêñèìàëüíîå
ñòàòè÷åñêîå
óñèëèå â êàíàòå
ïðè íàáåãàíèè
åãî íà áàðàáàí
îïðåäåëÿåòñÿ
ïî ôîðìóëå
:
, (3.37)
ãäå
- ÊÏÄ
ïîëèñïàñòà;
- ÊÏÄ íåïîäâèæíûõ
áëîêîâ;
- ÷èñëî âåòâåé
êàíàòà, íàâèâàåìûõ
íà áàðàáàí;
- êðàòíîñòü
ïîëèñïàñòà;
- ãðóçîïîäúåìíîñòü
ïîäâåñêè;
- ãðóçîïîäúåìíîñòü
ëåáåäêè.
.
3.3.5.1.3 Âûáîð òèïîðàçìåðà
Ðàñ÷åòíîå
ðàçðûâíîå óñèëèå
â êàíàòå îïðåäåëèì
êàê
, (3.38)
ãäå
- êîýôôèöèåíò
çàïàñà ïðî÷íîñòè,
ïðèíèìàåìûé
ðàâíûì 6 äëÿ òÿæåëîãî
ðåæèìà ðàáîòû,
ò. å. êàíàò èìååò
øåñòèêðàòíûé
çàïàñ ïðî÷íîñòè,
.
.
.
Âûáèðàåì
äëÿ ëåáåäêè ãèáêèé
êàíàò òèïà ËÊ-Ð0
êîíñòðóêöèè
6*36(1+7+7/7+14)+1î.ñ. ÃÎÑÒ 7668-80) äèàìåòðîì
dê = 15 ìì, èìåþùèé
ðàçðûâíîå óñèëèå
Sðàçð = 114600 Í.
Äèàìåòð áëîêà
ðàññ÷èòûâàåì
ïî ôîðìóëå:
, (3.39)
ãäå
- äèàìåòð
êàíàòà,
;
- êîýôôèöèåíò,
çàâèñÿùèé îò
òèïà ìàøèíû è
ðåæèìà ðàáîòû,
ïðÿìî ïðîïîðöèîíàëüíàÿ
ïåðåãèáó êàíàòà
íà áëîêå,
;
.
Ïðèíèìàåì
.
3.3.5.1.4 Îïðåäåëåíèå
ðàçìåðîâ áëîêà
Ïðîôèëü êàíàâîê
áëîêîâ âûïîëíÿåòñÿ
ïî íîðìàëÿì â çàâèñèìîñòè
îò äèàìåòðà êàíàòà.
, (3.40)
Ïîäñòàâèì
çíà÷åíèå â âûðàæåíèå
(3.40):
.
, (3.41)
Ïîäñòàâèì
çíà÷åíèå â âûðàæåíèå
(3.41):
.
, (3.42)
Ïîäñòàâèì
çíà÷åíèå â âûðàæåíèå
(3.42):
.

;

;

;
.
Ðàçìåðû áëîêà
ïðåäñòàâëåíû
íà ðèñ. 3.18.
Ðèñóíîê
3.18. -Áëîê
Ïðîâåðî÷íûé
ðàñ÷åò áëîêîâ
ïîäâåñêè
Äîïóñêàåìûé
äèàìåòð áëîêà
ïî öåíòðó êàíàòà:
, (3.43)
Êîýôôèöèåíò,
ó÷èòûâàþùèé
ïåðåãèá êàíàòà
äëÿ ðåæèìà ðàáîòû
Ì7
Ïîäñòàâëÿÿ
çíà÷åíèÿ â âûðàæåíèå
(3.44), ïîëó÷èì:
.
Òàê êàê äèàìåòð
áëîêà â ïîäâåñêå
áîëüøå, ÷åì ðàññ÷èòàííûé,
òî áëîêè, íàõîäÿùèåñÿ
â ïîäâåñêå, ìåíÿòü
íåöåëåñîîáðàçíî.
3.3.5.1.5 Îïðåäåëåíèå
ðàçìåðîâ áàðàáàíà
Äèàìåòð áàðàáàíà
, èçìåðÿåìûé
ïî ñðåäíåé ëèíèè
íàâèòîãî êàíàòà:
, (3.44)
.
Ïðèíèìàåì
- äèàìåòð
áàðàáàíà ïî äíó
êàíàâîê.
Ïðîôèëè è
ðàçìåðû êàíàâîê
íà áàðàáàíå âûáèðàþò
èç óñëîâèé îáåñïå÷åíèÿ
äîëãîâå÷íîé
è íàäåæíîé ðàáîòû
êàíàòà
ðàäèóñ êàíàâêè:
, (3.45)
.
øàã âèíòîâîé
ëèíèè:
, (3.46)
.
ãëóáèíà
êàíàâîê:
, (3.47)
.
×èñëî âèòêîâ
íàðåçàííîé ÷àñòè
áàðàáàíà:
, (3.48)
ãäå zð - ÷èñëî
ðàáî÷èõ âèòêîâ
äëÿ íàâèâêè ïîëîâèíû
ïîëíîé ðàáî÷åé
äëèíû êàíàòà;
zí
- ÷èñëî íåïðèêîñíîâåííûõ
âèòêîâ;
zê
- ÷èñëî âèòêîâ
äëÿ êðåïëåíèÿ
êîíöà êàíàòà.
.
Äëèíà áàðàáàíà
ðàññ÷èòûâàåòñÿ
ïî ôîðìóëå:
, (3.49)
ãäå lê - äëèíà
îäíîãî ãëàäêîãî
êîíöåâîãî ó÷àñòêà.
, (3.50)
.
Ïîäñòàâëÿÿ
çíà÷åíèÿ â âûðàæåíèå
(3.49), ïîëó÷èì:
.
Ñõåìà
áàðàáàíà ïðåäñòàâëåíà
íà ðèñ.3.19.
Ðèñóíîê
3.19-Ñõåìà áàðàáàíà
.3.5.1.6 Ðàñ÷åò áàðàáàíà
íà ïðî÷íîñòü
Òîëùèíó ñòåíêè
áàðàáàíà îïðåäåëÿþò
d èç óñëîâèé
ñæàòèÿ, ó÷èòûâàÿ,
÷òî îí íàãðóæåí
ðàâíîìåðíî ðàñïðåäåëåííîé
íàãðóçêîé âñëåäñòâèå
îãèáàíèÿ åãî
íàòÿíóòûì êàíàòîì
ñèëîé Smax. Íàïðÿæåíèÿ
îïðåäåëÿåì ïî
ñëåäóþùåé çàâèñèìîñòè
, (3.51)
ãäå Smax
- íàòÿæåíèå êàíàòà,
t - øàã.
.
Äîïóñêàåìîå
íàïðÿæåíèå ñîîòâåòñòâåííî
äëÿ ÷óãóííûõ
, (3.52)
è ñòàëüíûõ
, (3.53)
ãäå
- çàïàñ
ïðî÷íîñòè: äëÿ
÷óãóííûõ áàðàáàíîâ
= 4...4,25; äëÿ ñòàëüíûõ
= 1,4... 1,5.
.
Ïðåäâàðèòåëüíî
òîëùèíà áàðàáàíà
ìîæåò áûòü îïðåäåëåíà
ïî ýìïèðè÷åñêèì
ôîðìóëàì: äëÿ ÷óãóííûõ
áàðàáàíîâ
, (3.54)
äëÿ ñòàëüíûõ
áàðàáàíîâ
, (3.55)
Èç óñëîâèé
òåõíîëîãèè èçãîòîâëåíèÿ
ëèòûõ áàðàáàíîâ
.
.
Òîëùèíó ñòåíêè
ñëåäóåò ïðîâåðèòü
íà óñòîé÷èâîñòü
ñîãëàñíî íåðàâåíñòâó:
, (3.56)
ãäå sêð - êðèòè÷åñêîå
íàïðÿæåíèå; ny - çàïàñ
óñòîé÷èâîñòè.
 ðàñ÷åòàõ
ïðèíèìàþò: ny = 1,7 äëÿ ñòàëüíûõ;
ny = 2,9 äëÿ ÷óãóííûõ
áàðàáàíîâ.
.
Êðèòè÷åñêîå
íàïðÿæåíèå â ñòåíêå
áàðàáàíà:
, (3.57)
.
.
, (3.58)
ãäå f -êîýôôèöèåíò
òðåíèÿ ìåæäó
êàíàòîì è áàðàáàíîì;
a-óãîë îáõâàòà
êàíàòîì áàðàáàíà.
 ðàñ÷åòàõ ïðèíèìàþò
f = 0,1...0,16 è a =
(3 ... 4) p.
.
Óñèëèå ðàñòÿæåíèÿ
áîëòà:
, (3.59)
ãäå a1 = 2p - óãîë
îáõâàòà áàðàáàíà
êàíàòîì ïðè ïåðåõîäå
îò îäíîé êàíàâêè
ïëàíêè ê äðóãîé;
zá -
÷èñëî áîëòîâ;
f1 - ïðèâåäåííûé
êîýôôèöèåíò
òðåíèÿ ìåæäó
ïëàíêîé è êàíàòîì
(ïðè óãëå çàêëèíèâàíèÿ
êàíàòà b - f1=f/sinb, â ñëó÷àå
èñïîëüçîâàíèÿ
â ïëàíêå êëèíîâîé
êàíàâêè - f1=0,24).
.
Ìîìåíò, èçãèáàþùèé
áîëò:
, (3.60)
ãäå l - ïëå÷î èçãèáà.
.
Ñóììàðíîå
íàïðÿæåíèå â áîëòå
ïðè çàòÿæêå êðåïëåíèÿ
ñ ó÷åòîì ðàñòÿãèâàþùèõ
è èçãèáàþùèõ
óñèëèé:
, (3.61)
.
Ïðèíÿòûé
áîëò ïðîâåðÿþò
íà ðàñòÿæåíèå:
, (3.62)
ãäå k=1,3 - êîýôôèöèåíò
ó÷èòûâàþùèé
èçãèá áîëòà;
k3= 1,8 - êîýôôèöèåíò
çàïàñà êðåïëåíèÿ;
dá- äèàìåòð
áîëòà,
- äîïóñêàåìîå
íàïðÿæåíèå ðàñòÿæåíèÿ
( äëÿ Ñò.3 ïðèíèìàåì
ðàâíûì 117 ÌÏà).
Îáû÷íî ïðè
äèàìåòðå êàíàòà
äî 12,5 ìì ïðèíèìàþò
áîëòû (øïèëüêè)
M 12, äî 15,5 ìì-áîëòû
M 16, äî 17,5ìì
- áîëòû Ì 20.
.
.
Êðåïëåíèå
áîëòà ïðåäñòàâëåíî
íà ðèñ. 3.20.
Ðèñóíîê
3.20 -Êðåïëåíèå áîëòà
3.3.5.1.7 Ðàñ÷åò
îñè áàðàáàíà
Äëÿ ïðåäâàðèòåëüíîãî
ðàñ÷åòà äëèíû
îñè áàðàáàíà
ìîæíî ïðèíÿòü
ðàâíîé
, (3.63)
Íàãðóçêè
íà ñòóïèöû áàðàáàíà
(ïðè ïðåíåáðåæåíèè
åãî âåñîì) ñîçäàåòñÿ
óñèëèÿìè â äâóõ
âåòâÿõ êàíàòîâ
- 2Smax. Íàãðóçêè
íà ñòóïèöû òàêæå
íå áóäóò îäèíàêîâûìè.
Èõ ñ äîñòàòî÷íîé
òî÷íîñòüþ ìîæíî
ïðèíÿòü
, (3.64)
, (3.65)
Ïîäñòàâèâ
çíà÷åíèÿ â âûðàæåíèÿ
(3.64) è (3.65), ïîëó÷èì:
Ðàñ÷åò
îñè áàðàáàíà
ñâîäÿò ê îïðåäåëåíèþ
äèàìåòðîâ öàïô
dö è
ñòóïèöó dcò èç óñëîâèÿ
ðàáîòû îñè íà
èçãèá â ñèììåòðè÷íîì
öèêëå:
(3.66)
ãäå
Ì - èçãèáàþùèé
ìîìåíò â ðàñ÷åòíîì
ñå÷åíèè; W- ìîìåíò
ñîïðîòèâëåíèÿ
ðàñ÷åòíîãî ñå÷åíèÿ
ïðè èçãèáå;
-äîïóñêàåìîå
íàïðÿæåíèå ïðè
ñèììåòðè÷íîì
öèêëå, ÌÏà. Ìàòåðèàëîì
äëÿ îñè áàðàáàíà
îáû÷íî ñëóæèò
ñòàëü 45 ñ ïðåäåëîì
âûíîñëèâîñòè
s-1=250 ÌÏà.
Äîïóñêàåìîå
íàïðÿæåíèå ïðè
ñèììåòðè÷íîì
öèêëå ìîæíî îïðåäåëèòü
ïî óïðîùåííîé
ôîðìóëå âûíîñëèâîñòè:
, (3.67)
ãäå
[n] - äîïóñêàåìûé
êîýôôèöèåíò
çàïàñà ïðî÷íîñòè
(äëÿ ãðóïï ðåæèìîâ
ðàáîòû M1 … M3 -1,4; äëÿ
Ì4 … M6 - 1,6 è äëÿ Ì7, M8 -
1,7);
- êîýôôèöèåíò,
ó÷èòûâàþùèé
êîíñòðóêöèþ
äåòàëåé (äëÿ âàëîâ,
îñåé è öàïô - 2,0 …
2,8).
.
Ïîñëå îïðåäåëåíèÿ
ðåàêöèé îïîð îñè
ìîæíî îïðåäåëèòü
èçãèáàþùèå ìîìåíòû
â ëþáîì åå ñå÷åíèè.
Íàèáîëüøèé
èçãèáàþùèé
ìîìåíò ïîä ñòóïèöåé:
, (3.68)
.
Ìîìåíò ñîïðîòèâëåíèÿ
ýòîãî ñå÷åíèÿ
îñè:
, (3.69)
ãäå
, (3.70)
.
Ïðèíèìàåì
dñò=0,06ì.
Ïîäñòàâèì
çíà÷åíèÿ â âûðàæåíèå
(3.69):
.
Íàèáîëüøèé
èçãèáàþùèé
ìîìåíò äëÿ ïðàâîé
öàïôû áóäåò ðàâåí
, (3.71)
ãäå äëèíà
ñòóïèöû
, (3.72)
.
Ïîäñòàâèì
çíà÷åíèÿ â âûðàæåíèå
(3.71):
.
Ìîìåíò ñîïðîòèâëåíèÿ
ñå÷åíèÿ öàïôû:
, (3.73)
.
.
Ñõåìà ê ðàñ÷åòó
îñè áàðàáàíà
ïðèâåäåíà íà
ðèñ. 3.21
.
Ðèñóíîê
3.21 -Ñõåìà ê ðàñ÷åòó
îñè áàðàáàíà
3.3.5.1.8 Ðàñ÷åò
ïîäøèïíèêîâ îñè
áàðàáàíà
Ýêâèâàëåíòíàÿ
íàãðóçêà íà ïðàâûé
ïîäøèïíèê ìîæåò
áûòü îïðåäåëåíà
ïî óïðîùåííîé
ôîðìóëå:
, (3.74)
ãäå kv - êîýôôèöèåíò
âðàùåíèÿ (ïðè âðàùåíèè
âíóòðåííåãî
êîëüöà kv =1; kg - äèíàìè÷åñêèé
êîýôôèöèåíò
(äëÿ ìåõàíèçìà
ïîäúåìà kg =1,2); kïð - êîýôôèöèåíò
ïðèâåäåíèÿ (îðèåíòèðîâî÷íî
åãî ìîæíî ïðèíÿòü:
êïð=0,6 äëÿ ðåæèìîâ
Ì1-Ì3; êïð=0,65 äëÿ ðåæèìîâ
Ì4-Ì6; êïð=0,7 äëÿ ðåæèìîâ
Ì7, Ì8).
.
Òðåáóåìàÿ
äîëãîâå÷íîñòü
ïîäøèïíèêà L10 (â ìëí. îáîðîòîâ)
îïðåäåëÿåòñÿ
ïî ôîðìóëå:
, (3.75)
Lh -äîëãîâå÷íîñòü
ïîäøèïíèêà ðàâíàÿ
1000 äëÿ ðåæèìîâ Ì1-Ì3;
3500 äëÿ ðåæèìîâ Ì4-Ì6;
5000 äëÿ ðåæèìîâ Ì7,
Ì8; náàð -÷àñòîòà
âðàùåíèÿ áàðàáàíà,
ìèí-1.
.
Ðàñ÷åòíàÿ
äèíàìè÷åñêàÿ
ãðóçîïîäúåìíîñòü
áóäåò ðàâíà
, (3.76)
ãäå ì = 3 äëÿ øàðèêîâûõ
ïîäøèïíèêîâ è
ì=10/3 - äëÿ ðîëèêîâûõ
ïîäøèïíèêîâ.
.
Ïîñêîëüêó
â ëåâîì ïîäøèïíèêå
âðàùàþòñÿ îáà
êîëüöà (ïîäøèïíèê
ñëóæèò òîëüêî
îïîðîé), òî åãî
ìîæíî ðàññ÷èòàòü
ïî ñòàòè÷åñêîé
ãðóçîïîäúåìíîñòè:
, (3.77)
.
 öåëÿõ óíèôèêàöèè
îáà ïîäøèïíèêà
ìîæíî ïðèíÿòü
îäèíàêîâûìè,
îäíàêî ïðè ýòîì
íåîáõîäèìî ó÷èòûâàòü,
÷òî ëåâûé ïîäøèïíèê
îáû÷íî óñòàíàâëèâàåòñÿ
â âûòî÷êå âûõîäíîãî
âàëà ðåäóêòîðà,
è ñëåäîâàòåëüíî
èõ äèàìåòðû äîëæíû
áûòü ñîãëàñîâàíû.
Ðàñïîëîæåíèå
ïîäøèïíèêîâ ïîêàçàíî
íà ðèñ. 3.22.
Ðèñóíîê
3.22 -Ðàñïîëîæåíèå
ïîäøèïíèêîâ
3.3.5.1.9 Ðàñ÷åò
ñîåäèíåíèÿ îáå÷àéêè
áàðàáàíà ñ âåíöîì
- ñòóïèöåé
Ñîåäèíåíèå
îáå÷àéêè áàðàáàíà
ñ âåíöîì-ñòóïèöåé
îñóùåñòâëÿåòñÿ
ïðåöèçèîííûìè
áîëòàìè, êîòîðûå
óñòàíîâëåíû
â îòâåðñòèÿõ
áåç çàçîðà è èñïûòûâàþò
ðàáî÷èå íàïðÿæåíèÿ
ñðåçà:
, (3.78)
ãäå záï - ÷èñëî óñòàíîâëåííûõ
áîëòîâ (îáû÷íî
6…8); d- äèàìåòð öèëèíäðè÷åñêîé
÷àñòè ïðåöèçèîííîãî
áîëòà; Ðîêð - óñèëèå
äåéñòâóþùåå
ïî îêðóæíîñòè
óñòàíîâêè áîëòîâ:
, (3.79)
ãäå D1 - äèàìåòð îêðóæíîñòè
áàðàáàíà ïî öåíòðó
íàâèòûõ êàíàòîâ;
Dîêð - äèàìåòð
îêðóæíîñòè óñòàíîâêè
áîëòîâ. Ïðåäâàðèòåëüíî
äèàìåòð îêðóæíîñòè
óñòàíîâêè áîëòîâ
ìîæåò áûòü ïðèíÿò
â ïðåäåëàõ
, (3.80)
ãäå Dçóá - íàðóæíûé
äèàìåòð çóá÷àòîãî
âåíöà âàëà ðåäóêòîðà.
Ïîäñòàâèì
çíà÷åíèÿ â âûðàæåíèå
(3.79):
.
[t] - äîïóñêàåìûå
íàïðÿæåíèÿ ñðåçà
,
sT-
ïðåäåë òåêó÷åñòè
ìàòåðèàëà áîëòîâ;
ê1 -êîýôôèöèåíò
áåçîïàñíîñòè
(äëÿ ìåõàíèçìîâ
ïîäúåìà êðàíîâ,
ðàáîòàþùèõ ñ
êðþêîì, ê1=1,3); ê2
- êîýôôèöèåíò
íàãðóçêè (ê2=1,0
äëÿ ðåæèìîâ Ì1-Ì3;
ê2=1,1 äëÿ ðåæèìîâ
Ì4; ê2=1,2 äëÿ ðåæèìîâ
Ì5, Ì6; ê2=1,3 äëÿ ðåæèìîâ
Ì7, Ì8 ).
Ïîäñòàâèì
çíà÷åíèÿ â âûðàæåíèå
(3.78):
.
3.3.5.1.10 Âûáîð
äâèãàòåëÿ
Ìàêñèìàëüíàÿ
ñòàòè÷åñêàÿ
ìîùíîñòü Nñò
(êÂò), êîòîðóþ äîëæåí
èìåòü ìåõàíèçì
â ïåðèîä óñòàíîâèâøåãîñÿ
äâèæåíèÿ ïðè ïîäúåìå
íîìèíàëüíîãî
ãðóçà
ðàâíà:
(3.81)
Ýêâèâàëåíòíûé
ìîìåíò ðàâåí:
. (3.82)
×àñòîòà
âðàùåíèÿ áàðàáàíà:
. (3.83)
Äëÿ äàííîé
êîíñòðóêöèè
ëåáåäêè ïðèìåíÿåì
ìîòîð-ðåäóêòîð
ïëàíåòàðíûé
ÇÌÏ-50, òåõíè÷åñêèå
õàðàêòåðèñòèêè
ìîòîð-ðåäóêòîðà
ïðèâåäåíû â òàáë.
3.5.
Âûáèðàåì
äâèãàòåëü ÀÈÐ132Ì4
ñ Näâ=11êÂò,n=224îá/ìèí.
Òàáëèöà
3.5 - Òåõíè÷åñêèìè
õàðàêòåðèñòèêàìè
ìîòîð-ðåäóêòîðà
ÇÌÏ-50
|
Íîìèíàëüíàÿ
÷àñòîòà âðàùåíèÿ
âûõîäíîãî âàëà,
îá/ ìèí
|
Íîìèíàëüíûé
êðóòÿùèé ìîìåíò
íà âûõîäíîì âàëó,
Í·ì
|
Ïåðåäàòî÷íîå
îòíîøåíèå ðåäóêòîðíîé
÷àñòè
|
Ìàññà,
êã íå áîëåå
|
Äâèãàòåëü
|
|
|
|
|
Òèï
|
Ìîùíîñòü,
êÂò
|
|
224
|
450
|
6,3
|
125
|
ÀÈÐ132Ì4
|
11,0
|
.3.5.1.11 Ðàñ÷åò
ðåäóêòîðà
Âûáèðàåì
÷åðâÿ÷íóþ ïåðåäà÷ó.
Ïåðåäàòî÷íîå
÷èñëî ðåäóêòîðà:
, (3.84)
ãäå n - ÷àñòîòà
âðàùåíèÿ âàëà
ïðèâîäíîãî äâèãàòåëÿ;
nðåä - ÷àñòîòà âðàùåíèÿ
áàðàáàíà ëåáåäêè.
, ïðèíèìàåì
.
×èñëî çàõîäîâ
÷åðâÿêà z÷=1.
Ñèëîâûå ïàðàìåòðû
÷åðâÿ÷íîãî ðåäóêòîðà
Îïðåäåëèì
íåîáõîäèìûé
êðóòÿùèé ìîìåíò
íà áàðàáàíå ëåáåäêè
ïðè ïîäúåìå ãðóçà
ïî ôîðìóëå:
. (3.85)
Ñ ó÷åòîì
âûáðàííîãî ìîòîð-ðåäóêòîðà
îïðåäåëèì íîìèíàëüíûé
êðóòÿùèé ìîìåíò
íà âûõîäíîì âàëó
ìîòîð-ðåäóêòîðà
, (3.86)
ãäå Ìäâ -íîìèíàëüíûé
êðóòÿùèé ìîìåíò
íà âûõîäíîì âàëó
ìîòîð-ðåäóêòîðà,
uðåä - ïåðåäàòî÷íîå
÷èñëî ÷åðâÿ÷íîé
ïåðåäà÷è ðåäóêòîðà,
- ÊÏÄ ÷åðâÿ÷íîãî
ðåäóêòîðà.
.
Ðàñ÷åò ÷åðâÿ÷íîé
ïåðåäà÷è, îñíîâíûõ
ðàçìåðîâ ÷åðâÿêà
è ÷åðâÿ÷íîãî
êîëåñà ðåäóêòîðà.
Ïðèìåì äëÿ
÷åðâÿ÷íîãî êîëåñà
àëþìèíèåâóþ
áðîíçó ÁðÀ9ÆÇË
(îòëèâêà â ïåñîê).
Äëÿ ÷åðâÿêà
ïðèíèìàåì ñòàëü
45Õ, çàêàëåííóþ
äî òâåðäîñòè Í=45ÍRCý, ñ ïîñëåäóþùèì
øëèôîâàíèåì
ðàáî÷èõ ïîâåðõíîñòåé
âèòêîâ.
Íàõîäèì äîïóñêàåìîå
êîíòàêòíîå íàïðÿæåíèå:
, (3.87)
ãäå ïðè
;
- êîýôôèöèåíò
äîëãîâå÷íîñòè
ðàññ÷èòûâàåòñÿ
ïî ôîðìóëå:
Ãäå
.
(3.89)
Ïîäñòàâèì
çíà÷åíèÿ â âûðàæåíèå
(3.88):
.
Ïîäñòàâèì
çíà÷åíèÿ â âûðàæåíèå
(3.87):
Îïðåäåëÿåì
ìåæîñåâîå ðàññòîÿíèå
èç óñëîâèÿ êîíòàêíîé
ïðî÷íîñòè
. (3.90)
Ìîäóëü m íàõîäèì
ïî ôîðìóëå:
, (3.91)
.
Ïðèíèìàåì
ïî ÃÎÑÒàì
è
Òîãäà ïåðåñ÷èòûâàåì
ìåæîñåâîå ðàññòîÿíèå
ïî ñòàíäàðòíûì
çíà÷åíèÿì m,q,z
×åðâÿê. Îïðåäåëèì:
äåëèòåëüíûé
äèàìåòð :
, (3.92)
äèàìåòð îêðóæíîñòè
âûñòóïîâ:
, (3.93)
äèàìåòð îêðóæíîñòè
âïàäèí:
, (3.94)
Äëèíà íàðåçíîé
÷àñòè øëèôîâàííîãî
÷åðâÿêà:
(3.95)
Äåëèòåëüíûé
óãîë ïîäúåìà
ïðè z1=1 è q=12.5
Îñåâîé øàã
÷åðâÿêà:
, (3.96)
.
×åðâÿ÷íîå
êîëåñî. Îïðåäåëèì:
äåëèòåëüíûé
äèàìåòð:
, (3.97)
.
äèàìåòð âåðøèí
çóáüåâ:
, (3.98)
äèàìåòð âïàäèí
çóáüåâ:
, (3.99)
íàèáîëüøèé
äèàìåòð:
, (3.100)
.
øèðèíà âåíöà:
, (3.101)
Îêðóæíàÿ
ñêîðîñòü ÷åðâÿêà:
, (3.102)
Ñêîðîñòü
ñêîëüæåíèÿ:
, (3.103)
Çíà÷èò
.
ÊÏÄ ðåäóêòîðà
ñ ó÷åòîì ïîòåðü
â îïîðàõ, ïîòåðü
íà ðàçáðûçãèâàíèå
è ïåðåìåøèâàíèå
ìàñëà:
, (3.104)
Âûáèðàåì
7þ ñòåïåíü òî÷íîñòè
è íàõîäèì çíà÷åíèå
êîýôôèöèåíòà
äèíàìè÷íîñòè
Êîýôôèöèåíò
íåðàâíîìåðíîñòè
ðàñïðåäåëåíèÿ
íàãðóçêè:
, (3.105)
Êîýôôèöèåíò
íàãðóçêè ðàâåí
Ïðîâåðÿåì
êîíòàêòíîå íàïðÿæåíèå:
, (3.106)
Ïðîâåðèì ïðî÷íîñòü
çóáüåâ ÷åðâÿ÷íîãî
êîëåñà íà èçãèá.
Ýêâèâàëåíòíîå
÷èñëî çóáüåâ:
, (3.107)
Êîýôôèöèåíò
ôîðìû çóáà
Íàïðÿæåíèå
èçãèáà ðàññ÷èòàåì
ïî ôîðìóëå:
, (3.108)
.
Îñíîâíîå
äîïóñêàåìîå
íàïðÿæåíèå èçãèáà
äëÿ ðåâåðñèâíîé
ðàáîòû:
, (3.109)
Ðàñ÷åòíîå
äîïóñêàåìîå
íàïðÿæåíèå ðàññ÷èòûâàåòñÿ
ïî ôîðìóëå:
, (3.110)
Òàê êàê
, òî ïðî÷íîñòü
îáåñïå÷åíà.
3.3.5.1.12 Ïðîâåðêà
äâèãàòåëÿ íà
âðåìÿ ðàçãîíà
è òîðìîæåíèÿ
Íàèáîëüøåå
âðåìÿ ðàçãîíà:
, (3.111)
ãäå
- óãëîâàÿ
ñêîðîñòü äâèãàòåëÿ,
ðàä/ñ;
-ïðèâåäåííûé
ê âàëó äâèãàòåëÿ
ìîìåíò èíåðöèè
ïðè ðàçãîíå âñåõ
äâèæóùèõñÿ ÷àñòåé
ìåõàíèçìà, êãì^2;
Òï.ñð- ñðåäíåïóñêîâîé
ìîìåíò äâèãàòåëÿ,
Íì; Òñò.ð -ìîìåíò
ñòàòè÷åñêèõ
ñîïðîòèâëåíèé
ïðè ðàçãîíå, ïðèâåäåííûé
ê âàëó äâèãàòåëÿ,
Íì.
, (3.112)
Çíà÷åíèå
îïðåäåëÿåòñÿ
ïî ôîðìóëå
, (3.113)
ãäå Iâð- ìîìåíò
èíåðöèè ïðè ðàçãîíå
âñåõ âðàùàþùèõñÿ
÷àñòåé ìåõàíèçìà,
ïðèâåäåííûé ê
âàëó äâèãàòåëÿ
îïðåäåëÿåòñÿ:
, (3.114)
Ïîäñòàâëÿÿ
çíà÷åíèÿ â âûðàæåíèå
(3.114), ïîëó÷èì:
, (3.115)
ãäå
, (3.116)
Ïîäñòàâèì
çíà÷åíèÿ â âûðàæåíèå
(3.115):
.
Çíà÷åíèå
íàõîäèì
ïî ôîðìóëå:
, (3.117)
ãäå
-ðàäèóñ
áàðàáàíà ïî îñè
íàâèâàåìîãî
êàíàòà, ì;
- ïîëíîå ïåðåäàòî÷íîå
÷èñëî ìåõàíèçìà;
- ìàññà ïîäâåñêè,
êã.
Ïîäñòàâèì
çíà÷åíèÿ â âûðàæåíèå
(3.117):
.
Ïîäñòàâëÿÿ
çíà÷åíèÿ â âûðàæåíèå
(3.113), ïîëó÷èì:
.
Ïîäñòàâëÿÿ
çíà÷åíèÿ â âûðàæåíèå
(3.111), ïîëó÷èì:
.
Òàê êàê âðåìÿ
ðàçãîíà ìåíüøå
ðåêîìåíäóåìûõ
çíà÷åíèé, òî
äâèãàòåëü âûáðàí
âåðíî. Âðåìÿ òîðìîæåíèÿ
ïðè îòïóñêàíèè
ìåíüøå âðåìåíè
ðàçãîíà
- äâèãàòåëü
âûáðàí âåðíî.
3.3.5.1.13 Ðàñ÷åò
è âûáîð òîðìîçà
Òîðìîç óñòàíàâëèâàåòñÿ
íà áûñòðîõîäíîì
âàëó ðåäóêòîðà
(ñ íàèìåíüøèì
êðóòÿùèì ìîìåíòîì).
Ðàñ÷åòíûé
òîðìîçíîé ìîìåíò
îïðåäåëÿþò ïî
ôîðìóëå:
, (3.118)
ãäå - êm - êîýôôèöèåíò
çàïàñà òîðìîæåíèÿ,
íàçíà÷àåìûé
Ïðàâèëàìè ÃÃÒÍ,
îïðåäåëÿåòñÿ
íîðìàòèâíûìè
äîêóìåíòàìè,
íî äîëæåí áûòü
íå ìåíåå 1,5.
Ïîäñòàâèì
çíà÷åíèÿ â âûðàæåíèå
(3.118):
.
Ïðè âûáîðå
òèïîðàçìåðà òîðìîçà
íåîáõîäèìî ïðîâåðÿòü
ñëåäóþùèå óñëîâèÿ
[11].
Ïåðâîå óñëîâèå -
íîìèíàëüíûé
òîðìîçíîé ìîìåíò
òîðìîçà äîëæåí
áûòü íå ìåíüøå
÷åì ðàñ÷åòíûé:
Âòîðîå óñëîâèå (êàñàåòñÿ
òîëüêî òîðìîçîâ
ñ ýëåêòðîìàãíèòíûì
ïðèâîäîì) - îòíîñèòåëüíàÿ
ïðîäîëæèòåëüíîñòü
âêëþ÷åíèÿ êàòóøêè
ýëåêòðîìàãíèòà
äîëæíà ñîîòâåòñòâîâàòü
ðåæèìó ðàáîòû
ìåõàíèçìà. Â
ïðîòèâíîì ñëó÷àå
êàòóøêà ïåðåãðååòñÿ,
÷òî ïðèâåäåò ê
óìåíüøåíèþ òÿãîâîãî
óñèëèÿ ýëåêòðîìàãíèòà
è òîðìîç íå áóäåò
ðàçìûêàòüñÿ.
Âûáèðàåì
òîðìîç òèïà ÒÊÏ-300.
Ïðè ÏÂ40% 420Íì
Òèï ýëåêòðîìàãíèòà
ÌÏ-301
Ìàññà òîðìîçà
90êã
Äèàìåòð øêèâà
300ìì
Îòõîä êîëîäêè
îò øêèâà 0,7ìì
L=718ìì
l=92ìì l1=550ìì
L2=436ìì
Â=223ìì b=54ìì
b1=140ìì
b2=120ìì b3=81ìì
b4=72ìì
Í=600ìì h=240ìì
À=250ìì à=25ìì
à1=80ìì.
Îáùèé âèä
òîðìîçà ÒÊÃ-300
ïðåäñòàâëåí íà
ðèñ.3.23.
Ðèñóíîê
3.23 -Òîðìîç ÒÊÃ-300
Òèïîðàçìåð
ìóôò âûáèðàþò
ïî äèàìåòðàì
êîíöîâ ñîåäèíÿåìûõ
äàííîé ìóôòîé
âàëîâ (ÃÎÑÒ 5006)
. Ïðè ýòîì äîïóñêàåòñÿ
êîìáèíàöèÿ âòóëîê
ðàçëè÷íûõ èñïîëíåíèé
(ñ öèëèíäðè÷åñêèì
èëè êîíè÷åñêèì
îòâåðñòèåì). Äèàìåòð
îòâåðñòèÿ âòóëêè
ìîæíî çàêàçûâàòü
ðàâíûì äèàìåòðó
êîíöà âàëà, åñëè
ïîñëåäíèé íå
ïðåâûøàåò íàèáîëüøåãî
äëÿ äàííîãî òèïîðàçìåðà
çíà÷åíèÿ, óêàçàííîãî
â òàáëèöå ÃÎÑÒà.
Ìóôòó âûáèðàþò
ïî ðàñ÷åòíîìó
êðóòÿùåìó ìîìåíòó:
, (3.119)
ãäå êç - êîýôôèöèåíò
çàïàñà (êç=ê1
ê2, ãäå ê1 - êîýôôèöèåíò,
ó÷èòûâàþùèé
îòâåòñòâåííîñòü
ìåõàíèçìà, äëÿ
ìåõàíèçìà ïîäúåìà
ê1=1,3; ê2 - êîýôôèöèåíò,
ó÷èòûâàþùèé
ðåæèì ðàáîòû,
äëÿ ðåæèìîâ ðàáîòû
Ì1-Ì4, Ì5-Ì6, Ì7-Ì8 äàííûé
êîýôôèöèåíò
ðàâåí 1,1; 1,2; 1,3).
Ïîäñòàâèì
çíà÷åíèÿ â âûðàæåíèå
(3.119):
.
Âûáèðàåì
ìóôòó çóá÷àòóþ
(ÃÎÑÒ 5006-83) ñî ñëåäóþùèìè
ïàðàìåòðàìè:
Ìêð=1600Íì
d,d1 íå
áîëåå 55 ìì
D=170ìì,
D1=125ìì, D2=80ìì
N=80,
Ìäèí=0,06 Íì^2
M=9.2êã.
3.4 Ïðîåêòíûå
ðåøåíèÿ ïî óñòàíîâêå
êîìïëåêñà îáîðóäîâàíèÿ
ñòàëüêîâøà â
óñëîâèÿõ ñóùåñòâóþùåãî
ïðîèçâîäñòâà
 ðàìêàõ ðàçðàáîòêè
ïðîåêòà ïî óñòàíîâêå
êîìïëåêñà îáîðóäîâàíèÿ
ñòàëåðàçëèâî÷íîãî
êîâøà âûïîëíÿþòñÿ
ñëåäóþùèå ðàáîòû:
Ðàñ÷åò ìåõàíèçèðîâàííîãî
îáîðóäîâàíèÿ
(ìàíèïóëÿòîð
êðûøêè ñòàëüêîâøà).
Ïðîåêòèðîâàíèÿ
âíóòðåííåãî
îñâåùåíèÿ.
Ýëåêòðîñíàáæåíèå
òåõíîëîãè÷åñêîãî
îáîðóäîâàíèÿ.
Ðàçðàáîòêà
íåîáõîäèìûõ
òåõíîëîãè÷åñêèõ
÷åðòåæåé (ðàçðåç,
ïëàí ó÷àñòêà
ñ ðàçìåùåííûì
íà íèõ ìàíèïóëÿòîðîì).
4 ÁÅÇÎÏÀÑÍÎÑÒÜ
È ÝÊÎËÎÃÈ×ÍÎÑÒÜ
.1 Àíàëèç
îïàñíûõ è âðåäíûõ
ôàêòîðîâ
Îñíîâíîé
îöåíêîé óðîâíÿ
ïðîèçâîäñòâåííîãî
òðàâìàòèçìà
ÿâëÿþòñÿ ïîêàçàòåëè
÷àñòîòû
è òÿæåñòè
òðàâìàòèçìà,
îïðåäåëÿåìûå
â ðàçíûõ ñòðàíàõ
ðàçëè÷íûìè ìåòîäàìè.
 Ðîññèè, è â ÷àñòíîñòè,
íà ÎÀÎ «ÌÌÊ» â êà÷åñòâå
ïîêàçàòåëÿ ÷àñòîòû
òðàâìàòèçìà
ïðèíèìàåòñÿ
÷èñëî íåñ÷àñòíûõ
ñëó÷àåâ
çà îïðåäåëåííûé
êàëåíäàðíûé ïåðèîä,
ïðèõîäÿùèõñÿ
íà 1000 ðàáîòàþùèõ:
, (4.1)
ãäå
- ñðåäíåñïèñî÷íîå
÷èñëî ðàáîòàþùèõ
.
Ïîêàçàòåëü
òÿæåñòè íåñ÷àñòíûõ
ñëó÷àåâ îïðåäåëÿåòñÿ
÷èñëîì äíåé íåòðóäîñïîñîáíîñòè
, ïðèõîäÿùèõñÿ
íà îäíó òðàâìó
:
, (4.2)
Êîýôôèöèåíòû
òÿæåñòè è ÷àñòîòû
çà ïîñëåäíèå
5 ëåò ïîêàçàíû
â òàáëèöå 4.1.
Òàáëèöà
4.1 -Ñîñòîÿíèå ïðîèçâîäñòâåííîãî
òðàâìàòèçìà
2005-2010 ãã.
|
Ãîäà
Êîýôô-û
|
2005
|
2006
|
2007
|
2008
|
2009
|
2010
|
|
Ê÷
|
-
|
-
|
-
|
5,241
|
5,326
|
1,445
|
|
Êò
|
65,00
|
-
|
-
|
99,66
|
89,00
|
70,00
|
Èç äàííîé
ñòàòèñòèêè
âèäíî, ÷òî ñ 2005 äî
2009 ãîäà øåë èíòåíñèâíûé
ðîñò êîýôôèöèåíòà
÷àñòîòû, à êîýôôèöèåíò
òÿæåñòè äîñòèã
ñâîåãî ïèêà â
2008 ãîäó. Íî áëàãîäàðÿ
óæåñòî÷åíèþ
ïðàâèë òåõíèêè
áåçîïàñíîñòè
è ñîáëþäåíèþ
èõ, ïðîöåíò ïðîèçâîäñòâåííîãî
òðàâìàòèçìà
â 2010 ãîäó ðåçêî ñîêðàòèëñÿ
íà 73 %. Òàê æå íà òåððèòîðèè
ÝÑÏÖ ïîñëå óæåñòî÷åíèÿ
ïðàâèë òåõíèêè
áåçîïàñíîñòè
íå áûëî çàôèêñèðîâàíî
íè îäíîãî ñìåðòåëüíîãî
íåñ÷àñòíîãî
ñëó÷àÿ, à êîëè÷åñòâî
òÿæåëûõ íåñ÷àñòíûõ
ñëó÷àåâ ñîêðàòèëîñü.
Âðåäíûå ôàêòîðû,
âîçäåéñòâóþùèå
íà ðàáî÷èõ, â îòäåëåíèè
íåïðåðûâíîé ðàçëèâêè
ñòàëè:
òåïëîâîå
èçëó÷åíèå. Èñòî÷íèêè:
ðàçëèâêà ðàñïëàâëåííîãî
ìåòàëëà â ñòàëüêîâø,
áëþìû íà ó÷àñòêå
ÌÍËÇ,
ïîâûøåííûé
óðîâåíü øóìà.
Èñòî÷íèê: äâèãàòåëè
òåõíîëîãè÷åñêîãî
îáîðóäîâàíèÿ
ÌÍËÇ;
çàãàçîâàííîñòü
ðàáî÷åãî ìåñòà
(ãàçîðàñïðåäåëèòåëüíûå
ïîñòû äëÿ ðàçîãðåâà
ïðîìåæóòî÷íûõ
è ñòàëåðàçëèâî÷íûõ
êîâøåé â ðàçäàòî÷íîì
ïðîë¸òå ÌÍËÇ);
çàïûëåííîñòü
ðàáî÷åãî ìåñòà.
Èñòî÷íèêîì ÿâëÿþòñÿ
÷àñòèöû ïûëè,
ãàðü;
íåäîñòàòî÷íàÿ
îñâåùåííîñòü;
ïîâûøåííûé
óðîâåíü âèáðàöèè.
Èñòî÷íèêîì ÿâëÿþòñÿ
âðàùàþùèåñÿ
ìåõàíèçìû, ïðèâîäû
ìàøèí, ðó÷íûå
èíñòðóìåíòû.
Îïàñíûå ôàêòîðû,
âîçäåéñòâóþùèå
íà ðàáî÷èõ, â îòäåëåíèè
íåïðåðûâíîé ðàçëèâêè
ñòàëè:
âîçìîæíîñòü
ïàäåíèÿ ïåðåìåùàåìûõ
ãðóçîâ ñ ãðóçîïîäú¸ìíûõ
ìåõàíèçìîâ è
îáñëóæèâàþùåãî
ïåðñîíàëà êðàíîâ
(ðàáîòà ìîñòîâûõ
êðàíîâ);
ìåõàíè÷åñêàÿ
îïàñíîñòü (âîçìîæíîñòü
ïîëó÷åíèÿ òðàâì).
Èñòî÷íèê - äâèæóùèåñÿ
÷àñòè äåéñòâóþùåãî
îáîðóäîâàíèÿ;
âîçìîæíîñòü
ïîâðåæäåíèÿ òåõíîëîãè÷åñêèõ
òðóáîïðîâîäîâ
(âûáðîñ è óòå÷êà
ïàðà, êèñëîðîäà,
àçîòà, ãîðÿ÷åé
âîäû, êàê ñëåäñòâèå,
îæîã èëè îòðàâëåíèå);
âîçìîæíîñòü
ïðîëèâà ðàñïëàâëåííîãî
è ãîðÿ÷åãî ìåòàëëà
ïðè ïåðåìåùåíèè
(çîíà íåïðåðûâíîé
ðàçëèâêè ñòàëè);
ïîæàðîîïàñíîñòü.
Ê èñòî÷íèêàì
îòíîñÿòñÿ áðûçãè
ðàñïëàâëåííîãî
ìåòàëëà, ãàçîâûå
ãîðåëêè, îáîãðåâàòåëè
è äðóãèå èñòî÷íèêè
òåïëà. Ïðè÷èíàìè
ïîæàðîâ è âçðûâîâ
â îòäåëåíèè íåïðåðûâíîé
ðàçëèâêè ñòàëè
íåèñïðàâíîñòè
ýëåêòðîñåòåé
è ýëåêòðîîáîðóäîâàíèÿ,
íàðóøåíèå èíñòðóêöèé
ïðè ðàáîòå íà
ãàçîâîì òîïëèâåÿÿ;
ýëåêòðîîïàñíîñòü.
Èñòî÷íèêàìè
ÿâëÿþòñÿ ýëåêòðè÷åñêèå
ùèòû, ðàçëè÷íûå
ïîòðåáèòåëè òîêà.
Ôàêòè÷åñêèå
è íîðìàòèâíûå
ïîêàçàòåëè ôàêòîðîâ
âîçäåéñòâèÿ
ïîêàçàíû â òàáëèöå
4.2, 4.3.
Òàáëèöà
4.2 -Ôàêòè÷åñêèå
è íîðìàòèâíûå
ïîêàçàòåëè ôàêòîðîâ
âîçäåéñòâèÿ
íà ðàçëèâùèêà
ñòàëè
|
Íàèìåíîâàíèå
ïðîèçâîäñòâåííîãî
ôàêòîðà, åäèíèöà
èçìåðåíèÿ
|
Õèìè÷åñêèé
ôàêòîð
|
Àýðîçîëè
|
Ýêâèâà-ëåíòûé
óðîâåíü çâóêà,
äÁÀ
|
Êîððåêòèðîâàí-
íîå ïî ÷àñòîòå
çíà÷åíèå âèáðîñêîðîñòè,
äÁ
|
|
|
Êîáàëüò
è åãî íåîðãàí.
ñîåäèíå-íèÿ
|
Ìåäü
|
Äèæåëåçî
òðèîêñèä
|
Êðåìíèé
äèîêñèä êðèñòàë-
ëè÷åñêèé
|
|
|
|
|
Íîðìà
|
0.05/0.01
|
1/0.5
|
6
|
4
|
80
|
101
|
|
|
Ôàêòè÷åñêèé
óðîâåíü
|
0.006
|
0.05
|
5.66
|
15.8
|
82
|
105
|
|
|
Íàèìåíîâàíèå
Ïðîèçâîäñò-âåííîãî
ôàêòîðà, åäèíèöà
èçìåðåíèÿ
|
Ìèêðîêëèìàò
|
Òåïëî-âîå
èçëó÷å- íèå, Îñâåùåíèå
|
|
|
Ñêîðîñòü
äâèæåíèÿ âîçäóõà,
ì/ñ
|
Âëàæíîñòü
âîçäóõà, %
|
Òåìïåðà-òóðà,
ãð.Ñ
|
|
ÊÅÎ, %
|
Îñ-âå-
ùåí- òü, ëê
|
Êîýô
ôèöè- åíò ïóëüñàöèè,
%
|
|
Ò.ï.
|
Õ.ï.
|
Ò.ï.
|
Õ.ï.
|
Ò.ï.
|
Õ.ï.
|
|
|
|
|
|
Íîðìà
|
0.5-1
|
0-0.2
|
20-80
|
15-75
|
21-25
|
19,5-23,9
|
140
|
0.5
|
300
|
20
|
|
Ôàêòè÷åñ-êèé
óðîâåíü
|
1
|
0.2
|
75
|
65
|
31
|
28.5
|
2000
|
0.45
|
60
|
4
|
|
|
|
|
|
|
|
|
|
|
|
|
|
|
|
|
|
|
Òàáëèöà
4.3 -Ôàêòè÷åñêèå
è íîðìàòèâíûå
ïîêàçàòåëè ôàêòîðîâ
âîçäåéñòâèÿ
íà îïåðàòîðà ÌÍËÇ
|
Íàèìåíîâàíèå
ïðîèçâ. ôàêòîðà,
åäèíèöà èçìåðåíèÿ
|
Õèìè÷åñêèé
ôàêòîð
|
Àýðîçîëè
|
Ýêâèâàëåíòíûé
óðîâåíü çâóêà,
äÁÀ
|
Îöåíêà
íèçêî÷àñòîòíûõ
ýëåêòðè÷åñêèõ
è ìàãíèòíûõ
ïîëåé ÂÄÒ è ÏÝÂÌ
|
|
Êîáàëüò
è åãî íåîðã. ñîåä-ÿ
|
Ìåäü
|
äèÆåëåçî
òðèîêñèä
|
Êðåìíèé
äèîêñèä êðèñòàëë.
|
|
Íàïðÿæåí-íîñòü
ýëåêòðîñòàò.
ïîëÿ, êÂ/ì
|
Íàïðÿæåí-íîñòü
ïåð. ýëåêò. ïîëÿ
(5-2 êÃö), Â/ì
|
Íàïðÿæåííîñòü
ïåð. ýëåêò. ïîëÿ
(2-400êÃö), Â/ì
|
Ïëîòíîñòü
ìàãíèòíîãî
ïîòîêà (5-2 êÃö), íÒë
|
Ïëîòíîñòü
ìàãíèòíîãî
ïîòîêà (2-400 êÃö), íÒë
|
|
Íîðìà
|
0.05/0.01
|
1/0.5
|
6
|
4
|
75
|
15
|
25
|
2.5
|
250
|
25
|
|
Ôàêòè-÷åñêèé
óðîâåíü
|
0.0058
|
0.0525
|
3.1
|
3.2
|
66
|
10.7
|
3
|
0.31
|
10
|
1
|
|
Íàèìåíîâàíèå
ïðîèçâîäñòâåííîãî
ôàêòîðà, åäèíèöà
èçìåðåíèÿ
|
Ìèêðîêëèìàò
|
Îñâåùåíèå
|
|
Ñêîðîñòü
äâèæåíèÿ âîçäóõà,
ì/ñ
|
Âëàæíîñòü
âîçäóõà, %
|
Òåìïåðàòóðà,
ãð.Ñ
|
Ê Å Î, %
|
Îñâåùåííîñòü
ëê
|
Êï, %
|
ßðêîñòü
Îñâåùåííîñòü
ýêðàíà, ëê
|
Íåðàâíîì.
ðàñïðåäåëåíèå
ÿðêîñòè, îòí. åä.
|
ßðêîñòü
áåëîãî ïîëÿ, êä/êâ.ì
|
|
|
Ò.ï.
|
Õ.ï
|
Ò.ï.
|
Õ.ï
|
Ò.ï.
|
Õ.ï
|
|
|
|
|
|
|
|
|
|
|
|
|
|
|
|
|
|
|
|
|
|
|
|
Íîðìà 0,5-1 0-0,1 20-80 15-75 21-27 22,2-26,4 5 300-500 5
200
|
10 35
|
|
|
|
|
|
Ôàêòè÷åñêèé
óðîâåíü
|
0,8
|
0,1
|
73,5
|
64,9
|
29
|
27.3
|
26
|
142
|
26
|
62
|
49
|
21
|
65
|
Ò.ï. - òåïëûé
ïåðèîä.
Õ.ï. - õîëîäíûé
ïåðèîä.
ÂÄÒ è ÏÝÂÌ
- âèäåîäèñïëåéíûå
òåðìèíàëû è ïåðñîíàëüíûå
ýëåêòðîííî-âû÷èñëèòåëüíûå
ìàøèíû.
Çàïûëåííîñòü,
øóì, îòêëîíåíèå
îò íîðìû èíôðàçâóêà,
ïîâûøåííîå òåïëîèçëó÷åíèå
è ñëàáîå è íåðàâíîìåðíîå
ðàñïðåäåëåíèå
îñâåùåíèÿ îêàçûâàþò
íåáëàãîïðèÿòíîå
âëèÿíèå íà ðàáîòíèêà
öåõà, êîòîðûé
äëèòåëüíîå âðåìÿ
âûíóæäåí íàõîäèòüñÿ
â ýòèõ óñëîâèÿõ.
Ïîýòîìó äëÿ òðóäÿùèõñÿ
íåîáõîäèìî ñîçäàâàòü
ìàêñèìàëüíî
óäîáíûå óñëîâèÿ
òðóäà, ñíèæàÿ
êîëè÷åñòâî âðåäíûõ
âîçäåéñòâèé.
4.2 Ìåðîïðèÿòèÿ
ïî óëó÷øåíèþ
óñëîâèé òðóäà
Îðãàíèçàöèîííûå
ìåðîïðèÿòèÿ
Ê îðãàíèçàöèîííûì
ìåðîïðèÿòèÿì
ïî óëó÷øåíèþ
óñëîâèé òðóäà
îòíîñèòñÿ îáó÷åíèå
ðàáîòíèêîâ, ïðîâåðêà
ñîáëþäåíèÿ òåõíèêè
áåçîïàñíîñòè,
èíñòðóêòàæ, ñèñòåìà
ïëàíîâî-ïðåäóïðåäèòåëüíûõ
ðåìîíòîâ (ÏÏÐ), íàðÿä
-äîïóñê, àòòåñòàöèÿ
ðàáî÷èõ ìåñò
ïî óñëîâèÿì òðóäà,
ñîáëþäåíèå ðåæèìà
òðóäà è îòäûõà
ðàáîòíèêîâ.
Îáó÷åíèå
äîëæíî îñóùåñòâëÿòüñÿ
ïðè ïðîôåññèîíàëüíîé
ïîäãîòîâêå ñïåöèàëèñòîâ,
ðàáî÷èõ è ñëóæàùèõ,
à òàêæå ÷åðåç
ñèñòåìó ïîâûøåíèÿ
êâàëèôèêàöèè.
Êàæäîìó ðàáîòíèêó,
ïðèíÿòîìó íà
ïðåäïðèÿòèå, íåîáõîäèìî
îçíàêîìèòüñÿ
ñ öåõîì, ñ ó÷àñòêîì,
ïðîéòè îáó÷åíèå
íà ñâîåì áóäóùåì
ðàáî÷åì ìåñòå.
Ðàáîòíèê ïðîõîäèò
èíñòðóêòàæ ïî
òåõíèêå áåçîïàñíîñòè,
êîòîðûé ÿâëÿåòñÿ
âàæíûì â îáåñïå÷åíèè
áåçîïàñíîñòè
òðóäà. Ñîãëàñíî
ÃÎÑÒ 12.0.004-90 ïðåäóñìîòðåíî
ïðîâåäåíèå ïÿòè
âèäîâ èíñòðóêòàæåé:
ââîäíûé (ïðè
ïîñòóïëåíèè
íà ðàáîòó);
ïåðâè÷íûé
(äëÿ âñåõ ïðèíÿòûõ
íà ïðåäïðèÿòèå
ïåðåä ïåðâûì äîïóñêîì
ê ðàáîòå);
ïîâòîðíûé
(íå ðåæå ðàçà â
ïîëãîäà, à äëÿ ðàáîò
ïîâûøåííîé îïàñíîñòè
- ðàçà â êâàðòàë);
âíåïëàíîâûé
ïðîâîäèòñÿ ïðè
ââåäåíèè â äåéñòâèå
íîâûõ èëè ïåðåðàáîòàííûõ
ñòàíäàðòîâ, ïðàâèë;
ïðè èçìåíåíèè
òåõíîëîãè÷åñêîãî
ïðîöåññà, çàìåíå
èëè ìîäåðíèçàöèè
îáîðóäîâàíèÿ,
èíñòðóìåíòà,
ñûðüÿ; ïðè ïåðåðûâàõ
â ðàáîòå; ïî òðåáîâàíèþ
îðãàíîâ íàäçîðà;
öåëåâîé (ïðè
âûïîëíåíèè ðàçîâûõ
ðàáîò, íå ñâÿçàííûõ
ñ ïðÿìûìè îáÿçàííîñòÿìè
ïî ñïåöèàëüíîñòè).
Íà ïðåäïðèÿòèÿõ
ïðîâîäÿòñÿ ïðîâåðêè:
Ðîñòåõíàäçîðà,
Ôåäåðàëüíîãî
àãåíòñòâà ïî
ýíåðãåòèêå, Ôåäåðàëüíîé
ñëóæáû ïî íàäçîðó
â ñôåðå ïðàâ ïîòðåáèòåëåé
è áëàãîïîëó÷èÿ
÷åëîâåêà, ïðîâåðêè
ïðè âîçíèêíîâåíèè
íåñ÷àñòíûõ ñëó÷àåâ,
àâàðèé. Åæåãîäíî
íà ïðåäïðèÿòèÿõ
ñîñòàâëÿþòñÿ
ãðàôèêè ðåìîíòà
îáîðóäîâàíèÿ
ÏÏÐ, (òåêóùèõ, ïëàíîâûõ,
êàïèòàëüíûõ).
Ïðè âûïîëíåíèè
ðàáîò íà âûñîòå,
ñ âðåäíûìè âåùåñòâàìè,
íà îïàñíûõ îáúåêòàõ,
ìîíòàæ è äåìîíòàæ
îáîðóäîâàíèÿ,
ðàáîòíèêè ïîëó÷àþò
íàðÿä-äîïóñê, çàâåðåííûé
îòâåòñòâåííûì
çà ïðîâåäåíèå
ýòèõ ðàáîò.
 ìåðîïðèÿòèÿõ
ìåäèöèíñêîãî
õàðàêòåðà èñïîëüçóþòñÿ:
âèòàìèíîïðîôèëàêòèêà,
ñïåöïèòàíèå,
îòïðàâêà â ïðîôèëàêòîðèè
è ìåñòà îòäûõà.
Ýòî íåîáõîäèìî
äëÿ ïîâûøåíèÿ
èììóíèòåòà,
ðàáîòîñïîñîáíîñòè
ðàáî÷åãî.
Òåõíè÷åñêèå
ìåðîïðèÿòèÿ
Çàùèòà îò
âèáðàöèè
Äëÿ ñíèæåíèÿ
âîçäåéñòâèÿ
âèáðèðóþùèõ
ìàøèí è îáîðóäîâàíèÿ
íà îðãàíèçì ÷åëîâåêà
ïðèìåíÿþòñÿ ñëåäóþùèå
ìåðû è ÑÊÇ:
ñíèæåíèå
âèáðîàêòèâíîñòè
ìàøèí (èçìåíåíèå
òåõíîëîãè÷åñêîãî
ïðîöåññà, ïðèìåíåíèå
ìàøèí ñ òàêèìè
êèíåìàòè÷åñêèìè
ñõåìàìè, ïðè êîòîðûõ
äèíàìè÷åñêèå
ïðîöåññû, âûçûâàåìûå
óäàðàìè, ðåçêèìè
óñêîðåíèÿìè
è ò.ï. áûëè áû èñêëþ÷åíû
èëè ïðåäåëüíî
ñíèæåíû);
âèáðîäåìïôèðîâàíèå
ñíèæàåò âèáðàöèè
ïóòåì óñèëåíèÿ
â êîíñòðóêöèè
ïðîöåññîâ âíóòðåííåãî
òðåíèÿ, ðàññåèâàþùèõ
êîëåáàòåëüíóþ
ýíåðãèþ â ðåçóëüòàòå
íåîáðàòèìîãî
ïðåîáðàçîâàíèÿ
åå â òåïëîòó ïðè
äåôîðìàöèÿõ, âîçíèêàþùèõ
â ìàòåðèàëàõ,
èç êîòîðûõ èçãîòîâëåíà
êîíñòðóêöèÿ;
âèáðîãàøåíèå
îñóùåñòâëÿåòñÿ
ïóòåì óñòàíîâêè
àãðåãàòîâ íà
ìàññèâíûé ôóíäàìåíò;
ïðèìåíåíèå
âèáðîèçîëÿöèè
âèáðèðóþùèõ
ìàøèí îòíîñèòåëüíî
îñíîâàíèÿ (ïðèìåíåíèå
ðåññîð, ðåçèíîâûõ
ïðîêëàäîê, ïðóæèí,
àìîðòèçàòîðîâ);
èñïîëüçîâàíèå
äèñòàíöèîííîãî
óïðàâëåíèÿ â òåõíîëîãè÷åñêèõ
ïðîöåññàõ;
èñïîëüçîâàíèå
àâòîìàòèêè â
òåõíîëîãè÷åñêèõ
ïðîöåññàõ, ãäå
ðàáîòàþò âèáðèðóþùèå
ìàøèíû (óïðàâëåíèå
ïî çàäàííîé ïðîãðàììå).
-èñïîëüçîâàíèå
ðó÷íîãî èíñòðóìåíòà
ñ âèáðîçàùèòíûìè
ðóêîÿòêàìè
.
Çàùèòà îò
øóìà
Äëÿ áîðüáû
ñ øóìîì â ïîìåùåíèÿõ
ïðîâîäÿòñÿ ñëåäóþùèå
ñïîñîáû êîëëåêòèâíîé
çàùèòû:
çâóêîèçîëÿöèÿ
èñòî÷íèêà øóìà
îò îêðóæàþùåé
ñðåäû, à òàêæå
çâóêîèçîëÿöèÿ
ðàáî÷åãî ìåñòà
(ïðèìåíåíèå ãëóøèòåëåé,
ýêðàíîâ, çâóêîïîãëîùàþùèõ
ñòðîèòåëüíûõ
ìàòåðèàëîâ);
èñïîëüçîâàíèå
ñðåäñòâ àâòîìàòèêè
äëÿ óïðàâëåíèÿ
è êîíòðîëÿ òåõíîëîãè÷åñêèìè
ïðîèçâîäñòâåííûìè
ïðîöåññàìè
.
Ýëåêòðîáåçîïàñíîñòü
Ïðèìåíåíèå
çàùèòíûõ ìåðîïðèÿòèé
è ñðåäñòâ êîëëåêòèâíîé
çàùèòû îò ïîðàæåíèÿ
ýëåêòðè÷åñêèì
òîêîì ðåãëàìåíòèðóåòñÿ
«Ìåæîòðàñëåâûìè
ïðàâèëàìè ïî îõðàíå
òðóäà (òåõíèêå
áåçîïàñíîñòè)
ïðè ýêñïëóàòàöèè
ýëåêòðîóñòàíîâîê».
Äëÿ çàùèòû
îò ïîðàæåíèÿ ýëåêòðè÷åñêèì
òîêîì ïðèìåíÿþòñÿ
ñëåäóþùèå òåõíè÷åñêèå
ìåðû êîëëåêòèâíîé
çàùèòû:
) Íåèçîëèðîâàííûå
òîêîïðîâîäÿùèå
÷àñòè ýëåêòðîóñòàíîâîê,
ðàáîòàþùèõ ïîä
ëþáûì íàïðÿæåíèåì,
íàäåæíî îãðàæäàþòñÿ
èëè ðàñïîëàãàþòñÿ
íà íåäîñòóïíîé
âûñîòå èëè â íåäîñòóïíîì
ìåñòå, ÷òîáû èñêëþ÷èòü
ñëó÷àéíîå ïðèêîñíîâåíèå
ê íèì ÷åëîâåêà.
Îãðàæäåíèÿ ïðèìåíÿþò
ñïëîøíûå è ñåò÷àòûå
ñ ðàçìåðîì ÿ÷åéêè
ñåòêè 25
25. Ñïëîøíûå
îãðàæäåíèÿ â âèäå
êîæóõîâ è êðûøåê
ïðèìåíÿþò â ýëåêòðîóñòàíîâêàõ
äî 1000Â.
) Äëÿ ïðåäóïðåæäåíèÿ
îá îïàñíîñòè
ïîðàæåíèÿ ýëåêòðè÷åñêèì
òîêîì èñïîëüçóþò
ðàçëè÷íûå çâóêîâûå,
ñâåòîâûå è öâåòîâûå
ñèãíàëèçàòîðû.
Êðîìå òîãî, â êîíñòðóêöèÿõ
ýëåêòðîóñòàíîâîê
ïðåäóñìîòðåíû
áëîêèðîâêè - àâòîìàòè÷åñêèå
óñòðîéñòâà, ñ
ïîìîùüþ êîòîðûõ
ïðåãðàæäàåòñÿ
ïóòü â îïàñíóþ
çîíó. Â õîðîøî
âèäèìûõ ìåñòàõ
âèñÿò ïðåäóïðåäèòåëüíûå
ïëàêàòû.
) Äëÿ óìåíüøåíèÿ
îïàñíîñòè ïîðàæåíèÿ
òîêîì ðàáîòàþùèõ
ñ ïåðåíîñíûì
ýëåêòðîèíñòðóìåíòîì
èñïîëüçóþò ìàëîå
íàïðÿæåíèå, íå
ïðåâûøàþùåå
42 Â. Èñòî÷íèêîì
ìàëîãî íàïðÿæåíèÿ
ìîæåò áûòü áàòàðåÿ
ãàëüâàíè÷åñêèõ
ýëåìåíòîâ, àêêóìóëÿòîð,
òðàíñôîðìàòîð.
) Äëÿ ïîâûøåíèÿ
áåçîïàñíîñòè
ïðîâîäÿò ýëåêòðè÷åñêîå
ðàçäåëåíèå ñåòåé
íà îòäåëüíûå
êîðîòêèå ýëåêòðè÷åñêè
íå ñâÿçàííûå
ìåæäó ñîáîé ó÷àñòêè
ñ ïîìîùüþ ðàçäåëÿþùèõ
òðàíñôîðìàòîðîâ.
) Ïðèìåíåíèå
ýëåêòðè÷åñêîé
èçîëÿöèè - ñëîÿ
äèýëåêòðèêà,
êîòîðûì ïîêðûâàþò
ïîâåðõíîñòü òîêîâåäóùèõ
ýëåìåíòîâ. Òàêæå
ýëåêòðè÷åñêîé
èçîëÿöèåé íàçûâàþò
êîíñòðóêöèþ
èç íåïðîâîäÿùåãî
ìàòåðèàëà, ñ ïîìîùüþ
êîòîðîé òîêîâåäóùèå
ýëåìåíòû îòäåëÿþò
îò äðóãèõ ÷àñòåé
ýëåêòðîóñòàíîâêè.
) Ïðèìåíåíèå
çàùèòíîãî çàçåìëåíèÿ
- ïðåäíàìåðåííîãî
ýëåêòðè÷åñêîãî
ñîåäèíåíèÿ ñ
çåìëåé ìåòàëëè÷åñêèõ
íåòîêîâåäóùèõ
÷àñòåé ýëåêòðîóñòàíîâîê,
êîòîðûå ìîãóò
îêàçàòüñÿ ïîä
íàïðÿæåíèåì
.
Ïîæàðîáåçîïàñíîñòü
Ìåðû ïðîòèâîïîæàðíîé
çàùèòû (êîëëåêòèâíûå)
ìîæíî ðàçäåëèòü
íà ïàññèâíûå
è àêòèâíûå. Ê ïàññèâíûì
ìåðàì îòíîñÿò:
Ñîáëþäåíèå
ïðîòèâîïîæàðíûõ
ðàçðûâîâ ìåæäó
çäàíèÿìè, öåõàìè,
óñòàíîâêàìè
è äð.
Ðàçäåëåíèå
çäàíèÿ áðàíäìàóýðàìè,
ïðîòèâîïîæàðíûìè
ïåðåêðûòèÿìè
è äðóãèìè ïðåãðàäàìè
èç îãíåóïîðíûõ
ìàòåðèàëîâ.
Óñòàíîâêó
ëåãêîñáðàñûâàåìûõ
êîíñòðóêöèé
è îãíåïðåãðàäèòåëåé.
Ê àêòèâíûì
ìåðàì îòíîñÿò:
Èñïîëüçîâàíèå
ïîæàðíîé ñèãíàëèçàöèè,
êàê ýëåêòðè÷åñêîé,
òàê è àâòîìàòè÷åñêîé.
2 Ïðåäóñìîòðåíèå
äðåí÷åðíûõ è ñïðèíêëåðíûõ
óñòðîéñòâ äëÿ
àâòîìàòè÷åñêîãî
òóøåíèÿ ïîæàðîâ
âîäîé.
3 Îáÿçàòåëüíîå
ïðåäóñìîòðåíèå
â îòâåäåííûõ
ìåñòàõ îãíåòóøèòåëåé,
âåäåð, åìêîñòåé
ñ âîäîé, ÿùèêîâ
ñ ïåñêîì, ëîìîâ
è òîïîðîâ.
Íà ÎÀÎ «ÌÌÊ»
ââåäåíû êàòåãîðèè
ïîìåùåíèé ïî
âçðûâîïîæàðíîé
è ïîæàðíîé îïàñíîñòè,
ê êîòîðîé îòíîñèòñÿ
öåõ, ó÷àñòîê, óñòàíîâêè
è ò.ä.
Êàòåãîðèÿ
À - â ïîìåùåíèè
îáðàùàþòñÿ ãîðþ÷èå
ãàçû è æèäêîñòè
ñ òåìïåðàòóðîé
âñïûøêè íå áîëåå
28 Ñ â îïàñíîì êîëè÷åñòâå,
÷òî îáðàçóþò
âçðûâîîïàñíûå
ñìåñè ïðè âîñïëàìåíåíèè
êîòîðûõ èçáûòî÷íîå
äàâëåíèå âçðûâà
áîëüøå 5 êÏà.
Êàòåãîðèÿ
Á - â ïîìåùåíèè
îáðàçóþòñÿ ãîðþ÷èå
ïûëü èëè âîëîêíà,
ãîðþ÷èå æèäêîñòè
ñ òåìïåðàòóðîé
âñïûøêè áîëåå
28 Ñ è äàëåå (ñì. êàòåãîðèþ
À).
Êàòåãîðèÿ
 - â ïîìåùåíèè
îáðàçóþòñÿ ãîðþ÷èå
ãàçû æèäêîñòè
è òâåðäûå âåùåñòâà
ñïîñîáíûå òîëüêî
ãîðåòü, ïðè óñëîâèè,
÷òî ïîìåùåíèÿ
íå îòíîñÿòñÿ
ê êàòåãîðèè À
è Á.
Êàòåãîðèÿ
à - íåãîðþ÷èå âåùåñòâà
â ãîðÿ÷åì, ðàñêàëåííîì,
ðàñïëàâëåííîì
ñîñòîÿíèè ïðè
îáðàáîòêå êîòîðûõ
âûäåëÿåòñÿ òåïëî,
èñêðû, ïëàìÿ.
Êàòåãîðèÿ
Ä - íåãîðþ÷èå âåùåñòâà
â õîëîäíîì ñîñòîÿíèè
,
.
ÝÑÏÖ îòíîñèòñÿ
ê êàòåãîðèè Ã
(ïîæàðîîïàñíîå
ïðîèçâîäñòâî).
 ñîîòâåòñòâèè
ñî ÑÍèÏ 12.01.02-85 çäàíèÿ
è ñîîðóæåíèÿ
ïîäðàçäåëÿþòñÿ
ïî ñòåïåíÿì îãíåñòîéêîñòè.
Çäàíèå ýëåêòðîñòàëåïëàâèëüíîãî
öåõà îòíîñèòñÿ
ê I ñòåïåíè îãíåñòîéêîñòè.
 ÝÑÏÖ ïðåäóñìîòðåíà
ñèñòåìà ïðîòèâîïîæàðíîãî
âîäîñíàáæåíèÿ.
Ñîãëàñíî ÑÍèÏ
12.01.02-85 ðàñõîä âîäû
íà íàðóæíîå ïîæàðîòóøåíèå
ñîñòàâëÿåò 20 ë/ñ.
Ïðîäîëæèòåëüíîñòü
òóøåíèÿ ïîæàðà
äîëæíà ñîñòàâëÿòü
3 ÷àñà. Ðàñ÷åòíûé
ðàñõîä âîäû íà
òóøåíèå ïîæàðà
äîëæåí áûòü îáåñïå÷åí
ïðè íàèáîëüøåì
ðàñõîäå âîäû íà
äðóãèå íóæäû.
Íà òóøåíèå ïîæàðà
âíóòðè çäàíèÿ,
îáîðóäîâàííîãî
âíóòðåííèìè
ïîæàðíûìè êðàíàìè,
äîïîëíèòåëüíûé
ðàñõîä âîäû ñîñòàâèò
35 ë/ñ.
Âåíòèëÿöèÿ
Óñëîâëåííûå
ïàðàìåòðû âîçäóøíîé
ñðåäû ðàáî÷åé
çîíû ïðîèçâîäñòâåííûõ
ïîìåùåíèé äëÿ
ðàçëè÷íûõ ïåðèîäîâ
ãîäà îáåñïå÷èâàåòñÿ
ðåãóëèðîâàíèåì
ñèñòåìû ìåõàíè÷åñêîé
âåíòèëÿöèè è
åñòåñòâåííîé
àýðàöèè, êîòîðûå
íàëàæèâàþò âîçäóõîîáìåí
â ïîìåùåíèè, ò.å.
óäàëåíèå èç ïîìåùåíèÿ
çàãðÿçíåííîãî,
íàãðåòîãî, âëàæíîãî
âîçäóõà è ïîäà÷à
â ïîìåùåíèå ñâåæåãî,
÷èñòîãî âîçäóõà.
 ïðèíóäèòåëüíîì
îòîïëåíèè ïîìåùåíèå
ýëåêòðîñòàëåïëàâèëüíîãî
öåõà íå íóæäàåòñÿ
âñëåäñòâèå ïðèñóòñòâèÿ
èñòî÷íèêîâ èçáûòî÷íîãî
òåïëà (ýëåêòðîñòàëåïëàâèëüíûå
ïå÷è, ðàñïëàâëåííûé
ìåòàëë). Â ÝÑÏÖ
ÎÀÎ «ÌÌÊ» ïðèìåíÿåòñÿ
åñòåñòâåííàÿ
è ìåõàíè÷åñêàÿ
âåíòèëÿöèÿ. Ïðè
åñòåñòâåííîé
âåíòèëÿöèè âîçäóõîîáìåí
îñóùåñòâëÿåòñÿ
áëàãîäàðÿ âîçíèêøåé
ðàçíèöû äàâëåíèé
ñíàðóæè è âíóòðè
çäàíèÿ.
Äëÿ àýðàöèè
â öåõå âûïîëíÿþò
îòâåðñòèå â ïðîäîëüíûõ
ñòåíàõ çäàíèÿ
íèæíèé ðÿä (äëÿ
ïðèòîêà âîçäóõà
â òåïëûé ïåðèîä
ãîäà) íà óðîâíå
1.8 ì., âåðõíèé ðÿä
(äëÿ ïðèòîêà âîçäóõà
çèìîé è ëåòîì)
íà óðîâíå 8 ì. Íà
êðîâëå çäàíèÿ
óñòàíàâëèâàåòñÿ
àýðàöèîííûé
ôîíàðü ñ âåðòèêàëüíûì
îñòåêëåíèåì
îáîðóäîâàííûé
âåòðîçàùèòíûìè
ïàíåëÿìè. Îòêðûâàíèå
ïåðåïëåòîâ àýðàöèîííîãî
ôîíàðÿ ìåõàíèçèðîâàíî.
Ïðîèçâîäñòâåííîå
îñâåùåíèå
 ÝÑÏÖ ÎÀÎ
«ÌÌÊ» èñïîëüçóþòñÿ
åñòåñòâåííîå
è èñêóññòâåííîå
îñâåùåíèå. Ïðè
îðãàíèçàöèè
ïðîèçâîäñòâåííîãî
îñâåùåíèÿ îáåñïå÷èâàåòñÿ
ðàâíîìåðíîå ðàñïðåäåëåíèå
ÿðêîñòè íà ðàáî÷åé
ïîâåðõíîñòè
è îêðóæàþùèõ
ïðåäìåòàõ. Äëÿ
ïîâûøåíèÿ ðàâíîìåðíîñòè
åñòåñòâåííîãî
îñâåùåíèÿ îñóùåñòâëÿåòñÿ
êîìáèíèðîâàííîå
îñâåùåíèå. Ñâåòëàÿ
îêðàñêà ïîòîëêà,
ñòåí è îáîðóäîâàíèÿ
ñïîñîáñòâóåò
ðàâíîìåðíîìó
ðàñïðåäåëåíèþ
ÿðêîñòåé â ïîëå
çðåíèÿ ðàáîòàþùåãî.
Ïðîèçâîäñòâåííîå
îñâåùåíèå îáåñïå÷èâàåò
îòñóòñòâèå â
ïîëå çðåíèÿ ðàáîòàþùåãî
ðåçêèõ òåíåé.
Íàëè÷èå ðåçêèõ
òåíåé èñêàæàåò
ðàçìåðû è ôîðìû
îáúåêòîâ ðàçëè÷åíèÿ
è òåì ñàìûì ïîâûøàåò
óòîìëÿåìîñòü,
ñíèæàåò ïðîèçâîäèòåëüíîñòü
òðóäà. Òåíè íåîáõîäèìî
ñìÿã÷àòü, ïðèìåíÿÿ,
íàïðèìåð, ñâåòèëüíèêè
ñî ñâåòîðàññåèâàþùèìè
ìîëî÷íûìè ñòåêëàìè,
ïðè åñòåñòâåííîì
îñâåùåíèè, èñïîëüçóÿ
ñîëíöåçàùèòíûå
óñòðîéñòâà (æàëþçè,
êîçûðüêè).
Îñíîâíûì
êðèòåðèåì âûáîðà
íåîáõîäèìîãî
èñêóññòâåííîãî
îñâåùåíèÿ ñëóæèò
ðàçðÿä âûïîëíÿåìîé
çðèòåëüíîé ðàáîòû,
êîòîðûé îïðåäåëÿåòñÿ
ÑÍèÏ 23-05-95. Ðàáîòà
ïî óïðàâëåíèþ
ìàíèïóëÿòîðîì
îòíîñèòñÿ ê ñðåäíåé
ñòåïåíè òî÷íîñòè
çðèòåëüíîé ðàáîòû,
ðàçðÿä 5, ïîäðàçðÿä
á; ñ îñâåùåííîñòüþ
500 ëê; êîíòðàñò îáúåêòà
ñ ôîíîì: ìàëûé,
ñðåäíèé; õàðàêòåðèñòèêà
ôîíà: ñðåäíèé,
òåìíûé.
Ïðîàíàëèçèðîâàâ
ôàêòè÷åñêèå
è íîðìàòèâíûå
ïîêàçàòåëè ôàêòîðîâ
âîçäåéñòâèÿ
íà ðàáîòíèêîâ
îòäåëåíèÿ íåïðåðûâíîé
ðàçëèâêè ñòàëè,
äåëàåì âûâîä î
íåäîñòàòêå è
íåðàâíîìåðíîì
ðàñïðåäåëåíèè
ïðîèçâîäñòâåííîãî
îñâåùåíèÿ. Ïîýòîìó
ñâåòîâîé ðàñ÷åò
äàííîãî îòäåëåíèÿ.
Ðàñ÷åò íåîáõîäèìîãî
÷èñëà ëàìï ïðîâîäèòñÿ
ïî ìåòîäó êîýôôèöèåíòà
èñïîëüçîâàíèÿ
ñâåòîâîãî ïîòîêà
.
×èñëî èñòî÷íèêîâ
ñâåòà îïðåäåëÿåòñÿ
ïî ôîðìóëå:
, (4.3)
ãäå ÅÍ - íîðìèðóåìîå
çíà÷åíèå îñâåùåííîñòè,
ÅÍ =500 ëê; S - ïëîùàäü
ó÷àñòêà, S=176
ì2; k - êîýôôèöèåíò
çàïàñà, k=1,5; z - êîýôôèöèåíò
ìèíèìàëüíîé
îñâåùåííîñòè,
z=1,15; ÔË - ñâåòîâîé
ïîòîê îäíîé ëàìïû,
ëì; n -êîëè÷åñòâî
ëàìï â îäíîì ñâåòèëüíèêå;
h - êîýôôèöèåíò
èñïîëüçîâàíèÿ
ñâåòîâîãî ïîòîêà,
h=0,4.
Êîýôôèöèåíò
èñïîëüçîâàíèÿ
ñâåòîâîãî ïîòîêà
îïðåäåëÿåòñÿ
â çàâèñèìîñòè
îò çíà÷åíèé
êîýôôèöèåíòîâ
îòðàæåíèÿ ñâåòîâîãî
ïîòîêà ïîòîëêîì
è ñòåíàìè, à òàêæå
èíäåêñà ïîìåùåíèÿ:
, (4.4)
ãäå À, Â, Í - ñîîòâåòñòâåííî
äëèíà, øèðèíà
è âûñîòà öåõà,
ì.
Ðàññ÷èòàåì
èñêóññòâåííîå
îñâåùåíèå äëÿ
ó÷àñòêà ðàñïîëîæåíèÿ
ñòàëüêîâøà, íàõîäÿùåìñÿ
â ðàçëèâî÷íîì
ïðîëåòå. Ïîäñòàâèì
çíà÷åíèÿ â ôîðìóëó
(4.4):
.
Îïðåäåëèì
ðàññòîÿíèå ìåæäó
ñâåòèëüíèêàìè
ïî ôîðìóëå:
, (4.5)
ãäå L- ðàññòîÿíèå
ìåæäó ñâåòèëüíèêàìè,
ì; l- êîýôôèöèåíò
íàèáîëåå âûãîäíîãî
ðàñïîëîæåíèÿ
ñâåòèëüíèêîâ,
ïðèìåì ðàâíûì
0,2.
Ïîäñòàâèâ
çíà÷åíèÿ â âûðàæåíèå
(4.5) ïîëó÷èì:
.
Òîãäà èç
âûðàæåíèÿ (4.3) ÷èñëî
ñâåòèëüíèêîâ
òèïà ÄÐË 700 ñîñòàâèò:
øò
Ñëåäîâàòåëüíî,
äëÿ îáåñïå÷åíèÿ
íåîáõîäèìîãî
óðîâíÿ îáùåãî
îñâåùåíèÿ íóæíî
óñòàíîâèòü 8 ëàìï
òèïà ÄÐË 700 (òèï öîêîëÿ
Å40) â îäèí ðÿä ñ ðàññòîÿíèåì
ìåæäó íèìè â
2.5 ìåòðà.
Ñðåäñòâà
èíäèâèäóàëüíîé
çàùèòû:
äëÿ çàùèòû
îò âèáðàöèè èñïîëüçóþòñÿ:
äëÿ ðóê -âèáðîèçîëèðóþùèå
ðóêàâèöû, ïåð÷àòêè,
âêëàäûøè è ïðîêëàäêè;
äëÿ íîã -âèáðîèçîëèðóþùàÿ
îáóâü, ñòåëüêè,
ïîäìåòêè;
äëÿ çàùèòû
îò øóìà ïðèìåíÿþò
âêëàäûøè, íàóøíèêè
è øëåìû;
äëÿ çàùèòû
îò ýëåêòðè÷åñòâà
ïðèìåíÿþò äëÿ
ðàáîòû íà ýëåêòðîóñòàíîâêàõ:
îñíîâíûå: êëåùè
äëÿ âñòàâêè ïðåäîõðàíèòåëåé,
ãàå÷íûé êëþ÷,
îòâåðòêó, ïàññàæèòû,
ðåçèíîâûé êîâðèê
è äîðîæêó, èçîëèðóþùóþ
ïîäñòàâêó; äîïîëíèòåëüíûå:
ïåð÷àòêè ðåçèíîâûå
äèýëåêòðè÷åñêèå,
ãàëîøè è áîòû
äèýëåêòðè÷åñêèå,
òóôëè àíòèñòàòè÷åñêèå,
ñàïîãè äèýëåêòðè÷åñêèå;
äëÿ çàùèòû
îðãàíîâ äûõàíèÿ
îò âðåäíûõ âåùåñòâ
è äûìà ïðè ïîæàðå
ïðèìåíÿþò ðåñïèðàòîðû,
ïðîòèâîãàçû,
ñàìîñïàñàòåëè,
ïîæàðíûå èñïîëüçóþò
ñïåöèàëüíûå òåïëîçàùèòíûå
êîñòþìû
äëÿ çàùèòû
îò âîçäåéñòâèÿ
ðàçëè÷íûõ âèäîâ
ïûëè, àýðîçîëè,
êèñëîò è ùåëî÷è
- ìàñêè ïîëíûå
è ïîëóìàñêè, à
òàêæå ðåñïèðàòîðû.
Ñðåäñòâà
èíäèâèäóàëüíîé
çàùèòû äëÿ ÝÑÏÖ
ÎÀÎ «ÌÌÊ» ïîêàçàíû
â òàáëèöå 3.
Òàáëèöà
4.3 -Ñðåäñòâà èíäèâèäóàëüíîé
çàùèòû äëÿ ÝÑÏÖ
ÎÀÎ «ÌÌÊ»
|
ÌÅÑßÖ
|
ÑÍÁ íîìåð
|
Íàèìåíîâàíèå
ÑÈÇ
|
Ðàçìåð
|
Ðîñò
|
Êîëè÷åñòâî
|
Äàòà
ñëåäóþùåãî ïîëó÷åíèÿ
|
|
|
ÊÎÑÒÞÌ
ÑÓÊÎÍÍÛÉ Ñ ÍÀÊËÀÄÊÎÉ
ÈÇ ÎÊÑÀËÈÍÀ
|
58 56 50 48
|
190 185 180 175
|
4 45 70 20
|
|
|
|
ÊÎÑÒÞÌ
ÑÓÊÎÍÍÛÉ
|
54 52 48 46
|
180 176 170 165
|
20 25 20 10
|
|
|
|
ÊÎÑÒÞÌ
Õ/Á
|
54 52 48 46
|
180 176 170 165
|
20 25 20 10
|
|
|
|
ÊÀÑÊÀ
ÒÅÐÌÎÑÒÎÉÊÀß
|
|
|
70
|
|
|
|
ÊÀÑÊÀ
ÑÎ ÙÈÒÊÎÌ È ÏÅËÅÐÈÍÎÉ
|
|
|
115
|
|
|
|
ÑÀÏÎÃÈ
ËÈÒÅÉÙÈÊÀ
|
46 45 44 43 42 41
|
|
4 20 30 40 50 40
|
|
4.3 Îõðàíà
îêðóæàþùåé ñðåäû
4.3.1 Çàùèòà
âîäíîãî áàññåéíà
 ïðîöåññå
ïðîèçâîäñòâà
ñòàëè â ÝÑÏÖ íà
êàæäîé òåõíîëîãè÷åñêîé
îïåðàöèè âîäà
íàãðåâàåòñÿ,
çàãðÿçíÿåòñÿ
îêàëèíîé, òåõíè÷åñêèìè
ìàñëàìè, ýìóëüñèÿìè,
êèñëîòàìè, òîêñè÷íûìè
âåùåñòâàìè.
Èñòî÷íèêîì
âðåäíîãî âîçäåéñòâèÿ
ÿâëÿåòñÿ â îñíîâíîì
ñèñòåìû îõëàæäåíèÿ
ÌÍËÇ, ðîëèêîâ,
ïîäøèïíèêîâ,
áëþìîâ è äð. Äëÿ
ÝÑÏÖ ðàçðàáîòàíà
ñõåìà ïîñëåäîâàòåëüíî
- îáðàòíîãî âîäîñíàáæåíèÿ.
Ýòà ñèñòåìà
ïîçâîëÿåò ñîêðàòèòü
êîëè÷åñòâî ñòî÷íûõ
âîä, âûâîäèìûõ
çà ïðåäåëû öåõà
íà âòîðè÷íóþ
î÷èñòêó â 2 ðàçà.
Êðîìå ýòîãî òàêàÿ
ñèñòåìà èìååò
ðÿä ïðåèìóùåñòâ:
) ñèñòåìà
âîäîñíàáæåíèÿ
ðàáîòàåò â ïîëíîñòüþ
çàìêíóòîì ðåæèìå;
) ïðåäóñìîòðåíî
ðåãóëèðîâàíèå
ðàáîòû âñåõ îñíîâíûõ
íàñîñíûõ ñòàíöèé
ñòàíà ïóòåì îáúåäèíåíèÿ
èõ â åäèíóþ ãèäðàâëè÷åñêóþ
ñèñòåìó ñ ïîìîùüþ
ñïåöèàëüíûõ ïåðåëèâíûõ
òðóáîïðîâîäîâ.
Ñîñòàâ çàãðÿçíåíèÿ
ñòî÷íûõ âîä ïîêàçàí
â òàáëèöå 4.4
Òàáëèöà
4.4 -Ñîñòàâ çàãðÿçíåíèÿ
ñòî÷íûõ âîä
|
Âèäû
ñòî÷íûõ âîä
|
Ñîñòàâ
çàãðÿçíåíèÿ
ñòî÷íûõ âîä
|
Êîíöåíòðàöèè
ïðèìåñåé, êã⁄ì3
|
Òåìïåðàòóðà,
|
|
|
|
íîðìà
|
ôàêò
|
|
|
Îòðàáîòàííûå
ñìàçî÷íî-îõëàæäàþùèå
æèäêîñòè
|
Ãðÿçü,
îêàëèíà øëàì
|
0,1-0,2
|
0,5 - 2,0
|
60 - 70
|
|
Ìàñëà
|
0,1-0,2
|
0,2 - 1,0
|
|
Ìåòîäû
î÷èñòêè ñòî÷íûõ
âîä ìîæíî ïîäðàçäåëèòü
íà ìåõàíè÷åñêèå,
ôèçèêî-õèìè÷åñêèå
è áèîëîãè÷åñêèå.
Î÷èñòêà ïðîèçâîäñòâåííûõ
âîä ÝÑÏÖ ïðîèçâîäèòñÿ
ìåõàíè÷åñêèì
ñïîñîáîì (ïðîöåæèâàíèå,
îòñòàèâàíèå,
îáðàáîòêó â ïîëå
öåíòðîáåæíûõ
ñèë, ôèëüòðîâàíèå).
Ïðîöåæèâàíèå
ïðèìåíÿþò äëÿ
óäàëåíèÿ èç ñòî÷íîé
âîäû êðóïíûõ è
âîëîêíèñòûõ
âêëþ÷åíèé. Ïðîöåññ
ðåàëèçóþò â âåðòèêàëüíûõ
è íàêëîííûõ ðåøåòêàõ
è âîëîêíîóëîâèòåëÿõ
â âèäå ëåíòî÷íûõ
è áàðàáàííûõ
ñèò.
Îòñòàèâàíèå
îñíîâàíî íà ñâîáîäíîì
îñåäàíèè ïðèìåñåé
ñ ïëîòíîñòüþ
áîëüøåé ïëîòíîñòè
âîäû. Ïðîöåññ îòñòàèâàíèÿ
ðåàëèçóþò â ïåñêîëîâêàõ,
îòñòîéíèêàõ,
æèðîóëîâèòåëÿõ.
Î÷èñòêà
ñòî÷íûõ âîä â
ïîëå öåíòðîáåæíûõ
ñèë ðåàëèçóåòñÿ
â ãèäðîöèêëîíàõ.
Ôèëüòðîâàíèå
èñïîëüçóþò äëÿ
î÷èñòêè ñòî÷íûõ
âîä îò ìåëêîäèñïåðñíûõ
ïðèìåñåé êàê
íà íà÷àëüíîé,
òàê è êîíå÷íîé
ñòàäèÿõ î÷èñòêè.
Ðàçáàâëåííûå
ñòî÷íûå âîäû
îáðàçóåìûå ïðè
ïðîìûâêå îáîðóäîâàíèÿ
, à òàêæå ÷àñòü
êîíöåíòðèðîâàííûõ
ýìóëüñèé, âûâîäèìûõ
èç îòðàáîòàííîé
ñìåñè, âìåñòå
ñ ïðîäóêòàìè
î÷èñòêè î÷èùàåòñÿ
ðåàãåíòíî - ôëîòàöèîííûì
ìåòîäîì. Ñóùíîñòü
åãî çàêëþ÷àåòñÿ
â ïðåäâàðèòåëüíîì
ðàçðóøåíèè ýìóëüñèè,
ïóò¸ì îáðàáîòêè
èõ ýëåêòðîëèòàìè
ñ ïîñëåäóþùèì
ðàçäåëåíèåì äåýìóëüñèðîâàííûõ
ìàññ îò âîäû íà
ìåõàíè÷åñêèõ
ôëîòàöèîííûõ
ìàøèíàõ èëè
öåíòðèôóãàõ.
4.3.2 Çàùèòà
âîçäóøíîãî áàññåéíà
Îñíîâíûì
èñòî÷íèêîì çàãðÿçíåíèÿ
àòìîñôåðû ÿâëÿþòñÿ
ïðîäóêòû ñãîðàíèÿ
ãàçîîáðàçíîãî
òîïëèâà â ïå÷àõ,
ñîäåðæàùèå áîëüøîå
êîëè÷åñòâî ïûëè,
àýðîçîëåé, îêèñëîâ
óãëåðîäà, àçîòà,
æåëåçà è ò.ä. Õàðàêòåðèñòèêà
è îáúåìû âûáðîñîâ
â ÝÑÏÖ çà ãîä ïîêàçàíû
â òàáëèöå 4.5.
Òàáëèöà
4.5 - Õàðàêòåðèñòèêà
è îáúåìû (òîíí)
âûáðîñîâ â ÝÑÏÖ
çà ãîä
|
Íàèìåíîâàíèå
âåùåñòâà
|
Ôàêòè÷åñêèé
âûáðîñ âðåäíîãî
âåùåñòâà, ò
|
Âåëè÷èíà
ÏÄÊ  Êëàññ
îïàñíîñòè
|
|
|
Àçîòà
îêñèä
|
589,476
|
2
|
3
|
|
Óãëåðîäà
îêñèä
|
1340,528
|
20
|
4
|
|
Æåëåçà
îêñèä
|
6,265
|
4
|
4
|
|
Ìàðãàíåö
è åãî ñîåä.
|
0,300
|
0,03
|
2
|
|
Íèêåëÿ
îêñèä
|
1,250
|
0,5
|
2
|
|
Ñåðà
äèîêñèä
|
80,940
|
10
|
2
|
|
Ìåäè
îêñèä
|
1,350
|
|
|
|
Ïûëü:
< 20 % SiO2
|
542,237
|
2
|
4
|
|
Èòîãî:
|
2562,346
|
|
|
Äëÿ óìåíüøåíèÿ
êîëè÷åñòâà îáðàçóþùèõñÿ
â ïå÷àõ îêèñëîâ
ïðåäóñìîòðåíû
îòñîñû ýòèõ ïðîäóêòîâ
ñãîðàíèÿ ÷åðåç
äûìîâûå òðóáû,
âûñîòîé äî 120ì.
Óáîðêà ïûëè, âûäåëÿþùåéñÿ
â ðàéîíå ïå÷ü-êîâøà,
ïðåäóñìîòðåíà
ñèñòåìîé îòñîñà
ïûëè. Çàãðÿçí¸ííûé
âîçäóõ îòñàñûâàåòñÿ
÷åðåç çîíòû è
ñèñòåìó ïîäçåìíûõ
è íàäçåìíûõ êàíàëîâ
â íàñîñíî-ôèëüòðîâàëüíóþ
ñòàíöèþ, ãäå î÷èùàåòñÿ
â ìîêðîì ýëåêòðîôèëüòðå
è âûáðàñûâàåòñÿ
â àòìîñôåðó ÷åðåç
òðóáó.
Äëÿ ëèêâèäàöèè
âûáðîñîâ â àòìîñôåðó
çàãðÿçíÿþùèõ
âåùåñòâ ïðîâîäÿòñÿ
ìåðîïðèÿòèÿ ïî
äîñòèæåíèþ ïëàíîâîãî
ýêîëîãè÷åñêîãî
ïîêàçàòåëÿ:
ñîáëþäàåòñÿ
ãðàôèê âåäåíèÿ
ïåðèîäîâ ïëàâêè;
íå äîïóñêàåòñÿ
ïðîñûïü äîëîìèòà
ïîä ïîðãè;
íå äîïóñêàåòñÿ
“çàêîçëåíèå” ïðèåìíîé
âîðîíêè ìèêñåðíîé
áî÷êè;
íå äîïóñêàåòñÿ
ïåðåëèâ êîâøåé
÷óãóíîì;
ìàêñèìàëüíîå
ðàçðÿæåíèå äëÿ
ïåðèîäà ïëàâêè.
Ïðè äâèæåíèè
áëþìà ïðîèñõîäèò
íàãðåâ ðîëèêîâ
ÌÍËÇ, ÷òî ïðèâîäèò
ê èíòåíñèâíîìó
èñïàðåíèþ ïàðîâ
ýìóëüñèè (ñìàçêà,
âîäà). Â âîçäóõå
ðàáî÷åé çîíû
ïðåäóñìîòðåíû
ñèñòåìû âûòÿæíîé
âåíòèëÿöèè, ÷òîáû
ñíèçèòü ñîäåðæàíèå
ïàðîâ ýìóëüñèè.
Îòñîñ âîçäóõà
îñóùåñòâëÿåòñÿ
ñ ïîìîùüþ äûìîñîñîâ.
Îòñàñûâàåìûé
âîçäóõ ÷åðåç
âûòÿæíûå êàíàëû
ïîñòóïàåò â êàìåðó
ôèëüòðîâ, ãäå ïðîèñõîäèò
åãî î÷èñòêà îò
ïàðîâ ýìóëüñèè
è ïûëè ñ ïîìîùüþ
äâóõ áëîêîâ ñàìîî÷èùàþùèõñÿ
ñåò÷àòûõ ìàñëÿíûõ
ôèëüòðîâ ÊÄÌ-12006.
Ïðåäëîæåííàÿ
ñõåìà î÷èñòêè
ïîçâîëÿåò ñ ïîìîùüþ
êîòëà-óòèëèçàòîðà
è ýë. ôèëüòðà ñíèçèòü
êîëè÷åñòâî ïûëè,
â âûáðàñûâàåìûõ
÷åðåç òðóáó ãàçàõ,
äî ïðåäåëîâ ñàíèòàðíûõ
íîðì, à óñòàíîâêà
êîòëà-óòèëèçàòîðà
äàåò âîçìîæíîñòü
èñïîëüçîâàòü
òåïëî îòõîäÿùèõ
ãàçîâ. Îäíàêî
ïðèìåíåíèå ýë.
ôèëüòðà òðåáóåò
ïîñòîÿííîãî
àâòîìàòè÷åñêîãî
êîíòðîëÿ çà ñîäåðæàíèåì
îòõîäÿùèõ ãàçîâ,
ò.ê. ïðè ñîäåðæàíèè
â ãàçå áîëåå 5% îêèñè
óãëåðîäà - ñìåñü
âçðûâîîïàñíà.
Óñòðîéñòâî
äëÿ óëàâëèâàíèÿ
è î÷èñòêè ãàçîâ
ýëåêòðîïå÷è (ðèñóíîê
4.1)
 òå÷åíèå
ïëàâêè êîëè÷åñòâî
âûõîäÿùèõ èç
ïå÷è ãàçîâ êîëåáëåòñÿ
â ïðåäåëàõ 40-500 ì3/÷
íà 1 ò. Áîëüøîå êîëè÷åñòâî
ãàçîâ âûäåëÿåòñÿ
âî âðåìÿ ïðîäóâêè
ìåòàëëà êèñëîðîäîì.
Ñðåäíèé âûõîä
ãàçà çà ïëàâêó
ñîñòàâëÿåò 50-60
ì3/÷ íà 1 ò. Îòõîäÿùèå
ãàçû ñîäåðæàò
âçâåøåííûå ÷àñòè÷êè
ïûëè, êîëè÷åñòâî
êîòîðîé âî âðåìÿ
ïðîäóâêè èçìåíÿåòñÿ
â ïðåäåëàõ 2-12 ã/ì3,
à â ïåðèîä ðàñïëàâëåíèÿ
0,25-7,6 ã/ì3. Ïûëü - âûñîêîäèñïåðñíà,
îòëè÷àåòñÿ ìàëîé
ýëåêòðîïðîâîäíîñòüþ
è ñîäåðæèò 35-65 % îêñèäîâ
æåëåçà, 6-15 % îêñèäîâ
êàëüöèÿ, 3-13 % ãëèíîçåìà,
à òàêæå îêñèäû
ìàãíèÿ, ìàðãàíöà
è êðåìíèÿ.
Ðèñóíîê
4.1 - Ñõåìà îòáîðà
è î÷èñòêè ãàçîâ
ýëåêòðîïå÷è
- ñâîäîâîå
îòâåðñòèå; 2 - ïàòðóáîê;
3 - çàñëîíêà; 4 - ðåãóëÿòîð
òåìïåðàòêðû; 5
- ïàòðóáîê; 6 - ãàçîõîä;
7 - âîäÿíûå ôîðñóíêè;
8 - èñïàðèòåëü; 9 -
ìîêðûé ñêðóááåð;
10 - òðóáû Âåíòóðè;
11 - øëàìîóëîâèòåëü;
12 - âåíòèëÿòîð-äûìîñîñ.
 ïðîöåññå
ïëàâêè ãàçîâàÿ
ôàçà ïîñòîÿííî
îáíîâëÿåòñÿ;
â åå ñîñòàâ âõîäèò
äî 20 % îêñèäà óãëåðîäà,
äî 10 % êèñëîðîäà,
à òàêæå äèîêñèä
óãëåðîäà è âîäîðîä.
Òåìïåðàòóðà åå
ïðèìåðíî ðàâíà
òåìïåðàòóðå ìåòàëëà.
Ïðè ñîïðèêîñíîâåíèè
ñ îêðóæàþùèì
âîçäóõîì ãîðþ÷èå
ñîñòàâëÿþùèå
ãàçîâîé ôàçû
ñãîðàþò. Ïîòåðè
òåïëà ïðè ýòîì
äîñòèãàþò 10 % îò
ââîäèìîé â ïå÷ü
ýëåêòðè÷åñêîé
ìîùíîñòè.
Îòáîð ãàçà
èç ðàáî÷åãî ïðîñòðàíñòâà
äóãîâîé ïå÷è
îñóùåñòâëÿþò
÷åðåç ñâîäîâîå
îòâåðñòèå. Ìåæäó
îòâåðñòèåì â
ñâîäå è ãàçîîòáîðíûì
ôóòåðîâàííûì
ïàòðóáêîì ïðåäóñìîòðåí
çàçîð 200-300 ìì. Ñîåäèíåíèå
ïàòðóáêà ñ íåïîäâèæíûì
íåîõëàæäàåìûì
ãàçîõîäîì âûïîëíåíî
òàêæå ñ çàçîðîì.
Ýòî ïîçâîëÿåò
ïåðåìåùàòü ïàòðóáîê
ïðè ïîâîðîòå ñâîäà.
Òÿãà ñîçäàåòñÿ
âåíòèëÿòîðîì-äûìîñîñîì.
Äëÿ óïëîòíåíèÿ
ñâîäîâûõ îòâåðñòèé
ó ýëåêòðîäîâ è
ìåæäó çàñëîíêîé
è ðàáî÷èì îêíîì
ïðèìåíÿþò ïíåâìîäèíàìè÷åñêèå
óïëîòíèòåëè,
ãàçû ïî÷òè ïîëíîñòüþ
óäàëÿþòñÿ òîëüêî
÷åðåç ñïåöèàëüíîå
îòâåðñòèå. Äëÿ
î÷èñòêè îò ïûëè
óñòàíîâëåí ìåòàëëè÷åñêèé
ìîêðûé ñêðóááåð
ñ òðóáàìè Âåíòóðè.
Ïîñëå î÷èñòêè
ñîäåðæàíèå ïûëè
â îòõîäÿùèõ ãàçàõ
íå ïðåâûøàåò
80 ìã/ì3.
4.4 Ïðåäóïðåæäåíèå
è ëèêâèäàöèÿ
àâàðèè è ÷ðåçâû÷àéíûõ
ñèòóàöèé
Âîçìîæíûìè
àâàðèÿìè è ×Ñ
â ÝÑÏÖ ÎÀÎ «ÌÌÊ»
ÿâëÿþòñÿ: âçðûâ,
ïîæàð, ðàçðûâ ãàçîïðîâîäà,
ðàçðûâ âîäîïðîâîäà,
ïîðàæåíèå ýëåêòðè÷åñêèì
òîêîì, ðåçêèé
ïåðåïàä íàïðÿæåíèÿ.
Íà ó÷àñòêå, ãäå
ïëàíèðóåòñÿ óñòàíîâêà
ìàíèïóëÿòîðà
ìîæåò ïðîèçîéòè
ïðîãàð ñòàëåðàçëèâî÷íîãî
êîâøà íà òåëåæêå
ñòàëüêîâøà, à
òàêæå âûõîä èç
ñòðîÿ øèáåðíîãî
çàòâîðà.
Îòêðûòîå
ïëàìÿ è èñêðû
íàèáîëåå ÷àñòî
ÿâëÿþòñÿ èñòî÷íèêîì
çàæèãàíèÿ ðàçëè÷íîé
ãîðÿ÷åé ñðåäû.
Ïîæàðîâçðûâîîïàñíûìè
ìåñòàìè â ýëåêòðîñòàëåïëàâèëüíîì
öåõå ÿâëÿþòñÿ
ïå÷íîé ïðîëåò
(ïå÷ü, ìóëüäû), ðàçëèâî÷íûé
ïðîëåò (ñòàëüêîâø,
ÌÍËÇ, èçëîæíèöû),
à òàêæå ìåñòà
ñâàðêè, ãàçîâîé
ðåçêè ìåòàëëà,
ìåñòà íàõîæäåíèÿ
âñåãî ýëåêòðîîáîðóäîâàíèÿ.
Äëÿ ïðåäóïðåæäåíèÿ
ïîæàðîâ íåîáõîäèìû
êîíòðîëüíî-èçìåðèòåëüíûå
ïðèáîðû, àïïàðàòóðà
ñâåòîçâóêîâîé
ñèãíàëèçàöèè,
áëîêèðîâêè áåçîïàñíîñòè.
 öåõå íà ñëó÷àé
âîçíèêíîâåíèÿ
àâàðèé, ÷ðåçâû÷àéíûõ
ñèòóàöèé, íà
êàæäóþ àâàðèþ
ðàçðàáîòàí ïëàí
ëèêâèäàöèè àâàðèé
(ÏËÀ), êîòîðûé ñîñòîèò
èç îïåðàòèâíîé
÷àñòè ïëàíà ëèêâèäàöèè
àâàðèé; àíàëèçà
îïàñíîñòè íà
îáúåêòàõ ïðîèçâîäñòâà
è ïîòðåáëåíèÿ;
ïëàíà ïîìåùåíèÿ
ñ ðàñïîëîæåíèåì
îñíîâíîãî îáîðóäîâàíèÿ;
ñïèñêà îòâåòñòâåííûõ
çà âûïîëíåíèå
ìåðîïðèÿòèé, çà
áåçîïàñíóþ ýêñïëóàòàöèþ
è òåõíè÷åñêîå
ñîñòîÿíèå îáîðóäîâàíèÿ
öåõà, ó÷àñòêîâ,
ñìåí, äîëæíîñòíûõ
ëèö ÎÀÎ «ÌÌÊ», ñïåöïîäðàçäåëåíèé,
ïðåäñòàâèòåëåé
Ðîñòåõíàäçîðà;
ñõåìû îïîâåùåíèÿ
äîëæíîñòíûõ
ëèö è ñëóæá, êîòîðûå
äîëæíû áûòü èçâåùåíû
îá àâàðèè; ðàñïðåäåëåíèÿ
îáÿçàííîñòåé
ìåæäó äîëæíîñòíûìè
ëèöàìè, ó÷àñòâóþùèõ
â ëèêâèäàöèè
àâàðèè è ïîðÿäêà
èõ äåéñòâèé; ñõåìû
îïîâåùåíèÿ î
ðàäèàöèîííîé
àâàðèè; àêòà ïðîâåðêè
èñïðàâíîñòè
âåíòèëÿöèîííûõ
óñòðîéñòâ; àêòà
îá èñïðàâíîñòè
çàïàñíûõ âûõîäîâ
è âõîäîâ; àêòà
ïðîâåðêè èñïðàâíîñòè
àâàðèéíîãî îñâåùåíèÿ
öåõà; àêòà ïðîâåðêè
èñïðàâíîñòè
àâàðèéíîé ñèãíàëèçàöèè
è ñâÿçè öåõà; ìåðîïðèÿòèÿ
ïî àíòèòåððîðó;
ãðàôèêà ïðîòèâîàâàðèéíûõ
òðåíèðîâîê; êðàòêîãî
îïèñàíèÿ òåõíîëîãè÷åñêîãî
ïðîöåññà, îáîðóäîâàíèÿ,
ìåõàíèçìîâ, îïàñíûõ
è âðåäíûõ ïðîèçâîäñòâåííûõ
ôàêòîðîâ; ïåðå÷íÿ
ñðåäñòâ èíäèâèäóàëüíîé
çàùèòû; ñõåìû
ãàçî- è êèñëîðîäîïðîâîäîâ;
ïåðå÷åíÿ òåõíè÷åñêèõ
óñòðîéñòâ íà
ÎÏÎ ó÷àñòêà ðàçëèâêè
ñòàëè ÝÑÏÖ
.
Îïåðàòèâíàÿ
÷àñòü ïëàíà ëèêâèäàöèè
àâàðèé íà ó÷àñòêå
ðàñïîëîæåíèÿ
ñòàëüêîâøà ïðèâåäåíà
â òàáëèöå 4.6.
Òàáëèöà
4.6 - Îïåðàòèâíàÿ
÷àñòü ïëàíà ëèêâèäàöèè
àâàðèé íà ó÷àñòêå
ðàñïîëîæåíèÿ
ñòàëüêîâøà
|
¹ ï/ï
|
Íàèìåíîâàíèå
àâàðèè, ìåñòà
èõ âîçíèêíîâåíèÿ,
â ò. ÷. çà ïðåäåëàìè
òåððèòîðèè îðãàíèçàöèè
|
Ïîñëåäîâàòåëüíîñòü
îðãà-íèçàöèîííûõ
è òåõíè÷åñêèõ
ìåðîïðèÿòèé ïî
çàùèòå è ñïàñåíèþ
ëþäåé, ëèêâèäàöèè
àâàðèé è ëîêàëèçàöèè
èõ âîçäåéñòâèÿ
(ñ óêàçàíèåì
ïðèìåíÿåìûõ
òåõíè÷åñêèõ
ñðåäñòâ ïðîòèâîàâàðèéíîé
çàùèòû â ñîîòâåòñòâèè
ñ ïðèíöèïè-àëüíîé
òåõíîëîãè÷åñêîé
ñõåìîé). Ïîðÿäîê
ââîäà ÏËÀ â äåéñòâèå
|
Èñïîëíèòåëè,
îáåñïå÷èâàþùèå
âûïîëíåíèå ìåðîïðèÿòèé
ïî ëèêâèäàöèè
àâàðèé, îïîâåùåíèþ,
ñïàñåíèþ ëþäåé,
â ò.÷. äåéñòâèå
ÃÑÑ, ÄÃÑÄ è äðóãèõ
ñïåöèàëüíûõ
ïîäðàçäåëåíèé
|
Ìåñòà
íàõîæäåíèÿ ñðåäñòâ
ïðîòèâîàâàðèéíîé
çàùèòû è ñïàñåíèÿ
ëþäåé (â ñîîòâåòñòâèè
ñ ïëàíîì ó÷àñòêà)
|
Îòâåòñò-âåííûé
ðóêîâîäè-òåëü
ðàáîò
|
|
1
|
Ïðîãàð
ñòàëåðàçëè-âî÷íîãî
êîâøà íà òåëåæêå
ñòàëüêîâøà
|
1.Ñîîáùèòü
äèñïåò÷åðó ò.
24-15-85 Âûçâàòü ïîæàðíóþ
îõðàíó 01. 2. Ýâàêóèðîâàòü
ëþäåé èç îïàñíîé
çîíû, âêëþ÷èòü
àâàðèéíóþ ñèãíàëèçàöèþ.
3. Ñúåõàòü òåëåæêîé
ñòàëüêîâøà â
ñòîðîíó àâàðèéíîãî
ïðèÿìêà. 4. Çàëèòü
âîäîé ìåñòà ïîïàäàíèÿ
ìåòàëëà è î÷èñòèòü
ðàáî÷óþ ïëîùàäêó
îò ñêðàïèí. 5. Îðãàíèçîâàòü
âñòðå÷ó ïîæàðíûõ
ïîäðàçäåëåíèé.
|
Ïåðâûé
çàìåòèâøèé,
Ìàñòåð ðàçëèâêè,
ñòàðøèé ðàçëèâùèê
Ìàñòåð ðàçëèâêè,
ñòàðøèé ðàçëèâùèê.
Ìàñòåð ðàçëèâêè,
ñòàðøèé ðàçëèâùèê
Ìàñòåð ðàçëèâêè,
ñòàðøèé ðàçëèâùèê
Ìàñòåð ðàçëèâêè
|
Ðàçëèâî÷íàÿ
ïëîùàäêà, (ïîæàðíûé
ùèò) Ãëàâíûé
ïîñò óïðàâëåíèÿ
(àïòå÷êà, îãíåòóøèòåëü)
Äèñïåò÷åðñêàÿ
(íîñèëêè)
|
Íà÷àëüíèê
ñìåíû, äî ïðèáûòèÿ
íà÷àëüíèêà öåõà
|
5 ÀÍÀËÈÇ
ÒÅÕÍÈÊÎ-ÝÊÎÍÎÌÈ×ÅÑÊÈÕ
ÏÎÊÀÇÀÒÅËÅÉ
.1 Ýêîíîìè÷åñêîå
îáîñíîâàíèå
ïðîåêòà
 ñîñòàâ
ýëåêòðîñòàëåïëàâèëüíîãî
öåõà âõîäÿò òðè
ñòàëåïëàâèëüíûõ
àãðåãàòà - äâå
äóãîâûå ýëåêòðîñòàëåïëàâèëüíûå
ïå÷è è îäèí äâóõâàííûé
ñòàëåïëàâèëüíûé
àãðåãàò, äâå ñîðòîâûå
è îäíà ñëÿáîâàÿ
ìàøèíû íåïðåðûâíîãî
ëèòüÿ çàãîòîâîê,
äâà àãðåãàòà
“ïå÷ü-êîâø”, àãðåãàò
äîâîäêè ñòàëè
è óñòàíîâêà óñðåäíèòåëüíîé
ïðîäóâêè ñòàëè.
Íà ÌÍËÇ-2
äëÿ óñòàíîâêè,
ñúåìà è ïåðåäà÷è
êðûøåê òåðìîñòàòèðîâàíèÿ
ñòàëåðàçëèâî÷íîãî
êîâøà èç îäíîãî
ïðîëåòà (ðàçëèâî÷íîãî)
öåõà â äðóãîé
(ïðîëåò ÌÍËÇ) èñïîëüçóþò
ìîñòîâûå êðàíû
áîëüøîé ãðóçîïîäúåìíîñòè.
Îñíîâíîé çàäà÷åé
ÿâëÿåòñÿ ìîäåðíèçàöèÿ
êîíñòðóêöèè
ñòàëåðàçëèâî÷íîãî
ñòåíäà ñ öåëüþ
ðàçãðóçêè ðàáîòû
ìîñòîâûõ êðàíîâ
è ñîêðàùåíèÿ
çàòðàò íà ïîòðåáëÿåìîå
ýëåêòðè÷åñòâî.
Ðàöèîíàëüíûì
ðåøåíèåì ïîñòàâëåííîé
çàäà÷è íà ñåãîäíÿøíèé
äåíü ïðåäñòàâëÿåòñÿ
ðàçðàáîòêà è
âíåäðåíèå ìåõàíèçàöèè
òðàíñïîðòèðîâêè
êðûøåê òåðìîñòàòèðîâàíèÿ
ñòàëåðàçëèâî÷íîãî
êîâøà.
Äëÿ îñóùåñòâëåíèÿ
ïîñòàâëåííîé
çàäà÷è â ïðîåêòå
ïðåäëàãàåòñÿ
ïðîâåñòè óñòàíîâêó
íà ñóùåñòâóþùóþ
êîíñòðóêöèþ
ñòàëåðàçëèâî÷íîãî
ñòåíäà ñòàöèîíàðíóþ
êîíñîëüíóþ êîíñòðóêöèþ
ñ ìåõàíèçìàìè
ïîâîðîòà, ìåõàíèçìàìè
ïîäúåìà è îïóñêàíèÿ
êðûøåê.
Ôàêòîðû, îïðàâäûâàþùèå
êàïèòàëüíûå
âëîæåíèÿ íà âíåäðåíèå
ìåõàíèçàöèè
òðàíñïîðòèðîâêè
êðûøåê êîâøåé
íà ïîäúåìíî-ïîâîðîòíîì
ñòåíäå ìíëç-2
èçëîæåíû íèæå:
- ðàçãðóçèòü
ðàáîòó ìîñòîâûõ
êðàíîâ ðàçëèâî÷íîãî
ïðîëåòà;
- óëó÷øåíèå
óñëîâèé òðóäà
è ïîâûøåíèå áåçîïàñíîñòè
ýêñïëóàòàöèè
ÌÍËÇ-2;
- óìåíüøåíèå
ýíåðãîçàòðàò
çà ñ÷åò ñíèæåíèÿ
êîëè÷åñòâà ïîòðåáëÿåìîé
ýëåêòðîýíåðãèè.
5.2 Îðãàíèçàöèîííî-ïðàâîâàÿ
ôîðìà ïðåäïðèÿòèÿ
Ïîëíîå íàèìåíîâàíèå
- îòêðûòîå àêöèîíåðíîå
îáùåñòâî “Ìàãíèòîãîðñêèé
ìåòàëëóðãè÷åñêèé
êîìáèíàò”, ñîêðàùåííîå
íàçâàíèå - ÎÀÎ
“ÌÌÊ”.
Îòêðûòîå
àêöèîíåðíîå îáùåñòâî
(ÎÀÎ):
·×èñëî àêöèîíåðîâ
íå îãðàíè÷åíî.
· Âïðàâå ïðîâîäèòü
îòêðûòóþ ïîäïèñêó
íà âûïóñêàåìûå
èì àêöèè è îñóùåñòâëÿòü
èõ ñâîáîäíóþ
ïîëèòèêó.
· Ìèíèìàëüíûé
óñòàâíûé êàïèòàë
1000 ÌÐÎÒ.
·Â ÎÀÎ íå äîïóñêàåòñÿ
óñòàíîâëåíèå
ïðåèìóùåñòâåííîãî
ïðàâà íà ïðèîáðåòåíèå
àêöèé, îò÷óæäàåìûõ
åãî àêöèîíåðàìè.
· Îáÿçàíî ïóáëèêîâàòü
ãîäîâîé îò÷åò
è áóõãàëòåðñêèé
áàëàíñ, ñîîáùåíèå
î ïðîâåäåíèè îáùåãî
ñîáðàíèÿ àêöèîíåðîâ
è äð.
Îòêðûòîå
àêöèîíåðíîå îáùåñòâî
“Ìàãíèòîãîðñêèé
ìåòàëëóðãè÷åñêèé
êîìáèíàò” (â äàëüíåéøåì
èìåíóåìîå “Îáùåñòâî”)
ó÷ðåæäåíî â ñîîòâåòñòâèè
ñ Óêàçîì Ïðåçèäåíòà
Ðîññèéñêîé Ôåäåðàöèè
“Îá îðãàíèçàöèîííûõ
ìåðàõ ïî ïðåîáðàçîâàíèþ
ãîñóäàðñòâåííûõ
ïðåäïðèÿòèé, äîáðîâîëüíûõ
îáúåäèíåíèé
ãîñóäàðñòâåííûõ
ïðåäïðèÿòèé â
àêöèîíåðíûå îáùåñòâà”
îò 1 èþëÿ 1992ã. ¹ 721.
Îáùåñòâî
â ñâîåé äåÿòåëüíîñòè
ðóêîâîäñòâóåòñÿ
Ãðàæäàíñêèì
êîäåêñîì ÐÔ, Ôåäåðàëüíûì
çàêîíîì "Îá àêöèîíåðíûõ
îáùåñòâàõ" (äàëåå
ïî òåêñòó “Çàêîí”),
èíûìè ïðàâîâûìè
àêòàìè Ðîññèéñêîé
Ôåäåðàöèè, íàñòîÿùèì
Óñòàâîì, âíóòðåííèìè
äîêóìåíòàìè
Îáùåñòâà.
Óñòàâíûé
êàïèòàë Îáùåñòâà
ñîñòàâëÿåò 10
630 221 600 (äåñÿòü ìèëëèàðäîâ
øåñòüñîò òðèäöàòü
ìèëëèîíîâ äâåñòè
äâàäöàòü îäíó
òûñÿ÷ó øåñòüñîò)
ðóáëåé.
Óñòàâíûé
êàïèòàë Îáùåñòâà
ñîñòàâëÿåòñÿ
èç íîìèíàëüíîé
ñòîèìîñòè 10 630
221 600 àêöèé, â òîì ÷èñëå:
ïðèâèëåãèðîâàííûõ
àêöèé òèïà À â
êîëè÷åñòâå - 2
657 556 000 øòóê, íîìèíàëüíîé
ñòîèìîñòüþ 1 (îäèí)
ðóáëü;
îáûêíîâåííûõ
àêöèé â êîëè÷åñòâå
- 7 972 665 600 øòóê, íîìèíàëüíîé
ñòîèìîñòüþ 1 (îäèí)
ðóáëü.
Êîíâåðòèðîâàíû
â îáû÷íûå è 2005 ãîäó
Îáùåñòâî
ðàçìåùàåò îáûêíîâåííûå
àêöèè è âïðàâå
ðàçìåùàòü îäèí
èëè íåñêîëüêî
òèïîâ ïðèâèëåãèðîâàííûõ
àêöèé. Íîìèíàëüíàÿ
ñòîèìîñòü ïðèâèëåãèðîâàííûõ
àêöèé íå äîëæíà
ïðåâûøàòü 25 ïðîöåíòîâ
îò óñòàâíîãî
êàïèòàëà Îáùåñòâà.
Ñòðóêòóðà
óïðàâëåíèÿ ÎÀÎ
«ÌÌÊ» ïðåäñòàâëåíà
íà ðèñ. 5.1.
Ðèñóíîê
5.1. -Ñòðóêòóðà óïðàâëåíèÿ
ÎÀÎ «ÌÌÊ»
Ñòðóêòóðà
óïðàâëåíèÿ ýëåêòðîñòàëåïëàâèëüíîãî
öåõà ïðåäñòàâëåíà
íà ðèñ. 5.2.
Ðèñóíîê
5.2 -Ñòðóêòóðà óïðàâëåíèÿ
ýëåêòðîñòàëåïëàâèëüíîãî
öåõà
5.3 Ìàðêåòèíãîâûå
èññëåäîâàíèÿ
ðûíêà ñáûòà ïðîäóêöèè
ÎÀÎ “ÌÌÊ” ïðîèçâîäèò
ñàìûé øèðîêèé,
íà ñåãîäíÿøíèé
äåíü, ñîðòàìåíò
ìåòàëëîïðîäóêöèè
ñðåäè ïðåäïðèÿòèé
Ðîññèéñêîé Ôåäåðàöèè
è ñòðàí ÑÍÃ. ÎÀÎ
«ÌÌÊ» ÿâëÿåòñÿ
îäíèì èç êðóïíåéøèõ
â Ðîññèè ïðîèçâîäèòåëåì
âûñîêîêà÷åñòâåííîé
õîëîäíîêàòàíîé
ëåíòû è áåëîé
æåñòè. Ñôåðà äåÿòåëüíîñòè
ÎÀÎ “ÌÌÊ” - ýòî:
äîáû÷à è ïåðåðàáîòêà
èçâåñòíÿêà;
äîáû÷à æåëåçîñîäåðæàùåãî
ñûðüÿ;
ïðîèçâîäñòâî
êîêñà;
äîìåííîå
ïðîèçâîäñòâî;
êîíâåðòåðíîå
ïðîèçâîäñòâî
ñòàëè;
ïðîèçâîäñòâî
ã/ê ëèñòà è çàãîòîâîê;
ïðîèçâîäñòâî
õ/ê ëèñòà ñ ïîêðûòèåì
è áåç íåãî, à òàêæå
â ðóëîíàõ;
ïðîèçâîäñòâî
ñîðòîâîé ïðîäóêöèè
â øèðîêîì àññîðòèìåíòå;
ïðîèçâîäñòâî
ìåëêîãî ìåòàëëóðãè÷åñêîãî
îáîðóäîâàíèÿ;
ïðîèçâîäñòâî
öåìåíòà;
ïðîèçâîäñòâî
ÒÍÏ;
ðåàëèçàöèÿ
ïðîèçâåäåííîé
ïðîäóêöèè.
Êîìáèíàò
âûïëàâëÿåò 300 ìàðîê
ñòàëè, ïðîèçâîäèò
äî 780 òèïîâ ã/ê ïðîôèëåé,
äî 400 òèïîâ õ/ê ïðîôèëåé,
à òàêæå äî 1800 òèïîâ
õ/ê ëèñòà.
Ïðîäóêöèÿ
ïðîèçâîäèìàÿ
ÌÍËÇ 2 ïîëüçóåòñÿ
ñïðîñîì íà ðûíêå
ñáûòà ïðîìûøëåííîé
ïðîäóêöèè.
Îïòîâûå ïîêóïàòåëè
ïðîäóêöèè ÌÍËÇ
2:
· Çëàòîóñò
(äëÿ ïðîèçâîäñòâà
êàòàíêè);
· Êîïåéñê
(äëÿ ïðîèçâîäñòâà
øâåëëåðà, óãîëêà
è øòðèïñà);
· Çàâîëæñêèé
àãðåãàòíûé çàâîä
(500¸600 ò â ìåñÿö)
Áîëüøóþ ÷àñòü
ðåàëèçóåìîé
ïðîäóêöèè ñîñòàâëÿþò
ýêñïîðòíûå ïîñòàâêè
(33% ýêñïîðòà óõîäÿò
â Èòàëèþ, 33% â ÑØÀ,
îñòàëüíûå â Íèäåðëàíäû
è Èñïàíèþ).
Ïðîöåíòíîå
ñîîòíîøåíèå
ýêñïîðòíûõ ïîñòàâîê
ïðåäñòàâëåíî
íà ðèñ. 5.3.
Ðèñóíîê
5.3 -Äèàãðàììà ýêñïîðòíûõ
ïîñòàâîê ïðîäóêöèè,
ïðîèçâîäèìîé
ÌÍËÇ 2
Ïðè òàêèõ
ïîñòàâêàõ ãàðàíòèðîâàíà
ïðåäîïëàòà èëè
îïëàòà â ìîìåíò
îòãðóçêè. Íî ïðè
ýêñïîðòå öåíà
ðåàëèçàöèè åäèíèöû
òîâàðà äîâîëüíî
íèçêàÿ. Òî åñòü
ïðåäïðèÿòèÿ ïîëó÷àþò
íèçêóþ ðåíòàáåëüíîñòü
ïðè ñáûòå ýêñïîðòíîãî
òîâàðà, êîìïåíñèðóÿ
ýòî çàâûøåíèåì
öåí íà âíóòðåííåì
ðûíêå.
Çíà÷èòåëüíî
ïîâûñèëñÿ ñïðîñ
íà ïîñòàâêó òîâàðà
íàèáîëüøèìè
ïàðòèÿìè îòäåëüíûì
çàêàç÷èêàì,
ïðè÷åì êîëè÷åñòâî
ïðîêàòà ïðåäñòàâëåííîãî
ïî ïðåäîïëàòå
ñîñòàâëÿåò 1000 ò/ìåñÿö.
Îáúåì ãîäîâîé
ïðîäóêöèè ñîñòàâëÿåò
1027848/ãîä.
5.4 Ôèíàíñîâàÿ
îöåíêà ïðîåêòà
5.4.1 Ïðîèçâîäñòâåííàÿ
ïðîãðàììà ó÷àñòêà
×àñîâàÿ ïðîèçâîäèòåëüíîñòü
îäíîé ìàøèíû
íåïðåðûâíîãî
ëèòüÿ çàãîòîâîê
(ÌÍËÇ) ñîñòàâëÿåò
205,2 òîíí.
Áëàãîäàðÿ
ðàçðàáîòêè è
âíåäðåíèþ ìåõàíèçàöèè
òðàíñïîðòèðîâêè
êðûøåê òåðìîñòàòèðîâàíèÿ
ñòàëåðàçëèâî÷íîãî
êîâøà ìû ìîæåì
óìåíüøèòü âðåìÿ
ïðîñòîÿ, çà ñ÷åò
÷åãî óâåëè÷èì
ôàêòè÷åñêîå
âðåìÿ, à ñëåäîâàòåëüíî
è ãîäîâóþ ïðîèçâîäèòåëüíîñòü.
Öåõ ðàáîòàåò
24 ÷àñà â ñóòêè
365 äíåé â ãîäó.
Îïðåäåëèì
ôàêòè÷åñêîå
âðåìÿ ðàáîòû îáîðóäîâàíèÿ
ïî ôîðìóëå:
, (5.1)
ãäå
-ôàêòè÷åñêîå
âðåìÿ ðàáîòû îáîðóäîâàíèÿ;
-íîìèíàëüíîå
âðåìÿ ðàáîòû îáîðóäîâàíèÿ;
- âðåìÿ âñåõ
ïðîñòîåâ,
;
-âðåìÿ òåêóùèõ
ïðîñòîåâ,
;
- âðåìÿ êàïèòàëüíûõ
ðåìîíòîâ,
;
- âðåìÿ òåêóùåãî
ðåìîíòà,
;
- âðåìÿ òåõîñìîòðà,
;
-âðåìÿ ïðàçäíèêîâ
è âûõîäíûõ.
.
Íîìèíàëüíîå
âðåìÿ ðàáîòû îáîðóäîâàíèÿ
îïðåäåëèì ïî ôîðìóëå:
, (5.2)
- êàëåíäàðíîå
âðåìÿ;
.
Êàëåíäàðíîå
âðåìÿ:
, (5.3)
ãäå
-ïðîäîëæèòåëüíîñòü
ñìåíû â ÷àñàõ;
-êîëè÷åñòâî
ñìåí â ñóòêè.
.
Îïðåäåëèì
âðåìÿ ïðàçäíèêîâ
è âûõîäíûõ:
, (5.4)
- êîëè÷åñòâî
âûõîäíûõ â íåäåëþ;
- êîëè÷åñòâî
ãîñóäàðñòâåííûõ
ïðàçäíèêîâ çà
ãîä.
.
Ãîäîâîé îáúåì
ïðîèçâîäñòâà
ðàññ÷èòûâàåòñÿ
ïî ôîðìóëå:
, (5.5)
Áàçîâûé ãîäîâîé
îáúåì ïðîèçâîäñòâà
,
Ïðîåêòíûé
ãîäîâîé îáúåì
ïðîèçâîäñòâà
.
Áàëàíñ âðåìåíè
ðàáîòû îáîðóäîâàíèÿ
ïðåäñòàâëåí â
òàáëèöå 5.1.
Òàáëèöà
5.1 -Áàëàíñ âðåìåíè
ðàáîòû îáîðóäîâàíèÿ
|
Ïîêàçàòåëü
|
Áàçà
|
Ïðîåêò
|
Îòêëîíåíèÿ
+/-
|
|
1.Êàëåíäàðíîå
âðåìÿ, ÷;
|
8760
|
8760
|
0
|
|
2.Ïëàíèðóåìûå
ïðîñòîè âñåãî,
â òîì ÷èñëå ÊÐ
ÒÐ ÒÎ Òïð
|
0 120 400 200 0
|
0 120 400 200 0
|
0 0 0 0 0
|
|
3.Íîìèíàë.âðåìÿ,÷;
|
8207,61
|
8207,61
|
0
|
|
4.Òåêóùèå
ïðîñòîè,÷;
|
1208,25
|
1208,25
|
0
|
|
5.Ôàêòè÷åñêîå
âðåìÿ,÷
|
8207,61
|
8207,61
|
0
|
5.4.2 Ðàñ÷åò
êàïèòàëüíûõ
çàòðàò
Êàïèòàëüíûå
çàòðàòû íà ìîíòàæ
è äåìîíòàæ îáîðóäîâàíèÿ
îïðåäåëèì ïî ôîðìóëå:
, (5.6)
ãäå
- çàòðàòû
íà ïðèîáðåòåíèå
îáîðóäîâàíèÿ;
- çàòðàòû
íà ìîíòàæ;
- îñòàòî÷íàÿ
ñòîèìîñòü äåìîíòèðîâàííîãî
îáîðóäîâàíèÿ;
- çàòðàòû
íà äåìîíòàæ;
- ñòîèìîñòü
äåìîíòèðîâàííîãî
îáîðóäîâàíèÿ
ïî öåíå ìåòàëëîëîìà.
Òàê êàê ìàíèïóëÿòîð
ëèøü ìîíòèðóþò,
à äåìîíòàæà íåò,
òî
,
,
.
Çàòðàòû íà
ïðèîáðåòåíèå
íîâîãî îáîðóäîâàíèÿ
ðàññ÷èòûâàþòñÿ
ïî ôîðìóëå:
, (5.7)
ãäå
- çàòðàòû
íà ïðèîáðåòåíèå
îáîðóäîâàíèÿ;
- îïòîâàÿ öåíà
îáîðóäîâàíèÿ,
;
- ñòîèìîñòü
çàïàñíûõ ÷àñòåé,
;
- çàòðàòû
íà ïðîåêòèðîâàíèå,
;
- òðàíñïîðòíûå
ðàñõîäû,
;
- ñêëàäñêèå
ðàñõîäû,
;
- çàòðàòû
íà êîìïëåêòàöèþ,
;
- çàòðàòû
íà äîâîäêó è èñïûòàíèå
îñîáî ñëîæíîãî
îáîðóäîâàíèÿ,
;
- çàòðàòû
íà íåó÷òåííîå
îáîðóäîâàíèå,
. (5.8)
.
Êàïèòàëüíûå
çàòðàòû ïðåäñòàâëåíû
â òàáë. 5.2.
Òàáëèöà
5.2 -Êàïèòàëüíûå
çàòðàòû
|
Íàèìåíîâàíèå
çàòðàò
|
Êîëè÷åñòâî,
åä
|
Öåíà,
ìëí.ðóá/åä
|
Ñóììà,
ìëí.ðóá
|
|
1.Ïðèîáðåòàåìîå
îáîðóä-å: -ãèäðîöèëèíäð;
-ãèäðîìîòîð; -ãèäðîàïïàðàòóðà;
-ìåòàëëîêîíñòðóêöèè;
-ýëåìåíòû àâòîìàòèêè;
|
1 1 10 1,5ò 10
|
0,15 0,25 0,03 0,73 0,02
|
0,15 0,25 0,3 1,1 0,2
|
|
2.Ñòîèìîñòü
çàïàñíûõ ÷àñòåé:
-çàïàñíûå ÷àñòè
è èíñòðóìåíòû;
|
|
|
0,2
|
|
|
0,4
|
|
4.Òðàíñïîðòíûå
ðàñõîäû
|
|
|
0,15
|
|
5.Çàãîòîâèòåëüíî-ñêëàäñêèå
ðàñõîäû
|
|
|
0,022
|
|
6.Çàòðàòû
íà êîìïëåêòàöèþ
|
|
|
0,01
|
|
7.Çàòðàòû
íà äîâîäêó
|
|
|
0
|
|
8.Çàòðàòû
íà íåó÷òåííîå
îáîðóäîâàíèå
|
|
|
0,1386
|
|
9.Çàòðàòû
íà ìîíòàæ è äåìîíòàæ
|
|
|
2,9206
|
|
10.Îñòàòî÷íàÿ
ñòîèìîñòü äåìîíòèðîâàííîãî
îáîðóäîâàíèÿ
|
|
|
0
|
|
11.Ñòîèìîñòü
äåìîíòèðîâàííîãî
îáîðóäîâàíèÿ
ïî öåíå âîçìîæ.
èñïîëüçîâàíèÿ
|
|
|
0
|
|
Âñåãî
çàòðàò
|
|
|
3,21266
|
5.4.3 Îðãàíèçàöèÿ
òðóäà è ç/ï íà ó÷àñòêå
Øòàòíîå
ðàñïèñàíèå ïðîèçâîä.
ðàáî÷èõ ïî ÝÑÏÖ
ïðåäñòàâëåíî
â òàáë. 5.3.
Òàáëèöà
5.3 -Øòàòíîå ðàñïèñàíèå
ïðîèçâîäñòâåííûõ
ðàáî÷èõ ïî ÝÑÏÖ
|
Ïðîôåññèÿ
|
Ðàçðÿä
|
Êîëè÷åñòâî
ðàáî÷èõ,÷åë
|
×àñîâàÿ
òàðèô. ñòàâêà,ðóá/÷àñ
|
Ñóììàðíàÿ
÷àñîâàÿ ñòàâêà
|
|
Ñëåñàðü
|
6
|
4
|
100
|
400
|
|
Ðàçëèâùèê
ñòàëè
|
6
|
8
|
194
|
1552
|
|
Ìàøèíèñò
êðàíà ìåòàë ïðîèçâîäñòâà
|
6
|
9
|
166
|
1494
|
|
Îïåðàòîð
ÌÍËÇ
|
5
|
4
|
150
|
600
|
|
Âñåãî
|
|
25
|
|
4046
|
Ðàñ÷åò ãîäîâîãî
ïëàíîâîãî ôîíäà
îïëàòû òðóäà ïî
ðàáîòíèêàì ó÷àñòêà
ïðåäñòàâëåí à
òàáë. 5.4.
Òàáëèöà
5.4 -Ðàñ÷åò ãîäîâîãî
ïëàíîâîãî ôîíäà
îïëàòû òðóäà ïî
ðàáîòíèêàì ó÷àñòêà
|
¹ ï/ï
|
Íàèìåíîâàíèå
ïîêàçàòåëåé
|
|
|
|
|
|
|
Ñëåñàðü
|
Ðàçëèâùèê
|
Ìàøèíèñò
|
Îïåðàòîð
|
|
1
|
Îòíîøåíèå
ê ïðîèçâîäñòâó
|
ÏÐ
|
ÏÐ
|
ÏÐ
|
ÏÐ
|
|
2
|
Ðàçðÿä
ðàáîòû èëè îêëàä
|
6
|
6
|
6
|
5
|
|
3
|
Òàðèôíàÿ
ñåòêà
|
3
|
3
|
3
|
3
|
|
4
|
Òàðèôíàÿ
ñòàâêà (ðóá/÷)
|
100
|
194
|
166
|
150
|
|
5
|
Ñèñòåìà
îïëàòû òðóäà
|
ÑÏÑ
|
ÑÏÑ
|
ÑÏÑ
|
ÑÏÑ
|
|
6
|
Ãðàôèê
ðàáîòû
|
2-Í
|
2-Í
|
2-Í
|
2-Í
|
|
7
|
Êîëè÷åñòâî
ðàáîòàþùèõ, ñîãëàñíî
øòàòíîìó ðàñïèñàíèþ,
÷åë
|
4
|
8
|
9
|
4
|
|
8
|
Ïëàíîâîå
âûïîëíåíèå íîðì
âûðàáîòêè, %
|
110
|
110
|
110
|
110
|
|
9
|
Ôîíä
ðàá. âðåìåíè, ÷åë*÷
|
2190
|
2190
|
2190
|
2190
|
|
9.1
|
Ðàáîòà
â ïðàçä. äíè, ÷åë*÷
|
72
|
72
|
72
|
72
|
|
9.2
|
Ïåðåðàáîòêà
ïî ãðàôèêó, ÷åë*÷
|
118
|
118
|
118
|
118
|
|
9.3
|
Ðàáîòà
â íî÷íîå âðåìÿ,
÷åë*÷
|
730
|
730
|
730
|
730
|
|
9.4
|
Ðàáîòà
â âå÷åðíåå âðåìÿ,
÷åë*÷
|
365
|
365
|
365
|
365
|
|
10
|
Îñíîâíàÿ
ç/ï, ìëí.ðóá
|
0,546
|
1,033
|
0,999
|
0,861
|
|
10.1
|
Îïëàòà
ïî òàðèôó, òûñ.ðóá
|
219
|
424,86
|
363,54
|
328,5
|
|
10.2
|
Ñäåëüíûé
ïðèðàáîòîê, òûñ.ðóá
|
21,9
|
42,49
|
36,35
|
32,85
|
|
10.3
|
Ïðîèçâîäñòâåííàÿ
ïðåìèÿ, òûñ.ðóá
|
192,72
|
350,51
|
399,89
|
325,22
|
|
10.4
|
Äîïëàòà
çà ðàáîòó â ïðàçäíè÷.
äíè, òûñ.ðóá
|
7,92
|
15,36
|
13,15
|
11,88
|
|
10.5
|
Äîïëàòà
çà ïåðåðàáîòêó
ïî ãðàôèêó, òûñ.ðóá
|
4,425
|
8,585
|
7,346
|
6,638
|
|
10.6
|
Äîïëàòà
çà ðàáîòó â íî÷íîå
âðåìÿ, òûñ.ðóá
|
21,9
|
42,49
|
36,35
|
32,85
|
|
10.7
|
Äîïëàòà
çà ðàáîòó â âå÷åðíåå
âðåìÿ, òûñ.ðóá
|
7,3
|
14,162
|
12,118
|
10,95
|
|
10.8
|
Äîïëàòà
ïî ðàéîííîìó
êîýôôèöèåíòó,
òûñ.ðóá
|
71,275
|
134,778
|
130,311
|
112,334
|
|
11
|
Äîïîëíèòåëüíàÿ
ç/ï, òûñ.ðóá
|
81,97
|
154,995
|
149,86
|
129,18
|
|
12
|
Âñåãî
ç/ï, ìëí.ðóá
|
0,628
|
1,188
|
1,149
|
0,990
|
|
13
|
Ãîäîâîé
ôîíä îïëàòû, ìëí.ðóá
|
2,514
|
9,506
|
10,34
|
3,962
|
 êà÷åñòâå
ïðèìåðà ðàñ÷åò
ïðîâîäèì äëÿ ñëåñàðÿ,
àíàëîãè÷íî ïðîâîäÿòñÿ
ðàñ÷åòû è äëÿ
äðóãèõ ïðîôåññèé.
Ôîíä ðàáî÷åãî
âðåìåíè ðàññ÷èòûâàåòñÿ
ïî ôîðìóëå:
, (5.9)
ãäå
- êîëè÷åñòâî
ñìåí â ñóòêàõ;
- ïðîäîëæèòåëüíîñòü
îäíîé ñìåíû;
- êîëè÷åñòâî
áðèãàä, ñîãëàñíî
ãðàôèêó ðàáîòû.
.
Âðåìÿ ðàáîòû
â ïðàçäíè÷íûå
äíè ðàññ÷èòûâàåì
êàê:
, (5.10)
ãäå
- êîëè÷åñòâî
ïðàçäíè÷íûõ
äíåé â ãîäó.
.
Ïåðåðàáîòêà
ïî ãðàôèêó îïðåäåëÿåòñÿ
ïî ôîðìóëå:
, (5.11)
ãäå
- îáùàÿ
ïåðåðàáîòêà çà
ãîä, ïðèõîäÿùàÿñÿ
íà îäíîãî ðàáîòíèêà;
, (5.12)
- ãîäîâàÿ íîðìà
ðàáî÷åãî âðåìåíè,
.
.
Âðåìÿ ðàáîòû
â íî÷íîå âðåìÿ
îïðåäåëÿåòñÿ
ñëåäóþùèì îáðàçîì:
, (5.13)
ãäå
- êîëè÷åñòâî
íî÷íûõ ÷àñîâ,
.
.
Âðåìÿ ðàáîòû
â âå÷åðíåå âðåìÿ:
, (5.14)
ãäå
- êîëè÷åñòâî
âå÷åðíèõ ÷àñîâ,
.
.
Îïëàòà ïî
òàðèôó ðàññ÷èòûâàåòñÿ
ïî ôîðìóëå:
, (5.15)
ãäå
- ÷àñîâàÿ
òàðèôíàÿ ñòàâêà.
;
Ñäåëüíûé
ïðèðàáîòîê:
, (5.16)
ãäå
- íîðìà
âûðàáîòêè áåðåòñÿ
èç ï.8 òàáëèöû
5.4.
;
Ïðîèçâîäñòâåííàÿ
ïðåìèÿ ðàññ÷èòûâàåòñÿ
ïî ôîðìóëå:
, (5.17)
ãäå
- ðàçìåð
ïðåìèè.
;
Äîïëàòà çà
ðàáîòó â ïðàçäíè÷íûå
äíè îïðåäåëÿåòñÿ
ïî ôîðìóëå:
. (5.18)
;
Äîïëàòà çà
ïåðåðàáîòêó ïî
ãðàôèêó:
, (5.20)
ãäå
- êîýôôèöèåíò,
ó÷èòûâàþùèé
ðàçìåð äîïëàò
çà ïåðåðàáîòêó
ïî ãðàôèêó(÷àùå
âñåãî çíà÷åíèå
êîýôôèöèåíòà
ñîîòâåòñòâóåò
37.5%).
;
Äîïëàòà çà
ðàáîòó â íî÷íîå
âðåìÿ:
, (5.21)
ãäå
- Êîýôôèöèåíò,
ó÷èòûâàþùèé
ðàçìåð äîïëàò
çà ðàáîòó â íî÷íîå
âðåìÿ (îò 20 äî 40%).
;
Äîïëàòà çà
ðàáîòó â âå÷åðíåå
âðåìÿ:
, (5.22)
ãäå
- êîýôôèöèåíò,
ó÷èòûâàþùèé
ðàçìåð äîïëàò
çà ðàáîòó â âå÷åðíåå
âðåìÿ (îò 0 äî 20%).
;
Äîïëàòà ïî
ðàéîííîìó êîýôôèöèåíòó:
, (5.23)
ãäå
- ðàéîííûé
êîýôôèöèåíò,
.
;
Îñíîâíàÿ
ç/ï ðàññ÷èòûâàåòñÿ
ïî ôîðìóëå:
5.24
;
Äîïîëíèòåëüíàÿ
ç/ï:
, (5.25)
â íàèáîëüøåé
ñòåïåíè çàâèñèò
îò ïðîäîëæèòåëüíîñòè
î÷åðåäíîãî îòïóñêà
ðàáîòíèêîâ è
ïðèíèìàåòñÿ
15%.
;
Âñåãî ç/ï:
. (5.26)
;
Ãîäîâîé ôîíä
îïëàòû:
. (5.27)
;
Îáùèé ãîäîâîé
ôîíä îïëàòû òðóäà:
.
Îò÷èñëåíèÿ
âî âíåáþäæåòíûå
ôîíäû:
ÏÔ:
,
ÔÑÑ:
, ÔÎÌÑ:
.
5.4.4 Ðàñ÷åò ñåáåñòîèìîñòè
ïðîäóêöèè
Êàëüêóëÿöèÿ
ñåáåñòîèìîñòè
1ò ñòàëè 10ÕÑÍÄÀ
ïðåäñòàâëåíà
â òàáë. 5.5.
Òàáëèöà
5.5 -Êàëüêóëÿöèÿ
ñåáåñòîèìîñòè
1 ò ñòàëè 10ÕÑÍÄÀ
|
Íàèìåíîâàíèå
ñòàòåé
|
Öåíà,
ðóá
|
Áàçà
êîë-âî, ò
|
Áàçà
ñóììà, ðóá
|
Ïðîåêò
êîë-âî,ò
|
Ïðîåêò
ñóììà, ðóá
|
Îòêë-èÿ
+/-
|
|
l.Çàäàíî
â ïðîèçâîäñòâî
|
|
|
|
|
|
|
|
1.Ñûðüå
è îñíîâíûå ìàòåðèàëû
|
|
1,1450
|
10121,44
|
1,1450
|
10121,44
|
0
|
|
2.Îòõîäû
è ïîòåðè ÄÑÏ
|
|
0,1318
|
47,40
|
0,1318
|
47,40
|
0
|
|
3.Îòõîäû
è ïîòåðè ÎÍÐÑ
|
|
0,0132
|
11,10
|
0,0132
|
11,10
|
0
|
|
Èòîãî
çà âû÷åòîì îòõîäîâ
è áðàêà
|
|
1
|
10062,94
|
1
|
10062,94
|
0
|
|
ll.Ðàñõîäû
ïî ïåðåäåëó
|
|
|
|
|
|
|
|
1. Äîáàâî÷íûå
ìàòåðèàëû
|
3186,28
|
0,0778
|
247,89
|
0,0778
|
247,89
|
0
|
|
2.Òåõíîëîãè÷åñêîå
òîïëèâî
|
1511,87
|
0,03629
|
54,86
|
0,03629
|
54,86
|
0
|
|
3.Èñïîëüçîâàíèå
îòõîäÿùåãî òåïëà
|
220
|
|
-2,84
|
|
-2,84
|
0
|
|
4.Ýëåêòðîýíåðãèÿ
|
770
|
0,39843
|
306,79
|
|
305,75
|
-1,04
|
|
5.Âñïîìîãàòåëüíûå
ìàòåðèàëû
|
|
|
233,25
|
|
233,25
|
0
|
|
6.Ôîíä
îïëàòû òðóäà
|
|
|
187,64
|
|
187,64
|
|
7. Åäèíûé
ñîöèàëüíûé íàëîã
|
|
|
27,26
|
|
27,26
|
0
|
|
8. Òåêóùèé
ðåìîíò è ñîäåðæàíèå
îñíîâíûõ ñðåäñòâ
|
|
|
1060,74
|
|
1060,74
|
0
|
|
9.Ñì. îáîðóäîâàíèå,
èíñòðóìåíò è
ìàëîöåí. èíâåíòàðü
|
|
|
68,61
|
|
68,61
|
0
|
|
10. Ðàáîòà
òðàíñïîðòíûõ
öåõîâ
|
|
|
53,58
|
|
53,58
|
0
|
|
11.Àìîðòèçàöèÿ
|
|
|
903,98
|
|
904,17
|
+0,19
|
|
12.Ïðî÷èå
ðàñõîäû
|
|
|
89,69
|
|
89,69
|
0
|
|
13.Èòîãî
öåõîâàÿ ñåáåñòîèìîñòü
|
|
|
13294,39
|
|
13293,54
|
-0,85
|
|
Ðàñõîäû
ïî ïåðåäåëó íà
ïðèâåäåí. òîííó
|
|
|
0
|
|
0
|
0
|
|
Ðàñõîäû
íà ïîäãîòîâêó
è îñâîåíèå ïðîèçâ-âà
|
|
|
0
|
|
0
|
0
|
|
Ïðî÷èå
ïðîèçâîäñòâåííûå
ðàñõîäû
|
|
|
0
|
|
0
|
0
|
|
Îáùåàêöèîíåðñêèå
ðàñõîäû
|
|
|
0
|
|
0
|
0
|
|
15.Èòîãî
ïðîèçâîäñòâåííàÿ
ñåáåñòîèìîñòü
|
|
|
13294,39
|
|
13293,54
|
-0,85
|
Èçìåíåíèå
çàòðàò ïî êàæäîé
ñòàòüå ìîæíî
ðàññ÷èòàòü ïî
ñëåäóþùåé ôîðìóëå:
, (5.28)
ãäå
- äîëÿ
óñëîâíî ïîñòîÿííûõ
çàòðàò;
- êîýôôèöèåíò
ðîñòà îáúåìîâ
ïðîèçâîäñòâà,
.
Òàê êàê ïðè
âíåäðåíèè ìàíèïóëÿòîðà
äëÿ ïåðåìåùåíèÿ
êðûøêè ñòàëüêîâøà
îáúåìû ïðîèçâîäñòâà
íå èçìåíÿþòñÿ,
ñîîòâåòñòâåííî
, òî íå ìåíÿþòñÿ
è ñëåäóþùèå çàòðàòû:
çàòðàòû íà
ôîíä îïëàòû òðóäà
;
çàòðàòû íà
åäèíûé ñîöèàëüíûé
íàëîã
;
çàòðàòû íà
òåêóùèé ðåìîíò
è ñîäåðæàíèå
îñíîâíûõ ñðåäñòâ
;
çàòðàòû ñì.
îáîðóäîâàíèå,
èíñòðóìåíò è
ìàëîöåííûé èíâåíòàðü
;
çàòðàòû íà
òðàíñïîðòíûå
ðàñõîäû
;
çàòðàòû íà
ïðî÷èå öåõîâûå
ðàñõîäû
;
Ïðè âíåäðåíèè
ìåõàíèçìà ïðîèñõîäèò
ñîêðàùåíèå çàòðàò
íà ýëåêòðîýíåðãèþ.
Îíè ðàññ÷èòûâàþòñÿ
ñëåäóþùèì îáðàçîì:
, (5.29)
ãäå
- âðåìÿ
ïîäíÿòèÿ, ïåðåìåùåíèÿ
è îïóñêàíèÿ êðûøêè
ñòàëüêîâøà çà
ãîä,
;
- ìîùíîñòü
äâèãàòåëÿ êðàíà,
è
- ìîùíîñòü
äâèãàòåëÿ ìàíèïóëÿòîðà,
;
- öåíà îäíîãî
êÂò,
.
.
Çàòðàòû íà
àìîðòèçàöèþ:
, (5.30)
ãäå
- àìîðòèçàöèÿ
â áàçîâîì ãîäó;
- íîðìà àìîðòèçàöèè,
.
.
.5 Ðàñ÷åò îñíîâíûõ
òåõíèêî-ýêîíîìè÷åñêèõ
ïîêàçàòåëåé
.5.1 Ðàñ÷åò ÷èñòîé
ïðèáûëè
Íåîáõîäèìûå
äëÿ ðàñ÷åòà ÷èñòîé
ïðèáûëè ïîêàçàòåëè
ïðèâåäåíû â òàáë.
5.6.
Òàáëèöà
5.6 -Íåîáõîäèìûå
ïîêàçàòåëè äëÿ
ðàñ÷åòà ÷èñòîé
ïðèáûëè
|
Ïîêàçàòåëü,
ìëí. ðóá
|
Áàçà
|
Ïðîåêò
|
Îòêëîíåíèÿ
+/-
|
|
1. Âûðó÷êà
îò ðåàëèçàöèè
ïðîäóêöèè
|
18541,35
|
18541,35
|
0
|
|
2. Âûðó÷êà
îò ðåàëèçàöèè
ïðîäóêöèè çà
âû÷åòîì ÍÄÑ
|
15713,01
|
15713,01
|
0
|
|
3. Çàòðàòû
íà ïðîèçâîäñòâî
|
13664,61
|
13658,9
|
-5,71
|
|
4. Ïðèáûëü
îò ðåàëèçàöèè
|
2048,4
|
2054,11
|
-5,71
|
|
5. Íàëîã
íà èìóùåñòâî
|
7,524
|
7,595
|
+0,071
|
|
6. Íàëîãîîáëàãàþùàÿñÿ
ïðèáûëü
|
2040,876
|
2046,515
|
+5,639
|
|
7. Íàëîã
íà ïðèáûëü
|
408,175
|
409,303
|
+1,128
|
|
8. ×èñòàÿ
ïðèáûëü
|
1632,7
|
1637,2
|
-4,5
|
Âûðó÷êà îò
ðåàëèçàöèè ïðîäóêöèè:
, (5.31)
ãäå
- öåíà
1 òîííû ãîòîâîé
ïðîäóêöèè,
,
.
Âûðó÷êà îò
ðåàëèçàöèè ïðîäóêöèè
çà âû÷åòîì ÍÄÑ:
, (5.32)
.
Çàòðàòû íà
ïðîèçâîäñòâî:
, (5.33)
;
.
Ïðèáûëü îò
ðåàëèçàöèè:
, (5.34)
;
.
Íàëîã íà
èìóùåñòâî:
, (5.35)
ãäå
- ñòîèìîñòü
èìóùåñòâà, äåéñòâóþùåãî
íà ó÷àñòêå,
,
.
;
.
Íàëîãîîáëàãàþùàÿñÿ
ïðèáûëü:
, (5.36)
;
.
Íàëîã íà
ïðèáûëü:
, (5.37)
;
.
×èñòàÿ ïðèáûëü:
, (5.38)
;
.
5.5.2 Ðåíòàáåëüíîñòü
ïðîäóêöèè
, (5.39)
;
.
5.5.3 Ïðîèçâîäèòåëüíîñòü
òðóäà
, (5.40)
,
ãäå
-÷èñëåííîñòü
ðàáî÷èõ íà ó÷àñòêå.
5.5.5 Óñëîâíî-ãîäîâàÿ
ýêîíîìèÿ (îò ñíèæåíèÿ
ñåáåñòîèìîñòè)
, (5.41)
.
5.5.5 Ñðîê îêóïàåìîñòè
, (5.42)
ãäå
- èçìåíåíèå
÷èñòîé ïðèáûëè,
.
.
Òåõíèêî-ýêîíîìè÷åñêèå
ïàðàìåòðû ïðîåêòà
ïðåäñòàâëåíû
â òàáë. 5.7.
Òàáëèöà
5.7 -Òåõíèêî-ýêîíîìè÷åñêèå
ïàðàìåòðû ïðîåêòà
|
Ïîêàçàòåëè
|
Áàçà
|
Ïðîåêò
|
Îòêëîíåíèÿ
+/-
|
|
1.Ãîäîâîé
îáúåì ïðîèçâîäñòâà
ïðîäóêöèè, ò
|
1027848
|
1027848
|
0
|
|
2. Öåíà
åäèíèöû ïðîäóêöèè,
ðóá/ò
|
18039
|
18039
|
0
|
|
3. Ñåáåñòîèìîñòü
åäèíèöû ïðîäóêöèè,
ðóá/ò
|
13294,39
|
13293,54
|
-0,85
|
|
4. Ôîíä
îïëàòû òðóäà
ïðîèçâîäñòâåííûõ
ðàáî÷èõ, ìëí.
ðóá
|
26,322
|
26,322
|
0
|
|
5. Êàïèòàëüíûå
çàòðàòû, ìëí.ðóá
|
|
3,213
|
|
|
6.×èñòàÿ
ïðèáûëü, ìëí.ðóá
|
1632,7
|
1637,2
|
-4,5
|
|
7. Ðåíòàáåëüíîñòü
ïðîäóêöèè, %
|
51,521
|
51,533
|
-0,012
|
|
8. Ïðîèçâîäèòåëüíîñòü
òðóäà, ò/÷åë
|
41113,92
|
41113,92
|
0
|
|
9. Ýêîíîìèÿ
óñëîâíî-ãîäîâàÿ
|
|
873,671
|
|
|
10. Ñðîê
îêóïàåìîñòè,
ëåò
|
|
0,7
|
|
5.6 Âûâîäû
è ïðåäëîæåíèÿ
 ðåçóëüòàòå
ïðîâåäåíèÿ ìåðîïðèÿòèÿ
ïî âíåäðåíèþ ìåõàíèçìà
òðàíñïîðòèðîâêè
êðûøåê òåðìîñòàòèðîâàíèÿ
íà ñòàëåðàçëèâî÷íîì
ñòåíäå ÌÍËÇ-2 ïîëó÷åíû
ñëåäóþùèå äàííûå:
ãîäîâîé îáúåì
ïðîèçâîäñòâà
íå óâåëè÷èëñÿ;
÷èñëåííîñòü
òðóäÿùèõñÿ íå
ñîêðàòèëàñü;
äîïîëíèòåëüíûå
çàòðàòû íà âíåäðåíèå
ìåðîïðèÿòèÿ
3,21266 ìëí.ðóá.
Ïðè ýòîì ïîñëå
âíåäðåíèÿ ðàçðàáîòàííûõ
ìåðîïðèÿòèé, èç-çà
ñîêðàùåíèå âðåìåíè
ðàáîòû ðàçëèâî÷íûõ
êðàíîâ, ïëàíèðóåòñÿ
ñîêðàòèòü çàòðàòû
íà ýëåêòðîýíåðãèþ
íà 1068961,92 ðóá/ãîä.
Âñëåäñòâèå
ýòîãî ñåáåñòîèìîñòü
ïðîäóêöèè ñîêðàòèòñÿ
íà 0.85 ðóá/ò. Ïðèáûëü
îò ðåàëèçàöèè
ïðîäóêöèè óâåëè÷èòñÿ
íà 5.71 ìëí.ðóá./ãîä.
Ïåðèîä îêóïàåìîñòè
íàñòîÿùåãî ìåðîïðèÿòèÿ
ñîñòàâèò ñðîê,
ìåíåå îäíîãî
ãîäà.
ÇÀÊËÞ×ÅÍÈÅ
ñòàëåïëàâèëüíûé
öåõ ìåõàíèçì
ãðóçîïîäúåìíûé
Ðàçðàáîòàí
è ýêîíîìè÷åñêè
îáîñíîâàí ïðîåêò
ìåõàíèçàöèè
òðàíñïîðòèðîâêè
êðûøåê ñòàëåðàçëèâî÷íûõ
êîâøåé íà ñòàëåðàçëèâî÷íîì
ñòåíäå ñîðòîâîé
ìíëç-1,2, â
ÝÑÏÖ ÎÀÎ «ÌÌÊ» .
Ïðè ìîäåðíèçàöèè
ñóùåñòâóþùåãî
ñòàëåðàçëèâî÷íîãî
ñòåíäà, èñêëþ÷àåòñÿ
ïðîöåññ îäåâàíèÿ
êðûøêè ïðè ïîìîùè
ìàíèïóëÿöèè
ðàáî÷èõ îðãàíîâ
ìîñòîâîãî êðàíà
è ïåðåâîçêè êðûøåê
ê ìåñòó âðåìåííîãî
ñêëàäèðîâàíèÿ
à òàêæå ïðîöåññ
îäåâàíèÿ è ñíÿòèÿ
êðûøåê ñ êðþêîâîé
ïîäâåñêè òåõíîëîãè÷åñêîãî
êðàíà.
Ìåíåå èíòåíñèâíîå
èñïîëüçîâàíèå
êðàíà ïðèâåäåò
ê çíà÷èòåëüíîìó
ñîêðàùåíèþ çàòðàò
íà ýëåêòðîýíåðãèþ.
 ìåõàíèçìå ñíÿòèÿ
è îäåâàíèÿ êðûøåê
ïðèìåíåíû ìàëîãàáàðèòíûé
ïðèâîäíîé ìåõàíèçì
- ìîòîð-ðåäóêòîðû
èëè ãèäðîìîòîð,
îïîðíî-ïîâîðîòíîå
óñòðîéñòâà ñ
âíåøíèì çóá÷àòûì
çàöåïëåíèåì,
÷òî îáåñïå÷èâàåò
êîìïàêòíóþ è
ýêîíîìè÷íóþ
êîíñòðóêöèþ
ïîäøèïíèêîâîãî
óçëà.
 äàííîì ïðîåêòå
âûïîëíåíû ïðîâåðî÷íûå
ðàñ÷åòû îñíîâíûõ
ìåõàíèçìîâ è
êîíñòðóêöèé
ðàññìàòðèâàåìîé
ìåõàíèçàöèè.
Îöåíåíû êàïèòàëüíûå
çàòðàòû íà ìîäåðíèçàöèþ,
ðàññ÷èòàíà ïëàíîâàÿ
ñåáåñòîèìîñòü
ýëåêòðîñòàëè,
êîòîðàÿ ñîñòàâèëà
13293,54 ðóá/ò, ñðîê îêóïàåìîñòè
êàïèòàëüíûõ
âëîæåíèé ñîñòàâèë
0,7 ãîäà, ÷èñòàÿ
ïðèáûëü îò ðåàëèçàöèè
äàííîãî ïðîåêòà
ñîñòàâèëà 4.5 ìëí.
ðóá/ãîä, ãîäîâîé
ýêîíîìè÷åñêèé
ýôôåêò îò ýêîíîìèè
äîðîãèõ ôåððîñïëàâîâ
è àëþìèíèÿ ñîñòàâèò
118,88 ìëí. ðóá/ãîä.
Âûïîëíåí
àíàëèç îïàñíûõ
è âðåäíûõ ôàêòîðîâ
ïðîèçâîäñòâåííîé
ñðåäû â ÝÑÏÖ, ìåðû
çàùèòû îò íèõ,
âûïîëíåíû ðàñ÷åòû
îñâåùåíèÿ íà
ó÷àñòêå ÍÐÑ.
ÑÏÈÑÎÊ
ÈÑÏÎËÜÇÓÅÌÛÕ
ÈÑÒÎ×ÍÈÊÎÂ
1. Ìàøèíû
è àãðåãàòû ìåòàëëóðãè÷åñêèõ
çàâîäîâ. Â 3-õ òîìàõ.
Ò. 2. Ìàøèíû è àãðåãàòû
ñòàëåïëàâèëüíûõ
öåõîâ: Ó÷åáíèê
äëÿ âóçîâ./ Öåëèêîâ
À. È., Ïîëóõèí Ï.
È., Ãðåáåííèê Â.
Ì. - Ì.: Ìåòàëëóðãèÿ,
1988].
2. Êóðñîâîå
ïðîåêòèðîâàíèå
ãðóçîïîäúåìíûõ
ìàøèí: Ó÷åá. ïîñîáèå
/ Êàçàê Ñ. À., Êóçíåöîâ
Å. Ñ., Äóñüå Â. Å. è
äð.; Ïîä ðåä Êàçàêà
Ñ. À. - Ì.: Âûñø. øê.,
1989. - 319 ñ.
3.Æèðêèí
Þ.Â. Íà䏿íîñòü,
ýêñïëóàòàöèÿ
è ðåìîíò ìåòàëëóðãè÷åñêèõ
ìàøèí: Ó÷åáíèê.-Ìàãíèòîãîðñê:
ÌÃÒÓ, 2002.]
.Çåíêîâ
Ð.Ë. è äð. Ìàøèíû
íåïðåðûâíîãî
òðàíñïîðòà: Ó÷åáíèê,
- Ì.: Ìàøèíîñòðîåíèå,
1987. - 432 ñ.
5.Ðÿõîâñêèé
Î. À., Èâàíîâ Ñ. Ñ.
Ñïðàâî÷íèê ïî
ìóôòàì. - Ë.: Ïîëèòåõíèêà,
1991. - 384 ñ.
6.Ãóëå Æ.
Ñîïðîòèâëåíèå
ìàòåðèàëîâ. Ì.:
Âûñøàÿ øêîëà,
1985. - 192 ñ.
.Èöêîâè÷
Ã. Ì. Ñîïðîòèâëåíèå
ìàòåðèàëîâ: Ó÷åá.
äëÿ ó÷àùèõñÿ
ìàøèíîñòðîèò.
òåõíèêóìîâ. -
7-å èçä., èñïð. - Ì.: Âûñø.
øê.,1986. - 352 ñ.
. Ñ. À. ×åðíàâñêèé
Êóðñîâîå ïðîåêòèðîâàíèå
äåòàëåé ìàøèí:
Ó÷åá. Ïîñîáèå
äëÿ òåõíèêóìîâ,
1979. - 351 ñ.
.Ñâàðêà
è ðåçêà ìàòåðèàëîâ:
Ó÷åá. ïîñîáèå
äëÿ íà÷. ïðîô. îáðàçîâàíèÿ/Ì.Ä
Áàííîâ, Þ. Â, Êàçàêîâ,
Ì. Ã. Êîçóëèí è
äð.; Ïîä ðåä. Þ. Â. Êàçàêîâà.
- 3-å èçä., ñòåð. - Ì.:
Èçäàòåëüñêèé
öåíòð «Àêàäåìèÿ»,
2003. - 400 ñ.
10.Ñåðãååâ
Ñ. Ò. Ñòàëüíûå êàíàòû.
«Òåõíèêà», 1980. - 328 ñ.
11.Îïîðû îñåé
è âàëîâ ìàøèí
è ïðèáîðîâ. Ñïèöèí
Í. À. è äð. Èçä-âî
«Ìàøèíîñòðîåíèå»,
1970. - 520ñ.
.Ôèëàòîâ
À. Ì., Òî÷èëêèí
Â. Â. Ïíåâìîïðèâîä
è ïíåâìîàâòîìàòèêà
ïîäú¸ìíî-òðàíñïîðòíûõ
è äîðîæíûõ ìàøèí:
Ó÷åá. ïîñîáèå.
- Ìàãíèòãîðñê:
ÌÃÒÓ èì. Ã. È. Íîñîâà,
2001. - 182 ñ.
.Òî÷èëêèí
Â. Â. Ïíåâìàòè÷åñêèå
è ãèäðàâëè÷åñêèå
äâèãàòåëè ìàíèïóëÿòîðîâ:
Ó÷åá. ïîñîáèå.
- Ìàãíèòîãîðñê:
ÌÃÒÓ èì. Ã. È. Íîñîâà,
2001. - 204 ñ.
14. Ï.Ä. Åôàíîâ
«Îõðàíà òðóäà
è òåõíèêà áåçîïàñíîñòè
â ñòàëåïëàâèëüíîì
ïðîèçâîäñòâå».
.Â.À. Äåâèñèëîâ
«Îõðàíà òðóäà».
16. Ã.Ì. Êíîððèíã
«Ñïðàâî÷íàÿ êíèãà
äëÿ ïðîåêòèðîâàíèÿ
ýëåêòðè÷åñêîãî
îñâåùåíèÿ».
.Îñèïîâà
Ã.È., Ìèðîíîâà Ã.Â.
Ýêîíîìèêà è îðãàíèçàöèÿ
ïðîèçâîäñòâà.
Ó÷åáíîå ïîñîáèå
- Ìîñêâà: ÌÃÓÏ,
2003.- 322 ñ.
Ðàçìåùåíî
íà Allbest.ru