|
ω, К(ω)Ψ(ω)
|
|
|
|
0
|
→0
|
→90
|
|
10
|
8*10-5
|
88,9
|
|
40
|
3,196*10-4
|
85,8
|
|
100
|
7,931*10-4
|
79,4
|
|
200
|
1,546*10-3
|
69
|
|
400
|
2,809*10-3
|
49,4
|
|
600
|
3,658*10-3
|
32
|
|
800
|
4,121*10-3
|
17,2
|
|
103
|
4,299*10-3
|
4,8
|
|
2*103
|
3,63*10-3
|
-32,7
|
|
6*103
|
1,525*10-3
|
-70
|
|
8*103
|
1,161*10-3
|
-74
|
|
∞
|
0
|
-90
|
2.
Переходная характеристика
переходный напряжение импульсный четырехполюсник
(3.1)
Из выражения (3.1) видно, что
, если
, следовательно, переходная характеристика
цепи численно равна реакции цепи на воздействие единичного скачка тока или
напряжения. Размерность переходной характеристики равна отношению размерности
отклика цепи к размерности внешнего воздействия.
Единичной ступенчатой функцией (функцией Хевисайда) называется
функция
(3.2)
Функцию Хевисайда удобно использовать для аналитического
представления различных воздействий на цепь, значения которых скачкообразно
изменяются в момент коммутации.
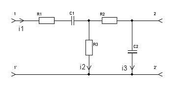
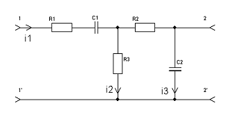
Расчёт переходной характеристики цепи классическим методом
Рисунок 3.1.1 - Рассчитываемая цепь до коммутации
. Провожу анализ цепи до коммутации. В результате этого
анализа определяю напряжение ёмкостей в момент времени, непосредственно
предшествующий коммутации (t=0_)
Зададим входное напряжение равным 260 В, но т.к. функция Хевисайда
единичная функция конечный ответ разделим на 260.
Используя законы коммутации, нахожу независимые начальные условия,
представляющие собой ток индуктивности и напряжение ёмкости в момент времени (t=0)
Рисунок 3.1.2 - Рассчитываемая цепь после коммутации
Выбираю произвольно направления обхода контуров (рисунок 3.1.2) и
составляю систему уравнений на основе законов Кирхгофа
(3.1.1)
Искомый ток
представляю в виде суммы установившейся и
свободной составляющей:
.
. Нахожу частные решения системы неоднородных дифференциальных
уравнений, т.е. определяю
соответствующие установившемуся режиму.
. Нахожу общее решение системы однородных дифференциальных
уравнений.
Составляю характеристическое уравнение (входное сопротивление цепи
в комплексной форме).
(3.1.2)
Заменяю множитель jω на р и полученное уравнение приравниваю к
нулю
(3.1.3)
Решаю получившееся квадратное уравнение
(
),
(
).
Для проверки корней составим характеристическое уравнение,
используя определитель
Умножим обе части уравнения на
и приведем подобные слагаемые:
Подставим значения R1, R2, R3, C1, С2 и решим получившееся квадратное уравнение
(
),
(
).
Проверка показывает, что корни характеристического уравнения
найдены верно.
Так как корни характеристического уравнения получились
вещественные, то выражение свободного тока будет иметь вид
, где
,
.
Нахожу постоянные интегрирования по начальным условиям. Записываю
исходную систему (3.1.1) для t=0
(3.1.4)
Решая составленную систему уравнений (3.1.4), получаем
(А)
(А)
(А)
Продифференцируем исходную систему уравнений при t=0
Определяю постоянные интегрирования
(3.1.5)
(3.1.6)
Решая систему уравнений (3.1.6) получаем
;
В результате
(А)
Таким образом, переходная характеристика заданного
четырёхполюсника имеет вид
(3.1.7)
Так как входное воздействие было равным 260 В, то конечный ответ
мы получим разделив выражение (3.1.7) на 260. Свободной составляющей в
выражении (3.1.7) можно пренебречь вследствие ее малого значения. Это число
выражает заряд второго конденсатора, который заряжается не от входного
напряжения, а от первого конденсатора. Итак, итоговое выражение для переходной
характеристики.
Расчёт переходной характеристики цепи операторным методом
Рисунок 3.2.1 - Операторная эквивалентная схема цепи после
коммутации
Поскольку на вход цепи подаётся внешнее воздействие, равное 260 В,
то в операторной форме этому оригиналу соответствует изображение равное
. Соответственно переходная характеристика
определится как
(3.2.1)
(3.2.2)
Приравниваю
к нулю и нахожу корни получившегося уравнения
;
Далее нахожу производную функции
(3.2.2), получаю
(3.2.3)
Таким образом, переходная характеристика данного
четырёхполюсника определится как
Аналогично, как и при расчете классическим методом, разделим
конечный ответ на 260, переходная характеристика заданного четырёхполюсника
имеет вид
Подставляю в аналитическое выражение
ряд значений с обязательным включением t = 0 и t = ∞, и
на основе этого составляю таблицу 4.1.
3.
Расчёт импульсной характеристики заданного четырёхполюсника
Импульсной характеристикой
линейной цепи, не содержащей независимых источников энергии,
называется отношение реакции этой цепи на воздействие бесконечно большой высоты
и конечной площади этого импульса
(4.1)
Импульсная характеристика цепи численно равна реакции цепи на
воздействие единичного импульса (
), а размерность импульсной характеристики равна отношению
размерности отклика цепи к произведению размерности внешнего воздействия на
время.
Импульс бесконечно малой длительности, бесконечно большой высоты,
площадь которого равна 1, называется единичным импульсом. Функция, определяющая
единичный импульс, обозначается δ
и называется δ
- функцией или функцией
Дирака
(4.2)
Для
(4.3)
Рисунок 4.1 - Операторная схема цепи
Изображение функции Дирака по Лапласу δ(t) = 1.
В предыдущем пункте мы получили выражение для U2
(4.4)
Приравниваю
к нулю и нахожу корни получившегося
уравнения
;
Далее нахожу производную функции
(3.2.2), получаю
Таким образом, импульсная характеристика данного
четырёхполюсника определится как
Аналогично, как и при расчете переходной характеристике, разделим
конечный ответ на 260, импульсная характеристика заданного четырёхполюсника
имеет вид
Используя связь между переходной и импульсной характеристиками,
проверяю правильность расчётов по формуле
(4.5)
Делаю вывод о правильности расчётов. Результаты расчёта
для ряда значений времени, заношу в
таблице 4.1. График
приведён в приложении А (рисунок 4).
Таблица 4.1
|
t, с 02*10-44*10-46*10-48*10-410-32*10-33*10-35*10-3∞
|
|
|
|
|
|
|
|
|
|
|
01,52*
*10-32,442*
*10-32,94*
*10-33,16*
*10-33,17*
*10-32,14*
*10-31,09*
*10-32,13*
|
*10-40
|
|
|
|
|
|
|
|
|
|
|
|
9,465,943,431,690,5-0,286-1,248-0,81-0,1840
|
|
|
|
|
|
|
|
|
|
|
4. Расчёт
- параметров
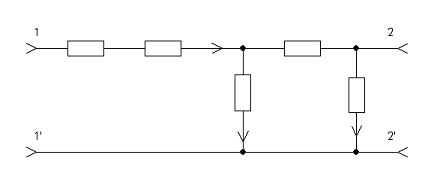
Рисунок 5.1 - Рассчитываемая цепь
Сопротивление холостого хода цепи нахожу по формулам (5.1) -
(5.2) (рисунок 5.1)
(5.1)
где
- входное сопротивление со стороны
зажимов 1-1’, в режиме холостого хода на зажимах 2-2’, Ом.
где
- входное сопротивление со стороны
зажимов 2-2’, в режиме холостого хода на зажимах 1-1’, Ом.
Сопротивления короткого замыкания цепи нахожу по формулам (5.3) -
(5.4) (рисунок 5.1)
(5.3)
где
- входное сопротивление со стороны
зажимов 1-1’, в режиме короткого замыкания на зажимах 2-2’, Ом.
(5.4)
где
- входное сопротивление со стороны
зажимов 2-2’, в режиме короткого замыкания на зажимах 1-1’, Ом.
По значениям
,
,
,
и определяю
- параметры по формулам (5.5) - (5.8)
(5.5)
(5.6)
(5.7)
(5.8)
Проверяю правильность расчётов по формуле (5.9)
(5.9)
Проверка показывает, что расчёты выполнены правильно, с учётом
допустимой погрешности.
5. Расчёт характеристической (или собственной) постоянной
передачи четырёхполюсника
Способ 1. Используя
- параметры
четырёхполюсника, получаю характеристические сопротивления четырёхполюсника
(6.1) - (6.3) (рисунок 5.1)
(6.1)
(6.2)
(6.3)
где
- характеристическая (или собственная) постоянная передачи
четырёхполюсника;
А -
характеристическая (или собственная) постоянная ослабления четырёхполюсника, Нп
или дБ;
В - характеристическая (или собственная) постоянная фазы
четырёхполюсника, рад или град.
A = 6.276 Нп
В = 0.502 рад.
Справочные данные:
Нп = 8,686 дБ
дБ = 0,115 Нп
рад
Итак, характеристическая (или собственная) постоянная передачи
четырёхполюсника (рисунок 5.1)
(6.4)
Способ 2. Для проверки правильности предыдущего расчёта
рассчитываю
вторым способом, с использованием
параметров холостого хода и короткого замыкания по формулам (6.5) - (6.9)
(6.5)
(6.6)
Ом
(6.7)
Отсюда для определения
(6.8)
Откуда
(6.9)
Нп
рад
Заключение
Классический метод анализа переходных процессов применяют в
основном тогда, когда исследуемая цепь имеет невысокий порядок сложности, а внешние
воздействия на неё после коммутации является гармонической функцией времени
либо постоянно. Если внешнее воздействие на цепь после коммутации имеет более
сложный характер, то определение принуждённой составляющей реакции цепи
существенно затруднено, а при повышении порядка цепи усложняется определение
постоянных интегрирования. Значительно большие возможности представляет
операторный метод анализа переходных процессов, основанный на применении
преобразования Лапласа.
Список
использованной литературы
1. В.П.
Попов. Основы теории цепей. - М.: Высш. шк., 1985.
2. М.Р.
Шебес, М.В. Каблукова. Задачник по теории электрических цепей. - М.: Высш. шк.,
1990.
. А.Б.
Новгородцев. «Теоретические основы электротехники»; 2-е издание. - СПб.: Питер,
2006.
Приложение А (графики характеристик)
Рисунок 1 - Амплитудо-частотная характеристика
Рисунок 2 - Фазочастотная характеристика
Рисунок 3 - Переходная характеристика
Рисунок 4 - Импульсная характеристика