Расходомер на основе электромагнитного датчика расхода
МИНИСТЕРСТВО
ОБРАЗОВАНИЯ РЕСПУБЛИКИ БЕЛАРУСЬ
УЧРЕЖДЕНИЕ
ОБРАЗОВАНИЯ
ГОМЕЛЬСКИЙ
ГОСУДАРСТВЕННЫЙ ТЕХНИЧЕСКИЙ УНИВЕРСИТЕТ ИМЕНИ П. О. СУХОГО
Факультет
автоматизированных и информационных систем
Кафедра
"Промышленная электроника"
РАСЧЕТНО-ПОЯСНИТЕЛЬНАЯ
ЗАПИСКА
к
комплексному курсовому проекту
на тему:
"Расходомер на основе электромагнитного датчика расхода"
Гомель 2011
Введение
В последние годы в микроэлектронике бурное развитие получило направление,
связанное с выпуском однокристальных микроконтроллеров, которые предназначены
для "интеллектуализации" оборудования различного назначения. ОЭВМ
представляют собой приборы, конструктивно выполненные в виде БИС и включающие в
себя все составные части микроЭВМ: микропроцессор, память программ и память
данных, а также программируемые интерфейсные схемы для связи с внешней средой.
Использование микроконтроллеров в системах различного назначения обеспечивает
достижение исключительно высоких показателей эффективности при низкой
стоимости. К настоящему времени более двух третей мирового рынка
микропроцессорных средств составляют именно однокристальные ЭВМ.
На сегодняшний день имеется несколько десятков различных типов
микропроцессорных наборов и однокристальных микроЭВМ, отличающихся
разрядностью, системой команд, быстродействием, потребляемой мощностью,
номиналами питания и т. д.
Уровень является одним из важных параметров в ряде технологических
процессов. Условия измерения самые разнообразные - кипящие жидкости при высоких
давлениях и температурах (барабаны энергоблоков, выпарные установки и др.),
агрессивные жидкости (кислоты, щелочи, жидкий хлор и др.), неагрессивные
жидкости.
Под измерением уровня понимается индикация положения раздела двух сред
различной плотности относительно какой-либо горизонтальной плоскости, принятой
за начало отсчета. Средства измерения уровня называют уровнемерами.
Измерение уровня - довольно распространенный измерительный процесс в
нефтеперерабатывающей, нефтехимической и других отраслях промышленности. Иногда
по результатам измерения уровня судят об объемном количестве вещества,
содержащегося в резервуарах. При выборе уровнемера необходимо учитывать такие
физические и химические свойства материала, как температура, абразивные
свойства, вязкость, электрическая проводимость, радиоактивность, химическая
агрессивность и т.д. Кроме того, следует принимать во внимание рабочие условия
в резервуаре или около него: давление, вакуум, нагревание, охлаждение, способ
заполнения или опорожнения (пневматический или механический) резервуара, наличие
мешалки, огнеопасность и взрывоопасность.
Как и все средства измерений, уровнемеры состоят из совокупности
измерительных преобразователей и вспомогательных устройств, необходимых для
осуществления процесса измерения.
Первичный преобразователь (датчик) воспринимает измеряемую величину -
уровень - и преобразует ее в выходной сигнал, поступающий на последующие
преобразователи, или в показания, отсчитываемые по шкале уровнемера.
Измерение уровня жидкости играет важную роль при
автоматизации технологических процессов.
За последние несколько лет происходило быстрое совершенствование средств
измерения уровня. Внедрялись более надежные электронные системы, лишенные
дрейфа. Одним из значительных факторов повышения воспроизводимости измерений
является наличие элементов электроники.
1. Обзор методов решения поставленной технической задачи.
Измерение расхода жидкостей, газов, паров.
Наиболее широко применяющиеся приборы для измерения веществ , протекающие
по трубопроводам , можно разделить на следующие группы :
расходомеры переменного перепада давления;
расходомеры постоянного перепада давления;
электромагнитные расходомеры;
счётчики;
другие.
Расходомеры переменного перепада давления
Расходомеры переменного перепада давления основаны на зависимости от
расхода перепада давления , создаваемого устройством , которое установлено в
трубопроводе , или же самим элементом последнего.
В состав расходомера входят: преобразователь расхода, создающий перепад
давления ; дифференциальный манометр, измеряющий этот перепад и соединительные
(импульсные) трубки между преобразователем и дифманометром. При необходимости
передать показания расходомера на значительное расстояние к указанным трём
элементам добавляются ещё вторичный преобразователь , преобразующий перемещение
подвижного элемента дифманометра в электрический и пневматический сигнал ,
который по линии связи передаются к вторичному измерительному прибору. Если
первичный дифманометр (или вторичный измерительный прибор) имеет интегратор ,
то прибор измеряет не только расход , но и количество прошедшего вещества.
В зависимости от принципа действия преобразователя расхода данные
расходомеры делятся на шесть самостоятельных групп :
расходомеры с сужающими устройствами;
расходомеры с гидравлическим сопротивлением;
центробежные расходомеры;
расходомеры с напорным устройством;
расходомеры с напорным усилителем;
расходомеры ударно-струйные.
Рассмотрим подробнее расходомеры с сужающим устройством , так как они
получили наибольшее распространение в качестве основных промышленных приборов для
измерения расхода жидкости ,газа и пара. Они основаны на зависимости от расхода
перепада давления , создаваемого сужающим устройством , в результате которого
происходит преобразование части потенциальной энергии потока в кинетическую.
Имеется много разновидностей сужающих устройств. Так на рисунке 1.1 а и б
показаны стандартные диафрагмы , на рисунке 1.1 в - стандартное сопло , на
рисунке 1.1 г, д , е - диафрагмы для измерения загрязнённых веществ -
сегментная , эксцентрическая и кольцевая. На следующих семи позициях рисунка
1.1 показаны сужающие устройства , применяемые при малых числах Рейнольдса (для
веществ с большой вязкостью); так , на рисунке 1.1 ж , з , и , изображены
диафрагмы - двойная , с входным конусом , с двойным конусом , а на рисунке 1.1
к , л, м , н -сопла-полукруга , четверть круга ,комбинированное и
цилиндрическое.
Рисунок 1.1-Разновидности сужающих устройств.
На рисунке 1.1 о изображена диафрагма с переменной площадью отверстия ,
автоматически компенсирующая влияние изменения давления и температуры вещества.
На рисунке 1.1 н , р , с , т приведены расходомерные трубы - труба Вентури ,
сопло Вентури , труба Далла и сопло Вентури с двойным сужением. Для них
характерна очень маленькая потеря давления.
Разность давлений до и после сужающего устройства измеряется
дифманометром. В качестве примера рассмотрим пинцип действия прибора 13ДД11.
Принцип действия преобразователей разности давлений 13ДД основан на
пневматической силовой компенсации. Схема прибора представлена на рисунке 1.2.
В плюсовую 2 и минусовую 6 полости преобразователя , образованные фланцами 1,7
и мембранами 3,5 , подводиться давление. Измеряемый перепад давления
воздействует на мембраны , приваренные к основанию 4.Внутренняя полость между мембранами
заполнена кремниорганической жидкостью.
Рисунок 1.2-Схема прибора 13ДД.
Под давления воздействием мембраны поворачивают рычаг 8 на небольшой угол
относительно опоры -упругой мембраны вывод 9. Заслонка 11 перемещается
относительно сопла 12 ,питаемого сжатым воздухом . При этом сигнал в линии
сопла управляет давлением в усилителе 13 и в сильфоне отрицательной обратной
связи 14. Последний создает момент на рычаге 8 , компенсирующий момент ,
возникающий от перепада давления. Сигнал , поступающий в сильфон 14 ,
пропорциональный измеряемому перепаду давления , одновременно направляется в
выходную линию преобразователя. Пружина корректора нуля 10 позволяет
устанавливать начальное значение выходного сигнала , равное 0.02 МПа. Настройка
преобразователя на заданный предел измерения осуществляется перемещением
сильфона 14 вдоль рычага 8. Измерительный пневманические преобразователи других
модификаций выполнены аналогично.
Расходомеры постоянного перепада давления
Принцип их действия основан на восприятии динамического напора
контролируемой среды , зависящего от расхода, чувствительным элементом
,помещенным в поток. В результате воздействия потока чувствительный элемент
перемещается , и величина перемещения служит мерой расхода .
Приборы , работающие на этом принципе- ротаметры(См. рисунок 1.3).
Рисунок 1.3- Ротаметр
Поток контролируемого вещества поступает в трубку снизу вверх и увлекает
за собой поплавок , перемещая его вверх , на высоту Н. При этом увеличивается
зазор между ним и стенкой конической трубки , в результате уменьшается скорость
жидкости (газа) и возрастает давление над поплавком.
На поплавок действует усилие снизу вверх:

(1.1)

и
сверху вниз

(1.2)

где
Р1,Р2-давление вещества на поплавок снизу и сверху; S-площадь
поплавка; q- вес поплавка.
Когда
поплавок находится в состоянии равновесия G1=G2
,следовательно:

, (1.3)
так
как q/S=const , значит :

=сonst
,поэтому такие приборы называют расходомерами постоянного перепада давления.
При
этом объемный расход может быть рассчитан по формуле:

(1.4)
где
Fc - площадь сечения конической трубки на высоте h,
;
F- площадь
верхней торцевой поверхности поплавка,
;
р-
плотность измеряемой среды, 
;
с-
коэффициент ,зависящий от размеров и конструкции поплавка.
Ротаметры
со стеклянной трубкой применяются только для визуальных отсчётов расхода и
лишены устройств для передачи сигнала на расстояние.
Ротаметр
не следует устанавливать в трубопроводах , подверженным сильным вибрациям.
Длина прямого участка трубопровода перед ротаметром должна быть не менее 10Ду ,
а после него - не менее 5Ду.
Электромагнитные
расходомеры
В
основе электромагнитных расходомеров лежит взаимодействие движущейся
электропроводной жидкости с магнитным полем , подчиняющееся закону
электромагнитной индукции.
Рисунок
1.4- Электромагнитный расходомер
Рисунок
1.5- Промышленные электромагнитные расходомеры
Основное
применение получили такие электромагнитные расходомеры , у которых измеряется
ЭДС , индуктируемая в жидкости , при пересечении ею магнитного поля. Для этого
(См. рисунок 1.4) в участок 2 трубопровода , изготовленного из немагнитного
материала , покрытого изнутри неэлектропроводной изоляцией и помещённого между
полюсами 1 и 4 магнита или электромагнита , вводятся два электрода 3 и 5 в
направлении , перпендикулярном как к направлению движения жидкости , так и к
направлению силовых линий магнитного поля. Разность потенциалов Е на электродах
3 и 5 определяются уравнением:

(1.5)
где
В - магнитная индукция;
D- расстояние
между концами электродов , равное внутреннему диаметру трубопровода;
v и Q0-
средняя скорость и объёмный расход жидкости.
Таким
образом , измеряемая разность потенциалов Е прямо пропорциональна объёмному
расходу Q0. Для учета краевых эффектов , вызываемых
неоднородностью магнитного поля и шунтирующим действием трубы , уравнение
умножается на поправочные коэффициенты км и ки , обычно весьма близкие к единице.
Достоинства
электромагнитных расходомеров : независимость показаний от вязкости и плотности
измеряемого вещества , возможность применения в трубах любого диаметра ,
отсутствие потери давления , линейность шкалы , необходимость в меньших длинах
прямых участков труб , высокое быстродействие , возможность измерения
агрессивных , абразивных и вязких жидкостей. Но электромагнитные расходомеры
неприменимы для измерения расхода газа и пара , а также жидкостей диэлектриков
, таких как спирты и нефтепродукты. Они пригодны для измерения расхода
жидкостей , у которых удельная электрическая проводимость не менее 
.
Счётчики
По
принципу действия все счётчики жидкостей и газов делятся на скоростные и
объёмные .
Скоростные
счётчики устроены таким образом , что жидкость , протекающая через камеру
прибора ,приводит во вращение вертушку или крыльчатку, угловая скорость которых
пропорциональна скорости потока , следовательно , и расходу.
Объёмные
счетчики устроены следующим образом: поступающая на прибор жидкость (или газ)
измеряется отдельными , равными по объёму дозами , которые потом суммируются .
2.
Разработка и выбор функциональной схемы устройства.
Датчик
электромагнитного расходомера состоит из катушки индуктивности с сердечником ,
создающей магнитное поле , и электродов , вмонтированных в трубу , с которых
снимается полезный сигнал. Для разработки структурной схемы необходимо
рассмотреть векторную диаграмму токов и напряжений датчика. Схема замещения
реальной катушки индуктивности представлена на рисунке.2.1, где:
Рисунок
2.1- Схема замещения реальной катушки индуктивности
-
активное сопротивление обмотки катушки индуктивности- сопротивление,
учитывающее потери в стали
Построим
для этой схемы векторную диаграмму токов и напряжений. Векторная диаграмма
токов и напряжений представлена на рисунке 2.2.
Рисунок
2.2- Векторная диаграмма токов и напряжений
На
диаграмме изображён сигнал , снимаемый с электродов Uэ и представляющий собой
сумму двух сигналов: полезного сигнала Uпол и трансформаторной ЭДС Uтр.
Эквивалентная
схема подключения электродов датчика для снятия информационного сигнала
изображена на рис.2.3
Рисунок
2.3- Схема подключения датчика для снятия информационного сигнала
Для
этой схемы должно выполняться условие: входное сопротивление измерительного
усилителя должно быть на несколько порядков выше сопротивления датчика.
Сигнал,
снимаемый с электродов содержит в себе полезную составляющую которая
описывается формулой:
(2.1)
где
- магнитная индукция
-
расстояние между электродами
-
скорость потока и трансформаторной ЭДС
(2.2)
где
- площадь контура образуемого подводящими проводниками,
находящимися в магнитном поле
- частота
магнитного поля пронизывающего движущийся поток жидкости.
На
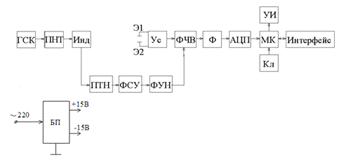
рисунке 2.4 представлена примерная структурная схема расходомера на основе
электромагнитного датчика расхода.
Рисунок
2.4- Структурная схема расходомера на основе электромагнитного датчика расхода
ГСК
-генератор синусоидальных колебаний;
ИП
- источник питания;
ПНТ-
преобразователь напряжение - ток;
Инд
- индуктор;
Э1,Э2
- электроды;
Ус-
усилитель;
ПТН
- преобразователь ток-напряжение;
ФСУ
- фазосдвигающее устройство;
ФУН-
формирователь управляющего напряжения;
ФЧВ-
фазочувствительный выпрямитель;
Ф-фильтр;
МК-
микроконтроллер;
УИ-
устройство индикации;
Кл
- клавиатура.
Описание
предполагаемой работы устройства
С
генератора синусоидальных колебаний через преобразователь напряжение - ток
сигнал подаётся на индуктор , который отвечает за создание рабочего магнитного
потока. Индуктор представляет собой две катушки индуктивности. При подаче на
катушки тока возбуждения создается магнитное поле, которое наводит в
электропроводной жидкости, движущейся в трубе, ЭДС. Значение ЭДС,
пропорциональное скорости движения жидкости, а, значит, и расходу, снимается с
двух измерительных электродов, расположенных напротив друг друга в
диаметральной плоскости трубы.
Полезный
сигнал ,снятый с двух электродов датчика, усиливается и поступает на
фазочувствительный выпрямитель; также на него подаётся прямоугольный сигнал с с
индуктора через преобразователь ток-напряжение, фазосдвигающее устройство и
формирователь управляющего напряжения.
Далее
сигнал отфильтровываем ,делая его таким образом пригодным для дальнейшей его
обработки АЦП, который необходим чтобы преобразовать аналоговые показания с
датчика в двоичный код. Микроконтроллер производит обработку получаемой
информации, вычисляет необходимые значения функций :скорости потока ,
накопленный расход и регистрирует моторное время и расход , пересылает при
необходимости информацию на ПК, выводит данные на полупроводниковые индикаторы.
Клавиатура
включает в себя 4 переключателя для выбора аналоговых каналов; переключатель
режима работы МКС; кнопку "Сброс", при нажатии на которую
производится сброс МК.
Через
интерфейс ИРПС происходит передача информации с микроконтроллера в центральный
компьютер.
Блок
питания предназначен для питания элементов схемы.
При
этом диапазон измерения расхода 1,0...10 м3/с, на электродах
допустимо напряжение поляризации, имеющее характер медленного дрейфа, не более
100 мВ, при эксплуатации температура медных обмоток индуктора может изменяться
в диапазоне 0...150°С, номинальное сопротивление "меди" обмоток
проводов (при 20°С) равно 30 Ом.
Расходомер
должен производить 10 измерений в секунду и находить среднее значение,
индицировать скорость потока (м/с), расход (м3/час), накопленный
расход (м3), моторное время (текущее время с момента начала
работы).Основная приведенная погрешность расходомера не должна превышать
2%.Рабочий температурный диапазон 0...60°С.Дополнительная погрешность
расходомера не должна превышать 0,5% при изменении температуры окружающего
воздуха на 10°С во всем рабочем диапазоне.
3.
Разработка принципиальной схемы устройства
.1
Разработка аналоговой схемы
.1.1 Генератор синусоидальных колебаний
Генератор синусоидальных колебаний предназначен для питания
электромагнитного датчика (рисунок 3.1)
Рисунок 3.1 - Схема генератора синусоидальных колебаний
Для
нахождения необходимой амплитуды генератора по данным Т3 (технического задания)
необходимо падение напряжения на датчике, т. Выходного напряжения генератора.
Дано:
Ig и
Zg.
Uг= Ig* Zg= Ig(Rм+Rп//jXl); (3.1)
Uг=10*10-3*(100+
)= 10*10-3*(100+
)=
*10-3*(0.0049+j49.99)=0.00049+j4.999=4.99ej89.99;
Схема
генератора дана на рисунке 3.1. Он реализован с использованием последовательно
- параллельной фазосдвигающей цепи[2]. Элементы R-C.
В
качестве нелинейного элемента, обеспечивающий баланс амплитуд(устойчивою
работу) используются диоды VD1, VD2. Транзисторы VT1, VT2
включенные как эмитторные повторители, необходимы для усиления входного тока
генератора.
Частота
генератора находится из след соображений [2]

(3.2)
где
RC - элементы последовательно - параллельной
фазосдвигающей цепи.
Резисторы
R1 , R2 обеспечивают необходимый коэффициент усиления.
Если
на выходе генератора задано напряжение Uг , то на инвертирующий вход подается напряжение, через
делитель R2 , R1
Uг-Uд ,
где
Uд падение
напряжения на открытом диоде. Тогда для обеспечения баланса амплитуд
необходимо, чтобы выполнялось равенство:
U+=U-; (3.3)

(3.4)
У
ОУ общего применения Максимальный ток в нагрузке не более: Iоу= 5 мА. Если потребляемый ток больше Iоу, то находим коэффициент усиления по току в, для
транзисторов VT1,VT2.

(3.5)
Максимальное
напряжение Uкэ для
этих транзисторов должно быть больше чем 2Eп. Uкэ
30В.
Полоса пропускания ОУ должна быть больше чем
-
рабочая частота возбуждения датчика.
Iм= 10мА; 
125600с-1;
Uг=5В;
Находим:

0.000007961;
(3.6)
Задаемся
R=10кОм, находим С:

(3.7)
Выбираем
резисторы [6] R3 , R4
- металлодиэлектрические С2-29В:
R3 - C2-29 - 0.62Вт - 10 кОм ±0.1%-A
R4 - C2-29 - 0.62Вт - 10 кОм ±0.1%-A
Выбираем
конденсаторы [7] C1, C2 с с полиэтилентерофталатным диэлектриком с фольговыми
обкладками:
C1 - К73 - 15 - 100В - 0.806нФ ±5%
C2 - К73 - 15 - 100В - 0.806нФ ±5%
В
качестве диодов выбираем [8] универсальный импульсный:
КД
521А: Uобр.= 75В, Iпр. max=0.05
A, Iобр.max=1 мкА, Fdmax=100000 кГц.
Находим
отношение резисторовR2/R1:

(3.8)
R2=1.58 R1; (3.9)
Зададимся
R1=10кОм,
тогда R2=15.8кОм.
Выбираем[6]:
R1- C2-29 - 0.62Вт - 10 кОм ±0.1%-A;
R2- C2-29 - 0.62Вт - 15.8 кОм ±0.1%-A
По
справочнику [4] подбираем пару комплиментарных транзисторов, имеющих близкие
параметры :
Таблица 3.1- Предельные электрические параметры оконечных транзисторов
|
Параметры
|
КТ973А (n-p-n)
|
КТ972А (p-n-p)
|
|
|Uкэмакс|, В
|
60
|
−60
|
|
Iкмакс, А
|
4
|
4
|
|
Ркмакс, Вт
|
8
|
8
|
|
h21Э
|
750
|
750
|
|
Тпмакс, ْ
Ñ
|
150
|
150
|
Согласно рисунку 3.1, это будут транзисторы VT1 (КТ973А) и VT2 (КТ972А).
В качестве ОУ Выбираем микросхему К544УД2 А [10]:
Номинальное напряжение питания -
15 В
10 %;
Максимальное выходное напряжение при Uп=
15 В - 
10 В;
Напряжение смещения нуля при Uп=
15 В, Uвых=
0,02 В -
30 мВ;
Средний входной ток при Uп=
15 В, Uвых=
0,02 В -
0,1 нА;
Разность входных токов при Uп=
15 В, Uвых=
0,02 В -
0,1 нА;
Коэффициент усиления напряжения при Uп=
15 В, Uвых=
4 В, Rн=2 кОм -
20000;
Коэффициент ослабления синфазных входных напряжений -
70 дБ;
Средний температурный дрейф напряжения смещения нуля при Uп=
15 В, Uвых=
0,02 В -
50 мкВ/ ° C;
Частота единичного усиления при Uп=
15 В, Uвых=
0,02 В -
15 МГц;
Максимальная скорость нарастания выходного напряжения при Uп=
15 В, Uвых=-10 В, Uвх=-10
В -
20 В/мкс;
Входное сопротивление -
1 · 1011 Ом.
3.1.2 Источник питания индуктора
Синусоидальный сигнал с амплитудой напряжения 5 В и частотой 50 Гц
выходит с генератора синусоидального напряжения.
Рис.3.1.2 Принципиальная схема преобразователя
В данной схеме используем резисторы:
R5-
МЛТ-0,125-1кОм±5%
R6-
МЛТ-0,125-1кОм±5%
R7-
МЛТ -0,25- 100 кОм±5%.
R8-
МЛТ-0,125-56 Ом±5%.
Выбираем по справочнику [4] операционный усилитель К140УД17Б.
По справочнику [4] подбираем пару комплементарных транзисторов, имеющих
близкие параметры :
Таблица 3.2 Предельные электрические параметры оконечных транзисторов
|
ПараметрыКТ973А (n-p-n)КТ972А
(p-n-p)
|
|
|
|
|Uкэмакс|, В
|
60
|
−60
|
|
Iкмакс, А
|
4
|
4
|
|
Ркмакс, Вт
|
8
|
8
|
|
h21Э
|
750
|
750
|
|
Тпмакс, ْ
Ñ
|
150
|
150
|
Согласно рис.3.1.6, это будут транзисторы VT1 (КТ973А) и VT2 (КТ972А).
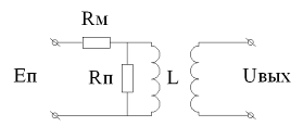
3.1.3 Электромагнитный датчик
Схема электромагнитного датчика приведена на рисунке 3.3.
Рисунок 3.3 - Схема электромагнитного датчика
На схеме даны следующие обозначение:
Rм=30 Ом - сопротивление меди;
Rп=300 кОм - сопротивление потерь;
L=Т×Rм=210 мГн - индуктивность
обмотки возбуждения;
ХL =2р×f×L - сопротивление обмотки
возбуждения;
ХL =2×3.14×50×210=66 Ом;
Eп - питающее синусоидальное напряжение частотой 50 Гц;
Uвых - выходное напряжение датчика;
Ксв - коэффициент связи ;
I - входной ток обмотки возбуждения;
IL - ток индуктивности создающий магнитный поток в
датчике;
Выходное напряжение электромагнитного датчика описывается следующим
образом:

(3.14)
где
Е-
напряжение, снимаемое с электродов;
В-
индукция магнитного поля в жидкости;
v-
скорость потока в сечении, проходящую
через ось электродов;
d- диаметр проходного отверстия (расстояние между
электродами).
Рассчитаем
максимальную и минимальную скорость потока, исходя из расхода:
(3.15)
(3.16)
(3.17)
Рассчитаем
максимальное и минимальное выходное напряжение электромагнитного датчика:
(3.18)
(3.19)
По эквивалентной схеме требуется рассчитать диапазон изменения выходных
напряжений датчика ЩВЫХ=jKсв
İL
Для нахождения тока I и IL воспользуемся схемой, приведённой на
рисунке 3.3, тогда входной ток I будет равен:
İ=Ề
; (3.20)
Фазовый сдвиг тока I относительно
питающего напряжения Ề будет
иметь вид:
цI=arctg
- arctg
; (3.21)
Ток через индуктивность IL будет
равен:
İL=İ∙Rп//jXL∙
=
;
İL=
;
а фазовый сдвиг тока IL относительно напряжения имеет вид:
цIL= - arctg
; (3.22)
Тогда согласно функциональной схеме, фазовый сдвиг между током I и IL будет
равен:
б= цI- цIL= 
; (3.23)

İ=Ề
,
где Е=10мВ (См. п.п 3.1.3)

мA
Диапазон выходных напряжений Uвых равен:
Щвых= İL
jKсв; (3.24)
Фазовый сдвиг, необходим для получения управляющих напряжений,
синфазных с выходным равен:
цФСУ=90°+б= 90°+0,014°=90,014°; (3.25)
.1.4 Разработка усилителя
Усилитель переменного напряжения необходим для нормальной работы
фазочувствительного выпрямителя. Схема усилителя приведена на рисунке 3.4 .
Рисунок 3.4 - Усилитель переменного напряжения
Для расчёта коэффициента усиления усилителя необходимо найти
диапазон изменения выходного напряжения датчика.
Uвых=Ксв
IL
(3.26)
Зададимся значением коэффициента связи 0÷0.3 В/А, найдём ток İL

(3.27)
E=0.01×0.025×10=2.5 mB
Il=0.034×e-j65.6мA
Uвых=0,3
0,089=0,0103мВ. (3.28)
Задаёмся коэффициентом усиления усилителя K=2000. Выбираем усилитель АD620А [10].
Диапазон
питания …………………………………..….± 2,3 В до ± 18 В;
Внутренняя
мощность рассеивания ……………………….….. 650 мВт;
Дифференциальное
входное напряжение ………………………..±25 В;
Температурный
диапазон (Q)………………………….-65ºC to
+150ºC;
Температурный
диапазон (N, R)……………………….-65ºC to
+125ºC;
Рабочий
ток ……………………………………………..…………1,3 мА ;
Максимальное
напряжение смещения…….……………….…….. 50 мкВ;
Максимальный
дрейф на входе…………………………… 0,6 мкВ / ° C;
Максимальный
входной ток смещения…………………………. 1,0 нА;
Низкий
уровень шума
Коэффициент усиления данного усилителя задаётся выражением:
Кус= 
+1
(3.29)
ОткудаKyc=49.4k/2000= 24,7 Ом
Из [6] выбираем резистор:
Ru=C2-29B-0.062B-24.7Om±0.1% - A
Резисторы Rc необходимы для
обеспечения путей прохождения входного тока ОУ, которые не более 2 нА. Два
резистора необходимы для симметрирования входа ОУ. Полоса пропускания усилителя
по уровню 3 дБ равна 12 кГц. Резистор Rс выбираем [6] равным 10 кОм.
Rс - C2-33
- 0.125Вт - 10 кОм ±5%-Г.
3.1.5 Разработка
преобразователя ток-напряжение
Схема
преобразователя ток - напряжение приведена на рисунке 3.4.
Рисунок
3.5 -Преобразователь ток-напряжение.
Выходное
напряжение этой схемы будет равно Uвых=iвх×R5 . Транзисторы
VT1, VT2 необходимы для усиления выхода ОУ по току. Выходной
ток схемы -это ток через датчик. Зададимся выходным напряжением равным Uвых
, тогда резистор Rос
будет:
(3.30)
вых=0÷10 В ,причём 10 В соответствует скорости 10 м/c.

Мощность
выделяемая на резисторе будет равна.
Р=I2×R5=(

×40=2.5Вт
(3.31)
Выбираем
[6] металлодиэлектрический резистор общего применения
R5 - C2-29
- 2.5Вт - 40.2Ом ±0.5% - Г.
В
качестве микросхемы ОУ выбираем К544УД 2А[10].
Номинальное
напряжение питания ……………………… ±15 В± 10 %;
Максимальное
выходное напряжение при Uп= ±15 В ………... ≥±10 В;
Напряжение
смещения нуля при Uп= ±15 В, Uвых= ±0,02 В …. ≤30
мВ;
Средний
входной ток при Uп= ±15 В, Uвых= ±0,02 В ………… ≤0,1
нА;
Разность
входных токов при Uп= ±15 В, Uвых= ±0,02 В ……… ≤0,1
нА;
Коэффициент
усиления напряжения при Uп= ±15 В, Uвых= ±4 В, Rн=2
кОм …………………………………………………..………. ≥20000;
Коэффициент
ослабления синфазных входных напряжений … ≥70 дБ;
Средний
температурный дрейф напряжения смещения нуля при Uп= ±15 В, Uвых=
±0,02 В………………………………………………. ≤50 мкВ/ ° C;
Частота
единичного усиления при Uп= ±15 В, Uвых= ±0,02 В ……. ≥15
МГц;
Максимальная
скорость нарастания выходного напряженияпри Uп= ±15 В, Uвых=−10
В, Uвх=−10 В ………………………………………… ≥20 В/мкс;
Входное сопротивление …………………………………. ≥1 · 1011
Ом.
По
справочнику [4] подбираем пару комплиментарных транзисторов, имеющих близкие
параметры :
Таблица 3.1- Предельные электрические параметры оконечных транзисторов
|
ПараметрыКТ973А (n-p-n)КТ972А
(p-n-p)
|
60
|
−60
|
|
Iкмакс, А
|
4
|
4
|
|
Ркмакс, Вт
|
8
|
8
|
|
h21Э
|
750
|
750
|
|
Тпмакс, ْ
Ñ
|
150
|
150
|
Согласно рисунку 3.5, это будут транзисторы VT1 (КТ973А) и VT2 (КТ972А).
.1.6 Разработка фазосдвигающего
устройства
Схема фазосдвигающего устройства приведена на рисунке 3.4.
Рисунок 3.6 - Схема фазосдвигающего устройства
При одинаковых резисторах R6=R7=R8, передаточная функция
данного уравнения имеет вид [м/у 2681].
W(p)=−(1−pT/1+pT)
(3.32)
где T=R3C, тогда комплексный коэффициент передачи будет равен:
W(jщ)= −(1− jщ T/1+ jщ T)
(3.33)
б− аргумент цФСУ :
ц=arctgщRC+180°
Из условия известно, что XL= 66 Ом, RП=300 кОм.
Угол б между током датчика и током индуктивности равен:
Таким образом фазосдвигающее устройство должно обеспечить фазовый
сдвиг б+90°=90, 014°,
Т.е.: цФСУ =90, 014°= -2arctgщRC+180°; (3.34)
или2arctgщR7C3=89,986°;
щR7C3=tg(89,986/2)= tg44,993=0,854;
имея частоту щ=314 (50Гц), рассчитываем R7С3=0,854/314=2.72×10-3 
;
Задаваясь значением конденсатора С3=10 нФ, вычисляем значение
сопротивления R7: R7=2.72
10-3/10×10-9=0.272 МОм;
Выбираем значение конденсатора С3[7]: С3 - К73-15 100В-10нФ±5%;
Выбираем значение резистора R3 [6]:
R7 - С2 -29В-0,062Вт-274 кОм±0,1%-А;
Выбираем значение резисторов R6, R8 по 10 кОм:
R6 - С2 -29В-0,062Вт-10 кОм±0,1%-А;
R8 - С2 -29В-0,062Вт-10 кОм±0,1%-А.
Выбираем DA4[10] -ОУ типа
К544УД2А
Номинальное
напряжение питания …………………… ±15 В± 10 %;
Максимальное
выходное напряжениепри Uп= ±15 В ……… ≥±10 В;
Напряжение
смещения нуля при Uп= ±15 В, Uвых= ±0,02 В…. ≤30
мВ;
Средний
входной ток при Uп= ±15 В, Uвых= ±0,02 В ……… ≤0,1
нА;
Разность
входных токов при Uп= ±15 В, Uвых= ±0,02 В …… ≤0,1
нА;
Коэффициент
усиления напряжения при Uп= ±15 В, Uвых= ±4 В, Rн=2
кОм ………………………………………………………………… ≥20000;
Коэффициент
ослабления синфазных входных напряжений … ≥70 дБ;
Средний
температурный дрейф напряжения смещения нуля при Uп= ±15 В, Uвых=
±0,02 В ………………………………………………. ≤50 мкВ/ ° C;
Частота
единичного усиления при Uп= ±15 В, Uвых= ±0,02 В .. ≥15
МГц;
Максимальная
скорость нарастания выходного напряжения при Uп= ±15 В, Uвых=−10
В, Uвх=−10 В ………………………………………. ≥20 В/мкс;
Входное сопротивление ……………………………….. ≥1 · 1011
Ом.
3.1.7
Разработка формирователя управляющего напряжения
Рисунок
3.7 - Схема формирователя управляющих напряжений
Формирователь
управляющих напряжений предназначен для формирования прямоугольных однополярных
импульсов, фронты которых совпадают с моментами перехода через ноль выходного
напряжения фазосдвигающего устройства. Схема формирователя представлена на
рисунке 3.7, она состоит из усилителя ограничителя на ОУ1, и триггера Шмидта -
на ОУ2. Пока диоды не открылись ОУ1 работает как разомкнутый и на выходе
присутствует напряжение с крутыми фронтами и амплитудой 0.7В. Резистор R9
выбираем из условия ограничения выходного тока ОУ1. Зададимся значением
R9=10кОм. Тогда ток протекающий через R9 и по выходу ОУ5 будет равен:
(3.35)
Ток
меньше, чем максимальный ток ОУ. Для К544УД2А Iоу≤5мА. В
триггере Шмидта гистерезис должен быть меньше, чем выходное напряжение
ОУ5.Зададим напряжение гистерезиса 0.1В, тогда Uвых мах=10В.

(3.36)
Îòñþäà

=100.
Çàäàäèìñÿ
R10=1êÎì, R11=100êÎì.
Âûáèðàåì
[6] ìåòàëëîäèýëåêòðè÷åñêèå
ðåçèñòîðû îáùåãî
ïðèìåíåíèÿ :
R10- C2-33
- 0.125Âò - 1 êÎì ±5%-Ã;
R11- C2-33
- 0.125Âò - 100 êÎì ±5%-Ã;
R12- C2-33
- 0.125Âò - 10 êÎì ±5%-Ã.
Â
êà÷åñòâå äèîäîâ
âûáèðàåì [8].
VD3- ÊÄ
521À;
VD4- ÊÄ
521À;
ÊÄ
521À: Uîáð.= 75Â, Iïð. max=0.05 A, Iîáð.max=1 ìêÀ,
Fdmax=100000 êÃö.
Âûïðÿìèòåëü
ïîëîæèòåëüíîé
è ïðÿìîóãîëüíîé
âîëíû ðåàëèçîâàí
íà R12, VD5. R12 íå äîëæíî
íàãðóæàòü ÎÓ2
ïðè îòðèöàòåëüíîé
ïîëóâîëíå. Åñëè
R12 âûáðàòü
10 êÎì òî:
(3.37)
3.1.8
Ðàçðàáîòêà
ôàçî÷óâñòâèòåëüíîãî
âûïðÿìèòåëÿ
Ñõåìà
Ô× ïðèâåäåíà
íà ðèñóíêå 3.8. Ýòî
ôàçî÷óâñòâèòåëüíûé
óñèëèòåëü ñ ïîñëåäîâàòåëüíî
- ïàðàëëåëüíûìè
êëþ÷àìè. Äëÿ ðåàëèçàöèè
Ô× âûáèðàåì
ìèêðîñõåìó Ê590ÊÍ4
[10]:
Ðèñóíîê
3.8 - Ôàçî÷óâñòâèòåëüíûé
âûïðÿìèòåëü
Òîê
óòå÷êè àíàëîãîâîãî
âõîäà………………………….. íå áîëåå
70íÀ;
Òîê
óòå÷êè àíàëîãîâîãî
âûõîäà …………………….. íå áîëåå
70íÀ;
Âõîäíîé
òîê íèçêîãî óðîâíÿ
óïðàâëÿþùåãî
íàïðÿæåíèÿ íå
áîëåå 0.2ìêÀ;
Âõîäíîé
òîê âûñîêîãî
óðîâíÿ óïðàâëÿþùåãî
íàïðÿæåíèÿ .. íå
áîëåå 0.2ìêÀ;
Òîê
ïîòðåáëåíèÿ ïðè
âûñîêîì óðîâíå
óïðàâëÿþùåãî
íàïðÿæåíèÿ:
Îò
ïîëîæèòåëüíîãî
èñòî÷íèêà
………………………. íå áîëåå 200 ìêÀ;
Îò
îòðèöàòåëüíîãî
èñòî÷íèêà
………………………….. íå áîëåå 5 ìêÀ;
Òîê
ïîòðåáëåíèÿ ïðè
íèçêîì óðîâíå
óïðàâëÿþùåãî
íàïðÿæåíèÿ:
Îò
ïîëîæèòåëüíîãî
èñòî÷íèêà…………………….
íå áîëåå 50 ìêÀ;
Îò
îòðèöàòåëüíîãî
èñòî÷íèêà
……………………… íå áîëåå 5 ìêÀ;
Ñîïðîòèâëåíèå
â îòêðûòîì ñîñòîÿíèè
………………. íå áîëåå 75 Îì.
Â
ýòîé ìèêðîñõåìå
ðåàëèçîâàíû
2 êëþ÷à, îäèí èç
êîòîðûõ íîðìàëüíî
íå çàìêíóò (êîíòàêòû
1 - 16), äðóãîé íîðìàëüíî
çàìêíóò (êîíòàêòû
3-4). Ïðè ïîäà÷å íà
óïðàâëÿþùèé âõîä
(êîíòàêò 15) ïîëîæèòåëüíîãî
íàïðÿæåíèÿ, ñîñòîÿíèå
êëþ÷åé ïîìåíÿåòñÿ
íà ïðîòèâîïîëîæíîå.
 îòêðûòîì ñîñòîÿíèè
êëþ÷à (çàìêíóòîãî)
íàõîäèòñÿ íà
óðîâíå ≤75 Îì. Ðàçîìêíóòîå
ñîñòîÿíèå õàðàêòåðèçóåòñÿ
òîêîì óòå÷êè
ïðè ìàêñèìàëüíîì
íàïðÿæåíèè íà
çàæèìàõ êëþ÷à
30Â, Ióò≤70 ìÀ. Ýêâèâàëåíòíîå
ñîïðîòèâëåíèå
ðàçîìêíóòîãî
êëþ÷à ìîæíî îöåíèòü
çíà÷åíèÿ: 
(3.38)
Òàêèì
îáðàçîì ïðè íóëåâîì
óïðàâëÿþùåì íàïðÿæåíèè
êîýôôèöèåíò
óñèëåíèÿ Ô×Â
ðàâåí - 1, ïðè âûñîêîì
óðîâíå óïðàâëÿþùåãî
íàïðÿæåíèÿ +1.
Ñîïðîòèâëåíèÿ
R1 è R2 âûáèðàåì ðàâíûìè
10 êÎì [6]:
R13- C2-33
- 0.125Âò - 10 êÎì ±5%-Ã;
R14- C2-33
- 0.125Âò - 10 êÎì ±5%-Ã.
Â
êà÷åñòâå îïåðàöèîííîãî
óñèëèòåëÿ âûáèðàåì
ìèêðîñõåìó Ê544ÓÄ2À[10]:
Íîìèíàëüíîå
íàïðÿæåíèå ïèòàíèÿ
……………………… ±15 Â ±10 %;
Ìàêñèìàëüíîå
âûõîäíîå íàïðÿæåíèå
ïðè Uï= ±15 Â…………. ≥±10 Â;
Íàïðÿæåíèå
ñìåùåíèÿ íóëÿ
ïðè Uï= ±15 Â, Uâûõ=
±0,02 Â…… ≥30 ìÂ;
Ñðåäíèé
âõîäíîé òîê ïðè
Uï= ±15 Â, Uâûõ= ±0,02 Â
…………. ≥0,1 íÀ;
Ðàçíîñòü
âõîäíûõ òîêîâ
ïðè Uï= ±15 Â, Uâûõ=
±0,02 Â……….. ≥0,1 íÀ;
Êîýôôèöèåíò
óñèëåíèÿ íàïðÿæåíèÿ
ïðè Uï= ±15 Â, Uâûõ=
±4 Â, Rí=2 êÎì
....………………………………………………………… ≥20000;
Êîýôôèöèåíò
îñëàáëåíèÿ ñèíôàçíûõ
âõîäíûõ íàïðÿæåíèé
… ≥70 äÁ;
Ñðåäíèé
òåìïåðàòóðíûé
äðåéô íàïðÿæåíèÿ
ñìåùåíèÿ íóëÿïðè
Uï= ±15 Â, Uâûõ= ±0,02 Â
…………………………………….………….. ≥50 ìêÂ/ ° C;
×àñòîòà
åäèíè÷íîãî óñèëåíèÿ
ïðè Uï= ±15 Â, Uâûõ=
±0,02 Â.. ≥15 ÌÃö;
Ìàêñèìàëüíàÿ
ñêîðîñòü íàðàñòàíèÿ
âûõîäíîãî íàïðÿæåíèÿïðè
Uï= ±15 Â, Uâûõ=−10 Â,
Uâõ=−10 Â……………………………………….. ≥20 Â/ìêñ;
Âõîäíîå ñîïðîòèâëåíèå………………………….………….
≥1 · 1011 Îì.
3.1.9
Ðàçðàáîòêà
ôèëüòðà íèæíèõ
÷àñòîò
Ðèñóíîê
3.9 - Ôèëüòð íèæíèõ
÷àñòîò
Ê544ÓÄ2
À
Ôèëüòð
íèæíèõ ÷àñòîò
ïðåäíàçíà÷åí
äëÿ âûäåëåíèÿ
èç âûõîäíîãî
íàïðÿæåíèÿ Ô×Â
ñðåäíåãî çíà÷åíèÿ.
Ìàêñèìàëüíîå
âûõîäíîå íàïðÿæåíèå
óñèëèòåëÿ íàõîäèòñÿ
íà óðîâíå 20.6ìÂ.
Ïîñëå ÔÍ× ñðåäíåå
çíà÷åíèå áóäåò
ðàâíî:
Uo=2×Um/ð=13.12mB
(3.39)
×àñòîòà
ìèíèìàëüíîé
ãàðìîíèêè â âûõîäíîì
ñèãíàëå ÔÍ× áóäåò
ðàâíà 2w, ãäå w - ÷àñòîòà
âîçáóæäåíèÿ
äàò÷èêà.
Òàêèì
îáðàçîì ÔÍ× äîëæåí
îñëàáèòü íàïðÿæåíèå
ñ ÷àñòîòîé 2w â çàäàííîå
÷èñëî ðàç. Êîýôôèöèåíò
ïîäàâëåíèÿ âû÷èñëÿåòñÿ
èñõîäÿ èç òî÷íîñòè
ñõåìû è óñëîâèé
áûñòðîäåéñòâèÿ.
Îñòàâøèåñÿ ïóëüñàöèè
ïîñëå ôèëüòðà
äîëæíû áûòü ìåíüøå
îñíîâíîé ïîãðåøíîñòè
èçìåðèòåëüíîãî
ïðåîáðàçîâàòåëÿ.
Íàïðèìåð, åñëè
çàäàíà îñíîâíàÿ
ïîãðåøíîñòü:
òî
ïóëüñàöèè äîëæíû
áûòü íà óðîâíå
(5÷10)ðàç ìåíüøå,
ò.å 2×10-3. Òàêèì
îáðàçîì êîýôôèöèåíò
ïîäàâëåíèÿ ôèëüòðà
íàèìåíüøåé ÷àñòîòû
äîëæåí áûòü ðàâåí:

(3.40)
Äëÿ
óïðàâëåíèÿ âîçüìåì
ñõåìó ôèëüòðà,
ñîñòîÿùóþ èç
ïàññèâíûõ R - C çâåíüåâ.
Âûáåðåì òðåõçâåííûé
ôèëüòð. Åãî ñõåìà
ïðèâåäåíà íà
ðèñóíêå 3.8. Ïðèáëèæåííî
äëÿ òðåõçâåííîãî
ôèëüòðà êîýôôèöèåíò
ïîäàâëåíèÿ ìîæíî
îöåíèòü ïî ôîðìóëå:

(3.41)
Îòñþäà:

(3.42)

(3.43)
Âûáèðàåì
çíà÷åíèå åìêîñòè
Ñ=10-6 Ô=1ìêÔ, òîãäà
çíà÷åíèå ðåçèñòîðà=13êÎì.
Âûáèðàåì
êîíäåíñàòîðû
[7]:
Ñ4
- Ê73 - 17 - 63Â - 1.0 ìêÔ ±10%
Ñ5
- Ê73 - 17 - 63Â - 1.0 ìêÔ ±10%
Ñ6
- Ê73 - 17 - 63Â - 1.0 ìêÔ ±10%.
Âûáèðàåì
[6] ìåòàëëîäèýëåêòðè÷åñêèå
ðåçèñòîðû îáùåãî
ïðèìåíåíèÿ :
R15 - C2-33
- 0.125Âò - 13 êÎì ±5% - Ã
R16 - C2-33
- 0.125Âò - 13 êÎì ±5% - Ã
R17 - C2-33
- 0.125Âò - 13 êÎì ±5% - Ã.
Äëÿ
îáåñïå÷åíèÿ
õîëîñòîãî õîäà
íà âûõîäå ôèëüòðà
èñïîëüçóåì óñèëèòåëü
íà DA ñ ïîñëåäîâàòåëüíîé
îáðàòíîé ñâÿçüþ,
ñ êîýôôèöèåíòîì
óñèëåíèÿ:

(3.44)
Rý=R15+R16+R17=39
êÎì;
R18 - C2-33
- 0.125Âò - 39.2 êÎì ±5%-Ã;
3.2 Ðàçðàáîòêà
öèôðîâîé ñõåìû
.2.1
Ðàçðàáîòêà ìîäóëÿ
ÀÖÏ
ÀÖÏ
ñîïðÿãàåò àíàëîãîâóþ
÷àñòü ñõåìû èçìåðèòåëüíîãî
ïðåîáðàçîâàòåëÿ
ñ öèôðîâîé ÷àñòüþ.
Âûõîäíîé âåëè÷èíîé
ÀÖÏ ÿâëÿåòñÿ ïðîïîðöèîíàëüíûé
àìïëèòóäå âõîäíîãî
íàïðÿæåíèÿ äâîè÷íûé
êîä.
Ìèêðîñõåìó
ÀÖÏ âûáåðåì ïî
íåîáõîäèìîìó
÷èñëó ðàçðÿäîâ:
, (3.45)
ãäå
ä=2% - çàäàííàÿ ïîãðåøíîñòü,
òîãäà:
(3.46)
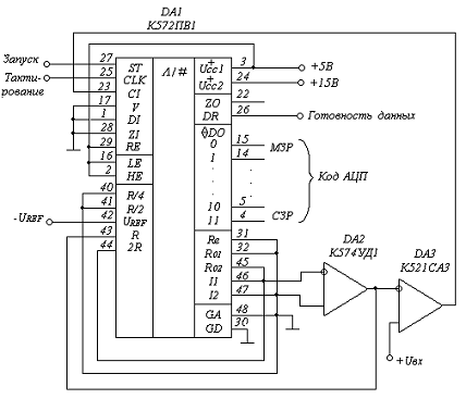
Ðèñóíîê
3.10- Ñõåìà ìîäóëÿ
ÀÖÏ
Äëÿ
îáåñïå÷åíèÿ
òðåáóåìîé òî÷íîñòè
äîñòàòî÷íî 8-ðàçðÿäíîãî
ÀÖÏ. Ïî ñïðàâî÷íèêó
âûáèðàåì ìèêðîñõåìó
ÀÖÏ - Ê572ÏÂ1.
Ìèêðîñõåìà ÀÖÏ
âûïîëíÿåò ôóíêöèè
ÀÖÏ ïîñëåäîâàòåëüíîãî
ïðèáëèæåíèÿ ñ
âûâîäîì ïàðàëëåëüíîãî
äâîè÷íîãî êîäà
÷åðåç âûõîäíûå
êàñêàäû ñ òðåìÿ
ñîñòîÿíèÿìè,
îäíàêî ñóùåñòâóåò
âîçìîæíîñòü
ïðîèçâîëüíîãî
óìåíüøåíèÿ ÷èñëà
ðàçðÿäîâ è âûâîäà
äàííûõ â ïîñëåäîâàòåëüíîì
êîäå.
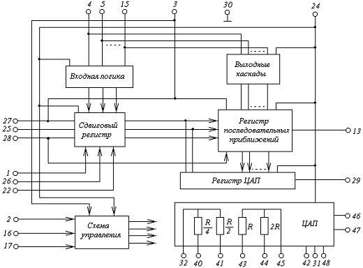
Ðàçðÿäû D0-D7 âûõîäíîãî
êîäà ÀÖÏ ïîäàþòñÿ
íà âõîäû áóôåðíîãî
ðåãèñòðà DD2, à äâà ñòàðøèõ
ðàçðÿäà D8, D9 - íà âõîäû
ðåãèñòðà DD3.
Óïðàâëåíèå
âûõîäíûìè áóôåðàìè
ðåãèñòðîâ îñóùåñòâëÿåòñÿ
îò ëèíèé Ð3.0 è Ð3.1.
Ïðè Ð3.0=1, Ð3.1=1 âûõîäû
ðåãèñòðîâ DD2, DD3 íàõîäÿòñÿ
â z-ñîñòîÿíèè
è îíè îòêëþ÷åíû
îò âûâîäîâ ïîðòà
Ð0. Çàïóñê ÀÖÏ âûïîëíÿåòñÿ
ñèãíàëîì îò ëèíèè
Ð1.5.
Ðèñóíîê
3.11- Ôóíêöèîíàëüíàÿ
ñõåìà ÁÈÑ Ê572ÏÂ1
Ðèñóíîê
3.12- Öîêîëåâêà Ê
572 ÏÂ1
-
(DI) - ïîñëåäîâàòåëüíûé
ââîä;
-
(ÍÅ) - âõîä óïðàâëåíèÿ
ñòàðøèì áàéòîì
êîäà;
-
(
) - íàïðÿæåíèå
ïèòàíèÿ;
-15
- öèôðîâîé ââîä-âûâîä,
ïðè÷åì 4- (ÑÇÐ) - ñòàðøèé
çíà÷àùèé ðàçðÿä,
à 15- (ÌÇÐ) - ìëàäøèé
çíà÷àùèé ðàçðÿä;
-
(LE) - âõîä
óïðàâëåíèÿ ìëàäøèì
áàéòîì êîäà;
-
(V) - âõîä
óïðàâëåíèÿ ðåæèìîì;
-
(ZO)- âûõîä
"Öèêë";
-
(CI) - âõîä
ñðàâíåíèÿ;
-
(
) - íàïðÿæåíèå
ïèòàíèÿ
;
-
(CLK) - âõîä
òàêòîâûõ èìïóëüñîâ;
-
(DR) - âûõîä
"Êîíåö ïðåîáðàçîâàíèÿ";
-
(ST) - âõîä
"Çàïóñê";
-
(ZI) - âõîä
"Öèêë";
-
(RE) - âõîä
ñòðîáèðîâàíèÿ
ÖÀÏ;
-
(GD) - öèôðîâàÿ
îáùàÿ øèíà (öèôðîâàÿ
çåìëÿ);
-
(Re) - êîíå÷íûé
âûâîä ìàòðèöû
R-2R;
-
(
) - îáùèé
âûâîä ðåçèñòîðîâ
R/4 è R/2;
-
(R/4) - âûâîä
ðåçèñòîðà R/4;
-
(R/2) - âûâîä
ðåçèñòîðà R/2;
-
(
) - îïîðíîå
íàïðÿæåíèå;
-
(R) - àíàëîãîâûé
âõîä 1;
-
(2R) - àíàëîãîâûé
âõîä 2;
-
(
) - îáùèé
âûâîä ðåçèñòîðîâ
àíàëîãîâûõ âõîäîâ
1 è 2;
-
(I1) - àíàëîãîâûé
âûõîä 1;
-
(I2) - àíàëîãîâûé
âûõîä 2;
-
(GA) - àíàëîãîâàÿ
îáùàÿ øèíà (àíàëîãîâàÿ
çåìëÿ);
-21,
33-39- íåçàäåéñòâîâàííûå
âõîäû.
Îñíîâíûå ýëåêòðè÷åñêèå
ïàðàìåòðû:
Ïðåîáðàçîâàòåëü
ðàáîòàåò îò äâóõ
èñòî÷íèêîâ ïèòàíèÿ
,íîìèíàëüíîå
íàïðÿæåíèå êîòîðûõ:
……………………………………...……………………………5Â;
…………………………………………………………………..15Â;
Òîê
ïîòðåáëåíèÿ, íå
áîëåå:
îò
èñòî÷íèêà
…………………………………………………3 mA;
îò
èñòî÷íèêà
………………………………………………...5 mA;
Íåëèíåéíîñòü
…………………………..……………±2 åä. ÌÇÐ;
Äèôôåðåíöèàëüíàÿ
íåëèíåéíîñòü
……………………±4 åä. ÌÇÐ;
Ïîãðåøíîñòü
ïîëíîé øêàëû..………………………………±4 åä. ÌÇÐ;
Âðåìÿ
ïðåîáðàçîâàíèÿ,
òèïîâîå………………………………….110 ìêñ;
Òàêòîâàÿ
÷àñòîòà, íå áîëåå………………………………………..250
êÃö;
Âûõîäíîé
òîê ïî àíàëîãîâîìó
âûõîäó……………………………..1 mA;
Îïîðíîå
íàïðÿæåíèå……………………………………………..±15Â;
Âõîäíîå
íàïðÿæåíèå âûñîêîãî
óðîâíÿ………………………...10-17Â;
Âõîäíîå
íàïðÿæåíèå íèçêîãî
óðîâíÿ………………………......0-0,4Â;
Íàïðÿæåíèå
âûñîêîãî óðîâíÿ
íà âõîäå ñðàâíåíèÿ
è âõîäå Öèêë…...10-17Â;
Âûõîäíîé
òîê âûñîêîãî
óðîâíÿ …………………………………0,4-1ìÀ;
Âûõîäíîé
òîê íèçêîãî óðîâíÿ………………………………..….0,4-3ìÀ.
ÀÖÏ
Ê572ÏÂ1 èìååò âûõîäíûå
êàñêàäû ñ òðåìÿ
ñîñòîÿíèÿìè,
áëàãîäàðÿ ÷åìó
ìîæåò âûäàâàòü
èíôîðìàöèþ íà
øèíó äàííûõ ìèêðîïðîöåññîðíîé
ñèñòåìû. ÀÖÏ èìååò
äâóíàïðàâëåííûé
êîäîâûé êàíàë.
Ïåðåêëþ÷åíèå
êîäîâîãî êàíàëà
íà ââîä èëè âûâîä
ïðîèçâîäèòñÿ
ñèãíàëîì, ïîäàâàåìûì
íà âõîä V
(óïðàâëåíèå
ðåæèìîì): åñëè
V=0, òî
îñóùåñòâëÿåòñÿ
âûâîä êîäà, åñëè
V=1, òî
ââîä. Ïåðåâîä êîäîâîãî
êàíàëà â Z-ñîñòîÿíèå
ïðîèçâîäèòñÿ
ïîäà÷åé ñèãíàëà
ëîãè÷åñêîãî
0 íà âõîäû LE (óïðàâëåíèå
âîñåìüþ ìëàäøèìè
ðàçðÿäàìè êàíàëà
D0-D7) è HE (óïðàâëåíèå
ñòàðøèìè ÷åòûðüìÿ
ðàçðÿäàìè êàíàëà
D8-D11). Áëàãîäàðÿ
íàëè÷èþ ýòèõ
âõîäîâ èíôîðìàöèÿ
ñ ÀÖÏ ìîæåò âûâîäèòüñÿ
ïîáàéòíî íà øèíó
äàííûõ ìèêðîïðîöåññîðíîé
ñèñòåìû.
Êàê
âèäíî èç ðèñóíêà
3.9, äëÿ ïîñòðîåíèÿ
ÀÖÏ ìèêðîñõåìó
Ê572ÏÂ1 (DA1) íóæíî äîïîëíèòü
âíåøíèì èñòî÷íèêîì
îïîðíîãî íàïðÿæåíèÿ
(ÈÎÍ)
, îïåðàöèîííûì
óñèëèòåëåì (ÎÓ)
DA2 è êîìïàðàòîðîì
íàïðÿæåíèÿ (ÊÍ)
DA3. ÎÓ (DA2) èñïîëüçóåòñÿ
äëÿ ïðåîáðàçîâàíèÿ
â íàïðÿæåíèå âûõîäíîãî
òîêà I1 âíóòðåííåãî
ÖÀÏ ìèêðîñõåìû
è îáåñïå÷èâàåò
ìàêñèìàëüíóþ
òî÷íîñòü è ñòàáèëüíîñòü
ñòàòè÷åñêèõ
ïàðàìåòðîâ ïðåîáðàçîâàíèÿ.
Âûõîä äîïîëíÿþùåãî
òîêà I2 è âûâîä ïîñëåäíåãî
ðåçèñòîðà (âûâîä
I3) ÖÀÏ ñîåäèíÿþòñÿ
ñ îáùèì ïðîâîäîì.
 êà÷åñòâå ðåçèñòîðà
îáðàòíîé ñâÿçè
óñèëèòåëÿ DA2 èñïîëüçóåòñÿ
îäèí èç ðåçèñòîðîâ,
âõîäÿùèõ â ìèêðîñõåìó.
 ðàñïîðÿæåíèè
ïîëüçîâàòåëÿ
èìåþòñÿ 4 òàêèõ
ðåçèñòîðà, ñîïðîòèâëåíèÿ
êîòîðûõ ñîîòíîñÿòñÿ
ïî äâîè÷íîìó
çàêîíó: 2R, R, R/2, R/4 (R»10 êÎì).
Êîìïàðàòîð
íàïðÿæåíèÿ DA3 ñðàâíèâàåò
âûõîäíîå íàïðÿæåíèå
ÖÀÏ, ñíèìàåìîå
ñ âûõîäà DA2, ñ ïðåîáðàçóåìûì
íàïðÿæåíèåì
. Ðåçóëüòàò
ñðàâíåíèÿ ïîäàåòñÿ
íà âõîä CI (ñðàâíåíèå)
ÀÖÏ è èñïîëüçóåòñÿ
äëÿ óïðàâëåíèÿ
âíóòðåííèì ðåãèñòðîì
ïîñëåäîâàòåëüíîãî
ïðèáëèæåíèÿ.
Ïðè
âêëþ÷åíèè ÀÖÏ
ïî ñõåìå ðèñóíêà
3.9 îáåñïå÷èâàåòñÿ
ïðåîáðàçîâàíèå
íàïðÿæåíèÿ
îò 0 äî
. Åñëè æå â
îáðàòíóþ ñâÿçü
óñèëèòåëÿ DA2 âìåñòî
ñîïðîòèâëåíèÿ
R âêëþ÷èòü
ñîïðîòèâëåíèå
2R èëè
R/2, òî ïðåäåëüíîå
çíà÷åíèå
ñòàíåò ðàâíûì
èëè
.
Îïîðíîå íàïðÿæåíèå
â ýòîì ïðåîáðàçîâàòåëå
ìîæåò èçìåíÿòüñÿ
â ïðåäåëàõ îò
-15 äî 15Â.
Ðèñóíîê
3.13- Òèïîâàÿ ñõåìà
âêëþ÷åíèÿ ìèêðîñõåìû
Ê572ÏÂ1 â ðåæèìå
ÀÖÏ
ñ îïåðàöèîííûì
óñèëèòåëåì è
êîìïàðàòîðîì
íàïðÿæåíèÿ
Îïåðàöèîííûé
óñèëèòåëü Ê574ÓÄ1
èñïîëüçóåòñÿ
äëÿ ïðåîáðàçîâàíèÿ
â íàïðÿæåíèå âûõîäíîãî
òîêà I1 âíóòðåííåãî
ÖÀÏ ìèêðîñõåìû
è îáåñïå÷èâàåò
ìàêñèìàëüíóþ
òî÷íîñòü è ñòàáèëüíîñòü
ñòàòè÷åñêèõ
ïàðàìåòðîâ ïðåîáðàçîâàíèÿ.
Vuâûõ.................................................................................50Â/ìêñ;
Uèï(+/-Uèï).........................................................
+/-8... +/-16,5Â;
Uñì.........................................................................................20ìÂ;
Iâõ.......................................................................................0,05
íÀ;
Êó.............................................................................................96äÁ;
Ðïîò.......................................................................................60ìÂò;
Râõ............................................................................100
000 ÌOì;
fïð.......................................................................................10
ÌÃö;
Ðèñóíîê 3.14- Óñëîâíîå
ãðàôè÷åñêîå
îáîçíà÷åíèå
Ê574 ÓÄ1À.
Êîìïàðàòîð
íàïðÿæåíèÿ Ê521ÑÀ3
ñðàâíèâàåò
âûõîäíîå íàïðÿæåíèå
ÖÀÏ, ñíèìàåìîå
ñ âûõîäà îïåðàöèîííîãî
óñèëèòåëÿ Ê574ÓÄ1,
ñ ïðåîáðàçóåìûì
íàïðÿæåíèåì
. Ðåçóëüòàò
ñðàâíåíèÿ ïîäàåòñÿ
íà âõîä CI (ñðàâíåíèå)
ÀÖÏ è èñïîëüçóåòñÿ
äëÿ óïðàâëåíèÿ
âíóòðåííèì ðåãèñòðîì
ïîñëåäîâàòåëüíîãî
ïðèáëèæåíèÿ.
Uè.ï, Uè.ï 2=+/-15B
Uñì=3ìÂ
Iâõ=100íÀ
Ðèñóíîê 3.15- Óñëîâíîå
ãðàôè÷åñêîå
îáîçíà÷åíèå
Ê521ÑÀ3À.
Îïîðíîå
íàïðÿæåíèå
äîëæíî èìåòü
ïîëÿðíîñòü, ïðîòèâîïîëîæíóþ
ïîëÿðíîñòè ïðåîáðàçóåìîãî
íàïðÿæåíèÿ
. Îïèñàííûå
ñõåìû ÀÖÏ ïðåäïîëàãàþò
îòðèöàòåëüíîå
îïîðíîå íàïðÿæåíèå
. Ïðè ïîëîæèòåëüíîì
âõîäû êîìïàðàòîðà
ñëåäóåò ïîìåíÿòü
ìåñòàìè.
Ðàáîòà
ïðåîáðàçîâàòåëÿ
ñèíõðîíèçèðóåòñÿ
òàêòîâûìè èìïóëüñàìè,
ïîäàâàåìûìè
íà âõîä CLK. ×àñòîòà
èìïóëüñîâ íå
äîëæíà áûòü áîëåå
250 êÃö.
Çàïóñê
ÀÖÏ ïðîèçâîäèòñÿ
ïîëîæèòåëüíûì
èìïóëüñîì, ïîäàâàåìûì
íà âõîä ST. Âåñü
öèêë ïðåîáðàçîâàíèÿ
äëèòñÿ 28 ïåðèîäîâ
òàêòîâûõ èìïóëüñîâ:
2 ïåðèîäà - ñáðîñ,
24 ïåðèîäà - ðåàëèçàöèÿ
ïðîãðàììû ïîñëåäîâàòåëüíîãî
ïðèáëèæåíèÿ è
2 ïåðèîäà - ôîðìèðîâàíèå
ïîëîæèòåëüíîãî
èìïóëüñà íà âûõîäå
DR (ãîòîâíîñòü
äàííûõ). Ïî ýòîìó
ñèãíàëó ïðîèñõîäèò
ñ÷èòûâàíèå öèôðîâîé
èíôîðìàöèè.
Äëÿ
ïîëó÷åíèÿ ñõåìû
10-ðàçðÿäíîãî ÀÖÏ
, íåîáõîäèìî ïîäàòü
íà âõîä 27 ïîâòîðíûé
ñèãíàë Çàïóñê
ïî îêîí÷àíèè
11ãî òàêòà. Ñîåäèíåíèå
âûâîäîâ 22 è 28 ïåðåâîäèò
ñõåìó èç ñèíõðîííîãî
ðåæèìà ðàáîòû
â öèêëè÷åñêèé
, ïðè ýòîì íà âõîä
27 ïîäà¸òñÿ ëîãè÷åñêèé
íîëü.
Ðàññ÷èòàåì
ñõåìó ãåíåðàòîðà
èìïóëüñîâ ñ ÷àñòîòîé
ïîâòîðåíèÿ 50 êÃö
ñ íåñòàáèëüíîñòüþ:
(3.47)
Ðàçðàáàòûâàåì
ñõåìó íà ÊÌÎÏ-ìèêðîñõåìàõ:
Ðèñóíîê
3.16- Ãåíåðàòîð èìïóëüñîâ
Ñõåìà îñíîâàíà
íà øèðîêî ðàñïðîñòðàíåííîì
ãåíåðàòîðå íà
3-õ èíâåðòîðàõ.
 êà÷åñòâå âðåìÿçàäàþùèõ ýëåìåíòîâ
èñïîëüçóþòñÿ ðåçèñòîð è
êîíäåíñàòîð
[4]:
R: ÌËÒ-0,125- 47êÎì ± 5%
Êîíäåíñàòîð
Ñ ðàññ÷èòàåì
êàê:

(3.48)
Âûáèðàåì
Ñ = 5,11 ìêÔ [4]: Ê
73 - 17- 5,11 ìêÔ ± 5%
Íåîáõîäèìîñòü
èñïîëüçîâàíèÿ
ñåðèè 561 â ãåíåðàòîðå
îáóñëîâëåíà
íåîáõîäèìîñòüþ
ïîäêëþ÷åíèÿ ê
âûõîäó ãåíåðàòîðà
áîëüøîãî ÷èñëà
âõîäîâ ìèêðîñõåì,
à ìèêðîñõåìû
561-é ñåðèè îáëàäàþò
äîñòàòî÷íîé
äëÿ èñïîëüçîâàíèÿ
â äàííîé ðàáîòå
íàãðóçî÷íîé
ñïîñîáíîñòüþ.
Ðèñóíîê
3.17- Øåñòü ëîãè÷åñêèõ
ýëåìåíòîâ ÍÅ
ñ áóôåðíûì âûõîäîì.
Ðåãèñòð
DD4(ÊÐ1533ÈÐÇÇ) ñîõðàíÿåò
äàííûå ÀÖÏ íà
âðåìÿ ìåæäó ïîñòóïëåíèåì
â ÌÊ ñèãíàëà ãîòîâíîñòè
äàííûõ è ìîìåíòîì
èõ ïðî÷òåíèÿ.
Ñ÷èòûâàíèå äàííûõ
èç ðåãèñòðà àíàëîãè÷íî
ñ÷èòûâàíèþ èç
âíåøíåé ïàìÿòè
äàííûõ. Äëÿ äåøèôðàöèè
âíåøíèõ óñòðîéñòâ
èñïîëüçóþòñÿ
âûâîäû ïîðòà P1.1 Òàê,
ïðî÷èòàòü äàííûå
ñ ÀÖÏ ìîæíî òîëüêî
ïðè íàëè÷èè íà
âûâîäå Ð1.1 ÌÊ âûñîêîãî
óðîâíÿ.
Òàáëèöà
3. 2-Ïàðàìåòðû ÒÒË
ìèêðîñõåì ñåðèè
ÊÐ1533
|
Âûõîäíîé
òîê ëîã. 1 (ìàêñ.),
ìÀ
|
1
|
|
Âûõîäíîé
òîê ëîã. 0 (ìàêñ.),
ìÀ
|
12
|
|
Âõîäíîé
òîê ëîã. 0 (ìàêñ.),
ìÀ
|
0,1
|
|
Âõîäíîé
òîê ëîã. 1 (ìàêñ.),
ìêÀ
|
20
|
|
Âûõîäíîå
íàïðÿæåíèå ëîã.0
(I=Iìàêñ), Â
|
0,4
|
|
Âûõîäíîå
íàïðÿæåíèå ëîã.1
(I=Iìàêñ), Â
|
2,4
|
|
Âûõîäíîé
òîê êîðîòêîãî
çàìûêàíèÿ, ìÀ
|
30
|
|
Íàïðÿæåíèå
ïèòàíèÿ, Â
|
5
|
|
Ïîòðåáëÿåìûé
òîê, ìÀ
|
50
|
|
Ïîòðåáëÿåìàÿ
ìîùíîñòü (íå
áîëåå), ìÂò
|
1
|
.2.2 Ðàçðàáîòêà
ìîäóëÿ ìèêðîêîíòðîëëåðà
AT89S8252 - ýòî âûñîêîñêîðîñòíîé
8-ðàçðÿäíûé ÊÌÎÏ
ìèêðîêîíòðîëëåð,
cñîâìåñòèìûé
ñ èçäåëèÿìè MCS-51TM,ñ íèçêèì
ïîòðåáëåíèåì,
ñîäåðæèò:
·
8 Êáàéò
ôëýø-ïàìÿòè êîìàíä
ñ âîçìîæíîñòüþ
ïåðåïðîãðàììèðîâàíèÿ
íåïîñðåäñòâåííî
âíóòðè ñèñòåìû
·
SPI ïîñëåäîâàòåëüíûé
èíòåðôåéñ äëÿ
çàãðóçêè ïðîãðàìì
·
Êîëè÷åñòâî
öèêëîâ çàïèñè/ñòèðàíèÿ:
1000
·
2 Êáàéò
ÝÑÏÏÇÓ
·
Êîëè÷åñòâî
öèêëîâ çàïèñè/ñòèðàíèÿ:
100000
·
Äèàïàçîí
íàïðÿæåíèé ïèòàíèÿ
îò 4,0 Â äî 6,0 Â
·
Ïîëíîñòüþ
ñòàòè÷åñêàÿ
ëîãèêà: îò 0 Ãö äî
24 ÌÃö
·
Òðåõóðîâíåâàÿ
çàùèòà ïàìÿòè
ïðîãðàìì
·
256õ8 áèò âíóòðåííåãî
ÎÇÓ
·
32 ïðîãðàììèðóåìûõ
ëèíèè ââîäà/âûâîäà
·
Òðè
16-ðàçðÿäíûõ òàéìåðà/ñ÷åò÷èêà
·
Äåâÿòü
èñòî÷íèêîâ ïðåðûâàíèé
·
Ïðîãðàììèðóåìûé
ÓÀÏÏ
·
SPI ïîñëåäîâàòåëüíûé
èíòåðôåéñ
·
Ýíåðãîñáåðåãàþùèå
"ñïÿùèé" ðåæèì
è ðåæèì îòêëþ÷åíèÿ
ïèòàíèÿ
·
Âûõîä
èç ðåæèìà îòêëþ÷åíèÿ
ïèòàíèÿ ïî ñèãíàëó
ïðåðûâàíèÿ
·
Ïðîãðàììèðóåìûé
ñòîðîæåâîé òàéìåð
·
Äâîéíîé
óêàçàòåëü äàííûõ
·
Ôëàã
îòêëþ÷åíèÿ ïèòàíèÿ
Ìèêðîñõåìà
ïðîèçâîäèòñÿ
ñ èñïîëüçîâàíèåì
âûñîêîïëîòíîé
òåõíîëîãèè èçãîòîâëåíèÿ
ýíåðãîíåçàâèñèìîé
ïàìÿòè ôèðìû
Atmel. Ñîâìåñòèìà
ñ ïðîìûøëåííûì
ñòàíäàðòîì 80Ñ51
ïî íàáîðó âûïîëíÿåìûõ
êîìàíä è ðàñïîëîæåíèþ
âûâîäîâ. Âñòðîåííóþ
ôëýø-ïàìÿòü ïðîãðàìì
ìîæíî ïðîãðàììèðîâàòü
êàê íåïîñðåäñòâåííî
âíóòðè ñèñòåìû
÷åðåç ïîñëåäîâàòåëüíûé
èíòåðôåéñ SPI, òàê
è ñ ïîìîùüþ îáû÷íîãî
ïðîãðàììàòîðà
ìèêðîñõåì ïàìÿòè.
Âñëåäñòâèå îáúåäèíåíèÿ
íà îäíîì êðèñòàëëå
óíèâåðñàëüíîãî
8-ðàçðÿäíîãî ïðîöåññîðà
è ôëýø-ïàìÿòè
ïðîãðàìì AT89S8252 ÿâëÿåòñÿ
ìîùíûì ìèêðîêîìïüþòåðîì,
êîòîðûé ïðåäëàãàåò
î÷åíü ãèáêèå
è ýôôåêòèâíûå
ïî ñòîèìîñòè
ðåøåíèÿ äëÿ áîëüøèíñòâà
âñòðàèâàåìûõ
óïðàâëÿþùèõ ñèñòåì.S8252
îáëàäàåò ñëåäóþùèì
ñòàíäàðòíûì
íàáîðîì óñòðîéñòâ:
8 Êáàéò ôëýø-ïàìÿòè
ïðîãðàìì, 2 Êáàéò
ÝÑÏÏÇÓ (ïàìÿòü
äàííûõ òîëüêî
äëÿ ÷òåíèÿ), 256 áàéò
ÎÇÓ, 32 ëèíèè ââîäà/âûâîäà,
ïðîãðàììèðóåìûé
ñòîðîæåâîé òàéìåð,
äâà óêàçàòåëÿ
äàííûõ, òðè 16-ðàçðÿäíûõ
òàéìåðà/ñ÷åò÷èêà,
øåñòèâåêòîðíàÿ
äâóõóðîâíåâàÿ
ñèñòåìà ïðåðûâàíèé,
ïîñëåäîâàòåëüíûé
äóïëåêñíûé ïîðò,
âñòðîåííûé ãåíåðàòîð
òàêòîâûõ èìïóëüñîâ.
Äîïîëíèòåëüíî:
AT89S8252 ðàçðàáîòàí
ñ èñïîëüçîâàíèåì
ñòàòè÷åñêîé
ëîãèêè, ÷òî ïîçâîëÿåò
ìèêðîñõåìå ðàáîòàòü
íà ÷àñòîòàõ
âïëîòü äî 0 Ãö è
ïîääåðæèâàòü
äâà ïðîãðàììíî
ïåðåêëþ÷àåìûõ
ýíåðãîñáåðåãàþùèõ
ðåæèìà. Â "ñïÿùåì"
ðåæèìå ïðîöåññîð
îñòàíàâëèâàåòñÿ,
îäíàêî ÎÇÓ, òàéìåðû/ñ÷åò÷èêè,
ïîñëåäîâàòåëüíûé
ïîðò è ñèñòåìà
ïðåðûâàíèé ïðîäîëæàþò
ôóíêöèîíèðîâàòü.
 ðåæèìå îòêëþ÷åíèÿ
ïèòàíèÿ ñîõðàíÿåòñÿ
ñîäåðæèìîå ÎÇÓ,
îäíàêî îñòàíàâëèâàåòñÿ
òàêòîâûé ãåíåðàòîð,
îòêëþ÷àþòñÿ
âñå ôóíêöèè ìèêðîñõåìû
äî òåõ ïîð, ïîêà
íå ïðîèçîéäåò
ïðåðûâàíèå èëè
àïïàðàòíûé ñáðîñ.
Ñîäåðæèìîå ôëýø-ïàìÿòè
ïðîãðàìì ìîæíî
èçìåíÿòü ïî îäíîìó
áàéòó ÷åðåç ïîñëåäîâàòåëüíûé
èíòåðôåéñ SPI. Óäåðæàíèå
âûâîäà RESET â àêòèâíîì
ñîñòîÿíèè ïåðåâîäèò
øèíó SPI â ðåæèì
ïîñëåäîâàòåëüíîãî
ïðîãðàììèðîâàíèÿ
è ïðåäîñòàâëÿåò
âîçìîæíîñòü
çàïèñûâàòü èëè
ñ÷èòûâàòü ïàìÿòü
ïðîãðàìì, åñëè
âòîðîé áèò çàùèòû
íå áóäåò óñòàíîâëåí.
Ðèñóíîê 3.18 - Öîêîë¸âêà
AT89S8252.
Ðèñóíîê 3.19-Âíóòðåííåå
óñòðîéñòâî AT89S8252.
Íàçíà÷åíèå
âûâîäîâ:
Vcc - íàïðÿæåíèå
ïèòàíèÿ- îáùèé
âûâîä (çåìëÿ)
Ð0 - 8-ðàçðÿäíûé äâóíàïðàâëåííûé
ïîðò ââîäà/âûâîäà
ñ îòêðûòûì ñòîêîì.
 êà÷åñòâå ïîðòà
âûâîäà îí ìîæåò
ïîòðåáëÿòü òîê
îò 8 ÒÒËØ íàãðóçîê.
Åñëè íà åãî âûâîäàõ
óñòàíîâèòü åäèíèöû,
òî åãî ìîæíî èñïîëüçîâàòü
êàê âûñîêîîìíûé
ïîðò ââîäà.Ð0 òàêæå
ìîæåò áûòü èñïîëüçîâàí
äëÿ âûâîäà +ìëàäøåãî
áàéòà ìóëüòèïëåêñèðîâàííîé
øèíû àäðåñà/äàííûõ
ïðè îáðàùåíèÿõ
ê âíåøíåé ïàìÿòè
ïðîãðàìì è äàííûõ.
 ýòîì ñëó÷àå,
âûâîäû ïîðòà ïîäêëþ÷åíû
÷åðåç "ïîäòÿãèâàþùèå"
ðåçèñòîðû ê øèíå
ïèòàíèÿ.
Ð1 - 8-ðàçðÿäíûé äâóíàïðàâëåííûé
ïîðò ââîäà/âûâîäà
ñî âñòðîåííûìè
"ïîäòÿãèâàþùèìè"
ðåçèñòîðàìè.
Âûõîäíûå áóôåðû
ïîðòà ìîæíî íàãðóæàòü
íà 4 ÒÒËØ âõîäà.
Êîãäà â ïîðò çàïèñàíû
åäèíèöû, òî åãî
âûâîäû èç-çà âñòðîåííûõ
"ïîäòÿãèâàþùèõ"
ðåçèñòîðîâ óñòàíîâëåíû
â âûñîêèé óðîâåíü
è ìîãóò áûòü èñïîëüçîâàíû
äëÿ ââîäà. Â ýòîì
ñëó÷àå ñ âûâîäîâ
ïîðòà, âíåøíå
óñòàíîâëåííûõ
â íèçêèé óðîâåíü,
ñòåêàåò òîê IIL.
Íåêîòîðûå âûâîäû
ïîðòà Ð1 èìåþò
äîïîëíèòåëüíûå
ôóíêöèè. Ð1.4, Ð1.5, Ð1.6
è Ð1.7 ìîãóò èñïîëüçîâàíû
êàê âûâîäû ñèãíàëîâ
èíòåðôåéñà SPI:
âûáîð âåäîìîãî,
ïðèåì/ïåðåäà÷à
äàííûõ è òàêòîâûé
ñèãíàë ñäâèãà
ïðè ïðèåìå/ïåðåäà÷å.
Íèæå ïðèâåäåíà
òàáëèöà â êîòîðîé
îïèñûâàþòñÿ
äîïîëíèòåëüíûå
ôóíêöèè âûâîäîâ
ïîðòà Ð1.
Òàáëèöà 3.3- Àëüòåðíàòèâíûå
ôóíêöèè ïîðòà
Ð1.
|
Âûâîä
ïîðòà
|
Àëüòåðíàòèâíàÿ
ôóíêöèÿ
|
|
Ð1.0
|
Ò2 (âíåøíèé
ñ÷åòíûé âõîä
äëÿ òàéìåðà/ñ÷åò÷èêà
2), âûõîä ïðîãðàììèðóåìîãî
ãåíåðàòîðà ÷àñòîòû.
|
|
Ð1.1
|
Ò2ÅÕ (òðèããåðíûé
âõîä çàõâàòà/ïåðåçàãðóçêè
è óïðàâëåíèÿ
íàïðàâëåíèåì
ñ÷åòà òàéìåðà/ñ÷åò÷èêà
1).
|
|
Ð1.2
|
(âûáîð
âåäîìîãî)
|
|
Ð1.3
|
MOSI (âûâîä ïåðåäà÷è
äàííûõ â ðåæèìå
âåäóùåãî è ïðèåìà
äàííûõ â ðåæèìå
âåäîìîãî äëÿ êàíàëà
SPI)
|
|
Ð1.6
|
MISO (âûâîä ïðèåìà
äàííûõ â ðåæèìå
âåäóùåãî è ïåðåäà÷è
äàííûõ â ðåæèìå
âåäîìîãî äëÿ êàíàëà
SPI)
|
|
Ð1.7
|
SCK (âûâîä ïåðåäà÷è
òàêòîâûõ èìïóëüñîâ
â ðåæèìå âåäóùåãî
è ïðèåìà òàêòîâûõ
èìïóëüñîâ â ðåæèìå
âåäîìîãî äëÿ êàíàëà
SPI)
|
Ïîðò Ð1 òàêæå èñïîëüçóåòñÿ
äëÿ ïðèåìà ìëàäøåãî
áàéòà àäðåñà
ïðè ïðîãðàììèðîâàíèè
è ïðîâåðêå ïàìÿòè
ïðîãðàìì.
Ð2 - 8-ðàçðÿäíûé äâóíàïðàâëåííûé
ïîðò ââîäà/âûâîäà
ñ âñòðîåííûìè
"ïîäòÿãèâàþùèìè"
ðåçèñòîðàìè.
Âûõîäíûå áóôåðû
ïîðòà ìîæíî íàãðóæàòü
íà 4 ÒÒËØ âõîäà.
Êîäà â ïîðò çàïèñàíû
åäèíèöû, òî åãî
âûâîäû èç-çà âñòðîåííûõ
ïîäòÿãèâàþùèõ
ðåçèñòîðîâ óñòàíîâëåíû
â âûñîêèé óðîâåíü
è ìîãóò áûòü èñïîëüçîâàíû
äëÿ ââîäà. Â ýòîì
ñëó÷àå ñ âûâîäîâ
ïîðòà, âíåøíå
óñòàíîâëåííûõ
â íèçêèé óðîâåíü,
ñòåêàåò òîê IIL.
Ïîðò Ð2 òàêæå èñïîëüçóåòñÿ
äëÿ ïðèåìà ñòàðøèõ
áèò àäðåñà è íåêîòîðûõ
óïðàâëÿþùèõ ñèãíàëîâ
ïðè ïðîãðàììèðîâàíèè
è ïðîâåðêå ôëýø-ïàìÿòè
ïðîãðàìì.
Ð3 - âîñüìèðàçðÿäíûé
äâóíàïðàâëåííûé
ïîðò ââîäà/âûâîäà
ñî âñòðîåííûìè
"ïîäòÿãèâàþùèìè"
ðåçèñòîðàìè.
Âûõîäíûå áóôåðû
ïîðòà ìîæíî íàãðóæàòü
íà 4 ÒÒËØ âõîäà.
Êîãäà â ïîðò çàïèñàíû
åäèíèöû, òî åãî
âûâîäû èç-çà
"ïîäòÿãèâàþùèõ"
ðåçèñòîðîâ óñòàíîâëåíû
â âûñîêèé óðîâåíü
è ìîãóò áûòü èñïîëüçîâàíû
äëÿ ââîäà. Â ýòîì
ñëó÷àå ñ âûâîäîâ
ïîðòà, âíåøíå
óñòàíîâëåííûõ
â íèçêèé óðîâåíü,
ñòåêàåò òîê IIL.
Ïîðò Ð3 ñëóæèò
òàêæå äëÿ îáåñïå÷åíèÿ
ðàçëè÷íûõ ñïåöèàëüíûõ
ôóíêöèé AT89S8252. Íèæå
ïðèâåäåíà òàáëèöà,
â êîòîðîé óêàçàíû
àëüòåðíàòèâíûå
ôóíêöèè âûâîäîâ
ïîðòà.
Êðîìå âûøåïåðå÷èñëåííîãî,
ïîðò Ð3 èñïîëüçóåòñÿ
òàêæå äëÿ ïðèåìà
íåêîòîðûõ óïðàâëÿþùèõ
ñèãíàëîâ ïðè
ïðîãðàììèðîâàíèè
è ïðîâåðêå ôëýø-ïàìÿòè
ïðîãðàìì.
Òàáëèöà 3. 4- Àëüòåðíàòèâíûå
ôóíêöèè ïîðòà
Ð3
|
Âûâîä
ïîðòà
|
Àëüòåðíàòèâíàÿ
ôóíêöèÿ
|
|
Ð3.0
|
RxD (âõîä ïîñëåäîâàòåëüíîãî
ïîðòà)
|
|
Ð3.1
|
TxD (âûõîä ïîñëåäîâàòåëüíîãî
ïîðòà)
|
|
Ð3.2
|
(âõîä
âíåøíåãî ïðåðûâàíèÿ
0)
|
|
Ð3.3
|
(âõîä
âíåøíåãî ïðåðûâàíèÿ
1)
|
|
Ð3.4
|
T0 (âíåøíèé
âõîä òàéìåðà
0)
|
|
Ð3.5
|
T1 (âíåøíèé
âõîä òàéìåðà 1)
|
|
Ð3.6
|
(ñòðîá çàïèñè
âî âíåøíþþ ïàìÿòü
äàííûõ)
|
|
Ð3.7
|
(ñòðîá ÷òåíèÿ
èç âíåøíåé ïàìÿòè
äàííûõ)
|
RST-âõîä
ñáðîñà. Âûñîêèé
óðîâåíü íà ýòîì
âûâîäå â òå÷åíèè
2õ ìàøèííûõ öèêëîâ
ïðè ðàáîòàþùåì
òàêòîâîì ãåíåðàòîðå
ñáðàñûâàåò ìèêðîêîíòðîëëåð.
ALE/
-ñèãíàë äåéñòâèòåëüíîñòè
àäðåñà - èìïóëüñ,
êîòîðûé âûäàåòñÿ
äëÿ çàùåëêèâàíèÿ
ìëàäøåãî áàéòà
àäðåñà ïðè îáðàùåíèÿõ
ê âíåøíåé ïàìÿòè.
Ýòîò âûâîä òàêæå
èñïîëüçóåòñÿ
êàê âõîä äëÿ èìïóëüñà
ðàçðåøåíèÿ ïðîãðàììèðîâàíèÿ
ôëýø-ïàìÿòè (
).
Ïðè íîðìàëüíîé
ðàáîòå íà äàííîì
âûâîäå ïðèñóòñòâóåò
íåèçìåííàÿ ÷àñòîòà
ðàâíàÿ 1/6 îò ÷àñòîòû
òàêòîâîãî ãåíåðàòîðà,
êîòîðàÿ ìîæåò
èñïîëüçîâàòüñÿ
äëÿ ñèíõðîíèçàöèè
âíåøíèõ óñòðîéñòâ.
Îäíàêî ïðè îáðàùåíèÿõ
ê âíåøíåé ïàìÿòè
äàííûõ îäèí èìïóëüñ
íà âûâîäå ALE ïðîïóñêàåòñÿ.
Ïðè æåëàíèè ìîæíî
çàïðåòèòü âûäà÷ó
ñèãíàëîâ íà âûâîä
ALE ïóòåì
óñòàíîâêè áèòà
0 â ÐÑÔ ñ àäðåñîì
8ÅÍ. Êîãäà áèò
óñòàíîâëåí, ñèãíàëû
íà âûâîäå ALE ïðèñóòñòâóþò
òîëüêî â òå÷åíèå
êîìàíä MOVX è MOVC. Èíà÷å
âûâîä óñòàíîâëåí
â âûñîêèé óðîâåíü.
Îäíàêî, óñòàíîâêà
áèòà çàïðåùàþùåãî
âûäà÷ó ñèãíàëîâ
íà âûâîä ALE íå áóäåò èìåòü
íèêàêîãî ýôôåêòà,
åñëè ìèêðîêîíòðîëëåð
ðàáîòàåò â ðåæèìå
ñ âíåøíåé ïàìÿòüþ
êîìàíä.
-ñèãíàë ðàçðåøåíèÿ
ïàìÿòè êîìàíä
- ñòðîá ÷òåíèÿ
èç âíåøíåé ïàìÿòè
êîìàíä.Êîãäà
AT89S8252 ðàáîòàåò â ðåæèìå
ñ âíåøíåé ïàìÿòüþ
êîìàíä, ñèãíàë
àêòèâèçèðóåòñÿ
äâàæäû â êàæäîì
ìàøèííîì öèêëå,
êðîìå ñëó÷àåâ
îáðàùåíèÿ ê âíåøíåé
ïàìÿòè äàííûõ,
â òå÷åíèå êîòîðûõ
îáà ñèãíàëà
ïðîïóñêàþòñÿ.
/Vpp-ðàçðåøåíèå
âíåøíåé ïàìÿòè
êîìàíä. Ñèãíàë
íåîáõîäèìî
ïîäêëþ÷èòü ê âûâîäó
GND äëÿ
òîãî, ÷òîáû ðàçðåøèòü
ÎÝÂÌ ñ÷èòûâàòü
êîìàíäû èç âíåøíåé
ïàìÿòè ïðîãðàìì,
èìåþùåé äèàïàçîí
àäðåñîâ îò 0 äî
FFFFH. Îäíàêî, åñëè
áèò çàùèòû 1 çàïðîãðàììèðîâàí,
òî âûâîä
âíóòðåííå
óñòàíîâëåí íà
ñáðîñ.
Äëÿ
ðàáîòû ñ âíóòðåííåé
ïàìÿòüþ ïðîãðàìì
âûâîä
íåîáõîäèìî
ïîäêëþ÷èòü ê âûâîäó
Vcc. Ýòîò âûâîä
òàêæå ïðèíèìàåò
12-âîëüòîâûé ñèãíàë
ðàçðåøåíèÿ ïðîãðàììèðîâàíèÿ
ôëýø-ïàìÿòè (Vpp),
êîãäà âûáðàí
ðåæèì 12-âîëüòîâîãî
ïðîãðàììèðîâàíèÿ.
XTAL1-èíâåðñíûé
âõîä óñèëèòåëÿ
òàêòîâîãî ãåíåðàòîðà
è âõîä âíóòðåííåé
ñõåìû ñèíõðîíèçàöèè.
XTAL2-èíâåðñíûé
âûõîä óñèëèòåëÿ
òàêòîâîãî ãåíåðàòîðà.
Ðåãèñòðû
ñïåöèàëüíûõ ôóíêöèé
Ðàñïîëîæåíèå
ðåãèñòðîâ ñïåöèàëüíûõ
ôóíêöèé (ÐÑÔ) âî
âñòðîåííîé â
ìèêðîêîíòðîëëåð
îïåðàòèâíîé
ïàìÿòè ïðåäñòàâëåíî
â òàáë. 3.3
Òàáëèöà3.5-
Ðàñïðåäåëåíèå
ÐÑÔ â ïàìÿòè è
èõ çíà÷åíèå
ïîñëå ñèãíàëà
ñáðîñà.
ÐÑÔ
çàíèìàþò íå
âñþ îáëàñòü ïàìÿòè
ñ àäðåñîâ 80Í ïî
FFÍ, è íåçàíÿòûå
ÿ÷åéêè ïàìÿòè
ìîãóò ôèçè÷åñêè
îòñóòñòâîâàòü
â ìèêðîñõåìå.
×òåíèå
ïî òàêèì àäðåñàì
â áîëüøèíñòâå
ñëó÷àåâ âîçâðàùàåò
ñëó÷àéíîå çíà÷åíèå,
à çàïèñü ìîæåò
èìåòü íåïðåäñêàçóåìûé
ðåçóëüòàò.
Äëÿ ðàññìàòðèâàåìîãî
ïðèìåðà ïðîåêòèðîâàíèÿ
ÌÊÑ, ñîãëàñíî
èñõîäíûì äàííûì
âûáèðàåì ñõåìó
âêëþ÷åíèÿ ÌÊ
ïî ðèñóíêó 3.20.
Flash Programming and Verification Characteristics -
Parallel Mode= 0°C to 70°C, VCC = 5.0Â ± 10%Maximum
Ratings*Temperature.................................. -55°C to
+125°CTemperature..................................... -65°C to +150°Con Any
PinRespect to Ground .....................................-1.0Â
to +7.0ÂOperating Voltage ............................................
6.6ÂOutput
Current...................................................... 15.0 ìAvalues
shown in this table are valid for TA = -40°C to 85°C and VCC = 5.0Â
± 20%, unless otherwise noted.

Ñ1,
Ñ2 = 30ïÔ±10ïÔ äëÿ êâàðöåâîãî
ðåçîíàòîðà;(÷àñòîòà
ðåçîíàòîðà 3-24ÌÃö)
Âûáèðàåì
òèïîíîìèíàëû:
C1, C2: Ê42-4
-160 Â - 33 ìêÔ
10%;
C3: Ê10-42
-50 Â - 10 ïÔ
10%;
C4: Ê42Ï-5
-40 Â - 0,1 ìêÔ
10%;-R9:
ÌËÒ - 0.125 - 4,7 êÎì ±5%;
R1: ÌËÒ
- 0.125 - 8,2 êÎì ±5%;
ZQ1: HC-49/U_180
Êâàðöåâûé ðåçîíàòîð
ïîäêëþ÷¸í äëÿ
îáåñïå÷åíèÿ
ãåíåðàöèè òàêòîâîé
÷àñòîòû â 22ÌÃö
ê âûâîäàì ÕÒAL1è ÕÒAL2. Êîíäåíñàòîðû
Ñ1,Ñ2 ñëóæàò äëÿ
îáëåã÷åíèÿ çàïóñêà
âíóòðåííåãî
ãåíåðàòîðà. Íà
âûâîä ÅÀ ïîäàí
âûñîêèé óðîâåíü,
÷òî ðàçðåøàåò
ðàáîòó âíóòðåííåé
ïàìÿòè ïðîãðàìì.
Êîíäåíñàòîð
Ñ4 ñëóæèò äëÿ ôèëüòðàöèè
âûñîêî÷àñòîòíûõ
ïîìåõ, âîçíèêàþùèõ
íà âûâîäàõ èñòî÷íèêà
ïèòàíèÿ ïðè ðàáîòå
ìèêðîñõåìû. Ê
ïîðòàì Ð0 ïðèñîåäèíåíû
"ïîäòÿãèâàþùèå
" ðåçèñòîðû. Ïîðòû
Ð1, Ð2, Ð3 èìåþò âíóòðåííèå
ïîäòÿãèâàþùèå
ðåçèñòîðû.
3.2.3 Ðàçðàáîòêà
ìîäóëÿ ïîñëåäîâàòåëüíîãî
èíòåðôåéñà RS-232
Ðàçðàáàòûâàåìàÿ
ìèêðîêîíòðîëëåðíàÿ
ñèñòåìà äîëæíà
èìåòü ñâÿçü ñ
âíåøíèì óäàëåííûì
êîìïüþòåðîì ÷åðåç
ïîñëåäîâàòåëüíûé
èíòåðôåéñ RS-232c. Ïî çàïðîñó
âíåøíåãî êîìïüþòåðà
ÌÊ äîëæåí ïåðåäàâàòü
êîä ïåðåìåùåíèÿ
ïëóíæåðà, ïîëó÷àåìûé
ñ ïîìîùüþ ÀÖÏ.
Îáû÷íî äëÿ ñâÿçè
ÌÊÑ ñ âíåøíèì
êîìïüþòåðîì èñïîëüçóþò
ïðîãðàììíûé ìåòîä
óïðàâëåíèÿ ïåðåäà÷åé,
òàê êàê ýòî ïîçâîëÿåò
óìåíüøèòü ÷èñëî
ëèíèé ñâÿçè
[1].  ýòîì ñëó÷àå
èíòåðôåéñ äîëæåí
îáåñïå÷èòü äâóñòîðîííþþ
ïåðåäà÷ó, ò.å. îò
êîìïüþòåðà ê ÌÊ
(çàïðîñ) è îò ÌÊ
ê êîìïüþòåðó (ïåðåäà÷à
äàííûõ).
Ïðè ñîïðÿæåíèè
ÌÊ ñî ñòàíäàðòíûì
ïîñëåäîâàòåëüíûì
èíòåðôåéñîì
íåîáõîäèìî ðåøàòü
ñëåäóþùèå ïðîáëåìû
[1]:
· ïîääåðæàíèå
ñòàíäàðòíîé
ñêîðîñòè ïðèåìî-ïåðåäà÷è;
· ïîääåðæàíèå
ñòàíäàðòíûõ
ôîðìàòîâ ïîñûëêè;
· ïîääåðæàíèå
ñòàíäàðòíûõ
ïðîòîêîëîâ îáìåíà
Íà ðèñ. 3.19 ïðèâåäåíà
ñõåìà ñîïðÿæåíèÿ
ÌÊ51 ñ èíòåðôåéñîì
RS-232c.
Ñîãëàñîâàíèå
óðîâíåé âûïîëíÿåòñÿ
ñ ïîìîùüþ ìèêðîñõåìû
DD1 ÊÐ559ÈÏ20 (ïðèåì) è
ìèêðîñõåìû DD2 ÊÐ559ÈÏ19
(ïåðåäà÷à), ñïåöèàëüíî
ðàçðàáîòàííûõ
äëÿ ýòîé öåëè.
Ïðè ýòîì ïîòðåáóþòñÿ
äîïîëíèòåëüíûå
èñòî÷íèêè ýëåêòðîïèòàíèÿ
íàïðÿæåíèåì
+12 è -12 Â. Â ñõåìå èñïîëüçóåòñÿ
ñòàíäàðòíûé
ðàçúåì DB9S (ðîçåòêà).
Ñèãíàëû RxD - ïðèíèìàåìûå
äàííûå (îò êîìïüþòåðà),
TxD - ïåðåäàâàåìûå
äàííûå (â êîìïüþòåð).
Ðèñóíîê 3.21- Ñõåìà
ñîïðÿæåíèÿ ÌÊ
ñ èíòåðôåéñîì
RS-232c
3.2.4Ìîäóëü êëàâèàòóðû
è äèñïëåÿ
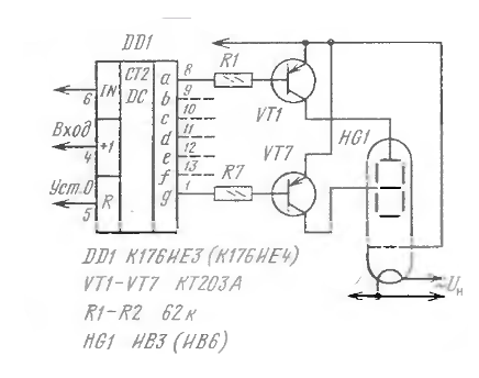
Äëÿ èíäèêàöèè
óðîâíÿ è îáúåìà
íåîáõîäèìî 4 èíäèêàòîðà.
Èñïîëüçóåì âàêóóìíî-ëþìèíèñöåíòíûå
èíäèêàòîðû.
Ðèñ 3.23 Ñõåìà
ïîäêëþ÷åíèÿ èíäèêàòîðîâ
Ðèñóíîê 3.26-Ñõåìà
ïîäêëþ÷åíèÿ èíäèêàòîðîâ
R42,R66: ÌËÒ- 0.125 - 62 êÎì ±5%;
R35-R41,R59-R65: ÌËÒ-
0.125 -62ê Îì ±5%;
HG1-HG4: ÈÁ3
VT5-VT40:ÊÒ203À
Áàéò âûáîðêè
"áåãóùàÿ åäèíèöà"
âûâîäèòñÿ â ðàçðÿäû
Ð4-Ð7 ïîðòà Ð0. Â ìîìåíò
ïîÿâëåíèÿ ëîãè÷åñêîé
åäèíèöû íà áàçå
òðàíçèñòîðà
îí îòêðûâàåòñÿ,
÷òî âëå÷åò çà
ñîáîé çàæèãàíèå
ñîîòâåòñòâóþùåãî
èíäèêàòîðà.
Êëàâèàòóðà
ñîñòîèò èç 4 êíîïîê:
ñêîðîñòü ïîòîêà
(ì/ñ), ðàñõîä (ì3/÷àñ),
íàêîïëåííûé
ðàñõîä (ì3), ìîòîðíîå
âðåìÿ, ïðè íàæàòèè
êîòîðûõ íà äèñïëåé
âûâîäÿòñÿ ñîîòâåòñòâóþùèå
çíà÷åíèÿ, è çàãîðàåòñÿ
ñîîòâåòñòâóþùèé
ñâåòîäèîä.
Áóäåì èñïîëüçîâàòü
ïåðåêëþ÷àòåëè
ñ ôèêñàöèåé(Ñì.
ðèñ. 3.24), êîòîðûå îñòàþòñÿ
â íàæàòîì ñîñòîÿíèè
(çàìêíóòû).
Ðèñóíîê 3.26-Ñõåìà
ïåðåêëþ÷àòåëåé
ñ ôèêñàöèåé.
R27-R29: ÌËÒ- 0.125 - 4,7ê Îì ±5%;
Ðèñóíîê 3.27 Ñõåìû
ïîäêëþ÷åíèÿ ñâåòîäèîäîâ
èíäèêàöèè
Äâîè÷íûé êîä
èíäèöèðóåìîé
öèôðû âûâîäèòñÿ
â ðàçðÿäû Ð0-Ð3 ïîðòà
Ð0 è ïîäàåòñÿ íà
äåøèôðàòîð Ê514ÈÄ1.
Ïîëó÷åííûé ñåìèñåãìåíòíûé
êîä ïîñòóïàåò
ïðÿìî íà ñîîòâåòñòâóþùèå
ðàçðÿäû èíäèêàòîðà.
(3.50)
R24-R26: ÌËÒ- 0.125 -
240Îì ±5%;
VD1-VD4: ÀË307ÁÌ
3.3 Ðàñ÷åò áëîêà
ïèòàíèÿ
Äëÿ ïèòàíèÿ ñõåìû
íåîáõîäèìû èñòî÷íèêè
ïîñòîÿííîãî
íàïðÿæåíèÿ íà
±15Â,
+5 Â. Îïðåäåëèì òîê
ïîòðåáëåíèÿ äëÿ
êàæäîãî íàïðÿæåíèÿ
ïèòàíèÿ:
Òàáëèöà 3.8-Òîê ïîòðåáëåíèÿ
ñõåìû
|
Ìèêðîñõåìà
|
Êîë-âî
|
Ïîòðåáëÿåìûé
òîê îäíîé ìèêðîñõåìîé,
ìÀ
|
|
|
±15 Â
|
+5Â
|
|
Ê544ÓÄ2 À
|
8
|
5
|
|
|
ÀD620À
|
1
|
1,3
|
|
|
ÊÒ973À/ ÊÒ972À
|
2
|
4000
|
|
|
Ê590ÊÍ4
|
1
|
0,050
|
|
|
Ê572ÏÂ1
|
1
|
3
|
3
|
|
Ê574 ÓÄ1À
|
1
|
0,05 ×
|
|
|
Ê521ÑÀ3À
|
1
|
100 × 
|
|
|
ÊÐ1533ÈÐÇÇ
|
7
|
0,1
|
|
|
AT89S8252
|
1
|
|
15.0
|
|
MAX485
|
1
|
|
250
|
|
Âñåãî
|
23
|
8045.05
|
268
|
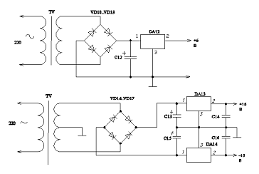
Ðèñóíîê 3.29-Ñõåìû
áëîêà ïèòàíèÿ
Äëÿ ôîðìèðîâàíèÿ
íàïðÿæåíèÿ ±15 Â
áóäåì èñïîëüçîâàòü
òðåõâûâîäíûå
èíòåãðàëüíûå
ñòàáèëèçàòîðû
íàïðÿæåíèÿ: ïîëîæèòåëüíîé
ïîëÿðíîñòè - ìèêðîñõåìà
DA13 òèïà LM7815 è îòðèöàòåëüíîãî
íàïðÿæåíèÿ - ìèêðîñõåìà
DA14 òèïà LM7915. Ìèêðîñõåìû
ðàññ÷èòàíû íà
ìàêñèìàëüíûé
òîê íàãðóçêè
1,5 À è ìàêñèìàëüíóþ
ðàññåèâàåìóþ
ìîùíîñòü 8 Âò.
Ðàñ÷åò ïðèâåäåí
äëÿ îäíîãî êàíàëà
+15Â, ò.ê. èñòî÷íèê
-15Â àáñîëþòíî åìó
èäåíòè÷åí. Íàïðÿæåíèå
íà âõîäå ñòàáèëèçàòîðà
(íàïðÿæåíèå íà
ôèëüòðå):
Uô=(Uâûõ+1Â)×(1+Êï), (3.50)
ãäå Uâûõ
- âûõîäíîå íàïðÿæåíèå
ñòàáèëèçàòîðà;
1Â - ïàäåíèå íàïðÿæåíèÿ
íà ñòàáèëèçàòîðå;
Êï - êîýôôèöèåíò
ïóëüñàöèé.
Çàäàåìñÿ êîýôôèöèåíòîì
ïóëüñàöèé Êï=5%.
Uô=(15+1)×(1+0.05)=16,8 Â.
Åìêîñòü êîíäåíñàòîðîâ
ôèëüòðà Ñ15 (Ñ16):
Ñ15=
, (3.51)
ãäå
Ií - ìàêñèìàëüíûé
òîê íàãðóçêè;
fñ - ÷àñòîòà
ïèòàþùåé ñåòè.


ìÔ
âûáèðàåì
Ê50-12-25Â-33.6ìÔ-20…+80%.
Êîíäåíñàòîðû
Ñ17,Ñ18 áëîêèðîâî÷íûå,
êåðàìè÷åñêèå
Ê10Ó-5-25Â- 0,1ìêÔ.
Àìïëèòóäíîå
çíà÷åíèå íàïðÿæåíèÿ
íà îáìîòêàõ òðàíñôîðìàòîðà:
Um=Uô+Uä.ïð
=16,8+0,7=17,5 Â.
Íåîáõîäèìîå
äåéñòâóþùåå
íàïðÿæåíèå íà
âòîðè÷íûõ îáìîòêàõ
òðàíñôîðìàòîðà:
Uä=
=12,37 Â. (3.52)
Ýôôåêòèâíîå
çíà÷åíèå òîêà
âòîðè÷íîé îáìîòêè:
Iýôô=1,81×Ií=1,81×0,097=0,1756 À. (3.53)
 êà÷åñòâå VD11…VD14 âûáèðàåì
äèîäíûé ìîñò
ÊÖ402Å:
Iïð.
max=1 À;
Uîáð.max=100 Â.
 èñòî÷íèêå
ïèòàíèÿ +5Â èñïîëüçóåòñÿ
ìèêðîñõåìà èíòåãðàëüíîãî
ñòàáèëèçàòîðà
ÊÐ142ÅÍ5À. Ìèêðîñõåìà
îáåñïå÷èâàåò
ìàêñèìàëüíûé
òîê íàãðóçêè
Ií.max=2 À ïðè âûõîäíîì
íàïðÿæåíèè 5±0,1 Â.
Ñîãëàñíî (3.33): Uô=(5Â+3Â)×(1+0,2)=9,6 Â.
Åìêîñòü ôèëüòðóþùåãî
êîíäåíñàòîðà
ðàññ÷èòûâàåòñÿ
ïî ôîðìóëå (3.34):
Ñ10=
=488.5 ìêÔ.
Âûáèðàåì
Ê50-12-25Â-487ìêÔ -20…+80%.
Àìïëèòóäíîå
çíà÷åíèå íàïðÿæåíèÿ
íà îáìîòêå òðàíñôîðìàòîðà:
Um=Uô+2×Uä.ïð.=9.6+2×0.7=11 Â.
Äåéñòâóþùåå
çíà÷åíèå íàïðÿæåíèÿ
è òîêà:
Uä=7.8 Â,
Iýôô=2,426
À.
Â
êà÷åñòâå VD7…VD10 âûáèðàåì
äèîäíûé ìîñò
ÊÖ418Á:
Iïð.ñð.=2,5
À;
Uîáð.max.=100
Â.
Â
êà÷åñòâå òðàíñôîðìàòîðà
Ò1 âûáèðàåì ñòàíäàðòíûé
òðàíñôîðìàòîð
òèïà ÒÏÏ323-127/220-50. Òàêæå
âûáèðàåì ïðåäîõðàíèòåëü
ÂÏ-1À, ïåðåêëþ÷àòåëü
ÒÂ1- 2.
3. Ðàçðàáîòêà
àëãîðèòìà ðàáîòû
è ïðîãðàììíîãî
îáåñïå÷åíèÿ
ìèêðîêîíòðîëëåðà
Àëãîðèòì ðàáîòû
ìèêðîêîíòðîëëåðà
(ÌÊ). Ïîñëå âêëþ÷åíèÿ
ïèòàíèÿ êîíòðîëëåðà
î÷èùàþòñÿ ÿ÷åéêè
ïàìÿòè, õðàíÿùèå
äàííûå îá èçìåðåííûõ
ñêîðîñòè ïîòîêà
(ì/ñ), ðàñõîäå (ì3/÷àñ),
íàêîïëåííîì
ðàñõîäå (ì3), ìîòîðíîì
âðåìåíè. Çàòåì
çàïóñêàåòñÿ
òàéìåð äëÿ îòñ÷åòà
âðåìåíè öèêëà
èçìåðåíèÿ Òö.
 íà÷àëå êàæäîãî
öèêëà ïðîèçâîäèòñÿ
èçìåðåíèå ðàñõîäà,
çàòåì âû÷èñëÿåòñÿ
ñêîðîñòè ïîòîêà
, íàêîïëåííîì
ðàñõîäå , ìîòîðíîì
âðåìåíè. Äëÿ èíäèêàöèè
äàííûõ íóæíî
ïðåäóñìîòðåòü
êëàâèøè (êíîïêè)
ñ ôèêñàöèåé, ïðè
íàæàòèè êîòîðûõ
íà èíäèêàòîðàõ
äèñïëåÿ îòîáðàæàþòñÿ
ñîîòâåòñòâóþùèå
çíà÷åíèÿ ñêîðîñòè
ïîòîêà (ì/ñ), ðàñõîäà
(ì3/÷àñ), íàêîïëåííîãî
ðàñõîäà (ì3), ìîòîðíîãî
âðåìåíè.
Äëÿ ïåðåäà÷è
äàííûõ îò ÌÊ ïî
èíòåðôåéñó óäîáíî
èñïîëüçîâàòü
ðåæèì ïðåðûâàíèÿ
ïî çàïðîñó âíåøíåãî
êîìïüþòåðà. Ïðåðûâàíèÿ
ðàçðåøàþòñÿ òîëüêî
ïîñëå èçìåðåíèÿ
ðàñõîäà è âû÷èñëåíèè
ñêîðîñòè ïîòîêà
, íàêîïëåííîãî
ðàñõîäà , ìîòîðíîãî
âðåìåíè. Â êîíöå
êàæäîãî öèêëà
èçìåðåíèÿ ïðåðûâàíèÿ
çàïðåùàþòñÿ.
.1 Ðàçðàáîòêà
ïðîãðàììíîãî
îáåñïå÷åíèÿ
ìèêðîêîíòðîëëåðà.
Òåêñò ïðîãðàììû
|
; Îñíîâíàÿ
ïðîãðàììà
|
|
ORG 000H
|
; íà÷àëüíûé
àäðåñ
|
|
JMP BEGIN
|
|
|
ORG 100H
|
|
|
BEGIN:
|
CLR P1.0
|
; çàïóñê ÀÖÏ
|
|
WAIT:
|
JNB P1.1, WAIT
|
; ïåðåõîä,
åñëè äàííûå íå
ãîòîâû
|
|
MOVX A,
#00010000B
|
;ââîä äàííûõ
ñ ÀÖÏ
|
|
MOV 30H, A
|
; äàííûå
èç ÀÖÏ â ÿ÷åéêå
30Í ÎÇÓ
|
|
SETB P1.0
|
; ãàøåíèå
ÀÖÏ
|
|
ACALL SPEED
|
; âûçîâ
ï/ï âû÷èñëåíèÿ
ñêîðîñòè
|
|
ACALL VOLUME
|
; âûçîâ
ï/ï âû÷èñëåíèÿ
ðàñõîäà
|
|
ACALL AMOUNT
|
; âûçîâ
ï/ï âû÷èñëåíèÿ
âðåìåíè
|
|
ACALL VOLUME ALL
SETB P3.0
|
; âûçîâ
ï/ï âû÷èñëåíèÿ
íàêîïëåííîãî
ðàñõîäà ; óñòàíîâèòü
ñèãíàë DTR
|
|
NOP
|
|
|
NOP
|
|
|
CLR P3.0
|
; ñíÿòü
ñèãíàë DTR
|
|
SETB EA
|
; ðàçðåøåíèå
ïðåðûâàíèÿ
|
|
SETB ÅÕ1
|
|
|
SETB ÅÕ0
|
|
|
ACALL DELAY1
|
; ï/ï çàäåðæêè
íà 1 ìèíóòó
|
|
JMP BEGIN
|
; öèêë
|
|
; Ïîäïðîãðàììà
ïåðåêîäèðîâêè
èç äâîè÷íî-äåñÿòè÷íîãî
â ñåìèñåãìåíòíûé
êîä
|
|
ORG 40H
|
|
|
TABLECOD:
|
DB 3FH
|
; "0"
|
|
DB 06H
|
; "1"
|
|
DB 5BH
|
; "2"
|
|
DB 4FH
|
; "3"
|
|
DB 66H
|
; "4"
|
|
DB 6DH
|
; "5"
|
|
DB 7DH
|
; "6"
|
|
DB 87H
|
; "7"
|
|
DB 7FH
|
; "8"
|
|
DB 6FH
|
; "9"
|
|
; Ïîäïðîãðàììà
ïðåîáðàçîâàíèÿ
äàííûõ ñ ÀÖÏ â
çíà÷åíèå óðîâíÿ
æèäêîñòè. ; Âõîäíîé
ïàðàìåòð: ÿ÷åéêà
30Í - ïîñëåäíèå äàííûå
ñ ÀÖÏ ; Âûõîäíûå
ïàðàìåòðû: ÿ÷åéêè
50Í, 51Í, 52Í, 53Í - ñîîòâåòñòâåííî
ñîòíè, ; äåñÿòêè,
åäèíèöû, äåñÿòûå
çíà÷åíèÿ óðîâíÿ
|
|
SPEED:
|
MOV A, 30H
|
; â (À) äàííûå
ÀÖÏ â äâîè÷íîì
êîäå
|
|
MOV B, #156
|
; (Â)←156 ìíîæèòåëü
|
|
MUL AB
|
; (Â)(À) ←(À)•(Â)
|
|
MOV R7, A
|
; (R7) ← (À)
Ìë.Á. ïðîèçâåäåíèÿ
|
|
XCH A, B
|
; (À)↔(Â)
|
|
MOV R6, A
|
; (R6) ← (À)
Ñò.Á. ïðîèçâåäåíèÿ
|
|
ACALL PREOBR2-210
|
; âûçîâ
ï/ï ïðåîáðàçîâàíèÿ
|
|
MOV 50H, R3
|
; ïî àäðåñó
50Í êîëè÷åñòâî
ñîòåí
|
|
MOV A, R4
|
; (À)← (R4)
|
|
SWAP A
|
; îáìåí
òåòðàä â àêêóìóëÿòîðå
|
|
ANL A, 00001111B
|
; (À)← (À)&0FH
|
|
MOV 51H, A
|
; ïî àäðåñó
51Í êîëè÷åñòâî
äåñÿòêîâ
|
|
MOV A, R4
|
; (À)← (R4)
|
|
ANL A, 00001111B
|
; (À)← (À)&0FH
|
|
MOV 52H, A
|
; ïî àäðåñó
52Í êîëè÷åñòâî
åäèíèö
|
|
MOV A, R5
|
; (À)← (R5)
|
|
SWAP A
|
; îáìåí
òåòðàä â àêêóìóëÿòîðå
|
|
ANL A, 00001111B
|
; (À)← (À)&0FH
|
|
MOV 53H, A
|
; ïî àäðåñó
53Í êîëè÷åñòâî
äåñÿòûõ
|
|
RET
|
|
|
; Ïîäïðîãðàììà
ïðåîáðàçîâàíèÿ
äàííûõ ñ ÀÖÏ â
çíà÷åíèå îáú¸ìà.
; Âõîäíîé ïàðàìåòð:
ÿ÷åéêà 30Í - ïîñëåäíèå
äàííûå ñ ÀÖÏ.
|
|
; Âûõîäíûå
ïàðàìåòðû: ÿ÷åéêè
55Í, 56Í, 57Í, 58Í-ñîîòâåòñòâåííî
äåñÿòêè,
|
|
; åäèíèöû,
äåñÿòûå, ñîòûå
çíà÷åíèÿ åìêîñòè
|
|
VOLUME:
|
MOV A, 30H
|
; â (À) äàííûå
ÀÖÏ â äâîè÷íîì
êîäå
|
|
MOV B, #59
|
; (Â)←59 ìíîæèòåëü
|
|
MUL AB
|
; (Â)(À) ←(À)•(Â)
|
|
MOV R7, A
|
; (R7) ← (À)
Ìë.Á. ïðîèçâåäåíèÿ
|
|
XCH A, B
|
; (À)↔(Â)
|
|
MOV R6, A
|
; (R6) ← (À)
Ñò.Á. ïðîèçâåäåíèÿ
|
|
ACALL PREOBR2-210
|
; âûçîâ
ï/ï ïðåîáðàçîâàíèÿ
|
|
MOV 55H, R3
|
; ïî àäðåñó
55Í êîëè÷åñòâî
äåñÿòêîâ
|
|
MOV A, R4
|
; (À)← (R4)
|
|
SWAP A
|
; îáìåí
òåòðàä â àêêóìóëÿòîðå
|
|
ANL A, 00001111B
|
; (À)← (À)&0FH
|
|
MOV 56H, A
|
; ïî àäðåñó
56Í êîëè÷åñòâî
åäèíèö
|
|
MOV A, R4
|
; (À)← (R4)
|
|
ANL A, 00001111B
|
; (À)← (À)&0FH
|
|
MOV 57H, A
|
; ïî àäðåñó
57Í êîëè÷åñòâî
äåñÿòûõ
|
|
MOV A, R5
|
; (À)← (R5)
|
|
SWAP A
|
; îáìåí
òåòðàä â àêêóìóëÿòîðå
|
|
ANL A, 00001111B
|
; (À)← (À)&0FH
|
|
MOV 58H, A
|
; ïî àäðåñó
58Í êîëè÷åñòâî
ñîòûõ
|
|
RET
|
|
|
; Ïîäïðîãðàììà
âû÷èñëåíèÿ çíà÷åíèÿ
êîëè÷åñòâà ; Âûõîäíûå
ïàðàìåòðû: ÿ÷åéêà
5ÀÍ - äåñÿòêè ÷àñîâ,
ÿ÷åéêà 5ÂÍ - åäèíèöû
÷àñîâ
|
|
QUANTITY:
|
MOV A, 30H
|
; â (À) äàííûå
ÀÖÏ â äâîè÷íîì
êîäå
|
|
MOV B, #16
|
; (Â)←156 ìíîæèòåëü
|
|
MUL AB
|
; (Â)(À) ←(À)•(Â)
|
|
MOV R7, A
|
; (R7) ← (À)
Ìë.Á. ïðîèçâåäåíèÿ
|
|
XCH A, B
|
; (À)↔(Â)
|
|
MOV R6, A
|
; (R6) ← (À)
Ñò.Á. ïðîèçâåäåíèÿ
|
|
ACALL PREOBR2-210
|
; âûçîâ
ï/ï ïðåîáðàçîâàíèÿ
|
|
MOV 50H, R3
|
; ïî àäðåñó
50Í êîëè÷åñòâî
ñîòåí
|
|
MOV A, R4
|
; (À)← (R4)
|
|
SWAP A
|
; îáìåí
òåòðàä â àêêóìóëÿòîðå
|
|
ANL A, 00001111B
|
; (À)← (À)&0FH
|
|
MOV 51H, A
|
; ïî àäðåñó
51Í êîëè÷åñòâî
äåñÿòêîâ
|
|
MOV A, R4
|
; (À)← (R4)
|
|
ANL A, 00001111B
|
; (À)← (À)&0FH
|
|
MOV 52H, A
|
; ïî àäðåñó
52Í êîëè÷åñòâî
åäèíèö
|
|
MOV A, R5
|
; (À)← (R5)
|
|
SWAP A
|
; îáìåí
òåòðàä â àêêóìóëÿòîðå
|
|
ANL A, 00001111B
|
; (À)← (À)&0FH
|
|
MOV 53H, A
|
; ïî àäðåñó
53Í êîëè÷åñòâî
äåñÿòûõ
|
|
RET
|
|
|
|
; Ïîäïðîãðàììà
ïðåîáðàçîâàíèÿ
äâîè÷íîãî öåëîãî
áåççíàêîâîãî
÷èñëà ôîðìàòà
16
|
|
; â äâîè÷íî-äåñÿòè÷íîå
÷èñëî ôîðìàòà
4õ4
|
|
; Âõîäíûå
ïàðàìåòðû: R6
- Ñò.Á., R7 - Ìë.Á.
|
|
; Âûõîäíûå
ïàðàìåòðû: R3
- Ñò.Á., R4 - Ñð.Á., R5
- Ìë.Á.
|
|
; îáíóëåíèå
òåêóùåé ñóììû
|
|
PREOBR2-210:
|
CLR A
|
|
|
MOV R4, A
|
|
|
MOV R5, A
|
|
|
MOV A, R6
|
|
|
MOV R1, A
|
|
|
MOV A, R7
|
|
|
MOV R2, A
|
|
|
MOV R0, #16H
|
; ñ÷åò÷èê
öèêëîâ
|
|
CLR A
|
|
|
; ñäâèã
äâîè÷íîãî ÷èñëà
âëåâî
|
|
CYCLE:
|
XCH A, R4
|
|
|
XCH R1, A
|
|
|
XCH R4, A
|
|
|
XCH A, R5
|
|
|
XCH R2, A
|
|
|
XCH R5, A
|
|
|
MOV A, R5
|
|
|
ADD A, R5
|
|
|
MOV R5, A
|
|
|
MOV A, R4
|
|
|
ADDC A, R4
|
|
|
XCH A, R4
|
|
|
XCH R1, A
|
|
|
XCH R4, A
|
|
|
XCH A, R5
|
|
|
XCH R2, A
|
|
|
XCH R5, A
|
|
|
; äâîè÷íî-äåñÿòè÷íîå
óäâîåíèå ñóììû
ñ ó÷åòîì ïåðåíîñà
|
|
MOV A, R5
|
|
|
ADDC A, R5
|
|
|
DA A
|
|
|
MOV R5, A
|
|
|
MOV A, R4
|
|
|
ADDC A, R4
|
|
|
DA A
|
|
|
MOV R4, A
|
|
|
ADDC A, R7
|
|
|
DA A
|
|
|
MOV R7, A
|
|
|
; ïðîâåðêà
êîíöà öèêëà
|
|
DJNZ R0, CYCLE
|
|
|
MOV A, R7
|
|
|
MOV R3, A
|
|
|
RET
|
|
|
; Ïîäïðîãðàììà
çàäåðæêè íà 1 ìèíóòó
|
|
DELAY1:
|
MOV R7, #00H
|
; îáíóëèòü
ñ÷åò÷èê ïåðåïîëíåíèÿ
|
|
MOV R6, #00H
|
; îáíóëèòü
ñ÷åò÷èê ïåðåïîëíåíèÿ
|
|
SETB EA
|
; îáùåå
ðàçðåøåíèå ïðåðûâàíèÿ
|
|
SETB ET0
|
; ðàçðåøåíèå
ïðåðûâàíèÿ îò
Ò/Ñ0
|
|
MOV TMOD, #01H
|
; ðåæèì
1 Ò/Ñ0
|
|
MOV TL0, #0B0H
|
|
|
MOV TH0, #3CH
|
; çàãðóçêà
÷èñëà
|
|
SETB TR0
|
; çàïóñê
Ò/Ñ0
|
|
LOOP:
|
CJNE R6, #60,
LOOP
|
; ïåðåõîä
ïðè (R6)≠60
|
|
RETI
|
|
|
ORG 000BH
|
; âåêòîð
ïðåðûâàíèÿ
|
|
CLR TR0
|
; îñòàíîâèòü
Ò/Ñ0
|
|
CLR TF0
|
; ñáðîñèòü
TF0
|
|
INC R7
|
; èíêðåìåíò
|
|
JMP MET
|
|
|
ORG 0030Í
|
|
|
MET:
|
CJNE R7, #20,
AGAIN
|
; ïåðåõîä
ïðè (R7)≠20
|
|
MOV R7, #00H
|
; îáíóëåíèå
|
|
INC R6
|
; èíêðåìåíò
|
|
RETI
|
|
|
AGAIN:
|
MOV TL0, #0B0H
|
|
|
MOV TH0, #3CH
|
; çàãðóçêà
÷èñëà
|
|
MOV TR0
|
; çàïóñê
Ò/Ñ0
|
|
RETI
|
|
|
; Ïîäïðîãðàììà
îáðàáîòêè ïðåðûâàíèÿ
ïî âõîäó INT0
|
|
ORG 0003H
|
; âåêòîð
ïðåðûâàíèÿ
|
|
INT:
|
CLR ES
|
; çàïðåò
ïðåðûâàíèé îò
ÓÀÏÏ
|
|
MOV SCON, #42H
|
; ðåæèì
ÓÀÏÏ
|
|
CLR TR1
|
; îñòàíîâ
Ò/Ñ1
|
|
MOV R0, #50H
|
; àäðåñ
ïåðåñûëàåìûõ
äàííûõ
|
|
ACALL USTAN
|
; âûçîâ ï/ï
|
|
RET
|
|
|
USTAN:
|
MOV TMOD, #20H
|
; ðåæèì
2 Ò/Ñ1
|
|
MOV TH1, #0FAH
|
; çàãðóçêà
÷èñëà
|
|
SETB TR1
|
; çàïóñê
Ò/Ñ1
|
|
PROV:
|
MOV A, @R0
|
|
|
SPOUT:
|
JNB TI, SPOUT
|
; îæèäàíèå
ãîòîâíîñòè ïåðåäàò÷èêà
|
|
CLR TI
|
; ñáðîñ TI
|
|
INC R0
|
; èíêðåìåíò
|
|
MOV SBUF, A
|
; ïåðåñûëêà
ñèìâîëà
|
|
CJNE R0, #5CH,
PROV
|
; âñå ïåðåñëàëè?
|
|
RET
|
|
|
; Ïîäïðîãðàììà
îáðàáîòêè ïðåðûâàíèÿ
ïî âõîäó INT1
|
|
ORG 0013H
|
; âåêòîð
ïðåðûâàíèÿ
|
|
MOV A, 40H
|
; êîìàíäà
÷òåíèÿ FIFO
|
|
MOV P0, A
|
|
|
MOV A, P1
|
; â (À) êîä
íàæàòîé êëàâèøè
|
|
RLC A
|
; ñäâèã
|
|
RLC A
|
; ñäâèã
|
|
RLC A
|
; ñäâèã
|
|
JB C, SP
|
; ïåðåõîä,
åñëè ïåðåíîñ
|
|
RRC
|
; ñäâèã
|
|
JB C, VL
|
; ïåðåõîä,
åñëè ïåðåíîñ
|
|
RRC
|
; ñäâèã
|
|
JB C, QNT
|
; ïåðåõîä,
åñëè ïåðåíîñ
|
|
SP:
|
ACALL SP_OUT
|
; âûçîâ
ï/ï
|
|
RET
|
|
|
VL:
|
ACALL VL_OUT
|
; âûçîâ
ï/ï
|
|
RET
|
|
|
QNT:
|
ACALL QNT_OUT
|
; âûçîâ
ï/ï
|
|
RET
|
|
|
; Ïîäïðîãðàììà
âûâîäà íà äèñïëåé
çíà÷åíèÿ ñêîðîñòè
|
|
SP_OUT:
|
SETB P1.5
|
;çàæèãàíèå
ñâåòîäèîäà
|
|
MOV R2, #00H
|
;àäðåñ 1-îãî
èíäèêàòîðà
|
|
MOV R0, #50H
|
; (R0)←50Í
|
|
SETB P3.7
|
|
|
AGN:
|
MOV A, @R0
|
|
|
MOV A, R1
|
|
|
MOVX @R2,A
|
|
|
MOV A,R2
|
|
|
RL A
|
|
|
MOV R2,A
|
|
|
INC R0
|
; èíêðåìåíò
|
|
CJNE R0, #54H,
AGN
|
; âñå âûâåäåíî?
|
|
RET
|
|
|
CLR P3.7
|
|
|
; Ïîäïðîãðàììà
âûâîäà íà äèñïëåé
çíà÷åíèÿ îáú¸ìà
|
|
VL_OUT:
|
SETB P1.6
|
;çàæèãàíèå
ñâåòîäèîäà
|
|
MOV R2, #00H
|
;àäðåñ 1-îãî
èíäèêàòîðà
|
|
MOV R0, #55H
|
; (R0)←56Í
|
|
SETB P3.7
|
|
|
AGN1:
|
MOV A, @R0
|
|
|
MOV A, R1
|
|
|
MOVX @R2,A
|
|
|
MOV A,R2
|
|
|
RL A
|
|
|
MOV R2,A
|
|
|
INC R0
|
; èíêðåìåíò
|
|
CJNE R0, #59H,
AGN1
|
; âñå âûâåäåíî?
|
|
RET
|
|
|
CLR P3.7
|
|
|
; Ïîäïðîãðàììà
âûâîäà íà äèñïëåé
çíà÷åíèÿ âðåìåíè
|
|
QNT_OUT:
|
SETB P1.7
|
;çàæèãàíèå
ñâåòîäèîäà
|
|
MOV R2, #00H
|
;àäðåñ 1-îãî
èíäèêàòîðà
|
|
MOV R0, #5AH
|
; (R0)←5ÀÍ
|
|
SETB P3.7
|
|
|
AGN2:
|
MOV A, @R0
|
|
|
MOV A, R1
|
|
|
MOVX @R2,A
|
|
|
MOV A,R2
|
|
|
RL A
|
|
|
MOV R2,A
|
|
|
INC R0
|
; èíêðåìåíò
|
|
CJNE R0,
#5CH,AGN2
|
; âñå âûâåäåíî?
|
|
RET
|
|
|
CLR P3.7
|
|
äàò÷èê
ýëåêòðîìàãíèòíûé
ðàñõîäîìåð ïðîãðàììíûé
Çàêëþ÷åíèå
 ðåçóëüòàòå
êîìïëåêñíîãî
êóðñîâîãî ïðîåêòà
áûë ðàçðàáîòàí
èçìåðèòåëüíûé
ïðåîáðàçîâàòåëü
äëÿ ýëåêòðîìàãíèòíîãî
äàò÷èêà ðàñõîäà.
Ñèñòåìà ñîñòîèò
èç îáúåêòà êîíòðîëÿ
è óïðàâëåíèÿ,
ìèêðîêîíòðîëëåðà,
ïóëüòà óïðàâëåíèÿ
è àïïàðàòóðû èõ
âçàèìîñâÿçè.
Ñèñòåìà ðåàëèçîâàíà
íà áàçå ìèêðîêîíòðîëëåðà
AT89S8252. Ñïðîåêòèðîâàííîå
óñòðîéñòâî ïðåäíàçíà÷åíî
äëÿ èçìåðåíèÿ
óðîâíÿ æèäêîñòè,
íà êîíòðîëèðóåìîì
îáúåêòå, à òàêæå
îòîáðàæàåò íà
ïàíåëè èíäèêàöèè
ñêîðîñòü, ðàñõîä
, îáú¸ì è ñóììàðíîå
âðåìÿ íàáëþäåíèÿ.
Òàêæå, ðåçóëüòàòû
ïîñëåäíèõ èçìåðåíèé
ïåðåäàþòñÿ íà
ÝÂÌ, ïîñðåäñòâàì
ìîäóëÿ ïîñëåäîâàòåëüíîé
ïåðåäà÷è RS-485, åñëè ïîñòóïàåò
ñîîòâåòñòâóþùèé
çàïðîñ. Óñòðîéñòâî
ïðåäíàçíà÷åíî
äëÿ ðàáîòû â äèàïàçîíå
èçìåðåíèÿ ðàñõîäà
1,0...10 ì3/ñ, äèàïàçîíå
èçìåðåíèÿ òåìïåðàòóð
0...60°Ñ, ïðè äîïóñòèìîì
íàïðÿæåíèè ïîëÿðèçàöèè
íå áîëåå 100 ìÂ, Êîýôôèöèåíò
ïîäàâëåíèÿ ïîìåõè
îáùåãî âèäà ÷àñòîòû
50 Ãö íå ìåíåå 80 äÁ,
îñíîâíîé ïðèâåäåííîé
ïîãðåøíîñòüþ
ìåíåå 2%, äîïîëíèòåëüíîé
ïîãðåøíîñòüþ
ïðè èçìåíåíèè
òåìïåðàòóðû îêðóæàþùåãî
âîçäóõà íà 10°Ñ
âî âñåì ðàáî÷åì
äèàïàçîíå 0,5%.
Ñïèñîê
èñïîëüçîâàííîé
ëèòåðàòóðû
1. Èâàíîâà
Ã. Ì. è äð. Òåïëîòåõíè÷åñêèå
èçìåðåíèÿ è ïðèáîðû:
Ó÷åáíèê äëÿ âóçîâ
/ Ã. Ì. Èâàíîâà, Í.
Ä. Êóçíåöîâ, B. C. ×èñòÿêîâ.
- Ì.: Ýíåðãîàòîìèçäàò.,
1984.
. Èçìåðåíèÿ
â ïðîìûøëåííîñòè:
Ñïðàâî÷íèê / Â.
Áàñòëü è äð. Ïîä
ðåä. Ï. Ïðîôîñà. -
Ì.: Ìåòàëëóðãèÿ,
1990.
. Õàíñóâàðîâ
Ê. È., Öåéòëèí Â.
Ã. Òåõíèêà èçìåðåíèÿ
äàâëåíèÿ, ðàñõîäà,
êîëè÷åñòâà è
óðîâíÿ æèäêîñòè,
ãàçà è ïàðà. - Ì.:
Èçä. ñòàíä., 1990.
. Ïðàêòè÷åñêîå
ðóêîâîäñòâî: Êîìïëåêñíûé
êóðñîâîé ïðîåêò
äëÿ ñòóäåíòîâ
"Ïðîìûøëåííàÿ
ýëåêòðîíèêà".
Ý. Ì. Âèíîãðàäîâ,
À. È. Íèêååíêîâ,
2003.
. Îïåðàöèîííûå
óñèëèòåëè: Ñïðàâî÷íèê:
- Ì.: ÏÀÒÐÈÎÒ, 1996.
6. Öèôðîâûå
è àíàëîãîâûå
èíòåãðàëüíûå
ìèêðîñõåìû: Ñïðàâî÷íèê
/ Ïîä ðåä., Ñ. Â. ßêóáîâñêîãî.
- Ì.: Ðàäèî è ñâÿçü,
1990.
. Ðåçèñòîðû,
êîíäåíñàòîðû,
òðàíñôîðìàòîðû,
äðîññåëè, êîììóòàöèîííûå
óñòðîéñòâà ÐÝÀ:
Ñïðàâî÷íèê / Í.
Í. Àêèìîâ, Å. Ë. Âàùóêîâ,
Â. À. Ïðîõîðåíêî,
Þ. Ï. Õîäîðåíîê.
- Ìí: Áåëàðóñü,
1994.
8. Âóêîëîâ
Í. È., Ìèõàéëîâ
À. Í. Çíàêîñèíòåçèðóþùèå
èíäèêàòîðû: Ñïðàâî÷íèê
/ Ïîä ðåä. Â. Ï. Áàëàøîâà.
- Ì: Ðàäèî è ñâÿçü,
1987.
. Öèôðîâûå
èíòåãðàëüíûå
ìèêðîñõåìû: Ñïðàâî÷íèê
/ Ï. Ï. Ìàëüöåâ, Í. Ñ.
Äîëèäçå, Ì. È. Êðèòåíêî
è äð. - Ì.: Ðàäèî è ñâÿçü,
1994.
. Öèôðîâûå
èíòåãðàëüíûå
ìèêðîñõåìû. Ñïðàâî÷íèê.
Ì. È Áîãäàíîâè÷.
Ìí. Áåëàðóñü
1991.
11. Â
ïîìîùü ðàäèîëþáèòåëþ.
Ñïðàâî÷íèê Â.
Çàìÿòèí-Ì.:Ïàòðèîò,1991.
. Ïåðàáàñêèí
À.Â. è äð. Èíòåãðàëüíûå
ìèêðîñõåìû. Îïåðàöèîííûå
óñèëèòåëè. Ñïðàâî÷íèê.
Ì.: Íàóêà, 1993.
. Þ.À.
Ìÿ÷èí. "180 àíàëîãîâûõ
ìèêðîñõåì" (ñïðàâî÷íèê)-
Ì.:Ïàòðèîò,1993.
. "Òðàíçèñòîðû
äëÿ àïïàðàòóðû
øèðîêîãî ïðèìåíåíèÿ".
Ñïðàâî÷íèê / Ê.Ì
Áðåæíåâà , Å.È Ãàíòìàí
, Ò.È Äàâûäîâà è
äð. Ì- ðàäèî è ñâÿçü,
1981 ã.
15. Çàéöåâ
À.À, Ãèòöåâè÷
À.Á. "Ïîëóïðîâîäíèêîâûå
ïðèáîðû, äèîäûâûïðÿìèòåëüíûå
, ñòàáèëèòðîíû
, òèðèñòîðû " Ì.
Ðàäèî è ñâÿçü,
1988 ã.
16. Èçìåðåíèÿ
â ïðîìûøëåííîñòè.
Ñïðàâ. èçä. Â 3-õ êí.
Êí. 2. Ñïîñîáû èçìåðåíèÿ
è àïïàðàòóðà:
Ïåð. ñ íåì./ Ïîä ðåä.
Ïðîôîñà Ï. - 2-å èçä.,
ïåðåðàá. è äîï. -
Ì.: Ìåòàëëóðãèÿ,
1990.
17. Èçìåðåíèå
ýëåêòðè÷åñêèõ
è íåýëåêòðè÷åñêèõ
âåëè÷èí. /Ïîä ðåä.
Åâòèõèåâà Í.Í.
- Ì. : Ýíåðãèÿ, 1990.
18. Â.Â.
Ñòàøèí, À.Â. Óðóñîâ,
Î.Ô. Ìîëîãîíöåâà.
Ïðîåêòèðîâàíèå
öèôðîâûõ óñòðîéñòâ
íà îäíîêðèñòàëüíûõ
ìèêðîêîíòðîëëåðàõ.
- Ì.: Ýíåðãîàòîìèçäàò,
1990.
. Öèôðîâûå
èíòåãðàëüíûå
ìèêðîñõåìû: ñïðàâî÷íèê.
/Ïîä ðåä. Ì.È. Áîãäàíîâè÷à
- Ìí.: "Áåëàðóñü",
"Ïîëûìÿ", 1996.
20.Í.Í.Âàñåðèí,
Í.Ê.Äàäåðêî, Ã.À.Ïðîêîôüåâ
" ÏÐÈÌÅÍÅÍÈÅ
ÏÎËÓÏÐÎÂÎÄÍÈÊÎÂÛÕ
ÈÍÄÈÊÀÒÎÐÎÂ"
, Ýíåðãîàòîìèçäàò
1991.
Ðàçìåùåíî
íà Allbest.ru