|
Масса детали (изделия), кг
|
Величина годовой программы
выпуска, шт.
|
|
|
единичное
|
мелко-серийное
|
серийное
|
крупно-серийное
|
массовое
|
|
|
1,0
|
10
|
10
― 2000
|
1500
― 100000
|
75000
― 200000
|
200000
|
|
1,0
― 2,5
|
10
|
10
― 1000
|
1000
― 50000
|
50000
― 100000
|
100000
|
|
2,5
― 5,0
|
10
|
10
― 500
|
500
― 35000
|
35000
― 75000
|
75000
|
|
5,0 - 10,0
|
10
|
10
― 300
|
300
― 25000
|
25000
― 50000
|
50000
|
|
Св. 10
|
10
|
10
― 200
|
20
― 10000
|
1000
― 25000
|
25000
|
|
|
|
|
|
|
|
|
|
|
Мелкосерийное производство - вид серийного производства, при котором
продукция изготовляется непрерывно в большом количестве. В крупносерийном
производстве широко используются специализированное оборудование, поточные
линии и средства автоматизации.
3. Метод
получения заготовки
Заготовку «полумуфта» можно получить с помощью одного мною выбранных
методов:
. Ковки
На выбор метода выполнения заготовки влияет время подготовки
технологической оснастки, наличие соответствующего технологического
оборудования и желаемая степень автоматизации процесса. Выбранный метод должен
обеспечивать наименьшую себестоимость изготовления детали, т.е. затраты на
материал, выполнение заготовки и последующую механическую обработку вместе с
накладными расходами должны быть минимальными.
). Рассмотрим метод получения «Ковка» :
Ковка ГОСТ 8479-70. Ковка позволяет получить заготовку формой и размерами
наиболее приближенными к форме и размерам готовой детали. Что позволяет снизить
трудоемкость дальнейшей обработки и повысить коэффициент использования металла.
4.
Технологический процесс механической обработки детали
Операция 005. Токарная с ЧПУ.
Установка А.
Установить и закрепить заготовку в трех кулачковый патрон.
Позиция І.
Переход 1. Черновое подрезка торца на 5 мм.
h14
Переход
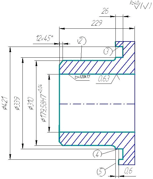
2. Черновое точение 2-й поверхности до , Ø310мм на L=164мм.
h14
Переход
3. Черновое точение 3-й поверхности до Ø421мм. На L=26мм.
h14
Переход
4. Черновое точение 4-й поверхности до Ø339мм. на L=26мм.
h14
Переход
5. Черновое точение на 5-й поверхности на H=0.6мм.
Переход
6. Черновое растачивание отверстия с Ø166м. по Ø175мм. На L=224мм.
h14
Переход
7. Получистовое растачивание отверстия с Ø167.5мм. по Ø178.5мм. за 2хода.
h10
Переход
8. Чистовое растачивание отверстия с Ø168.75мм. по Ø179.58мм. за 3 хода.
h7
Переход
9. Точение фаски 0.6*45о
Переход
10. Точение фаски 12*45о
Рис.
1. Операционный эскиз.
Установка
Б.
Установить
и закрепить заготовку в трех кулачковый патрон.
Позиция
ІI.
Переход
11. Черновое подрезка торца на 2-й поверхности на 2 мм,
h14
Переход
12. Черновое точение на 1-й поверхности до Ø460 мм. На L=63мм.
h14
Переход
13. Получистовое точение на 1-й поверхности до Ø458мм. На L=63мм.
h12
Переход
14. Чистовое точение на 1-й до Ø457мм.
на L=63мм.
h11.
Переход
15.Черновое точение на 2-й поверхности c Ø 330.2мм. до Ø 457мм.на 8мм. За 2 хода.
h10.
Переход
16.Получистовое точении 2-й поверхности с Ø330.2мм. до Ø457мм. На 3 мм.
h9.
Переход
17. Черновое точение на 3-й поверхности с Ø168.75мм. до Ø457330.2мм. на 1мм.
h12
Переход
18. Получистовое точение на 3-й поверхности с Ø168.75мм. до Ø457330.2мм. на 1мм.
h10
Переход
19. Чистовое точение на 3-й поверхности с Ø168.75мм. до Ø457330.2мм. на 1.5мм. за 2 хода
h8
Переход
20. Точение фаски 0.6х45о
Переход
21. Точение паза с Ø353мм до Ø410мм на L=1мм.
Переход
22. Точение канавки Ø180мм на L=6.2мм.
Рис.
2. Операционный эскиз
Операция
010. Сверлильная
Установить
и закрепить заготовку.
Установ
А.
Позиция
I
Переход
1. Рассверливание отверстия Ø25.4мм.
h12
Переход
2. Рассверливание отверстия Ø17мм.
на глубину 5мм.
h12
Переход
3. Рассверливание отверстия Ø10мм.
на глубину 25мм.
h10
Переход
4. Черновое зенкование отверстия до 12мм. на глубину 25мм.
h8
Переход
5. Чистовое зенкование отверстия до Ø12.6мм. на глубину 25мм.
h7
Переход
6. Нарезание резьбы М12 на глубину 20.5 мм
Переход
7. Сверление фаски 0.6*45о
Рис. 3. Операционный эскиз
Установ Б.
Позиция II.
Переход 8. Сверление фаски 0.6*45о
Рис. 4. Операционный эскиз
Операция 015. Моечная
Помыть деталь для следующей обработки.
Операция 020. Шлифовальная
Установ А.
Установить заготовку и закрепить.
Позиция І.
Переход 1. Шлифуем поверхность 1 на 0.5мм. за 10 ходов.
h6
Рис.
5. Операционный эскиз
025 Моечная
Помыть деталь перед контрольной проверкой.
.30 Контрольная
Произвести окончательный контроль готовой детали.
4. Технологический процесс механической обработки детали
.1 Оборудование, инструмент и приспособления
Операция 005. Токарная с ЧПУ.
Станок: 16К30Ф305 с ЧПУ.
Предназначен для выполнения разнообразных токарных работ в один или
несколько проходов по замкнутому автоматическому циклу в условиях
мелкосерийного производства. На станке можно производить наружное точение,
растачивание, а также нарезание резьбы.
Форма образующих обрабатываемого изделия: цилиндрическая, коническая и
фасонная.
Диапазон регулирования чисел оборотов шпинделя и подач позволяет
производить обработку изделий как из обычных черных и цветных металлов, так и
жаропрочных сталей. [2,стр.16-17].
Технические характеристики Таблица 4
|
Класс точности станка по
ГОСТ 8-82
|
П
|
|
Диаметр обрабатываемой
детали над станиной, мм.
|
630
|
|
Диаметр обрабатываемой
детали над суппортом, мм.
|
320
|
|
Длина обрабатываемой
детали, мм.
|
|
|
Габариты станка(длина ,
ширина , высота), мм.
|
4300 2200 1600
|
|
Масса, кг.
|
7400
|
|
Мощность двигателя, кВт.
|
22
|
|
Пределы частоты вращения
шпинделя(Мин.\макс.)
|
6.3\ 1250
|
|
Число инструментов в
магазине
|
8
|
Область применения токарно-винторезного станка 16К30Ф305 ЧПУ - Станок
используют в мелкосерийном, среднесерийном и крупносерийном производстве.
Инструмент:
Резец прямой проходной T15K6
φ = 45˚ ГОСТ
18869-73;
Резец прямой проходной T15K6
φ = 60˚ ГОСТ
18878-73;
Резец токарно-подрезной T15K6 отогнутый с пластинами из твердого
сплава ГОСТ 18880-73;
Резец канавочный T15K6 ГОСТ 18878-73.
Приспособление: Патрон трехкулачковый ГОСТ 2572-53.
Операция 010. Сверлильная с ЧПУ.
Станок: Вертикально-сверлильный станок 2Н150 с ЧПУ.
Станок предназначен для выполнения: сверления, зенкерования,
рассверливания, зенкования, развертывания, нарезания резьбы метчиками, легкого
прямолинейного фрезерования
Технические характеристики Таблица 5
|
Наибольший диаметр
сверления, мм
|
50
|
|
Наибольшее перемещение
шпинделя, мм
|
300
|
|
Наибольшее расстояние от
торца шпинделя до поверхности стола, мм
|
800
|
|
Конус шпинделя
|
Морзе 5
|
|
Пределы частоты вращения
шпинделя, об/мин
|
22,4-1000
|
|
Пределы подач шпинделя,
мм/об
|
0.05-2.24
|
|
Мощность электродвигателя
главного движения, кВт
|
7.5
|
|
Габаритные размеры,
|
2930х890х1355
|
|
Масса, кг 1870
|
1870
|
Инструмент: Метчик ГОСТ 3266-81; Сверло 2300 - 6545 ГОСТ 10902 - 77;
Сверло 2300 - 2452ГОСТ 10902 - 77; Зенкер ГОСТ 14953-80; Зенкер ГОСТ
.Моечная
Моечная машина «Саста».
Моечная машина осуществляет промывку деталей и узлов
металлообрабатывающих станков. Она работает в автоматическом режиме и
рекомендуется для предприятий с мелкосерийным и серийным характером
производства. Принцип работы машины - промывка деталей и узлов в камере
тупикового типа. Поддержание необходимой температуры моющего раствора,
перемещение каретки с деталями, подъем и опускание заслонки, а также включение
и отключение насосной установки осуществляется по заданному циклу, что делает
работу моечной машины простой и удобной.
Технические характеристики Таблица 6
|
Наибольшие размеры
промываемых деталей, мм - длина - ширина - высота
|
800 850 650
|
|
Время разогрева моющей
среды, час
|
До 2
|
|
Температура моющего
раствора, град. 50-80
|
50-80
|
|
Длительность цикла мойки,
мин
|
2-10
|
|
Мощность электродвигателя
привода каретки, кВт
|
1,1
|
|
Суммарная мощность всех
электродвигателей и электронагревателей, кВт
|
40
|
|
Габаритные размеры машины,
мм
|
2380х1500х2110
|
|
Масса машины,
|
1450
|
.Круглошлифовальная
Станок шлифовальный 3М194
Предназначен для наружного шлифования цилиндрических и конических
поверхностей
Таблица 7. Технические характеристики
|
Наибольший диаметр
обрабатываемого изделия, мм:
|
560
|
|
Наибольшая длина устанавливаемого
изделия, мм:
|
4000
|
|
Диаметр шлифования, мм: -
максимальный - минимальный
|
560 40
|
|
Точность обработки: - макс.
отклонение от цилиндричности (на длине 800 мм/31"), мм - макс.
отклонение от круглости, мм - шероховатость Ra,мкм
|
0,010 0,003 0,32
|
|
Суммарная мощность
электродвигателей, кВт:
|
43,11
|
|
Размеры шлифовального
круга, мм:
|
750х100
|
|
Величина врезной
периодической подачи, мм (на радиус):
|
0,0025-0,03
|
|
Скорость резания, м/с:
|
50
|
|
Мощность двигателя привода
круга, кВт:
|
30
|
|
Частота вращения изделия
(регулируется бесступенчато), об/мин.:
|
7-120
|
|
Масса станка, кг
|
32750
|
|
Габариты станка, мм
|
13070х4020х2455
|
Инструмент: Круг шлифовальный ГОСТ 16168-91
Применяемые приспособления: Центр упорный с поводком.
.2. Расчет норм времени и определение типа производства
Технические нормы времени в условиях мелкосерийного производства
устанавливаются расчётно-аналитическим методом. После определения содержания
операций, выбора оборудования и инструмента по каждому переходу вычисляются
основное технологическое время То. Основное технологическое время То
затрачивается на непосредственное осуществление технологического процесса, то
есть на изменение формы, размеров и качества обрабатываемой поверхности детали.
Расчет основного времени производится по формулам, установленным на основании
кинематики данного метода обработки. [3, стр. 111-112,174]
Для расчета основного технологического времени воспользуемся следующими
формулами Т0=,(мин):
Черновая подрезка торца
Т0=0,000037(D2-d2), мин (1)
где D- начальный диаметр
заготовки, ммконечный диаметр заготовки, мм
Чистовая подрезка торца
Т0=0,000052(D2-d2), мин (2)
где D- начальный диаметр
заготовки, ммконечный диаметр заготовки, мм
Сверление отверстий
Т0=0,00052dl,
мин (3)
где d-диаметр, l-длина
отверстия.
Зенкерование отверстий
Т0=0,00021dl,
мин
где d-диаметр обрабатываемой
заготовки мм,- длина обрабатываемой поверхности мм;
Черновая обточка за один
проход
Т0=0,00017dl, мин (4)
где d-диаметр обрабатываемой
заготовки мм,- длина обрабатываемой поверхности мм;
Чистовая обработка
Т0=0,0001dl,
мин (5)
где d-диаметр обрабатываемой
заготовки мм,- длина обрабатываемой поверхности мм;
Шлифование чистовое по 6
квалитету
Т0=0,000052(D2-d2),мин (6)
где D- начальный диаметр
заготовки, ммконечный диаметр заготовки, мм
Нарезание резьбы
Т0=0,0004dl,
мин (7)
где d-диаметр резьбы мм,-
длина резьбы мм;
Для расчета
штучно-калькуляционного времени воспользуемся формулой:
Тшк=φк*Т0 , мин (8)
где Т0 - основного
технологического времени,
φк- поправочный коэффициент.
Таблица 9 Значение
поправочного коэффициента
|
Виды станков
|
|
единичное и мелкосерийное
|
крупносерийное
|
|
Токарные
|
2,14
|
1,36
|
|
Фрезерные
|
1,84
|
1,51
|
|
Зуборезные
|
1,66
|
1,27
|
|
Кругошлифовальные
|
2,10
|
1,55
|
Для крупносерийного типа производства при расчетах будем выбирать
коэффициент крупносерийного типа производства.
Операция 005. Токарная с ЧПУ
Установ А
Позиция I
Переход
1. Т0=0,000037
(3152-1642)= 2,676 мин
Переход
2. Т0=0,0001
315
164=5,166
мин
Переход
3. Т0=0,00001
344
26=
0,8944 мин
Переход
4. Т0=0,00001
416
26=1,0816
мин
Переход
5. Т0=0,00018
164
224=6,613
мин
Переход
6. Т0=0,0002
166
224
2=7,437 мин
Переход
7. Т0=0,0002
167
224
3=14,963 мин
=38,8307
мин
Установ
Б
Позиция
II
Переход
6. Т0=0,000037
(4622-1682)= 6,8438 мин
Переход
7. Т0=0,00017
462
61=0,000052
625= 4,7903 мин
Переход
8. Т0=0,00017
460
61=0,000052
625= 4,77 мин
Переход
9. Т0=0,00017
458
61=0,000052
625= 4,779мин
Переход
10. Т0=0,000037
(4572-330,22)
2= 10,398
мин
Переход
11. Т0=0,000037
(4572-330,22)= 5,199 мин
Переход
12. Т0=0,000037
(330,22-168,752)= 2,98 мин
Переход
13. Т0=0,000052
(4572-330,22)
2=
8,371мин
=48,119
мин
Тшк=
φк=48,119
1,36=104,272 мин
Операция
010.Сверлильная.
Установ
А
Позиция
I
Переход
1. Т0=0,00052
25,4
25
20=6,64 мин
Переход
2. Т0=0,00052
17
5,8=
0,053 мин
Переход
3 Т0=0,00052
10
25
2=0,26мин
Переход
4. Т0=0,00021
10
25
2=0,105 мин
Переход
5. Т0=0,00021
12
25
2=0,126 мин
=7,184
Тшк=
φк=0,6128
1,3=9,339мин
Операция
015. Резьбонарезная.
Установ
А
Позиция
I
Переход
1. Т0=0,0004
12
20,5=0,0984
мин
=0,0984
Тшк=
φк=0,0984
1,3=0,128 мин
Операция
020. Круглолифовальная
Установ
А
Позиция
I
Переход
1. Т0=0,000052
(4572-330,22)
10=51,99
мин.
=51,99
мин.
Тшк=
φк=51,99
1,65=85,78 мин
Определение среднего штучно-калькуляционного времени производится по
следующей формуле:

52,99
мин. (9)
где
Тшт.к.ср. - среднее штучно-калькуляционное временя, мин;
Тшт.к.i. -
штучно-калькуляционное временя на каждой операции, мин;- число операций.
Величина
такта выпуска рассчитывается по формуле:
=
(10)
где
tв - такт выпуска деталей, мин/шт;Д - действительный годовой фонд времени
работы оборудования, ч;- годовая программа выпуска деталей, шт.
Определение
коэффициента серийности производится по следующей формуле:
Kc=
=
1,32 (11)
где Kс - коэффициент серийности.
Значения коэффициента серийности для различных типов производств:
Для единичного производства - kc больше 40;
Для мелкосерийного производства - kc 20-40;
Для среднесерийного производства - kc 10-20;
Для крупносерийного производства - kc 1-10;
Для массового производства - kc меньше 1.
Исходя, из величины коэффициента серийности определяется тип
производства. Полученному значению коэффициента серийности соответствует
крупносерийное производство.
На предприятиях крупносерийного производства количество выпускаемых
изделий и размеры операционных партий заготовок (поступающих на рабочее место
для выполнения технологических операций) исчисляется сотнями штук; используется
поточные линии; специализированное оборудование и средства автоматизации..
5. Расчёт режимов резания на самую ответственную поверхность
Наиболее ответственной считается поверхность, обладающая более высоким
квалитетом точности и параметром шероховатости. На данной детали самой
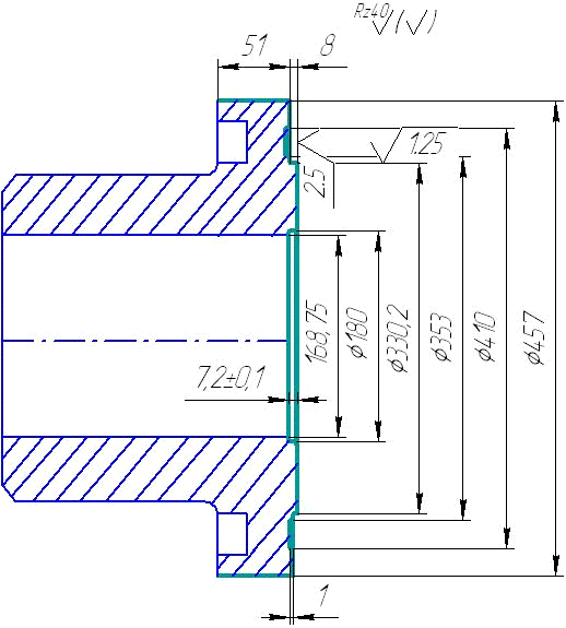
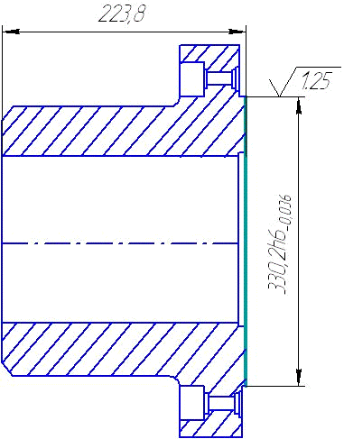
ответственной является 2 поверхность на 1 ступени диаметром 330,2 мм. Квалитет
точности поверхности - 6, параметр шероховатости - Ra 1,25 мкм. При назначении
элементов режимов резания учитывают характер обработки, тип и размеры инструмента,
материал его режущей части, материал и состояние заготовки, тип и состояние
оборудования. Элементы режима резания обычно устанавливают в следующем порядке:
глубина резания, подача, скорость резания.
Расчет режимов резания при точении поверхности
Скорость резания при наружном продольном и поперечном точении и
растачивании рассчитывают по эмпирической формуле
, м/мин. (12)
где
v - скорость резания, м/мин;
Сv -
поправочный коэффициент;
m, x, y -
показатели степени;
Т
- период стойкости инструмента (Т = 20-60 мин), мин;- глубина резания, мм;-
подача, мм/об;v - поправочный коэффициент на скорость резания.
Коэффициент
Kv определяется по формуле:
Kv= KMV
КПV
KИV (13)
где
КМV - коэффициент, учитывающий качество обрабатываемого материала;
КПV
- коэффициент, отражающий состояние поверхности заготовки;
КИV
- коэффициент, учитывающий качество материала инструмента.
Значения
коэффициентов КПV и КИV выбираются из таблиц.
(14)
где
Кr - коэффициент характеризующий группу стали по обрабатываемости, и
показатель степени nv.
σв- фактический параметр, характеризующий обрабатываемый материал, для
которого рассчитывается скорость резания.
σв<1, Кr =1, nv=1 так, как резец из твердого сплава.
Для
чернового точения Knv=0,8 (поковка с коркой), для получистового и чистового
точения Knv=1 (без корки).иv =1 для получистовой и черновой обработки (Т15К6),
Kиv =1 для чистовой обработки 1 (Т15К6).
Для
чернового точения Кv=0,59
0,8
1=0,92 , для получистового точения
для
чистового точения
Kv=0,59
1
1=1,15 (15)
Значение
поправочного коэффициента Сv и показателей степени m, x, y
выбираются из таблиц в зависимости от материала режущей части резца, подачи и
обрабатываемого материала.
Операция
005.Токарная с ЧПУ.
Установ
Б.
Переход
1.
Глубина
резания t=2 мм, подача s=1,1 мм/об.
Расчет
скорости резания по формуле (23):
Для
полученной скорости резания необходимо определить частоты вращения шпинделя
станка. Частота вращения шпинделя рассчитывается по следующей формуле:
(16)
где n - частота вращения шпинделя станка, об/мин;- диаметр заготовки при
точении или инструмента при сверлении и фрезеровании, мм.
Полученное значение частоты вращения шпинделя необходимо откорректировать
по паспорту станка модификации 16К30Ф305, и принять фактическую частоту
вращения шпинделя. При этом следует принимать ближайшую большую по паспорту
станка, если разница между расчетной и паспортной частотами составляет менее 5
%, во всех остальных случаях принимать ближайшую меньшую. Из ряда частот
вращения шпинделя принимается фактическое значение nф = 90 oб/мин. Необходимо рассчитать
фактическую скорость резания
(17)
где vф - фактическая скорость резания, м/мин.
nф -
фактическая частота вращения шпинделя, об/мин.
Переход 7.
Глубина резания t = 1 мм, подача s = 1,1 мм/об.
Скорость резания
Частота
вращения шпинделя
Фактическая
частота вращения шпинделя nф = 100 oб/мин.
Фактическая
скорость резания:
Переход
8.
Глубина
резания t=1 мм, подача s=1,1 мм/об.
Расчет
скорости резания по формуле (17):
Для
полученной скорости резания необходимо определить частоты вращения шпинделя
станка. Частота вращения шпинделя рассчитывается по следующей формуле:
где n - частота вращения шпинделя станка, об/мин;- диаметр заготовки при
точении или инструмента при сверлении и
фрезеровании, мм.
Полученное значение частоты вращения шпинделя необходимо откорректировать
по паспорту станка модификации 16К30Ф305, и принять фактическую частоту
вращения шпинделя. При этом следует принимать ближайшую большую по паспорту
станка, если разница между расчетной и паспортной частотами составляет менее 5
%, во всех остальных случаях принимать ближайшую меньшую. Из ряда частот
вращения шпинделя принимается фактическое значение nф = 120 oб/мин. Необходимо рассчитать
фактическую скорость резания:
где vф - фактическая скорость резания, м/мин.
nф -
фактическая частота вращения шпинделя, об/мин.
Переход 9.
Глубина резания t = 1,5мм, подача s = 0,2 мм/об.
Скорость резания
Частота
вращения шпинделя
изготовление
обработка деталь полумуфта
Полученная
частота выходит за пределы частот вращения шпинделя станка модификации
16К30Ф305. Принимаю максимальную частоту вращения шпинделя станка n = 2000
об/мин. Максимальная частота вращения шпинделя nф = 180 oб/мин.
Необходимо рассчитать фактическую скорость резания:
Фактическая
скорость резания:
.
Расчет
режимов резания при шлифовании
Основными
параметрами резания при шлифовании являются скорость вращательного или
поступательного движения заготовки, скорость вращения шлифовального круга,
глубина шлифования. Эти параметры назначаются на основании справочных данных.
Операция 020. Плоскошлифовальная с ЧПУ.
Установ А.
Переход 1.
При шлифовании поверхности принимается скорость вращения шлифовального
круга vк = 30 м/с, скорость вращения заготовки vз = 2 м/мин, глубина шлифования
t = 0,05 мм.
Определение эффективной мощности шлифования:
(18)
где N - эффективная мощность шлифования, кВт;
СN - поправочный коэффициент;
b
-поперечная длинна заготовки, мм.
Мощность главного привода станка 3М194 N=25 кВт. С технической стороны
этот станок соответствует требованиям.
Заключение
Разработка технологического процесса изготовления детали является одним
из важнейших этапов производства. При разработке технологического процесса,
выборе оборудования и инструмента, расчёта норм времени и определение типа
производства особое внимание уделяется особенностям конфигурации производимой
детали.
Качество изготовления продукции определяется совокупностью свойств
процесса её изготовления, соответствием этого процесса установленным нормам и
требованиям. Также был произведен выбор оборудования качественный контроль как
самого технологического процесса, так и готовой продукции.
Литература
1. Основы
технологии машиностроения: Учебник для машиностроительных вузов. Колесов И.М -
М,: Машиностроение, 1997 - 592 с.
. Справочник
Технолога Машиностроителя. В -2-х т. Т2./Под ред. А.Г. Косиловой и Р.К.
Мещеренкова.-4-е изд., перераб. и доп-М.: Машиностроение, 1986г. -496с.
. Горбацевич
А.Ф., Чеботарев В.Н., Шкред В.А.. Курсовое проектирование по технологии
машиностроения. Минск, «Высшая школа», 1975. - 288 с.
. Марочник
сталей и сплавов./М.М. Колосков, Е.Т. Долбенко, Ю.В. Каширский и др.: Под общей
редакцией А.С. Зубченко - М.:Машиностроение, 2001г. - 672с.
. Справочник
Технолога Машиностроителя. В -2-х т. Т1./Под ред. А.Г. Косиловой и Р.К.
Мещеренкова.-4-е изд., перераб. и доп-М.: Машиностроение, 1986г. -496с.
.
Проектирование технологических схем и оснастки: учебное пособие для студ. высш.
учеб. заведений /Лебедев Л. В., Погонин А. А. 2009 г. 336 с.
7. Основы
технологии машиностроения. Под ред. В.С.Корсакова. Изд. 3-е, доп. и перераб.
Учебник для вузов. М.: «Машиностроение», 1977г.