Изготовление детали 'Рычаг'

  • Вид работы:
    Дипломная (ВКР)
  • Предмет:
    Другое
  • Язык:
    Русский
    ,
    Формат файла:
    MS Word
    364,29 kb
  • Опубликовано:
    2012-02-17
Вы можете узнать стоимость помощи в написании студенческой работы.
Помощь в написании работы, которую точно примут!

Изготовление детали 'Рычаг'

1. Общая характеристика литой детали

Материал отливки: Сталь 30Л-I ГОСТ 977-88

Годовой план: 100 шт.

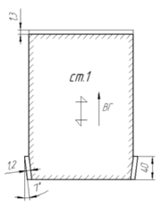
Чертеж детали приведен на рисунке 1, а на рисунке 2 - трехмерное изображение.

Рисунок 1 - Чертеж детали

Масса - 96 кг.

Отливка такой массы относится по массе к I группе. При годовом плане 100 шт. и первой группе по массе, по таблице 8, стр. 13 [1], находим тип производства - единичное.

Такая серийности может быть обеспечена различными способами формовки.

2. Анализ технологичности конструкции детали

Разработка техпроцесса изготовления отливки начинается с анализа технологичности конструкции литой детали. Технологичной считается такая конструкция, которая позволяет получать её задуманного качества при минимальных затратах и стоимости. Технологичность оценивается по такому ряду параметров:

Рисунок 2 - Трехмерный эскиз отливки

Толщина всех стенок отливки должна быть не менее минимально допустимой для заданного сплава. Для мелких стальных отливок это значение находится в пределах 4..6 мм.

Толщины стенок данной детали - не менее 27,5 мм, следовательно, по этому параметру отливка будет технологичной.

В отливке не должно быть смежных стенок с большой разницей в толщине. Если отношение толщины большей стенки к толщине меньшей будет более 4, то отливка считается нетехнологичной.

Вданной отливки самый большой перепад толщин - 85:66=1,29<4 - по этому фактору отливка технологична.

В отливке не должно быть прямых и острых углов. Переходы должны быть скруглены.

В исследуемой детали есть прямые углы, но они внешние и не влияют на качество отливки. По этому параметру деталь технологична.

Сопряжения L-, V-, X-, Г- и Т-образных узлов должны быть скруглены.

В данной отливке есть такие переходы, но все они скруглены. Отливка технологична по этому параметру.

Внутренние полости отливки должны иметь выход наружу.

В исследуемой детали есть три полости. Все три полости имеют выход наружу. По этому параметру отливка технологична.

Сложные внутренние полости должны быть объединены в одну.

Исследуемая деталь не имеет сложных полостей. Отливка технологична.

Отливка должна быть компактной и не иметь частей, мешающих ее извлечению из формы.

Исследуемая отливка имеет выступающие части - переходы от прямоугольного сечения к круглому. По этому параметру отливка не технологична.

Конструкция отливки должна предусматривать ее изготовление без стержней или с минимальным их количеством.

Изготовить данную отливку без стержней невозможно. необходимо использовать два стержня, один из которых сложной конфигурации. По этому параметру отливка не технологична.

3. Выбор положения отливки в форме и назначение поверхности разъема модели и формы

Эти две операции тесно связаны. Рассмотрим несколько вариантов расположения отливки, а заодно и назначения плоскости разъема. Варианты представлены на рисунке 3.

Рисунок 3 - Варианты разъемов формы и модели

Предложенные варианты оцениваются по нескольким параметрам, после чего из них выбирается лучший:

Желательно расположение всей отливки в одной полуформе.

Этому требованию полностью соответствуют положения 3,4,5,6. При положениях 7 и 8 в верхней полуформе будет располагаться лишь небольшая часть отливки, а при положении 1 и 2 отливка поровну располагается в одной полуформе.

Наиболее ответственные части отливки, подвергающиеся механической обработке, должны располагаться внизу или на боковых поверхностях.

Во всех случаях некоторые поверхности, подвергаемые обработке, будут расположены вверху.

Выбранное положение отливки должно обеспечивать направленное затвердевание.

Этим требованиям полностью не соответствует ни одно положение. Но особо неблагоприятные условия для направленного затвердевания создаются при положении 4,6,8, а так как для стальных отливок направленное затвердевание - единственный способ обеспечения высокого качества отливки, то в дальнейшем эти варианты не рассматриваются.

Выбранное положение должно обеспечить изготовление отливки без стержней.

Ни одно из оставшихся положений не обеспечит возможности изготовления отливки без стержней. При любом из них для изготовления отливки требуется одинаковое количество стержней.

Положение отливки в форме должно обеспечивать изготовление отливки в форме без отъемных частей.

Варианты 3,5,7,9,10 требуют применения отъемных частей.

Положение отливки должно обеспечить размещение всех стержней в нижней полуформе.

Варианты 5,7,1,2 позволяют разместить стержни в нижней полуформе

Желательно чтобы положение отливки обеспечивало одинаковую высоту обеих полуформ.

Варианты1 и 2 обеспечат одинаковую высоту полуформ.

Учитывая серийность изготовления данной отливки выбираем либо 1 либо 2 вариант, так как отливка симметрична относительно плоскости разъема формы, то можно выбрать любой из вариантов.

4. Определение норм точности отливки и величины припусков на механическую обработку

Определение норм точности начинается с определения диапазона класса размерной точности. Она выбирается по таблице 9 стр. 32 [2]. Диапазон зависит от вида техпроцесса литья (в нашем случае - формовка в сырой низковлажной песчано-глинистой смеси), типа сплава (в нашем случае - сталь 30Л-I), отношения к термообработке (данная отливка подвергается термообработке) и максимальному размеру (530 мм). Принимаем диапазон размерной точности - 9 т..13.

Из данного ряда с учетом серийности, степени автоматизации и массы отливки выбираем 11 класс точности.

По данному классу по таблице 1 стр. 3 [2] выбираем допуски размеров для обрабатываемых и ответственных необрабатываемых поверхностей. Значения размеров и их допуски заносим в таблицу 1

Таблица 1 - Значения допусков и припусков на механическую обработку

Номер поверхности

Размер детали, мм

Наличие мех. обр.

Допуск, мм

Вид мех. обр.

Положение при заливке

Припуск, мм

1

180

Rz 3,2

6,6

получ-я

бок

7,5

 

2

95

4,4

получ-я

бок

5,8

 

3

225

Rz25

6,6

получ-я

бок

6,0

 

4

260

-

6,4




 

5

66

Rz6,3

4,4

получ-я

верх

6,9

 

6

210

Rz12,5

6,6

получ-я

верх

8,8

 

7

150

-

5,0

-

-

-

 

8

66

Rz12,5

4,4

получ-я

верх

6,9

 

9

210

Rz 25

6,6

черновая

низ

6,0

 


Определяем ряд степеней точности поверхности (таблица 11 стр. 36 [2]). Он зависит от тех же параметров, что и рад допусков. Выбираем ряд степеней точности поверхности 14…20. С учетом серийности, степени автоматизации и массы отливки выбираем из заданного диапазона 18 класс степени точности поверхности.

По таблице 14 стр. 43 [2] для этого класса степеней точности поверхности принимаем ряд припусков на механообработку 9…12. С учетом типа сплава и отношения отливки к термообработке принимаем для нижних и боковых поверхностей 11 ряд припуска, а для верхних - 13 ряд.

Зная ряд припуска, допуск и тип окончательной механической обработки, назначаем на каждую обрабатываемую поверхность припуски на механическую обработку. Величины припусков заносим в таблицу 1

Далее по таблице 13 стр. 40 [2] находим диапазон классов массовой точности отливки. Он зависит от способа литья, типа сплава, отношения к термообработке и номинальной массы отливки (Мо).


где Мдет - масса детали; Мдет=96 кг

Мпр.м.о. - Общая масса всех припусков на механическую обработку.


Мн.э.=1,4+2,08=3,48 кг - масса непроливных элементов;

Мд.э.=0 - масса дополнительных элементов.

Принимаем диапазон классов массовой точности 9 т..16. В зависимости от серийности производства, степени автоматизации и массы отливки принимаем класс массовой точности 11т. Зная класс массовой точности и номинальную массу отливки по таблице 4 [2], принимаем допуск массы отливки - 10%.

Допустимая масса отливки 119,14+119,14·0,01=131,05 кг.


Для изготовления отливки используется три стержня:

Один стержень выполняет большее отверстие, другой стержень выполняет полость в отливке и третий небольшое отверстие.

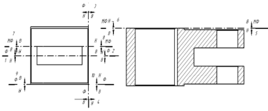
а) Стержень, выполняющий большее отверстие.

Стержень у основания имеет круглое сечение диаметром 180 мм. Высота рабочей части -210 мм. Тогда высота нижнего знака принимается по таблице 7 [3] - 40 мм. Высоту верхнего знака принимаем 30 мм. Уклоны принимаются по таблице 8 [3]. Уклон нижнего знака равен 7° или 5,5 мм.

Класс точности модельного комплекта-6. Зазор возле нижнего знака по таблице 11 [3] принимаем 1,2 мм. Зазор между боковыми стенками формы и стержнем - 1,3 мм. На чертеже указываем направление набивки стержня, плоскость разъема стержневого ящика и направление выхода газов. Эскиз стержня приведен на рисунке 4.

Рисунок 4 - Эскиз стержня выполняющего большего отверстия

б) Стержень выполняющий полость

Длину горизонтального знака при среднем габаритном размере рабочей части стержня (160+52)/2=106 мм и длине рабочей части стержня 200 мм принимаем - 130 мм. Уклон принимается равным 5°. Зазор между боковыми стенками формы и знака - 0,8 мм. На чертеже указываем направление набивки стержня, плоскость разъема стержневого ящика и направление выхода газов. Эскиз стержня приведен на рисунке 5.

Рисунок 5 - Эскиз второго стержня

в) Стержень выполняющий меньшее отверстие

Высоту вертикального нижнего знака, при рабочей высоте стержня 86 мм и габаритном размере стержня у основания 84 мм принимаем 35 мм. Уклон принимается равным 10° или 4,5 мм по высоте стержня для низа. Зазор возле нижнего знака - 0,6 мм. Зазор между боковыми стенками формы и знака - 0,5 мм. Эскиз стержня приведен на рисунке 6.

Рисунок 6 - Стержень выполняющий меньшее отверстие

6. Расчет прибылей

Для обеспечения высокого качества отливки и устранения дефектов усадочного происхождения устанавливаем две закрытые прибыли со срезом на два термических узла.

Расчет произведен на ЭВМ.

В результате расчеты получили прибыль с размерами Dпр=230 мм и Нпр= 230 мм, и прибыль с размерами Dпр=145 мм, Нпр=145 мм.

Общая масса прибылей составила 48,2 кг.

Технологический выход годного литья составил 68,3%.

Подробные результаты расчета приведены в приложении 1.

7. Расчет выпоров

Расчет выпоров сводится к определению суммарной площади сечения выпоров. Для данной отливки используем два конических выпора, расположенных над каждой из прибылей.


где Мо - масса отливки; Мо= 119,14 кг

Мпр - суммарная масса прибылей Мпр= 48,2 кг

Мвып - суммарная масса выпоров. В первом приближении:


Мл.с. - масса литниковой системы. в первом приближении:

V в=182,34/(7,8·10-6)=23376923,1 мм3.

Принимаем диаметр выпора - 40 мм.

Выпор расширяется кверху под углом 6° (уклон 1:10). Высота верхней опоки принимается 300 мм. Тогда высота меньшего выпоров 300-Нпр=300-230=70 мм. А высота большего выпора - 300-145=155 мм.

8. Расчет литниковой системы

Для заполнения отливки расплавом используем четырехэлементную сужающуюся литниковую систему с отношениями площадей сечения Fп:Fл.х:Fс=1,0:1,1:1,2. Подвод металла к полости формы осуществляется через один питатель с трапецеидальным сечением, подведенными под углом к термическому узлу отливки. Форма заливается из стопорного ковша. В форме располагаем две отливки. Найдем массу жидкого металла на заливку двух отливок в одной форме:


где Н1 - гидростатический напор в ковше в начальный момент заливки формы расплавом;

Н2 - гидростатический напор в ковше в конечный момент заливки формы расплавом.

.

Питатель является самым узким сечением данной литниковой системы. Площадь сечения питателя найдем по формуле:


где µ - коэффициент гидравлического сопротивления формы, принимаем 0,32;

Н - гидростатический напор металла в ковше, мм;

H - гидростатический напор металла в форма, мм.

Рассчитаем площадь сечения питателей для начального и конечного моментов заливки. Примем большее.

Принимаем суммарное сечение питателей равным 0,00186 м2.

Площадь одного питателя составит - 0,00186/2= 0,00093 м2; Эскиз сечения питателя представлен на рисунке 7.

Рисунок 7 - Эскиз сечения питателя

Для определения геометрических размеров питателя задаемся отношениями h:а =3 и b:a =0,9. Площадь сечения питателя:


Тогда вернее основание питателя - 0,018·0,9=0,016 м. Высота питателя - 0,018×3=0,054 м.

Суммарная площадь сечения ветвей литникового хода:


Площадь одной ветви литникового хода - 0,00205/2= 0,00125 м2

Сечение литникового хода - трапецеидальное. Отношения линейных размеров:

a:h=1 и b:a =0,9. Площадь литникового хода:


Тогда верхнее основание литникового хода - 0,036×0,9=0,032 м, высота литникового хода - 0,036 м.

Общая масса литниковой системы:


Расстояние от литникового хода до модели 50 мм. Длина питателя - 80 мм. Питатель расположен под углом 45° к литниковому ходу.

Общая длина ветвей литникового хода -425 мм. Его масса:

Стояк имеет уклон 1:20. Высота стояка равна высоте верхней опоки - 300 мм.

Технологический выход годного:

.

9. Выбор опок

деталь отливка припуск рычаг

Для отливки массой 119,14 кг по таблице 27 стр. 41 [1] находим минимально допустимые расстоянии между моделью и опокой. Эти расстояния:

от верха модели до верха опоки - 90 мм;

от низа модели до низа опоки -90 мм;

от модели до стенки опоки - 70 мм;

от модели до литникового хода - 60 мм.

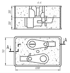
В опоке располагаем две отливки. Схема расположения отливок в опоке показана на рисунке 8.

Эскиз формы в сборе представлен на рисунке 9.

Рисунок 8 - Схема для определения размеров опок

Рисунок 9 - Эскиз форма в сборе.

Перечень ссылок

1. В.К. Могилев, О.И. Лев. Справочник литейщика. - М.: Машиностроение, 1988. - 272 с.

. ГОСТ 26645-85. Отливки из металлов и сплавов. Допуски размеров, массы и припуски на механическую обработку. - Введен 01.07.1987 - М.: Издательство стандартов, 1985. - 51 с.

. ГОСТ 3212-92 Комплекты модельные. Уклоны формовочные, стержневые знаки, допуски размеров. - ВместоГОСТ 3212-80; Введен 01.07.1993 - М.: Издательство стандартов, 1992. - 14 с.

. П.Ф. Василевский. Технология стального литья. - М.: Машиностроение, 1974. - 408 с.

Похожие работы на - Изготовление детали 'Рычаг'

 

Не нашли материал для своей работы?
Поможем написать уникальную работу
Без плагиата!
Без нейросетей!