|
кВт ,
об/мин
|
|
|
750
|
|
2,2
|
112M
|
|
Тип Двигателя
|
Основные размеры
электродвигателей в мм
|
|
        
|
|
|
|
|
|
|
|
|
|
|
112M
|
32
|
80
|
452
|
140
|
70
|
12
|
190
|
112
|
12
|
310
|
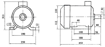
Рис. 1 Электродвигатель 4А 112М
2. Кинематический силовой анализ
· Передаточное отношении редуктора
· Частота вращения валов
· Момент на входном (1-ом) валу
· Суммарное время работы редуктора
.Выбор
материала и расчет допускаемых напряжений
· Расчетная твердость стали

· Предел контактной выносливости
=
· Базовое число циклов
· Число циклов нагружения зуба шестерни
· Коэффициент долговечности
Принимаем
· Допускаемые контакты напряжений
=
=381,81 МПа
где
SH=1.1 - коэффициент безопасности
· Предел изгибной выносливости
· Базовое число циклов
· Коэффициент долговечности
Принимаем
KFL=1
· Допускаемое напряжение изгиба
где
SF=1.75-коэффициент безопасности
. Расчет прямозубой цилиндрической
передачи
· Расчетное число зубьев шестерни

Принимаем
Z1=20
· Число зубьев колеса
Принимаем Z2=100
· Расчетный делительный диаметр шестерни
где
KH=1.1-коэффициент нагрузки
где ψbd=0,8-коэффицент
ширины шестерни
· Расчетный модуль зацепления
Принимаем
m=2,5мм
· Межосевое расстояние
· Диаметр делительной окружности шестерни
· Диаметр делительной окружности колеса
· Диаметры окружностей вершин зубьев
· Диаметры окружностей впадин зубьев
· Ширина зацепления
Принимаем
b = 40мм
· Ширина шестерни
Проверочный
расчет
· Рабочее контактное напряжение

· Коэффициент формы зуба шестерни
· Расчетные напряжения изгиба в зубьях шестерни

где
KF=1.3- коэффициент нагрузки
· Силы в зацепление (на колесе):
Окружная
Радиальная
. Проектный расчет валов и предварительный подбор подшипников
Выходной вал.
· Предварительный диаметр выходного участка
Где
[τ]=20 МПа - допускаемое
напряжение
кручения
Принимаем
· Диаметр ступени под уплотнение
Принимаем
· Диаметр ступени под подшипники
Принимаем
· Диаметр упорного бортика
В
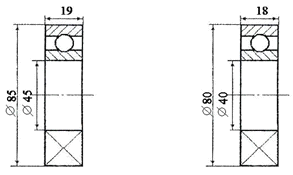
опорах валов устанавливается конический роликовый подшипник легкой серии.
Габаритные размеры подшипника: d=
=40мм, D=80мм,
B=18мм.
Динамическая
грузоподъемность
=32000Н.
Выходной
вал
· Предварительный диаметр выходного участка
Принимаем
· Диаметр ступени под уплотнением
Принимаем
· Диаметр ступени под подшипники
· Диаметр ступени под цилиндрическое колесо
· Диметр упорного буртика
В
опорах валов устанавливаем конические роликоподшипники легкой серии.
Габаритные
размеры подшипников: d=
=45мм, D=85мм, B=19м.
Динамическая
грузоподъемность
=33200Н.
Выбор
подшипников
|
Обозначение
|
d
|
D
|
B
|
Cr
|
|
Входной вал
|
208
|
40
|
80
|
18
|
32000
|
|
Выходной вал
|
209
|
45
|
85
|
19
|
33200
|
двигатель подшипник вал редуктор
Рис. 2 Подшипник на выходном валу Подшипник на входном валу
6. Эскизная компоновка и расчет
элементов конструкций
· Толщина стенки корпуса
Принимаем
· Диаметр стяжных болтов
Принимаем
· Ширина фланца корпуса
· Толщина фланца корпуса и крышки корпуса
· Толщина фланца основания корпуса
· Толщина
ребер жесткости
· Диаметр фундаментных болтов
· Ширина фланца основания корпуса
· Диаметр
винтов крышек подшипников
. Подбор и проверочный расчет шпоночных соединений
Входной вал
По
диаметру
=32мм и длинне выходного участка
мм выбираем шпонку
· Проверочный расчет на смятие

Где
- глубина паза на валу
Выходной
вал
Для
выходного участка диаметром
мм и
длине выходного участка
мм выбираем шпонку
· Проверочный расчет на смятие:

Для
ступени под колесо сечение шпонки
также
выбираем по диаметр
мм, а длину - по длине ступицы колеса
мм.
· Проверочный расчет на смятие

Параметры шпоночного соединения по ГОСТ 23360-78
|
Диаметр вала
|
b
|
h
|
Глубина паза вала
|
Глубина паза отверстия
|
|
Входной вал
|
31…38
|
10
|
8
|
5
|
3,3
|
|
Выходной вал
|
45…50
|
14
|
9
|
5,5
|
3,8
|
8. Проверочный расчет выходного вала
Расчет и
построение эпюр изгибающих моментов.
· Нагрузка на вал
· Расстояние между опорами
Плоскость
Axz - действует сила
· Изгибающий
момент на участке
при
при
Плоскость
Ayz - действует сила
· Изгибающий
момент на участке
при
при
· Суммарный изгибающий момент в опасном сечении
· Крутящий момент на валу

Рис.3 Эпюр
изгибающих и крутящих моментов на выходном валу
Расчет коэффициента
запаса усталостной прочности
Вал изготавливают из стали 40 (ГОСТ 1054-74) с пределом прочности σВ=620МПа и пределом выносливости на изгиб σ-1 и кручение τ-1
· Коэффициенты концентрации напряжений
· Масштабные факторы
· Коэффициент
шероховатости
· Коэффициент
асимметрии цикла
· Осевой
и полярный
моменты
сопротивления
Где
-ширина и глубина шпоночного паза на валу
· Напряжение в опасном сечении
· Коэффициент запаса прочности по нормальным напряжениям изгиба
· Коэффициент запаса прочности по касательным напряжения
кручения
· Общий коэффициент запаса усталостной прочности
9. Проверочный расчет подшипников выходного вала
Рис. 4 Реакции опор
· Полные реакции опор
· Приведенная радиальная нагрузка при присутствии осевых сил
Где
=1 - коэффициент вращения
-
большее значение из полных
реакций
опор
и
=1.4 -
коэффициент безопасности
=1 -
температурный коэффициент
· Долговечность подшипников
Где
- суммарное время
работы передачи
10. Подбор соединительной муфты
Для соединения электродвигателя и редуктора выбираем муфту упругую со
звездочкой по ГОСТ 14084-76
· Проверка на
передаваемый момент
Где
=2,5 - коэффициент режима работы
- момент
на входном валу
-
момент, передаваемый стандартной муфтой
11. Подбор смазки и уплотнения валов
Сорт масла выбирается по кинетической вязкости, которая зависит от
величины контактных напряжений в зубьях σН и окружной скорости колеса υокр.
|
Окружная скорость υокр,м/с
|
<2
|
|
Кинематическая вязкость ,мм2/с34
|
|
|
Кинематическая вязкость ,мм2/с28 33
|
|
|
Сорт масла
|
Индустриальное
|
|
Марка масла
|
И-30А
|
Для смазки редуктора при расчетном контактном напряжении σН=125,8 МПа и окружной скорости
Для уплотнения выбираем резиновые манжеты по ГОСТ 8752-79.
12. Сборка и
регулировка основных узлов редуктора
. Перед сборкой внутреннюю полость корпуса редуктора тщательно
очищают и покрывают маслостойкой краской.
. Сборку производят в соответствии со сборочным чертежом
редуктора, начиная с узлов валов.
. На ведущий вал насаживают мазеудерживающие кольца и конические
роликоподшипники, предварительно нагретые в масле до 80-100ОС.
. В ведомый вал закладывают шпонку 10х8х62 и напрессовывают
зубчатое колесо до упора в бурт вала; затем надевают распорную втулку,
мазеудерживающие кольца и устанавливают конические роликоподшипники, предварительно нагретые в масле.
. Собранные валы укладывают в основание корпуса редуктора и
надевают крышку корпуса, покрывая предварительно поверхности стыка крышки и
корпуса спиртовым лаком. Для центровки устанавливают крышку на корпус с помощью
двух конических штифтов, затягивают болты, крепящие крышку к корпусу.
. После этого на ведомый вал надевают распорное кольцо, в
подшипниковые камеры закладывают пластичную смазку, ставят крышки подшипников с
комплектом металлических прокладок для регулировки.
. Перед постановкой сквозных крышек в проточки закладывают
войлочные уплотнения, пропитанные горячим маслом. Проверяют проворачиванием
валов отсутствие заклинивания подшипников (валы должны проворачиваться от руки) и закрепляют крышки винтами.
. Далее на конец ведомого вала в шпоночную канавку закладывают
шпонку, устанавливают звездочку и закрепляют ее торцовым креплением; винт
торцового крепления стопорят специальной планкой.
. Затем ввертывают пробку маслоспускного отверстия с прокладкой и
жезловый маслоуказатель.
. Заливают в корпус масло и закрывают смотровое отверстие крышкой
с прокладкой из технического картона; закрепляют крышку болтами.
Список литературы
. Чернавский С.А. "Курсовое проектирование деталей
машин", М:, Машиностроение, 1988
. Шейнблит А.Е. "Курсовое проектирование деталей
машин", М:, Высшая школа, 2003
. Чернавский Д.В. "Детали машин, проектирование
приводов технологического оборудования", М:, Машиностроение, 2001